Технология изготовления пространственных кожгалантерейных изделий
Введение
В настоящее время, когда
отечественная экономика все в большей степени переходит к рыночным условиям
функционирования, возникает необходимость расширения производства
конкурентоспособных отечественных товаров, потребительские свойства которых отвечали
бы высоким современным требованиям. При этом повышение качества товаров,
расширение ассортимента невозможно без совершенствования существующих
технологических процессов и разработки нового оборудования и оснастки.
В настоящее время уровень производства
изделий кожгалантерейной промышленности не отвечает требованиям
научно-технического прогресса. Это, прежде всего, связано с недостаточной
механизацией и автоматизацией технологических процессов, отсутствием гибкости в
перестройке производства при частой сменяемости ассортимента, ограниченным
применением широкодоступных материалов, отсутствием соответствующего
оборудования для их переработки. Вместе с тем использование натуральных кож
связано с большим количеством ручных операций, высокой материалоемкостью и
энергоемкостью существующих процессов, ограничивает разработку и внедрение
ресурсосберегающей технологии./ 1 /
Решение поставленных задач требует
комплексного подхода на основе системного анализа конструктивных и
эксплуатационных особенностей кожгалантерейных изделий, технического и
организационного уровня их производства, научных достижений в смежных областях
промышленности.
Одним из главных путей
совершенствования кожгалантерейной отрасли является расширенное применение
синтетических материалов.
Технико-экономические показатели
изготовления деталей кожгалантерейных изделий из натуральных и искусственных
кож, пленочных и текстильных материалов, в ряде случаев, не отвечает
требованиям сегодняшнего дня. Это связано с дороговизной и дефицитностью
натуральных кож, плохой формоустойчивостью деталей из натуральных кож и
пленочных материалов, их низкой эксплуатационной надежностью. Кроме того,
разнообразие технологий и применяемое оборудование без возможности перестройки
рабочего цикла значительно сдерживает ассортиментные возможности производства
кожгалантерейных изделий.
Изготовление цельноформованных
деталей из полимерных материалов позволяет расширить ассортимент и улучшить
качество таких изделий как чемоданы, дорожные и хозяйственные сумки,
ученические ранцы и т.п., снизить себестоимость кожгалантерейных изделий за
счет замены отдельных деталей из натуральных кож на полимерные материалы. Это
позволяет сократить такие подготовительные операции, как увлажнение,
проклеивание, тиснение, перфорацию, разметку и др.
Несмотря на перечисленные
преимущества изготовления полимерных деталей и общей тенденции замены
натуральных материалов в изделиях легкой промышленности их применение в
отечественном кожгалантерейном производстве ограничено. Это сопряжено с
отсутствием технологического оборудования и сложностью его проектирования, в
недостаточной изученностью процессов переработки полимеров, отсутствием
исследований по их эксплуатационной надежности.
Поэтому для устранения недостатков
необходимо выполнить разработку технологических процессов и конструктивных
параметров механизмов для формования изделий мелкой кожгалантереи с
использованием отверждающего покрытия.
Основными задачами разработки
явились:
·
выбор материалов и метода формования кожгалантерейных изделий
пространственной формы;
·
теоретическое и экспериментальное исследование процессов
формования;
·
разработка устройства для формования.
На сегодняшний момент
кожгалантерейная отрасль легкой промышленности находится в сложных условиях. С
одной стороны возрос спрос на отечественные кожгалантерейные изделия, с другой
стороны существует конкуренция с импортными изделиями. Это выдвигает требования
перестройки технологических процессов и модернизации существующего
оборудования. Положение осложняет сложное экономическое состояние предприятий,
отсутствие средств для проведения научно-исследовательских
опытно-конструкторских работ для разработки и изготовления оборудования и
технологической оснастки.
Одним из наиболее востребованных
ассортиментов является мелкая кожгалантерея и, в частности, изделия, имеющие
каркасную пространственную конфигурацию: футляры, чехлы и т.д. До настоящего
времени эти изделия изготавливались либо из дорогостоящей относительно толстой
натуральной кожи путем ее формования, либо из искусственной кожи со вставкой
вкладышей для обеспечения каркасности. Все это с одной стороны удорожает
изделие, с другой стороны ограничивает возможности моделирования и улучшения
качества. Поэтому в настоящей работе приводятся результаты исследования
процесса изготовления пространственных деталей кожгалантерейных изделий из
материалов с отверждающим слоем. В этой связи ниже рассмотрены вопросы:
·
выбор объекта исследования;
·
анализ существующих технологий и оборудования для формования
изделий пространственной конфигурации;
·
выбор способа формования;
·
разработка конструкции устройства для формования.
1.
Выбор материала и метода формования деталей мелкой кожгалантереи
кожгалантерейный текстильный
формование
Кожгалантерейная промышленность
обеспечивает население и народное хозяйство предметами культурно-бытового,
хозяйственного, спортивного, производственного назначения.
Часть этих изделий имеют
пространственную конфигурацию, которая образуется путем объемного формования
кожевенных и искусственных материалов.
Совершенствование существующей и
разработка новой технологии и механизмов для получения таких деталей может
осуществляться на основе научно-обоснованного выбора материала и метода его
переработки, а также анализа ассортимента. выпускаемых кожгалантерейных
изделий.
1.1 Анализ конструкций
формованных деталей мелкой кожгалантереи
Формованные детали находят
применение в изделиях жесткой и полужесткой конструкции. Их форма и
функциональное назначение весьма разнообразны. Такие детали могут служить в
качестве основных каркасных образований или выполнять роль вспомогательных
частей изделия.
В кожгалантерейных изделиях
формованные детали могут быть наружными и внутренними.
К наружным каркасным деталям
относятся стенки, ботаны, фальды, дно, клинчики чемоданов, портфелей типа «дипломат»,
сумок «пилот», различных футляров и т.п./ 1 /
Дополнительные наружные детали могут
выполнять роль карманов, элементов закрывания и ношения изделия, использоваться
для отделки и украшения.
Внутренние детали, например,
вкладыши и ученические ранцы, тоже могут быть каркасными, служить для
упрочнения изделия, придания ему формоустойчивости и жесткости.
А также, в современном
кожгалантерейном производстве выпускается большое количество мелких
кожгалантерейных изделий различного назначения: бумажники, портмоне, кошельки,
обложки, портсигары, кобуры, очечники и т.д.
Вся совокупность мелких
кожгалантерейных изделий разделена следующим образом.
Классификация кожгалантерейных
изделий по принадлежности к изделиям ЛП показана на рис.1, а также в таб. 1./ 2
/
Кроме того, мелкая кожгалантерея
может быть классифицирована по следующим признакам:
по методу изготовления - прошивные,
клеевые, в оплетку, формованные, методом сварки ТВЧ, литьевые, клепанные,
комбинированные;
по конструкции - жесткие,
полужесткие и мягкие; с прокладкой и без прокладки; с подкладкой и без
подкладки;
по способу изготовления -
выворотные, невыворотные;
по виду обработки наружных краев - в
загибку, в обрезку;
по способу закрывания - на рамочный
замок, застежку-молнию, замок-задвижку, замок-защелку, замок-кнопку и др.,
открытые.
Изделия изготавливают из натуральной
и искусственной кожи, полимерных пленок, тканей, комбинированные.
Требования, предъявляемые к
изделиям, разнообразны. Размеры бумажников, обложек для паспорта, удостоверений
должны соответствовать размерам вкладываемых документов. Кроме того,
предъявляют повышенные требования к качеству изготовления и внешнему виду
изделий: они должны отвечать функциональному назначению, быть удобными в
эксплуатации, иметь презентабельный внешний вид и т.д.
Таблица 1
Классификация деталей кожгалантерейных изделий
|
Наименование изделия
|
Наименование деталей и узлов
|
Размеры, мм
|
|
|
длина
|
ширина
|
|
Сумки дорожные
|
карманы
|
7…40
|
15…30
|
|
ботаны
|
50…150
|
25…70
|
|
клапаны
|
10…30
|
7…20
|
|
днища
|
10…40
|
10…150
|
|
Сумки мужские, женские
|
карманы
|
7…20
|
15…20
|
|
клапаны
|
10…30
|
7…20
|
|
ботаны
|
50…150
|
25…70
|
|
Ученические ранцы
|
карманы
|
7…20
|
15…20
|
|
ботаны
|
30…60
|
25…50
|
|
клапаны
|
10…30
|
7…20
|
|
днища
|
10…40
|
10…50
|
|
Футляры
|
для очков
|
20…25
|
8…12
|
|
для ключей
|
8..15
|
5…10
|
|
для ручек
|
15…25
|
3…8
|
|
Портмоне,бумажники, кошельки
|
|
10…20
|
10…15
|
Процесс изготовления изделий состоит
из обработки узлов и деталей и их последующей сборки. В процессе изготовления
данного ассортимента имеется много общего, хотя и имеются некоторые различия.
1.2 Выбор материала для отверждающего
слоя
Из вышесказанного следует, что
корпусные детали кожгалантерейных изделий изготавливают формованием из
дорогостоящей натуральной кожи толщиной более 3 мм или с применением различных
вставок из картона или пластика. Формование в обувной промышленности идет с
применением более тонких кож, но толщина этих кож не менее 1 мм. При формовании
более тонких кож, а также искусственных кож не удается достичь требуемой
формоустойчивости.
Идея заключается в том, чтобы
соединить кожу с подкладом с помощью склеивающего отверждающегося слоя, чтобы в
процессе технологии соединить слои и придать форму изделию, а так же получить
необходимые характеристики изделия.
Рассмотрим варианты склеивающих
отверждающих слоев:
клей на основе растворителей
(наиритовые);
клей с отверждающими компонентами
(полиуретановые, эпоксидные);
термопластичный прокладочный
материал.
Выделим и обозначим некоторые
параметры эксплуатации клеев:
Клей на основе растворителей:
·
работа с клеями на основе растворителей требует в технологическом
процессе время на отверждение:
а) первый этап начальное
поверхностное отверждение с активным выделением растворителя;
б) второй этап более длительное
время окончательного высыхания, то есть испарение растворителя из глубинных
слоев клеящей массы. На этом этапе происходит сильная деформация изделия
связанная с испарением растворителей;
·
в процессе отверждения клея необходима активная вентиляция из
рабочей зоны. Иначе концентрация растворителя не дает высыхания;
·
клеи на растворителях чаще всего вредны экологически для
операторов, ведущих технологический процесс;
·
при охлаждении изделия требуют дополнительных усадочных размеров
на изделии;
·
организовать аккуратную чистую технологию процесса промазывания
клеем, чтобы не измазать изделие практически не возможно и поэтому требует
операции очистки изделия в процессе или после изготовления.
Клей двухкомпонентный на основе
эпоксидных смол и отвердителей:
·
работа с такими клеями требует большое время на отверждение;
·
деформации при отверждении изделия достаточно ощутимы и требуют
усадочных размеров на изделии;
·
изделия получаются недопустимо жесткие и хрупкие;
·
все работы необходимо проводить в специально оборудованном
помещении и на специальном оборудовании;
·
высокая токсичность самих смол, а также их растворителей и
отвердителей небезопасна для здоровья, а так же требует активной вентиляции;
·
размягчители для эластичности отверждающей массы со временем или
упрочняют жесткость, или приводят к хрупкому разрушению.
3. Термопластичный прокладочный
материал:
·
относительно низкая температура плавления +400 - +420 К;
·
высокая адгезия в вязко-текучем состоянии;
·
высокая формоустойчивость после стеклования;
·
нетоксичность
·
высокая прочность и эластичность при - 233 + 333 К
·
восстановление термопластичных свойств при повторном нагревании.
Анализ отмеченных параметров
позволил выявить технологические требования к формованию изделий с
термопластичным отверждающим слоем:
·
минимальное время формования, которое определяется в основном
конструкцией формующей оснастки и способами нагрева и охлаждения заготовки;
·
возможность использования простых способов формования методом
расплавления и отверждения;
·
способность лицевого покрытия к формованию в разогретом состоянии
(растяжение, вытяжка, усадка);
·
обеспечение жесткости и эластичности изделий за счет регулирования
толщины термоклея;
·
сохранение свойств и внешнего вида лицевого покрытия изделия:
а) лаковое покрытие кожи должно
сохранять свой цвет и блеск;
б) на коже должно сохраняться тиснение;
в) структура кожи должна не
нарушаться (не считая необходимого проникновения термоклея на внутренней
поверхности);
·
должна обеспечиваться экологическая чистота технологии;
·
простые требования по технике безопасности;
·
должна обеспечиваться безопасность при работе.
Физико-механические свойства
термопластичных прокладочных материалов приведены в таб. 2./ 3 /
Таблица 2
Физико-механические свойства
термопластичных прокладочных материалов
|
Наименование мат-ла
|
Плот-ность, кг/м3
|
Разрушающие напряжения, Мпа
|
Относит. удлин. при разрыве, %
|
Модуль упругости при растяжении, Мпа
|
Теплостой-кость, не более, К
|
Морозо-стойкость, не менее, К
|
|
|
При растяже-нии
|
При сжатии
|
При изгибе
|
|
|
|
|
|
1. ПВХ непластифи-цированный
|
1400
|
45-75
|
60-90
|
70-120
|
10-50
|
4000
|
343
|
265
|
|
2. ПВХ пластифици-рованный
|
1300-1400
|
5-25
|
6-10
|
-
|
200-400
|
7-10
|
343
|
248
|
|
3. ПЭВД
|
918-930
|
10-17
|
-
|
12-17
|
500
|
600-220
|
353
|
203
|
|
4. ПЭНД
|
949-955
|
22-30
|
-
|
20-35
|
300-800
|
570
|
373
|
203
|
|
5. Полипропи-лен
|
900-910
|
25-40
|
60-70
|
90-120
|
200-800
|
-
|
413
|
258
|
|
6. Сополимер этилена с пропиленом
|
430-945
|
22-30
|
-
|
-
|
600-900
|
300
|
373
|
153
|
|
7. Полистирол
|
1050-1070
|
22-45
|
80-120
|
60-100
|
1-45
|
2900
|
353
|
-
|
|
8. АВС-пластики
|
1020-1050
|
35-68
|
-
|
30-100
|
12-35
|
-
|
383
|
-
|
|
9. Полиамиды
|
1100-1150
|
40-80
|
60-110
|
50-100
|
70-350
|
1200
|
393
|
228
|
|
10. Термо-эластопласты
|
920-980
|
10-27
|
-
|
-
|
600-1000
|
-
|
333
|
238
|
|
11. Полиуре-таны
|
980-1200
|
6-50
|
-
|
-
|
400-700
|
-
|
363
|
243
|
Сравнительный экономический анализ
возможных к применению в качестве отверждающего слоя термопластичных полимерных
материалов показал, что наиболее дешевым и удовлетворяющим вышеперечисленным
требованиям является полиэтилен высокого давления.
1.3. Разработка технологии
формования деталей мелкой кожгалантереи
Технология изготовления изделий с
термопластичным отверждающим слоем представлена на рис. 2 и содержит следующие
операции:
1. Соединение термопласта с
кожей под давлением с одновременным расплавлением термопласта.
2. Раскрой деталей из кожи (с
нанесенным термопластом) и подкладочной ткани.
. Сшивание чехла из кожи и
внутреннего чехла из подкладочной ткани лицевой стороной вовнутрь.
. Выворотка заготовки верха.
. Собрать изделие. В кожаный
чехол вложить чехол из подкладочной ткани. Вывернуть край кожаного чехла
вовнутрь изделия и прострочить по краю.
. Установка заготовки
изделия на форму (пуансон).
. Установка обжимного
устройства (матрицу с пневмокамерой) на заготовку.
. Нагрев термоформы до
температуры плавления и выше для расплавления термоклея, выдержать время для
его абсорбции в материалы (теплопередачей).
. Охлаждение формы ниже
температуры отверждения (теплопередачей).
. Съем обжимного устройства.
. Съем изделия.
Операции 1-5 выполняются в
соответствии с аппаратным обеспечением технологических процессов существующего
производства и в данной работе не рассматриваются. Далее рассмотрена только
технология формования на проектируемом устройстве.
В технологии изготовления для
нагрева формы можно использовать:
·
электрический нагрев (283 - 1283 К);
·
нагрев формы горячим паром (при температуре выше 383 К);
·
нагрев формы горячим воздухом (283 - 683 К);
Электрический нагрев имеет следующие
достоинства и недостатки:
Электрический нагрев предполагает
встройку теплоэлектрических нагревателей в форму.
Достоинства - это самый эффективный
нагрев, т.к. минимум переходных сред для тепловых процессов (максимальный коэффициент
теплопередачи);
Недостатки - резко усложняет форму,
следовательно в несколько раз увеличивает теплоемкость формы, что потребует
больше энергетических затрат на разогрев и охлаждение формы и во много раз
увеличивает время на переходные тепловые процессы.
Нагрев паром имеет следующие
достоинства и недостатки:
Достоинства - теплопередающая среда
«пар» более энергоемка, чем воздух, хотя и меньше, чем вода;
Недостатки:
·
необходим парогенератор;
·
система нагрева по герметичным трубам усложнит установку;
·
возможно образование конденсата на более низкотемпературных
поверхностях и образование капель и потеков воды на установке.
Нагрев горячим воздухом имеет
следующие достоинства и недостатки
Достоинства:
·
форма остается минимальной по теплоемкости, а, следовательно,
более производительной;
·
теплоемкость воздуха меньше теплоемкости формы, а, следовательно,
не влияет на временной тепловой процесс;
·
возможность регулировать температуру воздуха в достаточном для нас
диапазоне (283 - 683 К);
·
простой способ нагрева воздуха с помощью ТЭНов (теплоэлектрических
нагревателей);
·
простота включения, отключения подачи воздуха, переключения
воздуховодов на охлаждение;
·
не опасна утечка воздуха из системы нагрева-охлаждения;
·
окончательное охлаждение воздухом из помещения с температурой +293
+313 К;
Недостатки - низкая теплоемкость
термопередающей среды (может быть компенсирована повышением скорости потока
воздуха).
Таким образом, проанализировав
различные методы нагрева, выявили наиболее рациональный способ нагрева - нагрев
формы горячим воздухом.
В результате анализа возможных
методов нагрева формы горячим воздухом были разработаны следующие схемы
технологического процесса.
Установка для изготовления
единичного изделия представлена на рис 3а. При такой технологии формования
придется каждый раз попеременно нагревать и охлаждать форму до определенной
температуры, что требует больших затрат энергии и не обеспечивает достаточную
производительность. Отсюда вытекает идея нагрева формы теплопередачей от уже
нагретой формы. Схема процесса на технологической линии представлена на рис.
3б.
Технология изготовления может
незначительно меняться в зависимости от формы детали или изделия, удобства
сборки и технологичности.
Особенностью предполагаемой
технологии и конструкции устройства для формования изделий из материалов с
отверждающим покрытием является их энергетическая экономичность. Разработка
технологии и конструкции устройства для формования предшествовали расчеты
теплообменных процессов. Главным параметром обеспечивающим выбранный
технологический процесса является показатель кратности времени нагрева и
охлаждения обрабатываемой заготовки. От данного параметра зависит
продолжительность технологического цикла и позиционность машины.
Рассмотрим нагрева тела (Рис 4а).
Зададимся следующими обозначениями:
ТС - температура среды (ТС
= const);
ТТ - температура тела.
Количество теплоты, необходимое для
нагрева данного тела, пропорционально его массе и изменению температуры.
, (1.1)
где Q - количество
тепла, с - удельная теплоемкость тела, m - масса тела, ∆ТТ -
изменение температуры, происходящее в результате подвода к телу количества
тепла Q.
Схемы технологических
процессов нагрева формы
а)
б)
а - изготовление единичного изделия,
б - технологическая линия
Рис. 3
Жидкие или газообразные тела,
вступающие в контакт с твердым телом, находящимся при другой температуре, либо
отдают ему тепло, либо получают тепло от него. Такое явление называют теплоотдачей
и описывают уравнением
, (1.2)
где Q - количество
тепла, проходящее через границу сред, α - коэффициент
теплоотдачи, А - площадь поверхности, через которую происходит теплоотдача, Δt
- продолжительность процесса теплоотдачи, ΔТ
- разность температур поверхности твердого тела и окружающей среды.
Так как в обоих
уравнениях Q - это равное количество тепла, то мы можем приравнять правые части
уравнений (1.1) и (1.2),
. (1.3)
Запишем это уравнение в
дифференциальном виде:
. (1.4)
Преобразуем это
уравнение:
. (1.5)
Решив это дифференциальное уравнение
получим:
, (1.6)
постоянную k определяем
из граничных условий TT = 0 и t = 0
0 = TC + k; k
= -TC
отсюда получим
(1.7)
газ растворение
кислотный
Примем
,
где τ - временнáя постоянная, характерная для каждого вещества, тогда
. (1.8)
На рис. 4б представлен график этого
уравнения
Рассмотрим процесс теплопередачи от
одного тела к другому через воздушную среду.(Рис. 4в)
В нашем случае предположим, что
нагретый воздух хорошо перемешан и его температура одинакова во всех точках, а
вся разница температур лежит на границе сред. Начальное значение температуры
среды ТС равно среднему значению между Т1 и Т2.
Так как есть две границы,
следовательно, есть два процесса:
(1.9)
Так как теплопотери не
учитываются, следует, что Q1 = Q2,
ΔT1 = ΔT2 и ΔT1 +
ΔT2 = ΔT
В процессе теплообмена первое тело
охлаждается, второе тело нагревается. Так как тела одинаковы, m1 = m2
и теплопотери отсутствуют, то насколько нагрелось второе тело, настолько остыло
первое.
Процесс изменения температур
описывается уравнением
, (1.10)
,
. (1.11)
Среднее значение между
текущими величинами ТТ1 и ТТ2 не меняется
. (1.12)
а, следовательно, ТС
величина постоянная и энергетических затрат на изменение температуры среды не
требуется.
Так как ТС величина
постоянная, то для описания процесса теплообмена двух форм можно использовать
уравнение (1.12).
На рис.4г представлен совмещенный
график нагрева и охлаждения для обоих тел.
Тепловой процесс охлаждения первого
тела описывается уравнением
(1.13)
Тепловой процесс нагрева
второго тела описывается уравнением
(1.14)
Разница температуры
между телами описывается уравнением

То есть происходит
выравнивание температур.
Все тепловые процессы можно привести
к экспоненциальному процессу.
Основной характеристикой этого
процесса является временнáя постоянная τ. Ниже приведен ее расчет.
Примем массу формы с учетом массы
изделия mτ = 0.1 кг.
По справочнику / 4 / выбираем
коэффициент теплопередачи при системе «воздух - гладкая поверхность» α = 5,6 + 4v*, где v* - скорость. Примем скорость равной v* =
0,5 м/с. α = 7,6 Вт/Н2·К. Площадь теплопередачи А = 0,02 м2.
Теплоемкость железа с = 0,46
кДж/кг·К.
Отсюда:
Процессы теплопередачи
а) б)
в) г)
Рис. 4.
При рассмотрении данного процесса
взяты следующие допущения:
·
не рассмотрены процессы внутри тел;
·
принято отсутствие теплопотерь из системы;
·
теплоемкость передающей среды из-за ее малой величины не
учитывалась;
·
температура внутри передающей среды равномерна.
Для того чтобы определить количество
позиций в процессе необходимо задаться температурой нагрева формы за время
одного цикла t и разницей температур форм после процесса теплоотдачи ΔT. На рис. 5 представлен
векторно-графический способ определения рационального количества позиций в
процессе.
На рис. 6 представлена диаграмма
теплового процесса формования одной позиции на технологической линии за все
время рабочего цикла.
Процесс нагрева и охлаждения показан
на рис. 7. При разных температурах нагрева энергопотери определяются только
последним циклом.
Энергопотери на последней ступени
охлаждения в технологической линии определяются уравнением:
(1.16)
Векторно-графический
метод выбора рационального количества позиций
Рис. 5.
Процесс нагрева и охлаждения
различных по длительности и максимальной температуре нагрева процессов
Рис. 7
Энергопотери в единичном
производстве определяются уравнением:
(1.17)
Энергозатраты
определяются энергопотерями, потому что, сколько энергии выделяется при
охлаждении, столько энергии необходимо затратить на нагрев.
Сравним энергопотери QЕ.И.
и QТ.Л.
Таким образом,
технологическая линия в 4 раза менее энергозатратна.
1.4 Тематический поиск по источникам
патентной и научно-технической информации
В ходе патентного исследования было
просмотрено и изучено около 20 документов и среди них: авторские свидетельства,
патенты, выложенные заявки и другая научно-техническая литература и
документация. Те из них, в которых заложены наиболее соответствующие
направлению исследования технологии и технические решения были отобраны для
дальнейшего более глубокого изучения и анализа.
Анализ показал, что в качестве
аналогов разработанному устройству можно выбрать следующие устройства.
Формование механическим обжимом на
пуансоне. (Авторское свидетельство СССР № 825460, кл. В 68 F 1/00, 30 апреля
1981г.)(Рис. 7)
Устройство содержит парные пуансоны
1 с упорами 2 и парные матрицы, каждая из которых содержит верхний прижим 3 и
боковые прижимы 4, соединенные шарнирами 5. Боковые прижимы 4 подпружинены
пружинами 6 и имеют рычаги 7.
Матрицы смонтированы на винтовом
прессе, содержащем винт 8 и электродвигатель 9.
Для сушки деталей в отверстиях
пуансонов установлены электронагревательные элементы.
Устройство работает следующим
образом.
В исходном положении матрицы
подняты. Увлажненную заготовку детали укладывают на нагретые пуансоны 1 между
боковыми ограничителями 2, при этом пуансоны слегка обтягивают заготовкой.
Включают электродвигатель 9
винтового пресса, матрицы опускаются. Боковые прижимы 4, касаясь рычагами 7
упоров 2, поворачиваются, огибая закругленные края пуансонов, вытягивая
заготовку и придавая ей форму. При этом выступы матрицы вдавливаются в
заготовку, образуя линии для шва на формуемой детали.
Недостатки:
·
неравномерность обжатия на всех участках формы, отсюда плохое
качество изделия;
·
сложность механики пуансона
Пневмовакуумное
формование.(Авторское свидетельство СССР № 639204, кл. В 29 С 17/04, 15 марта
1982г.) (Рис.8)
Устройство имеет пневматическую
камеру 1 с перфорированной прижимной плитой 2, размещенный внутри камеры
электронагреватель 3, матрицу 4 с отверстиями 5 для вакуумирования или подачи
сжатого воздуха
Устройство снабжено линией 6 для
подачи сжатого воздуха в пневматическую камеру и линией 7 для подачи сжатого
воздуха в матрицу. Все линии сжатого воздуха снабжены пневморегулирующей
аппаратурой. В пневматической камере установлен кран 8 для сброса воздуха из
полости матрицы.
Для вакуумирования матрицы последняя
снабжена линией 9.
Устройство работает следующим
образом.
Термопластичный лист 10 укладывают
на матрицу 4 и пневматическую камеру 1 электротельфером опускают до полного
смыкания с матрицей, зажимая лист. Затем устройство плотно запирают. Далее
включают электронагреватели 3 и подают сжатый воздух по линии 6 в
пневматическую камеру 1, который нагревается электронагревателями. Термопластичный
лист 10 нагревается плитой 2.
После окончания нагрева листа
осуществляют формование изделия сжатым воздухом по линии 6 и вакуумированием по
матрицы 4 по линии 7. По окончании формования электронагреватели отключают и
подают для охлаждения изделия холодный воздух. После охлаждения изделия его
выталкивают из матрицы сжатым воздухом по линии 7.
Анализ работы позволил выявить
следующие недостатки:
·
происходит утончение материала и вследствие неравномерности
структуры материала - его разрыв
·
остаточная (релаксация) усадка материала, которая нарушает
линейные размеры изделия после формования
Пневмоформование.(Авторское
свидетельство СССР № 288401, кл. В 29 С 17/04, 8 сентября 1981г.) (Рис. 9)
Устройство имеет пуансон 1, на
котором осуществляют выкладку пакета слоев, прижимную матрицу 2 и пневмокамеру
3.
Устройство работает следующим
образом: на пуансон 1 осуществляют выкладку пакета слоев заготовки 4, которую
собирают предварительно на том оборудовании, которое имеется. Затем поджимают
матрицей 2 с образованием боковых клиновидных зазоров, в которых находятся
полости пневмокамеры 3. Для лучшего обжатия создают давление в пневмокамере 3 и
выдерживают время технологического процесса. По прошествии времени в матрицу 2
подводят хладагент. После этого матрицу отводят, а заготовку снимают с
пуансона.
Анализ работы позволил выявить
следующие недостатки:
·
большая энергозатратность
·
неточное формообразование в связи с образованием клиновидных
зазоров между матрицей и пуансоном
Анализ существующих конструкций
устройств для формования полых деталей пространственной конфигурации из
композиционных материалов показал, что имеющиеся недостатки в конструкциях
данных устройств и их целевое назначение не позволяет применить перечисленные
устройства для изготовления деталей и узлов кожгалантерейных изделий. Поэтому
ниже рассматриваются вопросы разработки конструкции устройства для формования
кожгалантерейных изделий с термопластичным отверждающим слоем.
2. Техническое задание
1) Наименование разработки:
устройство для формования кожгалантерейных изделий;
2) Область применения: легкая
промышленность;
) Основание разработки:
задание на дипломный проект;
) Цель и назначение
разработки: исследование возможности получения изделий мелкой кожгалантереи с
использование термопластичного отверждающего слоя и разработка устройства для
формования таких изделий;
) Технические требования:
·
производительность машины - 80 изделий в смену;
·
метод обработки - последовательно-параллельный метод с
использованием многопозиционного стола;
·
количество обслуживающего персонала - 1 чел.;
·
величина и скорость перемещения обрабатываемого изделия - поворот
на 45о со скоростью 0.46 с -1;
·
мощность и тип привода - электродвигатель мощностью 10 Вт и
ременная передача для поворота стола; пневмоцилиндры для подъема и опускания
стола; пневматическая система для формования; электродвигатель мощностью 6 Вт
для вентиляционной системы;
6) Специальные требования:
толщина подклада - до 2 мм;
толщина отверждающего слоя - до 2
мм;
толщина лицевой детали: натуральная
кожа - до 2.5 мм;
искусственная кожа - до 3.5 мм
3. Исследование процесса формования
деталей из материалов с отверждающим покрытием
Для выбора технологического режима
формования изделий из полимерного материала с отверждающим слоем необходимо
проведение исследований процесса, которые позволили бы определить температурный
диапазон высокоэластического состояния полимера и температурно-временные режимы
формования. Исходными данными для этих расчетов являются сведения о
реологических параметрах материала (температура плавления,
температуропроводность).
.1 Теоретическое исследование
температурно-временных зависимостей термоформования
Формование полимерных деталей
кожгалантерейных изделий является многофакторным процессом, в котором
совокупность свойств изготавливаемого изделия, а именно: форма, размеры,
качество поверхности, физико-механические свойства; и производительность труда
на операции связаны с условиями взаимодействия полимерной массы с оснасткой и
установленными режимами сварки / 5 / В формализованном виде такую зависимость
можно представить в следующем виде:
=F (TH, tH,
х), (3.1)
где Y- функция, характеризующая
качество получаемой детали; Тн - температура нагревателя; tн
- продолжительность нагрева; х - толщина прогреваемого слоя полимера.
Среди факторов, наиболее значимо
влияющих на процесс формования, является температура нагревателя. Размягчение
материала в зоне контакта будет происходить лишь тогда, когда температура в
зоне разогрева достигнет значений, превышающих нижнюю границу температуры
текучести. Такое состояние наступает не сразу, а постепенно - по мере передачи
теплоты за счет теплопроводности с поверхности, контактирующей с нагревателем.
Выбор температуры формования
полимерного отверждающего слоя осуществляется из условий агрегатного состояния
термопластичного материала в процессе его нагревания. Характеристика фазовых
переходов показана на рис. 11. Анализ приведенной диаграммы показывает, что
получение заданных деформаций, необходимых для придания изделию требуемой формы
возможно в диапазоне температур от ТС до ТТ,
соответствующих фазе высокоэластичного состояния. Такой диапазон ограничен
температурами текучести полимера (ТТ) и температурой стеклования (ТС).
В данной связи температура нагревателя (Т1)выбирается близкой к значению
Т1 = ТТ, что для ПЭВД составляет 433 К. Установлено, что
полимерная заготовка может достаточно интенсивно изменять форму и размеры если
она прогрета до высокоэластического состояния на глубину более ¾ толщины ее стенки, при
этом, в оставшейся, наиболее удаленной от нагревателя, части заготовки
температура полимера может сохранятся равной Т0 = ТС, что
соответствует 393 К.
В данной дипломной работе расчет
показателей температурно-временных зависимостей производится с учетом того, что
нагреватель должен иметь постоянную температуру разогрева, то есть на границе
контакта нагреватель - полимер, будет происходить скачкообразное изменение
температуры.
При этом необходимо учитывать, что
между нагревателями и полимерным отверждающим слоем имеется подклад из ткани,
имеющий температуропроводность, условно обозначаемую как a1.
Установлено / 5 /, что процесс
разогрева полимерного отверждающего слоя до состояния высокоэластического
состояния может описываться параболическим уравнением одномерной
теплопроводности
Характеристика фазовых переходов
Т - температура; e - деформация; I - твердое состояние; II - высокоэластичное
состояние; III - состояние текучести; ТС - температура стеклования;
Т - температура текучести; ТД - температура деструкции.
Рис. 11
(3.2)
где a
- общий коэффициент температуропроводности;
- градиент температур
по оси Х (см. рис. 12); Т0- температура полимера в начальный момент
времени; Т1- температура нагревателя.
Использование уравнения
(3.2) возможно при следующих допущениях:
- обогреваемый пуансон обладает
высокой теплопроводностью и ввиду малости стенок мгновенно передает тепло к
пакету формуемых деталей;
- подклад и полимерный слой
представляют собой единое тело, обладающее теплопроводностью a = a1 · a2 (где a1 - температуропроводность подклада, a2 - температуропроводность
полимерного слоя).
Таким образом, начальные и граничные
условия решения уравнения (3.2) следующие
Т(х, 0) =Т0; Т(¥, t) =Т0; Т(0,
t) =Т1, (3.3)
Расчетная схема процесса разогрева
заготовки представлена на рис. 12. С учетом начальных и граничных условий
уравнение (3.2) может быть решено следующим образом
erf (l)
(3.4)
где erf (l)-
оператор разложения функции l в степенной ряд;
где l-
безразмерная переменная,
;
где a
- общий коэффициент температуропроводности.
Величина a2
определяется по / 3 / и составляет 1,62 · 10-7 м2/с.
Расчетная схема плавления
1 - твердая фаза; 2 - расплав; 3 -
поверхность раздела фаз; 4 - нагреватель; 5 - подклад; d - глубина проникновения тепла; d1 - толщина подклада; Т1
- температура нагревателя; Т0 - начальная температура материала
Рис. 12.
Величина a1 находилась
экспериментально. / 6 / Для определения температуропроводности подклада, в
качестве испытуемого материала использовался бархат синтетический.
В качестве допущения в исследовании
был принят стационарный тепловой режим, при котором распределение температур в
теле не меняется во времени, т.е. температура в различных точках тела является
только функцией координат. Для определения коэффициента температуропроводности
при стационарном тепловом режиме можно применять установку, схема которой
представлена на рис. 13.
Образцы 2 в виде двух пластин с
плоским нагревателем 1 между ними помещаются в кожух. Для уменьшения потерь
тепла через боковую поверхность нагревателя имеется специальное охранное кольцо
3. Пространство между аппаратурой и кожухом заполнено теплоизоляционным
материалом. С поверхности образцов, не прилегающей к нагревателю, тепло
отводится при помощи охлаждающих пластин 4. По разности температур между
внутренними и наружными поверхностями образцов, определяемой в стационарном
режиме, удельному тепловому потоку, рассчитанному по мощности нагревателя и площади
пластин, можно определить коэффициент температуропроводности
где
-
удельный тепловой поток, рассчитываемый по мощности нагревателя Q и площади
пластины S; d - толщина образцов; DТ - установившейся
перепад температур на толщине пластин.
Результаты вычислений
температурно-временных параметров формования полимерной заготовки приведены в
приложении.
Схема
экспериментальной установки
Рис. 14
Схема установки для
определения температуропроводности
1 - нагреватель; 2 - образцы; 3 -
охранное кольцо; 4 - охлаждающие пластины.
Рис 13.
.2 Экспериментальное исследование
режимов термоформования
Задачей экспериментального
исследования является установление адекватности расчетных соотношений
температурно-временных зависимостей реальному процессу термоформования
полимерных материалов./ 7 /
Экспериментальному исследованию
предшествовали теоретические расчеты температурно-временных зависимостей на
основе математического описания процесса формования листовых термопластов. Для
проверки полученных значений температуры и времени формования, была разработана
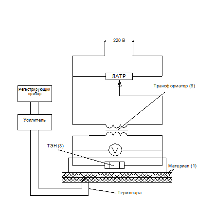
и собрана экспериментальная установка, схема и фотография которой представлены
на рис. 14 и 15.
В качестве формуемого материала 1
был использован ПЭНД толщиной Δ = 10. 10-4 м. Температура плавления ПЭНД составляет
403 К. Нагревательным элементом служил нагреватель 3. Его нагрев производился
через трансформатор 6.
В процессе эксперимента были
использованы две термопары. При помощи первой термопары были измерены показания
температуры нагрева нагревателя 3. Вторая термопара была помещена между
нагреваемыми деталями и при ее помощи была измерена температура, на которую
проплавляется верхняя деталь. Сигналы с термопары поступают на усилитель, а
затем на регистрирующий прибор.
По полученным значениям был построен
тарировочный график, представленный на рис. 16. Уравнение кривых нагрева и
остывания получено
в виде:
=15x+30
где y - температура, на которую
происходит нагрев термопары,- показания миливольтметра.
Методика эксперимента.
Для проведения эксперимента была
установлена температура нагревательного элемента 4330К, которая
соответствует верхней границе температуры плавления полиэтилена низкого
давления. Эта температура контролируется с помощью термопары и фиксируется на
регистрирующем приборе с помощью вышеописанной лабораторной установки. Величина
проникновения тепла регистрировалась на глубине, равной толщине верхней формуемой
детали (Δ = 10. 10-4м). На
этой глубине была установлена термопара.
В результате эксперимента были
получены следующие температурно-временные показатели, значения которых
представлены в таблице 4.
Таблица
4
Экспериментальные
показатели
|
ВРЕМЯ, с
|
ПОКАЗАНИЯ РЕГИСТРИРУЮЩЕГО ПРИБОРА, мВ
|
ТЕМПЕРАТУРА НАГРЕВА, 0К
|
|
0,5
|
5.2
|
373
|
|
1
|
6.6
|
403
|
|
1,5
|
8.4
|
433
|
Анализ графика показал, что разогрев
на глубину d = 0,002 м, достаточную
для формования заготовки, осуществляется за 1.5 с. Что удовлетворяет
требованиям технологического процесса.
4. Разработка конструкции устройства
для формования
Принимая во внимание оригинальность
разрабатываемого устройства имеется необходимость при проектировании его
конструкции значительное внимание уделить разработке пневматической и электрической
схем, а также решению вопросов, связанных с конструированием станка в целом и
его узлов в отдельности.
4.1 Разработка пневматической и электрической схем
4.1.1 Описание элетросхемы
Электорсхема предназначена для управления поворотом стола, движением
подвижной рамы, пневмосистемой и вентиляционной системой. Электросхема
реализует алгоритм работы станка, обеспечивая технологические стадии обработки
изделий, а так же необходимые технологические выдержки времени на различных
этапах алгоритма работы станка.
Алгоритм работы станка:
- нажать кнопку ПУСК на
необходимое время;
- прижимная рама опускается
вниз;
происходит поворот стола
на одну позицию;
прижимная рама прижимается
вверх к поворотному столу;
необходимое время проходит
теплообмен между формами, нагрев формы, формование обжатием изделия и
охлаждение формы на последней ступени;
замена формы с готовым
изделием на подготовленный комплект для формования
Технологические ступени обработки
изделия:
- установка комплекта
(пуансон и заготовка);
- 1-ая, 2-ая, 3-я ступени
нагрева теплообменом, формование обжимом;
нагрев окончательный для
склеивания составных частей и окончательного формообразования;
1-ая, 2-ая, 3-я ступени
охлаждения теплообменом с менее нагретыми формами, формование обжимом;
охлаждение на последней
ступени;
снятие формы с готовым
изделием
Теплообмен, нагрев, охлаждение форм
происходит потоками воздуха, циркулирующего в соответствующих системах
вентиляционного теплообмена
Технологические выдержки времени на разных этапах работы:
- выдержка времени на
останов стола после поворота;
- время на охлаждение на
последней ступени перед снятием формы со стола;
время на теплообмен;
время на останов
вентиляторов после отключения теплообмена.
Состав электросхемы.
Электрическая схема станка состоит
из вводного устройства, силовых элементов схемы и управляющей части схемы,
показанных на рис. 17 и 18.
Поворот стола осуществляется
электродвигателем М1 с редуктором. Работу системы вентиляции и циркуляции
воздуха обеспечивают электровентиляторы с трехфазными асинхронными двигателями
М2…М6.
Все электродвигатели имеют тепловую
защиту от перегрузок и обрыва одной питающей фазы с помощью тепловых реле
КТ1…КТ6.
С целью сокращения технологического
времени останова вентиляторов и обеспечение точности позиционирования после
поворота стола в электросхеме предусмотрен динамический останов асинхронных
двигателей постоянным током от выпрямителя схемы активного торможения. Аппараты
пуска, останова и защиты электродвигателей включены в силовую электропанель.
(см. рис. 17)
Вводной силовой автоматический
выключатель, элементы индикации: «Сеть», «Цикл нагрева», «Конец цикла» и
элементы релейной автоматики организующие этапы работы станка расположены в
пульте управления. (см. рис.18)
Четыре датчика: датчик верхнего
положения стола (SQ3), датчик нижнего положения стола (SQ2), Датчик поворота
стола (SQ1), Датчик температуры нагрева формующей оснастки (ДТ) расположенные в
соответствующих местах станка.
Работа устройства в соответствии с
электросхемой
Алгоритм работы схемы релейной
автоматики, определен этапами работы станка и показан на диаграмме цикла
формования рис. 19.
При включении питания выключателем
QF1 горят индикаторы Л1 «Сеть» и Л3 «Конец цикла охлаждения». Датчик поворота
(SQ1) и датчик нижнего положения (SQ2) находятся в отключенном состоянии,
датчик верхнего положения (SQ3) - замкнут. Прижимная рама вверху, прижата к
столу. Нажатие кнопки SB1 «ПУСК» с ручной выдержкой до момента поворота стола
приводит к срабатыванию реле КV7 и движению рамы вниз. При срабатывании контактов
датчика нижнего положения, удерживая кнопку «ПУСК», срабатывает реле КV6 и
начинается поворот стола. Одновременно запускается таймер Н1,который блокирует
своими контактами кнопку SB1.2. «ПУСК» по цепи питания реле КV7 «Движение
вниз». В момент начала поворота стола срабатывает датчик поворота стола (SQ3) и
блокирует кнопку SB1.1. «ПУСК» по цепи питания реле КV6 «Поворот стола». Таким
образом кнопку SB1 «ПУСК» можно отпустить и этап поворота продолжается до
момента отключения (SQ1), реле КV6 и пускателя КV1. Сформированная команда В
(см. рис. 17) с помощью нормально замкнутого контакта реле КV6 и замкнутые
контакты реле времени Н1 включают реле КV2 цепи постоянного тока обеспечивающее
останов двигателя М1 «Поворот стола». Время воздействия по команде В,
необходимое для полного останова двигателя, короткое, с целью снижения
энергозатрат схемы. Происходит активный останов двигателя поворота через
нормально замкнутые контакты пускателя КV1.
С задержкой времени, необходимой на
останов двигателя поворота стола, реле времени Н1 снимает команду движения вниз
через цепь питания реле КV7 и начинается движение рамы вверх.
При достижении рамой верхнего
положения и срабатывания датчика верхнего положения (SQ3), включаются: реле
времени Н4 на охлаждение, Н3 - на цикл теплообмена и нагрева и Н2 блокировки
команды «ПУСК» и выдержки времени для останова вентиляторов после цикла
теплообмена.
Нагрев изделия и его формование на
последней ступени нагрева происходит разогретым воздухом, циркулирующим в
замкнутой системе вентиляции, включаемой командой теплообмена от реле КV9.
Температура воздуха контролируется в воздушном канале датчиком температуры ДТ и
регулируется электронным терморегулятором А1, который подключает
теплоэлектронагреватель (ТЭН), расположенный в воздушном канале и выполненный в
виде открытой спирали, для снижения времени тепловой постоянной и максимального
быстродействии системы нагрева. Температура воздуха задается и может
корректироваться в процессе отработки технологии. Цепь питания ТЭНа защищена
автоматическим выключателем QF4.
Реле Н4 подает питание на реле КV10,
которое включает вентилятор охлаждения и управления электроклапаном
пневмосистемы чехлов обжатия для формования изделия.
Реле времени Н2 и Н3 через реле КV8
и КV9 и соответствующие их контакты формируют короткую команду В (выдержка),
подающую постоянный ток в цепи питания двигателей вентиляторов обеспечивая их
активный останов.
Время на охлаждение формируется
меньше времени на теплообмен на величину времени, необходимого на замену формы.
По окончании времени охлаждения срабатывает сигнализация конца этапа охлаждения
и снимается воздушное давление из чехла обжатия.
После окончания времени «Конец
цикла», определяемом реле Н2 возможно прохождение команды «ПУСК» и очередной
цикл теплообмена.
Характерные особенности электросхемы
Использование электрических
устройств задания времени позволит отрабатывать технологический цикл на
начальном этапе и корректировать уже отработанную технологию при изменении
параметров составных частей изделия: толщины, качества материала.
Активный останов двигателей
вентилятора и поворота стола обеспечивает сокращение времени самовыбега
(особенно у вентиляторов), а следовательно технологического времени
определенных этапов и потерь горячего воздуха в вентиляционных каналах теплообмена.
Использование одного датчика
положения, а не восьми по каждой позиции стола и технологических ступеней
обеспечит простоту регулировки и точность позиционирования стола.
Использование в качестве ТЭНа
открытой спирали, и точечного датчика температуры в канале нагрева воздуха
позволяет получить максимальное быстродействие с минимальными величинами
перерегулирования по температуре в переходных процессах включения и выключения
нагревателя.
Благодаря системе терморегулировки в
канале нагрева можно за один цикл поворота стола с формами и надетыми на них
чехлами обжатия, но без изделия ввести в тепловой режим станок, то есть
подготовить его к работе.
.1.2 Описание пневмосхемы
Пневмосхема разрабатываемого
устройства показана на рис.20. В соответствии с пневмосхемой обеспечивается
подача воздуха под давлением и сброс его в атмосферу для обеспечения
технологического процесса обжатия изделия при формовании в нагретом состоянии.
Пневмосхема обеспечивает
механическое перемещение подвижной прижимной рамы для подключения
вентиляционной системы к формам поворотного стола.
Пневмосхема содержит следующие
элементы: 1 - запорный кран, 2 - манометр, 3 - фильтр-влагоотделитель, 4, 7 -
дроссель; 5 -аккумулятор; 6 - маслораспылитель, 8, 9 - 2-х позиционный
распределитель, 10,11 - редукционный пневматический клапан, 12 - обжимные
формы, 13 - скользящее пневмосоединение, 14 - пневмоцилиндры, 15 - гибкие
шланги, 16 - полый вал.
Работа устройства, в соответствии с
разработанной пневмосхемой, осуществляется следующим образом. Воздух из входной
сети через запорный кран 1 поступает в систему и через влагоотделитель 3 и
регулятор давления 10 поступает с систему управления пневмоцилиндрами и систему
пневмообжатия. Регулятор давления 10 обеспечивает давление для пневмоцилиндров,
сглаживает все пульсации давления входной сети и имеет производительность
немного большую среднего расхода воздуха всей системы.
Прижимная рама перемещается в осевом
направлении с помощью четырех пневмоцилиндров в нижнее положение, освобождая
стол для поворота. Пневиоцилиндры расположены в крайних угловых точках
прижимной рамы по периметру разъемных соединений вентиляционной системы, что
обеспечивает равномерное усилие прижатия втулок воздуховодов к поворотному
столу, без консольных нагрузок на раму. Свободное шарнирное соединение
пневмоцилиндров в крайних точках к подвижной раме и несущей раме исключают
перекосы и заклинивания при движении рамы По команде ЭМ1 на электромагнит 2-х
позиционного распределителя 8 перемещения вниз, воздух через распределитель 8 и
дроссель 7 подается в пневмоцилиндры 14, которые отжимают пружины прижатия и
опускают раму. При отключении команды ЭМ1 срабатывает пружина распределителя 8
и подача воздуха от питающей сети прерывается, а воздух из пневмоцилиндров
выходит в атмосферу через дроссель 7, что обеспечивает плавный подъем прижимной
рамы, и смыкания ее с поворотным столом. Для стабильной работы пневмоцилиндров
в воздушные линии пневмоцилиндров установлен маслораспылитель 6.
Подача воздуха в чехлы обжатия
осуществляется через гибкие шланги 15, полый вал 16 поворотного стола и
скользящее пневмосоединение 13 на валу, через дроссель 4 и распределитель 9 по
команде ЭМ2 на электромагнит распределителя 9 формования. Чтобы исключить
ударные нагрузки чехлов обжатия воздухом, установлен дроссель 4. Регулятор
давления 11 обеспечивает снижение давления из подготовленной питающей сети до
необходимого уровня. Так как система пневмообжатия имеет известный и
достаточный объем, то для снижения установочного параметра по
производительности регуляторов давления 10, 11 установлен аккумулятор 5,
обеспечивающий объем воздуха в систему обжатия с допустимым снижением давления.
Объем аккумулятора соответствует выбранному объему системы обжатия с учетом
допустимого снижения давления. Пропускная способность (производительность)
регуляторов давления при выбранной повторяемости циклов обжатия определяется
только объемом воздуха и частотой циклов. При отсутствии аккумулятора
производительность определялась бы объемом воздуха и временем заполнения
системы при допустимом снижении, что составляет в 100 и более раз большую
величину.
.1.3 Описание вентиляционной системы
Вентиляционная система обеспечивает
теплообмен на трех технологических ступенях между горячими и менее горячими
формами посредством циркуляции воздуха, а также нагрев воздуха в замкнутом
канале от ТЭНа циркуляцией воздуха и охлаждение формы с помощью вентиляции
атмосферным воздухом.
Вентиляционная схема показана на
рис.21.
В состав системы входит: пять
вентиляторов В1…В5, восемь форм П1…П8 с входными и выходными патрубками,
система воздуховодов, реализующих принципиальную схему. Система воздуховодов
имеет разъемные соединения с восемью формами, расположенными на поворотном
столе. Вся система воздуховодов и вентиляторы имеют хорошую теплоизоляцию,
кроме последней ступени охлаждения, так как остаточной тепло на этой
технологической ступени выбрасывается в атмосферу.
Вентиляционная схема теплообмена
работает следующим образом. На шести позициях стола организуются три контура
теплообмена между формами (П1-П7, П2-П6, П3-П5). Воздух с помощью вентиляторов
(В1-В3) подается в каналы горячих форм (П5, П6, П7). Движение воздуха в форме
обеспечивает охлаждение формы и нагрев воздуха. Нагретый воздух попадает в
менее нагретые формы (П1, П2, П3) и нагревает их, при этом происходит его
естественное охлаждение. Далее воздух через вентиляторы опять попадает в
нагретые формы, процесс продолжается до достаточного выравнивания температуры в
каждом контуре. Охлаждаемая форма получает через теплопередачу тепло от
нагретого изделия, охлаждая его. При повороте стола на шести позициях
устанавливаются шесть новых форм и процесс продолжается. Для исключения
энергопотерь все три контура вентиляции имеют хорошую теплоизоляцию, а
разъемные соединения со столом обеспечивают хорошую герметичность.
На позиции П4 происходит нагрев
воздуха от встроенной в канал воздуховода теплоэлектронагревательного элемента.
Контроль и регулирование температуры воздуха осуществляется датчиком
температуры ДТ, установленном после нагревателя по ходу движения воздуха.
Движение потока воздуха обеспечивается вентилятором В4. Воздуховод и все
элементы контура имеют хорошую теплоизоляцию.
Охлаждение форм и изделий на
последней позиции П8 происходит атмосферным воздухом с помощью вентилятора В5.
Воздуховод и вентилятор позиции П8 не имеют теплоизоляции.
.2 Разработка общего вида
Поворотный стол жестко фиксирован в
осевом направлении подшипниковым валом. Подвижная рама фиксирована в своем
положении относительно корпуса станка штифтами и может перемещаться только в
осевом направлении. Нижнее положение ограничено корпусом станка, верхнее
положение ограничено поворотным столом. Поворотный стол имеет восемь
фиксированных положений поворота. Фиксация осуществляется штифтами между
подвижной рамой и поворотным столом. Прижим подвижной рамы к столу происходит
пружинами, а перемещение вниз с помощью пневмоцилиндров, свободно крепящихся к
раме и к корпусу станка для исключения перекосов и заклиниваний в системе
«рама-штифт-корпус» и «шток поршня-корпус пневмоцилиндра».
Поворот стола производится
электродвигателем через редуктор. Конструктивно использован электродвигатель с
внутренней понижающей редукцией. И одно звено понижающей редукции через ремень.
Поворотный стол имеет наклонное положение как самое оптимальное по габаритам станка
и по удобству работы оператора.
Формы сделаны съемными. Это
необходимо для удобства работы при сборке составных частей изделия на форму,
снятия готового изделия с формы и сокращения времени замены изделия на
поворотном столе.
Общая пневмосистема обжатия изделия
на форме на всех восьми позициях стола позволяет иметь один электроклапан с
одной логикой управления и обеспечить многократное обжатие (подача давления -
снятие давления) при формовании изделия. Это позволяет разогретому материалу
самому принимать форму не создавая излишних напряжений на изгибах и снимать
напряженность в сильно растянутых местах, то есть садиться материалу по месту и
одновременно принимать заданную форму. Форма обжатия обеспечивает хорошую
теплоизоляцию при формовании изделий, дает возможность сделать переходный
процесс подготовки станка к работе за один цикл поворота стола, то есть поворот
его на один оборот.
Исходное состояние:
- прижимная рама в верхнем
положении под воздействием пружин;
- обжимные формы без
воздушного давления;
сработан датчик верхнего
положения;
горит сигнализация конца
цикла и необходимости замены формы.
.3 Расчет привода
Целью расчета привода является выбор
электродвигателя для поворота стола. Процесс поворота стола на угол
складывается из этапов: разгона, равномерного вращения и торможения. Рассмотрим
два варианта процесса поворота (см. рис. 22)
Первый вариант предполагает работу
на меньших скоростях с низкой динамикой разгона и торможения. Во втором
варианте движения - на максимальных скоростях и с большими ускорениями,
создаются ударные нагрузки в люфтах механизма, динамические нагрузки в
редукторе, ременной
I - плавный процесс разгона и
торможения; II - динамичный процесс разгона и торможения
Рис.22
Различные
варианты процессов поворота передаче, а также возникают проблемы с точностью
позиционирования при останове. На больших скоростях и резких торможениях
разброс точки останова Dj без
специальных мер значительно больше, чем это будет на малых скоростях и плавных
процессах. Малая величина Dj
необходима для обеспечения взаимного расположения рамы и стола при движении
подвижной рамы. Малые скорости, учитывая реакцию человека, обеспечивают
безопасность работы оператора на рабочем месте. Время перемещения в
технологическом цикле не должно превышать 5% от времени одной ступени
теплообмена. Точность позиционирования стола может быть 0,5°. Этой величины достаточно, чтобы при суммарных люфтах рамы и
стола, равных 0,5°
обеспечить работу фиксаторов штифтов между столом и рамой. Этап останова стола
является самым ответственным в процессе поворота, и его стабильность
обеспечивается активным остановом механизма двигателем и специальной схемой его
питания.
Кинематическая схема механизма стола
показана на рис.23.
Основными условиями поворота стола
являются:
- двигатель обеспечивает длительный
момент Мдлит, превышающий суммарный момент сопротивления механизма Мпотерь;
- двигатель развивает
пусковой момент Мпуск, превышающий момент трения покоя механизма Мтр.покоя,
который для механизма поворота может быть 2-3Мпотерь;
оптимальное время цикла
поворота на одну ступень, 1/8 оборота (45°), составляет 2-3с;
Схема
кинематическая
- стол поворотный, 2 - рама
прижимная, 3 - штифт, 4 - ременная передача, 5 - редуктор двигателя, 6 -
двигатель
Рис. 23.
-
- схема активного останова
обеспечивает момент торможения двигателем Мторм.дв= 0,5 Мпуск;
- при вращении в механизме
отсутствуют ударные и неравномерные нагрузки;
- изменение массы стола, а
точнее момента инерции вращения связано с позиционированием стола. Но в данном
случае возможное изменение составит не более 0,1%, что практически можно не
учитывать.
Диаграмма цикла поворота стола
показана на рис.24.
Исходными данными для расчета
механизма являются:
- мощность потерь в механизме Рпотерь:
подшипники вала, ременная передача, редуктор двигателя, составит не более 1 Вт;
- стандартные обороты
двигателя под нагрузкой 125,66 с-1;
- скорость вращения стола примем 15
с один оборот или 0,42 с-1;
- расчетные коэффициенты
редукции
(4.1)
где nдвигат -
частота вращения двигателя; nстола - частота вращения стола.S
= 300.
Примем: Zрем = 2;
Zред.дв. = 150;
- Приведенный момент потерь к валу
стола равен
(4.2)
где Рпотерь -
мощность потерь, 1Вт; wстола - частота вращения стола, 0,42 с-1.
Мпотерь =
2,38 Н×м
- момент трения покоя механизма
может быть / 8 /
Мтр.покоя = 3Мпотерь
= 7 Н×м
- Задаемся пусковым моментом, который
должен развить двигатель Мпуск = 10 Н×м и тормозным моментом Мторм.дв = 5 Н×м;
Рассчитаем процесс разгона
Процесс разгона определяется
развиваемым пусковым моментом двигателя, моментом инерции механизма и
сопротивлением механизма. Угловое ускорение стола рассчитывается по формуле
(4.3)
где eразгона
- угловое ускорение стола; Мпуск, Мпотерь, Jстол,
Jредуктор, Jдв - величины, приведенные через коэффициент
редукции к валу стола.
Для выбранного условия перемещения
на малых скоростях и низкой динамике, величинами момента инерции двигателя, и
редукции можно пренебречь. Они составляют меньше 1% от суммарной величины.
Тогда
(4.4)
Момент инерции
вращающегося тела определяется формулой / 9 /
(4.5)
где mстола -
масса стола равная 15 кг; R - радиус стола равный 0,35 м
Процесс торможения
(4.6)
То есть ускорение торможения равно
ускорению разгона, а это обеспечивает одинаковые динамические нагрузки на
механизм в этих процессах.
Время разгона и торможения приблизительно равны
(4.7)
Угол, на который повернется стол за
время разгона и торможения
(4.8)
То есть, практически, время разгона
и торможения не определяют время перемещения, а малый угол торможения под
действием активного момента двигателя обеспечит необходимое позиционирование
даже при больших разбросах потерь в механизме и изменении динамических
параметров стола. (при условии, что механизму необходимо попасть в зону
позиционирования с допуском 0,50)
Рассчитаем процесс вращения.
Время поворота равно
(4.9)
Из приведенных расчетов
следует, что, если бы не было активного торможения, то время останова и угол
определялись бы самовыбегом механизма определяемым потерями механизма, что
соответствует tторм = 0,2c; jторм
= 2,30, а это превышает допустимую величину. Поэтому в заданном
устройстве применяется активное торможение двигателей и в технологическом цикле
не учитывается время разгона и торможения. В результате использования активного
торможения двигателей достигается необходимый допуск позиционирования.
Параметры выбранного двигателя согласно справочным данным / 10 /
Мощность, развиваемая двигателем в конце пуска
Рпуск = Мпуск ×wстола = 10Н×м × 0,42с-1
= 4,2 Вт
Для проектируемого механизма
подходит двигатель РД9-16 со встроенным редуктором. Соответственно параметры
выбранного двигателя следующие:
Питание трехфазное 380 В, 50 Гц
Частота вращения 1200 об/мин
Коэффициент редукции 147
Допустимая длительная мощность 10 Вт
Развиваемый средний пусковой момент
10 Н×м
Таким образом, выбран двигатель,
оптимальный по мощности и моменту без завышенных параметров. Это сохранит
минимальную установочную мощность всего станка и исключит лишние энергопотери.
Установка датчика положения стола, от которого идет команда на останов с
упреждающим углом 0,570 обеспечит необходимую точность
позиционирования механизма стола.
.4 Прочностные расчеты
Основными нагрузками, вызывающими
деформацию изгиба валов приводных устройств, являются усилия в зубчатых и
червячных зацеплениях, натяжения ветвей ремня или цепи соответствующих передач.
Собственный вес вала и насаженных на нем деталей в большинстве случаев можно не
учитывать, исключения составляют лишь весьма мощные передачи, в которых вес
зубчатых колес, муфт, шкивов и т.п. выражается величинами того же порядка, что
и основные нагрузки.
Так как в проектируемом устройстве
уже при проектировании был заложен большой запас прочности, то наиболее опасным
местом в передаче крутящего момента считается шпонка. Ниже приведен расчет
шпонки на смятие.
Материалом для изготовления шпонок
служит конструкционная углеродистая сталь с пределом прочности не ниже 60 кг/мм2;
наиболее часто применяемая сталь Ст. 6, 45, 50. Легированная сталь применяется
редко.
Выбранная шпонка проверяется на смятие по формуле / 11 /
(4.1)
где М - передаваемый
шпонкой момент, Н·м; d - диаметр вала, м; К - рабочая глубина паза в ступице
детали, м; [σ]см - допускаемое напряжение смятия, Н/м; lр - рабочая
длина шпонки.
Н/м
Выбранная шпонка отвечает условиям
прочности. Выбирать меньшую шпонку нецелесообразно вследствие нетехнологичности
изготовления мелких деталей и обработки маленьких размеров пазов.
Посадка шестерни без шпонки на вал,
то есть посадка с натягом, конструктивно нецелесообразна для сборки и разборки
устройства при необходимости замены сальников, подшипников, герметизирующей
смазки, при проведении эксплуатационно-профилактических работ.
Исходя из вышесказанного следует
выбрать посадку на вал со шпонкой с размерами согласно чертежу.
5. Бизнес-план участка ПО
производствУ изделий мелкой кожгалантереи С использованием технологии и
устройства ДЛЯ изготовления изделий из материалов
Внедрение разработанного устройства
для изготовления изделий из материалов с отверждающим покрытием позволяет
усовершенствовать технологию и организацию производства изделий мелкой
кожгалантереи, а также расширить ассортимент и улучшить качество изделий,
повысить производительность труда. Однако, любая переналадка производственного
процесса должна сопровождаться соответствующим обоснованием. Для этого ниже
приведен Бизнес-план организации участка изготовления деталей мелкой
кожгалантереи.
5.1 Резюме
Целью является получение инвестиций,
необходимых для улучшения качества и расширения ассортимента кожгалантерейных
изделий для более полного удовлетворения потребностей покупателей за счет
внедрения разработанных технологического процесса и оборудования.
Цели и задачи бизнес-плана сведены в
таблицу 5.
Таблица 5
Цели и задачи бизнес-плана
|
Сущность проекта
|
Насыщение рынка и полное удовлетворение населения, в
высококачественных изделиях мелкой кожгалантереи
|
|
Какие цели будут достигнуты при реализации проекта
|
Социальные: расширение рабочих мест в легкой промышленности,
баланс между спросом и предложением, повышение уровня жизни персонала
предприятия; Производственно - технологические: расширение мощностей,
модернизация технологических операций и внедрение высокотехнологических
механизированных процессов производства мелкой кожгалантереи, рационализация
рабочих мест; экономические: оптимизация выпуска продукции, снижение ее
себестоимости и издержек обращения;
|
Учредителями являются юридические и
физические лица.
Сведения о руководителях организации
сведены в таблицу 6.
Основная деятельность организации (в
прошлом и в настоящее время) - производственно - коммерческая деятельность в
сфере производства изделий мелкой кожгалантереи.
Стратегия организации - увеличение и
модернизация мощностей, расширение ассортимента и освоение новых современных
видов экологически чистой продукции, существенное снижение себестоимости и
повышение ее качества.
Таблица 6
Сведения о руководителях ЗАО «Сибирская кожгалантерея»
|
Должность
|
Ф.И.О.
|
Образо-вание
|
Общий стаж работы, в т. ч. в данной должности
|
Подпись
|
Обязанности
|
|
1
|
2
|
3
|
4
|
5
|
6
|
|
Генераль-ный директор
|
Курцевич Александр Иванович
|
высшее
|
20/17
|
Первая
|
Руководство предприятием
|
|
Зам. Генераль-ного директора
|
Шлей Николай Всеволодович
|
высшее, к.т.н., доцент
|
27/9
|
-
|
Общие вопросы
|
|
Техничес- кий директор
|
высшее
|
-
|
-
|
Обеспечение работоспособ-ности оборудо-вания и т.д.
|
|
Коммер-ческий директор
|
Содлецкая Надежда Николаевна
|
высшее
|
25/до 1
|
первая
|
Сбыт и организа-ция продаж
|
|
Главный бухгалтер
|
Щеколдина Зоя Григорьевна
|
высшее
|
17/13
|
вторая
|
Учет, налоги
|
5.2 Продукт
В современном кожгалантерейном
производстве выпускается большое количество мелких кожгалантерейных изделий
различного назначения: бумажники, портмоне, кошельки, обложки, портсигары,
кобуры, очечники и т.д.
Наилучшее качество отформованной детали
получается при применении дорогостоящей натуральной кожи толщиной более 3 мм
или с применением различных вставок из картона или пластика. При формовании
более тонких кож, а также искусственных кож не удается достичь требуемой
формоустойчивости.
Проанализировав существующие методы
изготовления кожгалантерейных изделий, установлено, что они не позволяют
изготавливать пространственные изделия коробчатой формы с заданной
формоустойчивостью из относительно тонкой натуральной кожи и искусственных кож.
Существующие технологии не позволяют изготавливать цельноформованные изделия,
которые чаще всего получают сборкой из отдельных деталей.
На разрабатываемом устройстве можно
будет формовать изделия из натуральных тонких кож с использованием
отверждающего слоя, свойства которого обеспечивают необходимую
формоустойчивость изделия. Так как формование происходит в собранном виде, то
отсутствует загрязнение рабочего места и рук работающего.
.3 Производственная деятельность
.3.1 Здания
ЗАО «Сибирская кожгалантерея» занимает
территорию общей площадью более 2,8 га в Заельцовском районе г.Новосибирска по
адресу: ул. 1-я Ельцовка, 1. ЗАО «Сибирская кожгалантерея» является
собственником земельного участка. Здания и сооружения, в результате
приватизации, перешли в частную собственность. На одной площадке расположены
офисы, цехи и складские помещения. На данный момент эффективно используется
около 90% площади помещений. Офисы руководства занимают 15% площади, 35%
занимают складские помещения, остальное приходится на производство. Анализ
использования производственных площадей показал наличие резервов для расширения
производства изделий мелкой кожгалантереи и возможности установки
дополнительного оборудования.
.3.2 Оборудование
Для организации участка по
производству изделий мелкой кожгалантереи будет использовано частично имеющееся
оборудование, в тоже время необходимо будет изготовить устройство,
разработанное в настоящем дипломном проекте.
.4 Маркетинг
.4.1 Анализ рынка
Неотъемлемой частью стиля
современного делового человека являются, как не странно, очки в тонкой золотой
или массивной роговой оправе. Но для очков, как известно, необходим очечник,
который не должен уступать общему стилю, например, из тонкой велюровой кожи с
тиснением. Но у делового человека помимо очков есть также дорогие зажигалка и
сигареты, которые будут выглядеть несолидно, если будут валяться просто так, то
есть для них должен быть футляр. А у бизнес-леди помимо очков, зажигалок,
сигарет и т.д., есть еще помады, духи и т.п., которые опять таки нуждаются в
стильной оправе.
Наибольшим спросом пользуются
аксессуары, выполненные из натуральной кожи, знаменитых фирм. Таких как Zippo,
Marlboro и т.д. Потребность населения в таких изделиях составляет около 40 тыс.
штук в год, хотя такие изделия покупают только15-20% желающих по причине их
дороговизны.
.4.2 Состояние отрасли
С 1991 по 1997 г.г. происходил спад
производства продукции на предприятиях легкой промышленности, обусловленный
кризисными явлениями в экономике России. Многие кожгалантерейные предприятия в
Сибири и на Дальнем Востоке были закрыты. В тоже время «Сибирская
кожгалантерея» начиная с 1998 г. наращивает темпы производства. Сохранился
основной контингент высококвалифицированных рабочих, сохранились
производственные мощности. Ежегодно улучшается качество изделий.
На предприятии осуществлена коренная
перестройка ассортимента, выразившаяся в улучшении качества выпускаемых изделий
и наиболее полном удовлетворении потребностей покупателей. За последние два
года произведено более 170 новых моделей кожгалантерейных изделий. Значительная
часть этих изделий по причине более низких цен вытеснила с рынка импортную
продукцию. Показателем высокого качества выпускаемых изделий является
отсутствие каких-либо рекламаций.
Вместе с тем у «Сибирской
кожгалантереи» имеются конкуренты. В частности Санк-Петербургское
кожгалантерейное предприятие, выпускающее большой ассортимент изделий, из
которого к нам поступают в основном сумки и кошельки. Московская
кожгалантерейная фабрика в Медведково, поставляющая примерно аналогичный
ассортимент. Среди зарубежных производителей можно назвать предприятия Тайваня,
Германии, Южной Кореи, но опять таки по причине высоких цен на их продукцию,
зарубежные фирмы не составляют конкуренцию «Сибирской кожгалантереи».
Формирование благоприятных условий
развития производства достигается за счет завоевания значительного положения на
рынке кожгалантерейных изделий, осуществляя определенные вложения в развитие
бизнеса.
Основные организационные действия,
направленные на достижение успеха, могут выражаться в следующем:
1) увеличение объема продаж
продукции и снижение цены реализации;
) расширение ассортимента продукции
путем освоения новых видов изделий;
) формирование торговой и дилерской
сети в регионе;
) увеличение уставного капитала,
материальных и финансовых активов, повышение имиджа предприятия и ликвидности
акций;
) установление долговременных
договорных отношений с крупными потребителями продукции предприятия,
формирования для них системы скидок;
) заключение договоров с малыми
предприятиями о сотрудничестве;
Таким образом, создание новой линии
по выпуску изделий мелкой кожгалантереи позволит расширить ассортимент
выпускаемых изделий, решить проблему насыщения рынка данной продукцией,
значительно увеличить выпуск продукции и стабилизировать финансовое положение
предприятия.
5.5 Экономические показатели
.5.1 Расчет капитальных затрат на
технологическое оборудование
Определение величины и структуры
капитальных затрат является начальным этапом расчета себестоимости готовой
продукции. Капитальные затраты рассчитываются по видам основных фондов с целью
исчисления в дальнейшем амортизационных отчислений и других затрат, входящих в
себестоимость продукции.
Капитальные затраты на
технологическое оборудование включают в себя лишь стоимость формовочной машины
в размере 115 тыс. рублей.
Общие капитальные затраты включают в
себя затраты на монтаж оборудования, расчет производится по формуле:
КЗобор=КЗ.К,
(5.1)
где КЗ - капитальные
затраты на оборудование, руб.; К = 1,1 - коэффициент, учитывающий затраты на
монтаж оборудования.
КЗобор = 115 000.1,1 =
126 500 руб.
Капитальные затраты на здание Кзд,
необходимые для реализации технологического процесса на предприятии «Сибирская
кожгалантерея» вычисляются из следующей зависимости:
Кзд = Цзд. S.Крн, (5.2)
где Цзд.- стоимость аренды одного м2
производственного помещения, руб.;-площадь, занимаемая технологическим
оборудованием, м.кв.;
Крн - коэффициент, учитывающий
размещение рабочего места;
Исходные данные для расчета:
Цзд =25 (руб.); Крн= 1,2;= 30 (м2);
Кзд= Цзд.S. Крн;
Кзд = 25. 30.1,2 = 900
(руб);
К = КЗоб + Кзд = 126 500
+ 900 = 127 400 (руб).
5.5.2 Расходы на оплату труда
Большое значение для человека,
поддержания его работоспособности и сохранения здоровья имеют режимы труда и
отдыха. Известно, что рост производительности труда за счет введения
рациональных режимов труда и отдыха, составляет в среднем 4 %.
График рабочего дня представлен в
таблице 7.
Время обеденного перерыва
принимается 40 минут в середине рабочей смены.
Учитывая составленный график определяется
продолжительность работы потока в смену по формуле:
Т=Тсм-Тпол., (2.3)
где Т- продолжительность работы
потока, мин.; Тсм- продолжительность смены, мин.; Тпол. - время на отдых и
личные надобности, мин.;
Т= 520 - 40 = 480 (мин.).
График рабочей недели составляется
исходя из общей продолжительности рабочей недели, составляющей 40 часов. График
приведен в таблице 8.
Таблица 7
График рабочего дня
|
№ п/п
|
Элементы режима
|
Начало элемента режима
|
Окончание элемента режима
|
|
1
|
2
|
3
|
4
|
|
1
|
Получить задание от начальника цеха
|
7.30
|
7.35
|
|
2
|
Подготовка рабочего места к рабочей смене
|
7.35
|
7.40
|
|
3
|
Работа
|
7.40
|
12.30
|
|
4
|
Регламентированный перерыв
|
12.30
|
13.10
|
|
5
|
Работа
|
13.10
|
16.00
|
|
6
|
Уборка места после рабочей смены
|
16.00
|
16.05
|
|
7
|
Сдача рабочего места мастеру
|
16.05
|
16.10
|
Таблица 8
График рабочей недели
|
Дни недели
|
Понед.
|
Вт.
|
Среда.
|
Четв.
|
Птн.
|
|
Время работы, ч.
|
8
|
8
|
8
|
8
|
8
|
Годовой баланс режима труда и отдыха
составляется с учетом одновременного ухода рабочих в отпуск.
Баланс представлен в таблице 9.
Таблица 9
Годовой баланс рабочего времени на
1999 год
|
№п/п
|
Элемент
|
Число дней
|
Число рабочих часов
|
|
1
|
Календарный фонд времени
|
366
|
2928
|
|
2
|
Выходные и праздничные дни
|
90
|
720
|
|
3
|
Средняя продолжительность отпуска
|
24
|
192
|
|
4
|
Годовой фонд рабочего времени
|
(стр.1- стр.2 - стр.3) = 365 - 89 - 24 = 252
|
2016
|
|
5
|
Среднемесячный фонд рабочего времени
|
(стр.4/12) = 21
|
168
|
Фонд оплаты труда с отчислениями на
социальное и медицинское страхование составляет:
ФОТоб = ФОТраб
+ ФОТпр, (5.4)
где ФОТраб - фонд оплаты
труда основных рабочих; ФОТпр - фонд оплаты труда прочих рабочих;
ФОТраб = Т.N.Ктар.Кр + А,
(5.5)
где Т = 168 - среднемесячный фонд
рабочего времени (час); N = 2 - число основных рабочих; Ктар = 4,26 - тарифная
ставка; Кр = 1,2 - районный коэффициент; А = 40% - отчисления на социальное
страхование.
ФОТраб = 168. 2. 4,26.1,2
+ (168. 2. 4,26.1,2). 40/100 = 2 404,69 руб.;
ФОТпр = 2 000 руб.;
ФОТоб = 2 404,69 + 2 000
= 4 404,7 руб.
5.5.3 Расчет нормируемых оборотных
средств
1. Расчет нормативов оборотных
средств приведен по элементам в таблице 10.
2. Расходы на малоценные и быстро
изнашиваемые предметы, стоимость определяется как 2-5% от капитальных затрат на
технологическое оборудование / 12 /:
Рмбп= 2. 115
000/100 = 2 300 руб.
3
Норматив оборотных средств в незавершенном производстве:
Ннп = Всут. С.
Тц. Кнз, (5.6)
где Всут - суточный
выпуск продукции, ед.; С - производственная себестоимость изделия (по данным
предприятия), руб.; Тц - длительность производственного цикла, дни; Кнз
- коэффициент нарастания затрат.
Таблица 10
Норматив оборотных средств на
основные, вспомогательные материалы и покупные полуфабрикаты
|
Наимено-вание
|
Цена за единицу, руб.
|
Норма расхода на изделие
|
Сумма затрат на одно изделие, руб.
|
Суточ-ный выпуск продук-ции
|
Норма запаса, дни
|
Норма-тив оборот. средств, руб.
|
|
|
|
|
|
Теку-щий
|
Гаран-тиро-ванный
|
Итого
|
|
|
кожа
|
7
|
3,2 дм2
|
22,4
|
80
|
30
|
15
|
45
|
80 640
|
|
ткань
|
8
|
3,2 дм2
|
25,6
|
80
|
30
|
15
|
45
|
92 160
|
|
нитки
|
7
|
0,05 кат.
|
0.35
|
80
|
30
|
15
|
45
|
1 260
|
|
ПНД
|
10
|
0,8 ст.
|
8
|
80
|
30
|
15
|
45
|
28 800
|
|
прочие
|
|
|
1,58
|
80
|
30
|
15
|
45
|
5 688
|
|
ТЗР
|
|
|
11,27
|
80
|
30
|
15
|
45
|
40 572
|
|
Итого
|
|
|
69,2
|
|
|
|
|
249 120
|
|
|
|
|
|
|
|
|
|
|
Кнз = (М + 0,5.СО)/С,
(5.7)
где М - затраты на сырье и
материалы, руб.; СО - стоимость обработки (С-М), руб.
Ннп = 80. 150.
0,11.((69,2+0,5. 90)/150 = 1 004,96 руб.
. Норматив оборотных средств для
создания запаса готовой продукции рассчитывается по формуле:
Нгп = С. Всут.
Н, (5.8)
где Н - норма запаса в днях (9-10
дней); Нгп = 250. 80. 10 = 200 000 руб.
5
Прочие оборотные средства находятся как процентное соотношение
(10-20%) от суммы всех нормируемых оборотных средств по зависимости:
ОСпроч = А. П/(100-П),
(5.9)
где А - сумма оборотных средств,
руб.; П = 15% - принятый процент.
ОСпроч = (249 120+2 300+1
004,96+200 000).15 / 85 = 79 839,7руб.
Результаты расчетов сведены в
таблицу 11.
Таблица 11
Сумма нормируемых оборотных средств
|
Наименование элемента оборотных средств
|
Сумма, руб.
|
Уд.вес, %
|
|
1. основные и вспомогательные материалы
|
249 120
|
46,8
|
|
2. малоценные и быстроизнашивающиеся приспособления
|
2 300
|
0,4
|
|
3. незавершенное производство
|
1 004,96
|
0,2
|
|
4. готовая продукция
|
200 000
|
37,6
|
|
5. прочие
|
79 839,7
|
15
|
|
Всего
|
532 264,7
|
100
|
.5.4 Расчет себестоимости продукции
1. Расчет материальных затрат по
основному виду выпускаемой продукции.
Реализуемые отходы рассчитываются
укрупнено в виде определенного процента от стоимости сырья и материала (0,5%).
Транспортно-заготовительные расходы
принимают равными 1% от стоимости материала.
Материальные затраты на единицу
продукции с учетом реализуемых отходов и транспортно-заготовительных расходов:
МЗ = МЗед - РО +ТЗР, (5.10)
где МЗед - материальные
затраты на 1 пару изделия, руб.; РО - реализуемые отходы, руб.; ТЗР -
транспортно-заготовительные расходы, руб.
МЗ = 69,2. (1+(- 0,5+1) /100) = 69,6
руб.
Данные для расчета взяты из таблицы
12.
Таблица 12
Материальные затраты
|
Наименование материала
|
Норма расхода на 1 пару
|
Цена материала за единицу измерения, руб.
|
Сумма затрат на един. продукции, руб.
|
|
Кожа
|
3,2 дм2
|
7
|
22,4
|
|
ткань
|
3,2 дм2
|
8
|
25,6
|
|
нитки
|
0,05 кат.
|
7
|
0.35
|
|
ПЭНД
|
0,8 ст.
|
10
|
8
|
|
прочие
|
|
|
1,58
|
|
ТЗР
|
|
|
11,27
|
|
Итого
|
|
|
69,2
|
2
Затраты на энергию на технологические нужды:
Зтехн = Ц1кВт/час.Этехн,
(5.11)
Этехн = Муст.В.
Тсм. Ксм. Драб, (5.12)
где Ц1кВт/час - цена 1
кВт/час энергии, руб.; Муст - установочная мощность моторов, кВт; В
- коэффициент загрузки оборудования (0,8-0,9); Тсм = 8 часов -
продолжительность смены; Ксм = 1 - коэффициент сменности работы
предприятия; Драб = 252 - число рабочих дней в году;
Этехн = 0,5. 0,8. 8. 1.
252 = 806,4 кВт/час;
Зтехн = 806,4. 0,39 =
314,5 руб.
На единицу продукции:
Зтехн = 314,5/(80.252) =
0,016 руб.
3
Расходы на оплату труда:
Зоплтр = ФОТраб.К.(100+А)/100,
(5.13)
где ФОТраб = 114,5 руб. -
фонд оплаты труда в день на основных рабочих; К = 1,2 - коэффициент,
учитывающий долю рабочих кожгалантерейного производства; А= 40% - отчисления на
социальное страхование.
Зоплтр = 114,5.1,2.140/100 = 192,38
руб.
4
Затраты на отопление исходя из годового расхода теплоэнергии (Ртоп)
и цены за единицу измерения (Ц1т):
Р = Нг Фо V,
где Нг - удельный расход тепла,
ккал/час; Фо - число часов отопления в год; V - объем здания,м3.
Р = 25. 4320. 150 = 16 200 000 ккал.
м3 = 16,2 Гкал. м3
Зтоп = Ц1т. Ртоп
= 146.16,2 = 2 365,2 руб.
5
Затраты на электроэнергию, связанные с освещением рабочих мест и
помещения цеха:
Зосв = N. n. Tсм.
Ксм. Драб.Ц1кВт/час / 1000, (5.14)
где N = 100 Вт - мощность
светильников; n = 7 - количество светильников.
Зосв = 100.7.8. 1. 252.
0,3 /1000 = 432,36 руб.
6
Амортизационные отчисления производятся в соответствии с
Постановлением СМ от 22.10.1990г. № 1072 «О единых нормах амортизационных
отчислений на полное восстановление основных фондов народного хозяйства».
7. Прочие расходы принимаются в
размере 5% от общей суммы затрат:
Зпр = 5. 72,332/100 =
3,62 руб.
Полная себестоимость единицы
продукции:
С = Зэлем + Зрас, руб.;
где Зэлем - смета затрат по
элементам;
Зрас - внепроизводственные расходы.
С = 75,95 + 0,864 = 76,81 руб.
Таблица 13
Амортизационные отчисления
|
Наименование основных фондов
|
Стоимость, руб.
|
Нормы аморт. Отчислений, %
|
Амортизационные отчисления, руб.
|
|
1.технологическое оборудование
|
115 000
|
10
|
11 500
|
|
2.здание цеха
|
900
|
1
|
9
|
|
Итого
|
115 900
|
|
11 509
|
Таблица 14
Смета затрат по элементам
себестоимости продукции
|
Наименование элемента оборотных средств
|
Сумма затрат, руб.
|
69,2
|
|
2. затраты на энергию на технологические нужды
|
0,016
|
|
3. расходы на оплату труда
|
2,4
|
|
Итого переменных затрат
|
71,62
|
|
4. расходы на отопление
|
0,12
|
|
5. расходы на освещение
|
0,022
|
|
6. амортизационные отчисления
|
0,57
|
|
7. прочие расходы
|
3,62
|
|
Итого постоянных расходов
|
4,332
|
|
Всего
|
75,95
|
6. Финансовые показатели
Финансовое планирование является
наиболее сложной частью бизнес-планирования, в тоже время оно в наибольшей мере
определяет будущий успех предприятия.
1. Прибыль от реализации продукции:
Пр = Сс.Ru/ 100%, руб. (5.15)
где Сс = 76,81 руб. - затраты на
производство и реализацию продукции, включаемые в себестоимость, руб.; Ru = 25
% - рентабельность продукции.
Пр = 76,81.25 / 100 = 19,2 руб.
. Объем выпуска продукции в оптовых
ценах предприятия:
ОЦ = Сс + Пр, руб. (5.16)
ОЦ = 76,81 + 19,2 = 96,01 руб.
. Расчет НДС:
НДС = ОЦ.20% / 100%,руб. (5.17)
НДС = 96,01.20 /100 = 19,2 руб.
. Выручка от реализации:
Выр = ОЦ + НДС, руб. (5.18)
Выр = 96,01 + 19,2 = 115,22 руб.
. Расчет налога на имущество:
Ни = И. 2% / 100%, руб. (5.19)
где И - среднегодовая стоимость
имущества, руб.
И = (ОФ +ОС)/ М, руб. (5.20)
И = (11 509 + 532 264,7) / 1 = 543
773,7 руб.
Ни = 543 773,7. 2 / 100 =
10 875,47 руб.
. Расчет местных налогов и сборов:
Включают в себя:
- целевой сбор на содержание
муниципальной милиции 1% от ФЗПн (фонд заработной платы нормируемый);
- целевой сбор на содержание
пожарной охраны 1% от ФЗПн;
целевой сбор на
благоустройство территорий 3,7% от ФЗПн.
ФЗПн рассчитывается по формуле:
ФЗПн = Зпmin. Чппп. М, руб. (5.21)
где Зпmin - минимальный месячный
размер заработной платы; Чппп - среднесписочная численность рабочих; М - число
месяцев планируемого периода.
ФЗПн = 84,35. 2.12 = 2 024,4 руб.
НиС = 2 024,4 (1+1+3,7) / 100 =
115,39 руб.
7. Балансовая прибыль:
Пб = Пр - Рвн, руб., (5.22)
где Рвн - расходы от
внереализационных операций за соответствующий период на единицу продукции:
Рвн = (Ни +НиС)/ (80.252) = (10
875,47 + 115,39)/ (80.252) = 0,55 руб.
Пб = 19,2 - 0,55 = 18,65 руб.
8. Налогооблагаемая прибыль:
Пн = Пб - Ор, руб., (5.23)
где Ор - отчисления в резервный фонд
(25% от ставки балансовой прибыли).
Пн = 18,65 - 25. 18,65/100 = 13,99
руб.
Налог на прибыль Нпр = 35.Пн/100;
(5.24)
Нпр = 35. 13,99/100 = 4,9 руб.
. Чистая прибыль:
Пч = Пб - Нпр, руб. (5.25)
Пч = 18,65 - 4,9 = 13,76 руб.
. Рентабельность оборота:
= Пч. 100% / Выр, % (5.26)=
13,76.100 / 80 = 17,19 %
. Рентабельность производства:
пр = Пч. 100 % / (ОФ + ОС), %
(5.27)пр = 13,76. 100/ ((11 509 + 532 264,7)/(80.252)) = 51,01 %.
Срок окупаемости капитальных затрат
на реконструкцию рассчитывается по формуле:
Ток = КЗ/((С1-С2).В),
(5.28)
где КЗ - общая величина
на реконструкцию; С1, С2 - себестоимость единицы
продукции до и после реконструкции; В - объем годового производства.
КЗ = Кзобор + Цзд = 126
500 + 900 = 127 400 руб.
Ток = 127 400 / ((150 -
115,22).80.252) = 0,22 (лет).
Величина капитальных вложений:
КВ = КЗобор + Цзд + ФОТоб
+ ОС = 575 963,5 руб.
Величина требуемых инвестиций:
Инв = КЗобор + 0,5.Цзд + ОС = 565
097,1 руб.
Анализ технико-экономических
показателей приведен в таблице 15.
Примечание.
Расчет относительных отклонений
произведен по формуле:
DО = [(Упр - Уд)/ Уд] *
100%, (5.29)
где Упр - уровень проектируемого
показателя; Уд - уровень действующего реконструируемого показателя.
Таблица 15
Технико-экономические показатели
|
№
|
Наименование показателя
|
Единица измерения
|
Величина показателя
|
Относительное отклонение
|
|
|
|
Действую-щий поток
|
Проектиру-емый поток
|
|
|
1
|
Себестоимость продукции за ед.
|
руб.
|
150
|
76,81
|
-34,4
|
|
2
|
Объем производства
|
тыс.пар в год
|
20
|
21,2
|
-
|
|
3
|
Численность персонала
|
человек
|
5
|
4
|
-
|
|
4
|
Капитальные вложения
|
руб.
|
-
|
575 963,5
|
-
|
|
5
|
Величина требуемых инвестиций
|
руб.
|
-
|
565 097,1
|
-
|
|
6
|
Рентабельность продукции
|
%
|
17
|
25,65
|
50,88
|
|
7
|
Срок окупаемости
|
лет
|
-
|
0,22
|
-
|
5
Безопасность жизнедеятельности
Безопасность труда - состояние
условий труда при котором исключено воздействие на работающего опасных и
вредных производственных факторов / 13 /.
Подробный анализ работы
разрабатываемого устройства для формования кожгалантерейных изделий позволяет с
достаточной точностью определить вредные и опасные факторы производства.
Производство кожгалантерейных
изделий с применением полимерных материалов связано с опасными факторами,
которые могут вызываться парами токсических веществ, движущимися частями
оборудования, электрическим током, шумом, вибрацией и т.д.
При разогреве полимерных материалов
образуются пары токсических веществ, которые вызывают профзаболевания,
отравления различной степени тяжести.
Для защиты рабочих от токсических
паров веществ рекомендуется использовать в цехе различные
вентиляционно-вытяжные системы: общую цеховую вентиляцию и местную вентиляцию
на рабочем месте, а также постоянный токсикологический контроль концентрации
токсических веществ, системы оповещения превышения предельно допустимой
концентрации.
Работа на установке для формования
кожгалантерейных изделий осуществляется с использованием в установке
электросети, что связано с опасностью воздействия электрического тока на
организм человека. Это может привести к серьезным травмам или смертельному
исходу при нарушении правил эксплуатации.
Поражение током обычно возникает при
работе под напряжением и при эксплуатации неисправного электрооборудования. А
именно: при прикосновении к оголенным проводам оборудования, попадании влаги на
неисправную электропроводку, открытых рубильниках и других токовыводящих
частях.
Согласно нормам электробезопасности
и ГОСТ 121.19-79, для обеспечения электробезопасности на разрабатываемом
устройстве предусмотрено защитное заземление, закрыты кожухами все
токовыводящие элементы, а так же стоят автоматы (автоматические выключатели)
для защиты от коротких замыканий в электросхеме.
Все металлические части станка имеют
электросвязь с корпусом, чтобы обеспечивалось гарантированное развитие тока в
аварийных ситуациях до уровня срабатывания защитного отключения.
Шумом называются всякого рода звуки,
мешающие восприятию полезной информации или нарушающие тишину, а также
оказывающие вредное воздействие на психическое и физическое состояние работающего.
При производстве формованных изделий
на разрабатываемом устройстве основными источниками шума являются:
- вентиляторы
- пневматические цилиндры
стола
звуковая сигнализация
Установлено, что длительное
воздействие шума отрицательно сказывается на здоровье человека. Шум угнетет
психику человека, нарушает деятельность нервной системы, вызывает нарушение
координации, ухудшается восприятие информации, вызывает быстрое утомление,
является общебиологическим раздражителем.
Борьба с шумом носит комплексный характер:
подавление шума в самом источнике возникновения и индивидуальные и групповые
средства защиты.
Согласно нормам техники безопасности
и ГОСТ 12.2.005-80, для того, чтобы снизить шум в разрабатываемом устройстве,
применено звуко- и теплоизолирующее покрытие всех вентиляторов. Предусмотренна
возможность отключения звуковой сигнализации. Для исключения ударов движущейся
рамы, перемещяющейся с помощью пневмоцилиндров, выпуск воздуха из
пневмоцилиндров проходит через дроссель, снижающий динамику процесса.
Сила, действующая в зоне формы на
вращающемся столе равна
(6.1)
где h - радиус
расположения форм, 0,3 м.
что соответствует силе 3 кг.
Эта сила не может создать аварийной
ситуации при работе, что обеспечивает необходимые нормы техники безопасности
при эксплуатации станка. В случае попадания предметов или рук во вращающуюся
зону, произойдет останов механизма и сработает защитное отключение питания
привода.
При разработке общего вида устройства
были сформированы и обобщены требования к габаритным размерам оборудования,
согласно антропологическим данным человека, зрительному восприятию рабочего
места. Наклонный поворотный стол обеспечивает полный обзор рабочей зоны в
сидячем положении оператора. Столик под правой рукой обеспечивает опору тела,
ослабляя напряженность положения тела оператора. Левая сторона у станка
свободна для подачи заготовок, форм и складирования готовых изделий. Определены
зоны основных и вспомогательных рабочих движений. Форма и размеры органов
управления соответствуют анатомическому строению пальцев руки человека, а также
их расположение обеспечивает удобство и доступность управления.
Выводы
1. Разработана технология
изготовления пространственных кожгалантерейных изделий с за данной
формоустойчивостью из натуральных и искусственных материалов с использованием
отверждающего слоя.
2. Получены аналитические
зависимости, позволяющие рассчитать технологические режимы формования
кожгалантерейных изделий с отверждающим слоем.
. В результате
экспериментального исследования подтверждена адекватность расчетных
температурно-временных зависимостей реальному процессу и установлены режимы
формования каркасных деталей мелкой кожгалантереи.
. Произведены расчеты
теплообменных процессов при формовании деталей с отверждающим слоем, на основе
которых предложена конструкция устройства, обеспечивающая минимальные
энергозатраты при формовании.
. Разработана конструкция
многопозиционного станка для формования кожгалантерейных изделий
. Разработан бизнес-план
участка по производству кожгалантерейных изделий с использованием предлагаемого
устройства.
Список
литературы
1. Николаева Ж.Б. и др. Моделирование кожгалантерейных
изделий. - М.: Легкая индустрия, 1975. - 240с.
2. Ренно Д. Формование деталей и изделий в обувной и
кожгалантерейной промышленности. - М.: Легкая индустрия, 1979. - 184с.
. Кацнельсон М.Ю., Балаев Г.А. Полимерные материалы.
Справосник. - Л.: Химия, 1982. - 317с.
. Кухлинг Х. Справочник по физике. Пер. с нем. - М.: Мир,
1982. - 519с.
. Тадмор З., Гогос К. Теоретические основы переработки
полимеров. Пер. с англ. - М.: Химия, 1984. - 632с.
. Молчанов М.Ю. Физические и механические свойства
полиэтилена, полипропилена и полиизобутилена. Справочник. - Рига: Зинатне,
1966. - 439с.
. Справочник по пластическим массам. Изд. 2 перераб. в 2
т./ Под ред. В.М. Катаева. - М.: Химия,1975. - 447с.
. Яворский Б.М., Селезнев Ю.А. Справочное руководство по
физике для поступающих в ВУЗы и для самообразования. - М.:Наука, 1989. - 576с.
. Беляев Н.М. Сопротивление материалов. - М.: Наука, 1976.
- 608с.
. Анурьев В.И. Справочник конструктора-машиностроителя: в
3-х т. Т.3. - М.: Машиностроение,1979. - 557с.
. Шейнблит А.Е. Курсовое проектирование деталей машин. -
М.: Высшая школа, 1991. - 432с.
. Гамрат-Курек Л.И. Экономическое обоснование дипломных
проектов. - М.: Высшая школа,1968. - 127с.
. Ермолаев В.А., Кравец В.А., Свищев Г.А. Охрана труда в
легкой промышленности: Учебник для ВУЗов. = М.: Легпромиздат,1985. - 184с.