Технологический процесс изготовления тарелочек для сборки ножек ламп общего назначения

  • Вид работы:
    Курсовая работа (т)
  • Предмет:
    Другое
  • Язык:
    Русский
    ,
    Формат файла:
    MS Word
    436,6 Кб
  • Опубликовано:
    2013-11-20
Вы можете узнать стоимость помощи в написании студенческой работы.
Помощь в написании работы, которую точно примут!

Технологический процесс изготовления тарелочек для сборки ножек ламп общего назначения

Содержание

Введение

. Технологический раздел.

.1 Общие сведения о производстве стекла и изделий из него

.2 Дефекты стекломассы, возникновение и снятие напряжений в изделиях из стекла.

.3 Тарелочки, их виды и назначение во внутренней арматуре ламп общего назначения.

. Конструкторский раздел

.1 Назначение и особенности технического обслуживания автомата развёртки тарелочек.

.2 Конструкция и принцип действия механизма загрузки стеклоизделий.

.3 Расчёт приводной передачи автомата.

.4 Определение ремонтных размеров двух деталей механизма загрузки стеклоизделий.

.5 Технология ремонта деталей механизма загрузки стеклоизделий

.6 Система планово - предупредительного ремонта. Составление плана - графика ППР автомата развёртки тарелочек.

. Экономический раздел

.1 Характеристика предприятия

.2 Расчет цены и себестоимости лампы

. Охрана труда и окружающей среды

.1 Основные законодательные акты и нормативные документы по охране труда

.2 Производственный шум и способы защиты от него.

.3 Обеспечение экологической безопасности предприятия. (методы очистки сточных вод)

Заключение

Литература

Введение


Люди давно узнали, что при сильном нагреве предмет излучает свет. Этот принцип лёг в основу работы лампы накаливания. Электрический ток, проходя через тонкую нить, сделал жизнь человека намного светлее.

Лампа накаливания - самый распространённый в быту, на данный момент времени, источник света. Она отличается очень низкой ценой, приемлемым качеством цветопередачи и простотой установки.

Для сборки электрических ламп накаливания необходим ряд полуфабрикатов, которые являются составными элементами лампы

В данном проекте дано описание устройства и технологического процесса изготовления тарелочек для сборки ножек ламп общего назначения.

В технологическом разделе проекта даны основные сведения о стекле и производстве из него полуфабрикатов. В конструкторском разделе рассмотрено устройство механизма загрузки стеклоизделий и особенности технического обслуживания автомата развёртки тарелочек.

Целью экономического раздела является расчет цены и себестоимости а также исследование основных путей увеличения прибыли при производстве ламп.

Целью раздела охраны труда является исследование мер, направленных на уменьшение производственного травматизма. Описание законодательных актов и нормативных документов по охране труда, а также освещение вопросов охраны окружающей среды.

стекло арматура лампа изделие

1. Технологический раздел

 

.1 Общие сведения о производстве стекла и изделий из него


Производство стекла и изделий из него представляет собой важную составную часть общего технологического процесса изготовления источников света на электроламповом предприятии. В едином процессе получения стекла выделяют операции по подготовке исходных материалов, составлению шихты и варке стекла. Операции же по изготовлению из стекломассы различных изделий, заготовок, полуфабрикатов и их последующая обработка объединяют под общим названием стеклозаготовительных.

Выбор сырьевых материалов определяется химическим составом стекла. Дальнейшая их обработка должна учитывать состояние материала, степень его загрязненности и требуемую чистоту после очистки. Все операции по подготовке сырьевых материалов должны быть механизированы и по возможности автоматизированы, чтобы ограничить или исключить непосредственное присутствие рабочих при выполнении этих операций, связанных с большим выделением пыли.

Транспортировку сыпучих материалов желательно из тех же соображений вести пневматической системой, а все оборудование герметизировать. Применение железной тары и других железосодержащих элементов оборудования, соприкасающихся с сырьевыми материалами, нежелательно за-за опасности загрязнения стекла сильно красящими окислами железа.

Из каждого сырьевого материала берется средняя проба для полного химического анализа, определения влажности и зернового состава.

Процесс варки стекла ведется при высоких температурах в условиях довольно высокой химической активности сырьевых материалов и продуктов их реакций. Поэтому стекловаренные печи выкладываются из специальных огнеупорных материалов. Они должны быть жаростойкими, механически прочными, термически и химически стойкими. Наиболее часто применяются следующие огнеупорные материалы: шамот, каолин, муллит, бакор, динас, плавленый кварц (непрозрачное кварцевое стекло). Большинство из них изготавливается спеканием из мелкоизмельченных огнеупорных глин, некоторые получают литьем из расплава в формы.

Сваренная стекломасса перерабатывается в изделия. Чаще всего применяется выдувание, вытягивание и прессование. При этом формообразование возможно в достаточно узком диапазоне вязкости (около 102-104 Па·с). Для большинства электровакуумных стекол это соответствует температуре стекломассы 1150-1250 °С. Для тугоплавких стекол эта температура на 130-150 °С выше. Точность поддержания температуры должна быть в пределах ± (5-15) °С. Конкретная температура стекломассы зависит от способа формования и вида изделия. При этом механизированные методы выработки изделий требуют более высоких температур, чем ручные.

Повторная обработка стеклоизделий также часто связана с их деформацией в результате нагрева, например горячая резка, сварка, калибровка и т. п. В ряде случаев сначала из стекломассы вырабатывается определенная заготовка, а затем из нее изготавливается нужное изделие. Примером этого может служить получение дротов и их последующая переработка в бусинки, штенгели, кольца, тарелки для ножек ламп и т. д.

В процессе выработки стеклоизделий особое место занимают отжиг стекла и контроль стеклоизделий по остаточным напряжениям.

И, наконец, завершающими стеклозаготовнтельными операциями являются операции, связанные с обработкой поверхности стеклоизделий: их матирование, металлизация, окраска и др.

При варке электровакуумных стекол требуется строго определенная среда - окислительная или восстановительная. Поэтому шихта должна содержать специальные окислители (селитру, мышьяковистый ангидрид, двуокись церия) или восстановители (кокс, древесный уголь, древесные опилки). В процессе варки стекла окислители разлагаются с выделением большого количества кислорода (окислителя), а восстановители при высоких температурах варки связывают свободный кислород и способствуют разложению некоторых окислов.

К осветлителям относятся материалы, которые ускоряют осветление стекломассы, т. е. освобождение ее от видимых мелких, средних и крупных газовых пузырей. В результате этого стекло становится прозрачным и более однородным по составу. В качестве таких осветлителей применяют селитру, сульфат натрия, хлористый натрий, трехокись мышьяка и сурьмы, азотнокислый, сернокислый или хлористый аммоний. Для ускорения процесса варки стекла используют фтористые соединения, аммонийные соли, хлористый натрий, окись бария, нитриты.

Многие из вышеперечисленных материалов оказывают комбинированное действие, например обесцвечивают стекломассу, ускоряют ее осветление и варку, изменяют свойства готового стекла. Это должно учитываться при определении состава шихты.

Большинство природных сырьевых материалов не может быть использовано для составления шихты без предварительной подготовки их. Характер подготовки зависит от природы и назначения материала. Большинство из них тщательно измельчается, просеивается и очищается от примесей. Особенно тщательно очищается кварцевый песок.

Расчет состава шихты ведется с учетом химического состава исходных сырьевых материалов, а также того, что в стекломассу переходит только часть окислов, а влага, газы и некоторая часть окислов улетучиваются. Подобные потери массы могут составлять до 20%.

Непосредственное приготовление стекольной шихты состоит в том, что каждую ее составную часть отвешивают согласно рецепту с большой точностью. на автоматических весах, а затем тщательно перемешивают в тарельчатых или барабанных смесителях конусного типа. Обычно в смеситель материалы засыпаются в определенной последовательности: песок, сода, поташ, селитра и другие материалы. Такая последовательность обеспечивает лучшее перемешивание и обволакивание частиц песка щелочными материалами. Песок перед загрузкой в смеситель или непосредственно в нем слегка увлажняют распылением воды под давлением.

После перемешивания в смесителе шихты к ней добавляют порцию дробленого стеклобоя и снова Эту смесь некоторое время перемешивают. Стеклобой должен готовиться из отходов стекла строго того состава, который предусмотрено получить. В процессе подготовки он тщательно промывается от загрязнений, высушивается и дробится на куски размером не более 3X3 см. Содержание стеклобоя в шихте берется в пределах 40-70%, причем принятое соотношение шихты и стеклобоя должно быть постоянным.

Стеклобой вводится в шихту для утилизации отходов стекла, экономии дорогостоящих сырьевых материалов шихты, экономии расходуемого на варку стекла топлива, сокращения продолжительности варки и уменьшения разъедания шихтой стенок стекловаренной печи.

Приготовленная шихта должна иметь правильный и постоянный химический и гранулометрический состав, она не должна иметь примесей сверх допустимой нормы, соотношение составных частей, взятых из произвольного места шихты, должно отвечать заданному рецепту, влажность шихты должна быть в пределах 4-6%, так как слишком сухая шихта сильно пылит, а влажная - кбмкуется и слеживается при транспортировке и хранении. Проверка шихты на соответствие этим требованиям проводится ежесменно. Время хранения приготовленной шихты не более 1 сут.

Транспортировка подготовленной смеси шихты и стеклобоя от смесителя к стекловаренной печи ведется в специальных бункерах в помощью тельфера.

Варкой стекла называется процесс превращения стекольной шихты в однородную стекломассу.

В первой стадии (силикатообразование) шихта в результате ряда химических реакций превращается в спекшуюся массу силикатов, боратов и алюмосиликатов с некоторым избытком стеклообразующих окислов. Эта стадия практически заканчивается при 800-900°С, при этом происходит выделение основной массы газов.

Вторая стадия (стеклообразование) происходит при дальнейшем нагреве полученной массы до 900-1400 °С и характеризуется полным расплавлением шихты. Образуется жидкая прозрачная стекломасса, неоднородная по составу и пронизанная по всему объему газовыми пузырями.

На стадии осветления происходит освобождение стекломассы от газовых пузырей. Для ускорения этого процесса температура стекломассы поднимается еще выше (примерно 1450-1470 °С). При этом значительно уменьшается вязкость стекломассы и происходит интенсивное разложение осветлителей с выделением большого числа крупных газовых пузырей. Крупные пузыри быстро поднимаются на поверхность стекломассы, увлекая за собой множество более мелких пузырей и вызывая перемешивание стекломассы. Часто процесс осветления ускоряют за счет барботирования (перемешивания) стекломассы сжатым воздухом.

Четвертая стадия (гомогенизация) протекает как завершающий этап осветления стекломассы, в результате которого она становится полностью однородной (гомогенной).

Пятая стадия -охлаждение («студка») представляет собой процесс постепенного охлаждения стекломассы до 1100-1200 °С, обеспечивающий необходимую рабочую вязкость. Во время охлаждения полностью завершается процесс осветления стекломассы. Поэтому важно, чтобы на этой стадии температура стекломассы непрерывно снижалась, а состав и давление газовой среды в печи не изменялись.

Для варки промышленных электровакуумных стекол применяют различные печи: горшковые периодического действия, ванные периодического действия, ванные непрерывного действия. По основному способу нагрева стекловаренные печи подразделяются на пламенные и электрические.

Обычное электроламповое стекло для ламп массового производства варят в ванных печах непрерывного действия с газовым отоплением. Основной частью такой печи (рисунок 1.1) является большой бассейн, выполненный из массивных огнеупорных брусьев впритирку. Конструктивно бассейн печи делится на две части: варочную и выработочную, отделенные друг от друга огнеупорной кладкой и соединяемые между собой только узким протоком на уровне дна.

Рисунок 1.1. Ванная печь непрерывного действия (горизонтальный разрез):1 - горелки и регенераторы для подогрева воздуха и газа; 2 - варочный бассейн; 3 - выработочный бассейн; 4 - загрузочный карман; 5 - рабочие окна; 6 - проток; 7 - экран; 8 - обвязка

Все стадии стекловарения протекают в ванной печи непрерывного действия одновременно, но в разных зонах. В варочной части происходит силикатообразование, стеклообразование, осветление и гомогенизация стекломассы.

Стеклообразование протекает в основном на поверхности слоя стекломассы. Для нормального хода процесса варки необходимо поддерживать строгое постоянство направления и скоростей потоков стекломассы путем сохранения стабильного режима работы печи.

Загрузка шихты и стеклобоя должна быть организована так, чтобы шихта не распылялась и не расслаивалась, а ее подача в печь производилась небольшими порциями строго в соответствии с уровнем стекломассы в печи. Наиболее часто для загрузки шихты и боя используют механические загрузчики, привод которых соединен с уровнемером. Согласованная работа этих устройств позволяет поддерживать постоянство уровня стекломассы с точностью ±0,1 мм. Это очень важно не только для постоянства режима варки, но и для уменьшения разрушения огнеупорной кладки печи.

Постоянство объемов стекломассы необходимо, так как если стекломассы отбирается очень много, то к месту выработки может притекать недостаточно проваренная или неоднородная стекломасса, что приведет к повышенному браку стеклоизделий.

На уровне стекломассы всегда поддерживается небольшое избыточное давление, что предотвращает подсос в печь окружающего воздуха. Среда над стекломассой при варке стекол с высокой прозрачностью должна выдерживаться строго окислительной.

Контроль за режимом варки стекла и управление им должны быть максимально автоматизированы, непрерывными и оперативными. Наилучшие результаты здесь может дать внедрение автоматизированной системы управления технологическими процессами на базе ЭВМ.

1.2 Дефекты стекломассы, возникновение и снятие напряжений в изделиях из стекла

стекло арматура лампа изделие

В сваренной стекломассе могут быть дефекты (пороки) трех основных видов: газовые, стекловидные и кристаллические включения.■>

Газовые включения в стекле имеют вид отдельных пузырей, «мошки» или капилляров. Основной причиной появления в стекле газовых включений является плохой провар шихты и недостаточное осветление стекломассы. При этом в стекломассу попадает заключенный между зернами шихты воздух, пары воды, газообразные продукты реакций при варке стекла, а также газы, выделяемые огнеупорными материалами. При неблагоприятных условиях часть этих газов остается в стекле в виде более или менее крупных пузырей.

«Мошка» - это скопления в стекле мельчайших газовых пузырей. Она чаще всего получается при вторичном нагреве стекла в зоне выработки или нарушении газового режима в зоне осветления, в результате чего стекло вспенивается.

Капиллярные включения образуются при вытяжке изделий из стекломассы, имеющей газовые пузыри, которые в этом случае вытягиваются в нити.

Стекловидные включения (свиль и шлир) отличаются от основной массы стекла химическим составом и физическими свойствами. В готовых изделиях они выделяются на общем фоне разницей в преломлении света и искажением формы предметов, если на них смотреть через стекло. Свиль имеет шихтное происхождение. Она образуется при неточном отвешивании материалов шихты, применении стеклобоя другой марки, при расслаивании или плохом перемешивании шихты, недостаточном проваре стекломассы и т. п.

Шлир - это полностью остекловавшийся прозрачный камень, попавший в стекломассу с шихтой или из огнеупорной кладки печи в результате ее разрушения.

Колебание уровня стекломассы в ванных печах непрерывного действия и повышение температуры сверх допустимого приводят к появлению стекловидных включений за счет выплавления их из огнеупорных материалов. Они попадают в стекломассу в виде остеклованных капель, падающих со свода печи, или остеклованной пленки, сползающей в стекломассу со стен бассейна.

Кристаллические включения («камни») делятся на три основных вида: шихтные (материальные) камни, огнеупорные камни и продукты расстекловывания.

Шихтные камни чаще всего представляют собой не-шроварившиеся зерна кварцевого песка, барита, глинозема или других тугоплавких компонентов шихты. Причиной шоявления шихтных камней может быть недостаточное просеивание и плохое перемешивание шихты, ее расслоение, и комкование, заниженная температура варки и высокий съем стекломассы.

Огнеупорные камни попадают в стекломассу в результате разрушения огнеупорной кладки печи.

Продукты расстекловывания образуются в результате кристаллизации самой стекломассы. Этот процесс может иметь место при длительной выдержке стекломассы в определенном интервале температур, неправильном химическом составе стекла, наличии в стекле так называемых инициаторов, т. е. веществ, ускоряющих кристаллизацию стекла. Повышенную склонность к кристаллизации имеют высококремнеземистые стекла.

Из всех вышеперечисленных дефектов стекломассы наиболее опасными являются кристаллические включения. При обработке стеклоизделий с такими дефектами в условиях электролампового производства вероятность брака особенно велика.

Для выработки заготовок и деталей источников света из стекла применяются разнообразные технологические процессы: выдувание, вытягивание, прессование и центробежное литье. Для придания изделиям необходимых размеров и нужной конфигурации их часто подвергают резке, сварке, калибровке и т. п.

Почти все методы обработки стекла основаны на изменении вязкости стекла при изменении температуры. При нагреве до достаточно высокой температуры стекло становится пластичным, способным к изготовлению из него изделий различной формы, а при охлаждении стекло затвердевает и приданная изделиям форма сохраняется. При термической и термопластической обработке стекла для его нагрева используют тепловое излучение (воздушно- или кислородно-газовых пламенных или беспламенных горелок, специальных нагревателей), прямое пропускание электрического тока, дуговой разряд. В стекле под влиянием механических или тепловых воздействий создаются внутренние напряжения. В производстве электроламп наиболее часто приходится иметь дело с напряжениями теплового происхождения. Внутренние напряжения подразделяются на временные (переходные) и постоянные (остаточные). Основной причиной возникновения тех или других напряжений является низкая теплопроводность стекла.

Временные напряжения в стекле возникают следующим образом. При нагревании изделия в первую очередь повышается температура наружных слоев стекла, внутренние слои стекла некоторое время остаются холодными. Наружные слои стекла вынуждены занимать объем, меньший, чем тот, который соответствует данной температуре, и оказываются сжатыми. Внутренние слои стекла, испытывая на себе воздействие расширяющихся наружных слоев, имеют напряжения растяжения. При остывании изделия, когда температура во всех точках выравняется, исчезнут и напряжения. Напряжения, исчезающие после выравнивания температур между отдельными частями изделия, есть временные напряжения. Они могут привести к разрушению изделия, если их значение оказывается больше предела прочности стекла.

Постоянные напряжения возникают при быстром охлаждении стекла. Если изделие нагреть до точки размягчения стекла и выше, то при быстром охлаждении между отдельными частями изделия сохраняются остаточные или постоянные напряжения. В стеклах с высоким температурным коэффициентом линейного расширения возникают большие постоянные напряжения, поскольку сжатие при охлаждении у таких стекол сильнее, чем у стекол, имеющих меньший коэффициент расширения.

К другим причинам возникновения напряжений в стекле могут быть отнесены: большое различие в температурных коэффициентах линейного расширения спаиваемых материалов, неудачная конструкция стеклоизделия (резкие переходы толстых стенок в тонкие, преобладание растягивающих напряжений) и др.

Процесс тепловой обработки, при котором достигается ослабление остаточных напряжений до нормы, обеспечивающей длительную и надежную эксплуатацию стеклянных изделий, называют отжигом. Сущность отжига состоит в нагревании стекла до температуры, при которой частицы его приобретают подвижность, достаточную для снятия постоянных напряжений.

Таблица 1.1. Расчетные формулы отжига стеклоизделий

Скорость нагрева (зона 1). °С/мин

Выдержка (зона 2), мин

Скорость охлаждения (зона 3), °С/мин

Скорость охлаждения (зона 4), °С/мин

Здесь а-толщина стеклянной стенки, обогреваемой с одной стороны, см;  -термостойкость cтекла, °С.

Диапазон температур, в котором производится отжиг стекла, называется зоной отжига. Зона отжига ограничивается высшей и низшей температурами отжига.

Рисунок 1.2. Кривая отжига стекла

Под высшей температурой отжига подразумевают температуру, соответствующую вязкости стекла 1012 Па·с. При этой температуре за время, равное 5 мин, исчезает не менее 95% всех имеющихся в стекле напряжений.

Под низшей температурой отжига подразумевают температуру, отвечающую вязкости стекла 1014 Па·с. Обычно она имеет значение на 100-150 °С ниже высшей температуры отжига.

Отжиг стеклоизделий производится в режиме, изображенном на рисунке 1.2 в виде температурной кривой, состоящей из четырех зон: нагрев 1, выдержка 2, медленное охлаждение 3 до низшей температуры отжига и быстрое охлаждение 4 до комнатной температуры. Каждый из участков этой кривой может быть рассчитан по эмпирическим формулам (табл. 1.1). Реально отжиг проводится по плавной кривой, вписанной в ломаную расчетную кривую отжига, изображенную на рисунке 1.2.

Для отжига используются барабанные, конвейерные, камерные и другие печи с газовым или электрическим нагревом, с ручным или программным управлением. Иногда печи отжига называют мерами. Особое значение имеет отжиг для мягких стекол с температурным коэффициентом линейного расширения (ТКЛР), равным (80-100)·10-7К-1

Кварцевое стекло не отжигают. Изделия с тонкими стенками также практически не отжигают, а ограничиваются их обработкой в мягком пламени горелки.

Напряжения в спаях стекла с металлом, вызванные неодинаковым тепловым расширением, никаким отжигом снять невозможно. Отжиг спаев представляет собой тепловую обработку для устранения закалочных напряжений и управления в известных пределах термическими напряжениями. Для спаев стекло - металл применяется так называемый дифференциальный отжиг или дифференциальное охлаждение. Суть этого отжига состоит в том, что в материалах спая с различными ТКЛР при охлаждении разность температур поддерживается таким образом, чтобы тепловое сжатие металла и стекла оставалось примерно постоянным в продолжение всего процесса охлаждения. Дифференциальный отжиг дает возможность создания в спае желательного распределения напряжений.

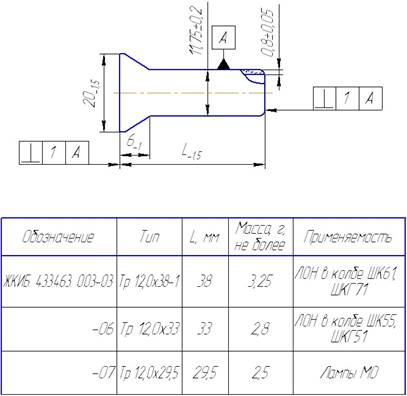
1.3 Тарелочки, их виды и назначение во внутренней арматуре ламп общего назначения


Тарелкой называют короткую стеклянную трубку с конусообразным расширением (рисунок 1.3.). Диаметр основания конической части тарелки устанавливают в зависимости от диаметра горловины колбы, а диаметр и длину цилиндрической части- в зависимости от габаритных размеров лампы

Рисунок.1.3. Тарелки для гребешковых ножек.

Обозначение тарелочек принято следующие:

Тр d х L, где

d - диаметр цилиндрической части; мм;

L - длина тарелочки; мм;

Габаритные размеры тарелочек, применяемых при сборке ножек для ламп общего назначения представлены на рисунке 1.4.

Основными видами брака тарелочек являются следующие

1.      Кривой конус.

.        Мелкий или глубокий конус.

.        Большая или малая длинна тарелочек.

.        Большая или малая развёртка.

.        Тёмное чёрнение - сплошные или прерывистые концентрические линии в конической части тарелочки.

.        Белое чернение - концентрические поверхностные трещины в конической части тарелочек.

.        Трещины в тарелочках.

.        Тарелочки с насечками и выщерблинами.

Рисунок 1.4. Габаритные размеры тарелочек, применяемых при сборке ножек для ламп общего назначения

2.. Конструкторский раздел


2.1 Назначение и особенности технического обслуживания автомата развёртки тарелочек


Автомат развертки тарелок (далее - автомат) предназначен для развертывания тарелок из стеклянных трубок (дротов) к ножкам осветительных ламп.

Технические характеристики автомата представлены в таблице 2.1.

Таблица 2.1 Технические характеристики автомата развёртки тарелочек

Общие данные:


Производительность, тактов/час

2200

Диаметр трубки, мм

10-13,5

Толщина стенки трубки, мм

1

Длина тарелки, мм

12-36

Вес, кг

810

Количество позиций автомата

12

Диаметр окружности расположения шпинделей, мм

480

Частота вращения шпинделей, об/мин

260

Габаритные размеры (без печи), мм:


Длина

1300

Ширина

1255

Высота

1560


Характеристика привода: мощность двигателя - 0,75 кВт, обороты двигателя - 1400 об/мин, напряжение - 380/220 В, частота 50 Гц.

Давление природного газа в питающей сети - 0,01-0,2 атм., сжатого воздуха - 0,2-0,5 атм., кислорода - 0,05 атм.

Автомат состоит из следующих основных частей:

-       тумба (основание) вместе с двигателем;

-       механизм привода (редуктор);

-       стол (плита);

-       карусель;

-       шпиндель (патрон) (12 шт.);

-       механизм развертки тарелок;

-       механизм резки;

-       механизм установки дрота по высоте;

-       печь отжига тарелок;

-       огневого оснащения;

-       системы смазки и охлаждения.

Таблица 2.2. Характерные мелкие неполадки и неисправности и методы их устранения

№ п\п

Мелкая  неполадка или неисправность

Вероятная причина

Методы устранения

Кто устраняет

1

Неровное пламя горелок, плохой разогрев

1. Загрязнены предохранительные сетки горелок.

1.Провести чистку горелок при необходимости заменить горелки

Наладчик



2. Загрязнены отверстия сопел

2.Прочистить отверстия в соплах или заменить горелки

Наладчик

2

Плохая резка, развальцованная, завальцованная, рваная

1.Стекло мало разогрето;

1.Отрегулировать огни горелок

Наладчик



2.Не отрегулирована величина рабочего хода ножа;

2.Отрегулировать величину рабочего хода ножа

Наладчик



3.Зазор между ножами по высоте более 0,1мм;

3.Отрегулировать зазор между лезвиями ножей по высоте

Наладчик



4.Ножи затупились;

4.Сменить ножи или заточить

Наладчик, слесарь



5.Износ втулок большого ножа, подшипников;

5.Заменить втулки, подшипники

Слесарь



6.Ослабла, лопнула пружина;

6.Отрегулировать натяжение пружины или заменить

Наладчик, слесарь



7.Неотцентрованы позиции или большой нож;

7.Отцентровать позиции или большой нож

Наладчик



8.Неодновременная работа ножей.

8.Вставить кулаки хода ножей

Наладчик



9.Увеличен зазор между муфтой и подшипником рычага подъема большого ножа;

9.Заменить муфту (подшипник)

Слесарь



10.Ослабло крепление или сорвана резьба регулировочного болта или контргайки

10.Подтянуть гайку, болт или заменить на новые, перерезать резьбу

Наладчик, слесарь

3

Плохая развертка, нет размера развертки

1.Износ райбера

1.Заменить райбер

Наладчик



2.Поломка механизма развертки

2.Заменить механизм развертки

Наладчик



3.Ось райбера не совпадает с осью дрота

3.Выставить райбер

Наладчик



4.Неотрегулирован подъем или открытие механизма развертки

4.Отрегулировать подъем и величину открытия механизма развертки

Наладчик



5.Износ втулок, подшипников

5.Заменить втулки, подшипники

Слесарь



6.Ослабла, лопнула пружина передачи вращательно-поступательного движения

6.Заменить пружину

Наладчик, слесарь



7.Неотцентрованы позиции

7.Отцентровать позиции

Наладчик



8.Биение позиций

8.Заменить позиции

Наладчик



9.Завышен диаметр дрота

9.Поменять дрот

Наладчик

4

Дрот с развернутым фланцем, попадая на механизм установки дрота по высоте, трескается

1.Велико расстояние между развернутым фланцем и подкладкой головки механизма установки по высоте

1.Уменьшить расстояние, выворачивая головку из штока

Наладчик



2.Износ паранитовой прокладки или ее отсутствие

2.Заменить/установить прокладку

Наладчик

5

Нет размера горелки по длине

1.Не отрегулирован механизм установки дрота по высоте

1.Отрегулировать механизм установки дрота по высоте

Наладчик



2.Износился паранит на головке механизма установки дрота по высоте

2.Заменить паранитовую подкладку

Наладчик



3.Не держит дрот позиция

3.Заменить позицию

Наладчик



4.Большое открытие губок позиции

4.Отрегулировать раскрытие позиции

Наладчик



5.Изношена направляющая трубок

5.Поменять направляющую трубок

Наладчик



6.Износ крестовины механизма

6.Заменить крестовину

Слесарь



7.Преждевренное опускание механизма установки дрота по высоте

7.Выставить кулак подъема/опускания механизма

Наладчик

6

Не пропускает дрот позиция

1.Позиция забита стеклобоем

1.Прочистить позицию от битого стекла

Наладчик



2.Позиция предназначена для дрота меньшего диаметра

2.Поменять позицию

Наладчик



3.Напрвляющая трубок меньшего диаметра

3.Заменить направляющую трубок

Наладчик



4.Не отрегулировано раскрытие губок позиции

4.Отрегулировать раскрытие губок позиции

Наладчик



5.Дрот застрял в пластине антивибратора

5.Выставить пластину антивибратора или заменить

Наладчик, слесарь



6.Дрот завышенного диаметра или кривизны

6.Поменять дрот

Наладчик

7.

Позиция заклинила

1.Отсутствует смазка в позиции

1.Смазать позицию

Наладчик



2.Загар масла в позиции

2.Заменить позицию

Наладчик



3.Не соответствуют посадочные размеры под подшипники, губки

3.Заменить позицию

Наладчик

8.

Подтеки масла на карусели

1.Загар масла в масловедущих отводах

1.Почистить карусель от загара масла

Слесарь

9.

Течь масла из тумбы

1.Износ сальников

1.Заменить сальник

Слесарь



2.Прослабление маслоудерживающего набивного шнура

2.Подтянуть болты прижима набивки или заменить набивку

Наладчик, слесарь



3.Нарушена герметизация крышек

3.Заменить прокладки под крышками

Слесарь

10.

Не осуществляется передача вращательно-поступательного движения механизмов и узлов

1.Выход из строя приводного ремня

1.Заменить ремень или отрегулировать натяжение ремня

Наладчик



2.Износ шестерен

2.Заменить шестерни

Слесарь



3.Выход из строя подшипников, роликов, пальцев

3.Заменить подшипники, ролики, пальцы

Слесарь



4.Поломка рычагов

4.Восстановить рычаги

Слесарь



5.Износ втулок

5.Заменить втулки

Слесарь



6.Выход из строя пружин

6.Заменить пружину

Наладчик, слесарь

11.

Тарелка не поступает в печь отжига

1.Износ площадки сброса готовой продукции

1.Заменить площадку

Слесарь



2.На сбрасывателе отсутствуют пружинки

2.Прикрепить пружинки на сбрасыватель готовой продукции

Слесарь



3.Отсутствует лоток или смещен в сторону, деформирован

3.Поправить лоток, отогнуть или поменять, установить

Наладчик, слесарь



4.Флажок притормаживания продукции смещен или отсутствует

4.Поправить флажок или установить

Наладчик, слесарь

5.Выставить нужное расстояние

Наладчик

12.

Тарелка в печи отжига не отжигается или заплавляется

1.Не отрегулированы огни горелки

1.Отрегулировать огни

Наладчик



2.Забиты отверстия горелки

2.Прочистить отверстия или поменять горелку, выставить горелку по высоте

Слесарь

13.

Не работает конвейер

1.Тарелка или стеклобой застряли между лентой и сбрасывателем на стол браковки

1.Удалять тарелку или стеклобой из зазора между лентой и сбрасывателем

Наладчик



2.Порвалась лента или замок

2.Сменить ленту или поменять замок

Слесарь



3.Нет натяжения ленты

3.Натянуть ленту натяжным барабаном

Наладчик



4.Порвалась или соскочила цепь с ведущего барабана

4.Поправить или поменять цепь

Наладчик, слесарь



5.Износились приводные звездочки или лопнула шпонка

5.Поменять звездочки или шпонки

Слесарь



6.Заклинил редуктор

6.Отремонтировать редуктор или очистить вал редуктора от мусора и обрывков ленты

Слесарь, наладчик


Вывод автомата на технологический режим осуществляется в следующей последовательности:

·        осмотреть автомат, убрать лишние детали, инструменты и другие предметы;

·        проверить герметичность газовой и воздушной систем подводки;

·        проверить уровень масла в редукторе, если масла мало, - долить до требуемого уровня;

·        провести смазку всех трущихся частей согласно карте смазки;

·        проверить работоспособность патронов на открывание;

·        сменить изношенный паронит на механизме установки дрота по высоте;

·        открыть вентили подводки газа и зажечь горелки;

·        открыть вентили подводки воздуха и отрегулировать огни горелок позиций в соответствии с режимом огневой обработки карты эскизов;

·        включить электродвигатель и оставить работать автомат на холостом ходу 15-20 мин. для прогрева позиций и карусели во избежание треска стекла;

·        проверить механическую работу узлов;

·        открыть вентили подводки охлаждения (воды), проверить напор;

·        загрузить стеклотрубку и получив первую партию тарелочек (20 - 30 шт.) проверить соответствие их чертежам и техническим требованиям 00214280.25201.00168, при необходимости окончательно отрегулировать огни горелок.

После окончания работы наладчик должен устранять всякие повреждения и дефекты, возникшие во время эксплуатации автомата согласно таблице 2.2. Проверить состояние всех узлов и механизмов, их крепление.

При обслуживании автомата развёртки тарелочек, наладчик обязан:

·        После каждой смены следует остановить автоматы и очистить их сжатым воздухом и щеткой, протереть места, где скопилось масло и грязь (втулки, движущиеся валы, ролики, кулаки, шестерни).

·        Стеклянный бой после возможных поломок должен быть немедленно убран, прежде чем попадет к прецизионным и чувствительным частям автомата. Это относиться, в первую очередь, к газовоздушной системе.

·        Ежедневно проверять натяжение ремней автомата.

·        Еженедельно проверять легкость качения роликов по кулакам или направляющим (люфт), в случае необходимости заменить ролики.

·        Постоянно следить за износом втулок.

·        Постоянно следить за плавностью работы карусели (без рывков, обратного хода).

·        Еженедельно проверять оттяжные пружины на наличие соответствующего растягивающего усилия, в случае необходимости заменить их.

·        Еженедельно проверять поверхности быстроизнашивающихся деталей на износ. Изношенные детали менять немедленно. Мелкие неполадки и неисправности устраняет наладчик. Для проведения более сложного ремонта необходимо вызвать слесаря ремонтной группы, внести заявку на ремонт в журнал учета неплановых ремонтов оборудования.

·        Следить за открыванием губок шпинделя. Губки шпинделя должны открываться на 1-2 мм больше наружного диаметра трубки.

·        Постоянно следить за состоянием огней. Установка пламени горелок по высоте устанавливается по трубке:

-       у горелок, расположенных перед резкой пламя должно приходиться точно против места обрезки;

-       у горелок, расположенных, перед разверткой тарелочки пламя должно равномерно нагреть стеклянную трубку по всей длине, подвергаемой развертыванию.

Характерные мелкие неполадки и неисправности, методы их устранения указаны в таблице 2.2.

2.2 Конструкция и принцип действия механизма загрузки стеклоизделий


Детали механизма крепятся на корпусе 1, который представляет собой цельнолитую конструкцию. Корпус 1 крепится на опорах 4. Регулировка положения корпуса 1 на опорах 4 производится с помощью болтов 22.

Стеклотрубка попадает в позиции барабана 7 через промежуток между верхним ограничителем 5 и нижним ограничителем 6. Пневмоцилиндр 8 осуществляет привод рычага 3. Рычаг 3 далее передает движение на вал 2. Крепление пневмоцилинра 8 производится на кронштейн 10. Для возврата поршня пневмоцилиндра 8 в исходное положение служит пружина 20.

Кронштейны 9, жёстко закреплённые на валу 2, в процессе работы механизма производят подравнивание стеклотрубок, загруженных в механизм подачи, так, чтобы они без задержек попадали в промежуток между ограничителями 5 и 6.

В качестве ограничивающих элементов загрузочного устройства выступают стенки бункера 11. Крепление стенок бункера 11 производится на корпусе 1 и кронштейне 12. Кронштейн 12 закреплён на стойке 13.

Для крепления всего механизма к станине станка служат опоры 14, 15 и 16. Крепление опор к станине осуществляется с помощью болтов 23.

Пневмоцилиндры 17, предназначен для управления подачей стеклотрубки на барабан 7. Подводка сжатого воздуха к пневмоцилиндрам осуществляется через трубку 21. В качестве индикатора наличия трубки в позиции барабана выступает пластины 18, сигнал от которых передаётся на датчики 19.

Работа механизма загрузки стеклотрубки происходит следующим образом.

Наладчик загружает стеклотрубку необходимых для развертывания конкретного вида тарелочек между стенками бункера 11.

Барабан 7 в ходе работы автомата совершает прерывистые движения. После осуществления барабаном 7 одного перехода, его пустая позиция окажется точно под верхним 5 и нижним 6 ограничителями. В данный момент стеклотрубка будет находится в механизме загрузки. Пневмоцилиндры 17, получив сигнал от автоматизированной системы управления автоматом сработают так, что стеклотрубка, находящаяся между ограничителями перестанет удерживаться отсекателями и упадёт точно в позицию барабана 7.

После этого поршни пневмоцилиндров 17 вернуться в исходное положение и отсекатель не даст второй трубке покинуть промежуток между верхним 5 и нижним 6 ограничителями.

После этого пневмоцилиндр 8 сработает, и стеклотрубка, находящаяся в бункере загрузочного устройства встряхнётся. Это позволит заполнить промежуток между ограничителями 5 и 6.

Далее пружина 20 сожмется и шток пневмоцилиндра 8 вернётся в исходное положение.

После этого барабан 7 совершит новый переход. В случае, если загрузка стеклотрубки в позицию барабана прошла нормально, пластина 18 обнаружит стеклотрубку и весь цикл повторится заново. В противном случае, загрузка стеклотрубки не произойдёт.

2.3 Расчёт приводной передачи автомата


Согласно техническим данным автомата мощность двигателя Р = 0,75 кВт, частота оборотов n = 1400 об/мин, передатоное число передачи. i = 1,8. Тип ремня - клиновой.

1.    Определяем момент действующий на валу:

,

где ω - угловая скорость,


Тогда

2.    Принимаем резинотканевый ремень типа А, как получивший наибольшее распространение.

3.      Диаметр малого шкива:

 

;

По стандарту ([1], §8.2) принимаем d1 = 100 мм.

3. Скорость ремня


что меньше допускаемой (V≤ 30 м/с).

4. Диаметр большого шкива

 мм.

Значение соответствует стандартному

5. Фактическое передаточное число uф = d2/dl = 180/100 = 1,8.

. Межосевое расстояние

а’ = 2 (d1 + d2) = 2 (100 + 180) = 560 мм.

. Расчетная длина ремня


8. Частота пробегов ремня:

(см. §8.2).

. Уточнение а не производим, т.к. ремень сшивной а не бесконечный.

10. Угол обхвата ремнем малого шкива


.        Толщина ремня δ. Для резинотканевых ремней  (см. § 8.7). При d1 = 100 мм δ = 100/40 = 2,5. По таблице, принимаем ближайшую по стандарту толщину ремня δ = 4,5 мм (три прокладки с резиновыми прослойками).

.        Допускаемая номинальная удельная окружная сила:

.

. Поправочные коэффициенты:

коэффициент угла обхвата Сα = 0,99;

скоростной коэффициент ;

коэффициент расположения передачи Сθ = 1,0;

коэффициент динамичности Ср = 1,1.

12.    Допускаемая удельная окружная сила:


13.    Окружная сила, передаваемая ремнем


. Ширина ремня:

.

принимаем ближайшее стандартное значение b = 23 мм.

.        Сила предварительного натяжения ремня при :


. Сила Fв, действующая на вал:

 Н.

2.4 Определение ремонтных размеров двух деталей механизма загрузки стеклоизделий


На рисунке 2.6. представлен фрагмент центрального вала (позиция 2 на сборочном чертеже) посадочные места которого требуется обработать под ремонтный размер dp.

Данная деталь рассматриваемого механизма первоначально имела номинальный размер dH. После определенного периода работы она износилась (уменьшилась в диаметре). Причем с одной стороны износ у нее был меньший (Иmin), а с другой стороны больший (Иmах), соответствующий предельному износу. Дальнейшая эксплуатация вала с таким износом поверхности стала недопустимой, и потребовался ремонт.

Рисунок 2.6. Вал

Ремонт вала можно произвести путем обработки под уменьшенный размер dp. При обработке необходимо сохранить первоначальное положение оси вала.

Ремонтный размер вала определяется из выражения

 

где z - минимальный припуск на обработку шейки. Припуск на механическую обработку зависит от вида обработки: при чистовой обточке и расточке он составляет 0,05 - 0,1 мм, при шлифовании 0,03 - 0,05 мм на сторону.

С помощью одноконтактного индикатора были получены следующие значения износа шейки вала, представленного на рисунке 2.6.

Иmin= 0,1мм

Иmах=0,3мм

Номинальный диаметр тяги: dH.= 15 мм

Ремонтный размер:

 

В соответствии с полученным размером обрабатываем вал.

Определим ремонтные размеры для рычага (позиция 3 на сборочном чертеже), показанного на рисунке 2.7.

Рисунок 2.7. Рычаг

С помощью нутромера были получены следующие значения износа отверстия рычага, представленного на рисунке 2.7.

Иmin= 0,2мм

Иmах=0,4мм

Номинальный диаметр отверстия: DH.= 8 мм

Ремонтный размер:

 

2.5 Технология ремонта деталей механизма загрузки стеклоизделий


При дефектации устанавливают: износы рабочих поверхностей, т.е. изменение размеров и геометрической формы деталей; наличие выкрашиваний, трещин, сколов, пробоин, царапин, задиров и т.п.; остаточные деформации в виде изгиба, перекоса; изменение физико-механических свойств в результате воздействия температуры, влаги и др. Каждую деталь сначала осматривают, затем соответствующим поверочным и измерительным инструментом контролируют её форму и размеры. В отдельных случаях проверяют взаимодействие данной детали с другими, сопряженными с ней, чтобы установить, что целесообразнее - её ремонт или замена новой.

Перед началом ремонта деталей, необходимо произвести промывку всех деталей, продувку сжатым воздухом, выявить изношенные детали, которые не выдержат эксплуатации до очередного планового ремонта.

В ходе эксплуатации механизма наибольшему износу подвержена сигнализирующая пластина 18. Данная детальнее подлежит реставрации. В случае её износа необходимо заменить её, взяв новую деталь из комплекта запасных частей.

Повышенному износу также подвержены втулки, в которых происходит вращение вала 2. Изношенные втулки не ремонтируются.

Дефектация втулки:

)Достав втулку, промываем ее в керосине и обдуваем сжатым воздухом.

)Измеряем микрометром наружный диаметр втулки, он должен соответствовать полю допуска k6, (m6, n6).

)Нутромером измеряем внутренний диаметр втулки, он должен соответствовать посадке Н7, возможно измерение калибром-пробкой.

)Если размеры втулки не соответствуют чертежу, то изготавливаем новую.

Выдаем токарю материал БрАЖ9-4 ГОСТ 493-84 необходимого диаметра (согласно чертежа), который вытачивает втулку с необходимыми припусками на последующую шлифовку. Материал бронза безоловянистая БрАЖ9-4 ГОСТ 493-84, латунь ЛС59-1 ГОСТ 1019-80.

Пружина поз.20 (см. сборочный чертёж), вследствие длительной эксплуатации и воздействия высоких температур теряют свою упругость и подлежат замене. Материал для изготовления пружин Сталь 65Г ГОСТ 1050-80. Калить, отпустить. HRC, 58-62.

2.6 Система планово - предупредительного ремонта. Составление плана - графика ППР автомата развёртки тарелочек


Под системой планово-предупредительных ремонтов (ППР) понимается совокупность организационных и технических мероприятий по уходу, надзору, эксплуатации и ремонту оборудования, направленных на предупреждение преждевременного износа деталей, узлов и механизмов и содержание их в работоспособном состоянии. Сущность этой системы состоит в том, что после отработки оборудованием определенного времени производятся профилактические осмотры и различные виды плановых ремонтов, периодичность и продолжительность которых зависят от конструктивных и ремонтных особенностей оборудования и условий его эксплуатации. Система ППР предусматривает также комплекс профилактических мероприятий по содержанию и уходу за оборудованием. Она исключает возможность работы оборудования в условиях прогрессирующего износа, предусматривает предварительное изготовление деталей и узлов, планирование ремонтных работ и потребности в трудовых и материальных ресурсах. Положения о планово-предупредительных ремонтах разрабатываются и утверждаются отраслевыми министерствами и ведомствами и являются обязательными для выполнения предприятиями отрасли. Основное содержание ППР - внутрисменное обслуживание (уход и надзор) и проведение профилактических осмотров оборудования, которое обычно возлагается на дежурный и эксплуатационный персонал цехов, а также выполнение плановых ремонтов оборудования. Системой ППР предусматриваются также плановые профилактические осмотры оборудования инженерно-техническим персоналом механослужбы предприятия, которые производятся по графику, утвержденному главным механиком предприятия. Системой ППР предусматриваются ремонты оборудования двух видов: текущие и капитальные. Текущий ремонт оборудования включает выполнение работ по частичной замене быстроизнашивающихся деталей или узлов, выверке отдельных узлов, очистке, промывке и ревизии механизмов, смене масла в емкостях (картерных) систем смазки, проверке креплении и замене вышедших из строя крепежных деталей. При капитальном ремонте, как правило, выполняется полная разборка, очистка и промывка ремонтируемого оборудования, ремонт или замена базовых деталей (например, станин); полная замена всех изношенных узлов и деталей; сборка, выверка и регулировка оборудования. При капитальном ремонте устраняются все дефекты оборудования, выявленные как в процессе эксплуатации, так и при проведении ремонта. Периодичность остановок оборудования на текущие и капитальные ремонты определяется сроком службы изнашиваемых узлов и деталей, а продолжительность остановок - временем, необходимым для выполнения наиболее трудоемкой работы. Для выполнения планово-предупредительных ремонтов оборудования составляются графики. Каждое предприятие обязано составлять по установленной форме годовой и месячный графики ППР.

Система планово-предупредительного ремонта оборудования (ППР) имеет большое количество преимуществ, обуславливающих ее широкое применение в промышленности. В качестве основных, выделяются следующие плюсы системы: контроль продолжительности межремонтных периодов работы оборудования регламентирование времени простоя оборудования в ремонте прогнозирование затрат на ремонт оборудования, узлов и механизмов анализ причин поломки оборудования расчет численности ремонтного персонала в зависимости от ремонтосложности оборудования.

Наряду с видимыми преимуществами, существует и ряд недостатков системы ППР. Они, в основном, применимы к предприятиям стран СНГ- отсутствие удобных инструментов планирования ремонтных работ, трудоемкость расчетов трудозатрат, трудоемкость учета параметра-индикатора, сложность оперативной корректировки планируемых ремонтов. Вышеприведенные недостатки системы ППР касаются определенной специфики парка технологического оборудования, установленного на предприятиях СНГ. В первую очередь это большая степень износа оборудования. Часто износ оборудования достигает отметки в 80 - 95 %. Что значительно деформирует систему планово-предупредительных ремонтов, вынуждая специалистов корректировать графики ППР и выполнять большое количество незапланированных (аварийных) ремонтов, значительной превышающее нормальный объем ремонтных работ. Так же, при использовании метода организации системы ППР по наработке (по прошествии определенного времени работы оборудования) увеличивается трудоемкость системы. В этом случае приходится организовывать учет реально отработанных машинных часов, что, в совокупности с большим парком оборудования (сотни и тысячи единиц) делает эту работу невыполнимой.

Капитальный ремонт автомата развёртки тарелочек выполняется 1 раз в 2 года. План - график ППР автомата представлен в таблице 2.3.

Таблица 2.3. План - график ППР автомата развёртки тарелочек

№ п/п

Инв.№

Наименование оборудования

Модель

Категория сложности ремонта

Дата последнего капитального ремонта

Вид ремонтных работ и их трудоемкость  в нормо-часах по месяцам

1

2

3

4

5

6

I 7

II 8

III 9

IV 10

V 11

VI 12

VII 13

VIII 14

IX 15

X 16

XI 17

XII 18



Линия №1 ПНР
















1

16967

Автомат развёртки тарелок

Б314-01

14

12.05.




О/14






Т/87



О -осмотр; Т -текущий ремонт; К -капитальный ремонт.

3. Экономический раздел

 

.1 Характеристика предприятия


ОАО «БЭЛЗ» является единственным производителем в РБ ламп накаливания.

Завод начал строится в 1966 году. В августе 1966 года выпущена первая электролампочка, а с сентября завод начал давать продукцию.

На базе имеющегося машиностроительного комплекса изготавливается специальное технологическое оборудование, обеспечивающее выпуск и увеличение ассортимента экспортно-ориентированной продукции.

Увеличение объёма товарной продукции осуществляется и за счёт поставок по кооперации (стеклотрубка) и оказания услуг на сторону (отпуск технической воды, услуги гальваники).

Политика в части повышения конкурентоспособности изделий, выпускаемых заводом, направлена на полное удовлетворение требований заказчика, на снижение по сравнению с аналогами материалоемкости и себестоимости при высоком уровне надежности и высоких технических характеристиках, на разработку изделий и постановку их на производство в минимально возможные сроки.

Тип производства - массовый - завод состоит из пяти основных цехов и 8 вспомогательных. Режим работы основных цехов - двухсменный.

В соответствии с приказом Министерства экономики РБ №114 от 22.08.2002 г. завод преобразован в Открытое Акционерное Общество «Брестский электроламповый завод» полномочия по управлению заводом Минэкономики РБ передало Министерству промышленности Республики Беларусь, которое руководствуется в управлении предприятием действующим законодательством и Уставом ОАО «БЭЛЗ».

Основной продукцией завода являются лампы накаливания. Они составляют 97% в общем объёме товарной продукции. Перспективной, новой продукцией являются выпускаемые заводом энергосберегающие компактные люминесцентные лампы, выпуск которых необходимо увеличивать.

Основными потребителями продукции завода являются Российская Федерация, Республика Беларусь, Украина, Прибалтика.

На ОАО «БЭЛЗ» имеются следующие технологии:

·   технология изготовления ламп накаливания и кварцево - галогенных ламп;

·   технология изготовления светотехнических изделий;

·   технология изготовления электровакуумного и изоляционного стекла;

·   технология изготовления стеклодеталей;

·   технология изготовления тел накала, токовых вводов;

·   технология изготовления цоколей;

·   техпроцесс цинкового, никелевого покрытий;

·   технологический процесс изготовления двухслойного картона;

·   технология упаковки ламп в термоусадочную плёнку.

Производственные мощности завода позволяют полностью обеспечить потребности Республики Беларусь в лампах общего назначения, автомобильных лампах, лампах местного освещения, лампах для холодильников и жарочных шкафов, лампах для самолетов и троллейбусов, железнодорожных и других специальных лампах.

Продукция завода на российском рынке пользуется хорошей репутацией как высококачественная и недорогая. Наиболее важными регионами России являются крупнейшие рынки сбыта Москвы и Санкт-Петербурга. Здесь преобладает оптовая торговля товарами и обострена конкурентами борьба.

Политика в части повышения конкурентоспособности изделий, выпускаемых заводом, направлена на полное удовлетворение требований заказчика, на снижение по сравнению с аналогами материалоемкости и себестоимости при высоком уровне надежности и высоких технических характеристиках, на разработку изделий и постановку их на производство в минимально возможные сроки.

В таблице 3.1 приведены основные показатели финансово-хозяйственной деятельности ОАО «Брестский электроламповый завод»

Таблица 3.1 Основные показатели финансово-хозяйственной деятельности ОАО «Брестский электроламповый завод»

Наименование показателей

Январь- июнь 2012 г.

Январь- июнь 2013 г.

Изменение 2013 г. к 2012 г.

2013 г. в % к 2012 г.

1. Выручка (нетто) от реализации товаров, продукции, услуг

151559

209158

57599

138,0

2. Себестоимость реализации товаров, продукции, работ, услуг

140337

208630

68293

148,7

3. Прибыль (убыток) от реализации

11222

528

-10694

4,7

4. Прибыль от прочей деятельности

-2708

-1926

782

71,1

5. Прибыль (убыток) от инвестиционной, финансовой и иной деятельности

-8274

1792

10066

-21,7

6. Прибыль (убыток) отчетного периода

240

394

154

164,2

7. Чистая прибыль

240

0

-240

0,0

8. Среднесписочная численность персонала

1991

1861

-130

93,5

9. Производительность труда, млн. руб.

76,1

112,4

36,3

147,6

10. Рентабельность продаж, %

7,4

0,3

-7,2

3,4

11. Рентабельность продукции, %

8,0

0,3

-7,7

3,2

12. Затраты на 1 рубль выручки

0,926

0,997

0,1

107,7

13. Чистая прибыль на одного работника

0,1

0,0

-0,1

0,0

14. Прибыль (убыток) отчетного периода на одного работника

0,12054

0,2117

0,1

175,6

15. Прибыль (убыток) от реализации на одного работника

5,63636

0,2837

-5,4

5,0


Итак, показатели прибыли в деятельности ОАО «Брестский электроламповый завод» значительно снизились. Прибыль от реализации уменьшилась на 10694 млн. руб. Общая прибыль предприятия увеличилась на 154 млн. руб. Производительность труда увеличилась на 47,6 %.

Рентабельность продаж уменьшилась на 7,2 %. Уменьшение рентабельности продукции составило 7,7 %. Затраты на 1 рубль выручки увеличились на 0,1 руб. Прибыль (убыток) отчетного периода на одного работника увеличилась на 0,1 млн. руб. Прибыль (убыток) от реализации на одного работника уменьшилась на 5,4 млн. руб.

3.2 Расчет цены и себестоимости лампы


Расходы на сырье и материалы составляют 155719 бел. руб.

Сумма расходов на комплектующие изделия:

*109,53+1121*79,46+1376*425,4= 800603,6 руб.

Транспортно-заготовительные расходы:

(155719+800603,6)* 0,05 = 47816,1 руб.

Расходы на топливо на технологические цели:

(155719+800603,6+47816,1)* 0,12 = 120496,7 руб.

Сумма расходов на заработную плату: 119323 руб.

Сумма дополнительной заработной платы:

* 10,4/100 = 12409,6 руб.

Отчисления на социальные нужды:

(119323+ 12409,6) * 34/100 = 44789,1 руб.

Сумма общепроизводственных расходов:

,1*1,214 = 144858,1 руб.

Сумма общезаводских расходов:

*1,34= 159892,8 руб.

Производственная себестоимость:

+800603,6+47816,1+120496,7+119323,0+12409,6+44789,1+144858,1+159892,8= 1605908,0 руб.

Сумма внепроизводственных расходов:

,0*0,005 = 8029,5 руб.

Полная себестоимость: 1605908,0 +8029,5= 1613937,6 руб.

Сумма чистой прибыли - 1 % к полной себестоимости: 1613937,6* 1/100 = 16139,4 руб.

Налог на прибыль: 16139,4*18/(100-18) =3542,8 руб.

Прибыль от реализации: 16139,4+3542,8=19682,2 руб.

Оптовая цена без НДС: 1613937,6 +19682,2= 1633619,7 руб.

Оптовая цена без НДС за 1 шт.: 1633619,7/1000=1634 руб.

Определим сумму НДС: 1634*10/100=163 руб.

Цена с НДС: 1634+163= 1797 руб.

Итак, цена одной лампочки с налогом на добавленную стоимость составит 1797 руб.

Калькуляция цены и себестоимости приведена в табл. 3.2.

Таблица 3.2 - Калькуляция себестоимости и цены

Наименование статьи

Сумма, руб.

1. Сырье и материалы

155719

2. Комплектующие изделия

800603,6

3. Транспортно-заготовительные расходы

47816,1

4. Топливо и энергия на технологические цели

120496,7

5. Основная заработная плата производственных рабочих

119323,0

6. Дополнительная заработная плата производственных рабочих

12409,6

7. Отчисления на социальные нужды

44789,1

8. Общепроизводственные расходы

144858,1

9. Общехозяйственные расходы

10. Производственная себестоимость

1605908,0

11. Внепроизводственные расходы

8029,5

12. Полная себестоимость

1613937,6

13. Чистая прибыль

16139,4

14. Налог на прибыль

3542,8

15. Прибыль от реализации

19682,2

16. Оптовая цена без НДС

1633619,7

17. Оптовая цена без НДС за 1 шт.

1633,6

18.Сумма НДС

163,4

19. Отпускная цена с НДС за 1 шт.

1797,0


В результате проведения технико-экономических мероприятий по снижению издержек на сырье и материалы уменьшение затрат составит 6 %, что, повлечет за собой увеличение прибыли предприятия и рентабельности продаж при неизменной цене.

В результате предприятие может получить значительный экономический эффект. Для его расчета необходимо рассчитать сумму производственной и полной себестоимости.

Сумма расходов на сырье и материалы:

-0,94= 146376 руб.

Транспортно-заготовительные расходы:

(146376+800603,6)* 0,05 = 47349,0 руб.

Стоимость топлива на технологические цели:

(146376+800603,6+47349,0)* 0,12 = 119319,4 руб.

Составим калькуляцию себестоимости и цены электрической лампы (табл. 3.3).

Таблица 3.3 - Калькуляция себестоимости и цены электрической лампы

Наименование статьи

Сумма, руб.

1. Сырье и материалы

146375,86

2. Комплектующие изделия

800603,6

3. Транспортно-заготовительные расходы

47349,0

4. Топливо и энергия на технологические цели

119319,4

5. Основная заработная плата производственных рабочих

119323,0

6. Дополнительная заработная плата производственных рабочих

12409,6

7. Отчисления на социальные нужды

44789,1

8. Цеховые расходы

144858,1

9. Общезаводские расходы

159892,8

10. Производственная себестоимость

1594920,5

11. Внепроизводственные расходы

7974,6

12. Полная себестоимость

1602895,1

13. Чистая прибыль

218866,7

14. Налог на прибыль

48043,9

15. Прибыль от реализации

266910,6

16. Оптовая цена предприятия без НДС

1869805,7

17. Оптовая цена предприятия без НДС за 1 шт.

1869,8

18.Сумма НДС

187,0

19. Отпускная цена с НДС за 1 шт.

2056,8

20.Дополнительная прибыль в расчете на 1 шт.

9,1

21.Дополнительная прибыль в расчете на весь выпуск, млн. руб.

1041


Производственная себестоимость равна:

(146376+800603,6+47349,0+119319,4+119323,0+12409,6+44789,1+144858,1+159892,8= 1594920,5 руб.

Сумма внепроизводственных расходов составит:

,5*0,005=7465 руб.

Полная себестоимость:

1594920,5+7465= 1602895,1 руб.

Прирост чистой прибыли:

(218866,7-1500472,0)*115=1041 млн. руб.

Экономия на 1 тыс. шт.:

/1000=9,1 руб.

Итак, экономия (прибыль) в расчете на одну лампочку предприятия увеличится на 9,1 руб. Общий экономический эффект составит при объеме выпуска 115 млн. шт. 1041 млн. руб.

4. Охрана труда и окружающей среды

 

.1 Основные законодательные акты и нормативные документы по охране труда


Правовой основой организации работы по охране труда в республике является Конституция Республики Беларусь (ст. 41, 45). Она гарантирует права граждан на здоровые и безопасные условия труда, право на отдых, охрану здоровья и право на благоприятную окружающую среду.

Статья 41 гарантирует гражданам РБ право на труд, т.е. право на выбор профессии, рода занятий и работы в соответствии с призванием, способностями, образованием, профессиональной подготовкой и с учетом общественных потребностей, а также на здоровые и безопасные условия труда. Статья 45 гарантирует гражданам РБ право на охрану здоровья, включая бесплатное лечение в государственных учреждениях здравоохранения.

Положения Конституции конкретизированы в Трудовом кодексе Республики Беларусь, а также в постановлениях, приказах, распоряжениях государственных органов, министерств и ведомств.

Трудовой кодекс (ТК) определяет основные обязанности, права и ответственность нанимателей и работников; предусматривает систему государственного и общественного надзора и контроля за соблюдением законодательства об охране труда; регламентирует деятельность службы охраны труда.

В Законе РБ «Об основах государственного социального страхования» в рамках общих вопросов страхования граждан предусмотрены вопросы страхования их также от несчастных случаев на производстве и профзаболеваний.

Закон РБ «О санитарно-эпидемическом благополучии населения» от 23.11.1993 г. №2583-ХП (в редакции Закона от 23.05.2000 г. №397-3, с изм. и доп. от 29.06.2003 г. №217-3) направлен на предупреждение воздействия неблагоприятных факторов среды обитания на здоровье населения, устанавливает государственный санитарный надзор за соблюдением санитарных норм и гигиенических нормативов.

Закон РБ «Об оценке соответствия требованиям технических нормативных правовых актов в области технического нормирования и стандартизации» от 05.01.2004 г. №269-3 устанавливает правовые основы обязательной и добровольной сертификации продукции, работ и услуг в РБ.

Закон РБ «О техническом нормировании и стандартизации» от 05.01.2004 г. №262-3 устанавливает правовые отношения в области стандартизации, а также государственный надзор за выполнением требований стандартов и строительных норм. Закон определяет нормативные документы по стандартизации: государственные стандарты РБ; государственные строительные нормы; государственные классификаторы технико-экономической информации РБ; отраслевые нормативные документы по стандартизации; стандарты предприятий; предусматривает порядок их разработки, принятия и отмены.

Закон РБ «О пожарной безопасности» от 15.06.1993 г. устанавливает государственный надзор за обеспечением пожарной безопасности министерствами, государственными комитетами, концернами, предприятиями, учреждениями, организациями независимо от форм собственности, а также гражданами. Закон определяет правовую основу и принципы организации пожарной безопасности.

Закон РБ «О промышленной безопасности опасных производственных объектов» от 10.01.2000 г. определяет правовые, экономические и социальные основы производственных объектов. Закон направлен на предупреждение аварий на них и обеспечение готовности организаций, эксплуатирующих опасные производственные объекты, к локализации и ликвидации последствий производственных аварий.

Закон о коллективных договорах и соглашениях регулирует трудовые и социально-экономические отношения между нанимателями и работающими у него работниками. Исполнение законов о труде контролируется специальными органами. Нарушение их нанимателем, рабочими и служащими считается преступлением.

По сфере действия все нормы и правила по охране труда подразделяются на единые и отраслевые.

Единые нормы и правила закрепляют одинаковые для всех отраслей хозяйства требования охраны труда. К ним относятся Строительные нормы и правила (СНиП), Санитарные правила и нормы (СанПиН), Правила устройства электроустановок (ПУЭ), Нормы радиационной безопасности (НРБ), Правила устройства и безопасной эксплуатации грузоподъемных кранов и др.

Отраслевые нормы и правила действуют в отдельной отрасли хозяйства и содержат требования по охране труда, специфические только для данной отрасли.

Типовые инструкции разрабатываются научно-исследовательскими, проектно-конструкторскими и другими институтами, предприятиями и т.д. по указанию соответствующих министерств.

Инструкции, разрабатываемые на каждом предприятии руководителями цехов, участков, отделений, в отличие от типовых, учитывают специфику каждого отдельного предприятия и его подразделения.

Система стандартов безопасности труда - комплекс взаимосвязанных стандартов, содержащих требования, нормы и правила, направленные на обеспечение безопасности, сохранение здоровья и работоспособности человека в процессе труда (ГОСТ 12.0.001-82).

Основными задачами стандартизации являются: определение единой системы показателей необходимого уровня надежности в зависимости от назначения машин, механизмов, оборудования, станков и условий их применения; установление единых терминов и обозначений в области безопасности труда, создание системы стандартов безопасности труда.

Стандартизация- установление и применение правил с целью упорядочения деятельности в определенной области. Стандартизация вводится при участии всех заинтересованных сторон, в частности, для достижения оптимальной экономии при соблюдении условий эксплуатации и требований безопасности.

Стандарт - нормативно-технический документ, устанавливающий комплекс норм, правил, требований к объекту стандартизации и утвержденный компетентным органом. ССБТ является составной частью государственной системы стандартов.

Установлены следующие категории стандартов: ГОСТ - государственный стандарт; РСТ - республиканский стандарт; СТП - стандарт предприятия.

Государственные стандарты обязательны к применению всеми предприятиями и организациями государства.

Отраслевые стандарты обязательны для всех предприятий и организаций данной отрасли (например, строителей).

Стандарты предприятий обязательны только для предприятия, утвердившего их.Отраслевые и республиканские стандарты разрабатывают на основе государственных с учетом особенностей безопасности труда в отрасли, республике. Их проекты согласовывают с отраслевыми комитетами профсоюзов, а также с органами Государственного санитарного надзора, а при необходимости - и с другими органами надзора.

Стандарты предприятий ССБТ разрабатывают на предприятиях силами соответствующих специалистов, отделов, служб и согласовывают с профсоюзным комитетом предприятия.

4.2 Производственный шум и способы защиты от него


Нормируемые параметры шума на работающих местах определены ГОСТ 12.1.003-83. Они являются обязательными для всех промышленных предприятий. Для нормирования постоянных шумов применяют допустимые уровни звукового давления в восьми октавных полосах частот в зависимости от вида производственной деятельности. Для ориентировочной оценки допускается в качестве характеристики постоянного широкополосного шума на рабочих местах принимать уровень звука [дБ(А)], определяемый по шкале А шумомера с коррекцией низкочастотной составляющей по закону чувствительности органов слуха и приближением результатов объективных измерений к субъективному восприятию.

Непостоянные шумы на рабочих местах нормируются по эквивалентным по энергии уровням звука [дБ (А)], определенным по ГОСТ 12.1.050-86.

Средства защиты от шума, применяемые на машиностроительных предприятиях, подразделяются на средства коллективной защиты (СКЗ) и индивидуальной защиты (СИЗ). Классификация средств коллективной защиты приведена на рисунке 4.1.

.

Рисунок 4.1 - Средства коллективной защиты от шума на пути его распространения.

Наиболее рациональным методом является борьба с шумом в источнике возникновения (уменьшение звуковой мощности Р). Причиной возникновения шумов могут быть механические, аэродинамические, гидродинамические и электромагнитные явления, обусловленные конструкцией и характером работы машин и механизмов, а также неточностями, допущенными в процессе изготовления и условиями испытания и эксплуатации. Для снижения шума в источнике возникновения могут успешно применяться следующие мероприятия: замена ударных механизмов и процессов безударными, например замена ударной кленки сваркой, рихтовки - вальцовкой, использование гидропривода вместо кривошипно-шатунных и эксцентриковых приводов; применение малошумных соединений, например подшипников скольжения, косозубых, шевронных и других специальных зацеплений; применение в качестве конструкционных материалов с высоким внутренним трением, например замена металлических деталей пластмассовыми и другими «незвучащими» материалами; повышение требований к балансировке роторов; изменение режимов и условий работы механизмов и машин; применение принудительной смазки в сочленениях для предотвращения их износа и шума от трения. Важное значение имеет своевременное техническое обслуживание оборудования, при котором обеспечивается надежность крепления и правильное регулирование сочленений. Комплекс мероприятий, направленных на уменьшение шума в источнике, может обеспечить снижение уровня звука на 10 ... 20 дБ (А) и более.

Изменение направленности излучения шума. При проектировании установок с направленным излучением необходима соответствующая ориентация этих установок по отношению к рабочим местам, поскольку величина показателя направленности может достигать 10 ... 15 дБ. Например, отверстие воздухозаборной шахты вентиляционной установки необходимо располагать так, чтобы максимум излучаемого шума был направлен в противошумную сторону от рабочего места или жилого дома.

Рациональная планировка предприятий и цехов. Шум на рабочем месте может быть уменьшен за счет увеличения расстояния от источника шума до расчетной точки. Внутри здания такие помещения должны располагаться вдали от шумных помещений так, чтобы их разделяло несколько других помещений. На территории предприятия более шумные цехи необходимо концентрировать в одном-двух местах. Расстояние между тихими помещениями (конструкторское бюро, заводоуправление) и шумными цехами должно обеспечивать необходимое снижение шума.

Акустическая обработка помещений. Интенсивность шума в помещениях зависит не только от прямого, но и от отраженного звука, поэтому для уменьшения последнего применяют звукопоглощающие облицовки поверхностей помещения (рис. 4.2, а) и штучные (объемные) поглотители различных конструкций (рис. 4.2, б), подвешиваемые к потолку помещений. Процесс поглощения звука происходит путем перехода энергии колеблющихся частиц воздуха в теплоту за счет потерь на трение в пористом материале. Для большей эффективности звукопоглощения пористый материал должен иметь открытые со стороны падения звука и незамкнутые поры.

Звукопоглощающие материалы имеют коэффициент звукопоглощения а > 0,2. У бетона, кирпича величина а не превышает 0,01 ... 0,05. Звукопоглощающие свойства пористых материалов определяются толщиной слоя, частотой звука, наличием воздушной прослойки. Эффект снижения шума за счет применения звукопоглощающей облицовки оценивают по формуле


где В2 и В1 - постоянные помещения до и после проведения акустической обработки. Величину В определяют по СНиП П-12-77 в зависимости от вида помещения.

Рисунок 4.2 - Акустическая обработка помещений

- защитный перфорированный слой; 2 - звукопоглощающий материал; 3 - защитная стеклоткань; 4 - стена или потолок; 5 - воздушный промежуток; 6 - плита из звукопоглощающего материала.

Уменьшение шума на пути его распространения применяют, когда перечисленные выше методы не обеспечивают требуемого снижения шума. Снижение шума достигается за счет уменьшения интенсивности прямого шума lпр путем установки звукоизолирующих перегородок, кожухов, экранов (рисунок 4.3.) и т.п. Сущность звукоизоляции ограждения состоит в том, что падающая на него энергия звуковой волны отражается в значительно большей степени, чем проходит за ограждение. Звукоизолирующая способность (дБ) перегородки выражается величиной:


где - интенсивность шума за перегородкой. В качестве звукоизолирующих материалов для перегородок применяют бетон, кирпич, дерево и т. п.

Наиболее шумные машины и механизмы закрывают кожухами, которые обычно изготовляют из конструкционных материалов - стали, сплавов алюминия, пластмасс и др. и облицовывают изнутри звукопоглощающим материалом толщиной 30 ... 50 мм (рисунок 4.5.).

Рисунок 4.3 - Звукоизолирующий кожух

а - схема кожуха; б - конструкция кожуха электродвигателя: 1 - звукопоглощающий материал; 2 - глушитель шума; 3 - источник шума; 4 - стенка; 5 - электродвигатель; 6, 7 - каналы с глушителями для входа и выхода воздуха

Средства индивидуальной защиты от шума в зависимости от конструктивного исполнения подразделяются на:

·        противошумные наушники, закрывающие ушную раковину снаружи;

·        противошумные вкладыши, перекрывающие наружный слуховой проход или прилегающие к нему;

·        противошумные шлемы и каски;

·        противошумные костюмы.

Рисунок 4.4. - Экранирование источников шума

а - схема экрана; б - расположение экранов в вычислительных центрах; в - экранирование источников механического шума; 1 - шумное оборудование;

- экран со звукопоглощающей облицовкой; 3 - рабочее место; 4 - дисковая пила

Противошумные наушники по способу крепления на голове подразделяются на:

·        независимые, имеющие жесткое и мягкое оголовье;

·        встроенные в головной убор или в другое защитное устройство.

 

.3 Обеспечение экологической безопасности предприятия. (методы очистки сточных вод)


Очистка сточных вод - обработка сточных вод с целью разрушения или удаления из них вредных веществ. Освобождение сточных вод от загрязнениясложное производство. В нем, как и в любом другом производстве имеется сырье (сточные воды) и готовая продукция (очищенная вода)

Методы очистки сточных вод можно разделить на механические, химические, физико-химические и биологические, когда же они применяются вместе, то метод очистки и обезвреживания сточных вод называется комбинированным. Применение того или иного метода в каждом конкретном случае определяется характером загрязнения и степенью вредности примесей.

Сущность механического метода состоит в том, что из сточных вод путем отстаивания и фильтрации удаляются механические примеси. Грубодисперсные частицы в зависимости от размеров улавливаются решетками, ситами, песколовками, септиками, навозоуловителями различных конструкций, а поверхностные загрязнения - нефтеловушками, бензомаслоуловителями, отстойниками и др. Механическая очистка позволяет выделять из бытовых сточных вод до 60-75% нерастворимых примесей, а из промышленных до 95%, многие из которых как ценные примеси, используются в производстве.

Химический метод заключается в том, что в сточные воды добавляют различные химические реагенты, которые вступают в реакцию с загрязнителями и осаждают их в виде нерастворимых осадков. Химической очисткой достигается уменьшение нерастворимых примесей до 95% и растворимых до 25%.

При физико-химическом методе обработки из сточных вод удаляются тонко дисперсные и растворенные неорганические примеси и разрушаются органические и плохо окисляемые вещества, чаще всего из физико-химических методов применяется коагуляция, окисление, сорбция, экстракция и т.д. Широкое применение находит также электролиз. Он заключается в разрушении органических веществ в сточных водах и извлечении металлов, кислот и других неорганических веществ. Электролитическая очистка осуществляется в особых сооружениях - электролизерах. Очистка сточных вод с помощью электролиза эффективна на свинцовых и медных предприятиях, в лакокрасочной и некоторых других областях промышленности.

Загрязненные сточные воды очищают также с помощью ультразвука, озона, ионообменных смол и высокого давления, хорошо зарекомендовала себя очистка путем хлорирования.

Рисунок 4.5. Методы очистки сточных вод

Среди методов очистки сточных вод большую роль должен сыграть биологический метод, основанный на использовании закономерностей биохимического и физиологического самоочищения рек и других водоемов. Есть несколько типов биологических устройств по очистке сточных вод: биофильтры, биологические пруды и аэротенки.

В биофильтрах сточные воды пропускаются через слой крупнозернистого материала, покрытого тонкой бактериальной пленкой. Благодаря этой пленке интенсивно протекают процессы биологического окисления. Именно она служит действующим началом в биофильтрах.

В биологических прудах в очистке сточных вод принимают участие все организмы, населяющие водоем.

Аэротенки - огромные резервуары из железобетона. Здесь очищающее начало - активный ил из бактерий и микроскопических животных. Все эти живые существа бурно развиваются в аэротенках, чему способствуют органические вещества сточных вод и избыток кислорода, поступающего в сооружение потоком подаваемого воздуха. Бактерии склеиваются в хлопья и выделяют ферменты, минерализующие органические загрязнения. Ил с хлопьями быстро оседает, отделяясь от очищенной воды. Инфузории, жгутиковые, амебы, коловратки и другие мельчайшие животные, пожирая бактерии, неслипающиеся в хлопья, омолаживают бактериальную массу ила.

Сточные воды перед биологической очисткой подвергают механической, а после нее для удаления болезнетворных бактерий и химической очистке, хлорированию жидким хлором или хлорной известью. Для дезинфекции используют также другие физико-химические приемы (ультразвук, электролиз, озонирование и др.)

Биологический метод дает большие результаты при очистке коммунально-бытовых стоков. Он применяется также и при очистке отходов предприятий нефтеперерабатывающей, целлюлозно-бумажной промышленности, производстве искусственного волокна.

Заключение


В данном проекте дано описание устройства и технологического процесса изготовления тарелочек для сборки ножек ламп общего назначения.

В технологическом разделе проекта даны основные сведения о стекле и производстве из него полуфабрикатов. В конструкторском разделе рассмотрено устройство механизма загрузки стеклоизделий и особенности технического обслуживания автомата развёртки тарелочек.

В экономическом разделе произведён расчет цены и себестоимости а также исследованы основные пути увеличения прибыли при производстве ламп.

В разделе охраны труда исследованы меры, направленные на уменьшение производственного травматизма. Описаны законодательные акты и нормативные документы по охране труда, а также освещены вопросы охраны окружающей среды.

Литература


1.              Дунаев П.Ф., Леликов О.П. Детали машин. Курсовое проектирование. Учеб. пособие для машиностр. спец. техникумов. - М.: Высш. шк., 1984. ¾ 336 с.: ил.

2.      Дунаев П.Ф., Леликов О.П. Конструирование узлов и деталей машин. Учеб. пособие для машиностр. спец. вузов. - 4-е изд. перераб. и доп. - М.: Высш. шк., 1985. ¾ 416 с.: ил.

.        Куркин В.И. Основы расчета и конструирования оборудования электровакуумного производства. Учебник для учащихся техникумов, ¾ 2-е изд., перераб. и доп. - М.: Высш. шк., 1980. ¾ 470 с.: ил.

.        .Боленок В.Б. Производство электроосветительных приборов. Учеб. для техникумов. - М.: Энергоатомиздат, 1981. ¾ 304 с.: ил.

.        Гуторов М.М. Основы светотехники и источники света. Учеб. пособие для вузов. - 2-е изд., доп. и перераб. - М.: Энергоатомиздат, 1983. ¾ 384 с.: ил.

.        Щепина Н.С. Основы светотехники. Учебник для техникумов. - М.: Энергоатомиздат, 1985. ¾ 344 с.: ил.

.        Ульмишек Л.Г. Производство электрических ламп накаливания. М. - Л., изд-во “Энергия”, 1966. ¾ 640 с.: с черт.

.        Куркин В.И. и Житников В.С. Устройство и наладка оборудования электровакуумного производства. Учеб. пособие для средн. проф.-техн. училищ. - 3-е изд., перераб. и доп. - М.: Высш. шк., 1981. ¾ 318 с.: ил. ¾ (Профтехобразование, вакуумная техника).

.        Охрана труда: учебное пособие Т.С.Сокол; под общей редакцией Н.В.Овчинниковой - Мн.: Дизайн ПРО, 2005.

.        Охрана труда в электроэнергенитке: практ. Пособие/Г.Ф.Куценко. Мн.: Дизайн ПРО, 2005.

.        Кравченя Э.М. Охрана труда и основы энергосбережения: Учебн. пособие/Э.М.Кравченя, Р.Н.Козел, И.П.Свирид. Мн.: ТетраСистемс, 2004.

.        Михнюк Т.Ф. Охрана труда и экологическая безопасность. Задачи и расчеты: Учебное пособие. - Мн.: Дизайн ПРО, 2004.

13.    Златопольский А.Н., Прузнер С.Л. Организация и планирование теплоэнергетики. - М.: Высшая школа, 1972.

14. Заяц Н. Налоги и налогообложение. Минск.: Вышэйшая школа, 2006. - 303 с.

15.      О ценообразовании. Закон Республики Беларусь от 10 мая 1999 г. // НРПА РБ. - 1999, №40, 1/371.

16.          Полещук И.И. Ценообразование. - Мн.: БГЭУ, 2001. - 303 с.

17.      Похабов В.И. Основы маркетинга: Учеб. пособие. / Похабов В.И., Тарелко В.В. - Мн.: Выш. шк., 2001. - 320 с.

18. Радиевский М.В. Бизнес-план. Технико-экономическое планирование и обоснованне финансовой стратегии предприятия: Методика и практ. рекоменд. - Минск: Белпринт, 2000. - 264с.

19.          Савицкий А.А. Основы ценообразования. - Мн.: Дизайн ПРО, 2004. - 119 с.

20.    Селезнева Н.Н. Налоговый менеджмент: администрирование, планирование, учет. Москва.: Юнити, 2007. - 224 с.

.        Тарасевич В.М. Ценовая политика предприятия. - Спб.: Питер, 2001. - 271 с.

22.          Телешук Г.Я. Бизнес-планирование: Курс лекций / Телешук Г.Я. - Мн.:Академия управления при Президенте Республики Беларусь, 2005. - 200 с.

.              Трацевский И.П. Ценообразование. - Мн.: Новое знание, 2000. - 159 с.

24.      Ценообразование / Под ред. И.К. Салимжанова. М.: Финстат-информ, 1996. - 230 с.

Похожие работы на - Технологический процесс изготовления тарелочек для сборки ножек ламп общего назначения

 

Не нашли материал для своей работы?
Поможем написать уникальную работу
Без плагиата!
Без нейросетей!