Технологии изготовления хомутины
ВВЕДЕНИЕ
Шорно-седельное производство связано в основном с производством предметов
конского снаряжения, главными из которых являются упряжь и седла. Упряжь, как
приспособление для использования животных по перевозке грузов, появилась,
очевидно, одновременно с приручением домашних животных. Наиболее
распространенным типом упряжи является в настоящее время сельскохозяйственная
(транспортная) упряжь.
В условиях социально-экономических изменений, связанных с переходом к
рыночным отношениям, прежде всего, стоит проблема повышения эффективности
производства. Наиболее остро эта проблема ощущается в шорно-седельной отрасли
легкой промышленности, где изготовление деталей из натуральных кож связано с
большим количеством ручных операций. Недостаточная механизация и автоматизация
таких процессов, прежде всего, обусловлена отсутствием научных разработок, что,
в свою очередь, объясняет имевшие место неудачи с внедрением машин для
изготовления деталей седел и конской упряжи.
Одной из самых материалоемких и ответственных деталей упряжи является
хомут. Технико-экономические показатели существующих способов изготовления
хомутины для хомута сельскохозяйственного не отвечают требованиям сегодняшнего
дня. Это связано с дороговизной, дефицитностью натуральных материалов, недостаточной
формоустойчивостью получаемых деталей, большими трудозатратами и
неудовлетворительными условиями труда.
Настоящая выпускная квалификационная работа является частью комплексной
работы по исследованию технологии изготовления хомутины и возможности замены
натурального материала на полимерный, из которого будет изготавливаться
хомутина.
1 ТЕХНИКО-ЭКОНОМИЧЕСКОЕ ОБОСНОВАНИЕ
До настоящего времени конская упряжь не претерпела никаких существенных
изменений, если не считать некоторой рационализации способов постройки и
пошивки, исключающих применение ненужной, иногда дорогостоящей, фурнитуры, а
также незначительных изменений в конструкции. Поэтому можно смело сказать, что
в данной отрасли необходимы инновации, что является конечным результатом
интеллектуальной деятельности человека, его фантазии, творческого процесса,
открытий, изобретений и рационализации. Инновация характеризуется введением на
рынок продукции (товаров и услуг) с новыми потребительскими свойствами или
качественным повышением эффективности производственных систем. Главной задачей
исследования деталей шорно-седельных изделий из полимерных материалов является
анализ существующей технологии изготовления хомутины, а также разработка
комплекса требований, предъявляемых к ней, что поможет выбрать материал для
изготовления хомутины.
Выбор материала для изготовления хомутины будет проведён путём
сопоставления требований, выявленных в ходе психологического эксперимента, со
свойствами данных полимерных материалов.
Экспериментальное исследование хомутины, изготовленной из полимерного
материала необходимо для проверки её на устойчивость к нагружению, для чего
будет выполнена разработка конструкции экспериментального стенда для
исследования хомутины, а также расчёт привода данной установки и разработка
общего вида испытательного стенда. Поэтому обоснование работы предполагает
анализ технологической операции с позиции повышения надежности и стабильности
ее выполнения, снижения затрат энергии и труда, улучшения условий работы, а
также обзор существующих способов и устройств с целью выявления путей решения
поставленной задачи.
1.1 Анализ технологии изготовления
хомутины
Упряжь сельскохозяйственную изготовляют одноконную и пароконную в
зависимости от вида запряжки[1]. Изделия упряжи классифицируют:
· по материалам (из сыромяти, ленты ременной, комбинированные);
· конструкции (одинарные, двойные);
· методу изготовления (шитые, вязаные).
Хомут и его элементы
Хомут предназначен для передачи тягового усилия животного на повозку.
Особенности конструкции и основные элементы хомута представлены на
рисунке 1.
Рисунок 1 - Хомут:
- клещи деревянные; 2 - хомутина; 3 - подушка; 4 - покрышка;
- горт спинный; 6 - гужи; 7 - супонь.
Хомутина - мягкая прокладка между клещами и грудью лошади, предохраняющая
тело животного от наминов. Изготовляют от номера 0 до 11. Конструкция хомутины
представлена на рисунке 2.
Рисунок 2 - Хомутина:
- обтяжка; 2 - надставка обтяжки; 3 - соломенный жгут (верчанка);
А - длина; Б - ширина
Технологические операции изготовления хомутины приведены в таблице 1.
Таблица 1 - Последовательность изготовления хомутины
|
Наименование операции
|
Оборудование
|
Инструменты
|
Подсобные материалы
|
|
1. Крутка из соломы основы
хомутины
|
Машина для витья жгута,
стол
|
Деревянный молоток
|
Шпагат
|
|
2. Обтяжка и обшивка
войлоком соломенной хомутины
|
Стол
|
Шорное шило
|
Льняные нитки № 4,5/4,
обойные гвозди
|
|
3. Обтяжка хомутины кожей
|
Швейная машина, стол
|
Шило, плоскогубцы
|
|
|
4. Обшивка хомутины по коже
и обрезка излишков после обшивки
|
Стол
|
Шорное шило
|
|
Хомутина изготовляется двумя способами: а) с мочальной обвивкой
соломенного жгута и последующей обтяжкой кожей и б) со шпагатной обвивкой
соломенного жгута и последующей обтяжкой его войлоком и кожей[2].
Порядок изготовления хомутины по первому варианту состоит в следующем.
Пучок соломы (по длине нагрудной части хомутины) связывают и обматывают мочалом
с перегибом пучка на колене, что придает ему форму полукруга с диаметром
окружности хомутины. Изготовленную основу жгута обкладывают с обоих концов
длинной соломой с таким расчетом, чтобы камельковая часть соломы сходилась
вдвойне в средней части соломенного жгута. Обвивка мочалом соломенного жгута
начинается посредине хомутины и последовательно продолжается к ее концам; концы
изготовленной хомутины стягивают шпагатом. Изготовленный таким образом
соломенный жгут, обвитый мочалом, покрывают юфтевой кожей.
Выкроенная до обтяжки на хомутину кожа увлажняется до 50 - 55% в теплой
воде при температуре 25 - 30°; после этого ее растягивают по ширине на зубчатой
металлической скобе для облегчения обтяжки соломенного жгута. Увлажненную и
растянутую кожу натягивают на рабочую часть жгута, начиная с ее середины,
причем обтянутую часть временно закрепляют с обоих краев толевыми гвоздями.
Таким способом производится обтягивание жгута по всей рабочей части хомутины;
края кожаной обтяжки должны сходиться друг с другом так, чтобы можно было
сделать шов; кроме того, края обтяжки должны быть расположены ровно посредине
боковой окружности жгута. В процессе обтягивания кожаную обтяжку тщательно
разглаживают гладилкой с целью устранения морщин и складок. После обтягивания
жгута производят обшивку хомутины. Эта операция выполняется вручную в две
иголки ниткой-парусником № 4,5/4. Шов должен иметь длину стежка от 8 до 10 мм.
Хомутина и её размеры представлена на рисунке 3.
Изготовление хомутины из жгута по второму варианту, т. е. со шпагатной
обвивкой, выполняют несколько иначе. Сначала соломенный жгут обшивают войлоком,
а затем обтягивают кожаной обтяжкой. Войлоком обтягивают жгут только в том
месте, где он обтягивается кожей. Обтягивание войлоком выполняют в следующем
порядке. Предварительно войлок натягивают на соломенный жгут и края его
временно укрепляют гвоздями; после этого обрезают излишек войлока по краям так,
чтобы они плотно прилегали друг к другу. Обтянутый таким образом войлок
обшивают ручным способом в одну иголку ниткой-парусником № 4,5/3 через край;
края его плотно стягивают друг с другом и по мере зашивки удаляют гвозди.
Обшитый войлоком жгут обтягивают кожей так же, как и хомутину из жгута с
мочальной обтяжкой.
Рисунок 3 - Хомутина к хомуту сельскохозяйственному
После анализа технологии изготовления хомутины можно сделать следующий
вывод: хомутина - это неотъемлемая часть хомута, которая предохраняет тело
животного от наминов. Изготовление каждой части хомута организуется отдельно с
последующей сборкой и взаимным скреплением этих частей. А также существуют
определённые нормативы обработки ремней для упряжи
Предлагаемая технология изготовления жгута из полимерного материала
представлена на рисунке 5.
Рисунок 5 - Технология изготовления хомутины из полимерного материала:
а - обрезка жгута; б - подрезка жгута; в - обмотка жгута кожей; г -
стачивание обмотки.
Изготовление хомутины из натуральных материалов является устаревшим
методом производства, требующим высокие затраты времени на изготовление, физических
усилий рабочего и наличия вспомогательных материалов, поэтому есть
необходимость замены соломы на полимерный материал, обладающий лучшими
эксплуатационными свойствами, более технологичный, позволяющий максимально
механизировать изготовление хомутины.
.2 Обзор патентных и литературных
источников
Был проведён анализ научно-технической литературы, в следствие которого
был найден аналог существующего устройства для связывания соломенных хомутин
[3]. В устройстве, предназначенном для механизации работы по связыванию
соломенных хомутин, для предварительного обматывания связанной соломы шпагатом
применен барабан со шпулей для шпагата, пропускаемого через отверстие внутрь
барабана на хомутину. На барабане укреплено зубчатое колесо, служащее для
сообщения барабану вращения от зубчатой передачи. Хомутины зажимаются во время
обмотки подпружиненными зажимами, помещенными на барабане и протаскиваются
через зажимы в барабан при помощи зубчатого валика. Во время обработки хомутина
выгибается при помощи рычага с роликом на конце, расположенного в середине
барабана. На рисунке 6а изображён боковой вид устройства; 6б - вид того же
устройства сверху. Устройство для связывания соломенных хомутин помещается на
крышке деревянного стола 7, к которой прикреплены передний и задний кронштейны
2. На кронштейнах расположены шариковые подшипники для барабана 3, несущего
деревянную катушку 5 для шпагата и снабженного в передней части зубчатым
кольцом 4 для передачи вращения через соответствующую зубчатую передачу.
Катушка вращается на оси 6, лежащей в подшипниках на задней части барабана и
нагруженной спиральной пружиною 7. Барашек 8 служит для задерживания, если
потребуется, шпагата. Внутрь барабана шпагат пропущен через продолговатую по
размеру катушки щель 9. Приспособление для зажимания соломенной хомутины,
помещенное в планках, состоит из трех совкообразных подпружиненных зажимов 10,
11а, 11b. Зажим 10 укреплен наглухо, а зажимы
11а, 11b выполнены откидными. Откидные
рычаги, по типу применяемых на швейных машинах, на чертеже не показаны. Задние
зажимы 14, расставленные так же, как и передние, на концах снабжены роликами.
Рычаг 13, снабженный на конце роликом и служащий для выгибания хомутин при их
обработке, помещается на кронштейне 12. Во время обмотки хомутина протаскивается
через зажимы и барабан при помощи зубчатого валика 16, устанавливаемого в
подшипниках 15 и вращающегося соответственно с движением барабана 3, которому
вращение сообщается через цилиндрическую зубчатую передачу от оси 19, а
зубчатому валику - через коническую зубчатую передачу от оси 18.
Конструкция устройства для связывания соломенных хомутин представлена на
рисунке 6(а, б).
Рисунок 6а - Устройство для связывания хомутин (вид спереди)
Рисунок 6б - Устройство для связывания хомутин (вид сверху)
В данное время на ЗАО «Сибирская кожгалантерея» для связывания хомутины
используется машина, кинематическая схема которой представленна на рисунке 4.
Рисунок 4 - Кинематическая схема машины для связывания хомутины:
- барабан; 2 - бобина; 3 - шкив; 4 - червячная передача; 5 - втулка
подвижная; 6 - муфта фрикционная; 7 - электродвигатель; 8 - рычаг; 9 - педаль.
Работа начинается с включения электродвигателя 7. При нажатии на педаль 9
за счет рычага 8 сводятся диски муфты 6. Через червячную передачу 4 движение
передается на бобину 2, которая служит продвижителем соломенного жгута. Шкив 3,
на котором намотана нить для обмотки соломенного жгута вращается за счет
клиноременной передачи. Барабан 1служит местом обмотки соломенного жгута.
В ходе анализа был выявлен недостаток данного устройства, а именно не
достаточная автоматизация процесса изготовления хомутины, а также большие
затраты и трудоёмкость данной операции.
1.3 Разработка требований к хомутине (психологический эксперимент)
Классификация требований к хомутине представлена в таблице 2.
В этой таблице всё разнообразие требований разбито на группы:
эксплуатационные и гигиенические. Каждая группа разбита на подгруппы, которые в
свою очередь имеют последовательное более мелкое деление на виды и показатели.
Каждой классификационной рубрике соответствует свой уровень, на котором можно
оценить значимость того или иного требования применительно к конкретному изделию.
Для такой оценки был использован метод априорного ранжирования
факторов[4]. Основным источником информации при определении требований к
материалам являлось мнение специалистов. это позволило более объективно
охарактеризовать деталь, дать сравнительную оценку влияния различных факторов,
правильно отобрать группу требований для эксперимента.
Таблица 2 - Перечень требований, предъявляемых к хомутине
|
Группа требований
|
Подгруппы требований
обеспечивающих стойкость при воздействии
|
Виды требований
|
Показатели требований
|
|
Эксплуата-ционные
|
При действии времени
|
Изменение механических
свойств с течением времени
|
Характер и степень
изменения мех. свойств с течением времени
|
|
При действии механических
факторов
|
Полуцикловые характеристики
|
Устойчивость при растяжении
|
|
|
|
Относительное удлинение при
разрыве
|
|
|
Многоцикловые
характеристики
|
Формо-устойчивость
|
|
|
|
Число циклов до разрушения
|
|
При действии
физико-химических и биологических факторов
|
Повышенные и пониженные
температуры
|
Термостойкость
|
|
|
|
Морозостойкость
|
|
|
Микроорганизмы
|
Ухудшение структуры и
механических св-в
|
|
Гигиеничес-кие
|
Отведение влаги
|
Влагопоглощаю-щие свойства
|
Гидроскопичность
|
|
|
|
Намокаемость
|
|
|
|
Пористость
|
Сопоставление найденных требований с соответствующими показателями
свойств материалов, которые будут исследоваться, позволит выбрать наиболее
приемлемый вариант.
Был проведён психологический эксперимент. Нескольким специалистам были
розданы анкеты, в которых им предлагалось оценить некоторые свойства материалов
по десятибалльной шкале значимости этих свойств для хомутины. Перечень
анкетированных организаций представлен в таблице 3. Проверена степень
согласованности мнений экспертов.
Таблица 3 - Перечень анкетированных организаций
|
Условный номер эксперта
|
Наименование организации
|
Количество полученнных
анкет
|
|
1-3
|
ЗАО ПК «Сибирская
кожгалантерея»
|
3
|
|
4-5
|
ЗАО «Сибирская
кожгалантерея»
|
2
|
|
6-8
|
Кафедра «Технологии изделий
из кожи» НТИ МГУДТ (филиал)
|
3
|
|
9-10
|
Кафедра «Машины и аппараты
легкой промышленности» НТИ МГУДТ (филиал)
|
2
|
|
11-13
|
ООО «Агросоюз»
|
3
|
|
14-17
|
Работники сельского
хозяйства
|
4
|
Результаты опроса экспертов представлены в таблице 4. Показатели свойств:
Х1 - стойкость к воздействию механических факторов, Х2 - стойкость к
воздействию физико-химических и биологических факторов, Х3 - наименьшая
трудоёмкость изготовления, Х4 - стойкость к старению, Х5 -наименьшая
материалоёмкость, Х6 - безвредность, Х7 - способность к сохранению заданной
формы, Х8 - способность к отведению влаги от лошади, Х9 - способность к
раскрою, Х10 - наименьшие затраты на изготовление.
Таблица 4 - Результаты опроса экспертов
|
Номер эксперта, m
|
Показатели свойств, k
|
Ti=Σ(ti3-ti)
|
|
Х1
|
Х2
|
Х3
|
Х4
|
Х5
|
Х6
|
Х7
|
Х8
|
Х9
|
Х10
|
|
|
1
|
10
|
10
|
5
|
9
|
5
|
10
|
9
|
9
|
8
|
9
|
90
|
|
2
|
9
|
9
|
6
|
7
|
7
|
10
|
9
|
9
|
8
|
7
|
84
|
|
3
|
8
|
6
|
9
|
5
|
7
|
7
|
6
|
3
|
6
|
6
|
66
|
|
4
|
8
|
1
|
10
|
2
|
9
|
7
|
6
|
3
|
4
|
5
|
0
|
|
5
|
10
|
3
|
8
|
5
|
7
|
9
|
9
|
10
|
7
|
5
|
24
|
|
6
|
10
|
7
|
3
|
4
|
2
|
9
|
6
|
5
|
1
|
8
|
0
|
|
7
|
10
|
5
|
3
|
4
|
2
|
8
|
7
|
6
|
1
|
9
|
0
|
|
8
|
10
|
7
|
3
|
4
|
2
|
5
|
9
|
6
|
1
|
8
|
0
|
|
9
|
6
|
3
|
9
|
8
|
3
|
5
|
9
|
4
|
1
|
7
|
12
|
|
10
|
10
|
6
|
7
|
6
|
3
|
10
|
10
|
3
|
3
|
8
|
54
|
|
11
|
10
|
4
|
4
|
5
|
2
|
10
|
9
|
2
|
1
|
7
|
18
|
|
12
|
9
|
7
|
6
|
6
|
4
|
9
|
9
|
2
|
1
|
8
|
30
|
|
13
|
10
|
5
|
7
|
4
|
6
|
9
|
8
|
1
|
2
|
6
|
6
|
|
14
|
10
|
3
|
3
|
4
|
3
|
8
|
9
|
3
|
1
|
8
|
60
|
|
15
|
9
|
7
|
3
|
5
|
3
|
9
|
10
|
4
|
1
|
7
|
12
|
|
16
|
9
|
7
|
3
|
6
|
2
|
9
|
9
|
2
|
2
|
7
|
54
|
|
17
|
10
|
6
|
5
|
6
|
5
|
10
|
9
|
2
|
1
|
6
|
36
|
|
158969490721441437449121ΣTi=546
|
|
|
|
|
|
|
|
|
|
|
|
|
Δi
|
54
|
-10
|
-14
|
-32
|
40
|
39
|
-30
|
-55
|
17
|
|
|
(Δi)2
|
2916
|
64
|
100
|
196
|
1024
|
1600
|
1521
|
900
|
3025
|
289
|
S=11635
|
Среднее значение значимости свойств равно 104, поэтому можно сделать
вывод, что значимость свойств выше этого значения имеет большую важность при
выборе полимерных материалов[5].
Степень согласованности мнений экспертов:
(1)
ω заметно отличается от единицы, определяем χ2-критерий
(2)
Табличное
значение χ2-критерия для степени свободы f=k-1=9
и вероятности ошибки p≤0,05 составляет χ2=16,919
Гипотеза
о согласованности мнений экспертов принимается, т.к. табличное значение χ2-критерия меньше расчётного
Диаграмма
априорного ранжирования свойств представлена на рисунке 7.
Рисунок
7 - Диаграмма априорного ранжирования свойств
Проанализировав
данную диаграмму можно сделать вывод, что наиболее значимыми свойствами
являются 1 - стойкость к воздействию механических факторов, 6 - безвредность,7
- способность к сохранению заданной формы, 10 - наименьшие затраты на
изготовление. По этим требованиям и будет осуществлен выбор полимерного
материала.
1.4 Выбор материалов для изготовления хомутины
В
качестве материала-заменителя натуральной соломы были выбраны материалы,
которые могут использоваться в лёгкой промышленности[6]:
· Вспененный полиэтилен (Новофлекс);
· Термоэластопласт;
· Полиуретан.
Вспененный полиэтилен
Новофлекс - новый экологически чистый материал, изготовленный по
современным озоносберегающим технологиям (без применения фреона) из вспененного
полиэтилена. Имеет равномерную мелкоячеистую структуру с закрытыми порами,
характеризуется уникальным сочетанием физико-механических, теплофизических,
акустических, гидро - и пароизоляционных свойств. Наличие в материале
аддитивных антипиренов делает новофлекс трудногорючим.
Свойства:
• Отличный изолятор
• Отличная гибкость, упругость, эластичность;
• Низкая теплопроводность;
• Хорошая водостойкость;
• Долговечность;
• Закрытая ячеистая структура;
• Высокие амортизирующие свойства к ударным нагрузкам;
• Экологическая безопасность;
• Химическая и микробиологическая стойкость.
|
Основные технические
характеристики:
|
|
плотность, кг/м3
|
25 - 50
|
|
рабочий температурный
диапазон, С
|
от -60 до +80
|
|
водопоглащение, %
|
за 24 часа не более 1
|
|
паропроницаемость, мг/мчПа
|
до 0,003
|
|
коэффициент
теплопроводности, Вт/мК
|
0,038
|
|
индекс снижения ударного
шума, Дб
|
от 22 до 27
|
|
модуль упругости, мПа
|
0,5
|
|
относительная остаточная
деформация при сжатии:
|
на 25% не более 10% на 50%
не более 20%
|
Термоэластопласты
(термопластичные эластомеры
<#"652395.files/image015.jpg">
Рисунок 8 - Кинематическая схема экспериментального стенда
Электродвигатель 1 вращает вал 2, который через шкивы 3,5 и клиноременную
передачу 4 передает движение валу 6, на котором посажен шкив 7, в данном шкиве
есть паз в котором может перемещаться ползун 8. Стопорный винт 9 фиксирует
ползун в необходимом положении. Шкив 7 выступает в роли кривошипа. Шатун 10
толкает ползун 11, который жестко скреплен с нижней платформой 12, на которой
закреплен образец хомутины 14, поднимаясь образец сжимается о верхнюю платформу
13, тем самым имитируется его эксплуатация.
Электрическая схема представлена на рисунке 9.
Рисунок 9 - Электрическая схема стенда:
- выключатель автоматический (3х-полюсный автомат), 2 - тепловое реле с
размыкающими контактами, 3 - группа контактов магнитного пускателя, 4 - катушка
магнитного пускателя (в данном случае рабочее напряжение катушки - 220 в), 5 -
блок-контакт нормально разомкнутый, 6 - кнопка "Пуск", 7 - кнопка
"Стоп".
Для запуска используется магнитный пускатель 4 с рабочим напряжением
катушки 4 - 220 В; Превышения тока, потребляемого электродвигателем вызывает
размыкание контактов теплового реле, что приводит к обесточиванию катушки и
отключению электродвигателя.
3.2 Расчёт параметров привода экспериментального
стенда
Для расчёта привода было рассчитано усилие, с которым сжимается хомутина
лошадью.
Рисунок 10 - Расчетная схема
Приведенная масса груза с учетом веса повозки - 1500(кгс),
коэффициент трения качения принят стального колеса по
грунту - 0,002(м)
радиус колеса - 0,5(м)
F=Fтр=kтр∙(FП/R), (3)
где F - усилие сжатия, Н;
kтр -
коэффициент трения качения, м;
FП -
сила прижимания колеса, Н
R -
радиус колеса, м.
Так как у повозки четыре колеса, то вес прижимания одного колеса равен
375 кгс = 3678,75 Н.
F=0,002∙(3678,75/0,5)=14,715(Н)
Для расчёта необходимой мощности данного привода воспользуемся формулой:
РЭД=Р1/(ηРЕМ∙ηПК), (4)
где Р1 - мощность на выходном валу, Вт;
ηРЕМ - КПД клиноремённой передачи;
ηПК - КПД подшипников качения.
Мощность на выходном валу рассчитывается по формуле:
Р1=М∙ω, (5)
где М - момент сил, Н∙м;
ω - угловая скорость выходного вала, с-1.
Момент сил рассчитывается по формуле:
М=F∙r, (6)
где F - усилие сжатия хомутины, Н;
r -
радиус кривошипа.
Радиус кривошипа r=0,025(м);
Усилие сжатие плюс вес шатуна F=19,62(Н);
Угловая скорость выходного вала ω= 25,13(с-1);
КПД клиноремённой передачи ηРЕМ=0,95;
КПД подшипников качения ηПК=0,99
М=19,62∙0,025=0,49(Н∙м);
Р1=0,49∙25,13=12,3(Вт);
РЭД=12,3/(0,95∙0,99)=13,1(Вт);
Электродвигатель, который стоит в данной установке имеет максимальную
мощность РMAX=0,6(кВт).
3.3 Разработка общего вида экспериментального
стенда
хомутина шорный стенд седельный
Для более полного представления о работе экспериментального стенда был
разработан общий вид, который представлен на рисунке 9. Платформа 3 движется
возвратно-поступательно в вертикальной плоскости, платформа 2 неподвижна. Шкив
на выходном валу играет роль кривошипа, которы получает вращательное движение
от электродвигателя с помощью клиноременной передачи 7.
Рисунок 11 - Общий вид испытательного стенда
4. ЭКСПЕРИМЕНТАЛЬНОЕ ИССЛЕДОВАНИЕ ДЕТАЛЕЙ ХОМУТИНЫ
Хомутина в процессе эксплуатации испытывает циклическое нагружение. Для
того, чтобы с уверенностью можно было сказать о том, что данный полимер можно
эксплуатировать, необходимо провести эксперимент с нагружением образца
хомутины, выполненного из данного полимера.
Для установки была использована машина, исследующая на растяжение-сжатие
резины (МРС). К верхней и нижней платформам 1 были прикреплены деревянные
уголки 2. Образец хомутины 3 был прикреплён к нижнему уголку креплениями 4. На
рисунке 12(а,б) представлена конструкция экспериментальной установки.
а
б
Рисунок 12 - Конструкция экспериментальной установки для циклического
нагружения образца хомутины: а - вид сбоку; б - вид спереди.
Методика выполнения эксперимента
Для проведения испытания на циклическое нагружение взят образец хомутины
из вспененного полиэтилена. Данный образец закреплен на нижнюю платформу
экспериментального стенда. Составлен график проведения испытаний с учетом
различного количества времени непрерывного нагружения. В конце каждого этапа
испытаний штангенциркулем замерялся диаметр образца хомутины. По окончании
испытаний построена зависимость значения размера диаметра от количества времени
непрерывного нагружения образца хомутины, которая представлена на рисунке 13.
График испытаний представлен в таблице 5.
Нагружение хомутины проводилось с частотой n = 240(мин-1). Всего было выполнено число нагружений N = 244800. Время испытания t = 17 ч.
Таблица 5 - График испытаний
|
Дата
|
Время начала и окончания
испытания
|
Продолжительность, мин.
|
|
31.03
|
1530 - 1700
|
90
|
|
01.04
|
800 - 1550
|
470
|
|
02.04
|
1530 - 1810
|
160
|
|
05.04
|
1010 - 1510
|
300
|
Результаты замера диаметра представлены в таблице 6
Таблица 6 Результаты измерений
|
Время нагружения, мин
|
Диаметр образца, мм
|
|
90
|
49
|
|
470
|
47
|
|
160
|
48
|
|
300
|
47,5
|
Рисунок
13 - График зависимости диаметра образца от времени нагружения.
После
проведения испытаний выяснено, что размер диаметра зависит от времени
непрерывного нагружения, но форма образца в течении шестидесяти минут возвращается
в исходный вид. После испытаний цилиндрическая форма не изменилась и видимых
дефектов или разрушений не обнаружено, следовательно можно сделать вывод, что
выбранный полимерный материал - вспененный полиэтилен подходит в качестве
материала-заменителя натуральной льносоломки.
5. РАСЧЕТ ЭКОНОМИЧЕСКИХ ПОКАЗАТЕЛЕЙ
Резюме
Наиболее распространенным типом упряжи является в настоящее время
сельскохозяйственная (транспортная) упряжь. До настоящего времени этот тип
упряжи не претерпел никаких существенных изменений, если не считать некоторой
рационализации способов постройки и пошивки, исключающих применение ненужной,
иногда дорогостоящей, фурнитуры, а также незначительных изменений в
конструкции. Поэтому можно смело сказать, что в данной отрасли необходимы
инновации, что является конечным результатом интеллектуальной деятельности
человека, его фантазии, творческого процесса, открытий, изобретений и
рационализации. Инновация характеризуется введением на рынок продукции (товаров
и услуг) с новыми потребительскими свойствами или качественным повышением
эффективности производственных систем. Главной задачей исследования деталей
шорно-седельных изделий из полимерных материалов является анализ существующей
технологии изготовления хомутины, а также разработка комплекса требований,
предъявляемых к ней, что поможет выбрать материал для изготовления хомутины,
разработка экспериментального стенда для исследования хомутины из полимерного
материала.
В данном проекте рассматривается разработка технологии изготовления хомутины
из полимерного материала.
Определение инновационного проекта
Главная цель и суть предлагаемого проекта
Одной из главных составляющих хомута является хомутина. Целью
предлагаемого проекта является разработка технологии изготовления хомутины из
полимерного материала. А также получение данных о возможности замены детали
хомута из натурального материала на полимерный материал.
Предлагаемый вид инноваций
Усовершенствованная технология изготовления хомутины.
Плановые цели всех задач, решаемых при реализации данного проекта
Применение полимерных материалов для изготовления деталей шорно-седельных
изделий позволит повысить производительность труда, сократить время их
изготовления, а также уменьшить потери от брака.
Реальные выгоды фирмы от реализации проекта
Сокращение потерь от брака, повышение производительности труда и качества
продукции, а также сокращение себестоимости продукции.
Виды и величина затрат на реализацию проекта
Затраты на содержание помещения - 1322,3 руб.;
Ожидаемые экономические, социальные, финансовые и другие выгоды от
реализации проекта.
Реализация данного проекта приведет к повышению производительности труда,
вследствие упрощения технологии производства, а также за счёт минимизации
времени на вспомогательные операции. Данные исследования помогут выйти на более
современный уровень производства. Увеличится прибыль от реализации продукции,
вследствие сокращения ее себестоимости.
Критерии и технические параметры проекта, определяющие достижение
поставленных целей.
Критерием проекта является фактор влияния циклических нагружений на
геометрическую форму хомутины.
Срок жизни проекта
Срок жизни проекта с учётом морального износа составляет 4-6 лет.
Степень реализации проекта на момент составления бизнес-плана
На данный момент стенд собран, деталь из полимерного образца получена и
исследована, а также направлена на испытания в условии реальной эксплуатации.
Характеристика технологии производства
Название, описание и область использования
Хомутина предназначена для передачи тягового усилия от животного повозке.
Конструкция и размеры хомутины представлена на рисунке 14.
Рисунок 14 - Хомутина к хомуту сельскохозяйственному
Степень новизны
Новая технология позволяет изготавливать хомутину без использования
оборудования для связывания соломы в жгут
Описание предприятия и отрасли
Технология изготовления хомутины из полимерного материала внедряется на
производстве шорно-седельных изделий. Данное производство осуществляется на ЗАО
«Сибирская кожгалантерея», это предприятие также производит и кожгалантерейную
продукцию (сумки, портфели, портмоне и др.). Закрытое акционерное общество
«Сибирская кожгалантерея» - стабильно развивающееся предприятие, в течение
семидесяти лет обеспечивающее Западно-Сибирский и другие регионы страны
кожгалантерейными и шорно-седельными изделиями. Принимая во внимание жесткую
конкуренцию на данном рынке, в последние годы на предприятии осуществлена
коренная перестройка ассортимента, выразившаяся в улучшении качества
выпускаемых изделий и наиболее полном удовлетворении потребностей покупателей.
За последние два года произведено более 170 новых моделей кожгалантерейных
изделий. Значительная часть этих изделий по причине более низких цен
конкурирует с импортной продукцией. К таким изделиям, прежде всего, относятся:
сумки, портфели, папки, сумки хозяйственные и дорожные, ученические ранцы и
рюкзаки, портмоне, бумажники и т.д. Показателем высокого качества выпускаемых
кожгалантерейных и шорно-седельных изделий является отсутствие каких-либо
рекламаций.
Производственный план
Расчёт себестоимости изготовления изделия
Расчет с учетом базовой и проектируемой технологии производства
Затраты на основные материалы определялись по нормам расхода отдельных
видов материалов на конструкцию и цены за единицу материала[8].
Нормы расхода материалов на заготовки изготавливаемых деталей и их виды
определялись по разработанным деталировочным чертежам. Затраты на метизы
рассчитываются укрупнено (5 - 7 % от стоимости затрат на основные
материалы).Величина возвратных отходов определяется в зависимости от типа
производства и может составлять 5 - 10 % от затрат на основные материалы.
Цеховые расходы на содержание персонала, амортизацию, ремонт и
обслуживание оборудования укрупнено, приняты в размере 85%, а общезаводские
расходы на содержание заводоуправления и различных служб - 65% от суммы
основной заработной платы и расходов на содержание и эксплуатацию
оборудования[9].
Стоимость полимерного жгута - 53132,81 руб./год
Расчёт капитальных затрат
Затраты в основные фонды относятся к капитальным затратам[10], которые в
свою очередь рассчитываются по формуле:
(7)
где
- капитальные затраты в технологическое оборудование,
руб.;
-
капитальные затраты в производственную площадь, руб.
, (8)
где
- цена технологического оборудования, руб.;
-
коэффициент, учитывающий транспортно-заготовительные расходы;
-
коэффициент, учитывающий затраты на установку фундамента;
-
коэффициент монтажных и пусконаладочные работ.
, (9)
где
- удельная цена здания,
руб./м2;
= 0,395
м2 - площадь, занимаемая единицей оборудования;
-
коэффициент, учитывающий размещение рабочего места,
.
Расчет
капитальных затрат проводился для базовой и спроектированной машин. Результаты
расчетов сведены в таблицу 7.
Расчёт
капитальных затрат для базового оборудования:
цена
технологического оборудования составляет порядка 200000 руб;
коэффициент
транспортно-заготовительных расходов принимаем равным:
=0,07;
коэффициент
затрат на установку фундамента принимаем равным:
=0,07;
коэффициент
монтажных пусконаладочных работ принимаем равным:
=0,17.
Коб
=200000∙(1+0,07+0,07+0,17) = 262000 руб.,
руб.,
К=
262000+5451 = 267451 руб.
Для
проектируемой технологии:
Коб
= 53132,81∙(1+0,07+0,07+0,17) = 69603,98 руб.,
руб.,
К=
69603,98 + 5451 = 75054,98 руб.
Таблица
7 - Капитальные затраты в технологическое оборудование
|
Технологическое
оборудование
|
Значения параметров
|
, руб.
,руб./м2,
|
м
|
|
|
|
|
|
|
|
|
1. Базовое оборудование
|
262000
|
0,07
|
0,07
|
0,17
|
12000
|
0,6
|
0,15
|
|
2. Проектируемое
оборудование
|
53132,81
|
0,07
|
0,07
|
0,17
|
12000
|
0,6
|
0,15
|
|
Коб
|
Кзд
|
Коб+Кзд
|
|
1. Базовое оборудование
|
262000
|
5451
|
267451
|
|
2. Проектируемое
оборудование
|
69603,98
|
5451
|
75054,98
|
Расчет затрат времени при работе на оборудовании
Норма времени на технологическую операцию[12] рассчитывается для базового
и проектируемого оборудования:
, (10)
где
- основное время, 0,75(0,35) час/ шт.
-
вспомогательное время, 0,16(0,08) час/ шт.
- время
на отдых и личные надобности, 0,08(0,08)час/ шт.
- время
на обслуживание рабочего места, 0,08(0,03)час/ шт.
tшт(б)=
0,75+0,16+0,08+0,08=1,07 час/ шт.
tшт(п)=0,35+0,08+0,08+0,03=0,54
час/ шт.
Норма
выработки рассчитывается по формуле:
, (11)
где
- сменное время,8 час;
-
сменное время на обслуживание рабочего места,
,64(0,24)час.
Нвыр(б)=(8-0,64)/1,07=6
шт. хомутин за смену,
Нвыр(п)=(8-0,24)/0,54=14
шт. хомутин за смену.
Полная
техническая норма времени определяется по формуле:
(12)
Нв(б)=8/6=1,33
час/ шт.
Нв(п)=8/14=0,57
час/ шт.
Количество
операторов, занятых на операции определяется следующим образом:
, (13)
где
- годовой выпуск продукции, шт/год;
-
действительный фонд рабочего времени 1-го рабочего, час/год;
-
коэффициент выполнения норм; среднее значение
.
, (14)
где
- число календарных дней в году;
;
- число
праздничных и выходных дней;
;
- число
дней отпуска
;
-
плановый процент невыходов,
.
-
средняя продолжительность смены, рассчитанная исходя из сокращенной рабочей
смены в предпраздничные дни на 1 час, час;
,час/год
Годовой
выпуск продукции на операции:
, (15)
шт.
шт.
Расчет
себестоимости выработки продукции на базовом и проектируемом оборудовании
Расчет
себестоимости изготовления продукции проводится по изменяющимся статьям затрат
(параллельно для базового и проектируемого вариантов)[13].
Затраты
на заработную плату основных производственных рабочих
, (16)
где
- часовая тарифная ставка рабочего,
руб.
Нвыр
--норма выработки, шт.
Таблица
8 - Расчет заработной платы основных рабочих
|
Показатели
|
Технологический процесс
|
|
На базовом оборудовании
|
На проектируемом
оборудовании
|
|
1. Техническая норма
времени, час
|
1,33
|
0,57
|
|
2. Тарифный разряд на
операции
|
4
|
4
|
|
3. Часовая тарифная ставка,
руб.
|
69,73
|
69,73
|
|
4. Расценка, руб.
|
92,97
|
39,85
|
|
5.Годовой выпуск продукции,
шт
|
1569
|
3109
|
|
6. Основная заработная
плата, руб.
|
145869,93
|
123893,65
|
|
7.Дополнительная заработная
плата (40%), руб.
|
58347,97
|
49557,46
|
|
8. Отчисления на
страхование (26%), руб.
|
53096,65
|
45097,29
|
|
Итого полная заработная
плата, руб.
|
257314,55
|
218548,4
|
Расходы на содержание и эксплуатацию оборудования рассчитываются по
следующим элементам
· затраты на электроэнергию;
· затраты на амортизационные отчисления;
· затраты на ремонт.
Затраты на электроэнергию рассчитываются по формуле:
, (17)
где
- установленная мощность машины, Руст = 0,6 кВт;
-
коэффициент спроса электроэнергии,
;
- цена
электроэнергии для предприятий,
руб.×кВт/час.
Зэ
= 0,6∙(365-117-28)∙8∙1∙0,83∙2,2 = 1928,26 руб.
Амортизационные
отчисления рассчитываются по элементам основных фондов, и для силовых машин и
оборудования составляют
, для зданий
, для
транспортных средств
, для работающих машин и оборудования
от величины капитальных затрат. Расчет заработной
платы ремонтников сведен в таблицу 9.
Таблица 9 - Заработная плата ремонтников
|
Показатели
|
Техническое обслуживание и
ремонт
|
|
Базовое оборудование
|
Проектируемое оборудование
|
|
1
|
3
|
|
1. Категория ремонтосложности
|
4
|
-
|
|
2. Общее количество единиц
ремонтосложности, УРЕ
|
4
|
-
|
|
3. Периодичность среднего
ремонта, мес.
|
6
|
-
|
|
4. Количество средних
ремонтов в год, шт
|
2
|
-
|
|
5. Количество УРЕ, которые
пройдут средний ремонт в год, шт.
|
8
|
-
|
|
6. Трудоемкость среднего
УРЕ, ч
|
10,8
|
-
|
|
7. Общая трудоемкость
ремонта, чел×час
|
86,4
|
-
|
|
8. Часовая тарифная ставка,
руб.
|
69,73
|
-
|
|
9. Основная заработная
плата, руб.
|
6024,67
|
-
|
|
10. Дополнительная
заработная плата, руб
|
2409,87
|
-
|
|
11. Отчисления на
страхование, руб.
|
2192,98
|
-
|
|
Итого полная заработная
плата, руб.
|
10627,52
|
-
|
По результатам расчетов была составлена смета затрат на содержание и
эксплуатацию оборудования в виде таблицы 10.
Таблица 10 - Смета расходов на содержание и эксплуатацию оборудования
(РСЭО)
|
Показатели
|
Технологическое оборудование
|
|
Базовое оборудование
|
Проектируемое оборудование
|
|
1. Затраты на
электроэнергию, руб.
|
1928,26
|
1928,26
|
|
2. Амортизационные
отчисления(10% от капитальных затрат), руб.
|
26745,1
|
7505,5
|
|
3. Затраты на ремонт, руб.
|
10627,52
|
-
|
|
Итого, руб.
|
39300,88
|
9433,76
|
Затраты на содержание помещения
Норма расходов, включающие затраты на отопление, вентиляцию,
водоснабжение и освещение, были приняты для ЗАО «Сибирская кожгалантерея» 446
руб./м2 в год. Результаты расчетов приведены в таблице 11.
Таблица 11 - Затраты на содержание помещения
|
Показатели
|
Технологическое
оборудование
|
|
Базовое оборудование
|
Проектируемое оборудование
|
|
1
|
2
|
3
|
|
1. Производственная
площадь, м2
|
0,349
|
0,349
|
|
2. Количество единиц
оборудования, шт.
|
1
|
-
|
|
3. Общая площадь, м2.
|
150
|
150
|
|
4. Расходы на содержание,
руб./м2 .
|
446
|
446
|
|
5.Сумма расходов на
занимаемую площадь, р.
|
173,94
|
173,94
|
|
6. Амортизация здания(1% от
капитальных затрат), руб.
|
2674,51
|
750,55
|
|
Итого затраты на содержание
и амортизацию здания, руб.
|
2848,45
|
924,49
|
Расчёт потерь от брака
Для расчёта потерь от брака необходимо проанализировать возможность
возникновения брака и его характер (исправимый, неисправимый).
При скручивании хомутины из соломы может произойти перелом жгута или
неравномерность диаметра жгута, а хомутина из полимерного материала имеет
высокую эластичность и в то же время хорошую формоустойчивость, что позволит
исключить брак вообще. Такого брака за год примерно 4,78%. Стоимость одной
хомутины 208 рублей. Эти данные предоставлены ЗАО «Сибирская кожгалантерея»
Таблица 12 - Расчет потерь от брака:
|
Показатели
|
Базовое обор-е
|
Проектируемое обор-е.
|
|
1
|
2
|
3
|
|
1 Годовой выпуск, нат.ед.
|
1569
|
-
|
|
2 Доля забракованных
изделий, %
|
4,78
|
-
|
|
3 Количество забракованной
продукции, нат.ед.
|
75
|
-
|
|
4Характер брака:
|
|
|
|
Исправимый - количество
изделий
|
-
|
-
|
|
Неисправимый - количество
изделий
|
75
|
-
|
|
5 Затраты на исправление
брака на 1 изд., руб.
|
-
|
-
|
|
6 Затраты на исправление
брака на годовой выпуск, руб.
|
-
|
-
|
|
7 Стоимость забракованных
изделий (стоимость материала), руб.
|
15600
|
-
|
|
Итого потери от брака:
|
15600
|
-
|
Себестоимость годового выпуска продукции
Себестоимость годового выпуска продукции определяется по изменяющимся
статьям затрат.
Таблица 13 - Себестоимость годового выпуска продукции
|
Статьи затрат
|
Технологическое
оборудование
|
|
Базовое оборудование
|
Проектируемое оборудование
|
|
1
|
2
|
3
|
|
Основная и дополнительная
заработная плата основных производственных рабочих с отчислениями, руб.
|
257314,55
|
218548,4
|
|
РСЭО (расходы на содержание
и эксплуатацию оборудования), руб.
|
39300,88
|
9433,76
|
|
Затраты на содержание
помещений, руб.
|
2848,45
|
924,49
|
|
Потери от брака, руб.
|
15600
|
-
|
|
Итого себестоимость
продукции, руб./год
|
315063,88
|
228906,65
|
Расчёт годового экономического эффекта
Основывается на сопоставлении приведенных затрат по базовому и
спроектированному вариантам технологического оборудования.
Приведенные затраты рассчитываются по формуле
, (18)
где
Сi - себестоимость годового выпуска продукции. руб;
Ен
- нормативный коэффициент сравнительной экономической
эффективности
капитальных вложений;
Кi -
капитальные вложения, руб;
i - индекс
варианта.
Зп(б)
= 315063,88+ 0,15∙267451 = 355181,53 руб.,
Зп(п)
= 228906,65+ 0,15∙75054,98= 240164,9 руб.
Нормативный
коэффициент показывает ту часть капитальных затрат, которая при сложившихся в
народном хозяйстве условиях должна окупиться в течении года. Задаваясь в
расчетах значением
, назначается в течение года окупаемость в размере 15
копеек на каждый рубль капитальных вложений.
Таким
образом, нормативным коэффициентом закладывается нормативный срок окупаемости
технологического оборудования
, (19)
.
Годовой
экономический эффект при увеличении объёма выпуска определяется по формуле:
, (20)
где
- расчетный коэффициент увеличения объёма
производства;
В1
-объём выпуска продукции на базовой машине, шт/год;
В2
- объём выпуска продукции на модернизированном
оборудовании,
шт/год.
, (21)
=
.
Эг
=
=1153345,73руб.
Коэффициент
увеличения объема производства рассчитывается по формуле:
, (22)
Еф
=
где
- коэффициент износа оборудования
.
Тогда,
фактический срок окупаемости рассчитывается:
, (23)
Тф=0,58
В
случае экономического эффекта от внедрения технологического оборудования
, а
, т.е.
1,72 > 0,15, а 0,58 ≤ 6,67.
Таблица 14 - Технико-экономические показатели технологического
оборудования
|
Наименование показателей
|
Технологическое
оборудование
|
Отклонения
|
|
Базовое оборудование
|
Проектируемое оборудование
|
абс.
|
отн.%
|
|
1. Годовой выпуск
продукции, шт.
|
1569
|
3109
|
1540
|
49,5
|
|
2. Капитальные вложения,
руб.
|
267451
|
75054,98
|
192396,02
|
256,34
|
|
3. Удельные капитальные
вложения, руб.
|
170,46
|
24,14
|
146,32
|
606,13
|
|
4. Себестоимость годового
выпуска продукции, по изменяющимся статьям затрат руб.
|
355181,83
|
240164,9
|
115016,93
|
47,89
|
|
5.Себестоимость
единицы продукции, руб.
|
226,38
|
77,25
|
149,13
|
193,05
|
|
8. Годовой экономический
эффект, руб.
|
-
|
1153345,73
|
-
|
-
|
|
9. Фактический срок
окупаемости, год
|
-
|
0,58
|
-
|
-
|
|
10. Фактический коэффициент
эффекивности
|
-
|
1,72
|
-
|
-
|
Вывод: в результате расчета экономических показателей спланирована
финансовая и производственная деятельность фирмы по реализации бизнес-проекта в
соответствии с потребностями рынка и ее производственными ресурсами. Расчет
показал, что был достигнут экономический эффект от внедрения полимерного
материала в технологию производства шорно-седельных изделий, а именно хомутины.
Технология изготовления хомутины из полимерного материала полностью избегает
возможность получения брака. А также значительно сокращается длительность
технологического цикла, т.к. жгут из полимерного материала поставляется уже в
готовом виде, а не скручивается непосредственно на фабрике. Экономический
эффект от внедрения данной технологии производства хомутины составляет
1217515,40 рублей в год.
6. БЕЗОПАСНОСТЬ ЖИЗНЕДЕЯТЕЛЬНОСТИ
Организация производства немыслима без четкого
соблюдения требований норм и правил безопасности. Правила и нормы по охране
труда определяют меры по защите работающих от воздействия предметов и средств
труда, используемых в производстве, а также они содержат требования о снабжении
технологического оборудования конструктивными ограждениями, гарантирующими
безопасную работу.
Руководством по обеспечению безопасных условий труда
служат санитарные нормы и правила по технике безопасности и производственной
санитарии предприятий.
Конструкция устройства для связывания хомутины состоит
из электродвигателя, червячной передачи, барабана, стола, и располагается в
раскройно-подготовительном цехе предприятия.
Метеорологические условия
Создание рациональных санитарно-технических условий -
важная задача, от решения которой зависит здоровье трудовых коллективов,
безопасные условия, безопасность труда, обеспечивающихся за счет естественной и
искусственной вентиляции и отопления. В соответствии с СНиП 2.04.05-91[14],
СанПиН 2.2.4.458-96[15] естественная дефлекторная вентиляция осуществляется
через каналы и воздуховоды, имеющие специальные насадки и дефлекторы,
установленные на крыше. Их действие основано на том, что при обтекании насадки
ветром, на наветренной стороне создается высокое давление, чем на
противоположной, вследствие чего происходит воздухообмен. Искусственная
вентиляция, общеобменная приточно-вытяжная система вентиляции, производит забор
воздуха извне вентилятором через калорифер, где воздух нагревается и
увлажняется, а затем подается в помещение. Количество подаваемого воздуха
регулируется клапанами или заслонками, устанавливаемыми в ответвлениях.
Загрязненный воздух удаляется вытяжной вентиляцией и вытесняется неочищенным
через двери, окна, фонари, щели. Предусмотрено центральное водяное отопление,
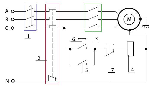
для поддержания температуры на заданном уровне в холодный период года. Воздух
рабочей зоны соответствует ГОСТ 12.1.005-88[16].
Электробезопасность
Для работы устройства, необходимо электропривод
подключить к сети. Использование электрического тока может привести к
электротравмам. Поражения электрическим током возникают при прикосновении к
металлическим частям электроустановки, находящимся под напряжением, вследствие
повреждения обмотки электродвигателя. Для предотвращения поражения
электрическим током в устройстве используется изоляция токоведущих частей и
заземление (в соответствии с ГОСТ 12.1.030-81 ССБТ[17]).
В проекте предоставлен расчет контурного защитного
углубленного заземления электрооборудования в раскройно-подготовительном цехе.
Определение сопротивления растеканию тока одного вертикального стержня
заземлителя в земле:
Рисунок 15 - Углубленное заземление

, (24)
где
- удельное сопротивление грунта (супесь),
,
- длина
стержня,
;
- диаметр
стержня,
;
t0 = 0,5 м;
t - глубина, на
которой находится стержень, t = 1,5 м.
Ом,
Ом.
Заземляющее
устройство предполагается выполнить в виде квадрата
, то есть
,
где
- длина равная 20 м
- ширина
равная 20 м
Стержни
соединены между собой стальной полосой
мм.
Расстояние между стержнями принимается
м.
Предварительное
число стержней:
(25)
Необходимое
число заземлителей рассчитывается по формуле:
, (26)
где
- нормируемое сопротивление заземлителя,
Ом,
-
коэффициент сезонности,
,
- коэффициент
использования заземлителя,
,
.
Принимаем
.
Сопротивление
группы заземлителей:

Определение
сопротивления растеканию тока соединительной стальной полосы:
, (27)
где
- удельное сопротивление грунта (супеси),
,
-
периметр здания,
,
Длина
соединительной полосы:
- ширина
полосы,
Ом
Требуемые
сопротивления системы заземления:
Ом; (28)
Ом.
Расстояние
от системы заземления до здания:
(29)
м.
Поскольку
Ом, то условие выполняется. Установка заземления
подобной конструкции возможна, так как она выполнена в соответствии с ПУЭ-76[18].
1- заземлители; 2. соединительные провода; 3. двигатели; 4. заземляющие
шины внутреннего контура; 5 .полоса, соединяющая заземлители.
Рисунок 16 - Схема выносной системы заземления
Для устранения или значительного снижения зарядов
статического электричества в помещении (в соответствии с ГОСТ 12.4.124-83 CCБТ) рекомендуется поддерживать
относительную влажность воздуха не менее 65-70%, а на машинах применять
ионизаторы и пылеулавливающие ловушки.
Также рекомендуется использовать средства
индивидуальной защиты от статического электричества, такие, как обувь, подошва
которой выполнена из кожи (ГОСТ 12.4.124-83[19]).
Освещение
В цехе установлено совмещенное искусственное и
естественное освещение, которое соответствует нормам СНиП 23-05-95[20]. Также
установлено эвакуационное освещение в соответствии СНиП 23.85-95[21].
Естественное боковое освещение, осуществляется через
оконные проемы. Искусственное освещение осуществляется за счет люминесцентных
ламп ЛДЦ- 80-40.
Эргономические требования
Рабочее место организовано так, чтобы обеспечить
максимум удобства и безопасности при работе. Конструкция машины обеспечивает
прямое и свободное положение корпуса тела работника. Вращающиеся детали машины
ограждены, а ограждение прочно крепиться к элементам оборудования или к полу.
Для защиты от вращающихся частей электропривода предусмотрен кожух. Машина
располагается в цехе таким образом, чтобы монтаж, обслуживание и ремонт были
удобны и безопасны.
Виброзащита
Основными источниками механических и акустических
колебаний являются электродвигатель.Для поглощения шума, кожух, используемый
для защиты от механических повреждений, следует покрыть изнутри
звукопоглощающим материалом. Также место, на котором установлено устройство, в
основании забетанировано. Мероприятия по уменьшению шума и вибрации выполнены в
соответствии с ГОСТ 12.1.012-90 CCБТ[22],
ГОСТ 26568-85[23].
Пожарная безопасность
Машина для связывания хомутины устанавливается в
раскройно-подготовительном цехе. Данное помещение относится к категории «В» по
пожароопасности по НПБ 105-03[24], ГОСТ 12.1.004-91 ССБТ и СНиП 2.01.02-85[25].
Тушение пожара предусматривается водой. В качестве первичных средств
пожаротушения предусматривается огнетушитель ОХП-10. Для тушения
электроустановок, находящихся под напряжением, а также многих твердых и жидких
горючих веществ применяются углекислотный огнетушитель типа ОУ-8. В помещениях
с некруглосуточным пребыванием людей устанавливают автоматические дымовые
пожарные извещатели и телефонная связь с пожарным депо. Все производственные
помещения содержаться в чистоте. Коридоры, выходы, проходы, тамбуры, лестницы
не разрешается заграждать различными предметами и оборудованием. Все двери
эвакуационных выходов свободно открываться в направлении выхода из здания. Цех
оборудован пунктом первой помощи и аптечкой. Помещение соответствует нормам
безопасности жизнедеятельности и охраны труда, которые предъявляются к
помещениям раскройно-подготовительного цеха.
Таким образом, разрабатываемое устройство для изготовления
хомутины повышает производительность, способствует улучшению качества и
точности операций, кроме того, предлагаемое техническое решение позволяет
повысить технико-экономические показатели процесса изготовления хомутины.
Машина соответствует нормам безопасности жизнедеятельности и охраны труда,
которые предъявляются к машинам раскройно-подготовительного цеха.
ВЫВОДЫ
. В настоящее время производство шорно-седельных изделий является
наименее технически организованным, поэтому проведенные исследования по
возможности замены льносоломки в хомутине хомута сельскохозяйственного на
полимерный материал и усовершенствование технологии изготовления хомута
является актуальным.
. Методом априорного ранжирования факторов определены требования к
хомутине хомута и выбран в качестве материала-заменителя вспененный полиэтилен
. Разработана конструкция и изготовлен испытательный стенд для
исследования хомутины из полимерного материала.
. Проведены лабораторные испытания хомутины из вспененного
полиэтилена и натурные испытания хомутов с разработанной хомутиной, которые
показали высокую эксплуатационную надежность предложенной конструкции хомута.
. Разработанная конструкция хомутины с использованием жгута из
вспененного полиэтилена и технология ее изготовления внедрены в ООО ПТФ
«Сибирская кожгалантерея».
СПИСОК ИСПОЛЬЗОВАННЫХ ИСТОЧНИКОВ
1 Кошель И.В.
Оборудование и механизация кожгалантерейного и шорно-седельного производства. -
М.: Легпромбытиздат, 1985. - 248 с.
2 Резванова
Л.Н., Щербакова Н.В. Прохоров В.Т., Осина Т.М. Технология кожгалантерейных и
шорно-седельных изделий. - Ростов н/Д: Легпромбытиздат, 2008. - 267 с.
Устройство
для связывания соломенных хомутин, А. С. № 30067, МПК 56 b,7 П.Н Герасимова, 7.03.1932г. (спр.
о перв. 105567).
Тихомиров В.
Б. Планирование и анализ эксперимента (при проведении исследовангий в легкой и
текстильной помышленности). - М.: Легкая индустрия, 1974. - 263 с.
Боровков А.А.
Математическая статистика. - Новосибирск: Наука; Издательство Института
математики, 1997. - 772с.
Калинчев
Э.Л., Саковцева М.Б. Выбор пластмасс для изготовления и эксплуатации изделий:
Справочник. - Ленинград.: Химия, 1987. - 416 с.
Моисеев В.В.
Термоэластопласты. - М.: Химия, 1985. - 356 с.
Моисеева Н.К.
Выбор технических решений при создании новых изделий. - М : Машиностроение,
1980. - 180 с.
Пузыня К.Ф.
Экономическая эффективность научноисследовательских и опытно-конструкторских
разработок в машиностроении.-Л.: Машиностроение, 1987. - 320 с.
Великанов
К.М., Васильева Э.Т., Власов В.Ф. Экономика и организация производства в
дипломных проектах. - М.: Машиностроение, 1981. - 207 с.
Великанов
К.М. Экономическая эффективность новой техники и технологии в машиностроении. -
Л.: Машиностроение, 1981. - 256 с.
Рындина Е.Ф.
Методические указания по выполнению экономической части дипломного проекта.
МТИЛП, 1972. - 40 с.
Буров В.П.,
Галь В.В., Казаков А.П. Бизнес-план инновационного проекта. Методика
составления. Методическое пособие. - М.: ЦИПКК АП, 1997. - 106с.
14 СНиП
2.04.05-91 - Отопление, вентиляция и кондиционирование/Госстрой Росси. -М.: ГУП
ЦПП, 2002. - 12 с.
СанПин
2.2.4.548-96 - Гигиенические требования к климату производственных помещений:
Санитарные норма и правила - М.: Информационно-издательский центр
Госкомсанэпидемнадзора России, 1996. - 21с.
ГОСТ
12.1.005-88 - Общие санитарно-гигиенические требования к воздуху рабочей зоны.
М.: Издательство стандартов, 1998. - 25 с.
ГОСТ
12.1.030-81 ССБТ - Электробезопасность. Защитное заземление, зануление. - М.:
Министерство строительства РФ, 1995. - 35с.
ПУЭ-76 -
Правила установки электрооборудования, 1976. - М.: Атомиздат, 1999. - 304 с.
ГОСТ
12.4.124-83 CCБТ - Средства защиты от статического
электричества. Общие технические требования. М.: Госстандарт РФ, 2002. - 30 с.
СНиП 23-05-95
- Естественное и искусственное освещение. - М.: Министерство строительства РФ,
1995. - 35с.
СНиП 23.85-95
- Эвакуационное освещение. М.: Госстандарт РФ, 2002. - 32 с.
ГОСТ
12.1.029-80 CCБТ - Средства и методы защиты от
шума. Классификация. - М.: Министерство строительства РФ, 2001. - 27с.
ГОСТ 26568-85
- Вибрация. Методы и средства защиты. Классификация.. М.: Издательство
стандартов, 2003. - 22 с.
НПБ 105-03 -
Нормы пожарной безопасности. Определение категорий помещений, зданий и наружных
установок по взрывопожарной и пожарной опасности. -М.: ГУП ЦПП, 2002. - 15 с.
СНиП
21-01-97* - Пожарная безопасность зданий и сооружений / Госстрой России. - М.:
ГУП ЦПП, 1999. - 18 с.