Структура и свойства ЭЛН-покрытий системы Ti-Si-B

  • Вид работы:
    Дипломная (ВКР)
  • Предмет:
    Другое
  • Язык:
    Русский
    ,
    Формат файла:
    MS Word
    2,91 Мб
  • Опубликовано:
    2013-06-14
Вы можете узнать стоимость помощи в написании студенческой работы.
Помощь в написании работы, которую точно примут!

Структура и свойства ЭЛН-покрытий системы Ti-Si-B

МИНИСТЕРСТВО ОБРАЗОВАНИЯ И НАУКИ РОССИЙСКОЙ ФЕДЕРАЦИИ

Федеральное государственное бюджетное образовательное учреждение

высшего профессионального образования

«НАЦИОНАЛЬНЫЙ ИССЛЕДОВАТЕЛЬСКИЙ

ТОМСКИЙ ПОЛИТЕХНИЧЕСКИЙ УНИВЕРСИТЕТ»

Институт физики высоких технологий

Направление Материаловедение и технология новых материалов

Кафедра Материаловедение в машиностроении


Тема выпускной квалификационной работы

СТРУКТУРА И СВОЙСТВА ЭЛН-ПОКРЫТИЙ СИСТЕМЫ TI-SI-B














Томск - 2012г.

Реферат

Выпускная квалификационная работа бакалавра 65 стр., 13 рисунков, 5 таблиц, 38 источников.

Ключевые слова: МАХ-фаза, электронно-лучевая наплавка (ЭЛН), структура, твердость, износостойкость, исследование.

Объектом исследования являются покрытия, полученные двумя методами: 1) покрытия системы Ti-Si-B, полученные методом электронно-лучевой наплавки; 2) покрытия системы Ti-Si-B, полученные электронно-лучевым оплавлением шликерной обмазки.

Цель работы - исследование структуры, фазового состава и свойств покрытий систем Ti-B-Si, полученных электронно-лучевой наплавкой в вакууме (ЭЛН), а также возможность получения MAX-фазы Ti3SiB2 в ЭЛН- покрытиях после наплавки композиционных порошков системы Ti-B-Si, полученных методом самораспространяющегося высокотемпературного синтеза (СВС).

В процессе работы проводились исследования микроструктуры, фазового состава, твердости и износостойкости покрытий системы Ti-B-Si.

В результате исследования сделаны выводы о возможности практического применения покрытий данной системы.

Выпускная квалификационная работа бакалавра выполнена в текстовом редакторе Microsoft Word и представлена на CD - носителе (в конверте на обороте обложки).

The abstract

qualifying work of the bachelor 65 p., 13 drawing, 5 tables, 38 sources.: MAX-phase, electron-beam-welding (EBW), structure, hardness, abrasive wear-resistance, research.of research are coatings obtained by two methods: 1) coatings based on the system Ti-Si-B obtained by the method of electron-beam welding; 2) coatings based on the system Ti-Si-B obtained by electron-beam fusion of slip plastering.aim of this work - investigation of the structure, phase composition and properties of the coating system Ti-B-Si, obtained by electron-beam welding in vacuum, as well as the possibility of obtaining MAX-phase Ti3SiB2 in EBW-coatings after the deposition of composite powders of the system Ti-B-Si, obtained by the self-propagating high temperature synthesis (SHS).the work investigations of the microstructure, phase composition, hardness and wear resistance of coatings of the system Ti-B-Si were lead.result of research total conclusions are drawn about the possibility of practical application of coatings of this system.qualifying work of the bachelor is executed in text editor Microsoft Word and presented on CD-carrier (in an envelope on the back of a cover).

ВВЕДЕНИЕ

Разработка многокомпонентных композиционных покрытий на основе тугоплавких соединений направлена на повышение износо- и коррозионной стойкости поверхностных слоев без существенного увеличения стоимости упрочняемых изделий из различных металлов и сплавов. Как показано в [1] на системе Ti-B-Fe, технология электронно-лучевой наплавки (ЭЛН) позволяет наиболее полно реализовать основные условия создания износостойких покрытий на основе боридов титана с ярко выраженной гетерогенной структурой, обеспечивая регулируемый переход от покрытия к основе с прочностью сцепления, сравнимой с прочностью основного материала. Результаты исследований показали высокую износостойкость ЭЛН-покрытий, находящуюся на уровне традиционных твердых сплавов ВК15. В то же время наличие в структуре наплавок железной матрицы не обеспечивает им коррозионную стойкость при температурах выше 773 К.

В настоящей работе представлены результаты исследования структуры, фазового состава и свойств покрытий системы Ti-Si-B, полученных электронно-лучевой наплавкой в вакууме и методом электронно-лучевого оплавления шликерной обмазки. Замена железа кремнием имела целью создать износостойкие покрытия с повышенным уровнем коррозионной стойкости. Кроме того, композиционные материалы данных систем перспективны для получения покрытий на титановых сплавах. В работе [2] в нанокристаллических покрытиях системы Ti-Si-B, полученных вакуумно-плазменным методом с сепарацией плазмы от капельной фракции, обнаружена фаза Ti3SiB2 с наноламинатной структурой.

Эта фаза является аналогом карбосилицида титана Ti3SiС2, обладающего высокой жаро - эрозионной и коррозионной стойкостью. В связи с этим представляло также интерес исследовать возможность получения MAX-фазы Ti3SiB2 в процессе самораспространяющегося высокотемпературного синтеза (СВС) и в покрытиях после электронно-лучевой наплавки композиционных порошков системы Ti-B-Si, полученными из продукта синтеза.

1. ЛИТЕРАТУРНЫЙ ОБЗОР

1.1 Получение, свойства и перспективы применения МАХ-материалов на основе титана

Разработка новых жаропрочных материалов, удовлетворяющих современным требованиям конструкторов авиационных двигателей к наиболее нагруженным деталям (прежде всего, к лопаткам и дискам проточной части турбины), является важнейшей задачей авиационного материаловедения.

Последние восемь лет большой практический интерес с точки зрения создания материалов для будущего применения в авиадвигателестроении вызывают так называемые МАХ-материалы, получению и свойствам которых посвящено более 100 публикаций в зарубежной периодике.

1.1.1 Общая характеристика МАХ-фаз

Под МАХ-фазой понимается тройная система Мn+1АХn, с гексагональной плотной упаковкой, где М - переходный металл, А - элемент подгруппы а таблицы Менделеева, Х - углерод или азот (рис. 1 и 2) [3-5].

Рисунок 1 - Типы решеток различных МАХ-фаз

Рисунок 2 - Фрагмент таблицы Менделеева, содержащий элементы МАХ-фаз

Среди множества МАХ-фаз, синтезированных к настоящему времени, наибольший интерес с позиций уровня их свойств представляют МАХ-фазы на основе титана - Ti2AlC, Ti2AlN, TiAlC2 и особенно Ti3SiC2. Данные о термостабильности и жаростойкости МАХ-фаз [6-10] в аргоне (до 1700 °С) и на воздухе (до 1200…1500 °С) соответственно, свидетельствует об их высокой перспективности для авиадвигателестроения. Еще одно преимущество этих материалов заключается в их хорошей технологичности, т.е. возможности формообразования стандартными методами механической обработки.

1.1.2 Получение МАХ-фаз

МАХ-фаза Ti3SiC2 впервые была синтезирована В.Ещенко и Х.Новотным еще в 1967 г. в Венском университете [11]. В 1972 г. группой ученых из Германии [12] были получены пленки этой фазы CVD-методом из газовой фазы, содержащей хлориды титана, кремния и углерода, и впервые показано, что МАХ-фаза Ti3SiC2 является аномально пластичным для обычных карбидов веществом. Процесс синтеза МАХ-фаз Ti2AlC, Ti2AlN, TiAlC2, Ti3SiC2 и др. хорошо обработан в Дрессельском университете (США) М.Барзоу и Эль-Рахи с сотрудниками методом горячего изостатического прессования из смеси тонкодисперсных порошков (2…10 мкм) титана, углерода и карбида кремния с соотношением компонентов 3:1:1 и 5:2:1, а также а Институте перспективных технологий (Нагоя, Япония) З.М. Саном, З.Ф. Янгом и Х. Хашимото методом СВС в интервале температур 1200…1700 °С при давлении аргона 50…300 МПа [13-15]. Авторами работ [13-15] налажено производство объемных заготовок размером более 1 м3 с низкой пористостью (0,5…2%); при этом было установлено, что промежуточной фазой при образовании Ti3SiC2 во всех случаях являлся силицид Ti5Si3.

1.1.3 Свойства МАХ-фаз

Физические свойства МАХ-фаз при низких температурах (до 20 °С) были определены в работах [16-18] и систематизированы в диссертации П. Финкеля [19]. В табл. 1 приведены данные о механических свойствах некоторых МАХ-материалов при t=20 °C в сравнении с аналогичными свойствами карбида титана, молибдена и титана, в табл. 2 - значения коэффициентов термического расширения этих веществ. Видно, что Ti3SiC2 обладает свойствами как металлов, так и керамик. Микроструктура МАХ-материалов, синтезированных методами порошковой металлургии (горячего изостатического прессования, СВС и импульсно-разрядного синтеза), имеет слоистую природу и в зависимости от температуры и времени синтеза может быть тонкодисперсной и крупнокристаллической.

Таблица 1 - Механические свойства МАХ-материалов при t = 20 °C

Вещество

Модуль упругости, ГПа

Модуль сдвига, ГПа

Коэффициент Пуассона

Плотность, г/см3

Ti3SiC2

322±2

133,6±0,8

0,200±0,007

4,52

Ti3AlC2

297,5±2

124±2

0,200±0,007

4,20

Ti4AlN3

310±2

127±2

0,220±0,007

4,70

TiC

456-500

193±1

0,18±0,01

4,92

α-Ti

116±2

43,6±1

-

4,50

β-Ti

126±2

19±1

-

-

Mo

318±2

122±1

-

-


Таблица 2 - Коэффициенты термического расширения α некоторых МАХ-материалов

Вещество

Значение α, К-1


по оси а

по оси с

Ti2AlC

7,1±0,3

10,0±0,5

Ti2AlN

8,6±0,2

7,0±0,5

Ti3SiC2

8,6±0,3

9,7±0,6

Ti4AlN3

9,6±0,3

8,8±0,5

TiC

7,4±0,2

7,4±0,5

Ti

8,9±0,1

-


Рисунок 3 - Зерна, формируемые в Ti3SiC2 методом импульсного разряда (а), и слоистый характер микроструктуры внутри удлиненного зерна (б)

Так, в [16] методом импульсно-разрядного синтеза была получена структура, содержащая зерна двух типов - аксиальные и удлиненные (рис. 3, а). Зерна аксиальной формы как бы внедрены в аксиальные матричные зерна, характеризующиеся гетерогенной дуплетной микроструктурой. Удлиненные зерна простираются до 50 мкм в длину, не превышая в ширину 10…15 мкм, в то время как средний размер аксиальных зерен составляет 5 мкм. Слоистую природу внутри удлиненных зерен синтезированного Ti3SiC2 отражает рис. 3, б [16].

В этих же работах впервые были проведены испытания на усталость круглых образцов (19,5×2,5 мм), полученных механической обработкой из компактного материала Ti3SiC2, с частотой нагружения f = 20 Гц. Целью испытаний было металлографическое исследование поведения усталостных трещин при циклическом нагружении. Испытания начинались при напряжении 500 МПа с его повышением на 16,7 МПа, после того как образец выдержал 105 циклов без заметного роста зародившейся на начальной стадии трещины. Анализ данных, полученных в работе, позволил авторам сделать заключение об адекватном механизме развития усталостных трещин в деталях, изготовленных из МАХ-материалов и типичных структурных керамик. Высокое сопротивление усталостным нагрузкам объектов исследования из Ti3SiC2 обусловлено гетерогенностью сформированной пластинчатой микроструктуры МАХ-материала, что может приводить к интенсивной диссипации энергии в окрестности микродефектов, отклонению от начального направления роста, ветвлению трещин и даже в некоторых случаях развитию трещин через целое отдельное зерно. Последнее, впрочем, реализуется лишь при экстремально высоких нагрузках.

Испытания на ползучесть образцов из Ti3SiC2 при растяжении были осуществлены М. Радовичем, М.Барзоу и Т.Эль-Рахи [20-22] в зависимости от температуры, скорости нагружения и размера зерна. Анализ полученных экспериментальных данных позволил авторам работ [21,22] сделать следующие выводы: 1) лимитирующим механизмом деформации является переползание дислокаций; 2) высокая анизотропия пластических свойств Ti3SiC2 приводит к формированию больших внутренних напряжений при растяжении; 3) ползучесть определяется соотношением между скоростями образования и релаксации этих внутренних напряжений; 4) при высоких температурах и небольших скоростях нагружения внутренние напряжения могут уменьшаться, в результате чего материал становится более пластичным (рис.4). При этом образцы с крупнокристаллической микроструктурой характеризовались меньшими скоростями ползучести и более высокой долговечностью по сравнению с образцами с высокодисперсной структурой (3…5 мкм).

Рисунок 4 - Образцы для испытаний при разных температуре t, напряжении σ и продолжительности τ [22]:

1 - исходный образец; 2 - t =1050 °С, σ =60 МПа, τ =50 ч;

- t = 1200 °С, σ =60 МПа, τ = 3,86 ч; 4 - t =1000 °С, σ = 40 МПа, τ = 252 ч;

- t = 1000 °С, σ = 60 МПа, τ = 230 ч; 6 - t = 1200 °С, σ = 20 МПа, τ = 32 ч;

- t = 1200 °С, σ = 60 МПа, τ = 3,86 ч; 8 - t = 1000 °С, σ = 40 МПа, τ = 830 ч

Т. Жен, М. Барзоу, М. Радович и др. [18] исследовали влияние типа микроструктуры Ti3SiC2 (тонкодисперсной и крупнокристаллической) на ползучесть при сжатии на воздухе в интервале температур t = 1100…1300 °C. Авторами работы впервые было показано, что при относительно высоких нагрузках и температурах для образцов с тонкодисперсной микроструктурой увеличивается экспонента напряжений. Последнее предполагает изменение механизма деформации от переползания дислокаций к росту субкритических трещин. Удивительно, что образцы с тонкодисперсной микроструктурой оказались более стойкими к деформации и разрушению, чем образцы с крупнокристаллической структурой. Причину этого авторы работ [18,21] увидели в более высокой склонности крупных зерен к скалыванию и расщеплению. Микротвердость образцов из Ti3SiC2 существенно ниже микротвердости, измеренной с поверхности кристаллитов карбидов и силицидов.

Рисунок 5 - СЭМ-изображение образца из Ti3SiC2 после термоэкспозиции на воздухе при t = 1000 С, τ = 3 ч

Жаростойкость образцов-свидетелей из Ti3SiC2 впервые была определена З.Ф.Янгом, З.М.Саном и Х.Хашимото и др. в работах [19,20] при t = 1000 °C на воздухе. Поверхность образцов из Ti3SiC2 после выдержки на воздухе при указанной температуре в течение различных промежутков времени исследовали методами сканирующей электронной микроскопии (СЭМ) и рентгеноструктурного анализа (рис.5). Видно, что на начальной стадии окисления на поверхности образца образуются мелкодисперсные выделения оксида титана TiO2, а затем оксида кремния SiO2. Таким образом, было показано, что механизм окисления Ti3SiC2 аналогичен механизму окисления силицидов титана Ti5Si3 и TiSi2.Проведенный критический анализ опубликованных данных позволяет сделать заключение о достаточно высоких усталостных и коррозионных свойствах, а также жаропрочности МАХ-материалов.

1.1.4 Получение покрытий на основе МАХ-фаз в системе TinSiBm

В России (ММП им. В.В.Чернышева, МАИ, НИИЭФА им. Д.В.Ефремова, НИИ «Композит», Станкин, МИФИ) и Беларуси (НИИ порошковой металлургии НАН Беларуси) в 2004-2006 гг. были начаты исследования по формированию МАХ-материалов методом СВС с последующим горячим изостатическим прессованием при t=1200…1500°C и Р = 50…100 МПа для проверки результатов М.Барзоу и получения новых материалов (возможно, из этого же класса МАХ-фаз) в системе TinSiBm на тему: «Разработка основ технологических процессов нанесения коррозионно-эрозионно-стойких макс-покрытий на поверхность деталей из титановых сплавов с помощью сильносточных ионных и электронных пучков». Цель этих исследований заключалась в разработке комплексных технологий модификации поверхности лопаток и дисков компрессора из жаропрочных титановых сплавов для ГТД и энергосиловых установок нового поколения. Для достижения поставленной цели предполагается использовать: вакуумно-плазменное осаждение (с сепарацией плазмы от капельной фракции) защитных покрытий на основе МАХ-фаз Tin+1SiBn и Tin+1AlCn, ассистированное ионной имплантацией; модификацию поверхности этих покрытий концентрированными импульсными потоками энергии (сильноточные электронные пучки); финишную термообработку.

Предметом исследования также являются лопатки и диски компрессора ГТД и повышение, прежде всего, усталостных, эрозионных и коррозионных свойств. Еще одно из важнейших требований - замена ручного полирования на электронно-лучевое выглаживание поверхности.

Решить эти задачи с использованием какого-либо одного, даже наиболее эффективного метода не удается. Поэтому было предложено использовать несколько перспективных методов поверхностной обработки, что должно обеспечить за счет сложения преимуществ каждого метода достижение требуемого уровня свойств. Сложность решения поставленных задач обусловлена, с одной стороны, недостаточным развитием теории предлагаемых новых методов модификации, что затрудняет выбор оптимальных режимов обработки, а с другой - большим объемом экспериментов по исследованию влияния на физико-химическое состояние поверхности и свойства деталей различных способов воздействия на материал поверхностных слоев, тем более что это воздействие осуществляется в разной последовательности.

У нас в стране и за рубежом уже более 20 лет проводят исследования по разработке коррозионно-стойких покрытий для деталей из жаропрочных титановых сплавов. Результаты этих исследований показали, что наилучшими эксплуатационными свойствами деталей из титановых сплавов обладают изделия, на поверхность которых нанесены коррозионно-эрозионно-стойкие нанопокрытия на основе МАХ-фаз систем титан-кремний-бор и титан-алюминий-углерод. В то же время на практике чаще всего используют покрытия из нитридов титана и циркония, что, несмотря на низкую адгезию покрытия к основе и снижение сопротивления усталости деталей с такими покрытиями, обусловлено удовлетворительной технологичностью их нанесения. То, что покрытия на основе МАХ-фаз систем титан-кремний-углерод, титан-кремний-азот, титан-алюминий-углерод и титан-алюминий-азот, а возможно и титан-кремний-бор практически не применяют, связано со сложностью их осаждения с помощью вакуумно-плазменной технологии.

Тонкие пленки на основе МАХ-фаз Ti2AlC, Ti2AlN, Ti3AlC2, Ti3SiC2 и др. были синтезированы магнетронным распылением в условиях ультравысокого вакуума (6,67·10-8 Па) Дж. Палмквистом с сотрудниками в университете г. Упсала (Швеция) с применением отдельных мишеней из чистых компонентов будущего покрытия (титан, алюминий, кремний, углерод или карбид титана/кремния), а также многокомпонентной мишени, содержащей соответствующую МАХ-фазу [22-24]. Скорость осаждения в этих экспериментах составляла всего 3 нм/мин. Пленки толщиной 20…50 нм осаждали при разной температуре (t=30…900 °C) на основу из α-Al2O3 (0001). После этой операции образцы отжигали при t=400 °C в течение 30 мин в высоком вакууме (6,67·10-8 Па) для снятия остаточных напряжений.

Г.Е. Ремнев и В.А. Шулов [25] получили нанокристаллические пленки из Ti2AlC толщиной 50 нм на поверхности образцов из сплава ВТ18У при облучении мощным ионным пучком наносекундной длительности с энергией 300 кэВ при плотности ионного тока 150 А/см2 за счет конденсации пароплазменного облака, сформированного на начальной стадии действия импульса при реализации механизма абляции компонентов сплава и адсорбированных атомов углерода. Именно при таком режиме облучения авторы [25] зафиксировали максимально высокие эксплуатационные характеристики (сопротивление усталости и солевой коррозии, жаростойкость), хотя на поверхности было отмечено образование микродефектов в форме кратеров, наличие которых должно было снижать эти свойства.

Н.А. Ночовная, А.И. Рябчиков, И.Б. Степанов и др. [26] опубликовали предварительные результаты пробных экспериментов, проведенных в НИИЯФ при ТПУ, в МАИ, на ММП им В.В. Чернышева и в ВИАМе, по созданию и определению свойств коррозионно-эрозионных покрытий системы титан-кремний (20% масс.) - бор (4% масс.) на деталях компрессора ГТД из сплава ВТ6. для нанесения покрытий использовали источник ионных пучков и плазмы «Радуга-5» и установку ННВ6 с дуговым испарителем.

На основе анализа полученных данных можно сделать заключение о том, что покрытие Ti-Si-B, полученное с использованием источника «Радуга-5», обладает комплексом свойств, существенно превышающим по уровню характеристики как аналогичных покрытий, полученных без имплантации и сепарации плазмы, так и отдельных по составу покрытий. Тем самым на этом этапе удалось экспериментально подтвердить вывод о перспективности использования источников «Радуга-5» и покрытий указанной системы для защиты лопаток компрессора с острыми кромками от пылевой эрозии и солевой коррозии.

К сожалению, авторы [26] не смогли объяснить аномально большую толщину модифицированных слоев (20…25 мкм) и не представили результатов рентгеноструктурного анализа и просвечивающей электронной микроскопии. В противном случае стало бы понятно, что высокий уровень эксплуатационных свойств, зафиксированных для образцов с покрытием, обусловлен формированием в поверхностном слое нанокристаллической структуры, содержащей Ti5Si3, TiB2, TinSiBm. формирование этих соединений протекает по экзотермическим реацкиям с выделением большого количества теплоты (СВС в условиях ионной имплантации и вакуумно-дугового осаждения при высокой плотности ионного тока), что вызывает нагрев поверхностного слоя до высоких температур и высокоскоростное охлаждение, определяющие в своей совокупности толщину модифицированных поверхностных слоев. Тем не менее, авторам [26] не удалось сформировать покрытие на основе только TinSiBm, что обусловлено, прежде всего, нарушением стехиометрии при изготовлении катода.

Задачей ближайшего будущего является получение на поверхности лопаток ГТД коррозионно-эрозионно-стойких покрытий из МАХ-фаз толщиной более 10 мкм, что должно обеспечить достижение высокого уровня эксплуатационных свойств наиболее нагруженных деталей ГТД.

В результате критического анализа опубликованных данных по проблеме получения и исследования свойств нового класса материалов (МАХ-фаз) установлено, что кардинальное повышение эрозионных, коррозионных и прочностных характеристик деталей из жаропрочных сплавов удается обеспечить за счет нанесения на поверхность нанокристаллических покрытий систем Ti-Si-B, Ti-Si-C и Ti-Al-C на основе МАХ-фаз Решение этой проблемы становится возможным только в настоящее время, что обусловлено созданием уникального и не имеющего аналогов оборудования для электронно-лучевой и ионно-лучевой обработки.

1.2 Методы нанесения покрытий

В настоящее время развивается несколько направлений модификации металлических материалов с использованием нетрадиционных методов обработки, основанных на применении различных видов воздействия (типов излучения): лазерная и электронно-лучевая обработка, воздействие мощных (сильноточных) импульсных и непрерывных ионных пучков, потоков высокотемпературной импульсной плазмы. Учитывая процессы, происходящие при взаимодействии данных источников излучения с твердым телом, модификация поверхности конструкционных и функциональных материалов может осуществляться различными методами:

.        Нанесение пленок, покрытий, в том числе многослойных;

.        Изменение структуры приповерхностных слоев на глубины до нескольких десятков микрометров в результате их быстрого нагрева концентрированными потоками энергии и высокоскоростного охлаждения (лазерное, электронное, плазменное воздействие);

В конечном итоге, модификация - это изменение структурно фазового состояния, физико-химических и физико-механических свойств материалов и эксплуатационных характеристик изделий или полуфабрикатов.

Выбор метода модифицирования определяется требуемыми задачами и возможностями их решения. В большинстве случаев нетрадиционные технологии используются для улучшения трибологических свойств (повышение износостойкости и уменьшения коэффициентов трения), увеличение коррозийной и эрозийной стойкости, твердости, прочности, жаростойкости, термостойкости, выносливости и других эксплутационных характеристик материалов.

Необходимо отметить, что данные методы в целом также имеют как преимущества, так и недостатки в сравнении с традиционными технологиями обработки металлов и сплавов.

В качестве основных преимуществ нетрадиционных технологий модификации материалов следует отметить следующие:

.        Локальность обработки во времени и пространстве;

.        Возможность обработки заданных участков поверхности при минимальном искажении геометрии обрабатываемой поверхности изделия и минимальных термических напряжениях;

.        Обработка и модификация поверхностных слоев без изменения свойств объема материала (исключаются затраты энергии на обработку внутренних не требующих модификации объемов);

.        Увеличение растворимости (содержания) элементов в твердом состоянии и возможность создания метастабильных пересыщенных твердых растворов и промежуточных фаз;

.        Экологическая чистота процессов обработки [27].

1.2.1 Электронно-лучевая наплавка

Наплавка - один из наиболее распространенных способов повышения долговечности и работоспособности различных деталей и механизмов. Технология наплавки широко используется как при изготовлении, так и при ремонте деталей машин и инструмента. Целью наплавки является восстановление размеров изношенных деталей, повышение износостойкости, получение слоя с особыми свойствами, упрощение технологии изготовления некоторых изделий. Наиболее перспективным из методов нанесения покрытий является электронно-лучевая наплавка [28].

При электронно-лучевой наплавке (ЭЛН) для образования жидкометаллической ванны используется энергия, получаемая в результате бомбардировки основного металла ускоренными электронами, сформированными в узкий пучок. При бомбардировке электронами поверхности металла подавляющая часть кинетической энергии электронов превращается в тепловую, которая используется для расплавления металла и образования жидкометаллической ванны, в которую с помощью порошкового питателя поступает наплавочный материал. При нагреве электронным лучом за очень короткий промежуток времени в пятне могут быть получены весьма высокие температуры. Расчет, проведенный в работе [29], показывает, что в слое металла, подвергающегося электронной бомбардировке при толщине слоя, равной пробегу электрона, в течение 1 с должна была бы устанавливаться температура порядка 107-108 С. В реальных условиях такие температуры в металле, подвергаемом электронной бомбардировке, существовать не могут вследствие гидродинамических процессов, испарения металла и интенсивного перемешивания расплавленного металла газами и парами, выделяющимися при нагревании, на что расходуется значительная часть энергии. Интенсивность энергии в электронном луче должна иметь свой оптимум, т.к. при очень высокой сосредоточенности источника теплоты процесс сопровождается не только плавлением, но и интенсивным испарением металла.

Процесс передвижения луча по изделию сопровождается дополнительными явлениями, также обусловленными интенсивным действием электронного луча. При движущемся электронном луче плавление металла подложки происходит на передней стенке ванны расплава, в которую поступают порошковые материалы, после чего расплавленный металл перемещается к задней стенке, не подвергающейся нагреву электронным лучом. При относительном перемещении изделия и электронного луча возникает значительный градиент температур в ванне расплава. На передней стенке ванны, которая подвергается воздействию электронного луча, температура в поверхностном слое может достигать температуры кипения, на задней же стенке ванны расплава температура близка к температуре кристаллизации.

Очевидно, причину переноса металла необходимо искать в нарушении термодинамического равновесия, вызванного несимметричным расположением источника теплоты в ванне расплава.

Известно, что сила поверхностного натяжения ванны расплава зависит от температуры. Чем выше температура расплава, тем меньше сила поверхностного натяжения. Так как в ванне расплава температура изменяется, то изменяется и сила поверхностного натяжения от точки к точке. При наличии температурного градиента на поверхности появляется дополнительное термокапиллярное напряжение, направленное тангенциально поверхности. Термокапиллярное напряжение вызывает течение жидкости в направлении от мест с меньшим к местам с большим поверхностным натяжением, т.е. перемещение жидкого металла в сторону убывания температуры. Кривизна поверхности ванны расплава в сочетании с неравномерностью температуры служит дополнительной причиной движения жидкого металла.

В реальных процессах наплавки существуют и другие направления перемещения жидкого металла (под действием силы тяжести, вследствие неравномерного распределения температур по высоте ванны), которые усложняют движение металла внутри ванны. Явление перемещения металла внутри ванны весьма сложное и зависит во многом от параметров режима наплавки, свойств порошковых материалов и основного металла, поэтому вопрос о перемещении металла при электроннолучевой наплавке требует дальнейшего изучения.

Сравнительные исследования структуры, физико-механических свойств и износостойкости покрытий, полученных различными методами: плазменного напыления с оплавлением, дуговой и электронно-лучевой наплавки порошковыми материалами в вакууме (ЭЛН) показывают, что ЭЛН-технология имеет существенные преимущества перед альтернативными технологиями [30]:

·   отсутствуют потери наплавляемого порошка;

·   не только исключается опасность окисления наплавляемого порошка, но и происходит рафинирование его от растворенных газов и окислов;

·   обеспечивается плавно регулируемый переход от покрытия к основе, за счёт чего сводится к минимуму напряжения на границе раздела, которые обычно приводят к растрескиванию и отслоению покрытия;

·   минимальное коробление и поводка деталей;

·   возможность наплавки большей толщины (10-15мм);

·   прочность сцепления покрытия с основой сравнима с прочностью материала основы;

·   износостойкость ЭЛН покрытий в 2-5 раз выше по сравнению с напылёнными и 1,5-2 раза по сравнению с напылёнными и оплавленными.

Сравнение ЭЛН метода с наиболее близким ему по технологическим возможностям методом лазерной наплавки и оплавления позволяет отметить следующие преимущества ЭЛН метода:

·    большой термический КПД нагрева (85% в сравнении с 15% от лазерного нагрева);

·        используется более дешевая (на порядок) вакуумная защита вместо инертных газов при лазерной наплавке;

·        независимость поглощения энергии от оптических свойств наплавляемой поверхности (не требуется нанесение светопоглощающих покрытий);

·    стоимость электронно-лучевой наплавочной установки на порядок ниже стоимости лазерной установки.

Значительное дополнительное снижение стоимости ЭЛН наплавки по сравнению с другими газотермическими способами достигается благодаря использованию электронной пушки с плазменным катодом, так как в этом случае наплавку можно вести в техническом вакууме (Р<5*10-1 Па) и даже в химически активной среде с ресурсом работы пушки порядка 10000 часов, что обеспечивает наплавку 600 кг порошка.

Главным недостатком метода является необходимость обработки изделия в вакууме. Поэтому усложнена обработка крупносерийных или крупногабаритных изделий. Известно, например, что для сварки основы фюзеляжа самолёта используются вакуумные камеры размером с небольшой цех. Малая глубина проникновения в обрабатываемый материал является недостатком при поверхностной закалке сталей на глубину порядка 1 мм и ещё большим недостатком при наплавке порошковых материалов, что накладывает ограничения при обработке на скоростных режимах. При наплавке некоторых материалов выделяются вредные газы и микрочастицы, которые попадают на катод электронной пушки и другие чувствительные к загрязнением элементы конструкции (например, высоковольтные изоляторы). Достигающаяся производительность при закалке равна 3 см2/с при глубине обработки 1 - 1,5 мм.

ЭЛН технология используется как для восстановления изношенных, так и для упрочнения новых деталей машин и инструмента широкой номенклатуры: коленчатые валы, поршни и гильзы дизельных и карбюраторных двигателей, насосов, компрессоров и т.д; крестовины карданных передач, детали запорно-регулирующей трубопроводной арматуры (седла, клапаны, штоки);защитные рубашки валов насосов (под сальниковую набивку); защитные износостойкие и жаростойкие покрытия на детали, работающие в высокотемпературном газовом потоке с абразивными частицами; подшипники скольжения, опоры; дереворежущий и металлорежущий инструмент [30].

2. МАТЕРИАЛЫ И МЕТОДЫ ИССЛЕДОВАНИЯ

Методом СВС из порошковых смесей получали композиционные материалы, рассчитанные на состав 3Ti-Si-2B. Использовали 2 варианта порошков: 1) порошки для электронно-лучевой наплавки покрытий готовили размолом СВС - материалов в шаровой мельнице до размера 50-150 мкм; 2) порошки для шликерной обмазки - до размера менее 50 мкм.

Наплавку производили в 2÷4 прохода на подложки из титанового сплава ВТ6 размером 100×25×3 мм. Ускоряющее напряжение, диаметр и длина развертки электронного луча, скорость перемещения подложки составляли соответственно: 28 кВ/мм, 1мм, 20 мм и 2 мм/с. Плотность мощности в луче составляла 104-105 Вт/см2. Объем расплавленной ванны варьировался в пределах 15-20 мм3. Толщина наплавленного слоя достигала 3-4 мм.

2.1    Металлографический анализ

Наплавочный материал исследовали с помощью металлографического микроскопа МИМ-9. Для исследования переходной зоны и микроструктуры покрытий приготовлялись поперечные шлифы путем механического полирования на алмазных пастах.

При приготовлении шлифов необходимо соблюдать некоторые общие требования: избегать деформации поверхности шлифа, которые могут исказить результаты микроисследования; на поверхности шлифа не должно быть царапин, рисок; не должно происходить выкрашивание структурных составляющих [31]. Полировку осуществляли механическим способом в два этапа. Для предварительного полирования использовали алмазные пасты различной зернистости, которые наносили на сукно, натянутое на диск, либо на бумагу. Для окончательного полирования на тонкое сукно наносили водную суспензию из окиси хрома. Приготовленные таким образом шлифы удовлетворяли требованиям, предъявляемым к объектам для металлографических исследований.

Для выявления микроструктуры применяли химическое травление. В качестве травителя использовали “царскую водку” (для выявления кристаллов TiB2).

2.2    Рентгенографический анализ

На основе известных закономерностей рассеивания рентгеновских лучей в кристаллической решетке рентгенографические методы позволяют получать информацию о кристаллической структуре наплавочного материала и его фазовом составе [32]. Проводили послойный рентгенофазовый анализ образцов, который позволил наряду с другими методами исследований проследить последовательность фазовых превращений. Исследования проводились на порошковых образцах и с поверхности шлифов.

Анализ осуществляли с помощью дифрактометра ДРОН-4. Применяли характеристическое излучение CoKα. Качественный фазовый состав образцов устанавливался сравнением интенсивностей линий на дифрактограммах и соответствующих им межплоскостных расстояний ddkl [33] с аналогичными параметрами известных веществ по общепринятой методике [34].

Основной задачей рентгеноструктурного анализа являлось определение кристаллической структуры составляющих фаз в наплавленном покрытии. Рентгеноструктурный анализ состоял в индицировании рентгенограмм и определении параметров кристаллических решеток высокобористых фаз. Индицирование проводили с помощью аналитических методов, в том числе метода Хесса-Липсона и метода подбора изоструктурных соединений [33]. Параметры решеток определяли с помощью метода наименьших квадратов.

шликерный наплавка титан обмазка

2.3 Испытание на микротвердость

Метод микротвердости позволяет определять твердость материала в микроскопически малых объемах (при изучении твердости отдельных фаз или включений сложных структур сплавов) и проследить ее изменение в зависимости от химического состава, условий термообработки и т.д., а также объяснить явления, сопровождающие износ металлов [35].

Микротвердость определяли по величине отпечатка, оставленного при вдавливании алмазного наконечника (индентора) пирамидальной формы в полированную плоскую поверхность покрытия .

Микротвердость измеряли на приборе ПМТ-3 (ГОСТ 9450-76) при нагрузке 100 грамм.

2.4    Испытание покрытий на сопротивление абразивному износу

Износостойкость является одной из основных характеристик любого инструмента и некоторых деталей машин и механизмов. В натурных условиях работы оборудования и инструментов при абразивном изнашивании возможны различные схемы внешнесилового воздействия абразива, изучение которых по предметному признаку трудоемко и методически нецелесообразно.

Различие видов абразива и схем силового взаимодействия обуславливает разновидности абразивного изнашивания: изнашивание при трении скольжения по монолиту абразива; при трении единичными частицами незакрепленного абразива, расположенного между поверхностями трения скольжения; при движении деталей в незакрепленной абразивной массе, при качении по монолиту и незакрепленному абразиву; при ударе по различным видам абразива; при воздействии частиц абразива, движущихся в потоке воздуха и жидкости.

Несмотря на различие по внешнему силовому взаимодействию абразивных частиц с поверхностью контакта, между этими разновидностями абразивного изнашивания прослеживается общность. Для каждого из них характерно прямое внедрение частицы в поверхность контакта и последующее перемещение по ней (при трении) или далее в глубь металла (при ударе по абразиву и трении качения).

Уровень силового воздействия абразивной частицы на поверхность изнашивания может быть разным, но характер силового нагружения и кинематика поведения частицы в различных условиях абразивного изнашивания имеют определенное сходство, что обуславливает общность рельефа, основных закономерностей, критериев износостойкости и путей снижения износа.

Макрорельеф в зоне изнашивания при трении скольжения имеет явно выраженные следы рисок, как результат микрорезания или пластического оттесания металла.

Глубина рисок, их форма, протяженность, частота размещения, наличие вмятин и выкрашивания - все эти характеристики при различных видах абразивного изнашивания зависят от соотношения свойств абразивной частицы и металла.

Способность абразивной частицы внедряться в поверхность изнашивания на первом этапе взаимодействия обусловливает поражение ее путем образования лунок; на втором - при движении частицы вдоль поверхности трения скольжения - путем микрорезания, пластического деформирования, выкрашивания.

Один из критериев износостойкости для всех видов абразивного изнашивания - твердость поверхности изнашивания.

Твердость определяет возможность развития второго этапа - микрорезания при движении частицы по поверхности.

В общности этого критерия выявляется общий подход к изысканию путей уменьшения износа.

На втором этапе воздействия абразива: при движении частиц по поверхности изнашивания, также прослеживается некоторая общность - направленное скольжение частицы.

Общность в механизме различных видов абразивного изнашивания обусловлена сходством самого абразива: формы и размеров частиц, их прочности и твердости, минералогических особенностей строения, способности поражать металл и склонности к разрушению в момент начального этапа взаимодействия.

Способность абразивных частиц изнашивать металл при определенном их размере во всех случаях не превышает безразмерного показателя, равного единице. Это сходство типично для изнашивания при трении скольжения по закрепленному абразиву, по слою незакрепленного абразива и при изнашивании воздушно-абразивным потоком.

На втором этапе воздействия частицы абразива - при движении вдоль поверхности при трении скольжения по ней, также выявляется общность в этих процессах. Это косвенно подтверждается аналогией в закономерностях абразивного изнашивания разных видов.

Абразивный износ о нежесткозакрепленные абразивные частицы (ГОСТ 23.208-79) был выбран для аттестации наплавленных покрытий. Сущность метода состоит в том, что при одинаковых условиях производят трение образцов исследуемого и эталонного материалов об абразивные частицы, подаваемые в зону трения и прижимаемые к образцу вращающимся резиновым роликом, измеряют износ образцов исследуемого и эталонного материалов, а износостойкость испытываемого материала оценивают путем сравнения его износа с износом эталонного образца. Схема установки абразивного износа представлена на рисунке 6.

Рисунок 6 - Схема метода испытаний материалов на изнашивание при наличии абразивных частиц в контакте трущихся поверхностей

- резиновый ролик; 2 - бункер с абразивным материалом;

- испытуемый образец; 4 - образцедержатель;

- рычаг, прижимающий образец к ролику

В качестве абразивного материала используется кварцевый песок зернистостью 160÷350 мкм. Образец прижимают к ролику с усилием 44,1±0,25 Н; в процессе испытания абразивный материал непрерывно подают в зону трения. Испытания проводили для 3 эталонных и 3 испытуемых образцов каждого состава. Образцы взвешивались на весах с точностью до 0,01 мг. Отклонение потери массы образцов одного состава не выходило за пределы 5%.

Относительную износостойкость рассчитывали по следующей формуле (1):

Ки=(Δmэталон×ρобразец)/(Δmобразца× ρэталон)                      (1)

где Ки - коэффициент относительной износостойкости;

Δmэ , Δmи - потеря массы эталонного и испытуемого образцов соответственно;

ρобразец ρэталон плотность эталона и испытуемого материала.

Представленную на рисунке 6 установку по принципу работы нужно было бы отнести к установкам, обеспечивающим изнашивание материалов при наличии абразивных частиц в контакте трущихся поверхностей. Однако благодаря тому, что ролик выполнен из резины, обладающей хорошей податливостью, которая обеспечивает относительную свободу перемещения абразива в зоне контакта трения, эта конструкция позволяет осуществлять имитацию изнашивания о нежесткозакрепленный абразив [36].

Кроме твердости существенным является влияние на износостойкость форма абразивных частиц. Так, при переходе от корундового абразива, который имеет осколочную форму, к кварцевому, имеющему форму сферы, при изнашивании Ст.45 износостойкость изменяется в 10 раз. С увеличением твердости материала влияние формы абразива на значение относительной износостойкости возрастает.

Перед испытанием абразив просушивают (влажность не должна превышать 0,16%), а также производят приработку ролика трением его о поверхность шлифованной шкурки типа 2 (ГОСТ 6456-75) зернистостью №8П (ГОСТ 3647-71), закрепленной в образцедержателе на плоской стальной пластине. После приработки ролик промывают в бензине или ацетоне.

Условия испытания материалов при изнашивании о нежесткозакрепленные абразивы (эталон - Сталь 45, отожженная, твердость MV 1,9-2 ГПа) приводятся ниже:

Размер образца, мм

30*30(50)*h

Размеры резинового ролика, мм

диаметр

48÷59

ширина

15±0,1

Свойства резинового ролика:

твердость по ГОСТ 263-75

78÷85

относительное остаточное удлинение материала по ГОСТ 270-75

15÷20


Испытания на термостойкость покрытий проводили выдержкой в печи при атмосферных условиях при температуре 1073К в течение 144 часов с последующим охлаждением на воздухе.

3. ЭКСПЕРИМЕНТАЛЬНАЯ ЧАСТЬ

3.1 Покрытие Ti-Si-B, полученное методом ЭЛН

Для электронно-лучевой наплавки был использован СВС - порошок, рассчитанный на состав 3Ti-1.2Si-2B. Поскольку в процессе СВС значительное количество кремния теряется, его концентрацию увеличили относительно стехиометрического состава Ti3SiB2 на 20%.

Рентгеноструктурным анализом установлено, что фазовый состав покрытия отличается от состава наплавляемого порошка, что характерно для процесса ЭЛН и обусловлено фазовыми превращениями в условиях активного взаимодействия компонентов порошка с титановым расплавом. Из анализа дифрактограммы, изображенной на рис.7.а, следует, что основными фазами в СВС-порошке являются TiB2 и TiSi2. Рентгенограмма, представленная на рис.7.б, характеризует многокомпонентный состав поверхностного слоя ЭЛН-покрытия, в котором наряду с TiB2 дополнительно появляются фазы Ti6SiB2 и α-Ti.

Рисунок 7 - Рентгенографические спектры композитного СВС - порошка (а) и поверхности ЭЛН- покрытия (б). 1 -TiB2, 2 - TiSi2, 3 - α -Ti, 4- Ti6SiB2

Как в СВС - порошке, так и в покрытии MAX-фаза Ti3SiB2 не обнаружена. Приведенные в работе [2] данные, на наш взгляд, не содержат убедительного доказательства образования фазы Ti3SiB2 в СВС - катодах и в вакуумно-плазменных покрытиях.


Рисунок 8 - Микроструктура ЭЛН-покрытия системы 3Ti-1,2Si 2В: а) - у границы раздела с подложкой из сплава ВТ6; б) - в приповерхностной зоне наплавленного слоя

Микроструктура ЭЛН - покрытия представлена на рисунке 8. При анализе поперечного шлифа установлено, что в процессе наплавки сформировалась неоднородная структура по глубине слоя: частицы диборида титана с переменной объемной плотностью распределены по толщине покрытия. В участках, прилегающих к границе раздела со стороны покрытия, наблюдаются конгломераты частиц по твердости (Нµ=28ГПа) и размерам (50-150 мкм) соответствующие исходным частицам наплавляемого СВС-порошка. Наибольшее количество боридов(~20 мас.%), имеющих размер 5-12 мкм, содержится в приповерхностном слое покрытия. По данным РФА, металлическая связка сформированного покрытия может быть представлена, по крайней мере, двумя эвтектиками: двойной- Ti6Si2B- β-Ti и тройной- Ti6Si2B- Ti5Si3- β-Ti. Очевидно, что появление легкоплавких эвтектик значительно ускоряет процессы взаимодействия компонентов между собой и на границе раздела с подложкой. Об этом свидетельствует наблюдаемая непосредственно под границей раздела (в местах формирования ванны расплава) измененная волнообразная структура, которая, вероятно, обусловлена диффузией продуктов наплавки в титановую подложку.

Рисунок 9 - График распределения микротвердости Нµ по глубине слоя ЭЛН- покрытия системы 3Ti-1.2Si-2B

Неоднородность структуры наплавки системы 3Ti-1,2Si-2B также подтверждает скачкообразное распределение микротвердости по сечению наплавленного слоя, где максимум значений соответствует скоплениям боридов титана (Нm=28-32ГПа), а минимум твердости приходится на металлическую связку эвтектического типа и находится в диапазоне Нm= 6 -15ГПа (рис. 9).

3.2 Покрытие Ti-Si-B, полученное электронно-лучевым оплавлением шликерной обмазки

Опыт создания покрытий из СВС- композиционного порошка системы Ti-Si-B методом электронно-лучевой наплавки показал, что сам процесс наплавки был несколько затруднен из-за пониженной жидкотекучести формируемого на титановой подложке расплава. В связи с этим, с практической точки зрения, представляет интерес использовать для создания покрытий данной системы совмещенную технологию, включающую в себя нанесение порошковой смеси на упрочняемую поверхность в виде шликерной обмазки с последующим электронно-лучевым оплавлением. Данный метод, с нашей точки зрения, может позволить создавать более тонкие и качественные покрытия, толщиной от 0,3 - 5 мм с высоким уровнем механических характеристик. В связи с этим, в работе сделана попытка отработать технологические режимы создания покрытия системы Ti-Si-B и провести предварительные исследования их структуры, твердости, фазового состава и износостойкости.

3.2.1 Подготовка суспензии для шликерной обмазки

Шликерный метод широко известен и заключается в нанесении порошковой суспензии на спиртовой основе на поверхность образцов с последующей сушкой и оплавлением электронным пучком. Технология нанесения шликера состояла в следующем: готовилась смесь высокодисперсных порошковых композиционных материалов системы Ti-Si-B, полученных методом СВС. Порошковая смесь заливалась спиртовым раствором до образования густой суспензии, которая наносилась на титановые подложки обмазкой толщиной 0,5 мм.. В зависимости от заданной толщины защитных покрытий, химического состава и требуемых свойств, предъявляемым к ним, количество слоев может быть увеличено последовательным нанесением суспензии измененного химического состава на предыдущий. В нашем случае готовилось двухслойное покрытие: на первый, высушенный в печи и оплавленный электронным лучом в вакуумной камере электронно-лучевой установки, слой наносился второй, толщиной 0,5 мм, и подвергался аналогичной процедуре: сушке и оплавлению.

Учитывая влияние различных технологических факторов на фазо-структурообразование в оплавленном слое было проведено предварительное определение параметров электронно-лучевого оплавления, позволяющих формировать на поверхности подложек покрытия Ti-Si-B без пор и макродефектов.

3.2.2 Режимы электронно-лучевого оплавления шликерных обмазок

Очевидно, что основными факторами, влияющими на структуру и фазовый состав покрытий, являются толщина нанесенного слоя легирующей обмазки и плотность мощности электронного луча. Режимы оплавления на установке ЛУНА-9 отрабатывали на серии образцов со шликерными обмазками системы Ti-Si-B до получения качественного покрытия без пор и раковин.

В качестве предварительных режимов оплавления, показавших удовлетворительное качество всех оплавленных слоев, были выбраны следующие параметры: U=24кВ, I=60мА, диаметр электронного пучка d=1мм, скорость перемещения V= 3 см/сек.

3.2.3 Структура и свойства оплавленных покрытий системы 3Ti-1,2Si-2B

На дифрактограмме, полученной с поверхности шликерного покрытия системы 3Ti-1,2S-2B, отчетливо видно, что по сравнению с ЭЛН-покрытием (рис. 7), фазовый состав претерпел значительные изменения. Структура покрытия представлена фазами α -Ti, TiB2 и TiSi2. Причем максимальную интенсивность имеют рефлексы от фазы α -Ti.(рис. 10). Фаза Ti6SiB2 не обнаружена.

Рисунок 10 - Дифрактограмма поверхности покрытия системы Ti-S-B, полученного методом шликерной обмазки с последующим электронно лучевым оплавлением 1 -TiB2, 2 - TiSi2, 3 - α -Ti

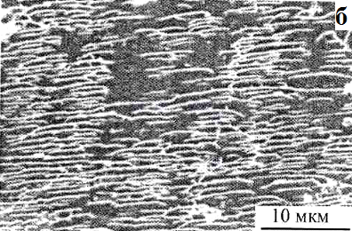
На рисунке 11 представлена микрострукрура покрытия, полученного электронно-лучевым оплавлением шликерной обмазки. Из рисунка видно, что в покрытии сформировалась довольно крупнодисперсная структура.


Рисунок 11 - Микроструктура покрытия 3Ti-1.2Si-2B, полученного электронно-лучевым оплавлением шликерной обмазки:

а) граница раздела с подложкой из сплава ВТ6;

б) приповерхностная зона наплавленного слоя

Анализ распределения микротвердости шликерного покрытия по толщине слоя (рис. 12) также показал неоднородность сформированной при электронно-лучевом оплавлении микроструктуры покрытия, что выражается в скачкообразном распределении микротвердости по сечению оплавленного слоя, где максимум значений соответствует твердости Нm= 14 ГПа, а минимум твердости приходится на металлическую связку и находится в диапазоне Нm= 8 -11ГПа (рис. 12).

Рисунок 12 - График распределения микротвердости Нµ по глубине слоя покрытия Ti-Si-B - электронно-лучевое оплавление шликерной обмазки

В таблице 3 приведены результаты исследований абразивной износо- и термостойкости покрытий системы 3Ti-1,2Si-2B. Для сравнительного анализа проводили аналогичные испытания на образцах с ЭЛН-покрытиями состава TiB2-30%Fe.

Таблица 3 - Относительная износостойкость (Ки) и привес образцов с покрытиями (мг/мм2) за время экспозиции 144 ч. при 1073 К

Материал покрытия

Ки

Привес, мг/мм2

1

Эталон Ст.45

1.0


2

TiB2-30%Fe

3.8

25,0

3

3Ti-1,2Si-2B (шликерная обмазка + оплавление электронным лучом)

5

12,0

4

3Ti-1,2Si-2B (ЭЛН)

9,6

6,5


Коэффициент относительной износостойкости Ки рассчитывали по формуле [3]

Ки=(Δmэ×ρи)/(Δmи × ρэ)

де Δmэ , Δmи - потеря массы эталонного и испытуемого образцов, соответственно, ρи, ρэ - плотность эталона и испытуемого образца.

Наибольший относительный коэффициент износостойкости имеет покрытие системы Ti-Si-B, полученное методом ЭЛН. Несколько уступает ему по износостойкости покрытие Ti-Si-B, полученное методом электронно-лучевым оплавлением шликерной обмазки. Самый низкий коэффициент износостойкости показали покрытия системы Ti-B-Fe.

Анализ полученных результатов свидетельствует о том, что по уровню износо- и термостойкости исследуемые в работе покрытия можно расположить в порядке их возрастания в следующей последовательности: TiB2-30%Fe → 3Ti-1,2Si-2B (шликерная обмазка) → 3Ti-1,2Si-2B (ЭЛН) (таблица 3).

4. БЕЗОПАСНОСТЬ ЖИЗНЕДЕЯТЕЛЬНОСТИ

4.1 Общие положения

В основных положениях экономического и социального развития наряду с интенсификацией работ по созданию высокоэффективного оборудования и материалов, новых технологических процессов немалую роль отводят вопросам охраны труда, улучшению условий труда.

Первой составной частью безопасности жизнедеятельности является техника безопасности труда. Основным содержанием мероприятий по технике безопасности является профилактика травматизма, т.е. предупреждение несчастных случаев на производстве. Главным направлением в обеспечении безопасности труда является создание высокомеханизированного производства, работа на котором не представляла бы опасности для здоровья человека и организации производства, которая не вызывала бы физического утомления. Важным фактором в возникновении несчастных случаев на производстве является действие на организм человека различных факторов окружающей среды (температура, влажность, загрязненность газами, пылью, вредными парами), уровень освещенности рабочих мест, наличие и интенсивность электромагнитных полей и ионизирующих излучений, шума и т.д.

Второй значительной частью безопасности жизнедеятельности является производственная санитария, основу которой составляет обеспечение санитарно-гигиенических условий труда, предупреждение профзаболеваний и отравлений.

Третьей частью, рассматриваемых статей в безопасности жизнедеятельности, составляет противопожарная техника безопасности. Загорание, пожары и в особенности воспламенения, сопровождающиеся взрывами, приводят к несчастным случаям. Поэтому необходимо строгое соблюдение противопожарного режима на предприятии, а также защита зданий и сооружений, машин, оборудования и т.д. от возгорания и распространения огня.

Наибольшее место в противопожарной безопасности отводится профилактике. Задача пожарной профилактики состоит в изучении наиболее эффективных методов и средств по их предупреждению, а в случае возникновения пожара - в ликвидации его в кратчайший срок с минимальным ущербом.

.2 Мероприятия по технике безопасности и производственной санитарии при работе на металлографическом микроскопе «МИМ-9»

К самостоятельной работе на металлографическом микроскопе «МИМ 9» допускаются лица, достигшие восемнадцати лет, не имеющие медицинских противопоказаний к работе (в частности, - с напряжением зрения), прошедшие инструктаж на рабочем месте (с записью в журнале инструктажа) и обученные безопасным приемам работ на микроскопе. Персонал должен быть аттестован на группу допуска по электробезопасности.

Для обслуживания микроскопа распоряжением руководителя работ назначается сотрудник, имеющий группу допуска по электробезопасности не ниже третьей. К профилактическим работам и ремонту электрических узлов микроскопа допускаются только специалисты, назначенные руководителем.

Физически опасными, химически вредными и психически опасными производственными факторами по ГОСТ 12.0.003-74 являются:

опасности электротравм (из-за неисправности электроизоляции микроскопа);

повышенная ионизация воздуха при работе лампы ДКсШ-200 (озон по ГОСТ 12.1.005-88 при достижении предельно допустимой концентрации отнесен к веществам первого класса, т.е. веществам чрезвычайно опасным);

применение ЛВЖ (пары бензина, спирта, эфиров, т.е. вещества второго класса опасности) вызывает анемию, действует на организм наркотически, неблагоприятно действует на нервную систему, при попадании на кожу вызывает сухость кожи, а также является объектом пожарной опасности, работы с ЛВЖ разрешается выполнять под вытяжкой вентиляции в соответствии с требованиями;

·    повышенная яркость света;

·        пониженная контрастность;

·        перенапряжение зрения;

·        монотонность труда.

Работающие обеспечиваются хлопчатобумажными халатами по ГОСТ 12.4.132-83. Для смены лампы ДКсШ-200 «МИМ-9» должен комплектоваться защитной маской (щитком НБХ ГОСТ 12.4.023-76) и перчатками ГОСТ 12.4.103-85.

Для принятия правильной рабочей позы, резко влияющей на утомляемость, высота сидения должна регулироваться по росту работника.

При возгорании микроскопа следует применять такие средства пожаротушения (предварительно отключив электропитание), которые обеспечивают минимальный ущерб прибору и помещению.

В случае поражения электрическим током или получения травмы, необходимо поставить в известность заведующего лабораторией или администрацию института [37].

4.3 Промышленная санитария

Научно-исследовательская работа выполнялась в лаборатории Композиционных материалов при ИФПМ СО РАН.

В данном разделе произведен расчет искусственного освещения, разработаны требования безопасности и комплекс защитных мероприятий на рабочем месте, рассмотрены вредные факторы, действующие на сотрудника лаборатории. Также этот раздел включает подразделы охраны окружающей среды и чрезвычайных ситуаций.

По характеру физической нагрузки работа инженера-разработчика относится к разряду легких, но она сопряжена с большой умственной и нервно-психологической нагрузкой.

Длительная работа в помещении при плохой вентиляции, повышенной или пониженной температуре и влажности воздуха, плохом освещении неблагоприятно сказывается на здоровье работающего, что неизбежно влечет за собой снижение производительности труда.

Опасные и вредные производственные факторы разделяются по природе действия на человека, согласно ГОСТ 12.0.003-74, на следующие группы:

·  физические;

·        химические;

·        биологические;

·        психофизические.

К физическим факторам можно отнести опасность поражения электрически током, поскольку работать приходится с оборудованием, питающимся от сети -220В 50 Гц, воздействие излучения монитора компьютера.

К химическим факторам относится наличие в воздухе пыли металлической неорганического происхождения, которая образуется при шлифовании. При дыхании, заглатывании и через поры кожи пыль может вызвать профессиональные заболевания - пневмокониозы, ведущие к ограничению дыхательной поверхности легких и к изменениям во всем организме. При ходьбе людей пыль и содержащиеся в ней частицы металла поднимаются вверх и легко проникают в легкие. Твердые пылинки с острыми краями могут вызвать травму глаз, что приводит к развитию коньюктивита.

Биологические факторы обусловлены отклонением условий окружающей среды, под воздействием которой находится оператор (отклонение температуры и влажности воздуха от нормы в рабочем помещении).

Психофизические факторы являются, пожалуй, самой неизученной областью исследования путей оптимизации организации труда человека, многообразие их обусловлено индивидуальностью каждого отдельного оператора. К указанной группе можно отнести шумовое воздействие, агрессивный интерьер и т.п. При работе на шлифовальном станке оператор находится под воздействием локальной вибрации, повышая вероятность возникновения нервных расстройств.

На производительность труда инженера-разработчика, находящегося на рабочем месте, влияют следующие опасные и вредные производственные факторы (О и В ПФ ГОСТ 12.0.003-74):

1.   Недостаточная освещенность рабочего места.

2.   Высокий уровень шума, источниками которого могут являться:
шлифовальный станок, печатающий принтер и т.п.

3.      Пониженная или повышенная температура воздуха.

.        Отклонение от нормативных значений влажности воздуха.

.        Зараженность воздуха.

6.   Планировка помещения, размещение мебели и эстетическое оформление.

Часть дипломной работы выполнялась с применением ПЭВМ типа IBM PC.

Факторы, воздействующие на оператора, приведены в таблице 4. Интенсивность рентгеновского излучения на рабочем месте должна соответствовать требованиям ГОСТ 27954-88 "Мониторы ЭВМ".

Таблица 4 - Факторы, воздействующие на оператора

Факторы, действующие на оператора ПЭВМ (ГОСТ 22269-76)

Характер воздействия

Физические

Переменное электромагнитное поле

Генерируется как системным блоком, так и монитором. Спектр излучения очень широк (от единиц Гц до десятков ГГц.).


Электромагнитное излучение монитора

Ухудшение зрения, утомляемости, усиление аллергических реакций, ослабление памяти, импотенция.


Электростатическое поле

Онкологические заболевания кожи.


Освещенность рабочей зоны

Утомляемость зрения, явление световой и темновой адаптации.


Рентгеновское излучение

Онкологические заболевания.

Психофизиологические

Обострение сердечно-сосудистых заболеваний, ослабление умственных способностей, снижение физического тонуса.


4.4 Требования безопасности, эргономики и технической эстетики применительно к рабочему месту

Эргономика изучает функциональные возможности человека в трудовых процессах с целью создания для него оптимальных условий работ, которые обеспечиваются соответствием оборудования, технологического процесса и оснастки физиологическим и психологическим особенностям человека. При этом оптимальность определяется созданием таких условий труда, которые обеспечивают устойчивую работоспособность человека и сохраняют его силы и здоровье.

Для нормального проектирования трудового процесса инженера-исследователя необходимо выполнение комплекса гигиенических требований (микроклимат, достаточная освещенность, отсутствие шума на рабочем месте, соответствующая температура и относительная влажность воздуха), приведенных в таблице.

В соответствии с указаниями по проектированию цветовой отделки помещений производственных здании, согласно «Указаниям по проектированию цветовой отделки интерьеров производственных зданий промышленных предприятий» (СН181-70), рекомендуются следующие цвета окраски помещений:

·    потолок - белый или светлый цветной;

·        стены - сплошные светло-голубые;

·        пол - темно-серый, темно-красный или коричневый

Применение указанной палитры цветов обусловлено ее успокаивающим воздействием на психику человека, способствующим уменьшением зрительного утомления. При выполнении интерьера обычно выбирают не более трех основных цветов небольшой насыщенности. Окраска оборудования и приборов, в основном, имеет светлые тона с высококонтрастными органами управления и надписями к ним.

Одним из факторов комфортности рабочей среды является организация рабочего места. Рабочее место - это часть помещения предприятия (организации), имеющая площадь и объем, достаточный для размещения инженера и необходимого оборудования (рабочего стола, стула, контрольно-измерительных приборов, станков, а также справочных и рабочих материалов, инструментов, вычислительной техники и т.д.).

Рабочее место должно соответствовать требованиям ГОСТ12.2.032-78.

Рабочий стол должен быть устойчивым, иметь однотонное неметаллическое покрытие, не обладающее способностью накапливать статическое электричество.

Рабочий стул должен иметь дизайн, исключающий онемение тела из-за нарушения кровообращения при продолжительной работе на рабочем месте. Среди технических требований к рабочему месту инженера-разработчика особенно важным является требование к освещенности, которая значительно влияет на эффектность трудового процесса.

Поэтому необходимо обеспечить оптимальное сочетание общего и местного освещения. Естественное освещение должно удовлетворять СН ИП11-А8-72.

Нормы естественного освещения установлены с учетом обязательной регулярной очистки стекол световых проемов не реже двух раз в год (для помещений с незначительным выделением пыли, дыма и копоти).

Учитывая, что солнечный свет оказывает благоприятное воздействие на организм человека, необходимо максимально продолжительно использовать естественное освещение.

В соответствии с характером выполняемых работ, освещенность рабочего места по СИ и П 11-4-79 должна быть 200 лк - общая освещенность и 300 лк- комбинированное освещение.

Серьезное влияние на работоспособность инженера-исследователя оказывает шум в рабочем помещении, источниками которого могут быть вентиляторы охлаждения приборов, двигатели вытяжной вентиляции и т. п.

В соответствии с требованиями ГОСТ 12.1.003-83 для удовлетворительной работы допускается уровень звукового давления <99 дБ(для частоты 63Гц) и <74 дБ (для 8 кГц).

В соответствии с СН-245-71 в помещении должен быть организован воздухообмен. Это осуществляется с помощью вентиляции.

Для улучшения воздухообмена в помещении необходимо выполнить следующие технические и санитарно-гигиенические требования:

1. Общий объем притока воздуха в помещении должен соответствовать объему вытяжки;

2.      Правильное размещение приточной и вытяжной вентиляции.

Расчет необходимого воздухообмена ведется по следующим факторам: по количеству работающих, влаговыделению, теплоизбыткам, поступлению в воздух рабочей зоны вредных газов, паров и пыли.

Исходя из того, что три последних фактора не оказывают существенного влияния на микроклимат лаборатории, то расчет воздухообмена проведем исходя из количества работающих:

L = n-L'

где n - число работающих;

L '- расход воздуха на одного работающего, принимаемый в зависимости от объема помещения на одного работающего.

Согласно СН245-71 объем производственных помещений должен быть таким, чтобы на одного работающего приходилось не менее 15 м свободного пространства и не менее 4,5 м2 площади.

С точки зрения электробезопасности (ГОСТ 12.1.030-81), оборудование, запитываемое напряжением выше 42В, должно быть заземлено или занулено. Кроме того, обязательно должна быть предусмотрена возможность быстрого отключения напряжения с распределительного щита [38].

4.5 Микроклимат

Под метеорологическими условиями производственной среды согласно ГОСТ 12.1.005-88 понимают сочетание температуры, относительной влажности и скорости движения воздуха. Перечисленные факторы оказывают большое влияние на функциональную деятельность человека, его самочувствие и здоровье, а также на надежность работы средств измерения. В производственных условиях характерно суммарное действие микроклиматических факторов.[22]

Для оценки метеорологических условий в основных и производственных помещениях производят измерения температуры, влажности, скорости движения воздуха, интенсивности теплового излучения. Результаты измерений сравнивают с нормативами.

С целью создания нормальных условий для персонала установлены нормы производственного микроклимата (ГОСТ 12.1.005-88). Эти нормы рекомендуют оптимальные и допустимые величины температуры, влажности и скорости движения воздуха для рабочей зоны производственных помещений с учетом избытка явного тепла, тяжести выполняемой работы и сезонов года. Показателями, характеризующими микроклимат, являются:

· температура воздуха;

·        относительная влажность;

·        скорость движения воздуха;

·        интенсивность теплового излучения.

Оптимально допустимые показатели в воздухе рабочей зоны производственного помещения приведены в таблице 5 при условии проведения работ средней тяжести.

Таблица 5 - Оптимально допустимые показатели в воздухе рабочей зоны производственного помещения

Период года

Температура воздуха, °С

Относительная  влажность, %

Скорость движения воздуха, м/с


Оптим.

Допуст.

Оптим.

Допуст.

Оптим.

Допуст.

Холодный

17-19

15-21

40-60

75

0,2

0,4

Теплый

20-22

16-27

40-60

70

0,3

0,2-0,5


При обеспечении допустимых показателей микроклимата температура внутренних поверхностей конструкций, ограждающих рабочую зону (стен, потолка, пола) не должна превышать предел допустимых величин температуры воздуха.

Перепад температуры воздуха по высоте рабочей зоны допускается до 3°С, колебания температуры воздуха по горизонтали в рабочей зоне допускаются до 5°С при работе средней тяжести.

В холодный период года следует применять средства защиты рабочего места от радиационного охлаждения от остекленных поверхностей оконных проемов, в теплый период от попадания прямых солнечных лучей.

Интенсивность теплового облучения работающих от нагретых поверхностей оборудования, осветительных приборов не должна превышать 70 Вт/м при величине облучения поверхности от 25% до 50% на постоянных рабочих местах.

Содержание вредных веществ в воздухе рабочей зоны не должны превышать предельно допустимую концентрацию (ПДК) [38].

4.6 Вентиляция

Защита атмосферы от вредных веществ осуществляется очисткой вентиляционных выбросов и рассеяния остаточного загрязнения. Очищаемые концентрации вредных веществ в приземном слое и величина предельно допустимых выбросов (ПДВ) в атмосферу рассчитываются в соответствии с ГОСТ 172 3.02-78 и требованиями, изложенными в "Указаниях по расчету рассеивания атмосферы вредных веществ в выбросах предприятий" СН 369-74. Загрязненный воздух должен выбрасываться в атмосферу не менее чем на 2м выше наиболее высокой части крыши.

Для очистки вентиляционного воздуха должны быть применены волокнистые фильтры ФВТ-Т, адсорбционно-фильтрующие аппараты (эффективность очистки 0,95-0,98).

Отработанные СОЖ необходимо собирать в специальные емкости. Водную и масляную фазу можно использовать в качестве компонентов для приготовления эмульсий. Масляная фаза может поступить на регенерацию или сжигаться. Концентрация нефтепродуктов в сточных водах при сбросе их в канализацию должна соответствовать требованиям СН и П 11-32-74. Водную фазу СОЖ очищают от ПДК или разбавляют до допустимого содержания нефтепродуктов и сливают в канализацию [38].

4.7 Шум

Шум является одним из наиболее распространенных факторов внешней среды, неблагоприятно воздействующих на организм человека и на его нервную систему. У человека ослабляется внимание, ухудшается память. Все это приводит к значительному снижению производительности труда, росту количества ошибок в работе.

С физиологической точки зрения под понятием "шум" подразумевается любой неприятный или нежелательный для человека звук независимо от его характера и происхождения. Колебания, воспринимаемые органами слуха человека как звук, лежат в пределах примерно 20 Гц-20 кГц. Эти границы не одинаковы у различных людей и зависят от возраста человека и состояния его слухового аппарата.

По временным характеристикам шумы подразделяются на постоянные, уровень которых за рабочий день изменяется во времени не более чем на 5дБ, и непостоянные, уровень которых изменяется во времени более чем на 5дБ. Непостоянные шумы подразделяются на колеблющиеся, прерывистые и импульсные.

Измерение шума на рабочих местах производят в соответствии с ГОСТ 20445-75 и ГОСТ 23941-79.

Снижение шума, создаваемого на рабочих местах внутренними источниками, а также шума, проникающего извне, осуществляется следующими методами: уменьшением шума в источнике, рациональной планировкой помещения, акустической обработкой помещений; уменьшением шума по пути его распространения.

Общие требования безопасности шума предусматриваются ГОСТ 12.1.003-83 [38].

4.8 Электробезопасность

Одной из особенностей поражения электрическим током является отсутствие внешних признаков грозящей опасности, которые человек мог бы заблаговременно обнаружить с помощью органов чувств.

Ток приводит к серьезным повреждениям центральной нервной системы и таких жизненно важных органов как сердце к легкие. Поэтому второй особенностью воздействия тока на человека является тяжесть поражения.

Третья особенность поражения человека электрическим током заключается в том, что токи промышленной частоты силой в 10-25 мА способны вызвать резкую интенсивные судороги мышц.

И, наконец, воздействие тока на человека вызывает резкую реакцию отдергивания, а в ряде случаев и потерю сознания.

Окружающая среда (влажность и температура воздуха, наличие заземленных металлических конструкций и полов, токопроводящей пыли и др.) оказывает дополнительное влияние на условия электробезопасности. Степень поражения электрическим током во многом зависит от плотности и площади контакта человека с токоведущими частями.

По условиям электробезопасности установки, используемые при выполнении дипломной работы, относятся к категории установок, работающих с напряжением до 1000 В. Устройства относятся к 1 классу, так как имеет рабочую изоляцию и место для заземления. В системе, в соответствии с ГОСТ 12.1 009-76, применяется рабочая изоляция.

Безопасность эксплуатации при нормальном режиме работы установок обеспечивается следующими защитными мерами:

. применение изоляции;

. недоступность токоведущих частей;

. применение малых напряжений;

. изоляция электрических частей от земли [38].

4.9 Комплекс защитных мероприятий на рабочем месте

.9.1 Технические защитные мероприятия

В целях ослабления влияния вредных производственных факторов на рабочем месте инженера проведен целый комплекс защитных мероприятий.

При работе на шлифовальном станке работы с применением сухих веществ по возможности заменяются на работы с увлажненными материалами. Рабочие обеспечиваются спецодеждой, очками, респираторами.

Хранить пищу в лаборатории запрещается во избежание отравления.

В целях обеспечения электробезопасности все электрооборудование в лаборатории занулено (использована глухозаземленная нейтраль сети 220 В). Эта мера более эффективна, чем заземление, поскольку в критическом случае ток короткого замыкания при занулении больше, чем при заземлении, следствием чего является более быстрое срабатывание предохранительных устройств. Во многих случаях это позволяет сберечь дорогостоящее оборудование от повреждений.

Зануление электрооборудования произведено медным проводом сечением 1,5 мм, покрытым изоляционным слоем лака для защиты от окисления.

Согласно ГОСТ 12.1.038-82 предельно допустимые уровни напряжения прикосновения и токов, воздействию которых человек может подвергаться в процессе работы с электрооборудованием, составляют для установок в нормативном режиме: для постоянного тока - не более 0,8 В и 1 мА соответственно, для переменного тока (частота 50 Гц) - не более 2,0 В и 0,3 мА соответственно.

Для ослабления влияния рассеянного рентгеновского излучения от монитора ПЭВМ рекомендуется использовать защитные фильтры [38].

4.9.2 Противопожарные мероприятия

Неотъемлемой частью комплекса защитных мероприятий на рабочем месте являются мероприятия, направленные на обеспечение противопожарной безопасности. Используемый технологический процесс согласно СН и П 11-2-80 относится к категории Д, так как использует негорючие вещества в холодном состоянии. В данном случае источникам возгорании может оказаться неисправность и неправильная эксплуатация электроустановок

Существует 5 степеней огнестойкости зданий, сооружений. Помещение лаборатории можно отнести к первой ступени огнестойкости.

Предусмотренные средства пожаротушения (согласно требованиям противопожарной безопасности СНиП 2.01.02-85): огнетушитель ручной углекислотный ОУ-5, пожарный кран с рукавом и ящик с песком (в коридоре). Кроме того, каждое помещение оборудовано системой противопожарной сигнализации.

Основными мероприятиями, обеспечивающими успешную эвакуацию людей и имущества из горящего здания, являются:

· составление планов эвакуации;

· назначение лица, ответственного за эвакуацию, которое должно следить за исправностью дверных проемов, окон, проходов и лестниц;

· ознакомление работающих в лаборатории сотрудников с планом эвакуации, который должен висеть на видном месте.

4.9.3 Меры по технике безопасности на рабочем месте

Настоящая инструкция распространяется на всех лиц, выполняющих работы с установками и приборами.

1.   К работе с электроустановками допускаются лица, имеющие третью либо четвертую группы допуска, устанавливаемые квалификационной комиссией.

2.   Лица, не имеющие непосредственного отношения к обслуживанию электроустановок, к работе с ними не допускаются.

3.   Все питающие части должны быть заземлены. Сопротивление заземления должно не превышать 4 Ом.

4.   Перекоммутацию кабелей, соединяющих периферийные устройства с ЭВМ, а также установку плат дополнительных устройств (модемов, портов ввода-вывода и т.д.) в слоты шины расширения компьютера необходимо осуществлять только при отключенном питании.

5.   При замене (установке) плат расширения необходимо пользоваться браслетом заземления, либо перед осуществлением этой операции избавиться от накопленного на теле статического заряда посредством прикосновения к зануленной части компьютера, в противном случае возможно повреждение чувствительных к статике микроэлементов ЭВМ.

6.   При приближении грозы необходимо оперативно закончить работу на компьютере и отключить его от сети во избежание повреждения последовательного порта и исключения сбоев при возможных скачках напряжения в сети, характерных в подобных случаях.

Меры по оказанию первой помощи, пораженному электрическим током.

Меры первой помощи зависят от состояния, в котором находится пострадавший после освобождения его от электрического тока. Для определения этого состояния необходимо немедленно произвести следующие мероприятия:

1.  Уложить пострадавшего на спину на твердую поверхность.

2.  Проверить наличие у пострадавшего дыхания (определяется по подъему грудной клетки или каким-либо другим способом).

3.  Проверить наличие у пострадавшего пульса на лучевой артерии у запястья или на сонной артерии, на переднебоковой поверхности шеи.

4.  Выяснить состояние зрачка (узкий или широкий); широкий зрачок указывает на резкое ухудшение кровоснабжения мозга.

5.  При признаках остановки сердца или отсутствии дыхания произвести непрямой массаж сердца и искусственное дыхание.

Во всех случаях поражения электрическим током вызов врача является обязательным независимо от состояния пострадавшего.

4.9.4 Организационные защитные мероприятия

При поступлении на работу с каждым сотрудником проводится инструктаж по технике безопасности, что незамедлительно фиксируется в соответствующем журнале.

Каждый сотрудник знакомится с правилами оказания первой помощи при поражениях электрическим током, в помещении лаборатории находится аптечка со всеми необходимыми для этого медикаментами.

На стене вывешивается инструкция по технике безопасности, план эвакуации при пожаре.

4.9.5 Экологическая безопасность

Основными факторами, обуславливающими необходимость уделения особого внимания вопросам охраны окружающей среды, являются следующие:

· токсичное или другое вредное физиологическое действие порошков ряда металлов и неметаллов, газов применяемых в производстве;

· взрывоопасность и пожароопасность некоторых материалов и газов;

·        слив кислот, щелочей, солей отходов вредных веществ в общую систему канализации;

·        пыль на рабочем месте.

В настоящее время на первый план выдвигаются задачи борьбы с загрязнением атмосферы, так как от их решения в значительной мере зависит здоровье людей.

Охрана атмосферы включает в себя:

·  уменьшение и полное прекращение выбросов вредных веществ в атмосферу;

·  сохранение и увеличение биомассы производителей кислорода и поглотителей углекислоты;

· сохранение и восстановление оптимальной циркуляции атмосферы в региональном масштабе;

·        утилизация отходов вредных производств.

Методы охраны природы можно разделить на 4 группы: пропагандистские, законодательные, организационные, технические. В свою очередь технические методы охраны природы делятся на активные и пассивные, на прямые и косвенные.

Все эти меры направлены на то, чтобы ограничить использование воздушной атмосферы, как бассейна для сбрасывания газообразных, парообразных и пылеобразных отходов. Целесообразно эти отходы перерабатывать, концентрировать, вторично использовать в производстве или отправлять в места надёжного захоронения.

В настоящее время нет какого-либо кардинального способа позволяющего решить проблему загрязнения атмосферы. Однако существует, ряд мер, которые в комплексе позволяют существенно снизить степень загрязнения воздуха. Основными мерами, которые необходимо предусмотреть при проектировании и строительстве новых реконструкций и расширение действующих производств являются совершенствования их технологии, обеспечивающей сокращение выбросов и оснащение их современным оборудованием и пылеуловительной аппаратурой по очистке газов, дымовых и вентиляционных выбросов.

Важнейшим направлением уменьшения выбросов и экономии капитальных затрат является максимально возможная утилизация тепла в промышленности.

Совершенствования техники газоочистителей повышает степень очистки выбросов. Для обезвреживания выделяемых производствами органических растворителей применяются адсорбционные методы, которые наряду с полным извлечением примесей из газов обеспечивают и их рекуперацию.

4.10 Расчет искусственного освещения

В связи с тем, что проведение экспериментов занимает длительное время, работать в помещении лаборатории приходится как в свете, так и в темное время суток, что неизбежно обуславливает необходимость использования искусственного освещения.

Основными показателями, определяющими выбор светильника при проектировании светильной установки следует считать:

а) конструктивное исполнение светильника с учетом условий среды;

б) светораспределение светильника;

в) экономичность светильника.

Основным источниками света являются люминесцентные лампы. В помещении лаборатории используется люминесцентная лампа ШОД.

ШОД- для нормальных помещений с хорошим отражением потолка и стен, допускаются при умеренной влажности и запыленности.

Основные требования и значения нормируемой освещенностей рабочих поверхностей изложены в строительных нормах и правилах СНиП П -4 -79, выбор освещенности осуществляется в зависимости от размера объекта различения, контраста объекта с фоном, характеристики фона. Для того чтобы установить в каждом конкретном случае все перечисленные предметы, необходимо знание особенностей зрительной задачи на данном рабочем месте.

При работе с персональным компьютером в сочетании с работой с нормативной и технической документацией согласно нормам СНиП 23-05-95 регламентируется максимальная искусственная освещенность рабочих мест в 400 лк при общем освещении. Разряд зрительной работы 1г.

Получение из СНиП П -4 -79 величина освещенности корректируется с учетом коэффициента запаса, т.к. со временем за счет загрязнения светильников и уменьшения светового потока ламп снижается освещенность. Значения Коэффициента запаса К3, выбираемого для помещения с малым выделением пыли (лаборатории имеются сита, которые не используются каждый день). При люминесцентных лампах К3=1,5.

4.10.1

Похожие работы на - Структура и свойства ЭЛН-покрытий системы Ti-Si-B

 

Не нашли материал для своей работы?
Поможем написать уникальную работу
Без плагиата!
Без нейросетей!