Розробка автоматизованої системи керування лінією виготовлення кексів на приватному підприємстві 'Вікторія'
ВСТУП
На сьогоднішній день життя кожної людини важко уявити без
автоматизації. Вона являється одним з основних і найбільш прогресивних
напрямків технологічного розвитку сучасності, оскільки ефективно застосовується
з метою досягнення зростання показників ресурсозбереження, поліпшення екології
навколишнього середовища, якості та надійності продукції.
Ефектами від впровадження автоматизації являються: зниження
трудомісткості виробництва та трудовитрат, збільшення змінності виробництва,
стабільна швидкість роботи, покращення якості виконуваних контрольних та
управлінських операцій, вирішення задачі автоматизації основного технологічного
устаткування, аналізу, контролю і управління технологічними процесами на основі
математичних методів і використання ЕОМ, автоматизація проектування
автоматизованих процесів, можливість виконування робіт в шкідливих умовах,
зменшення кількості працівників на підприємствах та на окремих робочих місцях.
Тільки із здійсненням автоматизації та використанні роботизованих технологічних
комплексів можна досягнути високого рівня продуктивності праці, якості
продукції та отримання максимально можливого прибутку при мінімальних витратах.
В даному дипломному проекті розглядається автоматизована
система керування лінією виготовлення кексів на приватному підприємстві
«Вікторія».
Технологічний процес виготовлення кондитерських
виробів,зокрема кексів, передбачає максимальну механізацію всіх процесів праці,
враховуючи й підсобні роботи.
Передбачена широка автоматизація технічних процесів на основі
автоматизованих систем, машин і механізмів, уніфікацій модулів обладнання,
робототехнічних комплексів і обчислювальної техніки. Розробляються і
використовуються нові електрофізичні, біотехнічні і ферментативні методи
обробки продукції.
Кекси - це вироби із здобного тіста з різними поліпшувачами.
Сировиною для їх виготовлення є пшеничне борошно вищого сорту, вершкове масло,
маргарин, меланж, цукор-пісок, молоко тощо. На якість кексів суттєво впливає
заміс і збивання тіста, формування, випікання за температури 180-200°С і
охолодження, а для більшості виробів - глазурування та оздоблення поверхні.
Вологість повітря на стадіі випікання впливає на загальний
вигляд кексів. Зі зниженням вологості кекси стають темнішими. За більш високої
вологості повітря поверхня кексів стає блискучішою і хрумкою.
Пакують кекси у картонні коробки, пакети з целофану або
полімерних плівок, а також у дерев'яні чи алюмінієві лотки із застеленим дном.
Контроль якості кексів починається з оцінки відповідності
формі, стану поверхні, кольору, виду на зломі, смаку і запаху. Поверхня кексів
має бути не підгорілою, а виготовлених на хімічних розпушувачах може мати
тріщини і розриви, які не змінюють товарного вигляду виробів. Колір
передбачений від світло-до темно-коричневого. Кекси повинні бути добре
пропеченими, без закалу і слідів непромісу; добавки достатньо рівномірно
розподілені у виробах.
Зберігати кекси слід за температури не вище як 18°С і
відносної вологості повітря 70-75%. У цих умовах встановлені такі строки
зберігання: кексів, що виготовлені на дріжджах - 2 дні, упакованих у полімерні
матеріали - 12 днів; виготовлених на хімічних розпушувачах, а також без них і
дріжджів - 7 днів.
Актуальність теми даного проекту полягає в тому, що на
конкретному підприємстві необхідно модернізувати та автоматизувати лінію по
виготовленню кексів. Обладнання ПП «Вікторія» є дещо застарілих зразків, а
деякі операції (наприклад стадія глазурування) взагалі виконуються працівниками
- кондитерами вручну, що значно затягує процес виготовлення продукції і гальмує
розвиток підприємства.
Метою роботи є створення проекту комплексної автоматизації
технологічної лінії виготовлення кексів, підбір необхідних засобів
автоматизації, їх детальний опис, розрахунок їх надійності, створення
структурної та принципової схем, розрахунок собівартості запропонованого
проекту та порівняння затрат з аналогом. При цьому планується отримати
позитивний економічний ефект від впровадження проекту та підвищити
конкурентоспроможність підприємства на ринку.
1. ТЕХНІЧНЕ ЗАВДАННЯ
1.1 Призначення та межі застосування
Автоматизована система керування , що пропонується у
дипломному проекті, призначена для створення та забезпечення оптимальних умов
праці на підприємстві, автоматизації процесів по виготовленню кондитерських
виробів, збільшення кількості виготовленої продукції та отримання максимально
можливого прибутку.
Такі системи використовуються для автоматизації процесів
збирання та пересилання інформації про об'єкт керування, її перероблення та
видавання керівних дій на об'єкт керування (ДСТУ 2226-93); сукупність
економіко-математичних методів, технічних засобів (ЕОМ, пристроїв відображення
інформації, засобів зв'язку та інші) і організаційної структури, що
забезпечують раціональне керування складними об'єктами і процесами.
АСК дає змогу розв'язувати задачі перспективного та
оперативного планування виробництва, оперативного розподілу завантаження
обладнання, оптимального розподілу обладнання та використання ресурсів і інше.
АСК належить до класу людино-машинних систем і складається з функціональної і
забезпечувальної частин.
Застосування пропонованої системи автоматизованого керування
лінією виготовлення кексів передбачено у кондитерському виробництві, зокрема на
ПП «Вікторія».
.2 Умови експлуатації
Для пропонованої САК ставляться такі умови:
Кліматичні умови: температура навколишнього середовища
від мінус 30С до плюс 50°С, відносна вологість повітря до 75%.
- Механічні умови: стійка до вібрацій, до коливання
високих та низьких температур.
Інші умови: досить легка в управлінні.
Умови живлення: 220В змінної напруги з частотою 50
Гц.
Умови ремонту: при виході з ладу обладнання чи
наявності дефектів в роботі його експлуатація забороняється. На підприємстві
наявний відділ по ремонту обладнання, який вчасно виявляє та усуває всі можливі
несправності. Для запобіганню поломок та зупинки при цьому виробництва щоденно
проводиться первинний огляд апаратури та її складових.
.3 Технічні параметри системи
Споживана потужність не більше 800 Вт.
Висока швидкодія системи з мінімально можливими запізненнями,
що пов’язані з інструментальними , випадковими та систематичними похибками
вимірювань. Основні функціональні можливості датчика DS18B20 - його
температурний перетворювач. Роздільна здатність температурного перетворювача
може бути змінена користувачем і складає 9, 10, 11, або 12 бітів, відповідаючи
нарощенням (дискретності вимірювання температури) 0.5°C, 0.25°C, 0.125°C, і
0.0625°C, відповідно. Роздільна здатність за замовчуванням встановлена 12-біт.
У початковому стані DS18B20 знаходиться в стані спокою (у неактивному стані).
Щоб почати температурне вимірювання і перетворення, оператор повинен подати
команду початку конвертації температури [0х44]. Після конвертації, отримані
дані запам'ятовуються в 2-байтовому регістрі температури в оперативній пам'яті,
і DS18B20 повертається до неактивного стану. Якщо DS18B20 включений з зовнішнім
живленням, оператор може контролювати конвертування температури (після команди
[0х44]) станом шини. DS18B20 формуватиме (відповідь на слот часу читання від
пристрою керування) логічний «0» коли відбувається температурне перетворення. І
логічну «1», коли конвертування виконано.
2. ОГЛЯД ТА АНАЛІЗ ШЛЯХІВ АВТОМАТИЗАЦІЇ
.1 Загальні відомості про ПП «Вікторія»
Приватне підприємство «Вікторія» - це сучасне підприємство,
що спеціалізується на випуску борошняних кондитерських виробів. Раніше, за
часів СРСР, це була велика кондитерська фабрика, яка у 90-ті рр. ХХ століття
стала маленькою частиною, тобто приватним підприємством.
ПП «Вікторія» має багаторічну історію. Тут зібрано та примножено
досвід багатьох десятиліть і поколінь. Після жовтневої революції 1917 року
колишня «Кондитерська майстерня Смак» у невеликому містечку біля Львова була
перетворена в «Першу кондитерську фабрику». Через 7 років її бісквітний цех
виділився в самостійне виробництво. 30 грудня 1991 рішенням Міськвиконкому №125
від 02.02.2001 р. у процесі роздержавлення і приватизації державної власності,
підприємство було перетворено у приватну власність. Це стало початком існування
ПП «Вікторія».
Підприємство розміщене на 2000м2. Проектна
потужність понад 1200 тонн виробів на рік.
ПП «Вікторія» виробляє та реалізує більше 20 видів печива
(затяжного, цукрового та здобного), а також понад 10 видів кексів, в основному
це кекси з заниженою калорійністю, що і привертає до себе увагу. Відмінною
рисою продукції є висока якість, відсутність консервантів та використання лише
натуральної екологічно чистої сировини.
Підприємство постійно вдосконалює і розширює асортимент
продукції, що випускається, що поряд з високою якістю продукції зробила торгову
марку «Вікторія» коханою і впізнаваною не лише в Україні, але і за її межами.
Головною метою підприємства є задоволення попиту споживачів і
підвищення конкурентоспроможності продукції. Якість - найважливіший, незмінний
засіб досягнення поставленої мети. Це підтверджується почесними дипломами і
медалями, якими нагороджено підприємство на виставках.
ПП «Вікторія» має самостійний баланс, рахунки в т. ч.
валютний і розрахунковий рахунки в банківських установах, товарний знак,
гербову та інші печатки і штампи зі своїм найменуванням. Здійснює свою
діяльність на основі господарського розрахунку, самофінансування і
самоокупності.
Основним видом діяльності підприємства відповідно до Статуту
є:
Виробництво борошняних кондитерських виробів;
Роздрібна торгівля;
Оптова торгівля і дрібнооптова торгівля;
Транспортування готової продукції до центрів збуту;
Громадське харчування.
Виробнича структура підприємства включає основний виробничий
бісквітний цех, а також допоміжні ділянки і транспортний відділ. Крім того, є
непромислове господарство: фірмовий магазин, їдальня, житлово-сервісне
господарство.
Облікова чисельність працюючих склала 564 особи, з них:
Інженерно технічний персонал ІТП - 105 чол.;
Непромисловий персонал - 13 чол.;
Виробничо промисловий персонал ППП - 446 чол.
Стратегія розвитку ПП «Вікторія» спрямована на:
Нарощування обсягів виробництва та реалізації продукції;
Розширення асортименту продукції, що випускається;
Підвищення впізнаваності продукції та поліпшення її споживчих
властивостей;
Розширення матеріально-технічної бази підприємства та
впровадження сучасних технологій виробництва;
Зниження енергоємності та матеріалоємності виробництва;
Збільшення виробничого потенціалу підприємства;
Підвищення рентабельності виробництва і продажів;
Збільшення конкурентоспроможності продукції як на
внутрішньому ринку, так і на ринках Росії та інших країн СНД;
Автоматизація технологічних ліній виготовлення продукції.
.2 Характеристика продукції, сировини і напівфабрикатів
Кекси - калорійні борошняні кондитерські вироби, виготовлені
з великою кількістю масла, маргарину, молока, меланжу, цукру та борошна
пшеничного вищого ґатунку. Часто в рецептуру кексів включають родзинки, цукати,
горіхи та інші добавки. Кекси виробляють за ГОСТ 15052-96 «Кекси. Загальні технічні
умови »або за ТУ підприємства.
Борошно - це порошкоподібний продукт, який одержують при
розмелюванні зерна. За якістю борошно пшеничне виробляється п’яти ґатунків:
крупчастий, вищий, перший, другий ґатунки і оббивне.
Борошно вищого ґатунку одержують з м’яких складових і
напівскладових сортів пшениці. Колір борошна білий або білий з кремовим
відтінком. Вміст сирої клейковини не менше ніж 28%. Борошно має високі
хлібопекарські властивості і широко використовується в кондитерському
виробництві.
Цукор пісок - це білий, кристалічний порошок, який виробляють
з цукрової тростини і цукрового буряка.
Він містить 99,7% сахарози і 0,14% вологості. У воді
розчиняється повністю не має стороннього присмаку і запаху на смак солодкий.
Цукор є добрий засвоюється організмом, зміцнює нервову систему, знімає втому.
Проте надлишок його шкідливий (ожиріння, порушення обміну речовин, захворювання
зубів).
Яйця складаються з шкаралупи 12%, білка 56%, жовтка32%. Білок
складається з кількох шарів, прозорої тягучої безбарвної маси, яка при збиванні
утворює піну.
Хімічний склад білка і жовтка не одинаків, у білку міститься
0,9% вуглеводів, з мінеральних речовин натрій, калій, фосфор, магній, кальцій і
залізо, білок бідний на жири 0,03%. Вітаміни В, В2, В12,
енергетична цінність 100 г - 107 кКал. Жовток найцінніша частина яйця, він
багатий на білки 16,2%, жири 32,6%, вуглеводи, мінеральні речовини, вітаміни Д,
Е., РР і групи. Жовтого кольору, жовтку надає наявність в ньому ккаротину з
якого утворюється вітамін А. Жовток - це густа маса світлих і темних шарів, що
чергуються між собою, зверху він вкритий оболонкою.
Масло вершкове. Високо жирний харчовий продукт, який
виготовляють з вершків молока. Масло вершкове належить до продуктів
харчування з високою енергетичною цінністю, його біологічну цінність визначають
жиророзчинниками вітамінами А,Д,Е. З водорозчинних (В.С). Масло виготовлене з
літнього молока, збагачено на вітаміни.
Маргарин - високоякісний жир, подібний до вершкового масла за
смаком, кольором, ароматом, консистенцією, вмістом жирі, білків, вуглеводів.
Основною складовою частиною маргарини є саломас (гідрогелізований жир). Крім
того в рецептуру маргарину входить рідкі рослинні олії (соняшникова та
кукурудзяна), тваринні жири яловичий, свинячий) і коров’яче молоко (натуральне
або сухе) кухонна сіль, цукор, ванілін, барвники і емульгатори, лимонна
кислота, ароматичні речовини. Для підвищеної біологічної цінності маргарину до
нього додають вітаміни А і Е. Маргарин містить не менш ніж 82% жиру, не більш
17% води, 1% вуглеводів, 0,3% білків, t плавлення маргарину 27-33оС, засвоюється
організмом 94-97%. Розрізняють маргарин: столовий, вершковий, молочний, також є
з добавками шоколадно-молочні, шоколадні. Використовують для приготування
бутерброднів і кондитерських виробів.
Молоко - це біологічна рідина, яка виробляється
молочними залозами молочних ссавців. Воно багате різноманітними поживними
речовинами. У молоці міститься майже всі жиро і водорозчинні вітаміни,
більшість вітаміні надходить з кормів.
Деякі жиророзчинні вітаміні (Д, К) синтезуються в організмі
тварин. У молоці виявлено 50 елементі. Мінеральних речовин, найважливіших із
них кальцій і фосфор.
Особливості застосування харчових добавок у виробництві
кексів
У виробництві кексів використовуються наступні харчові
добавки: фарбники, ароматизатори, підсилювачі смаку та аромату, емульгатори,
консерванти, антиокислювачі, волого утримуючі агенти, розпушувачі.
· Ароматизатори. Кекси без ароматизаторів можуть мати
невиразний запах і присмак жиру. Ароматизатори привносять в кекси більш
солодкий і приємний присмак, привабливий аромат, а також ефективно маскують
присмак жиру. У кексах знаходять застосування в основному, рідкі ароматизатори,
хоча допускається застосування і порошкоподібних. Популярні ванільний, кавовий,
цитрусові аромати. В якості ванільних ароматизаторів використовують ванілін,
етилванілін і ванільні ароматизатори. Хоча всі види ваніліну можуть бути
використані для ароматизації кексів, але різні його торгові марки надають їм
трохи різний профіль смаку і аромату. Дозування ваніліну в кекси від 75 до 500
г / т, дозування етилваніліну в 2-4 рази нижче. Дозування залежить не тільки
від смаку і переваг споживача, а й від мети застосування: чи необхідно надати
інтенсивний аромат і смак ванілі, посилити інші аромати, наприклад, в сирному
кексі, або замаскувати небажані присмаки, наприклад, присмак жиру. Дозування
ароматизаторів повинні відповідати рекомендаціям фірми-виробника. Точні
дозування визначають за результатами дослідної виробітку. Ароматизатори вносять
в тісто разом з іншими компонентами. Для збереження аромату після випічки і
зниження дозування ароматизатора, особливо в кексах маленького розміру,
рекомендується вносити ароматизатор в суміші з рецептурним жиром або меланжем,
що виконують роль «фіксаторів аромату».
· Барвники. Барвники у виробництві
кексів використовуються вкрай рідко. Для додання кексу більш жовтого кольору,
якщо його не забезпечують яйцепродукти, використовують бета-каротин (Е160а) або
синтетичний барвник тартразин (Е104). Орієнтовна дозування тартразину 30-50 г
на тонну кексу. Водний розчин цього барвника рекомендується вносити при замісі
тесту. Бета-каротин у формі 30%-го олійного розчину рекомендується спочатку
розчинити в рослинному маслі: 1 частина барвника розчиняється в 20 частинах
масла. Отриманий розчин в кількості 400-800 г на тонну готового виробу
рекомендується вносити при замісі тесту. Дозування бета-каротину у формі 10%-го
вододиспергованого порошку становить 5-15 г на тонну готового виробу. Для
додання кексу коричневого кольору (за відсутності какао-порошку, недостатньому
його кількості або недостатньої фарбувальної здатності) використовують
карамельний (цукровий) колер (Е150). Годяться всі різновиди цього барвника.
Дозування залежить від різновиду, товарної форми і бажаної інтенсивності фарбування.
Зазвичай витрата Е150с1 для додання кольору "кави з молоком» становить
1-10 кг на тонну, коричневого кольору - 50-90 кг на тонну.
· Розпушувачі. Кекси можуть
виготовлятися на дріжджах, на хімічних розпушувачах, без хімічних розпушувачів
і дріжджів. В якості хімічних розпушувачів у кексах використовують
вуглеамонійної сіль, набагато рідше соду харчову, іноді пекарські порошки.
Дозування вуглеамонійної солі може становити 0,8-2,0%, соди питної - 0,4-0,9%.
При заміні вуглеамонійної солі на карбонат амонію його слід брати приблизно на
30% менше.
· Емульгатори. Тісто для кексів являє
собою багатофазну структуровану систему, присутність в якій емульгаторів
принципово важливо, тому в рецептуру кексів в тому чи іншому вигляді
обов'язково входять яйцепродукти. Їх роль посилюється в кексах, що
виготовляються без розпушувачів. Якість кексів у великій мірі залежить від
дисперсності жирової емульсії. Як правило, для створення тонкодисперсної
емульсії рецептурних яйцепродуктів буває недостатньо, використовують емульгатор.
Він «розбиває» жир на дрібні кульки, перешкоджає їх злипанню і таким чином
стабілізує емульсію. Чим менше частки жиру, тим краще вони розподіляються між
частинками борошна, утворюючи тонкі плівки, що перешкоджають зв'язуванню води
білковими речовинами борошна. В результаті при випічці утворюється пориста
структура і кекс набуває ніжну дрібнопористу структуру, крім того, зменшується
міграція жиру на поверхню виробу. Сприяючи створенню тонких плівок жиру
емульгатор знижує силу тертя між компонентами рецептурної суміші. Внаслідок
цього підвищується пластичність тіста і знижується його прилипання на робочі
органи обладнання. Використання емульгаторів лецитину (Е322), моно-та
дигліцериди жирних кислот (Е471), ефірів полігліцерину і жирних кислот або їх сумішей,
полісорбат (Е432-Е436), складних ефірів жирних кислот і сорбіту (Е491-Е496)
аналогічно їх використання у виробництві здобного печива.
· Добавки, що збільшують терміни
придатності. Відповідно до ГОСТ 15052-96 терміни зберігання кексів при
температурі (18 ± 3) "С і відносній вологості повітря не більше 75% з дня
виготовлення становлять:
1) 2 дні - для кексів, виготовлених на дріжджах;
) 12 днів - для кексів, виготовлених на дріжджах в полімерній
упаковці;
) 7 днів - для кексів, виготовлених на хімічних розпушувачах,
а також без хімічних розпушувачів і дріжджів.
Збільшення терміну зберігання кексів можна домогтися зміною
рецептури глазуруванням поверхні, використанням харчових добавок і герметичної
упаковки.
Основна проблема при зберіганні кексів - черствіння. Оскільки
кекси характеризуються значенням активності води 0,6 <ат <0,9, досить
реальна для них небезпека мікробного псування. Для кексів, які зберігаються
довше, ніж обумовлено в Гості, не можна виключити і окислювальне псування.
Проблему черствіння вирішують добавкою емульгаторів і
вологоутримуючих агентів. Емульгатори побічно виконують функцію
вологоутримування. Створення і стабілізація емульсії припускають фізичне
зв'язування води, тобто уповільнення її втрат. Крім того, зв'язування води
призводить до зниження значення активності води. А це побічно посилює дію
консервантів.
Суттєво уповільнює черствіння кексів один із спеціальних
ферментних препаратів амілази, використовуваний в хлібопечінні. Кекси без
упаковки, до яких доданий цей препарат в дозуванні 20-50 г на 100 кг борошна,
що не черствіють 10-15 діб. Уповільнити процеси мікробного псування кексів
можна за допомогою консервантів. У борошняні кондитерські вироби Міністерством
охорони здоров'я дозволені сорбінова кислота (Е200) і її солі, практично
використовується сорбат калію (Е202). Ці консерванти ефективні в нейтральних
кондитерських виробах, схильних до мікробіологічного псування пліснявими
грибами та дріжджами. Рекомендоване дозування сорбінової кислоти становить
50-100 г на 100 кг борошна; сорбата калію - 70-135 г на 100 кг борошна. Кислоту
використовують у вигляді порошку, змішуючи з цукром, сорбат калію - у вигляді
концентрованого розчину
Запобігти окисленню жирів в кексах з вмістом жиру понад 10%
можна за допомогою антиокислювачів бутілоксіанізол (Е320) і бутіоксітолуола
(Е321). Причому використовувати їх рекомендується в суміші в співвідношенні
1:1. Дозування суміші антиокислювачів 100-200 г на 1 т виробів. Якщо в
істотному збільшенні термінів зберігання немає необхідності, можна обмежитися
застосуванням синергиста антиокислювачів ЕДТА (Е385). Антиокислювачі слід
вносити, попередньо розчинивши в рослинному маслі, а потім в жирі, що йде на
заміс тіста.
Пакують кекси у картонні коробки, пакети з целофану або
полімерних плівок, а також у дерев'яні чи алюмінієві лотки із застеленим дном.
.3 Опис існуючого технологічного процесу
Технологічний процес виробництва кексів складається з
наступних основних стадій:
) підготовка сировини до виробництва: зберігання,
темперування, змішування, просіювання сипких або фільтрування рідких видів
сировини; подрібнення і плавлення твердих жирів; приготування розчинів харчових
добавок: солі, хімічних розпушувачів ;
Підготовка сировини до виробництва за вимогами відповідно
діючого збірника "Технологічні інструкції по підготовці сировини та
напівфабрикатів до виробництва, по виробництву борошняних кондитерських
виробів" (Київ, 1996 р). "Інструкції по запобіганню попадання
сторонніх предметів у готову продукцію" з дотриманням санітарних правил та
норм.
Затарена сировина, перед подачею на виробництво, надходить у
підготовче приміщення до початку ведення технологічного процесу, де її
розтарюють, після попередньої очистки тари від забруднення. Після відкриття
тари, сировину пересипають, або перекладають у цехову тару.
Борошно просіюють через сита з розмірами вічок не більше 2,5
мм, пропускають через магніти, вантажопідйомність яких не менше 8-ми кг на 1 кг
магнітів. Цукор-пісок просіюють через сита з вічками розміром не більше 3 мм і
пропускають через магнітні уловлювачі для очищення від металевих і
феромагнітних домішок (при потребі).
Сіль кухонну просіюють через металеве сито з розмірами вічок
не більше 3,5 мм або розчиняють у воді і проціджують через сито з розміром
вічок не більше 0,5 мм або через тканину.
Вуглеамонійну сіль подрібнюють до порошкоподібного стану на
спеціальній машині або вручну у ступці і перед використанням просіюють або у
розчиненому вигляді проціджують крізь сито з розмірами вічок 1,5-2,0мм.
Розчинення здійснюють у холодній воді.
Яйця курячі поміщають в сітчасте відро і обробляють
дезінфікуючими розчинами: замочують протягом 5-10 хвилин в 2% розчині питної
соди, потім 5 хвилин - в 2% розчині хлорного вапна або 0,5% розчині хлораміну і
споліскують проточною водою. Підготовлені яйця розбивають і проціджують крізь
сито з вічками, розміром не більше 3 мм.
Родзинки перебирають, видаляючи гілочки, плодоніжки та
сторонні домішки і промивають у мийних машинах або на решетах проточною водою і
підсушують у сушильній камері або шляхом природнього сушіння у виробничому
приміщенні до початкової вологості. Маргарин розрізають на шматки і ретельно
оглядають. Цукрову пудру просіюють через сита №43. ТІ У 01753776-147:2005"
) приготування тіста;
У місильній машині збивають маргарин з цукром протягом 10-15
хв. Де збитої маси додають яйця поступово протягом 10 хв. порціями, потім
додають розрихлювач, родзинки, в останню чергу - борошно, перемішують 2-3 хв.
де отримання однорідної маси. Загальна тривалість замішування - 25-30 хв.
Готове тісто повинно бути рівномірно перемішаним.
) формування;
Готове тісто ділять на окремі шматки, з урахуванням втрат на
упікання та усихання на підприємстві, кладуть у змащені форми і направляють на
випікання.
) випічка;
Тривалість випікання 20-25 хв. при температурі 180-200°С.
) глазурування та прикрашання;
Випечені кекси охолоджують, наносять глазур, посипають
цукровою пудрою і направляють на пакування.
) упаковка, маркування, транспортування і зберігання.
На рис. 2.1-2.2 приведено відповідно технологічний алгоритм
та апаратно-технологічна схема виробництва кексів на ПП «Вікторія».
.4 Опис процесу який пропонується автоматизувати
Покупці солодощів дедалі більше віддають перевагу
глазурованим виробам. При оформленні кондитерської продукції глазурування
тортів, тістечок, печива, вафель надає їм завершеності та дає змогу збагатити
смакову палітру. Окрім того, що вироби набувають привабливого вигляду та смаку,
процес глазурування також забезпечує їх від висихання чи зволоження завдяки
створенню повітронепроникної оболонки.
Рис. 2.1 Технологічний алгоритм отримання кексів
Рис. 2.2 Апаратурно-технологічна схема виробництва
кондитерських виробів
1 - розвантажувальний рукав; 2 - бункер для борошна, 3 -
пристрій для підйому мішків; 4 - пристрій для підйому борошна: 5 - компресор
для аерації; 6,8 - компресор для подачі борошна; 7 - живильник, 9 -
автоборошномір; 10 - відцентрове сито (просівач); 11 - дозатор-температор води;
12 - електричний бройлер; 13 - поворотний шнек; 14 - компресор пневмосистеми
управління; 15 - тістомісильна машина; 16 - тістоділильна машина; 17 -
тістоокруглююча машина; 18 - шафа попередньої розстойки; 19 - формуюча машина;
20 - шафа остаточної розстойки; 21 - ротаційна електропіч; 22 - Ділильно -
округляюча машина; 22 - формуюча машина для кексів; 24 - контейнер з комплектом
профільних перфорованих листів; 25 - контейнер для продукції ; 26 -
двохпозиційний перемикач; 27 - парозволожувач
Найбільшою продуктивністю при високій якості вирізняються
технологічні лінії для нанесення глазурі. Фахівцями були розроблені комплекси
машин для нанесення глазурі на кондитерські вироби та цукерки, які дають змогу
облаштувати готову технологічну лінію. В разі необхідності кожну установку
можна використовувати самостійно, полегшуючи виробництво на ділянках окремих
технологічних операцій.
Використання глазурі у кондитерському виробництві, на перший
погляд, здається простою процедурою: глазур розплавляють на водяній бані, а
потім покривають нею виріб. Однак у самому процесі є низка тонких нюансів,
пильне та чітке виконання яких дає змогу уникнути багатьох дефектів покриття.
Процес глазурування поділяють на три стадії: приготування та
підготовка глазурі, безпосереднє глазурування та охолодження глазурованих
виробів.
Для подачі глазурі пропонується темперувальна установка
ГТМ-150, яка дає змогу в автоматичному режимі виконати основні технологічні
операції з підготування глазурі. Шоколадна глазур перед використанням потребує
особливої підготовки, яка є складним процесом та називається темперуванням.
Після завантаження шоколадної глазурі у бак темперувальної
машини вмикають нагрівальні елементи, які доводять температуру теплоносія
сорочки - бака до заданої величини. Циркуляційний насос примусово прокачує
теплоносій всередині сорочки, створюючи по внутрішній поверхні бака рівномірну
температуру. Лопатки мішалки, завдяки «плаваючій» конструкції та підібраним
кутам атаки своєї поверхні, з внормованим зусиллям притискаються до стінок бака
та дна. При цьому забезпечують перемішування темперованої маси не лише у центрі
бака, а й на дні та по краях.
Контроль температури шоколадної маси постійно здійснюється
через вісь перемішу вальної установки, а показники відображаються на панелі
керування. Крім того, електронні установки одночасно вимірюють температуру
теплоносія у декількох точках, підтримуючи її на заданому рівні.
Після того, як шоколадна маса досягла верхньої межі
температури, її необхідно швидко охолодити, інтенсивно перемішуючи. Надалі це
інтенсивне охолодження дасть змогу запобігти виділенню кристалів жиру та цукру
на поверхні глазурованого виробу, тобто «посивінню» шоколаду. Для інтенсивного
охолодження в темперувальну машину ГТМ-150 вмонтовано холодильний агрегат з
власною автоматизованою системою керування, яка інтегрована в загальну схему
керування. Після закінчення процесу охолодження машина автоматично переходить
на чергувальний режим роботи, процес підтримання заданої температури можна
виставляти на тривалий час. Перед виданням шоколадної маси вмикається підігрів
шарового крана, що забезпечує вільне зливання готової продукції. Підготовану
таким способом шоколадну масу переносять у глазурувальну машину.
У глазурувальній машині ГМ 220 встановлюються підігрівальні
ємності. Ця машина дає змогу глазурувати заготовки або з трьох боків без дна
виробу, або з трьох боків без верху виробу, або саме дно з частковим
захопленням боків, а також повністю із усіх боків. Для автоматичного
підтримування температури розтопленої шоколадної маси на необхідному рівні
глазурувальна машина обладнана самостійним нагрівальним приладом. Два
підігрівальних ящики, у яких можна зберігати необхідний запас відтемперованої
шоколадної маси, дають змогу збільшити час роботи машини без перерв.
Для економії шоколадної сировини за допомогою видалення
залишків продукту зверху та з боків заготовок, а також для надання зовнішній
поверхні виробу красивої неоднорідної структури глазурувальні машини обладнані
потужними повітродувками. Спеціальне регулювання дає змогу змінити кут
обдування заготовок та плавне регулювання інтенсивності обдування підігрітим
повітрям. Два потужних теплових випромінювача нагрівають зовнішню поверхню
шоколадної маси у ванні машини та безпосередньо на поверхні виробів перед
обдуванням.
Випромінювач разом із повітродувками дає змогу нанести на
виріб тонкий глазурувальний шар без проблем, незалежно від сировини. Залишки
шоколадної маси із дна заготовок виділяють за допомогою скребкових валиків, а
наявний у конструкції згладжувальний валик остаточно вирівнює поверхню дна.
Електронні регулятори, за допомогою яких можна підібрати оптимальну швидкість
руху сітчастого транспортера, величину подавання шоколадної глазурі, змінити
інтенсивність здування залишків шоколадної маси та необхідну температуру у
широкому діапазоні, дають змогу отримати оптимальну економічність по сировині
при відмінній якості отриманої продукції.
Два підігрітих ящики, а також наявність режимів «день-ніч»
роблять реальними (при потребі) тривалі перерви у роботі. Це особливо актуально
на дрібносерійному виробництві та великій номенклатурі продукції, яку
виготовляють.
Додаткове декорування виробів здійснити за допомогою
різноманітних установок для нанесення рисунків, які закріплені на виході вироба
з машини. Ці установки дають змогу подавати шоколад як на усі вироби, так і на
частину з них. Прості установки видають струмінь шоколадної маси різної форми,
а більш складні переміщують положення точок видачі відповідно до виробів за
допомогою вмонтованого електродвигуна.
Після проходження глазурувальної машини покриті шоколадом
вироби потрапляють в охолоджувальний тунель.
Швидкість стрічки конвеєра охолоджувального тунелю регулюють
безступінчасто, що дає змогу синхронізувати її зі швидкістю руху сітчастого
конвеєра глазурувальної машини, а також у деяких межах змінювати час
охолодження. У зв’язку з тим, що стрічка конвеєра має довжину до 10 метрів,
охолоджувальний тунель обладнаний приладом, який за допомогою пневматичної
системи автоматично унеможливити зсув стрічки з барабанів. Для вироблення
необхідного тиску повітря охолоджувальний тунель обладнаний вмонтованим
компресором.
Потужна холодильна станція, змонтована в охолоджувальному
тунелі, дає змогу не лише отримати повітря з робочою температурою до 3-5°С,
але, що важливо, видалити з повітря вологу.
В охолоджувальному тунелі застосовано найбільш прогресивну
схему компонування холодильної станції. Вона встановлена в середині
охолоджувального тунелю, що дає змогу вентилятору видавати охолоджене повітря в
обидва боки від повітроохолоджувача. Тим самим при незмінній довжині конвеєра
вдвічі зменшується шлях повітря. У стільки ж разів збільшується частота його
проходження через охолоджувач і, відповідно, через охолоджувальну продукцію,
розташовану на стрічці конвеєра. Потужний осьовий вентилятор діаметром близько
0,5 м, який проганяє повітря через охолоджувач, забирає потік повітря всередині
тунелю, тобто у місці, яке найбільш віддалене від відкритих торців тунелю.
Відтак, здійснюється мінімальний підсос навколишнього повітря в канали тунелю,
що особливо актуально літом, а також у регіонах з гарячим кліматом.
2.5 Характеристика обладнання
.5.1 Ротаційна піч MIWE Roll-in
У ротаційних хлібопекарських печах обігрів пекарної камери
забезпечує гаряче повітря, що подається вентилятором. Пекарна камера печі
розрахована на завантаження одного або декількох стелажних візків, які можуть
розташовуватися або на платформі, або підвішуватися на гачок. Протягом всього
процесу випічки, візок здійснює обертальні рухи (ротацію).
Даний виробник пропонує піч із вбудованим парогенератором,
який забезпечує подачу пари в пекарну камеру під час випічки. Цей процес
необхідний для глянцування поверхні виробів. Печі оснащені електромеханічною
або електронною панеллю управління. Технічні характеристики ротаційної печі
наведені в табл. 2.1, зовнішній вигляд на рис. 2.3.
Таблиця
2.1
Технічні характеристики
|
Площа випічки,м2
|
10
|
|
Розмір листів, мм
|
600х800
|
|
Вагонок у камері
|
1
|
|
Габаритні розміри -
Глибина, мм - Ширина, мм - Висота, мм
|
1410 1550 2670
|
|
Мін. Висота
приміщення, мм
|
2850
|
|
Потужність двигуна,
кВт
|
2,6
|
|
Середня витрата -
Дизель, л/год - Газ, м3/год
|
5 6
|
|
Маса, кг
|
1600
|
2.5.2 Тістоділильна машина Werner&Pfleiderer Parta U
(Німеччина)
Тістоділитель призначений для ділення тіста на заготовки
рівної маси (рис. 2.4).
Рис. 2.3 Зображення ротаційної печі
Характеристики:
· продуктивність до 2400 шт./год;
· матеріал - нержавіюча сталь.
Рис. 2.4 Тістоділильна машина
.5.3 Тістоокруглююча машина автоматична Fortuna A3
(Німеччина)
Характеристики:
· кількість поділів - 30;
· вага заготовок 32 - 70 г;
· висота 1350 мм;
· ширина 580 мм;
· глибина 580 мм;
· потужність 0.74 кВт.
Зовнішній вигляд тістоокруглюючої машини зображено на рис.
2.5.
Рис. 2.5 Тістоокруглююча машина
.5.4 Тістомісильна машина "Прима-300"
"Прима-300" - двошвидкісна автоматична
тістомісильна машина зі спіральним місильним органом, центральним відсікачем,
підкатною циліндричною товстостінною діжею з нержавіючої сталі ємністю 300
літрів(рис.2.6). Призначена для інтенсивного замісу широкого асортименту
пшеничного, житнього і змішаних видів тіста для хліба, хлібобулочних і
кондитерських виробів, у тому числі бездріжджового і дріжджового тіста.
Максимальне завантаження по кожній рецептурі визначається дослідним
шляхом(табл. 2.2).
Таблиця
2.2
Технічні характеристики тістомісу «Прима-300»
|
Обсяг
використовуваної діжі, л
|
300
|
|
Максимальна маса
тіста, кг / заміс
|
200
|
|
Мінімальна маса
тіста, кг / заміс
|
5
|
|
Номінальна
споживана потужність, кВт
|
17.6
|
|
Номінальна напруга,
В 3NPE
|
~380
|
|
Габаритні розміри,
мм
|
1805x1260x1343
|
|
Маса, кг, не більше
(без діжі Д-300)
|
1280
|
|
Маса діжі Д-300,
кг, не більше
|
250
|
"Прима-300" може експлуатуватися в 1-3 змінному
режимі в умовах промислового виробництва кондитерських виробів. Інтенсивний
заміс на "Прима-300" принципово покращує якість випікання продукції,
збільшується обсяг виробів, м'якуш стає більш еластичною, пористість
рівномірною і дрібною, кірка більш інтенсивно забарвленою, сповільнюється
черствіння.
Автоматична система керування на базі промислового контролера
SIMATIC S7-200 та сенсорним РК-SIEMENS забезпечує:
· створення, зберігання, використання, корегування до
100 10-крокових програм замісів
· роботу в автоматичному режимі
· тестування та діагностику
працездатності вузлів і агрегатів машини
· моніторинг аварійних ситуацій з
автоматичним переходом машини у безпечний стан
· автоматичне ведення архівів: замісів,
аварійних подій з діагностикою несправностей, обліку часу напрацювання машини
· контроль навантаження на приводи
робочих органів машини під час роботи
· вимірювання та індикацію температури
тіста, підключення до технологічного комп'ютера (опціонально).
Елементи конструкції, що забезпечують надійну роботу і
зручність експлуатації "Прима-300":
· дві швидкості обертання місильного органу, реверсивний
обертання діжі на малій швидкості
· гідравлічний привід підйому -
опускання траверси і фіксації діжі, вузли та агрегати гідравлічної системи -
від кращих європейських виробників
· привід обертання діжі забезпечує
плавний пуск двигуна приводу обертання і виключає пошкодження механізму приводу
в разі удару шестерень зубчастої передачі "зуб на зуб" переміщенням
провідної шестерні в зачеплення після фіксації діжі в робочому положенні
· патрубки на кришці діжі для
завантаження сипучих і рідких компонентів в автоматичному і ручному режимах,
оглядове скло для візуального контролю процесу замісу.
Рис. 2.6 Тістомісильна машина
.5.5 Вертикальна пакувальна машина AV 100S
На рис. 2.7 зображено зовнішній вигляд вертикальної
пакувальної машини.
Рис. 2.7 Вертикальна пакувальна машина AV 100S
Призначена для вертикальної упаковки в пакети типу
"подушка" або з плоским дном овочів, фруктів, різаних, сипких,
штучних продуктів, хлібобулочних та кондитерських виробів, пельменів,
макаронів, грибів, горіхів, сиру та цукерок. Пакувальна машина AV 100S виконана
з нержавіючої сталі (табл. 2.3). Продуктивність машини може досягати 100
упаковок за хв. і залежить від виду продукту, пакувального матеріалу і розміру
самої упаковки. Машина обладнана для користувача інтерфейсом з пультом
управління на корпусі машини, що дозволяє задавати різні види програм, режимів
розливу. AV 100S комбінується з будь-якою системою зважування.
Таблиця
2.3
Технічні характеристики пакувального обладнання
|
Потужність
|
до 100 упак/хв
|
|
Ширина плівки (max)
|
700 мм
|
|
Ширина пакета (max)
|
600 мм
|
|
Довжина пакета
(max)
|
600 мм
|
|
Споживана
потужність
|
4,5 кВт
|
|
Витрата стисненого
повітря
|
210 л / хв
|
2.5.6 Глазурувальна машина
Глазурувальна машина ГМ 220 (рис. 2.8) призначена для
декорування кондитерських виробів шоколадною глазур'ю різної товщини і різними
способами: знизу, зверху і з боків, з усіх боків. Камера глазурування закрита
полікарбонатними панелями.
Глазурувальна машина ГМ 220 має такі технічні характеристики:
ü Ширина сітки, мм -250;
ü Напруга, В (однофазне) - 220;
ü Споживча потужність, кВт - 1,5;
ü Накопичувальний резервуар, л - 20;
ü Габаритні розміри, мм - 1080 ×
600 × 1290;
ü Вага, кг - 90.
Глазурувальна машина ГМ 220 має такі особливості:
Глазирувальна машина повністю виконана з нержавіючої сталі,
марки AISI 304;
Накопичувальний резервуар з електронним терморегулятором для
підтримки постійної температури;
Знімний транспортерний стіл (сітка з нержавіючої сталі),
оснащений: вібруючим пристроєм для рівномірного розподілу шоколаду, вихідним
роликом для зняття «хвостів»;
Воронка забезпечує двохвеєрне падіння шоколаду;
Пристрій дозволяє глазурувати продукт тільки знизу або з усіх
боків;
Система камерного підігріву - нагрівальна лампа в закритій
робочій камері;
Обдув з регулятором потужності і з регульованою висотою
обдування.
Рис. 2.8. Глазурувальна машина ГМ 220
.5.7 Парозволожувач Condair CP3
Парозволожувачі призначені для прямого зволоження повітря в
приміщеннях (за допомогою вентагрегату) або канального зволоження (за допомогою
паророзподільні трубки), використовуючи системи вентиляції та кондиціонування.
Принцип роботи Condair CP3 заснований на нагріванні води за допомогою
електродів. Залежно від паропродуктивності система включає в себе від одного до
максимум 4 базових блоків. Системи, що складаються більш ніж з двох блоків,
об'єднуються між собою Link-up системою і працюють в режимі Головний / Ведений.
Зволожувачі Сondair CP3 призначені для роботи на звичайній
водопровідній воді або частково пом'якшеній воді (водопровідна вода, жорсткість
якої знижена приблизно на 1/3 від початкового значення). Зволожувачі Сondair
CP3 (рис. 2.9) комплектуються в стандартному варіанті очищається паровим
циліндром для води з провідністю від 125 до 1250 μС см. Для води з більш
низькою провідністю необхідно замовляти спеціальний циліндр.
Рис. 2.9. Парозволожувач Condair CP3
.5.8 Живильник шлюзовий роторний М-122
Рис. 2.10 Живильник
Живильник шлюзовий роторний (рис.2.10) складається з
живильника і приводу, змонтованих на загальній станині. Живильник складається з
корпусу, двох торцевих кришок, лопатевого ротора, що обертається в 2-х
радіально-сферичних підшипниках і світлопрозорого патрубка. Привід живильника
складається з двигуна, черв'ячного редуктора, двох триступінчастих шківів,
з'єднаних клиновим ременем, ланцюгової передачі, огорожі та плити, на якій
змонтований привід живильника.
При роботі борошно з бункера надходить у відсіки обертового
ротора, який переносить її в нижню частину живильника. Вступник під тиском
через вхідний патрубок повітря змішується з борошном і захоплює її через
вихідний патрубок у мукопроводів. Продуктивність живильника (табл.2.4)
змінюється за допомогою установки змінної зірочки і перекидання ременя на
відповідні канавки триступінчастих шківів. Експлуатаційна продуктивність
повинна відповідати даним таблиці.
Таблиця
2.4
Продуктивність живильника
|
Частота обертання
ротора
|
1 об/хв.
|
0,116
|
0,182
|
0,265
|
0,399
|
0,496
|
0,7
|
|
Експлуатаційна
продуктивність
|
т/год
|
1,5
|
2,25
|
2,8
|
4,0
|
5,0
|
7,0
|
2.5.9 Борошнопросіювач BAGMASZ (Польща)
Технічні характеристики:
ü продуктивність до 2500 кг/год;
ü швидкість 960 об./хв;
ü потужність 1.1 кВт;
ü висота 1340 мм;
ü ширина 700 мм;
ü довжина 1120 мм;
ü вага 135 кг
Рис. 2.11 Борошнопросіювач BAGMASZ
2.5.10 Тунель для охолодження
Технічні характеристики:
ü Температура 0..+15°С;
ü Швидкість руху плівки 0,5-3 м/хв.;
ü Ширина плівки 400 мм;
ü Довжина робочої зони тунеля 4000 мм;
ü Номінальна потужність 3,5 кВт;
ü Холодоагент фреон R-22;
ü Напруга ~380 В
ü Габаритні розміри 5100*750*1350 мм.
Охолоджуючий тунель призначений для швидкого охолодження
глазурі (шоколаду) на кондитерських виробах після глазурування (декорування).
Охолоджуючий тунель виконаний на основі промислових автоматичних агрегатів, що
дозволяють вести роботу цілодобово без зупинки на розморожування випарників.
Підвищена потужність холодильного компресора 5700ккал / ч., і випарників,
дозволяє за 4-5 хвилини вийти на технологічний режим роботи. Потужна система
циркуляції повітря, всередині робочої 4-х метрової зони тунелю, дозволяє
досягти продуктивності 6-8-й метрових тунелів.
Охолоджуючий тунель має дві охолоджуючі секції. Охолодження
виробів здійснюється примусовою, двобічної циркуляцією холодного повітря.
Система охолодження має знижену вологість, що дозволяє отримати оптимальну
кристалізацію глазурі (шоколаду).
Рис. 2.12 Охолоджуючий тунель
3. РОЗРОБКА
СТРУКТУРНОЇ БЛОК-СХЕМИ СИСТЕМИ КЕРУВАННЯ
3.1 Аналіз об’єкта керування
Для того, щоб продукція відповідала встановленим вимогам,
процес підготовки до випікання (норми дозування, очищення, температура
компонентів) та, власне, саме випікання, охолодження, глазурування і пакування
чи фасування проходили по строго встановлених режимах. Так як технологічний
процес виготовлення кексів неперервний, на якість виробництва кінцевого
продукту основним чином впливає надійність роботи автоматизованої системи.
Таким чином контрольовані величини можна організувати
наступним чином (рис. 3.1):
Рис. 3.1 Блок - схема зв’язків між величинами процесу
Всі стадії виготовлення кексів можна звести до якості
вихідного продукту кожної окремо взятої стадії, ціни на готовий виріб та попит
споживачів та конкурентоспроможність підприємства на ринку. Тому якість готової
продукції основним чином залежить від дотримання технологічних параметрів на
кожній стадії виготовлення. Основними збурюючими факторами в даному випадку
будуть температура та вологість в приміщенні.
3.2 Структурна блок-схема системи керування
При розробці структурної схеми (рис. 3.2) та виборі об’єкта
автоматизації зверталась увага на покращення технологічного процесу після
впровадження ряду технічних засобів автоматизації. Метою впровадження ТЗА є
зменшення ручної роботи на підприємстві, зменшення кількості вихідного браку,
пов’язаного з людським фактором, збільшення обсягу продукції, що випускається,
шляхом скорочення часу простою обладнання.
Для атоматизації лінії підібрано ряд датчиків та виконавчий
механізм, що відповідають вимогам безпеки та задовільняють належні умови
функціонування. Таким чином забезпечується висока точність і надійність роботи
обладнання.
Виконавчі механізми також управляються за уніфікованим
сигналом контролера через перетворювачі.
Великою перевагою розроблюваної системи являється наявність
індикації, та клавіатури, за допомогою яких система стає гнучконалагоджуємою.
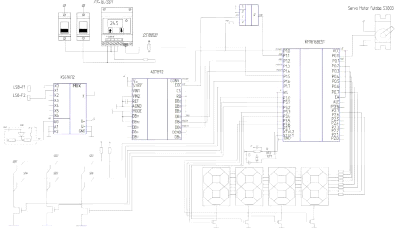
Рис. 3.2 Структурна блок - схема системи керування
Представлена блок - схема системи керування реалізована на
таких елементах:
ü Д1,Д2 - датчики рівня;
ü Д3 - датчик температури;
ü АЦП АД 7892;
ü МК КМ1816ВЕ51;
ü Засоби індикації та клавіатура;
ü Регулятор;
ü КАС - тимчасова затримка сигналів;
ü Сервопривід Futaba S3003.
.3 Вибір типів датчиків та виконавчих механізмів
.3.1 Датчик температури DS 18 B 20
DS18B20 цифровий термометр з
програмованим дозволом, від 9 до 12-bit, яке може зберігатися в EEPROM пам'яті приладу. DS18B20 обмінюється даними по 1-Wire шині і при цьому може бути як єдиним пристроєм на
лінії так і працювати в групі. Всі процеси на шині управляються центральним
мікропроцесором.
Діапазон вимірювань від -55°C до +125°C і точністю 0.5°C в діапазоні від -10°C до +85°C. DS18B20 може живитися напругою лінії даних ("parasite power"), за відсутності зовнішнього джерела напруги. Кожен DS18B20 має унікальний 64-бітний
послідовний код, який дозволяє, з’єднуватися з безліччю датчиків DS18B20 встановлених на одній шині. Такий принцип дозволяє
використовувати один мікропроцесор, щоб контролювати безліч датчиків,
розподілених за великим ділянці. Перевагою з цієї особливості даного пристрою, включають системи контролю температури в будівлях, і
устаткуванні чи машинах, а так само контроль і управління температурними
процесами.
.3.2 Датчик рівня LS8-F
Магнітний поплавковий рівнемір конструктивно складається з
вимірювального стрижня і поплавка. При зміні вертикального положення поплавця
уздовж чутливого стрижня в результаті підйому або спаду рівня рідини змінюється
вихідний опір датчика, так як вихідний сигнал аналогового рівнеміра прямо
пропорційний рівню рідини. В якості чутливого елемента в датчиках використовуються
магніточутливі геркони в герметичних пластикових корпусах.
Характеристики:
· Матеріал: ABS;
· Номінальна потужність: 10 Вт;
· Струм спрацьовування: 0.5 А;
· Макс. допустимий струм: 1.5 А;
· Напруга спрацьовування: 200 В;
· Робоча температура: -30 ... 125 ° C;
· Опір контактів: 0-180 Ом
.3.3 Виконавчий механізм
В якості виконавчого механізму виступає сервопривод, який
буде керувати заслінкою.
Сервопривод (рис. 3.3) - це пристрій в системах автоматичного
регулювання або дистанційного керування, що за рахунок енергії допоміжного
джерела здійснює механічне переміщення регулюючого органу відповідно до
отримуваних від системи керування сигналів. Тобто, міняється положення
регулюючого органу (важеля, кнопки, перемикача) - потік матеріалу або енергії,
що поступає на об'єкт дії, міняється і в результаті виконується дія на робочі
машини або механізми, змінюється стан робочого об'єкта.
Якщо говорити технічною мовою, то сервопривод працює від
імпульсів змінної тривалості, які отримує через сигнальний дріт. Коли
тривалість імпульсів становить близько 1,5 мілісекунди, то сервопривод
перебуває в нейтральному положенні (тобто у нього однаковий потенціалом
обертання в обидва напрями). Кут повороту сервоприводу залежить від тривалості
імпульсу. Чим триваліший імпульс, тим швидше працює двигун. Коли сервопривод
виконує команду переміщатися, то яка-небудь зовнішня сила, що при цьому спробує
його спинити буде відчувати сильний спротив - це і є та максимальна сила, яку
витримуватиме сервопривод. Проте сервопривод не постійно підтримує вказане
положення - для цього йому необхідні імпульси, яких він чекає протягом 20 мс.
Що стосується тривалості імпульсу, то якщо вона менше 1,5 мілісекунд -
сервопривод повертає вал на декілька градусів проти годинникової стрілки і намагається
зафіксувати положення. Якщо ж вона більше, то навпаки - за годинниковою
стрілкою. У середньому для роботи сервоприводу необхідний діапазон тривалості
імпульсу від 1 мс до 2 мс. Крім того, важливий параметр, що характеризує
сервопривод - це швидкість обертання (той час, за яке сервопривод переходить з
одного положення в інше)
Головні частини сервоприводу - це його двигун, елементи
керування і передача. Крім того, в ньому є також дрібніші периферійні пристрої
- блокування, сигналізація, система включення/виключення, елементи зворотного
зв'язку. Як правило, сервоприводи можуть працювати, на відміну від систем
сельсин/давач - сельсин/приймач, тільки від зовнішніх джерел енергії, оскільки
потужності внутрішніх джерел енергії недостатньо для ефективного функціонування
сервоприводу (дуже вже енергоємну роботу йому доводиться виконувати).
Сервоприводи діляться на декілька видів (залежно від джерела
енергії) - механічні, гідравлічні і електричні. Електричні сервоприводи є
найсучаснішими. Часто в них використовуються синхронні двигуни. Їхній обертовий
момент і швидкість регулюються спеціальними сервоперетворювачами.
Сучасні сервоприводи характеризуються доброю спроможністю до
регулювання, стабілізацією швидкості і обертового моменту, високою динамікою і
точністю позиціонування, відносно невеликими вагою і габаритами, а також
великою стійкістю до різноманітних перешкод.
Завдяки своїм високим технічним показникам, сервоприводи
активно використовуються в робототехніці. Їхнє використання допомагає підвищити
функціональність роботів, зробити їхні рухи чіткішими і плавнішими.
Рис. 3.3 Сервопривід в загальному вигляді
Сервопривід, як і кроковий двигун, є елементом точної
кінематики, що дозволяє досягати точне позиціонування механізмів. Але на
відміну від крокового двигуна, сервопривод має зворотний зв'язок, що дозволяє в
будь-який момент відстежити точний кут повороту валу. В якості джерела
зворотного зв'язку можуть бути використані різні типи енкодерів і
потенціометри.
Сервомашинка (рис. 3.4) складається з корпусу, в якому
укладений невеликий колекторний електродвигун, редуктор і керуюча електроніка.
Рис. 3.4 Внутрішня частина сервоприводу в розрізі
В якості зворотного зв'язку застосовуються потенціометри.
Тому ці серви мають обмеження по куту повороту валу навколо осі. Так, у
вибраному серво Futaba S3003, кут повороту вихідного валу становить 225°.
Конструкція сервомашини виконана таким чином, що крутить, від
двигуна до вихідного валу передається через редуктор з великим передавальним
числом, тому при малих розмірах і енерговитратах, сервомашини можуть
забезпечувати більшу тягу.
Таблиця
3.1
Технічні характеристики Futaba S3003
|
Параметр
|
Напруга живлення, В
|
|
4,8
|
6,0
|
|
Зусилля на валу
|
3,2 кг / см
|
4,1 кг / см
|
|
Швидкість
позиціонування
|
0,23 sec/60 °
|
0,19 sec/60 °
|
|
Розмір, Д х Ш х В
|
41мм х 20мм х 36мм
|
|
Маса, г
|
37
|
В якості керуючого сигналу служить імпульсний сигнал
(рис.3.5) з періодом 20 мс і з тривалістю від 0,8 до 2,2 мс. Це якийсь стандарт
управління сервомашин. Чим довший прийшов імпульс, тим на більший кут
повернеться вал сервомашини. Для розгону період проходження імпульсів можна
зменшити до 10 мс.
Рис. 3.5 Імпульсний сигнал
Керуючий сигнал подається на серво по сигнальному проводі S.
У вибраній сервомашині він білий, в деяких моделях - жовтий. Крім сигнального
проводу з сервомашини виходять два дроти - лінії живлення - земля (чорний) і
живлення (червоний).
Рис. 3.6 Вигляд виходів сервопривода
.3.4 Цифровий електронний регулятор
Призначений для вимірювання та автоматичної підтримки
заданого значення рівня температури. Він включає нагрівальний пристрій при
досягненні температури заданого нижнього значення і виключає при досягненні
верхнього, тим самим підтримує температуру в потрібному режимі. В режимі
очікування показує температуру вимірюю чого середовища (рис. 3.7).
Рис. 3.7 Зовнішній вигляд регулятора РТ-16/D1
Таблиця
3.2
Технічні характеристики регулятора
|
Найменування
|
РТ-16/D1
|
|
Діапазон
регулювання, °С
|
0… +125°
|
|
Можлива погрішність
вимірювання
|
0,5°С
|
|
Дискретність
задання температури
|
1°С
|
|
Тип вихідного
пристрою
|
реле
|
|
Напруга живлення
|
~220 В (±10%), 50
Гц
|
|
Максимальний струм
навантаження
|
16 А
|
|
Максимальна
потужність навантаження
|
3 кВт
|
|
Споживча потужність
|
Не більше 5 Вт
|
|
Температура
навколишнього середовища
|
+5 … +50°C
|
|
Розмір
терморегулятора, мм
|
90x52x65
|
|
Ступінь захисту
|
IP20
|
3.3.5 Вибір мікроконтролера
Був обраний мікроконтроллер фірми Siemens КМ1816ВЕ51 (рис.3.8). Цей тип процесора
має вбудоване ОЗП об'ємом 128 байт, що дозволяє розширювати пам'ять програм і
ОЗП до 64К за рахунок зовнішніх кристалів пам'яті.
Мікроконтролер виконаний на основі високорівневої n-МОП
технології і випускається в певному корпусі, що має 40 зовнішніх виводів.
Цоколівка корпусу МК51 і найменування виводів показані на рис. 3.9. Для роботи
MK51 потрібно одне джерело електроживлення +5В. Через чотири програмованих
порти введення / виведення MK51 взаємодіє з середовищем в стандарті ТТЛ-схем з
трьома станами виходу. Корпус МК51 має два виводи для підключення кварцового
резонатора, чотири виводи для сигналів, керуючих режимом роботи МК, і вісім
ліній порту три, які можуть бути запрограмовані користувачем на виконання
спеціалізованих (альтернативних) функцій обміну інформацією з середовищем.
Архітектура процесору містить:
Двадцять регістрів спеціального призначення;
Чотири банки робочих регістрів;
Стек з максимальною глибиною 128 байт;
128 контрольованих окремих розрядів;
32 двонаправлені лінії вводу / виводу, організовані в чотири
8-розрядних порти;
Програмований мультиплексний послідовний порт;
Два 16-розрядних таймера / лічильника;
Дворівнева система переривань;
5 джерел переривань;
Вкладена система переривань.
Розширена система команд, що забезпечує:
Пряму побайтову і побітову адресацію;
Двійкову і двійково-десяткову арифметику;
Контроль переповнення та парності / непарності;
Тривалість циклу команди - 1 мкс, при тактовій частоті 16
МГц.
Рис. 3.8 Зовнішній вигляд МК
Рис. 3.9 Вигляд входів/виходів мікроконтролера КМ1816ВЕ51
Позначення на цьому рисунку:- потенціал загального проводу
("землі");- основна напруга +5 В;, X2 - висновки для підключення
кварцового резонатора;- вхід загального скидання мікроконтролера;- дозвіл
зовнішньої пам'яті програм; видається тільки при зверненні до зовнішнього ПЗП;-
строб адреси зовнішньої пам'яті;
ЕА - відключення внутрішньої програмної пам'ять; рівень 0 на
цьому вході змушує мікроконтролер виконувати програму тільки зовнішнє ПЗУ;
ігноруючи внутрішнє (якщо останнє є);- восьми бітний квазі двонаправлений порт
вводу / виводу: кожен розряд порту може бути запрограмований як на введення,
так і на виведення інформації, незалежно від стану інших розрядів;- восьми бітний
квазі двонаправлений порт, аналогічний Р1; крім того, виводи цього порту
використовуються для видачі адресної інформації при звертанні до зовнішньої
пам'яті програм або даних (якщо використовується 16-бітова адресація
останньої). Виходи порту використовуються при програмуванні 8751 для введення в
мікроконтролер старших розрядів адреси:
РЗ - восьми бітний квазі двонаправлений порт, аналогічний.
Р1; крім того, виводи цього порту можуть виконувати ряд альтернативних функцій,
які використовуються при роботі таймерів, порту послідовного
введення-виведення, контролера переривань, і зовнішньої пам'яті програм і
даних;- восьми бітний двонаправлений порт вводу-виводу інформації: при роботі
із зовнішніми ОЗУ і ПЗУ по лініях порту в режимі тимчасового мультиплексування
видається адреса зовнішньої пам'яті, після чого здійснюється передача або
прийом даних.
3.3.6 Вибір АЦП
Для заданої системи керування обирається АЦП фірми Analog
Devices АД7892.
Рис. 3.10 Вигляд входів/виходів АЦП
Дана мікросхема є високошвидкісною з низькою споживаною
потужністю, 12-бітним АЦП, який пресує від однополярної напруги Uж = +5В. Вона містить АЦП
послідовного наближення з часом перетворення 1,47 мкс, вбудований підсилювач
відслідковування і запам`ятовування сигналу, внутрішнє джерело опорної
напруги 2,5 В та універсальний інтерфейс, який реалізує як паралельну, так і
послідовну видачу даних.
4. Розробка принципової схеми та алгоритму системи керування
.1 Принципова схема системи керування
Принципова схема розробленої системи керування визначає
повний склад складових частин елементів, зв'язків між ними, і дає детальне
уявлення про принцип їх роботи.
Робота пропонованої схеми починається з задання певних
відповідних норм рівня рідини, шару нанесення глазурі,температури та
встановлення дози компонентів. Оскільки в системі використовуються два види
датчиків аналогові та цифрові, тому для перетворення сигналів аналогових
датчиків використовуємо високошвидкісне АЦП фірми Analog Devices АД7892. Сигнал
в перетвореній цифровій формі поступає на мікроконтролер.
Основною складовою являється регулятор РТ-16/D1 та датчик DS 18 B 20.
Вони призначені для вимірювання та автоматичної підтримки
заданого значення рівня температури. До складу входить нагрівальний пристрій
при досягненні температури заданого нижнього значення і виключає при досягненні
верхнього, тим самим підтримує температуру в потрібному режимі. В режимі
очікування показує температуру вимірюючого середовища. Тобто в процесі
регулювання використовується релейний закон.
В якості виконавчого механізму виступає сервопривід Futaba
S3003. В якості керуючого сигналу служить імпульсний сигнал (рис. 3.5) з
періодом 20 мс і з тривалістю від 0,8 до 2,2 мс. Це якийсь стандарт управління
сервомашин. Чим довший прийшов імпульс, тим на більший кут повернеться вал
сервомашини. Для розгону період проходження імпульсів можна зменшити до 10 мс. Керуючий
сигнал подається на серво по сигнальному проводі S. У вибраній сервомашині він
білий, в деяких моделях - жовтий. Крім сигнального проводу з сервомашини
виходять два дроти - лінії живлення - земля (чорний) і живлення (червоний).
Зображення принципової схеми зображено на рис.4.1.
Рис. 4.1 Принципова схема системи
4.2 Розроблений алгоритм системи керування
Робота пристрою починається з введення початкових даних до МК. Після
цього виконується зчитування даних з датчиків рівня та температури. Після отримання даних з датчиків,
йде аналіз отриманих даних та їх обробка.
Спочатку знімаємо дані з датчика температури. Отримані дані поступають до МК, де порівнюються з заданим значенням температури. При невідповідності заданому
значенню
спрацьовує терморегулятор РТ-16/D1.
Використаний терморегулятор забезпечує підтримання плюсової
температури по встановленному верхньому і нижньому рівнях. Межі установки
температури - від 0 до 99°C. Температура може підтримуватися як за допомогою
тенів, так і за допомогою опалення з використанням сервоприводів з датчиками.
Для контролю виникнення можливих аварійних ситуацій передбачений аварійний вхід
і індикація.
Відображення температури і режиму роботи приладу виконується
за допомогою чотирьох семисегментних індикаторів. Установка меж регулювання
температури та режимів індикації виконується трьома кнопками.
Якщо кнопки натискати з періодом в одну секунду, то буде
виконуватися повільна установка розрядів (по одиниці). Якщо кнопка утримується
більше 1 с, то починається прискорена установка зі зміною значення на одиницю
через 0,1 с.
Алгоритм роботи зображений на рис. 4.2 Після ініціалізації МК
запускається таймер, переповнення таймера буде відбуватися через 8 мс. Наступні
дільники відзначаються інтервалами часу 0,1 с і 1 с. Дільник «8 мс» необхідний
для зміни розрядів динамічної індикації. Дільник «0,1с» використовується в
прискореній установці значень розрядів. Дільник «1с» використовується при зміні
режиму індикації і для повільної установки розрядів.
Після індикації кожного розряду виконуються всі наступні
підпрограми, показані на рис. 4.2.
Рис. 4.2 Розроблений алгоритм системи
5. ОЦІНКА НАДІЙНОСТІ СИСТЕМИ
.1 Загальні відомості
Надійністю називають властивість об'єкта зберігати в часі у
встановлених межах значення всіх параметрів, що характеризують здатність
виконувати необхідні функції в заданих режимах і умовах застосування,
технічного обслуговування, ремонтів, зберігання і транспортування. Розширення
умов експлуатації, підвищення відповідальності виконуваних радіоелектронними
засобами (РЕЗ) функцій, їх ускладнення призводить до підвищення вимог до
надійності виробів.
Надійність є складною властивістю, і формується такими
складовими, як безвідмовність, довговічність, відновлюваність, працездатність і
зберігаємість. Основним тут є властивість безвідмовності - здатність виробів
безперервно зберігати працездатний стан протягом тривалого часу. Тому найбільш
важливим в забезпеченні надійності РЕЗ є підвищення їх безвідмовності.
Сторонами надійності є:
. Безвідмовність - властивість об'єкту безперервно зберігати
працездатність протягом деякого часу або деякого напрацювання. Напрацювання -
час роботи об'єкту до першої відмови.
. Ремонтопридатність - властивість об'єкту, що полягає в
пристосованості його до попередження і виявлення відмов і відновлення
працездатності об'єкту або шляхом проведення ремонту, або шляхом заміни
елементів, що відмовили.
. Довговічність - властивість об'єкту зберігати
працездатність до настання граничного стану при встановленому режимі технічного
обслуговування і ремонту.
. Зберігаємість - властивість об'єкту зберігати
працездатність протягом і після його зберігання і (або) транспортування.
. Працездатність - такий стан об'єкту, при якому він здатний
виконувати задані функції, задовольняючи вимогам нормативно-технічної
документації. Працездатність - це характеристика стану об'єкту в деякий момент
часу.
.2 Основні показники надійності
Основними якісними показниками надійності є ймовірність
відмови, ймовірність безвідмовної роботи, інтенсивність відмов і середнє
напрацювання на відмову.
Під ймовірністю відмови Q(t) в загальному випадку розуміють
ймовірність виникнення події, після появи якої елемент стає ненадійним.
Ймовірність безвідмовної роботи - це ймовірність того, що
елемент буде зберігати параметри в заданих межах протягом визначеного часу і за
визначених умов експлуатації. Якщо позначити через Р(t) ймовірність
безвідмовної роботи протягом часу t, а через Q(t) - ймовірність відмови за той
же час, то:
Р(t) = 1 - Q(t).
Величину P(t) на підставі експериментальних даних можна
визначити з відношення:
(t)=n(t)/N0 ,
де n(t) - число елементів, пропрацювавших без відмови
протягом часу t;0 - число елементів на початку випробувань.
Інтенсивність відмов - це умовна щільність ймовірності часу
до відмови в момент часу t за умови, що елемент не відмовив до моменту часу t.
Величина λ(t) на основі експериментальних
даних визначається відношенням
,
де ∆t - заданий відрізок часу;(t) - число елементів, які
відмовили за інтервал часу ∆t;
,
п - число елементів, що справно працювали на початку інтервалу ∆t;к
- число елементів, що справно працювали в кінці інтервалу ∆t.
Середнє напрацювання на відмову T0 - це
математичне очікування наробітку об’єкта до першої відмови.
Час безвідмовної роботи дорівнює зворотній величині
інтенсивності відмов:
Показники інтенсивності відмов комплектуючих беруться на
підставі довідкових даних.
.3 Розрахунок основних показників надійності глазурувальної
машини ГМ-220
В технологічному процесі виробництва кексів використовується
глазурувальна машина ГМ-220, яка є важливою ланкою процесу, який пропонується
до автоматизації. Вихід з ладу кожного елементу системи, особливо цього
елементу, призведе до припинення виробництва, а отже не тільки незапланованих
витрат на ремонт обладнання, а й до втрат внаслідок простою технологічної
лінії. Визначимо основні показники безвідмовності: щільність розподілу
напрацювання між відмовами f(t), ймовірність безвідмовної
роботи P(t) на протязі періодів часу ti, інтенсивність виходу з ладу
системи λ(t), якщо час середнього напрацювання на
відмову, згідно з технічними характеристиками двигуна T0=15000год. Побудуємо графіки
залежності щільності розподілу та показників безвідмовності, розбивши T0 на проміжки.
Розіб’ємо час середнього
напрацювання на відмову на проміжки з кроком ∆t=500 год. Дані занесемо в
таблицю.
Розраховуємо інтенсивність відмов:
,
год-1.
Дані занесемо в таблицю .
Визначаємо значення ймовірностей безвідмовної роботи системи та
ймовірностей відмови системи:
,
Дані занесемо в таблицю 5.1
Таблиця
5.1
Значення щільності розподілу напрацювання між відмовами та
показників надійності в різних точках часу напрацювання
|
Час напрацювання t, год
|
Ймовірність
безвідмовної роботи P(t)
|
Ймовірність відмови
Q(t)
|
|
500
|
0,96753856
|
0,03246144
|
|
1000
|
0,936130864
|
0,063869136
|
|
1500
|
0,905742708
|
0,094257292
|
|
2000
|
0,876340995
|
0,123659005
|
|
2500
|
0,847893704
|
0,152106296
|
|
3000
|
0,820369853
|
0,179630147
|
|
3500
|
0,793739466
|
0,206260534
|
|
4000
|
0,76797354
|
0,23202646
|
|
4500
|
0,743044012
|
0,256955988
|
|
5000
|
0,718923733
|
0,281076267
|
|
5500
|
0,695586434
|
0,304413566
|
|
6000
|
0,673006696
|
0,326993304
|
|
6500
|
0,651159929
|
0,348840071
|
|
7000
|
0,63002234
|
0,36997766
|
|
7500
|
0,609570907
|
0,390429093
|
|
8000
|
0,589783358
|
0,410216642
|
|
8500
|
0,57063814
|
0,42936186
|
|
9000
|
0,552114404
|
0,447885596
|
|
9500
|
0,534191976
|
0,465808024
|
|
10000
|
0,516851335
|
0,483148665
|
|
10500
|
0,500073596
|
0,499926404
|
|
11000
|
0,483840487
|
0,516159513
|
|
11500
|
0,468134327
|
0,531865673
|
|
12000
|
0,452938013
|
0,547061987
|
|
12500
|
0,438234993
|
0,561765007
|
|
13000
|
0,424009253
|
0,575990747
|
|
13500
|
0,410245302
|
0,589754698
|
|
14000
|
0,396928149
|
0,603071851
|
|
14500
|
0,384043289
|
0,615956711
|
|
15000
|
0,371576691
|
0,628423309
|
Графік залежності ймовірності
безвідмовної роботи та ймовірності відмови від часу напрацювання побудований на
підставі таблиці, зображений на рис. 5.1.
Отже, з отриманих розрахунків та графіків бачимо, що
ймовірність відмови стає більшою, ніж ймовірність безвідмовної роботи системи
при середньому часі напрацювання близько 11000 год.
алгоритм автоматизований кондитерський лінія
Рис. 5.1 Графік залежності ймовірності безвідмовної роботи та
ймовірності відмови від часу напрацювання
6. Розрахунок системи автоматичного
регулювання
.1 Визначення передаточної функції
Проведемо аналіз системи автоматичного регулювання (САР) на
прикладі системи регулювання температури в глазурувальній машині в зоні нанесення глазурі. Аналізуючи темперуючий пристрій машини , як об’єкт
керування, бачимо, що температура в зоні випікання печива залежить від
кількості згорання газу. Фактично маємо замкнену систему, на вході котрої
знаходиться задана температура, на виході - отримане значення цієї температури.
В результаті віднімання від заданого значення отриманого на виході маємо
значення розузгодження, на основі котрого регулятором виробляється рішення про
збільшення чи зменшення значення сигналу керування на виконавчому механізмі. В
нашому випадку виконавчим механізмом є регулюючий клапан подачі газу і задаючим
сигналом для нього є задаючий рівень напруги від регулятора, прямо пропорційний
сигналу розузгодження в межах регулювання. При відхиленні поточного значення
потужності від заданого завдяки отриманому сигналу розузгодження виробляється
додаткова напруга на регулюючому клапані, котра змушує його збільшувати або
зменшувати площу поперечного перерізу впускного каналу. Відповідно на виході
виконавчого механізму дотримується певний рівень витрати газу. Даний рівень є
задаючим для об’єкту керування і в залежності від нього на виході отримується
скориговане значення температури. Даний контур регулювання дозволяє
компенсувати відхилення поточної температури від заданої внаслідок коливань
температури.
Таким чином можемо на основі викладеного вище зобразити
структурну схему розглядуваної САР (рис.6.1).
Рис. 6.1 Структурна схема системи
автоматичного регулювання температури в зоні нанесення глазурі
Тут tзад - задана температура ;
-
температура розузгодження; Uз - керуючий сигнал; fП - отримана витрата газу; tрез - отримане значення температури; WР(p) - передаточна функція регулюючого органу; WК(p) - передаточна функція
клапана; WП(p) - передаточна функція машини по газу.
Розглянемо окремі елементи структурної схеми.
Регулятор
Задаючий сигнал на клапані є прямо пропорційним потужності
розузгодження:
,
де kр - коефіцієнт залежності керуючого сигналу від різниці заданої і
отриманої потужності.
Позначивши kр через k1 та співвіднісши зображення по Лапласу вихідного
сигналу до зображення по Лапласу вхідного сигналу отримуємо передаточну функцію
регулятора у вигляді пропорційної ланки:
.
Регулюючий клапан
Вхідним параметром для дроселя є рівень задаючого сигналу,
вихідним - кількість газу. Регулюючий клапан, як елемент схеми для розрахунку
САР, описується рівняннями вигляду:
,
де S - площа поперечного перерізу витратного
каналу, KS - коефіцієнт залежності площі поперечного
перерізу витратного каналу від задаючого сигналу, T1 - стала часу реакції площі поперечного
перерізу каналу на зміну задаючого сигналу, fк - кількість газу через витратний канал, Kf - коефіцієнт залежності витрати газу від площі
поперечного перерізу витратного каналу, T2 - стала часу реакції витрати на зміну площі
поперечного перерізу каналу
Виходячи з вказаних рівностей після перепозначення KS∙Kf=k2, віднісши зображення по Лапласу вихідного
сигналу (площа перерізу витратного каналу) до зображення по Лапласу вхідного
сигналу (значення переміщення штоку), записати передаточну функцію дросельного
елементу:
Глазурувальна машина
Глазурувальна машина в даному випадку є керованим об’єктом.
При цьому в усталеному режимі температура в зоні нанесення глазурі є прямо
пропорційною витраті газу, в динамічному режимі тут має враховуватися
інерційність системи:
,
де TT - стала часу температури на зміну кількості газу ; kT - коефіцієнт залежності температури від кількості
газу в усталеному режимі.
В результаті перепозначення kT=k3,
TT=T3
та відношення зображення по Лапласу вихідного сигналу до зображення по Лапласу
вхідного сигналу отримаємо передаточну функцію у вигляді
.
Врахувавши знайдені вирази для визначення передаточних функцій
визначимо розімкнену передаточну функцію системи автоматичного регулювання
температури в зоні нанесення глазурі. Після заміни
отримуємо розімкнену передаточну функцію у вигляді:
або
.
;
;
.
Передаточна функція замкненої системи для структурної схеми із
зворотнім зв’язком (рис.6.1) записується у вигляді
.
Тут
передаточна функція розімкненої АСР,
-
передаточна функція ланки зворотного зв’язку. Підставивши в цей вираз та
значення передаточної функції ланки зворотного зв’язку як 1, отримуємо
передаточну функцію замкненої АСР:
.
Зведемо параметри для розрахунку автоматичної системи
регулювання до табл.6.1.
Таблиця 6.1
Дані для розрахунку системи керування
|
Назва параметру
|
Позначення параметру
|
Значення параметру
|
|
Пропорційний
регулятор
|
|
|
|
Коефіцієнт
перетворення розузгодження температури в сигнал керування
|
Kр
|
0,065В/ºС
|
|
Регулюючий клапан
|
|
|
|
Коефіцієнт
залежності площі поперечного перерізу витратного каналу від сигналу керування
|
KS
|
4,0∙10-4
м2/В
|
|
Стала часу реакції
площі поперечного перерізу витратної магістралі на зміну сигналу керування
|
TS
|
0,15 c
|
|
Коефіцієнт
залежності кількості газу від площі поперечного перерізу витратної магістралі
|
Kf
|
14 м/с
|
|
Стала часу реакції
кількості газу на зміну площі поперечного перерізу витратного каналу
|
Tf
|
0,26 c
|
|
Глазурувальна
машина
|
|
|
|
Стала часу реакції
температури в зоні нанесення глазурі на зміну кількості газу
|
TN
|
3,5 с
|
|
Коефіцієнт
залежності температури від кількості газу
|
kN
|
2,4∙102
ºС∙с/м3
|
Виходячи із заданих значень розрахуємо коефіцієнти та сталі
часу передаточних функцій системи автоматичного регулювання
k0 = 1,014;
k1 = 0,65;
k2 = 0,0065;
k3 = 2,4∙102;
Т1 = 0,035;
Т2 = 0,65;
Т3 = 0,15;
Т10 = 0,25;
Т20 = 0,13;
Т30 = 0,0034125.
6.2 Визначення стійкості системи згідно критерію Найквіста
Метод визначення стійкості автоматичних систем регулювання
(АСР) за Найквістом є одним з частотних методів. Він дозволяє визначити
стійкість замкненої системи за амплітудно-фазовою характеристикою (АФХ)
розімкненої системи. При цьому метод визначення залежить від того, чи є стійкою
АСР в розімкненому стані.
Визначимо стійкість АСР у розімкненому вигляді. Для цього
скористаємося методом Гурвіца, котрий є одним з алгебраїчних методів.
Для цього прирівняємо знаменник до нуля:
Згідно критерію стійкості АСР за Гурвіцем:
необхідною та достатньою умовою стійкості при
є додатність всіх часткових визначників матриці
Гурвіца.
Матриця Гурвіца для рівняння виду
записується
у вигляді:
Для нашого випадку
.
Тому матриця Гурвіца записується для розглядуваного випадку (n=3) у вигляді:
Значення коефіцієнтів Ті0 розраховано в п.6.1.
Проведемо аналіз матриці Гурвіца, використовуючи критерій:
а0=Т30>0;
Δ1=а1=Т20>0;
Δ2=Δ1а2=Δ1∙Т10>0.
Оскільки всі часткові визначники є додатними, то робимо висновок, що система
є стійкою в розімкненому вигляді.
Оскільки АСР у розімкненому вигляді є стійкою, формулювання методу
Найквіста для неї матиме наступний вигляд:
Для того, щоб АСР, стійка в розімкненому стані, була стійкою і в
замкненому стані, необхідно і достатньо, щоб АФХ розімкненої системи
при зміні
від
0 до ∞ не охоплювала точку з координатами (-1; j0).
Характеристичне рівняння для розімкненої АСР має вигляд:
.
Через заміну
приведемо передатну функцію розімкненої системи до
вигляду
. Тоді маємо:
.
Згрупуємо елементи дійсної та уявної частин:
.
Оскільки, згідно схеми типових перетворень, якщо
,
то дійсні і уявні частини
визначаються
як
,
.
Для нашого випадку маємо, що
Для побудови АФХ приведемо до вигляду
. Для цього запишемо формули перетворення для
визначення
та
:
Підставивши значення всіх параметрів АСР та змінюючи
від 0 до ∞ отримуємо АФХ розімкненої системи
(рис. 6.2)
З вигляду АФХ на рис. 6.2 можемо зробити висновок, що дана система автоматичного
регулювання є стійкою у замкненому стані, оскільки не охоплює точку (-1;j0).
Рис. 6.2 Амплітудно-фазова характеристика САР
6.3 Визначення стійкості за критерієм Михайлова
Критерій Михайлова формулюється наступним чином:
Для стійкої АСР необхідно і достатньо, щоб годограф Михайлова,
починаючись при
на додатній дійсній напівосі, обходив послідовно в
додатному напрямку (проти годинникової стрілки) при збільшенні
від 0 до ∞ n квадрантів, де n - ступінь
характеристичного поліному.
Запишемо характеристичний вираз замкненої системи:
.
Проведемо перехід до частотної площини шляхом заміни
. Звівши дійсні та уявні частини поліному, отримаємо
характеристичний поліном вигляду
.
Позначивши дійсну частину характеристичного поліному через
і уявну - через
та
змінюючи
від 0 до ∞ будуємо годограф Михайлова на
комплексній площині (рис. 5.3).
Рис. 6.3 Годограф Михайлова
З побудованого годографа Михайлова можемо підтвердити висновок про те,
що АСР є стійкою, оскільки годограф проходить через 3 квадранти при ступені
характеристичного поліному, рівному трьом. При подальшому збільшенні
дійсна частина прямує до -∞, і уявна також до -∞.
6.4 Побудова логарифмічних характеристик
Для побудови логарифмічної амплітудно-частотної
характеристики (ЛАХ) та логарифмічної фазочастотної характеристики (ЛФХ)
запишемо ще раз передаточну функцію розімкненої системи:
.
Виконаємо заміну
:
Запишемо значення модуля
:
.
З цього виразу запишемо ЛАХ системи виходячи з умови
:

Визначимо частоти зрізу ЛАХ:
;
;
.
При побудові ЛАХ спочатку наносимо пряму значенням
і оскільки розглядувана АСР не має астатичності, то
ЛАХ матиме початковий нахил 0Дб/дек і надалі, оскільки відсутні додатні зрізи
ЛАХ, то при побудові її на частотах зрізу вона змінюватиме нахил на-20Дб/дек
при ω1, ω2. Згідно наведених міркувань будуємо ЛАХ в логарифмічній системі
координат (рис. 6.4).
Для передатної характеристики розімкненої АСР виду
після запису у вигляді
вираз ЛФХ має вигляд:
Рис. 6.4 Логарифмічна амплітудно-частотна характеристика САР
Таким чином сумарна ЛФХ є сумою ЛФХ окремих складових. Тобто
для побудови сумарної ЛФХ достатньо окремо побудувати ЛФХ окремих ланок і потім
їх просумувати. Розіб’ємо на окремі прості складові:
Із записаних добутків складемо систему рівнянь для визначення ЛФХ:
Змінюючи
від 0 до ∞ будуємо часткові ЛФХ в логарифмічній
системі координат. Провівши алгебраїчне сумування окремих ЛФХ, отримуємо
загальну ЛФХ розімкненої системи (рис.6.5).
Оскільки при тому значенні ω (ω=∞), при якому ЛФХ досягає значення
, ЛАЧХ має від’ємне значення, то ми можемо ще раз
підтвердити висновок п.6.2 та п.6.3 про те, що розглядувана АСР є стійкою.
Рис. 6.5 Логарифмічна фазочастотна характеристика САР
7. ОХОРОНА ПРАЦІ І НАВКОЛИШНЬОГО СЕРЕДОВИЩА
.1 Загальні положення
Право на здоров’я і безпечні умови праці - невід’ємне право
кожної людини.
У країнах світу, незалежно від економічного розвитку та
політичного стану, існують закони та нормативні документи, які повністю або
частково захищають людину від небезпечних та шкідливих умов праці, забезпечують
охорону її здоров’я.
Охорона праці - це система правових, соціально-економічних,
організаційно-технічних, санітарно-гігієнічних і лікувально-профілактичних
заходів та засобів, спрямованих на збереження здоров’я і працездатності людини
в процесі праці.
Верховна Рада України 28 червня 1996 року прийняла Конституцію
України в якій до основних прав громадянина віднесено права на належні,
безпечні і здорові умови праці і на забезпечення у разі втрати працездатності
(статті 43, 46).
Основні положення щодо реалізації вказаних прав громадян
визначає Закон “Про охорону праці”, прийнятий Верховною Радою України
14.10.1992 року. Цей закон проголошує основні принципи державної політики в
галузі охорони праці та гарантії прав громадян на охорону праці, встановлює
компетенцію і повноваження державних органів управління охороною праці,
повноваження і права органів держнагляду і громадського контролю, регулює
відносини між власником або уповноваженим ним органом і працівником з питань
безпеки та стану виробничого середовища, визначає відповідальність за порушення
законодавства про охорону праці.
Законодавство про охорону праці включає: Закон України “Про
охорону праці”, “Кодекс законів про працю України”, “Основи законодавства
України про охорону здоров’я”, Закон “Про пожежну безпеку”, “Про дорожній рух”,
“Про використання ядерної енергії та радіаційний захист”, “Про забезпечення
санітарного та епідемічного благополуччя населення” “Про цивільну оборону”;
інших законодавчих та нормативних актів.
В “Кодексі законів про працю” конкретизовані нормативні
положення Закону “Про охорону праці” та інших законів. В ньому є окремий розділ
„Охорона праці”, в якому зокрема вказується, що на всіх підприємствах, в
установах, організаціях, створюються здорові і безпечні умови праці, і
відповідальність за це несе власник. Він має впроваджувати сучасні засоби
охорони праці, які запобігають виробничому травматизму і профзахворюванням.
Власник не має права вимагати від працівника виконання роботи в умовах, що не
відповідають законодавству про охорону праці.
Перехід підприємств в умови ринкових відносин означатиме, що
нещасні випадки і захворювання на виробництві викликатимуть суттєві економічні
витрати не тільки для держави, а й даного підприємства. Вони впливатимуть на
рентабельність і конкурентоздатність підприємства, на прибутки трудового колективу.
Несприятливі умови праці негативно відбиваються на продуктивності праці, якості
і собівартості продукції, зменшують валовий національний доход країни. Тому
всебічна турбота про охорону праці, проведення активної політики стає ключовою
проблемою для власників і керівників підприємств, державних і профспілкових
органів.
Докорінна перебудова методів управління економікою вимагає
відповідної наукової організації охорони праці, удосконалення управління цією
діяльністю на підприємствах в сучасних умовах господарювання.
При переході до ринку має докорінно змінитися мотивація
діяльності з охорони праці, головними стануть економічні методи управління.
Першим обов’язком власника, керівника підприємства стане
створення такої організації виробництва, за якої досягатиметься найбільший
прибуток. Кожен нещасний випадок на виробництві або випадок професійного
захворювання означатиме для підприємства серйозну моральну і економічну
проблему.
Другим завданням стане забезпечення високої якості продукції
або послуг, їх конкурентоздатності. Закон захищає споживача від недоброякісної
продукції. Якість праці і якість продукції прямо залежить від якості умов
праці, від санітарно-гігієнічного та ергономічного комфорту на робочих місцях.
Отже, забезпечення здорових, безпечних і високопродуктивних
умов праці стане важливим фактором існування підприємства в умовах ринкової
конкуренції. Керівники мають зберігати цінних кваліфікованих робітників,
створювати їм здорові умови праці, забезпечувати гуманний моральний клімат у
трудовому колективі, що сприятиме підвищенню продуктивності праці і поліпшенню
якості продукції.
Керівник має постійно намагатись забезпечувати технологічну
та організаційну перевагу свого підприємства перед іншими. Гостро стало питання
використання наукових досягнень і серед них - системи наукової організації
охорони праці, системного підходу до проблем запобігання нещасним випадкам та
захворюванням на виробництві.
Поліпшення умов праці стає одним із важливих напрямків
підвищення матеріального та культурного рівня життя народу. Сучасне
виробництво, значні темпи науково-технічного прогресу потребують все більш
рішучих вимог щодо охорони праці.
Згідно з Законом „Про охорону праці” власник зобов’язаний
створити в кожному структурному підрозділі і на кожному робочому місці умови
праці відповідно до вимог нормативних актів, а також забезпечити дотримання
прав працівників гарантованих законодавством про охорону праці.
На підприємствах з кількістю працюючих 50 і більше чоловік
рішенням трудового колективу може створюватися комісія з питань охорони праці
(Закон України "Про охорону праці", ст. 26).
Комісія з питань охорони праці є постійно діючим
консультативно-дорадчим органом трудового колективу та власника або
уповноваженого ним органу. Завдання комісії - залучення представників власника
та трудового колективу до співробітництва в галузі управління охороною праці на
підприємстві, узгодженого вирішення питань, що виникають у цій сфері, в тому
числі:
• захист законних прав та інтересів працівників у сфері
охорони праці;
• підготовка власнику підприємства рекомендацій щодо
профілактики виробничого травматизму та професійних захворювань;
• опрацювання рекомендацій щодо включення до колективного
договору питань з охорони праці та використання коштів на охорону праці.
Фінансування заходів з охорони праці на підприємстві здійснюється власником.
Питання охорони праці на підприємстві повинні бути
відображені в колективному і трудовому договорах. Працівники повинні мати
соціальні гарантії, передбачені законодавством.
Умови праці - це сукупність факторів виробничої обстановки,
що впливають на працездатність і здоров’я людини в процесі праці. Охорона праці
розробляє лише виробничі умови праці. Виробничі умови праці поділяються на
наступні групи: загальні, технічні, умови безпеки, санітарно-гігієнічні,
психофізіологічні, естетичні.
Під час виконання технологічного процесу за допомогою тих або
інших засобів праці можливий контакт з небезпечною зоною, тобто виникає
небезпека миттєвого пошкодження організму. Ці можливості обладнання або
технологічних процесів називають виробничими небезпеками.
Умови праці на виробництві характеризують не тільки трудовим
процесом, але й навколишньою санітарно-гігієнічною обстановкою. Якщо при
трудовому процесі навантаження падає головним чином на м’язову і нервову системи,
то оточуюча обстановка (температура, вологість, забрудненість повітря,
опроміненість, шум, освітлення та ін.) викликає зміни у функціонуванні органів
дихання, кровообігу, зору, слуху людини. Кожний з цих факторів, а тим більше у
сукупності, за несприятливих умов здійснює шкідливий вплив на організм, тому їх
називають виробничими шкідливими. Можливі перевантаження як окремих органів і
систем, так і всього організму, що підвищує його втомлюваність, знижує реакції
на можливі небезпеки, може призводити до захворювань, погіршення самопочуття,
зниження працездатності.
Умови праці повинні задовольняти таким вимогам, які б дали
можливість людині виконувати роботу безпечно, без шкоди для здоров’я без
перевтоми і з високою продуктивністю. Ці вимоги можна поділити на психологічні,
фізіологічні та гігієнічні, ергономічні і вимоги безпеки.
Психологічні вимоги враховують закономірності психічної
діяльності людини, можливості сприйняття, пам’яті і мислення. Ці вимоги
опрацьовуються інженерною психологією, технічною естетикою.
Фізіологічні та гігієнічні вимоги враховують функціональні
можливості організму людини і зміни фізіологічних процесів під впливом факторів
умов праці. Опрацьовуються фізіологією праці та гігієною праці.
Ергономічні вимоги враховують антропометричні і біомеханічні
характеристики людини, особливості робочої пози, встановлюють відповідність
знарядь праці, пультів і органів управління, робочих місць операторів розмірам,
формі і масі тіла людини, силі і напрямку рухів. Опрацьовуються ергономікою.
Вимоги безпеки враховують наявність і рівень небезпечних і
шкідливих виробничих факторів, їх дію на людину, ефективність тих або інших
заходів і засобів колективного і індивідуального захисту. Опрацьовуються
охороною праці на основі теоретичних досліджень, вивчення практичного досвіду,
аналізу причини аварій, травматизму і захворюваності.
Основна мета вимог безпеки - попередження нещасних випадків і
професійних захворювань. Вимоги безпеки встановлюються законами і
нормативно-технічною документацією для: небезпечних і шкідливих виробничих
факторів, виробничого обладнання, виробничих процесів, засобів захисту,
будівель та споруд, працівників.
Вирішити питання охорони праці можливо лише за умови
створення на підприємстві високої культури виробництва. Під культурою
виробництва розуміється комплекс заходів, до якого належать:
·підвищення технологічного рівня виробництва
(механізація, автоматизація, роботизація, комп’ютеризація, впровадження
прогресивної техніки, безперервної, безвихідної технології, надійність і якість
обладнання);
·наукова організація праці (сучасна організація
виробництва в умовах ринку, оптимальні санітарно-гігієнічні і психофізіологічні
умови праці, досконала техніка безпеки, впровадження виробничої естетики);
·особиста культура працівників (рівень
загальноосвітньої і професійної кваліфікації, виховання духовного рівня
особистості, фізичне виховання, особиста гігієна, ставлення до праці,
самоконтроль).
Отже, підвищення виробничої культури означає поліпшення умов
праці через систематичне і наполегливе удосконалення техніки і технології,
організації праці і особистої культури працівників.
Ціль аналізу умов праці - визначення небезпечних і шкідливих
заходів і засобів для усунення можливостей травмування працюючих, шкідливих
впливів виробничого середовища і створення умов для високопродуктивної праці. У
зв’язку з цим конструкція будь-якої машини і технологічний процес мають бути
такими, щоб забезпечити повну безпеку робітника, до мінімуму звести його
фізичне і психологічне навантаження та повністю зняти нервову напругу.
Якісна оцінка ведеться шляхом виявлення, виміру і
безпосередньо оцінки потенціальної небезпеки. Для виміру і оцінки потенціальної
небезпеки процес праці на всіх етапах диференціюють і описують кожен
небезпечний і шкідливий фактор по причині виникнення безпечного і небезпечного
стану. Для вивчення аналізу умов виникнення небезпечного стану користуються
спеціально розробленими моделями.
За порушення нормативних актів про охорону праці, невиконання
розпоряджень посадових осіб органів державного нагляду з питань безпеки,
гігієни праці та виробничого середовища підприємства (закладу, організації)
можуть притягатися органами державного нагляду до сплати штрафів.
Сплата штрафів за порушення нормативних актів про охорону
праці за нещасні випадки та професійні захворювання здійснюється за рахунок
доходу, що залишається в розпорядженні підприємства. Бюджетні заклади,
організації сплачують штраф за рахунок коштів, що спрямовуються на преміювання.
Штрафні санкції до підприємств (закладів, організацій),
підприємців застосовуються за порушення санітарного законодавства.
За порушення санітарного законодавства передбачається
відповідальність: дисциплінарна, адміністративна, цивільно-правова та
кримінальна. Дисциплінарна відповідальність - це один із заходів стягнення:
вирок-догана, звільнення. Адміністративна відповідальність - це
відповідальність посадових осіб та працівників перед органами державного
нагляду, що полягає в застосуванні до них штрафних санкцій. Цивільно-правова
відповідальність за порушення санітарного законодавства передбачає
відшкодування винними (підприємствами, підприємцями та громадянами) збитків
потерпілим особам (здійснилися захворювання, отруєння, радіаційні ураження,
втрата працездатності, настали інвалідність або смерть), а також компенсацію
ними витрат санітарно-епідеміологічної служби та лікувально-профілактичних
закладів.
Управління охорони праці в Україні на державному рівні
здійснюють Кабінет Міністрів України, державний Комітет України по нагляду за
охороною праці, міністерства і інші центральні органи державної виконавчої
влади, місцева державна адміністрація, місцеві ради народних депутатів.
7.2 Санітарні вимоги
Підприємства з виробництва продуктів
харчування повинні бути оснащені устаткуванням і предметами матеріально-технічного
оснащення відповідно до діючих норм законодавства.
Витяг з санітарних правил:
Ø Особи, що поступають на
роботу в кондитерське виробництво, а також учні середніх професійно-технічних
училищ, студенти вищих учбових закладів та технікумів перед проходженням
виробничої практики в обов'язковому порядку повинні пройти медичне обстеження,
бактеріологічний контроль на носійство патогенних стафілококів, вступний
інструктаж по санітарному мінімуму та техніці безпеки.
Ø Кожен працівник повинен мати
санітарну книжку, куди регулярно заносяться результати всіх досліджень, в тому
числі про перенесені інфекційні захворювання, проходження працівниками навчання
за програмою гігієнічної підготовки. Санітарні книжки зберігаються у начальника
(майстра) цеху або у оздоровчому пункті.
Ø Працівники, що не мають
санітарної книжки, не склали іспиту за програмою гігієнічної підготовки, носії
патогенних стафілококів, до роботи в кондитерському цеху не допускаються.
Ø Не допускаються до роботи в
цехах по виробництву кондитерських виробів з кремом особи, що мають
захворювання, вказані в наказі МОЗ України "Положення про медичний огляд
працівників певних категорій" від 13.03.94 р. N43.
Ø Для виявлення осіб з
гноячковими захворюваннями шкіри, дрібними пораненнями, саднами, опіками,
гострими явищами запалення верхніх дихальних шляхів і порожнини рота медичними
працівниками підприємства щозміни перед початком роботи повинен проводитися
огляд всіх працюючих із записом в спеціальному журналі, в якому вказують дату
перевірки, прізвище, ім'я, по батькові працівника, результати огляду та вжиті
заходи. При відсутності в штаті медичного працівника таку перевірку проводить
спеціально виділений за наказом адміністрації і навчений працівник або майстер
цеху за погодженням із територіальними органами держсаннагляду.
Для оздоблення кексів допускаються
особи з добрим зором.
Ø Працівникам, у яких виявлені
пошкодження шкірних покривів, порушення функції кишечнику, а також носіям
патогенних стафілококів категорично забороняється доступ до роботи, пов'язаної
із виготовленням крему, оздобленням, зберіганням, відпуском, транспортуванням
кремових виробів, про що письмово повідомляється начальнику цеху, зміни,
дільниці.
Ø Дрібні поранення, садна,
опіки, що нагноїлися, гострі респіраторні захворювання можуть стати джерелом
обсіменіння виробів з кремом, інвентарю, посуду, повітря виробничих приміщень
ентеротоксигенними штамами стафілококів.Загоєння поранень уповільнюється через
необхідність частої санітарної обробки рук. Для скорочення строків загоєння
дрібних поранень, незначних опіків, тріщин, саден та попередження нагноєнь
рекомендується використовувати клей БФ-6 (купують в аптеці).
Ø Особи, що перехворіли на
гноячкові, застудні, кишкові захворювання, допускаються до роботи тільки після
повного одужання, а носії патогенних стафілококів - після ефективної санації.
Ø Працівники зобов'язані
приходити на роботу в чистому особистому одязі, при вході на підприємство
ретельно очищати взуття. Перед початком зміни працівники повинні вимитись під
душем; надіти чистий санітарний одяг; підібрати волосся під косинку або ковпак;
ретельно вимити руки теплою водою з милом і продезінфікувати їх 0,2% розчином
хлорного вапна або хлораміну.
Ø Зміна санітарного одягу
проводиться щоденно та у міру забруднення. Забороняється заходити у виробничі
цехи без санітарного одягу або в спецодягу для роботи на вулиці. Прання
санітарного одягу виконують у пральні на підприємстві чи на підприємствах
побутового обслуговування населення.
Ø Слюсарі, електромонтери та
інші працівники, зайняті ремонтними роботами у виробничих, складських
приміщеннях підприємства, зобов'язані виконувати вимоги особистої гігієни,
працювати в цехах в санітарному одязі; інструменти слід переносити в
спеціальних закритих ящиках з ручками. Ділянки, де проводиться ремонт, повинні
бути огороджені.
Ø Категорично забороняється
приносити в цех сторонні предмети (годинники, сірники, сигарети, сумки тощо),
носити ювелірні прикраси (намисто, сережки, каблучки тощо).
Ø Особливо ретельно працівники
повинні стежити за чистотою рук. Необхідно не рідше двох разів у тиждень робити
гігієнічний манікюр. Нігті на руках треба підстригати коротко і не покривати їх
лаком. Мити та дезінфікувати руки слід перед початком роботи і після кожної
перерви в роботі, при переході від однієї операції до другої, після стикання із
забрудненими предметами.
Ø Після кожного приймання їжі
слід споліскувати рот, а також охороняти вироби від можливого обсіменіння
мікроорганізмами при кашлі та чханні.
Ø Після відвідування туалету
необхідно двічі мити та дезінфікувати руки 0,2% розчином хлорного вапна або
хлораміну: після відвідування туалету до одягання халату і безпосередньо перед
тим, як приступити до роботи.
Ø Забороняється приймати їжу і
курити у виробничих приміщеннях. Приймати їжу допускається тільки в їдальнях,
буфетах, кімнатах для приймання їжі та інших пунктах харчування, розташованих
на території підприємства та поблизу нього.
Ø Для зберігання харчових
продуктів передбачають спеціальні шафи та побутові холодильники.
Ø Умови праці на робочому
місці, безпека технологічних процесів, машин, механізмів, обладнання та інших
засобів виробництва, стан засобів колективного та індивідуального захисту, що
використовуються працівником, а також санітарно-побутові умови повинні
відповідати вимогам нормативних актів з охорони праці (Закон України "Про
охорону праці" ( 2694-12 ) від 14.10.92 р.).
.3 Безпека виробничого середовища
Відповідно до санітарних вимог
матеріали, з яких виготовляють устаткування, інвентар, посуд, тару для
громадського харчування, не повинні надавати шкідливої дії на продукти і
викликати зміни їх якості і властивостей. Вони повинні бути стійкими до кислот
і лугів, легко митися і дезінфікуватися, не іржавіти, мати гладку поверхню.
Таким вимогам відповідають нержавіюча сталь, алюміній, дюралюміній, нікель,
деякі види пластмаси, фарфор, фаянс, скло і ін.
Вимоги до устаткування. Технологічне
устаткування підприємств громадського харчування буває механічне, теплове,
холодильне і не механічне.
Форма і конструкція устаткування
повинні відповідати санітарно-гігієнічним вимогам, сприяти полегшенню праці
працівників і підвищенню його продуктивності. В даний час цим вимогам
відповідає модульне (певних габаритних розмірів) устаткування, виконане у
вигляді окремих секцій, які збираються в різному поєднанні для гарячих,
холодних, кондитерських цехів.
Устаткування розміщують у виробничих
приміщеннях з урахуванням послідовності технологічного процесу, що виключає
зустрічні потоки руху сировини, напівфабрикатів і готової їжі, що
перехрещуються. Для забезпечення вільного доступу до устаткування передбачають
проходи до нього шириною не менше 1,2-1,5 м.
Найбільш сучасним вважається лінійне
розташування модульно-секційного устаткування, яке створює єдину технологічну
лінію, покращує санітарний стан підприємства і умови праці персоналу. Як
правило ці лінії розташовують уздовж стенів або посередині приміщення,
звільняючи виробничі площі для нормального пересування тих, що працюють. Над
тепловими апаратами лінії влаштовують витяжну вентиляцію, що покращує
санітарний стан повітряного середовища виробництва.
Механічне устаткування повинне мати
робочі частини машин з неіржавіючої сталі, а зовнішні частини забарвленими
емалевою фарбою. Після роботи устаткування ретельно очищають, миють гарячою
водою, витирають рушником і закривають чохлом з плівки або полотна. Робочі
частини машини слід мити з додаванням дозволених миючих засобів, обшпарювати,
протирати, просушувати в теплових шафах окремо в розібраному вигляді.
Для подрібнення сирих і таких, що
пройшли теплову обробку продуктів повинне використовуватися роздільне механічне
устаткування, а в універсальних машинах - змінні механізми.
Найгігієнічнішим тепловим
устаткуванням є електричні апарати: стаціонарні казани, модульні секційні
пересувні плити, сковороди, фритюрниці, жарильні шафи, які збирають в лінію
залежно від послідовності технологічного процесу, кондитерські шафи в
кондитерському виробництві. їжа, приготована на таких лініях, зберігає високі
санітарні показники, оскільки її переміщення в процесі приготування скорочення
до мінімуму, крім того, її можна доставляти на роздачу в цих же казанах без
перекладання в інший посуд. Все теплове устаткування містять в чистоті, після
роботи ретельно миють гарячою водою з миючими засобами.
Холодильне устаткування у вигляді
шаф, збірно-розбірних камер, низько температури приладів і столів з
охолоджуваними шафами, морозильників слід мити щодня гарячою водою і
провітрювати.
До немеханічного устаткування
відносять: виробничі столи, виробничі і мийні ванни, розрубу вальний стілець,
стелажі, табурети, шафи і так далі.
Виробничі спити повинні мати рівну,
гладку, міцну, неіржавіючу поверхню. Найгігієнічнішими є суцільнометалеві столи
з неіржавіючої сталі або дюралюмінію, а також столи з дерев’яними кришками для
оброблення тесту на кухні і в кондитерських цехах, які виконані з твердих норія
дерева (дуб, береза, клен). Санітарними нормами допускається виготовлення
кришок столів з полімерного матеріалу.
Металеві столи після кожної
виробничої операції миють гарячою водою, а в кінці робочого дня миють з миючими
засобами і обполіскують гарячою водою. Столи з дерев'яними кришками зачищають
ножем і миють гарячою водою. Розрубувальний стілець заввишки 80 см і діаметром
50 см виготовляють з цілого дерева твердих порід (дуба, буку, ясена, клена) і
встановлюють на ніжках заввишки 20 см. бічну поверхню розрубувального стільця
після видалення кори забарвлюють світлою масляною фарбою, залишаючи
нефарбованою верхню частину шириною 20 див. Після робота поверхню стільця
рекомендується зачистити ножем, посипати сіллю і накрити чохлом, а бічну
частину вимити гарячою водою. У міру зношуваний і появи глибоких карбів
поверхню розрубувального стільця спилюють.
Виробничі ванни виготовляють
двогніздими з неіржавіючої сталі дюралюмінію або чавуну з емальованою
поверхнею. Розмір ванн не повинен перевищувати 1.000x700x450 мм.
Виробничі ванни для миття яєць в
кондитерському цеху виготовляють чотирьохсекційними.
.4 Техніка безпеки
Вимоги безпеки при експлуатації
електромеханічного устаткування.
Працювати на електромеханічному
устаткуванні дозволяється за наявності інструкції з експлуатації після
перевірки його справності, наявності захисних засобів та заземлень і тільки
особам, які пройшли навчання з експлуатації даного устаткування. Ремонтувати
електромеханічне устаткування дозволено тільки електрикам і механікам.
Перед початком роботи необхідно
перевірити наявність і справність заземлення та пускорегулювальної апаратури,
наявність запобіжних кілець, решіток, штовхачів, санітарний стан машини,
відсутність сторонніх предметів у робочій камері, надійність закріплення
робочих органів.
Завантажувати та розвантажувати всі
машини (за винятком машин для замішування тіста, нарізування хліба та
гастрономії) потрібно на ходу додержуючись норм завантажування. Забороняється
проштовхувати продукти та опускати руки в робочу камеру.
У разі заклинювання продуктів, машину
необхідно зупинити і після повної її зупинки видалити продукт.
Санітарне оброблення машини
здійснювати за повної зупинки, без використання кислот і лугів. Не можна мити
машини із шланга.
Машини повинні відповідати сучасним
вимогам виробничої естетики та безпеки праці, сприяти підвищенню продуктивності
праці. Рухомі частини машин повинні бути закритими і мати блокування для
запобігання дотику в процесі роботи. Матеріали, з яких виготовляють робочі
органи машин повинні не вступати у взаємодію з хімічними речовинами продукту,
не піддаватися корозії, не чинити шкідливої дії на організм людини, мають бути
інертними до кислоти, жиру, вологи, запахів.
Якщо підчас увімкнення приводу в
мережу двигун не працює, а дуже гуде, привід необхідно миттєво зупинити.
Справний привід працює з невеликим шумом, а кожух, що закриває двигун,
нагрівається дуже мало навіть за тривалої роботи. Поява сильного шуму чи стуку
свідчать про несправність електродвигуна або редуктора. Необхідно натиснути на
кнопку "Стоп", дочекатися повної зупинки робочих органів і тільки
потім усувати несправності. Підчас роботи не залишати машину без нагляду.
Вимоги безпеки при експлуатації
устаткування з електричним нагрівом.
На підприємствах громадського
харчування найбільшого поширення набули теплові апарати з електронагріванням. У
них відсутнє полум'я, тому зменшується небезпека пожежі, відпадає необхідність
у відведенні продуктів горіння (газоходів), газопроводах і приміщеннях для зберігання
скрапленого газу.
Апарати встановлюють згідно з
правилами монтажу електроустаткування, вимогами безпеки праці та пожежної
безпеки. Кожен апарат повинен мати свою електричну проводку, захисні та
заземлювальні пристрої. Електричні контакти повинні бути щільно приєднані,
прилади регулювання та безпеки закриті кожухами. Дверцята електричних шаф
повинні мати ручки і щільно прилягати до жарової поверхні шафи.
У процесі роботи з тепловими
апаратами необхідно дотримуватись обережності, тому, що робочі поверхні
нагріваються до температури 300°С і вище. Не дозволяється працювати на апаратах
з несправними пакетними перемикачами, терморегуляторами, манометрами та
запобіжними клапанами. Заборонено ненавантажені камфори плит тримати
ввімкненими на повну потужність, оскільки це призводить до деформації камфори.
Категорично заборонено охолоджувати розігріті камфори водою.
Для економної витрати електроенергії
необхідно дотримуватись технологічного процесу, своєчасно перемикати ступінь
нагрівання. Не рекомендується заповнювати парогенератор водою понад норму,
оскільки тривалість закипання котлів збільшується. Не використовувати
технологічне устаткування для обігрівання приміщень. Не допускаються до
експлуатації шафи зі знятими подовими листами.
Вимоги безпеки при експлуатації
холодильного устаткування
Холодильне устаткування закріплюється
наказом директора підприємства за певним робітником, який стежить за його
правильною експлуатацією та технічним станом. Холодильне устаткування
установлюють у приміщенні, в якому є вентиляція і температура повітря не
перевищує 35°С, на мінімальній відстані від стін або іншого устаткування не
менш, як 100 мм і так, щоб на нього не падали прямі сонячні промені.
Перед початком роботи перевірити
чистоту устаткування та його справність зовнішнім оглядом та вмиканням
холодильної машини. Не дозволяється користуватись обладнанням за відсутності
заземлення, огородження обертових частин машини, кожухів електричних приладів,
з несправними приладами автоматики, дверними затворами, нещільним приляганням
дверей до дверного прорізу, у разі виникнення (в момент увімкнення машини)
зайвого шуму, стукання, іскріння, протікання фреону.
Холодильне устаткування завантажувати
продуктами після запуску машин та досягнення необхідної температури.
Температура продуктів, які підлягають зберіганню повинна бути не вищою за
температуру навколишнього середовища. Підчас завантажування враховувати
граничні норми завантаження, продуктове сусідство, харчові продукти, що
виділяють або сприймають запахи, відділити одні від одних, вмістити у закриту
посудину або загорнути у поліетиленову плівку. Продукти не повинні щільно
прилягати одні од одних, доторкатися до випарника, стінок обладнання. Полиці не
дозволяється застеляти папером, картоном та іншими предметами, які погіршують
циркуляцію повітря в шафі або камері. Двері холодильного обладнання потрібно
відчиняти на короткий термін, а потім щільно зачиняти.
Нормальна робота холодильного
устаткування залежить від товщини снігової шуби на випарнику або
повітроохолоджувачі. При сніговій шубі, більшій як 3 мм, різко погіршується
теплообмін і порушується нормальний режим роботи холодильної машини. Якщо
снігова шуба видаляється автоматично, у міру утворення, то необхідно накопчену
у піддонах воду періодично зливати.
У разі відсутності приладів
автоматичного або напівавтоматичного від танення вимкнути холодильник,
відчинити двері, вийняти продукти. Не дозволяється видаляти снігову шубу ножем
та іншими гострими предметами. Це може спричинити пошкодження випарника і вихід
з ладу холодильної машини. Після від танення холодильне устаткування промити
теплим мильним розчином, а потім чистою водою. Після цього устаткування
залишити для просушування та провітрювання.
7.5 Перша допомога при опіках
Термічні опіки шкіри - це опіки від
окропу, гарячої пари, полум’я, розпеченого металу - іншими словами, від впливу
на шкіру високих температур. При цьому клітини шкіри гинуть. Чим вище
температура, тим глибше опік. Опік I ступеня - це почервоніння шкіри; опік II
ступеня - утворення пухирів на шкірі; опік III ступеня - омертвіння шкіри; опік
IV ступеня - омертвіння глибоких тканин. Тяжкість стану при опіках багато в
чому залежить від площі ураження. Перша допомога - охолодити поверхню опіку
холодною водою, щоб зупинити подальшу дію температури, а суб’єктивно - зменшити
відчуття болю.На 10-15 хв охолодіть уражені ділянки холодною водою, льодом,
снігом, а потім закрийте їх сухою антисептичної пов’язкою.
Опіки I ступеня після охолодження
оброблюють 40%-м спиртом або одеколоном.
На опіки II ступеня після обробки спиртом
накладають стерильну пов’язку.
При опіках III-IV ступеня до
втручання лікаря не відкривають і не проколюють пухирі, які утворюються; просто
накладають стерильну пов’язку, не видаляючи з поверхні опіку залишків одягу.
Одяг акуратно зрізають ножицями по краю обпаленої поверхні. Якщо потерпілий
знаходиться у свідомості і немає явищ шоку, дають йому 2 таблетки анальгіну і
негайно відправляють в лікувальну установу.
При великих опіках будь-якого ступеня
необхідна госпіталізація. Якщо площа опікової поверхні велика настільки, що не
представляється можливим покрити її пов’язками, обгортають потерпілого чистим
простирадлом і укутують ковдрою.
У разі, якщо лікарська допомога
затримується, при опіках II-IV ступеня навколишню шкіру очищують тампонами,
змоченими нашатирним спиртом, видаляють, максимально дотримуючись стерильності,
клапті шкіри, але великі бульбашки не можна чіпати. Забруднені ділянки очищують
тампонами, змоченими перекисом водню. Обережно висушують ранову поверхню і
покривають її стерильною пов’язкою з стрептоцідною емульсією або з
фураціліновою маззю.
Якщо при термічних опіках обличчя
обпеклися повіки, оброблюють уражену поверхню зеленкою.
Народна медицина радить спосіб
лікування опіку - картоплею. Натерти на тертці свіжий картопля, покласти на ганчірку
і прив’язати до хворого місця. Як тільки компрес нагріється, зняти його.
Спосіб лікування чаєм: заварити
міцний чорний або зелений чай, остудити заварку до 15°С і поливати нею обпалені
місця, перебінтовуючи їх. Постійно змочувати бинти заваркою, не даючи їм
висихати. Робити так 10-12 днів.
.6 Пожежна безпека
На кондитерському підприємстві зустрічаються різні види
запалювання, вибухонебезпечних і горючих сумішей і найбільш частими причинами
запалювання можуть бути: іскроутворення механічного походження, яке виникає при
ударах металевих частин обладнання, потрапляння металевих предметів у дробарки
та інше технологічне обладнання; падіння інструменту на металеву поверхню або
бетонну підлогу; відкрите полум’я технологічного обладнання, паяльні лампи, місце
спалювання відходів, електро-газозварювальні роботи, сірники і непогашені
цигарки, теплове проявлення електричного струму, іскри або дуги короткого
замикання, розряди статистичної і атмосферної електрики; перегрів підшипників
при неправильному застосуванні змащеного матеріалу, їх несправність; недбале
поводження з рослинними маслами, промасленими ганчірками.
Пожежна безпека підприємства забезпечується ще на стадії
проектування і розробки генерального плану відповідно до вимог
санітарно-гігієнічних і протипожежних правил (СН 245-71) і будівельних норм і
правил (СН и П 11-89-80).
Важливим заходом пожежної безпеки на підприємстві є
дотримання правил проведення робіт із відкритим вогнем, які необхідно
виконувати в спеціально відведених місцях.
Витрати води на внутрішнє пожежегасіння приймається 5 л/с.
Розрахунковий запас води при 3-годинному пожежгасінні визначається з
формули:
, м3
де: 3600 і 1000 -
перевідні коефіцієнти відповідно годин в секунди і літрів в м3;
n1 - потреба води на внутрішнє і n2 - зовнішнє пожежегасіння (залежить від об’єму будівлі
та ступеня вогнестійкості будівель і споруд).
Вимоги
до улаштування шляхів евакуації і евакуаційних виходів із будівель і приміщень
повинні відповідати СН и П 2.01.02-5 і СН и П 2.09.02-85.
Важливим заходом пожежної безпеки в електроустановках, є відповідний
вибір типів і виконання електроприладів, електродвигунів та іншого
електрообладнання із урахуванням навколишнього середовища та їх експлуатації.
Значна увага приділяється своєчасному сповіщенню про пожежу, для цього
використовуються автоматичні пожежні сигналізації (АПС), охоронно-пожежні
сигналізації (ОПС) і пожежний зв’язок.
Теплові оповіщувачі АТП-314, АТІП-3, ДТЛ, ПОСТ-1, МДПІ-028, ДСП-38. Чутливими елементами їх є спіралі, термопара та ін.,
які реагують на підвищену температуру навколишнього середовища.
Пожежну
безпеку промислових об’єктів регулюють ГОСТ 12.1.004-85ССБТ «Пожарна безпека»,
типові правила пожежної безпеки для промислових підприємств і інструкції на
окремих об’єктах.
.7 Охорона навколишнього середовища
Своєрідною характерною формою роботи галузей харчової промисловості
являється те, що забруднюючи навколишнє середовище підприємства одержують для
виробництва продукції вже забруднену сільськогосподарську сировину і матеріали,
що в підсумку, позначається на якості готової продукції.
Збалансований і ефективний розвиток галузей харчової і переробної
промисловості тісно пов’язаний з вирішенням комплексу екологічних проблем, які
з одного боку не дають ефективно розвиватися виробничому процесу, а з іншого -
їх вирішення є умовою підвищення екологічної стабільності регіонів розташування
підприємств.
Виробничий процес пов’язаний з виділенням в навколишнє середовище пилу
і надлишків тепла потребує прийняття заходів по їх локалізації.
Пил потрапляючи в атмосферу, знижує чистоту атмосферного повітря,
понижує його ступінь прозорості, що веде до пониження прямої сонячної радіації
і ультрафіолетового випромінювання.
Пил
осідає на поверхню рослин, утруднює газообмін з навколишнім середовищем.
Природно, що при потраплянні в організм пил шкідливо впливає на здоров’я
людини. Накінець, пил вибухонебезпечний і представляє пряму загрозу життю
людини.
Для
запобігання викиду пилу в атмосферне повітря, проходить його очищення, шляхом
пропуску повітря через фільтри, які за своєю конструкцією бувають різноманітні.
Найефективнішою боротьбою з пиловим забрудненням
довкілля є вентиляція та кондиціювання повітря.
8. ЕКОНОМІЧНА ЧАСТИНА
8.1 Техніко-економічне обгрунтування
ефективності автоматизованої системи керування лінією виготовлення кексів
В сучасних умовах переходу країни до
ринкової економіки, перед підприємствами, і зокрема перед підприємствами
харчової промисловості постала проблема якнайбільш ефективного господарювання,
яке визначається двома категоріями: соціальною та економічною.
Соціальна ефективність полягає у полегшенні праці робітників,
підвищенні її безпечності і санітарно-гігієнічних умов, загального і
культурного рівня.
На автоматизованому виробництві робітник - оператор має бути не тільки
висококваліфікованим, але й володіти достатніми технічними знаннями,
необхідними для керування автоматичними лініями і виявлення причин неполадок.
Праця такого робітника стає більш змістовною, творчою і є різновидом інженерної
праці. Тому автоматизація є одним з факторів стирання граней між розумовою і
фізичною працею.
Економічна ефективність передбачає поліпшення таких важливих
економічних показників виробництва, як продуктивність праці робітників,
продуктивність технологічного устаткування, собівартість продукції, якість
продукції та випуск продукції з одиниці площі.
Метою автоматизації є підвищення рентабельності виробництва
тобто вироблення великої кількості продукції при одночасному зменшенні затрат
на виготовлення кожного виробу. Автоматизацію можна впроваджувати у виробничі
процеси, модернізуючи існуюче устаткування (існуючі універсальні верстати
оснащують автоматичними пристроями) або проектуючи і впроваджуючи нові
автоматичні лінії.
На сьогоднішній день рівень автоматизації ПП «Вікторія» не
дозволяє вирішити поставлені питання. Відсутність системи обліку не дозволяє
повною мірою контролювати обсяги готової продукції, сировини і напівфабрикатів.
Проведення великої кількості операцій з застосуванням ручної праці зумовлює
зниження якості продукції, зменшення кількості виробів і наявність браку. Тому
пропонується замінювати застаріле обладнання новим, активно використовувати
сучасні робототехнічні комплекси, проводити автоматизація виробництва шляхом
використання ЕОМ з новим мікропроцесорним устаткуванням, що дозволить
слідкувати за якістю продукції протягом всіх технологічних стадій процесу і
здійснювати дистанційне керування процесом.
.2 Планування НДДКР
Однією з основних цілей планування НДДКР є визначення
загальної тривалості її проведення. Найбільш простішим, зручним та наглядним є
стрічковий графік проведення НДДКР. Він представляє собою таблицю (табл.8.1),
де перераховані назви видів робіт, посадові виконавці, трудомісткість,
кількість виконавців та тривалість виконання кожного виду робіт.
Таблиця
8.1
Планування НДДКР
|
№
|
Види робіт
|
Посади виконавців
|
Трудомісткість,
люд-днів.
|
Кількість людей
|
Тривалість праці,
дн.
|
|
|
|
|
|
|
|
1
|
Розробка та
затвердження ТЗ на НДДКР
|
Керівник проекту
|
2
|
1
|
2
|
|
2
|
Видання ТЗ на НДДКР
|
Інженер-конструктор
I категорії,
технік
|
4
|
2
|
2
|
|
3
|
Збір інформаційних
матеріалів
|
Провідний
конструктор
|
4
|
1
|
4
|
|
4
|
Виконання
аналітичного огляду стану питання на тему
|
Інженер-конструктор
II категорії
|
3
|
1
|
3
|
|
5
|
Розробка
структурних, функціональних схем, креслень загального вигляду
|
Інженер-конструктор
І категорії, технік
|
20
|
2
|
10
|
|
6
|
Розробка
принципіальних схем
|
Інженер-конструктор
І категорії
|
6
|
1
|
6
|
|
7
|
Розробка монтажних
схем
|
Технік
|
8
|
1
|
8
|
|
8
|
Розробка монтажних
схем
|
Провідний
конструктор інженер-конструктор І,ІІ категорії
|
18
|
3
|
6
|
|
9
|
Аналіз результату
проведення НДДКР
|
Керівник проекту
|
1
|
1
|
1
|
Загальна календарна тривалість НДДКР дорівнює
= 42 дні.
.3 Розрахунок кошторисної вартості
Розрахунок кошторисної вартості будемо виконувати згідно
статей витрат.
.3.1 Стаття витрат «Заробітна плата науково-виробничого
персоналу з відрахуваннями на соціальні потреби»
До цієї статті відноситься основна заробітна плата
робітників, а також премії, що входять у фонд зарплати. Фонд основної
заробітної плати розраховується виходячи з місячного фонду і тривалості
виконання запланованої НДДКР. При розрахунку заробітної плати враховуються
посадові оклади і тарифні ставки ПП «Вікторія» за 2013 р. Розрахунок основної
заробітної плати приведений в табл. 8.2.
Таблиця
8.2
Розрахунок місячного фонду зарплати
|
Найменування посади
|
Кількість чоловік
|
Місячний посадовий
оклад, грн.
|
Місячний фонд ЗП,
грн.
|
Коеф. зайнятості
|
Сума, грн.
|
|
1. Керівник проекту
|
1
|
4800
|
4800
|
0,07
|
336,00
|
|
2. Провідний
конструктор
|
1
|
3600
|
3600
|
0,23
|
828,00
|
|
3. Інженер -
конструктор (1 категорії)
|
1
|
2420
|
2420
|
0,52
|
1258,40
|
|
4. Інженер -
конструктор (2 категорії)
|
1
|
2300
|
2300
|
0,21
|
483,00
|
|
5. Технік
|
1
|
2200
|
2200
|
0,42
|
924,00
|
|
ВСЬОГО:
|
5
|
|
|
|
3829,40
|
Щомісячна заробітна плата посадової особи визначається як добуток
коефіцієнта зайнятості на величину місячного фонду. Коефіцієнт зайнятості
,
де
- трудомісткість робіт, виконуваних даним фахівцем (у
людино-днях)
-
тривалість виконання роботи,
=
42 дні.
КЗ кер. = 3/42=0,07 КЗ ін.конс.ІІ кат = 9/42=0,21
КЗ пров. к. = 10/42=0,23 КЗ тех. = 18/42=0,42
КЗ ін.конс.І кат = 22/42=0,52
Фонд основної заробітної платні визначаємо за формулою:
,
де
- суми місячних фондів, грн. ;
-
тривалість виконання роботи, міс.
Тривалість виконання роботи в місяцях визначаємо за формулою:
,
де
- кількість робочих днів у місяці;
-
тривалість виконання роботи, днів.
Приймемо
день,
=
42 дні. Тоді ТМР = 42/21 = 2 міс.
Визначаємо
ФОЗП = ФМІС * ТМР = 3829,40* 2 =
7658,80 грн.
Додаткова заробітна платня складає 12% від основної, тобто
ФДЗП = 0,12 * ФОЗП = 0,12 * 7658,80 = 919,05 грн.
Визначаємо відрахування, які виконують із заробітної платні. Їх розмір
визначається в процентному відношенні від суми фондів основної та додаткової
заробітної платні. Відрахування приймаються рівними 38,5% (пенсійний фонд,
соціальні потреби, соціальне страхування на випадок безробіття, фонд
соціального страхування від нещасних випадків на виробництві).
Визначаємо відрахування:
ФПФ,СП,СББ,ССВНВ = 0,385 * (ФОЗП + ФДЗП)
= 0,385*(7658,80 + 919,05) =
,47 грн.
.3.2 Стаття витрат «Витрати на відрядження»
До цієї статті калькуляції відносять всі витрати на
відрядження (добові, квартирні, вартість проїзду усіма видами тарифного
транспорту), зв'язані з проведенням робіт по темі, що калькулюється.
При плануванні даної НДДКР приймемо орієнтовно витрати на
командировочні в розмірі 6% (що не перевищує нормативів) фонду основної
заробітної плати науково-виробничого персоналу, зайнятого виконанням даної
розробки:
грн.
.3.3 Стаття витрат «Накладні витрати»
До накладних витрат відносяться: заробітна плата (з нарахуваннями)
адміністративно-господарського персоналу, витрати по охороні праці і техніку
безпеки, витрати на транспорт, витрати на ремонт, освітлення, опалення та інші
витрати, що відносяться в однаковій мірі до всіх розроблених тем.
Приймемо суму накладних витрат у розмірі 120% від основної
заробітної плати основних робітників:
грн.
.3.4 Стаття витрат „Витрати на утримання та експлуатацію
обладнання”
На практиці стаття витрат „Витрати на утримання та
експлуатацію обладнання” становить 30% від фонду основної заробітної платні
працівників, зайнятих виконанням роботи.
ФОБЛ = 0,3 * ФОЗП = 0,3 *7658,80=
2297,64 грн.
.3.5 Стаття витрат „Матеріали та комплектуючі вироби”
На цю статтю відносять вартість усіх матеріалів (основні і
допоміжні матеріали, комплектуючі вироби, покупні напівфабрикати та інше, що
необхідно для виготовлення пристрою, включаючи витрати на придбання і доставку
їх на склад). Сума витрат на комплектуючі вироби визначається на основі
кількості та відповідних цін. Дані представлені в табл. 8.3.
Таблиця
8.3
Матеріали та комплектуючі
|
№ п/п
|
Назва виробу
|
Кількість, шт..
|
Вартість, грн.*
|
|
1
|
Датчик температури
|
1
|
500,00
|
|
2
|
Датчик рівня
|
1
|
390,00
|
|
3
|
Живильник
|
1
|
720,00
|
Регулятор
|
1
|
670,00
|
|
5
|
Аналогово - цифровий
перетворювач
|
1
|
1200,00
|
|
6
|
Сервопривід
|
1
|
1900,00
|
|
7
|
мікроконтролер
|
1
|
989,00
|
|
8
|
контролер
|
1
|
1112,00
|
|
Всього
|
8
|
7481,00
|
* ціни взяті станом на 2013 рік (інформація з ПП «Вікторія»)
Після виконання всіх розрахунків починаємо складати кошторис
витрат на виконання НДДКР (табл. 8.4), що є основним документом економічного
розрахунку.
Таблиця
8.4
Кошторис витрат на виконання НДДКР
|
№
|
Назва статей витрат
|
Сума, грн.
|
% до підсумку
|
|
1
|
Заробітна платня
основна
|
7658,80
|
32,08
|
|
2
|
Заробітна платня
додаткова
|
919,05
|
3.85
|
|
3
|
Відрахування до
пенсійного фонду, на соціальні потреби, на соц. страх. на випадок безробіття,
до фонду соціального страхування від нещасних випадків на виробництві
|
3342,07
|
14.00
|
|
4
|
Всього зарплата з
відрахуваннями
|
11919,92
|
49.94
|
|
5
|
Витрати на
обладнання
|
2297,64
|
9.62
|
|
6
|
Витрати на
відрядження
|
459,52
|
1.92
|
|
7
|
Всього прямих
витрат
|
14677,08
|
61.49
|
|
8
|
Накладні витрати
|
9190,56
|
38.50
|
|
Всього вартість за
кошторисом
|
23867,64
|
|
8.4 Визначення собівартості системи
Для визначення собівартості розроблювальної системи
застосовуємо метод планової калькуляції.
Основну заробітну платню можна визначити на основі даних
трудомісткості виготовлення всіх деталей і середніх тарифних ставок робітників.
,
де
- трудомісткість даного виду робіт;
-
тарифна ставка.
SТАР.1= 1134*1,39 / 21*8 =9,39 грн /год.
SТАР.2= 1134*1,7 / 21*8 =11,47 грн /год.
SТАР.3= 1134*1,12 / 21*8 =7,56 грн / год.
Результати розрахунку заробітної платні представлені в табл. 5.5.
Додаткова заробітна платня становить 12% від основної зарплатні.
Відрахування приймаються рівними 38,5% (пенсійний фонд, соціальні
потреби, соціальне страхування на випадок безробіття, фонд соціального
страхування від нещасних випадків на виробництві).
Витрати на утримання й експлуатацію устаткування становлять 30% від
основної заробітної плати.
Цехові витрати приймаються рівними 70% від основної заробітної платні.
Загальнозаводські витрати лежать у межах 100% від суми основної
заробітної платні.
Поза виробничі витрати складають 1-2% від суми виробничої собівартості.
Повна собівартість визначається як сума заводської собівартості та поза
виробничих витрат.
Таблиця
8.5
Розрахунок заробітної плати
|
№
|
Вид робіт
|
Трудомісткість,
нормо-год
|
Розряд
|
Тарифний коефіцієнт
|
Тарифна ставка,
грн.
|
Заробітна платня,
грн.
|
|
1 2 3
|
Монтажна
Регулювальна Транспортна
|
18 35 2
|
4 6 2
|
1,39 1,70 1,12
|
9,39 11,47 7,56
|
169,02 401,45 15,12
|
|
Всього
|
|
|
|
|
585,59
|
Результати розрахунку зведемо в таблицю планової калькуляції
собівартості табл. 8.6.
Таблиця
8.6
Планова калькуляція собівартості
|
№
|
Назва статей витрат
|
Сума, грн.
|
|
1
|
Сировина та
матеріали (за виключенням відходів)
|
7481,00
|
|
2
|
Основна заробітна
платня
|
585,59
|
|
3
|
Додаткова заробітна
платня
|
70,27
|
|
4
|
Відрахування до
пенсійного фонду, на соціальні потреби, на соціальне страхування на випадок
безробіття, до фонду соціального страхування від нещасних випадків на
виробництві
|
225,45
|
|
5
|
Витрати на
утримання та експлуатацію обладнання
|
175,67
|
|
6
|
Цехові витрати
|
409,91
|
|
Цехова собівартість
|
8947,89
|
|
7
|
Загальнозаводські
витрати
|
585,59
|
|
Виробнича
собівартість
|
9533,48
|
|
8
|
Поза виробничі
витрати
|
190,66
|
|
Повна собівартість
|
9724,14
|
|
9
|
Плановий прибуток
(15%)
|
1458,62
|
|
Оптова ціна
|
11182,76
|
|
10
|
ПДВ (20%)
|
2236,55
|
|
Всього
|
13419,31
|
8.5 Визначення поточних річних витрат
Розрахунок поточних витрат проводимо за допомогою методу
прямого числення.
Заробітну плату обслуговуючого персоналу разом з
відрахуваннями можна визначити за наступною формулою:
,
де
- чисельність обслуговуючого персоналу, чол.;
- час,
що витрачається на обслуговування системи, год./рік;
-
середня годинна заробітна платня обслуговуючого персоналу, грн./год.;
-
норматив додаткової заробітної платні, %;
-
норматив відрахувань органам соціального страхування, %.
Проаналізувавши сферу застосування та принцип роботи системи,
припускаємо, що система працює 365 днів на рік. На обслуговування цієї системи
задіяна 1 людина-диспетчер (працює цілодобово 365 днів на рік) та 1
людина-оператор (працює по чотири години на день 252 робочих дні на рік), які
мають допуск до роботи з електронним обладнанням.
Середня погодинна заробітна платня становить 9,47 грн. Норматив
додаткової заробітної платні становить 12% від основної заробітної платні.
Норматив відрахувань органам соціального страхування становить 38,5% від
основної заробітної платні.
В аналогічній системі керування, що на даний час працює, залучено 2
людини до обслуговуючого персоналу: 1 людина-диспетчер (працює цілодобово 365
днів на рік) та 1 людина-оператор (працює по вісім годин на день 252 робочих
дні на рік).
Підставивши значення, отримаємо:
грн.,
грн.
Норма амортизації визначається за ставкою 25% на рік
грн.,
грн.
Витрати
на електроенергію, що споживається:
,
де
- потужність, що споживається системою, кВт;
-
дійсний фонд часу роботи системи, год./рік;
- тариф
за електроенергію, грн./кВт;
-
коефіцієнт використання потужності.
Підставивши
значення у формулу, отримаємо:
грн.,
грн.
Витрати
на поточні планові ремонти визначаються за формулою:
,
де
- середні витрати на проведення одного поточного
ремонту, грн./ремонт;
-
кількість поточних планових ремонтів у рік.
Кількість
планових поточних ремонтів у рік приймаємо рівною 1, виходячи з технічних
характеристик системи. Тобто, для визначення витрат на поточні планові ремонти
досить знайти
:
,
де
- вартість деталей, що замінюються за один ремонт,
грн., та знаходиться за формулою:
(ціна
елемента, грн.)
(кількість елементів);
-
заробітна платня ремонтних робітників, що знаходиться за формулою:
(час, що
потрібен на ремонт)
(середня годинна ставка
ремонтного
робітника).
За умовою роботи системи для одного поточного планового ремонту
необхідно 2 жорстких магнітних диски, вартість яких дорівнює 550 грн. за
кожний.
Середня годинна ставка ремонтного робітника нехай 9,47 грн./год, час,
що потрібен на ремонт - 2 години.
Підставивши значення у формулу, отримаємо:
грн.,
грн.,
грн.
Витрати на ремонт в аналогічній системі полягають в заміні складових
датчика вимірювання температури. Ціна якого 1578 грн. На його заміну потрібно 3
години.
Розрахуємо ці показники за відомими вище формулами:
грн.,
грн.,
грн..
Витрати
на поточний плановий ремонт аналогічної системи становлять1606,41 грн.
Таблиця 8.7
Порівняння річних витрат
|
№
|
Найменування статей
витрат
|
Сума витрат по
варіантам
|
|
|
Аналог, грн.
|
Проект, грн.
|
Коефіцієнт
ефективності
|
|
1
|
Заробітна платня
обслуговуючого персоналу з відрахуванням
|
158297,96
|
143490,58
|
1,10
|
|
2
|
Амортизаційні
відрахування
|
5000,00
|
3354,82
|
-
|
|
3
|
Витрати на
споживання електроенергії
|
5302,25
|
6411,64
|
0,83
|
|
4
|
Витрати на плановий
поточний ремонт
|
1606,41
|
1018,94
|
1,57
|
|
Всього
|
170206,62
|
154275,98
|
-
|
|
Ефективність
складає
|
15930,64
|
-
|
Таким чином, експлуатаційні витрати нової системи нижче за аналогічну
за рахунок економії заробітної плати і на поточний ремонт.
8.6 Термін окупності витрат
Розрахуємо термін окупності витрат за формулою:
роки
В1 - витрати на виконання НДДКР, В1 =
23867,64грн.;
В2 - собівартість системи, В2 = 13419,31грн.;
DЕ -
річний економічний ефект від експлуатації системи, DЕ =15930,64 грн.
.7 Техніко-економічні
показники
Техніко-економічні показники розробленої системи наведено в таблиці
8.8.
Таблиця 8.8
Техніко-економічні показники
|
Найменування
показника
|
Показники
|
|
Значення для
системи
|
Значення для
аналога
|
Відносний показник
якості
|
|
Технічні показники
|
|
Напруга живлення, В
|
220±10%
|
220±10%
|
|
|
Тип системи
|
розподілена
|
централізована
|
|
|
Гнучкість структури
системи
|
можлива
|
відсутня
|
|
|
Максимальна похибка
визначення температури, 0С
|
± 0,5
|
± 1
|
0,5
|
|
Напрацювання до
відмови, год
|
11000
|
-
|
-
|
|
Споживана
потужність, Вт
|
786
|
650
|
1,2
|
|
Економічні показники
|
|
Кошторисна вартість НДДКР,
грн.
|
23867
|
-
|
-
|
|
Собівартість
системи, грн.
|
13419
|
-
|
-
|
|
Ціна системи, грн.
|
16102
|
20000
|
0,80
|
|
Експлуатаційні
витрати:
|
154275
|
170206
|
0,90
|
|
· Заробітна плата обслуговуючого персоналу з
відрахуваннями
|
143490
|
158298
|
0,90
|
|
· Амортизаційні відрахування
|
3354
|
5000
|
0,67
|
|
· Витрати на споживання електроенергії
|
6411
|
5302
|
1,2
|
|
· Витрати на плановий поточний ремонт
|
1019
|
1606
|
0,63
|
|
Річний економічний
ефект за експлуатаційними витратами, грн.
|
15930
|
-
|
-
|
|
Термін окупності,
роки
|
2,34
|
-
|
-
|
ВИСНОВКИ
В дипломному проекті було розглянуто автоматизовану систему
керування лінією виготовлення кексів на ПП «Вікторія». Дана частина
технологічної лінії включає в себе дозування рецептур, замішування тіста, його
формування, випікання, охолодження, глазурування та фасування.
Розглянуті основні стадії виробництва, технологічні машини і
агрегати, які використовуються у виробництві даного типу виробів. Визначено
параметри, які регулюються при виробництві кексів. Вибрані і реалізовані
технічні засоби для автоматизації даної лінії
Були розглянуті можливі небезпечні місця на технологічній
лінії з точки зору охорони праці і заходи щодо їх уникнення в аварійних
ситуаціях. Також розглянуті питання, які стосуються екологічної безпеки
навколишнього середовища.
Зроблено оцінку надійності
розробленої системи. Напрацювання на відмову становить 11000 годин. Виконані
необхідні економічні розрахунки. Повна собівартість НДДКР складає 23867 грн.,
ціна - 16102 грн.
Розраховано економічний ефект, після впровадження сучасних засобів
автоматизації та визначений термін окупності автоматизованого комплексу - 2,34
роки.
Розроблено структурну та принципову схеми, та алгоритм їх
роботи.
СПИСОК ВИКОРИСТАНОЇ ЛІТЕРАТУРИ
1. Сирохман І.В. Товарознавство харчових продуктів
функціонального призначення: навч. пос. (для студентів вищих навчальних
закладів) / І.В. Сирохман, В.М. Загородня.- К.: Центр учбової
літератури,2009.-544с.
2. Олейникова А.Я., Магомедов Г.О. Проектирование
кондитерських предприятий: Учебник - 2-е узд., расшир.и доп.- СПб.:
ГИОРД,2005.-416 с.:ил.
3. Миценко І.М. Умови праці на виробництві. - Кіровоград: КРД, 2006р. - 324 с.
4. Дружинин Г. В. Надежность автоматизированных систем. Издание
третье, переработанное и дополненное. - М.: Энергия, 1977г. - 98 с.
. Емельянов А.И., Конкин О.В. Проектирование систем автоматизации технологических процессов. Справочное пособие по содержанию и
оформлению проектов. - М.:
Энергоатомиздат, 1983г.
6. Методичні вказівки до виконання економічної частини
дипломного проекту для студентів технічних спеціальностей, Мельничук
Л.С.-Житомир, ЖДТУ, 2012.- 60с.
7. Економіка підприємства: Підручник / За заг. ред.С.Ф.
Покропивного. - КНЕУ, 2000. - 528 с.
. Проектирование кондитерських предприятий с основами
САПР/Л.И. Пучкова, А.С.Гришин, И.И.Шаргородский,
В.Я.Черних,.-М:Колос,1993.-224с.:ил.
9. Портал харчової промисловості [Електронний
ресурс]: стаття
/
10. Сучасне вітчизняне глазурувальне устаткування. Попович
М.Г., Ковальчук О.В. Теорія автоматичного керування: Підручник. - К.: Либідь, 2007. - 544с.
. Електронний каталог пристроїв [Електронний
ресурс]
12. Сборник технологических нормативов по производству мучных
кондитерских и булочных изделий. «Сборник рецептур» - М.: Легкая промышленность
и бытовое обслуживание, 1999.
. Бедрій Я.І. Охорона праці: Навчальний посібник. - К.: ЦУЛ, 2008.
-322 с.