Расчет стержня круглого поперечного сечения, находящегося под действием изгиба с кручения

  • Вид работы:
    Курсовая работа (т)
  • Предмет:
    Другое
  • Язык:
    Русский
    ,
    Формат файла:
    MS Word
    622,86 Кб
  • Опубликовано:
    2013-11-29
Вы можете узнать стоимость помощи в написании студенческой работы.
Помощь в написании работы, которую точно примут!

Расчет стержня круглого поперечного сечения, находящегося под действием изгиба с кручения

Содержание

Введение

. Сложное сопротивление. Изгиб с кручением

.1 Характерный вид нагружения

.2 Составление расчетной схемы

.3 Напряжения в точках поперечного сечения при изгибе с кручением

.4 Расчет на прочность при изгибе с кручением стержня круглого поперечного сечения

. Задача

.1 Исходные данные

.2 Решение

Заключение

Литература

Введение

Сопротивление материалов является частью более общей науки - механики твердого деформируемого тела, в которую входят: теория упругости, теория пластичности и ползучести, теория сооружений, строительная механика, механика разрушения и др.

Сопротивление материалов - наука о прочности, жесткости и надежности элементов инженерных конструкций. Методами сопротивления материалов ведутся практические расчеты и определяются необходимые, как говорят, надежные размеры деталей машин, различных конструкций и сооружений.

Прочностью называется способность элемента конструкции сопротивляться воздействию приложенных к нему сил, не разрушаясь.

Жесткостью называется способность элемента конструкции сопротивляться воздействию приложенных к нему сил, получая лишь малые упругие деформации.

Устойчивостью называется способность элемента конструкции сохранять первоначальную форму равновесия под действием приложенных сил.

Реальные тела не являются абсолютно твердыми и под действием приложенных к ним сил изменяют свою первоначальную форму и размеры, то есть деформируются. Деформации тела, исчезающие после снятия внешних сил, называются упругими, а не исчезающие - остаточными или пластическими деформациями.

Определение размеров деталей или внешних нагрузок, при которых исключается возможность разрушения деталей, является целью расчета на прочность.

Определение размеров деталей или внешних нагрузок, при которых исключается возможность появления недопустимых с точки зрения нормальной работы конструкции деформаций этих деталей, является целью расчета на жесткость.

. Сложное сопротивление. Изгиб с кручением

1.1 Характерный вид нагружения

Изгиб с кручением стержня возникает тогда, когда внешние силы (включая и реакции внешних связей) создают на участках стержня моменты сил относительно продольной оси стержня (примем за продольную ось - ось х) и координатных осей y и z, лежащих в плоскости рассматриваемого поперечного сечения. Для круглого поперечного сечения стержня любые оси поперечного сечения, проходящие через его центр тяжести - главные центральные оси. Поэтому оси y и z являются главными центральными осями инерции поперечного сечения.

Рисунок 1.1 - Схема нагружения стержня внешними силами

Характерный вид такого нагружения показан на рисунке 1.1. Стержень (вал) установленный на опорах А и В, имеет жесткие диски 1 и 2, плоскость которых перпендикулярна продольной оси стержня х. В плоскости этих дисков соответственно в точках К1 и К2 приложены силы Р1 и Р2.

Положение точки К1 на окружности радиуса О1К1 зададим углом αК1 между осью y и радиусом O1К1. Положение точки К2 на окружности радиуса О2К2 зададим углом αК2 между осью y и радиусом. Если ось y до совмещения с радиусом OiКi поворачивается против часовой стрелки, то угол αКi считается положительным, если по часовой стрелке - то отрицательным.

Предположим, что линии действия сил Р1 и Р2 составляют с касательными к окружностям в точках К1 и К2 соответственно углы α1 и α2. Полагаем также, что под действием сил Р1 и Р2 стержень находится в состоянии покоя или равномерного вращения (состоянии статического равновесия).

1.2 Составление расчетной схемы

При составлении расчетной схемы стержня силы Р1 и Р2, приложенные в точках К1 и К2 вне продольной оси стержня, необходимо привести к продольной оси стержня, выбрав в качестве центра приведения для силы Р1 точку О1, а для силы Р2 - точку О2. Точки О1 и О2 - это точки пересечения плоскости дисков 1 и 2 с продольной осью стержня.

При приведении силы P1 из точки K1 в точку O1 необходимо добавить момент силы P1 относительно центра приведения (момент M1). Модуль момента M1 равен:= O1K1·P1·сosα1,

 

где P1t = P1 cosα1 - модуль окружной составляющей силы P1 (модуль проекции силы P1 на касательную к окружности в точке K1); - диаметр окружности с радиусом K1O1.       

Процедура определения сил и моментов в ряде задач может быть обратной. По постановке задачи вначале может быть определен модуль момента силы P1 относительно точки O1 (момент M1). Затем при известном значении диаметра D1 может быть определен модуль проекции силы P1 на касательную в точке K и модуль силы P1:


При приведении силы P2 из точки K2 в точку O2 необходимо добавить момент силы P2 относительно центра приведения (момент M2). Модуль момента M2 равен:

M2= O2K2·P2·сosα2,

 

где P2t = P2cosα2 - модуль окружной составляющей силы P2 (модуль проекции силы P2 на касательную к окружности в точке K2); - диаметр окружности с радиусом K2O2.       

Если по условию задачи вначале удается определить модуль момента силы P2 относительно точки O2 (момент M2), то при известном значении диаметра D2 может быть определен модуль проекции силы P2 на касательную в точке K2 и модуль силы P2, т. е.

На рис. 1.2, а в плане показан диск 1 (если смотреть на диск 1 со стороны продольной оси х), точки K1 и O1, сила P1, приведенная к точке O1, и момент M1, равный модулю момента силы P1 относительно точки O1

Рисунок 1.2

Так как силы P1 и P2 могут быть расположены к оси y под разными углами α1р и α2р (рис. 1.2), целесообразно эти силы после приведения их к точкам O1 и O2 разложить на составляющие Pу1, Pу2 и Pz1, Pz2, линии действия которых параллельны соответствующим осям y и z. В этом случае мы приходим к единым плоскостям нагружения стержня (нагружение в плоскости x-y, нагружение в плоскости x-z). На рис. 1.3, а в плане показан диск 1, силы P1y и Pz1, а также момент M1.

Проекции сил P1y и Pz1 на координатные оси y и z могут быть найдены как:

P1y = P1 cos αр, = P1 sin αр. 

На рис. 1.3, б в плане показан диск 2, силы Pу2 и Pz2, а также момент M2. Проекции сил Pу2 и Pz2 на координатные оси y и z могут быть найдены как:

P1y = P1 cos αр, = P1 sin αр.








Рисунок 1.3

Изобразим расчетную схему стержня с действующими на него силами на рис. 1.4





Рисунок 1.4

Так как стержень находится в состоянии статического равновесия, то из условий равновесия следует, что сумма моментов сил относительно продольной оси x должна быть равна нулю:

∑ Mx (Pi) = 0.

Если пренебречь трением в опорах А и В стержня, то:

∑ Mx (Pi)= -М1 + М2=0.

Из условия равновесия следует:

М1 + М2=0, М2=М1,

откуда:


т.е. в условии статического равновесия отношение окружных составляющих сил P1t и P2t обратно пропорционально отношению диаметров окружностей D1 и D2, на которых лежат точки приложения сил (точки K1 и K2).

Равенство при известных значениях D1 и D2 позволяет определить P2t (если найдено значение P1t) или, наоборот, определить P1t (если найдено значение P2t):


Используя принцип независимости действия сил, расчетную схему стержня (рис.1.5, а) можно представить в виде следующих расчетных схем:

Рисунок 1.5

1.3 Напряжения в точках поперечного сечения при изгибе с кручением

Рисунок 1.6

Плоскость действия изгибающих моментов Mу и Mz проходит через главные центральные оси y и z поперечного сечения. Используя принцип независимости действия сил, можно задачу определения напряжений в точках поперечного сечения свести к задачам определения напряжений в точках поперечного сечения при поперечном изгибе, рассматривая отдельно поперечный изгиб стержня в плоскости x-y и поперечный изгиб стержня в плоскости x-z, а также определения касательных напряжений τ(Мх) в точках поперечного сечения от действия крутящего момента Mх.

Касательные напряжения τ(Мх) в произвольной точке поперечного сечения, имеющей координаты y и z (рис. 1.7, а), при кручении стержня круглого поперечного сечения определяются по формуле:


где - расстояние от рассматриваемой точки С до точки О продольной оси стержня; Jр - полярный момент инерции поперечного сечения относительно точки О; y и z - координаты точки, где определяются касательные напряжения.

При поперечном изгибе при нагружении стержня в плоскости x-y в произвольной точке поперечного сечения возникают нормальные напряжения σ(Мz) от действия изгибающего момента Mz (рис. 1.7, б):


где Jz - момент инерции поперечного сечения относительно оси z;- координата точки по оси y.

При поперечном изгибе при нагружении стержня в плоскости x-z в произвольной точке поперечного сечения возникают нормальные напряжения σ(Му) от действия изгибающего момента My (рис. 1.7, б):


где Jу - момент инерции поперечного сечения относительно оси y;- координата точки по оси z.

1.4 Расчет на прочность при изгибе с кручением стержня круглого поперечного сечения

При расчете на прочность в опасных точках опасного сечения анализируется неравенство:

σэкв ≤ [σ],

где σэкв - эквивалентные нормальные напряжения, учитывающие главные напряжения σ1, σ2, σ3 по главным площадкам в опасной точке; [σ] − допускаемые напряжения для материала стержня.

Для вычисления σэкв можно воспользоваться формулами соответствующих теорий прочности.

По четвертой теории прочности:


При изгибе с кручением стержня круглого поперечного сечения в окрестности опасной точки одна из главных площадок элементарного объема находится на боковой поверхности стержня и нормальные напряжения там отсутствуют. Тогда, принимая, что σ2= 0, получим:


Тогда эквивалентные напряжения по 4-й теории прочности:

где

Расчет на прочность может проводиться как поверочный и связан с анализом выполнения неравенства σэкв ≤ [σ] при известных значениях Мпр , осевого момента сопротивления поперечного сечения Wу и допускаемого напряжения [σ]. Расчет на прочность может проводиться как проектировочный и связан, как правило, либо с определением Wy , либо с определением [σ] и выбором материала.

. Задача

2.1 Исходные данные

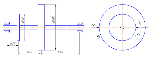
Определить из условий прочности необходимые размеры диаметров редукторного ступенчатого вала. Схема нагружения вала дана на рис. 3.1.

Исходные данные:

Мкр=0,2 кН·м.=30 мм.; b=60 мм.; c=100 мм.=70 мм.; D2=120 мм.

[ϭ]p=120 МПа.

Требуется:

. Вычертить в масштабе заданную схему вала с указанием размеров и величин нагрузок.

. Определить окружные Р и радиальные усилия Т, приняв соотношение между ними Т=0.36Р.

. Построить эпюры изгибающих моментов в вертикальной и горизонтальной плоскостях.

. Построить эпюру суммарных изгибающих моментов.

. Построить эпюру крутящих моментов.

. Используя энергетическую теорию прочности, определить диаметры вала на отдельных участках и округлить их до стандартных размеров.

. Вычертить эскиз.

2.2 Решение

Заданная схема вала представлена на рисунке 2.1.


Определим окружные Р и радиальные усилия Т.

Крутящий момент на валу вызывают силы Р1 и Р2.

Приведем силу P1 к центру тяжести сечения вала: тогда пара сил с моментом М1 = P1D1/2 - вызывает кручение, а сила P - изгиб вала в вертикальной плоскости. В свою очередь, пара сил с моментом М2 =

Р2D2/2 вызывает кручение в противоположную сторону, а сила в центре тяжести сечения вызывает изгиб.

Найдем окружные силы Р1 и Р2:


Радиальные усилия Т определим по формуле:


Построим эпюры изгибающих моментов.

Эпюра от действия сил в горизонтальной плоскости.

Определим опорные реакции:


Проверка:


Строим эпюру изгибающих моментов.

-ый участок (0<z<0,1)=RB·z.

при z=0 M=0,

при z=0,1 M=0,002 кН·м.

-ой участок (0<z<0,06)=RB·(0,1+z)+Т2·z.

при z=0 M=0,002 кН·м

при z=0,06 M=0,043 кН·м.

-ий участок (0<z<0,03)=RА·z.

при z=0 M=0,

при z=0,03 M=0,043 кН·м.

Эпюра от действия сил в вертикальной плоскости.


Проверка:


Строим эпюру изгибающих моментов.

-ый участок (0<z<0,1)=RB·z.

при z=0 M=0,

при z=0,1 M=0,25 кН·м.

-ой участок (0<z<0,06)=RB·(0,1+z)-Р2·z.

при z=0 M=0,25 кН·м

при z=0,06 M=0,2 кН·м.

-ий участок (0<z<0,03)=RА·z.

при z=0 M=0,

при z=0,03 M=0,2 кН·м.

Построим эпюру суммарных изгибающих моментов. Для этого нужно рассмотреть несколько сечений вала и определить в них суммарный изгибающий момент по формуле:


Отсюда получаем:


Моменты внутренних сил или крутящих моментов находят методом сечений. Сначала разбивают вал на участки (между соседними шкивами) затем на каждом участке выбирают произвольное сечение. Крутящий момент в этом сечении равен алгебраической сумме моментов внешних сил, лежащих по одну сторону от сечения. В пределах каждого участка крутящий момент постоянен. Знак крутящего момента определяют по знаку внешних моментов: положительным считается направление против движения часовой стрелки при взгляде на сечение вала вдоль его оси. При этом можно рассматривать любую часть вала по одну сторону от сечения.

) Для вала на рис.2 крутящие моменты по участкам:

-ый участок:

М=0.

-ой участок:

М=0,2 кН·м.

-ий участок:

М=0.

Полученные эпюры изображены на рисунке 2.2.

Рисунок 2.2 - Эпюры изгибающих и крутящих моментов.

Для подбора сечения применяем энергетическую гипотезу прочности:


Откуда


Принимаем d1=70 мм., d2=120 мм.

Заключение

В курсовой работе проведен расчет стержня круглого поперечного сечения, находящегося под действием изгиба с кручения. Показана особенность составления расчетной схемы стержня, когда точки приложения внешних сил лежат вне продольной оси стержня.

На основе принципа независимости действия сил схема нагружения стержня, испытывающего изгиб с кручением, представляется в виде трех независимых схем нагружения: изгиб стержня при нагружении его в плоскости x-y, изгиб стержня при нагружении его в плоскости x-z, кручение стержня. стержень сечение изгиб прочность

Показана процедура расчета стержня при нагружении его в плоскости x-y, при нагружении его в плоскости x-z, при кручении стержня, которая предполагает определение реакций в опорах и определение внутренних силовых факторов в поперечных сечениях стержня.

Также приведен расчет на прочность круглого стержня, испытывающего изгиб с кручением.

Литература:

1. Феодосьев В. И. Сопротивление материалов. − М.: Наука, 1986.− 512 с.

. Дарков А. В., Шпиро Г. С. Сопротивлеие материалов. − М.: Высшая школа, 1989. − 624 с.

. Александров А. В., Потапов В. Д., Державин Б. П. Сопротивлеиие материалов. − М.: Высшая школа, 1995. − 540 с.

Похожие работы на - Расчет стержня круглого поперечного сечения, находящегося под действием изгиба с кручения

 

Не нашли материал для своей работы?
Поможем написать уникальную работу
Без плагиата!
Без нейросетей!