Исследование характеристик выпрямителя и сглаживающего фильтра в блоке питания PC
Министерство
просвещения ПМР
ГОУ
«Тираспольский Техникум Информатики и Права»
Отделение
Информационных технологий
Дипломная
работа
Тема:
Исследование характеристик выпрямителя и сглаживающего фильтра в блоке питания PC
Исполнитель
Загородний Сергей, гр. 415
Специальность: ВМКС
Руководитель
преподаватель отделения ИТ
Зинченко Сергей Владимирович
г.
Тирасполь 2013г.
Пояснительная записка к
дипломной работе
На тему: «Исследование характеристик выпрямителя
и сглаживающего фильтра в блоке питания PC»
Специальность: «Вычислительные машины, комплексы
и сети»
Задание по охране труда: Меры безопасности при
техническом обслуживании электронной техники
Исполнитель Загородний С.
Руководитель Зинченко С.В.
Консультант по охране труда Дымкович
М.Я.
Дипломная работа допущена к защите " "
2013г.
Зам. директора по учебной части Cыли
Н.В.
ЗАДАНИЕ НА ДИПЛОМНУЮ РАБОТУ
Студент: Загородний Сергей
группа: 415
Тема работы: Исследование
характеристик выпрямителя и сглаживающего фильтра в блоке питания PC
Срок сдачи работы:
Перечень вопросов дипломной
работы
а) Обзор литературных данных по
теме диплома
б) Провести исследования по данной тематике:
- разработка схемы
- спроектировать стенд, устройство, узел.
написать программу
анализ рабочих характеристик
в) Привести инженерные расчеты
данного разрабатываемого устройства
г) Задание по охране труда:
Меры безопасности при техническом обслуживании электронной техники.
Реферат
В данной дипломной работе рассмотрено
исследование характеристик выпрямителя и сглаживающего фильтра в блоке питания
ПК. Целью работы является анализ схемотехнических решений устройств для
исследований работы блока питания компьютера, изучение основных компонентов
импульсного блока питания, рассмотрение принципов работы выпрямителя и
сглаживающего фильтра, а также разработка структурной и принципиальной схемы
устройства, изготовление макета.
В дипломной работе исследованы однополупериодные
и мостовые выпрямители с фильтрами и без фильтров. Использованы емкосные
фильтры (5, 10 мкФ). Все необходимые схемы были собраны в пакете - Electronic
WorkBench. На каждую
собранную схему выведены графики переменного напряжения на данных участках с
помощью осциллографа, входящего в пакет Electronic
WorkBench.
В части диплома, связанной с охраной труда,
рассмотрены основные меры безопасности при техническом обслуживание электронной
техники: санитарно-гигиенические нормы, требования пожарной безопасности
электробезопасность, защита от шума и вибраций, требования к организации
рабочего места техника и требования безопасности при пайке.
Оглавление
Введение
Глава
1. Теоретическая часть. Исследование характеристик выпрямителя и сглаживающего
фильтра в блоке питания ПК
.1
Аналитический обзор по теме
.1.1
Выпрямители источников питания
.1.2
Сглаживающие фильтры, назначение, классификация, принцип работы
.1.3
Назначение и классификация стабилизаторов. Основные параметры
.1.4
Блоки питания персонального компьютера
.2
Практическая часть
.2.1
Обзор программ для исследования и проектирования элементов электроники
.2.2
Исследование выпрямителя и фильтра блока питания ПК с помощью программы ewb
Глава
2. Охрана труда. Меры безопасности при техническом обслуживании электронной
техники
.1
Анализ условий труда
.1.1
Производственная санитария и гигиена труда
.1.2
Производственный шум. Защита от шума и вибраций
.1.3
Статическое электричество и электромагнитные излучения
.1.4
Электромагнитные излучения
.2
Требования к помещению и к рабочему месту для эксплуатаций и ремонта
компьютерной техники
.2.1
Электробезопасность
.2.2
Действие электрического тока на организм человека
.2.3
Требования безопасности при наладке и ремонте компьютерной техники
.3
Причины возникновения пожаров в электронной аппаратуре, причины коротких
замыканий
.3.1
Меры пожарной безопасности
Заключение
Список
литературы
ВВЕДЕНИЕ
Широкое внедрение электронных
средств во все сферы человеческой деятельности определило большой объем
технических, эксплуатационных и экономических требований, как к самим
электронным средствам, так и к составляющим их составным узлам и устройствам.
Одним из таких устройств, входящих в состав всех электронных средств, является
источник электропитания. Только правильно спроектированный и сконструированный
источник электропитания способен обеспечить безаварийную работу электронного
средства в течение всего периода его эксплуатации.
Важной задачей при разработке
электронных средств является снижение массы и габаритных размеров источников
электропитания. Это достигается выбором принципа их действия, схемы, режима
работы, элементной базы, конструкции. Конструктивное исполнение источников
питания определяет технологию его изготовления. Таким образом, при создании
блоков питания перед разработчиком ставится ряд взаимосвязанных задач, решение
которых зависит от знания им особенностей работы устройства, путей выбора
рациональных схемного и конструктивных исполнений с заданными параметрами для
заданных условий эксплуатации.
Данная работа является актуальной,
так как компьютерный блок питания
<#"651254.files/image001.gif">
Рис. 1 - Классификация источников питания
Структурные схемы ВИП их достоинства и
недостатки
В настоящее время для построения вторичных
источников питания (ВИП) СВТ используется две основные схемы. Каждая из схем
имеет свои достоинства и недостатки, и соответственно свою область применения.
ВИП без преобразования частоты
ВИП без преобразования частоты исторически
появились раньше и широко использовались на начальном этапе развития СВТ, в
настоящее время их применение ограничено.
Структурная схема ВИП без преобразования частоты
представлена на рис. 2.
И содержит следующие основные элементы:
Сетевой трансформатор TV1 - во-первых,
обеспечивает преобразование сетевого напряжения (~220В, 50Гц) до нужной
величины, во-вторых, обеспечивает гальваническую развязку сети и оборудования
СВТ, обеспечивая тем самым выполнение требований электробезопасности;
Выпрямитель - преобразует поступающее на вход
переменное напряжение частотой 50Гц в однонаправленное пульсирующее напряжение,
которое уже содержит как переменную так и постоянную составляющую;
Фильтр - обеспечивает выделение постоянной
составляющей однонаправленного пульсирующего напряжения и подавление
(ослабление) до заданного уровня переменной составляющей.
Стабилизатор - обеспечивает поддержание
постоянного напряжения на выходе источника питания в заданных приделах при
изменении уровня входного напряжения и величины тока нагрузки источника
питания.
Рис. 2 Структурная схема ВИП без преобразования
частоты
Внешний вид осциллограмм напряжения в
характерных точках ВИП без преобразования частоты представлен на рис. 3.
Рис.3 Внешний вид осциллограмм напряжения в
характерных точках ВИП без преобразования частоты
Достоинства схемы:
Схема содержит относительно мало элементов,
имеет простую конструкцию и достаточно высокую надежность;
Так как элементы структурной схемы расположены
линейно, схема имеет хорошую ремонтопригодность.
Недостатки схемы:
Схема имеет большие габаритные разметы, что
является следствием больших размеров трансформатора TV1 и элементов фильтра,
которые работают на низкой частоте (50Гц).
В настоящее время данный тип ВИП используется
для создания источников питания только простейших элементов СВТ.
ВИП с преобразованием частоты
ВИП с преобразованием частоты в настоящее время
широко используются для создания источников питания для различных типов СВТ.
Структурная схема ВИП с преобразованием частоты
представлена на рис. 4. И содержит следующие основные элементы:
Сетевой выпрямитель - преобразует поступающее на
вход переменное напряжение U=220В и частотой 50Гц в однонаправленное
пульсирующее напряжение, которое уже содержит как переменную, так и постоянную
составляющую;
Фильтр - обеспечивает выделение постоянной
составляющей однонаправленного пульсирующего напряжения и подавление
(ослабление) до заданного уровня переменной составляющей.
• Преобразователь
напряжения состоящий из
■ Конвертора - который осуществляет
преобразование постоянного напряжения одной величины в постоянное напряжение
другой величины. Конвертор содержит в своем составе:
• Инвертор - осуществляющий преобразование
поступающего на
вход постоянного напряжения в переменное
напряжение, как правело прямоугольной формы, высокой частоты (30-40кГц);
Трансформатор TV1 - во-первых, обеспечивает
преобразование переменного напряжения высокой частоты до нужной величины,
во-вторых, обеспечивает гальваническую;
• Схема имеет очень низкий КПД (~30-40%), что
является следствием работы активных элементов стабилизатора (транзисторов) в
активном режиме.
Выпрямитель - преобразует поступающее на вход
переменное напряжение высокой частоты в однонаправленное пульсирующее
напряжение, которое уже содержит как переменную, так и постоянную составляющую;
• Фильтр - обеспечивает выделение постоянной
составляющей однонаправленного пульсирующего напряжения и подавление
(ослабление) до заданного уровня переменной составляющей.
Рис .4 Структурная схема ВИП с преобразованием
частоты
Схема управления обеспечивает выработку
импульсов управляющих работой конвертора.
Стабилизация выходного напряжения осуществляется
с помощью схемы управления, которая анализируя величину выходного напряжения,
вырабатывает управляющие импульсы таким образом, чтобы выходное напряжение
поддерживалась в заданных пределах.
Существует два основных алгоритма выработки
управляющих импульсов:
Широтно-импульсное регулирование (ШИР) в данном
случаи период следования управляющих импульсов остается постоянным
(Tynр=const), а для регулирования напряжения изменяется длительность
управляющих импульсов tупр=var);
Частотно-импульсное регулирование (ЧИР) в данном
случаи длительность управляющих импульсов остается постоянной (tупр =const), а
для регулирования напряжения изменяется период следования управляющих импульсов
(Tупр=var).
Достоинства схемы:
Схема имеет не большие габаритные разметы, что
является следствием работы трансформатора TV1 и элементов фильтра на выходе
блока на достаточно высокой частоте (30-40кГц).
Схема имеет высокий КПД (~50-60%), что является
следствием работы активных
элементов конвертора (транзисторов) в импульсном
режиме.
Недостатки схемы:
Схема имеет достаточно сложную конструкцию и
содержит много элементов;
Наличие интенсивных электрических помех, что
является следствием работы активных элементов схемы в импульсном режиме
Жесткие требования к диапазону нагрузок
(короткое замыкание и холостой ход не всегда допустимы);
Наличие повышенной пульсации выходного
напряжения, что накладывает более жесткие требования к выходному фильтру.
В настоящее время данный тип ВИП является
основным при создании источников СВТ.
.1.1 ВЫПРЯМИТЕЛИ ИСТОЧНИКОВ ПИТАНИЯ
Основные схемы выпрямителей, методика их расчета
Выпрямителем, называется статический
преобразователь напряжения переменного тока в напряжение постоянного тока. В
общем случае выпрямитель состоит из трансформатора, полупроводниковых диодов и
сглаживающего фильтра. Структурная схема выпрямителя приведена на рисунке 12.
Рис. 5. Структурная схема выпрямителя
Трансформатор (не обязательный элемент),
преобразует напряжение переменного тока на его первичной обмотке в необходимое
для получения заданной величины напряжения на входе выпрямителя. Система
вентилей (диоды) преобразует напряжение переменного тока в однонаправленное
пульсирующее, имеющее в своем составе постоянную составляющую и значительное
количество гармонических составляющих
(1)
Наибольшей из них является первая гармоника,
частота и амплитуда которой определяется схемой выпрямления. Сглаживающий
фильтр уменьшает амплитуды всех гармонических составляющих пульсирующего
(выпрямленного) напряжения.
Функциональные схемы однофазных выпрямителей
Для выпрямления однофазного переменного
напряжения широко применяют три типа выпрямителей: однополупериодный и два
двухполупериодных
Однополупериодный выпрямитель
Схема однополупериодного выпрямителя приведена
на рис. 7, а.
Выпрямитель состоит из трансформатора, к
вторичной обмотке которого последовательно подсоединены диод Д и нагрузочный
резистор Ян.
Для упрощения анализа работы выпрямителей
трансформатор и диод считают идеальными, т. е. принимают следующие допущения:
у трансформатора активное сопротивление обмотки,
а у диода прямое сопротивление равно нулю;
обратное сопротивление диода равно
бесконечности;
в трансформаторе отсутствуют потоки рассеяния.
При таких допущениях с подключением первичной
обмотки трансформатора к сети переменного синусоидального напряжения во
вторичной обмотке будет наводиться синусоидальная э. д. с.
Рис. 6. Схема однополупериодного выпрямителя;
осциллограммы в точках схемы
Работу выпрямителя удобно рассматривать с
помощью временных диаграмм рис. 7, б. В первый полупериод, т. е. в интервале
времени 0 - Т/2, диод открыт, так как потенциал точки а выше потенциала точки б
и под действием напряжения в вторичной обмотки трансформатора возникает ток 1н.
В интервале времени Т/2 - Т диод закрыт, ток в нагрузочном резисторе
отсутствует, а к запертому диоду прикладывается обратное напряжение U2.
Основным преимуществом однополупериодного
выпрямителя является его простота. Анализ электрических параметров позволяет
сделать вывод о недостатках этого выпрямителя.
· большой коэффициент пульсаций,
· малые значения выпрямленных тока и
напряжения.
· ток I2 имеет постоянную
составляющую, которая вызывает подмагничивание сердечника трансформатора, из-за
чего уменьшается магнитная проницаемость
· сердечника, что, в свою очередь,
снижает индуктивность обмоток трансформатора. Это приводит к росту тока холостого
хода трансформатора, а следовательно, к снижению к.п.д. всего выпрямителя.
Однополупериодный выпрямитель применяют обычно для питания высокоомных
нагрузочных устройств (например, электроннолучевых трубок), допускающих
повышенную пульсацию; мощность не более 10-15 Вт.
Двухполупериодный выпрямитель с выводом средней
точки вторичной обмотки трансформатора
Двухполупериодный выпрямитель со средней точкой
представляет собой параллельное соединение двух однополупериодных выпрямителей.
Рассматриваемый выпрямитель может использоваться только с трансформатором,
имеющим вывод от середины вторичной обмотки (рис 7.). Диоды схемы проводят ток
поочередно, каждый в течение полупериода
а) б)
Рис. 7 а) - Схема мостового выпрямителя с
выводом средней точки вторичной обмотки трансформатора, б) осциллограммы в
точках схемы
Рассматриваемый выпрямитель характеризуется
довольно высокими технико-экономическими показателями и широко используется на
практике.
|
Достоинствами
выпрямителя являются:
|
|
Высокая
нагрузочная способность; Низкая пульсация выпрямленного напряжения.
|
|
Недостатками
выпрямителя являются:
|
|
Необходимость
применения трансформатора со средней точкой; Повышенные требования к диодам
по обратному напряжению.
|
а) б)
Рис. 8 - а) - Схема двухполупериодный мостовой
выпрямитель, б) осциллограммы в точках схемы
Однофазный мостовой выпрямитель (рис.8, а) можно
считать пределом совершенства тех однофазных выпрямителей, которые могут
использоваться без трансформатора. Не известна другая однофазная схема без
трансформатора, в которой бы так рационально использовались диоды. Диоды в
рассматриваемой схеме включаются и выключаются парами. Одна пара - это диоды D1
и D2, а другая - D3 и D4. Таким образом, к примеру, диоды D1 и D2 или оба
включены и проводят ток, или оба выключены (рис. 8, б). Основные расчетные
соотношения выпрямителя следующие:
Внешняя характеристика выпрямителя
Внешняя характеристика выпрямителя - это
зависимость средневыпрямленного напряжения на выходе выпрямителя от изменения
тока нагрузки. На рис. 9 представлена схема замещения выпрямительного
устройства в цепи постоянного тока.
Рис. 9.- Схема замещения выпрямителя
Рис. 10.- Внешний вид нагрузочной характеристики
выпрямителя. 1- однополупериодный, 2-двухполупериодный мостовой, 3-
двухполупериодный с нулевой точкой
Здесь RBH - внутреннее сопротивление выпрямителя
(активное сопротивление потерь), которое включает активные потери в
трансформаторе RK3, потери в дросселе сглаживающего фильтра R и потери в диодах
Rдш, Uпор). Очевидно, что внешняя характеристика имеет падающий характер.
Всегда имеет место Uпор< U0хх при токе нагрузки отличном от нуля
(рисунок18).
Выбор схемы выпрямителя
Определяется величиной мощности Р0, потребляемой
нагрузкой. Un
=U0/Io (2)
где U0 и I0 - выпрямленные напряжение и ток,
требуемые для питания нагрузки.
При нескольких нагрузках, питающихся от одного
источника U0, расчетное значение выпрямленного тока I0 находится из
соотношения:
0 =I
01 +I02
+… (3)
где I01 и I02-токи потребляемые, каскадами
нагрузки.
Для получения небольших (десятки, сотни ватт)
мощностей применяют однофазные схемы.
Для выпрямления токов мощностью Р0>1кВт
служат более сложные трехфазные схемы, обеспечивающие равномерную нагрузку на
трехфазную сеть и не требующие громоздких фильтров.
Выбранная схема выпрямителя должна обеспечивать
требуемую пульсацию напряжения
При выборе схемы необходимо использовать и
соображения экономичности и надежности.
.1.2 СГЛАЖИВАЮЩИЕ ФИЛЬТРЫ, НАЗНАЧЕНИЕ,
КЛАССИФИКАЦИЯ, ПРИНЦИП РАБОТЫ
Не зависимо от схемы выпрямителей, выпрямленное
напряжение всегда является пульсирующим и содержит, кроме постоянной
составляющей и переменные составляющие.
В большинстве случаев питание схем промышленной
электроники пульсирующим напряжением неприемлемо.
Поскольку в любой схеме выпрямителя коэффициент
пульсаций выходного напряжения во много раз превышает допустимые пределы, на
выходе выпрямителей включают специальное устройство - сглаживающие фильтры.
К сглаживающим фильтрам предъявляются следующие
основные требования:
· с одной стороны, в фильтрах необходимо
максимально уменьшить переменные составляющие напряжения, а с другой - не допускать
существенного уменьшения постоянной составляющей;
· при переходных процессах в фильтре
во время включения и выключения напряжения сети или нагрузки броски напряжения
и тока должны находиться в допустимых пределах;
· собственная частота фильтра должна
быть ниже частоты основной гармоники выпрямленного напряжения во избежание
резонансных явлений в отдельных его звеньях.
Классификация сглаживающих фильтров и их
параметры
В зависимости от типа элементов, примененных для
построения сглаживающих фильтров различают:
пассивные фильтры - выполняются с использованием
сопротивлений, конденсаторов, индуктивностей
· С-фильтры
· L- фильтры
· RC-фильтры
· LC
- фильтры
-электронные (активные) фильтры - выполняются с
использованием активных элементов - транзисторов
По количеству фильтрующих элементов различают:
-однозвенные -многозвенные
Параметры сглаживающих фильтров
Основным параметром, позволяющим дать
количественную оценку сглаживающего фильтра, является коэффициент сглаживания S
= ξ1/ξ2
где: ξ1-коэффициент
пульсации на входе фильтра; ξ2-коэффициент
пульсации на выходе фильтра
Для емкостного фильтра, у которого вход и выход
фактически совпадают, под ξ1
понимают коэффициент пульсаций до подключения фильтра, а под ξ2
- коэффициент пульсаций после его подключения.
Коэффициент сглаживания показывает, во сколько
раз фильтр уменьшает пульсации.
Если фильтр не обеспечивает требуемый
коэффициент сглаживания или для уменьшения габаритов для LC-фильтров
(уменьшения габаритов индуктивности L) , фильтры соединяют последовательно.
Рис. 11. - Последовательное соединение фильтров
При последовательном соединении фильтров общий
коэффициент сглаживания будет равен ( рис. 11):
(4)
Вывод Коэффициент сглаживания эквивалентного
фильтра образованного из последовательно соединенных фильтров равен
произведению коэффициентов сглаживания фильтров.
Пассивные фильтры
Емкостные фильтры
Этот тип фильтров относится к однозвенным
фильтрам. Емкостный фильтр включают параллельно нагрузочному резистору RH.
Простейшим фильтром является емкостной фильтр
(С-фильтр). Рассмотрим его работу на примере однофазного однополупериодного
выпрямителя (рис. 12 а).
Работу емкостного фильтра удобно рассматривать с
помощью временных диаграмм, изображенных на рис. 12, б.
В интервал времени t1 - t2 конденсатор через
открытый диод VД заряжается до амплитудного значения напряжения U2, так как в
этот период напряжение U2>Uс. В это время ток Iд =Iс+Iн. В интервал времени
t2 - t3, когда напряжение U2 становится меньше напряжения на конденсаторе Uс,
конденсатор разряжается на нагрузочный резистор Rн заполняя разрядным током
паузу в нагрузочном токе Iн, которая имеется в однополупериодном выпрямителе в
отсутствие фильтра. В этот интервал времени напряжение на резисторе Rн
снижается до некоторого значения, соответствующего времени t3, при котором
напряжение U2 в положительный полупериод становится равным напряжению на
конденсаторе Uс. После этого диод вновь открывается, конденсатор С начинает заряжаться
и процессы зарядки и разрядки конденсатора повторяются.
Разряд конденсатора характеризуется экспонентой
с постоянной времени: τ = Rh * С.
Ток через диод протекает только часть
полупериода (отрезок t1...t2). Чем короче отрезок, тем больше амплитуда тока
диода при заданном среднем токе нагрузки. Если емкость С очень велика, то
отрезок t1..t2 оказывается очень малым, а амплитуда тока диода очень большой, и
диод может выйти из строя.
Такой фильтр широко используется в маломощных
выпрямителях; в мощных выпрямителях он используется редко, так как режим работы
диода и соответствующих электрических цепей (к примеру, обмоток трансформатора)
достаточно тяжел.
в) г)
Рис. 12 Схемы емкостных фильтров с
однополупериодным (а) и мостовым (в) выпрямителями, временные диаграммы
напряжений и токов однополупериодного (б) и мостового (г) выпрямителей с
емкостным фильтром
При постоянной времени τразр
>10Т коэффициент пульсаций, определяемый по формуле:
(5)
где: foch - частота основной гармоники,
Работа выпрямителя с емкостным фильтром
существенно зависит от изменения нагрузочного тока. Действительно, при
увеличении тока Iн, что происходит при уменьшении сопротивления Rh постоянная
времени тра3р уменьшается. Уменьшается и среднее значение выпрямленного
напряжения Uср, а пульсации возрастают.
При использовании емкостного фильтра следует
учитывать, максимальное значение тока диода Iд определяется лишь
сопротивлениями диода Rпр, и вторичной обмотки трансформатора, поэтому оно
может достигать значений, больших Inрmax. Такой большой ток может вывести из
строя диод. Для предотвращения этого последовательно с диодом необходимо
включать добавочный резистор.
Кроме того, следует учитывать, что напряжение
Uобр.max- прикладываемое к диоду, в два раза превышает U2m (напряжение на
вторичной обмотке), так как в момент времени, когда диод заперт, напряжения на
конденсаторе и на вторичной обмотке трансформатора складываются.
Емкостный фильтр целесообразно применять с
высокоомным нагрузочным резистором Rн при мощности Рн не более нескольких
десятков ватт.
Индуктивные фильтры
Индуктивный фильтр, состоящий из дросселя Lф,
включают последовательно с нагрузочным резистором Rн. Он, так же как емкостный
фильтр, относится к типу однозвенных фильтров.
Индуктивные фильтры обычно применяют в
трехфазных выпрямителях средней и большой мощностей, т. е. в выпрямителях,
работающих на нагрузочные устройства с большими токами.

Рис. 13. Схема индуктивного фильтра с
однополупериодным выпрямителем (а), временные диаграммы напряжения и токов
однополупериодного выпрямителя c
индуктивным фильтром (б)
В выпрямителях малой мощности использование
индуктивного фильтра Lф нецелесообразно, поскольку они работают на высокоомные
нагрузочные устройства.
Г-образные фильтры
Г-образные фильтры являются простейшими
многозвенными фильтрами. Этот фильтр может быть LC-типа и RC-типа Их применяют
тогда, когда с помощью однозвенных фильтров не выполняется предъявляемое к ним
требование с точки зрения получения необходимых коэффициентов сглаживания. Эти
фильтры, являясь более сложными по сравнению с однозвенными, обеспечивают
значительно большее уменьшение коэффициента пульсаций.
Снижение пульсаций LC-фильтром объясняется
совместными действиями индуктивной катушки и конденсатора. Снижение переменных
составляющих выпрямленного напряжения обусловлено как сглаживающим действием
конденсатора Сф, так и значительным падением переменных составляющих напряжения
на дросселе Lф. В то же время постоянная составляющая напряжения на нагрузочном
резисторе не уменьшается, так как отсутствует сколько-нибудь значительное
падение напряжения этой составляющей на очень малом активном сопротивлении
дросселя.

Рис. 14. Г-образные фильтры. а- LC-типа,
б) RC-типа
В маломощных выпрямителях, у которых
сопротивление нагрузочного резистора составляет несколько кОм, вместо дросселя
Lф включают Rф что существенно уменьшает массу, габариты и стоимость фильтра.
При выборе Хсф<Rф, на резисторе Rф создается значительно большее падение
напряжения от переменных составляющих выпрямленного тока, чем на резисторе RH.
Если выбрать значение Rф, из соотношения RH/(Rh+Rф) = 0,5-0,9, то падение
постоянной составляющей напряжения на резисторе Rф будет минимальным. В итоге
доля переменной составляющей в выпрямленном напряжении по отношению к
постоянной составляющей на нагрузочном резисторе Rф значительно уменьшается.
Коэффициент сглаживания для Г-образного RC-фильтра определяется из выражения
Следует отметить, что коэффициент сглаживания
RС-фильтра меньше, чем у LC-фильтра.
П-образные фильтры
П-образный фильтр относится к многозвенным
фильтрам, так как состоит из емкостного фильтра (Сф1) и Г-образного LC-фильтра
LфСФ2) или RС-фильтра RфСф2). Коэффициент сглаживания многозвенных фильтров
фильтра равен (при соблюдении определенных
условий) произведению коэффициентов составных звеньев (фильтров). Поэтому
коэффициент сглаживания П-образного фильтра
ξп=ξс*ξг
где ξс,ξг
- коэффициенты сглаживания С-фильтра и Г-образного фильтра.

Рис. 15. Схемы П-образных LC-фильтра
(а) и RC-фильтра (б)
При сопротивлениях нагрузочного устройства в
несколько килоом применяют П-образные СRС-фильтры, а при малых сопротивлениях
(несколько Ом) - CLC- фильтры. Наибольший коэффициенте сглаживания П-образного
достигается при условии СФ1,= СФ2. П-образные фильтры целесообразно применять,
если коэффициент сглаживания должен быть равен 100-1000 и более.
Больше коэффициент сглаживания П-образного
фильтра по сравнению с Г- образным достигается за счет ухудшения таких
параметров выпрямителя, как габариты масса и стоимость.
Транзисторные сглаживающие фильтры
По сравнению с пассивными транзисторные
(активные) сглаживающие фильтры имеют ряд преимуществ:
· выше качественные и удельные показатели;
· малая зависимость коэффициента
сглаживания от изменения нагрузки;
· широкополосность по частотному
диапазону;
· малая вероятность возникновения
опасных режимов при переходных процессах;
· отсутствие сильных магнитных полей;
простота унификации.
Недостатки:
на транзисторах фильтра, работающем в активном
режиме, рассеивается значительная мощность, поэтому к.п.д. транзисторных
сглаживающих фильтров несколько меньше, чем пассивных фильтров.(Если на
дросселе индуктивно-емкостного фильтра падает напряжение 1...2 В, то в
транзисторном фильтре на регулирующем транзисторе - до 3...5 В.)
Принцип действия активных фильтров основан на
свойстве транзистора создавать в определённых режимах работы различные
сопротивления для переменного и постоянного токов.
Характерны два способа построения фильтров.
Первый способ состоит в том, что транзистор
включается по схеме с общим коллектором (ОК) (рисунок 29). Ток коллектора IК в
схеме фильтра ОК мало зависит от величины приложенного к переходу
коллектор-эмиттер напряжения Uk при постоянном значении тока базы.
На рис. 17 приведены графики зависимости
IK=f(UK) при Ig=const (выходнаяхарактеристика).
Рис. 16. Схема транзисторного фильтра ОК
Рис. 17. - График зависимости тока коллектора от
фильтра ОК напряжения на переходе коллектор- эмиттер при различных значения
тока базы
Принцип его работы заключается в следующем. (Ток
базы жестко зафиксирован и не изменяется (почти)переменным сигналом в отличии
от обычного усилителя). На коллектор транзистора VT1 поступает напряжение с
большой амплитудой пульсации, а цепь базы питается через интегрирующую цепь
R1C1, которая сглаживает пульсации напряжения на базе (следовательно напряжение
на базе транзистора и ток базы зафиксирован). Сопротивление резистора R1
выбирают из условия достаточности тока базы для обеспечения заданного тока в
нагрузке. Чем больше постоянная времени T=R1C1, тем меньше пульсации напряжения
на базе. Так как устройство представляет собой эмиттерный повторитель, то на
выходе фильтра пульсации будут столь же малыми, как и на базе.
Емкость конденсатора С1 может быть в несколько
раз меньше, чем у конденсатора в LC-фнльтре, так как базовый ток намного меньше
выходного тока фильтра (коллекторного тока транзистора) - примерно в h21 э ф)
раз.
Таким образом, сглаживание пульсаций в фильтре
ОК обеспечивается RC фильтром в базовой цепи, а транзистор VT предназначен для
усиление сигнала по мощности (эмиттерный повторитель). Резистор R задаёт режим
работы транзистора по постоянному току, устанавливая ток базы.
Другими словами, его достоинства аналогично
достоинствам индуктивного фильтра и его включают в схему сглаживающего
Г-образного фильтра или П- образного фильтра вместо дросселя. Но для этого Тб
нужно поддерживать постоянным, то есть исключить его пульсации.
Преимущество этого фильтра - в простоте.
К недостаткам следует отнести, во-первых,
противоречивые требования к значению сопротивления резистора R1 (для уменьшения
пульсации на выходе фильтра следует увеличивать сопротивление (увеличивать trc
цепи), а для повышения КПД фильтра - уменьшать (увеличивать ток базы, переводя
транзистор в более открытое состояние)), во-вторых, сильная зависимость
параметров фильтра от температуры, времени, значения тока нагрузки,
статического коэффициента передачи тока базы транзистора. В таких фильтрах
обычно резистор R1 подбирают опытным путем.
Коэффициент сглаживания фильтра определяется,
как: S = 2nfmCR
Методы повышения эффективности транзисторных
фильтров
Бурное развитие миниатюризации привело к
стремлению уменьшить габариты фильтров с сохранением их параметров.
Увеличение коэффициента сглаживания возможно
либо за счет увеличения величины емкости С, что ведет к увеличению габаритов
или за счет увеличения величины сопротивления R, что также не приемлемо
(уменьшается ток базы и как следствие ток коллектора и ток нагрузки).
Второй способ построения активного фильтра
состоит в том, что транзистор включается по схеме с общей базой (ОБ), рис. 18.
Режим работы транзистора по постоянному току определяется величиной R6, а
сглаживающее действие - постоянной времени цепочки R1C1. Эта цепь стабилизирует
ток эмиттера, если R1C1 >> Tn, где Tn- период пульсации. В этом режиме
транзистор обладает большим дифференциальным сопротивлением и малым
статическим, что эквивалентно дросселю в LC-фильтрах. Принцип работы фильтра
аналогичен работе фильтра по схеме с ОК.
Рис. 18.- Схема активного фильтра с общей базой
.1.3 НАЗНАЧЕНИЕ И КЛАССИФИКАЦИЯ СТАБИЛИЗАТОРОВ.
ОСНОВНЫЕ ПАРАМЕТРЫ
Стабилизатором напряжения (тока) называют
устройство, автоматически обеспечивающее поддержание напряжения (тока)
нагрузочного устройства с заданной степенью точности.
Напряжение (ток) нагрузочного устройства может
сильно изменяться не только при изменениях нагрузочного тока 1н, но и за счет
воздействия ряда дестабилизирующих факторов. Одним из них является изменение
напряжения промышленных сетей переменного тока. В соответствии с ГОСТ 5237-69
это напряжение может отличаться от номинального значения в пределах от +5 до
-15%.
Другими дестабилизирующими факторами являются
изменение температуры окружающей среды, колебание частоты тока и т. д.
Применение стабилизаторов диктуется тем, что
современная электронная аппаратура может нормально функционировать при
нестабильности питающего напряжения 0,1-3%, а для отдельных функциональных
узлов электронных устройств нестабильность должна быть еще меньше.
Классификация стабилизаторов
Стабилизаторы классифицируют по ряду признаков:
· по роду стабилизируемой величины
· стабилизаторы напряжения
· стабилизаторы тока;
· по способу стабилизации
· параметрические стабилизаторы
· компенсационные стабилизаторы.
· -стабилизаторы непрерывного
регулирования -стабилизаторы импульсного регулирования
При параметрическом способе стабилизации
используют некоторые приборы с нелинейной вольтамперной характеристикой,
имеющей пологи участок, где напряжение (ток) мало зависит от дестабилизирующих
факторов. К таким приборам относятся стабилитроны, бареттеры, лампы накаливания
и т.п.
При компенсационном способе стабилизации
постоянство напряжения (ток) обеспечивается за счет автоматического
регулирования выходного напряжения (тока) источника питания. Это достигается за
счет введения отрицательной обратной связи между выходом и регулирующим
элементом, который изменяет свое сопротивление так, что компенсирует возникшее
отклонение выходной величины.
Параметры стабилизаторов
Основным параметром, характеризующим качество
работы все стабилизаторов, является коэффициент стабилизации.
Как отмечалось, определяющими дестабилизирующими
факторами, из-за которых изменяются выходные величины стабилизатора, являются
входное напряжение стабилизатора ивх и нагрузочный ток 1н
Для стабилизатора напряжения коэффициент
стабилизации по напряжению
(6)
где: ∆UBx и ∆UBыx - приращения
входного и выходного напряжений, а Uвх и Uвых - номинальные значения входного и
выходного напряжений.
.1.4 БЛОКИ ПИТАНИЯ ПЕРСОНАЛЬНОГО КОМПЬЮТЕРА
Схема импульсного блока питания ПК АТ форм
фактора, особенности и основные параметры
Главное назначение источников питания ПК -
преобразование электрической энергии, поступающей из сети переменного тока, в
энергию, пригодную для питания узлов компьютера.
Блок питания преобразует сетевое переменное
напряжение 220 В, 50 Гц (120 В, 60 Гц) в постоянные напряжения +5 и +12В. -5 и
-12. Как правило, для питания цифровых схем (системной платы, плат адаптеров и
дисковых накопителей) используется напряжение +5 В, а для двигателей
(дисководов и различных вентиляторов) -- +12 В.
Кроме питающих напряжений, блок вырабатывает
сигнал Р.О. (Powеr Good) - питание в норме. Этот сигнал с уровнем в 3-5В
вырабатывается через 0,1-0,5 с после включения питания при нормальных выходных
напряжениях блока. При отсутствии этого сигнала на системной плате непрерывно
вырабатывается сигнал аппаратного сброса процессора, появление сигнала
«выпускает» систему в нормальную работу. Этот сигнал должен сброситься раньше,
чем пропадет напряжение +5В при отключении блока.
Характеристики БП
Источники конструктива АТ имеют следующие
характеристики при средней мощности 230 Вт:
♦ Среднее
время наработки на отказ {среднее время безотказной работы), или среднее время
работы до первого отказа (параметр MTBF ((Mean Time Between Failures) либо MTTF
(Mean Time To Failure)). Это расчетный средний интервал времени в часах, в
течение которого ожидается, что источник питания будет функционировать
корректно.
♦ Диапазон
изменения входного напряжения (или рабочий диапазон), при котором может работать
источник питания. Для напряжения 110 В диапазон изменения входного напряжения
обычно составляют значения от 90 до 135 В; для входного напряжения 220 В - от
180 до 270 В.
. Пиковый ток включения. Это самое большое
значение тока, обеспечиваемое источником питания в момент его включения;
выражается в амперах (А). Чем меньше ток, тем меньший тепловой удар испытывает
система.
♦ .
Время (в миллисекундах) удержания выходного напряжения в пределах точно
установленных диапазонов напряжений после
отключения входного напряжения. Обычно 15-25 мс для современных блоков питания.
. Переходная характеристика. Количество времени
(в микросекундах), которое требуется источнику питания, чтобы установить
выходное напряжение в точно определенном диапазоне после резкого изменения тока
на выходе. Другими словами, количество времени, требуемое для стабилизации
уровней выходных напряжений после включения или выключения системы.
. Защита от перенапряжений. Это значения (для
каждого вывода), при которых срабатывают схемы защиты и источник питания
отключает подачу напряжения на конкретный вывод. Значения могут быть выражены в
процентах (например, 120% для +3,3 и +5 В) или так же, как и напряжения
(например, +4,6 В для вывода +3,3 В; 7,0 В для вывода +5 В).
. Максимальный ток нагрузки. Это самое большое
значение тока (в амперах), который может быть подан на конкретный вывод (без
нанесения ущерба системе). Этот параметр указывает конкретное значение силы
тока для каждого выходного напряжения. По этим данным вычисляется не только
общая мощность, которую может выдать блок питания, но и количество устройств,
которые можно подключить к нему.
. Минимальный ток нагрузки. Самое меньшее
значение тока (в амперах), который может быть подан на конкретный вывод (без
нанесения ущерба системе). Если ток, потребляемый устройствами на конкретном
выводе, меньше указанного значения, то источник питания может быть поврежден
или может автоматически отключиться.
♦ .
Стабилизация по нагрузке (или стабилизация напряжения по нагрузке). Когда ток
на конкретном выводе увеличивается или уменьшается, слегка изменяется и
напряжение. Стабилизация по нагрузке - изменение напряжения для конкретного
вывода при перепадах от минимального до максимального тока нагрузки (и
наоборот). Значения выражаются в процентах, причем обычно они находятся в
пределах от ±1 до ±5% для выводов +3,3, +5 и +12 В.
. Стабилизация линейного напряжения. Это
характеристика, описывающая изменение выходного напряжения в зависимости от
изменения входного напряжения (от самого низкого до самого высокого значения).
Источник питания должен корректно работать при любом переменном напряжении в
диапазоне изменения входного напряжения, причем на выходе оно может изменяться
на 1% или меньше. .
Эффективность (КПД). Отношение мощности,
подводимой к блоку питания, к выходной мощности; выражается в процентах. Для
современных источников питания значение эффективности обычно равно 65-85%.
Оставшиеся 15-35% подводимой мощности преобразуются в тепло в процессе
превращения переменного тока в постоянный.. .
Пульсация (Ripple) (или пульсация и шум (Ripple
and Noise), или пульсация напряжения (AC Ripple), или PARD (Periodic and Random
Deviation - периодическая и случайная девиация), или шум, уровень шума).
Среднее значение пиковых (максимальных)
отклонений напряжения на выводах источника питания; измеряется в милливольтах
(среднеквадратичное значение). Эти колебания напряжения могут быть вызваны
переходными процессами внутри источника питания, колебаниями частоты
подводимого напряжения и другими случайными помехами.
Устройство и работа
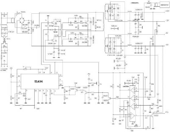
БП имеет следующую структурную схему:
Структурная схема источника (рисунок 51) состоит из двух функциональных узлов:
сетевого выпрямителя (СВ); преобразователя
напряжения (ПН).
Преобразователь напряжения (ПН) включает в себя:
конвертор (К);
устройство управления (УУ).
Конвертор (К) состоит из:
инвертора (И), преобразующего постоянное
выходное напряжение СВ в переменное прямоугольной формы;
Рис. 19. Структурная схема БП конструктива АТ
СВ-сетевой выпрямитель; ПН - преобразователь напряжения; К-конвертор: И-
регулируемый инвертор; УИ - усилители импульсов базового тока силовых ключей
инвертора; ВФ - выпрямитель и сглаживающий фильтр; ВВ - вспомогательный
выпрямитель. УУ - устройство управления; СС - схема сравнения; М - модулятор
силового трансформатораТР1, работающего ни повышенной частоте (~60 кГц) и
обеспечивающего гальваническую развязку сети с нагрузкой; выпрямителя и
высокочастотного LC
фильтра (ВФ).
Устройство управления(УУ) выполняет
следующие функции:
обеспечивает мощные транзисторы
инвертора импульсами возбуждения изменяемой длительности, реализуя, принцип
широтно-импульсного регулирования и стабилизации выходного напряжения (ТТТИР)
Uh.
выполняет функции плавного включения
и аварийного отключения блока питания.
задержку включения ЦП на время
необходимого для окончания переходных процессов в БП путем выдачи сигнала
«Напряжение в норме» (Power Good) Согласование маломощных выходных сигналов
логических элементов УУ с
входами силовых транзисторов
выполняется усилителями импульсов (УИ) через трансформатор УТ2, который
обеспечивает гальваническую развязку.
В качестве схемы управления УУ
используется многофункциональная ИМС типа TL494, предназначенная для управления
импульсными источниками вторичною электропитания различного вида [З].
После запуска инвертора устройство
управления получает питание от вспомогательного выпрямителя (ВВ).
Сетевой выпрямитель СВ выполняет
функции выпрямления напряжения сети и сглаживания пульсации; обеспечивает режим
плавной зарядки конденсаторов фильтра путем последовательного включения
терморезистора TH1 ограничивающего пусковой ток заряда конденсаторов до
допустимого значения при включении источника; обеспечивает бесперебойность
подачи энергии в нагрузку при кратковременных (до 300 мсек) провалах напряжения
сети ниже допустимого уровня и уменьшает уровень помех за счет применения
помехоподавляющих фильтров
На выходы СВ формируется постоянное
напряжение, которое может составлять 264-340 В для однофазной сети ~220 В с
учетом допуска -15%...+10%.
Силовая часть регулируемого
инвертора выполнена по полумостовой схеме на транзисторных ключах.Поддержание
выходного напряжения на заданном уровне осуществляется следующим образом -
часть выходного напряжения (как правело +5В) поступает на вход схемы
управления, туда же поступает и часть опорного напряжения. Расположенная в
схеме управления схема разности вырабатывает сигнал ошибки , амплитуда которого
пропорционально величине отклонения выходного напряжения от величины опорного
напряжения, а знак определяет направление отклонения (больше или меньше). С
помощью компаратора сигнала ошибки сигнал ошибки преобразуется в импульсное
напряжение длительность которого пропорциональна величине сигнала ошибки (ШИР).
Данные импульсы и управляют работой инвертора.
Рис. 20. Схема источника питания АТ-форм фактора
Особенности импульсного блока питания АТХ форм
фактора
В последнее время широкое развитие получили
источники питания типа АТХ.
Блоки питания для IBM совместимых компьютеров
выпускаются в корпусах, унифицированных по габаритным и посадочным размерам.
Все узлы блока питания расположены в металлическом корпусе, который служит для
механической защиты элементов блока питания и электромагнитной экранировки.
Металлический корпус состоит из двух деталей: основания и съемной крышки. И
крышка, и основание имеют П-образную форму, у каждой есть по две боковые
стенки. В конструкции основания предусмотрены резьбовые отверстия под
винты-саморезы. Крышка соединяется с основанием четырьмя саморезами. На
основании винтами укрепляются все узлы блока питания. Электронные компоненты
блока питания располагаются на единой односторонней печатной плате,
закрепленной винтами на донной части основания. Между платой и дном основания
располагается изолирующая прокладка из синтетического материала. На одной из
боковых стенок основания закреплены: вентилятор, сетевая вилка типа IEC320 с
тремя ножевыми контактами и аналогичная по конструкции розетка. Подключение
сетевого напряжения к блоку производится стандартным шнуром через вилку с тремя
ножевыми контактами. Розетка, установленная на корпусе, является транзитным
разъемом для подключения к ней шнура питания монитора или иного устройства. На
эту розетку подается напряжение сети непосредственно от корпусной вилки.
Разводка питания на вилке и розетке осуществляется на одноименные крайние
контакты. Средние (третьи) выводы каждого из этих приборных частей разъемов
соединены между собой. К средним контактам подпаян проводник с металлическим
лепестком на конце. Лепесток механически соединяется с винтом, закрепленным на
донной части основания. Таким образом, выполняется подключение корпуса блока
питания к контуру заземления через стандартный шнур питания. Рядом с разъемами
на той же боковой стенке установлен вентилятор, который используется для
охлаждения элементов блока питания. Для прохождения направленного воздушного
потока перед вентилятором в корпусе сделаны отверстия (круглые или в виде
закругленных прорезей). Воздушный поток движется из внутренней полости корпуса
источника наружу. Такое направление движения воздуха снижает уровень пылевого
загрязнения, как блока питания, так и вычислительного средства, в котором он
установлен.
На этой же стенке установлен переключатель
(селектор входного напряжения), которым осуществляется выбор напряжения
питающей сети 115 или 220 В. В модификациях источников питания, имеющих узел
автоматического определения напряжения питающей сети, такой переключатель не
устанавливается.
На второй боковой стенке основания имеются
отверстия в виде продольных жалюзей для вентиляции и два эллиптических
отверстия, через которые из блока питания выводятся кабели вторичных
напряжений. Для дополнительной электроизоляции кабели вторичного питания
выходят из блока питания через пластиковое кольцо. Это кольцо плотно зажимается
стенками корпуса при сборке крышки и основания.
На концах кабелей вторичных напряжений
монтируются розетки разъемных соединителей трех типов. Все розетки имеют
собственный «ключ» для правильного соединения с ответной частью. Проводники для
каждого номинала напряжения и логического сигнала снабжены индивидуальной
цветовой маркировкой. Хотя к цветовой гамме проводников нет твердых требований,
однако большинство производителей придерживается некоторой унификации.
Один 20-контактный разъем предназначен для
подключения к системной плате персонального компьютера. Тип такого разъемного
соединителя - MOLEX 39-01-2200 или аналогичный. Разводка разъема
стандартизована. В табл. 2.2 приведена разводка вторичных напряжений и
служебных сигналов по контактам этого разъема
С помощью четырехконтактных разъемов большего
размера подключаются периферийные устройства и вентилятор процессора. Тип этих
разъемов обязательно должен быть аналогичным AMP 1-480424-0 либо MOLEX
8981-04Р. Цвет подводящих проводов и значение напряжений на контактах этих
разъемов следующие: 1 - желтый, +12 В; 2,3 - черные, общий; 4 - красный, +5 В.
Самые маленькие розетки разъемов типа AMP
171822-4 предназначены для соединения с устройствами накопителей на гибких
магнитных дисках. Цвет подводящих проводов и значение напряжений на контактах
для них следующие: 1 - красный, +5 В; 2, 3 - черный, общий; 4 - желтый, +12 В.
Для блоков питания с выходной мощностью 300 Вт
применяется дополнительный разъем типа MOLEX 90331-0010. Цвет подводящих
проводов и значение напряжений на контактах для него: 1, 2, 3 - черные, общий;
4, 5 - коричневый или оранжевый, +3,3 В; 6 - красный, +5 В.
Как правило, на внешней стороне корпуса
источника питания наклеена этикетка, на которой приведена цветовая маркировки
проводников вторичного питания для данного изделия. В этом случае при работе
следует использовать сведения, приведенные на этикетке.
В корпусе системного модуля компьютера блок
питания крепится таким образом, что его стенка с установленными приборными
частями разъемов и вентилятором выходят на тыльную сторону корпуса.
Противоположная боковая стенка основания и кабели вторичных напряжений с
разъемными соединителями находятся внутри корпуса системного модуля.
Поскольку первичное напряжение питания подается
на входные цепи ATX блока питания непосредственно, сетевой выключатель для него
в компьютерной системе отсутствует. Системная плата компьютеров ATX конструктива
содержит узел формирования маломощных сигналов для управления состоянием
входной цепи PS-ON блока питания. Узел находится постоянно под напряжением,
поступающим от специального каскада блока питания - автогенераторного источника
для питания элементов схемы дежурного режима. Питание на узел подается
независимо от режима работы остальной схемы компьютера. Включение/выключение
блока питания и устройств компьютера производится коммутацией кнопки Switch
power, установленной на лицевой панели системного модуля компьютера.
Устройство и работа
Стандарт ATX (AT Extension) установлен
корпорацией INTEL с введением нового форм-фактора на материнские платы
(форм-фактор - отношение ширины платы к ее длине, а также план размещения
посадочных гнезд). Появление нового форм-фактора обусловлено ожидаемым
расширением возможностей персональных компьютеров: аудио- и видеовходы,
поддержка виртуальной реальности, реализация ввода-вывода TV, а также
факс-модема.
В источниках питания для конструктива ATX (в
дальнейшем - источник) изменен разъем для подключения питания к системной
плате. Он имеет 20 контактов, и через него подаются напряжения ±5 В, ±12 В,
+3,3 В (для будущих моделей PCI плат расширения). Кроме того, на разъем
выводится сигнал "PS-ON", предназначенный для выключения питания
программными средствами, например, по команде "Shut down the
computer" ("выключить компьютер") в среде WINDOWS.
В связи с этим в блок питания добавлен
вспомогательный источник дежурного питания "+5 VSB" и дистанционное
управление включением и выключением выходов источников постоянного напряжения.
Все выходные напряжения, кроме "+5 VSB", запрещаются сигналом лог.
"1" на входе "PS-ON".
Рис. 21. Структурная схема БП конструктива АТХ;
И - регулируемый инвертор; ВПр - вспомогательный преобразователь для "+5VSB";
УИ - усилители импульсов базового тока силовых ключей инвертора; СТ - линейный
стабилизатор "+5 VSB"
Структурная схема источника (рис. 20) состоит из
двух функциональных узлов:
· сетевого выпрямителя (СВ)
· преобразователя напряжения (ПН).
Преобразователь напряжения (ПН) включает в себя:
o конвертор (К);
o устройство управления (УУ).
Конвертор, в свою очередь, состоит из:
ü инвертора (И), преобразующего
постоянное выходное напряжение СВ в переменное прямоугольной формы;
ü силового трансформатора TV1,
работающего ни повышенной частоте (~60 кГц) и обеспечивающего гальваническую
развязку сети с нагрузкой;
ü выпрямителя и высокочастотного LC
фильтра (ВФ).
Устройство управления выполняет следующие
функции:
обеспечивает мощные транзисторы инвертора
импульсами возбуждения изменяемой длительности, реализуя, таким образом,
принцип широтно- импульсного регулирования и стабилизации выходного напряжения
Uh.
выполняет функции плавного включения и
аварийного отключения блока питания. Согласование маломощных выходных сигналов
логических элементов с входами
силовых транзисторов выполняется усилителями
импульсов (УИ) через трансформатор TV2, который обеспечивает гальваническую
развязку.
Схема вспомогательного преобразователя (ВПр)
обеспечивает напряжениями питания усилители импульсов, узлы схемы управления и
линейный стабилизатор "+5 VSB".
После запуска инвертора устройство управления
получает питание от вспомогательного выпрямителя (ВВ).
Сетевой выпрямитель СВ выполняет функции
выпрямления напряжения сети и сглаживания пульсации; обеспечивает режим плавной
зарядки конденсаторов фильтра путем последовательного включения терморезистора
TH1 ограничивающего пусковой ток заряда конденсаторов до допустимого значения
при включении источника; обеспечивает бесперебойность подачи энергии в нагрузку
при кратковременных (до 300 мсек) провалах напряжения сети ниже допустимого
уровня и уменьшает уровень помех за счет применения помехоподавляющих фильтров
Защита источников питания проявляется в
критических режимах работы, а также в тех случаях, когда действие обратной
связи может привести к предельным режимам работы элементов схемы, предупреждая
тем самым выход из строя силовых и дорогостоящих элементов схемы.В результате
действия цепей защиты снимаются выходные управляющие сигналы с ШИМ -
контроллера, транзисторы преобразователя находятся в выключенном состоянии,
выходное вторичное напряжение отсутствует.
Следует различать такие цепи защиты:
· от короткого замыкания в нагрузке;
· от чрезмерного тока в транзисторах
полумостового преобразователя;
· защиту от превышения напряжения.
Первые два типа защиты близки по действию и
связаны с предупреждением отдачи преобразователем большой мощности в нагрузку.
Действуют они при перегрузках источника питания или же неисправностях в
преобразователе. Защита от превышения напряжения может возникать при перепадах
входного напряжения и в некоторых других случаях.
.2 ПРАКТИЧЕСКАЯ ЧАСТЬ
1.2.1 Обзор программ
для исследования и проектирования элементов электроники
Программа Electronics Workbench предназначена
для моделирования и анализа электронных схем.Workbench может проводить анализ
схем на постоянном и переменном токах. При анализе на постоянном токе
определяется рабочая точка схемы в установившемся режиме работы. Результаты
этого анализа не отражаются на приборах, они используются для дальнейшего
анализа схемы. Анализ на переменном токе использует результаты анализа на
постоянном токе для получения линеаризованных моделей нелинейных компонентов.
Анализ схем в режиме АС может проводиться как во временной, так и в частотной
областях.
В Electronics Workbench можно исследовать
переходные процессы при воздействии на схемы входных сигналов различной формы.
Программа также позволяет производить анализ цифро-аналоговых и цифровых схем
большой степени сложности. Имеющиеся в программе библиотеки включают в себя
большой набор широко распространенных электронных компонентов. Есть возможность
подключения и создания новых библиотек компонентов.
Широкий набор приборов позволяет производить
измерения различных величин, задавать входные воздействия, строить графики. Все
приборы изображаются в виде, максимально приближенном к реальному, поэтому
работать с ними просто и удобно.
Результаты моделирования можно вывести на
принтер или импортировать в текстовый или графический редактор для их
дальнейшей обработки.
Программа Electronics Workbench совместима с
программой P-SPICE, т.е. предоставляет возможность экспорта и импорта схем и
результатов измерений в различные ее версии.Workbench позволяет разместить
схему таким образом, чтобы были четко видны все соединения элементов и
одновременно вся схема целиком.
Программа использует стандартный интерфейс
Windows, что значительно облегчает ее использование.
В библиотеки компонентов программы входят
пассивные элементы, транзисторы, управляемые источники, управляемые ключи,
гибридные элементы, индикаторы, логические элементы, триггерные устройства,
цифровые и аналоговые элементы, специальные комбинационные и последовательные
схемы. Активные элементы могут быть представлены моделями как идеальных, так и
реальных элементов. Возможно также создание своих моделей элементов и
добавление их в библиотеки элементов.
В программе используется большой набор приборов
для проведения измерений: амперметр, вольтметр, осциллограф, мультиметр,
функциональный генератор, генератор слов, логический анализатор и логический
преобразователь.Workbench позволяет строить схемы различной степени сложности
при помощи следующих операций:
− выбор элементов и приборов из библиотек;
− перемещение элементов и схем в любое
место рабочего поля;
− поворот элементов и групп элементов на
углы, кратные 90°;
− копирование, вставка или удаление
элементов, групп элементов, фрагментов схем и целых схем;
− изменение цвета проводников;
− выделение цветом контуров схем для более
удобного восприятия;
− одновременное подключение нескольких
измерительных приборов и наблюдение их показаний на экране монитора;
− присваивание элементу условного
обозначения;
− изменение параметров элементов в широком
диапазоне.
Путем настройки приборов можно:
− изменять школы приборов в зависимости от
диапазона измерений;
− задавать режим работы прибора;
− задавать вид входных воздействий на
схему (постоянные и гармонические токи и напряжения, треугольные и
прямоугольные импульсы).
Графические возможности программы позволяют:
− одновременно наблюдать несколько кривых
на графике;
− отображать кривые на графиках различными
цветами;
− измерять координаты точек на графике;
− импортировать данные в графический
редактор, что позволяет произвести необходимые преобразования рисунка и вывод
его на принтер.Workbench позволяет использовать результаты, полученные в
программах P-SPICE, PCB, а также передавать результаты на Electronics Workbench
в эти программы. Можно вставить схему или ее фрагмент в текстовый редактор и
напечатать в нем пояснения или замечания по работе схемы.
.2.2 ИССЛЕДОВАНИЕ ВЫПРЯМИТЕЛЯ И ФИЛЬТРА БЛОКА
ПИТАНИЯ ПК С ПОМОЩЬЮ ПРОГРАММЫ EWB
1. Исследование работы однополупериодного
выпрямителя без фильтра
Рис 22 Схема изучаемого выпрямителя
Рис 23 Схема моделируемого выпрямителя
На графике (Рис 24) показано напряжение до (
красная линия ) и после (синяя линия ) выпрямления.
Напряжение источника питания
Uпит=20В.
Среднее значение выпрямленного напряжения на нагрузке равно
Uн=9В, и
считается по формуле
н=√2/πUпит = 9,0031
= 0,45 Uпит (6)
Амплитуда пульсации 
, и находится по формуле
н микс= √2Uпит
=28,2842В (7)
I пр ср =U н ср/Rн
=28,2/1200=0,023А (8)
Рис 24 Форма графика
Исследование работы однополупериодного
выпрямителя с ёмкостными фильтрами.
Схема исследуемого выпрямителя представлена на
рис. 15. Схема моделируемого выпрямителя представлена на рис. 26 Форма графика
для фильтра А представлена на рис. 27 Форма графика для фильтра Б представлена
на рис. 28.
Рис. 25. Схема исследуемого выпрямителя
Рис 26. Схема моделируемого выпрямителя
Рис 27 Форма графика для фильтра с ёмкостью 5мкФ
Рис 28 Форма графика для фильтра с ёмкостью
10мкФ
На рисунках 27-28 в схеме установлены ёмкостные
фильтры с параметрами : ёмкость А = 5 мкФ, ёмкость Б = 10 мкф.
Как видно из графиков, ёмкость влияет на
сглаживание выпрямленного напряжения за счет увеличения времени разряда
конденсатора. Чем больше ёмкость, тем ровнее будет выпрямленное напряжение и
меньше амплитуда пульсации. Среднее напряжение на нагрузке тоже возрастает. В
месте с этим возрастает и средний прямой ток.
Снятие выходной нагрузочной характеристики
однополупериодного выпрямителя, как зависимость выходного напряжения от тока
нагрузки. Построить график. Нагрузочная характеристика представлена на рис. 29
Рис. 29 Нагрузочная характеристика
Исследование работы мостового выпрямителя без
фильтра.
На рис. 30 показана схема исследуемого
выпрямителя, на рис. 31 представлена модель выпрямителя в WorkBench, а на рис.
32 показана форма графика выходного напряжения.
Рис. 1.9. Исследуемый выпрямитель
Рис. 31. Модель выпрямителя
Рис. 32. Форма графика выходного напряжения
Амплитуда выходного напряжения составляет 26.9 В
Амплитуда пульсации составляет 26.9 В
Как видно из полученных данных и формы графика,
мостовой выпрямитель в отличии от однополупериодного, при тех же параметрах
цепи (входное напряжение, нагрузка ) не делает пропусков в пол периода, как
однополупериодный выпрямитель ( Рис 24 ).
Исследование работы мостового выпрямителя с
ёмкостным фильтром.
На рис. 33 показана схема исследуемого
выпрямителя, на рис. 34 представлена модель выпрямителя в WorkBench, а на рис.
35 и 36 показаны формы графиков выходного напряжения для двух разных фильтров.
Рис. 35 - с фильтром в 5 мкФ, рис. 36 - с фильтром 10 мкФ.
Рис. 33. Исследуемый выпрямитель
Рис. 34. Модель выпрямителя
Рис. 35. Форма графика. Фильтр - 5 мкФ
Рис. 36. Форма графика. Фильтр - 10 мкФ
Амплитуда выходного напряжения для рис. 35
составляет 26.95 В
Амплитуда пульсации для рис. 35 составляет 16.15
В
Амплитуда выходного напряжения для рис. 36
составляет 26.94 В
Амплитуда пульсации для рис. 36 составляет 11.21
В
Как видно из полученных данных, амплитуда
пульсации уменьшается с увеличением ёмкости фильтра, а если сравнить графики с
однополупериодными выпрямителями ( Рис. 27-28 ) то можно увидеть что форма
выходного напряжения значительно ровнее, так же выше среднее выходное
напряжение и ток нагрузки. Чем больше ёмкость фильтра, тем ближе среднее
выходное напряжение к максимальному выходному напряжению.
Изучение мостового выпрямителя с RC
фильтром.
На рис. 37 показана схема изучаемого
выпрямителя, рис. 38 изображает модель выпрямителя в программе, а на рис. 39
отражен график выходного напряжения.
Рис. 37 Изучаемый выпрямитель с RC
фильтром
Рис. 38 Схема модели выпрямителя
Рис. 39 Форма графика выходного напряжения
Амплитуда выходного напряжения равна 13.7 В
Амплитуда пульсации равна 6.04 В
Как видно из графика и выходных данных. RC
фильтр значительно сглаживает форму пульсации и её амплитуду в сравнении с
другими фильтрами, но в месте с этим амплитуда выходного напряжения тоже
уменьшается.
. Исследование однополупериодного выпрямителя
Схема однополупериодного выпрямителя с
характеристиками U2 = 36 В, Cф
= 5мкФ и Rн = 1200 Ом
изображена на рис. 40.
Рис. 40 однополупериодный выпрямитель
Рис. 41 Модель выпрямителя
Модель выпрямителя показана на рис. 41, а на
рис. 42 изображена форма графика выходного напряжения на нагрузке. Красной
линией показано напряжение до выпрямления, зеленой - после.
Рис. 42 Форма графика выходного напряжения
Напряжение источника питания
Uпит=36В.
Среднее значение выпрямленного напряжения на нагрузке равно Uн=9В
, амплитуда
выходного напряжения U н макс =49,98 В
, амплитуда
пульсации Uн=45,51В
, среднее
напряжение на нагрузке
Uн ср =
26,43В.
Средний ток на нагрузке
I пр ср = Uн ср / R н=
26,43/1200 = 0,022 А
(9)
Коэффициент пульсации
q= Uн / Uн ср =
45.51/26.43=1.7
(10)
Напряжение на диоде равно амплитуде
переменного напряжения на вторичной обмотке
U обр
макс=50,92В
Изменение сопротивления нагрузки влияет на
скорость разряда конденсатора. Чем больше сопротивление - тем медленнее будет
разряжаться конденсатор, чем оно меньше - тем быстрее конденсатор будет
разряжаться.
Ёмкость конденсатора линейно влияет на скорость
его разряда. Чем больше емкость, тем дольше он будет разряжаться, и на оборот
соответственно.
Рис. 43. График тока на нагрузке
Рис. 44. График прямого тока на диоде
Среднее значение тока = 23.17 А, а максимальный
ток составляет 49.94 А.
Влияние частоты входного напряжения на
пульсацию:
При уменьшении частоты амплитуда пульсации будет
возрастать, так как длинна периода возрастает, и у ёмкости будет больше времени
на разрядку, так же снижается среднее напряжение на нагрузке.
При увеличении частоты, амплитуда пульсации
будет уменьшаться, так как ёмкость не будет успевать разряжаться. Вместе с
этим, обратное напряжение и среднее напряжение на нагрузке, будут больше.
. Исследование мостового выпрямителя ( рис 45 )
Рис 45. Изучаемый мостовой выпрямитель без
устройств измерения
Рис. 46. Модель выпрямителя
Рис. 47. Напряжение на нагрузке(красный гр.)
Амплитуда выходного напряжения 26.6 В
Амплитуда пульсации 9.59 В
Среднее выходное напряжение 20.5 В
Средний ток нагрузки 0.04 А
Максимальный ток 0.09 А
Зависимость коэффициента пульсации от ёмкости:
1=Uп
/Uн ср=
9,52/20,5=0,46 при С=50мкф (11)
q2=Uп
/Uн ср=
11,06/20,47=0,54 при С=40мкф (12)
q3=Uп
/Uн ср=
13,06/19,71=0,65 при С=30мкф (13)
q4=Uп
/Uн ср=
15,95/18,58=0,85 при С=20мкф (14)
Рис. 48. Зависимость коэффициента пульсации от
ёмкости
Из графика зависимости коэффициента пульсации от
ёмкости видно, что, чем меньше ёмкость, тем больше коэффициент пульсации.
Коэффициент пульсации находится при помощи амплитуды пульсации и среднего
выходного напряжения, а при снижении ёмкости они увеличиваются.
Исходя из выше сказанного, можно сделать
следующие выводы, что выпрямители необходимы, ведь существует большое
количество устройств, для питания которых необходимы источники постоянного
тока. Прежде всего, это множество электронных устройств, применяемых в быту,
системах автоматизации и других отраслях промышленности. Постоянный ток дают
химические источники тока: батарейки и аккумуляторы. Но они имеют низкую мощность,
ограниченный период работы и высокую цену.
Суть выпрямителей - в преобразовании напряжения
переменного тока в напряжение постоянного тока. На выходе такого выпрямителя
получается пульсирующее напряжение постоянного тока, которое пригодно для
питания энергетических потребителей, например, двигателей постоянного тока. Для
получения постоянного напряжения без пульсаций на выходе выпрямителя подключают
фильтры.
В дипломной работе исследованы
однополупериодные, и мостовые выпрямители с фильтрами и без фильтров.
Использованы емкосные фильтры (5, 10 мкФ). Все необходимые схемы были собраны в
пакете - Electronic
WorkBench. На каждую
собранную схему выведены графики переменного напряжения на данных участках с
помощью осциллографа, входящего в пакет EWB.
ГЛАВА 2. ОХРАНА ТРУДА. МЕРЫ БЕЗОПАСНОСТИ ПРИ
ТЕХНИЧЕСКОМ ОБСЛУЖИВАНИИ ЭЛЕКТРОННОЙ ТЕХНИКИ
.1 АНАЛИЗ УСЛОВИЙ ТРУДА
Условия труда - совокупность
психофизиологических, санитарно-гигиенических и социально-психологических
факторов трудовой деятельности, влияющих:
на здоровье и работоспособность человека, на его
отношение к труду;
на эффективность производства, уровень жизни и
развитие личности.
К условиям труда относятся:
условия трудового процесса, включая технологию и
формы организации труда;
уровень экономичности используемых технических
средств и оборудования;
условия производственной сферы, микроэкология
труда, складывающаяся под воздействием технологических режимов и общего
состояния окружающей атмосферы;
внешнее оформление и комфортность места работы;
ориентация работников на самоохрану труда при
повышении уровня культуры труда.
Изучение и решение проблем, связанных с
обеспечением здоровых и безопасных условий, в которых протекает труд человека -
одна из наиболее важных задач в разработке новых технологий и систем
производства. Изучение и выявление возможных причин производственных несчастных
случаев, профессиональных заболеваний, аварий, взрывов, пожаров, и разработка
мероприятий и требований, направленных на устранение этих причин позволяют
создать безопасные и благоприятные условия для труда человека.
Комфортные и безопасные условия труда - один из
основных факторов влияющих на производительность и безопасность труда, здоровье
работников.
.1.1 ПРОИЗВОДСТВЕННАЯ САНИТАРИЯ И ГИГИЕНА ТРУДА
Наука о гигиене труда изучает воздействие
трудового процесса и его условий на организм, разрабатывает
лечебно-профилактические и гигиенические мероприятия, направленные на
сохранение здоровья работников.
Основные направления проводимых научных
исследований по гигиене труда - физиология трудовых процессов и их влияние на
человеческий организм; разработка мероприятий для повышения производительности
труда и предупреждения утомляемости; изучение предельно допустимых концентраций
токсинов в производственной обстановке и разработка мероприятий для
предупреждения интоксикаций; изучение производственной пыли и разработка
способов предупреждения пылевых профзаболеваний; изучение воздействия на
организм человека физических факторов производственной среды; разработка
профилактических мер для предупреждения профессиональных заболеваний. Гигиена
труда тесно связана с научной организацией трудового процесса и в своих
исследованиях широко использует как физические, так и химические методы при
изучении механизмов воздействия производственных факторов на организм, а также
клинические и статистические методы при изучении состояния здоровья работающих
и их заболеваемости. Исследования по гигиене труда проводятся в лабораториях и
непосредственно на производствах.
Важнейшая задача профилактики профзаболеваний -
оптимизация условий труда. Воздействие вредных производственных факторов
вызывает профессиональные заболевания, снижение трудоспособности, повышает
частоту инфекционных и соматических заболеваний. Наука о гигиене труда
подразделяет вредные факторы на группы:
· физические (воздушная среда, ионизирующие
излучения, электромагнитные поля, вибрация, освещение, производственный шум,
пыль);
· химические;
· биологические (патогенные
микроорганизмы);
· факторы трудового процесса
(физическая нагрузка и напряженность труда).
При безопасных условиях труда вредные и опасные
производственные факторы либо исключены, либо их уровень не превышает
нормативных. Обусловленные гигиеной труда нормативы рассчитаны на то, чтобы при
40-часовой рабочей неделе на протяжении всего трудового стажа вредные
производственные факторы не вызывали заболеваний и отклонений здоровья.
Выделяют 4 класса условий труда:
· Оптимальные условия: сохраняется здоровье
работников и поддерживается высокий уровень их работоспособности.
· Допустимые условия труда: соблюдение
гигиенических нормативов, а возможные временные ухудшения состояния организма
проходят за время отдыха.
· Вредные условия труда:
неблагоприятное воздействие на организм.
· Опасные условия труда: высокий риск
профессиональных поражений и угроза для жизни.
Вредные факторы производства приводят к развитию
профзаболеваний в результате долговременного воздействия на организм, а также к
острым заболеваниям в виде травм и отравлений.
В наше время особое значение приобретает гигиена
умственного труда. Одно из главных условий успешного умственного труда -
распорядок. Отсутствие строгого режима переутомляет нервную систему.
Увлеченность работой обусловливает высокую производительность труда.
Результаты умственного труда сильно зависят от настроения
и психологического климата. Неблагоприятная обстановка в семье или в учреждении
резко снижает производительность и приводит к высокой степени утомляемости.
Следует позаботиться о благоприятных условиях
среды трудового процесса в соответствии с нормативными требованиями правил
гигиены труда. Табачный дым и шум не лучшим образом воздействуют на организм.
Повысить производительность умственного труда можно тренированностью,
постепенным увеличением нагрузки и поддержанием ее на высоком уровне. Отрицательно
сказываются на производительности длительные периоды бездействия. Поэтому в
процессе умственного труда полезен отдых в виде смены его формы или снижения
нагрузки. Целесообразно чередовать умственный труд с физическими нагрузками.
.1.2 ПРОИЗВОДСТВЕННЫЙ ШУМ. ЗАЩИТА ОТ ШУМА И
ВИБРАЦИЙ
Шумом называют всякий неблагоприятно действующий
на человека звук. С физической точки зрения звук представляет собой
механические колебания упругой среды.
Слуховой орган человека воспринимает в виде
слышимого звука колебания упругой среды, имеющие частоту примерно от 20 до
20000 Гц, но наиболее важный для слухового восприятия интервал от 45 до 10000
Гц.
Восприятие человеком звука зависит не только от
его частоты, но и от интенсивности и звукового давления.
Неблагоприятное действие шума на человека
зависит не только от уровня звукового давления, но и от частотного диапазона
шума, а также от равномерности воздействия в течение рабочего времени.
В результате неблагоприятного воздействия шума
на работающего человека происходит снижение производительности труда,
увеличивается брак в работе, создаются предпосылки к возникновению несчастных
случаев. Всё это обусловливает большое оздоровительное и экономическое значение
мероприятий по борьбе с шумом.
Общая классификация средств и методов защиты от
шума приведена в ГОСТ 12.1.003 - 83 “Шум. Общие требования безопасности”.
Защита работающих от шума может осуществляться
как коллективными средствами и методами, так и индивидуальными средствами.
Выбор средств снижения шума в источнике его возникновения
зависит от происхождения шума.
Для снижения шума в помещениях, оборудованных
вычислительной техникой, используется метод звукопоглощения, основанный на
переходе энергии звуковых колебаний частиц воздуха в теплоту на трение в порах
звукопоглощающего материала.
Звукопоглощающие устройства бывают простыми,
пористо-волокнистыми, с экраном, мембранные, слоистые, резонансные и объемные.
Эффективность применения различных звукопоглощающих устройств определяется в
результате акустического расчёта.
Акустическая обработка обязательно должна
применяться в машинных залах вычислительных центров.
Немаловажное значение имеет и устранение шума
непосредственно в источнике шума.
Во многих странах допустимый уровень шума на
рабочем месте законодательно установлен в пределах 80 дБ(децибел). Там, где
уровень шума превышает 80 дБ, должны применяться средства защиты слуха.
Фактически 80 дБ - это предельный уровень шума, воздействие которого может
продолжаться восемь часов без ущерба для слуха.
При выполнение основной работы на ВДТ и ПЭВМ
уровень шума на рабочем месте не должен превышать 50дБА.
На рабочих местах в помещениях для размещения
шумных агрегатов вычислительных машин уровень шума не должен превышать 75 дБА.
.1.3 СТАТИЧЕСКОЕ ЭЛЕКТРИЧЕСТВО И
ЭЛЕКТРОМАГНИТНЫЕ ИЗЛУЧЕНИЯ
Статическое электричество - это совокупность
явлений, связанных с возникновением, сохранением и релаксацией свободного
электрического заряда на поверхности или в объеме диэлектриков или на
изолированных проводниках. Так звучит определение по ГОСТ 12.1.018-93
«Пожаровзрывобезопасность статического электричества».
В основном статическое электричество
генерируется при трении объектов - эффект трибоэлектризации.
Трибоэлектричество (от греч. tribos - трение) -
явление возникновения электрических зарядов при трении и последующем разделении
материалов.
Примерами образования могут послужить самые
элементарные вещи: ходьба является одним из самых больших источников
трибоэлектрического заряда. При ходьбе происходит контакт подошвы обуви с
напольным покрытием, а затем их последующее разделение. При этом данное
действие происходит многократно. Человеческое тело является хорошим
проводником, что позволяет ему проводить и накапливать заряды, образующиеся в
ходе разделения двух материалов. При хождении по ковровому покрытию на человеке
может образоваться потенциал до 15 000 В.
Средства защиты от статического электричества по
принципу действия делятся на следующие виды:
· заземляющие устройства;
· нейтрализаторы;
· увлажняющие устройства;
· антиэлектростатические вещества;
· экранирующие устройства.
Прежде всего, электронное оборудование должно
быть качественно заземлено. Цепь утечек на землю работает удовлетворительно,
если ее сопротивление не превышает 106 Ом. Заземление эффективно только для
материалов, имеющих удельное сопротивление не более 10 Ом•м. Таким образом,
если поверхность приборов пластиковая, заземление может быть не всегда
эффективно. В этом случае нужно использовать другие методы борьба со статикой.
Для разрядки диэлектрических поверхностей применяют ионизаторы воздуха,
способные генерировать ионы обеих полярностей.
Такие ионизаторы используются для локальной
нейтрализации зарядов непосредственно на рабочих местах или же ими дополняют
вентиляционные системы, чтобы поток отфильтрованного воздуха ионизировался и
происходила нейтрализация зарядов на стенах, потолках, поверхностях
оборудования и др. Электризация диэлектрических материалов резко снижается при
увеличении влажности воздуха, однако при этом ухудшаются условия работы
оборудования. Поэтому, как правило, влажность не должна превышать 40%. Кроме
того, для исключения электризации при ходьбе, а также для организации
дополнительного пути «стекания» электростатических зарядов помещение, где
находится приемно-контрольное оборудование, следует оснастить напольным
антистатическим покрытием.
Самое простое - настелить специальный
электропроводящий линолеум, имеющий по отношению к земле электросопротивление
порядка 107 Ом, при котором заряды на них уменьшаются до безопасных значений в
течение 0,02 с. Крайне желательно защитить и само рабочее место оператора, если
таковое имеется. Столы должны иметь проводящее покрытие из пропитанного углем
пластика, проводящего дивинила или антистатического материала. Эти покрытия
обычно заземляются с помощью шин, прокладываемых на столах под покрытием.
Аналогичные покрытия могут иметь и стулья. При соблюдении всех
вышеперечисленных условий мы получаем гарантированную защиту электронного
оборудования от поражения электростатическим разрядом. А потери от одного
такого удара могут многократно превысить все затраты на профилактические меры.
.1.4 ЭЛЕКТРОМАГНИТНЫЕ ИЗЛУЧЕНИЯ
Известно, что около проводника, по которому
протекает ток, возникают одновременно электрическое и магнитное поля. Если ток
не меняется во времени, эти поля не зависят друг от друга. При переменном токе
магнитное и электрическое поля связаны между собой, представляя единое
электромагнитное поле.
Электромагнитное поле обладает определённой
энергией и характеризуется электрической и магнитной напряжённостью, что
необходимо учитывать при оценке условий труда.
Источниками электромагнитных излучений служат
радиотехнические и электронные устройства, индукторы, конденсаторы термических
установок, трансформаторы, антенны, фланцевые соединения волноводных трактов,
генераторы сверхвысоких частот, в том числе и компьютеры.
Компьютеры создают электромагнитные излучения
широкого спектра:
рентгеновское, ультрафиолетовое, высокочастотное
(10 - 300 МГц), низкочастотное (5 Гц - 300 кГц) и электростатическое поле.
При этом следует отметить следующее:
рентгеновское излучение экрана монитора ничтожно, ультрафиолетовое излучение
монитора, измеренное для ряда образцов, при длине волны 0,32 мкм не превышало
200 мкВт/см2 при гигиеническом нормативе 1000 мкВт/см2, что в несколько раз
ниже, чем интенсивность солнечного ультрафиолета в облачный день.
Главную опасность для пользователей представляют
электромагнитное излучение монитора в диапазоне частот 20 Гц - 300 МГц и
статический электрический заряд на экране.
Однако некоторые работы и исследования в этой
области определяют возможные факторы риска, так например считается что
электромагнитное излучение может вызвать расстройства нервной системы, снижение
иммунитета, расстройства сердечно-сосудистой системы и аномалии в процессе
беременности и соответственно пагубное воздействие на плод.
Защита от электромагнитных полей радиочастот
Для обеспечения безопасности работ с источниками
электромагнитных волн проводится систематический контроль фактических значений
нормируемых параметров на рабочих местах и в местах возможного нахождения
персонала. Если условия работы не удовлетворяют требованиям норм, то
применяются следующие способы защиты:
· Экранирование рабочего места или
источника излучения.
· Увеличение расстояния от рабочего
места до источника излучения.
· Рациональное размещение оборудования
в рабочем помещении.
· Использование средств
предупредительной защиты.
· Применение специальных поглотителей
мощности энергии для уменьшения излучения в источнике.
· Использование возможностей
дистанционного управления и автоматического контроля и др.
Рабочие места обычно располагают в зоне
минимальной интенсивности электромагнитного поля. Конечным звеном в цепи
инженерных средств защиты являются средства индивидуальной защиты. В качестве
индивидуальных средств защиты глаз от действия СВЧ-излучений рекомендуются
специальные защитные очки, стёкла которых покрыты тонким слоем металла (золота,
диоксида олова).
В целях предупреждения профессиональных
заболеваний необходимо проводить предварительные и периодические медицинские
осмотры. Женщин в период беременности и кормления грудью следует переводить на
другие работы. Лица, не достигшие 18-летнего возраста, к работе с генераторами
радиочастот не допускаются. Лицам, имеющим контакт с источниками СВЧ- и
УВЧ-излучений, предоставляются льготы (сокращённый рабочий день, дополнительный
отпуск) не реже одного раза в год.
.2 ТРЕБОВАНИЯ К ПОМЕЩЕНИЮ И К РАБОЧЕМУ МЕСТУ ДЛЯ
ЭКСПЛУАТАЦИЙ И РЕМОНТА КОМПЬЮТЕРНОЙ ТЕХНИКИ
К работе на персональном компьютере допускаются
лица, прошедшие обучение безопасным методам труда, вводный инструктаж,
первичный инструктаж на рабочем месте.
Работник обязан:
Выполнять только ту работу, которая определена
его должностной инструкцией.
Содержать в чистоте рабочее место.
Соблюдать режим труда и отдыха в зависимости от
продолжительности, вида и категории трудовой деятельности.
Соблюдать меры пожарной безопасности.
Рабочие места с компьютерами должны размещаться
таким образом, чтобы расстояние от экрана одного видеомонитора до тыла другого
было не менее 2,0 м, а расстояние между боковыми поверхностями видеомониторов -
не менее 1,2 м.
Рабочие места с персональными компьютерами по
отношению к световым проемам должны располагаться так, чтобы естественный свет
падал сбоку, преимущественно слева.
Оконные проемы в помещениях, где используются
персональные компьютеры, должны быть оборудованы регулируемыми устройствами
типа: жалюзи, занавесей, внешних козырьков и др.
Рабочее место техника при ремонте и наладке
электронной техники. Конструкция стола может быть самой различной, в
зависимости от конкретных условий. Стол шириной до 100 см наиболее удобен, так
как при большей ширине трудно дотянуться до стены, где могут висеть
инструменты. Рабочее место необходимо оборудовать штепсельной розеткой (лучше
даже несколькими) с предохранителем. Не следует устанавливать розетки
непосредственно на столе - они будут мешать, их лучше поместить на стене перед
столом.
Располагая инструменты у стола на щите,
прикрепленном к стене, наиболее часто используемые нужно помещать ближе к
рабочему месту. К щиту инструменты можно прикреплять проволочными крючками,
прижимами и т. д.
Чтобы ясно было видно место каждого инструмента,
рекомендуется нанести краской контур его в том положении, в каком он должен
находиться на щите. Инструменты можно хранить и в ящике стола, и в переносном
ящике. Однако открытый способ хранения удобнее, так как он дает возможность
постоянно иметь все инструменты под рукой, а по пустому месту на щите сразу
видеть, что отсутствует. Нужна такая система размещения, чтобы каждый инструмент
имел свое место, откуда его можно легко взять.
Для хранения мелких радиодеталей (конденсаторов
небольшой емкости, постоянных резисторов, транзисторов, диодов и т. д.) можно
использовать картотечный способ и хранить такие карточки в вертикальном положении
в отдельном ящике. Чтобы сделать карточку для деталей в листе картона размерами
с обычный тетрадный лист нужно проколоть шилом отверстия и вставить в них
выводы деталей, загнув выводы с противоположной стороны. Если на каждом листе
будут закреплены детали только одинакового номинала, то не придется тратить
много времени на поиски нужной детали во время работы. Для удобства сверху на
каждой карточке следует сделать надпись с указанием номинала детали.
Удобно также хранить мелкие детали (резисторы и
конденсаторы) в отдельных коробках, разобранными по номиналам и типам.
Приступая к работе, нужно прежде всего
ознакомиться, как следует пользоваться материалами и инструментами.
Все необходимые инструменты и материалы нужно
приготовить до начала работы, чтобы потом не тратить напрасно время на поиски.
Инструмент и рабочее место всегда нужно
содержать в чистоте. Никогда не работать тупым или неисправным инструментом.
Устранять мелкие неисправности инструмента сразу, как только заметили их.
Окончив работу, класть инструменты на место.
Не нужно спешить в работе: хороший мастер все
делает быстро, но не спеша, его быстрота - результат умения, опыта и знаний.
фильтр компьютер стабилизатор выпрямитель
2.2.1 ЭЛЕКТРОБЕЗОПАСНОСТЬ
Электробезопасность - это система организационных
и технических мероприятий и средств, направленных на защиту человека от
опасного и вредного воздействия электрического тока, электрической дуги
электромагнитного поля и статического электричества (ГОСТ 12 1.006-84).
Опасность поражения человека электрическим током
проявляется, как правило, внезапно, когда человек уже находится под
напряжением, а исход электропоражения зависит не только от уровня напряжения,
прилагаемого к телу человека, но и от многих других факторов. К ним относится
непосредственное воздействие как на электрические характеристики изоляции
электроустановок, так и на сопротивляемость организма человека действию
электрического тока. Это состояние внешней среды, конструкция электроустановок,
характер прикосновения и т п. Правила устройства электроустановок и ГОСТ 12.1.0
19-79 изм.01-86 «Электробезопасность. Общие требования» классифицируют
производственные помещения следующим образом:
. Помещения с повышенной опасностью,
характеризующиеся наличием одного из условий: сырости (относительная влажность
воздуха превышает 75%), токопроводящей пыли, высокой температуры, возможности
одновременного прикосновения к металлическим корпусам электроустановок и
заземлённым частям зданий, механизмов.
. Особо опасные помещения (особая сырость, наличие
химически активной среды, наличие одновременно двух и более условий по п. 1).
. Помещения без повышенной опасности
(отсутствуют условия по п.п.1 и 2).
Территории размещения наружных электроустановок,
приравниваемые к особо опасным помещениям, т.к. характеризуются наличием
условий, создающих особую опасность (см п.2).
2.2.2 ДЕЙСТВИЕ ЭЛЕКТРИЧЕСКОГО ТОКА НА ОРГАНИЗМ
ЧЕЛОВЕКА
Человек, случайно оказавшийся под напряжением,
замыкает электрическую цепь, по которой протекает соответствующий ток,
вызывающий определённую реакцию организма, вид которой зависит от силы тока.
При конструировании защитных средств за безопасную принимается сила тока 50 -
75 мкА. Наименьшее значение токов, которые вызывают реакцию человека, называют
пороговыми. Так при силе тока частотой 50Гц на уровне 0,6-15 мА человек
обнаруживает непроизвольное дрожание пальцев рук - это пороговый ток. При силе
тока 10-15 мА возникает судорожное сокращение мышц руки, в которой зажат
проводник; человек теряет контроль над своими действиями и не в состоянии
самостоятельно освободиться от проводника. Такое пороговое значение
характеризуют как неотпускающий ток. Обусловлено это дезорганизацией действия
биотоков в организме под действием внешнего источника энергии. В случае
чрезмерного раздражающего действия тока сигналы центральной нервной системы
могут вызвать не только сокращение мышц, но и опасную для жизни реакцию, в том
числе прекращение деятельности сердца и легких. При пороговом фибрилляционном
токе (порядка 100 мА) наступает беспорядочное сокращение волокон сердечной
мышцы (фибрилл). Сердце утрачивает способность перекачивать кровь, при
прекращении кровообращения сердце расслабляется и останавливается.
При силе тока, проходящего через тело человека
более 1А происходит немедленная остановка сердца и прекращение дыхания -
наступает клиническая смерть. Если в течение 6-8 минут восстановить нормальное
сокращение фибрилл, то возможно оживление работы сердца - в противном случае
наступает биологическая смерть (необратимое прекращение всех функций организма).
Кратковременный сильноточный импульс способен прекратить возникшую фибрилляцию
сердца; на этом принципе основано действие медицинского прибора -
дефибриллятора.
В настоящее время общепринятым пределом
опасности считается сила тока 100 мА при продолжительности его действия 3 с. В
любом случае, для обеспечения безопасности людей необходимо быстро отключать
сеть.
Сила тока зависит как от приложенного
напряжения, так и от сопротивления тела человека, которое определяется
сопротивлением кожного покрова и сопротивлением внутренних органов. При
напряжении 200…300 В наступает электрический пробой верхнего слоя кожи и общее
сопротивление уменьшается до своего минимального значения (порядка 1 кОм).
Исход электропоражения будет зависеть также от
того, какой частью тела человек попадает под напряжение Характерные пути
протекания тока рука-ноги, рука-рука, нога-нога Наиболее опасен путь тока через
сердце, мозг, легкие Однако смертельное поражение возможно и при протекании
тока, не затрагивающего жизненно важные органы, т к ток в теле, как и в любой
другой электрической цепи, протекает по пути наименьшего сопротивления (нервам,
крови), минуя ткани с большим сопротивлением (жир, мышцы).
Исход поражения в значительной мере определяется
длительностью протекания тока в организме.
Замыкания на землю в электроустановках, как
правило, отключаются защитой за доли секунды. Однако устройства
электробезопасности (заземления и др.) рассчитываются, исходя из больших
величин допустимого тока и длительности его воздействия (табл. 2).
Табл. 2 Параметры электробезопасности требований
ГОСТ 12 1 038-82
|
Расчетные
параметры
|
Длительность
воздействия тока, с
|
|
0.1
|
0.2
|
0.5
|
1
|
1-30
|
более
30
|
|
Допустимый
ток, мА
|
500
|
250
|
100
|
50
|
5
|
2
|
|
Допустимое
напряжение, В
|
500
|
250
|
100
|
50
|
24
|
9
|
|
Сопротивление
тела, кОм
|
1
|
1
|
1
|
1
|
2,5
|
4,5
|
Постоянный ток менее опасен, его пороговые
значения в 3-4 раза выше, чем переменного тока промышленной частоты 50 Гц.
Однако это справедливо при небольших напряжениях, когда еще не наступает
электрический пробой верхнего слоя кожи. Переменный ток наиболее опасен при
частоте 501 Гц, опасность снижается при частоте 1-2 кГц, а при частоте 400-500
кГц биологическое действие тока не проявляется вовсе. Однако и в этом случае
сохраняется опасность ожогов как от электрической дуги, так и от тока,
проходящего через тело человека.
Исход поражения зависит и от индивидуальных
свойств человека. У одного и того же человека пороговые значения тока меняются
в зависимости от его физического и психического состояния.
.2.3 ТРЕБОВАНИЯ БЕЗОПАСНОСТИ ПРИ НАЛАДКЕ И
РЕМОНТЕ КОМПЬЮТЕРНОЙ ТЕХНИКИ
Первое, что нужно помнить при ремонте компьютера
то, что компьютер - это электроприбор. Это значит, что есть вероятность
поражения электрическим током. Самое высокое напряжение в 220 Вольт на входе
блока питания, который преобразует переменное напряжение электрической сети
(220 Вольт, 50 Герц) в постоянные (импульсные) напряжения не превыщающие 12
Вольт. Напряжение 36 Вольт по правилам общей техники электробезопасности
считается безопасным для жизни человека. То есть при прохождении тока через
ткань человека с приложенным напряжением в 36 Вольт не приведет к гибели
человека, а просто начнет сокращать мышцы. На самом деле мало приятного, когда
попадаешь под напряжение, поэтому следует остерегаться касания открытых
контактов молекса (пластмассовая контактная колодка) к телу при включенной
сети. Иными словами: «Выключайте компьютер из сети при проведении ремонтных и
профилактических работ!»
Второе, немало важное правило вытекает из
особенностей строения компьютера. Компьютерные комплектующие в большинстве
своем построены на основе ИМС (интегральных микросхем), которые очень «боятся»
статического электричества. Статическое электричество - это заряд, накопленный
на одном из тел. Предположим, что Вы заряжены положительно, а компьютер
отключен из сети (имеет заряд 0), тогда при касании за любую ИМС между Вашим
телом и ИМС проскочит искра, которая вполне может вызвать выход из строя
оборудования. Чтобы этого не происходило следует надеть заземленный браслет,
который отведет от Вашего тела заряд. Если такого браслета нет, то можно
выравнять заряды на Вашем теле и компьютере, прикоснувшись к металлическому
корпусу компьютера, который по умолчанию заземлен. Сформулируем правило два:
«Прежде чем касаться микросхем, прикоснитесь к корпусу компьютера!»
Третье, касающееся работы с любой аппаратурой -
это аккуратность и неспешность. Простой пример: «При установке или снятии
процессора с сокета 775 можно легко погнуть контакты сокета (они пружинные),
чтобы избежать этого - не касайтесь контактов и при транспортировке одевайте
специальную заглушку сокета!» Третье правило: «Будьте аккуратны!»
.3 ПРИЧИНЫ ВОЗНИКНОВЕНИЯ ПОЖАРОВ В ЭЛЕКТРОННОЙ
АППАРАТУРЕ, ПРИЧИНЫ КОРОТКИХ ЗАМЫКАНИЙ
Электроустановки можно объединить в группы по
наиболее существенным признакам:
─ конструктивному исполнению;
─ электрическим характеристикам;
─ функциональному назначению и т.д..
Приведенные ниже шесть основных групп
электроустановок достаточно полно охватывают практически все многообразие
применяемых в практике электроустановок:
─ провода и кабели;
─ электродвигатели, генераторы и
трансформаторы;
─ осветительная аппаратура;
─ распределительные устройства;
электрические аппараты пуска, переключения,
─ управления, защиты;
─ электронагревательные приборы, аппараты,
установки;
─ электронная аппаратура и ЭВМ.
Наиболее частыми причинами пожаров, возникающих
при эксплуатации электроустановок являются: короткие замыкания в
электропроводниках и электрическом оборудовании; воспламенение горючих
материалов, находящихся в непосредственной близости от электроприемников,
включенных на продолжительное время и оставленных без присмотра; токовые
перегрузки электропроводок и электрооборудования; большие переходные
сопротивления в местах контактных соединений; появление напряжения на
строительных конструкциях и технологическом оборудовании, попадание раскаленных
частиц нити накаливания на легкогорючие материалы и др.
.3.1 МЕРЫ ПОЖАРНОЙ БЕЗОПАСНОСТИ
Пожарная безопасность объекта должна
обеспечиваться системами предотвращения пожара и противопожарной защиты, в том
числе организационно-техническими мероприятиями.
Системы пожарной безопасности должны
характеризоваться уровнем обеспечения пожарной безопасности людей и
материальных ценностей, а также экономическими критериями эффективности этих
систем для материальных ценностей, с учетом всех стадий (научная разработка,
проектирование, строительство, эксплуатация) жизненного цикла объектов и
выполнять одну из следующих задач:
исключать возникновение пожара;
обеспечивать пожарную безопасность людей;
обеспечивать пожарную безопасность материальных
ценностей;
обеспечивать пожарную безопасность людей и
материальных ценностей одновременно.
Объекты должны иметь системы пожарной
безопасности, направленные на предотвращение воздействия на людей опасных
факторов пожара, в том числе их вторичных проявлений на требуемом уровне.
Требуемый уровень обеспечения пожарной
безопасности людей с помощью указанных систем должен быть не менее 0,999999
предотвращения воздействия опасных факторов в год в расчете на каждого человека,
а допустимый уровень пожарной опасности для людей должен быть не более 10-6
воздействия опасных факторов пожара, превышающих предельно допустимые значения,
в год в расчете на каждого человека.
Объекты, отнесенные к соответствующим категориям
по пожарной опасности согласно нормам технологического проектирования для
определения категорий помещений и зданий по пожарной и взрывопожарной
опасности, должны иметь экономически эффективные системы пожарной безопасности.
Опасными факторами, воздействующими на людей и
материальные ценности, являются:
пламя и искры;
повышенная температура окружающей среды;
токсичные продукты горения и термического
разложения;
дым;
пониженная концентрация кислорода.
К вторичным проявлениям опасных факторов пожара,
воздей-ствующим на людей и материальные ценности, относятся:
осколки, части разрушившихся аппаратов,
агрегатов, установок, конструкций;
радиоактивные и токсичные вещества и материалы,
вышедшие из разрушенных аппаратов и установок;
электрический ток, возникший в результате выноса
высокого напряжения на токопроводящие части конструкций, аппаратов, агрегатов;
- опасные факторы взрыва по ГОСТ
12.1.010 <http://www.fireman.ru/bd/gost/12-1-010/12-1-010.html>.90,
происшедшего вследствие пожара;
огнетушащие вещества.
Классификация объектов по пожарной и
взрывопожарной опасности должна производиться с учетом допустимого уровня их
пожарной опасности (требуемого уровня обеспечения пожарной безопасности), а
расчеты критериев и показателей ее оценки, в т. ч. вероятности пожара (взрыва),
- с учетом массы горючих и трудно-горючих веществ и материалов, находящихся на
объекте, взрывопожароопасных зон, образующихся в аварийных ситуациях, и
возможного ущерба для людей и материальных ценностей.
Методики, содержащиеся в стандартах
и других нормативно-технических документах и предназначенные для определения
показателей пожарной опасности строительных конструкций, их облицовок и
отделок, веществ, материалов и изделий (в т. ч. незавершенного производства)
должны адекватно отражать реальные условия пожара.
Перечень и требования к
эффективности элементов конкретных систем пожарной безопасности должны
устанавливаться нормативными и нормативно-техническими документами на
соответствующие виды объектов.
Исходя из вышесказанного, можно сделать вывод,
что вопрос охраны труда является одним из важнейших на современном этапе жизни
нашего общества, в период, когда работодатели ставят для себя основной задачей
как можно быстрее и с минимальным вложением средств извлечь наибольшее количество
прибыли, и пользуясь возникшим в последнее время у нас в стране дефицитом
рабочих мест, когда наши граждане готовы за мизерную оплату выполнять самую
грязную работу мало внимания уделяют, а порой и вообще игнорируют требования
безопасности труда.
Увеличение количества профессиональных
заболеваний, несчастных случаев на производстве, приводящих к травмам а иногда
и к гибели людей, всё это заставляет задуматься о совершенстве нашего
законодательства в области охраны труда, и думается, что нашим законодательным,
исполнительным и судебным органам государственной власти предстоит ещё много
работы в этом направлении.
ЗАКЛЮЧЕНИЕ
В дипломной работе рассмотрено исследование
характеристик выпрямителя и сглаживающего фильтра блока питания ПК.
Выпрямителем называется статический
преобразователь напряжения переменного тока в напряжение постоянного тока. В
общем случае выпрямитель состоит из трансформатора, полупроводниковых диодов и
сглаживающего фильтра.
Суть выпрямителей - в преобразовании напряжения
переменного тока в напряжение постоянного тока. На выходе такого выпрямителя
получается пульсирующее напряжение постоянного тока, которое пригодно для
питания энергетических потребителей, например, двигателей постоянного тока.
Поскольку в любой схеме выпрямителя коэффициент
пульсаций выходного напряжения во много раз превышает допустимые пределы, на
выходе выпрямителей включают специальное устройство - сглаживающие фильтры.
В дипломной работе исследованы
однополупериодные, и мостовые выпрямители с фильтрами и без фильтров.
Использованы емкосные фильтры (5, 10 мкФ). Все необходимые схемы были собраны в
пакете - Electronic
WorkBench. На каждую
собранную схему выведены графики переменного напряжения на данных участках с
помощью осциллографа, входящего в пакет EWB.
Выполняя дипломную работу, можно сделать вывод,
что с помощью программы Electronics Workbench можно проводить анализ схем на
постоянном и переменном токах, а также исследовать переходные процессы при
воздействии на схемы входных сигналов различной формы.
Охрана труда - это свод законодательных актов и
правил, соответствующих им гигиенических, организационных, технических, и
социально-экономических мероприятий, обеспечивающих безопасность, сохранение
здоровья и работоспособность человека в процессе труда (Закон ПМР “Об охране и
безопасности труда”, ГОСТ 12.1.003 “Общие требования безопасности”).
Охрана труда и здоровье трудящихся на
производстве, когда особое внимание уделяется человеческому фактору, становится
наиважнейшей задачей.
Осуществление мероприятий по снижению
производственного травматизма и профессиональной заболеваемости, а также
улучшение условий работы труда ведут к профессиональной активности трудящихся,
росту производительности труда и сокращение потерь при производстве. Так как
охрана труда наиболее полно осуществляется на базе новой технологии и научной
организации труда, то при разработке и проектировании объекта используются
новейшие разработки.
СПИСОК ЛИТЕРАТУРЫ
1. Гук М. Аппаратные средства IBM PC. -
СПб.: Питер, 2002.
2. Ирвинг М. Готтлиб. Источники
питания. - М.: ПОСТМАРКЕТ, 2000.
3. Конструкторско-технологическое
проектирование электронной аппаратуры /Под ред. В.А.Шахова. -М.:Изд-во. МГТУ
им. Баумана, 2002.
4. Степаненко О.С. Сборка, модернизация
и ремонт ПК. - М.: Вильяме, 2003.
5. Павлов В.Н., Ногин В.Н. Схемотехника
аналоговых электронных устройств. - М.: Горячая линия, 2001.
6. Фрике К. Мир электроники. Вводный
курс цифровой электроники. - М.: ТЕХНОСФЕРА, 2003.
7. Келим Ю.М. Типовые элементы систем
автоматического управления. - М: ФОРУМ- ИНФРА-М, 2002.
8. Валеко B.C. Полупроводниковые
приборы и основы схемотехники электронных устройств. - М.: Додэка - XXI, 2001.
9. Павлов В.Н., Ногин В.Н. Схемотехника
аналоговых электронных устройств. - М.: Горячая линия - Телеком, 2001.
10. Джонс М.Х. Электроника-практический
курс. - М.: Постмаркет, 2003.
11. Калабеков Б.А., Мамзелев И.А.
Цифровые устройства и микропроцессорные устройства. - М.: Радио и связь, 1987.
12. Браммер Ю.А., Пащук И.Н. Импульсные
и цифровые устройства. - М.: Высшая школа, 2003.
13. Горбачев Г.Н., Чаплыгин Е.Е.
Промышленная электроника. -М.: Энергоиздат, 1988.
14. Ушаков В.Н., Должейко О.В.
Электроника. - М.: Радио и связь.