Автоматизация технологического процесса вывоза опилок из строительного цеха

  • Вид работы:
    Дипломная (ВКР)
  • Предмет:
    Информационное обеспечение, программирование
  • Язык:
    Русский
    ,
    Формат файла:
    MS Word
    1,04 Мб
  • Опубликовано:
    2013-11-22
Вы можете узнать стоимость помощи в написании студенческой работы.
Помощь в написании работы, которую точно примут!

Автоматизация технологического процесса вывоза опилок из строительного цеха

Введение

Автоматизированная система управления - предназначена для выработки и реализации управляющих воздействий на технологический объект управления в соответствии с принятым критерием управления.

Автоматизация производства - призвана устранить физически тяжелый, монотонный труд, переложив его на плечи машин.

Автоматизация технологического процесса - совокупность методов и средств, предназначенная для реализации системы или систем, позволяющих осуществлять управление <#"650583.files/image001.gif">

Рисунок 1 - Схема отгрузки опилок из строительного цеха

2. Разработка программного обеспечения

.1 Выбор среды разработки

Для автоматизации вывоза опилок из строительного цеха необходимо выбрать среду разработки.

Свой выбор я остановил на программном обеспечении LOGO! Soft Comfort. Критерии, по которым я сделал свой выбор, изложены ниже:

§  Данная программа позволяет осуществлять разработку программ для логических модулей LOGO! от 6ED1… - 0BA0 до 6ED1… - 0BA6.

§  Есть существенное преимущества в отличие от программирования с клавиатуры, т.к. обеспечивается наглядное представление всей программы, что приносит огромный плюс в плане простаты понимания программы.

§  Позволяет производить разработку, отладку, документирование и архивирование программ LOGO! как в автономном, так и в интерактивном режиме.

§  В нашем расположении для разработки программ представлены языки LAD (язык релейно-контактных символов) и FBD.

§  Программа может загружаться в логический модуль или записываться в модуль памяти, а также сохраняться на жестком диске компьютера.

§  Возможность производить настройку параметров модулей и используемых функций.

§  Запускать и останавливать выполнение программы логическим модулем.

Все перечисленные преимущества ППП LOGO! Soft Comfort вполне удовлетворяют мои требования при автоматизизации плавки металла.

2.2 Описание функциональных блоков

Таблица 1 Использованные функциональные блоки

Наименование блока

Графическое изображение

Описание

Вход

Входной блок представляется в виде входной клеммы LOGO! В LOGO! имеются 24 цифровых входа

Выход

Выходной блок представляется в виде выходной клеммы LOGO! имеются 16 цифровых выхода. Выход всегда сохраняет сигнал предыдущего цикла программы. Это значение не изменяется в течение текущего цикла программы

Аналоговый вход

вход аналогового сигнала, подлежащего обработке. В качестве входов используются соединительные элементы I7(AI1) или I8(AI2). Значению Uвх = 0÷10 В, соответствует внутреннее представление 0÷1000.

Реле блокировки

Сигнал на входе S устанавливает выход Q. Сигнал на входе R сбрасывает выход Q

AND

 

Выход функции И принимает значение 1 только тогда, когда входы равны 1, т.е когда они замкнуты. Неиспользуемому входу блоку (х) назначается значение: х=1 Если на входе стоит черная точка то значит этот вход инвертируется

Аналоговый компаратор (Analog Compactor)

Выход включается, если разность между Ax и Ay превышает установленное пороговое значение


2.3 Классификация сигналов

Таблица 2 Использованные сигналы

Наименование входа/выхода

Наименование сигнала, датчика или исполнительного механизма

Тип сигнала

Примечание

I1

Кнопка «Пуск» на дистанционном пульте управления

дискретный

входной сигнал

I2

Датчик обрыва каната (ДОК)

дискретный

входной сигнал

I3

Датчик верхнего положения вагонетки (ДВП)

дискретный

входной сигнал

I4

Датчик нижнего положения вагонетки (ДВП)

дискретный

входной сигнал

I5

Датчик перегрева двигателя (ДПД)

дискретный

входной сигнал

I6

Датчик заполнения бункера (ДЗБ)

дискретный

входной сигнал

Датчик натяжения каната (ДНК), определяет величину натяжения

аналоговый

входной сигнал

Q1

Сигнал на включение электродвигателя М2

дискретный

выходной сигнал

Q2

Сигнал задания направление движения вагонетки,  если активный, то “вверх”; если неактивный, то “вниз”

дискретный

выходной сигнал

Q3

Сигнал на открытие задвижка ИМ1

дискретный

выходной сигнал

Q4

Сигнал на включение электродвигателя вентилятора М4

дискретный

выходной сигнал

Q5

Сигнал на закрытие крышки люка в подвал (включение М1)

дискретный

выходной сигнал

3. Разработка алгоритма технологического процесса

.1 Составление блок-схемы алгоритма

Рисунок 2 - Алгоритм программы

4. Разработка программного аналога

.1 Листинг программы

Рисунок 3 - Листинг программы

4.2 Отладка и полное тестирование работы программы

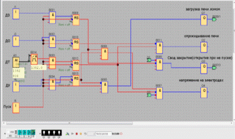
Схемы автоматизации плавки металла в дуговых электропечах на рисунках 4 -10.

Рисунок 4 - Схема начального положения дуговой электропечи

Рисунок 5 - Схема загрузки лома в дуговую электропечь, при включении кнопки Пуск

Рисунок 6 - Схема прекращение подачи лома в загрузочный желоб, при срабатывания ДУ

Рисунок 7 - Схема включения напряжения на электродах, при срабатывании ДЗ

Рисунок 8 - Схема включения опрокидывания печи, при срабатывании ДТ

Рисунок 9 - Схема отключения опрокидования печи, при срабатывании ДО

 

Рисунок 10 - Схема конечного положения дуговой электропечи

Как показала тестирование ошибок в данной программе не найдено.

Заключение

В данной курсовой работе была составлена программа в среде LOGO! SoftComfort для автоматизации вывоза опилок из строительного цеха.

Работа была заключена в разработке программы, которая позволила осуществить автоматизацию вызова опилок. Для реализации данного проекта мной были пройдены следующие этапы:

-         Для начала была осуществлена постановка задачи, где описывалось, что именно необходимо автоматизировать и какие элементы необходимо использовать.

-        Далее стоял выбор среды разработки, он был остановлен на ППП LOGO! SoftComfort.Причины по котором был сделан этот выбор описывались выше.

         В следующем этапе были перечислены и описаны используемые функциональные блоки. А также произведена классификация сигналов, где определялось каким будет сигнал дискретным или аналоговым.

         Для упрощения и лучшего понимания программы была составлена блок - схема алгоритма. Она наглядно показывает последовательность реализации программы и расположения в ней функциональных блоков.

-        Следующим этапом было написание листинга программы, что является самым главным в проекте. Написание программы в среде LOGO! SoftComfort позволяет осуществить компьютерный вариант на модули и увидеть как данная программа будет осуществлена в жизни.

-        Конечным этапом было отладка и тестирования программы, что позволило проверить программу и наглядно показать все этапы технологического процесса.

В ходе выполнения курсового проекта мной были улучшены навыки работы в среде LOGO! SoftComfort. Теперь мной могут быть реализованы и другие задачи по автоматизации, какого либо процесса.

Список использованной литературы

1. Промышленные программно-аппаратные средства на отечественном рынке АСУТП. Гелль, П. Электронные устройства с программируемыми компонентами. пер. с фр. / П. Гелль. - М. : ДМК Пресс, 2001. - 176 с.

2. Сичкоренко А.В. Лабораторно-практический комплекс (ЛПК) «LOGO!».КарГТУ, кафедра АПП.: 2005 - 118с.

3.      Г.Н.Горбачев, Е.Н. Чаплыгин. Промышленная электроника. Для студентов вузов/Под ред. В.А. Лабунцова. - М.: Энергоатомздат, 1988. - 320 с.: ил.

4. Деменков Н.П. Языки программирования промышленных контроллеров: Учебное пособие / Под ред. К.А. Пупкова _ М.: изд-во МГТУ им. Н.Э.Баумана, 2004.-172с.

5.      Логические модули LOGO!: Siemens. Микросистемы - 2003. - 30c.

6. Рекомендации по выбору и применению современных средств телемеханики с программируемой логикой при модернизации энергетических объектов [Текст], ОАО "Фирма по наладке, совершенствованию технологии и эксплуатации электростанций и сетей ОРГРЭС". - М. : СПО ОРГРЭС, 2000. - 42 с

Похожие работы на - Автоматизация технологического процесса вывоза опилок из строительного цеха

 

Не нашли материал для своей работы?
Поможем написать уникальную работу
Без плагиата!
Без нейросетей!