Безопасность буровзрывных работ при разработке гипсового камня
МИНИСТЕРСТВО ОБРАЗОВАНИЯ И НАУКИ
РОССИЙСКОЙ ФЕДЕРАЦИИ
Федеральное государственное бюджетное
образовательное учреждение высшего профессионального образования
«КУБАНСКИЙ ГОСУДАРСТВЕННЫЙ
УНИВЕРСИТЕТ»
(ФГБОУ ВПО «КубГУ»)
Кафедра интеллектуальных
информационных систем
Факультет компьютерных технологий и
прикладной математики
Специальность 280101 «Безопасность
жизнедеятельности в техносфере»
ДИПЛОМНАЯ РАБОТА
БЕЗОПАСНОСТЬ БУРОВЗРЫВНЫХ РАБОТ ПРИ
РАЗРАБОТКЕ ГИПСОВОГО КАМНЯ
Работу выполнила:
Научный руководитель:
доцент, канд. тех. наук
Ю.П. Васильев
Нормоконтроллер:
ст. лаборант А.П. Лебедева
Краснодар 2013
Реферат
КАРЬЕР, НАКЛОННЫЕ СКВАЖИНЫ, УДАРНО-ВОЗДУШНАЯ ВОЛНА, КОРОТКОЗАМЕДЛЕННОЕ
ВЗРЫВАНИЕ, МОНИТОРИНГ, ВЗРЫВЧАТОЕ ВЕЩЕСТВО, ПЫЛЕГАЗОВОЕ ОБЛАКО, КОЛЕБАНИЯ
ГРУНТОВ, АМПЛИТУДНЫЙ СПЕКТР КОЛЕБАНИЙ, РАСЧЕТНАЯ ВЕЛОСИГРАММА
Объектом исследования является месторождение гипса, разрабатываемое
предприятием ООО «КУБАНЬ ГИПС ЮГ».
Цель работы - расчет и изучение вредного воздействия на окружающую среду
и человека буровзрывных работ при разработке гипсового камня в карьере на
предприятии ООО «КУБАНЬ ГИПС ЮГ».
В процессе работы проведены расчеты:
основных параметров буровзрывных работ для наклонных скважинных зарядов;
опасных зон по разлету отдельных кусков породы при производстве взрывов;
сейсмобезопасных масс зарядов;
сейсмического действие взрыва;
действия ударной воздушной волны от взрыва;
параметров пылегазового облака;
выбросов загрязняющих веществ.
В результате исследования было установлено оптимальное соотношение массы
зарядов и сейсмического действия взрыва, при минимизации негативного
воздействия на окружающую среду.
Содержание
Введение
. Характеристика района
. Описание деятельности предприятия ООО «КУБАНЬ ГИПС ЮГ»
. Геологическая характеристика
. Существующие условия организации работ
. Типовая схема организации работ
. Организация расположения зарядов
.1 Расчет параметров для наклонных скважинных зарядов
.2 Расчет зарядов и их расположение
. Воздействие буровзрывных работ на окружающую среду
.1 Определение зон, опасных по разлету отдельных кусков
породы при производстве взрывов
.2 Расчет сейсмобезопасных масс зарядов
.3 Сейсмическое действие взрыва
.4 Действие ударной воздушной волны (УВВ) от взрыва
.5 Определение параметров пылегазового облака, выбросов ЗВ
. Инструментальные измерения параметров колебаний грунтов и
конструкций жилого дома по ул. Кубанская, 9/11
.1 Результаты статического и динамического состояния грунтов
.2 Результаты инструментальных измерений фактических
параметров колебаний грунтов и конструкций жилого дома
.3 Выводы
. Меры безопасности при буровзрывных работах
.1 Буровые работы
.2 Взрывные работы
.3 Порядок допуска людей в район взрыва
.4 Порядок подачи сигналов и их значение
.5 Сохранность ВМ при транспортировке
.6 Сохранность ВМ на местах работ
. Охрана окружающей среды. Рекомендации
.1 Характеристика района расположения предприятия по уровню
загрязнения атмосферного воздуха
.2 Санитарно-защитная зона
.3 Характеристика предприятия как источника загрязнения
атмосферы. Перечень загрязняющих веществ
.4 Контроль за соблюдением нормативов предельно допустимый
выброс (ПДВ)
.5 Биологический этап рекультивации
.6 Охрана поверхностных и подземных вод от загрязнения и
истощения
.7 Охрана почвы от загрязнения
. Рекомендации по прогнозированию и предупреждению
возникновения наиболее вероятных чрезвычайных ситуаций
.1 Мониторинг и прогнозирование ЧС природного характера
.2 Мониторинг ЧС техногенного характера
Заключение
Список использованных источников
Приложения
Введение
Разработка месторождений полезных ископаемых открытым способом оказывает
негативное влияние на все важнейшие компоненты, составляющие среду обитания
человека: атмосферу, гидросферу, литосферу. Влияние это неоднозначно и зависит
от множества факторов. Основными источниками пыле - и газообразования являются:
буровые станки, взрывы, экскаваторы, автосамосвалы, локомотивосоставы,
бульдозеры, конвейеры, отвалообразователи, дробильные и сортировочные
установки, автодороги, отвалы внутренние и внешние.
Буровые работы оказывают негативное влияние на окружающую среду главным
образом за счет запыления атмосферного воздуха. Незначителен ущерб от
загрязнения грунтовых (подземных) вод, что объясняется естественным понижением
уровня грунтовых вод при ведении открытых горных работ. Наибольшую опасность
для окружающей среды представляет выделение в атмосферу мелкодисперсной пыли,
образующейся в процессе бурения.
Массовый взрыв на разрезе (карьере) является мощным периодическим
источником выброса в атмосферу большого количества пыли и газов. Установлено,
что с увеличением крепости пород удельное количество пыли на единицу объема
горной массы возрастает, а так как с ростом глубины разработки увеличивается
крепость разрабатываемых пород, то, следовательно, будет расти и запыленность.
Вредные примеси выделяются в атмосферу в виде пылегазового облака. Часть
вредных газов (около одной трети) остается во взорванной горной массе и затем
выделяется в атмосферу, загрязняя район взорванного блока и прилегающие к нему
участки. Выделившаяся пыль, выпадая из пылегазового облака, оседает на уступах,
на площадях около разреза (карьера) и в близлежащих поселках, являясь в
дальнейшем источником пылевыделения, а также при атмосферных осадках образует
так называемые дождевые сточные воды. Растворение взрывчатых веществ, применяемых
при взрывных работах на разрезах, приводит к увеличению концентрации NOx
в производственных водах[6].
В работе следует выполнить расчет вредного воздействия на окружающую
среду и человека буровзрывных работ при разработке гипсового камня в карьере на
предприятие ООО «КУБАНЬ ГИПС ЮГ».
1. Характеристика района
Шедокское месторождение гипса находится в Мостовском районе
Краснодарского края. Расположено в 5 км к югу от поселка и железнодорожной
станции Шедок и в 7 км к северу от центра поселка Псебай, на левом берегу р.
Малая Лаба.
Район расположения месторождения находится в пределах северного склона
передового хребта Кавказа, области развития глинисто-известковых и филлитовых
осадков мезозоя. Ограничено месторождение с севера и юга балками Буцкого и
Блокгауз.
В экономическом отношении Мостовской район, в пределах которого находится
разрабатываемое Шедокское месторождение камня гипсового, является хорошо
развитым в промышленном и сельскохозяйственном отношении. В северных равнинных
частях района преобладают сельскохозяйственные предприятия, в южных и западных
частях - промышленные предприятия. Промышленность представлена
деревообрабатывающей и горнодобывающей отраслями.
В районе имеется большое количество месторождений нерудного сырья, в
особенности песчано-гравийных отложений, песков строительных и формовочных,
карбонатных пород для строительной извести и для минеральной подкормки птицы,
горно-химического сырья, включающего каменную соль, известняки для сахарной
промышленности, серу и другие виды нерудного сырья, поделочных камней. Это
позволяет говорить о высоком экономическом потенциале Мостовского района.
Снабжение электроэнергией осуществляется от общегосударственной
энергосистемы. Местная топливная база отсутствует, используются Ставропольский газ
и привозной уголь из Ростовской области.
Водоснабжение базируется на подземных водах бассейна р. М. Лаба.
По климатическим условиям район относится к предгорной провинции со
значительным количеством осадков в холодное время года и повышенной влажностью
в теплое. В летнее время осадки выпадают в виде сильных ливней. Среднегодовое
количество осадков может достигать от 800 до 1400 мм. Среднегодовая температура
+8,2 -10,2°С, а период с температурой более + 10°С составляет 197 дней. Зима
обычно мягкая, морозы редко превышают - 15 -17 °С. Глубина промерзания почвы:
средняя многолетняя - 14 см; максимальная - 47 см.
По сейсмичности район расположения предприятия оценивается в 8 баллов.
Оползневые явления на данной территории представлены сползанием грунта со стороны
прилегающего к зданию дробильно-сортировочного цеха (ДСЦ) горного массива. Для
предотвращения сползания грунта около ДСЦ выполнена железобетонная подпорная
стенка.
Транспортные условия вполне благоприятные: карьер связан с ДСЦ постоянной
откаточной автодорогой с щебеночным покрытием длиной до 4 км. Постоянная
откаточная дорога связывает все добычные и вскрышные горизонты.
2. Описание деятельности предприятия ООО «КУБАНЬ ГИПС ЮГ»
Сырьевой базой предприятия ООО «КУБАНЬ ГИПС ЮГ» является Шедокское месторождение
гипса, разрабатываемое с 1946 года (рис. 1).
Рисунок 1 - Предприятие ООО «КУБАНЬ ГИПС ЮГ»
Товарной продукцией карьера является камень гипсовый из полезной толщи,
используемый в строительной промышленности при производстве вяжущих материалов
согласно ГОСТ 4013-82 «Камень гипсовый и гипсоангидритовый для производства
вяжущих материалов. Технические условия».
Разрабатываемый карьер имеет три участка - «Северный», «Южный» и
«Западный» (рис. 2).
Рисунок 2 - Разрабатываемый карьер
Добыча полезного ископаемого ведётся открытым способом с использованием
буровзрывных работ (рис. 3). Дробление и сортировка гипсового камня
производится в дробильно-сортировочном цехе.
Рисунок 3 - Взрывные работы на карьере
Подготовка к выемке гипса осуществляется буровзрывным способом. При
наличии пустых породных прослоев (мергель, ангидрит, карст) производится
селективная выемка природных ископаемых и пород внутренней вскрыши, могут
формироваться различные штабели (навалы) по сортам и породам.
По мере необходимости будет производиться раздельная (селективная) выемка
и погрузка гипса и пород внутренней вскрыши (прослойки, карст) и
транспортировка автосамосвалами горной массы на завод или внешний породный
отвал.
Технологическая схема ведения горных работ принята «Цикличная-1»
(экскаватор (погрузчик) - завод (отвал)». Но в местах с резким перепадом
абсолютных отметок на горизонтах и вблизи ЛЭП при невозможности применения
буровзрывного рыхления массива проектируется применение схемы «бульдозер
(рыхлитель) - навал - экскаватор (погрузчик) - автосамосвал -завод (отвал)».
Все работы в карьере, за исключением взрывных, выполняются хозяйственным
способом.
3. Геологическая характеристика
Месторождение гипса относится к типу осадочных месторождений и
представлено породами третичного, мелового и юрского возраста. Полезная толща
имеет моноклинальное залегание с общим простиранием на северо-восток с пологим
падением на север.
Юрские отложения представлены породами оксфордского, кембриджского и
титонского ярусов. Титонские отложения в пределах месторождения представлены
гипсовой свитой, слагающей верх юрских отложений и выходящей на поверхность
из-под чехла наносов.
Максимальная мощность толщи составляет 100-150 м. Отложения представлены
в основном гипсом и ангидритом.
Меловые отложения сложены известняками и мергелями, соприкасающимися с
гипсовой свитой.
Третичные отложения несогласно залегают в пластах верхнего мела и сложены
песчано-известняковыми глинами и мергелями.
Четвертичные отложения в виде аллювиально-делювиальных отложений
приурочены к склонам гор и балок.
Покрывающими породами в неотработанной части карьера являются суглинки,
глины и почвенно-растительный слой. Мощность вскрышных пород колеблется от 0 до
10 м и в среднем равна 3,5-5 м.
Промоины в гипсовой толще заполнены глинами. Полезную толщу пересекает
пласт мергеля мощностью 3,5 м. Мергель местами загипсован, прочность его
меньше, чем у вмещающей толщи гипса. Подстилающей породой месторождения
является ангидрит, в полезной толще отмечаются прослойки глин, мергеля и
ангидрита. Гипс в пределах Шедокского месторождения относится к IV категориям
по ЕНВиР. К этим же категориям относятся промежуточные скальные породы.
Объёмный вес полезного ископаемого - 2,2 т/м3, насыпной вес 1,4-1,5 т/м3,
коэффициент разрыхления - 1,5-1,6.
Вскрышные породы и породы в карстах относятся к IV категории по ЕНВиР.
Объёмный вес вскрыши - 1,8 т/м3, коэффициент разрыхления - 1,25.
Прочность гипса в сухом состоянии колеблется в пределах от 96 до 319
кг/см2, в водонасыщенном состоянии - от 139 до 165 кг/см2.
После 15 циклов замораживания и оттаивания прочность полезного ископаемого
равна 55-60 кг/см2, средняя пористость 3,03%, среднее водопоглощение
0,87%.
В гидрогеологическом отношении Шедокское месторождение гипса находится в
благоприятных условиях. Уровень грунтовых вод значительно ниже отрабатываемых и
проектируемых к отработке горизонтов карьера.
4. Существующие условия организации работ
Отрабатываемый карьер относится к типу нагорных карьеров и расположен
между балками Буцкого и Безымянной. Вскрышные породы карьера представлены
суглинками, глинами и гравийно-песчаными отложениями, иногда обломочным
материалом, состоящим из мергеля и гипса.
Карьер вскрыт полутраншеей, пройденной по склону балки. От полутраншеи
устроены заезды на горизонты.
Направление продвигания фронта работ - с севера на юг, высота рабочих
уступов 7 м, количество рядов скважин при ведении буровзрывных работ - 2-8
штук.
Угол откоса добычного уступа - 75°.
Тип добычного оборудования-экскаватор ЭКГ-5А, фронтальный пневмоколесный
погрузчик Caterpillar-980G(H).
Длина фронта уступа равна 280 м.
Среднее годовое продвигание фронта добычных работ составит 360 м.
Полезное ископаемое карьера, подлежащее рыхлению буровзрывным способом,
относится к IV-V группе грунтов по ЕНиР, вскрышные породы в карстах - к II
группе по ЕНиР.
Взрывные работы на гипсовом карьере ведутся подрядным способом, подрядчик
- Хаджохский прорабский участок ОАО "Кубаньвзрывпром".
Буровые работы производятся хозяйственным способом силами персонала
гипсового карьера, ведутся в две смены.
В качестве бурового оборудования на карьере используются буровые станки
вращательного бурения шнековые и с погружным пневмоударником типа СБР-160, BIP
Titon-30QR, AtlasCopco ROC L6 с диаметром скважин 90-160 мм.
5. Типовая схема организации работ
Взрывные работы проводятся в светлое время суток по графику,
согласованному с заказчиком с 13 до 17 часов. Массовые взрывы выполняются на
одном из трех уступов каждые 2 рабочих дня. При подготовке взрыва серии скважин
предусматривается следующая очередность операций:
. Разметка скважин на уступе (определение высоты уступа и др.)
. Бурение скважин.
. По окончании буровых работ производится перегон станков на безопасное
расстояние.
. Определение перед взрывом, в зависимости от фактических величин W, a и
b, величины массы зарядов, которые заносятся в корректировочный расчет.
. Подготовка взрывчатых материалов.
. Доставка взрывчатых материалов (ВМ) к местам работы.
. Вывод людей, несвязанных с производством взрывных работ, за пределы
опасной зоны, установленной на время производства взрывных работ. Вывод людей
осуществляется представителем Заказчика, назначенным приказом по предприятию. О
выводе людей за пределы опасной зоны представитель Заказчика письменно
уведомляет руководителя взрывных работ. Отдельно, в письменной форме,
представитель Заказчика извещает руководителя взрывных работ о выводе людей из
зданий, находящихся в опасной зоне массового взрыва.
. Расстановка постов оцепления опасной зоны на местности.
. Заряжание скважин. При использовании ВВ группы D заряжание может
начинаться в рабочее время карьера с радиусом запретной зоны для сторонних лиц
и оборудования при заряжании не менее 20 м в горизонтальной проекции от крайних
скважин. Эта зона обозначается на местности красными флажками.
. Забойка скважин.
. Монтаж взрывной сети.
. Взрывание, осмотр места взрыва.
. Фиксация результатов (качества дробления, ширины и высоты развала и
т.п.) в корректировочном расчёте.
6. Организация расположения зарядов
Учитывая горно-геологические условия, необходимый объем добычи, требуемую
степень дробления, наличие бурового оборудования и имеющийся опыт работы в
качестве основного метода взрывных работ принимается метод наклонных скважинных
зарядов. Количество рядов при короткозамедленном взрывании зависит от
технологии работы в карьере. Взрывание зарядов короткозамедленное (КЗВ). Схема
КЗВ - порядная.
Под КЗВ понимают поочередное взрывание зарядов или группы зарядов
взрывчатого вещества (ВВ) с интервалами замедления до 250 мсек.
Применение КЗВ позволяет:
снизить сейсмический эффект взрыва;
улучшить качество дробления взрываемого массива;
уменьшить выход негабарита;
увеличить выход горной массы с единицы длины скважины или уменьшить
расход ВВ в тех случаях, когда улучшение дробления не требуется и др.
Метод скважинных зарядов состоит во взрывании удлиненных зарядов,
помещенных в искусственные цилиндрические углубления (скважины) диаметром более
75 мм при глубине до 5 м или любого диаметра при глубине больше 5 м. Данный
метод применяется на открытых горных работах, строительстве котлованов,
наклонных и горизонтальных скважинах. Способ расчета скважинных зарядов зависит
от числа обнаженных поверхностей, в сторону которых проявляется действие
взрыва. Для дробления породы уступа применяются главным образом вертикальные
или наклонные скважины.
Метод наклонных скважинных зарядов заключается во взрывании удлиненных
сплошных или рассредоточенных зарядов в скважинах, пробуренных параллельно
откосу уступа. Как правило, наклонные заряды применяют при углах откоса 55-75°.
Этот метод обеспечивает более равномерное дробление породы[1].
.1 Расчет параметров для наклонных скважинных зарядов
Расчет наклонных скважинных зарядов, взрываемых в уступе, ведется
следующим порядке [1].
В связи с существующими условиями расчёт параметров буровзрывных работ
(БВР) произведен на основную высоту уступа 7 метров (рис. 4) при диаметре
скважин 160, 130, 115, 110, 105 и 90 мм.
Определим величину преодолеваемого сопротивления по подошве уступа (СПП)
W, м (рис. 4) для одиночного скважинного заряда
, (1)
где Wн- СПП, измеряемое расстоянием по горизонтали от нижней
бровки уступа до оси скважины, м;-вместимость 1 м скважины, кг;
α -угол наклона скважины к
горизонтальной плоскости, град.
Если известна величина фактического удельного расхода ВВq, кг/м3на
дробление 1 м3 породы в уступе для условий нормального рыхления, то
W может определяться по формуле
. (2)
В соответствии с «ЕПБ при разработке месторождений полезных ископаемых
открытым способом» ПБ 03-498-02 [11] буровой станок должен быть установлен на
безопасном расстоянии (C, м) от верхней бровки уступа, определяемом расчетами
или проектом, но не менее 2 м от бровки до ближайшей точки опоры станка.
СПП проверяется из условия безопасности ведения работ. Определим Wmin>С>
2 м для наклонных скважин с углом наклона β= 75°. СПП определяется высотой уступа,
рабочим углом откоса уступа α и устойчивым углом откоса φ(рис. 4).
, (3)
м.min> 2,2 м
В качестве ВВ предусматривается использовать:
граммонит 79/21 (в качестве основного заряда для скважин);
гранипор ФМ (в качестве заряда для обводненной части скважин).
В качестве боевика для скважинных зарядов предусматриваются штатные
промежуточные детонаторы (шашки Т-400Г, ТГ-500 или ТГ-200) или боевики,
изготавливаемые на месте работ из патронированного аммонита №6-ЖВ или аммонала
200. Масса таких боевиков не менее 1 кг.
Для обводненных частей скважин предусматривается использование
водостойкого ВВ-гранипор ФМ. Сухая часть скважины заряжается граммонитом 79/21.
Способы взрывания скважинных зарядов: бескапсюльный с помощью
детонирующего шнура (ДШ), электрический с инициированием отрезков ДШ
электродетонатором у устья каждой скважины и неэлектрические системы
инициирования. Ряды скважин взрываются короткозамедленным электродетонатором с
разным интервалом замедления. Величина расчетного удельного расхода ВВ для
пород данного карьера, исходя из практики последних лет, принимается равной
0,43 кг/м3[1].
Далее определим длину скважины lскв, м (рис. 4)
, (4)
где H- высота уступа, м;пер- глубина перебура, м.
Глубина перебура(рис. 4) определяется по формуле
, (5)
где W- СПП;расчетный удельный расход ВВ, кг/м3,
В зависимости от свойств и характера залегания взрываемой породы, а также
величины СПП глубина скважины должна превышать высоту уступа на величину
перебура [1].
Расстояния между зарядами в ряду а, м и между рядами b, м(рис. 4)
определяется по формулам:
, (6)
, (7)
где m = 0,9...1,3 - относительное расстояние между зарядами.
Для улучшения качества дробления гипса в массиве принимаем m= 1.
Определим массу скважинного заряда Q, кг
. (8)
Длина заряда lзар(рис. 4) определяется по формуле
. (9)
Различают сплошные и рассредоточенные скважинные заряды. При сплошном
заряде ВВ помещают в нижнюю часть скважины, а верхнюю заполняют забоечным
материалом (песком, глиной, буровой мелочью и т. п.). Такие заряды воздействуют
непосредственно только на нижнюю часть уступа, верхняя часть разрушается под
действием собственного веса. Поэтому при применении сплошных зарядов наибольший
выход негабаритных кусков имеет место в верхней части уступа. Для более
равномерного дробления массива заряд рассредоточивают по длине скважины на
несколько частей, между которыми помещают забоечный материал или оставляют
воздушные промежутки [5].
Длина воздушного промежутка между рассредоточенными зарядами в скважине
составит
. (10)
Определим длину забойки (рис. 4)
. (11)
Длина забойки должна быть не менее 15...20 диаметров зарядов.
Средний выход взорванной породы с одной скважины V, м3составит:
, (12)
где а- расстояние между зарядами в ряду, м;
Н- высота уступа, м;СПП, м.
Интервал замедления между зарядами (t, мс) при короткозамедленном
взрывании определяется по формуле
, (13)
где А- коэффициент, зависящий от крепости пород (для гипса А =
6);расчетная величина линии сопротивления по подошве уступа (СПП), м.
Рисунок 4 - Обозначение параметров БВР
6.2 Расчет зарядов и их расположение
Расчет величины зарядов и параметров их расположения выполняются в
соответствии с принятыми типовыми элементами расположения зарядов для средних
высот уступов.
Результаты расчета дополнительно встречающихся высот уступов и диаметров
приводятся в таблице расчета зарядов (табл. 1).
Высота уступа Н = 7 м, диаметр скважины 160 мм
Определяем величину преодолеваемого сопротивления по подошве уступа
W(СПП):
м.
При этом соблюдается условие: Wн>Wmin. Из
практических данных с целью уменьшения выхода негабарита принимаем W= 4,5 м.
Длина перебура
4,5=1 м.
Принимаем глубину перебура 1,3 м, т.к. весь штыб не удаляется из скважины
м.
Расстояние между зарядами в ряду
м.
Расстояние между рядами скважин
м.
Масса скважинного заряда составит
кг,
где q = 0,43 кг/м3- фактический удельный расход ВВ на основе
опытных данных.
Длина заряда
м.
Длина возможной забойки
м.
В связи с тем, что длина забойки составляет 60% длины скважины, принимаем
заряд в скважине рассредоточенным.
Основной заряд (нижний) равен 45 кг на длине скважины от дна
м.
Промежуточный заряд (верхний) массой 16 кг длиной
,9 м.
Длину породной забойки в верхней части скважины принимаем
м.
Длина воздушного промежутка между рассредоточенными зарядами в скважине
составит
м.
Интервал времени замедления между зарядами
мс.
Выход взорванной породы от одной скважины при высоте уступа 7 м
м3.
Средний выход породы с 1 п.м. скважины составит
м3.
Исходя из вместимости автомашины для перевозки ВМ - 5 тонн, в каждой
серии возможно взорвать
скважины.
Принимаем блок из 4-х рядов по 20...21 скважины в ряду (рис. 5).
Общий объем взорванной горной массы на серию составит
м3.
Общая масса ВВ взрываемого в серии
кг
Рисунок 5 - План расположения скважин
Таблица 1 - Расчеты зарядов
|
d
|
H
|
lскв
|
lпер
|
lзар
|
lзаб
|
lВП
|
W
|
a
|
b
|
P
|
n
|
N
|
Выход горной массы, м3
|
Q
|
|
Диаметр зарядных выработок,
мм
|
Высота уступа, м
|
Глубина скважины, м
|
Перебур, м
|
Длина заряда, м
|
Длина забойки, м
|
Длина воздушного
промежутка, м
|
СПП, м
|
Расстояние между зарядами в
ряду, м
|
Расстояние между рядами
зарядов, м
|
Вместимость ВВ в 1 м
скважины, кг
|
Количество рядов зарядов
|
Количество зарядов в серии
|
С одной скважины, V
|
C 1 м скважины, Vп. м.
|
От серии зарядов
|
Масса заряда в скважине, кг
|
|
1
|
2
|
3
|
4
|
5
|
6
|
7
|
8
|
9
|
10
|
11
|
12
|
13
|
14
|
15
|
16
|
17
|
|
90
|
10
|
11,2
|
0,85
|
7,7
|
3,5
|
-
|
3,4
|
3
|
3,4
|
5,7
|
8
|
112
|
102
|
9,1
|
11424
|
43,9
|
|
90
|
9
|
10,2
|
0,85
|
6,9
|
3,2
|
-
|
3,4
|
3
|
3,4
|
5,7
|
8
|
128
|
91,8
|
9
|
11750
|
39,5
|
|
90
|
8
|
9,1
|
0,85
|
6,2
|
2,9
|
-
|
3,4
|
3
|
3,4
|
5,7
|
8
|
144
|
81,6
|
9
|
11750
|
35,2
|
|
90
|
7
|
8,1
|
5,4
|
2,7
|
-
|
3,4
|
3
|
3,4
|
5,7
|
8
|
160
|
71,4
|
8,8
|
11424
|
30,7
|
|
90
|
6
|
7,1
|
0,85
|
4,6
|
2,5
|
-
|
3,4
|
3
|
3,4
|
5,7
|
8
|
192
|
61,2
|
8,6
|
11750
|
26,3
|
|
90
|
5
|
6
|
0,85
|
3,8
|
2,2
|
-
|
3,4
|
3
|
3,4
|
5,7
|
8
|
224
|
51
|
8,5
|
11424
|
22
|
|
105
|
10
|
11,2
|
0,85
|
6,8
|
4,4
|
-
|
3,5
|
3,5
|
3,5
|
7,8
|
6
|
96
|
122,5
|
10,9
|
11760
|
52,7
|
|
105
|
9
|
10,2
|
0,85
|
6,1
|
4,1
|
-
|
3,5
|
3,5
|
3,5
|
7,8
|
6
|
108
|
110,3
|
10,8
|
11907
|
47,4
|
|
105
|
8
|
9,1
|
0,85
|
5,4
|
3,7
|
-
|
3,5
|
3,5
|
3,5
|
7,8
|
6
|
120
|
98
|
10,7
|
11760
|
42,1
|
|
105
|
7
|
8,1
|
0,85
|
4,7
|
3,4
|
-
|
3,5
|
3,5
|
3,5
|
7,8
|
6
|
136
|
85,7
|
10,6
|
11655
|
136
|
|
105
|
6
|
7,1
|
0,85
|
4,1
|
3
|
-
|
3,5
|
3,5
|
3,5
|
7,8
|
6
|
156
|
73,5
|
10,4
|
11466
|
31,6
|
|
105
|
5
|
6
|
0,85
|
3,4
|
2,6
|
-
|
3,5
|
3,5
|
3,5
|
7,8
|
6
|
192
|
61,25
|
10,2
|
11760
|
26,3
|
|
110
|
10
|
11,4
|
1
|
6,8
|
4,6
|
-
|
3,7
|
3,7
|
3,7
|
8,65
|
5
|
58,9
|
136,9
|
12
|
11636
|
58,9
|
|
110
|
9
|
10,3
|
1
|
6,2
|
4,1
|
-
|
3,7
|
3,7
|
3,7
|
8,6
|
5
|
95
|
123,2
|
12
|
11704
|
53
|
|
110
|
8
|
9,3
|
1
|
5,5
|
3,8
|
-
|
3,7
|
3,7
|
3,7
|
8,6
|
5
|
105
|
109,5
|
11,8
|
11498
|
47,1
|
|
110
|
7
|
8,2
|
1
|
4,8
|
3,4
|
-
|
3,7
|
3,7
|
3,7
|
8,6
|
5
|
120
|
95,8
|
11,7
|
11496
|
41,2
|
|
110
|
6
|
7,2
|
1
|
3,1
|
3,1
|
-
|
3,7
|
3,7
|
3,7
|
8,6
|
5
|
140
|
82,1
|
11,4
|
11494
|
35,3
|
|
110
|
5
|
6,2
|
1
|
3,4
|
2,8
|
-
|
3,7
|
3,7
|
3,7
|
8,6
|
5
|
170
|
68,45
|
11
|
11636
|
29,4
|
|
115
|
10
|
11,4
|
1
|
6,6
|
2,3
|
2,5
|
3,8
|
3,8
|
3,8
|
9,34
|
5
|
80
|
144,4
|
12,7
|
11552
|
68,1
|
|
115
|
9
|
10,3
|
1
|
6
|
2,3
|
2
|
3,8
|
3,8
|
3,8
|
9,34
|
5
|
90
|
130
|
12,6
|
11700
|
55,9
|
|
115
|
8
|
9,3
|
1
|
5,3
|
2,3
|
1,7
|
3,8
|
3,8
|
3,8
|
9,34
|
5
|
100
|
115,5
|
12,4
|
11500
|
49,7
|
|
115
|
7
|
8,2
|
1
|
4,7
|
2,3
|
1,2
|
3,8
|
3,8
|
3,8
|
9,34
|
5
|
115
|
101,1
|
12,3
|
11626
|
43,5
|
|
115
|
6
|
7,2
|
1
|
4
|
2,3
|
0,9
|
3,8
|
3,8
|
3,8
|
9,34
|
5
|
135
|
86,6
|
12
|
11691
|
37,2
|
|
115
|
5
|
6,2
|
1
|
3,3
|
2,9
|
-
|
3,8
|
3,8
|
3,8
|
9,34
|
5
|
160
|
72,2
|
11552
|
31
|
|
130
|
10
|
11,5
|
1,1
|
5,7
|
2,6
|
3,2
|
4
|
4
|
4
|
12
|
4
|
72
|
160
|
13,9
|
11520
|
68,8
|
|
130
|
9
|
10,4
|
1,1
|
5,2
|
2,6
|
2,6
|
4
|
4
|
4
|
12
|
4
|
80
|
144
|
13,8
|
11520
|
61,9
|
|
130
|
8
|
9,4
|
1,1
|
4,6
|
2,6
|
2,2
|
4
|
4
|
4
|
12
|
4
|
92
|
128
|
13,6
|
11776
|
55
|
|
130
|
7
|
8,3
|
1,1
|
4
|
2,6
|
1,7
|
4
|
4
|
4
|
12
|
4
|
104
|
112
|
13,5
|
11648
|
48,2
|
|
130
|
6
|
7,3
|
1,1
|
3,4
|
2,6
|
1,3
|
4
|
4
|
4
|
12
|
4
|
120
|
96
|
13,2
|
11520
|
41,3
|
|
130
|
5
|
6,3
|
1,1
|
2,9
|
3,4
|
-
|
4
|
4
|
4
|
12
|
4
|
144
|
80
|
12,7
|
11520
|
34,4
|
|
160
|
10
|
11,7
|
1,3
|
4,8
|
3,2
|
3,7
|
4,5
|
4,5
|
4,5
|
18
|
4
|
56
|
202,5
|
17,3
|
11340
|
87,1
|
|
160
|
9
|
10,6
|
1,3
|
4,4
|
3,2
|
3
|
4,5
|
4,5
|
4,5
|
18
|
4
|
64
|
182,3
|
17,2
|
11664
|
78,4
|
|
160
|
8
|
9,6
|
1,3
|
3,9
|
3,2
|
2,5
|
4,5
|
4,5
|
4,5
|
18
|
4
|
72
|
162
|
16,9
|
11664
|
69,7
|
|
160
|
7
|
8,5
|
1,3
|
3,4
|
3,2
|
1,9
|
4,5
|
4,5
|
4,5
|
18
|
4
|
82
|
141,8
|
16,7
|
11628
|
61
|
|
160
|
6
|
7,5
|
1,3
|
2,9
|
3,2
|
1,4
|
4,5
|
4,5
|
4,5
|
18
|
4
|
96
|
121,5
|
16,2
|
11664
|
52,2
|
1. 7. Воздействие буровзрывных работ на окружающую среду
Взрывные работы должны быть безопасными, экономичными и, что особенно
важно, экологичными, с минимальным выбросом пыли и ядовитых газов в атмосферу.
Наиболее вредными воздействиями на окружающую среду являются:
сейсмическое;
распространение ударно-воздушных волн;
распространение пылегазовых выделений и тепла;
химическое.
.1 Определение зон, опасных по разлету отдельных кусков
породы при производстве взрывов
Расстояние (rразл, м), опасное для людей по разлету отдельных
кусков породы при взрывании скважинных зарядов определяется по формуле [3]:
,
гдеη3
- коэффициент заполнения скважины ВВ;
ηзаб-коэффициент заполнения скважины
забойкой, ηзаб=1 при полном заполнении свободной части, ηзаб=0 при взрывании без
забойки;коэффициент крепости пород по Протодьяконову
;
номер группы взрываемых
грунтов по строительным нормам;диаметр взрываемой скважины, м;
а- расстояние между
скважинами в ряду или между рядами, м.
Коэффициент заполнения
скважины взрывчатым веществом ηз равен отношению длины заряда в скважине lзар,
м, к глубине пробуренной скважины lскв, м:
,
где lзар- длина
заряда, м;c- длина скважины, м;
Для расчета принимаем
параметры, определяющие максимальный размер опасной зоны
.
.
.
.
Расчетное значение опасного
расстояния округляется в большую сторону до значения, кратного 50 м[3].
Расстояние, безопасное по разлету отдельных кусков породы на горизонтальной
поверхности согласно расчету составит 250 м для людей и механизмов.
При превышении верхней
отметки взрываемого уступа (Н=150 м) над участком границы опасной зоны
безопасное расстояние для людей определяется по формуле
,
где Rразл- опасное расстояние по разлету отдельных кусков
породы в сторону уклона косогора или местности, расположенной ниже 30 м, считая
от верхней отметки взрываемого участка;
Кразл - коэффициент, учитывающий особенности рельефа местности
,
где Н - превышение верхней отметки взрываемого участка над участком
границы опасной зоны, м.
,
Безопасные расстояния, обеспечивающие сохранность механизмов, зданий и
сооружений от повреждения их разлетающимися кусками породы, должны
устанавливаться в проекте с учетом конкретных условий, но не менее 250 м на
одном уровне со взрываемым уступом и не менее 400 м в горизонтальной проекции
по склону вниз.
.2 Расчет сейсмобезопасных масс зарядов
Сотрясение грунта при производстве взрывов заглубленных зарядов может
представлять определенную опасность для сооружений, расположенных вблизи места
взрыва. Критерием сейсмической опасности взрывов является скорость колебания
грунта у основания сооружений. В свою очередь, эта скорость зависит от веса
взрываемого заряда, расстояния, условий взрывания и т.д.
Под сейсмоопасной понимается такая зона, внутри которой следует считать
вероятность возникновения повреждений в обычно неповреждаемых до этого зданиях
и сооружениях. Способы снижения сейсмического эффекта взрывов в наших условиях
могут быть произведены нижеуказанными способами:
короткозамедленное взрывание;
уменьшение массы заряда;
изменение конструкции заряда и диаметра скважины;
оптимальная ориентация взрываемой группы зарядов относительно охраняемого
объекта;
использование простейших типов ВВ.
Вес заряда, безопасного для взрывания, определяется из формулы [3]
,
где Rc - расстояние от места взрыва до охраняемого здания
(сооружения), м;r- коэффициент, зависящий от свойств грунта в
основании охраняемого сооружения. В данном случае Kr = 12 [3];
Кс- коэффициент, зависящий от типа сооружения и характера
застройки, Кс= 2[3];коэффициент, зависящий от условий взрывания, a =
1[3];масса заряда, кг.
Ближайшее здание находится на расстоянии 500 м от производственного
участка, находим вес заряда, безопасного на этом расстоянии. Вес заряда,
безопасного для взрывания Q= 9040 кг, но во всех расчетах принимается значение
Q= 5000 кг.
,
=9040
При короткозамедленном взрывании с интервалом замедления между группами
не менее 50 мс, суммарная масса заряда не ограничивается, масса заряда в группе
при этом составляет 2/3 от предельно допустимой массы зарядов при мгновенных
взрывах.
В каждом рабочем корректировочном расчёте масса предельно допустимого
заряда принимается согласно местонахождению участка на плане карьера.
.3 Сейсмическое действие взрыва
При неодновременном взрывании зарядов ВВ (минимальное N- 2 групп зарядов)
общей массой Q= 5000 кг со временем замедления между взрывами каждого заряда не
менее 20 мс безопасное расстояние рассчитывается по формуле [3]
,
,
Принимаем 350 м.
Основным методом снижения сейсмического воздействия взрыва на карьерах
является применение короткозамедленного взрывания.
Для уменьшения радиуса опасной зоны по сейсмическому воздействию взрывов
скважинных зарядов необходимо применять как можно меньшую массу зарядов в одной
группе и как можно больше интервалов замедления.
Приведенные методы определения безопасных расстояний относятся к зданиям,
находящимся в удовлетворительном техническом состоянии. Указанные методы
определения безопасных расстояний неприменимы для зданий и сооружений
уникального характера (здания атомных электростанций, башни, высотные здания,
монументальные общественные здания и т.п.) и для ответственных и сложных
инженерных сооружений (мосты, реакторы различного назначения, гидротехнические
сооружения, радиомачты и т.п.). Для таких объектов вопросы сейсмической
безопасности должны решаться с привлечением специализированных организаций [3].
.4 Действие ударной воздушной волны (УВВ) от взрыва
Радиус опасной зоны по действию УВВ при взрыве скважинного заряда
рыхления [3]:
,
где kв=12 - коэффициент пропорциональности, для заряда,
углубленного на свою высоту и при случайных повреждениях застекления (2 степень
повреждения);= 5000 кг - суммарная масса зарядов ВВ.
.
Безопасное расстояние по действию ударно-воздушной волны при взрыве на
земной поверхности скважинных зарядов рыхления пород VI-VIII групп по
классификации строительных норм определяют в зависимости от эквивалентной массы
зарядов [3].
В случае короткозамедленного взрывания под Qэ и N следует
понимать соответственно массу эквивалентного заряда и число зарядов одной
группы. При наличии нескольких групп зарядов, взрываемых с замедлениями, к
расчету принимается группа с максимальным Qэ.
Эквивалентная масса скважинного заряда Qэ, кг при длине заряда
более 12 диаметров определяется по формуле:
,
где Р= 18 кг - вместимость 1
п.м. скважины;=0,16 м - диаметр скважины;
К3- коэффициент,
значение которого зависит от отношения длины забойки к диаметру скважины (lзаб
/d= 3,2/0,16 = 20), принимаем К3 = 0,002 [3];=21- количество
скважинных зарядов на одно замедление;дш - расход детонирующего
шнура (ДШ) на скважину, 21,1 п.м;дш- удельный вес ВВ в ДШ, 0,012
кг/м.
.
Для группы из N= 21
скважинных зарядов d= 0,16 м при интервале замедления от 30 дo50 мс расчетное
безопасное расстояние по действию УВВ на застекление при положительной
температуре воздуха и взрывании пород VIII группы должно быть увеличено в 1,2:
.
Принимаемв =
123·1,2 = 147 м.
Если взрывные работы
проводятся при отрицательной температуре воздуха, безопасное расстояние rв
должно быть увеличено не менее чем в 1,5 раза:в = 147·1,5 =
220 м.
Основным методом снижения
воздействия воздушной ударной волны при взрывании скважинных зарядов является
обязательное обустройство забойки в соответствии с расчетами [3].
.5 Определение параметров
пылегазового облака, выбросов ЗВ
Безопасное расстояние, за
пределами которого содержание ядовитых газов не должно превышать ПДК,
рассчитывается только при одновременном взрывании зарядов сброса общей массой
более 200 т. В данном случае максимальная масса ВВ на один взрыв составляет 5
тонн и поэтому расчет не производится.
Основные параметры
пылегазового облака
Расчет основных параметров
облака производится на момент его максимального развития при сохранении
достаточно четких очертаний. Объем пылегазового облака V0,м3
рассчитывается по формуле [4]:
,
где A0- количество взорванного взрывчатого вещества (разовый
взрыв), т.
.
Высота подъема пылегазового облака (Н0) определяется по
формуле [4]:
,
где b- безразмерный коэффициент, учитывающий глубину скважин (при глубине
до 15 м b=1,0).
.
Температура газов в облаке Т0, °С рассчитывается по формуле
[4]:
,
где Тв- температура окружающего воздуха, °С;
∆Т- перегрев пылегазового облака относительно окружающего воздуха,
(для A0≤10 т, ∆Т = 0,4°С);
Среднегодовая температура + 8,2 - 10,2°С
°С.
Концентрация загрязняющих веществ (ЗВ) в пылегазовом облаке
Масса вредных газов (оксид углерода, оксиды азота) выбрасываемых с
пылегазовым облаком (ПГО) после взрыва(Mг1, т) в курсовой работе
определяется по «Методике расчета вредных выбросов (сбросов) для комплекса
оборудования открытых горных работ основе удельных показателей» [6]
,
где К - переводной коэффициент, зависящий от определяемого вредного газа
(для СО: К=1,25 г/л, для NOx: К = 1,4 г/л);- удельное содержание
вредных газов в ПГО при взрыве 1 кг взрывчатых веществ л/кг [6];
А0 - количество одновременно взрываемого ВВ, кг.
,
.
Масса вредных газов, оставшихся во взорванной горной массе (ГМ) и
постепенно выделяющаяся в атмосферу(Mг2, т):
,
где Сгм- концентрация вредного газа во взорванной горной
массе, мг/м3;гм- средний объем взорванной горной массы:
5000 кг:0,43 кг/м3 = 11628 м3.
,
где qгм- удельное содержание вредных газов в отбитой ГМ в
зависимости от крепости пород и рецептуры ВВ, л/кг [6];
КР = 1,6 - коэффициент разрыхления горной массы.
,
.
Масса вредных газов, оставшихся во взорванной горной массе и постепенно
выделяющаяся в атмосферу составит
,
.
Суммарный выброс вредных газов при одном взрыве (5000 кг ВВ)
,
.
Продолжительность выделения в атмосферу вредных веществ до уровня ПДК
оценивается в конкретных условиях эксплуатации (принимаем интервал усреднения
20 минут).
Масса твердых частиц (пыли), выбрасываемых с ПГО за один взрыв
,
где qп- удельное пылевыделение из 1 м3 горной массы
в зависимости от крепости пород и рецептуры ВВ:
)для эмульсионных ВВ при крепости f=5-6,qn= 0,02кг/м3;
)для ВВ не содержащих воды при крепости f =2-4,qn=0,03 кг/м3.
.
Концентрация загрязняющего вещества (мг/м3) в пылегазовом
облаке определяется по формуле [4]:
,
где q - удельное выделение загрязняющего вещества при взрыве 1 т ВВ
(т/г);
η - эффективность применяемых при
взрыве средств пылегазоподавления (при отсутствии пылегазоподавленияη= 0%).
Результаты расчета выбросов загрязняющих веществ в атмосферу от взрывных
работ при годовой производительности 1400 тыс. м3 представлены в
таблице 2.
Таблица 2 - Результаты расчета выбросов загрязняющих веществ в атмосферу
от взрывных работ при годовой производительности 1400 тыс. м3
|
Наименование загрязняющего
вещества
|
С, мг/м3
|
Мг, т/год
|
|
Азота диоксид
|
327
|
9,816
|
|
Углерода оксид
|
228
|
6,840
|
|
Пыль гипса
|
1391
|
41,760
|
Согласно СанПиН 2.2.1./2.1.1.1200-03 размер нормативной
санитарно-защитной зоны (СЗЗ) для карьера по добыче гипсового камня составляет
500 м. До границы жилья от карьера расстояние составляет 800 м.
По данным результатов натурных лабораторных исследований было
установлено, что по основным загрязняющим веществам (диоксид азота, диоксид
серы, углеводород) превышений ПДК на границе СЗЗ нет.
Эквивалентный уровень звука на границе санитарно- защитной зоны отвечает
требованиям, что подтверждено проведенными инструментальными замерами при
массовом взрыве заряда.
Рисунок 6 - Ситуационный план предприятия и прилегающего населенного
пункта
8. Инструментальные измерения параметров колебаний грунтов и
конструкций жилого дома по ул. Кубанская, 9/11
Инструментальные измерения параметров колебаний грунтов и конструкций
четырёх квартирного жилого дома по ул.Кубанской, 9/11, имеющего общий фундамент
и наружные стены, были выполнены 07 октября и 11 ноября 2010г.
07.10.2010 измерения были выполнены при взрыве в карьере «Северный» на
части строения по адресу Кубанская, 9.
.11.2010 измерения были выполнены на части строения по адресу Кубанская,
11 при четырёх взрывах:
взрыва в карьере «Северный»;
трёх взрывах разной мощности на аварийном объекте камнерезного цеха.
Для регистрации параметров колебаний на исследованных объектах была
использована мобильная геофизическая лаборатория КубГУ, оснащённая
виброизмерительной аппаратурой, работающей в диапазоне частот 0,02…400 Гц. Установка
разворачивалась непосредственно на автомобиле.
Запись измеряемых параметров осуществлялась одновременно по 15 каналам
пяти трёхкоординатных сейсмоприёмников-акселерометров (датчиков измерения
ускорений).
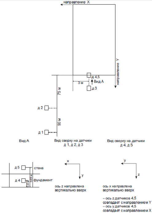
Высотное положение датчиков: Д1, Д2 и Д3 − согласно отметкам
дневной поверхности грунта (по топосъёмке) в месте установки датчиков, Д4 −
на фундаменте здания ≈ на 0,5 м выше отмостки, Д5 − на несущей
стене здания с одинаковой ориентацией по направлениям измерений колебаний
грунта, фундамента и стены (рис. 7 и 8).
В качестве датчиков колебаний Д1, Д2 и Д3 использовались трёх
координатные сейсмоприёмники А1632 водозащитного исполнения; на фундамент
(датчик Д4) и стену здания (датчик Д5) устанавливались лёгкие и малогабаритные
(65×65×65
мм) трёх координатные
сейсмоприёмники А1633. При этом выполнялось их надежное крепление на фундаменте
и стене.
Датчики Д1, Д2 и Д3 устанавливались непосредственно на грунт, при этом
один из них рядом с объектом исследований, а два других последовательно
выносились в направлении к карьеру. Максимальное удаление датчика Д1от объекта
исследований составило 150 м.
Датчики-сейсмоприёмники изготовлены и проверены научно-исследовательским
институтом Министерства обороны ВНИИФТРИ.
Все датчики подключены через устройство сопряжения к ноутбуку. В
устройстве сопряжения используется шестнадцати канальный быстродействующий
АЦП-ЦАП Е-330 производства фирмы L-Card. Дискретность опроса датчиков
устанавливается программно и в измерениях составляла 0,1 млс (100 мкс).
С целью надёжного контроля сигнала время записи многократно превышало
время регистрации исследуемого сигнала. Регистрация, оцифровка колебаний и
обработка данных проводилась с помощью лицензионных программ, а также
специально разработанных программ сотрудниками Кубанского государственного
университета.
Определение параметров колебаний на основе инструментальных записей
выполнялось в соответствии с рекомендуемыми методиками по ВСН 490−87 и СП
50-102-2003.
Согласно техническому заданию инструментальные записи колебаний грунтов и
конструкций жилого дома были проведены при производстве взрывов в карьере на
горизонтах с абсолютными отметками 714 м и 721 м.
Дополнительно к технологическим взрывам в карьере были записаны и
проанализированы динамические воздействия от взрывов на жилой дом по
ул.Кубанской, 11 (три подрыва инженерных сооружений камнерезного цеха
11.11.2010 г.).
Рисунок 7 - Схема установки датчиков на ж.д. по ул. Кубанская, 9

.1 Результаты статического и динамического состояния грунтов
Изучение разрезов показало, что в нижней части канавы до глубины 0,7-1,5
м практически повсюду грунты представлены почвой в разной степени суглинистой и
глинистой. Выше до дневной поверхности их перекрывают техногенные насыпные
грунты с валунно-галечниковым и грубо щебенистым наполнителем, что отчетливо
прослеживается на всем 120 м протяжении канавы от пересечения улиц Кубанской и
Горького до ул. Садовой.
Непосредственно у дома №11 по улице Кубанской по двум точкам с внешней
стороны дома и во дворе подворья произведено динамическое зондирование грунтов
с целью оценки механических характеристик грунтов основания в разных частях
фундамента и проверки существенного их различия.
Испытания показали согласованное напластование грунтов практически не отличающееся
по характеристикам в толще каждого пласта.
До глубины 1 м условное динамическое сопротивление грунта погружению
зонда составляет 1 МПа, от 1до 2,5 м −1,8 МПа, от 2,5до 3,2 м − 2
МПа, от 3,2 до 3,6 м −1,7 МПа, от 3,6 до3,8 м −2,7 МПа, от 3,8 до 5
м − 1,6 МПа. То есть, на глубине от 1 м до 5 м средневзвешенная величина
условного динамического сопротивления грунта погружению зонда составляет
На
основании таблицы3 (табл.5 [10]) модуль общей деформации грунта основания можно
принятьЕ=12,5 МПа, что приемлемо для малоэтажного строительства.
Таблица
3
|
q3, МПа
|
Нормативные значения модуля
деформации Е, угла внутреннего трения и
удельного сцепления С суглинков и глин (кроме грунтов ледникового комплекса)
|
|
Е, МПа
|
Суглинки
|
Глины
|
|
|
, град.
|
С, кПа
|
, град.
|
С, кПа
|
|
0,5
|
3,5
|
16
|
14
|
14
|
25
|
|
1
|
7
|
19
|
17
|
17
|
30
|
|
2
|
14
|
21
|
23
|
18
|
35
|
|
3
|
21
|
23
|
29
|
20
|
40
|
8.2 Результаты инструментальных измерений фактических
параметров колебаний грунтов и конструкций жилого дома
Акселерограммы записанных колебаний, расчётные велосиграммы и амплитудные
спектры колебаний приведены в приложении А.
Основные результаты измерений приведены в таблице 5.
Допустимые воздействия на здания, построенные согласно действующим
строительным нормам и правилам, оцениваются по скорости колебаний [8] и
ускорениям колебаний [7].
Скорость вертикальных колебаний фундамента V не превышала предельно
допустимого значения для данного здания или сооружения, которое устанавливается
в зависимости от конструктивных особенностей здания или сооружения и категории
их состояния. Допустимые значения скорости колебаний могут быть определены по
таблице 4 (табл. 7.27 [8]).
Таблица 4
|
Конструкции зданий и
сооружений
|
Допустимые скорости
колебаний, см/с, при грунтах основания
|
|
Пески
|
|
плотные
|
Средней плотности
|
рыхлые
|
|
Глинистые грунты при
показателе текучести
|
|
|
|
|
|
Монолитные железобетонные и
каркасные со стальным каркасом
|
6,0
|
4,5
|
1,5
|
|
Каркасные с рамным каркасом
из монолитного железобетона
|
4,0
|
2,0
|
0,7
|
|
Кирпичные блочные и
панельные
|
3,0
|
1,5
|
0,5
|
Таблица 5 − Основные характеристики колебаний исследуемых объектов
при проведении промышленных взрывов
|
Измерительные
сейсмоприёмники
|
|
Дата проведения измерений
|
Объект исследований
|
Координаты очага взрыва
|
Датчик 1
|
Датчик 2
|
Датчик 3
|
Датчик 4
|
Датчик 5
|
Направление смещения
|
|
|
|
Основная частота f, Гц
|
Амплитуда
|
Основная частота f, Гц
|
Амплитуда
|
Основная частота f, Гц
|
Амплитуда
|
Основная частота f, Гц
|
Амплитуда
|
Основная частота f, Гц
|
Амплитуда
|
|
|
|
|
|
Расчётной скорости V, мм/с
|
Ускорений a, м/с
|
|
Расчётной скорости V, мм/с
|
Ускорений a, м/с
|
|
Расчётной скорости V, мм/с
|
Ускорений a, м/с
|
|
Расчётной скорости V, мм/с
|
Ускорений a, м/с
|
|
Расчётной скорости V, мм/с
|
Ускорений a, м/с
|
|
|
1
|
2
|
3
|
5
|
6
|
7
|
8
|
9
|
10
|
11
|
12
|
13
|
14
|
15
|
16
|
17
|
18
|
19
|
20
|
|
07.10.2010г
|
Кубанская, 9
|
Взрыв в карьере
|
20
|
0, 18
|
0,16
|
10
|
0,75
|
0,16
|
20
|
0,5
|
0,18
|
20
|
0,46
|
0,12
|
67; 135
|
0,06
|
0,03
|
Z
|
|
|
|
10
|
0,85
|
0,15
|
180
|
0,06
|
0,09
|
10; 59
|
0,22
|
0,28
|
20
|
0,51
|
0,08
|
20
|
0,034
|
0,03
|
Y
|
|
|
|
18
|
0,32
|
0,16
|
10-20
|
0,1
|
0,08
|
20
|
0,78
|
0,22
|
6; 25
|
0,09
|
0,12
|
20; 66; 88
|
0,007
|
0,02
|
X
|
|
11.11.2010г
|
Ул. Кубанская,11
|
Взрыв в карьере
|
19,5
|
3,5
|
0,40
|
*
|
*
|
0,06
|
*
|
*
|
0,06
|
19,5
|
1,06
|
0,1
|
19,5; 39
|
0,33
|
0,05
|
Z
|
|
|
|
14
|
1,2
|
0,25
|
*
|
*
|
0,06
|
*
|
*
|
0,08
|
19,5
|
0,32
|
0,05
|
19,5
|
0,24
|
0,05
|
Y
|
|
|
|
5-10; 34
|
2,5
|
0,20
|
24
|
0,56
|
0,1
|
20
|
0,18
|
0,04
|
19,5
|
0,27
|
0,04
|
18; 22
|
1,1
|
0,10
|
X
|
|
11.11.2010г
|
Ул. Кубанская,11
|
1-й взрыв в цехе
|
22; 67
|
1,7
|
0,2
|
2,5; 29
|
2,2
|
0,12
|
2,5
|
4,0
|
0,15
|
133
|
0,18
|
0,08
|
2,5
|
0,60
|
0,05
|
Z
|
|
|
|
3; 18
|
1,3
|
0,15
|
18
|
2,0
|
0,25
|
2,5; 25
|
0,5
|
0,11
|
2,5; 25
|
0,12
|
0,06
|
10; 67
|
0,67
|
0,1
|
Y
|
|
|
|
27
|
1,4
|
0,2
|
2,5
|
2,2
|
0,13
|
20; 49
|
0,10
|
0,14
|
2,5; 5
|
0,40
|
0,07
|
25; 103
|
0,60
|
0,12
|
X
|
|
11.11.2010г
|
Ул. Кубанская,11
|
2-й взрыв в цехе
|
2,5; 67
|
1,5
|
0,09
|
25; 100
|
0,83
|
0,44
|
2,5; 32
|
2,1
|
0,16
|
2,5
|
2,0
|
0,08
|
2,5; 98
|
0,18
|
0,05
|
Z
|
|
|
|
2,5; 25; 81
|
0,65
|
0,18
|
2,5; 67; 97
|
0,54
|
0,12
|
2,5
|
6,0
|
0,16
|
22
|
1,4
|
0,20
|
2,5; 25
|
0,46
|
0,08
|
Y
|
|
|
|
2,5
|
2,0
|
0,2
|
18
|
1,65
|
0,25
|
2,5; 20
|
1,9
|
0,25
|
1,5
|
1,1
|
0,1
|
5
|
0,73
|
0,06
|
X
|
|
11.11.2010г
|
Ул. Кубанская,11
|
3-й взрыв в цехе
|
20; 103
|
1,1
|
1,5
|
10; 20
|
0,90
|
0,24
|
20; 25
|
2,1
|
0,75
|
5-10; 20
|
0,21
|
0,10
|
5
|
5,0
|
0,6
|
Z
|
|
|
|
10-20
|
1,5
|
0,16
|
20
|
3,5
|
0,44
|
20
|
2,8
|
30
|
0,68
|
0,35
|
*
|
*
|
*
|
Y
|
|
|
|
25
|
1,3
|
0,2
|
10; 25
|
2,0
|
0,4
|
25
|
4,1
|
1,4
|
30; 108
|
0,44
|
0,30
|
2,5; 25; 49
|
1,0
|
0,3
|
X
|
Примечание -* − величина измеренного сейсмического сигнала на
уровне или менее помех
Допустимое ускорение вертикальных колебаний фундамента [a]I, м/с2, при
котором не происходят дополнительные деформации оснований, может быть
определено по таблице 6 (табл.2 [7]) в зависимости от группы грунтов оснований
Таблица 6
|
Сооружение
|
Группа грунтов оснований
|
|
1
|
2
|
3
|
|
Производственные и
гражданские здания с полным каркасом
|
1,2
|
0,6
|
0,15
|
|
Здания и сооружения, в
конструкциях которых не возникают усилия от неравномерных осадок
|
1,5
|
1,0
|
0,15
|
|
Многоэтажные бескаркасные
здания с несущими стенами
|
1,0
|
0,5
|
0,15
|
Группа грунтов в основании сооружений устанавливается
по таблице 7 (табл.3 [7])
Таблица 7
|
Группа грунта
|
Грунты в основании
сооружения
|
|
Пески
|
Супеси
|
Суглинки и глины
|
Прочие грунты
|
|
1
|
Плотные, кроме мелких и
пылеватых водонасыщенных
|
Твердые
|
Твердые, полутвердые,
тугопластичные
|
-
|
|
2
|
Средней плотности, кроме
мелких и пылеватых водонасыщенных; плотные мелкие водонасыщенные
|
Пластичные
|
Мягкопластичные
|
Насыпной грунт с
равномерной сжимаемостью маловлажный
|
|
3
|
Рыхлые, плотные и средней
плотности пылеватые водонасыщенные; мелкие средней плотности водонасыщенные
|
Текучие
|
Текучепластичные, текучие
|
Илы. Сильнозаторфованные
грунты и торфы. Насыпной грунт с неравномерной сжимаемостью независимо от
влажности
|
Предельные допустимые ускорения колебаний фундамента,
при которых возникающие дополнительные деформации основания суммарно не
достигают предельных, определяются по таблице 8 (табл.6 [7]) в зависимости от
категории состояния здания и группы грунта основания.
Таблица 8
|
Сооружения
|
Категория сооружения по
состоянию
|
Предельные допустимые
ускорения колебаний фундаментов [a]II в зависимости
от группы грунтов оснований, м/с2
|
|
|
1
|
2
|
3
|
|
Производственные и гражданские
здания с полным каркасом
|
I
|
6,0
|
4,5
|
1,2
|
|
II
|
4,5
|
3,0
|
1,0
|
|
III
|
3,0
|
2,2
|
0,7
|
|
Здания, в которых не
возникают усилия от неравномерных осадок
|
I
|
5,0
|
3,0
|
1,0
|
|
II
|
3,5
|
2,2
|
0,7
|
|
III
|
2,8
|
1,5
|
0,4
|
|
Многоэтажные бескаркасные
здания с несущими стенами
|
I
|
3,0
|
2,2
|
0,7
|
|
II
|
2,0
|
1,2
|
0,5
|
|
III
|
1,5
|
1,0
|
0,3
|
|
Высокие жесткие сооружения
и дымовые трубы
|
I
|
4,0
|
2,5
|
0,8
|
|
II
|
3,0
|
1,5
|
0,6
|
|
III
|
2,0
|
1,2
|
0,4
|
Категория состояния зданий устанавливается согласно таблице 9 (табл. 5
[7])
Таблица 9 - Выкопировка из таблицы 5 [7]
|
Сооружения
|
Категория по состоянию
|
Деформации в конструкциях
|
|
1
|
2
|
3
|
|
Здания и сооружения, в
конструкциях которых не возникают усилия от неравномерных осадок
|
I
|
В несущих конструкциях
зданий повреждений нет. В ограждающих стенах местные трещины и сколы до 0,5
мм без смещений. Фундаменты в хорошем состоянии
|
|
II
|
В несущих конструкциях
трещины до 0,5 мм в стенах из кирпича и крупных блоков до 3 мм. Относительная
разность осадок фундаментов до 0,005. Фундаменты незначительно повреждены
|
|
III
|
В несущих конструкциях
сплошные трещины свыше 1 мм, в стенах из кирпича и крупных блоков до 5 мм.
Относительная разность осадок фундаментов свыше 0,005. Фундаменты имеют
существенные повреждения в результате разрушения раствора и материала
|
|
Многоэтажные бескаркасные
здания с несущими стенами
|
I
|
В несущих стенах
повреждений нет, в ограждающих кирпичных стенах и стыках панелей мастные
трещины до 1 мм без признаков сдвигов. Фундаменты в хорошем состоянии
|
|
II
|
В несущих кирпичных стенах
и узлах сопряжений трещины до 3 мм непрерывные в пределах конструкции при
наличии признаков сдвигов. Относительная разность осадок фундаментов
панельных зданий до 0,0008, кирпичных и блочных зданий без армирования до
0,0010, зданий с устройством железобетонных поясов до 0,0014. Крен не более
0,003. Фундаменты незначительно повреждены
|
8.3 Выводы
Колебания фундамента, несущей стены жилого дома, грунта зафиксированы по
трём направлениям при известных координатах взрыва.
Записи колебаний показывают сложную пространственную траекторию силовых
воздействий (ускорений) во времени на конструкции здания.
Чтобы не произошло развитие существующих трещин и не появились новые,
необходимо при взрывных работах соблюдать следующие критериальные условия [7]:
αф ≤ [α]I − фактическое максимальное ускорение вертикальных
колебаний фундамента должно быть не больше допустимых ускорений [α]Iи при которых не происходят дополнительные деформации
основания. Для обследованных объектов грунты основания могут быть отнесены ко
второй группе.
По результатам инструментальных измерений:
максимальные вертикальные ускорения на фундаменте жилого дома по
ул.Кубанская, 9 составляют αф = 0,12 м/с2(см.табл. 5),
максимальные вертикальные ускорения на фундаменте жилого дома по
ул.Кубанская, 11 составляют αф = 0,10 м/с2(см.табл. 5), что значительно
меньше допустимой величины [α]I= 0,5 м/с2для грунтов основания второй
группы. Надо отметить, что максимальные ускорения горизонтальных колебаний
фундамента жилого дома по ул.Кубанской, 11 больше вертикальных проявились
только при относительно мощных повторных взрывах в близко расположенном
камнерезном цехе (αф=0,35 м/с2), но меньше допустимых.
Vф ≤ [V] − максимальная скорость колебаний
фундамента должна быть не больше допустимой скорости [V], для грунтов основания
второй группы. По результатам обработки измерений максимальная скорость
составила Vф = 2,0 мм/с, что значительно ниже допустимых скоростей
колебаний фундамента [V] = 15мм/с, при которых не происходят дополнительные
деформации основания.
Из пяти взрывов наибольший сейсмический эффект на жилом доме по ул.
Кубанская, 9/11 проявился на горизонтальной Y составляющей колебаний (рис.8)
при третьем, более мощном промышленном взрыве в камнерезном цехе. Во всех
случаях измеренные ускорения и скорости колебаний меньше допустимых.
Обращает внимание факт, что более удалённые взрывы в карьере дают
амплитудный спектр колебаний фундамента близкий к спектру колебаний грунта
основания. Однако спектральный анализ колебаний никоим образом не учитывается
нормативными документами.
На основании вышеприведённых результатов исследований можно сделать
вывод, что сейсмические воздействия, передаваемые по грунту от взрывов в
карьере «Северный» на обследованные здания являются допустимыми согласно
действующим нормативным документам ВСН 490-87 и СП 50-102-2003.
Сейсмические воздействия, передаваемые по грунту от взрывов в карьере
«Северный» на обследованные здания, не являются основной причиной ухудшения их
технического состояния.
Выбранная технологическая схема расположения и мощность зарядов на
взрывных полях разных горизонтов вполне отвечает необходимым условиям для
разработки гипсового камня в указанном карьере.
9. Меры безопасности при буровзрывных работах
.1 Буровые работы
Станки устанавливаются на спланированной и очищенной площадке
перпендикулярно бровке уступа, вне призмы обрушения, и не ближе двух метров от
бровки уступа.
Под скаты и домкраты станков запрещается подкладывать куски руды и
породы. Участки пробуренных скважин обязательно ограждаются предупредительными
знаками.
Запрещается работа на станках вращательного и шарошечного бурения с
неисправными ограничителями переподъема бурового снаряда, при неисправном
тормозе лебёдки и системы пылеподавления. Бурильщики должны иметь каски и
монтажные пояса. Перемещение станков с поднятой мачтой разрешается производить
по уступу только по горизонтальной площадке. При перемещении станков под
линиями электропередачи мачта должна быть опущена, а буровой инструмент
закреплен. Работающие на мачте станка должны пользоваться предохранительными
поясами, закрепленными на мачте. Предохранительные пояса испытываются раз в
полгода и должны иметь клеймо о дате последнего испытания. Запрещается
нахождение рабочего на мачте во время работы станка. При работе на буровых
станках бурильщики должны руководствоваться инструкциями по эксплуатации
бурового станка, а также инструкцией по технике безопасности при работе на
соответствующем станке. При бурении скважин запрещается оставлять без надзора
работающий станок, проводить регулировку или смазку станка при его работе.
Бурильщики должны обеспечиваться диэлектрическими перчатками, которые
испытываются один раз в 6 месяцев.
9.2 Взрывные работы
Перед началом заряжания в границах запретной зоны должны быть выставлены
посты, обеспечивающие ее охрану, а люди, не занятые заряжанием, выведены в безопасные
места лицом технического надзора или по его поручению взрывником. Постовым
запрещается поручать работу, не связанную с выполнением прямых обязанностей. В
опасную зону разрешается проход лиц технического надзора предприятия и
работников контролирующих органов при наличии связи с руководителем взрывных
работ (взрывником) и только через пост, к которому выходит взрывник. При
подготовке массовых взрывов на период заряжания взрывчатых веществ группы D,
могут устанавливаться запретные зоны. Запретная зона должна составлять в
зависимости от горнотехнических условий не менее 20 метров от ближайшего
заряда. Она распространяется как на рабочую площадку того уступа, на котором
проводят заряжание, так и на ниже и выше расположенные уступы, считая по
горизонтали от ближайших зарядов. Опасная зона, определенная расчетом в
проекте, вводится при взрывании детонирующим шнуром и системами
неэлектрического инициирования - перед началом монтажа взрывной сети. Со всех
электроустановок, кабелей, контактных и воздушных проводов и других источников
электроэнергии, действующих в зоне монтажа электровзрывной сети, напряжение
должно быть снято с момента монтажа сети. На земной поверхности в зону монтажа
электровзрывной сети должна включаться поверхность, ограниченная контуром, на
50 м превышающей контур электровзрывной сети, независимо от высоты подвески
проводников электрического тока.
При невозможности снятия напряжения с электрооборудования должны
применяться утвержденные руководителем организации дополнительные меры защиты
от блуждающих токов (применение защищенных электродетонаторов, исключение
повторного использования соединительных приборов, обязательное применение
специальных зажимов для изоляции скруток проводов и др.)
Устья подлежащих заряжанию скважин должны быть очищены от обломков
породы, буровой мелочи, посторонних предметов и т.п.
Запрещается выдергивать или тянуть ДШ, а также провода
электродетонаторов. Перелом выходящих из зарядов концов ДШ не допускается. В
качестве забойки для шпуров и скважин нельзя применять кусковатый или горючий
материал.
Заполнение скважин забоечным материалом необходимо осуществлять
осторожно. При этом электрический провод и ДШ должны быть ослаблены. Забойка
скважин с помощью забоечных машин должна осуществляться в соответствии с
инструкциями по их эксплуатации.
При глубине скважин более 15 м обязательно дублировать внутрискважинную
взрывную сеть.
Запрещается производство взрывных работ во время грозы. В
механизированном заряжании разрешается применять только ВВ, допущенные для этой
цели в установленном порядке.
Механизированное заряжание должно осуществляться в соответствии с
инструкцией по безопасной эксплуатации зарядного оборудования и руководствами
(инструкциями) по применению соответствующих ВВ. Просыпавшиеся ВВ должны быть
собраны и уничтожены. По окончании заряжания зарядные машины необходимо
очистить от остатков ВВ. База зарядных машин на автомобильных шасси должна
отвечать соответствующим требованиям Правил перевозки ВМ автомобильным
транспортом.
Место взрыва после взрывания должно быть осмотрено взрывником с
представителем технического надзора. Электровзрывные цепи должны иметь
исправную изоляцию. Концы проводов должны быть тщательно защищены и плотно
сращены, а соединения изолированы при помощи специальных зажимов. Электровзрывная
сеть должна быть двухпроводной. Использование воды, земли, труб, рельсов,
канатов и т.п. в качестве одного из проводов запрещается.
Запрещается монтировать электровзрывную сеть в направлении от источника
тока к заряду.
Перед взрыванием скважинных зарядов должно быть измерено общее
сопротивление всей электровзрывной сети из безопасного места.
Концы магистральных проводов электровзрывной сети должны быть замкнуты
накоротко в течение всего времени до их присоединения к клеммам прибора,
включающего ток для взрывания.
Выход взрывника, из укрытия при электрическом способе взрывания
разрешается не ранее чем через 5 мин. после взрывания и только после
отсоединения электровзрывной сети от источников тока и её замыкания накоротко.
Боевики должны изготовляться взрывниками. Их количество не должно превышать
требуемых для взрывания зарядов в данном случае.
Боевики для скважинных зарядов ВВ при взрывании детонирующим шнуром
разрешается изготовлять непосредственно около скважин. Если во время заряжания
часть заряда будет пересыпана, скважину необходимо дозарядить и заряд взорвать
вместе с другими зарядами.
Запрещается уничтожать остатки ВМ, пригодные к использованию. Они должны
быть возвращены на склад.
По окончании взрывных работ взрывник обязан:
подтвердить своей подписью в наряд -путевке фактический расход взрывчатых
материалов по назначению;
лично отчитаться на складе ВМ о расходе взрывчатых материалов;
сдать лицу, ответственному за хранение, взрывную машинку и измерительную
аппаратуру.
Взрывные машинки перед выдачей взрывникам должны проверяться согласно
инструкциям по эксплуатации на соответствие установленным техническим
характеристикам, в том числе на развиваемый ток и импульс тока.
Боевики должны изготавливать на местах производства работ в количествах,
требующихся для взрывания зарядов за один прием. Боевики из прессованных или
литых ВВ разрешается изготавливать только из патронов (шашек) с гнездами
заводского изготовления. Расширять или углублять имеющееся гнездо запрещается.
При изготовлении боевиков из порошкообразных патронированных ВВ с
применением ДШ, конец детонирующего шнура в патроне должен завязываться узлом
или складываться не менее чем вдвое. Разрешается обматывать детонирующий шнур
вокруг патрона ВВ. При бескапсюльном взрывании и использовании гранулированных
ВВ боевик помещается в верхней части заряда, при использовании комбинированных
ВВ (аммонит и гранулированные ВВ) боевик помещается в аммонит. В случае
производства работ на обводненных скважинах и использовании водоустойчивых ВВ,
боевик помещается в верхнюю (на контакте водоустойчивого ВВ и не
водоустойчивого) и в нижнюю часть заряда. При механизированном заряжании
скважин площадка уступа около скважин должна быть очищена от неровностей и
камней.
Подъезд зарядной машины к скважине производится по команде взрывника.
Движение машины производится по площадке уступа не ближе трех метров от бровки
уступа. К работе на зарядных машинах допускаются взрывники, прошедшие обучение
и имеющие удостоверения на право работы на зарядных машинах. Забоечный материал
к скважинам доставляется автосамосвалами, оборудованными искрогасителями и
имеющими огнетушители.
С момента начала монтажа взрывной сети и до отбоя на границах опасной
зоны выставляются посты оцепления, согласно схеме расстановки постов,
перекрывающие все подступы к месту взрыва.
В оцепление выставляются рабочие, которые предварительно инструктируются
Руководителем взрывных работ о порядке охраны границ опасной зоны, с
обязательной росписью в журнале инструктажа.
По границе опасной зоны устанавливаются предупреждающие трафареты. На
дороге, ведущей в карьер, устанавливается шлагбаум [11].
.3 Порядок допуска людей в район взрыва
Техническое руководство карьера (заказчик) знакомит рабочих с
"Инструкцией по предупреждению и ликвидации отказавших зарядов при производстве
взрывных работ на карьерах и объектах строительства" в части, касающейся
их обязанностей.
Перед началом заряжания на границах опасной зоны должны быть выставлены
посты, обеспечивающие ее охрану, а люди, не занятые заряжанием, выведены в
безопасные места лицом технического надзора или по его поручению бригадиром.
При массовом взрыве должны устанавливаться посты ВГСЧ (или сотрудников
службы специализированной подрядной организации - определяется руководителем
организации), контролирующие содержание ядовитых продуктов взрыва в карьере.
В обязанности постов входят:
контроль загазованности воздуха на уступах;
осмотр состояния уступов.
Посты ВГСЧ (или специализированной службы подрядной организации) могут
допускаться в пределы опасной зоны не ранее, чем через 15 мин после взрыва.
Допуск других людей в карьер разрешается после получения ответственным
руководителем взрыва сообщений ВГСЧ (или специализированной службы подрядной
организации) о снижении концентрации ядовитых продуктов взрыва в воздухе до
установленных норм, но не ранее чем через 30 мин после взрыва, рассеивания
пылевого облака и полного восстановления видимости в карьере, а также после
осмотра мест взрыва соответствующим лицом технического надзора (согласно
распорядку массового взрыва) [11].
.4 Порядок подачи сигналов и их значение
При производстве взрывных работ обязательна подача хорошо слышимых, а в
темное время видимых на границах опасной зоны сигналов для оповещения людей.
Способы подачи и назначение сигналов, время проведения взрывных работ должны
быть доведены до сведения трудящихся предприятия - а также до местного
населения.
Запрещается подача сигналов голосом, а также с применением взрывчатых
материалов.
1) Первый сигнал - «Предупредительный». Один длинный сигнал подается перед
заряжанием. По этому сигналу люди, не занятые заряжанием, должны удаляться за
пределы опасной зоны. При массовых взрывах с применением ВВ группы
"D" на земной поверхности, подача первого сигнала осуществляется
перед укладкой в заряды боевиков с электродетонаторами, а при взрывании ДШ -
перед началом монтажа взрывной сети.
2) Второй сигнал -"Боевой” (два продолжительных). По этому сигналу
взрывник производит взрыв.
3) Третий сигнал -"Отбой" (три коротких) означает окончание
взрывных работ.
Сигналы должны подаваться взрывником (старшим взрывником) выполняющим
взрывные работы, а при массовых взрывах специально назначенным работником
организации.
Устья подлежащих заряжанию скважин должны быть очищены от обломков
породы, буровой мелочи посторонних предметов и т.п.
Запрещается выдергивать или тянуть ДШ, волноводы, а также провода
электродетонаторов. Перелом выходящих из зарядов концов ДШ не допускается. В
качестве забойки для шпуров и скважин нельзя применять кусковой или горючий
материал.
Заполнение скважин забоечным материалом необходимо осуществлять
осторожно. При этом электрический провод и ДШ должны быть ослаблены.
Запрещается производство взрывных работ во время грозы. Допуск людей к месту
взрыва после его проведения может разрешаться лицом технического надзора, осуществляющим
непосредственное руководство взрывными работами в данной смене, только после
того, как им или по его поручению бригадиром (звеньевым) будет установлено
совместно с взрывником, что работа в месте взрыва безопасна. Электровзрывные
цепи должны иметь исправную изоляцию. Концы проводов тщательно зачищены и
плотно сращены, а соединения изолированы при помощи специальных зажимов.
Электровзрывная сеть должна быть двухпроводной. Использование воды, земли,
труб, рельсов, канатов и т.п. в качестве одного из проводов запрещается.
Запрещается монтировать электровзрывную сеть в направлении от источника
тока к заряду.
Перед взрыванием скважинных зарядов должно быть измерено общее
сопротивление всей электровзрывной сети из безопасного места.
Концы магистральных проводов электровзрывной сети должны быть замкнуты
накоротко в течение всего времени до их присоединения к клеммам прибора,
включающего ток для взрывания.
Выход взрывника из укрытия при электрическом способе взрывания
разрешается не ранее чем через 5 мин. после взрывания и только после
отсоединения электровзрывной сети от источников тока и её замыкания накоротко.
Боевики для скважинных зарядов ВВ при взрывании детонирующим шнуром
разрешается изготовлять непосредственно около скважин. Если во время заряжания
часть заряда будет пересыпана, скважину необходимо дозарядить и заряд взорвать
вместе с другими зарядами.
По окончанию взрывных работ, взрывник обязан:
подтвердить своей подписью в наряд-путевке фактический расход взрывчатых
материалов по назначению;
лично отчитаться на складе ВМ о расходе взрывчатых материалов;
сдать взрывную машинку и измерительную аппаратуру лицу, ответственному за
хранение.
Взрывные машинки перед выдачей взрывникам должны проверяться согласно
инструкциям по эксплуатации на соответствие установленным техническим
характеристикам, в том числе на развиваемый ток и импульс тока. Указанную
проверку могут выполнять специально подготовленные лица.
Контрольно-измерительные приборы должны проходить Государственную проверку в
органах метрологической службы по согласованным графикам.
Ремонт контрольно-измерительных приборов и замена элементов питания
должны осуществлять специализированные организации, имеющие на это
соответствующие разрешения метрологической службы и лицензии органов
Ростехнадзора РФ.
Заказчик знакомит своих рабочих с "Инструкцией по предупреждению и
ликвидации отказавших зарядов при производстве взрывных работ на карьерах и
объектах строительства" в части касающейся их обязанностей.
Боевики должны изготавливаться на местах производства работ в
количествах, требующихся для взрывания зарядов за один прием. Боевики из
прессованных или литых ВВ разрешается изготавливать только из патронов (шашек)
с гнездами заводского изготовления. Расширять или углублять имеющееся гнездо
запрещается.
При изготовлении боевиков из порошкообразных ВВ с применением ДШ, конец
детонирующего шнура в патроне должен завязываться узлом или складываться не
менее чем вдвое. Разрешается обматывать детонирующий шнур вокруг патрона ВВ.
При бескапсюльном взрывании и использовании гранулированных ВВ, боевик
помещается в верхней части заряда. При взрыве обводненных скважин и
использования водоустойчивых ВВ боевик помещается в нижнюю часть заряда [11].
.5 Сохранность ВМ при транспортировке
гипс буровзрывной безопасность чрезвычайный
Движение транспорта с ВМ должно осуществляться только по согласованному
маршруту. Остановки и какие-либо отклонения от маршрута запрещаются. При
необходимости изменения согласованного маршрута перевозки, руководитель участка
обязан вторично согласовать новый маршрут перевозки с ГИБДД, где производилось
согласование прежнего маршрута.
Для перевозки ВМ должны выделяться проверенные, технически исправные
автомобили, пригодные для перевозки ВМ. Кузов автомобиля должен быть очищен от
мусора и остатков посторонних грузов, не иметь щелей на дне и в бортах.
Получение взрывчатых материалов на складе ВМ производится взрывником, на
которого руководителем взрывных работ выписывается наряд-путевка, служащая
сопроводительным документом к перевозимому грузу. Количество ВМ, выписываемых
для производства взрывных работ, должно строго соответствовать числу
подготовленных выработок и весам зарядов, предусмотренных проектом или
корректировочным расчетом, чтобы исключить возврат ВМ на склад. На
наряд-путевке должен стоять штамп "Самовольное уничтожение
запрещено", условный номер взрывника, а также указаны фамилии водителя и
лиц, привлекаемых к погрузочно-разгрузочным работам.
Перед отправкой автотранспорта на склад за ВМ руководитель взрывных работ
в наряд-путевке определяет конкретное лицо, ответственное за получение ВМ со
склада, доставку их на место производства взрывных работ.
Перед пропуском автомашин на склад для погрузки и вывоза ВМ охрана склада
и заведующий складом ВМ проверяют оборудование автомашин согласно требованиям
техники безопасности, наличие и правильность оформления документов у водителей
и взрывников, наличие у них соответствующих пропусков для прохода на склад ВМ.
Ответственность за сохранность ВМ с момента получения их на складе и до
производства взрыва возлагается на взрывника, на которого выписана наряд -
путевка. Доставка ВМ со склада до мест производства взрывных работ должна
производиться под обязательным наблюдением взрывника, являющегося ответственным
за перевозку в сопровождении работников органов милиции на спецавтотранспорте.
Перевозка ВМ от склада ВМ к месту работ должна осуществляться
автомобилями, оборудованными в соответствии с требованиями "Правил
перевозки опасных грузов автомобильным транспортом".
Предприятие, осуществляющее перевозку ВМ, должно иметь:
свидетельство о допуске транспортного средства к перевозке опасного
груза;
разрешение на перевозку, выданное районным ОВД;
маршрут перевозки ВМ, согласованный в ГИБДД Краснодарского края и ГИБДД
республики Адыгея.
Маршруты перевозок находятся: первый экземпляр в ГИБДД, второй на
предприятии, а третий у ответственного за перевозку или у водителя.
На время погрузочно-разгрузочных работ двигатель автомобиля должен быть
выключен, автомобиль заторможен ручным тормозом, под колеса установлено не менее
двух противооткатных упора, а водитель обязан покинуть кабину.
Транспортные средства, предназначенные для перевозки ВМ, должны
подаваться к местам погрузки по одному. Ожидающие погрузки и загруженные
автомобили должны располагаться в разных местах и не ближе 100 м от места
погрузки.
Передвижение транспортных средств с ВМ должно осуществляться согласно
маршрута перевозки и в соответствии с "Правилами перевозки опасных грузов
автомобильным транспортом". При перевозке ВМ скорость транспортных средств
ограничивается "Правилами дорожного движения". При хорошей видимости
и нормальном состоянии дорог скорость не должна превышать 60 км/час. При
перевозке ВМ несколькими транспортными средствами необходимо соблюдать
дистанцию:
по горизонтальному участку дорог - 50 м,
на подъемах и спусках - 300 м.
При видимости менее 300 м (туман, дождь, снегопад и т.п.) перевозка
некоторых опасных грузов может быть запрещена. Об этом должно быть указано в
условиях безопасности перевозки опасных грузов.
Запас хода автомобилей перевозящих опасный груз, без дозаправки топливом
в пути должно быть не менее 500 км. В случае перевозки опасных грузов на
расстояние 500 км и более автомобиль должен оборудоваться запасным топливным
баком и заправляться из передвижной автозаправочной станции (ПАЗС), установка
дополнительного топливного бака должна согласовываться с подразделением ГАИ МВД
России по месту регистрации транспортного средства, о чем делается пометка в
регистрационном документе. Заправка топливом производится в местах отведенных
для стоянок и указанных в маршрутах перевозки. Заправка на АЗС общего
пользования осуществляется в соответствии с правилами технической эксплуатации
стационарных и передвижных АЗС (п. 12, 19 "Заправка автомашин груженных
горючими или взрывоопасными грузами, проводится на специально оборудованной
площадке, расположенной на расстоянии не менее 24 м от АЗС нефтепродуктами,
полученными в металлические канистры или через ПАЗС, специально выделенную для
этих целей").
При перевозке ВМ запрещается:
отклоняться от установленного и согласованного с ГИБДД маршрута и мест
стоянок, а также превышать установленную скорость движения;
останавливаться под линиями электропередач;
останавливаться на мостах (под мостами) и в тоннелях;
производить преднамеренную остановку или стоянку в населенных пунктах.
В случае вынужденной остановки или возникновения инцидента водитель
должен действовать согласно «Правил перевозки опасных грузов автомобильным
транспортом».
Застигнутый грозой транспорт с ВМ должен быть остановлен на открытом
месте, на расстоянии не менее 200 м от леса и жилья. Автомашины располагают не
ближе 50 м друг от друга. Люди, кроме необходимой охраны на время грозы, должны
быть удалены от транспорта на расстояние не менее 200 м. При невозможности
выполнения этих требований лицо ответственное за перевозку ВМ, принимает
необходимые меры по своему усмотрению.
Перевозка ВМ на неисправном транспортном средстве, а также при наличии в
кузове посторонних изделий и материалов запрещается.
Транспортное средство дважды в год должно представляться в ГИБДД на
техосмотр. Транспортное средство оборудуется согласно требованиям "Правил
безопасности при перевозке ВМ автомобильным транспортом". Водитель
транспортного средства при перевозке ВМ обязан соблюдать "Правила
дорожного движения" и "Правила перевозки опасных грузов автомобильным
транспортом".
Водитель, перевозящий ВМ, должен пройти специальную подготовку на
лицензированных курсах при автошколах, получить ДОПОГ - свидетельство и пройти
инструктаж, который проводится ежеквартально мастером (прорабом, механиком).
Водитель, осуществляющий перевозку опасного груза, должен иметь при себе
следующие транспортные документы:
лицензионную карточку на транспортное средство с отметкой «Перевозка ОГ»;
путевой лист с указанием маршрута перевозки в соответствии с
согласованным маршрутом и отметкой «Опасный груз», выполненной красным цветом в
верхнем левом углу, и указанием в графе «Особые отметки» номера опасного груза
по списку ООН. В правом верхнем углу путевки ставится штамп с надписью:
«Автомобиль проверен, исправен и пригоден для перевозки ВМ» с росписью
механика;
свидетельство (ДОПОГ) о допуске водителя к перевозке опасного груза;
аварийную карточку системы информации об опасности;
товарно-транспортную накладную;
адрес, телефоны должностных лиц, грузоотправителя, ответственных за
перевозку, дежурных частей органов ГИБДД МВД России, расположенных по маршруту
движения (находящихся в маршруте перевозки опасного груза).
При перевозке ВМ сопровождающее лицо несет ответственность за
транспортировку и организацию перевозки по данному маршруту или доставки ВМ к
месту работ со склада хранения в соответствии с "Правилами перевозки
опасных грузов автомобильным транспортом" и ЕПБ при взрывных работах.
Охрана ВМ в пути следования при перевозке со склада на места взрывных
работ осуществляется Батальоном дорожно-патрульной службы г. Лабинска,
специализированного полка ДПС ГИБДД ГУВД Краснодарского края.
Руководитель взрывных работ обязан своевременно обеспечить правильность
оформления документов по отпуску и использованию ВМ, выпуск на линию
автотранспорта для перевозки ВМ в соответствии с установленными требованиями,
охрану ВМ в пути и на местах работ, выписку ВМ по фактической потребности,
использование ВМ по прямому назначению, возврат ВМ на склад в случае их не использования
на автотранспорте в сопровождении взрывника, на которого выписана
наряд-путевка, и охраны.
В случае возврата ВМ, руководитель ВР совместно с взрывником доставляет
ВМ на том же транспорте на склад и производит сдачу. В случае отсутствия
заведующего складом, ВМ разгружаются на территории склада и остаются под
охраной взрывника, и милиции, а руководитель ВР принимает меры к розыску и
доставке заведующего склада для приемки ВМ.
В остальном, не предусмотренном настоящим проектом, по вопросам обеднения
сохранности ВМ при транспортировке и на местах работ, необходимо
руководствоваться "Едиными правилами безопасности при взрывных
работах" и "Правилами транспортировки опасных грузов автомобильным
транспортом"[2].
.6 Сохранность ВМ на местах работ
Доставленные к местам работ ВМ не должны оставляться без надзора или
охраны. ВМ до заряжания хранятся:
в опасной зоне в размерах сменной потребности;
вне опасной зоны в размере суточной потребности.
На массовых взрывах в пределах опасной зоны непосредственно у заряжаемых
выработках под охраной может находиться подлежащее заряжанию количество ВВ. При
этом средства взрывания хранятся в автомобиле, доставившем ВМ, в специальном
плотно скрывающемся и запертом на замок ящике, под надзором водителя
автомобиля.
ВМ, доставленные к местам работ, должны находиться в сумках или заводской
упаковке. При этом ВВ и СИ при хранении должны размещаться раздельно.
Заряженные скважины (шпуры) находятся под наблюдением взрывника. Цель охраны -
не допускать случаев хищения ВМ, а также заезда в зону заряжания посторонней
техники [11].
10. Охрана окружающей среды. Рекомендации
.1 Характеристика района расположения предприятия по уровню
загрязнения атмосферного воздуха
Существующее состояние воздушного бассейна в районе расположения ООО
«КУБАНЬ ГИПС ЮГ» в значительной степени определяется климатическими условиями,
так как именно они определяют степень способности атмосферы к самоочищению.
Площадка предприятия представляет собой вытянутый с севера на юг
многоугольник и ограничена с севера, востока и юга - пахотными землями, с
запада - крутыми склонами отрога. Генеральный план комбината разработан с
учётом размещения зданий (в том числе ДСЦ), имеющих выбросы вредных веществ в
атмосферу с подветренной стороны по отношению к господствующему направлению
ветра. Господствующими направлениями ветра являются: в холодный период года
-северо-восточное, в тёплый -юго-западное. Средняя скорость ветра в холодный
период года 7,8 м/сек, в тёплый - 3,0 м/сек.
Территория ООО «КУБАНЬ ГИПС ЮГ по потенциалу загрязнения атмосферы
относится к III зоне, которая характеризуется повторяемостью слабых ветров
20-30%, повторяемостью приземных инверсий 30-45% при их мощности от 0,3 до 0,6
км. Потенциал загрязнения атмосферы для этой зоны оценивается как умеренный.
Способность разложения в атмосфере вредных примесей определяется
количеством ультрафиолетовой радиации (для рассматриваемого района число часов
солнечного сияния - 1832 часов в год), а также частотой повторяемости некоторых
атмосферных явлений, таких, например как грозы (число дней с грозами - 38) и
оценивается как относительно благоприятная и благоприятная соответственно.
Способность вымывания из атмосферы вредных веществ и продуктов их
разложения определяется с помощью величины годовой суммы осадков, составляющих
для рассматриваемого района 800- 1400 мм в год и оценивается как благоприятная.
Самоочищающая способность территории по степени разбавления загрязняющих
веществ за счёт воспроизводства кислорода определяется относительной
лесистостью, которая для рассматриваемой территории составляет 75%. Таким
образом, биологическая продуктивность, адсорбирующая и фитонцидная способность
имеющегося в данном районе леса, обеспечивают благоприятное состояние
атмосферного воздуха.
Степень загрязнения атмосферы рассматриваемой территории определяется по
её фоновому загрязнению.
На основании данных, приведённых выше, общее состояние атмосферы
оценивается как относительно благоприятное.
.2 Санитарно-защитная зона
Согласно СанПиН 2.2.1/2.1.1.1200-03 «Санитарно-защитные зоны и санитарная
классификация предприятий, сооружений и иных объектов», карьер по разработке
Шедокского месторождения гипса ООО «КУБАНЬ ГИПС ЮГ»относится ко II классу
промышленных предприятий по добыче руд нерудных ископаемых (Предприятия по
добыче гипса) с нормативной санитарно-защитной зоной размером не менее 500
метров.
Размеры нормативной СЗЗ для предприятия не уточняются по «розе ветров»,
т.к. согласно выполненным расчетам рассеивания загрязняющих веществ от
источников неорганизованных выбросов проектируемого карьера, максимальные
расчетные приземные концентрации ЗВ на границах нормативной СЗЗ (500 м) не
превышают предельно-допустимые концентрации для воздуха населенных пунктов.
Нормативная СЗЗ (500 м) выдерживается.
10.3 Характеристика предприятия как источника загрязнения
атмосферы. Перечень загрязняющих веществ
Основными источниками загрязнения атмосферы при разработке и
рекультивации Шедокского месторождения гипса ООО «КУБАНЬ ГИПС ЮГ» являются
следующие источники неорганизованных выбросов:
- производство выемочно-погрузочных работ экскаваторами, карьерными
погрузчиками;
транспортировка горной массы карьерными автосамосвалами;
механическое дробление негабарита в забоях гидробутобоем на базе
гидравлического дизельного экскаватора;
буровые работы станками;
вспомогательные, отвальные и рекультивационные работы бульдозерами;
свежая поверхность отвалов вскрышных пород.
Источником залповых выбросов являются взрывные работы. Применяемое
ВВ-граммонит 79/21.
Наиболее вредными воздействиями на окружающую среду при проведении
взрывных работ являются:
сейсмическое воздействие;
распространение ударно-воздушных волн;
распространение пылегазовых выделений и тепла;
химическое воздействие.
Разработка гипсового месторождения сопровождается выбросами в атмосферу
следующих загрязняющих веществ: азота диоксида, сажи; серы диоксида, углерода
оксида, предельных углеводородов, бенз(а)пирена, взвешенных веществ
(неорганическая пыль гипса, суглинков, ПРГ).
Рекомендации по снижению выбросов загрязняющих веществ
С целью сокращения выбросов загрязняющих веществ в атмосферу от
источников неорганизованных выбросов при разработке и рекультивации Шедокского
месторождения гипса ООО «КУБАНЬ ГИПС ЮГ» рекомендуются следующие мероприятия:
полив технологических автодорог и рабочих площадок забоев и отвалов водой
в теплое и сухое время года;
орошение водой штабелей горных пород в забоях карьера и мест погрузки
горной массы в теплое сухое время года;
установка на дизельной технике каталитических нейтрализаторов.
В период неблагоприятных метеоусловий (НМУ) на предприятии
предусматриваются следующие организационно-технического мероприятия:
ограничение движения технологического автотранспорта;
запрещение длительной работы двигателей внутреннего сгорания
технологического оборудования на холостом ходу;
усиление контроля над техническим состоянием ДВС и топливной аппаратуры;
в теплое сухое время года усиленный полив водой технологических автодорог
и забоев в карьере и на отвале.
Производство взрывных работ на гипсовом карьере должно быть безопасным,
экономичным и, что особенно важно, экологичным, с минимальным выбросом
загрязняющих веществ в атмосферу.
К методам снижения сейсмического эффекта взрывов на гипсовом карьере
относится применение:
- короткозамедленного взрывания;
уменьшение массы заряда;
изменение конструкции заряда;
оптимальная ориентация взрываемой группы зарядов относительно охраняемого
объекта;
использование простейших типов ВВ.
Основным методом снижения воздействия воздушной ударной волны при
взрывании скважинных зарядов является обязательное обустройство забойки в
соответствии с расчетами [3].
10.4 Контроль за соблюдением нормативов предельно допустимый
выброс (ПДВ)
Производственно-экологический контроль за соблюдением нормативов ПДВ на
карьере осуществляется экологом предприятия ООО «КУБАНЬ ГИПС ЮГ»с привлечением
сторонних организаций, привлекаемых на договорных началах.
Контроль осуществляется в контрольных точках на границе
санитарно-защитной зоны или на источниках выброса загрязняющих веществ.
Предприятие ООО «КУБАНЬ ГИПС ЮГ» обязано составлять и согласовывать с
местным комитетом по гидрометеорологии и мониторингу окружающей среды
план-графики по контролю выбросов вредных веществ в атмосферу карьера.
Необходимо также контролировать соблюдение нормативов ПДВ на источниках
выбросов и на контрольных точках, особенно при неблагоприятных
метеорологических условиях (опасная скорость и направление ветра). В
соответствии с «ЕПБ при разработке месторождений полезных ископаемых открытым
способом» отбор проб для анализа качества воздуха производится не реже одного
раза в квартал и после каждого изменения технологии горных работ.
Продолжительность отбора проб загрязняющих веществ при определении
разовых концентраций составляет 20-30 минут. Отбор проб производится на высоте
1,5-3,5 метра от поверхности земли. В каждой точке последовательно отбирается
не менее пяти проб. Конкретные требования к способам средствам отбора различных
вредных веществ устанавливаются соответствующими нормативно-техническими
документам.
.5 Биологический этап рекультивации
После завершения работ по техническому этапу рекультивации гипсового
карьера рекомендуется производить комплекс мероприятий по биологическому
восстановлению нарушенных земель под пастбища (сенокосы), под лесонасаждения,
под залужение и высадку кустарника.
Учитывая то, что биологический этап рекультивации производится после
длительного хранения почвенно-растительного грунта на временном отвале в
течение 10 лет, для восстановления земель потребуется внесение повышенных доз
органно-минеральных удобрений (пастбище-сенокосы).
Биологический этап (цикл) рекультивации под пастбище продолжается в
течение 5 лет для достижения хорошего травостоя. За этот период
предусматриваются мероприятия по закреплению грунтосмеси от эрозии и
восстановлению ее биологической активности и структуры.
Сплошное облесение террас (предохранительных берм) производится в год
восстановления, а уход за сеянцами в течение первых четырех лет после посадки.
Биологический этап на выполненном откосе уступа по рыхлой вскрыше
производится залужением корневищными растениями викоовсяная смесь и донник.
.6 Охрана поверхностных и подземных вод от загрязнения и
истощения
Шедокское месторождение гипсов расположено в водоразделе рек Малой Лабы и
Шедоха, в 1,5км к западу от русла первой и приурочено к левому склону балки
Блокгауз. Все балки склонов долины р. М. Лаба и ее притоков, как правило, не
имеют постоянных водотоков. Лишь при обильном и длительном выпадении
атмосферных осадков в них появляются кратковременные потоки.
Гидрогеологические условия разработки Шедокского месторождения гипсов
простые. Депрессия в рельефе, окружающем месторождение, обеспечивает
естественный дренаж водоносных горизонтов до отметки +500 м.
Полезная толща гипсометрически выше подземных вод, залегающих в
оксфорд-кимериджских известняках, подстилающих толщу гипсов. Появление
подземных вод за весь период эксплуатации месторождения в карьере не
наблюдалось.
Рельеф местности обеспечивает сравнительно хороший поверхностный сток
атмосферных осадков, поэтому образование грунтовых вод типа верховодки,
мочажин, небольших заболачиваемых участков и оползневых явлений на
месторождении нет.
Отсутствие подземных вод в разрезе месторождения доказано бурением
скважин. В толще гипсов и ангидритов на всех горизонтах ни одна, из более, чем
100 разведочных скважин, не вскрыла постоянные водоносные горизонты.
Водных объектов возможного загрязнения рядом с гипсовым карьером и ДСЦ в
настоящее время не имеется. Поверхностные воды для производственных нужд в
карьере и ДСЦ не используются (истощения для целей карьера и ДСЦ нет).
На хозяйственно-бытовые нужды вода в карьер и ДСЦ забирается из
водопроводных сетей п. Псебай. Для производственных нужд используется водозабор
подземных вод технического качества расположенный в 0,5 км севернее п. Псебай.
Рекомендации по охране подземных вод
Для предупреждения загрязнения и истощения подземных вод на карьере
Шедокского месторождения гипса и территории ДСЦ на предприятии рекомендуются
следующие мероприятия:
сточные воды, образующиеся при хозяйственно-бытовом использовании питьевой
воды на карьере и ДСЦ, должны собираться в изолированных выгребах и вывозятся
на очистные сооружения;
в процессе разработки месторождения над зеркалом грунтовых вод оставлять
предохранительный породный целик мощностью 235 м, сложенный ангидритами с глинистыми
и гипсовыми прослоями; вскрытия подземных вод не будет, что исключает их
истощение;
в карьере и ДСЦ применять мобильную технику с дизельными двигателями,
требующими заправки дизтопливом. Для исключения пролива ГСМ и возможного
загрязнения подземных вод, заправка в карьере должна производится на специально
оборудованной площадке с помощью автозаправщиков с применением металлических
поддонов. Замена масла в механизмах техники применяемой в ДСЦ производится на
заводской промплощадке.
Таким образом, соблюдение мероприятий, изложенных выше, исключает
загрязнение и истощение подземных вод.
.7 Охрана почвы от загрязнения
В результате производственной деятельности и жизнедеятельности людей в
карьере и ДСЦ образовываются следующие опасные отходы:
I класса опасности - ртутные лампы, люминесцентные ртутьсодержащие трубки
отработанные и брак;
II класса опасности - аккумуляторы свинцовые отработанные неповрежденные,
с не слитым электролитом;
III класса - масла дизельные отработанные, масла индустриальные отработанные,
обтирочный материал, фильтрующие элементы воздушных и масляных фильтров;
IV класса - покрышки отработанные, мусор от бытовых помещений,
отработанная транспортёрная лента;
Отходы (осадки) из выгребных ям по мере накопления вывозятся на очистные
сооружения полной биологической очистки.
Рекомендации по охране почв от загрязнения производственными
отходами
Для предупреждения загрязнения почв карьера и территории ДСЦ
производственными отходами на предприятии рекомендуются следующие мероприятия:
размещение отходов в специально установленных местах в соответствии с
классом опасности веществ;
контроль за размещением отходов и соблюдение сроков их временного
хранения;
передача отходов для утилизации и размещения осуществляется на основании
договоров со специализированными организациями, имеющими лицензию в области
обращения с отходами.
11. Рекомендации по прогнозированию и предупреждению
возникновения наиболее вероятных чрезвычайных ситуаций
Все явления, создающие опасные ситуации для жизни и здоровья значительных
групп людей, объединены понятием чрезвычайные ситуации (ЧС).
На данной местности, где располагается ООО «КУБАНЬ ГИПС ЮГ» возможны
следующие чрезвычайные ситуации:
1. Чрезвычайные ситуации природного характера:
а) метеорологические и агрометеорологические опасные явления:
- сильный ветер (шквал);
смерч;
сильный дождь;
ливень;
продолжительные дожди;
сильный снегопад;
сильная метель;
сильные пыльные бури;
крупный град;
сильный гололёд (сложное отложение);
сильная жара;
сильный мороз;
сильный продолжительный туман;
суховей;
заморозки;
б) геологические опасные явления:
землетрясение;
оползень;
обвал;
карст;
суффозия;
эрозия овражная.
2. Чрезвычайные ситуации техногенного характера:
- пожар, взрыв и угроза взрыва горючих и взрывчатых веществ;
пожар на участке транспортирования опасных веществ автотранспортом;
внезапное обрушение сооружений.
3. Чрезвычайные ситуации антропогенного характера:
а) чрезвычайные ситуации, связанные с изменением состояния суши:
просадка, оползни, обвалы из-за выработки недр;
обрушение уступов и бортов карьера;
промышленные и бытовые свалки.
б) чрезвычайные ситуации, связанные с изменением состава и свойств
атмосферы, а именно её запылённость и загазованность.
Основной рекомендацией по предупреждению возникновения наиболее вероятных
ЧС является организация и проведение мониторинга и прогнозирования ЧС.
.1 Мониторинг и прогнозирование ЧС природного характера
Мониторинг и прогнозирование опасных геологических процессов
и явлений
Мониторинг геологической среды является составной частью мониторинга
окружающей природной среды (экологического мониторинга) и реализуется через
специализированную систему наблюдений - Единую государственную систему
экологического мониторинга (ЕГСЭМ), порядок функционирования которой
определяется соответствующим Положением, утвержденным Правительством России.
Мониторинг и прогнозирование опасных геологических явлений осуществляется
специализированными службами министерств, ведомств или специально
уполномоченными организациями, которые функционально, по своему назначению,
являются информационными подсистемами в составе единой государственной системы
предупреждения и ликвидации ЧС.
Основной задачей мониторинга и прогнозирования опасных геологических
явлений на территории промплощадки гипсового карьера и ДСЦ является
своевременное выявление и прогнозирование развития опасных геологических
процессов, влияющих на безопасное состояние геологической среды, в целях
разработки и реализации мер по предупреждению и ликвидации ЧС.
Источниками природных ЧС и, соответственно, объектами мониторинга и
прогнозирования опасных геологических явлений являются территории активного
проявления эндогенных (землетрясение) и экзогенных (оползень, обвал, карст,
суффозия, эрозия овражная) геодинамических процессов.
При организации наблюдательных сетей мониторинга должен быть выполнен
подготовительный этап работ по созданию специализированной картографической
основы для контролируемой территории (в форматах ГИС) в масштабах,
соответствующих уровню мониторинга, с целью оптимизации системы наблюдений и
оценки вероятных потерь (геологического риска) при воздействии опасного
геологического явления на промышленные объекты и работающий персонал ООО
«КУБАНЬ ГИПС ЮГ».
Система мониторинга и прогнозирования опасных геологических явлений:
организационная структура, объекты мониторинга, общая модель мониторинга,
модели развития опасных геологических явлений, комплекс технических средств,
методы наблюдения, обработки данных, анализа ситуаций и прогнозирования,
информационно-коммуникационная подсистема - должна соответствовать требованиям
ГОСТ Р 22.1.01-95 «Безопасность в чрезвычайных ситуациях. Мониторинг и
прогнозирование. Основные положения» [28].
Уполномоченные органы по проведению мониторинга и прогнозирования опасных
геологических явлений и процессов осуществляют сбор, обработку, обобщение,
накопление, хранение и распространение информации на местном (локальном),
региональном (территориальном), федеральном уровнях. Информационные системы
должны соответствовать требованиям ГОСТ Р 22.1.01-95 [28].
Мониторинг и прогнозирование опасных метеорологических
процессов и явлений
Мониторинг опасных метеорологических явлений и процессов является
составной частью государственного мониторинга и прогнозирования окружающей
природной среды.
Мониторинг опасных метеорологических явлений и процессов осуществляется
организациями, специально уполномоченными по проведению мониторинга окружающей
среды в целях своевременного выявления и прогнозирования развития негативных
процессов, влияющих на состояние окружающей природной среды, разработки и
реализации мер по предотвращению опасных последствий этих процессов.
Мониторинг опасных метеорологических явлений и процессов в районе
расположения ООО «КУБАНЬ ГИПС ЮГ» включает:
регулярные наблюдения за состоянием метеорологических явлений и
процессов, их количественными и качественными показателями;
сбор, хранение и обработку данных наблюдений;
создание и ведение банков данных.
Уполномоченные органы по проведению мониторинга и прогнозирования опасных
метеорологических явлений и процессов осуществляют сбор, обработку, обобщение,
накопление, хранение и распространение информации на местном (локальном),
региональном (территориальном), федеральном уровнях. Информационные системы
должны соответствовать требованиям ГОСТ Р 22.1.01-95 [28].
11.2 Мониторинг ЧС техногенного характера
Прогнозированием возможных техногенных ЧС на территории ООО «КУБАНЬ ГИПС
ЮГ» является выявление вероятности появления и развития ЧС и их последствий на
основе риска возникновения пожаров и взрывов, аварий, катастроф при разработке
и рекультивации Шедокского месторождения гипса и переработке гипсового камня в
ДСЦ.
Для предотвращения техногенных ЧС связанных с возникновением пожаров и
взрывов горючих и взрывчатых веществ необходимо обеспечивать контроль за
хранением и транспортировкой этих веществ. Контроль должен производиться
постоянно и осуществляться лицом на которое приказом или распоряжением по
предприятию возложены данные обязанности.
Транспортировка и хранение горючих и взрывчатых веществ должна
осуществляться в соответствии с требованиями нормативных документов.
Для осуществления мониторинга технологических процессов и процессов
обеспечения функционирования оборудования непосредственно в зданиях и
сооружениях потенциально опасного объекта (ДСЦ), и передачи информации об их
состоянии в дежурно-диспетчерские службы организации с целью оценки,
предупреждения и ликвидации последствий Дестабилизирующих факторов в реальном
времени может применяться структурированная система мониторинга и управления
инженерными системами зданий и сооружений (СМИС).
Применение СМИС в ДСЦ может обеспечивать контроль следующих основных
дестабилизирующих факторов:
возникновения пожара;
нарушения в подаче электроэнергии;
несанкционированного проникновения в служебные помещения;
повышение взрывоопасных концентраций газовоздушных смесей;
затопления помещений, дренажных систем и технологических приямков;
отклонений от нормативных параметров производственных процессов,
способных привести к возникновению чрезвычайных ситуаций;
изменения состояния инженерно-технических конструкций (конструктивных
элементов) объектов.
В состав СМИС должны входить следующие компоненты:
комплекс измерительных средств, средств автоматизации и исполнительных
механизмов;
многофункциональная кабельная система;
сеть передачи информации;
автоматизированная система диспетчерского управления инженерными
системами объектов;
административные ресурсы.
В комплекс измерительных средств должны входить: аналоговые и (или)
цифровые датчики контроля технологических параметров; электросчетчики; датчики
аварий с дискретными сигналами; датчики контроля изменения состояния инженерных
несущих конструкций; взрывоопасных концентраций газовоздушных смесей.
В комплекс средств автоматизации должны входить программируемые
логические контроллеры, обеспечивающие дистанционную передачу информации и
дистанционное управление исполнительными механизмами.
В качестве исполнительных механизмов следует использовать технические
средства, обеспечивающие дистанционное управление (клапаны, задвижки,
электроприводы, насосы и т.д.).
В многофункциональную кабельную систему включаются:
кабеленесущие конструкции;
электрические и слаботочные кабели;
коммутирующие устройства (кроссы, электрические шкафы).
В автоматизированную систему диспетчерского управления инженерными
системами здания входят:
сеть сбора информации от локальных систем автоматики;
серверы ввода-вывода;
локальная и (или) глобальная вычислительные сети;
рабочие станции диспетчеров;
программный комплекс.
К административным ресурсам относят:
организационные структуры, обеспечивающие эксплуатацию объектов;
эксплуатационно-техническую и распорядительную документацию;
документацию, регламентирующую взаимодействие с единой
дежурно-диспетчерской службой посёлка.
Заключение
Производство буровзрывных работ на гипсовом карьере должно быть
безопасным, экономичным и, что особенно важно, экологичным, с минимальным
выбросом загрязняющих веществ в атмосферу.
В результате исследования было установлено оптимальное соотношение массы
зарядов и сейсмического действия взрыва, при минимизации негативного
воздействия на окружающую среду.
Согласно выполненным расчетам рассеивания загрязняющих веществ от
источников неорганизованных выбросов проектируемого карьера, максимальные
расчетные приземные концентрации ЗВ на границах нормативной СЗЗ (500 м) не
превышают предельно - допустимые концентрации для воздуха населенных пунктов.
Нормативная СЗЗ (500 м) выдерживается.
С целью сокращения выбросов загрязняющих веществ в атмосферу от
источников неорганизованных выбросов при разработке и рекультивации Шедокского
месторождения гипса ООО «КУБАНЬ ГИПС ЮГ» рекомендуются следующие мероприятия:
полив технологических автодорог и рабочих площадок забоев и отвалов водой
в теплое и сухое время года;
орошение водой штабелей горных пород в забоях карьера и мест погрузки
горной массы в теплое сухое время года;
установка на дизельной технике каталитических нейтрализаторов.
В период неблагоприятных метеоусловий (НМУ) на предприятии
предусматриваются следующие организационно-технического мероприятия:
ограничение движения технологического автотранспорта;
запрещение длительной работы двигателей внутреннего сгорания
технологического оборудования на холостом ходу;
усиление контроля над техническим состоянием ДВС и топливной аппаратуры;
в теплое сухое время года усиленный полив водой технологических автодорог
и забоев в карьере и на отвале.
К методам снижения сейсмического эффекта взрывов на гипсовом карьере
относится применение:
короткозамедленного взрывания;
уменьшение массы заряда;
изменение конструкции заряда;
оптимальная ориентация взрываемой группы зарядов относительно охраняемого
объекта;
использование простейших типов ВВ.
Основным методом снижения воздействия воздушной ударной волны при
взрывании скважинных зарядов является обязательное обустройство забойки в
соответствии с расчетами.
Список использованных источников
1. Технические
правила ведения взрывных работ на дневной поверхности (ВСН 281-71). - М.:
Недра, 1972.- 240 с.
2. Правила
безопасности при перевозке взрывчатых материалов автомобильным транспортом (ПБ
- 13-78-94).
. Единые
правила безопасности при взрывных работах (ПБ 13-407-01).
. Методические
указания по расчету неорганизованных выбросов пыли и вредных газов в атмосферу
при взрывных работах на карьерах горно-химических предприятий, Люберцы, 1987.
-19 с.
. Нормативный
справочник по буровзрывным работам / Ф.А. Авдеев, В.Л. Барон, Н.В. Гуров, В.Х.
Кантор. - 5-е изд., перераб. и доп.- М.: Недра, 1986.- 510 с.
. Методика
расчета вредных выбросов (сбросов) для комплекса оборудования открытых горных
работ(на основе удельных показателей), Люберцы, 1999.- 68 с.
. ВСН
490-87 Проектирование и устройство свайных фундаментов и шпунтовых ограждений в
условиях реконструкции промышленных предприятий и городской застройки. Минмонтажспецстрой
СССР. М. 1988.-33 с.
. СП
50-102-2003 Свод правил по проектированию и строительству. Проектирование и
устройство свайных фундаментов. М. 2003. - 113 с.
. ГОСТ
19912-001 Грунты. Методы полевых испытаний статическим и динамическим
зондированием. М. 2001.
10. СП
11-105-97 Свод правил по инженерным изысканиям для строительства.
Инженерно-геологические изыскания для строительства. Часть. I. Общие правила
производства работ. М. 2003. - 48 с.
11. Единые
правила безопасности при разработке месторождений полезных ископаемых открытым
способом (ПБ 03-498-02).
Приложение А
Датчик 3, канал 7: направление Z- вертикальные колебания грунта (файл
PS071010.txt, отсчёт с 144000, обработка на 1024 точках)
а) Акселлерограмма (измеренные ускорения колебаний) рис. А.1
Рисунок
А.1 -Акселлерограмма (вертикальные колебания грунта)
б)
Амплитудный спектр сигнала
Рисунок
А.2 -Амплитудный спектр сигнала (вертикальные колебания грунта)
в)
Расчетная велосиграмма (расчётная скорость колебаний по ускорениям)
Рисунок
А.3 -Расчетная велосиграмма (вертикальные колебания грунта)
Датчик
4, канал 12-X: направление Z- вертикальные колебания фундамента дома (файл
PS071010.txt, отсчёт с 144000, обработка на 1024 точках)
а)
Акселлерограмма (измеренные ускорения колебаний)
Рисунок
А.4 -Акселлерограмма (вертикальные колебания фундамента)
б)
Амплитудный спектр сигнала
Рисунок
А.5 -Амплитудный спектр сигнала (вертикальные колебания фундамента)
в)
Расчетная велосиграмма (расчётная скорость колебаний по ускорениям)
Рисунок
А.6 -Расчетная велосиграмма (вертикальные колебания фундамента)
Датчик
3, канал 9: направление Х - горизонтальные поперечные колебания грунта (файл
PS071010.txt, отсчёт с 144000, обработка на 1024 точках)
а)
Акселлерограмма (измеренные ускорения колебаний)
Рисунок А.7-Акселлерограмма (горизонтальные поперечные колебания грунта)
б) Амплитудный спектр сигнала
Рисунок
А.8 -Амплитудный спектр сигнала (горизонтальные поперечные колебания грунта)
в)
Расчетная велосиграмма (расчётная скорость колебаний по ускорениям)
Рисунок А.9 -Расчетная велосиграмма (горизонтальные поперечные колебания
грунта)
Датчик 4, канал 11-Y: направление X- горизонтальные поперечные колебания
фундамента дома (файл PS071010.txt, отсчёт с 144000, обработка на 1024 точках)
а) Акселлерограмма (измеренные ускорения колебаний)
Рисунок
А.10 - Акселлерограмма (горизонтальные поперечные колебания фундамента)
в) Расчетная велосиграмма (расчётная скорость колебаний по ускорениям)
Рисунок
А.11-Расчетная велосиграмма (горизонтальные поперечные колебания фундамента)
Датчик
3, канал 8: направление Y- горизонтальные продольные колебания грунта (файл
PS071010.txt, отсчёт с 144000, обработка на 1024 точках)
а)
Акселлерограмма (измеренные ускорения колебаний)
Рисунок
А.12-Акселлерограмма (горизонтальные продольные колебания грунта)
б)
Амплитудный спектр сигнала
Рисунок
А.13 -Амплитудный спектр сигнала (горизонтальные продольные колебания грунта)
в)
Расчетная велосиграмма (расчётная скорость колебаний по ускорениям)
Рисунок
А.14-Расчетная велосиграмма (горизонтальные продольные колебания грунта)
Датчик
4, канал 10-Z: направление Y- горизонтальные продольные колебания фундамента
дома (файл PS071010.txt, отсчёт с 144000, обработка на 1024 точках - сигнал
слабый)
а)
Акселлерограмма (измеренные ускорения колебаний)
Рисунок
А.15-Акселлерограмма (горизонтальные продольные колебания фундамента)
б)
Амплитудный спектр сигнала
Рисунок
А.16-Амплитудный спектр сигнала (горизонтальные продольные колебания
фундамента)
в)
Расчетная велосиграмма(расчётная скорость колебаний по ускорениям)
Рисунок
А.17-Расчетная велосиграмма (горизонтальные продольные колебания фундамента)