Разработка электропривода печатной секции флексографской печатной машины фирмы 'Сигма'

  • Вид работы:
    Курсовая работа (т)
  • Предмет:
    Другое
  • Язык:
    Русский
    ,
    Формат файла:
    MS Word
    1,24 Мб
  • Опубликовано:
    2013-10-27
Вы можете узнать стоимость помощи в написании студенческой работы.
Помощь в написании работы, которую точно примут!

Разработка электропривода печатной секции флексографской печатной машины фирмы 'Сигма'

Введение

В данном курсовом проекте будет разработан электропривод печатной секции флексографской печатной машины фирмы «СИГМА».

Машина «СИГМА» предназначается для выполнения полного цикла изготовления этикеток, наклеек, ярлыков, художественно - полиграфического оформления гибкой упаковки и другой аналогичной продукции методом флексографской печати. При этом используются эластичные фотополимерные печатные формы и жидкие быстровысыхающие спирторастворимые или водорастворимые краски.

Печать может осуществляться на бумаге или пленке, фольге, упаковочной оболочке и других материалах для упаковки и маркировки. Машина, за один проход выполняет печатание от одного до четырех цветов, высечку по любому контуру и смотку остатков бумаги после высечки (решетки) на отдельный вал, продольную разрезку отпечатанной продукции, обрезку края ленты. В процессе выполнения операции обеспечивается сушка краски после каждой печатной секции.

Помимо обязательных опций, машина может комплектоваться рядом устройств, для выполнения дополнительных функций:

-    печать на обратной стороне запечатываемого материала по схеме 4 цвета + 1 цвет за один проход за счет монтажа пятой печатной секции;

-       припрессовку защитной пленки (холодное ламинирование);

-       обработка материалов перед печатью высоковольтным коронным разрядом (за счет монтажа на коронатора на натяжном устройстве).

. Обоснование модернизации печатной машины «СИГМА»

Для модернизации данной машины были приведены следующие требования:

-    возможность регулирования скорости печати. Это обеспечивает гибкость технологического процесса;

-       возможность синхронизации частоты вращения цилиндров. Это обеспечивает точность приводки красок;

-       возможность вращения анилоксового валика в тот момент, когда работа мамины остановлена. Это позволяет постоянно перемешивать краску в красочной ванне, недавая ей застывать и выпадать в осадок;

-       сокращение количества механических узлов и передач. Это повышает общий КПД машины, увеличивает надежность, упрощает обслуживание.

2. Расчет усилия прижима между цилиндрами

Рассмотрим систему анилоксовый валик - формный цилиндр. Максимальное давление анилоксового валика Pmax на форму не должно превышать значения 0.1 Н/мм2.

Свойства печатной формы:

δ = 1.98 мм;

m = 0.95;

E = 1.5 МПа.

Рассчитываем максимальное значение деформации печатной формы:

,(2.1)

 м.(2.2)

Рассчитываем значение ширины полосы контакта анилоксового валика с печатной формой:

,(2.3)

где R1 - радиус анилоксового валика, м;

R2 - радиус формного цилиндра, м.

 м.(2.4)

Рассчитываем усилие прижима между анилоксовым валиком и формным цилиндром:

,(2.5)

где L - длина образующей формного цилиндра, м.

 Н.(2.6)

3. Расчет усилия прижима ракеля

Рассмотрим систему анилоксовый валик-ракель, представленную на рисунке 3.1.

Рисунок 3.1 - Система анилоксовый валик-ракель

Составим систему уравнений в проекциях на координатные оси.

Ось OY:

,(3.1)

где N - нормальная реакция опоры поверхности анилоксвого валика, Н;

Fд - среднее нормализованное значение прижима ракеля к анилоксовому валику, Н (принимается 50 - 55 Н).

Из уравнения (3.1) следует:

.(3.2)

Ось ОХ:

,(3.3)

где Fт - сила тяги от электропривода, Н;

Fтр - сила трения, Н.

Сила трения определяется по следующей формуле:

, (3.4)

где µ - коэффициент трения скольжения (равен 0.15).

Подставив равенство (3.2) в формулу (3.4) получим:

.(3.5)

Следовательно, формула (3.5) и будет определять усилие прижима ракеля к анилоксовому валику:

 Н (3.6)

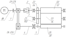
4. Кинематический расчет привода

Рисунок 4.1 - Кинематическая схема привода

Для расчета угловых скоростей ω2, ω3 и ω5 приведем схему зацепления всех валов печатной секции.

Рисунок 4.2 - Схема зацепления валов печатной секции

Так как нам известна линейная скорость печати υ, равная 80 м/мин, воспользуемся следующей зависимостью:

, (4.1)

где ω - угловая скорость цилиндра (вала), рад/с;

υ - линейная скорость печати, мм/с;

R - радиус цилиндра, мм.

Тогда:

,(4.2)

 рад/с,(4.3)

,(4.4)

 рад/с,(4.5)

,(4.6)

 рад/с,(4.7)

 рад/с.(4.8)

Угловая скорость ω1 рассчитывается по следующей формуле:

,(4.9)

где i41 - передаточное отношение ременной передачи.

Передаточное отношение ременной передачи i41 выбирается равным передаточному отношению зубчатой передачи i32:

,(4.10)

где Z2 - количество зубьев шестерни, находящейся на валу печатного цилиндра;

Z3 - количество зубьев шестерни, находящейся на валу формного цилиндра.

(4.11)

Тогда угловая скорость ω1 равна:

 рад/с. (4.12)

Угловая скорость двигателя ωдв будет равна угловой скорости ω1:

 рад/с. (4.13)

Определяем частоту вращения n всех валов электропривода по следующей формуле:

, (4.14)

 об/мин, (4.15)

 об/мин, (4.16)

 об/мин, (4.17)

 об/мин, (4.18)

 об/мин, (4.19)

Определяем передаточное отношение между анилоксовым валиком и формным цилиндром:

.(4.20)

Определяем передаточное отношение между формным и печатным цилиндрами:

(4.21)

5. Расчет крутящих моментов на валах электропривода

Ориентировочный крутящий момент Tор5 должен быть равен или больше суммы моментов сопротивления движению прижима ракеля к анилоксовому валику Mс п.р., и прижима между анилоксовым валиком и формным цилиндром Mс п.а-ф:

.(5.1)

Момент сопротивления движению прижима ракеля рассчитывается по формуле:

,(5.2)

 Н×м.(5.3)

Момент сопротивления движению прижима между анилоксовым валиком и формным цилиндром рассчитывается по формуле:

,(5.4)

 Н×м.(5.5)

Ориентировочный крутящий момент на валу 5 равен:

 Н×м.(5.6)

С учетом дополнительных потерь за счет трения в подшипниках, пережатия прижима ракеля, а так же коэффициента запаса, крутящий момент T5 будет определяться:

,(5.7)

где s - коэффициента запаса, (принимается равным 1.2);

hп.п. - коэффициент полезного действия одной пары подшипников, определяют по таблице 2.1 учебника [1].

 Н×м.(5.8)

Крутящий момент T3 рассчитывается по формуле:

,(5.9)

где hф.п. - коэффициент полезного действия фрикционной передачи, определяют по таблице 2.1 учебника [1].

 Н×м.(5.10)

Крутящий момент T2 рассчитывается по формуле:

,(5.11)

где hз.п. - коэффициент полезного действия зубчатой передачи, определяют по таблице 2.1 учебника [1].

 Н×м.(5.12)

Крутящий момент T4 рассчитывается по формуле:

,(5.13)

где hм - коэффициент полезного действия муфты, определяют по таблице 2.1 учебника [1].

 Н×м.(5.14)

Крутящий момент T1 рассчитывается по формуле:

,(5.15)

где hр.п. - коэффициент полезного действия ременной передачи, определяют по таблице 2.1 учебника [1].

 Н×м.(5.16)

Крутящий момент двигателя Tдв рассчитывается по формуле:

,(5.17)

 Н×м.(5.18)

6. Расчет мощности на валах электропривода

Мощность P на валу определяется следующим выражением:

,(6.1)

где T - крутящий момент на валу, Н×м;

ω - угловая скорость на валу, рад/с.

Тогда:

,(6.2)

 Вт,(6.3)

,(6.4)

 Вт,(6.5)

,(6.6)

 Вт,(6.7)

,(6.8)

 Вт,(6.9)

,(6.10)

 Вт,(6.11)

,(6.12)

 Вт.(6.13)

7. Выбор электродвигателя

Выбор двигателя будем производить в соответствии с требуемой мощностью, номинальным моментом и частотой вращения.

Учитывая эти параметры, выбираем серводвигатель APM SC05D. Технические характеристики этого серводвигателя приведены в таблице 7.1.

Таблица 7.1

Технические характеристики серводвигателя APM SC05D

Параметр

Значение

Размер фланца, мм

80

Номинальная мощность, кВт

0.45

Номинальный момент, Н×м

4.15

Максимальный момент, Н×м

6.44

Номинальная скорость, об/мин

2000

Максимальная скорость, об/мин

3000

Момент инерции, кг×м2×10-4

1.092

Датчик скорости

инкрементальный 2500 имп/об

Датчик позиции

абсолютный 11-13 бит

Режим работы

продолжительный

Температурный диапазон, °С

работа: 0 - 40°С, хранение: 20 - 80 °С

Масса, кг

2.52


8. Выбор электромагнитной муфты

Для выбора электромагнитной муфты надо учесть следующие параметры:

-    номинальный передаваемый крутящий момент должен быть не менее 1.426 Н×м;

-       муфта должна характеризоваться малым временем включения и отключения;

-       габариты и масса электромагнитной муфты должны быть как можно меньше.

Исходя из перечисленных параметров, выбираем одноповерхностную муфту бесконтактного исполнения ЕСМ 1 - 2.5.

Муфты ЕСМ 1 имеют в наличии составной магнитопровод, образуемый корпусом, катушкодержателем, в котором расположена катушка и якорем, к которому тремя заклёпками приклёпана пружинная диафрагма. Диафрагма с помощью трех винтов крепится к исполнительному механизму. Корпус и катушкодержатель разделены так называемыми балластными зазорами. Катушкодержатель монтируется неподвижно. Благодаря наличию зазора снижается теплопередача от фрикционного диска к катушке, что обуславливает высокую эксплуатационную надёжность бесконтактных муфт при тяжёлых режимах работы.

При включении катушки рабочий магнитный поток замыкается по контуру, якорь притягивается к полюсам корпуса, и между ними возникает фрикционное сцепление. Момент передаётся по цепи: корпус - якорь - диафрагма - исполнительный механизм. При отключении муфты пружинная диафрагма быстро расцепляет корпус и якорь.

Технические характеристики одноповерхностной муфты бесконтактного исполнения ЕСМ 1 - 2.5 приведены в таблице 8.1.

Таблица 8.1

Технические характеристики одноповерхностной муфты бесконтактного исполнения ЕСМ 1-2.5

ПараметрЗначение


Номинальный момент, Н×м

3

Мощность катушки, Вт

6

Сопротивление катушки, Ом

77

Максимальная скорость, об/мин

8000

Время включения, с

0.03

Время отключения, с

0.04

Габариты, мм

60×24

Масса, кг

0.25

9. Расчет зубчато-ременной передачи

9.1 Проектировочный расчет

Проектировочный расчет передачи выполняют по условию тяговой способности ремня в следующей последовательности:

. Определяют расчетное значение модуля mp ремня по формуле:

,(9.1)

где P1 - мощность на валу ведущего шкива, кВт;

n1 - частота вращения вала ведущего шкива, об/мин.

 мм.(9.2)

Полученное значение округляют до ближайшего стандартного значения модуля m по таблице 7.12 учебника [1]:  мм (9.3)

. Определяют диаметр ведущего D1 и ведомого D2 шкива по формулам:

,(9.4)

,(9.5)

где Z1 - количество зубьев на ведущем шкиве, определяют по таблице 7.13 учебника [1]:

;(9.6)

Z2 - количество зубьев на ведомом шкиве, определяемое по формуле:

,(9.7)

.(9.8)

Полученное значение округляют до целого:

,(9.9)

 мм,(9.10)

 мм.(9.11)

3. Определяют межосевое расстояние aр между шкивами

В нашем случае межосевое расстояние между шкивами нам известно. Оно равно межосевому расстоянию между печатным цилиндром и анилоксовым валиком с учетом небольшого зазора между формным цилиндром и анилоксовым валиком.

 мм (9.12)

. Определяют расчетное количество зубьев ремня Zp по формуле:

,(9.13)

где tp - шаг ремня, мм, определяют по таблице 7.12 учебника [1]:

 мм,(9.14)

.(9.15)

Полученное значение количества зубьев округляют до целого в большую сторону по таблице 7.14 учебника [1]: .(9.16)

. Определяют действительную длину ремня L по формуле:

, (9.17)

 мм.(9.18)

6. Уточняют межосевое расстояние ау для принятой длины ремня по формуле:

,(9.19)

 мм.(9.20)

7. Определяют количество зубьев Z0, находящихся в зацеплении с меньшим шкивом по формуле:

, (9.21)

где α1 - угол охвата меньшего шкива, определяемый по формуле:

, (9.22)

, (9.23)

. (9.24)

8. Определяют расчетное значение ширины ремня bр по формуле:

, (9.25)

где Ft - окружная сила, Н, определяемая по формуле:

,(9.26)

 Н;(9.27)

[Wt] - удельная окружная сила при заданных условиях работы, Н/мм, определяемая по формуле:

,(9.28)

где W0 - удельная окружная сила, передаваемая при спокойной работе и передаточном числе i41 ≥ 1 и Z0 ≥ 6, Н/мм, определяют по таблице 7.13 учебника [1]:

 Н/мм;(9.29)

Kp - коэффициент режима работы, определяют по таблице 7.3 учебника [1]: ;(9.30)

K0 - коэффициент, вводимый при наличии натяжных или направляющих роликов (при одном ролике K0 = 0.9).

 Н/мм;(9.31)

q - масса 1 м длины ремня шириной 10 мм, кг/(10 мм×м), определяют по таблице 7.13 учебника [1]:

 кг/(10 мм×м);(9.32)

v - скорость ремня, м/с, определяемая по формуле:

,(9.33)

 м/с,(9.34)

 мм.(9.35)

Полученное значение ширины ремня округляют до стандартного для принятого модуля по таблице 7.16 учебника [1]:  мм.(9.36)

При этом должно выполняться следующее условие:

 мм,(9.37)

 мм.(9.38)

. Определяют силу Fв, действующую на валы передачи по формуле:

,(9.39)

 Н.(9.40)

10. Определяют силу предварительного натяжения ремня F0 по формуле:

,(9.41)

 Н.(9.42)

9.2 Расчет параметров шкивов зубчато-ременной передачи

Размеры профиля межзубной впадины шкивов (рисунок 9.2.1) определяют по таблице 8.13 учебника [1]:

Рисунок 9.2.1 - Основные параметры шкивов зубчато-ременных передач

где Sш - длина межзубной впадины, равная 3.2 мм;

hш - высота зуба шкива, равная 3 мм;

H - расстояние от нейтральной линии ремня до вершины зуба шкива, равное 0.6 мм;

r1 - радиус закругления зуба шкива, равный 0.7 мм;

r2 - радиус закругления межзубной впадины, равный 1 мм;

φ - угол наклона профиля зуба, равен 20°.

Делительный диаметр зубьев d по оси кордшнура равен:

, (9.43)

 мм, (9.44)

,(9.45)

 мм (9.46)

Диаметр вершин зубьев шкива d0 равен:

,(9.47)

где k1 - поправка на диаметр вершин зубьев для более равномерного нагружения зубьев, мм, определяют по таблице 8.14 учебника [1]:

 мм,(9.48)

 мм,(9.49)

,(9.50)

где k2 - поправка на диаметр вершин зубьев для более равномерного нагружения зубьев, мм, определяют по таблице 8.14 учебника [1]:

 мм,(9.51)

 мм.(9.52)

Диаметр впадин зубьев шкива df равен:

,(9.53)

 мм,(9.54)

,(9.55)

 мм.(9.56)

Шаг по диаметру вершин зубьев tш равен:

,(9.57)

 мм,(9.58)

,(9.59)

 мм.(9.60)

Ширину обода шкива bш определяют по формуле:

,(9.61)

 мм.(9.62)

Для предотвращения осевого сползания ремня шкивы изготавливают с ребордами. Так как

, (9.63)

 мм, (9.64)

 мм, (9.65)

то реборды выполняют на одном из шкивов, как правило меньшего диаметра. Для модуля m ≤ 7 высоту реборда a принимают равной модулю m:

 мм (9.66)

Диаметр вала dв определяется по формуле:

,(9.67)

где [τk] - пониженное допускаемое напряжение кручения, Н/мм2:

 Н/мм2,(9.68)

 мм.(9.69)

Так как диаметр вала электродвигателя равен 16 мм, и он соединяется с валом 1 втулочной муфтой со штифтами, принимаем:

 мм,(9.70)

,(9.71)

 мм.(9.72)

Принимаем мм.

Принятые значения диаметров валов соответствуют ряду диаметров по ГОСТ 6639.

Диаметр ступицы dст определяют по формуме:

,(9.73)

 мм,(9.74)

,(9.75)

 мм.(9.76)

Диаметр окружности центров dц крепежных винтов определяют по формуле:

,(9.77)

 мм.(9.78)

Диаметр крепежных винтов dвинта определяют по формуле:

,(9.79)

 мм.(9.80)

Длину крепежных винтов lвинта определяют по формуле:

,(9.81)

 мм.(9.82)

привод электродвигатель зубчатый ременной

10. Расчет пружины растяжения

Для расчета пружины воспользуемся электронным приложением к пакету КОМПАС 3D V12 «Справочник конструктора».

Расчет представим в виде таблицы 10.1.

Расчет пружины растяжения

Параметр

Обозначение

Значение

Наружный диаметр, мм

D1

5.5

Внутренний диаметр, мм

D2

3.3

Диаметр проволоки, мм

d

1.1

Рабочий ход, мм

h

29.08

Усилие предварительной деформации, Н

F1

0

Рабочее усилие, Н

F2

203.911

Усилие максимальной деформации, Н

F3

224

Шаг, мм

t

1.1

Число рабочих витков

n

49

Длина пружины в свободном состоянии, мм

L0

55

Длина пружины при предварительной деформации, мм

L1

55

Длина пружины при рабочей деформации, мм

L2

84.08

Длина пружины при максимальной деформации, мм

L3

85.825

Максимальное касательное напряжение пружины, МПа

TAU3

1565.744

Жесткость одного витка, Н/мм

C1

168.5

Наибольший прогиб одного витка, мм

s1

0.63

Жесткость пружины, Н/мм

C

3.439

Масса пружины, кг

M

0.00628


По ГОСТ 13770 - 86 выбираем пружину растяжения № 311 класс 2 разряд 1.

11. Расчет валов

11.1 Расчет вала 1

Конструкция вала 1 изображена на рисунке 11.1.1.

Рисунок 11.1.1 - Конструкция вала 1

Расчет диаметра вала под насаживаемую деталь dв1 был представлен выше:  мм (11.1)

Диаметр буртика dв2 определяют по формуле:

,(11.2)

 мм.(11.3)

Диаметр вала под поводок dв3 определяют по формуле:

, (11.4)

 мм (11.5)

Полученные значения диаметров валов соответствуют ряду диаметров по ГОСТ 6639.

11.2 Расчет вала 4

Конструкция вала 4 изображена на рисунке 11.2.1.

Рисунок 11.2.1 - Конструкция вала 4

Расчет диаметра вала под насаживаемую деталь dв1 был представлен выше:  мм (11.6)

Диаметр буртика dв2 определяют по формуле:

,(11.7)

 мм.(11.8)

Диаметр вала под муфту dв3 определяют по формуле:

, (11.9)

 мм (11.10)

Полученные значения диаметров валов соответствуют ряду диаметров по ГОСТ 6639.

12. Расчет шпонок

Сечение шпонки (рисунок 12.1) выбирают в зависимости от диаметра вала по таблице 11.4 учебника [1]. Длину шпонки lш выбирают по длине ступицы lст с округлением в меньшую сторону до стандартной:

. (12.1)

Рисунок 12.1 - Соединение детали и вала с помощью шпонки

После определения размеров шпонки производят проверочный расчет соединения по напряжениям смятия:

, (12.2)

где Т - крутящий момент на валу, Н·мм;- диаметр вала в месте посадки шпонки, мм;р - рабочая длина шпонки, мм;

(h - t1) - сминаемая высота шпонки, мм;- количество шпонок;

см] - допускаемое напряжение смятия, Н/мм2: при чугунной ступице 50-80 МПа.

Для шпонки со скругленными торцами рабочая длина шпонки lр определяется по формуле:

,(12.3)

где b - ширина шпонки, мм.

12.1 Расчет шпонки под ведущий шкив

Выбираем сечение шпонки: b = 5 мм, h = 5 мм, t1 = 3 мм, t2 = 2.3 мм.

Определяем длину шпонки lш:

 мм.(12.4)

Так как шпонка со скругленными торцами, ее рабочая длина lр будет равна:

 мм.(12.5)

Производим проверочный расчет соединения по напряжениям смятия:

 МПа, (12.6)

 Мпа (12.7)

Условие выполняется.

12.2 Расчет шпонки под ведомый шкив

Выбираем сечение шпонки: b = 4 мм, h = 4 мм, t1 = 2.5 мм, t2 = 1.8 мм.

Определяем длину шпонки lш:

 мм.(12.8)

Так как шпонка со скругленными торцами, ее рабочая длина lр будет равна:

 мм.(12.9)

Производим проверочный расчет соединения по напряжениям смятия:

 МПа,(12.10)

 МПа.(12.11)

Условие выполняется.

12.3 Расчет шпонки под электромагнитную муфту

Выбираем сечение шпонки: b = 5 мм, h = 5 мм, t1 = 3 мм, t2 = 2.3 мм.

Определяем длину шпонки lш:

 мм (12.12)

Производим проверочный расчет соединения по напряжениям смятия:

 МПа,(12.13)

 МПа.(12.14)

Условие выполняется.

12.4 Расчет шпонки под поводок

Выбираем сечение шпонки: b = 5 мм, h = 5 мм, t1 = 3 мм, t2 = 2.3 мм.

Определяем длину шпонки lш:

 мм.(12.15)

Производим проверочный расчет соединения по напряжениям смятия:

 МПа,(12.16)

 МПа.(12.17)

Условие выполняется.

13. Расчет втулочных муфт со штифтами

На работу муфты существенно влияют толчки, удары и колебания, обусловленные характером работы приводимого в движение механизма. Поэтому расчет муфты ведут не по номинальному крутящему моменту T, а по расчетному Tp по формуле:

, (13.1)

где kp - коэффициент режима работы, определяют по таблице 16.1 учебника [2]: (13.2)

Основными характеристиками муфт являются величина момента, на передачу которого муфта рассчитана, и диаметры соединяемых валов.

Втулочные муфты просты по конструкции и имеют малые габариты. Детали втулочных муфт изготавливают из стали 45.

Детали муфт проверяют на прочность.

Втулку проверяют на кручение по формуле:

,(13.3)

где d - диаметр соединяемых валов, мм;

D - диаметр втулки, мм;

[tк] - допускаемое напряжение на кручение, Н/мм2:

 Н/мм2.(13.4)

Штифты проверяют на срез по формуле:

, (13.5)

где dш - диаметр штифта, мм;

[tср] - допускаемое напряжение на срез для штифтов, Н/мм2:

 Н/мм2.(13.6)

13.1 Расчет втулочной муфты со штифтами, соединяющей вал электродвигателя и вал 1

Определяем расчетный крутящий момент Tp:

 Н×м (13.7)

Диаметр соединяемых валов d = 16 мм.

Принимаем втулочную муфту со штифтами по МН 1067 - 60 по таблице 16.2 учебника [2] со следующими параметрами: Tp = 16 Н×м, D = 28 мм, L = 45 мм, l = 10 мм, dш = 5 мм, lш = 28 мм.

Проверяем втулку на кручение:

 Н/мм2, (13.8)

 Н/мм2, (13.9)

 Н/мм2 (13.10)

Условие выполняется.

Проверяем штифты на срез:

 Н/мм2,(13.11)

 Н/мм2,(13.12)

 Н/мм2.(13.13)

Условие выполняется.

13.2 Расчет втулочной муфты со штифтами, соединяющей вал 4 и вал 5

Определяем расчетный крутящий момент Tp:

 Н×м.(13.14)

Диаметр соединяемых валов d = 10 мм.

Принимаем втулочную муфту со штифтами по МН 1067 - 60 по таблице 16.2 учебника [2] со следующими параметрами: Tp = 4.5 Н×м, D = 18 мм, L = 32 мм, l = 6 мм, dш = 3 мм, lш = 18 мм.

Проверяем втулку на кручение:

 Н/мм2,(13.15)

 Н/мм2,(13.16)

 Н/мм2.(13.17)

Условие выполняется.

Проверяем штифты на срез:

 Н/мм2,(13.18)

 Н/мм2,(13.19)

 Н/мм2.(13.20)

Условие выполняется.

14. Составление функциональной блочной схемы управления электроприводами

Сервопривод - это система привода, которая в широком диапазоне регулирования скорости обеспечивает динамичные, высокоточные процессы и обеспечивает хорошую их повторяемость.

Прогресс в областях электроники и используемых в электротехнике материалов изменили ситуации в технике привода. До сих пор в сервотехнике применялись в основном двигатели постоянного тока с постоянными магнитами.

Главный недостаток двигателей переменного тока по сравнению с двигателями постоянного тока состоит в ограниченной возможности регулирования скорости. Последние достижения в области электроники, особенно в микроконтроллерах, позволяют компенсировать этот недостаток путем использования современных средств управления.

В настоящее время происходит смещение акцентов в приводных системах от двигателей постоянного тока к двигателям переменного тока. Тенденция перехода к синхронным двигателям переменного тока особенно очевидна в сервосистемах, которые почти всегда выполнялись с использованием электроприводов постоянного тока.

Новые мощные постоянные магниты, изготовленные из сплавов неодим - железо - бора и самарий - кобальта благодаря их высокой энергоемкости, могут существенно улучшить характеристики двигателя при одновременным снижением массо-габаритных показателей электрических машин. В итоге улучшаются динамические характеристики привода и снижаются его габариты.

В современной приводной технике во многих случаях предъявляются высокие требования к:

-    погрешности позиционирования;

-       погрешности стабилизации скорости;

-       широкому диапазону регулирования;

-       стабилизации момента вращения;

-       перегрузочной способности;

-       высокой динамике.

Сервопреобразователь служит для регулирования скорости и момента серводвигателя. Сегодня это, как правило, преобразователь, имеющий дискретное управление и обладающий следующими преимуществами перед аналоговым:

-    длительный срок службы;

-       отсутствие дрейфа;

-       простые коммуникации с внешними устройствами;

-       легкое выполнение математических операций.

Сервопреобразователи выполняются в виде компактных преобразователей (так называемое моноблочное устройство), а также в модульном исполнении.

Рисунок 14.1 - Сервопреобразователь в модульном и компактном исполнении

Компактный преобразователь удобен тем, что поставляется в виде комплектного изделия. При этом отпадает необходимость дополнительных соединений между отдельными компонентами привода, что необходимо при модульном исполнении.

Рисунок 14.2 - Сервопреобразователь и серводвигатель

Преимущество модульного исполнения (в виде сетевого модуля и осевого модулей) состоит в возможности построения многодвигательного привода. При таком многоосевом использовании через один сетевой модуль могут работать несколько осевых модулей. При этом мощность сетевого модуля определяется суммарной мощностью подключенных осевых модулей.

Сетевой модуль Осевой модуль 1 Осевой модуль 2 Осевой модуль n

Рисунок 14.3 - Структура модульного сервопреобразователя

Сервопреобразователь в модульном исполнении состоит из:

-    сетевого модуля;

-       осевого модуля.

Сетевой модуль служит для обеспечения питанием подключаемых осевых модулей через промежуточный контур (звено постоянного тока) и для питания управляющей электроники. Он содержит также тормозной прерыватель или инвертор обратного тока, различные элементы защиты и коммуникационные интерфейсы (RS-232, RS-485, RS-422).

Осевой модуль регулирует скорость и момент одного серводвигателя. Он содержит необходимые для этого инвертор, управляющую электронику, жестко специализированные и свободно программируемые двоичные входы и выходы, аналоговые входы и выходы, выход для модели импульсного датчика и свободные места для дополнительных модулей (опций).

Количество осей, которые могут быть подключены к сетевому модулю, ограничивается:

-    мощностью сетевого модуля,

-       мощностью элементов для подключения к сети,

-       максимальной тормозной мощностью,

-       длиной проводников шины промежуточного контура (звена постоянного тока), проводов шины данных (помехозащищенность) и шин питания 24 В.

Последовательные интерфейсы

Через последовательный интерфейс RS-232, интегрированный в сетевой модуль, можно с помощью PC настраивать параметры осевых модулей. Интерфейс RS-232 служит для связи между двумя соединяемыми блоками, например, между PC и осевым модулем

Совместно с интегрированным в сетевой модуль интерфейсом RS-422, интерфейс RS-232 обеспечивает параметрирование до 31 - ой физической или 59-ти логических осей. Каждая ось должна иметь свой адрес.

Рисунок 14.4 - Связь через последовательные интерфейсы

Непосредственно для нашей модернизации будем использовать подключение сервопреобразователей через интерфейс RS-422. Серводвигатель имеет встроенный энкодер с разрешающей способностью 2500 имп/об. Энкодер - устройство, предназначенное для преобразования угла поворота вращающегося объекта (вала) в электрические сигналы, позволяющие определить угол его поворота. Одну печатную секцию выберем за главную. Сигналы с энкодера серводвигателя в главной печатной секции через интерфейс RS-422 поступают на сетевой модуль. В сетевом модуле сигналы преобразуются в управляющие одинаковые импульсы для остальных осевых модулей. Осевой модуль регулирует скорость и момент одного серводвигателя. Таким образом, обеспечивается синхронизация вращения печатных цилиндров и устройства намотки рулона.

Также имеется возможность задания разной скорости вращения для каждой печатных секций вручную (для печати на эластичных пленках), с помощью пульта управления расположенного на сетевом модуле.

Рисунок 14.5 - Пульт управления

Рисунок 14.6 - Подключение сервоприводов к интерфейсу RS-422

Рисунок 14.7 - Подключение модуля сервопривода к сети

Заключение

В результате курсового проекта была доказана возможность модернизации данного устройства. Был проведен поиск компонентов необходимых для физической реализации данного проекта. Таким образом, можно отметить, что переход к индивидуальному приводу позволяет увеличить точность устройства, и более экономично использовать энергоресурсы. Также это сократит количество механических узлов и передач, что повысит общий КПД машины, увеличит надежность, упростит обслуживание.

Список использованных источников

1. Детали машин и основы конструирования: Учеб. пособие по курсовому проектированию для студентов оч. и заоч. форм обучения / Сост. А.Ф. Дулевич и др. - Мн.: БГТУ, 2005. - 160 с.

2.      Проектирование полиграфических машин и систем обработки информации: пособие по курсовому проектированию для студентов специальности 1-36 06 01 «Полиграфическое оборудование и системы обработки информации» / С.А. Барташевич, В.П. Беляев, В.С. Юденков. - Минск: БГТУ, 2010. - 341 с.

.        Детали машин. Проектирование и расчет ременных передач и вариаторов: учеб.-метод. пособие для студентов инженерно - технических и химико - технологических специальностей / А.Ф. Дулевич, С.А. Осоко, А.Н. Никончук. - Минск: БГТУ, 2007. - 120 с.

.        Справочник по техническому черчению / Л.И. Новичихина. - 3-е изд., стереотип. - Мн.: Книжный Дом, 2008. - 320 с., ил.

Похожие работы на - Разработка электропривода печатной секции флексографской печатной машины фирмы 'Сигма'

 

Не нашли материал для своей работы?
Поможем написать уникальную работу
Без плагиата!
Без нейросетей!