Повышение живучести и многократности использования БЛА при автоматическом заходе на посадку путем формирования алгоритмов управления в нормальных условиях и в условиях ветра
СОДЕРЖАНИЕ
1. СПЕЦИАЛЬНАЯ ЧАСТЬ
.1 Анализ функционирования
систем автоматической посадки беспилотной авиации и постановка задачи дипломной
работы
.1.1 Анализ функционирования
систем автоматической посадки беспилотной авиации и известных подходов к задаче
автоматической посадки БЛА
.1.2 Актуальность дипломной
работы
.1.3 Цель дипломной работы и
постановка задачи
.1.4 Формирование логики
управления полетом БЛА в режиме захода на посадку
.2 Синтез линейного
регулятора управления боковым движением
.2.1 Метод АКОР
.2.2 Вычисление передаточных
чисел линейного регулятора
.3 Моделирование на ЭВМ
бокового движения ЛА
.3.1 Принципы компьютерного
моделирования
.3.2 Моделирование САУ в
среде MATLAB
.4 Идентификатор бокового
ветра с помощью фильтра Калмана
.5 Моделирование системы
управления посадкой вместе с идентификатором бокового ветра
Выводы по разделу
. ЭКОНОМИЧЕСКАЯ ЧАСТЬ
.1 Определение
целесообразности разработки программного продукта
.2 Определение трудоемкости и
затрат на создание алгоритма и ПП
.3 Календарное планирование
.4 Расчет заработной платы
персонала
.5 Определение затрат на
создание алгоритмов и ПП
.5.1 Заработная плата
основных исполнителей
.5.2 Расчет отчислений на
социальные нужды
.5.3 Расчет накладных
расходов
.5.4 Прочие расходы
.5.6 Цена предложения
.6 Определение и оценка
показателей экономической эффективности
Выводы по разделу
. Охрана труда и окружающей
среды
.1. Анализ условий труда на
рабочем месте при выполнении дипломной работы
.2 Мероприятия по снижению
влияния вредного фактора
.2.1 Расчет кондиционирования
воздуха производственного помещения
Выводы по разделу
ЗАКЛЮЧЕНИЕ
СПИСОК ЛИТЕРАТУРЫ
ПРИЛОЖЕНИЕ 1. Геометрические
характеристики БЛА
ПРИЛОЖЕНИЕ 2. Общая схема
моделирования БЛА в боковом канале
1.
СПЕЦИАЛЬНАЯ ЧАСТЬ
.1 Анализ
функционирования систем автоматической посадки беспилотной авиации и постановка
задачи дипломной работы
.1.1
Анализ функционирования систем автоматической посадки беспилотной авиации и
известных подходов к задаче автоматической посадки БЛА
Из всех режимов полета летательных аппаратов (ЛА) наиболее сложным и
напряженным является режим захода на посадку и непосредственно посадки. Связано
это, в первую очередь, с большой степенью аварийности ЛА на этом режиме,
вследствие быстротечности процесса посадки и очень высокой
нервно-психологической нагрузки экипажа. Данный режим имеет достаточно высокую
скоротечность и требует от экипажа уверенных, слаженных действий, быстрой
реакции на происходящие изменения. Время на заход на посадку и посадку занимает
не более 1-2% всего времени полета, однако на этот режим приходится более 50%
всех авиационных происшествий (АП). За последние 40 лет на этот режим пришлось
около 55% всех потерь. Трудности управления особенно возрастают в условиях
плохой видимости (туман, темнота), когда зрительное ориентирование затруднено
или невозможно [1].
Реализация автоматической посадки ЛА, что весьма актуально для
беспилотных летательных аппаратов (БЛА), представляет еще более сложную задачу.
В этом случае, вместо летчика бортовая система управления должна решать задачи
планирования действий, оценки текущего состояния и управления исполнительными
органами. При этом система управления (СУ) должна обеспечивать устойчивость,
малое время отработки больших отклонений, адаптивность к воздействию возмущений
и точность выхода в заданную точку приземления.
В соответствии с принятой ИКАО классификацией, различают три основные
категории посадки в зависимости от параметров метеоминимумов - дальности
видимости и высоты нижней границы облаков (таблица 1.1.1.1)
Таблица
1.1.1.1
Категории систем посадки (классификация ИКАО)
|
Классификационный параметр
|
Категории систем посадки
|
|
I
|
II
|
IIIa
|
IIIb
|
IIIc
|
|
Дальность видимости, м
|
800
|
400
|
200
|
50
|
0
|
|
Высота нижней границы облаков, м
|
60
|
30
|
30
|
0
|
0
|
Стоит пояснить, что системы посадки категории I обеспечивают автоматический возврат воздушного судна в район
аэродрома и снижение его по глиссаде до высоты 60 м над ВПП в условиях низкой
облачности. Системы посадки категории II обеспечивают автоматический возврат воздушного судна в район аэродрома и
движение его по глиссаде до высоты 30 м при еще более низкой облачности.
Системы посадки категории IIIb
обеспечивает автоматическую посадку ВС в условиях тумана. И, наконец, системы
посадки категории IIIс обеспечивают
автоматическую посадку ВС в условиях полного отсутствия видимости и
автоматическое движение его по рулежной дорожке к месту стоянки [2].
Как следует из таблицы 1.1.1.1, для автоматической посадки БЛА подходят
только системы посадки категории IIIb и
IIIc. В то же время абсолютное большинство
аэродромов России оснащено системами посадки, обеспечивающими посадку по
категории не выше I и лишь аэропорты
первого класса Домодедово, Внуково и Шереметьево, оборудованы системами,
обеспечивающими посадку по категории II.
Для начала, введем понятие подготовленной площадки. Вот типичное
требование из эксплуатационной документации к подобной площадке для спасения
БЛА тактического назначения [3]:
- подготовленная
площадка должна представлять собой ровную площадку с наклоном не более
, без заболоченных участков, участков с рыхлым грунтом
или песком, ям, глубоких колей от транспортных средств, столбов, деревьев,
кустарника, камней и иных предметов, о которые может повредиться БЛА при
посадке;
при
необходимости возможна очистка площадки от препятствий с помощью имеющихся в
наличии штатных и подручных средств;
прочность
грунта не менее 5кгс/см2;
- площадка не должна находиться ближе 100-150 м от границ “поле-лес” и
“суша - водная поверхность” в связи с сильной турбулентностью атмосферы вблизи
этих районов.
К настоящему моменту все известные способы посадки БЛА можно
классифицировать следующим образом:
на подготовленную площадку, дополнительно оборудованную
специализированными устройствами механического захвата;
- по-самолетному на подготовленную площадку, дополнительно
оборудованную радиотехническими средствами посадки;
по-самолетному на подготовленную, но необорудованную
радиотехническими средствами посадки площадку с использованием только бортового
комплекса измерительно-информационной аппаратуры;
на подготовленную, но необорудованную радиотехническими
средствами посадки площадку с использованием парашюта и шасси, как средства
амортизации.
Рассмотрим подробнее каждый из перечисленных способов посадки.
Посадка на подготовленную площадку, дополнительно оборудованную
специализированными устройствами механического захвата.
Примером может служить посадка БЛА захватом сетью. Сама сеть имеет
существенно меньшие, по сравнению с площадкой, размеры, однако весомы и
недостатки такой системы:
- ограничены
посадочная масса и скорости ЛА (
), что
связано с прочностными возможностями и размерами сети;
система
посадки в сеть требует специальной аппаратуры автоматического наведения,
включающей в себя бортовые ИК-излучатели и ИК-пеленгаторы, устанавливаемые на
сеть;
требуется
значительное время для развертывания и свертывания системы;
довольно
большие габариты сети улавливания, определяемые размерами БЛА, снижают
мобильность всего комплекса и повышают уровень демаскирующих признаков.
Наибольшие успехи в разработке таких наземных систем спасения БЛА были
достигнуты в середине 80-х гг. в США и ФРГ. Система, разработанная фирмой Lockheed США, размещается на одном армейском
грузовике, включает в себя вертикальную сеть размером 7x5 м и все необходимые элементы, позволяющие улавливать БЛА
массой до 180 кг. Даже поверхностное знакомство с одной из наиболее
отработанных систем данного класса дает представление о конструктивной и
эксплуатационной сложности, высокой стоимости системы, что во многом объясняет
причину того, что подобные системы не получили широкого распространения в
комплексах БЛА. Однако, вследствие уникальных эксплуатационных и технических
особенностей, с которыми приходится сталкиваться при запуске БЛА с кораблей,
этот способ спасения является пока наиболее приемлемым и целесообразным при
операциях с БЛА на море. И прежде всего он выгоден тем, что это - “сухой”
метод, в отличие от спуска аппарата на парашюте, который, чаще всего,
заканчивается посадкой в соленую воду и приводит тем самым к значительным
затратам на восстановительный ремонт аппарата. Кроме того, посадка аппарата на
воду ограничивает возможности маневра соединений кораблей, а если на корабле
нет вертолета и нужно спускать шлюпку, то в открытом море спасение может
оказаться невозможным.
Посадка по-самолетному на подготовленную площадку, дополнительно
оборудованную радиотехническими средствами посадки.
На подготовленную площадку посадка БЛА современных комплексов
осуществляется в ручном или автоматическом режимах. В первом случае посадка
аппарата осуществляется по командам специального члена экипажа комплекса -
“оператора посадки”, который визуально контролирует все этапы посадки и
управляет летательным аппаратом с помощью радиокоманд. Такой способ посадки
применяется в основном для сверхлегких и легких БЛА; возможен только в условиях
хорошей видимости в районе посадки и при наличии опытного, высококлассного
специалиста.
Автоматическая самолетная посадка может быть выполнена двумя способами.
Первый способ, применяемый в настоящее время, состоит в использовании
специальной аппаратуры, установленной на земле и на БЛА. Аппаратура,
расположенная на земле формирует световой луч (радиолуч), а датчики,
установленные на БЛА, вырабатывают сигналы пропорциональные отклонению центра
масс аппарата от сформированного луча. Бортовой вычислитель системы посадки
передает эту информацию вычислителю САУ для формирования соответствующих
отклонений рулевых поверхностей аппарата. Примером такой системы посадки может
служить применяемая на большинстве аэродромов ILS (Instrumental Landing
System) или система посадки “Максант”
(рис.1.1.1.1), предназначенная для посадки ЛА по II-IIIа категориям.
Она основана на высокоточном определении трех текущих координат БЛА (курса,
дальности и высоты) разностно-дальномерным способом. Для этого вокруг ВПП
устанавливается не менее 4 радиомаяков, излучающих кодированные радиосигналы.
Один из маяков - ведущий, остальные - переизлучающие, которые после приема
сигнала от ведущего маяка излучают свои собственные кодированные сигналы. На
борту БЛА устанавливается аппаратура приема всех этих сигналов и их обработки.
Она выполнена в двух вариантах:
с пеленгатором, обеспечивающим привод БЛА в зону посадки, когда после
выполнения задания БЛА не может выйти в зону посадки с помощью широко
используемых в настоящее время систем GPS/ГЛОНАСС (например, когда эти системы подавлены средствами
радиолокационного противодействия);
- без пеленгатора, т.е. когда привод БЛА в зону посадки
осуществляется, например, с помощью систем GPS/ГЛОНАСС.
Для осуществления посадки в бортовой аппаратуре измеряются разности
времен прихода сигналов радиомаяков на БЛА. По результатам измерения и
известным координатам наземных маяков в бортовом процессоре БЛА вычисляются координаты
БЛА относительно точки посадки. В процессор перед полетом закладывается
желаемая траектория снижения (глиссада). Вычисляемые на борту координаты БЛА
относительно точки посадки позволяют определить отклонение БЛА от желаемой
глиссады в каждый момент времени и на основании этого отклонения выработать
команды управления БЛА для вывода его на заданную глиссаду. Тем самым
выдерживается заданная траектория снижения. Точность системы посадки
достигается за счет оптимального расположения радиомаяков, найденного ансамбля
кодированных сигналов радиомаяков, имеющих сверхнизкие боковые лепестки авто- и
кросскорреляционных функций, оптимальных алгоритмов обработки результатов
измерений в бортовом процессоре.
Рис. 1.1.1.1 Схема реализации системы посадки “Максант”
Данная система посадки обладает следующими преимуществами:
точности (2σ) в точке посадки и на торце ВПП: по курсу (ось Y на рис. 1.1.1.1) - порядка 1 м; по
дальности (ось X на рис. 1.1.1.1)
- порядка 1,4 м; по высоте (ось Z на
рис. 1.1.1.1) - порядка 1,5 м;
- одновременное обслуживание неограниченного количества БЛА;
независимость от погодных условий, переотражений от местных
предметов и подстилающей поверхности;
мобильность (возможность быстрого развертывания на посадочной
площадке и аэродроме).
Посадка по-самолетному на подготовленную, но необорудованную
радиотехническими средствами посадки площадку с использованием только бортового
комплекса измерительно-информационной аппаратуры.
Этот второй способ автоматической посадки, разрабатываемый рядом фирм,
состоит в использовании дифференциальных методов спутниковой навигации.
Дифференциальная навигация предполагает размещение в некоторой реперной
точке, координаты которой точно известны, приемника спутниковой навигации.
Координаты БЛА определяются относительно этой точки. При этом погрешности в
определении координат снижаются с десятков до единиц и долей метра. На основе
дифференциальной спутниковой навигации может быть создана высокоточная система
посадки, не требующая специальной аппаратуры.
Принцип работы данной системы покажем на примере посадки беспилотного
вертолета на корабль.
В данной системе использован принцип относительной навигации, под которым
понимается определение относительных (взаимных) координат и скоростей между
подвижными объектами. Для реализации такого режима необходимо, чтобы
выполнялись три основных условия:
а) единое время измерения параметров на всех объектах;
б) единая система координат, в которой определяются относительные
координаты и скорости между объектами (рис. 1.1.1.2, 1.1.1.3);
в) общее “поле” спутников для всех объектов.
Отметим, что для обеспечения автоматической посадки самолетов
(вертолетов) на авианесущие корабли, погрешность определения взаимных координат
между кораблем и самолетом (вертолетом) не должна превышать 0,3-0,4 м.
Рис. 1.1.1.2 Положение БЛА в опорной системе координат, связанной с
точкой посадки (или пунктом управления), в горизонтальной плоскости
Рис.1.1.1.3 Положение БЛА в опорной системе координат, связанной с точкой
посадки (наземным пунктом управления) в вертикальной плоскости
На рис. 1.1.1.4 показана структурная схема спутниковой системы
определения относительных координат БЛА.
Рис. 1.1.1.4 Структурная схема спутниковой системы определения
относительных координат БЛА
Посадка на подготовленную, но необорудованную радиотехническими
средствами посадки площадку с использованием парашюта и шасси, как средства
амортизации.
В настоящее время это один из наиболее распространенных способов спасения
практически всех типов беспилотных аппаратов - от легких БЛА и различных
десантируемых систем до спасаемых космических аппаратов.
Обнаружить
места базирования при таком способе посадки значительно сложнее. Зато больше
время активного функционирования подразделения БЛА при таком способе посадки,
чем при посадке “по-самолетному”. При наличии в момент посадки ветра и
несовпадении продольной оси БЛА с его направлением имеет место боковое
движение, которое может привести к опрокидыванию и поломке аппарата.
Критическое значение силы ветра, при котором происходит поломка аппарата,
зависит от массы БЛА. Как показала практика, при посадочной массе БЛА до 120 кг
она составляет 7-8 м/сек. В случае, если продольная ось БЛА составляет с
направлением ветра угол
посадка происходит практически без поломок, в других
случаях вероятность поломки существенно возрастает.
Ряд
принципиальных выводов по применяемым способам посадки БЛА позволяет сделать
проведенный в процессе исследований их сравнительный анализ. Основной
недостаток самолетной посадки БЛА на основе использования аэродромных
радиотехнических средств связан со сложностью подготовки соответствующей
площадки со всей необходимой инфраструктурой. Автоматическая посадка БЛА на
подготовленную, но не оборудованную площадку с использованием бортового
комплекса измерительно-информационной аппаратуры является более перспективной,
но опять же, как и предыдущий способ, требует относительно ровную площадку
определенной длины для пробега БЛА после касания земли, а это не всегда
возможно. В подобных ситуациях, когда невозможно обеспечить площадку нужной
длины, требуется использовать другие способы посадки, такие как парашютная,
либо посадка с помощью специализированных устройств механического захвата.
Воплощение на практике концепции автоматической самолетной посадки БЛА,
выполняемой под контролем комплекса бортовой аппаратуры, требует решения целого
ряда важнейших вопросов, включая выбор состава используемых
информационно-измерительных средств, а также разработку принципов построения и
программно-алгоритмического обеспечения системы управления.
.1.2
Актуальность дипломной работы
Задача автоматического управления посадкой БЛА остается весьма актуальной
научно-технической проблемой. Обусловлено это, прежде всего, существенной
нелинейностью характеристик, многосвязностью и нестационарностью (смена
конфигурации) БЛА как объекта управления на этом режиме полета. И одним из
основных направлений совершенствования БЛА как боевой единицы (или единицы
транспортной системы), в настоящее время связывают с разработкой новых методов
и принципов управления. Не только создание новых материалов, новых двигателей
или применение новых конструктивных решений, но и совершенствование алгоритмов
функционирования бортовых систем управления, существенно расширяющих область
применения, повышающих безопасность и надежность БЛА, является залогом создания
конкурентоспособных образцов авиационной техники.
Вопросы автоматического управления ЛА рассматривались многими авторами
(работы Г.С. Поспелова, О.М. Белоцерковского, В.А. Боднера, И.А. Михалева, М.С.
Чикулаева). Принятые в этом случае допущения о линейности математической модели
объекта управления, об отсутствии перекрестных связей между каналами управления
вполне соответствуют физической сущности процесса управления в некотором
ограниченном диапазоне изменения эксплуатационных параметров полета [11].
Расширение диапазонов изменения параметров полета и повышение требований
к точности управления, особенно при посадке на необорудованную ВПП, с которыми
не справляются традиционные методы, ставят вопрос о синтезе новых алгоритмов
автоматического управления БЛА. Поэтому проблема совершенствования законов
управления для обеспечения автоматической посадки БЛА по-самолетному остается
актуальной, о чем свидетельствует появление целого ряда исследований в данной
области.
Результаты выполненных в дипломной работе исследований могут найти
применение при разработке автопилотов БЛА, посадка которых осуществляется
по-самолетному в автоматическом режиме. Использование полученных результатов
позволит повысить надежность, быстродействие и точность систем управления
посадкой БЛА.
.1.3 Цель
дипломной работы и постановка задачи
Целью работы является повышение живучести и многократности использования
БЛА при автоматическом заходе на посадку путем формирования алгоритмов
управления в нормальных условиях и в условиях ветра.
Математическая модель движения БЛА представляет собой упрощенное описание
его реального движения. В данном случае предполагается, что конструкция БЛА
является недеформируемой, это позволяет рассматривать БЛА при выводе уравнений
его движения как твердое тело [12].
Наиболее
«полная» математическая модель движения БЛА представляется в форме системы
нелинейных дифференциальных уравнений, описывающих его пространственное
движение при углах тангажа
:
(1.1.3.1)
где
Если
за опорный (заданный) режим полета принят прямолинейный горизонтальный полет,
допустимо исследовать изолированно друг от друга продольное и боковое движение
самолета.
В
итоге для продольного движения, система уравнений примет вид:
где
для
бокового движения:
Формулы
для вычисления коэффициентов данных уравнений подробно описаны в [12].
В
большинстве случаев движения самолета коэффициенты вышеуказанных уравнений
являются гладкими функциями времени с относительно малыми скоростями изменения.
Это позволяет использовать метод «замороженных коэффициентов», что приводит к
линейной стационарной модели движения самолета.
В
дипломной работе рассматривается БЛА со следующими основными характеристиками
(таблицы 1.1.3.1, 1.1.3.2, 1.1.3.3)
Таблица
1.1.3.1
Характеристики БЛА
|
Характеристики БЛА
|
Значения
|
|
Размах крыла, м
|
8,0
|
|
Площадь крыла, м2
|
6,0
|
|
Длина, м
|
4,67
|
|
Высота на стоянке, м
|
1,6
|
|
Взлетная масса, кг
|
400-500
|
|
Масса полезной нагрузки, кг
|
180-250
|
|
Масса целевой нагрузки, кг
|
80-100
|
|
Масса топлива, кг
|
100-150
|
|
Высота применения, м
|
до 7000
|
|
Крейсерская скорость, км/ч
|
220
|
|
Минимальная рабочая скорость, км/ч
|
95
|
|
Взлетная дистанция при (самолетном способе старта), м
|
300-500
|
|
Продолжительность полета, ч
|
8-12
|
|
Силовая установка:
|
|
|
количество двигателей
|
2
|
|
Мощность у земли, л.с.
|
2х50
|
Таблица
1.1.3.2
Поляра БЛА. Посадочная конфигурация. Элероны средние и внутренние
отклонены на +30 град.
Таблица
1.1.3.3
Потребная тяга P и
эффективная мощность Ne.
Полетный вес 500 кгс
|
Угол траект. град
|
|
Угол атаки, град
|
|
|
2
|
4
|
6
|
8
|
10
|
12
|
14
|
16
|
18
|
|
+2
|
P,кгс
|
81,2
|
76,0
|
73,5
|
74,2
|
79,3
|
80,6
|
86,4
|
92,4
|
105,2
|
|
V, м/с
|
43,2
|
39,0
|
35,0
|
32,4
|
30,3
|
28,8
|
27,2
|
26,1
|
25,8
|
|
Ne, л.с.
|
62,3
|
52,0
|
45,7
|
42,8
|
42,7
|
41,3
|
41,7
|
42,8
|
48,4
|
|
0
|
P,кгс
|
63,8
|
58,7
|
56,2
|
56,9
|
62,0
|
63,3
|
69,1
|
75,1
|
88,0
|
|
V, м/с
|
43,2
|
38,6
|
35,1
|
32,5
|
30,4
|
29,0
|
27,29
|
26,2
|
26,0
|
|
Ne, л.с.
|
49,1
|
40,2
|
35,1
|
32,9
|
33,5
|
32,6
|
33,5
|
35,0
|
40,7
|
|
-2
|
P,кгс
|
40,6
|
35,4
|
33,0
|
33,7
|
38,8
|
40,0
|
45,8
|
51,8
|
64,7
|
|
V, м/с
|
43,25
|
38,6
|
35,2
|
32,6
|
30,5
|
29,1
|
27,4
|
26,4
|
26,12
|
|
Ne, л.с.
|
31,19
|
24,3
|
20,6
|
19,5
|
21,0
|
20,7
|
22,35
|
24,3
|
30,15
|
|
-5
|
P,кгс
|
20,2
|
15,1
|
12,7
|
13,4
|
18,5
|
19,6
|
25,4
|
31,3
|
44,3
|
|
V, м/с
|
43,2
|
38,6
|
35,2
|
32,7
|
30,6
|
29,2
|
27,5
|
26,5
|
26,4
|
|
Ne, л.с.
|
15,5
|
10,4
|
7,9
|
7,8
|
10,1
|
10,2
|
12,4
|
14,7
|
20,7
|
Рассматриваемый в работе БЛА выполнен по нормальной аэродинамической
схеме с низкорасположенным свободнонесущим крылом и V-образным оперением.
Силовая установка состоит из двух поршневых четырехтактных двигателей,
расположенных над крылом в его корневой части. Шасси аппарата трехстоечное с
носовой опорой, убирающееся. Характеристики БЛА приведены в ПРИЛОЖЕНИИ 1.
Требуется обеспечить заход на посадку и посадку БЛА в нормальных условиях и в
условиях ветра. Провести аналитический анализ и математическое моделирование
САУ заходом на посадку легкого БЛА в боковом канале при условии наличия
бокового ветра величиной до 15м/с, с выводом БЛА в точку приземления на ВПП с
ошибкой не более 3-5 м и горизонтальной скоростью БЛА не более 50 м/с.
Разработать алгоритм выбора «замороженных» коэффициентов стационарного фильтра
Калмана для оценки неизмеряемых координат БЛА.
.1.4
Формирование логики управления полетом БЛА в режиме захода на посадку
Рассмотрим следующий подход к автоматическому управлению траекторным
движением БЛА при заходе на посадку.
На рис. 1.1.4.1 показан профиль типовой траектории продольного движения
ЛА при заходе на посадку и посадке. На интервале от точки 1 до точки 2 ЛА
спускается с высоты маршрутного полета на высоту эшелона выполнения маневра
захода на посадку. На интервале 2…3 выполняется маневр захода на посадку в
боковой плоскости, в конце интервала ЛА выводится на ось посадочной полосы.
Интервал 3…4 - «вписывание» в глиссаду, переход из горизонтального полета в
полет по наклонной траектории. Далее движение по глиссаде от точки 4 до точки
5, в которой ЛА начинает «сходить» с глиссады, траектория выравнивается для
уменьшения вертикальной скорости в момент касания посадочной полосы в точке 6.
Рис.1.1.4.1 Продольный профиль траектории посадки ЛА
Как сказано выше, на участке 2..3 ЛА выполняет маневр захода на посадку в
боковой плоскости на постоянной высоте. Маневр представляет собой серию
разворотов, соединенных прямолинейными участками. Разворот выполняется в виде
правильного виража (разворот с креном без скольжения). Реализация правильного
виража обеспечивается координированным отклонением элеронов и руля направления,
то есть совместной согласованной работой канала элеронов и канала руля
направления.
Управление боковым движением реализуется через элероны и руль направления
(угол крена, угол рысканья). Между этими каналами с целью улучшения процессов
управления вводятся перекрестные связи: из канала крена в канал рысканья - для
уменьшения скольжения при развороте с креном, из канала крена в канал тангажа
(следовательно, высоты полета) - для предотвращения потери высоты при крене, из
канала рысканья в канал крена при выполнении координированного разворота.
На прямолинейном участке выдерживается полет по заданной трассе (заданной
линии пути) и система управления боковым движением должна ликвидировать
возможные отклонения ЛА от заданной трассы. На заключительном участке 5..6
(рис. 1.1.4.1) непосредственно перед касанием выполняется плоский разворот без
крена.
Таким образом, при управлении боковым движением ЛА канал элеронов и канал
руля направления работают координировано.
Ниже представлены уравнения бокового движения ЛА [13]:
Где
,
,
,
- углы скольжения, рысканья, крена, пути
соответственно;
,
- угол отклонения управляющих органов, элеронов и
руля направления;
-
соответственно угловые скорости крена и рысканья;
,
- производные коэффициентов статических поперечного и
путевого моментов;
-
производные коэффициентов перекрестных моментов рысканья и крена;
,
- производные коэффициентов моментов от элеронов и
руля направления;
,
- производные коэффициентов перекрестных моментов от
руля направления и элеронов;
-
производная коэффициента боковой аэродинамической силы.
Учитывая
обычно малую степень влияния коэффициентов основных перекрестных моментов и
перекрестных моментов от рулей на боковое движение ЛА, допустимо их не
учитывать и исключить из дальнейшего рассмотрения на начальной стадии
разработки алгоритмов.
Дальнейшее
упрощение уравнений бокового движения ЛА связано с наложением условий
стабилизации на угол крена γ или на
угол скольжения β.
В
первом случае при
выделяются уравнения, характеризующие движение
рысканья:

Во
втором случае при
, уравнения изолированного движения крена имеют вид:
Полученные
с использованием упрощенных уравнений результаты синтеза алгоритмов и расчета
передаточных чисел позволяют получить динамические характеристики системы
управления боковым движением, которые хорошо совпадают с аналогичными
характеристиками имитационного моделирования с использованием полной системы
уравнений бокового движения ЛА.
Для
удобства реализации предпосадочного маневра область предпосадочного маневра
предлагается разбить на следующие зоны (рис. 1.1.4.2).
Рис. 1.1.4.2 Схема разбиения области предпосадочного маневра на зоны
Ширина зон закладывается из расчета величины минимального радиуса
разворота для заданного БЛА по следующей формуле:
,
Посадочная
скорость равна 38,6 м/сек, а максимально допустимый угол крена 30º, поэтому минимальный радиус разворота равен 303 м.
Следовательно, ширина каждой зоны выбирается равной 650 м.
Размеры
ВПП 25x500 м. В районе посадки сформирована аэродромная
система координат с помощью НАП СНС, работающей в дифференциальном режиме.
Диффпоправки прередаются на борт БЛА с помощью командно-информационной
радиолинии.
Маневр
захода на посадку и посадка по указанной выше схеме осуществляется следующим
образом.
После
того, как с наземного пункта управления БЛА на борт поступает команда
“Посадка”, начинается этап предпосадочного маневрирования, цель которого
состоит в выведении БЛА на ось ВПП на определенном расстоянии от ее начала с
углом курса, равным посадочному. Поэтому в начале маневра в вычислителе БЛА
рассчитывается пеленг на контрольную точку К, расположенную на границе VII и
VIII зон, а затем подается в боковой канал управления.
После чего осуществляется разворот на заданный угол до момента, когда пеленг на
контрольную точку не будет равным нулю. Следующий этап маневра - это
стабилизация траектории подлета, он начинается сразу же после устранения
пеленга. По мере приближения БЛА к границам области (рис. 1.1.4.2) в
вычислителе непрерывно ведется проверка их пересечения. Зафиксировав факт
пересечения границ области, в вычислителе определятся зона, в которой в данный
момент находится БЛА. При попадании в область II или III,
в систему управления БЛА выдается команда на стабилизацию движения БЛА вдоль
средней линии области до тех пор, пока БЛА не достигнет границ зон IV и V
соответственно, при пересечении которых выдается команда на разворот в сторону
осевой линии ВПП и удержания средней линии соответствующей области. При
пересечении границ области VI производится заключительный разворот БЛА и вывод его
на ось ВПП. Таким образом, при попадании в зоны II-VI
осуществляется последовательное движение БЛА по контуру в разрешенном коридоре
при последующем “втягивании” в глиссаду в зоне VII. Дальнейшие
этапы посадки разбиты следующим образом: границей зон VII и VIII
является линия, проходящая через точку пересечения глиссады, при этом БЛА путем
перебалансировки переводится из режима горизонтального полета в режим спуска по
глиссаде; а по факту пересечения границы зон VIII и IX
бортовым вычислителем выдается команда в систему управления на переход из
режима спуска по глиссаде в режим выравнивания, касания и пробега БЛА по ВПП.
На протяжении полета БЛА в границе зон VII, VIII
и IX боковой канал осуществляет процедуру стабилизации
заданной линии пути, совпадающей с осью ВПП.
При попадании БЛА в зону “Повторный круг” (рис. 1.1.4.2) выдается команда
на набор высоты и движение в сторону зоны ожидания, расположение которой
заранее закладывается в память бортового вычислителя, для ожидания команды на
разрешение повторного захода на посадку. Задающие воздействия для автопилота,
соответствующие требуемому движению БЛА в каждой из зон представлены в таблице
1.1.4.1.
Таблица
1.1.4.1
Задающие воздействия для автопилота
При этом значения всех задающих величин заранее закладываются в память
бортового вычислителя.
1.2 Синтез
линейного регулятора управления боковым движением
В практике проектирования используется большое число методов синтеза
алгоритмов управления продольным и боковым движением ЛА. Наибольшее
распространение из них получили так называемые классические методы, основанные
на анализе процессов управления во временной или частотной области,
базирующихся на использовании линеаризованных стационарных динамических моделей
ЛА в виде уравнений состояния или в виде матрицы передаточных функций [14].
Суть данного подхода заключается в следующем. Для некоторого
фиксированного набора режимов полета, компонентами которого являются различные
(заранее выбранные) значения высоты и скорости полета, нагрузки на крыло, угла
атаки и т.д., находится множество соответствующих линеаризованных
математических моделей ЛА. Далее для каждой такой линеаризованной модели
находятся уравнения состояния (или передаточные функции) линейного регулятора,
обеспечивающего желаемое качество переходных процессов в замкнутом контуре
управления ЛА при условии малости отклонения координат ЛА и параметров режима
полета относительно их номинальных (базовых) значений. На следующем шаге используется
метод “замороженных коэффициентов”, осуществляется “сшивание” или интерполяция
коэффициентов усиления (передаточных чисел) полученных линейных регуляторов,
применительно к различным режимам полета ЛА. Таким образом синтезируется
многорежимный линейный регулятор, параметры которого (вектор γ) автоматически подстраиваются в
функции от измеряемых параметров, например высоты H и скорости V
полета, с целью поддержания заданного качества САУ при изменении режима полета
ЛА. (рис. 1.2).
Рис. 1.2 Схема системы управления ЛА с программной настройкой параметров
регулятора
Вместе с тем, желание расширить диапазон режимов полета современного ЛА и
добиться более высокой его маневренности может привести к тому, что программная
настройка коэффициентов усиления оказывается нереализуемой из-за быстрых
изменений динамики нелинейного объекта. Серьезные затруднения в связи с
применением данного подхода возникают и в тех случаях, когда уравнения объекта
управления являются существенно нелинейными (например, при выполнении маневра
ЛА с большими углами атаки) или если эти уравнения известны приближенно. Кроме
того попытки учесть возможно большее количество режимов полета на этапе
проектирования САУ ЛА приводят к резкому увеличению требуемого объема
вычислений, что предъявляет дополнительные требования к производительности и
объему памяти бортовой ЭВМ. Наличие указанных выше нерешенных вопросов,
безусловно, сужает сферу применения управляющих алгоритмов, связанных с
программной настройкой коэффициентов усиления линейного регулятора, и
затягивает процесс проектирование и доводку САУ. Тем не менее, большинство
систем управления полетом, применяемых на современных боевых самолетах,
спроектированы с использованием именно этого подхода, на практике неоднократно
доказавшего свою работоспособность.
Другая интенсивно разрабатываемая идея базируется на утверждении о том,
что эффективно управлять нелинейным объектом можно только с помощью адекватного
ему нелинейного регулятора. Учитывая, что методы синтеза линейных систем на
сегодня наиболее глубоко отработаны и изучены, обычно построение нелинейного
алгоритма управления полетом осуществляют в два этапа. На первом из них,
предполагается, что нелинейная динамическая модель ЛА как объекта управления
известна, находится такой способ организации обратной связи (путем
использования некоторых нелинейных преобразований по переменным состояния
объекта), при котором полученный замкнутый контур управления (т.е. соединение
“объект управления - звено обратной связи”) обладает линейными
характеристиками. В силу наличия указанной особенности, данный способ
построения регулятора принято называть линеаризацией на основе обратной связи.
На втором этапе синтеза находится линейная часть алгоритма управления, обеспечивающая
получение желаемых показателей качества системы в целом.
.2.1 Метод
АКОР
Постановка
задачи оптимального управления боковым движением
При заходе на посадку желательно иметь малое время переходного процесса и
самое главное - необходимо быстро возвращаться на ось ВПП в случае бокового
сноса БЛА под воздействием ветра.
Кроме того, необходимо также учитывать ограниченный по модулю ресурс
рулевых органов и динамику самого БЛА. Этим особенностям удовлетворяет метод
АКОР (аналитического конструирования оптимальных регуляторов), который
использует динамическое программирование и формулируется следующим образом.
Задан интегральный функционал качества бокового движения:

,
(1.2.1.1.1)
где
p1(H) - коэффициент штрафа за отклонение бокового пути по
модулю, для упрощения примем p1(H) = 1;
p2 (H), p3(H) -
штрафы за отклонения по рысканью и крену соответственно;
r - штраф за
амплитуду отклонения элеронов;
Zg - боковой
путь;
ψ - угол рысканья;
γ - угол крена;
Uэ - управление
по углу отклонения элеронов.
Также
задана динамика БЛА:
(1.2.1.1.2)
где
вектор состояния - (Zg, ψ, γ, ωx)Т;
g - ускорение
свободного падения, g = 9,8;
m - коэффициент
перевода градусов в радианы, m = 57,3;
- боковой
ветер,
=10 м/с;
V - путевая
скорость, V = 50 м/с;
d -
- коэффициент демпфирующего момента по ωx, d = -0,5051 1/с;
n -
- коэффициент
эффективности элеронов, n = -0.1695 1/с2.
Требуется
найти оптимальное управление Uэ, которое минимизирует интеграл от квадратов
нежелаемых отклонений.
Очевидно,
что для формирования оптимального закона управления необходимо знание структуры
и параметров объекта управления, то есть его математической модели. Из этого
следует вывод, что оптимальный регулятор в своей структуре должен содержать
модель объекта управления, с помощью которой будет реализовываться функциональная
составляющая алгоритма.
Постановка
задачи АКОР
АКОР в России впервые был разработан профессором Летовым. Заслуга
профессора Летова состоит в том, что он процесс синтеза оптимального управления
поставил на математическую основу, выраженную в аналитической форме. Для этого
профессор Летов обоснованно в своем методе выбирал критерий оптимальности и на
основании математической модели объекта управления и выбранного критерия
оптимальности аналитически находил выражение для алгоритма оптимального управления
или выражение для оптимального регулятора. Одновременно с профессором Летовым
американским математиком Калманом был разработан метод подобный АКОРу, который
назывался Метод пространства состояния, который явился основой современной
теории управления. Заслуга Калмана состоит в том, что он разработал методы
синтеза алгоритма оптимального управления, не только для детерминированной
динамической системы, но и для стохастических динамических систем (со случайным
переходным процессом).
,
(1.2.1.2.1)
где
- матрица коэффициентов объекта управления,
коэффициенты зависят от времени;
- прямоугольная матрица распределения управляющих
воздействий. Коэффициенты этой матрицы также зависят от времени;
-
n-мерный вектор состояния;
- m-мерный вектор управления.
(1.2.1.2.2)
-
p-мерный вектор выхода;
- матрица выхода динамической системы коэффициентов,
которые зависят от времени.
В
постановке задачи АКОР очень важное место занимает выбор критерия оптимальности
или выбор функционала качества.
В
общем случае для обоснованного выбора критерия оптимальности выбирается
желаемый вектор выходных координат
, задача
АКОР состоит в том, чтобы текущее значение выхода вектора было близко к
желаемому:
(1.2.1.2.3)
Мы
хотим, чтобы в
, при
,
В
этом случае, учитывая рассуждения критерия оптимальности в общем виде можно
представить так:
(1.2.1.2.4)
Задача АКОР с критерия вида (1.2.1.2.4) называется задачей слежения,
текущая выходная координата отслеживания желаемых выходных координат.
Физический смысл слагаемых:
-ое слагаемое представляет собой просуммированную ошибку и в этом
слагаемом матрица Q(t) это матрица квадратичной формы
. Весовые коэффициенты этой матрицы
выбираются с тем расчетом, чтобы в конечном итоге первое слагаемое имело
минимальное значение. 1-ое слагаемое характеризует точность работы системы.
2-ое слагаемое - квадратичная форма. Физически характеризует затраты энергии на
управление, косвенным образом это слагаемое характеризует и быстродействие
системы, чем больше затраты энергии на управление, тем более быстродейственной является
система. Выбирая компромисс между затратами энергии на управление и полученным
быстродействием:
Второй
случай решения задачи АКОР.
(1.2.1.2.5)
Целью управления является удержание выходных координат объекта:
(1.2.1.2.6)
Если начальное отклонение выходных координат относительно 0 велико, то
управляющее устройство должно в начале выходные координаты приблизить к нулю, а
затем удерживать их около нуля, при этом не расходуя много энергии на
управление. Подобную задачу называют задачей о регуляторе выхода.
Третий случай решения задачи АКОР
Третий случай решения задачи АКОР связано с задачей удержания около нуля
не выходного вектора и его компонентов, а компонентов вектора состояния.
(1.2.1.2.7)
Критерий оптимальности будет выглядеть следующим образом:
(1.2.1.2.8)
В этом случае оптимальное управление должно минимизировать критерий вида,
а соответственно задачу называют задачей о регуляторе состояния.
Четвертый случай решения задачи АКОР
Во всех трех случаях предполагается , что матрицы A(t), B(t), Q(t), R(t)-
зависят от времени.
(1.2.1.2.9)
(1.2.1.2.10)
Второй особенностью четвертого случая является то, что верхний предел
интеграла имеет бесконечность. При этом М=0. Предполагая при этом, что на
вектор управления U(t) не наложено никаких ограничений.
(1.2.1.2.11)
Выражение
(1.2.1.2.11) эквивалентно асимптотической устойчивости синтезированной системы.
В четвертом случае задача сводится к поиску такого вектора управления
, под
действием которого критерий вида (1.2.1.2.10) достигает min значения и при этом
выполняется условие асимптотической устойчивости.
Кроме рассмотренных 4-х случаев на практике встречаются задачи с
оптимизацией нелинейных объектов и с ограничением на управляющее воздействие. В
этом случае решение задачи АКОР осуществляется на основе принципа Понтрягина,
который приспособлен специально для решения подобного рода задач, то есть для
решения задач оптимизации с нелинейным объектом и с ограничением на управляющее
воздействие и фазовые координаты.
Вычисление
передаточных чисел линейного регулятора
Условия оптимальности посадки по методу динамического программирования:
(1.2.2.1)
Доказано,
что данная задача подчиняется уравнению Беллмана:
,
(1.2.2.2)
где
- функция Беллмана;
-
подынтегральное выражение функционала I в (1.2.1.1.1);
- правые
части дифференциальных уравнений в (1.2.1.1.1);
-
функция риска.
При
этом доказано, что функция Беллмана есть степенной ряд второго порядка. Тогда,
обозначив Zg = X1; ψ = X2; γ = X3; ωx = X4, функцию
Беллмана можно представить степенным рядом второго порядка вида:
(1.2.2.3)
В этом случае уравнения (1.2.1.1.2) примут следующий вид:
(1.2.2.4)
Подставив
в формулу (1.2.2.3)соответствующие элементы из (1.2.1.1.1) и (1.2.2.4), получим
правую часть уравнения в виде:
(1.2.2.5)
Видно,
что в правой части выбираемое управление Uэ входит в 2
слагаемых:
(1.2.2.6)
Поэтому,
продифференцировав функцию риска по управлению
, получим
формулу для оптимального управления Uэ:
(1.2.2.7)
А
после подстановки этого управления в функцию F, в правой
части уравнения появится член:
(1.2.2.8)
Полученных формул достаточно, чтобы приравнять левую и правую части
уравнения Беллмана друг к другу, в результате чего можно получить следующие 11
алгебраических уравнений: (1.2.2.9)
В
этих нелинейных алгебраических уравнениях имеется 11 неизвестных коэффициентов
функции Беллмана. Причем, согласно формуле (1.2.2.7), нам нужно знать только 5
коэффициентов:
,
,
,
,
.
Коэффициент
может быть найден из последнего уравнения.
Коэффициент
находится из 1-го уравнения системы (1.2.2.2):
(1.2.2.10)
Упростим эту группу уравнений следующим образом:
1. Из
7-го уравнения находим
Из
6-го уравнения находим
2. Из
5-го уравнения находим
Найденные
значения
,
,
подставим
во 2-ое, 4-ое и 9-ое уравнения системы (1.2.2.9). Тогда получим следующую
группу уравнений:
(1.2.2.11)
Коэффициенты
регулятора К1, К2, К3, К4 выражаются через коэффициенты Беллмана
,
,
следующим образом:
(1.2.2.12)
В
итоге получаем окончательную систему трех алгебраических уравнений относительно
трех нужных нам коэффициентов регулятора:
(1.2.2.13)
В
эти уравнения входят функции штрафа
,
,
,
скорость полета
и динамические коэффициенты
и
, причем
первое уравнение использует приближенную оценку.
Выразим
К3 через К4 из первого уравнения, а К2 через К4 из второго уравнения и,
подставив эти результаты в третье уравнение, можно получить одно уравнение
относительно одного неизвестного коэффициента К4, которое является степенным
полиномом 8-го порядка. Приближенное решение последнего уравнения дает такие
оценки:
(1.2.2.14)
В
случае, когда
=
= 0,
получим:
(1.2.2.15)
Проведем некоторую попытку оценить коэффициенты регулятора без учета
ветра.
1.3
Моделирование на ЭВМ бокового движения ЛА
.3.1
Принципы компьютерного моделирования
Компьютерное моделирование является одним из эффективных методов изучения
физических систем. Часто компьютерные модели проще и удобнее исследовать, они
позволяют проводить вычислительные эксперименты, реальная постановка которых
затруднена или может дать непредсказуемый результат. Логичность и формализованность
компьютерных моделей позволяет выявить основные факторы, определяющие свойства
изучаемых объектов, исследовать отклик физической системы на изменения ее
параметров и начальных условий.
Компьютерное моделирование требует абстрагирования от конкретной природы
явлений, построения сначала качественной, а затем и количественной модели. За
этим следует проведение серии вычислительных экспериментов на компьютере,
интерпретация результатов, сопоставление результатов моделирования с поведением
исследуемого объекта, последующее уточнение модели и так далее.
К основным этапам компьютерного моделирования относятся: постановка
задачи, определение объекта моделирования; разработка концептуальной модели,
выявление основных элементов системы и элементарных актов взаимодействия;
формализация, то есть переход к математической модели; создание алгоритма и
написание программы; планирование и проведение компьютерных экспериментов;
анализ и интерпретация результатов.
Различают аналитическое и имитационное моделирование. Аналитическими
называются модели реального объекта, использующие алгебраические,
дифференциальные и другие уравнения, а также предусматривающие осуществление
однозначной вычислительной процедуры, приводящей к их точному решению.
Имитационными называются математические модели, воспроизводящие алгоритм
функционирования исследуемой системы путем последовательного выполнения
большого количества элементарных операций.
Принципы моделирования состоят в следующем:
. Принцип информационной достаточности. При полном отсутствии
информации об объекте построить модель невозможно. При наличии полной
информации моделирование лишено смысла. Существует уровень информационной
достаточности, при достижении которого может быть построена модель системы.
. Принцип осуществимости. Создаваемая модель должна обеспечивать
достижение поставленной цели исследования за конечное время.
. Принцип множественности моделей. Любая конкретная модель
отражает лишь некоторые стороны реальной системы. Для полного исследования
необходимо построить ряд моделей исследуемого процесса, причем каждая
последующая модель должна уточнять предыдущую.
. Принцип системности. Исследуемая система представима в виде
совокупности взаимодействующих друг с другом подсистем, которые моделируются
стандартными математическими методами. При этом свойства системы не являются
суммой свойств ее элементов.
. Принцип параметризации. Некоторые подсистемы моделируемой
системы могут быть охарактеризованы единственным параметром: вектором,
матрицей, графиком, формулой.
.3.2 Моделирование
САУ в среде MATLAB
Для проверки работоспособности и оптимальности спроектированного
регулятора, необходимо было построить модель объекта управления, с помощью
которой реализуется функциональная составляющая алгоритма, и проверить качество
переходных процессов на устойчивость и управляемость системы управления.
Моделирование системы управления боковым движением БЛА проводилось в
среде Simulink пакета MATLAB версии R2010b.- интерактивный инструмент для
моделирования, имитации и анализа динамических систем. Он дает возможность
строить графические блок-диаграммы, имитировать динамические системы,
исследовать работоспособность систем и совершенствовать проекты. Simulink
полностью интегрирован с MATLAB, обеспечивая немедленным доступом к широкому спектру
инструментов анализа и проектирования. Эти преимущества делают Simulink
наиболее популярным инструментом для проектирования систем управления.
Моделирование
системы управления без учета ветрового возмущения
Схема моделируемой системы управления в целом соответствует
функциональной схеме бокового движения летательного аппарата, представленной на
рисунке 1.3.2.4. Данная схема включает в себя несколько контуров, решающих
различные функциональные задачи СУ. Вся СУ строится на основе иерархического
подхода: сначала строится контур демпфирования, затем, на его основе, - система
стабилизации заданного угла крена, затем, на их основе, - контур стабилизации
заданного угла рысканья, и в самом конце - система стабилизации отклонения по
боковому пути. Такое представление структурной схемы СУ боковым движением БЛА
удобно тем, что каждая подсистема может быть статической или астатической,
может рассматриваться полная или упрощенная её модель.
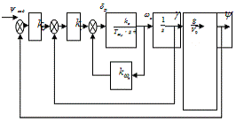
Построение контура демпфирования
Структурная схема рассматриваемого контура соответствует приведенной на
рис. 1.3.2.1.
Система управления данным ЛА формирует управляющие сигналы в соответствии
со следующими законами управления:
Где
Zзад -
заданное значение бокового отклонения ЛА от линии заданного пути.
Угловая
скорость по крену ωх
измеряется датчиком угловой скорости и через блок обратной связи
поступает на вход усилителя
, где суммируется с сигналом заданной угловой скорости
по крену.
Рис. 1.3.2.1 Структурная схема контура демпфирования
Передаточная
функция разомкнутой системы по угловой скорости крена в случае идеального
сервопривода при ненулевом входном воздействии
представляется
апериодическим звеном:
,
(1.3.2.1)
Где
(1.3.2.2)
Тогда передаточная функция замкнутой системы будет иметь вид:
,
(1.3.2.3)
Где
(1.3.2.4)
Теоретически в системе могут быть получены сколь угодно быстрые
переходные процессы регулирования. Однако, реально область допустимых
параметров системы ограничена быстродействием исполнительного привода.
Закон формирования сигнала управления угловой скоростью крена выглядит
следующим образом:
.(1.3.2.5)
Построение контура стабилизации крена
По
аналогии с ранее рассмотренным построением контура демпфирования строится и
контур стабилизации угла крена. Сигнал заданного угла крена
формируется в вычислителе системы траекторного
управления. На рис.1.3.2.2 показана исходная, а на рис. 1.3.2.3 - расчетная
структурные схемы автомата стабилизации заданного угла крена.
Рис. 1.3.2.2 Исходная структурная схема автомата стабилизации заданного
угла крена
Рис. 1.3.2.3 Расчетная структурная схема автомата стабилизации заданного
угла крена
Передаточные числа - коэффициенты передачи соответствующей координаты к
рулю - равны:
(1.3.2.6)
(1.3.2.7)
Закон формирования сигнала управления углом крена выглядит следующим
образом:
(1.3.2.8)
Построение контура стабилизации курса
Расчетная
структурная схема курсового управления для статической системы стабилизации
с законом управления
(1.3.2.9)
выглядит
следующим образом:
Рис. 1.3.2.3 Расчетная структурная схема автомата стабилизации заданного
угла курса
Сигнал
ошибки
поступает в канал
. Момент
вызывает вращение ЛА с
. ЛА
поворачивается на угол
в сторону, соответствующую требуемому изменению
, до тех пор, пока не будет выполнено условие
. При этом элероны встают в нейтральное положение (
), и составляющая
обеспечивает
разворот вектора скорости ЛА с постоянной угловой скоростью
в нужном направлении. В свою очередь, угол
вызывает изменение β, которое за счет момента путевой устойчивости
вызывает разворот связанной оси ОХ вслед за
разворотом вектора скорости, уменьшая тем самым
. Элероны
начинают отклоняться в обратную сторону, до тех пор, пока, при
, они не займут исходного положения
. Сигналы, пропорциональные
и
, в
законе управления способствуют демпфированию крена и рысканья, а сигнал
вводится в канал
для
повышения путевой статической устойчивости.
Задача
представленного на рисунке 1.3.2.3 канала крена - обеспечить не только
приемлемое качество процессов в переходных режимах, но и при
- установившийся разворот с
.
Построение
системы стабилизации отклонения по боковому пути
Это
последний контур моделируемой системы управления. Он выглядит следующим
образом:
Рис.
1.3.2.4 Расчетная структурная схема системы стабилизации отклонения по боковому
пути
Моделирование
системы управления с учетом ветрового возмущения
Для анализа влияния ветрового возмущения на характер движения БЛА с целью
его нормализации для дальнейшей посадки в построенную систему управления
вводится некоторая «надстройка», учитывающая влияние ветра. В целом, система
управления с учетом ветрового возмущения имеет следующий вид:
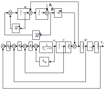
Рис. 1.3.2.5 САУ с учетом ветрового воздействия
где
- изменение угла скольжения (и соответственно, угла
рысканья) за счёт бокового смещения ЛА от оси ВПП в результате воздействия
бокового ветра.
Результаты
моделирования на ЭВМ
Пусть
= 0,04
,
=
= 9
,
= 50
м/с.
Остальные
параметры САУ определяются характеристиками самого БЛА и равны:
g = 9,8; m =
57,3; d =
= -0,5051
1/с; n =
= -0.1695 1/с2;
= 0.069
1/с;
= -0.0726 1/с2;
= -0,83 1/с.
Тогда
коэффициенты линейного регулятора можно вычислить по формулам (1.2.2.14).
Получим:
Полученные
аналитически коэффициенты оптимального регулятора вычислены в расчете на
линейный объект и требуют доработки при моделировании. Они соотносятся с
коэффициентами моделируемой САУ следующим образом:
Моделирование
системы управления боковым движением БЛА при посадке выполняется поконтурно, на
основе иерархического подхода, как описывалось выше. Результатом моделирования
каждого контура является график переходного процесса по соответствующей
координате, по которому проверяется устойчивость и управляемость данного
контура и системы в целом. Общая схема моделирования представлена в ПРИЛОЖЕНИИ 2.
а) Результаты моделирования без учета ветра
Результаты моделирования без учета ветра выводятся на осциллографе
Bok_smtshenie1.
Так
как стабилизация движения БЛА в нашем случае происходит при помощи элеронов, а
угол отклонения элеронов ограничен значениями около ±20 градусов, то в структурную схему САУ введено ограничение по
. Существует также ограничение по углу крена, равное
приблизительно ±45 градусов. Таким образом, структурные схемы контура
курса и контура крена, а также привода элеронов с использованием рассчитанного
оптимального регулятора без учета ветрового воздействия могут быть представлены
в следующем виде:
Рис.
1.3.2.6 Схема моделирования САУ с введенными ограничениями по углу курса и углу
отклонения элеронов
(t)
t, сек
Рис.
1.3.2.7 Переходный процесс в контуре стабилизации отклонения по боковому пути
при отсутствии ветрового воздействия и при
Как
видно переходный процесс приходит к постоянному значению, что свидетельствует
об устойчивости каждого из контуров. Соответственно, коэффициенты оптимального
регулятора, найденные аналитически, подходят для моделирования.
б)
Результаты моделирования при воздействии ветра
Известно,
что угол пути вычисляется по формуле:
(1.3.2.10)
По
принятым допущениям
(разворот ЛА - координированный). При отсутствии
ветрового возмущения (
) угол пути тождественно равен углу рысканья. При
наличии же ветра в структуру схемы целесообразно внести изменения, учитывающие
неравенство углов пути и курса, для выполнения полученного аналитическим путем
оптимального управления.
С
учетом ветрового возмущения и внесенными изменениями моделируемый контур крена
будет иметь следующий вид:
Рис.
1.3.2.8 Моделируемая САУ с учетом ветра и с внесенными в ее структуру
изменениями, учитывающими неравенство углов курса и рысканья
При
этом угол ветра генерируется следующим образом:
Рис.
1.3.2.9 Структурная схема формирования угла ветра
t, сек
Рис. 1.3.2.10 График зависимости угла бокового ветра от времени
В
данном случае
, скорость самолета
= 50
м/с.
В
случае ненулевого бокового ветрового воздействия (
) и отсутствия отклонения по боковому пути (
), то есть в случае установившегося движения,
переходные процессы в моделируемой системе управления будут выглядеть следующим
образом:
t, сек
Рис.1.3.2.11 Переходный процесс в контуре демпфирования при боковом
ветровом воздействии
t, сек
Рис. 1.3.2.12 Переходный процесс в контуре стабилизации крена при боковом
ветровом воздействии
t, сек
Рис.1.3.2.13 Переходный процесс в контуре стабилизации по углу пути при
боковом ветровом воздействии
t, сек
Рис. 1.3.2.14 Переходный процесс в контуре стабилизации отклонения по
боковому пути при боковом ветровом воздействии
Таким образом, по результатам моделирования получается, что найденный
линейный регулятор является оптимальным. Система автоматического управления
БЛА, построенная на его основе, обладает устойчивостью и управляемостью.
Сформированный контур управления боковым движением БЛА обеспечивает
устойчивое сведение к нулю установившихся значений по угловой скорости крена,
углам крена, пути и боковому отклонению от пути при воздействии ветра. Это
отвечает требованиям по заходу на посадку.
.4
Идентификатор бокового ветра с помощью фильтра Калмана
Как было отмечено в предыдущих главах, в состав бортового комплекса БЛА
должна входить система автоматической посадки, обеспечивающая выполнение
посадки с требуемой точностью и обладающая заданными характеристиками
отказоустойчивости. Сложность построения такой системы обусловлена тем, что
только часть координат БЛА может быть измерена с помощью бортовых датчиков. Введение
в систему управления оптимального фильтра Калмана позволяет оценить некоторые
неизмеряемые координаты объекта управления на основании информации от штатных
измерителей, тем самым обеспечить контроль за состоянием БЛА на всем протяжении
посадки, а также использование полученных оценок в законе управления [7]. В
данной работе исследуется процесс оценки необходимых координат при посадке
только в боковом канале на наиболее ответственном этапе спуска по глиссаде и
приземления.
Для более быстрой компенсации воздействия бокового ветра (по сравнению с
применением классических законов управления) предлагается предварительно
оценить силу бокового ветра для последующего использования полученной оценки
при формировании закона управления. Для этого с помощью фильтра Калмана получим
оценку угла скольжения БЛА (предполагается, что информация о всех остальных
угловых скоростях и координатах может быть получена с внешних систем,
обладающих некоторыми погрешностями измерений, максимальное значение которых
известно заранее).
Модель движения БЛА в горизонтальной плоскости представлена в виде
системы линеаризованных уравнений:
где
- угол скольжения ЛА;
-
угловая скорость вращения ЛА вокруг оси Ох;
-
угловая скорость вращения ЛА вокруг оси Оу;
- угол
крена ЛА;
- угол
курса ЛА;
Z - боковое
отклонение от линии заданного пути;
- угол
отклонения элеронов;
- угол
отклонения рулей направления;
-
коэффициенты математической модели бокового движения БЛА;
Рассмотрим
линейный стационарный объект, описывающийся линейным дифференциальным
уравнением вида:
Где
- вектор переменных состояния БЛА;
- вектор
измерений;
- сигнал
управления;
- вектор
ветрового возмущения;
- вектор
шумов измерений;
- матрица
объекта;
- матрица
случайного ветрового возмущения на входе объекта;
- матрица
измерений на выходе объекта;
B - матрица
управления,
Матрицы
предполагаются известными. Тогда:

Зададимся
погрешностями датчиков, имеющихся на борту самолета и среднеквадратичным
значением скорости порывов ветра: при измерении углов -
= 0.0172 рад;
= 0.05
рад; при измерении угловых скоростей -
= 0.0029
рад/сек;
= 0.0029 рад/с; среднеквадратичное значение скорости
порывов ветра -
2 м/сек.
Оценивание
неизмеряемых координат БЛА проводится с использованием фильтра Калмана.
Предложенный Рудольфом Калманом в 1960 году алгоритм цифровой фильтрации сразу
получил положительные отзывы специалистов: развитие вычислительной техники к
тому времени уже находилось на достаточно высоком уровне, а кроме того
существовал ряд задач (например, совместное использование навигационных систем
разной природы), требовавших удобного средства обработки данных в реальном времени.
Однако вскоре было признано, что практическое применение фильтра Калмана,
несмотря на простоту алгоритма, требует особого внимания к построению
математических моделей обрабатываемых процессов, а также к точности
компьютерной арифметики. С учетом этих требований впоследствии было разработано
и опробовано множество вариантов применения алгоритма Калмана при решении задач
навигации, геодезии, геологии, океанографии, гидродинамики и многих других
областей знания [6].
логика летательный полет
посадка
Представим
себе некоторую систему, состояние которой в любой момент времени однозначно
характеризуется определенным набором величин (например, координаты, скорости,
уровни напряжения и т. д.), как правило, недоступных для непосредственного
определения. Говоря терминами векторной алгебры, эти величины являются
элементами вектора состояния системы, отнесенного к заданному моменту времени.
Кроме того, имеется ряд переменных, некоторым образом связанных с состоянием
системы, которые можно измерить с заданной точностью; такие величины составляют
вектор измерений, относящихся к определенному моменту времени. Алгоритм фильтра
Калмана позволяет в реальном времени построить оптимальную оценку состояния
системы, основываясь на измерениях, неизбежно содержащих погрешности; при этом
вектор измерений рассматривается в качестве многомерного выходного сигнала
системы, отягощенного шумом, а вектор состояния - неизвестный многомерный
сигнал, подлежащий определению. Условием оптимальности построенной оценки
состояния является минимум ее средней квадратической ошибки.
Рис. 1.4.1 Функциональная схема работы фильтра Калмана
Указанный критерий признан наиболее общим; доказано, что применение
множество других подобных условий (например, среднее арифметическое некоторой
непрерывно возрастающей, симметричной функции, такой как абсолютная величина)
приводит к тому же решению (функция модуля не обладает непрерывной производной,
что существенно затрудняет ее применение в алгоритмах минимизации). Фильтр Калмана
явился существенным усовершенствованием своего предшественника - алгоритма,
позволяющего с помощью метода наименьших квадратов выделять скалярный сигнал из
шума с неизменными статистическими характеристиками, предложенного в 40-х годах
XX столетия Н. Винером.
Рис. 1.4.1 иллюстрирует работу алгоритма фильтра Калмана. Начальными
условиями на каждом новом цикле алгоритма служат оценка состояния системы и
величина, характеризующая ее погрешность. В случае скалярной переменной такой
характеристикой является дисперсия, которая тем больше, чем сильнее разброс
индивидуальных значений относительно истинного. Распространенная оценка
дисперсии - среднеквадратическое отклонение, то есть квадрат стандартного
отклонения, - выражает степень разброса величины относительно среднего.
Обобщением дисперсии для вектора, то есть совокупности скалярных величин,
служит ковариационная матрица. Ее диагональные элементы являются дисперсиями
соответствующих составляющих вектора, а недиагональные - ковариациями,
характеризующими взаимосвязь между парой составляющих. Совокупность измерений,
отнесенных к каждому из моментов времени, обобщает вектор измерений. Алгоритм
последовательно обрабатывает вновь поступающие векторы измерений, учитывая при
этом значения, вычисленные на предшествующем цикле. Эта особенность отличает
алгоритм фильтра Калмана от нерекуррентных алгоритмов, которым для работы
требуется хранить весь массив обрабатываемых данных. На следующем шаге с
помощью обрабатываемых на данном цикле измерений уточняются начальные условия.
Для этого алгоритм вычисляет вес поправок к ним на основе ковариационных матриц
оценки состояния и измерений. Чем меньшей погрешностью характеризуются
измерения по сравнению с оценкой состояния системы, тем больший вес они
получат. Относительные веса неизвестных, определяющих вектор состояния системы,
зависят от степени их влияния на вектор измерений: больший вес получат те
переменные, вклад которых в измерения больше.
Уточнение начальных условий на основе поступивших на данном цикле
измерений, в общем случае, приводит к уменьшению неопределенности в оценке
состояния системы. Исправленные таким образом начальные условия и являются
выходными данными фильтра Калмана на каждом цикле. На заключительном этапе
работы алгоритма происходит подготовка к поступлению нового вектора измерений.
На основе заданного линейного преобразования, связывающего последующий вектор
состояния с предыдущим, прогнозируется оценка состояния системы, отнесенная к
моменту следующего измерения. При построении ковариационной матрицы прогнозируемого
вектора состояния фильтром Калмана учитывается возможность искажения модели,
описывающей поведение системы, некоторым случайным процессом с известными
статистическими параметрами. Поскольку конкретные значения возмущающего эффекта
не могут быть известны, данное обстоятельство способствует повышению
неопределенности прогноза. По мере последовательной обработки новых измерений
происходит накопление фильтром полезной информации, поэтому если элементы
вектора состояния уверенно выражаются через измеренные величины, то суммарная
погрешность оценок, как правило, должна снижаться. Однако поскольку вместе с
улучшением точности оценок на этапе их уточнения имеет место ее снижение при
построении прогноза, то эти тенденции, компенсируя друг друга, впоследствии
приведут к стабилизации неопределенности, характеризующей оценку состояния
системы. В случае отсутствия фактора, вносящего возмущения в процесс перехода
системы из одного состояния в другое, погрешность оценок в итоге достигнет
нуля. Изменяющаяся в процессе работы алгоритма степень неопределенности оценки
состояния системы влечет за собой и изменение весов, вычисляемых на втором
шаге; данное обстоятельство выделяет фильтр Калмана как алгоритм с переменными
весами.
Запишем уравнения фильтра Калмана в общем виде:
где
- упрежденная оценка вектора состояние системы по
оценке вектора состояния и примененному вектору управления с шага k − 1
на шаг k;
- оценка
вектора состояния системы на текущем шаге;
-
переходная матрица системы;
-
матрица управления системы;
- вектор
управляющих воздействий системы;
-
априорная ковариационная матрица оценки вектора состояния системы;
-
апостериорная ковариационная матрица оценки вектора состояния системы;
-
ковариационная матрица шума системы;
- данные
измерения;
-
матрица наблюдения системы;
-
единичная матрица;
-
ковариационная матрица шума измерений.
Тогда
ковариационные матрицы шумов измерения (
) и
ветрового возмущения (
) примут вид:
Где
= 0.0029 рад/с;
= 0.0029
рад/с;
= 0.0172
рад;
= 0.05
рад;
=
,
= 0.1;
Начальная
ковариационная матрица была выбрана экспериментальным путем:
Матрица
наблюдения БЛА:
Матрицы
Ф и B аналогичны матрицам из математической модели объекта.
В
результате были получены следующие уравнения для оценки вектора состояния БЛА:
Где
- измеренная угловая скорость вращения ЛА вокруг оси
Ох
-
измеренная угловая скорость вращения ЛА вокруг оси Оу
-
измеренный угол крена ЛА
-
измеренный угол курса ЛА
- угол
отклонения элеронов
- угол
отклонения рулей направления
-
априорные оценки этих параметров на k-м шаге
-
апостериорные оценки этих параметров на k-м шаге
-
коэффициенты математической модели движения БЛА
-
составляющие вектора К, полученного следующим образом:
После
установки фильтра Калмана с блоком вычисления угла ветра в боковой канал
управления, была получена улучшенная система управления (рис. 1.4.2).
Рис.
1.4.2 Боковой канал системы управления с учетом оцененной силы бокового ветра
1.5
Моделирование системы управления посадкой вместе с идентификатором бокового
ветра
Результаты моделирования с учетом ветра выводятся на осциллографе
Bok_smtshenie2 (ПРИЛОЖЕНИЕ 2)
Для предотвращения устаревания коэффициентов фильтра и улучшения оценки
угла скольжения через некоторое время после начала работы фильтра было
остановлено интегрирование ковариационной матрицы P (рис.1.5.1), т.е. были «заморожены» коэффициенты фильтра.
Время заморозки коэффициентов было подобрано экспериментальным путем и
составило 1.8 секунды.
Рис. 1.5.1 Структурная схема проведения процедуры «замораживания»
коэффициентов фильтра Калмана
Проверим работу фильтра, при воздействии на БЛА, с установленной на него
САУ, бокового ветра (рис. 1.3.2.10).
β(t)
t, сек
Рисунок 1.5.2 Угол скольжения БЛА (синяя линия) и его оценка (зеленая
линия)
Как видно из результатов эксперимента, значение угла скольжения было
оценено с ничтожно малой погрешностью, а время оценки не превышало одной
секунды.
В силу того, что сила ветра входит в дифференциальные уравнения бокового
движения БЛА в виде производной, оценить этот параметр с помощью фильтра
Калмана точно довольно тяжело. Приняв во внимание тот факт, что мы достаточно
точно (с погрешностью не более 20%) знаем математическую модель исследуемого
БЛА, мы можем выделить значение силы ветра, используя следующий подход: зная
все параметры БЛА на текущем шаге, мы можем рассчитать значение угла скольжения
на следующем шаге без учета воздействия ветра. Таким образом, вычисляя это
значение на протяжении всего полета, мы можем получить значение «полезного»
угла скольжения, вызванного управляющими воздействиями. Зная оцененное значение
угла скольжения, можно вычислить силу ветра.
βW(t)
t, сек
Рис. 1.5.3 Результаты эксперимента с идеальной математической моделью БЛА
(зеленая линия - идеальное значение силы ветра, синяя - ее оценка)
βW(t)
t, сек
Рис. 1.5.4 Результаты эксперимента с при отклонении параметров
математической модели БЛА от идеальных на 15-20% (синяя линия - идеальное
значение силы ветра, зеленая - ее оценка).
Как видно из представленных графиков, данный метод достаточно точно
оценивает силу ветра даже при отклонении параметров математической модели и
может быть применен при компенсации воздействия бокового ветра на БЛА.
Zg(t)
t, сек
Рисунок 1.5.5. Процесс компенсации бокового отклонения, полученного в
результате воздействия бокового ветра. Зеленой линией показан процесс,
полученный без применения фильтра Калмана, синей - с его применением
Таким образом, как видно из результатов эксперимента, с применением
фильтра Калмана существенно улучшилось качество переходного процесса, удалось
сократить амплитуду переходного процесса по боковому отклонению при воздействии
бокового порыва ветра.
Выводы по
разделу
По результатам работы можно сделать общий вывод. Реализация системы
автоматического управления в боковом канале в режиме захода на посадку и
посадке в сложных метеоусловиях (наличие бокового ветра) является сложной
задачей. При наличии ограничений в математической модели ЛА таких как,
ограничения по скорости отклонения выходного вала привода и угла поворота
элеронов, приходится иметь дело с нелинейным объектом управления. Задача
анализа и синтеза закона управления аналитическими способами является
невозможной. В этом случае требуются дополнительные экспериментальные
исследования, требующие корректировку передаточных чисел, используемых в законе
управления и найденных до этого для линейной модели.
Следует отметить, что для обеспечения требуемого качества к процессам
управления в боковом канале и для минимизации статической ошибки отклонения от
заданной линии пути при наличии бокового ветра в законе управления необходимо
учитывать некоторые неизмеряемые координаты, такие как, угол скольжения и угол ветра.
В результате работы с использованием аппарата Калмановской фильтрации был
разработан стационарный фильтр Калмана, позволяющий с требуемой точностью
обеспечить получение оценок угла скольжения и угла ветра, которые впоследствии
вводятся в закон управления. Использования стационарного фильтра Калмана
(коэффициенты матрицы поправок являются постоянными величинами) позволяет
определенным образом сэкономить вычислительные ресурсы бортового компьютера,
что является важным в таком скоротечном режиме полета, как посадка. Результаты
моделирования подтвердили выдвинутую гипотезу о том, что введение
дополнительных оценочных координат БЛА улучшили характеристики переходных
процессов при отработке отклонения от заданной линии пути при наличии бокового
ветра 10 м/с.
2.
ЭКОНОМИЧЕСКАЯ ЧАСТЬ
.1
Определение целесообразности разработки программного продукта
Для экономической эффективности разрабатываемых алгоритмов и программного
продукта (ПП) необходимо:
· определить целесообразность разработки;
· определить трудоемкость и затраты на создание ПП;
· определить показатели экономической эффективности разработки
ПП.
Для того чтобы обосновать целесообразность разработки ПП, дать оценку
технической прогрессивности и качеству реализации, необходимо сравнить ее с
одним из существующих аналогов, который принят в качестве базового. В качестве
аналога разрабатываемого ПП был выбран существующий алгоритм автоматической
беспилотной посадки ЛА на неподготовленную площадку с использованием бортового
комплекса измерительно-информационной аппаратуры, реализованный и
использующийся на кафедре 301.
Таблица 2.1
Характеристики качества алгоритмов и ПП
|
Функциональные характеристики
|
Величина функциональных характеристик
|
Значимость характеристики
|
|
аналог
|
новый вариант
|
|
|
1. Универсальность
|
1
|
4
|
0.4
|
|
2. Точность
|
1
|
2
|
0.3
|
|
3. Наглядность отображения входных данных и результатов
расчета
|
1
|
3
|
0.2
|
|
4. Простота использования
|
1
|
4
|
0.1
|
Определим индекс технического уровня разработки по формуле:
,
где
xiН, xiБ -
уровень i-ой функциональной характеристики соответственно
нового и базового ПП;
μi -
значимость i-ой функциональной характеристики,
n - количество
рассматриваемых функциональных характеристик.
Значимость
i-ой функциональной характеристики определяется
экспертным путем, при этом учитывается условие:
.
Таким
образом, индекс технического уровня равен:
Полученное значение индекса позволяет сделать вывод о том, что
разрабатываемый ПП является более прогрессивным по сравнению с рассматриваемым
базовым аналогом.
.2
Определение трудоемкости и затрат на создание алгоритма и ПП
При традиционном программировании каждый элемент ПП содержит все этапы
решения задач, начиная с ввода исходных данных и кончая выводом результатов.
Затраты труда в чел.-час для этого случая определяются по формуле:
,
где tО - затраты труда на подготовку описания задачи;
tИ - затраты труда на изучение и
постановка задачи;
tА - затраты труда на разработку алгоритма решения
задачи;
tК - затраты труда на программирование по блок-схеме;
tОТ - затраты труда на отладку программы;
tД - затраты труда на подготовку документации по ПП.
- условное количество операторов в программе:
,
q -
предполагаемое количество команд;
КС
- коэффициент сложности программ;
КК
- коэффициент коррекции программы при ее разработке;
n - количество
коррекций программы в ходе ее разработки;
К
- коэффициент квалификации разработчика;- увеличение затрат на изучение и
постановку задачи вследствие ее сложности и новизны.
Для
разрабатываемого ПП:= 2000= 5
KK =
0,1C = 1,5
B = 2,5
K =
1,1
Таким образом:
tО = 16;
Тогда
общие затраты труда составляют:
tПП = 16 + 136,4 + 204,5 + 409 + 818,2 + 477,2 = 2061.3
чел.-час.
Результаты
вычислений занесем в таблицу 2.2.
Таблица 2.2
Структура трудовых затрат на разработку алгоритмов и ПП
|
№
|
Наименование этапа работ
|
Доля работ на этапе в общем объеме работ, %
|
|
1
|
Подготовка описания задачи
|
0,77
|
|
2
|
Изучение поставленной задачи
|
6,7
|
|
3
|
Разработка алгоритма решения задачи
|
9,9
|
|
4
|
Программирование по блок-схеме
|
19,8
|
|
5
|
Отладка программы
|
39,7
|
|
6
|
Подготовка документации по ПП
|
23,1
|
|
Итого:
|
|
100
|
2.3 Календарное планирование
Разработка календарного плана производится на основе данных о
трудоемкости работ, связанных с выполнением дипломного проекта. Пересчет
длительности производственного цикла в календарные дни осуществляют умножением
ее на коэффициент 1.4
Производственный цикл каждого этапа определяется по формуле:
где
Тj - трудоёмкость j-того этапа работ, чел/час;
tрд - продолжительность рабочего дня, час;
qj -
количество работников одновременно участвующих в выполнении работ на j-том
этапе, чел.
Таким
образом, рассчитаем:
Пересчитаем
в календарные дни:
Таблица 2.3
Календарное планирование. Директивный график
|
№
|
Наименование этапа
|
Удельный вес %
|
Трудоёмкость этапа, чел/ч
|
Количество исполнителей, чел.
|
Длительность этапа, кал. дни
|
|
|
1
|
Подготовка описания задачи
|
0,77
|
16
|
1
|
3
|
|
|
2
|
Изучение и постановка задачи
|
6,7
|
136,4
|
1
|
24
|
|
|
3
|
Разработка алгоритма решения задачи
|
9,9
|
204,5
|
1
|
36
|
|
|
4
|
Программирование по блок-схеме
|
19,8
|
409
|
2
|
36
|
|
|
5
|
Отладка программы
|
39,7
|
818,2
|
2
|
72
|
|
|
6
|
Подготовка документации по ПП
|
23,1
|
477,2
|
2
|
42
|
|
|
Всего
|
100
|
2061,3
|
|
213
|
|
2.4 Расчет заработной платы персонала
Заработная плата разработчиков программы рассчитывается на основе
трудоемкости стадий работ. Часовые ставки определяются на основе должностных
окладов разработчиков и разрядов работ (часовых тарифных ставок). Расчет
заработной платы сведен в таблицу 2.4.
Таблица 2.4
Заработная плата основного персонала
|
№ этапа
|
Трудоемкость стадий, чел.-дн
|
Исполнители
|
Дневн. ставка, р
|
Сред. дневная ставка, р
|
З/п, р
|
З/п с уч. Премий (15%), р
|
|
|
должность
|
числ.
|
|
|
|
|
|
1
|
2
|
Ведущий инженер
|
1
|
700
|
700
|
1400
|
1610
|
|
2
|
17
|
Ведущий инженер
|
1
|
800
|
800
|
13600
|
15640
|
|
3
|
22,5
|
Ведущий инженер
|
1
|
800
|
800
|
18000
|
20700
|
|
4
|
22,5
|
Программист
|
2
|
700
|
700
|
31500
|
36225
|
|
5
|
51
|
Программист
|
1
|
700
|
750
|
38250
|
43987.5
|
|
|
Ведущий инженер
|
1
|
800
|
|
|
|
|
6
|
30
|
Программист
|
1
|
700
|
750
|
22500
|
25875
|
|
|
Ведущий инженер
|
1
|
800
|
|
|
|
|
Всего
|
145
|
|
125250
|
144037.5
|
2.5
Определение затрат на создание алгоритмов и ПП
Затраты на создание алгоритмов и ПП определяют по следующим статьям
расходов:
. Заработная плата основных исполнителей;
2. Отчисления на социальные нужды;
. Накладные расходы;
. Прочие расходы.
2.5.1
Заработная плата основных исполнителей
Заработная плата основных исполнителей рассчитана в пункте 2.4 и, с
учетом премий, составляет ЗПП = 144037.5.
.5.2
Расчет отчислений на социальные нужды
Норматив отчислений на социальные нужды составляет 34% от заработной
платы основных исполнителей.
Таким
образом:
.5.3
Расчет накладных расходов
Накладные расходы определяются по формуле:
, где KНАКЛ = 1..2. Примем KНАКЛ = 1, тогда:
2.5.4
Прочие расходы
Общие
результаты по статьям расходов приведены в таблице 2.5.4.
Таблица 2.5.4
Затраты на создание алгоритмов и ПП
|
Наименование элементов и статей расходов
|
Затраты, руб.
|
Удельный вес, %
|
|
заработная плата основных исполнителей
|
144037.5
|
41
|
|
отчисления на единый социальный налог основных исполнителей
|
13.9
|
|
|
накладные расходы
|
144037.5
|
41
|
|
прочие расходы
|
14403.75
|
4,1
|
|
Итого:
|
351451.5
|
100
|
2.5.6
Цена предложения
Цена первоначально разработанных алгоритмов и ПП определяется с учетом
рентабельности разработки как:
,
где ЗПП - затраты на создание алгоритмов и программных
продуктов;
ЗПпп - заработная плата основных исполнителей - разработчиков
ПП;
ρЗП - рентабельность разработки ПП по
отношению к оплате труда основных исполнителей, обеспечивающая безубыточную
деятельность (ρЗП = 200 - 400%).
Примем ρЗП = 250%
.6
Определение и оценка показателей экономической эффективности
Использование разработанных алгоритмов и ПП в сфере авиационной
промышленности приведет к повышению качества (точности и универсальности)
системы посадки БЛА. Поэтому показатель годового экономического эффекта
определяется по формуле:
,
где
- годовые эксплуатационные затраты в информационной
системе по базовому и новому варианту соответственно, руб.
Таким
образом:
руб.
Для
разрабатываемого ПП уровень экономической эффективности и срок окупаемости
капиталовложений составляет:
,
.
Выводы по
разделу
В результате проведенного анализа экономической эффективности
разрабатываемой системы были выведены следующие ключевые показатели:
. Индекс технического уровня разрабатываемого ПП: JТУ = 3,2. Это является основным
количественным показателем целесообразности разработки данного продукта.
2. Суммарные затраты на разработку алгоритмов и ПП составили
351451.5 руб.
. Коэффициент экономической эффективности капиталовложений: Е =
1.48. Это означает, что разработанный ПП окупится уже через 8 месяцев.
Таким образом, внедрение разработанного программного продукта является
экономически оправданным.
3. Охрана
труда и окружающей среды
Обеспечение безопасных условий труда для разработчика системы
автоматического управления при посадке легким БЛА.
Проектирование системы автоматического управления летательным аппаратом
(САУ ЛА) сводится к разработке структуры и определению параметров отдельных ее
подсистем. Для принятия рационального решения разработчику САУ необходим
определенный объем информации, которую можно подразделить на необходимую
начальную и рабочую. Под начальной (априорной) информацией понимают
совокупность сведений о параметрах управляемого движения ЛА, полученных в
процессе проектирования и используемых для реализации конкретного варианта САУ.
Для получения рабочей информации разработчик должен овладеть общей
методикой проектирования и суметь творчески ее использовать при проектировании
САУ конкретного ЛА.
С точки зрения разработчика программно-алгоритмической части САУ
формально организационные этапы проектирования можно объединить в три группы.
) Начальный этап проектирования. Он включает предварительный
расчет САУ ЛА на основных типовых режимах полета с использованием упрощенных
математических моделей объекта управления (ОУ) и идеальных моделей САУ.
) Этап математического моделирования на ЭВМ с учетом нелинейных
характеристик. На этом этапе уточняют и проверяют предварительно полученные
результаты синтеза САУ ЛА с учетом теоретических и реально полученных
характеристик объекта управления и САУ.
) Полунатурное
и стендовое моделирование САУ ЛА. Здесь с полным или частичным
использованием реальной аппаратуры САУ так же, как и на этапе 2, уточняются
структура и параметры проектируемой системы управления.
Процесс
разработки ведётся в лаборатории научно-исследовательского института общей
площадью 48
, высота потолка 4 м. В помещении постоянно находится
4 человека. Площадь производственного помещения на одно рабочее место
составляет 12
, а объём 48 м3. Согласно СанПиН
2.2.2/2.4.1340-03 на одно рабочее место пользователей ПЭВМ с ВДТ на базе
электронно-лучевой трубки требуется площадь не менее 6
и объёмом - не менее 20 м3, что
соответствует фактическому значению.
Таким
образом, оборудование, применяемое в процессе разработки: персональный
компьютер.
Перечень
производственного оборудования, находящегося в лабораторном зале:
· Системный блок Asus
50Vm 844 Intel (R) Core (TM) 2 Duo CPU 2ГГц
· Габариты 39,75 ×11,66 × 36,19 см; мощность источника
питания: 400 Вт; оперативная память: 4 Гб; операционная система Windows XP Professional SP2;количество: 5 штук.
· Плоскопанельный ЖК Монитор Asus PG191
· Габариты: 44,49 ×46,3 × 24 см; количество: 5 штук.
· Источник бесперебойного питания типа APC Back UPS
· Автоматический тип предохранителя; входное напряжение: 180 -
264 В; диапазон входных частот: 47 - 63 Гц; энергия скачка: 290 Дж; габариты:
28,3 × 9,1 × 16,5 cм; количество: 6 штук.
· Многофункциональное устройство HP Deskjet F4500
Среднее время работы оборудования в сутки - 12 часов.
.1 Анализ
условий труда на рабочем месте при выполнении дипломной работы
Помещение имеет естественное и искусственное освещение, соответствующее
требованиям действующей нормативной документации и оборудовано защитным
заземлением в соответствии с техническими требованиями по эксплуатации.
При проектировании рабочих мест операторов ПЭВМ необходимо учитывать
следующие факторы производственной среды:
А) Санитарно-гигиенические факторы:
· Микроклимат рабочей зоны;
· Производственное освещение;
· Шум и вибрация;
· Электромагнитное и ионизирующее излучение;
Б) Эргономические факторы;
В) Психофизиологические факторы;
Г) Классификация помещения по электроопасности;
Д) классификация помещения по пожароопасности.
Анализ условий труда оператора по перечисленным факторам рассматривается
в СанПиН 2.2.2/2.4.1340-03 «Гигиенические требования к персональным
электронно-вычислительным машинам и организации работы».
А) Санитарно-гигиенические факторы
микроклимат
Микроклимат производственных помещений - это климат внутренней среды этих
помещений, который определяется действующими на организм человека сочетаниями
температуры, относительной влажности, скорости движения воздуха и интенсивности
теплового излучения.
Параметры микроклимата должны удовлетворять значениям
температуры, относительной влажности и скорости движения воздуха, приведенным в
ГОСТ 12.1.005-88 ССБТ «Общие санитарно-гигиенические требования к воздуху
рабочей зоны».
Таблица 3.1
1. Оптимальные нормы микроклимата в рабочей зоне помещений
|
Период года
|
Категория работ
|
Температуры, °С
|
Относительная влажность, %
|
Скорость движения воздуха, м /с
|
|
|
Оптим.
|
Оптим.
|
Оптим.
|
|
Холодный (средн. сут. t < 10°С)
|
Легкая - Iа
|
22 - 24
|
40 - 60
|
0,1
|
|
Теплый (средн.сут. t > 10°С)
|
Легкая - Iа
|
22 - 24
|
40 - 60
|
0,1
|
Таблица 3.1
2. Фактические нормы микроклимата в рабочей зоне помещений
|
Период года
|
Категория работ
|
Температуры, °С
|
Относительная влажность, %
|
Скорость движения воздуха, м /с
|
|
|
Фактич.
|
Фактич.
|
Фактич.
|
|
Холодный (средн. сут. t < 10°С)
|
Легкая - Iа
|
26-28
|
60
|
0,1
|
|
Теплый (средн.сут. t > 10°С)
|
Легкая - Iа
|
60
|
0,1
|
Большое влияние на микроклимат помещения, где разрабатывается алгоритм,
являющийся предметом данной дипломной работы, оказывает тепловое излучение.
Источниками этого теплового излучения служат ПЭВМ с периферийными устройствами,
расположенные на рабочих местах, а также тепло, поступающее от рабочего
персонала и от источников освещения. Тепло от этих источников приводит к тому,
что температура воздуха в помещении держится на уровне 26-28°С, что, как видно
из таблицы 3.1.1, не удовлетворяет требованиям, установленным в ГОСТ 12.1.005-88.
В связи с этим, для обеспечения комфортных условий работы требуется
осуществлять кондиционирование воздуха.
Шум и
вибрации
Большое влияние на деятельность оператора оказывает уровень шума. С одной
стороны, это непосредственное влияние на качество восприятия информации. С
другой стороны, шум косвенно влияет на работоспособность оператора, вызывая
перестройку функционирования определенных физиологических систем организма.
В рассматриваемом помещении источниками шума являются системные блоки,
устройства ввода - вывода информации, принтер. Уровень шума от вентилятора
системного блока составляет около 15 дБА. Уровень шума в непосредственной
близости от принтера во время печати составляет около 45 дБА, в режиме ожидания
практически бесшумно.
Нормы шума предусматриваются ГОСТ 12.1.003. - 83, в котором определен
допустимый уровень звука в помещениях конструкторских бюро, расчетчиков,
программистов вычислительных машин равен 80 дБА.
Согласно ГОСТ 12.1.003-83 «Шум. Общие требования безопасности», при
выполнении основной работы на мониторах и ПЭВМ в помещениях, где находятся
инженерно-технические работники, осуществляющие лабораторный, аналитический или
измерительный контроль, уровень шума не должен превышать 65 дБА.
Рассчитаем суммарный уровень шума:
Таким
образом, видно, что суммарный уровень шума на рабочем месте соответствует
требованиям ГОСТ 12.1.003-83.
Источники вибрации в данном помещении отсутствуют.
Освещение
Результаты работы оператора ПЭВМ в большой степени зависят от
освещенности рабочих мест. Характеристика зрительной работы определяется
наименьшим размером объекта различения. В зависимости от размера объекта
различения все виды работ, связанные со зрительным напряжением, делятся на
восемь разрядов, которые в свою очередь в зависимости от фона и контраста
объекта с фоном делятся на четыре подразряда. Размер объекта различения на
данном рабочем месте 1мм, характеристика зрительной работы точная, контраст
объекта с фоном большой, фон светлый.
На анализируемом рабочем месте применяется совмещенное освещение.
Естественное осуществляется через окно в наружной стене - боковое освещение.
Искусственное освещение осуществляется в виде комбинированной системы
освещения, с использованием люминесцентных источников света. В соответствии с
нормами СНиП 23-05-95 «Естественное и искусственное освещение. Нормы
проектирования» освещение в помещении должно быть совмещенным (искусственное и
естественное). При разработке алгоритма объект различения, с которым работает
оператор - точка диаметром 0.4 мм (графическая информация, полученная при
моделировании, средней контрастности, преимущественно на светлом фоне). Работу
оператора можно отнести к III г разряду зрительных работ, точность работы
высокая. В этом случае величина освещенности рабочего места оператора ПЭВМ на
рабочем столе в горизонтальной плоскости от общего искусственного освещения
должна составлять по СНиП 23-05-95 не менее 400 лк в системе комбинированного
освещения и не менее 200 лк в системе общего освещения.
В рассматриваемом помещении предусмотрено совмещенное освещение
(естественное и искусственное). Вид естественного освещения - боковое,
обеспечивается за счет имеющегося в помещении окна, ориентированного на
юго-восток и оборудованного жалюзи. Естественное освещение обеспечивает
коэффициент естественного освещения (КЕО = 1,2%), соответствующий СНиП
23-05-95.
В качестве источников искусственного освещения используются
люминесцентные лампы типа ЛД мощностью 20 Вт, которые попарно объединяются в
светильники, расположенные над рабочими поверхностями в
равномерно-прямоугольном порядке. Общее количество ламп в помещении - 36 штук.
Таблица 3.1.3
|
Характеристика зрительной работы
|
Наименьший или эквивалентный размер объекта различения, мм
|
Разряд зрительной работы
|
Подразряд зрительной работы
|
Контраст объекта с фоном
|
Характеристика фона
|
Искусственное освещение
|
Естественное освещение
|
Совмещен-ное освещение
|
|
|
|
|
|
|
Освещенность, лк
|
Сочетание нормируемых величин показателя ослепленности и
коэффициен-та пульсации
|
КЕО, еН, %
|
|
|
|
|
|
|
при системе комбинированного освещения
|
при системе общего освещения
|
|
при верхнем или комбинированном освещении
|
при боковом освещении
|
при верхнем или комбинированном освещении
|
при боковом освещении
|
|
|
|
|
|
|
всего
|
в том числе от общего
|
|
Р
|
Кп, %
|
|
|
|
|
|
1
|
2
|
3
|
4
|
5
|
6
|
7
|
8
|
9
|
10
|
11
|
12
|
13
|
14
|
15
|
|
Высокой точности
|
0.4
|
III
|
г
|
Средний Большой
|
Светлый Средний
|
400
|
200
|
200
|
40
|
15
|
|
|
|
|
Электромагнитное
излучение
Основные части ПЭВМ (системный блок, различные устройства ввода/вывода),
а также сетевые фильтры, источники бесперебойного питания и другое
вспомогательное электрооборудование при работе формируют сложную
электромагнитную обстановку на рабочем месте пользователя.
Известно, что работа в течение одного часа за экраном функционирующего
компьютера любой модификации приводит к ухудшению общей энергетики биополя
человека. Воздействие электромагнитных полей, превышающих естественное фоновое
значение, нарушает процессы саморегуляции в организме, сбивает биоритмы
человека. Большинство процессов, происходящих в человеческом организме, связано
с его электрическими и магнитными полями. Каждому органу человека присущи свои
электромагнитные поля, причем характеристики магнитных полей индивидуальны.
В соответствие с СанПиН 2.2.4.1191 - 03 «Электромагнитные поля в
производственных условиях», предельно допустимый уровень напряженности
электрического поля на рабочем месте в течение всей смены устанавливается
равным 5 кВ/м.
Напряженность электрического поля от источника питания системного блока
вычисляется по формуле:
, В/м,
где
U - напряжение питания,
r - расстояние
от системного блока до оператора ЭВМ.
Таким
образом, напряженность электрического поля на рабочем месте составляет
, что не превышает предельно допустимого значения,
установленного в СанПиН 2.2.4.1191.-03
Б) Эргономические факторы
Основными элементами рабочего места оператора ПЭВМ являются рабочая
поверхность, экран дисплея, клавиатура, рабочее кресло. Эргономические
параметры рабочего места пользователя являются весьма важными, и их неверный
выбор приводит к ухудшению здоровья пользователя и его повышенной утомляемости.
Характеристики рабочего места оператора установлены СанПиН 2.2.2/2.4.1340-03
«Гигиенические требования к персональным электронно-вычислительным машинам и
организации работы» и представлены в таблице 3.1.4.
Таблица 3.1.4
Сводные характеристики рабочего места оператора
|
Параметр
|
Рекомендуемое значение, мм
|
|
Стол
|
|
Высота поверхности
|
680 - 800, 750 в случае нерегулируемой поверхности
|
|
Ширина
|
800, 1000, 1200, 1400
|
|
Глубина
|
800, 1000
|
|
Параметры полости (Ш × В)
|
500 × 600
|
|
Глубина полости
|
не менее 450 на уровне колен; не менее 650 на уровне
вытянутых ног
|
|
Сидячее место
|
|
Возможность изменения положения тела
|
+
|
|
Наличие подлокотника
|
+
|
|
Возможность регулировать высоту сидения и спинки
|
+
|
|
Возможность регулировать угол наклона
|
+
|
|
Ширина и глубина поверхности сиденья
|
не менее 400
|
|
Регулировка высоты поверхности сиденья
|
400 - 550
|
|
Высота опорной поверхности спинки
|
300 +-20
|
|
Ширина опорной поверхности спинки
|
не менее 380
|
|
Длина подлокотника
|
не менее 250
|
|
Ширина подлокотника
|
50 - 70
|
|
Регулировка подлокотников по высоте над сиденьем в пределах
|
230 +-30
|
На анализируемом рабочем месте конструкция рабочего стола обеспечивает
возможность размещения на нем необходимого при работе комплекта документов. В
выдвижных ящиках стола хранится литература, не используемая постоянно. Высота
рабочей поверхности стола является нерегулируемой и составляет 730 мм. Размеры
рабочей поверхности стола составляют: глубина - 630 мм, ширина - 1500 мм.
Рабочий стол имеет пространство для ног высотой 700 мм, шириной - 600 мм,
глубиной - 600 мм.
Кресло пользователя выполнено таким образом, чтобы поддерживать
физиологически рациональную рабочую позу оператора в процессе трудовой
деятельности, а также создавать условия для изменения позы с целью снижения
статического напряжения мышц шейно-плечевой области и спины. Кресло является
подъемно-поворотным и регулируемым по углу наклона спинки. Регулировка каждого
положения является независимой и имеет надежную фиксацию. Кресло оборудовано
подлокотниками для снижения статического напряжения мышц рук. Поверхность
сиденья имеет глубину и ширину в 430 мм. Высота поверхности сиденья
регулируется от 400 до 600 мм. Опорная поверхность спинки кресла имеет высоту
350 мм, ширину 400 мм. Угол наклона спинки в вертикальной плоскости
регулируется в пределах 300 от вертикального положения. Подлокотники
имеют высоту 250 мм и ширину 60 мм.
Клавиатура выполнена в виде отдельного устройства, имеет возможность
свободного перемещения и располагается на расстоянии 200 мм от переднего края
стола.
Приведенные параметры соответствуют СанПиН 2.2.2/2.4.1340-03
«Гигиенические требования к ПЭВМ и организации работы».
В) Психофизиологические факторы
При работе с ПЭВМ следует учитывать нервно-психологическую нагрузку.
Правильный выбор монитора хорошего качества позволяет повысить продуктивность
работы, предотвращает зрительное утомление, усталость и головные боли.
Допустимые визуальные параметры устройств отображения информации должны
соответствовать требованиям ГОСТ Р 52324-2005 «Эргономические требования к
работе с визуальными дисплеями, основанными на плоских панелях», которые
отражены в таблице 3.1.5.
Таблица 3.1.5
Время формирования изображения
Расстояние от наблюдателя от монитора должно быть не менее 400 мм.
Изображение должно быть свободно от мелькания, шрифт должен быть со сглаженной
ступенчатостью, высота знака ψ набора символов должна
соответствовать 20’-22’. Рабочее место и монитор с плоской панелью должны
обеспечивать пользователю наблюдать экран при проектных направлениях с углом
поворота головы от 0º до 20º.
Проектная освещенность экрана должна лежать в диапазоне 250-750 лк.
При наличии внешней освещенности яркость дисплея должна превышать
минимальное значение, необходимое для получения визуальной резкости.
Жидкокристаллический монитор Asus PG191 имеет
следующие характеристики:
габариты: 44,49 ×46,3 × 24 см; видимая область: 19 дюймов
(48.3 см); точка LCD-матрицы: 0.294 мм; яркость LCD-матрицы: 320 кд/м2;
контрастность LCD-матрицы: 800:1; частота - 60 Гц; время отклика: 2 мс -
типичное; формат LCD-матрицы: 5:4; разрешение LCD-матрицы: 1280 × 1024; угол обзора LCD-матрицы: 160°
по горизонтали, 160° по вертикали; интерфейс: SXGA. Располагается на рабочем месте таким образом, что
изображение на любой его части различается пользователем без необходимости
поднятия или опускания головы. Монитор установлен на уровне глаз пользователя,
расстояние от глаз пользователя до дисплея составляет 50 см. Изображение
свободно от мелькания (частота обновления экрана - 60 Гц), шрифт со сглаженной
ступенчатостью (методом ClearType). Для удобства просмотра монитор можно наклонять на 4 градуса вперед и
21 градус назад.
Конструкция дисплея предусматривает наличие органов регулирования
яркости, контрастности и цветовой насыщенности изображения.
Как следует из приведенных данных, характеристики используемого монитора
соответствуют требованиям ГОСТ Р 52324-2005 «Эргономические требования к работе
с визуальными дисплеями, основанными на плоских панелях».
Г) классификация помещения по электроопасности
Электрические установки, к которым относится практически все оборудование
ПЭВМ, представляют для человека большую потенциальную опасность. Также
необходимо учесть опасность выхода из строя ПЭВМ и отрицательного воздействия
на человека разрядных токов статического электричества.
Все помещения делятся по степени опасности на три класса: 1 - без
повышенной опасности, 2 - с повышенной опасностью, 3 - особо опасные. Помещения
без повышенной опасности - это сухие беспыльные помещения, с нормальной
температурой воздуха и с изолирующими полами.
При работе на ПЭВМ, которые применяются в помещении без повышенной
опасности, следует использовать заземление. Защитное заземление уменьшает
опасность поражения током в случае прикосновения к корпусу.
Д) классификация помещения по пожароопасности
Как известно, пожар может возникнуть при взаимодействии горючих веществ,
окисления и источников зажигания. В помещениях, где находится ПК, присутствуют
эти три основных фактора, сопряжённые с пожаропасностью.
Горючими компонентами являются: строительные материалы для акустической и
эстетической отделки помещений, перегородки, двери, полы, изоляция силовых и
коммуникационных кабелей и др.
Источниками воспламенения на рабочем месте оператора ПК могут быть:
электронные схемы ПЭВМ, устройства электропитания, кондиционирования воздуха,
где в результате различных нарушений образуются перегретые элементы,
электрические искры и дуги, способные вызвать различные загорания горючих
материалов.
Для большинства помещений, в которых работают ПК, установлена категория
пожарной опасности Д, что соответствует нормам (НПБ-105-03 «Определение
категорий помещений, зданий и наружных установок по взрывопожарной и пожарной
опасности»).
К средствам тушения пожара, предназначенным для локализации небольших
загораний, относятся пожарные стволы, внутренние пожарные водопроводы,
огнетушители, сухой песок, асбестовые одеяла и т.п. Для тушения пожаров на
начальных стадиях широко применяются огнетушители.
Проведенный анализ условий труда показал, что при разработке дипломной
работы особое внимание необходимо уделить мероприятиям по обеспечению
электробезопасности.
.2
Мероприятия по снижению влияния вредного фактора
В результате проведенного анализа условий труда на рабочем месте было
признано соответствие параметров освещенности, электромагнитного излучения,
шума требованиям гостов. В связи с наличием на рабочем месте большого числа
электронно-вычислительной техники, выделяющей большое количество тепловой
энергии, требуется рассчитать параметры системы кондиционирования воздуха.
.2.1
Расчет кондиционирования воздуха производственного помещения
Для обеспечения заданных параметров микроклимата
целесообразно предусмотреть кондиционирование воздуха и создать небольшое
избыточное давление для исключения поступления неочищенного воздуха в
производственное помещение.
Основой для расчета системы кондиционирования воздуха
является расчет избыточного тепла в анализируемом помещении. Избыток тепла в
помещении складывается из следующей формулы:
,
где
Q - количество тепла в помещении, Вт;
Qобор - тепло от оборудования, Вт;
QП - поступление тепла от находящихся людей в помещении,
Вт;
Qосв - выделение тепла электрическим освещением, Вт;
Qогр.к - поступление (летом со знаком +) и потери (зимой со
знаком -) тепла через ограждение конструкции, Вт;
В
производственном помещении источником тепла является следующее оборудование:
ПЭВМ, многофункциональное устройство, монитор. Выделение тепла от корпусов
вычислительных машин, устройств ввода и вывода информации и вспомогательного
оборудования, указывается по данным каталогов, справочной информации
заводов-изготовителей. Определить величину возможного выделения тепла от
оборудования можно по следующей формуле:
,
где
- коэффициент использования установочной мощности
оборудования (
0,95);
-
коэффициент, учитывающий процент одновременно работающего оборудования (
);
-
суммарная установочная мощность оборудования, Вт.
В
анализируемом помещении используются следующее оборудование с соответствующими
мощностями:
· Системные блоки Pentium Certo Duo (440 · 5 = 2200 Вт);
· Плоскопанельные ЖК Мониторы Aser I221W (300
· 5 = 1500 Вт);
· Многофункциональное устройство HP Deskjet F4500 (1280 Вт)
Вт.
Количество
полного тепла (
), выделяемого одним человеком в помещении, обычно
принимают из расчета 140 Вт, отсюда:
,
где
- количество работающих в смену операторов.
Вт.
Количество
тепла, поступающего от электрического освещения, определяется по фактической
мощности осветительной установки:
,
где
Nосв -
суммарная установочная мощность светильников в Вт,
Nосв=4×18×20=1440 Вт;
K3 - коэффициент, зависящий от способа установки
светильников производственного освещения и тепла источников света (K3=1 для подвесных светильников с люминесцентными
лампами, K3=0,7-0,9
для ламп накаливания, K3=0,15-0,45
для светильников, встроенных в подвесной потолок);
K4 - коэффициент, учитывающий пускорегулирующую
аппаратуру светильника (K4=1,2-1,3).
Вт.
Основные
и добавочные потери теплоты следует определять, суммируя потери теплоты через
отдельные ограждающие конструкции Q, Вт, с округлением до 10 Вт для
помещений по формуле:
где
А - расчетная площадь ограждающей конструкции,
R -
сопротивление теплопередаче ограждающей конструкции, м2*C/Вт.
-
расчетная температура воздуха,
-
расчетная температура воздуха для холодного периода года при расчете потерь
теплоты через наружные ограждения или температура воздуха более холодного
помещения - при расчете потерь теплоты через внутренние ограждения,
-
добавочные потери теплоты в долях от основных потерь. Так как окна помещения,
где выполняется данная дипломная работа, обращены на юго-восток, то коэффициент
=0.05,
-
коэффициент, принимаемый в зависимости от положения наружной поверхности
ограждающих конструкций по отношению к наружному воздуху по СНиП II-3-79.
В соответствии с данным документом, для наружных стен и покрытий коэффициент
.
Сопротивление ограждающей конструкции следует определять по СНиП II-3-79 (кроме полов на грунте). В
соответствие с данным документом, R определяется по градусо-суткам отопительного периода. Градусо-сутки
отопительного периода (ГСОП) следует определять по формуле:
ГСОП = (tв − t от.пер. ) z от.пер. ,
где tв - расчетная температура внутреннего воздуха, °С,от.пер., z от.пер.
- средняя температура, °С, и продолжительность, сут, периода со средней
суточной температурой воздуха ниже или равной 8°С.
Таким образом,ГСОП=(26+15)150=6150.
Тогда R для стен и наружных покрытий
принимается равным 1.4 м2*C/Вт,
а для окон и балконных дверей равным 0.35 м2*C/Вт.
Площадь перекрытия, выходящего наружу, суммируется из площади кирпичной
стены, равной 16.5 м2, и площади окна, равной 8 м2.
Таким образом, потери тепла составляют:
Вт
Избыток
тепла в помещении:
Вт.
После
определения избытка тепла в помещении необходимо рассчитать производительность
системы кондиционирования воздуха, которая обеспечит оптимальные
микроклиматические условия.
Для
систем кондиционирования воздуха (СКВ) различают полную (с поправкой на утечки
воздуха в сетях) производительность и полезную (используемую в кондиционируемых
помещениях). Полную производительность определяют в м3/ч по формуле:
,
где
KПОТ -
коэффициент, учитывающий потери в воздуховодах, определяется по СНиП П-33-75.
При
установке кондиционера вне обслуживаемого помещения для воздуховодов из металла
и пластмасс KПОТ =
1,1-1,15; L - полезная производительность системы, м3/ч.
Полезную
производительность СКВ определяют по максимальным избыточным тепловым потокам в
помещении в теплый период года по явному теплу Q (Вт) по
формуле:
,
где
c - удельная теплоемкость воздуха, c=1
кДж/(кг∙K);
ρ - плотность воздуха, ρ=1,2
кг/м3;
∆tp - полная разность температур:
,
где
tУ -
температура воздуха, удаляемого из помещения, 32 °С;
tО - температура воздуха, подаваемого в помещение, 22
°С.
м3/ч.
Определив значение требуемой производительности системы кондиционирования
воздуха в помещении, необходимо установить четыре кондиционеров модели ARG25A с
расходом воздуха 1100 м3/ч.
Выводы по
разделу
В разделе «Охраны труда и окружающей среды» был проведен анализ условий туда
по следующим факторам: санитарно - гигиенические, эргономические,
психофизиологические. Было выявлено соответствие характеристик
производственного помещения принятым нормативным значениям. На основании
изученной литературы, был проведен расчет кондиционирования воздуха на рабочем
месте. В результате расчета предложено использовать четыре кондиционера модели
ARG25A с расходом воздуха 1100 м3/ч для нормализации воздуха
лабораторного зала.
Соблюдение условий, определяющих оптимальную организацию рабочего места
оператора ПЭВМ, позволит сохранить хорошую работоспособность в течение всего
рабочего дня, повысит как в количественном, так и в качественном отношении
производительность труда оператора, что в свою очередь будет способствовать
быстрейшему выполнению поставленных перед ним задач.
ЗАКЛЮЧЕНИЕ
В дипломной работе были получены следующие основные результаты:
· произведен обзор и анализ существующих способов посадки БЛА;
· произведен синтез передаточных коэффициентов линейного
регулятора закона управления, удовлетворяющих заданным динамическим и
точностным характеристикам системы управления, и их дальнейшая
экспериментальная доработка;
· разработана имитационная модель САУ БЛА в среде Matlab Simulink;
· проведено моделирование САУ в нормальных условиях и в
условиях ветра;
· разработан алгоритм выбора «замороженных» коэффициентов
стационарного фильтра Калмана для оценки неизмеряемых координат БЛА;
· проведено моделирование САУ посадкой вместе с идентификатором
бокового ветра;
· проведен анализ экономической эффективности разрабатываемой
системы;
· проведен анализ условий труда.
СПИСОК
ЛИТЕРАТУРЫ
1. Сушков
Ю.А. “Метод и модель безопасного захода воздушного судна на посадку на основе
построения оптимальной посадочной траектории”, диссертация на соискание ученой
степени кандидата технических наук, Тамбов, 2009 г.
. “О
возможности использования типовых аэродромов для взлета и посадки БПЛА”,
приложение к эскизно-техническому проекту шифр “Проходчик”, Москва, 2006 г.
3. П.П.
Афанасьев, Ю.В. Веркин, И.С. Голубев, Е.П. Голубков и др. “Основы устройства,
проектирования, конструирования и производства летательных аппаратов
(дистанционно-пилотируемые летательные аппараты)”; Под ред. И.С. Глубева и Ю.С.
Янкевича. - М.: Изд-во МАИ, 2006
. И.В.
Остославский «Аэродинамика самолета», - М: Государственое изд-во оборонной
промышленности, 1957 г.
. В.Е.
Мосолов, В.Н. Харитонов. «Системы автоматического управления угловым движением
летательных аппаратов»: Учебное пособие. - М.: Изд-во МАИ, 1995 г.
6. А.С.
Новоселов, В.Е. Болнокин, П.И. Чинаев, А.Н. Юрьев. “Системы адаптивного
управления летательными аппаратами”. - М.: Машиностроение, 1987. - 280 с.
7. И.А.
Михалев, Б.И. Окоемов, М.С. Чикулаев, «Системы автоматической посадки» - М:
Машиностроение, 1974 г.
8. «Беспилотные
самолеты вертикального взлета и посадки»/ под ред. д-ра техн. Наук, профессора
Н.К. Лисейцева, - М: Изд-во МАИ, 2009
9. Михайлин
Д.А. «Нейросетевая система управления посадкой самолетного типа для
беспилотного летательного аппарата», диссертация на соискание ученой степени
кандидата технических наук, Москва, 2009.
. Никитин
А.И. “Синергетический синтез систем векторного управления посадкой
самолета-амфибии”, автореферат диссертации на соискание ученой степени
кандидата технических наук, Таганрог, 2009.
. Михалев
И.А. и др. «Системы автоматического управления самолетом» / И.А. Михалев, Б.Н.
Окоемов, М.С. Чикулаев. 2-е изд., перераб. и доп. - М.: Машиностроение. 1987. -
240 с., ил.
12. Отчет
«НИИ» КУЛОН» по научно-исследовательской работе. Этап №2. Анализ существующих
подходов к автоматическому управлению траекторным движением беспилотным
летательным аппаратом (БЛА), Москва,2008 г.
13. Галушкин
А.И. Нейрокомпьютеры в авиации (самолеты). Кн. 14.- М.: Радиотехника, 2003. -
496 с.
. «Экономическое
обоснование дипломных проектов (работ) по приборо- и радиостроению.
Методические указания» / Под редакцией В.П. Панагушина. - М.: ИВАКО Аналитик,
2008 г.
. Дайнов
В.М., Березин М.И.: «Защита от вредных производственных факторов при работе на
ПЭВМ»: учебное пособие, М.: МАИ, 2002 г.
16. СНиП
23.05-95. Естественное и искусственное освещение. Нормы проектирования.
. ГОСТ
12.1.003-83. ССБТ. Шум Общие требования безопасности.
. ГОСТ
12.1.030-81. ССБТ. Электробезопасность. Защитное заземление, зануление.
. ГОСТ
12.1.005-88. ССБТ. Общие санитарно-гигиенические требования к воздуху рабочей
зоны.
. ГОСТ
Р 52324-2005. Эргономические требования к работе с визуальными дисплеями,
основанными на плоских панелях.
. НПБ
105-03. Определение категорий помещений, зданий и наружных установок по взрывопожарной
и пожарной опасности.
. СанПиН
2.2.2/2.4.1340-03. Гигиенические требования к ПЭВМ и организации работы.
. СанПиН
2.2.4.1191-03 «Электромагнитные поля в производственных условиях».
ПРИЛОЖЕНИЕ 1
Геометрические характеристики БЛА
ПРИЛОЖЕНИЕ 2
Общая схема моделирования БЛА в боковом канале