Многофункциональный программно-аппаратный стенд в составе локальной сети кафедры для проведения практических занятий по направлению 'Сетевые технологии'

  • Вид работы:
    Дипломная (ВКР)
  • Предмет:
    Информационное обеспечение, программирование
  • Язык:
    Русский
    ,
    Формат файла:
    MS Word
    636,99 Кб
  • Опубликовано:
    2013-03-14
Вы можете узнать стоимость помощи в написании студенческой работы.
Помощь в написании работы, которую точно примут!

Многофункциональный программно-аппаратный стенд в составе локальной сети кафедры для проведения практических занятий по направлению 'Сетевые технологии'

Введение

Значительный прогресс в развитии аппаратных и инструментальных программных средств информационных и коммуникационных технологий представляет хорошие технические возможности для реализации сложных задач.

Модернизация условий труда ведет к увеличению числа компьютерной техники, способствуя повышению производительности и качества труда.

Реалиями сегодняшнего дня являются не автономно функционирующие персональные компьютеры, решающие задачи частного характера, а локальные сети, объединяющие рабочие станции в единое информационное пространство.

В зависимости от используемого в локальной сети программного обеспечения различают однородные и гетерогенные сети, которые состоят из различных рабочих станций, операционных систем и приложений, а для реализации взаимодействия между компьютерами используют различные протоколы. Разнообразие всех компонентов, из которых строится сеть, порождает еще большее разнообразие структур сетей, получающихся из этих компонентов.

Однако, все это невозможно без технического специалиста, умеющего строить, сопровождать, модернизировать локальные сети. В этой связи актуальной становится задача обучения, профессиональной переподготовки и повышения квалификации администраторов по сетям, способных устанавливать, настраивать и сопровождать серверы под управлением UNIX-подобной операционной системы.

1. Проектирование аппаратно-программного комплекса

1.1    Обзор способов построения защищенных сегментов локальных систем

DMZ (демилитаризованная зона) - технология обеспечения защиты информационного периметра, при которой серверы, отвечающие на запросы из внешней сети, или направляющие туда запросы, находятся в особом сегменте сети (который и называется DMZ) и ограничены в доступе к основным сегментам с помощью межсетевого экрана (МСЭ). При этом не существует прямых соединений между внутренней сетью и внешней - любые соединения возможны только с серверами в DMZ, которые (возможно) обрабатывают запросы и формируют свои, возвращая ответ получателю уже от своего имени.

В зависимости от требований к безопасности, DMZ может организовываться одним, двумя или тремя межсетевыми экранами (МСЭ).

1.1.1 Конфигурация с одним МСЭ

Простейшей (и наиболее распространённой) схемой является схема, в которой DMZ, внутренняя сеть и внешняя сеть подключаются к разным портам маршрутизатора (выступающего в роли межсетевого экрана), контролирующего соединения между сетями. Подобная схема проста в реализации, требует всего лишь одного дополнительного порта. Однако, в случае взлома (или ошибки конфигурирования) маршрутизатора, сеть оказывается уязвима напрямую из внешней сети.

Рисунок 1 - Конфигурация с одним МСЭ

1.1.2 Конфигурация с двумя МСЭ

В конфигурации с двумя МСЭ DMZ подключается к двум маршрутизаторам, один из которых ограничивает соединения из внешней сети в DMZ, а второй контролирует соединения из DMZ во внутреннюю сеть. Подобная схема позволяет минимизировать последствия взлома любого из МСЭ или серверов, взаимодействующих с внешней сетью - до тех пор, пока не будет взломан внутренний МСЭ, злоумышленник не будет иметь произвольного доступа к внутренней сети, а взлом внутреннего МСЭ не возможен без взлома внешнего МСЭ.

Схема с двумя МСЭ может быть организована с общим подключением (когда между внешним и внутренним МСЭ есть соединение), так и с раздельным (когда сервера имеют два сетевых порта, один из которых связан с внешним МСЭ, а второй с внутренним) - в таком случае прямого взаимодействия между внешним и внутренним МСЭ быть не может.

Рисунок 2 - Конфигурация с двумя МСЭ

1.1.3 Конфигурация с тремя МСЭ

Существует редкая конфигурация с тремя МСЭ - в этой конфигурации первый МСЭ принимает на себя запросы из внешней сети, второй МСЭ контролирует сетевые подключения DMZ и третий МСЭ контролирует соединения внутренней сети. В подобной конфигурации, обычно, DMZ и внутренняя сеть скрываются за NAT (трансляцией сетевых адресов).

Одной из ключевых особенностей DMZ является не только фильтрация трафика на внутреннем МСЭ, но и требование обязательной сильной криптографии при взаимодействии между активным оборудованием внутренней сети и DMZ. В частности, не должно быть ситуаций, в которых возможна обработка запроса от сервера в DMZ без авторизации. В случае, если DMZ используется для обеспечения защиты информации внутри периметра от утечки изнутри, аналогичные требования предъявляются для обработки запросов пользователей из внутренней сети.

1.2    Анализ систем обнаружения вторжений

Система обнаружения вторжений (СОВ) - программное или аппаратное средство, предназначенное для выявления фактов неавторизованного доступа в компьютерную систему или сеть либо несанкционированного управления ими в основном через Интернет. Соответствующий английский термин - Intrusion Detection System (IDS). Системы обнаружения вторжений обеспечивают дополнительный уровень защиты компьютерных систем.

Системы обнаружения вторжений используются для обнаружения некоторых типов вредоносной активности, которое может нарушить безопасность компьютерной системы. К такой активности относятся сетевые атаки против уязвимых сервисов, атаки, направленные на повышение привилегий, неавторизованный доступ к важным файлам, а также действия вредоносного программного обеспечения.

Обычно архитектура СОВ включает:

·        сенсорную подсистему, предназначенную для сбора событий, связанных с безопасностью защищаемой системы.

·        подсистему анализа, предназначенную для выявления атак и подозрительных действий на основе данных сенсоров.

·        хранилище, обеспечивающее накопление первичных событий и результатов анализа.

·        консоль управления, позволяющая конфигурировать СОВ, наблюдать за состоянием защищаемой системы и СОВ, просматривать выявленные подсистемой анализа инциденты.

Существует несколько способов классифицировать СОВ в зависимости от типа и расположения сенсоров, а также методов, используемых подсистемой анализа для выявления подозрительной активности. Во многих простых СОВ все компоненты реализованы в виде одного модуля или устройства.

1.2.1 Виды систем обнаружения вторжений

В сетевой СОВ, сенсоры расположены на важных для наблюдения точках сети, часто в демилитаризованной зоне, или на границе сети. Сенсор перехватывает весь сетевой трафик и анализирует содержимое каждого пакета на наличие вредоносных компонентов. Протокольные СОВ используются для отслеживания трафика, нарушающего правила определенных протоколов либо синтаксис языка (например, SQL). В хостовых СОВ сенсор обычно является программным агентом, который ведет наблюдение за активностью хоста, на который установлен. Также существуют гибридные версии перечисленных видов СОВ.

·        Сетевая СОВ (Network-based IDS, NIDS) отслеживает вторжения, проверяя сетевой трафик и ведет наблюдение за несколькими хостами. Сетевая система обнаружения вторжений получает доступ к сетевому трафику, подключаясь к хабу или свитчу, настроенному на зеркалирование портов, либо сетевое TAP устройство. Примером сетевой СОВ является Snort.

·        Основанное на протоколе СОВ (Protocol-based IDS, PIDS) представляет собой систему (либо агента), которая отслеживает и анализирует коммуникационные протоколы со связанными системами или пользователями. Для веб-сервера подобная СОВ обычно ведет наблюдение за HTTP и HTTPS протоколами. При использовании HTTPS СОВ должна располагаться на таком интерфейсе, чтобы просматривать HTTPS пакеты еще до их шифрования и отправки в сеть.

·        Основанная на прикладных протоколах СОВ (Application Protocol-based IDS, APIDS) - это система (или агент), которая ведет наблюдение и анализ данных, передаваемых с использованием специфичных для определенных приложений протоколов. Например, на веб-сервере с SQL базой данных СОВ будет отслеживать содержимое SQL команд, передаваемых на сервер.

·        Хостовая СОВ (Host-based IDS, HIDS) - система (или агент), расположенная на хосте, отслеживающая вторжения, используя анализ системных выховов, логов приложений, модификаций файлов (исполняемых, файлов паролей, системных баз данных), состояния хоста и прочих источников. Примером является OSSEC.

·        Гибридная СОВ совмещает два и более подходов к разработке СОВ. Данные от агентов на хостах комбинируются с сетевой информацией для создания наиболее полного представления о безопасности сети. В качестве примера гибридной СОВ можно привести Prelude.

1.2.2 Пассивные и активные системы обнаружения вторжений

В пассивной СОВ при обнаружении нарушения безопасности, информация о нарушении записывается в лог приложения, а также сигналы опасности отправляются на консоль и / или администратору системы по определенному каналу связи. В активной системе, также известной как система Предотвращения Вторжений (IPS - Intrusion Prevention system), СОВ ведет ответные действия на нарушение, сбрасывая соединение или перенастраивая межсетевой экран для блокирования трафика от злоумышленника. Ответные действия могут проводиться автоматически либо по команде оператора.

Хотя и СОВ и межсетевой экран относятся к средствам обеспечения информационной безопасности, межсетевой экран отличается тем, что ограничивает поступление на хост или подсеть определенных видов трафика для предотвращения вторжений и не отслеживает вторжения, происходящие внутри сети. СОВ, напротив, пропускает трафик, анализируя его и сигнализируя при обнаружении подозрительной активности. Обнаружение нарушения безопасности проводится обычно с использованием эвристических правил и анализа сигнатур известных компьютерных атак.

1.2.3 История разработок СОВ

Первая концепция СОВ появилась благодаря Джеймсу Андерсону и статье. В 1984 Фред Коэн (см. Обнаружение вторжений) сделал заявление о том, что каждое вторжение обнаружить невозможно и ресурсы, необходимые для обнаружения вторжений, будут расти вместе с степенью использования компьютерных технологий.

Дороти Деннинг, при содействии Питера Неймана, опубликовали модель СОВ в 1986, сформировавшую основу для большинства современных систем. Ее модель использовала статистические методы для обнаружения вторжений и называлась IDES (Intrusion detection expert system - экспертная система обнаружения вторжений). Система работала на рабочих станциях Sun и проверяла как сетевой трафик, так и данные пользовательских приложений.использовала два подхода к обнаружению вторжений: в ней использовалась экспертная система для определения известных видов вторжений и компонент обнаружения, основанный на статистических методах и профилях пользователей и систем охраняемой сети. Тереза Лунт предложила использовать искусственную нейронную сеть как третий компонент для повышения эффективности обнаружения. Вслед за IDES в 1993 вышла NIDES (Next-generation Intrusion Detection Expert System - экспертная система обнаружения вторжений нового поколения).(Multics intrusion detection and alerting system), экспертная система, использующая P-BEST и LISP, была разработана в 1988 году на основе работы Деннинга и Неймана. В этом же году была разработана система Haystack, основанная на статистических методах.&S (Wisdom & Sense - мудрость и чувство), основанный на статистических методах детектор аномалий, был разработан в 1989 году в Национальной Лаборатории Лос Аламоса. W&S создавал правила на основе статистического анализа и затем использовал эти правила для обнаружения аномалий.

В 1990, в TIM (Time-based inductive machine) было реализовано обнаружение аномалий с использованием индуктивного обучения на основе последовательных паттернов пользователя на языке Common LISP. Программа была разработана для VAX 3500. Примерно в то же время был разработан NSM (Network Security Monitor - монитор сетевой безопасности), сравнивающий матрицы доступа для обнаружения аномалий на рабочих станциях Sun-3/50. В том же 1990 году был разработан ISOA (Information Security Officer's Assistant), содержащий в себе множество стратегий обнаружения, включая статистику, проверку профиля и экспертную систему. ComputerWatch, разработанный в AT&T Bell Labs, использовал статистические методы и правила для проверки данных и обнаружения вторжений.

Далее, в 1991, разработчики Университета Калифорнии разработали прототип распределенной системы DIDS (Distributed intrusion detection system), которая также являлась экспертной системой. Также в 1991 сотрудниками Национальной Лаборатории Встроенных Вычислительных Сетей (ICN) была разработана система NADIR (Network anomaly detection and intrusion reporter). На создание этой системы оказало большое влияние работа Деннинга и Люнт. NADIR использовала основанный на статистике детектор аномалий и экспертную систему.

В 1998 году Национальная Лаборатория Лоуренса Беркли представила Bro, использующий собственный язык правил для анализа данных libpcap. NFR (Network Flight Recorder), разработанный в 1999, также работал на основе libpcap. В ноябре 1998 был разработан APE, снифер пакетов, тоже использующий libpcap. Спустя месяц APE был переименован в Snort.

В 2001 году была разработана система ADAM IDS (Audit data analysis and mining IDS). Система использовала данные tcpdump для создания правил.

1.2.4
Свободно распространяемые СОВ

Snort NIDS

Endian FirewallNIDSHybrid IDS

OSSEC HIDS

1.3    Обзор систем антивирусного обеспечения

Антивирусная программа (антивирус) - изначально программа для обнаружения и лечения других программ, заражённых компьютерными вирусами, а также для профилактики - предотвращения заражения файла вирусом (например, с помощью вакцинации).

Многие современные антивирусы позволяют обнаруживать и удалять также троянские программы и прочие вредоносные программы. И напротив - программы, создававшиеся как файрволы, также получают функции, роднящие их с антивирусами.

Первые наиболее простые антивирусные программы появились почти сразу после появления вирусов. Сейчас разработкой антивирусов занимаются крупные компании. Как и у создателей вирусов, в этой сфере также сформировались оригинальные приёмы - но уже для поиска и борьбы с вирусами. Современные антивирусные программы могут обнаруживать десятки тысяч вирусов.

Антивирусное программное обеспечение состоит из компьютерных программ, которые пытаются обнаружить, предотвратить размножение и удалить компьютерные вирусы и другие вредоносные программы.

1.3.1
Методы обнаружения вирусов

Антивирусное программное обеспечение обычно использует два отличных друг от друга метода для выполнения своих задач:

Сканирование файлов для поиска известных вирусов, соответствующих определению в антивирусных базах

Обнаружение подозрительного поведения любой из программ, похожего на поведение заражённой программы.

Метод соответствия определению вирусов в словаре

Это метод, когда антивирусная программа, просматривая файл, обращается к антивирусным базам, которые составлены производителем программы-антивируса. В случае соответствия какого либо участка кода просматриваемой программы известному коду (сигнатуре) вируса в базах, программа-антивирус может по запросу выполнить одно из следующих действий:

·        Удалить инфицированный файл.

·        Заблокировать доступ к инфицированному файлу.

·        Отправить файл в карантин (то есть сделать его недоступным для выполнения с целью недопущения дальнейшего распространения вируса).

·        Попытаться «вылечить» файл, удалив вирус из тела файла.

·        В случае невозможности лечения / удаления, выполнить эту процедуру при следующей перезагрузке операционной системы.

Для того, чтобы такая антивирусная программа успешно работала на протяжении долгого времени, в базу сигнатур вирусов нужно периодически загружать (обычно, через Интернет) данные о новых вирусах. Если бдительные и имеющие склонность к технике пользователи определят вирус по горячим следам, они могут послать зараженные файлы разработчикам антивирусной программы, а те затем добавляют информацию о новых вирусах в свои базы.

Для многих антивирусных программ с базой сигнатур характерна проверка файлов в тот момент, когда операционная система создаёт, открывает, закрывает или посылает файлы по почте. Таким образом, программа может обнаружить известный вирус сразу после его получения. При этом системный администратор может установить в антивирусной программе расписание для регулярной проверки (сканирования) всех файлов на жёстком диске компьютера.

Хотя антивирусные программы, созданные на основе поиска сигнатур, при обычных обстоятельствах могут достаточно эффективно препятствовать вспышкам заражения компьютеров, авторы вирусов стараются держаться впереди таких программ-антивирусов, создавая «олигоморфические», «полиморфические» и, самые новые, «метаморфические» вирусы, в которых некоторые части шифруются или искажаются так, чтобы было невозможно обнаружить совпадение с определением в словаре вирусов.

Метод обнаружения странного поведения программ

Антивирусы, использующие метод обнаружения подозрительного поведения программ не пытаются идентифицировать известные вирусы, вместо этого они прослеживают поведение всех программ. Если программа пытается записать какие-то данные в исполняемый файл (.EXE-файл), программа-антивирус может пометить этот файл, предупредить пользователя и спросить что следует сделать.

В настоящее время, подобные превентивные методы обнаружения вредоносного кода, в том или ином виде, широко применяются в качестве модуля антивирусной программы, а не отдельного продукта.

Другие названия: проактивная защита, поведенческий блокиратор, Host Intrusion Prevention System (HIPS).

В отличие от метода поиска соответствия определению вируса в антивирусных базах, метод обнаружения подозрительного поведения даёт защиту от новых вирусов, которых ещё нет в антивирусных базах. Однако следует учитывать, что программы или модули, построенные на этом методе, выдают также большое количество предупреждений (в некоторых режимах работы), что делает пользователя мало восприимчивым ко всем предупреждениям. В последнее время эта проблема ещё более ухудшилась, так как стало появляться всё больше не вредоносных программ, модифицирующих другие exe-файлы, несмотря на существующую проблему ошибочных предупреждений. Несмотря на наличие большого количества предупреждающих диалогов, в современном антивирусном программном обеспечении этот метод используется всё больше и больше. Так, в 2006 году вышло несколько продуктов, впервые реализовавших этот метод: Kaspersky Internet Security, Kaspersky Antivirus, Safe-n-Sec, F-Secure Internet Security, Outpost Firewall Pro, DefenceWall. Многие программы-файрволы издавна имели в своем составе модуль обнаружения странного поведения программ.

Метод обнаружения при помощи эмуляции

Некоторые программы-антивирусы пытаются имитировать начало выполнения кода каждой новой вызываемой на исполнение программы перед тем как передать ей управление. Если программа использует самоизменяющийся код или проявляет себя как вирус (то есть, например, немедленно начинает искать другие.EXE-файлы), такая программа будет считаться вредоносной, способной заразить другие файлы. Однако этот метод тоже изобилует большим количеством ошибочных предупреждений.

Метод «Белого списка»

Общая технология по борьбе с вредоносными программами - это «белый список». Вместо того, чтобы искать только известные вредоносные программы, эта технология предотвращает выполнение всех компьютерных кодов за исключением тех, которые были ранее обозначены системным администратором как безопасные. Выбрав этот параметр отказа по умолчанию, можно избежать ограничений, характерных для обновления сигнатур вирусов. К тому же, те приложения на компьютере, которые системный администратор не хочет устанавливать, не выполняются, так как их нет в «белом списке». Так как у современных предприятий есть множество надежных приложений, ответственность за ограничения в использовании этой технологии возлагается на системных администраторов и соответствующим образом составленные ими «белые списки» надежных приложений. Работа антивирусных программ с такой технологией включает инструменты для автоматизации перечня и эксплуатации действий с «белым списком».

1.4    Анализ технологии удаленного доступа (VPN)

 (англ. Virtual Private Network - виртуальная частная сеть) - логическая сеть, создаваемая поверх другой сети, например Интернет. Несмотря на то, что коммуникации осуществляются по публичным сетям с использованием небезопасных протоколов, за счёт шифрования создаются закрытые от посторонних каналы обмена информацией. VPN позволяет объединить, например, несколько офисов организации в единую сеть с использованием для связи между ними неподконтрольных каналов.

Пользователи Microsoft Windows обозначают термином «VPN» одну из реализаций виртуальной сети - PPTP, причём используемую зачастую как раз не для создания частных сетей!

Чаще всего для создания виртуальной сети используется инкапсуляция протокола PPP в какой-нибудь другой протокол - IP (такой способ использует реализация PPTP - Point-to-Point Tunneling Protocol) или Ethernet (PPPoE) (хотя и они имеют различия). Технология VPN в последнее время используется не только для создания собственно частных сетей, но и некоторыми провайдерами «последней мили» для предоставления выхода в Интернет.

При должном уровне реализации и использовании специального программного обеспечения сеть VPN может обеспечить высокий уровень шифрования передаваемой информации. При правильной настройке всех компонентов технология VPN обеспечивает анонимность в Сети.

1.4.1
Структура VPN

VPN состоит из двух частей: «внутренняя» (подконтрольная) сеть, которых может быть несколько, и «внешняя» сеть, по которой проходит инкапсулированное соединение (обычно используется Интернет). Возможно также подключение к виртуальной сети отдельного компьютера. Подключение удалённого пользователя к VPN производится посредством сервера доступа, который подключён как к внутренней, так и к внешней (общедоступной) сети. При подключении удалённого пользователя (либо при установке соединения с другой защищённой сетью) сервер доступа требует прохождения процесса идентификации, а затем процесса аутентификации. После успешного прохождения обоих процессов, удалённый пользователь (удаленная сеть) наделяется полномочиями для работы в сети, то есть происходит процесс авторизации.

1.4.2 Классификация VPN

Рассмотрим классификацию VPN, используя Рисунок 3.

Классифицировать VPN решения можно по нескольким основным параметрам:

По типу используемой среды

·        Защищённые. Наиболее распространённый вариант виртуальных частных сетей. C его помощью возможно создать надежную и защищенную подсеть на основе ненадёжной сети, как правило, Интернета. Примером защищённых VPN являются: IPSec, OpenVPN и PPTP.

·        Доверительные. Используются в случаях, когда передающую среду можно считать надёжной и необходимо решить лишь задачу создания виртуальной подсети в рамках большей сети. Вопросы обеспечения безопасности становятся неактуальными. Примерами подобных VPN решении являются: Multi-protocol label switching (MPLS) и L2TP (Layer 2 Tunnelling Protocol). (Корректнее сказать, что эти протоколы перекладывают задачу обеспечения безопасности на другие, например L2TP, как правило, используется в паре с IPSec).

Рисунок 4 - Классификация VPN

По способу реализации

·        В виде специального программно-аппаратного обеспечения. Реализация VPN сети осуществляется при помощи специального комплекса программно-аппаратных средств. Такая реализация обеспечивает высокую производительность и, как правило, высокую степень защищённости.

·        В виде программного решения. Используют персональный компьютер со специальным программным обеспечением, обеспечивающим функциональность VPN.

·        Интегрированное решение. Функциональность VPN обеспечивает комплекс, решающий также задачи фильтрации сетевого трафика, организации сетевого экрана и обеспечения качества обслуживания.

По назначению

·        Intranet VPN. Используют для объединения в единую защищённую сеть нескольких распределённых филиалов одной организации, обменивающихся данными по открытым каналам связи.

·        Remote Access VPN. Используют для создания защищённого канала между сегментом корпоративной сети (центральным офисом или филиалом) и одиночным пользователем, который, работая дома, подключается к корпоративным ресурсам с домашнего компьютера или, находясь в командировке, подключается к корпоративным ресурсам при помощи ноутбука.

·        Extranet VPN. Используют для сетей, к которым подключаются «внешние» пользователи (например, заказчики или клиенты). Уровень доверия к ним намного ниже, чем к сотрудникам компании, поэтому требуется обеспечение специальных «рубежей» защиты, предотвращающих или ограничивающих доступ последних к особо ценной, конфиденциальной информации.

По типу протокола

Существуют реализации виртуальных частных сетей под TCP/IP, IPX и AppleTalk. Но на сегодняшний день наблюдается тенденция к всеобщему переходу на протокол TCP/IP, и абсолютное большинство VPN решений поддерживает именно его.

По уровню сетевого протокола на основе сопоставления с уровнями эталонной сетевой модели ISO/OSI.

1.4.3 Примеры VPN

Рассмотрим наиболее распространенные VPN-протоколы:

IPSec (IP security) - часто используется поверх IPv4.

PPTP (point-to-point tunneling protocol) - разрабатывался совместными усилиями нескольких компаний, включая Microsoft.

L2TP (Layer 2 Tunnelling Protocol) - используется в продуктах компаний Microsoft и Cisco.

L2TPv3 (Layer 2 Tunnelling Protocol version 3).

Многие крупные провайдеры предлагают свои услуги по организации VPN-сетей для бизнес-клиентов.

1.4.4 История создания VPN

Исторически, проблему организации надёжного канала для передачи данных решали при помощи прокладки прямого кабеля, физически защищённого от перехвата данных, например за счёт расположения его в труднодоступных местах или установки датчиков объёма, контролирующих доступ к нему. Но стоимость подобных решений была слишком высока даже для соединения близкорасположенных объектов, а в случае соединения объектов из разных частей страны или разных стран стоимость приближалась к астрономическим цифрам. Поэтому такие коммуникации могли себе позволить лишь военные организации и крупные корпорации.

С другой стороны, конец XX века был отмечен лавинообразным распространением Интернета: в геометрической прогрессии росли скорости доступа, охватывались все новые и новые территории, практически между любыми двумя точками в мире можно было установить быструю связь через Интернет. Но передача информации не была безопасной, злоумышленники могли перехватить, украсть, изменить её. В это время стала набирать популярность идея организации надёжного канала, который для связи будет использовать общедоступные коммуникации, но за счёт применения криптографических методов защитит передаваемые данные. Стоимость организации такого канала была во много раз меньше стоимости прокладки и поддержания выделенного физического канала, таким образом организация защищённого канала связи становилась доступной средним и малым предприятиям, и даже частным лицам.

На заре своего развития идея организации частных приватных сетей была чрезвычайно популярна, и многие серьёзные участники IT рынка и энтузиасты-любители пытались воплотить абстрактные идеи в реальный программный продукт. Серьёзные компании создали множество решений, обеспечивающих функциональность частных приватных сетей, как на программном, так и на аппаратном уровне. Свою реализацию VPN предлагало большинство известных IT компаний:

Cisco - L2F (Layer 2 Forwarding), L2TP (Layer 2 Tunnelling Protocol), L2TPV3 (Layer 2 Tunnelling Protocol version 3)

Microsoft - PPTP (Point-To-Point Tunnelling Protocol)

Check Point Software Technologies - VPN-1

Redcreek Communications - Ravlin

Intel - Landrover VPN Express

и многие другие…

Количество программных реализаций VPN от энтузиастов-любителей очень и очень велико. Большинство из них содержали в себе ряд серьёзных уязвимостей, зачастую в них был достаточно посредственно проработан вопрос шифрования - использовались достаточно слабые криптоалгоритмы, ни о какой многоплатформенности нельзя было и говорить. Но, несмотря на то, что большинство умирало на уровне альфа-бета версий, некоторые семена выросли в достаточно серьёзные решения, например, OpenVPN. Первые создаваемые реализации VPN обеспечивали лишь создание защищённого канала точка-точка между двумя серверами, по которому передавались все виды трафика. Со временем функциональность VPN расширялась, стали поддерживать более сложные, чем точка-точка, конфигурации сети: extranet VPN, intranet VPN, remote access VPN и VPN смешанных типов. Следствием этого явилось увеличение числа пользователей в виртуальных частных сетях, и на передний план вышли проблемы управления акаунтами, ассоциации с ними необходимых прав доступа, оперативное изменение прав в рамках всей создаваемой сети. Затем, в связи с увеличением числа пользователей стали повышаться требования к масштабируемости и расширяемости. Последние в свою очередь, сначала, включали требования поддержки различных протоколов и служб (web, ftp, samba, …), а со временем стали включать и требования поддержки разных операционных систем, платформ и даже различных дополнительных устройств, например мобильных телефонов и сетевых маршрутизаторов. Помимо постоянного увеличения числа пользователей изменился контент и объём передаваемых данных. Если на заре VPN по сетям в основном передавались текстовые данные, то на сегодняшний день эти сети часто используются для передачи медиа данных, на основе виртуальных частных сетей нередко устраивают видеоконференции и обеспечивают голосовую связь. Подобный «взрыв» объёмов трафика стал создавать огромные нагрузки на виртуальные частные сети, часто важная информация стала доходить со значительным запозданием из-за загрузки сетей. Это поставило перед разработчиками VPN решений новую проблему - проблему обеспечения качество обслуживания (QoS), которая на сегодняшний день наиболее актуальна.

1.5    Разработка структуры сегмента сети, удовлетворяющей заданным требованиям, технологии его создания и сопровождения

.5.1   Требования к функциональным возможностям системы

·        Сегмент Локальной Вычислительной Системы (ЛВС) с Демилитаризованной Зоной (DMZ) и пассивной Системой Обнаружения Вторжений(IDS) (программные средства).

·        Доступ из LAN в Internet по определенным портам (http, https, ftp, IM Clients).

·        Доступ из Internet к серверам в DMZ по определенным портам (для каждого сервера) (так называемая публикация серверов).

·        Ограниченный доступ из LAN к серверам в DMZ (к необходимым ресурсам серверов, таким как почта, web-сервер, ftp-сервер).

·        Антивирусная защита серверов и рабочих станций.

·        Защищенный доступ к сегменту в целом по VPN.

1.5.2 Структурная схема сегмента с DMZ


1.5.3 Структурная схема сегмента с NAT


1.5.4
Объединенная структурная схема сегмента

1.5.5 Объединенная логическая схема сегмента


1.6    Разработка технологии проведения и состава лабораторных работ

Лабораторная работа №1

Цель:

Привести стенд к исходному состоянию.

Задачи:

1.      Проверить коммутацию серверов согласно схеме стенда

2.      Проверить настройки операционных систем и базового программного обеспечения на серверах. При необходимости привести стенд к базовому состоянию используя систему резервного копирования.

Лабораторная работа №2

Цель:

Настроить Демилитаризованную зону(DMZ) и сервер динамического управления хостами(DHCP).

Задачи:

.        Сконфигурировать и собрать ядра операционных систем на серверах server-nat-ext и server-nat-int

.        Настроить маршрутизацию на серверах server-nat-ext и server-nat-int

.        Установить службу DHCP на сервере server-nat-int

.        Проверить доступность служб из внутренней и внешней подсетей в соответствии с разработанными правилами доступа к DMZ.

Лабораторная работа №3

Цель:

Настроить Систему Обнаружения Вторжений.

Задачи:

.        Проверить работоспособность служб, установленных на сервера стенда при выполнении предыдущих лабораторных работ.

.        Установить службу IDS на сервере server-nat-ext

.        Проверить функциональность системы обнаружения вторжений

Лабораторная работа №4

Цель:

Настроить службы Web и VPN.

Задачи:

.        Проверить работоспособность служб, установленных на сервера стенда при выполнении предыдущих лабораторных работ.

.        Установить службу VPN на сервере server-nat-int.

.        Установить службу Web на сервере server-web.

.        Проверить, работоспособности и доступность службы VPN из внешней подсети и доступность службы Web из внутренней и внешней подсетей.

2. Реализация аппаратно-программного комплекса

2.1    Установка программного обеспечения на серверы аппаратно-программного комплекса

2.1.1 Базовая настройка серверов аппаратно-программного комплекса

Установка базового варианта операционной системы

На серверы аппаратно-программного комплекса необходимо установить базовый вариант операционной системы FreeBSD версии 6.4.

Дополнительное программное обеспечение пользовательского уровня

Для удобства настройки и администрирования серверов стенда необходимо установить вспомогательные программы:

mc-4.6.1_8 - Midnight Commander - Файловый менеджер# pkg_add ftp://ftp.freebsd.org/pub/FreeBSD/ports/i386/packages-6.4-release/All/mc-4.6.1_8.tbz.9.8 - Текстовый редактор# pkg_add ftp://ftp.freebsd.org/pub/FreeBSD/ports/i386/packages-6.4-release/All/joe-2.9.8.tbz

Начальная настройка операционной системы

Необходимо включить псевдографику и русифицировать консоль ОС.

Установка антивирусной системы

Устанавливаем антивирус ClamAV

freebsd# pkg_add ftp://ftp.freebsd.org/pub/FreeBSD/ports/i386/packages-6.4-release/All/clamav-0.94_1.tbz

Обновляем антивирусные базы:# /usr/local/etc/freshclam

В конфигурационный файл /etc/rc.conf вносим строки:_clamd_enable=» YES»

2.1.2
Настройка граничного маршрутизатора

Настройка сетевых интерфейсов сервера

В конфигурационный файл /etc/rc.conf вносим строки:

# Имя севера:=» server-nat-ext.lab.local»

#Настройка внешнего интерфейса:

ifconfig_le0=» DHCP»

#Настройка интерфейса DMZ:

ifconfig_le1=» inet 192.168.99.1 netmask 255.255.255.0»

Настройка и сборка ядра операционной системы

Для организации трансляции адресов необходимо сконфигурировать ядро ОС, включив поддержку PF (Pocket filter - пакетный фильтр).

·        Устанавливаем исходные коды ядра ОС, через sysinstall (Sysinstall → Configure → Distributions → src → sys)

·        Вносим исправление в конфигурационный файл ядра:

device pfpflog

·        Конфигурируем и собираем ядро.

Включение и настройка маршрутизации

В конфигурационный файл /etc/rc.conf вносим строки:

# Включаем функцию шлюза_enable=» YES»

# Включаем пакетный фильтр

pf_enable= «YES»

# Конфигурационный файл пакетного фильтра pf_rules=»/etc/pf.conf»

# Включаем логирование пакетного фильтра pflog_enable= «YES» # Лог-файл пакетного фильтра

pflog_logfile=»/var/log/pflog»

В конфигурационный файл /etc/pf.conf вносим строки:

# Объявляем внешний интерфейс

ext_if=» le0»

#Объявляем интерфейс DMZ

int_if=» le1»

#Объявляем www и vpn сервера

webserver=» 192.168.99.3»

vpnserver=» 192.168.99.2»

# NAT из внутренней подсети в DMZ

nat on $ext_if from $int_if:network to any -> ($ext_if)

# Пробрасываем порт 80 до web-сервераon $ext_if proto tcp from any to $ext_ip port 80 -> $webserver

# Пробрасываем порт 1723 до vpn-сервераon $ext_if proto tcp from any to $ext_ip port 1723 -> $vpnserver

IDS-сервер

Устанавливаем пакет Snort версии 2.8.2.1_1:

server-nat-ext# pkg_add ftp://ftp.freebsd.org/pub/FreeBSD/ports/i386/packages-6.4-release/All/snort-2.8.2.1_1.tbz

Конфигурационный файл системы Snort /usr/local/etc/snort/snort.conf

2.1.3 Настройка пользовательского маршрутизатора

Настройка сетевых интерфейсов сервера

В конфигурационный файл /etc/rc.conf вносим строки:

# Имя севера:=» server-nat-int.lab.local»

#Настройка интерфейса DMZ:_le1=» inet 192.168.99.2 netmask 255.255.255.0»

#Настройка интерфейса intranet:_le0=» inet 10.1.1.1 netmask 255.255.255.0»

Настройка и сборка ядра операционной системы

Для организации трансляции адресов необходимо сконфигурировать ядро ОС, включив поддержку PF (Pocket filter - пакетный фильтр).

·        Устанавливаем исходные коды ядра ОС, через sysinstall (Sysinstall → Configure → Distributions → src → sys)

·        Вносим исправление в конфигурационный файл ядра:

device pfpflog

·        Конфигурируем и собираем ядро.

Включение и настройка маршрутизации

В конфигурационный файл /etc/rc.conf вносим строки:

# Включаем функцию шлюза_enable=» YES»

# Включаем пакетный фильтр

pf_enable= «YES»

# Конфигурационный файл пакетного фильтра

pf_rules=»/etc/pf.conf»

# Включаем логирование пакетного фильтра

pflog_enable= «YES»

# Лог-файл пакетного фильтра

pflog_logfile=»/var/log/pflog»

В конфигурационный файл /etc/rc.conf вносим строки:

#Объявляем интерфейс DMZ

ext_if=» le0»

# Объявляем интерфейс intranet_if=» le1»

# NAT из пользовательской подсети (intranet) в DMZ

nat on $ext_if from $int_if:network to any -> ($ext_if)

Настройка динамического конфигурирования хостов (DHCP)

Устанавливаем пакет DHCP сервера:

server-nat-int# pkg_add ftp://ftp.freebsd.org/pub/FreeBSD/ports/i386/packages-6.4-release/All/isc-dhcp3-server-3.0.5_2.tbz

Создаем конфигурационный файл:

# cd /usr/local/etc

# touch dhcpd.conf

# chmod 644 dhcpd.conf

Вносим в конфигурационный файл dhcpd.conf строки следующего содержания:

default-lease-time 600;lease-time 7200;update-style none;facility local7;192.168.99.0 netmask 255.255.255.0 {

}10.1.1.0 netmask 255.255.255.0 {domain-name «test.lab.local»;routers 10.1.1.1;10.1.1.10 10.1.1.20;

}

Вносим изменения в /etc/rc.conf:_enable= «YES»_flags= «-q»_ifaces= «le1»

Создаем лог-файлы:

# touch /var/db/dhcpd.leases

# mkdir /var/log/dhcp/

# touch /var/log/dhcp/dhcpd.log

Вносим изменения в /etc/syslog.conf:

! dhcpd

*.*     /var/log/dhcp/dhcpd.log

Настройка Vpn-сервера.

Устанавливаем пакет MPD

pkg_add ftp://ftp.freebsd.org/pub/FreeBSD/ports/i386/packages-6.4-release/All/mpd-5.1_1.tbz

В директории /usr/local/etc/mpd создаем три конфигурационных файла, описывающих работы MPD:

mpd.conf - файл описывающий конфигурацию интерфейсов.links - файл, описывающий конфигурацию соединений.secret - файл с паролями пользователей.

touch /usr/local/etc/mpd/mpd.conf/usr/local/etc/mpd/mpd.links/usr/local/etc/mpd/mpd.secret

Содержание файла mdp.conf:

default:

load pptp0pptp1pptp2pptp3pptp4pptp5 pptp6

pptp0:

#так создается новый интерфейс, второй параметр - название соединения, который этот интерфейс будет использовать (из файла mpd.links)

new - i ng0 pptp0 pptp0

#Задается локальный и удаленный ip адреса

set ipcp ranges 10.1.1.100/32 10.1.1.200/32

#Загружаются параметры, одинаковые для всех интерфейсов

load pptp_standart:- i ng1 pptp1 pptp1ipcp ranges 10.1.1.100/32 10.1.1.200/32pptp_standart:- i ng2 pptp2 pptp2ipcp ranges 10.1.1.100/32 10.1.1.200/32pptp_standart:- i ng3 pptp3 pptp3ipcp ranges 10.1.1.100/32 10.1.1.200/32pptp_standart:- i ng4 pptp4 pptp4ipcp ranges 10.1.1.100/32 10.1.1.200/32pptp_standart:- i ng5 pptp5 pptp5ipcp ranges 10.1.1.100/32 10.1.1.200/32pptp_standart:- i ng6 pptp6 pptp6ipcp ranges 10.1.1.100/32 10.1.1.200/32pptp_standart_standart:iface disable on-demandbundle disable multilinklink yes acfcomp protocomp

#Требуем chap авторизацииlink no pap chaplink enable chaplink keep-alive 60 180ipcp yes vjcomp

#Устанавливаем DNS ipcp dns 10.1.1.1

#Включаем proxy-arp, чтобы компьютер «видел» без маршрутизации

корпоративную сеть (по протоколу arp)

set iface enable proxy-arp

#Включаем компрессию данныхbundle enable compression

#Включаем компрессию данных, совсестимую с Microsoft-клиентами

set ccp yes mppc

#Включаем шифрование, совместимое с Microsoft-клиентами

set ccp yes mpp-e40ccp yes mpp-e128ccp yes mpp-statelessbundle yes crypt-reqd

#Задаем адрес для входящих соединений

set pptp self 192.168.99.2

#Разрешаем входящие соединения

set pptp enable incoming

set pptp disable originate

Содержание файла mpd.links:

pptp0:

set link type pptp:link type pptp:link type pptp:link type pptp:link type pptp:link type pptp:link type pptp

Содержание файла mpd.secret:

user1 pass1 10.1.1.103pass2 *pass3 10.1.1.172

В конфигурационный файл /etc/rc.conf вносим строки:

mpd_enable= «YES»_flags=» - b»

2.1.4 Настройка web-сервера

Настройка сетевых интерфейсов сервера

В конфигурационный файл /etc/rc.conf вносим строки:

# Имя севера:=» server-web.lab.local»

#Настройка интерфейса DMZ:_le0=» inet 192.168.99.3 netmask 255.255.255.0»

Web-сервер (apache)

Устанавливаем пакет apache-2.2.9_5.tbz

server-web# pkg_add ftp://ftp.freebsd.org/pub/FreeBSD/ports/i386/packages-6.4-release/All/apache-2.2.9_5.tbz

Определяем параметр ServerNameserver-webв файле httpd.conf

server-web# mcedit /usr/local/apache2/conf/httpd.conf

Запускаем серверweb# apachectl start

2.2    Автоматизация развертывания аппаратно-программного комплекса

После проведения базовой настройки серверов аппаратно-программного комплекса, необходимо сделать их резервную копию. Подключаем основной жесткий диск в Mobil Rack # 1 сервера.

·        Подключаем дополнительный жесткий диск в Mobil Rack # 2 сервера.

·        Перезагружаем сервер и настраиваем BIOS на загрузку с дисковода гибких дисков.

·        Загружаемся со специально подготовленного гибкого диска с системой резервного копирования Norton Ghost.

·        С помощью системы резервного копирования делаем образ диска (Disk to Image), на котором установлена ОС сервера аппаратно-программного комплекса, сохранив образ на дополнительный жесткий диск.

·        Перезагружаем сервер, вытащив гибкий диск, дополнительный жесткий диск и настроив BIOS на загрузку с основного диска.

·        Повторяем данную операцию на всех серверах аппаратно программного комплекса, где это необходимо.

При необходимости привести стенд к исходному состоянию необходимо:

·        Подключаем основной жесткий диск в Mobil Rack # 1 сервера.

·        Подключаем дополнительный жесткий диск в Mobil Rack # 2 сервера.

·        Перезагружаем сервер и настраиваем BIOS на загрузку с дисковода гибких дисков.

·        Загружаемся со специально подготовленного гибкого диска с системой резервного копирования Norton Ghost.

·        С помощью системы резервного копирования разворачиваем соответствующий образ (Image to Disk), находящийся на дополнительном жестком диске. В качестве пути назначения указываем основной диск сервера аппаратно-программного комплекса.

·        Перезагружаем компьютер, вытащив гибкий диск, дополнительный жесткий диск и настроив BIOS на загрузку с основного диска.

·        Повторяем данную операцию на всех серверах аппаратно-программного комплекса, где это необходимо.

3. Испытание аппаратно-программного комплекса

 

3.1    Методика испытаний


3.1.1 Проверка состава установленного ПО на серверах АПК

Проверка версии FreeSBD установленной на серверах АПК

freebsd# uname - a

Проверка версий установленного вспомогательного ПО

freebsd# pkg-info

Результатом выполнения этой команды будет список установленных пакетов в виде: <имя пакета>-<версия> <описание пакета>

3.1.2 Проверка функциональности служб аппаратно-программного комплекса

Проверка работоспособности DHCP-сервера

Клиент на рабочей станции под управление ОС Windows XP должен получить ip-адрес из диапазона 10.1.1.10-10.1.1.20.

Для проверки необходимо в командной строке рабочей станции набрать команду ipconfig и проанализиорвать результат выполения.

Командная строка вызывается через «Пуск\Выполнить» командой cmd.

Проверка работоспособности трансляции адресов на граничном маршрутизаторе.

Web-сервера и пользовательский маршрутизатор должны обмениваться ICMP-пакетами с серверами в Internet, например с www.ru или ya.ru.

Проверка работоспособности трансляции адресов на внутреннем маршрутизаторе.

Клиент на рабочей станции под управление ОС Windows XP должен обмениваться ICMP-пакетами с Web-сервером.

freebsd# ping 192.168.1.3

Проверка работоспособности Web-сервера.

Клиент на рабочей станции под управление ОС Windows XP, используя web-браузер, указав в адресной строке ip-адрес Web-сервера, должен увидеть Web-страницу размещенную на Web-сервере.

Проверка публикации Web-сервера.

Клиент из внешней подсети, используя web-браузер, указав в адресной строке ip-адрес Web-сервера, должен увидеть Web-страницу размещенную на Web-сервере.

Проверка Vpn-сервера и его публикации во внешней сети

Для проверки используем рабочую станцию под управление ОС Windows XP.

Создаем новое сетевое подключение (Подключение к Виртуальной Частной Сети - VPN)

В качестве Vpn-сервера указываем адрес внешнего сетевого интерфейса граничного маршрутизатора

Логин и пароль смотрим на Vpn-сервере в файле /usr/local/etc/mpd/mpd.secret.

При успешном подключении к Vpn-серверу проверяем доступность внутренней подсети с рабочей станции, находящейся во внешней подсети. Например, обмениваемся пакетами с рабочей станцией, находящейся во внутренней подсети

3.2    Результаты проверки функциональности аппаратно-программного комплекса

 

Проверяемый сервис

Эталонные данные

Полученные данные

Проверка работоспособности DHCP-сервера.

Клиент должен получить ip-адрес из диапазона 10.1.1.10-10.1.1.20.

Клиент получил ip-адрес 10.1.1.20.

Проверка работоспособности трансляции адресов на граничном маршрутизаторе.

Клиент должен обмениваться ICMP-пакетами (с помощью команды ping) с серверами в Интернете.

Клиент успешно обменивается ICMP-пакетами (с помощью команды ping) с сервером www.ru.

Проверка работоспособности трансляции адресов на внутреннем маршрутизаторе.

Клиент должен обмениваться ICMP-пакетами (с помощью команды ping) с web-сервером server-web.

Клиент успешно обменивается пакетами с сервером server-web.

Проверка работоспособности Web-сервера.

Клиент должен открывать Web-страницу в Web-браузере, указав в качестве адреса ip-адрес сервера server-web со своего компьютера.

Страница открывается успешно.

Проверка публикации Web-сервера.

Клиент из внешней сети, указав адрес граничного маршрутизатора server-nat-ext, должен попасть на web-страницу на сервере server-web.

Страница открывается успешно.

Проверка Vpn-сервера и его публикации во внешней сети.

Успешно подключившиcь Vpn-клиентом к серверу server-nat-ext, указав ip-адрес внешнего сетевого интерфейса сервера server-nat-ext, порт 1723, логин и пароль, указанные в файле /usr/local/etc/mpd/mpd.secret пользователь должен получить доступ к ресурсам внутренней подсети.

Подключение к Vpn-серверу прошло успешно. Клиент успешно обменивается ICMP-пакетами (с помощью команды ping) с рабочей станцией workstation.




4. Экологическая часть и безопасность жизнедеятельности

Под термином «Охрана труда» понимается система законодательных актов, социально-экономических, организационных, технических, гигиенических и лечебно-профилактических методов и средств, обеспечивающих безопасность, сохранение здоровья и работоспособности человека в процессе труда.

Охрана труда состоит из следующих основных частей: техники безопасности, производственной санитарии, эргономики, промышленной эстетики и правовой базы. Техника безопасности представляет собой систему средств и методов, предотвращающих или снижающих до безопасного уровня воздействие опасных факторов. Производственная санитария призвана устранить или снизить до безопасного уровня воздействие вредных факторов.

В связи с научно-техническим прогрессом проблема взаимодействия человека и современной техники стала весьма актуальной. В настоящее время все большую роль во взаимодействии с техникой приобретает человек-оператор, на которого возлагается роль управления не только отдельными машинами, но и целыми системами технических объектов. Человек-оператор должен перерабатывать большой объем технической информации и принимать ответственные решения. Поэтому в целях рационализации технического процесса возникает задача согласования особенностей конструкции машин и технического оборудования с психологическими и физическими характеристиками человека, поскольку эффективное применение даже наиболее совершенной техники зависит, в конечном итоге, от правильности действий людей, управляющих этой техникой.

4.1    Исследование опасных и вредных факторов при работе с ЭВМ

 

4.1.1 Общие понятия

Работа пользователя с ЭВМ, как и любой иной производственный процесс, сопряжена с опасными и вредными факторами.

Опасные факторы - это производственные факторы, воздействие которых на человека ведет к травме или другому резкому и внезапному ухудшению здоровья.

Вредные факторы - это производственные факторы, воздействие которых в определенных условиях ведет к возникновению профессионального заболевания или снижению трудоспособности.

Безопасность жизнедеятельности на производстве обеспечивается за счет охраны труда. Под термином «охрана труда» понимается система законодательных актов, закрепляющих социально-экономические, организационные, технические, гигиенические и лечебно-профилактические методы и средства, обеспечивающие безопасность, сохранение здоровья и работоспособности человека в процессе труда. Охрана труда состоит из следующих основных частей: техники безопасности, производственной санитарии, эргономики, промышленной эстетики и правовой базы.

Техника безопасности - система средств и методов, направленных на предотвращение или снижение до безопасного уровня воздействия опасных производственных факторов.

Производственная санитария - совокупность организационных мероприятий и технических средств, предотвращающих или уменьшающих воздействие на рабочих вредных производственных факторов.

Эргономика - научная дисциплина, формализующая способ организации рабочего места.

При разработке программного продукта и дальнейшей работе с ним необходимо учитывать требования и рекомендации по охране труда.

Типичными ощущениями, испытываемыми людьми, работающими длительное время с компьютером при несоблюдении требований охраны труда, являются: головная боль, резь в глазах, тянущие боли в мышцах шеи, рук и спины, зуд кожи на лице и т.п. Испытываемые каждый день, они могут привести к: кожным воспалениям, частичной потере зрения, мигреням, тремору, сколиозу.

Неправильная работа на компьютере может вызывать множество недомоганий:

·        астенопию - быструю утомляемость глаз;

·        боли в спине и шее;

·        запястный синдром - болезненное поражение срединного нерва запястья;

·        тендиниты - воспалительные процессы в тканях сухожилий;

·        стенокардию и различные стрессовые состояния;

·        дерматиты кожи лица;

·        хронические головные боли, головокружения, повышенную возбудимость и депрессивные состояния;

·        снижение концентрации внимания;

·        нарушение сна.

4.1.2 Используемая аппаратная база и виды вредных и опасных факторов

При Выполнении дипломного проекта используются следующие элементы вычислительной техники:

·        четыре персональных компьютера класса Pentium;

·        монитор Samsung SyncMaster 550s (частоты кадровой и строчной развертки 75 Гц и 37.5 кГц соответственно).

Выделим основные опасные производственные факторы, возникающие при работе с вычислительной техникой (ВТ).

Самым опасным производственным фактором при работе с Вычислительной Техникой является возможность поражения человека электрическим током. ЭВМ и ее периферийные устройства питаются от однофазной сети переменного тока частотой 50 Гц и напряжением 220 В. Безопасным для человека считается напряжение не более 40 В. Таким образом, прикосновение человека к токоведущим частям может привести к серьезной травме - поражению электрическим током.

При работе с ЭВМ основной источник вредных факторов - дисплей, выполненный на основе электроннолучевой трубки (ЭЛТ). Жидкокристаллические дисплеи на порядок безопаснее, но, и на порядок дороже. Дисплеи на основе электроннолучевой трубки (далее просто дисплеи) выделяют несколько типов излучения:

·        Ультрафиолетовое;

·        Инфракрасное;

·        Видимое;

·        Мягкое рентгеновское;

·        Низкочастотное излучение, порождаемое кадровой и строчной развертками монитора (75 Гц и 37.5 кГц соответственно)

Эргономически неблагоприятными могут оказаться микроклимат и освещение (Ец = 400-700 лк).

Можно выделить следующие вредные и опасные факторы:

·        Электричество;

·        Электромагнитное поле низкой частоты и радиочастоты;

·        Ультрафиолетовое излучение;

·        Инфракрасное излучение

·        Статическое электричество;

·        Плохой микроклимат рабочего места;

·        Неправильная освещение рабочего места.

4.1.3 Поражение электрическим током

ЭВМ и ее периферийные устройства питаются от однофазной сети переменного тока частотой 50 Гц и напряжением 220 В. Это напряжение является опасным, прикосновение человека к токоведущим частям может привести к серьезной травме. Безопасным для человека считается напряжение не более 40 В.

Проходя через организм человека, электрический ток производит термическое, электролитическое и механическое (динамическое) действия, являющиеся обычными физико-химическими процессами, присущими как живой, так и неживой материи; одновременно электрический ток производит и биологическое действие, которое является специфическим процессом свойственным лишь живой ткани.

Термическое действие тока проявляется в ожогах участков тела, нагреве до высокой температуры кровеносных сосудов, нервов, сердца и других органов находящихся на пути тока, что вызывает в них серьезные функциональные расстройства.

Электролитическое действие тока выражается в разложении органических жидкостей, в том числе и крови (плазмы), что сопровождается значительными нарушениями их физико-химического состава.

Механическое (динамическое) действие тока выражается в расслоении, разрыве и других подобных повреждениях различных тканей организма, в том числе мышечной ткани, стенок кровеносных сосудов, сосудов легочной ткани и др. в результате электродинамического эффекта, а также мгновенного взрывоподобного образования пара от перегретой током тканевой жидкости и крови.

Биологическое действие электрического тока проявляется в раздражении и возбуждении живых тканей организма, в нарушении внутренних биологических процессов. Перевозбуждение нервных окончаний может приводить к неестественно мощному сокращению мышечной ткани, когда в качестве побочных эффектов наступают многочисленные травмы внутренних органов (как вследствие сжатия, так и разрыва), переломы костей. Причем сокращение мышц в определенных ситуациях может вызывать перелом позвоночного столба и, как следствие, летальный исход.

Исход воздействия тока зависит от ряда факторов:

·        величина силы тока - чем больше сила тока, тем, как правило, опаснее его действие;

·        время воздействия - чем дольше происходит воздействие, тем опаснее это для здоровья;

·        пути протекания - прохождение тока через жизненно важные органы опаснее всего, чем длиннее путь протекания ток, тем опаснее возможные последствия;

·        частота тока - наиболее опасен переменный ток с частотой в диапазоне 20 - 100 Гц;

·        состояние окружающей среды - чем выше влажность, тем сильнее может быть поражение;

·        индивидуальные особенности человека: пол, возраст, состояние здоровья, психологическая готовность принять удар - все это может сказаться на степени полученных повреждений.

По видам травм травмирующие воздействия электрического тока разделяют на местные и общие.

·        К общим относят электроудары, делящиеся на 4 класса: 1 класс - судорожное сокращение мышц без потери сознания; 2 класс - судорожное сокращение мышц с потерей сознания; 3 класс - потеря сознания с нарушением работы органов дыхания и кровообращения; 4 класс - состояние клинической смерти.

·        К местным: электрические знаки, ожоги, металлизация кожи, электрофтальмия - воспаление радужной оболочки глаза, механические повреждения.

Таблица 2. Классификация силы воздействия электрического тока по ощущениям человека

Тип воздействия

Величина вызывающего этот тип воздействия переменного тока (мА)

Величина вызывающего этот тип воздействия постоянного тока (мА)


Начало диапазона

Конец диапазона

Начало диапазона

Конец диапазона

Неощутимый

0

0,5

0

5

Ощутимый

0,5

1,5

5

7

Отпускающий

1,5

6

30

50

Неотпускающий - вызывает сильные и весьма болезненные судороги мышц грудной клетки, что приводит к затруднению или даже прекращению дыхания.

6

10

50

80

Фибриляционный - оказывает непосредственное влияние и на мышцу сердца, что в конечном итоге может привести к его остановке и летальному исходу.

300

80

100

 

4.1.4 Влияние электромагнитного поля низкой частоты

В отличие от рентгеновского ЭМИ, опасность воздействия ЭМИ низких и радиочастот при снижении его интенсивности не уменьшается. Электромагнитное поле низкой частоты появляется в блоке строчно-кадровой развертки дисплея. Оно распространяется по его боковым сторонам и воздействует в основном на людей, сидящих за соседними ЭВМ. Источниками ЭМИ низкочастотного и радиочастотного диапазонов могут являться система вертикального отклонения луча ЭЛТ, работающая на частотах 43 ¸ 200 Гц, система горизонтального отклонения луча ЭЛТ - 30 ¸ 110 кГц, система модуляции луча ЭЛТ - до 300 МГц.

Также, источником таких излучений может являться любая аппаратура, в которой используются катушки индуктивности, конденсаторы, генераторы частоты, установки мощности, силовые установки и все, излучающее электромагнитные волны.

При медицинских исследованиях выяснилось, что длительное воздействие электромагнитного поля низкой частоты и большой интенсивности на человека способно вызвать биологические эффекты на организм пользователя, такие как:

·        обострения кожных заболеваний (угревая сыпь, себорроидная экзема, розовый лишай, рак кожи и др.);

·        воздействие на нервную систему (потеря порога чувствительности, нервно-психические расстройства);

·        перегрев тканей человеческого тела и нарушение терморегуляции за счет поляризации диэлектриков и токов проводимости, что особенно вредно для тканей сердечно-сосудистой системы;

·        воздействовать на метаболизм и изменение биохимической реакции в крови на клеточном уровне, в результате чего у оператора возникают симптомы стресса;

·        нарушение в протекании беременности;

·        увеличение в 2 раза вероятности выкидышей у беременных женщин;

·        репродуктивной функции и возникновению рака;

·        нарушение режима терморегуляции организма;

·        изменение в нервной системе (потеря порога чувствительности);

·        понижение / повышение артериального давления.

Как следствие вышеизложенного возникает вредный фактор - низкочастотное и радиочастотное ЭМИ.

 

4.1.5 Влияние ультрафиолетового излучения

Ультрафиолетовое излучение возникает у поверхности экрана монитора в результате бомбардировки пучком электронов синего люминофора цветных ЭЛТ. При превышении интенсивности излучения допустимых норм оно также оказывает вредное воздействие на организм человека и является источником вредного фактора - ультрафиолетового ЭМИ.

Воздействие ультрафиолетового излучения сказывается при длительной работе за компьютером и проявляется через покраснение кожи. Длительное воздействия ультрафиолетовым излучением приводит к поражениям глаз (глазное воспаление роговицы, помутнение хрусталика).

 

4.1.6 Влияние инфракрасного излучения

Все нагретые части оборудования излучают инфракрасные электромагнитные волны в диапазоне частот от десятков микрометров до 1,5 мкм. Инфракрасное ЭМИ можно получить и с помощью электрических колебаний. Максимально воздействие на человека оказывают волны длиной 0,78 мкм. Глубоко проникая в кожные покровы, инфракрасное ЭМИ может вызвать внутренний нагрев тканей, что приводит к глубинным нарушениям терморегуляции в организме и сложным заболеваниям желудочно-кишечного тракта, сердечно-сосудистой и нервной систем. Возникает вредный фактор - инфракрасное ЭМИ.

 

4.1.7 Влияние мягкого рентгеновского излучения

Свечение ЭЛТ достигается путем бомбардировки люминофора разогнанными до больших скоростей электронами. Поэтому перепад напряжения между анодом и катодом ЭЛТ достигает 15 кВ. Как известно из физики при U=3 - 500 кВ появляется рентгеновское излучение. При 3кВ < U < 40кВ мы попадаем в зону мягкого рентгеновского излучения. Возникает вредный фактор - рентгеновское излучение. Воздействие этого вредного фактора может привести к образованию чужеродных соединений молекул белка, изменениям внутренней структуры веществ в организме, приводящей к развитию лейкемии, опухолей и катаракт глаз, воспалению лимфатических узлов и т.д.

 

4.1.8 Влияние статического электричества

Вычислительная техника при работе образует вокруг себя статическое электричество. ЭЛТ дисплеев излучают достаточно мощный поток положительных ионов, которые взаимодействуют с микрочастицами пыли, всегда присутствующими в воздухе. При подвижности воздуха в помещении более 0,2 м/с пыль, накопившаяся на экране дисплея, слетает с него и переносится на лицо и руки оператора, что приводит к раздражению кожи, дерматиту, угрям. Так как человек является носителем отрицательного заряда, то положительные заряженные частички пыли переносят положительный заряд на кожу человека. Под воздействием статического электричества нарушается синтез белка, что может привести к серьезным заболеваниям.

Электростатические поля вызывают скопление пыли и мелких частиц вокруг дисплея, что ухудшает общую атмосферу рабочего места. Это может привести к заболеваниям дыхательных путей, раздражению кожи, усталости глаз, депрессии, головной боли, бессоннице. Следовательно, появляется вредный фактор - повышенный уровень электростатического поля.

Электронные компоненты персонального компьютера работают на низких напряжениях 5-12В постоянного тока. При большом значении напряженности статического электричества может происходить замыкание клавиатуры, микросхем плат. Нормируемая величина напряженности статического электричества Е <= 15 кВ/м.

4.2    Методы защиты пользователей от опасных и вредных факторов

 

4.2.1 Защита от поражения электрическим током

Для обеспечения безопасности работы пользователя необходимо принять меры к исключению возможности поражения его электрическим током.

Поражение током может возникнуть в результате пробоя изоляции, обрыва токоведущего провода и замыкания его на корпус оборудования. Это может привести к воздействию на оператора, прикоснувшегося к корпусу, напряжения и тока больше предельно допустимых уровней. Для защиты от напряжения прикосновения используется зануление.

Занулением (заземлением) называется преднамеренное соединение нетоковедущих частей, которые могут оказаться под напряжением с нулевым защитным проводником. Оно применяется в трехфазных сетях с заземленной нейтралью в установках до 1000 вольт и является основным средством обеспечения электробезопасности. Применение в одной и той же сети зануления одной части оборудования, и заземления другой части не допускается, т.к. при замыканиях на корпус в одном из элементов заземленного оборудования все зануленное оборудование окажется под повышенным напряжением. Сопротивление заземления источника питания с напряжением до 1000 В не должно превышать 4 Ом.

Принцип защиты занулением заключается в отключении сети при коротком замыкании, которое вызывает перегорание (отключение автомата), а, следовательно, отключает потребителя от сети.

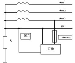
Рассчитаем величину номинального тока для включения в цепь питания ПЭВМ защитного автомата.

Схема подключения ЭВМ к электросети

Определим ток короткого замыкания Iкз, через НЗП и по его величине Iном предохранителя или автомата:


Iкз. - ток короткого замыкания,

Uф - фазное напряжение, равное 220В;

rт - паспортная величина сопротивления обмотки трансформатора, равная 0.412 Ом,

Rобщ = R1 + R2 + RНЗП, где

                      

p - удельное сопротивление проводника (рНЗП = р2 = 0.0175 [Ом*мм2/м] (медь); р1 =0.028 [Ом*мм2/м] (алюминий));

L - длина проводника (L1=600 м, L2=100 м, LНЗП=50 м);

S - площадь проводника (S1=2мм2, S2=SНЗП=1мм2).

, где

k - коэффициент, учитывающий тип защитного устройства (в зависимости от типа автомата: k=3 для автомата с электромагнитным расцепителем;

Iном - номинальный ток срабатывания защитного устройства.

общ = 8,4 [Ом] + 1,75 [Ом] + 0,875 [Ом] = 11 [Ом];

Во избежание поражения электрическим током и выхода из строя ПЭВМ и периферийного оборудования, в случае возникновения короткого замыкания или других причин появления напряжения прикосновения Uпр, в цепь питания ПЭВМ необходимо включить автомат с Iном = 6А.

4.2.2 Защита от электромагнитного излучения низкой частоты

Существенная защита от ЭМИ низких частот может быть достигнута:

·        выбором расстояния до излучающего оборудования - для дисплеев - 1 м и более от стен, 1,2 м и более от задней части дисплея, 50-80 см от передней части дисплея и 1,5-2,22 м от боковой части дисплея;

·        соблюдением норм по длительности работы с оборудованием - для дисплеев - не более 4 часов в день при прочих временных правилах;

·        экранированием оборудования (на этапе производства - компенсирующие катушки и экранирующие кольца из специального сплава с высокой магнитной проницаемостью, которые располагают вокруг излучающих частей; при использовании - различные защитные экраны);

·        выбором техники, удовлетворяющей общепринятым стандартам.

Нормирование ЭМИ низких частот производится раздельно для различных диапазонов, а также раздельно для электрической и магнитной составляющих. Нормы по напряженности электрического поля на расстоянии 30÷50 см от источника для ЭМИ НЧ в диапозоне 60 Гц ÷ 30 кГц составляет 10 В/м. В диапазоне радиочастот ЭМИ составляют 0.1% от нормы, поэтому ими пренебрегают.

Существуют требования международных стандартов на уровни ЭМИ низких частот (см. таблицу 3).

Таблица 3. Требования международных стандартов на уровни ЭМИ

Стандарт

Напряженность переменного электрического поля для диапазонов *, В/м

Напряженность переменного магнитного поля для диапазонов *, нТл

Электростатический потенциал*, В


5 Гц ÷ 2 кГц

2 кГц ÷ 400 кГц

5 Гц ÷ 2 кГц

2 кГц ÷ 400 кГц


MPR II

£ 25

£ 2.5

£ 250

£ 25

< 500

TCO’91 («92)

£ 10**

£ 1.0**

£ 200**

£ 25

< 500

TCO’95

£ 10**

£ 1.0**

£ 200**

£ 25

< 500


Менее жесткие нормы на ЭМИ приводятся также в стандартах ISO 9241-3, TÜV/Rheinald Ergonomie и ряде других.

 

4.2.3 Защита от ультрафиолетового излучения

Меры защиты от ультрафиолетового излучения обычно направлены на предотвращение превышения суммарного ультрафиолетового потока. Для защиты рекомендуется использование:

·        Люминесцентных ламп мощностью не более 40 Вт. Нельзя использовать лампы типа ЛД, ЛДЦ, так как у них Тцв=6000-6500 К;

·        Мониторов с улучшенными характеристиками и защитное экранирование;

·        Отражающих материалов для покрытия стен - меловая побелка или побелка с добавлением гипса. Не рекомендуется оксиды свинца и титана, краски на масляной основе.

·        Солнечных экранов, жалюзи на окнах;

·        Очков «Стинглас» с защитными стеклами 2 мм с добавлением свинца;

·        Одежды из поплина и фланели.

4.2.4 Защита от инфракрасного излучения

Защитой от инфракрасного ЭМИ является поддержание нормальной температуры оборудования и помещения. Это обеспечивает правильное функционирование аппаратуры и нормальную терморегуляцию человека.

Для обеспечения требуемого теплообмена используются следующие средства:

·        теплоотводящие экраны;

·        вентиляторный обдув внутри оборудования и помещения;

·        приточно-вытяжная общеобменная и местная вентиляции и кондиционирование (БК1500, БК2000);

·        личные меры работников - одежда, утепление или проветривание помещений.

 

4.2.5 Защита от мягкого рентгеновского излучения

Чтобы минимизировать воздействие рентгеновского излучения на организм человека надо использовать следующие методы: защита временем; защита расстоянием; экранирование.

При работе в смену не более 4 часов, необходимо рассчитать безопасное расстояние до монитора, учитывая, что норма естественного рентгеновского фона в год равна 0,1 P.

Мощность дозы рентгеновского излучения вычисляется по формуле:

Pri=P0*e-k, k=m*r, где

Р0 - мощность дозы рентгеновского излучения [мкР/час]; - линейный коэффициент ослабления рентгеновских лучей воздухом, см-1

r - заданное расстояние от монитора, см

Некоторая часть ПЭВМ не соответствуют Шведскому стандарту MPR2, устанавливающему нормы на вредные излучения, и на расстоянии 5 см. от экрана имеют Pr5=50-100 мкР/ч. Возьмем для расчета m=3.14*10-2 см-1. Зависимость излучения от расстояния представлена в Таблице 4.

r, см

5

10

20

30

40

50

60

70

Pri, мкР/ч

100

73,5

53,4

40

28,5

21

15

11


Возьмем r =60 см и определим, какую дозу облучения получат пользователи за смену, неделю и год работы на ПЭВМ:

Доза, полученная за период:

·        смену 15 * 4 = 60 мкР;

·        неделю 60 * 5 = 300 мкР;

·        за год 300 * 45 = 13500 мкР.

Сравним дозу, полученную за год в ходе расчета с нормой рентгеновского излучения за год:

Д получ/год <=Д нормир. дозы 0.01 Р<= 0.1P

Безопасным расстоянием до монитора является расстояние 60 см.

Во избежание переоблучения рекомендуется:

1.  находится от экрана монитора на расстоянии 60 см и более;

2.      применять терминалы, удовлетворяющие современным стандартам MPR2 и ТС092, 95, 99. Желательно устанавливать мониторы с низкой выходной радиацией (LR-мониторы);

.        использовать экранирование (защитные экраны).

 

4.2.6 Защита от влияния статического электричества

Снижение уровня напряженности статического электричества достигается:

·        проведением влажной уборки;

·        использованием нейтрализаторов статического электричества;

·        использованием антистатических покрытий и материалов;

·        использование защитных экранов дисплеев с заземлением;

·        недопущением увеличения подвижности воздуха в помещении выше 0,2 м/с.

Наиболее эффективным способом нейтрализации статического электричества является применение нейтрализаторов, создающих вблизи наэлектризованного диэлектрического объекта положительные и отрицательные ионы. Различают несколько типов нейтрализаторов.

Нейтрализаторы радиоизотопного и аэродинамического типов используют во взрывоопасных производствах. Индукционные нейтрализаторы применимы в случаях, когда их можно расположить очень близко к наэлектризованному материалу - 20 мм и менее. Кроме того, они не ликвидируют заряд полностью - остаточная плотность заряда на материале может достигать 5×10-6 Кл/м2. Высоковольтные нейтрализаторы высокоэффективны, и их работа не зависит от величины заряда на материале.

Предельно допустимая нормируемая величина напряженности электростатического поля Е<= 15 кВ/м.

 

4.2.7 Нормализация микроклимата

Для нормального самочувствия человека важно правильное сочетание температуры, влажности, давления и скорости движения воздуха в рабочем помещении. Желательно, чтобы диапазон температур воздуха рабочего помещения находился в следующих диапазонах:

·        в теплое время года от - +22°С до +24°С;

·        в холодное время года - от +21°С до +23°С,

·        а в выходные и праздничные дни от +16°С до +17°С.

Влажность - в пределах 40-60%. Давление - от 734 до 1267 ГПа (550-950 мм рт. ст.). Скорость движения воздуха - не более 0.2 м/с.

С целью создания нормальных условий для разработчика и безотказной работы ВТ установлены оптимальные и допустимые значения температуры, относительной влажности и скорости движения воздуха (см. таблицу 5).

Таблица 5. Микроклимат рабочей среды

 Температура наружного воздуха, °С°

Параметры воздушной среды на рабочих местах


Оптимальные

Допустимые


Температура, °С

Относительная влажность, %

Скорость движения, м/с

Температура, °С

Относительная влажность, %

Скорость движения, м/с

Ниже 10

20-22

40-60

0.2

18-22

Не более 70

0.3

Выше 10

20-25

40-60

0.5

*

**



Для обеспечения требуемой по указанным нормам качества воздушной среды необходима вентиляция. Вентиляционные устройства должны ассимилировать или удалять избыточную теплоту, влагу, а также пыль с соблюдением при этом определенной подвижности воздуха в помещении.

 

4.2.8 Обеспечение необходимой освещенности

ЭВМ может быть установлена в ВЦ или на автоматизированном рабочем месте. Помещения должны иметь естественное и искусственное освещение. Желательна ориентация оконных проемов на север или северо-восток. Оконные проемы должны иметь регулируемые жалюзи или занавеси, позволяющие полностью закрывать оконные проемы. Для дополнительного звукопоглощения занавеси следует подвешивать в складку на расстоянии 15-20 см от стены с оконными проемами.

Освещенность дисплейных классов, рекомендуемая отраслевыми нормами, лежит в пределах 400¸700 лк и мощностью ламп до 40Вт. При искусственном освещении помещения ВЦ рекомендуется использовать люминесцентные лампы ЛБ и ЛТБ. Их мощность не превышает 40 Вт, цветовая температура излучения находится в диапазоне 3500¸4200°К, срок службы до 10000 часов. У них малая яркость светящейся поверхности, близкий к естественному спектральный состав излучаемого света обеспечивает хорошую цветопередачу. Допускается применение ламп накаливания в светильниках местного освещения.

Рекомендуемая освещенность Е=400-700 лк. Освещенность на рабочем месте с ЭВМ должна быть не менее: экрана - 200 лк; клавиатуры, документов и стола - 400 лк. Основной поток естественного света при этом должен быть слева для правшей и справа для левшей.

Для устранения бликов на экране и сильных перепадов освещенности в поле зрения, необходимо экраны располагать таким образом, чтобы минимизировать попадание отраженного от их поверхности яркого дневного света в глаза пользователя[20]. Рабочие места должны располагаться от стен с оконными проемами на расстоянии не менее 1.5 м, от стен без оконных проемов на расстоянии не менее 1.0 м. Пользователь должен располагаться на расстоянии не менее 60-70 см. от экрана, напряжение аккомодации должно быть минимально. Для подсветки документов допускается установка светильников местного освещения, которые не должны создавать бликов на поверхности экрана и увеличивать его освещенность до уровня более 300 лк.

При электрическом освещении упомянутые требования могут быть удовлетворены при выполнении следующих условий:

·        Освещение должно быть не прямым, для этого необходимо избегать на потолке зон чрезмерной освещенности;

·        Освещенность должна быть равномерной;

·        Потолок должен быть плоским, матовым и однородным.

·        Высота потолка должна быть достаточной для обеспечения возможности регулировки высоты подвеса светильников.

Для ограничения неблагоприятного действия пульсирующих световых потоков газоразрядных ламп установлены предельные значения коэффициентов пульсации освещенности рабочих мест в пределах 10-20%.

При соблюдении перечисленных норм и рекомендаций обеспечиваются комфортные условия зрительной работы разработчика.

4.3    Эргономические требования к рабочим местам пользователей


Помимо выполнения рассмотренных методов защиты от воздействия опасных и вредных факторов при работе за компьютером важным является соблюдение эргономических требований при организации рабочих мест.

Выполнение эргономических рекомендаций по эксплуатации компьютеров позволяет значительно снизить вредные воздействия находящихся в эксплуатации ПЭВМ. В первую очередь, безопасность при работе с ПЭВМ может быть обеспечена за счет правильного выбора визуальных параметров дисплея, рационального размещения компьютеров в помещениях, оптимальной с точки зрения эргономики организации рабочего дня пользователей, а также за счет применения средств повышения контраста изображения и защиты от бликов на экране, электромагнитных излучений и электростатического поля.

Рекомендации охватывают следующий круг вопросов:

·        требования к визуальным эргономическим параметрам дисплеев с учетом их эксплуатации;

·        требования к помещениям и оборудованию рабочих мест;

·        требования к режиму работы и отдыха.

4.3.1 Требования к визуальным эргономическим параметрам дисплеев с учетом их эксплуатации

Визуальные эргономические параметры дисплеев являются важнейшими параметрами безопасности, и их неправильный выбор однозначно влияет на зрительный дискомфорт и утомление пользователя.

Для надежного считывания информации, при соответствующей степени комфортности ее восприятия, выбор параметров дисплея должен обеспечивать работу человека в оптимальных и допустимых диапазонах значений соответствующих параметров.

Оптимальные и допустимые значения визуальных эргономических параметров должны быть указаны в технической документации на дисплей для режимов работы различных категорий пользователей.

4.3.2 Требование к помещениям, оборудованию рабочих мест и освещённости

Помещения должны иметь естественное и искусственное освещение. Желательна ориентация оконных проемов на север или северо-восток. Оконные проемы должны иметь регулируемые жалюзи или занавески, позволяющие полностью закрывать оконные проемы. Занавески следует выбирать одноцветные, гармонирующие с цветом стен, выполненные из плотной ткани и шириной в два раза больше ширины оконного проема. Для дополнительного звукопоглощения занавески следует подвешивать в складку на расстоянии 15-20 см от стены с оконными проемами. Рабочие места по отношению к световым проемам должны располагаться так, чтобы естественный свет падал сбоку, преимущественно слева. Еще один вредный фактор при работе на компьютере - видимое излучение, блики и мерцание экрана. Экспериментальные данные свидетельствуют о том, что вышеуказанные факторы способствуют возникновению:

·  близорукости и переутомления глаз;

·        мигрени и головной боли;

·        раздражительности, нервному напряжению и стрессу.

Для устранения бликов на экране, также как чрезмерного перепада освещенности в поле зрения, необходимо удалять экраны от яркого дневного света. Рабочие места должны располагаться от стен с оконными проемами на расстоянии не менее 1,5 м, от стен без оконных проемов на расстоянии не менее 1-го м. Площадь на одно рабочее место должна составлять примерно 6 м2.

Освещенность на рабочем месте с ПЭВМ должна быть не менее:

·  экрана - 200 лк;

·        клавиатуры, документов и стола - 400 лк.

Для подсветки документов допускается установка светильников местного освещения, которые не должны создавать бликов на поверхности экрана и увеличивать его освещенность до уровня более 300 лк. Освещенность дисплейных классов, рекомендуемая отраслевым нормами, лежит в пределах 400-700 лк и мощностью ламп до 40 Вт. В качестве источников света при искусственном освещении необходимо применять преимущественно люминесцентные лампы типа ЛБ, цветовая температура излучения которых находится в диапазоне 3500-4200ºК.

Рекомендуемый микроклимат в помещениях при работе с ПЭВМ:

·        температура 19-21°С;

·        относительная влажность воздуха 55-62%.

Конструкция рабочего стола должна обеспечивать оптимальное размещение на рабочей поверхности используемого оборудования с учетом его количества и конструктивных особенностей (дисплея, ПЭВМ, клавиатуры и т.п.), характера выполняемой работы, а также возможности выполнения трудовых операций в пределах досягаемости. Поверхность стола должна быть ровной, без углублений. Высота рабочей поверхности стола должна регулироваться в пределах 680-800 мм, при отсутствии такой возможности высота рабочей поверхности 725 мм. Рабочий стол должен иметь пространство для ног высотой не менее 620 мм, шириной не менее 550 мм, глубиной на уровне колен не менее 450 мм, и на уровне вытянутых ног не менее 650 мм.

Конструкция рабочего стула (кресла) должна обеспечивать поддержание рациональной рабочей позы при работе, позволять изменять позу с целью снятия статического напряжения мышц шейно-плечевой области и спины для предупреждения развития утомления. Рабочий стул (кресло) должен быть подъемно-поворотным и регулируемым по высоте и наклона сиденья и спинки, а также расстоянию спинки от переднего края сиденья, при этом регулировка каждого параметра должна осуществляться независимо от других, легко, и иметь надежную фиксацию. Поверхность сиденья должна быть полумягкой, с неэлектризуемым, воздухопроницаемым покрытием, а также легко чистящейся. Ширина и глубина поверхности сиденья не менее 400 мм, регулировка высоты в пределах 400-500 мм и углам наклона вперед до 15°, назад до 5°, высота опорной поверхности спинки стула (кресла) 300 мм +/ - 20 мм, ширина не менее 380 мм, угол наклона спинки в вертикальной плоскости от 0° до 30°.

Экран монитора должен находиться на расстоянии 500-700 мм от глаз пользователя. Панель клавиатуры должна быть установлена в удобной для рук зоне так, чтобы предплечье находилось в горизонтальном положении, а плечо примерно вертикально. Желательно избегать установки клавиатуры внутрь стола для освобождения рабочего места. Линия взгляда должна быть в пределах от 0° до 60° вниз от горизонтали. Подставка для бумаг должна находиться не под экраном, а возле него на той же высоте, что и экран, и на расстоянии, обеспечивающем хорошую считываемость символов. Край опорной поверхности должен быть регулируемым по высоте в пределах 40-150 мм от пола. Если регулировка не произвольная, то она должна иметь три положения. Опорная поверхность должна быть скользкой, и подставка должна плотно прилегать к полу. Ниже приводятся варианты приемлемых с точки зрения эргономики положений человека при работе с компьютером:

Общие рекомендации для пользователей при работе с компьютером заключаются в следующем:

·        оборудовать рабочее место так, чтобы избежать длительных статических напряжений мышц и неудобных поз;

·        при длительной и напряженной работе рекомендуется менять тип работы каждые 15 мин., а также выполнять серии упражнений для снятия статического напряжения;

·        не делать больше 10-12 тысяч нажатий на клавиши в час (около 1700 слов в час).

Если пользователь долго и напряженно работает на компьютере, то каждый час в течение 15 мин. занимайтесь каким-нибудь другим делом, некоторые пользователи устанавливают на рабочем месте таймер, напоминающий им, что настало время отдыха. Несколько раз в час выполняйте серию легких упражнений. Режимы труда и отдыха при работе с ПЭВМ зависят от категории трудовой деятельности. Все работы с использованием ПЭВМ делятся на три категории:

1.      эпизодическое считывание и ввод информации в ПЭВМ или работа в режиме диалога не более 2-х часов за 8-ми часовую рабочую смену;

.        считывание информации с предварительным запросом не более 40 тыс. знаков или ввод информации не более 30 тыс. знаков или творческая работа в режиме диалога не более 4-х часов за 8-ми часовую смену;

.        считывание информации с предварительным запросом более 40 тыс. знаков или ввод информации более 30 тыс. знаков или творческая работа в режиме диалога более 4-х часов за 8-ми часовую рабочую смену.

Время регламентированных перерывов за рабочую смену следует принимать в зависимости от категории трудовой деятельности с ПЭВМ, а также продолжительности смены. Продолжительность непрерывной работы с ПЭВМ без регламентированного перерыва не должна превышать 2-х часов. Продолжительность обеденного перерыва определяется действующим законодательством о труде и правилами внутреннего трудового распорядка предприятия (организации, учреждения). При 8-ми часовой рабочей смене регламентированные перерывы целесообразно устанавливать:

·        для 1-й категории работ с ПЭВМ через 2 часа от начала смены и через 2 часа после обеденного перерыва продолжительностью 15 мин. каждый;

·        для 2-й категории работ с ПЭВМ через 2 часа от начала смены и через 2 часа после обеденного перерыва продолжительностью 15 мин. каждый или продолжительностью 10 мин. через каждый час работы;

·        для 3-й категории работ с ПЭВМ через 2 часа от начала смены, через 1,5 и 2,5 часа после обеденного перерыва продолжительностью 5-15 мин. и через каждый час работы.

При 12-ти часовой рабочей смене регламентированные перерывы устанавливаются в первые 8 часов работы аналогично перерывам при 8-ми часовой рабочей смене, а в течение последних 4 часов работы, независимо от категории и вида работ, через каждый час продолжительностью 5-10 мин. При работе с ПЭВМ в ночную смену, независимо от вида и категории работ, продолжительность регламентированных перерывов увеличивается на 60 мин.

Выбранные способы защиты пользователей от воздействия на них опасных и вредных факторов при соблюдении эргономичных требований обеспечивают безопасность разработчика и пользователя.

Список литературы

1.   OpenNet - портал по открытому ПО, Linux, BSD и Unix системам (http://www.opennet.ru/)

.        The FreeBSD FTP-archive (ftp://ftp.freebsd.org/)

.        The Apache Software Foundation (http://apache.org/)

.        The IDS Snort Project (http://www.snort.org/)

6.      Олифер В.Г., Олифер Н.А. «Компьютерные сети: принципы, технологии, протоколы», «Питер», С-Петербург.

.        Кнорринг Г.М. «Справочная книга для проектирования электрического освещения» - СПб, Энергоиздат, 2009 г.

.        СаниПин 2.2.2.542-96 «Гигиенические требования к видеодисплейным терминалам ПЭВМ и организация работы» - М. Госкомсанэпидемнадзор России, 1996 г.

.        Мотуско Ф.Я. «Охрана труда» Учебное пособие. Высш. шк. 1968 г.

.        Рязанов А.В., Розанов В.С. «Безопасность жизнедеятельности» М., изд. МИРЭА 2004 г.

11.     Рязанов А.В., Розанов В.С. «Обеспечение оптимальных параметров воздушной среды в рабочей зоне» М., изд. МИРЭА 2008 г.

12.    Богословский В.Н. «Отопление и вентиляция» М., Стройиздат 1985 г.

защищенный вторжение обнаружение программный

Похожие работы на - Многофункциональный программно-аппаратный стенд в составе локальной сети кафедры для проведения практических занятий по направлению 'Сетевые технологии'

 

Не нашли материал для своей работы?
Поможем написать уникальную работу
Без плагиата!
Без нейросетей!