Блок для работы памяти с периферийными устройствами

  • Вид работы:
    Курсовая работа (т)
  • Предмет:
    Информационное обеспечение, программирование
  • Язык:
    Русский
    ,
    Формат файла:
    MS Word
    768,37 Кб
  • Опубликовано:
    2013-02-12
Вы можете узнать стоимость помощи в написании студенческой работы.
Помощь в написании работы, которую точно примут!

Блок для работы памяти с периферийными устройствами

ФЕДЕРАЛЬНОЕ АГЕНТСТВО ПО ОБРАЗОВАНИЮ

Государственное образовательное учреждение высшего профессионального образования

САНКТ-ПЕТЕРБУРГСКИЙ ГОСУДАРСТВЕННЫЙ УНИВЕРСИТЕТ

АЭРОКОСМИЧЕСКОГО ПРИБОРОСТРОЕНИЯ







КУРСОВОЙ ПРОЕКТ

Блок для работы памяти с периферийными устройствами

Пояснительная записка к курсовому проекту

по дисциплине «СХЕМОТЕХНИКА»

 


Выполнил А.А. Климентьев

Проверил О.И. Курсанов




Санкт-Петербург2012

Содержание

Введение

. Индивидуальное задание на курсовое проектирование

. Разработка памяти

. Разработка регистра

. Работка схемы записи и считывания из ОП

. Выбор элементной базы

. Применение макроопределений (макросов) при моделировании устройств и построении принципиальных схем

. Схемотехническое моделирование Micro-Cap V9 GUAP Edition

. Обеспечение помехоустойчивости плат (разработка цепей питания)

. Компоновка ИМС и определение габаритных размеров печатной платы

Заключение

Список используемой литературы

Введение

Целью курсового проектирования является освоение методов расчета, схемотехнического проектирования и конструирования элементов и блоков ЦВМ.

Разработка устройства включает в себя следующие этапы: составление функциональной схемы, выбор элементной базы, разработка принципиальной схемы, моделирование схемы устройства на ЦВМ.

При выполнении проекта было необходимо разработать блок для работы памяти с периферийными устройствами в соответствии с предложенной схемой и исходными данными, которое обеспечило бы заданную точность и качество работы.

Запись и считывание является важной частью работы каждой современной ВС с ОП. Память является быстрым устройством, но в то же время требует времени для записи и считывания. В схеме предусмотрен два регистра, посредством которых осуществляется запись в память и считывание из нее. Из-за различной скорости устройств необходимо четкое согласование всех блоков схемы, для бесперебойной работы.

При реализации устройства необходимо учитывать и всевозможные внешние воздействия, которые могут исказить результат, для устранения помех разрабатываются необходимые цепи питания.

Основной элементной базой данного курсового проекта взята серия К155 (Тип логики: ТТЛ), так как она удовлетворяет всем поставленным условиям по быстродействию и надёжности.

Схема записи и считывания из оперативной памяти должна обеспечивать выполнение двух основных операций: либо чтение, либо запись. Также из шины адреса поступает адрес ячейки, по которой производится запись или считывание.

1. Индивидуальное задание на курсовое проектирование

Индивидуальное задание на синтез КП:

Схема записи и считывания из оперативной памяти

Схема

Номер варианта

Разрядность

Адресность

2

3

16

32


Рисунок 1: ФУНКЦИОНАЛЬНАЯ СХЕМА КП








2. Разработка памяти


В основе схемы лежит память с прямым доступом. Данная схема предназначена для записи, хранения и считывания информации, при считывание информации из ОЗУ она не разрушается. Ячейки в памяти организованы в матрицу RAM, имеющую 32 рядa шестнадцатиразрядных регистров. Матрица снабжена адресным дешифратором DC, который принимает четырехразрядный код адреса и выбирает с его помощью одного из своих 32 выходов нужное шестнадцатиразрядное слово.

Рис.2 Используемая для построения память (16х8)

При проектировании памяти, необходимо учитывать имеющиеся элементную базу. Память строилась на микросхемах памяти с разрядностью 16 и адресностью 32. Для того чтобы получить заданную адресность, проектирование памяти было произведено в два этапа: вначале была увеличена в два раза адресность по сравнению с исходной. Таким образом, была получена память 32x16. Было использовано всего четыре микросхемы, т.е. минимальное число элементов, достаточное для реализации заданной памяти. В реальном устройстве производительность будет оцениваться производительностью самой медленной микросхемы памяти.

Для увеличения адресности были соединены информационные входы, а все входы управления, кроме R были соединены через инвертеры. Входы R были соединены без инвертеров для сброса элементов всей памяти. На выходе элементы соединены через элементы ИЛИ.

Назначение входов памяти:

ОЕ - разрешение вывода (сигнал активен по низкому уровню)- разрешение записи (сигнал активен по низкому уровню)сброс

Рисунок 3. RAM 16x8 (ОЗУ К155РПЗ)

Условия записи Рис.4 и чтения Рис.5 из ЗУ К155РПЗ

К155РПЗ - регистровое ЗУ. Его основой служит 16-разрядный файл-регистр, имеющий организацию 8 слов Х 2 бита (т.е. слова расположены в регистре по восьми адресам). Регистр снабжен входными и выходными портами для записи и чтения двухразрядных слов. Регистр памяти обслуживают три порта: порт входных данных А, порт выходных данных B (эти порты независимы, они имеют собственную адресацию), а также двухсекционный порт С. Секции входных и выходных данных порта С имеют общие адресные входы. Каждый порт имеет по три адресных входа AAn, ABn и ACn, что дает восемь адресов в регистр. Эти адреса позволяют обмениваться с накопительным регистром восемью двухбитными словами.

Выбрать режимы записи и чтения через порты можно с помощью табл.13. для режима хранения на входе разрешения записи WE должно быть напряжение высокого уровня перед приходом отрицательного перепада на вход С. Этим исключается перемена данных в регистре.

3. Разработка регистра


Регистр RG содержит 2 типа основных элементов: 4 D-триггера (К155TM7)

Первый регистр RG подключается к информационным входам RAM и предназначен для занесения информации в память, а второй регистр подключается к выходам схемы RAM и предназначен для считывания и выдачи результата операции.

Рис.6 Основные элементы регистра

Регистр RG служит для временного хранения данных при передаче в память. Данные, поступая с внешнего устройства, записываются в регистр, а затем поступают в память, выводятся во второй регистр и выводятся наружу. Основной характеристикой регистра является высокая скорость работы, для реализации были выбраны D-триггеры. Регистр является 4-разрядным, поэтому использовались четыре микросхемы К155ТМ7. На выходе регистра были поставлены элементы И, для возможности отключения регистра и выбора линии, в которую необходимо выдавать данные.

Назначение входов регистра:

С - синхросигнал (по переднему фронту)

S1 - разрешение записи- сброс (сигнал активен по низкому уровню)- сигнал выбора линии (по высокому уровню вывод осуществляется в память - выходы ОО-О15)

Микросхема ТМ7 (К155ТМ7)

Рис.7 Микросхема К155ТМ7

Рис.8 Цоколевка используемого триггера

Режим работы

Вход

Выход

D

Q

Q

Разрешение передачи данных на вход

В

Н

Н

В


В

В

В

Н

Защёлкивание данных

Н

х

q

q

Рис.9 Состояния триггеров

Микросхема ТМ7 расположена в 16-ти контактном корпусе и содержит набор D-триггеров, имеющих общие входы синхронного сброса R и тактового запуска С. В микросхемах ТМ7 число триггеров четыре, у каждого есть выходы Q и не Q. Ее цоколевка приведена на рисунке 8. Режимы работы триггеров в микросхеме ТМ7 приведена на рисунке 9. Микросхема К155ТМ7 имеет ток потребления 45мА. Соответственно ее максимальная тактовая частота составляет 25МГц, а время задержки распространения сигнала сброса 35нс. Основное назначение микросхемы ТМ7 - построение регистров данных, запускаемых перепадами тактового импульса.

4. Работка схемы записи и считывания из ОП

схемотехнический оперативный регистр считывание

Схема записи и считывания из оперативной памяти содержит следующие основные элементы: соответственно константы - фиксированная едицина и фиксированный ноль, макросы ранее созданных элементов памяти с разрядностью 16 и адресностью 32, а так же макрос регистра RG.

Рис.10 Основные элементы схемы записи и считывания из оперативной памяти

Схема для работы записи и считывания из оперативной памяти состоит из нескольких ранее рассмотренных блоков: памяти и двух регистров RG, а также генераторов, обеспечивающих синхронизацию и стабильную работу всего устройства. Рабочий режим состоит из нескольких тактов. Вначале в регистр приходит информация извне и записывается в него сразу же она отправляется на вход памяти, во втором такте информация записывается в память, в третьем такте информация поступает с выхода памяти на вход второго регистра, где записывается, далее происходит выбор линии и информация выдаётся наружу.

5. Выбор элементной базы

В настоящее время при разработке интегральных микросхем наибольшее распространение получили следующие типы логических элементов:

транзисторно-транзисторная логика (ТТЛ);

транзисторная логика с эмиттерными связями (ЭСЛ);

логика на комплиментарных полевых транзисторах (КМОП).

Базовые элементы ТТЛ (микросхемы серии К131, К134, К155) строятся на основе многоэмиттерного транзистора (МЭТ), в базе которого сформировано несколько (обычно от 2 до 8) эмиттерных областей, являющихся входами схемы, и транзисторного инвертора. Схема выполняет операцию "И-НЕ": когда на все входы МЭТ поданы высокие уровни напряжений, все эмиттерные переходы закрыты, и ток от источника питания через открытый коллекторный переход транзистора поступает на вход инвертора, на выходе сложного инвертора, элемент имеет малое выходное сопротивление. Это позволяет увеличить ток нагрузки, а также ускорить процессы заряда и разряда емкости нагрузки. В составе каждой серии ТТЛ выпускаются так называемые буферные логические элементы (элементы с повышенной нагрузочной способностью), для которых допустимый стекающий выходной ток низкого уровня увеличен примерно в 3 раза. Кроме того, в состав некоторых серий цифровых микросхем ТТЛ входят логические элементы без коллекторной нагрузки выходного транзистора - элементы с открытым коллектором. Они предназначены для работы с внешней нагрузкой в виде индикаторных приборов, реле и т.д. Основные параметры элементов ТТЛ для различных серий микросхем сведены в табл.1. Взаимная нагрузочная способность логических элементов ТТЛ разных серий приведена в табл.2. Серия К155 является самой распространенной среди микросхем ТТЛ. Ее логический элемент обладает средним быстродействием и средним значением потребляемой мощности. Микросхемы серий К131 и К134 в настоящее время практически не используются в аппаратуре, т.к. энергия переключения элемента серии К131 считается чрезмерно большой, а элементы серии К134 имеют высокое время задержки и низкую нагрузочную способность.

Таблица 1 Основные параметры микросхем ТТЛ

Серия ТТЛ

Параметр

Нагрузка


Рпот, мВт

tэд, нс

Сн, пФ

RH, кОм

К134

1

33

50

4

К155

10

9

15

0,4

К131

22

6

25

0,28

К555

2

9,5

15

2

К531

19

3

15

0,28

КР1533

1,2

4

15

2

КР1531

4

15

0,28


В конце 1970-х годов микросхемы ТТЛ первоначальной разработки стали активно заменятся на микросхемы ТТЛШ, в которых вместо обычных транзисторов используются транзисторы с диодом Шотки. Эффект Шотки снижает пороговое напряжение открывания кремниевого диода от обычных 0,7 В до 0,2...0,3 В и значительно уменьшает время жизни неосновных носителей заряда в полупроводнике.

Диод Шотки с низким порогом открывания, подключаемый между коллектором и базой транзистора, не позволяет транзистору войти в режим насыщения, благодаря чему логические элементы на основе транзисторов Шотки имеют очень малое время задержки выключения. На основе транзисторов Шотки быливыпущены микросхемы двух основных серий ТТЛШ: К531 и К555. В электрической схеме элемента серии К555 вместо многоэмиттерного транзистора использована матрица диодов Шотки. Микросхемы серии К555 служат эффективной заменой для микросхем стандартной серии К155. Логические элементы более современных серий микросхем КР1533 и КР1531 представляют собой дальнейшее развитие технологии ТТЛШ в сторону снижения энергопотребления, увеличения быстродействия и улучшения помехоустойчивости.

Таблица 2 Взаимная нагрузочная способность элементов ТТЛ разных серий

Нагружаемый выход

Число входов-нагрузок из серий


К555

К155

К531

К555

20

5

4

К555, буферная

60

15

12

К155

40

10

8

К155, буферная

60

30

24

К531

50

12

10

К531, буферная

150

37

30


Напряжение питания микросхем ТТЛ составляет 5В±5%. Напряжение логического нуля - не более 0,4В. Напряжение логической единицы - не менее 2,5В.

Выбор элементной базы является отправной точки для успешного построения надёжной, долговечной схемы, удовлетворяющей заданным требованиям по производительности и помехоустойчивости. Для реализации блока для работы памяти с периферийными устройствами была выбрана серия KI55. Микросхемы данной серии построены на ТТЛ логике, имеют малое время задержки, являются маломощными, обладают достаточной помехоустойчивостью, имеют широкое распространение и как следствие низкую цену. При выходе их строя какого-либо элемента его достаточно просто заменить ввиду широкой распространённости данной серии. Характеристики элементов ТТЛ приведены в таблицах 1 и 2.

При использовании серии К531 должны быть сконструированы специальные цепи питания. Серия К555 не подходят из-за низкой помехоустойчивости по помехам-наводкам и помехам по питанию вследствие малой мощности и повышенных входного и входного сопротивлений. Соединение неиспользуемых входов микросхем серии К555 может привести к повышению паразитной входной емкости. Другие серии мало распространены, либо вытеснены другими сериями. Поэтому, учитывая характеристики, указанные выше, К155 является оптимальным выбором среди микросхем других серий.

6. Применение макроопределений (макросов) при моделировании устройств и построении принципиальных схем

В процессе моделирования устройств в ряде случаев отдельные элементы могут отсутствовать в библиотеке компонентов. В этом случае необходимо строить макросы, представляющие собой компиляцию однородных или разнородных элементов и объединенных в отдельную схему, которой присваивается некоторое название. Подобную процедуру также удобно применять для объединения блоков схемы одинакового функционального назначения с целью упрощения самой принципиальной схемы.

Рассмотрим процедуру составления макроса на примере разрабатываемого регистра:

Входы: 8:

C - сигнал синхронизации

S1,R - начальные установки триггеров

SL - выбор линии

Выходы: 4 выхода (Q0 - Q3).

Для создания макроса открываем меню Файл, выбираем пункт Создать, выбираем Cхемный файл, нажимаем кнопку Да. Появляется пустое окно, в котором нужно нарисовать схему необходимого элемента и сохранить под именем «D-trigger», с расширением Macro(*.mac)

Затем в меню Окна выбираем пункт Редактор изображений. Слева нажимаем кнопку Добавить и вписываем имя элемента «D-trigger». Затем рисуем фигуру, соответствующую разрабатываемому нами элементу, затем нажимаем кнопку со значком X, подтверждая сохранение изменений. В меню Окна выбираем пункт Редактор компонентов. Справа в дереве выбираем нужную нам группу и нажимаем кнопку со значком Добавить компонент. В поле «Name» пишем «D-trigger». В поле «Форма» выбираем «D-trigger». В поле «Определение» выбираем «Macro». Устанавливаем галочки в полях в соответствии с рис. 12. В окне с изображением схемы наводим курсор на каждую ножку и вводим её название в соответствии с названиями на схеме. Нажимаем кнопку со значком X, подтверждая сохранение изменений (рис.12).

Рисунок 11. Редактор изображений

Затем вторично выбираем меню Окно, выбираем пункт Редактор компонентов

Нажимаем кнопу Add component.В поле Name пишем «RAM»,В поле Shape выбираем «RAM». В поле Definition выбираем Macro. Устанавливаем галочку в поле Assign Component Name to File. В окне с изображением схемы наводим курсор на каждую ножку и вводим её название в соответствии с названиями на схеме.Нажимаем кнопку CLOSE, подтверждая сохранение изменений:

Рис.12 Готовый макрос памяти

Аналогичным образом создаем остальные макросы.

В данной работе макросы использовались для создания каждого блока схемы. Вначале были созданы все макросы, каждый был проверен и отлажен отдельно, а затем все вместе в итоговой схеме. Перечень изображений указан ниже.

Рис.13 Макрос памяти Рис.14 Макрос регистра

7. Схемотехническое моделирование Micro-Cap V9 GUAP Edition

Принципиальная схема и временная диаграмма работы памяти(RAM) 32х16

Рис.15 Схема памяти 32х16

Рис.17 Временная диаграмма работы памяти 32х16

Принципиальная схема и временная диаграмма работы двунаправленного регистра(REG)

 

Рис.18 Схема регистра

Рис.19 Временная диаграмма работы регистра

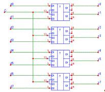
Принципиальная схема и временная диаграмма блока работы памяти с перифирийными устройствами

Рис.20 Схема блока работы памяти с периферийными устройствами

Рис.21 Временная диаграмма блока работы памяти с периферийными устройствами

. Обеспечение помехоустойчивости плат (разработка цепей питания)

Для подавления ВЧ и НЧ помех, поступающих в устройство по цепям питания на платах устанавливаются развязывающие конденсаторы по питанию.

). НЧ помехи блокируются электролитическими конденсаторами, типа К50-12, К50-38, К50-68 из расчета 0,1 мкФ.*N, где N - общее количество микросхем на плате.

С1нч = 0,1 * 17 = 1,7 . Из справочных таблиц выбираем конденсатор

С1нч: К50-12-25В-5мкФ±10% ОЖО.464.023ТУ

Устанавливается между шинами +5В и общий провод возле разъема.

). Для подавления ВЧ помех на каждую ИМС повышенной степени интеграции (8 триггеров D3.1…D4.2, D17.1…D18.2) устанавливается керамический конденсатор, типа К10-7, К10-17, К10-62, емкостью 0,1 мкФ.

С2 вч: К10-17-1а-Н50 - 0,1мкФ±10% ОЖО.460.107ТУ

Устанавливается между шинами +5 и общим проводом возле соответствующей ИМС.

). Если в устройстве есть ряды ИМС, состоящие только из ИМС типа «Логика», то на каждый такой ряд устанавливается один конденсатор для подавления ВЧ помех(К10-7,К10-17, К10-62) из расчета 0,002 мкФ*К, где К - количество микросхем в ряду.

С6, С7вч = 0,002*6 = 0,012 мкФ Из справочных таблиц выбираем

С3вч: К10-17-1а-М1500-0,015мкФ±10% ОЖО.464.007ТУ

). Если в одну ряду кроме ИМС типа «Логика» располагаются ИМС повышенной степени интеграции, то установка дополнительного конденсатора, блокирующего высокочастотные помехи на ИМС типа «Логика», не требуется.

Рис.22 Схема цепей питания

. Компоновка ИМС и определение габаритных размеров печатной платы

Все используемые в данной курсовой работе ИМС представлены в таблице 7.

Таблица 7

ИМС

Кол-во элем. на кристалле

Логическая функция

Корпус

Установочн. размер,мм

Количество корпусов

К155РУ6

1

ОЗУ

201.14-1

7,5 ´ 15

4

К155ЛН1

6

НЕ

201.14-1

7,5 ´ 15

1

К155ЛЛ1

4

ИЛИ

201.14-1

7,5 ´ 15

16

К155ЛИ1

4

И

201.14-1

7,5 ´ 15

17

 

К155ТМ7

1

D триг.

201.14-1

7,5 ´ 15

4






Итог:42


Рисунок 13. Расчет габаритных размеров печатной платы

lx = 7.5 мм tx = 20 мм n=6

ly = 15 мм ty = 30 мм m=3

Lx зоны установки = n*tx - (tx-lx) = 6*20 - 12.5 = 107.5 мм

Ly зоны установки = m*ty - (ty-ly) = 3*30 - 15= 75 мм

Lx рабочей зоны = Lx зоны установки + 2*(tx-lx) = 107,5+ 2*12.5 = 132,5 мм

Ly рабочей зоны = Ly зоны установки + 2*(ty-ly) = 75 + 2*15 = 105 мм

Lx = Lx рабочей зоны + S1 + S2 = 132.5 +5 +5 =142.5 мм = 145 мм

Ly = Ly рабочей зоны + S3 + S4 = 105 +5 +15 =125 мм

S1 = 5 мм (выбирается из интервала 2,5-5 мм)

S2 = 5 мм (выбирается из интервала 2,5-5 мм)

S4 = 15 мм (выбирается из интервала 10-20 мм)

Заключение

В данной работе был разработан блок для работы памяти с периферийными устройствами, а также необходимые условия для обеспечения заданных параметров работы. Для удобства схема была разбита на блоки: память и регистр. Устройство было отлажено в программе Micro-Cap V9 GUAP Edition. Рабочий режим устройства можно проследить по временным диаграммам. В ходе работы была разработана память, работающая по двум фронтам - переднему и заднему стробирующего сигнала, что благоприятно сказалось на быстродействии всей схемы. Были учтены все возможные задержки, а также случаи, которые могут привести к неправильной работе устройства и искажению данных. Для того чтобы устройство не выходило за пределы установленные нагрузочной способностью выбранной элементной базы на выходе двунаправленного регистра были поставлены трехстабильные элементы, позволяющие в случае надобности отключать регистр от устройства. С целью понизить уровень возможных помех были спроектированы схемы питания, которые отфильтровывают высокочастотные и низкочастотные воздействия. В конце работы был предложен вариант компоновки ИМС на печатной плате, для последующей физической реализации устройства.

Список используемой литературы

1. Пухальский Г.И. Проектирование микропроцессорных устройств: Учебное пособие для вузов - СПб.: Политехника, 2001.

. Разевиг В.Д. Система схемотехнического моделирования MicroCap V-СПб: Солон, 1997.

. Шило В.Л. Популярные цифровые микросхемы: Справочник - М.: Радио и связь, 1987.

. О.И.Курсанов, С.Г.Марковский, Л.А.Осипов, А.И.Попов, Т.В.Семененко «Проектирование цифровых устройств ЭВМ в программном пакете MICROCAP-9» (3 части; изд. «Санкт-Петербург» 2008 г.);

. О.И.Курсанов, Л.А.Осипов, А.И.Попов, Т.В.Семененко «Синтез и компьютерный анализ элементов и узлов ЦВМ на базе программного пакета MICROCAP-9» (изд. «Санкт-Петербург» 2009 г.);

Похожие работы на - Блок для работы памяти с периферийными устройствами

 

Не нашли материал для своей работы?
Поможем написать уникальную работу
Без плагиата!
Без нейросетей!