Технологический процесс изготовления статора трехфазного асинхронного двигателя
Содержание
Введение
. Назначение и описание конструкции изделия, подлежащего
изготовлению на проектируемом участке
. Вывод и обоснование типа производства
. Анализ технологичности изделия и предложения по его улучшению
. Разработка технологического процесса статора асинхронного
двигателя серии АОЛП22-12
. Планировка и организация работы на участке по производству
статора асинхронного двигателя серии АОЛП22-12
. Приспособления и нестандартное оборудование
. Технико-экономические расчёты
. Контроль и испытания статора асинхронного двигателя серии
АОЛП22-12
Заключение
Список литературы
Введение
Асинхронные машины являются самыми
распространенными электрическими машинами в народном хозяйстве. В основном они
используются как двигатели, реже - как генераторы. Более 80% всех
электродвигателей, выпускаемых промышленностью, являются именно асинхронными.
Столь широкое распространение данных двигателей объясняется их хорошими
эксплуатационными свойствами, простотой устройства и обслуживания, надежностью
в работе и невысокой стоимостью.
Значительная часть асинхронных
двигателей применяется для привода механизмов с неизменной частотой вращения.
Так, например, более 80% всех асинхронных двигателей общепромышленного значения
используют для привода вентиляторов, насосов, транспортеров и обрабатывающих
станков - устройств, не требующих регулирования частоты вращения приводного
двигателя.
Электрические машины,
предназначенные для массового применения, выпускаются едиными сериями. Для
электрических машин единых серий характерны высокий уровень унификации деталей
и узлов и их максимальная взаимозаменяемость.
В системах автоматики применяются
два вида асинхронных двигателей малой мощности: силовые и управляемые.
Среди силовых асинхронных двигателей
лучшие характеристики имеют трехфазные, поскольку они обладают наибольшей
симметрией магнитного поля, которое во всех режимах работы остается практически
круговым. Конденсаторные асинхронные двигатели уступают трехфазным того же
габарита по значениям полезной мощности, вращающего и пускового моментов
примерно на ⅓.
Трехфазные асинхронные двигатели на
частоту питающего напряжения 50 Гц имеют КПД от 15 до 85% (большие значения КПД
соответствуют большим значениям полезной мощности Р2) при кратностях пускового
момента от 1,7 до 4,5. Трехфазные асинхронные двигатели имеют хорошие
массообъемные показатели (отношение массы и объема асинхронного двигателя к его
полезной мощности). По этим показателям они уступают только коллекторным
двигателям постоянного тока.
Конденсаторные асинхронные двигатели
имеют кратности пускового момента от 0,1 до 0,5 и максимального от 1,4 до 2.
Массообъемные показатели их на 40 - 60 % хуже, чем трехфазных АД (с учетом
массы и объема конденсатора). Асинхронные двигатели с рабочим и пусковым
конденсаторами применяются редко, хотя у них и удается получить высокие
кратности пускового момента (до 5 - 6). При выборе силовых асинхронных
двигателей предпочтение должно быть отдано трехфазным при наличии
соответствующего источника питания.
В данном курсовом проекте
рассматривается технологический процесс изготовления статора трёхфазного
асинхронного двигателя мощностью 3 кВт. Для разработки технологического
процесса изготовления статоров серии АОЛП22-12 был взят типовой с внесёнными в
него изменениями в соответствии с крупносерийным производством.
1. Назначение и описание конструкции
изделия, подлежащего изготовлению на проектируемом участке
По своей конструкции двигатель серии
АОЛП состоит из двух основных частей, разделенных воздушным зазором: статора и
ротора. Рассмотрим основные части асинхронного двигателя [рисунок 1.1].
Рисунок 1.1 - Основные части
асинхронного двигателя
Неподвижная часть двигателя -
статор, который состоит из корпуса и сердечника с трёхфазной обмоткой. Корпус
(7) двигателя отливают из алюминиевого сплава или чугуна, либо делают сварным.
Этот двигатель имеет закрытое обдуваемое исполнение. Поэтому поверхность
корпуса имеет ряд продольных рёбер (13), увеличивающих поверхность охлаждения
двигателя.
В корпусе расположен сердечник
статора (6). С целью ослабления вихревых токов сердечник делают шихтованным из
тонколистовой электротехнической стали обычно толщиной 0,5 мм. Пластины
сердечника статора покрыты слоем изоляционного лака, собраны в пакет и
скреплены специальными скобами или продольными швами по наружной поверхности
пакета. Такая конструкция сердечника способствует значительному уменьшению
вихревых токов, возникающих в процессе перемагничивания сердечника вращающимся
магнитным полем.
На внутренней поверхности сердечника
статора имеются продольные пазы, в которых располагаются пазовые части обмотки
статора, соединенные в определённом порядке лобовыми частями (8), находящимися
за пределами сердечника по его торцевым сторонам.
В расточке статора располагается
вращающаяся часть двигателя - ротор (5), состоящий из вала (2) и сердечника с
короткозамкнутой обмоткой. Такая обмотка, называемая "беличье
колесо", представляет собой ряд медных стержней, расположенных в пазах
сердечника ротора, замкнутых с двух сторон короткозамыкающими кольцами.
Сердечник ротора также имеет шихтованную конструкцию, но листы ротора не
покрыты изоляционным лаком, а имеет на своей поверхности тонкую пленку оксида.
Это является достаточной изоляцией, ограничивающей вихревые токи, так как
величина их не велика из-за малой частоты
перемагничивания сердечника ротора.
Короткозамкнутая обмотка ротора в большинстве двигателей выполняется заливкой
сердечника ротора расплавленным алюминиевым сплавом. При этом одновременно со
стержнями обмотки отливаются короткозамыкающие кольца и вентиляционные лопатки.
Вал ротора вращается в подшипниках
качения (1 и 11), расположенных в подшипниковых щитах (3). Они получили
наибольшее распространение, по сравнению с подшипниками скольжения, так как
имеют меньший износ, просты в эксплуатации, имеют малые потери на трение, малые
размеры и небольшой расход смазочных материалов.
Охлаждение двигателя осуществляется
методом обдува наружной поверхности корпуса. Поток воздуха создается
центробежным вентилятором (10), прикрытым кожухом (12). На торцевой поверхности
этого кожуха имеются отверстия для забора воздуха. Этот двигатель помимо
закрытого исполнения делают еще и защищенного исполнения с внутренней
самовентиляцией. В подшипниковых щитах этого двигателя имеются отверстия
(жалюзи), через которые воздух посредством вентилятора прогоняется через
внутреннюю полость двигателя. При этом воздух "омывает" нагретые
части (обмотки, сердечники) двигателя. В этом случае охлаждение более
эффективно, чем при наружном обдуве корпуса двигателя.
Концы обмоток фаз выводят на зажимы
коробки выводов (4). Обычно асинхронные двигатели предназначены для включения в
трёхфазную сеть на два разных напряжения, отличающихся на √3 раз. Выводы
обмоток фаз располагают на панели коробки выводов таким образом, чтобы
соединения обмоток фаз было удобно выполнять посредством перемычек, без
перекрещивания последних.
Монтаж двигателя в месте установки
осуществляется посредством лап (14) или фланца. В последнем случае на
подшипниковом щите (обычно со стороны выступающего вала) делают фланец с
отверстиями для крепления двигателя на рабочей машине.
Для предохранения обслуживающего
персонала от возможного поражения электрическим током двигатель снабжают
болтами заземления (15) (не менее двух).
Рисунок 2.1 - Основные части статора
асинхронного двигателя
Основная тема этого курсового
проекта статор асинхронного двигателя АОЛП22-12, так что расмотрим его
подробнее. Статор [рисунок 1.2] состоит из корпуса (1) и сердечника с
трёхфазной обмоткой (2). Корпус этого двигателя отливают из алюминиевого сплава
или чугуна, либо делают сварным. Рассматриваемый двигатель имеет закрытое
обдуваемое исполнение. Поэтому поверхность его корпуса имеет ряд продольных
рёбер, увеличивающих поверхность охлаждения двигателя. Внизу станины эти ребра
расположены более редко и укорочены по сравнению с другими, что позволяет
несколько уменьшить высоту оси вращения. В корпусе расположен сердечник
статора. С целью ослабления вихревых токов сердечник делают шихтованным из тонколистовой
электротехнической стали [рисунок 2.2], марки 2013 (электротехническая
холоднокатанная изотропная сернистая сталь 2013 (ГОСТ 21427.0-75), обладает
хорошими физическими и магнитными свойствами, массовая доля кремния в данной
марке стали составляет ≤ 0,4%.), обычно толщиной 0,5 мм и скрепленный
после прессовки скобами или продольными швами по наружной поверхности пакета.
Сердечник закреплен в станине стопорными винтами, предохраняющими его от
проворачивания при резких толчках нагрузки.
Рисунок 2.2 - Форма листов статора
Обычно эти листы до шихтовки
подвергают термической обработке для получения необходимых магнитных свойств и
оксидированию для получения на поверхности листов, в пазах и между зубцами
тонкой оксидной плёнки. После сборки такая конструкция сердечника способствует
значительному уменьшению вихревых токов, возникающих в процессе
перемагничивания сердечника вращающимся магнитным полем.
Обмотка статора (3) состоит из
мягких секций, намотанных круглым медным проводом. Секции укладываются в пазы
статора через шлицы. На внутренней поверхности сердечника статора располагаются
пазовые части обмотки статора, соединенные в определённом порядке лобовыми
частями, находящимися за пределами сердечника по его торцевым сторонам.
Общепромышленные асинхронные
электродвигатели серии АОЛП по умолчанию изготавливаются:
на напряжение 220/380В (шесть клемм
в коробке выводов).
климатического исполнения У3 или У2
Монтажное исполнение двигателей:
на лапах
фланцевые
Условия эксплуатации двигателей АОЛП
|
Частота
|
50 Гц
|
|
Ускорение
|
20 м/с²
|
|
Ударные нагрузки
|
80 м/с²
|
|
Температура окружающей среды
|
от -50 до +60 °С
|
|
Относительная влажность воздуха при температуре 35 °С
|
98 %
|
|
Гарантийная наработка
|
7000 ч
|
|
Режим работы
|
Продолжительный
|
Технические характеристики
электродвигателей АОЛП
|
Электродвигатель
|
АОЛП 11-10
|
АОЛП 12-10
|
АОЛП 21-12
|
АОЛП 22-12
|
|
Мощность, кВт
|
0,75
|
1,5
|
2,2
|
3
|
|
Частота вращения, об/мин
|
705
|
935
|
1420
|
2870
|
|
Ток при 220/380В, А
|
2,6
|
4,2
|
5,2
|
6,1
|
|
КПД, %
|
68
|
74
|
81
|
84,5
|
|
Коэффициент мощности
|
0,45
|
0,46
|
0,83
|
0,88
|
|
Iп/ Iн
|
3
|
4
|
6
|
7
|
|
Мп/Мн
|
1,5
|
2
|
2
|
2,3
|
|
Мmax/Мн
|
2
|
2,3
|
2,6
|
2,7
|
|
Момент инерции, кг·м²
|
0,007
|
0,0068
|
0,0056
|
0,0024
|
|
Масса, кг
|
13,1
|
14,3
|
19,7
|
20,6
|
В данном курсовом проекте
рассматривается изготовление статора электродвигателя АОЛП 22-12 с фланцевой
системой крепления.
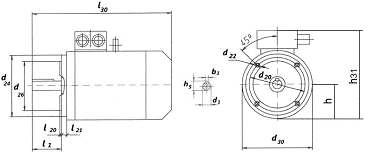
Габаритно-присоединительные размеры
двигателя АОЛП 22-12
|
Тип
|
l30
|
h31
|
d24
|
l1
|
l31
|
d1
|
d20
|
d22
|
d26
|
d30
|
n
|
h
|
l21
|
l20
|
h5
|
b1
|
|
АОЛП 22-12
|
350
|
217
|
250
|
50
|
56
|
24
|
215
|
14
|
180
|
180
|
4
|
90
|
12
|
4
|
27
|
8
|
. Вывод и обоснование типа
производства
Для определения типа производства
для статора электродвигателя АОЛП 22-12 необходимо выяснить значение
коэффициента закрепления операций, позволяющего определить окупаемость производственных
затрат, производительность труда и необходимые для этого меры (изменение
степени специализации рабочих мест, размеров партий выпускаемых изделий, затрат
на подготовительно-заключительные работы).
где N - число различных операций,
выполняемых в течение календарного времени- число рабочих мест, на которых
выполняются данные операции.
В соответствии с ГОСТ 3.1121-84 ЕСТД
коэффициент закрепления операций составляет:
для единичного производства - больше
40;
для мелкосерийного производства -
20-40;
для среднесерийного производства -
10-20;
для крупносерийного производства -
1-10;
для массового производства - не
больше 1.
Данное значение коэффициента
позволяет заявить, что данный двигатель годен для крупносерийного производства,
т.е. требуется высокая специализация рабочих, для окупаемости и восполнения
потребностей в спросе требуются большие размеры партий выпускаемых изделий, а
также сокращение затрат на подготовительно-заключительные работы.
3. Анализ технологичности изделия и
предложения по его улучшению
Надежность - важнейшее свойство
технологичности изделий, определяющее их способность нормально функционировать
в заданных условиях эксплуатации. Задачи анализа надежности в настоящее время
решаются, как на этапе создания новой техники, так и в процессе ее
эксплуатации. Они наиболее актуальны для сложных и ответственных технических
устройств, к которым относятся двигатели.
Комплексное понятие
"надежность" характеризует ряд специфических свойств объекта:
безотказность, долговечность, ремонтопригодность и сохраняемость. Наиболее
важным из них является безотказность, т. е. способность объекта непрерывно
выполнять заданные функции в течение установленного периода времени (наработки),
сохраняя значения выходных параметров в пределах, установленных нормативно -
технической документацией.
Анализ надежности служит основой для
обоснования мероприятий по совершенствованию технологических процессов ТО, Р,
испытаний и конструкции объектов.
Для анализа необходимо рассмотреть
возможные отказы оборудования. Статистические данные о надежности оборудования
по РФ свидетельствуют, что преждевременные отказы (до 4000ч) асинхронных
двигателей достигают 21,3 %.
Причины отказов:
неудовлетворительная эксплуатация
несовершенная защита или отсутствие
ее
несоответствие конструктивного
исполнения двигателей условиям эксплуатации
некачественное изготовление
(неравномерность воздушного зазора, низкое качество изоляции обмоточных
проводов и пропитывающих лаков, несовершенством технологических процессов).
Расчёт показателей технологичности
для статора двигателя АОЛП22-12:
удельная трудоёмкость
где Т- полная трудоёмкость-
номинальная мощность

нормо-ч/кВт
удельная полная
технологическая себестоимость


где С- полная
технологическая себестоимость

руб/кВт
коэффициент удельной
материалоёмкости

где 
-масса машины

m=11,6/3=3,866кг/кВт
коэффициент использования
материала
и = М/Мз
где Мз - масса
материала, затраченного на изготовление машины
kи
= 11,6/14,2=0,72
коэффициент
взаимозаменяемости
в= Eб.п/
E
где Eб.п -число
сборочных единиц в изделии по технологии изготовления
E -число
сборочных единиц в изделии в=15/15=1
относительная
трудоёмкость
То = Тп/Т
где Тп -трудоёмкость
отдельного процесса
То = 7000/45000=0,15
Таблица 4.1 - Показатели
технологичности двигателя АОЛП 22-12
|
Удельная материалоёмкость, кг/кВт
|
6,866
|
|
Коэффициент использования материала
|
0,72
|
|
Удельная трудоёмкость изготовления, нормо-ч/кВт
|
15000
|
|
Удельная технологическая себестоимость изготовления, руб/кВт
|
420
|
|
Относительная трудоёмкость
|
0,15
|
|
Относительная трудоёмкость по видам работ, %
|
|
Слесарные работы
|
17
|
|
Слесарно-сборочные работы
|
15
|
|
Слесарно-монтажные работы
|
14
|
|
Токарно-карусельные работы
|
11
|
|
Сушка/охлаждение
|
12
|
|
Пропитка
|
7
|
|
Работы, связанные с обмоткой
|
12
|
|
Контроль соответствия требованиям
|
12
|
Собственно, из возможных мер, для
повышения технологичности изделия может являться улучшение контроля над
соблюдением технологии изготовления и разработка новых типов электротехнической
стали с увеличенным значением индукции, что позволило бы снизить удельные
потери и заготовительную массу сердечника, а также применение новых
синтетических материалов для изоляции (это позволило бы сократить толщину
изоляции).
. Разработка технологического
процесса изготовления статора трёхфазного асинхронного двигателя АОЛП22-12
СБОРКА ПАКЕТА СЕРДЕЧНИКА СТАТОРА
Эта технология сборки статора
электрической машины, заключающийся в изготовлении сегментов сердечника с не
менее чем двумя отверстиями в спинке, в послойном размещении сегментов на
нажимных частях статора с помощью элементов фиксации, входящих в отверстия,
опрессовке сердечника, стяжке его и креплении на корпусе, отличающийся тем, что
укладывают первоначально, по меньшей мере, два слоя сегментов, элементы
фиксации выполняют составными по высоте сердечника и размещают их в отверстиях
сегментов по мере набора сердечника, после опрессовки сердечника, не снимая
давления, охватывают сердечник оболочкой с отверстиями, скрепляют указанную
оболочку с нажимными частями статора, после чего снимают давление, размещают в
отверстиях оболочки крепежные элементы и скрепляют их с оболочкой и
сердечником, например, сваркой.
Таблица 4.1 − Сборка пакета
сердечника статора
|
Номер операции
|
Наименование и содержание операции
|
Оборудование
|
Приспособление и инструмент
|
|
005
|
Слесарная 1 Ознакомиться с чертежом 2 Подобрать оснастку и
инструмент
|
верстак
|
профилометр цеховой КПР-4 ГОСТ 1901-25, щётка смётка ГОСТ
28638-90 молоток 7850-0132 Ц15 ГОСТ 2310-77, ключи гаечные ГОСТ 2839-71, ключ
динамометрический 40-200 Нм ГОСТ Р 51254-99, напильник по металлу ГОСТ
1465-80, Приспособление для склейки и обработки 8372 А1 110-00 поддон 1500×1500
ГОСТ 9067-88
|
|
010
|
Слесарно-сборочная 1 Произвести укладку листов в пакет 2 Уложить
листы в приспособление 3 С помощью шпилек и болтов начать спрессовывать пакет
4 Болты затягивать крест накрест с усилием 100 Нм
|
верстак
|
молоток 7850-0132 Ц15 ГОСТ 2310-77 приспособление для склейки
8372 А1 110-00, ключи гаечные ГОСТ 2839-71, ключ динамометрический 40-200 Нм
ГОСТ Р 51254-99, ключи гаечные ГОСТ 2839-71, ГОСТ Р 51254-99 кран
поворотный передвижной ГОСТ 19811-99,
|
|
015
|
Нагревание 1 Нагреть в печи пакет до 1800С не менее 6
часов
|
сушильная печь СДОС 16.25.16/2,5 ГОСТ 13.1.214.9 - 34
|
кран поворотный передвижной ГОСТ 19811-99
|
|
020
|
Слесарная 1 Проклеить листы
|
верстак
|
Приспособление для склейки 8372 А1 110-00, лак ЭП-524 ГОСТ
18188-72, малярная кисть ГОСТ 10597-87
|
|
025
|
Сушка 1 Просушить 8 часов при температуре 1400С. 2
Охладить пакет при комнатной температуре.
|
сушильная печь СДОС 16.25.16/2,5 ГОСТ 13.1.214.9 - 34 верстак
|
Приспособление для склейки 8372 А1 110-00, кран поворотный
передвижной ГОСТ 19811-99, поддон 1500×1500
ГОСТ 9078-84
|
|
030
|
Сборочно-монтажная 1 Разобрать приспособление 2 Удалить излишний
клей 3 Собрать проклеенный пакет в приспособление для обработки на станке
|
верстак
|
Приспособление для склейки 8372 А1 110-00, ключи гаечные ГОСТ
2839-71, ключ динамометрический 40-200 Нм ГОСТ Р 51254-99 напильник по
металлу ГОСТ 1465-80, наждачная бумага Л1Э620×50П215А25-НМА
ГОСТ 6456-82 приспособление для обработки 8372 А1, ключи гаечные ГОСТ
2839-71, ключ динамометрический 40-200 Нм ГОСТ Р 51254-99
|
035 Токарно-карусельная
1 Установить приспособление с пакетом в кулачки, выверить с точностью до 0,1 по
внутреннему диаметру 2 Обтачивать наружный диаметр станок токарный по
металлу SPC-900PA <#"606926.files/image015.gif">
Рисунок 4.1 - Плоский шаблон
статор трехфазный асинхронный
двигатель
Катушку статора изготавливают из
изолированного провода, намотанного рядами на шаблон.
При изготовлении такой катушки
выполняют следующие операции: намотку лодочки, скрепление витков лодочки,
прессовку лодочки, растяжку лодочки в катушку, нанесение пазовой изоляции (для
высоковольтных катушек), рихтовку катушки, крепление и изоляцию выводных концов
и лобовых частей.
Форма шаблонов выбрана такой, что
после намотки лодочки получаются сформированными места перегибов головок
катушки и подготовленными для дальнейших операций пазовые и лобовые части.
Таблица 4.2 − Изготовление
катушек статора
|
Номер операции
|
Наименование и содержание операции
|
Оборудование
|
Приспособление и инструмент
|
|
005
|
Слесарная 1 Ознакомиться с чертежом 2 Подобрать оснастку и
инструмент
|
верстак
|
щётка смётка ГОСТ 28638-90 шаблон для намотки 8134 А1 110 00,
фибровая пластина ГОСТ 11945-78, молоток 7850-0132 Ц15 ГОСТ 2310-77,
проволока ДКРХМ 0,2 М1Е ГОСТ 22666-77
|
010 Намотка 1
Намотать проволоку на лодочку станок для намотки катушек CHC-2.0-300
<#"606926.files/image016.gif">
где tn - время операции
норма часов, tn₁-₄₁ = 182,35− производственная
программа;вн − коэффициент выполнения норм времени, kвн =1;см−
коэффициент сменности, kсм=2;
Фст− полезный фонд
времени работы станка.
Арасч. n = (182,35×70900)
/ (1×2×3000) =57,74
Принемаем Арасч. n = 58
При проектировании
участка производственного процесса необходимо выбрать оптимальный вариант
компоновки оборудования для движения изготавливаемой детали по операциям.
При разработке
компоновки отделения и участки цеха необходимо располагать в определенной
технологической последовательности производственного процесса. В основу
компоновки цеха закладывают следующие принципы:
кратчайший путь
перемещения заготовок и деталей;
движение заготовок и
деталей в одном направлении без перекрестных и возвратных перемещений;
непосредственная
близость конечных пунктов линий изготовления деталей к рабочим
местам узловой или общей
сборки;
рациональное
использование всей площади цеха. Высоту здания следует использовать для
размещения транспортных устройств и складов заготовок, деталей и комплектующих
изделий;
максимальные удобства
для работы и отдыха производственного персонала при одновременном обеспечении
высокой производительности технологических процессов и техники безопасности;
возможность создания
общекорпусных вспомогательных баз
Объединение
(блокирование) цехов, связанных общим производственным процессом, и размещение
их в одном здании, обеспечивает более высокие технологические показатели и
уменьшает площадь заводской территории. В итоге, рассмотрев все основные
принципы, выбираем самый оптимальный вариант движения детали по операциям, а то
есть компоновку оборудования по ходу технологического процесса.
Таблица 5.1 -
Оборудование, используемое при изготовлении статора АОЛП22-12
|
Порядковый номер оборудования
|
Операция
|
Оборудование
|
Количество единиц оборудования
|
|
1
|
Слесарная
|
Станок для намотки катушек СНС-2.0-300
|
2
|
|
2
|
Слесарная
|
Верстак
|
2
|
|
3
|
Сборочно-монтажная
|
Верстак
|
2
|
|
4
|
Дуговая сварка
|
Сварочный полуавтомат TELWIN TELMIG 200/2
|
1
|
|
5
|
Токарно-карусельная
|
Станок токарный по металлу SPC-900PA
|
1
|
|
6
|
Сушка, нагревание
|
Сушильная печь СДОС 16.25.16/2,5
|
1
|
|
7
|
Охлаждение
|
Верстак
|
1
|
|
8
|
Пропитка
|
Автоклав TUTNAUER
|
1
|
|
9
|
Контроль
|
Двухместный верстак
|
1
|
|
10
|
Контроль
|
Испытательный стенд
|
2
|
|
11
|
Слесарная
|
Кран поворотный передвижной
|
1
|
Помимо используемого оборудования
также по участку расставляют: передвижные инструментальные ящики; стеллажи для
временного хранения сборочных единиц или готовой продукции; около каждого
рабочего места устанавливается вентиляция для циркуляции воздуха. Щитовая и
вентиляторная расставляется отдельно от рабочих мест. Для улучшения условий
труда на участке предусмотрено комната для отдыха, место для питьевого
аппарата. В соответствии с нормами, ширина проездов составляет 3000 мм. Осуществляется
подвод сжатого воздуха от общезаводской централизованной системы. В качестве
средств пожарной безопасности предусмотрен пожарный щит, ящик с песком.
В соответствии с мерами пожарной
безопасности среднегабаритное и крупногабаритное оборудование с использованием
вращающихся частей, большого электромагнитного излучения и использованием
высоких температур ограждаются заградительной сеткой или выносятся в отдельное
помещение. Помимо этого у каждого такого оборудования выставляться
предупреждающие знаки опасности.
Для возможности расширения цеха и
обеспечения большей комфортности ввиду лучшей освещенности и экономии
электричества, лучше располагать пристройку с торца производственного здания,
так как имеем там большое количество окон с выходом на улицу.
. Приспособления и нестандартное
оборудование
В данном курсовом проекте для
производства статора трёхфазного асинхронного двигателя приходится пользоваться
различными приспособлениями и оборудованием. Рассмотрим один из них более
подробно - кран поворотный передвижной [рисунок 3.1].

Кран поворотный передвижной
приспособлен для механизации подъемно-транспортных работ по подъему и
перемещению грузов в пределах зоны обслуживания. Угол поворота
консольно-поворотного крана может быть в диапазоне 0 - 360 градусов. Этот кран
нашел широкое применение и успешно используется для грузоподъемных работ в
цехах, на складах и строительных площадках при температуре окружающего воздуха
от −20 до +40°C. Скорость подъема груза и перемещения талей соответствуют
скоростям применённых талей.
Таблица 3.1 - Техническая
характеристика крана поворотного передвижного
|
Грузоподъемность, т
|
2
|
|
Высота подъма груза, м
|
3
|
|
Вылет, м
|
наибольший
|
3
|
|
наименьший
|
0,80
|
|
Скорость подъема груза, м/мин
|
2
|
|
Поворот крана
|
вручную
|
|
Привод изменения вылета стрелы
|
ручной
|
|
Общая масса крана, т
|
0,70
|
Рассматриваемый кран [рисунок 3.2]
состоит из тележки (1), благодаря которой он перемещается по цеху и из-за низкой
посадки может подъехать в любое труднодоступное место; поворотной консоли (2),
благодаря которой поворачивается вокруг оси, что делает кран очень практичным
на малом пространстве; стойки (3), которая придает надежность и жесткость всей
конструкции; механизма подъема груза (4), который позволяет плавный подъем и
опускание перевозимых грузов; основной стрелы (5), она берет на себя всю
основную нагрузку; дополнительной стрелы (6), придает конструкции удобства при
перемещении груза; крюковой подвески (7), за которую подвешивается перемещаемый
груз; переднего (8) и бокового (9) аутригера, с их помощью можно сделать
передвижение груза более удобным; колес (10) и ручной лебёдки (11).
Отличительной особенностью этого
крана является ручная подъёмная лебёдка, так как её наличие значительно
удешевляет стоимость данного оборудования, по сравнению с аналогичными кранами
с электролебёдкой.
Рисунок 3.2 - Кран поворотный
передвижной
. Технико-экономический расчёт
Таблица 7.1 - Основные экономические
показатели производства статоров двигателя АОЛП22-12
|
Показатели
|
Ручная/Авто сборка
|
Источник сведений
|
|
Годовой объём производства, шт
|
70900
|
Проектное задание
|
|
Количество типоразмеров изделий, шт
|
2
|
|
|
Тип производства
|
Крупносерийное
|
Пункт 2, расчёт
|
|
Площадь производственного участка, м²
|
400
|
Чертежи участка
|
|
Стоимость технологической оснастки, руб
|
7800
|
Базовые данные предприятия
|
|
Стоимость 1 управляющей программы подготовки, руб
|
6400
|
|
|
Средняя стоимость контрольного оборудования (амперметры,
вольтметры, мегаметры и т.д.), руб
|
500
|
|
|
Средняя стоимость крупного производственного оборудования (печи,
ванны, станки для намотки, сварочные аппараты и т.д.), руб
|
34000
|
|
|
Количество крупного производственного оборудования(печи, станки
для намотки,автоклавы, сварочные аппараты и т.д.), шт
|
15
|
Бухгалтерская смета
|
|
Количество контрольного оборудования (амперметры, вольтметры,
мегаметры и т.д.), шт
|
40
|
|
|
Трудоёмкость годовой программы, нормо-ч
|
45000
|
Финансовая сводка деятельности предприятия
|
|
Средний разряд основных производственных рабочих рабочих
|
3
|
|
|
Тарифная ставка для рабочих среднего разряда, руб/ч
|
140
|
|
|
Годовая норма амортизационных отчислений, %
|
4,6
|
|
|
Суммарная мощность оборудования, кВт
|
9,9
|
Базовые данные предприятия
|
|
Количество основных рабочих
|
28
|
Бухгалтерская смета
|
|
Количество вспомогательных рабочих
|
170
|
|
Расчёт производственных аспектов:
Капитальные затраты на оборудование
об=aЦ
где a-коэффициент затрат по
доставке
Ц-средняя стоимость крупного производственного оборудования
kоб=1,1×(34000×15+40×500)=583000руб
Капитальные затраты на сооружение
производственных помещений
зд=ЦплSуч
где Цпл-стоимость м² производственной площади
Sуч-средняя стоимость крупного производственного оборудования
kзд=360×200=720руб
Заработная плата основных
производственных рабочих
Зпр=Т ×сч×k1×k2×k3
где сч -часовая тарифная
ставка среднего разряда рабочего
Зпр=45000 ×140×1,516×1,4×1,15=20056680руб
Суммарные капитальные затраты
К= kоб+ kзд+ kосн
где kосн - затраты на
технологическую оснастку
К= 583000+ 720+ 7800=591520руб
Амортизационные отчисления
Аоб= aЦоб/100
где Цоб-стоимость
оборудования
Аоб=2311,5×(34500+500)/100=373,12руб
Годовые затраты на ремонт
оборудования
Зр=3Цобn/100
где n - количество оборудования
Зр=3×((34000×15+500×40))/100=15300руб
Затраты на погашение стоимости и
ремонт оборудования
Зосн=Цоснеосн
где еосн - коэффициент
погашения стоимости оснастки
Зосн=7800×0,6=4680руб
Затраты на электроэнергию,
израсходованную на технологические нужды
Зэ=сwустФдηзSkвр/(kсηд)
Зэ=40,5×9,9×1860×2×0,6×0,7/(0,96×0,845)=790985руб
Затраты на содержание
производственных площадей
Зпл=ЗмSуч
Зпл=12000×400=4800000руб
Суммарная технологическая себестоимость
С= Зпр+ Аоб+ Зр+ Зосн+ Зэ+ Зпл
С=20056680+373,12+15300+4680+790985+4800000=25192698,12руб
. Контроль и испытания статора
трёхфазного асинхронного двигателя
В данном курсовом проекте на каждом
этапе изготовления либо части машины, либо его непосредственной сборки, каждая
операция предъявляется на проверку ОТК, так как если в последующих стадиях
производства обнаружится брак, то придется начинать весь процесс с самого
начала и устранять допущенные ошибки, а это, как известно, невыгодно, поэтому все
этапы производства проходят жесткие этапы контроля, которые должны
удовлетворять требованиям, предъявляемым к ней стандартами или техническими
условиями.
Для определения соответствия
требованиям стандарта производится контроль и испытание собранной электрической
машины. Виды и программа испытаний электрических машин общего назначения
предусмотрены ГОСТ 183-74, а общие методы испытаний по этой программе указаны в
ГОСТ 11828-75.
Согласно ГОСТ испытания делятся на
приемочные, приемо-сдаточные, периодические и типовые. Программа при каждом
виде испытании определяется тем же.
Приемочные испытания должны
проводиться на опытном образце электрической машины. Результаты приемочных
испытаний являются основанием для принятия решения о начале производства машин.
Приемо-сдаточным испытаниям
подвергается каждая электрическая машина при ее изготовлении. Положительные
результаты испытания являются основанием для приемки машины и передачи ее
потребителю.
Периодические испытания следует
проводить по программе и в сроки, устанавливаемые в стандартах или технических
условиях на отдельные виды машин. Периодические испытания должны выполняться по
полной программе. Результаты периодических испытаний являются основанием для
дальнейшего выпуска данной серии машин.
Типовые испытания проводятся при
изменении конструкции, материалов или технологии, если эти изменения могут
повлиять на характеристики машин. В программу типовых испытаний включают
проверку параметров заданных программой приемочных испытаний, причем некоторые
параметры могут при этом изменяться.
Если при периодических или типовых
испытаниях хотя бы одна из электрических машин не будет соответствовать
требованиям стандарта, повторные испытания следует проводить на новых образцах
машин, результаты которые являются окончательными.
Рассмотрим более подробно
приемо-сдаточные испытания. Приемо-сдаточным испытаниям следует подвергать
каждую электрическую машину по следующей программе: измерение сопротивления
изоляции обмоток относительно корпуса и между обмотками; измерение сопротивления
обмоток при постоянном токе в практически холодном состоянии; испытание
изоляции обмоток относительно корпуса машины и между обмотками на электрическую
прочность; испытание междувитковой изоляции обмоток на электрическую прочность,
а также определяют ток и потери холостого тока; ток и потери короткого
замыкания.
Рассмотрим установленные ГОСТ
11828-75 методы испытания:
Измерение сопротивления изоляции
обмоток относительно корпуса и между обмотками измерение сопротивления изоляции
обмоток производят в практически холодном состоянии машины, в нагретом
состоянии (при температуре обмоток, близкой к температуре режима работы) и до и
после испытания изоляции обмоток на электрическую прочность. Для измерения
сопротивления изоляции используют мегомметры [рисунок 4.1] на 500 В для
электрических машин с номинальным напряжением до 500 В включительно и
мегомметры на 1000 В для электрических машин с номинальным напряжением свыше
500 В. Измерение сопротивления изоляции обмоток относительно корпуса машины и
между обмотками выполняют поочередно для каждой независимой электрической цепи
при соединении всех остальных цепей с корпусом машины.

Рисунок 4.1 - Мегомметры
Измерение сопротивления обмоток при
постоянном токе в практически холодном состоянии − обмотки рассчитывают в
практически холодном состоянии, если их температура отличается от температуры
окружающей среды не более чем на ±3°С. Измерение может производиться одним из
следующих способов: вольтметра и амперметра; одинарного или двойного моста;
омметра логометрической системы. При измерении сопротивлений меньших 1 Ом
применение одинарного моста не допускается. Во избежание нагрева обмоток
измерительный ток должен быть не более 15-20% номинального тока дайной обмотки,
а длительность его протекания − не более 1 мин. Приборы следует подбирать
так, чтобы класс точности был не ниже 0,5, а измеряемые значения находились в
пределах 2G-95 % шкалы. Отсчеты рекомендуется производить одновременно.
Испытание машин при повышенной
частоте вращения − испытание следует проводить либо в режиме генератора
путем повышения частоты вращения приводного двигателя, либо в режиме двигателя,
причем для бесколлекторных машин переменного тока - путем повышения частоты
питания. После испытания проводится тщательный осмотр вращающихся частей. Для
машин с коллекторами или контактными кольцами рекомендуется измерять биение
узлов до и после испытаний.
Испытание изоляции обмоток на
электрическую прочность относительно корпуса машины и между обмотками и на
электрическую прочность междувитковой изоляции − испытание проводят при
синусоидальном напряжении частотой 50 Гц. Испытательное напряжение
устанавливается ГОСТ 183-74 в зависимости от типа, мощности и номинального
напряжения машины. Для машин мощностью до 15 кВт включительно на номинальные
напряжения до 660 В при массовом выпуске на конвейере при приемо-сдаточных
испытаниях допускается заменять вышеуказанные испытания испытанием в течение 1
с при напряжении, повышенном на 20 % против принятого при испытании в течение 1
мин. Испытанию изоляции относительно корпуса и между обмотками подвергают
поочередно каждую электрически независимую цепь. Для этого не испытуемую
обмотку подают высокое напряжение, а все остальные обмотки соединяют с корпусом
машины. К корпусу на время испытаний присоединяют второй вывод источника
высокого напряжения. Таким образом, у испытуемой обмотки проверяется прочность
изоляции на корпус и между всеми остальными обмотками. Годной считается такая
изоляция обмотки, у которой за время испытания не произошло пробоя или
перекрытия разрядом. Изоляция обмотки между смежными ее витками должна
выдерживать в течение 3 мин испытание повышенным напряжением. Это испытание
проводят при холостом ходе электрической машины путем подводимого (при
испытании в режиме двигателя) и генерируемого (при испытании в режиме
генератора) напряжения на 30 % сверхноминального. Для гидрогенераторов изоляция
обмотки между смежными ее витками должна выдерживать повышенное напряжение на
50%, а турбогенераторов на 30% сверхноминального в течение 5 мин.
Для всех видов электрических машин
общего и специального назначения ГОСТ 8592-79 устанавливает предельные
отклонения установочных и присоединительных размеров, а также способы их
контроля. Предусмотрены три точности исполнения: нормальная, повышенная и
высокая. Предельные отклонения высоты оси вращения для машин с выступающим
концом вала и непараллельность оси вращения вала относительно опорной плоскости
электрической машины измеряют индикаторами. Для определения непараллельности
оси вращения выступающего конца вала измеряют индикатором расстояния от опорной
плоскости до образующей вала. Измерения производят в трех положениях.
Неплоскостность опорной поверхности
электрической машины характеризуется зазором между опорной поверхностью и
поверочной плитой и определяется по контуру лап. Зазор проверяют щупом [рисунок
4.2]. Он не должен проходить между лапой и плитой. Допускается свободное
прохождение щупа под каждой лапой в пределах 30 % ее опорной поверхности.


Рисунок 4.2 - Щупы
Смещение осей отверстий в лапах от
номинального расположения контролируется посредством комплексного калибра,
базирующегося на конце вала.
Допускается контролировать
предельные отклонения размеров универсальным инструментом. Для измерения биения
при вращении вала прикладывают наконечник индикатора к середине выступающего
конца вала и записывают максимальное и минимальное значения показаний
индикатора за один медленный оборот вала. В машинах, имеющих фланец, производят
определение радиального биения заточек крепительного фланца. Для этого
индикатор закрепляют посередине посадочной части вала или на расстоянии 10 мм
от опорного торца крепительного фланца. При невозможности закрепления
индикатора на валу его закрепляют в вертикальных стойках при вертикальной
установке машины с неподвижным зажимом вала.
Приемо-сдаточные испытания
электрических машин производятся на испытательных станциях ОТК, которые
выделяются в отдельные участки или встраиваются в общий технологический поток.
В условиях единичного и
мелкосерийного производства при большой номенклатуре выпускаемых машин
испытательная станция выделяется в отдельный участок. Она оснащается
необходимыми электроизмерительными приборами и аппаратурой. На ней
предусматриваются испытательные поля, для установки и крепления испытуемых
машин, приводные двигатели для привода испытуемых генераторов во вращение,
стенды нагрузки для испытания электродвигателей. Питание испытательной станции
электроэнергией нужной частоты и напряжения производится из машинного
отделения, которое стараются располагать рядом. При испытаниях крупных
электрических машин предусматривают рекуперацию электроэнергии в сеть.
При серийном и массовом
производстве, особенно когда сборка производится на конвейерах, испытательная
станция располагается также на конвейере, являясь продолжением конвейера. При
испытании на конвейере операции испытаний разбивают так, чтобы время их
проведения не нарушало такт конвейера.
Для контроля собранных
электродвигателей с высотой оси вращения 71−160 мм мощностью до 45 кВт
разработаны комплексно-механизированные испытательные станции карусельного
(СКП-1) и конвейерного (СКП-3, СКП-4) типов.
На этих станциях могут испытываться
электродвигатели основного исполнения и 17 модификаций. Производительность
оборудования 250-400 тысяч электродвигателей в год.
Для проведения приемо-сдаточных
испытаний модификаций и специальных исполнении электродвигателей (однофазных,
многоскоростных, с электромагнитным тормозом, выполненных на частоту 60 Гц)
разработаны универсальные механизированные испытательные стенды типа СИ.
Производительность одной рабочей позиции в зависимости от модификации
испытуемого электродвигателя 9-21 тысяча электродвигателей в год.
На комплексно-механизированных
испытательных станциях весь процесс испытаний автоматизирован. При обнаружении
брака на какой-либо позиции дальнейшие испытания дефектного двигателя
прекращаются, а информация о дефекте поступает на световое табло и
регистрирующие счетчики. Информация о дефектах и их видах в течение
определенного времени может накапливаться, что позволяет проводить анализы
качества машин. С развитием промышленности, автоматизированные испытательные
станции становятся ее частью.
Заключение
Разработка технологического процесса
изготовления машины не должна сводиться к формальному установлению
последовательности обработки поверхностей деталей, выбору оборудования и режимов.
Она требует творческого подхода для обеспечения согласованности всех этапов
построения машины и достижения требуемого качества с наименьшими затратами.
В данном курсовом проекте рассмотрен
принцип действия и конструкция трёхфазного асинхронного двигателя АОЛП 22-12, а
то есть процесс преобразования переменного тока с помощью трёхфазной системы во
вращающееся магнитное поле и из чего состоит сам двигатель.
Рассмотрена также конструктивная
особенность статора, а то есть магнитопровод, который должен быть выполнен из
спрессованных листов электротехнической стали марки 2013, которая обеспечивает
лучшие электромагнитные свойства и способствует снижению потерь. В процессе
изготовления этого магнитопровода необходимо соблюдение высокой точности при
вырубке листов штампом, так как любая неточность может сказаться на его
электромагнитных свойствах, также необходимо учитывать и правильность прессовки
этих листов.
Разработана последовательность
технологических операций, которая может быть использована на любом заводе или
предприятии по изготовлению статора, потому она содержит все основные положения
по его производству из типовой технологической последовательности. Отличается
он только тем, что используемые оборудование, приспособления и инструменты -
более современны, надежны в использовании и высокоточные (то есть уменьшают
возможность возникновения бракованных деталей); а что самое важное - они стоят
недорого, по сравнению с оборудованием, применяемым в типовой технологической
последовательности, следовательно уменьшают затраты на оборудование
производственного участка.
Также мною спроектирован план
производственного участка, в котором было рассчитано оптимальное количество
оборудования для выполнения каждой производственной операции и выбрана
оптимальная расстановка оборудования на участке - по ходу технологического
процесса, которая является самой прогрессивной и экономичной (позволяет быстрее
изготавливать статор, тратя меньше времени и средств на его производство) по
сравнению с расстановкой оборудования по группам, так как эта расстановка
больше подходит для производства оборудования или деталей более сложной
комплектации и конфигурации. Также стоит отметить что такая расстановка требует
меньшей площади участка или цеха, чтобы сократить излишние затраты на транспортировку
деталей или комплектующих к рабочим местам.
При производстве статора и любых
других частей электрических машин необходимо учитывать, то чтобы их
изготовление не загрязняло окружающую среду, было безопасным и не подвергало
опасности жизнь человека.
Список литературы
1. Мощинский Ю.А., Беспалов В.Я., Кирякин А.А. Определение
параметров схемы замещения асинхронной машины по каталожным данным // Ж.:
Электричество в №4/98. 1998, c. 38-42.
. -Мельников H.A. Реактивная мощность в электрических сетях.-М.;
Энергия, 1975. с. 128
. -Шевченко И.С., Морозов Д.И Электромеханические процессы
в асинхронном электроприводе: Учеб. Пособие / - Алчевск: ДонДТУ, 2009, - 349 с.
. -Бородина И.В., Вейнтер A.M., Серый И.М., Янко-Тринцкий
A.A. Автоматический регулируемый по скорости электропривод с
асинхрони-зированным синхронным двигателем. Электричество, 1975, № 7,с. 41-46.
. -Веников В.А. Переходные электромеханические процессы в
электрических системах. Учебн. для электроэнерг,специальн. вузов,3.е изд.,
перераб. и доп. М.: Высш.школа, 1978. - с. 415
. -Петров Г.Н. Электрические машины. Учебн. для
электроэнерг.вузов и факульт. в 3-х ч. Изд. 2-е перераб. ч.2. Асинхронные и
синхронные машины. M.JI.: Госэнергоиздат, 1963, с. 416
. -Вольдек А.И. Электрические машины. Учебник для студентов
высш.техн.учебн. заведений. 3-е изд. перераб. Л.: Энергия, 1978, с. 832