Розрахунок загасання по Чебишеву
Вступ
Електричні фільтри - складні частотно-вибіркові системи, які призначені для пропускання
спектральних складових коливань в заданій смузі частот і подавлення в інших
заданих смугах частот.
Електричні фільтри можна
класифікувати так:
. За взаємним
розташуванням смуг пропускання і затримки розрізняють ФНЧ (що пропускають НЧ
складові спектру коливань), ФВЧ (що пропускають ВЧ складові), смугові
(смугопропускаючі) СПФ або СФ, і смуга-затримуючі СЗФ (режекторні-РФ).
. За елементною
базою розрізняють фільтри: LC-фільтри, активні ARC-фільтри, цифрові фільтри,
п’єзоелектричні (зокрема кварцові), електромеханічні, фільтри НВЧ на елементах
з розподільними параметрами та інші.
. За топологією
розрізняють фільтри ланцюгової структури і мостові.
. За формою АЧХ
розрізняють фільтри: з максимально плоскою частотною характеристикою в смузі
пропускання і монотонним зростанням, ослаблення в смузі затримки - фільтри
Баттерворта; з ізоекстримальною характеристикою в смузі пропускання -
Чебишевською частотною характеристикою; ізоекстримальні в смузі пропускання і
смузі затримання та еліптичні фільтри Золотарьова-Кауера.
Розрахувати ARCФНЧ з
характеристикою загасання по Чебишеву, коли відомі:
гранична
частота смуги пропускання: fc=4 кГц;
гранична
частота смуги затримки: fк=8 кГц;
нерівномірність
загасання в смузі пропускання: Δа=0,1773 дБ;
загасання в
смузі затримки: а0≥12 дБ.
1.
Зображуємо графічні вимоги до ФНЧ
а, дБ
а0
Δа
f, кГц
2. Розраховуємо
нормовану граничну частоту смуги затримки
Ωк=
=
=2
3. Розрахуємо
порядок фільтру
задаємо n=3
4. Знаменник
нормованої передаточної функції
(λ)=C (λ - α1) (λ2-2α2λ+ν1)

=-0,84

=
0,42

=1,13
С=0,82
5. Записуємо
нормоване значення передаточної функції
К(λ)= 
= 
=К1(λ) К2(λ)

=α22+β22=(-0,42)2+1,132=1,45
К1(λ)=
К2(λ)=
6. Переходимо до
денормованої передаточної функції ФНЧ
Замінюємо λ=
?
с=2πfc=6,28·4·103=25,12·103,с-1

(р)=
(λ)
=
=
λ=
=
=
Будуємо схему ФНЧ
RC 1-го порядку з підсилювачем. Знаходимо
Порівнюємо 
(р) і
.
Треба чисельник 
збільшити в 3,24 рази,
тобто включити підсилювач з коефіцієнтом підсилення 3,24. Тоді 



Тоді С=4,7мкФ
чебишев затримка
загасання каскад

(р)=
(λ)
λ=

7. Зображуємо
схему ARC ФНЧ і знаходимо параметри схеми. Порівнюємо 
(р) з операторною
функцією для ARC ФНЧ
К(р)=
=

α1=9,15·108=
α2=21,1·103 =
Н=6,31·108
=
Задаємось: С1=0,01
мкФ;1=1 кОм.
Вирішуємо систему
рівнянь:
Прирівнюємо:
=
(Ом)
(Ом)
(мкФ)
8.
Записуємо вираз для комплексної функції по знайденій операторній функції К(р)

(р)= 

(j?)=
(р) = 
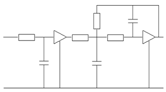
Зображуємо схему
з двох каскадів.
.
Знаходимо а(
)= 20lg
і будуємо графік а(
)
Графік АЧХ