Разработка эскизного проекта электроснабжения горного предприятия
СОДЕРЖАНИЕ
ВВЕДЕНИЕ
. ОПРЕДЕЛЕНИЕ РАСЧЕТНОЙ НАГРУЗКИ
. ОПРЕДЕЛЕНИЕ ВЕЛИЧИНЫ НАПРЯЖЕНИЯ ВНЕШНЕГО ЭЛЕКТРОСНАБЖЕНИЯ.
. ВЫБОР СИЛОВЫХ ТРАНСФОРМАТОРОВ.
. РАСЧЕТ ВОЗДУШНЫХ И КАБЕЛЬНЫХ ЛИНИЙ ЭЛЕКТРОПЕРЕДАЧИ.
.1 Выбор сечений жил кабеля и проводов ЛЭП по нагреву
.2 Расчет сети по потере напряжения.
.3 Расчет проводов на механическую прочность.
. РАСЧЕТ ТОКОВ КОРОТКОГО ЗАМЫКАНИЯ
. ВЫБОР ЭЛЕКТРИЧЕСКИХ АППАРАТОВ, ИЗОЛЯТОРОВ И ШИН.
.1 Выбор и проверка выключателей напряжением свыше 1 кВ.
.2 Выбор и проверка разъединителей.
.3 Выбор и проверка изоляторов и шин.
.4 Выбор и проверка трансформаторов тока.
.5 Выбор и проверка трансформаторов напряжения
. ВЫБОР И РАСЧЕТ РЕЛЕЙНОЙ ЗАЩИТЫ.
.1 Защита трансформаторов.
.2 Защита от перегрузки.
.3 Защита ЭД от многофазных КЗ.
.4 Защита ЭД от перегрузки.
. РАСЧЕТ ЗАЗЕМЛЯЮЩИХ УСТРОЙСТВ.
. МОЛНИЕЗАЩИТА ПОДСТАНЦИЙ И ВОЗДУШНЫХ ЛИНИЙ.
. КОМПЕНСАЦИЯ РЕАКТИВНОЙ ЭНЕРГИИ.
СПИСОК ЛИТЕРАТУРЫ.
ВВЕДЕНИЕ
Данный курсовой проект имеет своей целью развития, углубления и
закрепления знаний по дисциплине «Основы электроснабжения горных предприятий»,
получаемых студентами на лекциях и в ходе самостоятельных занятий. Также эта
работа приближает студента к реальным условиям проектирования электроснабжения,
позволяет получить необходимые в будущем профессиональные навыки.
Содержание дисциплины «Основы электроснабжения горных предприятий» служит
базой для профилирующих курсов квалификационной специализации по электрификации
горного производства (при открытом и подземном способах добычи полезного
ископаемого), городского подземного строительства, управлению энергохозяйством
предприятий.
Основными задачами курсового проектирования являются: закрепление и
развитие пройденного материала, полученного в ходе изучения дисциплины;
формирование профессиональных навыков решения инженерных задач, связанных с
будущей профессиональной деятельностью специалиста; развитие основ творческого
мышления и навыков находить обоснованные технико-экономические решения;
привитие практических навыков применения норм и правил проектирования; развитие
навыков применения современных методов расчета.
Учитывая специфику отраслевого характера, горный инженер по указанной
специальности должен обладать знаниями, навыками и умениями проектировщика,
электромонтажника и наладчика при новом строительстве и техническом
перевооружении действующего предприятия, а как специалист-эксплуатационник
обеспечивать развитие систем электроснабжения и их безаварийную работу.
Система электроснабжения, используя выработанную и получаемую
электроэнергию, эксплуатируя различное электротехническое оборудование,
обеспечивает любой технологический процесс достаточной и качественной
электроэнергией, способствуя росту производства.
Особое внимание в данной работе уделено расчетам, на которых базируется
выбор электрооборудования, защите электроустановок от перенапряжений,
повреждений и анормальных режимов работы и защиты персонала от поражения
электрическим током, а также технико-экономической оценке рассматриваемых
схемных и конструктивных решений.
В процессе эксплуатации сетей и электроустановок возникают повреждения и
анормальные режимы работы, приводящие к резкому увеличению тока и понижения
напряжения в элементах системы электроснабжения. Особенно опасны короткие
замыкания.
Для обеспечения надежного электроснабжения, предотвращения разрушения
оборудования электроустановок и сохранения установочной работы элементов
необходима возможность быстрого отключения поврежденного участка. Для этих
целей используют специальные автоматические устройства в виде релейной защиты,
отключающей выключатели.
Одним из основных видов анормальных режимов являются перегрузки. Защита
от перегрузок осуществляется с выдержкой по времени больше, чем у защиты от КЗ.
При проектировании релейной защиты и автоматики должны учитываться: схемы
первичных соединений сетей и подстанций, необходимый уровень надежности
электроснабжения электроприемников, их режимы работы, включая переходные
процессы, технические требования к защите электрооборудования.
Курсовой проект состоит из расчетно-пояснительной записки и графической
части, оформляемой в виде чертежа и схем.
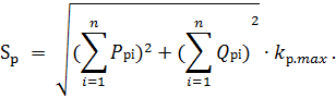
1. ОПРЕДЕЛЕНИЕ РАСЧЕТНОЙ НАГРУЗКИ
Расчетная нагрузка предприятия определяется суммированием расчетных
нагрузок отдельных групп электропотребителей с учетом коэффициента
разновременности максимумов нагрузки:
где

- сумма
расчетных активных нагрузок, кВт;
где

-
суммарная установленная мощность отдельных групп приемников, определяемая
нагрузкой на шинах ЦПП (ТП, ГРП) и мощностью всех электропотребителей
напряжением до 1кВ; 
-
коэффициент спроса; 
-
коэффициент разновременности максимумов нагрузки отдельных групп приемников, 
.
Величина
коэффициента спроса 
принимается
в зависимости от коэффициента использования активной мощности 
и
коэффициента включения приемников 
. Для 
(характерного
для горных предприятий) значения 
приводятся
в табл. 1.1.
Таблица
1.1
|
Кв = 0,8
|
Ки
|
0,4
|
0,5
|
0,6
|
0,7
|
0,8
|
0,9
|
|
Кс
|
0,5
|
0,6
|
0,65-0,7
|
0,75-0,8
|
0,85-0,9
|
0,92-0,95
|
Для группы приемников коэффициент использования активной мощности Ки
определяется по формуле:
где
n - число электропотребителей в группе приемников;

-
средняя мощность группы приемников за наиболее загруженную смену, кВт; 
-
номинальная мощность группы приемников, кВт.
Величине
коэффициента использования активной мощности Ки соответствует значение
коэффициента спроса 
, равное
0,59.

- сумма
расчетных реактивных нагрузок, квар;

где

- тангенс
угла сдвига фаз, соответствующий средневзвешенному коэффициенту мощности.

Из
полученных значений находим расчетную нагрузку предприятия Sp:

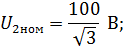
2. ОПРЕДЕЛЕНИЕ ВЕЛИЧИНЫ НАПРЯЖЕНИЯ ВНЕШНЕГО ЭЛЕКТРОСНАБЖЕНИЯ
Для воздушных линий, питающих горное предприятие, величина напряжения,
кВ, определяются по выражению:
где

- полная
передаваемая мощность предприятия, кВ∙А; 
- длина
ВЛ, км; 
- число
цепей воздушных линий.
Выбираем
одноцепную ВЛ и рассчитываем напряжение для обеих линий.
С
учетом развития предприятия выбираем ближайшее большее стандартное значение
напряжение внешнего электроснабжения равным 
.
3. ВЫБОР СИЛОВЫХ ТРАНСФОРМАТОРОВ
Для горных предприятий как потребителей первой категории главные
понизительные подстанции выполняются с двумя силовыми трансформаторами. Двух
трансформаторная подстанция экономична с точки зрения обеспечения
резервирования.
Производим выбор числа, мощности и типа силового трансформатора:
1. Устанавливаем два трансформатора, т.к. горное предприятие
является потребителем I
категории.
2. Исходя из общей расчетной нагрузки принимаем установленную
мощность трансформатора. Номинальная мощность каждого из них определяется по
условию
При этом надо иметь ввиду, что допустимая систематическая перегрузка не
должна превышать 30%.
Принимаем к установке два трансформатора по 10000 кВ∙А типа
ТДТН-10000-115/38,5/6,6 (Т - трехфазный; Д - принудительная циркуляция воздуха
и естественная циркуляция масла; Т - трехобмоточный; Н - регулирование
напряжения под нагрузкой).
|
Тип
|
Мощность, кВ∙А
|
Напряжение, кВ
|
Потери, кВт
|
Uкз, %
|
Ixx, %
|
|
|
ВН
|
СН
|
НН
|
ΔPxx
|
ΔPм
|
|
|
|
ТДТН
|
10000
|
115
|
38,5
|
6,6
|
17,0
|
76,0
|
10,5; 17,5; 6,5
|
1,0
|
Проверяем трансформатор на допустимую перегрузку с учетом возможного
отключения потребителей III
категории, т.е.:
Следовательно, выбранные трансформаторы (ТДТН, 2×10000)
обеспечивают
электроснабжения шахты, как в нормальном, так и в аварийном режиме.
Определяем годовые потери активной и реактивной мощности в силовых
трансформаторах ГПП:
где
∆Pxx и ∆Pм - активные потери холостого
хода и потери в меди при номинальной нагрузке, кВт, соответственно; 
-
коэффициент загрузки трансформатора; ∆Qxx - реактивные
потери холостого хода, величина которых равна току холостого хода
трансформатора; ∆Qм - реактивные потери меди, величина которых численно
равна напряжению КЗ трансформатора.
Потери
активной и реактивной энергии:

где Тп.а , Тп.р - соответственно число максимумов потерь активной и
реактивной мощности.
Тп.а = (0,124 + Тmax.a∙10-4)2 ∙8760, ч;
Тп.р = (0,124 + Тmax.p∙10-4)2 ∙8760, ч,
где Тmax.a ,Тmax.p - соответственно годовое число часов
использования максимумов активной и реактивной нагрузки.
Тmax.a = 305∙3∙6 = 5490 ч; Тmax.p = Тг
= 8760 ч.
Тп.а = (0,124 + 5490∙10-4)2 ∙8760 = 3968 ч;
Тп.р = (0,124 + 8760∙10-4)2 ∙8760 = 8760 ч.
∆Wa = 17∙8760 + 0,562∙76∙3968
= 209987,52 кВт∙ч;
∆Wрв = 100∙8760 + 0,562∙1050∙8760
= 2738595 квар∙ч;
∆WрС = 100∙8760 + 0,562∙1750∙8760
= 3980325 квар∙ч;
∆WрН = 100∙8760 + 0,562∙650∙8760
= 2029035 квар∙ч.
Выбор трансформаторов для питания предприятия без учета мощности ЦПП,
производится аналогично выбору силовых трансформаторов устанавливаемых на вводе
предприятия:
С учетом развития предприятия устанавливаем два трансформатора типа
ТМН-6300-35/6.3 (Т - трехфазный двух обмоточный трансформатор; М - охлаждение с
естественной циркуляцией воздуха и масла; Н - регулирование напряжения под
нагрузкой).
|
Тип
|
Мощность, кВА
|
Напряжение, кВ
|
Потери, кВт
|
Uкз, %
|
Ixx, %
|
|
|
ВН
|
НН
|
ΔPxx
|
ΔPм
|
|
|
|
ТМН
|
6300
|
35
|
6,3
|
8,0
|
46,5
|
7,5
|
0,8
|
Определяем коэффициент загрузки трансформатора:

Для
питания потребителей напряжением U = 0,4 кВ необходимо установить трансформаторы с
трансформацией напряжения 6/0,4 кВ.
где

(для 0,4
кВ).
Выбираем два трансформатора ТМ-4000-6/0,4.
|
Тип
|
Мощность, кВА
|
Напряжение, кВ
|
Потери, кВт
|
Uкз, %
|
Ixx, %
|
|
|
ВН
|
НН
|
ΔPxx
|
ΔPм
|
|
|
|
ТМ
|
4000
|
6
|
0,4
|
5,2
|
33,5
|
7,5
|
0,9
|
Определяем коэффициент загрузки трансформатора:

4. РАСЧЕТ ВОЗДУШНЫХ И КАБЕЛЬНЫХ ЛИНИЙ ЭЛЕКТРОПЕРЕДАЧИ
При расчете воздушных и кабельных линий определяют:
Sн -
минимально допустимое сечение по нагреву;
Sэ -
допустимое сечение по экономической плотности тока;
St.c - минимально допустимое сечение по
термической стойкости токам КЗ;
S∆U - минимально допустимое сечение по
потере напряжения;
Sмех -
допустимое сечение по механической прочности.
4.1 Выбор сечений жил кабеля и проводов ЛЭП по нагреву
Выбор сечений линий, питающих ГПП, осуществляется по расчетной мощности
трансформатора, определяемой на стороне ВН ГПП.
Для выбора сечений жил кабелей или проводов ВЛ по нагреву определяем
расчетный ток:
Определив
величину расчетного тока, выбираем стандартное сечение, соответствующее
ближайшему большему току, в зависимости от величины напряжения. Выбираем провод
марки АС-70 (
).
Потери активной и реактивной мощности в проводах определяются
соответственно:
где

и 
-
соответственно активное и индуктивное сопротивления линии.
где

и 
-
соответственно активное и индуктивное сопротивление линии, Ом/км. В зависимости
от среднегеометрического расстояния между проводами фаз 
(для 110
кВ) выбираем 
.
Сечение, выбранное по нагреву, проверяется по экономической плотности
тока, основным критерием оценки которой является минимум годовых приведенных
затрат (МГПЗ), определяемый стоимостью ежегодных потерь электроэнергии в сети;
ежегодными расходами на текущий ремонт и обслуживание сетей, а также
амортизационными отчислениями.
Экономическая плотность тока выбирается в зависимости от материала
провода и числа часов использования максимума нагрузки.
Принимаем экономическую плотность тока jэк по ПУЭ-7 для 5000 - 8760 часов использования максимальной
нагрузки и алюминиевого провода равной jэк =1,0 А/мм2.
Выбираем по таблице большее сечение 70 мм2 (провод марки АС-70).
Производим выбор кабеля для питания ЦПП:
Выбираем кабель ЦСКн 3х185-6.
4.2 Расчет сети по потере напряжения
Значения потерь напряжений должны быть не более допустимого:
-для ВЛ1:
Данная линия удовлетворяет условию потери напряжения
1,186 кВ < 5,5 кВ.
для ВЛ2:
Данная линия удовлетворяет условию потери напряжения
2,37 кВ < 5,5 кВ.
Таким образом, обе линии проходят по потере напряжения, следовательно,
провод АС-70 подходит для дальнейших расчетов.
4.3 Расчет проводов на механическую прочность
Расчет проводов на механическую прочность производится: а) при наибольшей
внешней нагрузке; б) при низшей температуре и отсутствии внешних нагрузок; в)
при среднегодовой температуре и отсутствии внешних нагрузок.
Последовательность расчёта на механическую прочность следующая.
) Определяются исходные данные для расчёта.
Все данные выбираем по ПУЭ - 6, 7:
регион: Белгородская область;
-
номинальное напряжение ВЛ:
;
марка
провода: АС - 70/11;
район
по толщине стенки гололёда: III;
район
по скоростному напору ветра: II;
длина
пролета (наибольшая допустимая): lпр =430 м; принимаем l = 180 м;
температуры:
t_= -7,7°С; t+ = 18,4°С; tэ = 10,6°С; tг= -5°С;
приведенная
нагрузка от собственного веса
(для
АС-70/11): g1 =
даН/(м·мм2);
скоростной
напор ветра (повторяемость 1 раз в 5 лет) q=35 (v=24
м/с);
толщина
стенки гололеда с = 10 мм;
допустимое
напряжение в материале провода при гололеде tг
напряжение
при наибольшей нагрузке σдоп=27,2 даН/мм2
допустимое
напряжение в материале провода при минимальной температуре t_:
допустимое
напряжение в материале провода при среднегодовой температуре tЭ:
модуль
упругости: Е=13,4 · 103 даН/мм2;
температурный
коэффициент линейного удлинения:
α =14,5 ·10-6 1/градус;
коэффициент
неравномерности скоростного напора: α = 0,91;
-
диаметр провода АС-70/11: d = 11,4 мм;
коэффициент
лобового сопротивления: Сх = 1,2 - для проводов и тросов
d<20 мм;
коэффициент
упругого удлинения: β
= 1/Е =1/(13,4· 103)= 74,6·
10-6
)
Определяются погонные и приведенные нагрузки для принятых сочетаний
климатических условий.
.
Погонная нагрузка от собственного веса:
Суммирование
осуществляется по всем проводам и тросам линии.
.
Погонная нагрузка на провод диаметром d при толщине стенки гололёда c
определяется:
где
с - толщина стенки гололёда, м; d - диаметр провода, м.
.
Результирующая погонная нагрузка:
.
Погонная ветровая нагрузка на провод без гололеда:
где
ά
- коэффициент неравномерности скоростного
напора;
- коэффициент лобового сопротивления; сх = 1,1 - для
проводов и тросов при d > 20 мм; сх = 1,2 - для проводов и тросов при d <
20 мм; q - скоростной напор, даН/м.
.
Погонная ветровая нагрузка на провод с гололёдом:
.
Погонная нагрузка от веса провода, при действии ветра на провод и отсутствии
гололёда:
.
Погонная нагрузка от веса провода, при действии ветра и наличии гололёда:
Приведенные
нагрузки:
)
Определяем длины критических пролетов.
При
определении критических пролетов напряжения в проводах и тросах ВЛ не должны
превышать допустимых значений для следующих режимов:
режим
наибольшей нагрузки, имеющий место при пятой или шестой комбинациях расчетных
климатических условий (его параметры -
);
режим
низшей температуры при отсутствии внешней нагрузки, характерный для третьей
комбинации климатических условий (
);
режим
среднегодовой температуры при отсутствии внешней нагрузки (четвертая комбинация
-
).
Для каждого из этих режимов определяется критический
пролет.
Первый
критический пролет - пролет такой длины, при котором напряжение провода при
среднегодовой температуре равно допускаемому значению
, а в режиме низшей температуры
:
где
- приведенная нагрузка от собственного веса проводов;
α - температурный коэффициент линейного удлинения провода; b = 1/Е;- модуль упругости; θэ - среднегодовая для данного региона температура;
θ_ - исходная низшая для данного региона температура; θг - температура образования гололеда (-5 °С);
г - приведенная нагрузка от гололеда
г =
7
) По таблице соотношений, определяющих исходные
условия, устанавливаем исходный режим.
Исходным для расчета ВЛ на механическую прочность
является режим, при котором напряжение в материале провода равно допускаемому,
а в остальных режимах напряжение меньше допускаемого. Исходный режим зависит от
соотношения между длинами трех критических пролетов и соотношения между
реальным и критическим пролетом.
Соотношение
критических пролётов: l1k - мнимый,
;
соотношение
реального пролёта с критическим lР > l3k;
Параметры
исходного режима:
.
5) Зная исходный режим, определяем напряжение в
материале
провода и допустимую стрелу провеса.
где
и
-
напряжения в низшей точке провода в начальном (до изменения климатических
условий) и искомом (после их изменения) состояниях, даН/м2, соответственно; l -
длина пролета, м;
и
-
соответствующие нагрузки на провод, даН/м2;
и
- соответствующая температура, °С.
Произведем подстановку:
Таким образом, получаем значение σ
= 26,84 даН/мм2, не
превышающее допустимое σдоп= 27,2 даН/мм2, σдоп ≥ σ
, 27,2 ≥ 26,84.
Условие прочности выполняется.
Определим стрелу провеса:
Отсюда
следует, что выбранный по каталогу провод АС - 70/11 для ВЛ удовлетворяет
требованиям механической прочности.
В
результате расчетов по выбору сечения провода на нагрев, проверку его на
экономическую плотность тока, потерю напряжения в линии, механическую прочность
получили, что предварительно выбранный провод АС - 70/11 проходит по всем
условиям, следовательно, окончательно принимаем провод АС - 70/11.
Рис.1. Стрела провеса и длина пролета.
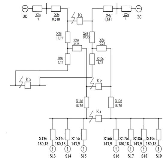
5. РАСЧЕТ ТОКОВ КОРОТКОГО ЗАМЫКАНИЯ
Горное предприятие получат питание от двух источников:
. Подстанция № 1 ЭС;
. Подстанция № 2 ЭС.
Энергосистема (ЭС), которая представляет собой комплекс связанных между
собой предприятий, производящих, преобразующих и передающих электрическую
энергию. ЭС, как правило, является источником неограниченной мощности.
Напряжение на шинах такого источника питания практически остается неизменным в
течение всего периода КЗ.
Уровень напряжения внешнего электроснабжения предприятия 110 кВ.
В связи с тем, что горное предприятие является потребителем первой
категории, для преобразования напряжения установлены 2 одинаковых силовых
трансформатора марки ТДТН-10000-115/38,5/6,6 с параметрами:
|
Тип
|
Мощность, кВА
|
Напряжение, кВ
|
Потери, кВт
|
Uкз, %
|
Ixx, %
|
|
|
ВН
|
СН
|
НН
|
ΔPxx
|
ΔPм
|
|
|
|
ТДТН
|
10000
|
115
|
38,5
|
6,6
|
17,0
|
76,0
|
1,0
|
На сторонах СН трансформаторов ТДТН-10000-115/38,5/6,6 установлены 2
трансформатора ТМН-4000-35/6.3 с техническими характеристиками:
|
Тип
|
Мощность, кВА
|
Напряжение, кВ
|
Потери, кВт
|
Uкз, %
|
Ixx, %
|
|
|
ВН
|
НН
|
ΔPxx
|
ΔPм
|
|
|
|
ТМН
|
4000
|
35
|
6,3
|
5,6
|
33,5
|
7,5
|
0,9
|
Основными потребители предприятия являются:
4 асинхронных двигателя типа АК-13-59-4У4 с параметрами:
|
Марка
|
Активная мощность, кВт
|
Номинальное напряжение, кВ
|
Сosφном
|
|
АК-13-59-4У4
|
1000
|
6
|
0,9
|
3 синхронных двигателя типа СДВ-15-64-10У3 с параметрами:
|
Марка
|
Активная мощность, кВт
|
Номинальное напряжение, кВ
|
Сosφном
|
|
СДВ-15-64-10У3
|
1250
|
6
|
0,9
|
потребители на 0,4 кВ мощностью Р0.4 = 3100 кВт;
ЦПП мощностью РЦПП = 9000 кВт.
Структурная схема электроснабжения предприятия представлена на рис. 2.
Рис 2. Структурная схема электроснабжения.
При расчете токов КЗ определяются следующие величины:
-
начальное значение периодической составляющей тока КЗ;
-
ударный ток КЗ, необходимый для проверки электрических аппаратов, изоляторов,
шин на динамическую стойкость;
-
наибольшее действующее значение полного тока КЗ для проверки электрических
аппаратов на динамическую стойкость в течение первого периода КЗ;
-
значение тока при
с для проверки выключателей по отключаемому ими току;
-
действующее значение установившегося тока КЗ для проверки электрических
аппаратов, шин, проходных изоляторов, кабелей на термическую стойкость;
-
мощность КЗ при
с для проверки выключателей по отключаемой мощности.
Произведем расчет токов КЗ.
. Выбираем базисные величины.
базисная мощность Sб = 1000 МBA;
базисное напряжение Uб1 = 115 кB, Uб2 = 38,5 кB, Uб3 = 6,6 кB, Uб4 = 6,3
кB (в качестве базисных напряжений следует выбирать напряжение холостого хода
силового трансформатора в точке короткого замыкания, данные уровни базисных
напряжений принимаются для каждой точки КЗ).
. Составляем первичную схему замещения (рис. 3) и определяем
относительные сопротивления её элементов.
сопротивление энергосистемы.
сопротивление воздушных линий.
где
х0 = 0,3 для воздушных одноцепных линий напряжением выше 1 кВ;
сопротивление
понизительных трансформаторов.
Для
трехобмоточного трансформатора значение реактивного сопротивления определяется
отдельно для каждой цепи:
;
;
.
.
;
.
;
.
.
Находим
сопротивление двухобмоточного понижающего трансформатора:
сопротивление
асинхронных двигателей.
где
сверхпереходное сопротивление двигателя,
МВ.А.
сопротивление
синхронных двигателей.
где
Рис.
3. Первичная схема замещения.
.
Расчёт тока КЗ в точке К1.
Преобразуем
схему замещения.
Рис.
4. Преобразованная схема замещения для точки К1.
Определяем
возможность объединения источников питания.
Источники
можно объединить, если результат
лежит в
пределах 0,4..2,5.
Источники
можно объединить, т.к. 0,558 попадает в пределы 0,4..2,5 .
Получаем
схему замещения:
Так
как
, пользуемся расчётными кривыми.
Определяем
базисный ток:
Периодическая
слагающая тока КЗ для всех моментов времени:
Токи
трёхфазного короткого замыкания.
Периодическая
составляющая:
Ударный
ток КЗ:
где
= 1,8 - ударный коэффициент.
Наибольшее
действующее значение тока КЗ за первый период:
Ток
отключения:
где
по кривым для
Установившийся
ток КЗ:
где
по кривым для
Мощность
КЗ:
.
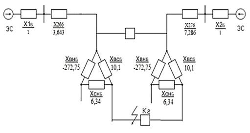
Расчёт тока КЗ в точке К2.
Для расчёта тока КЗ в точке К2 преобразуем схему (рис. 5).
Преобразуем схему замещения трехобмоточного трансформатора из звезды в
треугольник:
;
;
.
Сопротивление
воздушных линий:
Рис.
5. Схема замещения для точки К2.
Сопротивление
цепи со стороны п/с ЭС:
где
Рис.
6. Преобразованная схема замещения для точки К2.
Поскольку
сопротивление потребителей, питаемых от шин ГПП больше трёх, то можно
объединить эти источники, подпитывающие точку КЗ К2.
Суммарное
сопротивление цепи со стороны питания:
Базисный
ток:
Так
как
>3, то токи КЗ в точке К2:
Мощность
КЗ в точке К2:
.
Расчёт токов КЗ в точке К3.
Сопротивление
воздушных линий:
Сопротивление
цепи со стороны п/ст ЭС:
где
Рис.
7. Преобразованная схема замещения для точки К3.
Поскольку
сопротивление потребителей, питаемых от шин ГПП больше трёх, то можно
объединить эти источники, подпитывающие точку КЗ (К3).
Суммарное
сопротивление цепи со стороны питания:
Базисный
ток
Так
как
>3, то ток КЗ в точке К3:
Мощность
КЗ в точке КЗ:
.
Расчёт токов КЗ в точке К4.
Для расчёта тока КЗ в точке К4 преобразуем схему (рис. 8).
Сопротивление воздушных линий:
Сопротивление
двухобмоточных трансформаторов:
Сопротивление
цепи со стороны п/ст ЭС:
где
Поскольку
сопротивление потребителей, питаемых от шин ГПП больше трёх, то можно
объединить эти источники, подпитывающие точку КЗ (К4).
Их
общее сопротивление:

Рис. 8. Схема замещения для точки К4.
Поскольку
сопротивление ветвей
и
больше
трех, то возможно объединение источников питания.
Суммарное
сопротивление цепи со стороны питания:
Суммарное
сопротивление двигателей:
Проверим,
можно ли пренебречь источниками меньшей мощности.
Условия
проверки:
Двигателями
пренебрегать нельзя.
Так
как
и
больше 3,
то источники можно объединить. В этом случае:
Базисный
ток:
Так
как
>3, то ток КЗ в точке К4:
Мощность
КЗ в точке К4:
.
Итоговые значения расчетов токов КЗ.
|
Точки КЗ
|
It=0, кА
|
It=0.2, кА
|
It=∞, кА
|
iу, кА
|
Iу, кА
|
S0.2, МВА
|
|
К1
|
6,33
|
5,52
|
6,93
|
16,06
|
10,2
|
1098,2
|
|
К2
|
1,79
|
1,79
|
1,79
|
4,54
|
2,88
|
119,22
|
|
К3
|
0,943
|
0,943
|
0,943
|
2,39
|
1,52
|
10,76
|
|
К4
|
4,8
|
4,8
|
4,8
|
12,18
|
7,74
|
52,32
|
напряжение электроснабжение ток замыкание
6. ВЫБОР ЭЛЕКТРИЧЕСКИХ АППАРАТОВ, ИЗОЛЯТОРОВ И ШИН
Все электрические аппараты, изоляторы, шины выбираются
по номинальному напряжению, номинальному току и проверяются на электродинамическую
и термическую стойкость.
6.1 Выбор и проверка выключателей напряжением свыше 1 кВ
Выбор выключателей осуществляем исходя из условий:
|
Выбираемая и проверяемая
величина
|
Обозначение
|
Формулы для выбора и
проверки
|
|
Номинальное напряжение, кВ
|
Uном.а
|
Uном.а ≥ Uном.у
|
|
Номинальный ток, А
|
Iном.а
|
Iном.а ≥ Ip.max
|
|
Номинальный ток отключения,
кА
|
Iном.от
|
Iном.от ≥ Ip.от
|
|
Номинальная мощность
отключения, кВ-А
|
Sном.от
|
Sном.от ≥ S0.2
|
|
Допустимый ударный ток КЗ,
кА
|
iдин
|
iдин ≥ I(3)у.расч
|
|
Ток термической стойкости,
кА
|
Iтc
|
It ≥ I∞
|
Выбираем для установки на ОРУ-110 кВ выключатели
типа МКП-110Б-630-20У1.
Выбираем для установки на ОРУ-35 кВ выключатели типа С-35М-630-10.
На стороне 6,6 кВ (на стороне ЦПП) принимаем КРУ
типа КМ1Ф-6-20У3.
На стороне 6,3 кВ (на стороне потребителей поверхности) принимаем КРУ
типа КМ1Ф-6-20У3.
6.2 Выбор и проверка разъединителей
Выбор разъединителей осуществляем исходя из условий:
|
Выбираемая и проверяемая
величина
|
Обозначение
|
Формулы для выбора и
проверки
|
|
Номинальное напряжение, кВ
|
Uном.а
|
Uном.а ≥ Uном.у
|
|
Длительный номинальный ток,
А
|
Iном.а
|
Iном.а ≥ Ip.max
|
|
Допустимый ударный ток КЗ,
кА
|
iдин
|
iдин ≥ I(3)у.расч
|
|
Ток термической стойкости,
кА
|
Iтc
|
It ≥ I∞
|
Выбираем для установки на ОРУ-110 кВ разъединители типа РНД(3)-110/1000.
Выбираем для установки на ОРУ-35 кВ разъединители
типа РНД(3)-35/1000.
6.3 Выбор и проверка изоляторов и шин
Все изоляторы выбираются по номинальному напряжению, роду установки и
допустимой механической нагрузки. Проходные изоляторы дополнительно выбирают по
номинальному току, проверяются на электродинамическую и термическую стойкость.
Выбор шин и изоляторов на стороне потребителей поверхности.
Определим ударную нагрузку при трехфазном токе КЗ:
где

- длина
пролета между изоляторами, см; 
-
расстояние между шинами, см.
Выбираем опорный изолятор типа ОФ-6-375.
Выбираем проходной изолятор типа П-10/630-750.
Сечение шин выбирают по нагреву, длительным
максимальным токам нагрузки и проверяют на электродинамическую и термическую
стойкость к токам КЗ, а также на устойчивость к механическим усилиям,
возникающим в шинах от собственных колебаний.
Предварительно принимаем алюминиевые шины 100x8
однополосные.
Проверка на длительно допустимый ток:
где

-
поправочный коэффициент при расположении шин плашмя, принимается равным 0,95; 
-
поправочный коэффициент для многополосных шин, принимаем равным 1 для
однополосных шин; 
-
поправочный коэффициент для шин при температуре окружающей среды, отличной от
+25°С (для t = +20°С, 
); 
-
длительно допустимый ток для одной полосы при температуре шины 
,
температуре окружающей среды 
.
Проверка
на динамическую стойкость:
где

-
расчетное напряжение в шине; 
-
допустимое напряжение в шине.
Порядок
определения 
:
а)
определим ударную нагрузку при трехфазном токе КЗ:
б) определим изгибающий момент (при числе пролётов
больше двух):
в) определим момент сопротивления (при установке шин плашмя):
где b и h - соответственно толщина и ширина шины, см;
г) определяем расчетное сопротивление на изгиб:
Сравниваем
полученное значение с допустимым: 
(алюминий
АТ).
Определим
минимальное сечение шин по условию термической стойкости:
где

-
термический коэффициент (для алюминия 
).
Проверяем
шины на термическую стойкость по условию:
Выбор шин и изоляторов на стороне ЦПП.
Определим ударную нагрузку при трехфазном токе КЗ:
Выбираем опорный изолятор типа ОФ-6-375.

Выбираем проходной изолятор типа П-10/630-750.
Сечение шин выбирают по нагреву, длительным
максимальным токам нагрузки и проверяют на электродинамическую и термическую
стойкость к токам КЗ, а также на устойчивость к механическим усилиям,
возникающим в шинах от собственных колебаний.
Предварительно принимаем алюминиевые шины 40x5
однополосные.
Проверка на длительно допустимый ток:
Проверка на динамическую стойкость:
Порядок
определения 
:
а)
определим ударную нагрузку при трехфазном токе КЗ:
б) определим изгибающий момент (при числе пролётов
больше двух):
в) определим момент сопротивления (при установке шин плашмя):
г) определяем расчетное сопротивление на изгиб:
Сравниваем полученное значение с допустимым:
25,19 < 65 (алюминий АТ).
Определим минимальное сечение шин по условию термической стойкости:
Проверяем шины на термическую стойкость по условию:
6.4 Выбор и проверка трансформаторов тока
Трансформаторы тока выбирают:
1)
по номинальному напряжению 
)
по первичному номинальному току 
;
при
питании от мощных энергосистем для обеспечения устойчивости к динамическим
воздействиям тока КЗ принимают 
;
3) по роду установки;
) по классу точности: при этом учитываются тип и
назначение присоединяемых приборов;
5)
по вторичной нагрузке 
где

-
допустимая (номинальная) нагрузка вторичной обмотки ТТ;

-
расчетная нагрузка вторичной обмотки ТТ в нормальном режиме;
где

-
номинальный ток вторичной обмотки (по каталогу); 
- полное
допустимое сопротивление внешней цепи;
где

- сумма
сопротивлений последовательно включенных обмоток приборов и реле; 
-
допустимое сопротивление соединительных проводов; 
- сопротивление
контактов, 
.
Рассчитаем
допустимое сопротивление соединительных проводов. Максимальная длина
соединительных проводов 
;
минимальное рекомендуемое сечение для алюминиевого провода 
,
удельное сопротивление 
.
Для
ТТ, расположенных при понизительных силовых трансформаторах, во вторичной цепи
используются амперметр, ваттметр, варметр, счетчик активной энергии.
Сопротивления приборов: амперметра - 0,02 Ом; вольтметра - 0,08 Ом; ваттметра -
0,08 Ом; варметра - 0,32 Ом; счетчика ватт-часов - 0,48 Ом.
Определим полное допустимое сопротивление цепи понизительных силовых
трансформаторов:
Для напряжения 110 кВ.
Выбираем трансформатор тока ТФНД-110-100/5.
Для напряжения 35 кВ.
Выбираем трансформатор тока ТФЗМ35Б-I.
Для напряжения 6 кВ (на стороне ЦПП).
Выбираем трансформатор тока ТПОЛ-10. Для обеспечения номинальной мощности
во вторичной цепи нагрузку распределяем по двум обмоткам ТТ.
Для напряжения 6 кВ (на стороне потребителей поверхности).
Выбираем трансформатор тока ТПОЛ-10. Для обеспечения номинальной мощности
во вторичной цепи нагрузку распределяем по двум обмоткам ТТ.
Проверка выбранных трансформаторов осуществляется в следующей
последовательности.
. Определяется расчетный первичный ток.
где

-
максимальный ток, проходящий через ТТ при КЗ в таких точках защищаемой сети,
где увеличение погрешности ТТ сверх допустимой может вызвать срабатывание
защиты; 
-
коэффициент, учитывающий влияние переходных процессов на быстродействующие
защиты.
Для
токовой отсечки и максимально токовых защит с независимой выдержкой времени:
где

-
вторичный ток срабатывания защиты; 
-
коэффициент трансформации ТТ; 1,1 - коэффициент, учитывающий возможное
уменьшение вторичного тока на 10% из-за погрешностей ТТ; 
-
коэффициент схемы.
Коэффициент

принимается
для дифференциальных защит с БНТ (быстронасыщающийся трансформатор) 
.
Ток
срабатывания защиты определяется как:
где

-
коэффициент надёжности отстройки; 
-
номинальный ток силового трансформатора;
где

-
расчётный ток небаланса;
где

- ток
небаланса, определяемый погрешностями ТТ;
где

-
коэффициент однотипности работы, при токах отличных от номинальных 
, а при
токах, близких к номинальным 
; 
=0,1 -
погрешность ТТ;

-
расчетный ток небаланса, определяемый изменением коэффициента трансформации
защищаемого трансформатора:
. Определяется расчётная кратность первичного тока.
3.
По кривым 10%-ной кратности для данного типа ТТ и данного коэффициента
трансформации по расчётной кратности определяется допустимая нагрузка 
на
вторичную обмотку ТТ.
.
Сравниваются фактическая и допустимая нагрузки.
Для напряжения 110 кВ.
Трансформатор тока ТФНД-110 выбран правильно.
Для напряжения 35 кВ.
Трансформатор тока ТФЗМ35Б-I выбран правильно.
Для напряжения 6 кВ (на стороне ЦПП).
Трансформатор тока ТПОЛ-10 выбран правильно.
Для напряжения 6 кВ (на стороне потребителей поверхности).
Трансформатор тока ТПОЛ-10 выбран правильно.
6.5 Выбор и проверка трансформаторов напряжения
Трансформаторы напряжения выбирают:
. по номинальному напряжению;
. по классу точности: класс точности ТН
определяет питаемый от него прибор с высшим классом точности;
. по роду установки и конструкции;
. по схеме соединения обмоток.
Проверяют ТН по вторичной нагрузке подключенных
приборов:
где

-
номинальная мощность ТН в принятом классе точности;

-
расчетная вторичная нагрузка ТН.
где

- полная
суммарная мощность приборов, присоединенных к ТН. Мощность приборов: вольтметр
- 2 ВА, ваттметр - 2 ВА, варметр - 2 ВА, фазометр - 5 ВА, счетчик ватт-часов -
2,5 ВА.
В
случае незначительного расхождения 
приборов
можно принять
Для
установки на напряжение 110 кВ принимаем трансформатор типа НКФ-110-57 с
техническими характеристиками:
класс
точности 0,5.
Для установки на напряжение 35 кВ принимаем трансформатор типа ЗНОМ-35-65
с техническими характеристиками:
класс точности 0,5.
Принимаем трансформатор для установки на напряжение 6 кВ типа НТМИ-6-66У3
с техническими характеристиками:
класс точности 0,5.
7. ВЫБОР И РАСЧЕТ РЕЛЕЙНОЙ ЗАЩИТЫ
7.1 Защита трансформаторов
Действие токовой отсечки трансформатора определяется тем, что при КЗ со
стороны источника питания ток КЗ значительно больше, чем при КЗ со стороны
нагрузки:
где

-
максимальный ток КЗ за трансформатором;

- коэффициент
надежности отстройки (для реле типа РТ - 40 
).
Коэффициент
чувствительности отсечки:
Коэффициент
чувствительности должен быть 
.
Трансформатор не проходит по токовой отсечке, поэтому рассчитаем продольную
дифференциальную защиту силового трансформатора ТМН-4000-35/6,3.
Принимаем
в качестве исполнительного реле ДЗТ-11. В качестве устройства регулирования
напряжения РПН ±8x1,25% в нейтрали ВН.
Произведем
расчет.
.
Первичные токи со стороны ВН и НН защищаемого трансформатора:
.
Вторичные токи в плечах защиты:
.
Определяем первичный ток срабатывания реле защиты из условия отстройки от
броска тока намагничивания:
.
Расчётный ток срабатывания реле, приведенный к стороне ВН:
.
Число витков рабочей обмотки реле, включаемых в плечо защиты со стороны ВН:
Принимаем

.
.
Число витков рабочей обмотки реле, включаемых в плечо защиты со стороны НН:
Принимаем
число витков 
.
.
Число витков тормозной обмотки реле, включаемых в плечо защиты со стороны НН:
Из
ряда чисел 1, 3, 5, 7, 9, 11, 13, 18, 24 выбираем по условию 
число
витков тормозной обмотки 
.
.
Минимальное значение тока на стороне ВН при коротком замыкании на стороне НН:
на
среднем ответвлении РПН:
на
крайнем ответвлении РПН:
где

, 
-
коэффициенты трансформации силового трансформатора, определяемые в соответствии
с уровнем напряжения на отпайках РПН.
При
нулевой отпайке РПН трансформатора:
Так
как диапазон регулирования РПН ±8x1.25%, то напряжение на крайней отпайке
.
Минимальное значение тока в реле при коротком замыкании на стороне НН:
.
Минимальное значение коэффициента чувствительности защиты при коротком
замыкании на выводах НН:
Выбранные
уставки реле ДЗТ-11 отвечают требованиям ПУЭ по чувствительности защиты при
внешних коротких замыканиях.
7.2 Защита от перегрузки
Поскольку перегрузка трансформаторов обычно симметричная, то защиту
выполняют с помощью максимально токовой защиты, включенной на ток одной фазы -
со стороны основного питания.
Ток срабатывания защиты (ТДТН - 10000 - 115/38,5/6,6):
где

-
коэффициент надежности (1,05); 
-
коэффициент схемы; 
-
коэффициент возврата реле (0,8); 
-
номинальный ток обмотки трансформатора, где установлена защита; 
-
коэффициент трансформации трансформатора тока.
Ток
срабатывания защиты (ТМН - 4000 -35/6,3):
7.3 Защита ЭД от многофазных КЗ
Для защиты ЭД мощностью до 5000 кВт используется максимальная токовая
отсечка, выполняемая реле прямого действия, встроенным в привод выключателя.
Отсечка выполняется с независимыми токовыми реле.
Защита АД от многофазных КЗ.
Ток срабатывания отсечки:
где

- для
схем с двумя ТТ и токовыми реле прямого действия;

- для
реле типа РТ-40, работающего через промежуточное реле;

-
пусковой ток АД.
Защита
СД от многофазных КЗ.
Ток
срабатывания отсечки:
7.4 Защита ЭД от перегрузки
Предприятие, к которому осуществляется расчет электроснабжения, является
горным и в своем технологическом процессе может содержать перегрузки, поэтому,
рассчитаем ток срабатывания защиты.
Защита АД от перегрузки:
где

-
коэффициент надежности; 
-
коэффициент возврата реле.
Защита
СД от перегрузки:
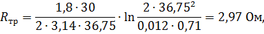
8. РАСЧЕТ ЗАЗЕМЛЯЮЩИХ УСТРОЙСТВ
. Сопротивление заземляющего устройства без компенсации ёмкость токов:
где

-
расчетное напряжение на заземляющем устройстве по отношению к земле, В.
Принимается равным 125 В, если заземляющее устройство используется для
установок напряжением до и выше 1 кВ. Для заземляющих устройств, к которым не
присоединены компенсирующие аппараты, расчетный ток можно принять 
.
.
Сопротивление центрального заземляющего контура рассчитывается из условия, что
сопротивление заземляющей сети 
.
.
Определим сопротивление растеканию одиночного заземлителя:
а)
трубчатого
где

-
удельное сопротивление грунта (принимаем 
для
чернозема); 
-
повышающий коэффициент для различных климатических зон, 
; 
- длина
трубы или стержня, см; 
-
диаметр длины или стержня, заглубленного в грунт, см; 
-
расстояние от поверхности земли до середины заземлителя, см.
Принимаем
длину вертикального заземлителя (трубы) равной 300 см, диаметр - 1,5 см.
где

-
расстояние от поверхности земли до заземлителя.
б)
сопротивление растеканию полосового заземлителя, уложенного на глубину 
:
где

- ширина
полосы, м; 
-
глубина заложения полосы:

- длина
полосы:
где

-
расстояние между электродами, 
- число
электродов.
.
Определяется необходимое число трубчатых заземлителей:
где

-
сопротивление растеканию одиночного заземлителя; 
-
сопротивление заземляющего контура; 
-
коэффициент экранирования.
.
Определяется общее сопротивление заземляющего контура
где

и 
-
коэффициенты использования вертикальных и горизонтальных заземлителей
соответственно (7 вертикальных электродов по контуру c отношением 
).
.
Определяем напряжение прикосновения при расчетном сопротивлении заземления:
При
времени действия защиты менее 0,2 с допустимое напряжение прикосновения:
9. МОЛНИЕЗАЩИТА ПОДСТАНЦИЙ И ВОЗДУШНЫХ ЛИНИЙ
Разрядники служат для ограничения атмосферных и внутренних
перенапряжений.
Вентильные разрядники предназначены для защиты от перенапряжений изоляции
трансформаторов и аппаратуры напряжением выше 1 кВ, подстанций и электрических
машин. Защитные характеристики разрядников должны соответствовать уровням
изоляции защищаемого оборудования. Трубчатые разрядники предназначаются для
защиты линейной изоляции и являются вспомогательными в схемах защиты
подстанций.
Выбираем вентильные разрядники.
Для ОРУ - 110 кВ выбираем разрядник РВС-110М.
|
Ном. напряж., кВ
|
Доп. напряж., кВ
|
Пробивное напр., кВ
|
Импульсное напряж., кВ
|
Остающ. напр., кВ при
импульсн. токе с ампл.
|
|
|
не менее
|
не более
|
|
3000
|
5000
|
10000
|
|
110
|
100
|
200
|
250
|
285
|
315
|
335
|
367
|
Для напряжения 35 кВ выбираем разрядник РВС-35.
|
Ном. напряж., кВ
|
Доп. напряж., кВ
|
Пробивное напр., кВ
|
Импульсное напряж., кВ
|
Остающ. напр., кВ при
импульсн. токе с ампл.
|
|
|
не менее
|
не более
|
|
3000
|
5000
|
10000
|
|
35
|
40,5
|
78
|
98
|
125
|
122
|
130
|
143
|
Для напряжения 6 кВ выбираем разрядник РВС-15.
|
Ном. напряж., кВ
|
Доп. напряж., кВ
|
Пробивное напр., кВ
|
Импульсное напряж., кВ
|
Остающ. напр., кВ при
импульсн. токе с ампл.
|
|
|
не менее
|
не более
|
|
3000
|
5000
|
10000
|
|
15
|
18
|
38
|
48
|
67
|
57
|
61
|
67
|
Выбор трубчатых разрядников производят по номинальному напряжению и по
пределам токов отключения:
где

и 
-
верхний и нижний пределы токов, отключаемых разрядников данного тока; 
-
действующее значение трехфазного тока КЗ, умноженное на коэффициент 
,
учитывающий апериодическую слагающую тока (
- для
понизительных подстанций; 
- для
генерирующих станций); 
-
действующее значение двухфазного тока КЗ без учета апериодической слагающей.
Для
напряжения 110 кВ:
Выбираем
разрядник типа РТВ-110-2,5/12,5У1.
|
Ном. напряж., кВ
|
Наибольшее доп. напр., кВ
|
Ток откл., кА
|
Размеры искрового
промежутка, мм
|
|
|
Нижний предел
|
Верхний предел
|
Внешн. S2
|
Внутр. S1
|
|
110
|
100
|
2,5
|
12,5
|
300
|
350
где
 -
диагональ четырехугольника, по углам которого устанавливаются молниеотводы;  - высота
молниеотвода;  - высота
защищаемого объекта.
Принимаем
для молниезащиты молниеотводы типа СМ-20 по углам открытого распредустройства
110 кВ. Высоту ОРУ принимаем 6,0 м, длину - 70 м, ширину - 50 м, тогда
диагональ будет равна
Принимаем
молниеотвод СМ-20 высотой 20 м, тогда
При
молниезащите ВЛ 110 кВ используем тросовые молниеотводы. В качестве
грозозащитного троса используем стальной канат марки ТК сечением 50 мм2. Зона
защиты одиночного тросового молниеотвода определяется по формуле:
Зона
защиты перекрывает расстояние между проводами 5 м.
Рис.
9. Схема расположения молниеотводов.
10. КОМПЕНСАЦИЯ РЕАКТИВНОЙ ЭНЕРГИИ
Мощность компенсирующего устройства определяется по
выражению:
где
 -
коэффициент, вводимый в расчет с целью учета компенсации реактивной мощности
синхронными двигателями;  -
активная нагрузка горного предприятия;  ,  -
тангенс угла  до
компенсации, соответствующий средневзвешенному коэффициенту мощности за год, и
после компенсации.
Выбираем
конденсаторы типа УКЛ56-6,3-450У3.
|
Тип
|
Номинальная мощность, квар
|
Номинальное напряжение, кВ
|
Количество ступеней
|
Габаритные размеры, мм
|
Масса, кг
|
|
|
|
|
Основание
|
высота
|
|
|
|
|
|
длина
|
ширина
|
|
|
|
УКЛ56-6,3-450У3
|
450
|
6,3
|
1
|
2210
|
820
|
1600
|
570
|
Определяем количество конденсаторов:
где
 -
мощность одного
СПИСОК
ЛИТЕРАТУРЫ
1. Плащанский
Л.А.. Основы электроснабжения горных предприятий. Пособие по курсовому и
дипломному проектированию. - М.: Издательство МГГУ, 2005.
. Плащанский
Л.А.. Основы электроснабжения горных предприятий. Учебник для вузов. - М.:
Издательство МГГУ, 2005.
. Неклепаев
Б.Н., Крючков И.П. Электрическая часть элекстростанций и подстанций: Справочные
материалы для курсового и дипломного проектирования. - 4-е изд., перераб. и
доп. - М.: Энергоатомиздат, 1989. - 608 с.: ил.
. Инструкция
по устройству молниезащиты. РД 34.21.122-87
. Правила
устройства электроустановок. ПУЭ./Москва. - 7-е издание. Энергоатомиздат, 2010.
- 746 с.: ил.
Похожие работы на - Разработка эскизного проекта электроснабжения горного предприятия
|