Разработка схемы теплового контроля водяного котла утилизатора КУВ-35/150
Аннотация
тепловой контроль
водяной котел
В данном курсовом проекте разработана
автоматизированная система теплотехнического контроля и сигнализации нагрева
воды в котле, реализованной с применением современных средств измерительной
техники.
В проект также включены расчеты статических
характеристик измерительных преобразователей, приборов, измерительных схем и
информационных каналов. В проекте разработаны вопросы метрологического
обеспечения средств и систем измерения, оценены их метрологические характеристики.
Курсовой проект включает в себя настоящую
расчетно-пояснительную записку и графическую часть.
Данная пояснительная записка содержит:
Страниц - 60
Рисунков - 15
Таблиц - 5
Использованной литературы - 15
Исходные данные
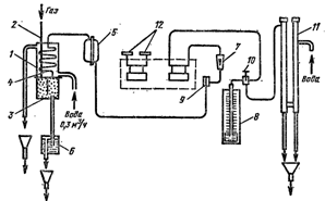
Для организации процесса регулирования питания
котла необходимо измерять температуру, давление и расход сетевой воды и
уходящих газов. Для этого по месту устанавливают датчики, от которых на щит
управления поступают сигналы с параметрами воды и газа. На схеме (рис.1)
показаны точки контроля.
Рис.
Таблица. Исходные данные
|
Параметры
|
Обозначение
|
Размерность
|
Значение
|
|
Температура
уходящих газов перед КУВ
|
 505
|
|
|
|
Давление
уходящих газов перед КУВ
|
 2
|
|
|
|
Температура
уходящих газов за КУВ
|
 109
|
|
|
|
Давление
уходящих газов за КУВ
|
 2,5
|
|
|
|
Температура
сетевой воды перед КУВ
|
 65
|
|
|
|
Давление
сетевой воды перед КУВ
|
 1,68
|
|
|
|
Температура
сетевой воды за КУВ
|
 128
|
|
|
|
Давление
сетевой воды за КУВ
|
 1,53
|
|
|
|
Расход
сетевой воды за КУВ
|
 475
|
|
|
|
Концентрация
O2 в
уходящих газах за КУВ
|
СО2
|
%
|
0,4
|
Описание теплотехнического объекта
Общая характеристика КУВ(Б) 35/150
Котёл (рис. 2) предназначен для утилизации тепла
продуктов сгорания после ГТУ типа LM-2500+DLE.
Утилизация осуществляется посредством передачи тепла уходящих газов сетевой
воде через стенки труб поверхности нагрева (конвективного пучка).
По ходу газов котёл выполнен в виде двух
последовательно расположенных горизонтального и вертикального
листометаллических газоходов. В нижней части вертикального газохода размещена
поверхность нагрева из труб с наружным поперечным оребрением. Снаружи газоходы
покрыты изоляцией, поверх её установлена декоративная металлическая обшивка.
Рис. 2. Схема КУВ - 35,0/150
Котёл имеет собственный каркас. На его опорные
балки установлены «горячие» балки, к ним подвешена поверхность нагрева и
обшивка газохода, расположенная ниже «горячих» балок.
Над вертикальным газоходом котла установлена
стальная дымовая труба наружным диаметром 2500 мм, отметка среза трубы- 60,000.
Труба опирается на каркас котла и имеет свой собственный, соединяющийся с
котельным.
С газовой турбиной котел утилизатор соединяется
через компенсатор. За компенсатором ГТУ устанавливаются горизонтальный
диффузор, байпасный газоход с клапаном и компенсатором перед котлом и
поворотный короб к поверхности нагрева. За поверхностью нагрева расположен
трехступенчатый шумоглушитель, опирающейся через промежуточные элементы на
«горячие» балки. За шумоглушителем размещены конфузор, компенсатор и отсечной
клапан с электроприводом и дренажем для защиты шумоглушителя и поверхности
нагрева от атмосферных осадков и поддержания котла-утилизатора в горячем
состоянии при остановах.
Котёл-утилизатор - газоплотный. Прочность
корпуса газоходов рассчитана на избыточное давление газов на срезе выходного
фланца ГТУ- 4600 Па, включая хлопок - 3000 Па. Для обеспечения необходимой
жёсткости газоходов и предотвращения их деформации при хлопке, по периметру
газоходов в районе диффузора и поворотного короба установлены балки жёсткости.
Для контроля за тепловыми расширениями корпуса
котла устанавливаются реперы в количестве 2-х штук на каждый компенсатор.
Циркулирующая сетевая вода нагревается в
поверхности нагрева КУВ. Для защиты от недопустимого повышения давления
используются предохранительные клапаны, установленные на выходном трубопроводе
поверхности нагрева. КУВ по сетевой воде оснащён запорной и регулирующей
арматурой, контрольно-измерительными приборами, дренажами, воздушниками,
устройствами для отбора проб воды. Конструкция котла-утилизатора обеспечивает
возможность проведения предпусковых и эксплуатационных водно-химических
промывок водяного тракта, а также консервации внутренних поверхностей котла при
остановах.
Для предотвращения обслуживающего персонала от
ожогов и уменьшения потерь тепла в окружающую среду котёл и трубы сетевой воды
покрыты изоляцией.
В газоходах котла-утилизатора предусмотрена
установка штуцеров, бобышек и других отборных устройств для КИПиА.
Элементы каркаса котла и дымовой трубы
соединяются между собой на монтаже с помощью высокопрочных болтовых соединений.
Для обслуживания котла-утилизатора, проведения
ремонтных и наладочных работ используются площадки, лестницы, лазы. Для
обслуживания и ремонта дымовой трубы используются её собственные площадки и
лестницы.
Величина выбросов окислов азота в системе
ГТУ-КУВ определяется их допустимой концентрацией за ГТУ, поэтому в самом котле
не предусмотрено мероприятий по снижению выбросов.
Основные технологические параметры
котла-утилизатора при его работе в основном расчетном режиме приведены в
таблице 2. Основным расчетным режимом является режим работы котла-утилизатора
на продуктах сгорания природного газа при температуре наружного воздуха +15 0С
и при номинальной нагрузке ГТУ. В режимах, отличающихся от основного расчетного
режима, тепловая мощность котла определяется теплогидравлическим расчетом.
Таблица 2. Основные технологические параметры
КУВ - 35-150
|
Наименование
параметра
|
Значение
|
|
Температура
наружного воздуха, °С
|
+15
|
|
Нагрузка
ГТУ, %
|
100
|
|
Тепловая
мощность котла, МВт (Гкал/час)
|
35,1
(30,2)
|
|
Температура
воды на выходе из КУВ, °С
|
128
|
|
Температура
воды на входе в КУВ, °С
|
65
|
|
Расход
воды через КУВ, т/ч
|
475
|
|
Давление
воды на входе в КУВ (абс.), бар
|
2,5
|
|
Гидравлическое
сопротивление КУВ
|
<1.0
|
|
Расход
газов, кг/с
|
80,8
|
|
Температура
газов на входе в КУВ
|
505,2
|
|
Температура
уходящих газов
|
109
|
|
Аэродин.
сопрот. котла-утилиз. в границах поставки с учетом самотяги не более, Па
|
2300
|
В состав системы управления КУВ входит:
· автоматизированное управление
защитами и блокировками;
· автоматизированное регулирование
расхода сетевой воды
· контроль за технологическими
параметрами.
Расчет недостающих данных
При проектировании системы теплового контроля
котла-утилизатора заданы расход воды Gв = 475 т/ч и газа Gг=80,8
кг/с через него.
Диаметры трубопроводов можно определить
из уравнения сплошности при рекомендованных скоростях движения среды. Величину
скорости потока рекомендуется выбирать в следующих пределах: для воды
, для газов
.
Диаметр газопровода
Примем, что 1 кг газов равен 1 м3
Таким образом, Gг=80,8 кг/с =
Qг= 80,8 м3/с
Диаметр газопровода при скорости
газа
:
Принимаем
Диаметр линии питательной воды
Расход питательной воды в
можно
определить через расход воды в кг:
, где
- плотность воды;
При давлении
и
вода имеет
плотность
Диаметр линии питательной воды при
скорости воды
:
Принимаем
Разработка технического задания на
СТК
В процессе работы водогрейного котла КУВ -
35/150 необходимо контролировать изменение следующих технологических
параметров:
· Температуры уходящих газов перед и
за КУВ;
· Давления уходящих газов перед и за
КУВ;
· Температуры сетевой воды перед и за
КУВ;
· Давления сетевой воды перед и за
КУВ;
· Расхода сетевой воды за КУВ;
· Концентрация O2
в уходящих газах за КУВ.
Таблица 3. Техническое задание на тепловой
контроль
|
№
|
Параметр
ТК
|
Номинальное
значение
|
Характеристика
среды
|
Место
установки вторичного прибора
|
Вид
контроля
|
Предел
погрешности ИК
|
|
1
|
2
|
3
|
4
|
5
|
6
|
7
|
|
1
|
Температура
уходящих газов перед КУВ
|
505
Уходящие
газына щитеI,0,8%
|
|
|
|
|
|
2
|
Давление
уходящих газов перед КУВ
|
2
Уходящие
газына щитеI0,5%
|
|
|
|
|
|
3
|
Температура
уходящих газов за КУВ
|
109
Уходящие
газына щитеI,А0,8%
|
|
|
|
|
|
4
|
Давление
уходящих газов за КУВ
|
2,5
Уходящие
газына щитеI,A0,5%
|
|
|
|
|
|
5
|
Температура
сетевой воды перед КУВ
|
65
Сетевая
водана щитеI0,8%
|
|
|
|
|
|
6
|
Давление
сетевой воды перед КУВ
|
1,68
Сетевая
водана щитеI0,5%
|
|
|
|
|
|
7
|
Температура
сетевой воды за КУВ
|
128
Сетевая
водана щитеI,A0,8%
|
|
|
|
|
|
8
|
Давление
сетевой воды за КУВ
|
1,53
Сетевая
водана щитеI,A0,5%
|
|
|
|
|
|
9
|
Расход
сетевой воды за КУВ
|
475
Сетевая
водана щитеI,A1%
|
|
|
|
|
|
10
|
Концентрация
O2 в
уходящих газах за КУВ
|
0,4
%
|
Уходящие
газы
|
на
щите
|
I,R
|
1%
|
Функциональная схема СТК.
Графическая часть
Рис.
Рис. 3. Функциональная схема теплового контроля
Описание СТК
Схема теплового контроля разрабатывается на
основе технического задания на тепловой контроль и сигнализацию и выполняет
функции измерения следующих параметров:
1. Температура уходящих газов измеряется
термоэлектрическим преобразователем, с которого подается сигнал на устройство
контроля температуры и модуль УСО.
2. Давление уходящих газов измеряется с
помощью датчика давления, сигнал с которого подается на показывающий прибор и
на модуль УСО.
. Температура уходящих газов измеряется
термоэлектрическим преобразователем, с которого подается сигнал на устройство
контроля температуры и модуль УСО.
. Давление уходящих газов измеряется с
помощью датчика давления, сигнал с которого подается на показывающий прибор и
на модуль УСО.
. Температура сетевой воды измеряется
термометром сопротивления, с которой подается сигнал на устройство контроля
температуры и модуль УСО.
. Давление сетевой воды измеряется с
помощью датчика давления, сигнал с которого подается на показывающий прибор и
на модуль УСО.
. Температура сетевой воды измеряется
термометром сопротивления, с которого подается сигнал на устройство контроля
температуры и модуль УСО.
. Давление сетевой воды измеряется с помощью
датчика давления, сигнал с которого подается на показывающий прибор и на модуль
УСО.
. Расход сетевой воды измеряется
комплектом из диафрагмы камерной ДКС, датчика разности давлений, сигнал с
которого подается на показывающий прибор и на модуль УСО.
10. Концентрация кислорода в уходящих газах
измеряется кислородомером.
Система световой и звуковой сигнализации
срабатывает в следующих ситуациях:
. Повышение температуры дымовых газов на
выходе из КУВ-1 ≥ 555 °С
. Повышение давления дымовых газов на
выходе из КУВ-1 ≥ 4,6 кПа
. Повышение температуры сетевой воды на
выходе из КУВ-1 ≥ 160°С
. Повышение давления сетевой воды на
выходе из КУВ-1 ≥ 1,7 МПа и понижение давления сетевой воды на выходе из
КУВ-1 ≤ 0,7 МПа
. Понижение расхода сетевой воды на
выходе из КУВ-1 ≤ 300 т/ч
. Разработка заказной спецификации на средства
измерения, вторичные приборы и ПТК.
Заказная спецификация представлена ниже в
таблице 4.
Таблица
|
№
п/п
|
Наименование
парам. и место отбора имп.
|
Пред.
значение параметра
|
Место
установки
|
Наименование
и характеристика
|
Тип
|
Кол.
|
Изготов.
|
Примечание
|
|
1
|
2
|
3
|
4
|
5
|
6
|
7
|
8
|
9
|
|
1а
|
Температура
уходящих газов перед КУВ
|
606
0С
|
По
месту
|
Термоэлектрич.
Преобразов. (Чувств. элемент - КТМС-кабель) НСХ: ХА (К). Диапазон измеряемых
температур: -40…+850 °C Класс допуска 1 (±1,5 0С)
Длина монтажной части: 1000мм Диаметр монтажной части: 10мм Материал чехла:
12Х18Н10Т Межповерочный интервал 4 года
|
ТП-2088/1
|
2
|
«Элемер»
|
[13,
с. 282]
|
|
1б
|
Температура
уходящих газов перед КУВ
|
606
0С
|
На
щите
|
Измеритель-регулятор
технологический Диапазон шкалы: -40…+850 °C Тип
входного сигнала: ХА (К) Пределы допускаемой основной приведенной
погрешности: ±0,5%
|
ИРТ-5930н
|
1
|
«Элемер»
|
[13, с. 453]
|
|
1в
|
Температура
уходящих газов перед КУВ
|
606
0С
|
ПТК
|
Многоцелевой
многоканальный контроллер Ремиконт Р-380 Центральный процессор одноплатный
промышленный компьютер Х86 Макс. число модулей УСО: 16 Настраив. время цикла:
10-100 мс Число каналов одного модуля УСО (аналогового ввода 4-20 мА, ХА (К),
50П): 16 Погрешность каналов: аналогового ввода-вывода для токовых сигналов
не более 0,1% аналогового ввода для термопар и термосопротивлений не более
0,15-0,25%
|
Ремиконт
Р-380
|
1
|
НИИ
«Теплоп.»
|
1
вход для термопар, 2 вход для токовых сигналов
|
|
2а
|
Давление
уходящих газов перед КУВ
|
2,4
кПа
|
По
месту
|
Преобразователь
давления измерительный Верхний предел измерений: 4 кПа Максимальное
(испытанное давление) -30/400 кПа Предел допускаемой основной приведенной
погрешности: ±0,2% Выходной сигнал: 4...20 мА
|
АИР
20/М2|ДИ|112
|
1
|
«Элемер»
|
[13, с. 162]
|
|
2б
|
Давление
уходящих газов перед КУВ
|
2,4
кПа
|
На
щите
|
Измеритель-регулятор
технологический Диапазон шкалы: 0…4 кПа Тип входного сигнала: 4...20 мА
Предел допускаемой основной приведенной погрешности: ±0,2%
|
ИРТ-5930н
|
1
|
«Элемер»
|
[13, с. 453]
|
|
2в
|
Давление
уходящих газов перед КУВ
|
2,4
кПа
|
ПТК
|
Многоцелевой
многоканальный контроллер Ремиконт Р-380 Центральный процессор одноплатный
промышленный компьютер Х86 Макс. число модулей УСО: 16 Настраив. время цикла:
10-100 мс Число каналов одного модуля УСО (аналог. ввода 4-20 мА, ХА (К),
50П): 16 Погрешность каналов: аналогового ввода-вывода для токовых сигналов
не более 0,1%
|
Ремиконт
Р-380
|
1
|
НИИ
«Теплоприбор»
|
3
аналоговый вход для токовых сигналов
|
|
3а
|
Температура
уходящих газов за КУВ
|
130
0С
|
По
месту
|
Термоэлектрический
преобразователь (Чувствит. элемент - КТМС-кабель) НСХ: ХА (К) Диапазон
измеряемых температур: -40…+850 °C Класс
допуска 1 (±1,5 0С) Длина монтажной части: 1000мм Диаметр
монтажной части: 10мм Материал чехла: 12Х18Н10Т Межповерочный интервал 4 года
|
ТП-2088/1
|
2
|
«Элемер»
|
[13,
с. 282]
|
|
3б
|
Температура
уходящих газов за КУВ
|
130
0С
|
На
щите
|
Измеритель-регулятор
технологический Диапазон шкалы: -40…+850 °C Тип
входного сигнала: ХА (К) Пределы допускаемой основной приведенной
погрешности: ±0,5%
|
ИРТ-5930н
|
1
|
«Элемер»
|
[13, с. 453]
|
|
3в
|
Температура
уходящих газов за КУВ
|
130
0С
|
ПТК
|
Многоцелевой
многоканальный контроллер Ремиконт Р-380 Центральный процессор одноплатный
промышленный компьютер Х86 Макс. число модулей УСО: 16 Настраив. время цикла:
10-100 мс Число каналов одного модуля УСО (аналог. ввода 4-20 мА, ХА (К),
50П): 16 Погрешность каналов: аналогового ввода-вывода для токовых сигналов
не более 0,1% аналогового ввода для термопар и термосопрот. не более
0,15-0,25%
|
Ремиконт
Р-380
|
1
|
НИИ
«Теплоприбор»
|
2
вход для термопар, 4 вход для токовых сигналов
|
|
4а
|
Давление
уходящих газов за КУВ
|
3
кПа
|
По
месту
|
Преобразов.
давления измерительный Верхний предел измерений: 4 кПа Макс. (испыт.
давление) -30/400 кПа Предел допускаемой основной приведенной погрешности:
±0,2% Выходной сигнал: 4...20 мА
|
АИР-20/М2|ДИ|112
|
1
|
«Элемер»
|
[13,
с. 162]
|
|
4б
|
Давление
уходящих газов за КУВ
|
3
кПа
|
На
щите
|
Измеритель-регулятор
технологический Диапазон шкалы: 0…4 кПа Тип входного сигнала: 4...20 мА
Предел допускаемой основной приведенной погрешности: ±0,2%
|
ИРТ-5930н
|
1
|
«Элемер»
|
[13, с. 453]
|
|
4в
|
Давление
уходящих газов за КУВ
|
3
кПа
|
ПТК
|
Многоцелевой
многоканальный контроллер Ремиконт Р-380 Центральный процессор одноплатный
промышленный компьютер Х86 Макс. число модулей УСО: 16 Настраив. время цикла:
10-100 мс Число каналов одного модуля УСО (анал. ввода 4-20 мА, ХА (К), 50П):
16 Погрешность каналов: аналогового ввода-вывода для токовых сигналов не
более 0,1%
|
Ремиконт
Р-380
|
1
|
НИИ
«Теплоприбор»
|
5
аналоговый вход для токовых сигналов
|
|
5а
|
Температура
сетевой воды перед КУВ
|
78
0С
|
По
месту
|
Термометр
сопрот. Плат. НСХ: 50П Диапазон измеряемых температур: -100…+250 °C Класс
допуска А (± 0,15%) Схема соединения: 3х-проводная Длина монтажной части:
200мм Диаметр монтажной части: 10 мм
|
ТС-1088/1
|
2
|
«Элемер»
|
[13,
с. 242]
|
|
5б
|
Температура
сетевой воды перед КУВ
|
78
0С
|
На
щите
|
Измеритель-регулятор
технологический Диапазон шкалы: -100…+250 °C Тип
входного сигнала: 50П Пределы допускаемой основной приведенной погрешности:
±0,2%
|
ИРТ-5930н
|
1
|
«Элемер»
|
[13, с. 453]
|
|
5в
|
Температура
сетевой воды перед КУВ
|
78 0С
|
ПТК
|
Многоцелевой
многоканальный контроллер Ремиконт Р-380 Центральный процессор одноплатный
промышленный компьютер Х86 Макс. число модулей УСО: 16 Настраив. время цикла:
10-100 мс Число каналов одного модуля УСО (анал. ввода 4-20 мА, ХА (К), 50П):
16 Погрешность каналов: аналогового ввода-вывода для токовых сигналов не
более 0,1% аналогового ввода для термопар и термосопрот. не более 0,15-0,25%
|
Ремиконт
Р-380
|
1
|
НИИ
«Теплоприбор»
|
1
вход для термосопротивлений, 6 вход для токовых сигналов
|
|
6а
|
Давление
сетевой воды перед КУВ
|
2,016
МПа
|
По
месту
|
Преобразов.
давления измерительный Верхний предел измерений: 2,5 МПа Максим. (испытанное
давление) 5 МПа Предел допускаемой основной приведенной погрешности: ±0,2%
Выходной сигнал: 4...20 мА
|
АИР-20/М2|ДИ|160
|
1
|
[13,
с. 162]
|
|
6б
|
Давление
сетевой воды перед КУВ
|
2,016
МПа
|
На
щите
|
Измеритель-регулятор
технологический Диапазон шкалы: 0…2,5 МПа Тип входного сигнала: 4...20 мА
Предел допускаемой основной приведенной погрешности: ±0,2%
|
ИРТ-5930н
|
1
|
«Элемер»
|
[13, с. 453]
|
|
6в
|
Давление
сетевой воды перед КУВ
|
2,016
МПа
|
ПТК
|
Многоцелевой
многоканальный контроллер Ремиконт Р-380 Центральный процессор одноплатный
промышленный компьютер Х86 Макс. число модулей УСО: 16 Настраив. время цикла:
10-100 мс Число каналов одного модуля УСО (анал. ввода 4-20 мА, ХА (К), 50П):
16 Погрешность каналов: аналогового ввода-вывода для токовых сигналов не
более 0,1%
|
Ремиконт
Р-380
|
1
|
НИИ
«Теплоприбор»
|
7
аналоговый вход для токовых сигналов
|
|
7а
|
Температура
сетевой воды за КУВ
|
153,6
0С
|
По
месту
|
Термометр
сопрот. Платин. НСХ: 50П Диапазон измеряемых температур: -100…+250 °C Класс
допуска А (± 0,15%) Схема соединения: 3х-проводная Длина монтажной части:
200мм Диаметр монтажной части: 10 мм
|
ТС-1088/1
|
2
|
«Элемер»
|
[13,
с. 242]
|
|
7б
|
Температура
сетевой воды за КУВ
|
153,6
0С
|
На
щите
|
Измеритель-регулятор
технологический Диапазон шкалы: -100…+250 °C Тип
входного сигнала: 50П Пределы допускаемой основной приведенной погрешности:
±0,2%
|
ИРТ-5930н
|
1
|
«Элемер»
|
[13, с. 453]
|
|
7в
|
Температура
сетевой воды за КУВ
|
153,6
0С
|
ПТК
|
Многоцелевой
многоканальный контроллер Ремиконт Р-380 Центральный процессор одноплатный
промышленный компьютер Х86 Макс. число модулей УСО: 16 Настраив. время цикла:
10-100 мс Число каналов одного модуля УСО (аналог. ввода 4-20 мА, ХА (К),
50П): 16 Погрешность каналов: аналогового ввода-вывода для токовых сигналов
не более 0,1% аналогового ввода для термопар и термосопрот. не более
0,15-0,25%
|
Ремиконт
Р-380
|
1
|
НИИ
«Теплоприбор»
|
1
вход для термосопротивлений, 8 вход для токовых сигналов
|
|
8а
|
Давление
сетевой воды за КУВ
|
1,836
МПа
|
По
месту
|
Преобраз.
давления измерительный Верхний предел измерений: 2,5 МПа Максимальное (испыт.
давление) 5 МПа Предел допускаемой основной приведенной погрешности: ±0,2%
Выходной сигнал: 4...20 мА
|
АИР-20/М2|ДИ|160
|
1
|
«Элемер»
|
[13,
с. 162]
|
|
8б
|
Давление
сетевой воды за КУВ
|
1,836
МПа
|
На
щите
|
Измеритель-регулятор
технологический Диапазон шкалы: 0…2,5 МПа Тип входного сигнала: 4...20 мА
Предел допускаемой основной приведенной погрешности: ±0,2%
|
ИРТ-5930н
|
1
|
«Элемер»
|
[13, с. 453]
|
|
8в
|
Давление
сетевой воды за КУВ
|
1,836
МПа
|
ПТК
|
Многоцелевой
многоканальный контроллер Ремиконт Р-380 Центральный процессор одноплатный
промышленный компьютер Х86 Макс. число модулей УСО: 16 Настраив. время цикла:
10-100 мс Число каналов одного модуля УСО (аналог. ввода 4-20 мА, ХА (К),
50П): 16 Погрешность каналов: аналогового ввода-вывода для токовых сигналов
не более 0,1%
|
Ремиконт
Р-380
|
1
|
НИИ
«Теплоприбор»
|
9
аналоговый вход для токовых сигналов
|
|
9а
|
Расход
сетевой воды за КУВ
|
570
т/ч
|
По
месту
|
Диафрагма
камерная стандартная Предельно давление: 10МПа Условный проход: 200мм
|
ДКС
10-200
|
1
|
«Элемер»
|
[14]
|
|
9б
|
Расход
сетевой воды за КУВ
|
570
т/ч
|
По
месту
|
Манометр
электронный Верхний предел измерений: 600 кПа Предел допускаемой основной
приведенной погрешности: ±0,25% Выходной сигнал: 4...20 мА
|
ЭКМ-2005
ДД
|
1
|
«Элемер»
|
[13, с. 30]
|
|
9в
|
Расход
сетевой воды за КУВ
|
570
т/ч
|
На
щите
|
Измеритель-регулятор
технологический Диапазон шкалы: 0…700 т/ч Тип входного сигнала: 4...20 мА
Предел допускаемой основной приведенной погрешности: ±0,2%
|
ИРТ-5930н
|
1
|
«Элемер»
|
[13, с. 453]
|
|
9г
|
Расход
сетевой воды за КУВ
|
570
т/ч
|
ПТК
|
Многоцелевой
многоканальный контроллер Ремиконт Р-380 Центральный процессор одноплатный
промышленный компьютер Х86 Макс. число модулей УСО: 16 Настраив. время цикла:
10-100 мс Число каналов одного модуля УСО (аналог. ввода 4-20 мА, ХА (К),
50П): 16 Погрешность каналов: аналогового ввода-вывода для токовых сигналов
не более 0,1%
|
Ремиконт
Р-380
|
1
|
НИИ
«Теплоприбор»
|
10
аналоговый вход для токовых сигналов
|
|
10а
|
Концентрация
O2 в
уходящих газах за КУВ
|
0,4
%
|
По
месту
|
Газоанализатор
измерения концентрации кислорода и окиси углерода в отходящих газах Диапазон
измерений: 0,3-21% Выходной сигнал: 4-20 мА Длина погружной части
пробозаборного зонда: 750мм
|
Оптима-3
|
1
|
«ЭРИС»
|
[15]
|
|
10б
|
Концентрация
O2 в уходящих
газах за КУВ
|
0,4
%
|
На
щите
|
Измеритель-регулятор
технологический Диапазон шкалы: 0…50 % Тип сигнала: 4...20 мА Предел
допускаемой основной приведенной погрешности: ±0,2%
|
ИРТ-5930н
|
1
|
«Элемер»
|
[13, с. 453]
|
|
10в
|
Концентрация
O2 в
уходящих газах за КУВ
|
0,4
%
|
ПТК
|
Многоцелевой
многоканальный контроллер Ремиконт Р-380 Центральный процессор одноплатный
промышленный компьютер Х86 Макс. число модулей УСО: 16 Настраив. время цикла:
10-100 мс Число каналов одного модуля УСО (аналог. ввода 4-20 мА, ХА (К),
50П): 16 Погрешность каналов: аналогового ввода-вывода для токовых сигналов
не более 0,1%
|
Ремиконт
Р-380
|
1
|
НИИ
«Теплоприбор»
|
11
аналоговый вход для токовых сигналов
|
Расчет узла измерения температуры
сетевой воды за котлом. Выбор методов и средств измерения
Температура является физическим параметром,
измерить который непосредственно нельзя, так как эталона для него в природе не
существует.
Поэтому все методы, использующиеся в настоящее
время для оценки данной величины, основаны на применении разнообразных датчиков,
свойства которых связаны с температурой известными функциональными
зависимостями. Среди этих свойств можно выделить следующие:
. Температурное расширение.
. Изменение давления в замкнутом контуре.
. Изменение электрического сопротивления.
. Возникновение ТЭДС.
. Интенсивность теплового и светового излучения
раскаленных тел.
Из анализа градуировочных характеристик
стандартных промышленных Т.С., а также вышеописанных положений следует, что
наиболее целесообразно будет выбрать термопреобразователь сопротивления ТС -
1088/1 (Элемер) градуировки 50П.
В качестве вторичного прибора будем использовать
ИРТ - 5930н, так как в нем реализован компенсационный метод измерения,
обеспечивающий высокую точность показаний.
Расчет измерительной схемы
вторичного прибора
Во вторичных приборах типа ИРТ - 5930н
применяется мостовая компенсационная схема. Принцип ее действия заключается в
следующем: при изменении температуры измеряемой среды меняется сопротивление
термопреобразователя сопротивления и в измерительной схеме появляется
напряжение небаланса, которое после преобразования и усиления управляет
реверсивным двигателем, который перемещает движок реохорда до наступления
состояния равновесия. Измерительная схема вторичного прибора представлена на
рисунке 4.
Рисунок 4. Измерительная схема автоматического
моста
- резисторы, составляющие плечи
моста;
- сопротивление линии;
- сопротивление реохорда с шунтом;
- резистор предела шкалы;
- резистор ограничения напряжения
питания моста.
Расчет измерительной схемы
автоматического моста. Первый способ
. Диапазон измеряемых температур:
°C
°C
°C
°C
Значения сопротивлений,
соответствующих 
[11, стр. 10]:
2. Выбираем значения сопротивлений

3. Рассчитаем значение 
[11, стр. 10]:
4. Определим значение 
[11, стр. 10]:
5. Соотношение токов в ветвях с
резисторами
: m=1
. Рассчитаем 
[11, стр. 11]:
7. Определим 
[11, стр. 11]:
Выберем значение тока, протекающего через ТС
[11, стр. 11]:
8. Определим 
[11, стр. 11]:
.
. Произведем проверку по мощности
термометра сопротивления [11, стр. 11]:
Определим падение напряжения на
реохорде [11, стр. 11]:
Второй способ (по упрощенной
методике)
. В зависимости от напряжения питания выбираем R1
= 300 Ом
. Сопротивления R2
находятся из условий наименьшей температурной погрешности трехпроводной линии,
что достигается равенством сопротивления смежных плеч при среднем положении движка
реохорда [10, стр. 14].
Ом
Ом
Ом
. Находим сопротивление R3 [10, стр.
14]:
Ом
. Определяем ток, проходящий через
термопреобразователь сопротивления [10, стр. 14]:
Третий способ (из условий максимальной
чувствительности и допустимой мощности на термопреобразователе сопротивления)
Для минимизации сопротивления измерительной
схемы, с целью увеличения чувствительности, из схемы исключают резистор
ограничения тока R1.
Начальные условия: 1)
; 2)
; 3)
1) Из условий
протекания допустимого тока через термопреобразователь сопротивления найдем
сумму сопротивлений верхней ветви моста [10, стр. 16]:

т.к.
,
где
,
Сопротивление R3
[10,
стр. 16]:
Величина сопротивления R2
из условий минимальной температурной погрешности работы трехпроводной линии
[10, стр. 16]:
2) Сопротивление R4
определяется из условий моста равновесия на нижнем пределе шкалы [10, стр. 16]:
3) Сопротивление
пределов шкалы [10, стр. 16]:
, где Rр=90 Ом
Определение погрешности при
установке термоприёмника
Сетевая вода с температурой на
выходе 
двигаются по линии питательной воды

со скоростью 
. Температура измеряется платиновым
термопреобразователем сопротивления ТС 1088/1 с рабочей длиной 
. Защитный чехол термометра
сопротивления изготовлен из стали марки 12Х18Н10Т. Эскиз термопреобразователя
представлен на рис. 5.
. Определим кинематическую
вязкость, коэффициент теплопроводности, и число Прандтля 
при 
[11, стр. 22]:
2. Определяем значение критерия Рейнольдса
[11, стр. 22]:
. Находим значение критерия Нуссельта
[11, стр. 22]:
. Находим значение коэффициента
теплоотдачи от среды к внутренней поверхности трубы [11, стр. 23]:
Теплоотдача от внешней поверхности
изоляции к воздуху осуществляется за счет естественной конвекции. Так как
коэффициент теплоотдачи в этом случае будет зависеть от разности температур
воздуха и наружной стенки, то расчет необходимо вести методом последовательных
приближений. При 
: 
, 
, 
В первом приближении зададимся температурой
наружной стенки:
Рис. 5. Эскиз установки термоприёмника.
Находим значение критерия
Грасгофа [11, стр. 24]:
Находим значение критерия Нуссельта для
горизонтального трубопровода [11, стр. 25]:
Находим коэффициент теплоотдачи
от наружной стенки к воздуху [11,
Находим приближенное значение
коэффициента теплопередачи [11,

- коэффициент теплопроводности
материала трубопровода (сталь 12X1MФ),

- коэффициент теплопроводности
изоляции (минеральный войлок).
Находим удельный тепловой поток
[11, стр. 25]:
Находим приближенное значение
температуры наружной стенки
Находим температуру внутренней
стенки [11, стр. 26]:
Погрешность при измерении температуры,
обусловленная отводом тепла по термоприемнику
При измерении температуры пара термоприемник
устанавливают в трубопроводе и закрепляют в его стенке. При этом температура
мест закрепления термоприёмника обычно отличается от температуры измеряемой
среды. Вследствие этого распределение температуры по длине термоприемника будет
неравномерным и из-за теплоотвода температура рабочей части термоприемника
может отличаться от действительной температуры среды [10, стр. 29].
Примем допущение о том, что
термоприемник представляет собой однородный стержень длиной l, один конец
которого закреплен в стенке трубопровода. Температура 
у основания такого
идеализированного термоприемника отличается от температуры рабочей части
термоприемника 
и температуры среды 
. Температуру 
рекомендуется принять равной
температуре наружной стенки 
.. Предположим, что в каждом
поперечном сечении идеализированного термоприемника распределение температур
равномерное и температура термоприемника t(x) изменяется
только вдоль его оси. Запишем уравнение, описывающее изменение температуры
идеализированного термоприемника:
где 
- коэффициент теплопроводности
материала защитного чехла теплоприемника.
Если пренебречь количеством тепла,
поступающего через торец термоприемника при x=0, то
и решением уравнения будет
Из этого выражения при x=0 получаем
значение погрешности, обусловленной отводом тепла по термоприемнику:
Оценка погрешности
термопреобразователя сопротивления
Погрешность датчика измеряется по следующей
формуле [5, стр. 23]:
Определение инструментальной
погрешности.
Дисперсия инструментальной
составляющей погрешности [5, стр 17]:
;
1) СКО относительной основной погрешности
термометра сопротивления [5, стр. 30]:
где максимально допустимое
отклонение от градуировочных таблиц [12] для термометров ТСП:
В нашем случае 
.
СКО погрешности, связанной с
саморазогревом термометра от протекающего тока для ТСМ [5, стр. 27]:
СКО погрешности, связанной с не
исключенным за год прогрессирующим изменением сопротивления для термометров ТСМ
[5, стр 27]:
где
- сопротивление датчика при t = 0;
- сопротивление датчика при
номинальной температуре t = 128 
.
Рассчитаем инструментальную
составляющую погрешности датчика ТС:
2) Определим динамическую составляющую
инструментальной погрешности по формуле [5, стр. 18]:
где
- время термической реакции для ТС
с D = 10мм (
)
- период колебаний переходного
процесса,
В
относительном виде:
3) СКО составляющей погрешности, вызванной
стоком тепла по арматуре ТС близка к нулю, поэтому принимаем ее равной 0.
Суммирование составляющих инструментальной
погрешности измерения.
Определение методической и
субъективных составляющих погрешностей измерения
Методическая и субъективные составляющие
погрешности датчика равны 0, так как мы не усредняем результат и человеческий
фактор в измерении параметра отсутствует.
Суммирование составляющих погрешности датчика.
Оценка погрешности вторичного
прибора
Определение инструментальной погрешности
. Определим СКО основной погрешности
вторичного прибора [5, стр 28]:
где
- диапазон шкалы, для ИРТ 1730;
- коэффициент при равномерном
законе распределения приведенной основной погрешности и доверительной
вероятности
- класс точности ИРТ-5930н,
2. Определим динамическую составляющую
погрешности
- так как инерционность прибора
значительно меньше инерционности датчика.
3. Определим погрешность, обусловленную
взаимодействием средств измерений с объектом измерений
- так как подключение ТС 1088/1 на
вход ИРТ 1730 является нормальной нагрузкой и не вызывает дополнительных
погрешностей.
Таким образом,
Определние методической составляющей
погрешности измерения.
Определение субъективной
составляющей погрешности измерения.
Суммирование составляющих
погрешности измерения.
В относительном виде:
Оценка суммарной погрешности
информационного канала
;
Так как рассчитанная суммарная
погрешность ИК (
) меньше
погрешности заданной в ТЗ (
), то выбор средств измерения можно
считать правильными.
Границы случайной погрешности
определяются по формуле:
То есть результат измерения равен
128 оС ± 1,7 оС
Расчет узла измерения расхода
сетевой воды за котлом. Выбор и обоснование метода измерения
Наиболее распространнным методом измерения
расхода в теплоэнергетике является метод переменного перепада давления, в
соответствии с которым расход контролируется по перепаду давления в сужающем
устройстве. В нашем случае выбираем этот метод измерений.
На основании п. 12.1 РД50-213-80 в качестве
сужающего устройства выбираем диафрагму с угловым способом отбора, в качестве
дифманометра - Манометр электронный ЭКМ-2005 ДД.
Выбор типа сужающего устройства и
разработка эскиза установки
Так как измеряемый расход достаточно мал (т.е.
потери давления незначительны), то в качестве сужающего устройства будем
использовать стандартную камерную диафрагму. Она достаточно проста в
изготовлении и установке, поэтому ее использование потребует меньших затрат по
сравнению с другими сужающими устройствами.
Эскиз стандартной камерной диафрагмы представлен
на рисунке 6.
Рис. 6. Эскиз сужающего устройства.
Задано:
· измеряемая среда - сетевая вода;
· наибольший измеряемый объемный расход - 
· наименьший измеряемый объемный расход - 
· избыточное давление воды перед СУ - 
· температура воды перед СУ - 
· внутренний диаметр трубопровода перед СУ - 
· материал трубопровода - 0X17T;
· абсолютная шероховатость трубопровода - к =
0,0015 мм
Расчет сужающего устройства представлен в
таблице 5 [7].
Таблица 5. Расчет сужающего устройства
Определяемая
величина
|
Номера
п., ф., пр., рис., т.
|
Расчет
|
Результат
|
|
1
|
2
|
3
|
4
|
5
|
|
Выбор
сужающего устройства и дифманометра
|
|
1.
|
Тип
сужающего устройства
|
п.12.1.1
|
Диафрагма
кам. станд.с угловым спос. отбора
|
|
|
2.
|
Тип
дифманометра
|
п.12.1.2
|
Манометр
электронный ЭКМ-2005 ДД
|
|
|
3.
|
Верхний
предел измерений дифманометра п.12.1.4570 т/ч
|
|
|
|
|
Определение
недостающих для расчета данных
|
|
4.
|
Абсолютное
давление воды перед сужающим устройством, P
|
п.6.1.1
|
15,6+1
|
16,6
кгс/см2
|
|
5.
|
Плотность
воды в рабочих условиях (P и t), пр.8937,2 кг/м3
|
|
|
|
|
6.
|
Внутренний
диаметр трубопровода перед сужающим устройством при температуре t, D
|
ф.155
|
400 мм
|
|
|
7.
|
Динамическая
вязкость воды в рабочих условиях (P и t),  пр.2622,7·10-6
|
|
|
|
|
Определение
номинального перепада давления дифманометра
|
|
8.
|
Вспомогательная
величина, C
|
ф.165
|
9,271
|
|
|
9.
|
Предельный
номинальный перепад давления дифманометра, пр.32При m=0,20,63 кг/см2
|
|
|
|
|
10.
|
Приближенное
значение относительной площади сужающего устройства, m1
|
п.12.3.3
|
|
0,2
|
|
11.
|
Число
Рейнольдса, соответствующее верхнему пределу измерений дифманометра, Re
|
ф.81
|
2,266·106
|
|
|
Определение
параметров сужающего устройства
|
|
12.
|
Наибольший
перепад давления на диафрагме
|
ф.34
|
0,63 кг/см2
|
|
|
13.
|
Вспомогательная
величина ф.166 0,117
|
|
|
|
|
14.
|
Относительная
шероховатость, п.5.2.1 0,038
|
|
|
|
|
15.
|
Верхняя
граница относительной шероховатости
|
п.5.2.1
|
5,646
|
|
|
Так
как относительная шероховатость трубопровода меньше верхней границы, то
поправочный множитель Кш не вводится.
|
|
16.
|
Коэффициент
расхода, α1
|
ф.27
|
0,614
|
|
|
17.
|
Вспомогательная
величина F1=m1α1
|
|
0,2·1,002
|
0,123
|
|
18.
|
Относительное
отклонение  4,862%
|
|
|
|
|
Так
как относит. отк. , то
процесс опред. m продол. Так как F1 больше
величины , то на
очередном этапе выбираем велич. меньшую, чем 0,2.
|
|
19.
|
Выбор
m2
|
|
|
0,19
|
|
20.
|
Коэффициент
расхода, α2
|
ф.27
|
0,6125
|
|
|
21,
|
Вспомогательная
величина F2=m2α2
|
|
0,19·0,6125
|
0,116
|
|
22.
|
Относительное
отклонение  -0,86%
|
|
|
|
|
Так
как относительное отклонение , то процесс определения m
продолжается. Так как F2 меньшее величины , то на очередном этапе выбираем
величину большую, чем 0,19.
|
|
19.
|
Выбор
m3
|
|
|
0,191
|
|
20.
|
Коэффициент
расхода, α3
|
ф.27
|
0,6126
|
|
|
21.
|
Вспомогательная
величина F3=m3α3
|
|
0,191·0,6126
|
0,117
|
|
22.
|
Относительное
отклонение  0%
|
|
|
|
|
Так
как  , то выбор значений  и  считается окончательным.
|
|
Проверка
ограничений на число Рейнольдса
|
|
23.
|
Минимальное
число Рейнольдса, Re
|
ф.81
|

|
|
|
24.
|
Минимально
допустимое число Рейнольдса, Remin
|
п.5.2.1
|
|
5000
|
|
Условие
Re>Remin
удовлетворяется
|
|
25.
|
Диаметр
отверстия диафрагмы, d20
|
ф.167
|
174,8
|
|
|
Проверка
расчета
|
|
26.
|
Расход,
соответствующий предельному перепаду давления, Q0
|
ф.13
|
569,43
|
|
|
27.
|
Относительное
отклонение Q0 от
заданной величины Qпр, δ
|
|
0,1
|
|
|
Условие
 удовлетворяется, следовательно,
расчет выполнен правильно.
|
|
|
|
|
|
|
Определение погрешности измерения
расхода
Расчет выполняется по методике рассмотренной в
[8, п.8.1.]. Среднюю квадратическую относительную погрешность измерения расхода
жидкости находят по следующей формуле:
- погрешности, возникающие из-за
допустимых отклонений диаметров d и D,
следовательно:
1. СКО
погрешность коэффициентов коррекции расхода на число Рейнольдса
- коэффициент коррекции на число
Рейнольдса
- погрешность определения вязкости
среды
2. СКО погрешность дифманометра
- класс точности прибора
3. СКО погрешность измерения плотности в
нормальных условиях
Таким образом средняя квадратическая
относительная погрешность измерения расхода будет равна:

%
Погрешность измерительного канала найдем по
формуле:
СКО погрешности вторичного прибора
где
- класс точности вторичного
прибора;
Погрешность ИК:
Так как рассчитанная суммарная
погрешность ИК (
) меньше
погрешности заданной в ТЗ (
), то принятую систему измерения
считаем верной.
Для нормального распределения, при
доверительной вероятности
получим:
То есть результат измерения равен
570000 кг/ч ± 4138 кг/ч при
.
Методы и средства измерения
кислорода в газах
Средства измерений, предназначенные для
количественного определения состава газа, называются газоанализаторами и
газовыми хроматографами. Эти технические средства в зависимости от их
назначения подразделяются на переносные и автоматические [2].
Переносные газоанализаторы и хроматографы
применяются в лабораторных условиях для количественного определения состава
газа при выполнении исследовательских работ, а также при специальных
обследованиях, испытаниях и наладке различных промышленных теплотехнических
установок (парогенераторов, печей и др.). Приборы этого типа широко
используются для проверки автоматических газоанализаторов.
Автоматические газоанализаторы, предназначенные
для непрерывного автоматического измерения объемного процентного содержания
одного определяемого компонента в газовой смеси, широко применяют в различных
отраслях промышленности, в частности энергетической. Современные автоматические
газоанализаторы позволяют определять содержание в газовой смеси двуокиси
углерода (СО2), кислорода (О2), окиси углерода и водорода
(СО + Н2), СО, Н2, метана (СН4) и других
газов.
Автоматические газоанализаторы широко применяют
для контроля процесса горения в топочных устройствах парогенераторов, печей и
других агрегатов, для анализа технологических газовых смесей, для определения
содержания водорода в системах водородного охлаждения обмоток турбогенераторов
и т. д.
Для правильного ведения топочного режима
необходимо поддерживать определенное соотношение между количествами подаваемых
в топку парогенератора (или печи) топлива и воздуха. Недостаточное количество
воздуха приводит к неполному сгоранию топлива и уносу несгоревших продуктов в
трубу. Избыточное количество воздуха обеспечивает полное сгорание, но требует
больших затрат топлива на нагрев дополнительного объема воздуха. В том и другом
случае полезная тепловая отдача топки парогенератора уменьшается. Необходимое
соотношение топливо - воздух зависит от различных факторов и в первую очередь
от вида топлива. Для различных видов топлива устанавливают оптимальное значение
коэффициента избытка воздуха а, при котором обеспечивается экономичная работа
установки.
Непрерывный контроль топочного режима в
эксплуатационных условиях на современных ТЭС осуществляется с помощью
автоматических газоанализаторов по содержанию в продуктах горения (дымовых
газах) О2. В промышленности и на парогенераторах малой мощности
контроль процесса горения осуществляют иногда с помощью анализа продуктов
горения на содержание СО2. На рис. 7 представлены графики изменения
содержания О2 и СО, в продуктах полного горения в зависимости от
коэффициента избытка воздуха для различных видов топлива.
Рис. 7. Изменение содержания CO2
и O2
в продуктах полного горения в зависимости от α:
1 - фрезерный торф; 2 - подмосковный уголь и полуантрацит; 3 - тощий уголь; 4 -
мазут; 5 - природный газ; 6 - O2
для всех видов топлива.
При контроле процесса горения по О2
изменения в составе топлива или в количественном соотношении смеси различных
видов топлива при а = const
практически не влияет на содержание О2 в продуктах горения. Кривая
на рис. 7 показывает, что значение О2 == f(α)
для различных видов топлива при полном горении практически одинаково и мало
отличается от теоретической зависимости.
Для контроля топочного режима при сжигании
мазута и газа при малых избытках воздуха α
= 1,01 ÷
1,03 необходимо применять автоматические газоанализаторы с диапазоном измерения
от 0 до 2% О2.
Для большей надежности наряду с содержанием О2
в продуктах горения целесообразно контролировать также содержание СО, Н2 и
СН4; желательно дополнительно производить контроль по густоте дыма с
помощью дымномера. Контроль густоты дыма необходим также из санитарных
соображений для обеспечения чистоты атмосферного воздуха. Однако в настоящее
время дымномеры серийно не выпускаются.
Газоанализаторы обычно градуируют в процентах по
объему. Такой способ градуировки шкалы газоанализаторов удобен, так как
процентная доля отдельных компонентов в общем объеме остается неизменной при
изменении давления и температуры газовой смеси.
Газоанализаторы химические
Газоанализаторы химические, относящиеся к группе
механических приборов, основаны на измерении сокращения объема забранной пробы
газа после удаления анализируемого компонента. Удаление компонента
осуществляется методами избирательного поглощения или раздельного дожигания
[2].
Этот метод применяется как в газоанализаторах
переносных ручного действия типа ГХП2 и ГХП3 (ГОСТ 6329-52), называемых часто
приборами Орса, так и в автоматических газоанализаторах.
Метод избирательного поглощения в сочетании с
методом раздельного дожигания горючих составляющих анализируемой пробы газа
дает возможность определить процентное содержание следующих компонентов газовой
смеси СО2 (или R02),
O2,
СО, Н2, СnНm
(суммы
непредельных углеводородов), суммы метана СН4 и других предельных
углеводородов. Данный метод применяется в переносном газоанализаторе типа ВТИ-2
(ГОСТ 7018-54).
Автоматические химические газоанализаторы в
настоящее время на ТЭС не применяются. Основным недостатком этих
газоанализаторов является то, что они относятся к приборам периодического
действия, дающим 20-30 анализов в час.
Тепловые газоанализаторы
К тепловым газоанализаторам относятся приборы,
основанные на измерении тепловых свойств определяемого компонента газовой
смеси, могущих быть мерой его концентрации. В качестве измеряемых величин в
газоанализаторах этого типа используются теплопроводность газовой смеси и
полезный тепловой эффект реакции каталитического окисления, которые зависят от
концентрации определяемого компонента. Тепловые газоанализаторы подразделяются
на газоанализаторы термокондуктометрические (по теплопроводности газовой смеси)
и термохимические (по полезному тепловому эффекту реакции каталитического
окисления) [2].
Термокондуктометрические
газоанализаторы
Газоанализаторы термокондуктометрические.
Газоанализаторы, основанные на измерении теплопроводности анализируемой газовой
смеси, применяются для определения процентного содержания какого-либо одного
компонента: двуокиси углерода (СО2), водорода (Н2),
аммиака (NН3),
гелия (Не), хлора (С12) и других газов, имеющих резко отличные
коэффициенты теплопроводности по сравнению с другими компонентами смеси. Анализ
многокомпонентной газовой смеси по ее теплопроводности можно производить при
условии, что все компоненты газовой смеси, кроме определяемого, имеют
одинаковую теплопроводность. Если в газовой смеси имеются компоненты, которые
могут исказить результаты анализа, то, как будет показано ниже, тем или иным
способом устраняют их влияние.
Значение теплопроводности зависит от
температуры, и, так как температурные коэффициенты теплопроводности газов
неодинаковы, при повышенных температурах теплопроводности некоторых газов
оказываются равными теплопроводности воздуха. Например, для СО2
такое равенство наступает при 600° С. При этой температуре анализ газов с целью
определения СО2 по суммарной теплопроводности газовой смеси
невозможен. Для анализа по теплопроводности газовой смеси наиболее
благоприятный температурный режим обеспечивается при 80-100° С.
Продукты горения обычно содержат N2,
О2, СО, СО2 и СН4, а также Н2, 8О2
и водяные пары. Теплопроводности N2,
СО, О2 почти одинаковы, поэтому при выборе соответствующей
температуры (например, близкой к 100° С) определение СО2 может
производиться с достаточной точностью. Метан обычно присутствует в продуктах
горения в незначительном количестве и существенного влияния на теплопроводность
газовой смеси не оказывает. Наличие водорода в продуктах горения приводит к
значительному искажению (приуменьшению) результата измерения содержания СО2,
так как теплопроводность Н2 велика. Поэтому при определении СО2
в продуктах горения, содержащих водород, необходимо перед впуском газа в
приемный преобразователь газоанализатора дожигать На в специальной
печи. При этом содержание СО2 может быть несколько преувеличено за
счет одновременного сжигания также и СО. Это можно учесть и внести поправку,
если имеется прибор для определения СО. Сернистый газ необходимо удалить с
помощью фильтра, заполненного обезжиренной стальной (железной) стружкой и
некоторым объемом воды. Следует отметить, что 1 % SО2
преувеличивает показания газоанализатора примерно на 1,7% СО2. Кроме
того, SО2 является
агрессивным газом, вызывающим коррозию металлических частей прибора.
Температура и влажность отбираемой пробы газовой
смеси могут колебаться в достаточно широких пределах. Поэтому для уменьшения
влияния переменного состава водяных паров на результаты анализа, а также для
снижения температуры и влажности пробу газовой смеси охлаждают до определенной
температуры с помощью водяного холодильника. Это позволяет стабилизировать
температуру и влажность газовой смеси, поступающей в приемный преобразователь газоанализатора.
В некоторых случаях, например в газоанализаторах, предназначенных для
определения СО2 в бинарных смесях с повышенной или переменной
влажностью, для стабилизации ее перед приемным преобразователем газоанализатора
устанавливают барботеры, в которых сравнительный и анализируемый газы
увлажняются до насыщения.
Термохимические газоанализаторы
Из числа термохимических газоанализаторов
наибольшее распространение получили газоанализаторы, основанные на измерении
полезного теплового эффекта реакции каталитического окисления (горения)
определяемого компонента анализируемой газовой смеси. Газоанализаторы этого
типа находят применение для определения СО + Н2 или СО в продуктах
горения и в других газовых смесях, а также СН4 в рудничной
атмосфере.
Имеются две модификации термохимических
газоанализаторов, в которых используется реакция каталитического окисления. К
первой модификации относятся газоанализаторы, в которых реакция каталитического
горения определяемого компонента осуществляется на поверхности на гретой
каталитически активной тонкой проволоки (например, платиновой). Эта проволока
является одновременно чувствительным элементом.
Ко второй модификации относятся газоанализаторы,
в которых каталитическое окисление определяемого компонента осуществляется на
твердом гранулированном катализаторе при протекании через него анализируемой
газовой смеси. В этом случае полезный тепловой эффект каталитического горения
измеряют в рабочей камере с помощью чувствительного элемента, выполненного из
тонкой платиновой проволоки или термобатареи. В переносном газоанализаторе для
определения СН4 в рудничной атмосфере каталитическое горение
осуществляется на твердом шарообразном катализаторе, выполненном из окиси
алюминия, с нанесенной на его пористую поверхность платинопалладиевого
катализатора. Внутри шарообразного катализатора находится платиновая спираль,
которая выполняет функции чувствительного элемента. Такое выполнение
чувствительного элемента обеспечивает более высокую. надежность и стабильность
характеристик прибора по сравнению с газоанализаторами первой модификации.
Магнитные газоанализаторы
Магнитные газоанализаторы на кислород,
основанные на измерении магнитных свойств кислорода, получили широкое
применение в различных отраслях промышленности для определения концентрации
кислорода в газовых смесях, и, в частности, в продуктах горения [15].
Магнитные свойства газов обычно характеризуют
значениями объемной магнитной восприимчивости и удельной или массовой магнитной
восприимчивости. Все известные газы по характеру и абсолютным значениям
магнитных свойств разделяются на диамагнитные и парамагнитные.
Кислород обладает значительно большей магнитной
восприимчивостью по сравнению с другими газами. Благодаря этому, представляется
возможность использовать магнитные свойства кислорода для избирательного
определения его концентрации в промышленных газовых смесях. Как видно из
таблицы, лишь два газа - окись и двуокись азота - имеют относительно большую
магнитную восприимчивость. Однако эти газы встречаются очень редко в смесях
промышленных газов.
Абсолютное значение объемной магнитной
восприимчивости кислорода весьма мало и может быть точно измерено лишь
специальными высокочувствительными методами. Поэтому в существующих магнитных
газоанализаторах для измерения концентрации кислорода в газовых смесях
используются косвенные методы, т. е, те или иные физические явления, связанные
с магнитными свойствами кислорода. К таким явлениям, используемым для создания
магнитных газоанализаторов, относятся следующие:
1. В
среде парамагнитного газа при наличии нагретого тела и неоднородного магнитного
поля возникает термомагнитная конвекция (магнитный ветер), вызывающая
охлаждение тела.
2. Парамагнитный
газ, находящийся в магнитном поле, изменяет свою теплопроводность.
3. Парамагнитный
газ при наличии магнитного поля изменяет свою вязкость.
4. Тело,
находящееся в парамагнитной газовой среде и неоднородном магнитном поле,
испытывает выталкивающее или втягивающее воздействие при одновременном
изменении магнитной восприимчивости окружающего его газа.
В соответствии с физическим явлением, положенным
в основу принципа работы прибора, магнитные газоанализаторы подразделяют на
четыре группы по ГОСТ 13320-67:
) термомагнитные;
) магнитотермокондуктометрические;
) магнитовискозиметрические;
) магнитомеханические - роторные,
эффузионные (безроторные).
Магнитомеханические газоанализаторы
В магнитомеханических газоанализаторах (рис.8)
измеряют силы, действующие в неоднородном магнитном поле на помещенное в
анализируемую смесь тело (обычно ротор) [15]. Сила F, выталкивающая тело из
магнитного поля, определяется выражением:
где
- объемная магнитная
восприимчивость соответствует анализируемой смеси и тела, помещенного в газ,
V-объем тела, H-напряженность магнитного поля. Обычно мерой концентрации
компонента служит вращающий момент, находимый по углу поворота ротора.
Показания магнитомеханического газоанализатора определяются магнитными
свойствами анализируемой газовой смеси и зависят от титры и давления, поскольку
последние влияют на объемную магнитную восприимчивость газа.
Более точны газоанализаторы,
выполненные по компенсационной схеме. В них момент вращения ротора,
функционально связанный с концентрацией О2 в анализируемой смеси, уравновешивается
известным моментом, для создания которого используются магнитоэлектрической или
электростатической системы. Роторные газоанализаторы ненадежны в промышленных
условиях, их сложно юстировать.
Рис.8. Магнитомеханический
газоанализатор: 1-ротор; 2-полюсы магнита; 3-растяжка; 4-зеркальце;
5-осветитель; 6-шкала вторичного прибора.
Термомагнитные газоанализаторы
Действие термомагнитных газоанализаторов
основано на термомагнитной конвекции газовой смеси, содержащей О2, в
неоднородных магнитном и температурном полях. Часто применяют приборы с
кольцевой камерой (рис.9), которая представляет собой полое металлическое
кольцо. Вдоль его диаметра установлена тонкостенная стеклянная трубка, на
которую намотана платиновая спираль, нагреваемая электрическим током. Спираль
состоит из двух секций - R1 и R2, первая из которых
помещается между полюсами магнита. При наличии в газовой смеси О2
часть потока направляется через диаметральный канал, охлаждая первую секцию
платиновой спирали и отдавая часть тепла второй. Изменение сопротивлений R1
и R2 вызывает изменение выходного напряжения U, пропорциональное
содержанию О2 в анализируемой смеси
[15].
Рис.9. Термомагнитный газоанализатор: 1 - кольцевая
камера; 2-стеклянная трубка; 3-постоянный магнит; 4-источник стабилизированного
напряжения; 5-вторичный прибор; Rt и R2 - соответственно рабочий и
сравнительные терморезисторы (секции платиновой спирали); R3 и R4 - постоянные
резисторы.
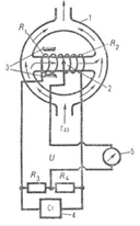
На рис. 10 приведена принципиальная схема
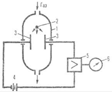
термомагнитного газоанализатора, применяемого для определения кислорода в
продуктах горения и других газовых смесях [2].
Рис. 10. Термомагнитный газоанализатор на O2
c компенсационной мостовой
измерительной схемой
Рассмотренная принципиальная измерительная схема
термомагнитного газоанализатора используется в приборах типа МН5106 и МН5130,
предназначенных для определения О2 в продуктах горения и газовых
смесях, содержащих кроме кислорода N2,
Аr, СО, СО2,
Н2 и СН4.
Рассмотрим газовую схему газоанализатора типа
МН5106, показанную на рис. 11. Анализируемый газ из отборного устройства
поступает в блок очистки, в котором последовательно проходит через холодильник
1 по трубке 2, фильтр 3 для очистки его от сернистого газа, вторично через
холодильник по спиральной трубке 4, а далее через фильтр тонкой очистки 5. В
фильтре для очистки пробы газа от сернистого газа находятся стальная стружка и
некоторый объем воды, через который газ барботирует. Вода в этот фильтр
поступает в виде конденсата, образующегося при охлаждении пробы газа в трубках
холодильника. Излишек воды из фильтра вытекает через трубку в сливной сосуд 6,
который образует одновременно и водяной затвор. Для контроля расхода анализируемого
газа и давления в подводящей линии перед приемным преобразователем установлен
ротаметр - индикатор расхода 7, а за преобразователем - жидкостный манометр 8.
Регулировка расхода пробы газа и давления производится редукционными вентилями
9 и 10. Побудителем расхода служит водоструйный эжектор (насос), установленный
на выходе пробы газа. Измерительные камеры сравнительного моста преобразователя
сообщаются с атмосферой через фильтры 12, которые предохраняют камеры от
попадания пыли [2].
Рис. 11. Газовая схема термомагнитного
газоанализатора на O2
типа МН5106.
Газоанализаторы типа МН5106 имеют шкалу 0-10% по
объему О2. Пределы допускаемой основной погрешности ±0,25% О2.
Газоанализаторы типа МН5130 выпускаются со следующими шкалами: 0-0,5; 0-1; 0-2;
0-5; 0-10; 0-21; О-50; 20-80; 50-100 и 80-100% по объему О2. Пределы
допускаемой основной погрешности шкалы 0-0,5% О2 - ±10%; для шкал
0-1 и 0-2% О2 - ±5%; для шкал от 0-5 до 50-100% О2 - ±2%
и для шкалы 80-100% О2 - ±2,5% диапазона измерения.
Данные об изменении показаний газоанализаторов
при отклонении влияющих величин от нормальных значений приводятся в заводской
инструкции по монтажу и эксплуатации приборов.
Время установления теплового равновесия
(прогрева) газоанализатора не превышает 1 ч, а для прибора МН5130 со шкалой
80-100% О2 - 2ч. Время установления постоянных показаний прибора при
изменении концентрации кислорода на входном штуцере приемного преобразователя
не превышает 1,5 мин для прибора МН5106, а для газоанализатора МН5130 со
шкалами от 0-5 до 0-50% О2 - 0,5 мин и 1 мин с остальными шкалами.
Оптические газоанализаторы
Оптические газоанализаторы основаны на
использовании зависимости изменения того или иного оптического свойства
анализируемой газовой смеси от изменения концентрации измеряемого компонента. В
оптических газоанализаторах исполь зуются такие оптические свойства, как
спектральное поглощение, оптическая плотность, показатель, преломления,
спектральное излучение газовой смеси и др [15].
В соответствии с оптическим свойством,
положенным в основу принципа работы прибора, оптические газоанализаторы
подразделяются на следующие основные три группы (ГОСТ 13320-67):
1. Абсорбционные
- основанные на поглощении лучистой энергии в инфракрасной области спектра (в
том числе оптико-акустические), ультрафиолетовой и видимой областях спектра
(фотоколориметрические жидкостные и ленточные).
2. Интерферометрические
- основанные на использовании явления смещения интерференционных полос
вследствие изменения оптической плотности газовой среды на пути одного из двух
когерентных лучей.
3. Эмиссионные
- основанные на излучении лучистой энергии, например на измерении интенсивности
спектральных линий излучения компонента, зависящей от его концентрации в
анализируемой газовой смеси. Этот метод, предложенный С. Эфришем, принято
называть методом эмиссионного спектрального анализа газовой смеси.
Газоанализаторы, основанные на поглощении
инфракрасных лучей, получили широкое применение в различных отраслях
промышленности и применяются для определения концентрации окиси углерода (СО),
двуокиси углерода (СО2), метана (СН4), аммиака (NH3)
в сложных газовых смесях, а также и других газов. Это объясняется тем, что в
инфракрасной области спектра газы имеют весьма интенсивные и отличительные друг
от друга по положению в спектре полосы поглощения.
Газоанализаторы, основанные на поглощении
ультрафиолетовых лучей, применяются в химической, нефтяной и пищевой
промышленности. Благодаря высокой чувствительности они широко используются для
определения токсических и взрывоопасных концентраций различных газов в воздухе
промышленных предприятий. Газоанализаторы этого типа позволяют
определять содержание паров ртути, хлора и других газов и паров как в воздушной
среде, так и в технологических газовых смесях.
Газоанализаторы фотоколориметрические,
основанные на поглощении лучей в видимой области спектра, подразделяются на
жидкостные и ленточные. Жидкостные газоанализаторы являются приборами с
непосредственным (прямым) поглощением излучения определяемым компонентом при
взаимодействии анализируемого компонента с жидким реактивом. В газоанализаторах
второго типа измеряется светопоглощение поверхностью бумажной или текстильной
ленты, предварительно пропитанной или смоченной соответствующим реактивом.
Фотоколориметрические газоанализаторы широко применяют для измерения
микроконцентрации различных газов в воздушной среде и в сложных газовых смесях.
Эти газоанализаторы широко используются также для определения в воздухе
промышленных предприятий токсической концентрации различных газов и паров,
вредных для человека. Фотоколориметрические газоанализаторы для определения
больших концентраций не применяются. Следует отметить, что
фотоколориметрический метод находит широкое применение для анализа жидкостей, в
частности для анализа воды на ТЭС.
Спектрофотометрические газоанализаторы,
основанные на методе эмиссионного спектрального анализа газовой смеси,
используются для анализа аргона, гелия, азота, водорода и кислорода на примеси.
Потенциометрические газоанализаторы
Большое распространение получили
потенциометрические газоанализаторы с твердым электролитом для измерения
содержания О2. Керамическая пластина на основе СаО и ZrO2 при высокой
температуре начинает проводить ионы кислорода, т.е. ведет себя как электролит.
На поверхность такой пластины с обеих сторон наносят тонкие слои пористой
платины (платиновые электроды). С одной стороны пластины подают анализируемую
газовую смесь, с другой - сравнительный газ. Разность потенциалов между
электродами - мера содержания О2. Термостат поддерживает температуру
электрохимической ячейки в нужном диапазоне. С помощью таких газоанализаторов
определяют О2 в широком диапазоне концентраций. Присутствие
углеводородов в анализируемой смеси приводит к искажению результатов из-за их
окисления при высокой температуре [15].
Амперометрические газоанализаторы
Действие амперометрических газоанализаторов
основано на зависимости между электрическим током и количеством определяемого
компонента, прореагировавшим на индикаторном электроде. Если контролируемый
компонент полностью вступает в электрохимическую реакцию, то выполняется закон
Фарадея: I = = nFQC, где I-ток, Q - расход газа, С-концентрация определяемого
компонента, F-число Фарадея, n-число электронов, участвующих в реакции.
Электрохимическое превращение данного компонента
газовой смеси со 100% -ным выходом по току (т.е. отсутствие побочных
электродных реакций) обеспечивается выбором индикаторного электрода и его
потенциала. Необходимое постоянное значение разности потенциалов поддерживается
благодаря тому, что сравнительно и индикаторный электроды выполняют из двух
разных специально подобранных металлов, например из Аи и Zn, Au и Pb, Ni и Cd
(ячейки гальванического типа). Разность потенциалов можно стабилизировать и
посредством электронной системы с использованием третьего вспомогательного
электрода (ячейки потенциостатического типа).
Рис.12. Амперометрический газоанализатор:
1-электрохим. ячейка; 2-вспомогат. электрод; 3-измерит, электрод;
4-потенциостат; 5 - электрод сравнения; 6-усилитель; 7-вторичный прибор;
8-побудитель расхода газа; 9-камера с запасным электролитом.
Амперометрические газоанализаторы применяют для
определения газов, обладающих окислительно - восстановительными свойствами,
например SO2, NO2, H2S, О2, С12,
О3. В газоанализаторы для измерения содержания SO2 в
воздухе (рис.12) анализируемый газ поступает на измерительный электрод 3
электрохимические ячейки и по газовому каналу - в камеру с запасным
электролитом 9, в который помещен электрод сравнения 5. Вспомогательный
электрод 2 расположен в отдельной камере, которая, как и камера 9, соединена с
камерой измерительного электрода электролитическим каналом. Достоинства
амперометрического газоанализатора - высокая чувствительность и
избирательность.
Кулогометрические газоанализаторы
В основе кулонометрических газоанализаторах
лежит метод кулонометрического титрования, который заключается в
электрохимическом получении (генерировании) реагента - титранта, способного
быстро взаимодействовать с определяемым компонентом газовой смеси, растворенным
в электролите. Этот газоанализатор включает цепи генерирования и индикации.
Электрохимическая ячейка содержит соответственно две пары электродов - катод и
анод, на которых идет электролиз и генерируется титрант, а также индикаторный
электрод и электрод сравнения. Ток электролиза автоматически поддерживается
постоянным. После того как все контролируемое вещество полностью прореагирует с
электрогенерированным титрантом, окислительно-восстановительный потенциал системы
резко изменяется, что обнаруживается по скачку потенциала индикаторного
электрода. Количество электричества, прошедшее через ячейку до завершения
реакции, эквивалентно концентрации определяемого компонента.
Ионизационные газоанализаторы
Их действие основано на зависимости
электрической проводимости ионизованных газов от их состава. Появление в газе
примесей оказывает, дополнительное воздействие на процесс образования ионов или
на их подвижность и, следовательно, рекомбинацию. Возникающее при этом изменение
проводимости пропорционально содержанию примесей [15].
Все ионизационном газоанализаторе содержат
проточную ионизационною камеру (как на рис.13), на электроды которой налагают
определенную разность потенциалов. Эти приборы широко применяют для контроля
микропримесей в воздухе, а также в качестве детекторов в газовых хроматографах.
Ниже рассмотрены наибольше распространенные типы ионизационные газоанализаторы,
используемые без предварительного хроматографического разделения пробы.
Рис.13. Радиоизотопный ионизационный
газоанализатор: 1 - ионизационная камера; 2-источник ионизации; 3-электроды;
4-источник напряжения; 5-усилитель; 6-вторичный прибор.
Радиоизотопные газоанализаторы
К радиоизотопным газоанализаторам (рис.13), в
которых ионизацию газов осуществляют радиоактивным излучением, относятся
приборы на основе сечения ионизации, электронно-захватные и
аэрозольно-ионизационные. В первых используют разницу в сечениях (вероятности)
ионизации компонентов смеси. Ионизацию осуществляют обычно излучением 90Sr, 3H,
63Ni, 147Pm. Эти газоанализаторы не избирательны, их применяют для анализа
смесей H2-N2, N2-CO2, Н2
- этилен, Н2-СН4, H2-CH3SiCl3,
H2-BC13 и т.п.; диапазон измерения 0,01-100%; время
установления показаний - до 0,1 с.
Электронно-захватные газоанализаторы
Действие электронно-захватных газоанализаторов
основано на способности молекул ряда веществ (О2, Н2О, галогены,
галогенсодержащие органические соединения, ароматические углеводороды, спирты,
карбонильные соединения и др.) захватывать свободные электроны, возникающие при
ионизации газов, и превращаться при этом в ионы. Последние имеют меньшую
подвижность, чем электроны, в результате чего ионизационный ток падает
пропорционально концентрации вещества. Электронно-захватные газоанализаторы
применяют для контроля примесей в чистых газах и воздухе. При определении
примесей в воздухе на входе в газоанализаторы обычно помещают полимерные
мембраны, задерживающие О2.
Аэрозольно-ионизационные
газоанализаторы
В основе действия аэрозольно-ионизационных
газоанализаторах лежит зависимость ионизационного тока от концентрации
аэрозольных частиц, образующихся после предварительного избирательного перевода
определяемого компонента смеси в аэрозоль. Этот перевод осуществляют обычно химическую
реакцией с соответствующим реагентом или фотохимической реакцией в газовой
фазе, пиролизом исследуемого вещества, а также сочетанием пиролиза с послед,
химической реакцией с реагентом. Например, при определении NH3 в
качестве реагента можно использовать пары соляной кислоты; в результате
образуется аэрозоль NH4C1. Аэрозольно-ионизационный газоанализатор
используют, в частности, для определения микропримесей NH3, аминов,
НС1, HF, NO2, паров HNO3, карбонилов Ni и Со, фосгена и
ряда др. соединений в воздухе промышленных помещений.
Пламенно - ионизационные
газоанализаторы
В пламенно - ионизационных газоанализаторах
анализируемые органические соединения ионизуют в водородном пламени.
Эффективность ионизации пропорциональна числу атомов С, поступающих в пламя в
единицу времени, но зависит также от наличия в молекуле вещества атомов др.
элементов. Схема такого прибора представлена на рис.14. Горелка служит одним из
электродов ионизационной камеры. Второй электрод ("коллекторный") -
тонкостенный цилиндр или кольцо. Эти газоанализаторы используют для определения
органических веществ в воздухе и технологических газах. При совместном
присутствии ряда органических компонентов находят либо их сумму, либо
концентрацию компонентов со значительно большей эффективностью ионизации. С
помощью пламенно-ионизационных газоанализаторы контролируют изменения
суммарного содержания углеводородов в атмосфере и токсичные примеси в воздухе
промышленных помещений, чистоту выхлопных газов автомобилей, утечки газов из
трубопроводов и подземных коммуникаций. Имеется непосредственная взаимосвязь
между эффективностью ионизации органических газов и паров и степенью
взрывоопасности их смесей с воздухом. Это позволяет контролировать довзрывные
концентрации органических веществ в пром. помещениях, шахтах, туннелях.
Рис.14. Пламенно - ионизационный газоанализатор:
1-ионизац. камера; 2-горелка; 3-коллекторный электрод; 4-источник напряжения;
5-усилитель; 6-вторичный прибор.
Поверхностно-ионизационные газоанализаторы
В поверхностно-ионизационных газоанализаторах
образуются, положительные ионы при адсорбции газов на нагретых поверхностях
металлов или их оксидов. Ионизоваться могут компоненты с достаточно низкими
потенциалами ионизации, сравнимыми по величине с работой выхода электронов из
нагретой поверхности (эмиттера). Обычно ионизуются не контролируемые компоненты
смеси, а продукты их реакций на каталитически активной поверхности. В качестве
эмиттеров применяют, например, нагреваемые током спирали из Pt, оксидов Мо или
W. Нагретый эмиттер одновременно служит одним из электродов ионизационной
камеры. Второй ("коллекторный") электрод выполняют в виде наружного
цилиндра. Температуру нагрева эмиттера изменяют, от 350 до 850 °С. С помощью
таких газоанализаторов определяют, фенол, уксусную и муравьиную кислоты, а
также (с высокой избирательностью) азотсодержащие органические соединения, в
частности анилин, амины, гидразины. Созданы приборы для контроля ряда аминов
(диэтиламин, триэтиламин и др.) в воздухе пром. помещений.
«Галогенные» газоанализаторы
В так называемых "галогенных"
газоанализаторах на поверхности платины, нагретой до 800-850 °С, ионизуются
щелочные металлы (обычно Na и К), добавляемые в виде солей в зону нагрева и
ионизации. Эмиссия щелочных ионов зависит от содержания в окружающем воздухе
галогенов и их соединений. Эти приборы позволяют определять галогены (С1, Вr)
в воздухе пром. помещений, хладоны при контроле герметичности холодильных
установок и бытовых аэрозольных баллончиков.
Полупроводниковые газоанализаторы
Их действие основано на изменении сопротивления
полупроводника (пленки или монокристалла) при воздействии анализируемого
компонента смеси [15]. В основе работы полупроводниковых окисных
газоанализаторах лежит изменение проводимости чувствительности слоя (смеси
оксидов металлов) при хемосорбции на его поверхности молекул химически активных
газов (рис.15). Такие газоанализаторы применяют для определения горючих газов
(в частности, Н2, СН4, пропана), а также О2,
СО2 и др. Селективность анализа достигается варьированием состава
чувствительности слоя и его температуры (при помощи встроенного нагревателя).
Диапазон измеряемых концентраций горючих газов 0,01-1% по объему.
Рис.15. Полупроводниковый окисный газоанализатор:
1-подложка; 2-контакты; 3-чувствит. слой; 4-нагреват. элемент; 5-вторичный
прибор; 6-источник напряжения.
В полупроводниковых газоанализаторах с
кристаллическими чувствительными элементами измеряют проводимость монокристалла
или более сложной полупроводниковой структуры с р-n-переходами при изменении
зарядового состояния поверхности, т.е. концентрации или распределения зарядов
на ней. Например, для определения Н2 используют чувствительные
элементы в виде системы слоев металл - диэлектрик - полупроводник (канальные
транзисторы), причем верхний металлический слой получают из Pd или его сплавов.
Изменение зарядового состояния поверхности достигается изменением контактной
разности потенциалов между полупроводником и Pd при растворении в последнем Н2,
присутствующего в анализируемой смеси.
Для серийного производства полупроводниковых
газоанализаторов применяют современные технологию микроэлектроники, что
позволяет создавать измерительный преобразователь, включающий чувствительность
элементов, систему термостатирования и усилитель электрического сигнала в виде
отдельного микромодуля.
Заключение
В данном курсовом проекте была разработана
автоматизированная система теплотехнического контроля и сигнализации процесса
нагрева воды в котле, реализованной с применением современных средств
измерительной техники. Рассчитаны статические характеристики измерительных
преобразователей, приборов, измерительных схем и информационных каналов.
Разработаны вопросы метрологического обеспечения средств и систем измерения,
оценены их метрологические характеристики.
Список литературы
.С.
Л. Ривкин, А. А. Александров. Термодинамические свойства воды и водяного пара:
Справочник. - 2-е изд., перераб. и доп. Москва: Энергоатомиздат, 1984.
.Преображенский,
В. П. Теплотехнические измерения и приборы: Учебник для вузов по специальности
«Автоматизация теплоэнергетических процессов». - 3-е изд., перераб. М. :
Энергия, 1978.
.Ю.
К. Коптелов, В. В. Давыдов. Методические указания и сборник заданий к
выполнению комплексного курсового проекта для специальности 21.03. Иваново :
ИГЭУ, 1992.
.Чистяков,
В. С. Краткий справочник по теплотехническим измерениям. Москва :
Энергоатомиздат, 1990.
.Коптелов
Ю. К. Методические указания. Оценка погрешностей технологических измерений /
Иван. энерг. ин-т; Сост. Ю. К. Коптелов . - Иваново, 1989. - 36 с.
.М.
А. Михеев, И. М. Михеева. Основы теплопередачи. Изд 2-е, стереотип. М. :
Энергия, 1977.
.А.
Т. Лебедев, Ю. К. Коптелов, Н. П. Трошин. Методические указания по расчѐту
стандартных сужающих устройств расходомеров по РД50-213-80. Иваново : ИЭИ,
1984.
.Правила
измерения расхода газов и жидкостей стандартными сужающими устройствами РД
50-213-80. Москва : Издательство стандартов, 1982.
.А.
Кочетков, И. Тетеревков. Теплотехнические измерения и приборы. Методические
указания к выполнению курсового проекта для студентов специальности 210200.
Иваново : ИГЭУ, 2006.
.Ю.К.
Коптелов, В.В. Давыдов. Методические указания к выполнению проекта по курсу
«Теплотехнические измерения и приборы». Расчет измерительных схема вторичных
приборов. Иваново: ИГЭУ, 1983 г.
.А.Е.
Кочетов, И.В. Тетеревков. Методические указания к выполнению курсового проекта
для студентов специальности 210220. Теплотехнические измерения и приборы.
Иваново: ИГЭУ, 2006 г.
.Элемер.
Надежные средства и системы технологического контроля. Каталог продукции 2012.
Датчики давления. Датчики температуры. Вторичные приборы. Метрологическое
оборудование.
.Диафрагма
ДСК - камерная стандартная с угловым способом отбора перепада давления:
[Электронный ресурс]//ФГУП «Завод «Прибор»,2008-2012.URL:
http://www.priborplant.ru/ru/production/rasxodometria/catalog5/?top_id=13
.Оптима-3
- газоанализатор измерения концентрации кислорода и окиси углерода в отходящих
газах: [Электронный ресурс]//Компания «ЭРИС» 2006-2011.URL:
http://www.eriskip.ru/catalog/1087
.Павленко
В.А., Газоанализаторы, М. -Л., 1965