Оптимизация динамики двухконтурной системы автоматического регулирования температуры перегретого пара
Содержание
Введение
.Определение
АСУ ТП ТЭС
2.Функции
АСУ ТП ТЭС
3.Описание
автоматизированных функций
.1Схемы
функциональной структуры АСУ ТП ТЭС
3.1.1Общая
структура АСУ ТП ТЭС
.1.2
Состав функций информационно-вычислительных подсистем
.1.3
Состав функций управляющих подсистем
.2Информационно-вычислительные
подсистемы
.3
Подсистема логического управления
.4
Подсистема дистанционного управления
3.5
Подсистема автоматического регулирования
.6
Подсистема технологической защиты
.Технический
эффект внедрения АСУ ТП ТЭС
.Экологический
эффект внедрения АСУ ТП ТЭС
.Социальный
эффект внедрения АСУ ТП ТЭС
.Исходные
данные для моделирования
.Методика
оптимизации САР с дифференциатором (со стабилизирующим устройством)
.Методика
расчета настройки САР с дифференциатором
.1
МПК в частном виде
.2
Вывод формул по МПК в общем виде
.3
Методика вывода формул МЧК
.
Расчет настройки двухконтурной САР
.Краткое
описание программы расчета переходных процессов САР на ЭВМ
.
Сводная таблица прямых показателей качества при основных воздействиях для ПИ и
ПИД алгоритмов регулирования
Выводы
Литература
Приложение
ВВЕДЕНИЕ
На ТЭС осуществляется непрерывное и вместе с тем
поэтапное преобразование теплоты, скрытой в топливе, в электричество: паровой
котел вырабатывает перегретый водяной пар, в турбине его потенциальная энергия
превращается в кинетическую, которая в электрогенераторе превращается в энергию
переменного тока с частотой 50 Гц.
Процессы преобразования и распределения тепловой
и электрической энергии на современной ТЭС почти полностью механизированы и в
значительной степени автоматизированы.
На ТЭС в роли механизации используются
передвижные подъемные краны и экскаваторы, механические и гидравлические
транспортеры сыпучих материалов, электроприводы запорных и регулирующих органов
и т.д. Человек в механизированном производстве призван непрерывно управлять
машинами, механизмами установками, и наблюдать за их действиями.
Под управлением в технических системах
понимается функция, обеспечивающая поддержание заданных режимов эксплуатация
технологического оборудования и достижения поставленных целей.
Под автоматизацией подразумевают применение
технических средств (от простейших измерительных приборов и регуляторов до
современных ЭВМ) и систем управления, освобождающих человека частично или
полностью от непосредственного участия в процессах выработки, преобразования и
передачи энергии (материалов, информации).
Задачи анализа и синтеза автоматических систем
регулирования с одним входом и выходом принципиально решены. Анализ переходных
процессов с математической точки зрения сводится к определению общего решения
неоднородного дифференциального уравнения, описывающего систему при заданных
начальных условиях и воздействиях, а также к анализу влияния изменения
параметров системы на вид этого решения. Такой анализ можно производить с
применением многих точных и приближенных методов, но их практическая реализация
даже для простых САР сопряжена с большим числом не сложных, но громоздких и
кропотливых расчетов, требующих вычисления корней, определения постоянных
интегрирования и построения кривой переходного процесса. В связи с этим особое
значение приобретают различные приближенные методы оценки процесса, не
требующие построения кривых переходных процессов. Поэтому в теории
регулирования анализ переходных процессов заменяют анализом качества,
заключающемся в оценке характеристик переходного процесса, называемых прямыми
показателями качества (времени переходного процесса, максимального и
статического отклонения и т.д.), а также в установлении верхних границ для этих
показателей без непосредственного решения дифференциальных уравнений системы.
1.
ОПРЕДЕЛЕНИЕ АСУ ТП ТЭС
Совокупность технических средств (машин, орудий
труда и т. д.), выполняющих соответствующие рабочие операции, представляет
собой объект управления. Систему, в которой все рабочие операции и операции
управления выполняются без участия человека, называют автоматической.
Автоматическое управление - это совокупность
действий, направленных на поддержание или улучшения функционирования управляемого
объекта без непосредственного участия человека в соответствии с заданной целью
управления. Характерные операции управления, осуществляемые автоматическими
устройствами: включение и выключение механизмов и агрегатов машин (например,
вентилятора системы охлаждения двигателя), поддержание управляемой величины на
заданном уровне (угловой скорости двигателя, давление воздуха в ресивере
тормозной системы), изменение управляемой величины по определенному закону,
обеспечение экстремального значения некоторых функций и др.
Комплекс взаимодействующих между собой
технических устройств, содержащий объект управления и автоматическое
управляющее устройство, называют системой автоматического управления.
Применение автоматизированных систем управления
позволяет повысить надежность и экономичность энергетических установок при
малом числе обслуживающего персонала, способствует повышению его квалификации.
При этом электронной цифровой вычислительной машине может быть передана
значительная часть функций по контролю и управлению. Автоматическая система в
общем случае состоит из множества взаимодействующих элементов. Простейшая
модель автоматической системы может быть представлена совокупностью двух
основных элементов: объекта управления (ОУ) и управляющего устройства (УУ).
Все воздействия, приложенные к элементам
системы, можно разделить на внешние и внутренние.
2. ФУНКЦИИ АСУ ТП ТЭС
Функции, выполняемые АСУ ТП ТЭС.
. Оперативный контроль.
а) контроль на индивидуальных постоянно
включенных приборах охватывает минимальное число наиболее важных
технологических параметров, позволяющих оценить общее положение на энергоблоке.
б) контроль по вызову на аналоговых приборах
предназначен для обеспечения повышенной надежности измерений ограниченной
группы технологических параметров.
в) графическая регистрация на аналоговых
приборах, принимаемая для важных точек контроля в целях представления оператору
перед истории и направления изменения параметров.
г) предупредительная световая и звуковая
сигнализация технологических параметров, вышедших за пределы установленных
значений.
д) сигнализация состояний оборудования,
осуществляемая на оперативном контуре БЩУ.
. Регистрация аварийных положений.
Предназначена для регистрации событий и
параметров в аварийных режимах работы энергоблоков с последующей отработкой и
представлении информации персоналу для анализа причин возникновения и характера
развития аварий.
. Автоматический расчет ТЭП.
В состав вычисляемых ТЭП входят: показатели ПГ и
Т, тепловых и электрических собственных нужд по отдельным составляющим и по
блокам в целом.
. Коррекция регуляторов.
Предназначена для автоматической подстройки
регуляторов при изменении режимов работы энергоблока (изменении нагрузки,
состава работающего оборудования и его характеристик)
. Оптимизация процесса горения в топке
парогенератора.
Предназначена для поддержания максимального
значения КПД парогенератора в разных режимах его работы, путем воздействия на
расход воздуха, подаваемого в топку с помощью регулятора подачи воздуха и
экстремального регулятора КПД, реализуемого УВК.
. Оптимизация вакуумы в конденсаторах турбин.
Предназначена для выбора оптимального расхода
циркуляционной воды на турбину. В качестве критерия используется КПД нетто
турбины.
Функциями управления АСУ ТП по ТЭС являются
следующие:
·
оптимальное
распределение нагрузок между блоками с помощью УВК;
·
выбор
состава оборудования энергоблоков в зависимости от заданного графика
электрической нагрузки ТЭЦ с учетом останова и длительности простоев части
оборудования и затрат топлива и электроэнергии на его последующий пуск;
·
дискретное
и дискретно непрерывное управление оборудованием, образующим функциональные
группы и подгруппы общеблочного и общестанционного назначения.
К настоящему времени автоматизация производства
выделилась в самостоятельную отрасль науки и техники, в которой разрабатываются
вопросы теории автоматического управления и автоматические системы
регулирования производственных процессов, создаются и внедряются необходимые
средства.
3. ОПИСАНИЕ АВТОМАТИЗИРОВАННЫХ ФУНКЦИЙ
3.1 Схемы функциональной
структуры АСУ ТП ТЭС. Функциональные связи подсистем
Укрупненная функциональная структура АСУ ТП
реализуется с помощью комплекса технических средств. Основу такой системы
составляет:
Рис 3.1.1 Функциональная схема АСУ ТП.
СИИ - средство индивидуального измерения
ИП - измерительные преобразователи
СОИ - средства отображения информации
ИВС - информационно-вычислительная система
УВС - управляющая вычислительная система
УЛУ - устройство логического управления
АСР - автоматическая система управления
ДУ - дистанционное управление
1.Информационная. Сбор, обработка и
представление оператору информации;
.Управляющая. Выработка управляющих воздействий,
направленных на достижение заданных критериев управления.
.Исполнительная.Предназначена для реализации
управляющих воздействий с помощью регулирующих или запорных органов и
электроприводов вспомогательных машин и механизмов.
.1.1 Общая структура
АСУ ТП ТЭС
Управление современным
предприятием или производственно-промышленным комплексом с непрерывными
технологическими процессами выработки продукции предусматривает три вида АСУ,
соподчиненных между собой: АСУ ТП; АСУ производством для
оперативно-диспетчерского управления несколькими взаимодействующими
технологическими процессами, осуществляющая также расчет укрупненных значений
ТЭП, определяющая сроки ремонтов оборудования и выполняющая другие функции
производственно-технического характера; АСУ предприятием (АСУП), решающая
задачи управления в масштабе предприятия в целом (экономическое управление,
управление распределением людских и материальных ресурсов и др.).
Автоматизированное управление
производством и предприятием можно совмещать в одном центре управления
производственно-промышленным комплексом, имеющим в своем составе ЭВМ, на
которую возлагаются все вышеперечисленные функции, включая координацию действий
АСУ ТП, являющихся подсистемами АСУП.
Отличие АСУ ТП от АСУ
производством или АСУ предприятием состоит в функциях управления, связанных с
непрерывностью технологических процессов во времени и прекращением процесса
выработки продукции при неподаче сырья в промышленные установки. Все АСУ
(любого уровня и ранга) обладают одним общим свойством - они являются системами
управления с обратной связью.
Высшим по отношению к АСУП
является АСУ отраслью промышленности -совокупностью групп предприятий или
производственно-промышленных комплексов, выпускающих однородную продукцию.
Основу отраслевой АСУ составляет главный вычислительный центр, куда стекается
информация от всех АСУ крупными предприятиями, производственными объединениями
или подотраслями. В АСУ отраслью обычно решаются задачи
оперативно-диспетчерского управления производством в масштабе отрасли,
планово-экономические задачи, а также задачи по автоматизации управленческого труда.
Повышение эффективности общественного производства, улучшение качества
продукции и рост производительности труда тесно связаны с автоматизацией
производственных процессов и внедрением АСУ ТП и АСУП. Проблемам автоматизации
электроэнергетики, созданию АСУ энергетических систем и АСУ ТП ТЭС уделяется
должное внимание в экономических планах развития страны, в решениях и
мероприятиях министерств и ведомств, отвечающих за их внедрение.
.1.2 Состав функций
информационно-вычислительных подсистем
Информационные функции АСУ ТП
по ТЭС следующие:
1. Общестанционный контроль
технологических параметров и состояния оборудования. С целью представления
информации операторам (дежурному инженеру ТЭС) о ходе технологического процесса
и достижения заданных значений технико-экономических показателей ТЭС
предусматривается сбор и переработка информации и состоянии и режиме работы
общестанционного технологического оборудования и главной электрической схемы
станции.
. Расчет общестанционных ТЭП.
Осуществляется различными интервалами времени в зависимости от принятой в
энергосистеме отчетности. Полученная информация представляется лицам,
принимающим/решения по управлению ТЭС: дежурному инженеру, Начальникам смен
(старшим операторам энергоблоков), в производственно-технический отдел и
руководству ТЭС.
. Контроль достоверности
информации общестанционного назначения. Осуществляется параллельно с расчетом
ТЭП ТЭС и отдельных энергоблоков.
. Регистрация общестанционных
аварий. С целью обобщения опыта эксплуатации и последующего анализа аварийных
ситуаций предусматривается, начиная с момента возникновения аварии,
автоматическая регистрация обобщенных показателей ТЭС и технологических
параметров, характеризующих состояние оборудования общестанционного назначения.
. Обмен оперативно-диспетчерской
информации с АСУ вышестоящих и нижестоящих уровней. Осуществляется на основе
отработанных процедур установления связи, обмена и завершения передачи
информации. Обмен информацией происходит непрерывно по важнейшим каналам
управлений и измерений и периодически по второстепенным каналам.
3.1.3 Состав функций
управляющих подсистем
Функции управления АСУ ТП по
ТЭС состоят в следующем:
) оптимальное распределение
нагрузок между энергоблоками с помощью УВК общестанционного назначения,
определяющего расходные характеристики энергоблоков, относительные приросты
электрической мощности и расчет ее абсолютных приростов по энергоблокам;
) выбор состава работающего
оборудования энергоблоков в зависимости от заданного графика электрической
нагрузки ТЭС с учетом останова и длительности простоев части оборудования и
затрат топлива и электроэнергии на его последующий пуск;
) дискретное и
непрерывно-дискретное управление вспомогательным оборудованием, образующим
функциональные группы и подгруппы общеблочного и общестанционного назначения
(РОУ или БРОУ, установки химической подготовки воды, системы топливоподачи,
централизованного циркуляционного водоснабжения и др.);
) выполнение логических
операций по переключениям в главной электрической схеме станции путем воздействия
на исполнительные устройства или УЛУ низшего уровня, сочлененных с
коммутирующей аппаратурой.
) групповое управление
автоматическими системами регулирования возбуждения электрических генераторов с
целью: стабилизации напряжения на выходе отдельных агрегатов и шинах станции.
Наряду с перечисленными функции
управления АСУ ТП по энергоблоку дополняются широким кругом функций,
выполняемых подсистемами нижнего уровня (АСР, УЛУ, ДУ и ТЗ).
3.2
Информационно-вычислительные подсистемы
АСУ ТП отличается от традиционных систем
наличием управляющего вычислительного комплекса (УВК). Его образуют
совокупность технических средств и элементов, предназначенных для выработки и
реализации управляющих воздействий или выдачи рекомендаций по управлению
техническими процессами.
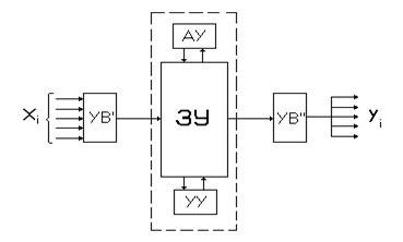
Рис.3.2.1 Функциональная схема ЭВМ.
Центральной частью УВК является ЭВМ. Она состоит
из пяти основных элементов:
1. Запоминающего устройства ЗУ, служащего
местом хранения данных, используемых при вычислении команд, выполнение которых
определяет функции вычислительной машины в системе управления;
2. Арифметического устройства АУ,
выполняющего вычислительные операции(сложение, вычитание, умножение, деление и
сравнение);
. Устройство ввода УВ’, служащего для
введения в ЗУ программ и данных, обрабатываемых вычислительной системой
(численных значений констант, измеренных технологических параметров,
коэффициентов и др.);
. Устройство вывода УВ’’, обеспечивающего
появление на выходе ЗУ результатов вычислений, принимаемых для
непосредственного управления (численных значений сигналов управляющих
воздействий) или для рекомендаций оператору;
. Устройство управления УУ, подающего в
определенном порядке команды на выполнение вычислительных функций, направленных
на принятие ЭВМ логических решений и арифметических операций.
. Арифметическое и запоминающее
устройства (сверхоперативная память) и устройство управления образуют
центральный процессор. Для решения задач управления технологическим процессом
центральный процессор должен быть оснащён пятью дополнительными функциональными
устройствами.
Рис. 3.2.2. Функциональная схема.
. Устройство текущего времени УТВ (электронные
часы).Время вводится в программы, реализуются в АСУ ТП. Главное назначение
устройства - расписание и учет событий, приходящих в течении дня; подача
управляющих воздействий в определённый момент времени, после выявления
запланированных событий.
. Устройство внешнего прерывания выполнения
текущей программы. УВП при появлении с более высоким приоритетом, оставляет
обработку менее важной задачи, имеющей низкий приоритет. После выполнения
программы обслуживания, связанной с высоко приоритетным прерыванием, процессор
возвращается к выполнению прерванной программы.
.Устройство связи с объектом УСО совместно с
устройством ввода - вывода УВВ служит для связи с внешней средой в реальном
масштабе времени. УВК воспринимает информацию в виде аналоговых и цифровых
сигналов. Для этого существуют аналого-цифровые преобразователи АЦП. подключаемые
к множеству первичных преобразователей с помощью входного коллектора.
Большинство ЭВМ имеют два вида сигналов управляющих воздействий, аналоговый и
цифровой. Переход от цифрового значения сигнала к аналоговому осуществляется с
помощью цифроаналового преобразователя ЦАП.
. Устройство сопряжения человека с машиной.
Оператор должен иметь возможность «общаться» с ЭВМ. Чаще всего эта связь
осуществляется с пульта управления процессом. Следствием связи служат: дисплей
вывода информации; дисплей ввода информации.
. Устройство связи с вышестоящим центром
управления ВЦУ служит для осуществления диалога между двумя машинами,
находящихся на разных уровнях управления. Кроме того, УВК соединены между собой
устройствами связи. Во время связи подсистемы низшего уровня должна быть готова
к прерыванию своей задачи через устройства внешнего прерывания при появлении
сигнала от системы управления, обладающей приоритетом.
3.3 Подсистема
логического управления
Устройства логического
управления (УЛУ) предусматривают возможность автоматического вмешательства в
ведение технологического процесса путем переключений энергооборудования и
исполнительных органов, воздействующих на объект, в зависимости от условий
эксплуатации, режима или ограничений, например автоматическое воздействие на
группу функционально связанных механизмов или установок (агрегатов) при пуске,
останове оборудования или перехода на новый уровень нагрузки.
Устройства логического
управления действуют по цепочке командный сигнал - логическое устройство -
исполнительное устройство (пусковое устройство исполнительного механизма,
регулирующего или запорного органа).
Применение УЛУ на ТЭС, так же
как и АСР, способствует повышению надежности и экономичности работы
оборудования ТЭС в различных режимах эксплуатации.
3.4 Подсистема
дистанционного управления
Управление на расстоянии силовыми приводами
машин и механизмов осуществляется системами дистанционного управления (ДУ).
Объектами ДУ служат электроприводы запорных и регулирующих клапанов, а так же
электроприводы вспомогательных вращающихся механизмов, являющихся основными
потребителями электроэнергии на собственные нужды ТЭС.
Системы ДУ состоят из электропривода, силового
коммутационного устройства и аппаратуры управления. Электроприводами
исполнительных механизмов ДУ служат синхронные двигатели, двигатели переменного
тока мощностью от 0,15 - 0,4 кВт, работающие под напряжением 220/360 В.
Силовыми коммутационными устройствами
исполнительных механизмов и электроприводами запорных и регулирующих органов
служат контактные реверсивные магнитные контакторы и бесконтактные магнитные, и
терристорные усилители различных типов в зависимости от типов двигателей. Для
коммутации мощных (от 55 кВт и более) высоковольтных двигателей СН применяют
масляные выключатели с соленоидными приводами; для коммутации низковольтных -
воздушные автоматические выключатели, а для коммутации маломощных двигателей -
магнитные контакторы в комплекте с защитными автоматическими устройствами.
Силовая коммутационная аппаратура на ТЭЦ
размещается в щитах собственных нужд или в комплексных распределительных
устройствах (КРУ), отдельно от электродвигателей, обычно находятся в тяжелых
условиях окружающей производственной среды. Коммутационные устройства для
маломощных двигателей и исполнительных механизмов размещаются в основных
шкафах, на специальных сборках внутри щитов управления или в индивидуальных
металлических корпусах (коробках) на схеме расположения двигателей.
К аппаратуре управления относятся: релейная
аппаратура управления и защиты; орган управления (ключи, кнопки, тумблеры)
индикатора состояния и положения (амперметры, вольтметры, ваттметры, сигнальные
лампы и т.д.); аппаратура технологической защиты объектов (первичные
измерительные преобразователи температуры, оснащенные контактными устройствами,
реле расхода, давления и т.д.). Релейная аппаратура цепей управления
размещается обычно в месте силовой коммутационной аппаратуры в силовых или
отдельных шкафах. Органы управления размещаются на панелях пультов и щитов
управления (БЩ). Аппаратура технологической защиты располагается
непосредственно на объектах управления.
Все агрегаты СН ТЭС служат объектами
двухкоррекционного управления, т.е. находятся в 2-х состояниях: включено или
выключено. Управление электроприводом сводится к включению или отключению
силового коммутационного устройства, подводящего к питанию электродвигателя от
источника переменного или постоянного тока.
Основной канал дистанционного управления
соединяет орган управления с силовым коммутационным аппаратом. Канал управления
представляет собой малоприводной электрический контрольный кабель, по которому
передаются командные сигналы и принимается информация о выполнении команд,
состоянии объекта.
На основе аппаратуры управления реализуются
схемы управления. Они должны составляться, исходя их основного требования, -
надежности, которая складывается из надежности технических средств ДУ и
надежности работы оператора. Последняя оценивается количеством ошибочных
действий оператора в единицу времени. Следовательно, во избежании ошибок
действия оператора по управлению должны быть максимально простыми они должны
сводиться, например, к одноразовому повороту ключа или нажатием кнопки. В тоже
время оператор на должен испытывать недостатки в исходной информации. Для этого
электрические схемы должны обеспечивать информационную связь с объектами
управления в виде визуальных или акустических сигналов подтверждающих
выполнение команд. Кроме того, должна быть обеспечена светозвуковая
сигнализация при неисправностях самой электрической схемы, а также
самопроизвольных или преднамеренных включениях (отключениях) того или иного
агрегата СН.
Электрическое питание аппаратуры управления
(обмоток реле, катушек электромагнитных пускателей и др. элементов
коммутационной техники) осуществляется от наиболее надежного источника электропитания
на ТЭС переменным или постоянным оперативным током при напряжении 220 В. Вместе
с тем электрическое питание силовых и управляющих цепей для крупных эл.
двигателей СН ТЭС должны быть независимыми друг от друга.
В соответствии с ПТЭ резервирование источников
питания цепей управление постоянным током 220В осуществляется лишь для
управления крупными высоковольтными двигателями СН и высоковольтными
исполнительными механизмами АСУ ТП.
Для остальных исполнительных механизмов АСУ ТП,
мощность которых не превышает 4 кВт, питание цепей управления может
осуществляться непосредственно от источника силового напряжения двигателей.
Однако в этом случае должно обеспечиваться его
надежное резервирование. На ТЭС применяются следующие виды дистанционного
управления: Прямое индивидуальное, избирательное (по вызову), групповое
(управления функциональными группами). Все электрические схемы, реализующие эти
способы, должны допускать автоматическое управление.
3.5 Подсистема
автоматического регулирования (перечень основных САР котла, турбины, блока и их
принципиальная структурная схема)
Паровой котел как объект управления представляет
собой сложную динамическую систему с несколькими взаимосвязанными выходными и
входными величинами. а)
б)
Рис.3.5.1
а). Принципиальная технологическая схема
барабанного парового котла. 1. Экранируемая камерная топка; 2. Трубы
циркуляционного контура; 3. Опускные трубы; 4. Барабан; 5,6. Паропрегреватель;
7. Пароохладитель; 8. Экономайзер; 9. Воздухоподогреватель.
б) Схема взаимосвязей между выходными и входными
величинами в барабанном котле.
Однако, ярко выраженная направленность участков
регулирования по основным каналам регулирующего воздействия (Dпв,
Нб, Dвпр, tпп)
позволяет осуществлять стабилизацию регулируемых величин с помощью независимых
одноконтурных систем, связанных лишь через объекта регулирования. При этом
регулирующее воздействие участка (сплошные линии) служит основным способом
стабилизации регулируемой величины, а другие воздействия (пунктир) считаются к
этому участку внутренними или внешними возмущениями.
САР барабанного парового котла в целом состоит
из отдельных замкнутых систем:
1. Давление перегретого пара Рпп и тепловой
нагрузки Dq;
2. Избытка воздуха в топке по содержанию О2
за ПП - экономичности процесса горения;
. Разряжение в верхней части топки Sт;
. температура перегретого пара tпп;
. Питание котловой воды;
. Качество котловой воды;
Способы и схемы регулирования.
Существующие способы и схемы автоматического
регулирования тепловой нагрузки парового и котла давление пара в магистрали
основана на принципах регулирования по отклонению и возмущению или комбинации
того или другого и определяются заданным режимом работы котла и схемы
подсоединения паропроводов перегретого пара к турбине.
Базовый режим - поддержание паровой нагрузки
котла на заданном уровне независимо от изменения общей нагрузки ТЭС. В
регулирующем режиме паровой котел участвует в регулировании общей тепловой
нагрузки ТЭС.
Существуют следующие виды регулирования:
– Регулирование экономичности
процесса горения;
1. По соотношению топливо -
воздух;
2. По соотношению теплота - воздух;
. По соотношению задание - воздух;
– Регулирование разряжения в топке;
– Регулирование первичного перегрева пара;
– Регулирование питание барабанного котла;
– Регулирование качества котловой воды;
Регулирование давления пара и тепловой нагрузки
барабанного котла.
Рис.3.5.2. Формирование сигнала по теплоте:
. Датчик давления; 2. Дифференциатор; 3. Датчик
расхода пара; 4. Измерительный блок регулирующего прибора.
Схема регулирования давления пара перед
турбинной.
Рис. 3.5.3. АСР давления пара перед турбиной.
1. Топка;
2. Регулятор скорости;
. Регулирующие клапаны турбины;
. Регулятор давления;
. Электропривод синхронизатор турбины.
Схема регулирования и питания барабанного котла.
Рис. 3.5.4. АСР питания барабанного котла.
Регулятор 3 перемещает клапан 4 при появлении
сигнала небаланса между расходами питательной воды Dпв
и пара Dпп. Так же он
воздействует на положение питательного клапана при отклонении уровня от
заданного значения Нб.
Схема регулирования разряжения в топке.
Рис. 3.5.5 АСР разряжения в топке.
1. Регулятор разряжения;
2. Регулятор воздуха;
. Устройство динамической связи;
Регулирования разряжения обычно осуществляется
посредством изменение количества уходящих газов, отбираемых дымососом. Для
предупреждения частого возникновения небаланса изменение тепловой нагрузки,
изменение расхода воздуха вводят 3.
Схема регулирования температуры первичного
перегрева пара.
Рис. 3.5.6. АСР температура перегрева первичного
пара.
1. Барабан; 2,3 Ступень пароперегревателя; 4.
Пароохладитель; 5. Регулирующий клапан впрыска; 6. Охладитель пара; 7. Сборник
конденсата; 8. Гидрозатвор; 9. Дифференциатор; 10. Регулятор.
Для барабанных котлов распространен
способ регулирования температуры пара на выходе перегревателя при помощи
пароохладителя. Обще принятой служит АСР температуры перегрева с исчезающим
сигналом из промежуточной точки. 10 Получает основной сигнал по отклонению
температуры пара на выходе пароперегревателя tпп и
дополнительный - пропорционально скорости температуры пара промежуточной точке
непосредственно за пароохладителем dtпр/dt,
упреждающий изменение температуры на выходе при изменениях энтальпии частично
перегретого пара hвх и исчезающей при tпр
tуст пр.
АСР водного режима барабанного котла
Рис. 3.5.7 АСР водного режима
барабанного котла
а). Схема регулирования продувки с
3-х импульсным регулятором;
б). Принципиальная схема
регулирования ввода фосфатов;
. Барабан;
. Регулятор продувки;
. Импульсатор расхода пара;
. Пусковое устройство;
. Мерный бак;
. Плунжерный насос;
. Корректирующий прибор;
Автоматизация непрерывной продувки ввода
фосфатов облегчает труд обходчиков оборудования, позволяет сократить трудоемкий
лабораторный анализ качества котловой воды, ведет к увеличению срока
безремонтной службы основного оборудования
Рис. 3.5.8. Регуляторы процесса горения:
Регуляторы процесса горения:
· Регулятор топлива (РТ)
· Регулятор общего воздуха (РОВ) с
коррекцией по содержанию СО или О2 в уходящих дымовых газах (регулятор
экономичности процесса горения)
· Регулятор разряжения (РР) в топке
котла.
РТ получает задающий сигнал от главного
регулятора (ГР), а отключается по расходу топлива, величина которого изменяется
регулирующим клапаном газа (РКГ) . РОВ получает задающий сигнал от расхода
газа, отключается по расходу воздуха, а также корректирующий сигнал по
содержанию О2 или СО2.
РР регулирует или поддерживает разрежение в топке
котла SТ на заданном
уровне путем воздействия на направляющие аппараты дымососов или изменение числа
оборотов электроприводов. Для улучшения качества регулирования разрежения
предусмотрена данная связь от РОВ через дифференциатор по расходу общего воздуха
ВТ.
Рис. 3.5.9 Формирование сигнала по
тепловосприятию:
1. Датчик перепадов давления в циркуляционном
контуре;
2. Датчик по давлению пара в барабане;
. Барабан;
. Сборный коллектор подъемных труб;
. Коллектор опускных труб;
,7. Подъемные и опускные трубы;
. Измерительный блок регулятора;
Регулятор уровня в барабане котла обеспечивает
надежность работы котловой установки в целом.
Рис. 3.5.10
РП - регулятор питания уровня в барабане;
Д - датчик расхода пара;
WПВ - датчик расхода
питательной воды;
H -основная
регулируемая величина ( уровень в барабане котла);
ЗРУ - задатчик ручного управления;
СУ - система управления;
БУ - блок управления;
Уровень в барабане поддерживается трех импульсным
ПИ-регулятором, где задающим сигналом служит сигнал датчика расхода пара,
который зависит от потребителя.
рис 3.5.11
Защита от повышения давления пара.
Каждый паровой котел на случай повышения
давления пара сверх допустимого снабжается предохранительными клапанами,
действующими по принципу регуляторов давления «до себя». Клапаны
устанавливаются на выходном коллекторе пароперегревателя и в барабане.
Суммарная пропускная способность этих клапанов выбирается с некоторым запасом
по отношению к максимальной производительности парового котла на случай отказа
части клапанов. При этом клапаны устанавливаются на выходном коллекторе, должны
открываться раньше барабанных и при меньшем по абсолютному значению давления
пара на 0,2 - 0,3 Мпа, с тем чтобы обеспечить охлаждение змеевиков
пароперегревателя паром при наличии факела в топке.
На современных паровых котлах и паровых
коллекторах в комплекте предохранительных клапанов используются специальные
импульсные предохранительные устройства. (ИПУ).
Защита по уровню в барабане.
Упуск уровня и перепитка барабана относятся к
самым тяжелым авариям на ТЭС. Каждый паровой котел оснащается системой
автоматической защиты от повышения и понижения уровня на 100 - 120 мм.
3.6 Подсистема технологической
защиты
Устройства защиты обычно устанавливаются для
контроля наиболее ответственных параметров, чрезмерное отклонение которых ведет
к нарушению нормального технологического процесса и повреждению оборудования.
Большинство современных защитных устройств
представляют собой системы непрямого действия, отдельные, связанные между собой
элементы, первичные приборы-датчики, снабженные электрическими контактами,
усилительные устройства, промежуточные реле, устройства пуска и останова
исполнительных механизмов.
По степени воздействия на установки защитные
устройства делятся на основные (главные) и местные (локальные). К основным
относятся защитные устройства, срабатывание которых приводит к останову
парового котла или энергетического блока в целом или к глубокому снижению их
нагрузки.
Местные защиты предотвращают развитие аварии без
останова основных агрегатов
К основным защитам котла относятся:
1. Защита от повышения давления пара.
2. Защита по уровню в барабане.
. Защита от потускнения и погасания факела.
. Защита от понижения температуры
первичного перегрева пара.
. Логическая схема защит барабанного
парового котла, работающего на пылеугольном топливе.
К основным защитам турбины относятся:
1. Защита от увеличения частоты
вращения ротора.
2. Защита от осевого сдвига ротора.
. Защита от ухудшения вакуума в
конденсаторе.
. Защита от понижения давления масла в
системе смазки и охлаждения подшипников.
. Логические схемы действия защит
турбогенератора.
. Защита регенеративных подогревателей
высокого давления.
Защита от осевого сдвига ротора.
Вращающийся ротор имеет некоторую свободу
продольного перемещения относительно ротора. Численное значение этого
перемещения весьма мало (до 1.2 мм для различных типов турбин) и ограничивается
упорным подшипником турбогенератора. Однако из-за износа рабочих поверхностей
или превышения расчетного усилия может произойти продольное смещение ротора,
превышающее допустимое значение. Если при этом не принять соответствующих мер,
то чрезмерный сдвиг ротора вызовет повреждение концевых уплотнений или
лопаточного аппарата турбины. Современные турбогенераторы оснащаются
специальным защитным устройством, воздействующим на останов турбины при
чрезмерном осевом сдвиге ротора. Действие этого устройства, в котором первичным
прибором, фиксирующим изменения положения ротора относительно статора, служит
индукционный датчик.
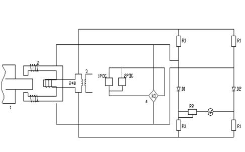
рис 3.6.1 Реле осевого сдвига ротора турбины
(принципиальная схема действия)
Кольцевой выступ 1 на валу ротора располагается
в магнитном поле Ш-образного трансформатора 2. На укороченном среднем стержне
трансформатора расположена обмотка питания, подключенная к источнику
переменного тока, наводящая магнитные потоки М1 и М2 в крайних стержнях, на
которых имеются обмотки с одинаковым числом витков.
При равенстве воздушных зазоров a
и b потоки М1 и М2
равны, а следовательно, равны и наводимые в их обмотках ЭДС. В этом положении
фиксируется нулевой сдвиг ротора. При продольном сдвиге ротора изменяются
зазоры a и b,
а следовательно, потоки М1 и М2 и наводимые ими ЭДС. Результирующее напряжение
вторичной обмотки выпрямляется на выпрямителе 4, питающем цепь, состоящую из
обмотки сигнального реле 2РОС и обмотки первичного реле осевого сдвига 1РОС,
действие которого через промежуточное реле осевого сдвига приводит к выключению
элетромагнитного привода, управляющего механизмом мгновенного закрытия
стопорного клапана турбины.
Применение датчика с одинаковыми вторичными
обмотками позволяет измерять величину смещения ротора в обе стороны, которое
фиксируется указательным стрелочным прибором МА, включенным в диагональ на да,
образованного резисторами R.
Мост питается переменным напряжением 24 В непосредственно от понижающего
трансформатора.
Для множества величин, контролируемых в процессе
управления, достаточно установить лишь фактор их нахождения в зоне допустимых
значений или отклонения за её пределы. Для этих целей в помощь оператору
выделяется специальная группа технических средств, предназначенных для
контрольного чтения представляемой информации - подсистема технологической
сигнализации (ТС). Устройства ТС оповещают персонал о происшедших нарушениях
технологического процесса, установленных режимов работы основного и
вспомогательного оборудования или же о неисправностях в самой АСУ ТП ТЭС. Для
оповещения персонала применяют акустические и зрительные индикаторы.
Звуковая сигнализация обычно выполняется
двухтональной. Первый тон - звонок или зуммер - включается при подаче
предупредительного сигнала, второй сигнал более мощного звучания, обычно сирена
- включается и оповещает персонал об авариях или аварийных отключениях.
Визуальная сигнализация - обычно световая -
осуществляется сигнальными лампами с двухцветным ( красным и зеленым )
кодированием состояния объекта или же с помощью двухламповых или одноламповых
табло.
Электрическое питание схем технологической
сигнализации осуществляется постоянным током от собственного источника.
Раздельное питание обусловлено вероятностью отказов в разветвлённых цепях
технологической сигнализации, обладающих сравнительно низкой электрической
изоляцией по отношению к земле.
4. ТЕХНИЧЕСКИЙ ЭФФЕКТ ВНЕДРЕНИЯ АСУ ТП ТЭС
Технический эффект внедрения АСУ ТП ТЭС:
изменение экономичности работы технологического
оборудования: уменьшение расхода условного топлива на выработку единицы
тепловой и электрической энергии, т.е. повышение КПД котла, уменьшение расхода
вспомогательных материалов (химических реагентов), а также самих технических
средств АСУ ТП (раньше регуляторы технологических процессов использовали
электронные лампы, на питание которых требовался большой расход
электроэнергии).
долговечность - как увеличение срока службы
технологического оборудования и технических средств АСУ.
надежность - как уменьшение числа отказов
предаварийных и аварийных ситуаций.
повышение безопасности работы.
5. ЭКОЛОГИЧЕСКИЙ ЭФФЕКТ ВНЕДРЕНИЯ АСУ ТП ТЭС
Проявляется в уменьшении выбросов
вредных веществ, как в атмосферу, так и в водный бассейн. Например, САР
оптимизации процесса горения, т.е. согласования работы регуляторов топлива
общего воздуха с корректирующим регулятором, с датчиками газового анализа на
содержание
и СО в
уходящих дымовых газах, а также регулятора разряжения, позволяют поддерживать
максимальное значение К.П.Д. котла при изменении нагрузок, что уменьшает
требуемое количество топлива на производство энергии и уменьшает выбросы
вредных веществ, например
.
По технологическим режимам цех ХВО
может использовать как кислые, так и щелочные воды, сброс которых в водоем
наносит ущерб, как природе, так и человеку. Поэтому система автоматического
регулирования нейтрализации сбросных кислых вод позволяет путем измерения
расходов кислых и щелочных вод, а также измерением РН, так перемешать кислые и
щелочные воды с помощью регулятора соотношения расходов, чтобы образовалась
нейтральная среда, которую можно безболезненно сливать в водоем.
6. СОЦИАЛЬНЫЙ ЭФФЕКТ ВНЕДРЕНИЯ АСУ
ТП ТЭС
Социальный эффект автоматизации
проявляется в освобождении человека-оператора от тяжелого физического труда и
части умственного труда (если котел автоматизирован - сокращение
технологического персонала на 3-4 человека приводит к увеличению персонала
автоматчиков на одного человека).
7. ИСХОДНЫЕ ДАННЫЕ ДЛЯ МОДЕЛИРОВАНИЯ
Задача данной курсовой работы состоит
в расчете переходных процессов двухконтурной САР. Динамические характеристики
опережающего и инерционного участков объекта регулирования:
|
Коп
|
Т
1, с
|
Кин
|
Тк,
С
|
,С
|
|
4,5
|
16
|
1,2
|
231
|
45
|
Передаточная функция крайнего
внешнего возмущения, f2:
Структурная схема САР с
дифференцаторам:
Рис.7.1
Дифференциатор настроить по МПК в
частном виде для оптимизации f2. Основной регулятор настроить по
МЧК для оптимизации f1.
8. МЕТОДИКА ОПТИМИЗАЦИИ САР С
ДИФФЕРЕНЦИАТОРОМ (СО СТАБИЛИЗИРУЮЩИМ УСТРОЙСТВОМ)
Произведем декомпозицию
двухконтурной САР рис.7.1 в две одноконтурные.
Внутренний контур представим одной
эквивалентной передаточной функцией:
(1)
Т.о. внутренний контур мы
представили в виде виртуального ПИ-регулятора с передаточной функцией (1) и
рис.7.1 можно представить в виде рис.8.1
Рис.8.1
Как следует из рис.8.1. виртуальный
ПИ-регулятор целесообразно настраивать по передаточной функции инерционного
участка на оптимальную отработку
, которое мы заменяем скачком
задания и оптимизируем настройку ПИ регулятора виртуального по МПК в частном
виде:
(2)
(3)
Т.к. в реальной САР отсутствует
виртуальный ПИ-регулятор, а есть реальный дифференциатор с передаточной
функцией
, которая
обратна виртуальной функции (1), то настройку реального дифференциатора
произведем по формулам:
(4)
(5)
Расчет настройки основного регулятора
производится по структурной схеме внутреннего контура двухконтурной САР.
Рис.8.2
При этом следует учесть, что
передаточная функция дифференциатора при достаточно больших значениях времени
дифференцирования ведет себя как пропорциональное звено с коэффициентом
усиления кд.
(6)
В результате рис.8.2 примет вид:
Рис.8.3
Для того чтобы в главной обратной
связи была -1 нужно
умножить на
передаточную функцию опережающего участка и получим:
Рис.8.4
В соответствии с рис.8.4 настройку
основного ПИ-регулятора целесообразно производить по МЧК для оптимальной
отработки
со
следующим критерием оптимальности:
и степень затухания ψ = 0,95
(7)
Для упрощения расчета вводим
относительные единицы. Находим относительный коэффициент усиления разомкнутой
системы:
(8)
Находим относительную постоянную
времени опережающего участка:
(9)
Относительное время интегрирования
ПИ-регулятора:
(10)
Относительный коэффициент усиления:
(11)
Находим абсолютное значение
коэффициента усиления регулятора кр с учетом (8) и (11):
Относительное время интегрирования:
(12)
Абсолютное время интегрирования
(13)
Для больших инерционных пароперегревателей для
улучшения качества регулирования добавляется фильтр в виде инерционного звена
первого порядка с передаточной функцией:
(14)
Рис.8.5
(15)
9. МЕТОДИКА РАСЧЕТА НАСТРОЙКИ САР С
ДИФФЕРЕНЦИАТОРОМ
9.1 МПК в
частном виде
Исходные данные:
. Динамика объекта задана в виде передаточной
функции инерционного звена второго порядка:
(16)
Т1 - большая постоянная времени;
. Передаточная функция
ПИ-регулятора:
(17)
. Структурная схема одноконтурной
САР в виде направленного графа:
Рис.9.1
4.Оптимизируем отработку скачка
задания: хзд(t)=f2(t)=1(t).
Вместо оптимизации скачка f
будем
оптимизировать скачок задания, который не зависит от потребителя.
.Критерий оптимальности:
Будем считать такие значения
и
ПИ
регулятора оптимальными, которые при обработке скачка задания обеспечивают
такой переходный процесс, который напоминает колебательное звено с
коэффициентом передачи
=1 и
коэффициентом демпфирования:
(18)
Алгоритм вывода формулы оптимальной
настройки:
.В соответствии с названием метода,
время интегрирования регулятора выбирается равное большей постоянной времени
объекта
, т.е.
опережающее действие регулятора ((
) в числителе) полностью
компенсирует инерционность объекта в виде суммы ((
) в
знаменателе):
Ти=Т1 (19)
Оптимальный переходный процесс
зависит только от численного значения малой постоянной времени -
.
.Запишем передаточную функцию
замкнутой САР рис.9.1
по
задающему воздействию:
(20);
.Т.к. произведение передаточной
функции регулятора на передаточную функцию объекта регулирования называется
передаточной функцией разомкнутой САР, то:
(21)
.В передаточной функции (20)
числитель и знаменатель разделим на числитель
(22)
. Передаточную функцию (22)
подставим в передаточную функцию (21) и преобразуем к типовому колебательному
звену:
(23)
6. Составляем систему уравнений:
(24)
(25)
Тогда с учетом (19):
(26)
Решив систему уравнений (26) получим:
(27)
7. В (27) подставляем (18):
(28)
. Равенство (28) представим в
относительных единицах через относительный коэффициент усиления К и
относительную постоянную объекта регулирования Т:
(29)
(30)
. Если объект задан в виде
передаточной функции (16), то получить оптимальный переходной процесс можно,
если рассчитать настройки ПИ-регулятора по формулам МПК в частном виде:
Ти=Т1
Если передаточная функция объекта
содержит запаздывание:
то расчёт параметров динамической
настройки ПИ-регулятора производим по формулам МПК в частном виде, только
вместо Ти подставляем Тк , а вместо
в (28) подставим
:
Ти=Тк (31)
И тогда:
(32)
9.2 Вывод
формул по МПК в общем виде
Исходные данные:
.Передаточная функция объекта:
(33)
.Структурная схема:
Рис.9.2
.Оптимизируем отработку скачка
задания: хзд(t)=1(t).
.Критерий оптимальности:
В качестве критерия оптимальности
выбираем такие настройки регулятора, которые бы при отработке скачка задания
обеспечивали переходный процесс, подобный динамике последовательному соединению
звена чистого запаздывания (
) и инерционного звена первого
порядка со временем разгона
(34)
Время разгона экспоненты выбираем
так, чтобы скорость изменения регулируемого параметра не превышала заданного
значения.
Требуется:
1. Вывести формулу, по которой будет
определить тип регулятора из стандартных алгоритмов регулирования.
2. Для выбранного типового регулятора
вывести формулы для оптимальной динамической настройки, которые бы при
отработке скачка задания обеспечивали переходный процесс, соответствующий
кривой, которая соответствует передаточной функции (34).
Алгоритм действий:
1. Запишем передаточную функцию замкнутой САР
по задающему воздействию:
(35)
. Для получения одного уравнения с
одним неизвестным подставим в (35) оптимальную передаточную функцию замкнутой
САР:
(36)
. Запишем передаточную функцию
регулятора:
(37)
В равенстве (37) в трех местах
присутствует запаздывание, а в хорошем регуляторе оно должно отсутствовать.
Для устранения в передаточной
функции (37) звена чистого запаздывания решаем это уравнение графическим путем.
В результате получаем:
регулирование энергия
вычислительный подсистема
(38)
(39)
В передаточную функцию регулятора
(37) последовательно подставим передаточную функцию объекта (33), передаточную
функцию (34) и (39):
(40)
(41)
Если
, то получим ПИД-регулятор:
Если запаздывание
объекта
мало, то
также мало,
им можно пренебречь. Тогда вместо ПИД-регулятора можно оставить ПИ-регулятор.
Однако в этом случае оптимальный переходный процесс будет колебаться вокруг
экспонента с перерегулированием 4,3%.
.3 Методика
вывода формул МЧК
Это один из методов расчёта
оптимальной настройки ПИ-регулятора одноконтурной САР для объекта с
передаточной функцией в виде инерционного звена II - го
порядка для оптимальной отработки внутреннего возмущения f1 (f)
обеспечивающий минимум интеграла квадрата ошибки регулирования при заданной
степени затухания
=0,95.
Исходные данные:
.Передаточная функция объекта:
(44)
где: Т1>σ;
.Передаточная функция ПИ-регулятора:
(45)
где: кр, Ти - параметры оптимальной
динамической настройки, которые надо рассчитать по таким формулам, чтобы при
отработке скачка внутреннего возмущения f1,
выполнялись следующие требования критерия оптимальности:
. Критерий оптимальности:
(46)
. Структурная схема:
Рис.9.3
Алгоритм вывода формул основан на
отказе от размерных величин и переходу к безразмерным параметрам.
- относительный коэффициент
усиления регулятора.
- относительное время
интегрирования.
- новый оператор Лапласа.
- относительная постоянная времени
объекта регулирования.
Алгоритм действий:
. Переход к относительному времени
объекта регулирования:
(47)
.
(48)
. Запишем передаточную функцию
передаточной САР при скачке внутреннего возмущения:
(49)
Переходим к третьему оператору
Лапласа:
(50)
где
(51)
(52)
.В диаграмме Вышнеградского
требуется найти одну точку, которая бы удовлетворяла критерию оптимальности.
Эта точка имеет координаты А1=2,539; А2=1,853, она находится в зоне 1.
. Относительные параметры
оптимальной динамической настройки ПИ-регулятора через коэффициент
Вышнеградского и относительную постоянного времени объекта:
(53)
(54)
. Определяем абсолютное значение:
(55)
(56)
10. РАСЧЕТ НАСТРОЙКИ ДВУХКОНТУРНОЙ
САР
Расчет настройки по МПК в ЧВ:
Время дифференцирования (4):
Коэффициент усиления дифференциатора
(5)
Относительная постоянная времени объекта
регулирования (9):
Относительный коэффициент усиления
регулятора (11):
Расчет настройки по МЧК:
Абсолютное значение коэффициента
усиления регулятора
Относительное время интегрирования
(12)
Абсолютное время интегрирования (14)
11. КРАТКОЕ ОПИСАНИЕ ПРОГРАММЫ
РАСЧЕТА ПЕРЕХОДНЫХ ПРОЦЕССОВ САР НА ЭВМ
. Собираем схему рис.11.1 при Wкз=1
Рис.11.1
. Даём скачёк Хзд, выводим на печать
У (смотреть приложение рис.1), если при этом максимальное перерегулирование
> 5%, то вместо скачка задания Хзд=1, используем звено медленного
реагирования. Методом подбора Т1 и Т2 (при том, что Т1 < Т2) добиваемся,
чтобы А1 было < 5 %.
. Наносим скачек внутреннего
возмущения f1, выводим
на печать (смотреть приложение рис.2).
. Наносим скачек внешнего возмущения
f2, выводим
на печать (смотреть приложение рис.3).
. Выводим на печать регулирующее
воздействие при отработке скачка крайнего внешнего возмущения (смотреть
приложение рис.4)
. Рис.11.1 превращается в рис.11.2
путем добавления Wф(р)=1/(Тф·р+1), Тф= τу/4=45/4=11,25
При этом мы переходим к
ПИД-алгоритму регулирования по МПК в ОВ и повторяем все действия, что со схемой
рис.11.1
Рис.11.2
При времени Тф=11,25 при нанесении
скачка наша система регулирования идет вразнос.
Поэтому произведем новый расчет
двухконтурной САР на основании равенства:
Повторяем все действия со схемой рис.11.2,
причем передаточные функции мы подставляем новые, рассчитанные выше. Результат
выводим на печать (смотреть приложение рис.5, рис.6, рис.7, рис.8).
12. СВОДНАЯ ТАБЛИЦА ПРЯМЫХ ПОКАЗАТЕЛЕЙ КАЧЕСТВА
ПРИ ОСНОВНЫХ ВОЗДЕЙСТВИЯХ ДЛЯ ПИ И ПИД АЛГОРИТМОВ РЕГУЛИРОВПАНИЯ
На основании полученных нами графиков заполняем
сводную таблицу прямых показателей при основных воздействиях для сравнения ПИ и
ПИД регулирования:
|
ПИ
|
ПИД
|
|
1.0431.05
|
|
|
|
16623
|
|
|
|
  35057
|
|
|
|
Внутреннее
возмущение
|
|
0.0190.021
|
|
|
|
21972
|
|
|
|
  40072
|
|
|
|
Внешнее
возмущение
|
|
4.1741.845
|
|
|
|
214207
|
|
|
|
  396207
|
|
|
Из сводной таблицы мы видим, что
ПИД-регулятор лучше, чем ПИ-регулятор, т.к. при отработке скачка задания
величина полного времени регулирования у ПИД-регулятора гораздо меньше; при
отработке внутреннего возмущения мы видим, что также полное время регулирования
меньше у ПИД-регулятора; а при отработке самого важного возмущения - внешнего
величина
у ПИД-регулятора
гораздо меньше, а также меньше полное время регулирования это особенно важно,
т.к. отработка внешнего возмущения является самым важным, т.к. оно задается
потребителем.
На основании сделанных выводов по
таблице, считаю, что наиболее лучшим вариантом будет использование
ПИД-регулятора.
ВЫВОДЫ
Сравнивая полученные графики
переходных процессов САР, мы видим, что ПИД-регулятор обеспечивает наилучшее
качество регулирования, у него меньше динамическая ошибка регулирования при
отработке крайнего внешнего возмущения, меньше время регулирования.
ПИД-регулятор обеспечивает наилучшее качество регулирования благодаря
предвиденью Д-составляющей закона регулирования, но у него есть недостатки,
например: 3 параметра оптимальной динамической настройки, которые труднее
рассчитать и установить на регуляторе.
Поэтому при выборе ПИ или
ПИД-регулятора надо учитывать как достоинства регуляторов, так и их недостатки.
ЛИТЕРАТУРА
1. Плетнев
Г.П. Автоматическое управление и защита теплоэнергетических установок
электростанций: Учебник для техникумов. - М.: Энергоатомиздат, 1986. - 344 с.
2. Плетнев
Г.П. Автоматизированное управление объектами тепловых электростанций: Учебн.
Пособие для вузов. - М.: Энергоиздат, 1981. - 368
. Кулаков
Г.Т. Инженерные экспресс-методы расчета промышленных систем регулирования: Спр.
Пособие. - Мн.: Выш. Шк., 1984. - 192 с.
. Конспект
лекций по курсу «АСУ ТП ТЭС »
ПРИЛОЖЕНИЕ
Рис.1
Рис.2
Рис.3
Рис.4
Рис.5
Рис.6
Рис.7
Рис.8