Определение основных законов кинематики механических систем, их применение для изогнутой балки с консольным участком, материальной точки, плоского механизма и вращающей системы

  • Вид работы:
    Контрольная работа
  • Предмет:
    Физика
  • Язык:
    Русский
    ,
    Формат файла:
    MS Word
    70,1 Кб
  • Опубликовано:
    2013-02-04
Вы можете узнать стоимость помощи в написании студенческой работы.
Помощь в написании работы, которую точно примут!

Определение основных законов кинематики механических систем, их применение для изогнутой балки с консольным участком, материальной точки, плоского механизма и вращающей системы

Вариант 54

Контрольное задание С-1

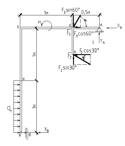
Жёсткая изогнутая балка с консольным участком установлена на двух опорах А и В. Опора А - это неподвижный шарнир; опора В - стержень ВВ´, прикреплённый неподвижными шарнирами к балке и к основанию - неподвижной опоре.

На балку действует пара сил с моментом М = 100 Н·м; неравномерно распределённая нагрузка q1 = 15 Н/м; сила F4= 40 Н, приложенная в точке К на конце консоли и сила F2= 20 Н, приложенная в точке Е. ℓ = 0,5 м.

Определить реакции в опорах А и В.

Рис.1 Заданная схема изогнутой балки

Рис.2 Расчётная схема балки

Составим уравнения равновесия:

А = 0; - XB·2 + q·1,5 + M - F2·sin30°·0,5 - F2·cos30°·0,5 + F3·sin60°·0,5 = 0, откуда

XB =[ q·1,5 + M - F2·sin30°·0,5 - F2·cos30°·0,5 + F3·sin60°·0,5]/2 = [15·1,5 + 100 - 20·0,5·0,5 - 20·0,866·0,5 + 30·0,866·0,5]/2 = 60,92 H.

𝝨FY = 0; YA + F2·sin30°- F3·sin60° = 0, откуда

YA = - F2·sin30°+ F3·sin60° = - 10,0 + 30,0·0,866 = 15,98 Н.

𝝨FХ = 0; - XB - XA + q·1 - F2·cos30° - F3·cos60° = 0 , откуда

XA = - XB + q·1 - F2·cos30° - F3·cos60 = -60,92 + 15 - 20·0,866 - 30·0,5 = - 78,24 Н,

реакция направлена в противоположную сторону, принятую ранее.

Ответ: XA = 78,24 Н;

YA = 15,98 Н;

XB = 60,92 Н.

Контрольное задание К-1

Точка С движется по плоскости хОу. Закон движения точки С задан двумя уравнениями:

х = f1(t). y = f2(t),

где х и у выражены в сантиметрах, t - в секундах.

х = 2sin(t) - 3;

у = 8cos(t) - 3;                                                                              (1)

Определить уравнение траектории точки С, определить скорость, ускорение точки С, а также касательное и нормальное ускорения и радиус кривизны в точке С траектории для момента времени t1 = 1с и всё изобразить графически.

Решение.

Исключим из системы уравнений время t.

Считая α = t , получим х = 2sinα - 3; sinα =  ;

Воспользуемся формулой cos2α = 1 -2 sin2α. тогда

 = 9cos2α = 8[1 -2 (  )2] - 3 = - 4x2 - 24x - 31, это уравнение параболы, т.е. y = - 4x2 - 24x - 31.

Изобразим параболу на чертеже

х

-1

-2

-3

0

1

2




у

-11

1

5

-31

-59

-95






Далее определим положение точки С на траектории в момент времени t1 = 1c.

Для этого в уравнения (1) подставим значение t = 1с. Получим

х = 2sin(t) - 3 = 2·0,5 - 3 = -2;

у = 8cos(t) - 3 = 8·0,5 - 3 = 1;

хс = -2; ус = 1; т.е. С(-2; 1), обозначим т.С на траектории.

Далее определим две составляющие скорости т.С по осям Х и У:

Vx = x´ = dx/dt = .y = y´ = dy/dt = - 8.

При t = 1с Vx =  cм/с;

Vy =- - 8 = -8 = - 7,25 см/с.

Модуль скорости Vс = (Vx2 + Vy2) = (0,912 + 7,252) = 7,31 см/с.

Изобразим все три вектора на чертеже.

Из построения видно, что скорость Vс направлена по касательной к траектории в данной точке С. По вектору Vс проведём линию в обе стороны - получим касательную ось τ.

 

Аналогично определим составляющие ускорения т. С:

ахс = V´x = dVx/dt = - π2/18·(sin;

аус = V´у = dVу/dt = - cos ;

При t = 1с, ахс = - 0,274 см/с2; аус = - 4,38 см/с2.

ас = ( а2хс + а2ус) = ( 0,2742 + 4,382) = 4,39 см/с2.


Касательное ускорение определим по формуле

аτ = (Vx·ax + Vy·ay)/V = [0,91·(- 0,274) +(- 7,25)·(- 4,38)/7,31 = 4,31 см/с2.

Нормальное ускорение

асn = (a2c - a2τ) = (4,392 - 4,312) = 0,833 см/с2.


Радиус кривизны

ρ = V2/an; ρ = 7,312/0,83 = 64,38 см;

Контрольное задание K-2

Плоский механизм состоит из четырёх стержней 1, 2, 3, 4 и ползуна В (рис.К-2.5 Методические указания).

ω1 = 4 с-1; ℓ1 = 0,3 м; ℓ2 = 1,2 м; ℓ3 = 1,5 м; ℓ4 = 0,5 м.

Т.к. ω1 = 4 с-1, то вращение ведущего кривошипа 1 происходит против часовой стрелки.

Найти: VB, VE, ω3 .

Решение.

Определяем линейную скорость точки А

VA = ω1 · ℓ1 = 4·0,3 = 1,2 м/с;


Согласно теореме: проекции векторов VA и VЕ на прямую АЕ равны и направлены в одну сторону. Поэтому определяем линейную скорость VЕ :

VA·cos30° = VE·cos60°, 1,2·0,866 = VE·0,5; VE =  м/с;


Для определения скорости поршня В необходимо определить величину и направление скорости точки D, которая находится на середине АЕ.

Определим мгновенный центр скоростей звена 2. Для этого проведём два перпендикуляра к известным векторам VA и VЕ.


ωС2 = VA/0,600 = VD/0,600, откуда VD = (VA·0,600)/0,600 = (1,5·0,600)/0,600 =1,2 м/с;

Далее определяем линейную скорость ползуна В. Для этого также используем теорему о равенстве проекций скоростей.

VВ = VD·cos60° = 1,2·0,5 = 0,6 м/с;


Определим мгновенный центр скоростей звена 3. Для этого проведём два перпендикуляра к известным векторам VD и VB, которые образуют две параллельные линии, а значит мгновенный центр скоростей VB и VD находится в бесконечности, т.е. ω3 = 0.

Ответ: VВ = 0,6 м/с;

VE =  м/с;

ω3 = 0.

Контрольное задание Д-2

Механическая система состоит из сплошного катка 1, ступенчатого шкива 2 и груза 3, соединённых в единую систему тел с помощью невесомых нитей, намотанных на ручьи шкива 2.

Из положения равновесия систему выводит сила F. Определить один из кинематических параметров движения системы, когда система под действием силы F передвинулась на расстояние S1 (соответствующую перемещению тела 1).

fтр = 0,2; R2 = 0,3 м; r2 = 0,2 м.

m1 = 10 кг; m2 = 1,0 кг; m3 = 8,0 кг;

М2 = 0,5 Н·м; F = f(S) = 30(5 + 4S); S1 = 0,6 м;

Найти ω2.



Решение.

Для решения задачи применим теорему об изменении кинетической энергии системы.

Т - Т0 = ie.                                                                        (1)

Кинетическая энергия движущейся системы равна сумме кинетических энергий всех тел этой системы:

Т = Т1 + Т2 + Т3.                                                                        (2)

Тело 1 движется плоскопараллельно, т.е. его кинетическая энергия:

Т1 = ·V2c1 + Jc1·ω21,

где Vc1 - скорость центра 1;

Jc1 - момент инерции катка относительно оси, проходящей через центр масс, т.е. - т.С1;

ω1 - угловая скорость вращения катка относительно оси, проходящей через т. С1.

Шкив 2 вращается постоянно относительно неподвижности в центре точки О2, т.е. кинетическая энергия: Т2 =  ·J2·ω22,

где J2 - момент инерции шкива относительно оси, проходящей через точку О2;

ω2 - угловая скорость шкива относительно оси, проходящей через точку О2.

Груз 3 движется поступательно, т.е. его кинетическая энергия: Т3 = m3·V23

Все скорости выражаем через искомую угловую скорость ω2, т.е. Vс1 = ω2· R2. следовательно:

ω2 = Vс1/ R2. ω1 = Vс1/ R2.

Vс3 = ω2· r2 .

Моменты инерции: сплошного цилиндрического катка : Jc1 = 0,5m1·r21; шкива с периферийной массой : J2 = m2· R22. Всё подставляем в выражение (2):

Т = ·V2c1 + Jc1·[Vс1/ R2]2 +  ·J2·[(Vc1/ R2)]2 + m3·[ Vс1(r2/ R2)]2 =  ω22 · R22 + Jc1[(ω2· R2)/R2]2 +  ·J2·[( ω2· R2)/R2]2+ m3·[( ω2· R2)· (r2/ R2)]2 = [  · R22 + Jc1 +  ·J2 + m3· r22 ] ·ω22 = [  · 0,09 + 0,2 +  ·0,09 + 8· 0,04 ] ·ω22 = 0,755 ω22 .

Далее определим сумму работ всех действующих внешних сил на соответствующих перемещениях тел системы.

Реакции N1, N2, N3 , а также m1·g, m2·g, mg·cos30° на направлениях перемещений имеют проекции равные нулю, поэтому работ не совершают.

Fтр,1 - приложенная в точке касания катка 1, не производит работы, т.к. эта точка - мгновенный центр скоростей и тело 1 катится по плоскости без скольжения, т.е. без сопротивления.

Положительные работы производят:

)        Сила F на перемещении S1, т.е. инициирующая движение всей системы сила:

А(F) =  = 150·S1 +120·S21 = 150·0,6 + 120·0,36 = 133,2 Н·м,


Отрицательные работы производят:

)        Сила m3g·sin30° (скатывающая составляющая G3) на перемещении S3 даёт отрицательную работу, т.к. направлена против движения системы:

А(G3) = - m3g·sin30°· S3 = - m3g·sin30°·r2·ϕ2 = - m3g·sin30°·(r2/ R2)·S1 = - 8·10·0,5··0,6 = - 16 Н·м.

3)      Тормозной момент шкива 2 даёт отрицательную работу:

А(М2) = - М2·ϕ2 = - М2·(S1/R2) = - 0,5·(0,6/0,3) = - 1,0 Н·м.

4)      Сила Fтр,3 создаёт отрицательную работу (работу силы сопротивления) на том же перемещении S3:

А(Fтр,3) = - fтр· m3· g·cos30°· S3 = - 0,2· 8· 10·0,866· (0,2/ 0,3)·0,6 = - 5,54 Нм.

Окончательно из выражения (1) находим:

,755 ω22 = 110,66, ω2 =  = 12,1 м/с.

Ответ: Угловая скорость шкива 2 ω2 = 12,1 рад/с.

Контрольное задание Д-3

балка точка ускорение инерция

Вертикальный невесомый вал вращается с постоянной угловой скоростью ω = 5 1/с. Вал имеет две опоры: подпятник А и цилиндрический подшипник В. К валу жёстко прикреплён невесомый стержень 1 длиной ℓ1 = 0,6 м с сосредоточенной массой m1 = 6 кг на его конце, а также однородный стержень 2 длиной ℓ2 = 0,8 м с массой m2 = 8 кг.

Пренебрегая весом вала и считая b = 0,3 м, определить реакции опор: подпятника А и шарнира В. α = 60°, β = 45°.


Решение.

К вращающей системе (вал, стержни, груз) применим принцип Даламбера.

Рассмотрим систему тел в плоскости хА (обозначим оси координат) и приложим (изобразим) все силы, действующие на систему:

Реакции RB; RAx; RAy.

Внешние силы: G1 = m1·g; G2 = m2·g; силы инерции стержня Fu2 и груза Fu1.


Для определения сил инерции стержня и груза определим ускорения их центров масс точек C1 и С2. Т. к. вращение вала равномерное (ω = const), то ускорения равны центростремительным, то есть нормальным составляющим ускорения

аhc1 = ω2·hc1; аhc2 = ω2·hc2; H1 = 0,6·cos60° = 0,6·0,5 = 0,3 м;

аhc1 = ω2·hc1 = 52·0,52 = 13,0 м/с2;

hc2 = 0,8·cos45° = 0,8·0,707 = 0,566 м;

аhc2 = ω2·hc2 = 52·0,566 = 14,15 м/с2;

Векторы сил Fu1. и Fu2 направлены в противоположную сторону направлениям аhc1 и аhc2.

Н2 = ·0,566 = 0,377 м; H1 = 0,3 м;

Fu1 = m1· аhc1 = 6·13,0 = 78,0 H.

Fu2 = m2· аhc2 = 8·14,15 = 116 H.

Для полученной плоской системы сил составим три уравнения равновесия:

=0;  = 0;  =0;

 = 0, RAx - RB + Fu1 + Fu2;                                                                  (1)

 =0, RAу - G1 - G2;                                                                    (2)

=0, Rb·0,6 - G1· hc1 - Fu1·(H1 + 0,3) - G2· hc2 - Fu2·(0,9 + H2) = 0. (3)

Из (2) находим RAу = G1 + G2 = (6 + 8)·10 = 140 Н.

Из (3) находим RВ = [G1· hc1 + Fu1·(H1 + 0,3) + G2· hc2 + Fu2·(0,9 + H2)]/0,6 =

= [60· 0,52 + 78,0·(0,3 + 0,3) + 80· 0,566 + 116·(0,9 + 0,377)]/0,6 = 45,2 H.

RAx = RB - Fu1 - Fu2 = 45,2 - 78,0 - 116 = -148,8 H, направлена в противоположную сторону от первоначального.

Ответ: RAx = 148,8 H. RAу = 140 Н. RВ = 45,2 H.

Похожие работы на - Определение основных законов кинематики механических систем, их применение для изогнутой балки с консольным участком, материальной точки, плоского механизма и вращающей системы

 

Не нашли материал для своей работы?
Поможем написать уникальную работу
Без плагиата!
Без нейросетей!