Технологический расчет и подбор сушильного аппарата для сушки фосфорита
Введение
Сушка, представляет собой процесс удаления влаги из твердых влажных
материалов путем ее испарения и отвода образующихся паров. Сушка является
наиболее распространенным способом удаления влаги из твердых и пастообразных.
При сушке в кипящем слое в качестве сушильных агентов применяют топочные
газы и воздух, сушку проводят в аппаратах непрерывного и периодического
действия, причем непрерывная сушка производится в одноступенчатых и
многоступенчатых сушилках. В последнем случае достигается повышенная степень
использования тепла сушильного агента.
Сушилки с кипящим слоем являются одним из прогрессивных типов аппаратов
для сушки. Процесс в кипящем слое позволяет значительно увеличить поверхность
контакта между частицами материала и сушильным агентом, интенсифицировать
испарение влаги из материала. Сушилки с кипящим слоем в настоящее время успешно
применяют в химической технологии не только для сушки сильно сыпучих зернистых
материалов (например, минеральных и органических солей), но и материалов,
подверженных комкованию, например, для сульфата аммония, поливинилхлорида,
полиэтилена и некоторых других полимеров, а также пастообразных материалов
(пигментов, анилиновых красителей), растворов, расплавов и суспензий.
Аппараты с псевдоожиженным слоем зернистого материала получили широкое
распространение в химической и других отраслях промышленности.
В курсовой работе проводится технологический расчет и подбор
сушильного аппарата для сушки фосфорита. Также приводится чертеж сушильного
аппарата и технологическая схема процесса сушки.
1.
Технологический расчёт сушилки
1.1 Исходные данные для
технологического расчета
) Производительность сушилки по высушенному материалу Gk = 2,77 кг/с.
) Содержание фракции частиц в материале:
диаметр от 6,0 до 4,2 мм - 21%;
диаметр от 4,2 до 3,1 мм - 79%.
) Влажность фосфорита:
начальная Wн = 16,5%;
конечная Wк = 2,0%
) температура влажного материала θ1 = 19 °С;
) Удельные потери тепла в окружающую среду на 1 кг испаренной влаги qп = 21,8 кДж/кг (что соответствует примерно 1% тепла,
затрачиваемого на испарение 1кг воды);
) Параметры свежего воздуха:
температура tо = 21 оC;
относительная влажность φо = 83%.
)Давление в сушилке - атмосферное
)Температура воздуха после калорифера t1 = 143 °С.
Расчёт
расхода влаги, удаляемой из высушиваемого материала, проводится по уравнению
материального баланса сушилки (1) [1, стр. 296]:
W=Gк∙
(1)
где
Gк -
производительность сушилки по высушенному материалу, кг/с;
-
начальная влажность фосфорита, %;
-
конечная влажность фосфорита, %;
W=2,77∙
=0,481 кг/с.
Определение параметров отработанного воздуха. Примем температуру отработанного воздуха t2=65 0С, что позволит достаточно полно использовать
тепло сушильного агента. Тогда температура материала в слое равна 63 0С.
Принимая модель полного перемешивания материала в псевдоожиженном слое, можно
считать температуру высушенного материала равной температуре материала в слое,
т.е.
=63 0С.
Расчёт внутреннего теплового баланса сушилки рассчитываем по уравнению
(2) [1, стр. 296]:
, (2)
где
- разность между удельным приходом и расходом тепла
непосредственно в сушильной камере, кДж/кг влаги;
c - теплоёмкость
влаги во влажном материале при температуре
, кДж/(кг∙К);
qдоп - удельный дополнительный подвод тепла в сушильную
камеру, кДж/кг влаги;
qт - удельный подвод тепла в сушилку с транспортными
средствами, кДж/кг влаги;
qм - удельный подвод тепла в сушильный барабан с
высушиваемым материалом, кДж/кг влаги.
Расчёт
удельного подвода тепла в сушильный барабан с высушиваемым материалом
рассчитывается по уравнению (3):
qм=Gк∙см∙
(3)
где
см - теплоёмкость высушенного материала, равная 0,819 кДж/(кг.∙К);
-
температура высушенного материала на выходе из сушилки, 0С.
qм=2,77∙0,819∙
=207,5
кДж/кг влаги.
При
работе сушилки по нормальному сушильному варианту qдоп=0, в рассматриваемом случае qт=0, тогда получим:
кДж/кг.
влаги.
На
диаграмме I-x (рисунок 1) по известным параметрам t0=21 0С и
83%
находим влагосодержание x0 и
энтальпию I0 свежего
воздуха: x0=0,014 кг
влаги/кг сухого воздуха; I0=55
кДж/кг сухого воздуха.
При
нагревании воздуха до температуры t1=143 0С его энтальпия увеличится до I1
=188 кДж/кг. Так как нагрев
сушильного агента осуществляется через стенку, то влагосодержание остается
постоянным: х0=х1.
Для
определения параметров отработанного воздуха построим на диаграмме рабочую
линию сушки. Зададим произвольное значение влагосодержания воздуха x =
0,05. Соответствующее ему значение энтальпии найдем по уравнению (4) [1, стр.
297]:
. (4)
Подставляя
найденные ранее значения находим
I=183-149,7∙(0,05-0,014)=182,61
кДж/кг сухого воздуха.
В точке пересечения линии сушки и изотермы 65 0С находим
конечное влагосодержание отработанного воздуха x2=0,043 кг/кг.
Расход воздуха L на
сушку определяем по уравнению (5) [1, стр. 297]:
, (5)
кг/с.
Рисунок
1- Диаграмма состояния влажного воздуха I - x.
сушилка влага штуцер гидравлический
Среднюю температуру воздуха в сушилке находим из уравнения (6):
(6)
°С.
Среднее
влагосодержание воздуха в сушилке находим из уравнения (7):
, (7)
кг
влаги/кг сухого воздуха.
Средняя
плотность сухого воздуха и водяных паров находим из уравнения (8) и (9):
(8)
(9)
где
,
-
молярная масса сухого воздуха и водяных паров, кмоль/кг;
tср - средняя температура воздуха в сушилке, °С.
кг/м3,
кг/м3.
Средняя
объёмная производительность по воздуху находим по уравнению (10):
, (10)
м3/с.
(11)
где
Re- критерий Рейнольдса;
-
вязкость воздуха при средней температуре, Па∙с;
dэ - эквивалентный диаметр полидисперсных частиц
материала, м;
-
средняя плотность воздуха, кг/м3.
Критерий
Рейнольдса рассчитывается по формуле (12):
(12)
где Ar - критерий Архимеда.
Критерий Архимеда рассчитывается по формуле(13):
(13)
где
- плотность частиц, кг/м3.
Эквивалентный
диаметр рассчитывается по формуле (14):
, (14)
где
mi - содержание i-й фракции,
массовой доли;
di-
средний ситовый размер i-й фракции, м.
Скорость
начала псевдоожижения:
м/с.
Верхний
предел допустимой скорости воздуха в псевдоожиженном слое определяется
скоростью свободного витания (уноса) наиболее мелких частиц. Эту скорость
определяют по уравнению (15) [1, стр. 302]:
(15)
где
- скорость свободного витания (уноса), м/с;
-
плотность воздуха при средней температуре кг/м3;
- вязкость
воздуха при средней температуре, Па∙с;
dм - наименьший диаметр частиц высушиваемого материала,
кг/м3.
Критерий
Архимеда для частиц диаметром 3,1 мм равен:
Скорость
свободного витания (уноса) определяем:
м/с.
Рабочую
скорость
сушильного агента выбирают в пределах от 
до 
. Эта
скорость зависит от предельного числа псевдоожижения, которое определяется по
формуле (16):
,
(16)
Так
как Кпр меньше 20, то рабочее число псевдоожижения примем К
=1,5.
Тогда
рабочая скорость сушильного агента определиться по формуле (17):
, (17)
м/с.
Диаметр
сушилки d определяют из уравнения расхода (18) [1, стр. 301]:
, (18)
м.
Принимаем
диаметр сушилки по каталогу Dс=3,0 м.
Расчет
высоты псевдоожиженного слоя
Высоту псевдоожиженного слоя высушиваемого материала можно определить на
основании экспериментальных данных по кинетике как массо-, так и теплообмена по
уравнению (19):
(19)
где
x* и x -
равновесное и рабочее влагосодержание воздуха, кг влаги/кг сухого воздуха;
- коэффициент
массоотдачи, м/с;
-
порозность псевдоожиженного слоя, м3/м3;
h - высота
псевдоожиженного слоя, м.
Равновесное
содержание влаги в сушильном агенте определяется по I - x
диаграмме как абсциссу точки пересечения рабочей линии сушки с линией
постоянной относительной влажности: x*=0,057 кг/кг.
Тогда
левая часть уравнения (18) будет равна:
=
кг/кг.
Порозность
псевдоожиженного слоя
при известном значении рабочей скорости может быть
вычислена по формуле (20):
, (20)
где
Re - критерий Рейнольдса;
Ar - критерий
Архимеда.
Критерий
Рейнольдса рассчитывается по формуле (21):
(21)
Критерий
Архимеда Ar = 1,45∙106 (см. выше). Тогда
м3/м3.
Коэффициент
массоотдачи
определяют на основании эмпирических зависимостей;
при испарении поверхностной влаги он может быть рассчитан с помощью уравнения
(22):
(22)
где
Nu
- диффузионный критерий Нуссельта;
-
диффузионный критерий Прандтля.
Коэффициент
диффузии водяных паров в воздухе при средней температуре в сушилке рассчитывается
по формуле (23):
, (23)
где D20 - коэффициент диффузии водяных паров
в воздухе при 20 °С; D20=21,9∙10-6 м2/с.
м2/с.
Диффузионный критерий Прандтля рассчитаем по выражению (24):
=
, (24)
.
(25)
м/с.
Подставляя
в уравнение (19) получим:
откуда
0,275=e[-34,21∙h],
тогда
h= 0,0377 м.
Проверим
правильность определения величины h по опытным данным для
теплоотдачи в псевдоожиженных слоях.
Найдем
высоту слоя из уравнения (26):
(26)
где
с - теплоёмкость воздуха при средней температуре, равная 1000 Дж/(кг∙К);
-
коэффициент теплоотдачи, Вт/(м2∙К);
t - температура
газа, 0С;
tм - температура материала, 0С.
Определим
высоту псевдоожиженного слоя, необходимую для испарения поверхностной влаги
материала. Принимая модель полного перемешивания материала в псевдоожиженном
слое, можно считать температуру материала равной температуре мокрого
термометра. Последнюю находим по параметрам сушильного агента с помощью I - x
диаграммы (рисунок 1). Она равна
tм=42 0С.
Коэффициент
теплоотдачи
определим по уравнению (27):
, (27)
где
- коэффициент теплопроводности воздуха при средней
температуре, Вт/(м∙К);
Pr - критерий
Прандтля.
Критерий
Прандтля рассчитаем по формуле (28):
, (28)
где с - теплоёмкость воздуха, кДж/(кг∙К);
Вт/(м2∙К).
Подставляя
найденные значения в уравнение (29) получим:
, (29)
,
откуда
h=0,0188 м.
В
случае удаления поверхностной влаги (первый период) сушки, гидродинамически
стабильная высота обычно значительно превышает рассчитанную по кинетическим
закономерностям. При этом высоту псевдоожиженного слоя Н определяют, исходя из
следующих предпосылок. На основании опыта эксплуатации аппаратов с
псевдоожижженым слоем установлено, что высота слоя Н должна быть приблизительно
в 4 раза больше высоты зоны гидродинамической стабилизации слоя Нст,
т.е.
. Высота Нст связана с диаметром отверстий
распределительной решётки d0
соотношением Нст
следовательно, высоту псевдоожиженного слоя H
определяют по соотношению (30):
Диаметр отверстий распределительной решётки выбирают из ряда нормальных
размеров, установлено ГОСТ 6636-69.
Выберем диаметр отверстий распределительной решётки d0 = 0,0056 м.
Тогда высота псевдоожиженного слоя:
Н
=80∙0,0056=0,448 м.
Число
отверстий n в распределительной решетке определяют по уравнению
(31):
(31)
где
S - сечение распределительной решётки, численно равное
сечению сушилки, м2;
Fс - доля живого сечения решётки.
Принимая
диаметр сушилки по каталогу Dc=3,0 м и долю живого сечения Fс = 0,04, найдем число отверстий в распределительной
решетке:
Рекомендуется
применять расположение отверстий в распределительной решетке по углам
равносторонних треугольников. При этом поперечный шаг t’, и продольный шаг t” вычисляют по соотношениям (32) и (33):
, (32)
, (33)
откуда
м,
м.
Высоту
сепарационного пространства сушилки с псевдоожиженным слоем принимают в 4-6 раз
больше высоты псевдоожиженного слоя:
м.
Принимаем
высоту сепарационного пространства сушилки Н С = 2,6 м.
При
отсутствии опытных данных по кинетике массообмена можно пользоваться объемным
напряжением сушилок с псевдоожиженным слоем по влаге Аv.
Проверим соответствие рассчитанного значения высоты псевдоожиженного слоя
экспериментальным данным, полученным при сушке материала. Для фосфорита
напряжение по влаге Аv=60кг/(м3
ч) =
0,0166кг/(м3
с) [1, стр. 300].
Объем
псевдоожиженного слоя найдем по формуле (34)
Vk=
, (34)
м3.
Высота псевдоожиженного слоя находим по формуле (35)
H=
, (35)
м.
Расчет
гидравлического сопротивления сушилки.
Основную
долю общего гидравлического сопротивления сушилки
находиться по уравнению (36):
, (36)
где
- общее гидравлическое сопротивление, Па;
-
гидравлическое сопротивление псевдоожиженного слоя, Па;
р - гидравлическое сопротивление решетки, Па.
Величину
находят по уравнению (37):
(37)
=2800∙(1-0,522)∙9,8∙0,448=5876
Па.
Минимально
допустимое гидравлическое сопротивление решетки
может
быть вычислено по формуле (38):

(38)
где
- порозность неподвижного слоя, для шарообразных
частиц равной 0,4 м3/м3.

Па.
Гидравлическое
сопротивление решетки найдем по формуле (39):
, (39)
где
- коэффициент сопротивления решетки,
=1,75.
Па.
Па.
Диаметр штуцеров рассчитываем по уравнению 40 [4, стр. 107]
d =
,(40)
где G - массовый расход теплоносителя,
кг/с;
r - плотность теплоносителя, кг/м3;
w -
скорость движения теплоносителя в штуцере, м/с.
Принимаем скорость воздуха в штуцере на входе w = 15 м/с, на выходе из сушилки 15 м/с, тогда штуцер для
входа воздуха:
d1 =
м.
По
ОН-26-01-34-66 примем штуцер с Dy1
=0,5 м [4, табл. 27.3, стр. 661].
Диаметр
штуцера для выхода воздуха:
d2 =
м.
По
ОН-26-01-34-66 примем штуцер с Dy2
=0,65м [4, табл. 27.3, стр. 661].
2.
Технологическая схема сушки
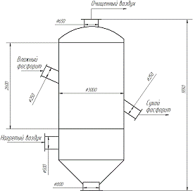
На рисунке 2 представлен общий вид сушки с кипящим слоем
Рисунок 2 - Общий вид сушильного аппарата.
Технологическая схема сушки
На рисунке 3 представлена принципиальная схема сушилки с кипящим слоем
1 - транспортер; 2 - бункер; 3 - питатель; 4 - подогреватель;
5 - камера; 6 - циклон; 7 - батарейный циклон; 8 - дымосос; 9 - вентилятор
Рисунок 3 - Схема сушилки с кипящим (псевдоожиженным) слоем
Описание технологического процесса сушки
Влажный материал подается транспортером поз. 1 в приемный
бункер поз. 2 и питателем-забрасывателем поз. 3 распределяется на поверхности
слоя. Вентилятором поз. 9 воздух направляется в подогреватель поз. 4. Нагретый
воздух поступает в подрешеточное пространство камеры поз. 5 и, выходя с большой
скоростью из отверстий газораспределительной решетки, псевдоожижает находящийся
на ней слой высушенного продукта. Высушенный продукт разгружается непрерывно
через отверстие, находящееся на уровне решетки (в других установках разгрузка
производится через переливное устройство, расположенное на уровне слоя).
Разгрузка на уровне решетки способствует выводу крупных комков. Сухой материал
поступает на ленточный транспортер. Мелкая фракция, выделенная в системе
циклонов (обычно поз. 6 и батарейном поз. 7), вертикальным шнеком подается из
сборника к месту загрузки и смешивается с влажным материалом. Окончательная
очистка отходящего из сушильной установки греющего агента осуществляется в
мокром скруббере, перед которым установлен дымосос поз. 8.
Заключение
В курсовой работе был проведён технологический расчёт процесса сушки.
Были рассчитаны материальный и тепловой баланс процесса сушки. С помощью
диаграммы Рамзина определены расход воздуха, скорости воздуха, диаметр сушилки,
высота псевдоожиженного слоя, и гидравлическое сопротивление сушилки.
Таким
образом, были получены следующие величины сушильного аппарата: Dс=3,0 м; Н=0,448 м; Нс=2,6 м;
=9197 Па.
Список использованной
литературы
1. Г.С.
Борисов, В.П. Брыков, Ю.И. Дытнерский. Основные процессы и аппараты химической
технологии: Пособие по проектированию. Под ред. Ю.И. Дытнерского, 2-ое издание,
переработанное и дополненное. - М.: Химия, 1991.-496 с.
2.
К.Ф. Павлов, П.Г. Романков, А.А. Носков. Примеры и задачи по курсу процессов и
аппаратов химической технологии, 13-е издание, стереотипное. - М.:
«Альянс», 2006.-576 с.
. Касаткин
А.Г.Основные процессы и аппараты химической технологии: Учебник для вузов. 14-е
изд., стереотипное. Перепечатка с 9-го издания 1973 г. - М.:ООО ИД «Альянс»,
2008.-753 с
. А.А.
Лащинский, А.Р. Толчинский. Основы конструирования и расчета химической
аппаратуры. - Л.: - Машиностроение, 1970.-752 с.