Исследование трёхфазного асинхронного двигателя в однофазном и конденсаторном режимах
Цель работы
Изучить схемы переключения трехфазной обмотки
статора асинхронного двигателя для работы его от однофазной сети, изучить
способы пуска асинхронного двигателя при работе от однофазной сети, сравнить
рабочие характеристики и оценить энергетические показатели двигателя при работе
в трехфазном, конденсаторном и однофазном режимах.
Программа работы
Ознакомиться с лабораторной установкой для
испытания асинхронного двигателя с короткозамкнутым ротором в трехфазном,
однофазном и конденсаторном режимах.
Ознакомиться с некоторыми способами переключения
трехфазной обмотки статора асинхронного двигателя для работы в однофазном и
конденсаторном режимах.
Ознакомиться с принципом действия однофазного и
конденсаторного асинхронных двигателей, изучить способы их пуска.
Получить рабочие характеристики асинхронного
двигателя в трехфазном, однофазном и конденсаторном режимах.
Провести анализ полученных характеристик и
сделать выводы.
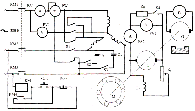
Схема электроустановки
Таблица
|
Режим
работы
|
№
п/п
|
Результаты
измерений
|
Результаты
вычислений
|
|
|
|
        
|
|
|
|
|
|
|
|
|
|
|
      - -
|
|
|
|
|
|
|
|
|
|
|
Однофазный
U1 = 210 В
|
1
|
0,52
|
100
|
1340
|
0,1
|
15
|
0
|
0,012
|
0,89
|
0,107
|
0
|
|
2
|
0,54
|
105
|
1330
|
0,16
|
20
|
7,11
|
0,026
|
0,904
|
0,113
|
0,068
|
|
3
|
0,56
|
115
|
1320
|
0,2
|
25
|
11,11
|
0,04
|
0,955
|
0,12
|
0,106
|
|
4
|
0,6
|
120
|
1302
|
0,24
|
30
|
16
|
0,056
|
0,93
|
0,132
|
0,133
|
|
5
|
0,68
|
130
|
1260
|
0,32
|
40
|
28,4
|
0,889
|
0,16
|
0,218
|
|
Конденсаторный
U1 = 210 В
|
1
|
0,56
|
110
|
1395
|
0,12
|
15
|
0
|
0,014
|
0,14
|
0,07
|
0
|
|
2
|
0,57
|
110
|
1391
|
0,16
|
20
|
7,11
|
0,024
|
0,898
|
0,073
|
0,065
|
|
3
|
0,58
|
112
|
1388
|
0,2
|
25
|
11,11
|
0,038
|
0,098
|
0,075
|
0,099
|
|
4
|
0,59
|
115
|
1382
|
0,24
|
30
|
16
|
0,055
|
0,907
|
0,079
|
0,139
|
|
5
|
0,6
|
117
|
1375
|
0,29
|
35
|
22,56
|
0,078
|
0,907
|
0,083
|
0,193
|
|
6
|
0,62
|
122
|
1364
|
0,34
|
42
|
31,73
|
0,11
|
0,92
|
0,091
|
0,26
где - ток нагрузочного генератора (А), - напряжение
нагрузочного генератора (В), - КПД нагрузочного генератора. Полезный
момент на валу .
Коэффициент мощности , скольжение
, КПД
двигателя
Рис.Зависимость
Зависимость потребляемой мощности от
полезной мощности P1 = f(P2). При P2 = 0
существуют потери Х.Х. (P0), т. к. с
ростом P2 растут
переменные потери, то P1 увеличивается
быстрее, чем по прямой пропорциональной зависимости. В однофазном режиме
переменный ток проходя по обмотке создает пульсирующей магнитный поток не
подвижный в пространстве который можно разложить на два потока противоположных
по направлению и равных по модулю. По этому при одном и том же значении P2
потребляемая мощность в однофазном режиме будет наибольшая. В конденсаторном
режиме за счет фазосмещающего элемента (конденсатора) обратный поток будет
частично подавляться образующееся поле будет элептическим и потребляемая
мощность будет меньше чем в однофазном режиме но больше чем в трехфазном.
Рис. Зависимость
асинхронный двигатель
ротор
При P2
= 0 существует ток Х.Х. (I0).
При постоянном напряжении т. к. ток участвует в создании P2
и переменных потерь, то с ростом P2
он растет быстрее, чем по прямой пропорциональной зависимости. В следствии выше
указанных причин в однофазном режиме ток создает обратный поток, то при одном и
том же Р2 его значения больше чем в трехфазном режиме. Т.к. в
конденсаторном режиме часть вредного потока подавляется, то значение тока
падает по сравнению с однофазным режимом.
Рис. Зависимость
Так как с ростом P2 растет
нагрузка на ротор двигателя, следовательно, ротор притормаживается и его
скорость уменьшается.
Рис. Зависимость
Так как с ростом P2 обороты
двигателя уменьшаются, то М2 растет быстрее, чем по прямой
пропорциональной зависимости.
Рис. Зависимость
При P2
= 0 существует коэффициент мощности (cosφ0)
- Х.Х. в области от нуля до максимума функции преобладающее влияние на cosφ1
оказывает
мощность Р1, поэтому с ростом Р2 cosφ2
- растет. В точке максимума функции влияние на cosφ1,
Р1,Q1
- одинаково, поэтому коэффициент мощности максимальный. В области справа от
максимума функции преобладающее влияние на cosφ1
оказывает Q1,
следовательно с ростом Р2 cosφ1
убывает. Значительный рост мощности Q1
области справа от максимумам функции обусловлен ростом индуктивного
сопротивления ХS2.
Рис. Зависимость
Кривая КПД электрической машины сначала быстро возрастает с увеличением нагрузки, затем КПД достигает максимального значения (обычно при нагрузке близкой к номинальной) и при больших нагрузках уменьшается. Последнее объясняется тем, что отдельные виды потерь (электрические и добавочные) растут быстрее, чем полезная мощность. В следствии того что часть потребляемой мощности тратится в однофазном режиме на создание обратного поля то КПД самый низкий, в конденсаторном режиме он намного больше чем в однофазном.
Похожие работы на - Исследование трёхфазного асинхронного двигателя в однофазном и конденсаторном режимах
|