Исследование вольт-амперных характеристик разряда униполярного пробоя газа в широких интервалах давлений газа и амплитуд импульсного потенциала положительной полярности
Содержание
Введение
Глава I. Разряды. Их виды, свойства и характеристики
I.1 Описание явления
I.2 Газовый разряд
I.2.1 Тлеющий разряд
I.2.2 Коронный разряд
I.2.3 Дуговой разряд
I.2.4 Зажигание дуги
I.2.5 Темный (таунсендовский) разряд
I.2.6 Разряды сверхвысокой частоты (СВЧ-разряды)
I.2.7 Высокочастотные (ВЧ) разряды
Глава II. Разряд УПГ, его характеристики
II.1 Свечение газа
II.2 Особенности разряда униполярного пробоя газа
II.3 Размерный эффект
II.3.1 Развитие разряда униполярного пробоя газа
II.3.2 Схема наблюдения РЭ, результаты его исследования
II.4 Зависимость скорости распространения разряда УПГ от
соотношения между главными параметрами его возбуждения
II.5 Выполнение закона сохранения заряда в начальной стадии
развития разряда УПГ
II.6 Исследование импульсного электрического поля, излучаемого
поверхностью стеклянной трубки с разрядом униполярного пробоя газа
II.7 Нормальная плотность тока в разряде УПГ
II.8 Несамостоятельный ток в разрядном промежутке
Глава III. Экспериментальное исследование вольт-амперных
характеристик униполярного пробоя газа
III.1 Экспериментальная установка
III.2 Компьютерный осциллограф DSO 2100
III.3 Вольт-амперная характеристика одиночного зонда
III.4 Получение данных для построения вольт-амперных характеристик
III.5 Построение вольтамперных (ВАХ) характеристик одноэлектродного
разряда униполярного пробоя газа (УПГ) по распределению электрических зарядов
на поверхности стеклянной трубки с амплитудой импульсного потенциала
положительной полярности
Заключение
Литература
Введение
Физика явлений, происходящих в газовых разрядах с непрерывным
и импульсным подводом электрической энергии, является основой лазерных
технологий, определивших за последние десятилетия общий технический прогресс.
Однако с точки зрения фундаментальных законов физики существующая теория многих
явлений, наблюдаемых в различных типах разрядов, не является достаточно
убедительной. Именно к такого рода явлениям относится и разряд униполярного
пробоя газа (УПГ): в разряде УПГ нет ни металлических поверхностей, эмитирующих
электроны, нет и продольного поля, необходимого для их разгона до формирования
области разрядной плазмы [1-4].
Разрядный столб - свечение газа в разряде УПГ - возникает как при
положительной, так и при отрицательной полярности импульсного потенциала
на единственном покрытии - электроде (ПЭ)
на наружной поверхности одного из концов трубки с разреженным газом. Свечение
газа возникает вслед прохождения по его объему свободных объемных зарядов
(СОЗов), которые появляются в объеме газа возле ПЭ при поступлении на него
импульсов высоковольтного потенциала [3].
Существуют условия, когда разряд в газе создается с помощью
единственного покрытия электрода (ПЭ), на который подается высоковольтное
импульсное напряжение амплитудой более 0,8 кВ, частотой следования 500-1500 Гц
и длительностью импульсов порядка 10 мкс. Этот разряд получил название
униполярного пробоя газа (УПГ).
Явление униполярного пробоя газа (УПГ) представляет собой
однополярный вид разряда в газе с электродом, на который подаются
высоковольтные импульсы потенциала положительной или отрицательной полярности.
Отсутствие непосредственного контакта покрытия-электрода с газовой
средой предполагает безэлектродный ввод энергии в ее объем.
Основными параметрами перемещаемых по объему газа СОЗов являются:
их радиус
, плотность их зарядов
и их квазипотенциальное поле
. Плотность
объемного заряда СОЗов зависит только от давления газа; их радиус
изменяется на длине их пробега в объеме
газа трубки. Соответственно изменению радиуса
СОЗов изменяется и их электростатическое поле
, которое проявляется своим воздействием
на газовую среду ионизацией, возбуждением и поляризацией ее молекул [2].
Последовательное уменьшение радиуса СОЗов при их удалении от
единственного покрытие - электродов, размещенного снаружи на поверхности стенки
трубки, проявляется в наблюдении светящегося столба разряда в форме конуса [3].
Работа посвящена исследованию вольт-амперных характеристик (ВАХ)
разряда униполярного пробоя газа в широких интервалах давлений газа и амплитуд
импульсного потенциала положительной полярности. Рассматриваются
результаты экспериментов с разрядом униполярного пробоя газа, связи
вольт-амперных характеристик с графиками напряженности поля на поверхности
трубки E (φ) и
поверхностной плотности σ (φ).
По результатам исследований делаются выводы о природе наблюдаемых
явлений.
Глава I.
Разряды. Их виды, свойства и характеристики
I.1 Описание
явления
В самом общем смысле электрическим пробоем называется процесс
превращения непроводящего вещества в проводник в результате приложения к нему
достаточно сильного поля. Ионизированное состояние, в которое приходит газ при
пробое, может возникать за разные промежутки времени - от 10-8 с до
нескольких секунд, но чаще всего это происходит за 10-4-10-8
с. Ионизация достигает заметной величины не сразу, постепенно, и, как правило,
пробой сопровождается видимой невооруженным глазом световой вспышкой. Если
внешнее поле прикладывается на достаточно длительное время, то в результате
пробоя может зажечься разряд, который будет гореть, пока действует поле. Так
происходит в любых электрических полях: постоянном, импульсном, периодическом,
в поле электромагнитной волны, световой. Предел, до которого нарастает
ионизация, диктуется конкретными условиями. Ее степень может быть порядка 10-8
при зажигании тлеющего разряда, ток которого ограничен большим сопротивлением
внешней цепи. Это может быть и полная однократная ионизация всех атомов, как
случается при пробое под действием интенсивного лазерного импульса.
Первичным и главным элементом сложного процесса пробоя
является электронная лавина, которая развивается в газе под действием поля.
Лавина начинается с небольшого количества затравочных электронов, которые
появляются случайно, скажем под действием космических лучей (как это принято,
например, в работах Ю.П. Райзера, Дж. Мика, Дж. Крэгса и других авторов [5-11]
применительно к безэлектродным и емкостным разрядам). Ее может начать даже один
электрон. Чтобы надежно спровоцировать возникновение лавины, для облегчения
пробоя при экспериментальных исследованиях, пользуются искусственными
источниками первичных электронов (например, облучают катод или газ
ультрафиолетовым излучением, вызывающим фотоэффект). Под действием
электрического поля электрон набирает энергию. Достигая энергии, несколько
превышающей потенциал ионизации, он ионизирует молекулу, теряя при этом свою
энергию. В результате появляются два медленных электрона. Они снова ускоряются
полем и также производят ионизацию - получается четыре электрона, и т.п. Происходит
это в ходе систематического дрейфового сноса лавины, если поле постоянное, и в
быстропеременном поле, когда электроны в основном "топчутся на
месте", совершая колебания.
Явление пробоя имеет резко выраженный пороговый характер. Это
значит, что пробой происходит только при полях, превышающих определенное для
каждых конкретных условий значение. Так, повышая напряжение на разрядном
промежутке, мы до поры до времени не замечаем каких-либо изменений в состоянии
среды. При определенных значениях напряжения ионизация бурно развивается,
приборы регистрируют ток, наблюдается вспышка, свечение газа. Существование
порога связано с резкой зависимостью скорости ионизации атомов электронным
ударом от величины поля и с тем, что наряду с ионизацией, обеспечивающей размножение
электронов, имеются механизмы, которые ставят препятствия на пути развития
лавины.
Лавину тормозят потери энергии электронов и потери самих
электронов. Первые замедляют приобретение в поле энергии, достаточной для
ионизации. Вторые приводят к обрыву цепей в цепной реакции размножения.
Электроны теряют энергию на возбуждение электронных состояний атомов и молекул,
молекулярных колебаний и вращений, а также при упругих столкновениях.
Электронные цепочки обрываются в результате диффузионного ухода электронов из
области действия поля (в частности, на стенки), прилипания в
электроотрицательных газах. При пробое газа между электродами, к которым
приложено напряжение, электроны устраняются в результате вытягивания их полем
на анод. Рекомбинация не принадлежит к числу тех механизмов гибели электронов,
которые оказывают существенное влияние на порог пробоя. Судьба лавины, будет
она развиваться или нет, решается на ранней ее стадии, когда электронов и ионов
так мало, что их встреча маловероятна. Скорость рекомбинации пропорциональна
квадрату плотности зарядов. При малых плотностях рекомбинация намного уступает
механизмам гибели, линейным по плотности электронов: выносу полем на анод,
диффузии на стенки, прилипанию. Однако рекомбинация, возрастающая после рождения
очень многих поколений электронов, может поставить предел дальнейшей ионизации
и тем самым зафиксировать уровень, которого достигает степень ионизации при
пробое.
Потери энергии электронов скорее следует рассматривать как
фактор, уменьшающий частоту ионизации. Формально они не закрывают возможности
размножения, лишь замедляют его, хотя фактически в недостаточно сильных полях
сводят на нет скорость ионизации. Исчезновение электронов обрывает цепи, и это
ставит предел самой возможности осуществления цепной реакции размножения. Идет
соревнование между рождением и гибелью электронов. Скорость рождения
электронов, которая определяется частотой ионизации, чрезвычайно резко зависит
от напряженности поля. Скорость гибели зависит от поля значительно слабее. Значит,
преобладание положительного или отрицательного факторов для развития лавины
очень чувствительно к величине поля. Даже если поле чуть ниже порогового,
скорость ионизации заметно меньше скорости гибели и размножения не происходит.
Если же поле больше порогового, процесс ионизации идет лавиной.
Порог пробоя определяется соотношением между скоростями
рождения и гибели электронов лишь при достаточно длительном воздействии поля,
когда достаточно времени на рождение многих поколений электронов [7]. В случае
очень кратковременных импульсов поле должно быть настолько сильным, чтобы
обеспечить рождение достаточного, "макроскопического" числа
электронов за время импульса даже при полном отсутствии их потерь [8-9]. Так,
например, получается при пробое газа сфокусированными "гигантскими"
лазерными импульсами, которые длятся всего (2-4) 10-8 с. Видимая
вспышка появляется, если в области фокуса нарождается около 1013
электронов.
I.2 Газовый
разряд
Газовый разряд - это процесс протекания электрического тока
через газ. Различают несамостоятельные и самостоятельные разряды.
Несамостоятельный разряд возможен при инжекции электронов в
разрядный промежуток (например, термоэмиссия с катода) или при ионизации газа
каким - либо внешним источником. Несамостоятельный разряды используют довольно
широко: это и ионизационные камеры технологического и дозиметрического
назначения на атомных реакторах, газотроны в выпрямительных установках сетей
питания постоянным током, плазмотроны с накаливаемым катодом и т.д. Физические
процессы, протекающие в разных несамостоятельных разрядах, естественно,
различаются, но не все они характерны для собственно газовых разрядов, как
обычно понимают этот термин. В них с помощью электрического поля просто
собирают образующиеся в объеме заряды: в пропорциональных счетчиках используют
ограниченное образование электронных лавин, в гейгеровских счетчиках происходит
коронный разряд [8].
Самостоятельный тлеющий разряд зажигается тогда, когда
напряжение на его активных участках достигает "напряжения пробоя".
Для дугового разряда необходимо создать условия возникновения термоэмиссии с
катода. Коронные разряды возникают только при наличии участков с очень большой
неоднородностью напряженности электрического поля, а искровые разряды -
принципиально импульсные. Все это справедливо для постоянных электрических
полей. У полей ВЧ и СВЧ, которые широко используются в технологиях, есть своя
специфика, особенно у полей лазерной искры.
I.2.1 Тлеющий
разряд
Тлеющий разряд наиболее изученный и широко применяемый на
практике газовых разрядов. В течение многих десятилетий для его получения и
исследования служил классический прибор - разрядная трубка. Для тлеющего
разряда в трубках характерны напряжения на электродах 102-103 В
и токи 10-4 - 10-1 А с радиусом примерно 1 см, длиной 10-100
см при типичных давлениях 10-2 - 102 Торр.
Тлеющий разряд - это электрический разряд в газе,
характеризующийся термодинамической неравновестностью и квазинейтральностью,
возникающей в разряде плазмы. Эффективная температура электронов существенно выше
температуры газа и электродов. Термоэмиссия практически отсутствует (электроды
холодные). Свое название разряд получил из-за наличия около катода, так
называемого, тлеющего свечения [8, 10].
Благодаря свечению газа тлеющий разряд нашел широкое
применение в лампах дневного света, различных осветительных приборах и т.п.
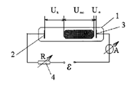
На рис.1 показана классическая схема установки тлеющего
разряда.
-стеклянный баллон, диаметром 1-3см, длинной до 1м; 2-катод;
3-анод; 4-балластное сопротивление (обязательный элемент); А-амперметр. Баллон
1, можно откачать и затем заполнить выбранным газом до заданного давления.
Рис.1. Классическая схема установки тлеющего разряда.
Обычно в разряде наблюдаются три визуально различимые
области:
а) прикатодная область, на ней падает напряжение Uк,
как правило 200 ч700 В;
б) положительный столб (пассивный элемент в физике тлеющего
разряда) сближая анод и катод, можно ликвидировать положительный столб -
полезный элемент: он светится в рекламных трубках, он и есть активная среда в
газовых лазерах; напряжение на нем не определяется именно техническими
требованиями, например, длинной рекламных трубок; в) прианодный слой обычно
очень тонкий. Он состоит из светящейся "пленки" и тонкого темного
участка. Долго считали, что он тоже "пассивный", однако теперь
доказано, что некоторые неустойчивости прямо связаны с ним. Падение напряжения
Uо невелико (10ч20 В) на анодном слое очень чувствительно к
состоянию поверхности анода и обычно близко к потенциалу ионизации газа.
I.2.2
Коронный разряд
Коронный разряд - самостоятельный разряд, который возникает
только при условии очень большой неоднородности электрического поля хотя бы
одного из электродов (острие-плоскость, нить-плоскость, две нити, нить в
цилиндре большого радиуса и т.д.). Условия возникновения и развития короны
различные при разной полярности "острия". Если острие - катод (корона
"отрицательная"), то зажигание короны по существу происходит так же,
как в тлеющем разряде.
Полной ясности в механизме горения разряда нет, но это не
мешает применению коронных разрядов в промышленности (например: электрофильтры;
в счетчиках Гейгер-Мюллера). Но он бывает и вреден, как например, на
высоковольтных линиях (ЛЭП) коронные разряды создают заметные потери.
Короны бывают прерывистыми с различными частотами: у
положительных до 104 Гц, у отрицательных - 106 Гц, а это
уже радиодиапазон помех. Механизм прерывистости разряда у положительной короны,
по-видимому, связан с тем, что электроны стримеров втягиваются в анод, а
положительные остовы ионов экранируют анод. Новые же стримеры не могут
создаваться, пока положительные остовы не уйдут к катоду. Тогда анод
"откроется" и картина повторится. Для отрицательной короны
существенно наличие в воздухе кислорода. Немного отойдя от короны, электроны
прилипают к кислороду, после чего отрицательные ионы экранируют острие, и
разряд прекращается, до тех пор, пока они не уйдут к аноду. После ухода ионов
разряд возникает вновь и картина повторится [8-11].
I.2.3 Дуговой
разряд
Дуговой разряд возникает, если после зажигания искрового
разряда от мощности источника постепенно уменьшать расстояние между
электродами, и если, минуя стадию искры, электроды сблизить до соприкосновения,
а потом развести. При атмосферном давлении температура катода приблизительно равна
3900К. По мере горения дуги катод заостряется, а на аноде образуется углубление
- кратер, являющийся наиболее горячим местом дуги. По современным
представлениям, дуговой разряд поддерживается за счет высокой температуры
катода из-за интенсивной термоэлектронной эмиссии температурой газа.
Дуговой разряд находит широкое применение для сварки и резки
металлов, получения высококачественных сталей (дуговая печь) и освещения
(прожекторы). Дуга, возникающая в ртутном паре, является мощным источником
ультрафиолетового излучения (кварцевые лампы). Дуговой разряд при низких
давлениях в парах ртути используется в ртутных выпрямителях для выпрямления
переменного тока.
I.2.4
Зажигание дуги
Зажигание дуги можно произвести, соединяя электроды (основные
или вспомогательные, как в игнитроне), а затем разъединяя их. Процесс зажигания
дуги при размыкании цепи объясняется локальным разогревом электродов вследствие
возникновения между ними плохого контакта, когда из-за большого сопротивления
происходит нагрев места контакта до термоэмиссии и разряд зажигается. Такой же
процесс происходит и при размыкании тока в сильноточных выключателях с
образованием вредных дуг, которые выжигают электроды [10].
Другой способ образования дуги - это ионизация в
межэлектродном промежутке при подаче повышенного напряжения и выбор формы
электродов, способствующей разряду. Если в тлеющем разряде увеличивать силу
тока, то при большой силе тока напряжение на электродах трубки начинает падать,
разряд быстро развивается и превращается в дуговой. В большинстве случаев
переход осуществляется скачком и нередко ведет к короткому замыканию.
I.2.5 Темный
(таунсендовский) разряд
Темный (таунсендовский) разряд - это электрический разряд в
газах при низком давлении (порядка нескольких Торр) и очень малых токах (менее
10-5 А). Электрическое поле в разрядном промежутке однородно, и не
искажается пространственным зарядом, который пренебрежимо мал.
Разряд назван по имени Таунсенда, который в 1900г. создал
теорию электронных лавин, по которой при условии выполнения развития
самостоятельного разряда ток разряда должен ограниченно возрастать со временем.
Ток ограничен параметрами цепи. Очень малый ток таунсендовского разряда
обусловлен большим сопротивлением внешней цепи. Если сопротивление внешней цепи
снижать, увеличивая ток, то разряд переходит в тлеющий.
I.2.7
Высокочастотные (ВЧ) разряды
В высокочастотном диапазоне (10-1 ч 102 МГц)
принято различать Ē и H типы разрядов по
определяющему вектору электромагнитного поля. В лазерной технике используют Ē (емкостные) разряды, помещая рабочий объем в конденсатор, к
пластинам которого подводят ВЧ - напряжение (пластины иногда прямо вводят в
объем, иногда изолируют диэлектриком - обычно стекло). Мощности этих разрядов
не большие (их задача поддержать ионизацию), но напряженности Ē велики - до десятков кэВ.
Применение ВЧ индукционных полей уже с конца 40-х г. Стало
весьма широким, хотя, в основном, в виде ВЧ-печей. Везде, где нужно чистое
тепло и есть проводящая среда, H поля незаменимы. Это и производство
полупроводниковых материалов, и зонная плавка чистых металлов, и сверхчистые
химические соединения и даже бытовые печи.
Рис.2. Индукционный разряд в трубке радиусом R, вставленной в
длинный соленоид; r0 - радиус плазмы, справа - распределение
температуры по радиусу.
Правда, в этих устройствах почти нет необходимости
согласования генератора и нагрузки - соотношение реактивного и активного
сопротивлений нагрузки меняется мало. А вот в разрядах дело сложнее: изменение
параметров среды разряда (сопротивление, самоиндукция, взаимоиндукция - связь с
индуктором) могут меняться в широких пределах. Обычно индуктор - катушка,
внутри которой и происходит разряд.
Переменное H поле направлено вдоль оси катушки, поле Ē аксиально к ней. Для поддержания разряда нужная Ē существенно меньше, чем для его зажигания. Поэтому обычно вводят
в объем тонкий металлический электрод, он разогревается, дает термоэлектроны
(иногда частично испаряется), инициирует разряд, после чего его удаляют. Во
время работы мощность вводится потоком электромагнитной энергии:

(1)
А отводится чаще всего потоком газа (он ионизируется и уносит энергию).
Но электромагнитная энергия проникает в плазму (проводник) на глубину x, спадая
по экспоненте exp (-xδ), δ где - так называемый скинслой [8, 9].
униполярный пробой газ разряд
Глава II.
Разряд УПГ, его характеристики
II.1 Свечение
газа
Свечение газа (рис.3) является следствием процесса ионизации
и возбуждения газа. В геометрии эксперимента с УПГ единственной возможной
причиной возникновения свечения в объеме газа под цилиндрическим ПЭ может быть
только наличие в этой области пространственных локализованных зарядов, поле
которых достаточно (способно) ударно ионизовывать и возбуждать компоненты
воздушной атмосферы.
Рис.3. Фотография свечения газа в газоразрядной трубке
Таким образом, мы предполагаем, что ОС под ПЭ является
областью локализации пространственного заряда. Цилиндрическая геометрия этой
области позволяет применить к определению ее заряда емкостной подход, т.е.
рассчитав емкость ОС соответствующей геометрии и зная потенциал на ПЭ, мы можем
определить (рассчитать) заряд ОС. Результаты расчетов сравнить с величиной
свободного объемного заряда (СОЗа), который формируется в объеме газа на
некотором расстоянии от ПЭ. Эти заряды должны быть тождественны.
II.2
Особенности разряда униполярного пробоя газа
Свойства разряда УПГ никак не вписывались в известные теории
подобных процессов.
Снаружи на поверхности стеклянной трубки с откаченным
воздухом (диапазон форвакуума) размещается единственное покрытие-электрод (ПЭ)
плоской (на торцевой стенке трубки) или цилиндрической (на ее боковой стенки)
геометрии. На ПЭ от импульсного генератора поступают импульсы (в диапазоне
звуковых частот) высоковольтного (0.8-15 кВ) потенциала треугольной формы с их
длительностью (по основанию импульсов) в 0.1-20 мкс.
Внутри трубки в объеме разреженного воздуха появляется
устойчивое, стационарное свечение самостоятельного разряда униполярного пробоя
газа (УПГ), хорошо заметное в темном помещении. Свечение это может наблюдаться
в трубке с разреженным газом на ее длине в 4-5 метров (ограничение в длине
свечения разряда - только размерами лабораторного помещения). Интенсивность
стационарного свечения разрядного столба УПГ небольшая, - его свечение хорошо
заметно только в затемнённом помещении [14].
Использованием оптических датчиков устанавливалось существование
темновой (ТФ) фазы разряда УПГ, которая предшествует появлению ОС под
поверхностью ПЭ. Ее длительность (
) - с момента включения импульсного источника и до появления
свечения газа под поверхностью ПЭ - зависит от параметров и условий возбуждения
разряда: от давления газа
, от амплитуды и полярности импульсов
потенциала
, от их длительности
, от радиуса трубки
, от геометрии ПЭ и его площади
. Кроме этого, на
влияет интервал
между повторными включениями генератора
(повторными поступлениями импульсов
на ПЭ, - корректная фиксация
становится возможной только при 
часов), перемещение предметов (в том числе и экспериментатора)
относительно поверхности разрядной трубки, а также стабильное состояние
воздушной атмосферы снаружи трубки, - ее давление и влажность. В длинных
трубках с торцевым ПЭ и при малой амплитуде
импульсов (
) величина
была порядка минут.
Использование в разряде УПГ цилиндрического ПЭ позволило
исследовать зависимости между всеми параметрами возбуждения разряда и
отдельными стадиями его развития. Основная из этих зависимостей -
пропорциональность между размерами объема
области свечения (ОС) под поверхностью ПЭ и энергией
, соответствующей поступлению единичного
импульса высоковольтного потенциала
(треугольной формы) на ПЭ (
- заряд на поверхности ПЭ при наличии ОС газа под этой
поверхностью). Второй по важности результат наблюдений за ОС под ПЭ - это
последовательно - дискретный характер процесса ее формирования и зависимость
этого процесса от давления газа
,
и tи. Окончательный
объем и протяженность
ОС, возникшей за длительность
одного импульса
, определяется соотношением между всеми
параметрами возбуждения разряда УПГ: давлением газа
, радиусом трубки
, длиной
ПЭ, амплитудой
и длительностью
импульсов потенциала на ПЭ (в экспериментах с УПГ использовались
импульсы
с формой, близкой к треугольной,
позволяющей значительно упростить все расчеты).
При своем возникновении ОС под ПЭ становится источником сильного
колебательного процесса, который распространяется по всему объема газа внутри
трубки. Исследования показали, что причиной раскачки этих колебаний является
процесс смещение молекул газа внутри объема трубки к поверхности плоского или
цилиндрического ПЭ. Это смещение молекул повторяется с поступлением каждого
нового импульса потенциала на ПЭ и приводит к перемещению в объем под ПЭ
большого числа молекул из остального объема разрядной трубки (или из
балластного объема, соединенного с этой трубкой). В результате этого локальное
давление газа (pос) в его объеме под ПЭ скачкообразно повышается
(в экспериментах - до 2-х порядков величины), а в остальном объеме трубки (или
в балластном объеме, соединенном с разрядной трубкой) - понижается.
Ток, потребляемый от источника, пропорционален объему ОС в момент
ее появления под поверхностью ПЭ, а сам объем ОС
.
Возникновение (формирование) ОС под поверхностью ПЭ в разряде УПГ
происходит во второй фазе этого разряда (после первой, темновой фазы, - ТФ). С
приходом следующего импульса
(после формирования ОС) интенсивность высвечивания газа из ОС
сначала резко уменьшается, чтобы затем, за оставшуюся длительность первой
половины импульса (
), восстановится. Одновременно с этим в
объеме газа трубки, на некотором расстоянии от кромок ПЭ, появляются (в третьей
фазе разряда УПГ) одиночные (или группой) светящиеся заряженные образования
(ЗПО), возникшие при объединении ионизованных, возбужденных и поляризованных
молекул газа вокруг отрицательного заряда, локализованного в объеме центральной
части ЗПО. Прохождение ЗПО по длине объема газа в трубке вызывает его свечение,
которое определяет длину разрядного столба. Максимальный радиус ЗПО равен
внутреннему радиусу трубки
, а его максимальный объем - близок к объему ОС под поверхностью
ПЭ.
Светящиеся ЗПО, смещаемые от ПЭ, являются подвижными источниками
изменяющихся (уменьшающихся и с течением времени, и при удалении ЗПО от ПЭ)
электрических полей (электростатических полей, источник которых находится в
уменьшающихся объемах ЗПО), а также электромагнитного поля с широким диапазоном
частот (в пространстве вокруг трубки с разрядом УПГ эти поля фиксируются с
помощью электрических зондов, антенн и широкополосных анализаторов спектра).
Появление ОС под поверхностью ПЭ практически не меняет комнатную
температуру стенки трубки и газа, т.е. ОС газа и под поверхностью ПЭ, и ЗПО вне
этой поверхности формируются изотермическим процессом, при котором работа сил
поля источника совершается только над свободными зарядами. Поэтому наблюдение у
ЗПО светящейся оболочки из ионизованных, возбужденных и поляризованных молекул
газа предполагает наличие в центральной части этих образований свободного
объемного заряда (СОЗа) отрицательного знака, и, как показывают эксперименты,
такой заряд существует при любой полярности импульсов потенциала
на ПЭ, причем заряд этот в течение всего
времени наблюдения ЗПО не исчезает, не нейтрализуется, не компенсируется
положительным зарядом ионной оболочки, а остается именно свободным.
Смещение ЗПО от ПЭ сопровождается последовательным распадом
отрицательного заряда СОЗов в центральной части ЗПО, которое проявляется в
последовательном уменьшением их объемов. При этом плотность
заряда СОЗов
остается постоянной (
) при сплошном, непрерывном распределении
этого заряда в границах их уменьшающихся объемов до момента окончательного
распада на фронте распространения разряда УПГ.
В экспериментах светящаяся оболочка ЗПО из ионизованных,
возбужденных и поляризованных молекул и атомов газа позволяет проследить
последовательную эволюцию, распад ЗПО, - уменьшение их объемов по мере удаления
от ПЭ.
Использование цилиндрической геометрии ПЭ с различными размерами
его площади
позволило обнаружить и исследовать
условия непрерывной генерации нескольких ЗПО (СОЗов) за длительность
одного импульса потенциала
на ПЭ. Возможность появления такой
генерации требовала определенного соотношения между площадью
ПЭ, давлением газа
, радиусом трубки
, амплитудой и знаком импульсов потенциала
(
и
) на ПЭ. При этом для каждого размера площади
ПЭ последовательное появление (генерация)
наименьшего числа (2-х) ЗПО (СОЗов) в их "пачке" требовало
определенного минимального амплитудного значения импульсов
,
на ПЭ. Для генерации их бтльшего числа отношение
необходимо было увеличить в
соответствующее число раз, меняя, например, каждые в отдельности значения
,
и
.
Из всех результатов исследования феноменологии разряда УПГ
выделяют следующие:
появление одиночных (или группой) светящихся заряженных
образований (ЗПО) в объеме газа трубки на некотором расстоянии от кромок ПЭ с
приходом на него очередного импульса потенциала;
ЗПО представляют собой объединение ионизованных, возбужденных и
поляризованных молекул газа вокруг свободного объемного отрицательного заряда -
СОЗа - в центральной части ЗПО;
прохождения светящихся ЗПО по длине объема газа трубки формирует
свечение газа на длине разрядного столба;
поступление каждого единичного импульса потенциала на ПЭ
сопровождается раскачкой сильных колебаний акустического спектра частот во всем
объеме длинной разрядной трубки;
поверхность стеклянной трубки на длине свечения разряда является
источником электрических зарядов, поверхностная плотность которых зависит
только от давления разреженного газа (воздуха) в объеме трубки;
эта же поверхность является источником импульсного электрического
поля, частота которого (киллогерцовый диапазон) могла не совпадать с частотой
импульсов, поступающих на ПЭ;
стеклянная поверхность трубки с разрядом является также источником
электромагнитного излучения широкого спектра частот (от кГц до гигогерцового
диапазона).
II.3
Размерный эффект
II.3.1 Развитие
разряда униполярного пробоя газа
В развитии разряда УПГ наблюдаются четыре последовательные
фазы [13]. Первая - темновая (индукционная), когда при наличии на ПЭ импульсов
высоковольтного потенциала
разряд - свечение газа отсутствует.
Во второй фазе разряда в объеме газа непосредственно под
поверхностью ПЭ возникает первая область его свечения (ОС), объем которой, ее
геометрия и осесимметричная локализация определяются энергией импульса (через
его амплитуду, длительность и ток, потребляемый от источника), давлением газа и
радиусом трубки.
Третья фаза разряда проявляется в выталкивании очередным
импульсом потенциала
ОС из-под поверхности ПЭ в объем газа с
последующим формированием на некотором расстоянии от ПЭ светящегося заряженного
образования представляющего собой свободный объемный заряд (СОЗ) отрицательного
знака (при любой полярности высоковольтных импульсов на ПЭ), окруженный
оболочкой из ионизованных, возбужденных и поляризованных (или только из
возбужденных и поляризованных) молекул и атомов разреженного газа.
В четвертой фазе (рис.4) разряда движение СОЗов по объему
газа внутри трубки сопровождается последовательной диссипацией их заряда (при
его постоянной плотности), а поверхность трубки с движущимися СОЗами является
источником электромагнитного поля с широким спектром частот и сильного (до 4-х
порядков величины) импульсного электрического поля. При положительной
полярности
и при минимальной скорости продольного
перемещения СОЗов по объему трубки в 0.1-0.3 мс-1 уменьшающиеся
объемы движущихся СОЗов могут наблюдаться в течение нескольких секунд.
ПЭ СОЗ
Рис.4. В четвертой фазе разряда УПГ в результате прохождения
СОЗов по объему трубки появляется свечение газа на длине разрядного столба.
Феноменология каждой из названных 4-х фаз разряда УПГ зависит
от параметров его возбуждения: амплитуды импульсного потенциала на ПЭ, давления
газа, радиуса трубки, площади и геометрии ПЭ.
Проявляется РЭ в периодическом изменения параметров разряда, при
плавном изменении давления разреженного газа
в объеме трубки и наблюдается только при цилиндрической геометрии
покрытия-электрода (ПЭ), размещаемого снаружи на поверхности стеклянной трубки
вблизи ее торцевого конца, и при поступлении на ПЭ импульсов потенциала только
отрицательной полярности,
. Однако и при этих условиях РЭ не
обнаруживается, если площадь
цилиндрического ПЭ такая же, или меньше максимальной площади
плоского ПЭ на торцевой стенке 


, где
- внутренний радиус трубки [3,6].
II.3.2 Схема
наблюдения РЭ, результаты его исследования
По падению напряжения на сопротивлении 20 Ом, являющимся одним из
плеч делителя напряжения из 2-х сопротивлений (20 Ом и 1 Мом), соединяющих ПЭ с
контуром заземления (рис.5), измерялся ток
зарядов, стекающих с ПЭ через эти сопротивления на землю за
длительность
импульса потенциала
[6].
Рис.5.
Переменная длина разрядного столба
контролировалась по моменту исчезновения электрического
потенциала на электрическом зонде снаружи поверхности стеклянной разрядной
трубки и по исчезновению свечения в ее объеме. Увеличение радиуса трубки
сдвигает появление вторых максимумов в
изменениях общей длины
светящегося столба газа в область
меньшего давления, близкого к минимальному для существования разряда УПГ:
например, для
мм - при
Торр.
В разрядных трубках бтльшего радиуса (в экспериментах разряд УПГ
возбуждался в трубках с внутренним радиусом
мм) и при таком давлении газа
, когда его свечение под ПЭ существует под всей площадью
ПЭ и занимает все сечение трубки (
=
), РЭ проявляется наиболее сильно.
Эффект периодического изменения параметров разряда при плавном
изменении давления разреженного газа назван размерным эффектом, РЭ.
Исследования зависимости геометрии объема
ОС от каждого (в отдельности) параметров
возбуждения разряда УПГ показали, что изменение размеров
и длины
светящегося столба разряда пропорционально изменению амплитуды
импульсного потенциала на ПЭ,
длительности
импульса
и обратно пропорционально давлению газа
, т.е.
,
~
, ~
и ~
.
При изменении p относительно
(давления, при котором площадь
ОС по сечению трубки максимальна, 
) как в сторону больших, так и в сторону меньших давлений,
абсолютные значения величин 
и
, в зависимостях которых наблюдался РЭ,
уменьшались до их минимального значения на границе существования разряда УПГ по
максимуму и минимуму давления.
Характер изменения тока
зарядов, стекающих с ПЭ за длительность
одного импульса
показывает, рис.5 и 6, что
определяется двумя факторами: давлением
газа p и длиной
ПЭ на поверхности трубки.
При импульсах потенциала на ПЭ положительной полярности,
, появление "перегибов" не
наблюдалось при любых размерах
, а максимумы
приходились на одно и тоже давление (~ 0.2 Торр для rТР =
9.5 мм).
II.4
Зависимость скорости распространения разряда УПГ от соотношения между главными
параметрами его возбуждения
Одноэлектродный разряд униполярного пробоя газа (УПГ)
является единственным разрядным процессом, в котором можно наблюдать
последовательное увеличение длины области свечения разряда и к которому
применимо понятие скорости его распространения [1, 2].
Оба этих параметра разряда позволяет исследовать последовательное
продольное движение светящихся заряженных образований СЗО, возникающих вблизи
единственного покрытия-электрода (ПЭ), размещаемого снаружи на поверхности
трубки. В центральной части этого образования локализован свободный заряд
отрицательного знака. Атомы и молекулы воздушной смеси, ионизованные и
возбужденные полем
этого заряда, создают вокруг него
светящуюся оболочку, которая с помощью светодиодов и ФЭУ позволяет фиксировать
продольное перемещение СЗО. Перемещение СЗО фиксируется и по изменению
потенциала кольцевых электрических зондов вокруг поверхности разрядной трубки и
находящихся непосредственно в контакте с этой поверхностью при прохождении под
ними свободного объемного заряда центральной части СЗО. В предшествующих
работах в экспериментах по наблюдению за скоростью развития разряда УПГ
измерения проводились при постоянной площади
поверхности ПЭ (обычно его длина была 10-20 мм). Ограничение
этими размерами длины ПЭ объясняется резким ростом мощности, потребляемой от
генератора в импульсе с ростом
при давлении газа
Торр, что приводило к его поломке. Использование более мощного
импульсного генератора позволило установить, что на изменение (увеличение)
скорости развития разряда
максимальное влияние оказывает
соотношение между собой трех параметров его возбуждения: амплитуды
импульсного потенциала на ПЭ, площади
поверхности ПЭ и давление газа р.
При этом скорость
продольного движения СЗО максимальна в
том случае, если амплитуды импульса
достаточно, чтобы свечение газа наблюдалось не только под всей
площадью
поверхности ПЭ, - свечением газа должно
быть занято все сечение его объема под площадью
. Как показали настоящие эксперименты, последнее становится
возможным только при определенном давлении газа: максимальная скорость
продольного движения СЗО и максимальная
длина разряда
устанавливались при изменение не только
амплитуды импульсного потенциала
на ПЭ и давления газа
в объеме разрядной трубки, но площади поверхности
ПЭ, причем в больших отношениях (при
максимальной длине ПЭ
=30 мм.
II.5
Выполнение закона сохранения заряда в начальной стадии развития разряда УПГ
Энергия импульса, поступающего на ПЭ,
, трансформируется в энергию двух
одинаковых частей - энергию распределения свободного заряда
по поверхности
ПЭ и в энергию заряда
в объёме
, наведенного под поверхностью покрытия-электрода:
. При этом заряд
, распределенный с плотностью
на единичных (
) поверхностях части (
) общей
поверхности ПЭ, равен заряду
, наведенному с объемной плотностью
в единичных объемах
под поверхностями
ПЭ. Равенство зарядов
и
предполагает их линейное размещение (один
под другим) как на цилиндрической поверхности ПЭ (
), так и в области свечения газа под ПЭ (
). Зависимость распределение переносимых
зарядов на поверхности
ПЭ и в объёме газа
под ПЭ от длительности импульса и от
координат локализации зарядов на
, предполагает выполнение закона сохранения заряда в форме
и
[2, 4].
II.6
Исследование импульсного электрического поля, излучаемого поверхностью
стеклянной трубки с разрядом униполярного пробоя газа
При практическом использовании излучательных свойств разряда
требуется информация об изменении зарядов и электрического поля у поверхности
объема разряда на всей его длине, введенной в объем рабочей реакции. В
проведенных экспериментах, результаты которых предлагаются в этой работе,
цилиндрический (кольцевой) зонд последовательно смещался на фиксированное
расстояние
в вдоль длинной (
) стеклянной трубки с разрядом
относительно единственного потенциального покрытия-электрода (ПЭ) из
металлической фольги, размещенного вблизи торцевой стенки трубки. Смещаемый
зонд находился на постоянном (
) удалении от поверхности трубки. Давление воздуха в объеме трубки
изменялось в диапазоне форвакуума [2, 12].
Параметры импульсного потенциала на ПЭ:
,
. Площадь зонда
;
:

. Поле
рассчитывалось по максимальному току
заряда
, наводимого за
(учитывалась треугольная форма импульсов потенциала на ПЭ) с
плотностью
на поверхности зонда:

.
Эксперимент устанавливал наличие оптимального давления
при котором поверхностью трубки
излучалась максимальная величина поля
. При
наблюдалась максимальная площадь поперечного сечения
области свечения под поверхностью ПЭ, максимальный объем этой области и
максимальный объем светящихся заряженных плазменных образований, появляющихся
на некотором расстояние от ПЭ.
Рис.6
На рис.6 представлены результаты измерения электрического поля
вокруг трубки с разрядом УПГ при постоянном (
) удалении зонда от ПЭ, но при различной величине амплитуды
импульсного потенциала на нем и при
изменении давления воздуха в объеме трубки,
: 

II.7
Нормальная плотность тока в разряде УПГ
Эффект нормальной плотности тока, наблюдаемый в 2-х электродном
тлеющем разряде постоянного тока (ТРПТ), существующие теории разрядных явлений
объяснить не могут. Эффект, аналогичный этому, обнаружен в экспериментах с
разрядом униполярного пробоя газа (УПГ) при его возбуждении высоковольтными
импульсами, поступающими на единственное покрытие-электрод (ПЭ) цилиндрической
геометрии из мелкой
металлической сетки, через которую можно
было наблюдать изменения в объеме и геометрии области свечения газа (ОС) под
поверхностью ПЭ. Использование сетки в качестве ПЭ позволяло исследовать
зависимость геометрии и размеров ОС под ПЭ от всех параметров возбуждения
разряда, - от амплитуды
и длительности
импульса потенциала на ПЭ, от давления
газа
[17].
Эксперименты показали, что длина
объема ОС под поверхностью ПЭ при последовательном росте
амплитуды импульсов
(при

) последовательно увеличивается в продольном направлении - к
торцевой стенке трубки. Увеличение
начиналось вблизи кромок ПЭ со стороны основного объема газа в
трубке (на рис.1 - справа). Рост
ОС предполагает соответствующее увеличение площади
той части поверхности ПЭ (изолированной
от газа стеклянной стенкой трубки), под которой наблюдалось свечение газа. При
этом изменение тока, потребляемого от источника, повторяет изменение площади
поверхности ПЭ, участвующей в развитии
разряда УПГ (рис.8).
Рис.7

К аналогичному результату (при
и
) приводит и рост длительности
импульса потенциала на ПЭ.
II.8
Несамостоятельный ток в разрядном промежутке
Рассмотрим, что происходит в плоском газовом промежутке,
включенном в цепь с источником питания, если постепенно повышать напряжение V
на электродах. Приложенное электрическое поле будем считать однородным: Е
= V/d, где d - расстояние между электродами. Время от
времени у катода появляются случайные электроны. Поле движет их к аноду [2, 3].
Электрон может и не достичь анода: попасть на боковые стенки
разрядного сосуда, прилипнуть к электроотрицательной молекуле. Ионы могут
реком-бинировать. Гибнет по пути тем меньшая доля зарядов, чем быстрее они
проходят промежуток, т.е. чем сильнее поле. Поэтому электрический ток в цепи i,
который определяется числом зарядов, достигающих электродов в 1с, растет
с повышением V. Начиная с какого-то напряжения практически все
заряды, электроны и ноны, рождающиеся иногда в объеме, попадают на электроды.
Ток достигает насыщения и перестает зависеть от V. Он определяется скоростью
появления зарядов под действием посторонних источников - космических лучей или
искусственного ионизатора. Разряд этот является несамостоятельным. Его статическая
вольт-амперная характеристика, изображена на рис.9.
Рис.9. Вольт-амперная характеристика несамостоятельного
разряда между плоскими электродами
Статическая значит отвечающая установившемуся, стационарному
состоянию. Предполагается, что напряжение мы повышаем настолько медленно,
что при каждом его значении успевает установиться стационарное состояние. При
еще больших напряжениях начинается ионизация молекул электронным ударом,
что приводит к усилению тока, происходящего от внешних источников. Пусть, для
определенности катод освещается ультрафиолетовым излучением лампы, что создает
фототок i0, и прилипания нет. Электронный ток на аноде и ток в цепи i
возрастают по сравнению с током электронов, вылетающих с катода, в еαd раз, где а - ионизационный коэффициент
Таунсенда: i = i0eαd. Полный ток на катоде в
стационарном состоянии также равен i. Он складывается из тока электронов
i0 и тока ионов, рождающихся в ходе ионизации и вытягиваемых
полем на катод, i0 (eαd - 1). Вертикально растущая ВАХ
становится более пологой.
При дальнейшем повышении напряжения вступают в игру вторичные
процессы - рождение электронов под действием тех частиц, которые появляются в
результате первичного процесса ионизации газа электронами. Особенно активно
влияют вторичные процессы на усиление, если приводят к эмиссии электронов с
катода. Эмиттированный электрон проходит весь путь от катода до анода и потому
производит больше ионизации, чем рожденный "на полпути". С учетом
вторичной эмиссии стационарный разрядный ток определяется формулой,
i = i0eαd/ [l - γ (eαd - 1)] (2)
Где эффективный коэффициент вторичной эмиссии с катода,
которая происходит под действием положительных ионов, фотонов и метастабильных
атомов, рождающихся в газе в результате ионизации и возбуждения атомов
электронами. Ток по-прежнему остается несамостоятельным, пока знаменатель
положителен. Он нарастает с V еще круче, чем в области простого
усиления, благодаря уменьшению знаменателя равного единице при небольших
коэффициентах усиления αd.
Глава III.
Экспериментальное исследование вольт-амперных характеристик униполярного пробоя
газа
III.1
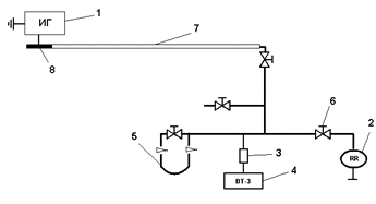
Экспериментальная установка
Экспериментальная установка состоит из стеклянных разрядных
трубок диаметром d = 19 мм, длиной l = 2800 мм, давление в которых
устанавливалось с помощью вакуумного поста. Он включает в себя форвакуумный
насос, систему кранов, измерительные термопарные датчики - манометры (Рис.10).
Рис.10
Схема экспериментальной установки
|
1. Импульсный генератор 2. Вакуумный насос 3.
Термопара ПМТ-2 4. Термопарный вакуумметр ВТ-3
|
5. U-образный манометр 6. Вакуумный кран 7.
Экспериментальная трубка d=19мм 8. Металлическая сетка ПЭ
|
Рис.11. Принципиальная схема экспериментальной установки
Возбуждение разряда УПГ осуществлялось через ПЭ из металлической
сетки, прикрепленной к наружной поверхности торцевой стенки стеклянной трубки.
С трансформаторного выхода импульсного генератора (ИГ) на ПЭ поступали импульсы
потенциала
положительной и отрицательной полярности
в диапазоне
, с частотой следования импульсов
=50Гцч2кГц. Форма импульсов - близкая к
треугольной, с их длительностью по основанию -
, при давлении p = 0,1ч20Торр.
Возбуждение разряда УПГ осуществлялось через ПЭ длиной L = 200 мм
из металлической сетки, прикрепленное к наружной поверхности стеклянной трубки.
Сопротивления 21,8 мОм и 21,8 кОм (рис.11) служат как делитель
напряжения. Исследуемый потенциал
с измерительным сопротивлением 21,8 кОм, подключается к нескольким
зондам, размещенные на этой трубке фиксируется на компьютерном осциллографе DSO
2100 и оцифровывается на компьютере.
III.2
Компьютерный осциллограф DSO 2100
Функциональные особенности DSO 2100:
частота выборки сигнала - 100 МГц на каждый из двух каналов, полоса пропускания
усилителей - 30 МГц, спектральный анализатор с предельной частотой 50 МГц
(половинная частота дискретизации. Разрешение АЦП составляет 8 бит. Объем
внутренней памяти прибора - 32 Кбайт на каждый канал.
Двухканальный цифровой осциллоскоп.
Подключается к персональному компьютеру через USB-порт. Измеряемые данные
сохраняются в памяти ПК и могут обрабатываться. Отображение сигналов и
управление такое же, как на обычном осциллографе. Имеется функция
автоматической настройки, что делает работу с прибором очень простой
Работа с DSO:
. Открываем программу DSO-5200A USB
2. Производим калибровку:
нажимаем Utilcalibration
. выбрать первый канал
. нажимаем CH1 Start (ждем ~5 минут)
. проделываем тоже самое для второго канала
. нажимаем CLOSE
. Util, calibration, ETS calibration
Таки образом производится калибровка DSO.
Потом присоединяем провод идущий от зонда расположенного на
трубке к DSO.
И, с помощью этой программы, после включения импульсного
генератора и установки на нем нужных параметров, снимаем показания амплитуды и
длительности.
Рис.12. DSO-2100
III.3
Вольт-амперная характеристика одиночного зонда
Рис.13.
На рисунке 13. представлена несколько идеализированная
зондовая характеристика - зависимость тока i, протекающего через плоский зонд,
от его потенциала V. Откуда отсчитывать потенциал - значения не имеет, лишь бы
точка отсчета была четко фиксированной. Именно для этой цели и служит опорный
электрод. Дадим качественную интерпретацию зависимости i (V). Допустим, что в
отсутствие зонда плазма электронейтральна: ne=n+=n0.
Рис.13.
Потенциал ее в том месте, куда помещен зонд, обозначим Vs.
Потенциал плазмы (пространства) Vs отсчитываем от опорного
электрода. Пусть Vs мало меняется на протяжении той области, которая
возмущена присутствием зонда, т.е. потенциал ближайшей невозмущенной плазмы
вокруг зонда равен Vs. Измеряемый на опыте потенциал зонда
относительно опорного электрода есть V=VP+VS, где Vp
- потенциал зонда относительно невозмущенной плазмы в его окрестности.
Электрический ток с зонда складывается из токов электронов и
положительных ионов. Если потенциал зонда совпадает с потенциалом пространства
и токособирающая поверхность параллельна направлению внешнего поля между анодом
и катодом, заряды попадают на зонд исключительно благодаря своему тепловому
движению. Но электроны движутся гораздо быстрее ионов, тем более, что их
температура в слабоионизированной плазме гораздо больше ионной (газовой) Т.
Поэтому при V= VS зондовый ток практически совпадает с электронным:
i≈ie. Подчеркнем сам факт: при отсутствии разности потенциалов
между проводником и окружающей плазмой проводник собирает электрический ток
(электронов).
Когда на зонд подан положительный относительно плазмы
потенциал V>VS1 ионы отталкиваются от зонда, ионный ток исчезает
вовсе, а электроны притягиваются. Около зонда образуется слой отрицательного
объемного заряда, который экранирует потенциал Vp. Падение
потенциала от V до Vs и поле зонда сосредоточиваются в области слоя
пространственного заряда, асимптотически исчезая при переходе в невозмущенную
плазму. Эффект совершенно аналогичен поляризации плазмы вокруг заряда и
экранировке поля зарядов в плазме.
Введем условную внешнюю поверхность слоя - границу, дальше
которой плазму можно приближенно считать нейтральной, а поле - отсутствующим.
Электроны попадают извне на границу слоя, а потом и на зонд, в основном благодаря
тепловому движению, чем и определяется их поток, который слабо зависит от
потенциала зонда. Зондовый ток совпадает с более или менее постоянным
электронным током насыщения iнас.
Этому соответствует верхняя пологая часть
ВАХ АВ. В идеальном случае "безграничной" плоскости iнас=const
и эта часть ВАХ была бы горизонтальной. В случае небольшого зонда ток нарастает
с ростом положительного потенциала, но медленнее, чем в крутой части ВАХ. Если
создать на зонде отрицательный относительно плазмы потенциал, электронный ток
резко падает по мере возрастания Vp, так как все меньше
электронов обладает скоростями, достаточными для преодоления тормозящего поля.
Так возникает крутая часть характеристикам С. Место верхнего "излома"
ВАХ (точка В, соответствующая Vp≈0), фиксирует потенциал
пространства Vs. Его так и можно найти на опыте. Передвигая зонд, по
разности потенциалов Vs в соседних точках определяют электрическое
поле.
При некотором отрицательном потенциале Vp
= Vf (точка D) ток исчезает. В этом состоянии поток на зонд
небольшого количества энергичных электронов, способных преодолеть тормозящий
потенциал, компенсирует поток ионов. Такой потенциал (он называется плавающим)
приобретает помещенное в плазму изолированное тело. Можно сказать, что в опытах
с зондом без питания измеряли не потенциал плазмы, а более отрицательный
плавающий.
При еще больших отрицательных потенциалах
зонд отталкивает практически все электроны. Ионы он притягивает. Зонд окружает
ионный слой положительного объемного заряда, который экранирует большой
отрицательный потенциал Vp. Ток на зонд является чисто ионным,
причем определяется он потоком ионов, попадающих на границу слоя из окружающей
плазмы. Поток этот мало зависит от потенциала зонда, который заэкранирован, т.
е зондовый ток меняется медленно и совпадает с ионным током насыщения. Этому
соответствует нижняя пологая часть ВАХ [19].
III.4
Получение данных для построения вольт-амперных характеристик
Возможность рассчитать потребляемый от источника ток по
плотности заряда даже при отсутствии второго электрода позволяет при УПГ
построить ВАХ разряда.
Для получения вольт-амперной характеристики использовалась
установка, описанная выше. Данные снимались при трех частотах (500, 1000, 2000
Гц), и пяти значениями потенциала (3, 6, 9, 12, 15 В), которые все подаются от
генератора на покрытие-электрод разоразрядной трубки. Данные снимались с
помощью компьютерного осциллографа DSO-2100. По данным, полученным с
осциллографа, были найдены потенциалы зондов, их ток, а также время задержки
зонда. С помощью этих данных, линейных размеров трубки и зондов находятся
величины: заряды на зондах qз, суммарный заряд поверхности трубки qтр,
поверхностная σ и объемная ρ плотность трубки. А уже
потом находится ток поверхности трубки Iтр, по которому и строится
вольт-амперная характеристика.
В первую очередь нужно было найти площадь поверхности трубки,
длину свечения и соответственно площадь свечения трубки при различных частотах,
потенциале и давлениях:
(4)
(5)
Вычисляем ток каждого зонда:
(6)
Из этой формулы вычисляем заряд на одном из зондов:
(7)
Очень важная величина при нахождении вольт-амперной
характеристики является поверхностная плотность заряда:
(8)
Суммарный заряд трубки можно вычислить из поверхностной
плотности:
(9)
Ток поверхности трубки находим из разности суммарного заряда
q и времени задержки генератора:
(10)
По полученным данным была построена зависимость токов на
поверхности трубки от значений потенциала, который подается на покрытие
электрод 
(U).
III.5
Построение вольтамперных (ВАХ) характеристик одноэлектродного разряда
униполярного пробоя газа (УПГ) по распределению электрических зарядов на
поверхности стеклянной трубки с амплитудой импульсного потенциала положительной
полярности
Способ возбуждения разряда УПГ и его феноменология исключают
возможность объяснения механизма его развития любыми из известных теорий
разрядных процессов [1-3]. Однако достоверную картину того, что происходит в
объеме разряда, можно получить из измерения локальной плотности электрического
заряда, наводимого на поверхности трубки с объемом разряда УПГ. Заряды на
поверхности трубки и электромагнитное поле вокруг нее появляются вследствие
распада светящихся заряженных образований (СЗО), появляющиеся в объеме трубки с
приходом на единственное покрытие-электрод (ПЭ) очередного импульса
высоковольтного потенциала φи (треугольной формы)
одной полярности. Распад СЗО сопровождает их последовательное смещение от ПЭ по
объему разреженного газа внутри трубки и фиксируется по изменению временных и
амплитудных значений импульсного потенциала φ3 и локальными изменениями
плотности заряда на поверхности трубки, в объеме которой наблюдается свечение
газа.
Изменение φз проводились
поверхностными зондами (узкие кольца из металлической фольги) на различных
расстояниях от ПЭ (из мелкой металлической сетки, 1x1 мм); ПЭ размещался поверх
одного из концов длинной (~ Зм) стеклянной трубки. На ПЭ подавались импульсы
высоковольтного потенциала φи (1000-15000 В) при их
длительности (по основанию импульсов) tи < 20 мкс и частоте
следования 500-2000 Гц.
По току с зондов и их площади рассчитывались заряды и
поверхностная плотность этих зарядов σ (Кл/м2) на
поверхности зондов, которая отождествлялась с их плотностью на поверхности
стенки под
Рис.14. Вольт-амперная характеристика разряда УПГ при частоте
импульсов f=2000 Гц
площадью зонда. По измерениям а на нескольких областях
поверхности трубки рассчитывалось среднее значение а на всей ее поверхности и
общий ток I (mА), который стекает с поверхности трубки за длительность tи
импульса потенциала φи на ПЭ. Измерения
поверхностной плотности заряда а показали ее зависимость от двух основных
параметров возбуждения разряда: амплитуды импульсного потенциала φи (в большей степени) и давление воздуха в его объеме..6. Плотность
электрического заряда на стеклянной поверхности трубки с разрядом униполярного
пробоя газа
Плотность зарядов
на стеклянной поверхности трубки с разрядом УПГ рассчитывалась по
току
с кольцевых зондов и их площади
. По результатам измерений и расчётов
на локальных областях поверхности (под
площадью зондов) оценивалось среднее значение
на всей поверхности трубки и общий ток
, стекающий с поверхности трубки за
длительность
импульса потенциала
на поверхности зонда.
В разреженном газе разряд УПГ возбуждается высоковольтными
импульсами треугольной формы, поступающими на единственное покрытие-электрод
(ПЭ), с плоской или цилиндрической геометрией, выполненный из металлической
фольги или мелкой сетки (1Ч1 мм) и размещенный на наружной поверхности торцевой
или боковой стенки стеклянной трубки. Амплитуда импульсов - более
, частота их поступления на ПЭ -
, длительность по основанию импульсов -
.
Достоверную картину того, что происходит в объеме разряда, можно
получить из измерения локальной плотности электрического заряда, наводимого на
поверхности трубки с объемом разряда УПГ. Заряды на поверхности трубки и
электромагнитное поле вокруг нее появляются вследствие распада светящихся
заряженных плазменных образований (ЗПО), появляющиеся в объеме трубки с
приходом на единственное покрытие-электрод (ПЭ) очередного импульса
высоковольтного потенциала
(треугольной формы) одной полярности. Поскольку источниками
электрических полей могут быть только свободные объемные заряды, то их
отсутствие в обычных 2-х электродных разрядах исключает подобные явления.
Рис. 19 Рис. 20
Для измерения плотности электрического заряда на стеклянной
поверхности трубки по ее длине (~ 3 м) размещались 6 зондов,
представляющих собой узкие (шириной 4 мм) полоски из металлической
фольги. Ток поверхностных зарядов, снимаемый этими зондами, через делитель
напряжения поступал на преобразователь сигналов (из аналоговой - в цифровую
форму, DSO 2100) и далее - в компьютер для его визуализации и обработки.
Только свободные объемные заряды (причем локализованные в больших
объемах, распад которых происходит значительное время, - в течение времени
движения зарядов по длине (
) объема трубки) обеспечивают своими электрическими полями,
источниками которых они являются, самостоятельность разряда и стационарный
характер структуры его свечения.
В экспериментах фиксировались амплитуды сигнала φз и его длительность по основанию импульса tз тока
зарядов, стекающих с поверхности трубки с разрядом УПГ.
Измерения
проводились несколькими поверхностными
зондами (узкие кольца из металлической фольги) на различных расстояниях от ПЭ
(из мелкой металлической сетки, 1х1 мм); ПЭ размещался поверх одного из концов
длинной (~ 3м) стеклянной трубки. На ПЭ подавались импульсы высоковольтного
потенциала φи (1000-15000 В) при их длительности (по
основанию импульсов)
и частоте следования 500-2000 Гц.
По току с зондов и их площади рассчитывались заряды и
поверхностная плотность этих зарядов
на поверхности зондов, которая отождествлялась с их плотностью на
поверхности стенки под площадью зонда.
Рис.21. Зависимость плотности электрического заряда на поверхности
трубки от амплитуды и частоты потенциала на ПЭ при давлении воздуха p=3 Торра
Измерения локальной плотности электрического заряда, наводимого на
поверхности трубки с объемом разряда УПГ, позволяют исследовать характеристики
тех объемных зарядов внутри трубки, которые являются подвижными источниками
зарядов на поверхности трубки и квазистатических электрических полей внутри
объема трубки с разрядом УПГ и на большом расстоянии от её стенки.
Проведение этих экспериментов позволяет устанавливать границы
применимости излучательных свойств разряда в различных технологических
процессах [16-18].
Эксперименты показывают, что поверхностная плотность электрических
зарядов задается только давлением газа в объеме трубки, т.е. существует
определенная связь между плотностью молекул (давлением газа) и плотностью
заряда, который распределен между этими молекулами.
Плотность и время распада свободных объемных зарядов определяют
амплитудные величины переменных электрических и электромагнитных полей вокруг
трубки с разрядом, продолжительность их излучения [17].
На рис.21 представлены результаты экспериментов и расчетов по
определению характеристик заряженной среды в объеме трубки.

Рис.21. Результаты расчетов электрического поля на стеклянной
поверхности трубки с разрядом УПГ по плотности заряда на ее поверхности и
электрического поля вокруг трубки.
Поле
на поверхности зонда (и трубки)
рассчитывалось по максимальному току imax заряда зонда qз,
наводимого за 0.5tи (учитывалась треугольная форма импульсов
потенциала на ПЭ) с плотностью
на поверхности зонда (и на поверхности стеклянной стенки трубки
под
) и стекающему через измерительное
сопротивление:
(3)
Весь объем экспериментов по исследованию свойств разряда УПГ
предполагает однозначный ответ о плотности свободного объёмного заряда в
центральной части ЗПО - в объеме СОЗа: его плотность
задается только давлением газа и остается
постоянной в течение всей жизни ЗПО (СОЗа). Если радиус ЗПО
в процессе его перемещения по газу трубки
остается неизменным, то именно это обстоятельство позволяет поле поверхности
трубки, определенное из плотности заряда на этой поверхности
, приравнять полю объемного заряда СОЗа
.
Здесь 
. При
≈
-
; В экспериментах в зависимости от
давления газа 
(
)
;
.
Рис.22
Рис.23
Рис.24
По измерениям
на нескольких участках поверхности трубки рассчитывалось среднее
значение
на всей ее поверхности и общий ток
, который стекает с поверхности трубки за
длительность
импульса потенциала
на ПЭ. Измерения поверхностной плотности
заряда
показали ее зависимость от двух основных
параметров возбуждения разряда: амплитуды импульсного потенциала
(в большей степени) и давление воздуха
в его объеме. Возможность рассчитать
потребляемый от источника ток
по плотности заряда
даже при отсутствии второго электрода позволяет при УПГ построить
ВАХ разряда, при этом потребляемый от источника ток рассчитывается умножением
тока с одного зонда на отношение площади общей поверхности трубки к площади зонда:
Заключение
Плазма электрических разрядов в газе широко применяется в
современных технологиях. Она используется в газовых лазерах, плазматронах для
травления и нанесения покрытий в полупроводниковой технологии, получение
веществ, не существующих в окружающей природе и т.д.
Наука о газовых разрядах необходима не только физикам, но и
инженерам, специализирующимся по электротехнике, радиотехнике, энергетике,
электронике, светотехнике, лазерам, плазмохимии, сварке. Разряды в газах широко
используются в технике, поэтому их изучение имеет много технических применений.
Исследование физики газового разряда позволяет понять природу
различных явлений от свечения межзвездного газа и звезд, до природы шаровой
молнии. Обычно в лаборатории газовый разряд создают, подавая постоянное или
переменное напряжение на два электрода, помещенных в разряженный газ. В этом
случае наблюдается свечение газа, и структура разряда имеет общин черты:
катодное падение потенциала, отрицательное свечение, положительный столб и т.п.
Возможность использования в разряде УПГ цилиндрического ПЭ
позволила обнаружить весьма важные зависимости между всеми параметрами
возбуждения разряда и отдельными стадиями его развития, которые невозможно
получить в любых типах разрядов с постоянной площадью электродов.
Дискретный характер процесса формирования области свечения (ОС),
появляющейся за длительность импульса потенциала под поверхностью ПЭ,
зависимость ее объема
под поверхностью цилиндрического ПЭ от амплитуды импульсного
потенциала на ПЭ, от его длительности и площади ПЭ.
При этом формирование ОС в объеме газа под ПЭ всегда начинается
вблизи его торцевых кромок и последовательно распространяется на весь его объем
под поверхностью ПЭ.
Исследование вольт-амперных характеристик разряда позволяет
рассчитывать концентрацию зарядов на поверхности трубки. Из-за малого давления
и недостаточного значения потенциала не удается достичь тока насыщения. Поэтому
графики возрастают почти прямолинейно.
Литература
[1]
Герасимов И.В. ЖТФ, 1986, т.56, в.9, с.1840-1843.
[2]
Герасимов И.В. Физика плазмы. 1988.14.1240-1247.
[3]
Герасимов И.В. ЖТФ. 1994.65.30-37
[4]
Пат. 2076381 Российская Федерация /Поверхностный и объемный источник зарядов
одного знака/ Герасимов И.В. - заявитель и патентообладатель (приоритет
от 25.03.1991), БИ 9 (1997).
[5]
Герасимов А.И., Герасимов И.В., Пыршев М.Н., Сухов А.К. Якунина Л.В. Материал
IV Российского семинара "Современные средства диагностики плазмы и их
применение для контроля веществ и окружающей среды”. Моcква. Ноябрь 2003.
С.139-141.
[6]
Gerasimov A.I., Gerasimov I. V. Proc. XXV Int. Symposium on Plasma Chemistry.
Orleans. France. 2001. VIII. PP.3303-3309.
[7]
Грановский В.Л. Электрический ток в газе. Установившийся ток. М.: Наука. 1971.
[8] Райзер Ю.П. Физика газового разряда. М.: Наука. 1987.
[9] Лозанский Э.Д., Фирсов О.Б. Теория искры. М.: Атомиздат.
1975.
[10] Мик Дж., Крэгс Дж. Электрический пробой в газах. М.:
ИИЛ. 1960.
[11] Ретер Г. Электронные лавины и пробой в газах. М.: Мир.
1968.
[12] Герасимов И.В., Копейкина Т.П., Сухов А.К. Локализация
энергии высоковольтных импульсов в разряде униполярного пробоя газа (УПГ),
возбуждаемое через единственное покрытие-электрод (ПЭ) // Теплофизика высоких
температур/ - 2010. - №1 - С.138-141.
[13] О четырёх фазах развития безэлектродного разряда
униполярного пробоя газа (УПГ) И.В. Герасимов, Т.А. Бритов. Материалы
международной конференции "Физика высокочастотных разрядов”, Казань, 2011.
С.177-178.
[14] Начальная стадия развития разряда униполярного пробоя
газа (УПГ) - формирование заряженных плазменных образований под поверхностью
единственного цилиндрического покрытия-электрода (ПЭ) И.В. Герасимов, Т.А.
Бритов Материалы международной конференции "Физика высокочастотных
разрядов”, Казань, 2011. С.181-182.
[15]
Королев Ю.Д., Месяц Г.А. Физика импульсного пробоя газа. М.: Наука. 1991.
[16]
Асиновский Э.И., Василяк Л.М., Марковец В.В., Токунов Ю.М. Исследование
высокоскоростных пробойных волн при напряжении 250 кВ. // Журнал технической
физики. - 1987. - Т.57. - С.703-708.
[17]
Герасимов И.В., Копейкина Т.П., Сухов А.К., Бородин Н.Н. О наблюдении эффекта
нормальной плотности тока в разряде униполярного пробоя газа (УПГ) // Тезисы
докладов XXXVI Международной (Звенигородской) конференции по физике плазмы и
УТС/ Звенигород, 9-13 февраля 2009. С.240.
[18]
Плотность электрического заряда на стеклянной поверхности трубки с разрядом
униполярного пробоя газа И.В. Герасимов, Т.А. Бритов Материалы
международной конференции "Физика высокочастотных разрядов”, Казань, 2011.
С.131-132.
[19]
Демидов В.И. Зондовые методы исследования низко-температурной плазмы. М.:
ЭНЕРГОАТОМИЗДАТ, 1996.