Електропостачання промислових підприємств
Лабораторна
робота №1
Випробування
захисних заземлень
1. Введення
Захисне
заземлення являє собою електричне з'єднання металевих - неструмоведучих частин
електроустановок із землею. Воно призначено для захисту від ураження людини
електричним струмом при дотику до частин електроустановок, які ізольовані від
струмоведучих частин, але можуть виявитися під напругою при ушкодженні
ізоляції.
2. Мета
роботи
Вивчити
призначення і принцип дії захисного заземлення, придбати навички виміру опору
заземляючих пристроїв.
3.
Порядок виконання роботи
1)
Вивчити призначення захисного заземлення і його захисні властивості;
)
Вивчити устрій і принцип роботи приладу М-416;
3)
Визначити захисні властивості заземлення при різних режимах нейтралі.
4.
Зміст звіту
)
Призначення захисного заземлення і його конструкція;
.
Методичні вказівки до виконання самостійної роботи.
Захисні
властивості заземлення
Захисна
дія заземлення, проявляється по-різному залежно від режиму нейтралі системи
електропостачання споживачів електроенергії.
У випадку
мережі з ізольованою нейталлю трансформатора безпека досягається зниженням
струму в тілі людини за рахунок шунтування опору людини Rл (1000 Ом)
опором заземленням Rз (2 Ом - для шахтних умов) (рис. 1.1, а).
Рис. 1.1
Зі схеми заміщення
вищеописаної ситуації рис. 1.1 б маємо
л=IвRз/(Rл+Rз)
де Iл
- струм у тілі людини; Iв - струм витоку (визначається значенням
опору ізоляції електроустановки щодо землі). З наведеного вираження видно, щo
чим менше Rз, тим менше Iл.
При
пробої ізоляції на корпус у системі із глухозаземленою нейтраллю наступає
однофазне коротке замикання (КЗ). Струм замикання викликає спрацьовування
максимального-струмового захисту (МСЗ), що відключає ушкоджену ділянку (рис.
1.2), З малюнка видно, що наявність невеликого опору заземлення трохи знижує
напругу дотику Uл у порівнянні з Uф за рахунок
перерозподілу падіння напруги між внутрішнім опором трансформатора, опором
фазного провідника лінії ZЛ і опором нульового провідник Zо.
Але, через велике значення струму в ланцюги, зниження напруги дотику
недостатньо для захисту людини від ураження електричним струмом. Тут захист
забезпечується за рахунок швидкого відключення ушкодженої фази і залежить від
правильності настроювання МСЗ. Як у першому, так і в другому випадках
ефективність захисного заземлення визначається значенням опору заземлення, тому
припустимі значення опорів заземлюючих пристроїв для різних видів
електроустановок установлені. Правилами устрою електроустановок, а для
підприємств гірничодобувної промисловості - Єдиними правилами безпеки (для шахт
допускається Rз≤2 Ом, для збагачувальних фабрик і кар'єрів Rз≤4
Ом). Зазначені правила пропонують також і періодичний вимір опорів заземлюючих
пристроїв.
Рис. 1.2
.2
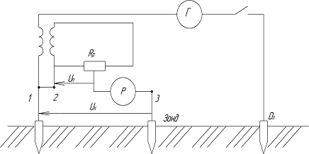
Вимір опору заземлення
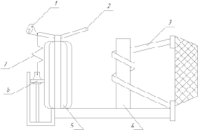
Роблять
за допомогою найпоширенішого на гірничих підприємствах приладу M-4I6. Вимір
опору заземлення Rx (рис. 1.3) здійснюється компенсаційним методом,
заснованим на врівноважуванні падінь напруг на заземлюючому пристрої Ux і каліброваному
опорі реохорда Uk.
При
вимірі струм подається від генератора Г на вимірюваний опір заземлення Rx і
додатковий заземлювач (є на макеті) через трансформатор Т, до вторинної обмотки
якого підключений реохорд Rp. Падіння напруги на Rx знімається за допомогою
зонда і через прилад Р подається до пересувань і одного із затискачів реохорда.
Переміщаючи пересувач реохорда, домагаються рівності Ux і Uk.
При цьому прилад Р покаже нуль. Показання на шкалі, пов'язаної із пересувачем
реохорда, помножені на множник, установлений перемикачем приладу, дають
значення в омах.
При
вимірі опору одиночних заземлювачів З1, З2 і З3
їх відключають від заземлюючої мережі. У випадку виміру опору заземлюючої
мережі в точках З1, З2 і З3 заземлювачі
підключаю перемичками до мережі. Виміри робляться в наступному порядку:
)
установити прилад на рівній поверхні, відкрити кришку;
)
установити перемикач у положення «Контроль 5 Ом», нажати кнопку і обертанням
ручки «Реохорд» домогтися встановлення стрілки індикатора на нульову оцінку. На
шкалі реохорда при цьому повинне бути показання 5 +0,35 Ом. Приєднати прилад до
випробовуваного заземлювача і до заземлювача Дз і «Зонд» відповідно
до схеми на рис. 1.3:
Рис.
1.3
)
перемикач установити в положення «XI»;
)
нажати кнопку й, обертаючи ручку «Реохорд», домогтися максимального наближення
стрілки індикатора до нуля;
)
результат виміру дорівнює добутку показання шкали реохорда на множник. Якщо
вимірюваний опір виявиться більше 10 Ом, перемикач установити в положення «Х5»,
«Х20» або «XI00» і виконати операції виміру.
Лабораторна
робота №2
Вивчення
пристроїв захисту від витоку струму
1. Введення
Реле
витоку призначені для захисту людей від поразки електричним струмом. У мережах
низької напруги з ізольованою нейтраллю. Поряд із цим реле витоку запобігають:
небезпеці
запалення струмами витоку на землю; небезпеці передчасного спрацьовування
електродетонаторів струмами витоку; розвитку ушкодження працюючого
електроустаткування з відмокрівшою або несправною ізоляцією; небезпеці
нагрівання і наскрізному пропалу вибухонебезпечних оболонок під дією
електричної дуги.
Реле
витоку також знижує ймовірність запалення рудничного газу і вугільного пилу
струмами витоку.
Застосування
реле витоку в шахтних електричних мережах відповідно до вимог Правил безпеки, є
обов'язковим.
У цей
час промисловістю випускаються реле витоку для роботи в мережах у напругою 127,
380,660 і 1140 В.
В
електричних мережах шахт широко застосовуються реле витоку типу УАКИ, САЗУ-2,
АЗАК і ін.
2. Мета
роботи
Вивчити
принципи захисного відключення, принципові схеми і конструкції реле витоку.
3.
Порядок виконання роботи
1)
Вивчити призначення реле витоку;
)
Вивчити принципи захисного відключення;
)
Вивчити принципи роботи реле витоку типу УАКИ;
)
Ознайомитися з роботою захисного відключення на макеті;
)
Вивчити взаємодію реле витоку і автоматичного вимикача і передбачені
блокування;
)
Ознайомитися з конструкціями реле витоку.
. Зміст
звіту
Описати
призначення захисного відключення, вимоги до реле витоки і принципи їхньої
роботи, накреслити принципову схему реле витоку типу УАКИ.
.
Методичні вказівки до виконання самостійної роботи
.1.
Вимоги до захисного відключення
Ступінь
небезпеки електричного струму визначається його величиною і тривалістю
протікання. Величина струму через людину залежить від напруги мережі, і також
від активного і ємнісного опору ізоляції щодо землі.
Струми
витоку розділяють на два види:
)
тривалі струми витоку, які не викликають спрацьовування реле витоку і можуть
протікати необмежено довго. Природно, вони не повинні перевищувати
довгостроково припустимої для людини величини, у якості якої приймають 25 мА;
)
короткочасні струми витоку, які протікають у період спрацьовування захисного
відключення. Час протікання струму витоку при цьому визначається часом
відключення мережі апаратом захисту, що не повинне перевищувати 0,2с, і часом
угасання ЭДС двигунів. У якості припустимого короткочасного струму прийнята величина
160 мА.
Не
перевищення довгостроково припустимих струмів витоку забезпечується вибором
установки спрацьовування реле витоку Rв≤Uф/Iд.доп,
при напрузі мережі 380 В Rв=220/0,025=8800 Ом.
Не
перевищення короткочасно припустимих струмів витоку забезпечується відключенням
мережі при зниженні опору ізоляції до значення, при якому струм витоку може
досягти припустимої межі 160 мА. Для існуючих реле витоку відключаючий опір
ізоляції прийнято рівним 3,5 кОм при напрузі 380 В. Короткочасні струми витоку
можуть зменшуватися шляхом компенсації ємнісних струмів мережі, для чого всі
витоку мають пристрої компенсації.
З
вирахуванням викладеного, на рис. 2,1 показана необхідна захисна характеристика
для мереж напругою 380 В, що мають велику ємність.
Рис.
2.1
.2.
Принципи захисного відключення
Реле
витоку що випускаються промисловістю працюють за принципом контролю опору
ізоляції фаз мережі щодо землі, шляхом підключення між мережею, що перебуває
під робочою напругою, і землею постійного вимірювального (оперативного) джерела
напруги. На рис. 2.2 наведена схема, що пояснює цей принцип.

При
незмінній величині оперативної напруги U через обмотку реле К протікає струм,
величина якого (при малому значенні опору фільтра приєднання L1, L2
оперативному струму) обернено пропорційна величині опору ізоляції Ziз:
При
зниженні опору ізоляції до певного рівня або при дотику людини до фази мережі
струм, що протікає через реле К, збільшується реле спрацьовує. При цьому воно
своїм контактом замикає ланцюг котушки, що відключає, У автоматичного вимикача
Q, що відключає мережу від джерела живлення.
Дію
захисного відключення вивчити на наявному в лабораторії макеті при різних
величинах опору ізоляції мережі і опору тіла людини.
Розглянута
схема включення виконавчого реле застосовувалася в зовнішніх пристроях,
захисного відключення. Надалі на підставі того ж принципу розроблені більше
досконалі схеми реле витоку.
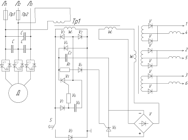
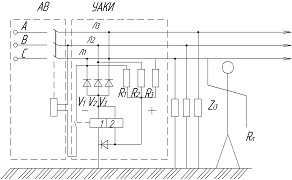
Найпоширенішим
у цей час у гірничій промисловості є реле витоку типу УАКИ. Спрощена схема
цього реле наведена на рис. 2.3.
Однієї
з особливостей схеми є застосування двохобмоточного реле К. Обидві обмотки
перебувають на одному сердечнику і включені зустрічно.
У схемі
реле витоку типу УАКИ одночасно протікає кілька струмів, сумарна дія яких і
формує захисну характеристику. Джерелом оперативного струму в цьому випадку є
сама мережа, напруга якої випрямляється вентилями V1 - V3 та
R1 - R3.
Рис.
2.3
Мережа
виявляється під постійною напругою стосовно землі. У результаті через опір
ізоляції Ziз і витоку RА
протікає струм I1, що проходить по землі і через обмотку 1 реле К.
При досить низьких величинах цих опорів реле спрацює і відключить мережу. У цій
частині схема працює аналогічно раніше розглянутому варіанту (див. рис. 2.2).
Резистори R1 - R3 створюють штучну нульову точку. При
симетричних опорах ізоляції напруга точки 0 стосовно землі дорівнює нулю. При
порушенні симетрії ізоляції, наприклад при дотику людини до однієї з фаз, між
точкою 0 і землею з'являється напруга, тим більше, ніж більше несиметрія. Одна
напівхвиля цієї напруги через вентиль V4 замикається на землю, а
інша створює струм по ланцюгу: земля - обмотка I реле - обмотка II - точка. Для
цього струму обмотки включені згідно і створюють результуючий магнітний потік у
реле від струму несиметрії.
Магнітні
потоки, створювані струмами I1 і I2, складаються, і
спрацьовування реле визначається сумарною дією цих струмів. У результаті реле
має підвищену чутливість до несиметричних знижень опору ізоляції, що характерно
для випадку дотику людини. Це є головним достоїнством схеми УАКИ.
Лабораторна
робота №3
Апаратура
ручного керування напругою до 1000 В
1. Введення
Під
електричними апаратами керування розуміють апарати, що здійснюють керування
режимом роботи електроустаткування і режимом електричних мереж напругою до 1
кВ.
Апарати
розподіляються на контактні і безконтактні. Контактні апарати мають
контактну систему, що здійснює видимий на око розрив електричного ланцюга.
Безконтактні апарати побудовані на базі магнітних підсилювачів і
напівпровідникових елементів і комутують електричний ланцюг без утворення
електричної дуги.
При
експлуатації електроустановок неминучі випадки виникнення аварійних режимів, тому
всі апарати забезпечуються пристроями захисту.
2. Мета
роботи
Вивчити
устрій, призначення, межі застосування і електричні схеми апаратів ручного
керування.
3.
Порядок виконання роботи
1)
Вивчити призначення і межі застосування апаратури;
2)Детально вивчити натурні зразки апаратури, визначити її
комплектність і конструктивні особливості;
3)
Вивчити принципи, використані при створенні електричних схем апаратури, що
забезпечують її роботу без втрати керування, блокування при ушкодженні ізоляції
і знятті кришок, відключення при ненормальних і аварійних режимах.
У даній
роботі необхідно вивчити пристрій, межі застосування, призначення, параметри і
характеристики наступних комутаційних електричних апаратів:
а)
рубильників типу РРВ, РПБ, РПЦ, Р2000; перемикачів ПВМ, ППМ, ПКВ;
командоапаратів (контролерів, кнопок керування, шляхових і кінцевих вимикачів),
штепсельних роз’ємів типу РШ, муфт типу ТМ, розгалужуючих коробок KP-I і КШВ-1;
б)
автоматичних вимикачів серії А3700, АЕ20;
в)
запобіжників серії ПР-2, НПН2-60, ПН-2, ПНВ-2;
г)
вибухобезпечних пускачів ручного керування серії ПРВ-3 і ПРШ-I зі штепсельним
уведенням, реверсивних вимикачів ВРК-20;
д)
вибухобезпечних автоматичних фідерних вимикачів серії АФВ (АФВ-IA, АФВ-2А,
АФВ-3) і з дистанційні відключенням (АФВД-2БК) і серії АВ (АВ200Д0, AB3I5P);
е)
рудничних вимикачів серії ВРН для шахт, без небезпеки по газі і пилу.
4.
Зміст звіту
У звіті
необхідно коротко привести:
) Типи
і технічних дані основної апаратури, що випускається серійно, ручного керування
загальнопромислового, руднично-нормального і вибухобезпечного виконання,
зазначеної в п. 3;
)
Конструктивні особливості апаратури;
5. Методичні вказівки до виконання лабораторної роботи
Пускачі
ручного керування застосовуються для управління і захисту електродвигунів малої
потужності, а також кабельних мереж, невеликої довжини.
.1. Для
захисту від струмів короткого замикання і значних перевантажень застосовують
плавкі запобіжники і реле максимального струму. Конструкція плавкого
запобіжника показана на рис. 3.1, а.
Під
дією більших струмів перегоряє плавка вставка, викликаючи дугу усередині
фібрової трубки і підвищення температури, що сприяє виділенню великої кількості
газів із внутрішньої поверхні трубки, створюючи високий тиск, сприяючий
швидкому гасінню дуги.
Пристрій
максимального реле показане на рис. 3.1б, У розрив силової фази встановлюється
котушка 3, насаджена на нерухомий сердечник 4, пов'язаний з рухливим якорем 2.
При аварійному режимі в котушці діє великий струм, що створює великий магнітний
потік, що притягає якір, що механічно пов'язаний з ударником I, впливаючий на
механізм вільного розчіплювання.
Величина
струму спрацьовування максимального розчеплення регулюється натяжним пристроєм
6 пружини 7. Для перевірки захисту непрямим методом на магнітопроводі деяких
реле влаштовують перевірочну обмотку 5, що має велику кількість витків і здатну
викликати спрацьовування реле при подачі на неї лінійної напруги мережі. Крім
зазначених реле прямої дії (що діють безпосередньо на механізм вільного
розчіплювання), існують реле непрямої дії, при спрацьовуванні яких якір замикає
або розмикає відповідні контакти, що включають у ланцюг керування.
Захист
від перевантаження може бути виконано за допомогою максимально струмових реле
зі сповільнювачем (для відстроювання від короткочасних перевантажень, наприклад
при пуску двигунів) або теплових реле.
Біметалічне
теплове реле показане на рис. 3.1Основна частина його біметалічна пластинка 2,
закріплена на стійці 3 і поміщена в нагрівач 1, що включено послідовно в
силовий ланцюг.
При
тривалому перевантаженні біметалічна пластинка, нагріваючись вигибається
нагору, звільняючи важіль 5, що під дією пружини 4 розмикає контакти 6, що
включено у ланцюг керування. Після охолодження пластинка повертається у вихідне
положення, але контакти реле можуть бути замкнуті тільки вручну - натисканням
кнопки повернення 7. Виготовляються також теплові реле прямої дії, у яких
біметалічна пластинка впливає безпосередньо на механізм вільного розчіплювання,
роблячи відключення контактної системи при перевантаженні.
Мінімальний
і нульовий захисти відповідно служать для відключення комутаційного апарата при
зниженні напруги в мережі до 60-70% і його зникненні. Виконуються за допомогою
реле напруги прямої або непрямої дії з відповідної уставкою. Зниження напруги
небезпечно у зв'язку зі збільшенням струму двигунів при постійному моменті,
зникненні напруги саме по собі небезпеки не представляє, але може виникнути
аварійна ситуація при повторній подачі напруги, якщо двигуни гірничих машин не
будуть відключені від мережі.

Рис.
3.1
.2.
Повітряні автоматичні вимикачі серії А3700
Це
двопозиційні апарати, призначені для замикання і автоматичного, дистанційного
або ручного розмикання силових електричних ланцюгів під навантаженням. Автомати
застосовуються у випадку нечастих включень (не більше декількох разів на добу),
тому що їхні контакти не розраховуються на часті включення і відключення.
Залежно
від призначення автомати виготовляються одно -, двох - або трьохполюсними.
Розрізняють
наступні різновиди найпоширеніших автоматів: 1) установочні; 2) універсальні і
3) швидкодіючі.
Установочні
автомати. Установочними
називаються автомати серії А-3700. Вони випускаються для напруги до 250 В
постійного струму і до 660 В змінного струму на номінальні струми від 160 до
630 А.
Автомат
змонтований на пластмасовому цоколі і закривається пластмасовим кожухом. У
установочних автоматах використаються три види розціплювачів: тепловий,
електромагнітний (максимальний-струмовий) і комбінований, комбінація теплового
і електромагнітного розціплювачі, що діють на загальну рейку, що відключає
механізм вільного розціплювача.
Для
того щоб після автоматичного відключення включити автомат, необхідно ручку
спочатку перевести в крайнє нижнє положення, далі рукоятка переводиться в
крайнє верхнє положення.
В
автоматах останніх випусків у кожному полюсі встановлюються максимальні
розцеплювачі з нерегульованої уставкою спрацьовування. Крім того, вимикач
містить допоміжні контакти, незалежний розцеплювач і нульовий розцеплювач
напруги.
Лабораторна
робота №4
Апаратура
дистанційного керування напругою до 1000 В
1. Введення
Апаратура
дистанційного керування служить для комутації електричних ланцюгів і керування
асинхронними двигунами гірничих машин. Для зменшення збитку, відносно
нормальних і аварійних режимів, апарати дистанційного керування оснащуються
пристроями захисту. Тому всі апарати дистанційного керування містять основні
елементи: контактну систему і електромагнітну систему, що управляє контактною
(контактор), і пристрої захисту.
. Мета
роботи
Вивчити
устрій, призначення, межі застосування і електричні схеми апаратів
дистанційного керування.
.
Порядок виконання роботи
Вивчити
устрій, призначення, межі застосування і принцип дії магнітних пускачів:
а)
нормального загальнопромислового виконання типів ПМЕ і ПМА;
б)
рудникового нормального виконання типу ПРН;
в)
рудникового вибухобезпечного виконання типу ПВИ;
г)
реверсивних вибухобезпечного виконання;
д)
тиристорних пускачів.
. Зміст
звіту
.
Привести короткий опис устрою апаратів дистанційного керування, межі
застосування, технічні характеристики, ескізи основних вузлів.
.
Описати можливі несправності магнітних пускачів і способи їхнього виявлення.
5. Методичні
вказівки до виконання самостійної роботи
Найбільш
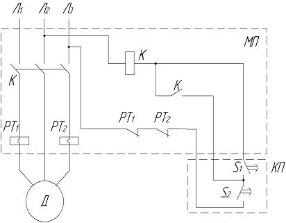
важливим елементом магнітного пускача є контактор (рис. 4.1), який служить для
комутації силового ланцюга. Він містить контактну систему з дугогасною камерою,
що принципово не відрізняється від аналогічних елементів апаратури ручного
керування (робота №3) і електромагнітну систему, що складається з
магнітопровода, якоря, котушки «К», При обтіканні котушки струмом якір
притягається до нерухомої частини магнітопроводу, притискаючи рухливі контакти
до нерухомих, які залишаються в замкнутому положенні доти, поки котушка
обтікається струмом достатньої величини. Якщо відбудеться значне зниження
напруги мережі, що живить контактор, то котушка не зможе тримати якір у
притягнутому положенні - значно ослабне магнітний потік і контактор
розімкнеться. Контактори управляються кнопковою розпорядницькою апаратурою.
Нормально розімкнута кнопка S1 у робочому положенні пускача блокується
блок-контактом, що замикається одночасно із силовими контактами. Якщо відбулося
відключення пускача, то контакт, що блокує, розімкнеться і при повторній подачі
напруги пускач залишиться розімкнутим.
На
підставі вищесказаного, можна зробити вивід, що магнітні пускачі мають нульовий
і мінімальний захист.
Максимальний
і тепловий захисти принципово такі ж, як і у апаратів ручного керування (див.
роботу №3).
.1.
Пускачі серії ПМЕ і ПМА
Випускаються
у відкритому, захищеному і пилобризгозахистному виконанні.
Технічна
характеристика пускачів наведена в таблиці.
|
U, В
|
I, А
|
Маса
|
|
ПМЕ-000
|
380
|
3
|
0,33
|
|
ПМЕ-100
|
380
|
10
|
0,54
|
|
ПМЕ-200
|
380
|
25
|
1,05
|
|
ПМА-3000
|
380/660
|
40
|
|
|
ПМА-4000
|
380/660
|
63
|
|
|
ПМА-5000
|
380/660
|
100
|
|
|
ПМА-6000
|
380/660
|
160
|
|
Є наступні
виконання; нереверсивні, реверсивні без теплового реле, з тепловим реле.
Електрична схема нереверсивного пускача з тепловим реле наведена на рис. 4.1.
При натисканні кнопки «S1» котушка, що втягує контактора К
обтікається струмом по ланцюгу
З2 нормально закритий
контакт теплового реле PT1, нормально закритий контакт теплового реле PT2
відпущена кнопка S2 натиснута кнопка S1, котушка контактора К
.
Джерелом струму є сама мережа (фази
1 і
2). Контактор спрацьовує, замикаючи силові контакти К підключаючи
двигун до мережі, і блокувальний контакт К, який шунтує кнопку S1.
Після чого кнопка S1 може бути відпущена, а контактор буде
одержувати живлення тім же ланцюгом, минаючи кнопку S1 через
блокувальний контакт. Відключення пускача відбувається натисканням кнопки S2,
що розриває ланцюг котушки контактора, що, відключаючись, розімкне силовий
ланцюг і блок-контакт. Тому що кнопка S1 нормально розімкнута, то
пускач залишається в розімкнутому стані. Захист від перевантажень здійснюється
за допомогою теплових реле (що розривають подібно кнопці S2 ланцюг
контактора). Захист від коротких замикань здійснюється за допомогою плавких
запобіжників, які встановлюються на початку живлячої лінії.
Рис. 4.1
результаті
можливих неполадок у схемі, підвищення напруги, а також для контролю за
цілісністю або замиканням кіл дистанційного керування встановлено реле Кз (типу
РКН), включене через резистор R4 паралельно резистору R3.
Магнітний пускач К2 (типи ПМЕ) призначений для комутації котушки, що
втягує, контактора К1.
Електрична
схема пускача забезпечує захист від замикання в ланцюгах дистанційного
керування, від самовключення пускача при підвищенні напруги живильної мережі до
150% Uh, від обриву або збільшенні опору заземлюючого ланцюга більше
100 Ом, нульовий захист і захист від перекидання, а також дистанційне включення
тільки з одного місця і відключення як за допомогою кнопки «стоп», убудованої в
пускач, так і за допомогою кнопкових постів, підключених до пускача.
5.3.
Тиристорні пускачі
Електропромисловістю
освоюємо випуск безконтактних пускачів на кремнієвих керованих вентилях
(тиристорах) з необхідним комплексом захистів електродвигуна. У порівнянні з
магнітними пускачами тиристорні пускачі мають наступні переваги: відсутність
механічних і комутуючих контактів, що виключає утворення електричної дуги при
комутації; наявність великої комутаційної здатності і великий термін служби;
висока швидкодія системи; можливість великого числа включенні в годину; плавний
пуск двигуна; стійкість до механічних впливів удару, вібрації, трясці і т. п.).
Одна зі
схем тиристорних пускачів наведена на рис. 4.2. При розімкнутій кнопці S
позитивна напівхвиля струму проходить по ланцюгу: обмотка W3
трансформатора Tp1 - вентиль V1 - резистор R2
- керуючий електрод тиристора V5 - вентиль V2 - обмотка W3.
Це забезпечує відкритий стан тиристора V5 який шунтує ємність C2,
що забезпечує нормальне відкривання тиристора V6. шунтируючого у
відкритому стані обмотку W2 трансформатори Тр1. Тому що
ємність С2 розряджається через тиристор V5, то тиристор V6
закритий, ланцюг обмотки Wo трансформатора Тр2 розімкнутий, отже,
відсутній струм керування на силових керованих тиристорах TV1 - ТV3,
управляючі електроди яких живляться від вторинних обмоток трансформатора Tp2.
Тиристори ТV1 - TV3 закриті, двигун М відключений.
При замиканні кнопки S
позитивна хвиля струму шунтирується вентилем Vo і не проходить по
вищевказаному ланцюгу. Це викликає запирання тиристора, а ємність С2
більше не шунтирується. У цьому випадку негативна хвиля проходить по ланцюгу:
обмотка W3 - вентиль V3 - керуючий електрод тиристора V6
- вентиль Vn - резистор R1 - вентиль V4 -
обмотка W3. У результаті вається тиристор V6, що шунтує
ланцюг випрямляючого мосту. Отже, ланцюг трансформатора Tp1
замикається, по обмотці W0 трансформатора Tp2 іде струм,
на керуючих електродах силових тиристорів TVl - Tv2
з'являється керуючий сигнал, тиристори відкриваються і підключають двигун М 2
мережі.
Захист від струмів
короткого замикання в силовому ланцюзі здійснюється запобіжниками F1 і F2. При короткому
замиканні живлення керування переривається ланцюг струму управління тиристора V6,
що при цьому закривається і відключає живлення первинної обмотки Wo
трансформатора Тр2, що обумовлює зняття керування із силових
тиристорів TV1 - TV3.
Захист
при обриві жили заземлення здійснюється елементами схеми, які обрані так, що
при певному опорі жили заземлення струм управління тиристора V5 цілком
достатній для його відкриття. При відкритті тиристора V5 ємність С2
розряджається через нього, а тиристор V6 закривається.
З
безконтактних пускачів найбільше часто застосовуються тиристорні пускачі ПТ40-380,
ПТ40-380РД (реверсивні) і пускові тиристорні пристрої ПТУ-63 відкритого
виконання, розраховані для роботи при напрузі 380 В змінного струму. Номінальні
струми цих пускачів рівні 46..63 А, число циклів включене - відключеня (1…15)
I06, термін служби - 1∙ 104 годин.
Рис. 4.3
Лабораторна
робота №5
Електроустаткування
освітлювальних установок
. Введення
У
зв'язку з тим, що на гірничих підприємствах технологічний процес ведеться і у
нічний час, а на шахтах не можливий доступ природного денного світла до робочих
місць, потрібне застосування штучного освітлення для створення нормальних умов
праці.
Добре
освітлення сприяє зниженню травматизму, підвищенню продуктивності праці і
якості виконуваних робіт за рахунок зменшення зорової і загальної
стомлюваності, поліпшення огляду робочого місця.
Електричні
освітлювальні установки, оснащені тепловими або газорозрядними джерелами
світла, знайшли саме широке поширення в сучасній техніці.
. Мета
роботи
Вивчити
пристрій, призначення, область застосування і електричні схеми освітлювальних
приладів.
. Порядок
виконання роботи
)
Вивчити призначення і область застосування освітлювальних приладів;
)
Детально вивчити натурні зразки освітлювальної апаратури, визначити її
комплектність і конструктивні особливості;
)
Вивчити принципи роботи джерел світла і схеми їхнього включення;
У даній
роботі вивчаються:
а) теплові
і газорозрядні джерела світла;
б) схеми
керування освітлювальними установками;
в) освітлювальні
прилади для гірничих підприємств.
4. Зміст
звіту
У звіті
необхідно коротко привести:
)
технічні характеристики і межі застосування освітлювальних приладів;
2)
основні джерела світла;
3)
схеми керування освітлювальними приладами;
. Методичні
вказівки до виконання самостійної роботи
.1.
Джерела світла
Залежно
від фізичних явищ, що лежать в основі дії, електричні джерела світла
підрозділяються на дві групи - теплові (лампи розжарювання) і газорозрядні
(люмінесцентні лампи; ДРЛ - дугові, ртутні, люмінесцентні, ксенонові).
Лампи
розжарювання випромінюють світловий
потік за рахунок нагрівання струмом вольфрамової нитки розжарення. Світлова
віддача - відношення, світлового потоку лампи до її потужності - у ламп
розжарювання лежить у межах 8..18 лм / Вт. Термін служби становить 1000 годин.
Для місцевого освітлення випускаються лампи типу МО на 12 і 36 В, відповідно,
із граничною потужністю 60 і 150 Вт. Лампи загального призначення - НВ, НБ, НГ
на 127 або 220 В, потужністю 15..1500 Вт.
Більш
ефективними лампами розжарювання є галогенні з диссоціонно-рекомбіціонним
вольфрамово-іодним циклом (тип КІ, КГ), що мають світлову віддачу 22 лм / Вт,
потужність 1…2 кВт. Перевагами ламп розжарювання є простота пристрою, низька
вартість, надійність і зручність експлуатації. Основний недолік - низька
економічність, сюди ж можна віднести різке зниження терміну служби при
збільшенні живлячої напруги, висока яскравість (викликає сліпучу дію), висока
температура колби (вибухо- і пожаронебезпечно).
Люмінесцентні
лампи - ртутні лампи низького
тиску з електродами, що саморозжарюються, у яких ультрафіолетове випромінювання
дугового розряду в ртутних парах перетворюється у видиме світло люмінофорним
шаром, нанесеним на внутрішню поверхню колби. Світловіддача ламп 40..60 лм /
Вт.
В
залежності від складу люминофору виготовляються лампи: денного світла ЛД,
холодного білого світла ЛХБ, білого світла ЛБ і теплого білого світла ЛТБ,
потужністю 15..80 Вт.
У
процесі роботи світловий потік знижується і до кінця терміну служби (12000
годин) становить до 60% номінального. У газосвітних лампах опір зі збільшенням
струму зменшується, що при безпосереднім включенні в мережу руйнує її. Для
нормальної роботи ламп необхідно послідовне підключення баластового опору
(індуктивного дроселя).
До особливостей
люмінесцентних ламп відносять - низьку температуру колби (45 о)
близький до денного, спектральний складу світлового потоку, чутливість ламп до
температури навколишнього середовища (оптимальне значення 18…25 ос),
причому зниження температури погіршує умови запалювання і зменшує термін
служби, виникнення стробоскопичного ефекту внаслідок пульсації світлового
потоку, необхідність застосування для запуску лампи спеціальних пристроїв.
Ртутна
лампа високого тиску ДРЛ
складається зі скляної колби, усередині якої міститься ртутно-кварцовий
пальник, наповнений інертним газом аргоном і парами ртуті. Внутрішня поверхня
колби покрита люмінофором. Світловий потік лампи ДРЛ складається із
променистого потоку ртутно-кварцового пальника і потоку люмінесценції.
Ртутно-кварцові
пальники виготовляються двох-електродні (без запалюючих електродів) і трьох - і
чотирьох-електродні (з одним або двома запалюючими електродами).
Світлова
віддача ламп ДРЛ 39..153 лм / Вт, потужність 80… 100 Вт (на 220 В).
Ксенонові
лампи ДКСТ (дугові ксенонові
трубчасті) являють собою пряму кварцову трубку: електричний розряд у газі
ксеноні при високому і надвисокому тиску (1…10 кгс/см2) дає
випромінювання з безперервним спектром від ультрафіолетового до найближчої
інфрачервоної області, що не відрізняється від денного; лампи підключають до
мережі без баластового опору - у них зростаюча вольтамперна характеристика;
потужність від 2..100 кіт, світловіддача 16,5..50 лм / Вт, температура трубки
дуже висока.
.2.
Схеми включення газосвітних ламп
Початкова
іонізація газорозрядного проміжку (у парах ртуті) може бути здійснена або
номінальною напругою мережі після попереднього підігріву, або шляхом додатка до
електродів імпульсу підвищеної напруги.
Підігрівна
стартерна схема, наведена на рис. 5.1, а, містить основні елементи - дросель L
і стартер НК, що є неоновою лампочкою, один з електродів якої біметалічний.
Включення схеми викликає в стартері тліючий розряд і підігрів електродів, їхній
вигин і замикання. Це збільшує струм у підігрівних електродах лампи, і вони
розжарюються; тому що опір замкнутого стартера дорівнює нулю, потужність на
його електродах не виділяється, вони охолоджуються і через 1…2 с розмикаються.
Струм різко знижується, викликаючи на дроселі імпульс ЕРС самоіндукції
(перенапруги), що пробиває дуговий проміжок, і лампа запалюється. При запаленій
лампі напруга на ній і на стартері становить - 0,5 Ин1, при такій
напрузі стартер не замикається. Для зниження радіоперешкод підключають
конденсатори С2, C3, С4, а конденсатор C1
підвищує коефіцієнт потужності схеми.
Безпідігрівна
схема включення двохелектродної лампи ДРЛ (рис. 5. 1,6) забезпечує підпалення
шляхом додатка серії імпульсів високої напруги, одержуваних за рахунок розряду
конденсатора С4 на обмотку 11
трансформатора
Т. Розряд наступає, коли напруга, що поступово наростає за рахунок струму
ланцюга VD, R, С на обкладках конденсатора, досягає рівня напруги пробою
розрядника.
Аналогічно
запалюється лампа ДКсТ (рис. 5.1, в), тут - при запуску нормально замкнутий
контакт К - замкнуто, конденсатор C1 розряджаючись через розрядника
F і частину обмотки імпульсного автотрансформатора ТН, забезпечує імпульси
високої напруги на електродах лампи Н и її запалювання. Через 9..12 с посля
включення контакт К, керований за допомогою реле часу, розмикається,
відключаючи імпульсний генератор. Надалі живлення лампи здійснюється
безпосередньо від мережі.
.3. Освітлювальні
прилади
Освітлювальні
прилади діляться на прилади ближнього (до 25……50 м) дії світильники і прилади
далекої дії - прожектори і світильники спеціального призначення. Основні
частини освітлювального приладу - джерело світла і арматура, що служить для
кріплення приладу, формування світлового потоку, підведення електроенергії,
захисту від взаємодії з навколишнім середовищем і т. п.
На
збагачувальних фабриках
найбільше часто застосовують світильники з лампами розжарювання «Універсаль»
(до 500 Вт), «Глубоковипромінювач» (ГЭ, ГС, ГСР), де Г - глубоковипромінювач, Е
- емальований, С - із середньою концентрацією світлового потоку, Р - з ртутною
лампою ДРЛ, розрахований на роботу з лампами розжарювання до 1000 Вт і ДРЛ до
750 Вт.
Рис.
5.1
Люмінесцентні
світильники для загального висвітлення ОД (для двох люмінесцентних ламп 40…60
Вт). Для сирих і курних приміщень призначені світильники СХ, ФМ-60, ПС-6ПРО;
ПГГ-ЮО; ПГТ-100М; ПГМ-500, УМП-500 (цифра позначає граничну потужність лампи
розжарювання у Вт), а також світильники в рудничному виконанні.
На
кар'єрах поширені світильники;
СПО з лампами розжарювання 200…1000 Вт; СК-ЗПР, СППР із лампами ДРЛ до 750 Вт.
Для місцевого і загального освітлення застосовують прожектори - ПЗС
(заливаючого світла з газонаповненими лампами розжарювання до 1500 Вт або ДРЛ
до 700 Вт); ПКН із галогенними лампами розжарювання до 2000 Вт.
Спеціальні
світильники CKc1, оснащені ксеноновими лампами Дкст до 20 кьт, використаються
для загального освітлення кар'єрів і великих площ на гірничіх підприємствах.
Для
шахт з небесреки по газу і пилу
застосовують світильники в рудничному нормальному виконанні НСПО1x200 з лампами
розжарювання до 200 Вт /а світильники РНЛ із люмінесцентними лампами до 20 Вт.
Для
шахт небезпечних по газі і пилу
призначені світильники у вибухобезпечному виконанні і підвищеній надійності.
Для вибоїв і відкаточних виробітків служать вибухобезпечні люмінесцентні
світильники РВЛ (до 80 Вт). Їх вибухобезпечність досягається застосуванням
захисної трубки високої механічної міцності (оргскло) і спеціального блокування
знімаючої напруги за 2…3 мкс при руйнуванні трубки.
Світильники
підвищеної надійності РП для ламп розжарювання до 200 Вт і з лампами ДРЛ-РПДРЛ
(до 125 Вт) оснащені захисними скляними ковпаками підвищеної міцності і
патронами, що попереджають відкрите іскріння.
Список
літератури
захисний
заземлення електроустаткування освітлювальний
1. Щуцкий В.И. Електропривод и електрификация подземних горних робот - М.: Недра, 1981.
2. Белих В.П. Електропривод и електрификация открытых горных робот. -
М.: Недра, 1983.
3. Единые правила безопастности при разработке месторождений полезных ископаемых подземным способом. - Г.:
Недра, 1972
4. Единые правила безопасности при разработке месторождений полезных
ископаемых открытым способом. - Г.: Недра, 1972.
5. Бацежев Ю.Г., Костюк B.C. Электропривод и электроснабжение. - Г.:
Недра, 1989.
6. Лейбов P.M., Озернои М.И. Электрификация подземных горных работ. -
Г.: Недра, 1972.
7. Дзюбан В.С., Риман Я.С., Маслий А.К. Справочник энергетика
угольной шахты - Г.: Недра, 1983.
8. Виноградов З.С. Электрооборудование и электроснабжение горнорудных
предприятий. - Г.: Недра, 1982.
9. Токарчук И.И. и др. Справочник энергетика обогатительных и окомковательних фабрик. - Г.:
Недра, 1976.