Система управления фрезерного консольного вертикального станка модели 6Р13Ф3-37

  • Вид работы:
    Курсовая работа (т)
  • Предмет:
    Другое
  • Язык:
    Русский
    ,
    Формат файла:
    MS Word
    342,96 Кб
  • Опубликовано:
    2013-01-20
Вы можете узнать стоимость помощи в написании студенческой работы.
Помощь в написании работы, которую точно примут!

Система управления фрезерного консольного вертикального станка модели 6Р13Ф3-37

СОДЕРЖАНИЕ

СПИСОК УСЛОВНЫХ СОКРАЩЕНИЙ

ВВЕДЕНИЕ

. ТЕХНИЧЕСКОЕ ОПИСАНИЕ СТАНКА

.1 Назначение и область применения

.2 Состав станка

.3 Устройство и работа станка и его составных частей

.4 Предельные расчетные диаметры фрез

.5 Выбор режимов резания

.6 Расчет скоростей резания

.7 Ряд частот вращения шпинделя

.8 Расчет сил резания

.9 Определение эффективной мощности резания

.10 Определение мощности электродвигателя

.11 Кинематическая схема привода

. ВЫБОР ЧПУ ДЛЯ СТАНКА

.1 Описание ЧПУ

.2 Технические характеристики УЧПУ

.3 Особенности УЧПУ NC 210

.4 Структурная схема УЧПУ

.5 Конструкция УЧПУ

.6 Программное обеспечение УЧПУ

. ОРГАНИЗАЦИОННО-ЭКОНОМИЧЕСКАЯ ЧАСТЬ

.1 Технико-экономическая эффективность внедрения нового технологического оборудования

. ОХРАНА ТРУДА И ТЕХНИКА БЕЗОПАСНОСТИ

.1 Обеспечение безопасности труда при эксплуатации фрезерного станка с ЧПУ

.2 Расчет заземления

ЗАКЛЮЧЕНИЕ

ЛИТЕРАТУРА

Приложение

СПИСОК УСЛОВНЫХ СОКРАЩЕНИЙ


ДОС - датчик обратной связи;

ПО - программное обеспечение;

ПУ - пульт управления;

СОЖ - смазочно-охлаждающая жидкость;

УУ - устройство управления;

УЧПУ - устройство числового программного управления;

СЧПУ - система числового программного управления;

ЧПУ - числовое программное управление

БП - блок питания;

ОЗУ - оперативно запоминающее устройство;

ПЗУ - постоянно запоминающее устройство;

ВВЕДЕНИЕ


Развитие станкостроение определяет уровень всего машиностроительного производства, так как металлорежущие станки при их высокой производительности, точности и универсальности являются основным видом технологического оборудования для размерной обработки деталей.

Необходимость усовершенствования - модернизации станков связана в первую очередь с развитием НТП, одним словом модернизация движет прогресс.

Основные положения, характеризующие технический уровень станочного парка машиностроительных производств, включает изучение потребительских свойств металлорежущих станков, их технических характеристик и областей использования, особенностей кинематики и конструктивного исполнения, возможностей автоматизации, обеспечиваемой различными системами управления. Всё это необходимо для осуществления творческой инженерной деятельности будущих специалистов направления «Конструкторско-технологическое обеспечение автоматизированных машиностроительных производств».

Станки занимают особенное место среди таких машин, как текстильные, машины легкой промышленности, полиграфические и др., то есть для производства средств производства. Поэтому станкостроения называют сердцевиной машиностроения.

Современные металлорежущие станки - это высоко развитые машины, которые состоят из большого количества механизмов и используют механические, электрические, электронные, гидравлические, пневматические и другие методы осуществления движений и управлением циклом. За конструкцией и назначением трудно найти более разнообразные машины, чем металлорежущие станки.

На станках фрезерной группы обрабатывают корпусные детали, плоские и фасонные поверхности, сверлят, растачивают, зенкеруют отверстия.

Главным движением, которое определяет скорость резания, является вращение шпинделя, на котором закреплен инструмент. Движением, который определяет величину продольных и поперечных перемещений, является движение стола, на котором закрепляются заготовки.

Базовый вертикально фрезерный станок 6Р13Ф3 - это универсальный станок, предназначенный для обработки разнообразных изделий из черных и цветных металлов.

На этом станке можно выполнять следующие операции:

.Фрезерование плоских и фасонных поверхностей.

.Сверление, зенкерование и развертывание.

При применении специальных приспособлений и приборов возможно выполнять:

. Нарезание рези.

. Обработку деталей по заданным размерам.

. Обработку деталей с охлаждением.

В данном проекте рассмотрена система ЧПУ производственным станком модели 6Р13Ф3-37, описан основной состав станка. Мы взяли ЧПУ модели NC 210. Были описаны особенности и конструкция этого УЧПУ, а так же программное обеспечение.

Так же были проанализированы вредные факторы работы со станком, рассчитано защитное заземление фрезерного консольного вертикального станка модели 6Р13Ф3-37

В экономической части была доказана экономическая эффективность внедрения нового технологического оборудования.

1. ТЕХНИЧЕСКОЕ ОПИСАНИЕ СТАНКА


1.1 Назначение и область применения


Вертикальные консольно-фрезерные станки 6Р13Ф3-37 предназначены для фрезерования всевозможных деталей из стали, чугуна и цветных металлов торцовыми, концевыми, цилиндрическими, радиусными и другими фрезами.

На станках можно обрабатывать вертикальные, горизонтальные и наклонные плоскости, пазы, углы, рамки, зубчатые колеса и т. д.

На станках 6Р13Ф3-37 можно обрабатывать детали из легких сплавов.

Технологические возможности станков могут быть расширены при применении делительной ловки, поворотного круглого стола и других приспособлений.

Станки предназначены для выполнения различных фрезерных работ в условиях индивидуального и серийного производства.

Возможность настройки станка на различные полуавтоматические и автоматические циклы позволяет организовать многостаночное обслуживание.

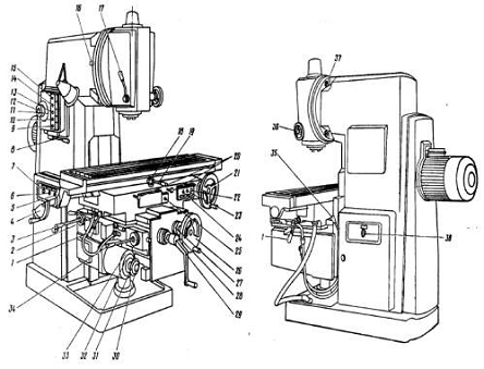
1.2 Состав станка


Рис. 1.1 Расположение составных частей станка

Таблица 1.1 Перечень составных частей станка

Номер позиции на- рис. 1

Наименование

Обозначение

Примечание

1

Станина

6Р12-1




2

Электрооборудование

6Р12-8



:.

3

Коробка переключения

6Р82-5




4

Коробка скоростей

6Р12-3


Для

станков

5

Поворотная головка

6Р12-31


6Р12

и 6РЛ2Б

6

Стол и салазки

6Р82Г-7




7

Консоль

6Р12-6




8

Коробка подач




1

Станина

6Р13-1




2

Электрооборудование

6Р13-8




3

Коробка переключения

6Р83-5




4

Коробка скоростей

6Р13-3


Для

станков

5

Поворотная головка

6Р13-31


6Р13

и 6Р13Б

6

Стол и салазки

6Р83Г-7




7

Консоль

6Р13-6




8

Коробка подач

6Р83-4




1.3 Устройство и работа станка и его составных частей


Таблица 1.2 Перечень органов управления

Номер

Органы управления и их назначение

позиции


на рис. 2


1

Рукоятка зажима салазок на направляющих консоли

2

Рукоятка включения продольных перемещений стола (дублирующая)

3

Рукоятка включения поперечной и верти


кальной подач стола (дублирующая)

4

Маховичок ручного продольного перемеще ния стола (дублирующий)

5

Переключатель ввода «включено-выключено»

6

Переключатель насоса охлаждения «включе но-выключено»

7

Переключатель направления вращения шпинделя «влево-вправо»

8

Рукоятка переключения скоростей шпинделя

9

Кнопка «Стоп» (дублирующая)

10

Кнопка «Пуск шпинделя» (дублирующая)

11

Стрелка-указатель скоростей шпинделя

12

Указатель скоростей шпинделя

13

Кнопка «Быстро стол» (дублирующая)

14

Кнопка «Импульс шпинделя»

15

Переключатель освещения

16

Шестигранник поворота головки

17

Рукоятка зажима гильзы шпинделя

18

19

Рукоятка включения продольных перемещений стола

20

Зажимы стола

21

Маховичок ручного продольного перемещения стола

22

Кнопка «Быстро стол»

23

Кнопка «Пуск шпинделя»

24

Кнопка «Стоп»

25

Переключатель ручного или автоматического управления


продольным перемещением стола

26

Маховичок ручных поперечных перемещений стола

27

Лимб механизма поперечных перемещений стола

28

Кольцо-нониус

29

Рукоятка ручного вертикального перемещения стола

30

Кнопка фиксации грибка переключения подач

31

Грибок переключения подач

32

Указатель подач стола

33

Стрелка-указатель подач стола

34

Рукоятка включения поперечной и вертикальной подач стола

35

Рукоятка зажима консоли на станине

36

Маховичок выдвижения гильзы шпинделя

37

Зажим головки на станине

38

Переключатель автоматического или ручного управления и работы круглого стола


Привод главного движения осуществляется от фланцевого электродвигателя через упругую соединительную муфту.

Числа оборотов шпинделя - изменяются...передвижением трех зубчатых блоков по шлицевым валам.

Коробка скоростей сообщает шпинделю 18 различных скоростей.

Привод подач осуществляется от фланцевого электродвигателя, смонтированного в консоли. Посредством двух трехвенцовых блоков и передвижного зубчатого колеса с кулачковой муфтой коробка подач обеспечивает получение 18 различных подач, которые через шариковую предохранительную муфту, передаются в консоль и далее, при включении соответствующей кулачковой муфты, к винтам продольного, поперечного и вертикального перемещения.

Ускоренные перемещения получаются при включении фрикциона быстрого хода, вращение которого осуществляется через промежуточные зубчатые колеса непосредственно от электродвигателя подач.

Фрикцион сблокирован с муфтой рабочих подач, что устраняет возможность их одновременного включения.

Станина является базовым узлом, на котором монтируются остальные узлы и механизмы станка.

Станина жестко закреплена на основании и зафиксирована штифтами.

Поворотная головка центрируется в кольцевой выточке горловины станины и крепится к ней четырьмя болтами, входящими в Т-образный паз фланца станины.

Шпиндель представляет собой двухопорный вал, смонтированный в выдвижной гильзе. Регулирование осевого люфта в шпинделе осуществляется подшлифовкой колец3 и 4.Повышенный люфт в переднем подшипнике устраняют подшлифовкой полуколец5и подтягиванием гайки.

Регулировку проводят в следующем порядке:

выдвигается гильза шпинделя;

демонтируется фланец6;

снимаются полукольца;

с правой стороны корпуса головки вывертывается резьбовая пробка;

через отверстие отвертыванием винта2расконтривается гайка /;

стальным стержнем гайка1застопоривается. Поворотом шпинделя за сухарь гайку подтягивают и этим перемещают внутреннюю обойму подшипника.

После проверки люфта в подшипнике производят обкатку шпинделя на максимальном числе оборотов. При работе в течение часа избыточная1° внутренней поверхности инструментального конуса не должна превышать 55°С;

замеряется величина зазора между подшипником и буртом шпинделя, после чего полукольца 5подшлифовываются на необходимую величину,

полукольца устанавливаются на место и закрепляются;

привертывается фланец6.Для устранения радиального люфта в 10 мкм полукольца необходимо подшлифовать примерно на 120 мкм.

Вращение шпинделю передается от коробки скоростей через пару конических и пару цилиндрических зубчатых колес, смонтированных в головке.

Смазка подшипников и шестерен поворотной головки осуществляется от насоса станины, а смазка подшипников шпинделя и механизма перемещения гильзы - шприцеванием.

Коробка скоростей смонтирована непосредственно в корпусе станины. Соединение коробки с валом электродвигателя осуществляется упругой муфтой, допускающей несоосность в установке двигателя до 500-700 мкм.

Осмотр коробки скоростей можно произвести через окно с правой стороны.

Смазка коробки скоростей осуществляется от плунжерного насоса, приводимого в действие эксцентриком. Производительность насоса около 2 л/мин. Масло к насосу подводится через фильтр. От насоса масло поступает к маслораспределителю, от которого по трубке отводится на глазок контроля работы насоса и по гибкому шлангу в поворотную головку. Элементы коробки скоростей смазываются разбрызгиваем масла, поступающего из отверстий трубки маслораспределителя, расположенного над коробкой скоростей.

Коробка переключения скоростей позволяет выбирать требуемую скорость без последовательного прохождения промежуточных ступеней.

Рейка 1, передвигаемая рукояткой переключения 5, посредством сектора2через вилку10перемещает в осевом направлении главный валик3с диском переключения9.

Диск переключения поворачивается указателем скоростей 11 через конические шестерни2 и 4. Диск имеет несколько рядов определенного размера отверстий, расположенных против штифтов реек 5 и 7.

При этом вилки в конце хода диска занимают положение, соответствующее зацеплению определенных пар шестерен. Для исключения возможности жесткого упора шестерен при переключении штифты8реек подпружинены.

Регулирование пружины13производится пробкой14с учетом четкой фиксации лимба и нормального усилия при его повороте.

Рукоятка 5 во включенном положении удерживается за счет пружины4и шарика 3.При этом шип рукоятки входит в паз фланца.

Соответствие скоростей значениям, указанным на указателе, достигается определенным положением конических колес по зацеплению. Правильное зацепление устанавливается по кернам на торцах сопряженного зуба и впадины или при установке указателя в положение скорости 31,5 об/мин и диска с вилками в положение скорости 31,5 об/мин. Зазор в зацеплении конической пары не должен быть больше 0,2 мм, так как диск за счет этого может повернуться до 1 мм.

Смазка коробки переключения осуществляется от системы смазки коробки скоростей разбрызгиванием масла. Отсутствие масляного дождя может вызвать недопустимый нагрев щечек вилок переключения и привести к заеданию вилок, их деформации или поломке.

Плоскость разъема уплотняется прокладкой или бензиноупорной смазкой БУ, ГОСТ 7171-63.

Коробка подач обеспечивает получение рабочих подач и быстрых перемещений стола, салазок и консоли.

Получаемые в результате переключения блоков скорости вращения передаются на выходной вал12 через шариковую предохранительную муфту, кулачковую муфту4и втулку3,соединенную шпонкой с кулачковой муфтой4и выходным валом12.

При перегрузке механизма подач шарики, находящиеся в контакте с отверстиями кулачковой втулки2,сжимают пружины и выходят из контакта. При этом зубчатое колесо17проскальзывает относительно кулачковой втулки2и рабочая подача прекращается. Быстрое вращение передается от электродвигателя, минуя коробку подач, зубчатому колесу13,которое сидит на хвостовике корпуса фрикциона9и имеет таким образом постоянное число оборотов. При монтаже необходимо проверить затяжку гайки11.Корпус фрикционной муфты должен свободно вращаться между зубчатым колесом10и упорным подшипником.

Диски фрикциона через один связаны с корпусом фрикциона, который постоянно вращается, и втулкой15,которая в свою очередь соединена шпонкой с выходным валом12.

При нажатии кулачковой муфтой4на торец втулки5и далее на гайку14диски 7 и8сжимаются и передают быстрое вращение выходному валу12и зубчатому колесу10.

При регулировании предохранительной муфты снимается крышка2и вывертывается пробка1.

На место пробки вставляется стальной стержень так, чтобы его конец вошел в одно из отверстий на наружной поверхности гайки18,котораязастопоривается.Плоским стержнем через окно крышки повертывается за зубья зубчатое колесо17.Послерегулировки гайка обязательно контрится от самопроизвольного отворачивания стопором1.

Регулирование считается правильным, если при встречном фрезеровании цилиндрической фрезой удается фрезеровать чугун марки СЧ 15-32 при следующих параметрах режима резания:

Диаметр фрезы, мм

150

200

Число зубьев ....

12

14

Ширина фрезерования, мм

100

150

Глубина фрезерования, мм

10

8

Число оборотов в минуту

63

63

Продольная подача по



лимбу, мм/мин

315

500


При этих режимах муфта может периодически прощелкивать.

Регулирование зазора между дисками фрикциона производится гайкой 14, которая зафиксирована от самопроизвольного перемещения.

Механизм переключения подач входит в узел коробки подач. Принцип его работы аналогичен работе коробки переключения скоростей.

Для предотвращения смещения диска 9 в осевом направлении валик 1 запирается во включенном положении шариками 6 и втулкой 2. Попадая в кольцевую проточку валика 3, шарики освобождают от фиксации валик 1 при нажиме на кнопку 4.

Фиксация поворота диска переключения 9 осуществляется шариком 8 через фиксаторную втулку 5, связанную шпонкой с валиком 1.

Регулирование усилия фиксации поворота диска переключения производится резьбовой пробкой 7.

Смазка коробки подач осуществляется разбрызгиванием масла, поступающего из системы смазки консоли. Кроме того, в нижней части платика консоли имеется отверстие (сверление в нагнетательную полость насоса смазки), через которое смазка поступает к маслораспределителю коробки подач.

От маслораспределителя отводятся две трубки: на глазок контроля работы насоса и для смазки подшипников II оси. Непосредственно через маслораспределитель масло подается на смазку подшипников фрикционной муфты.

Для достижения плотности стыка коробки подач и консоли разрешается установка коробки подач, кроме прокладки, на бензиноупорную смазку БУ, ГОСТ 7171-63, если прокладка не обеспечивает достаточной герметичности.

Консоль является базовым узлом, объединяющим узлы цепи подач станка. В консоли смонтирован ряд валов и зубчатых колес, передающих движение от коробки подач в трех направлениях-к винтам продольной, поперечной и вертикальной подач, механизм включения быстрого хода, электродвигатель подач. В узел «консоль» входит также механизм включения поперечных и вертикальных подач.

Зубчатое колесо8 получает движение от колеса10и передает его на зубчатые колеса7, 4, 2 и 1. Зубчатое колесо4смонтировано на подшипнике и может передавать движение валу только через кулачковую муфту6,связанную с валом. Далее через пару цилиндрических и пару конических колес движение передается на винт16.

Зацепление конической пары12и10отрегулировано компенсаторами14и15и зафиксировано винтом, входящим в засверловку пальца13.

Втулка11 имеет технологическое значение и никогда не демонтируется.

Гайка вертикальных перемещений закреплена в колонке. Колонка установлена точно по винту и зафиксирована штифтами на основании станка.

Зубчатое колесо2,смонтированное на гильзе, через шпонку и шлицы постоянно вращает шлицевый вал IX цепи продольного хода. Винт поперечной подачи X получает вращение через зубчатое колесо 2 и свободно сидящее на валу колесо 1 при включенной кулачковой муфте поперечного хода.

Для демонтажа валов VII и VIII необходимо снять коробку подач и крышку с левой стороны консоли, после чего через окно консоли вывернуть стопоры у зубчатых колес 8 и 9. Демонтаж салазок можно произвести после демонтажа шлицевого вала IX, для чего необходимо снять верхний щиток на направляющих консоли, выбить штифт3и вытянуть шлицевый вал.

При демонтаже салазок необходимо также демонтировать кронштейн поперечного хода или винт поперечной подачи.

Для полного демонтажа вертикального винта необходимо предварительно снять узел «стол-салазки».

Механизм включения быстрого хода выключает кулачковую муфту подачи4и сжимает диски 7 и8фрикционной муфты. Рычаг13 посажен на ось 7 и связан с ней штифтом; ось давлением пружины9отжимается в направлении зеркала станины. На оси 7 имеется две пары гаек. Правые гайки 5 предназначены для регулирования усилия пружины. Левые гайки6, упираясь в торец втулки8,закрепленной в стенке консоли, служат для ограничения и регулирования хода оси, что необходимо для облегчения ввода подшипника в паз кулачковой муфты во время монтажа коробки подач на консоли, а также для устранения осевых ударных нагрузок на подшипник вала при включении кулачковой муфты.

Рычаг имеет на задней стенке уступ, в который упирается шип фланца втулки10.При повороте втулки рычаг13перемещается и сжимает пружину9.Ось 11на втором конце имеет мелкий зуб, обеспечивающий возможность монтажа рычага12, соединяющего ось 17 с тягой электромагнита, под необходимым углом.

Электромагнит через тягу и шарниры скреплен с вилкой4,от которой через гайку2и пружину3 усилие передается на рычаг12.Таким образом, независимо от усилия, развиваемого электромагнитом, усилие на рычаге определяется степенью затяжки пружины 3.

Цепь включения быстрого хода от электромагнита до фрикционной муфты должна удовлетворять следующим условиям:

общий зазор между дисками фрикциона в выключенном состоянии должен быть не менее 2-3 мм;

во включенном положении фрикциона диски должны быть плотно сжаты и сердечник электромагнита полностью втянут. При этом сжатие пружины 3 допускается до положения, определяемого зазором от низа рычага 12 до торца вилки 4 не менее 2 мм;

пружина 3 должна развивать усилие немногим меньше усилия электромагнита. Гайка 2 регулируется так, чтобы сердечник электромагнита во включенном положении был полностью втянут. Усилие сжатия дисков определяется величиной натяга пружины 3 и не зависит от величины зазора в дисках. РЕГУЛИРОВАТЬ ЗАЗОР В ДИСКАХ, ПОЛАГАЯ, ЧТО ЭТО УВЕЛИЧИТ СИЛУ СЖАТИЯ ДИСКОВ, ЗАПРЕЩАЕТСЯ.

Усилия электромагнита при включении, передаваемые через рычаги, могут расшатывать систему, поэтому при осмотрах и ремонте необходимо проверять сохранность шплинтов, крепление гайки 2, посадку шпонок и крепление самого электромагнита на крышке консоли. Износ подшипника 1 увеличивается, если усилие его прижима не ограничивается гайками 5 и 6.

Механизм включения поперечной и вертикальной подач выполнен в отдельном корпусе и управляет включением и отключением кулачковых муфт поперечной и вертикальной подач и электродвигателя подач.

При движении рукоятки вправо или влево, вверх или вниз связанный с ней барабан 1 совершает соответствующие движения и своими скосами управляет через рычажную систему включением кулачковых муфт, а через штифты - конечными выключателями мгновенного действия, расположенными ниже механизма и предназначенными для реверса электродвигателя подачи.

Тяга 2 связывает барабан с дублирующей рукояткой. В своей средней части на ней закреплен рычаг, на который действуют кулачки, ограничивающие поперечный ход. В конце тяга имеет рычаг для ограничения вертикальных перемещений. При включениях и выключениях поперечного хода тяга перемещается поступательно, а вертикального хода - поворачивается.

Блокировка, предохраняющая от включения маховички и рукоятки ручных перемещений при включении механической подачи, включает в себя коромысло и штифт 5. При включении кулачковой муфты рукояткой подачи коромысло 6 при перемещении муфты поворачивается, передвигает штифт, который упирается в дно кулачковой муфты маховичка или рукоятки, и отодвигает их, не давая возможности кулачкам сцепиться.

Если система имеет повышенный люфт, необходимо выпрессовать пробку вала VII, расконтрить гайку 3 и подвернуть винт 4. После проверки люфта необходимо тщательно законтрить гайку 3.

Система смазки консоли включает в себя плунжерный насос, золотниковый распределитель, маслораспределитель и отходящие от него трубки, подающие масло к подшипникам, зубчатым колесам, винтам поперечного и вертикального перемещений. Плунжерный насос смазки консоли, коробки подач, механизмов узла «стол-салазки» засасывает масло через сетку фильтра из масляной ванны и подает его по трубке к золотниковому распределителю.

От золотникового распределителя отводятся трубки: для смазки вертикальных направляющих консоли, на штуцер гибкого шланга смазки узла «стол-салазки» и к маслораспределителю консоли. Производительность насоса около 1 л/мин.

При нажиме на кнопки 13 или 14 доступ масла к маслораспределителю перекрывается, и оно от насоса поступает соответственно .на вертикальные направляющие консоли или для смазки узла «стол-салазки».

Стол и салазки обеспечивают продольные и поперечные перемещения стола.

Ходовой винт 1 получает вращение через скользящую шпонку гильзы, смонтированную во втулках 5 и 7. Гильза через шлицы получает вращение от кулачковой муфты 6 при сцеплении ее с кулачками втулки 5, жестко связанной с коническим зубчатым колесом 4. Втулка 5 имеет зубчатый венец, с которым сцепляется зубчатое колесо привода круглого стола. Кулачковая муфта6имеет зубчатый венец для осуществления вращения винта продольной подачи при перемещениях от маховичка. Зубчатое колесо9подпружинено на случай попадания зуба на зуб. Зацепление с шестерней9может быть только в случае расцепления муфты6с втулкой 5. Таким образом, маховичок10блокируется при механических подачах.

Гайки2и3ходового винта расположены в левой части салазок. Правая гайка3 зафиксирована двумя штифтами в корпусе салазок, левая гайка2,упираясь торцем в правую при повороте ее червяком, выбирает люфт в винтовой паре. Для регулирования зазора необходимо ослабить гайку1и, вращая валик2,произвести подтягивание гайки2. Выбор люфта необходимо производить до тех пор, пока люфт ходового винта, проверяемый поворотом маховичка продольного хода, окажется не более 4-5° и пока при перемещении стола вручную не произойдет заклинивание винта на каком-либо участке, необходимом для рабочего хода.

Зазор в направляющих стола и салазок выбирается клиньями. Регулирование клина 1 стола производится при ослабленных гайках2 и4подтягиванием винта3отверткой. После проверки регулирования ручным перемещением стола гайки надежно затягиваются. Зазор в направляющих салазок и консоли регулируется клином 6 с помощью винта 5. Степень регулирования проверяется перемещением салазок вручную.

Зажим салазок на направляющих консоли обеспечивается планкой 8.

Механизм включения продольной подачи осуществляет включение кулачковой муфты продольного хода, а также включение, выключение и реверсирование электродвигателя подач.

Рукоятка 4 жестко соединена с осью 2 и поворачивает рычаг 1, по криволинейной поверхности которого в процессе переключения катится ролик 15. При нейтральном положении рычага ролик находится в средней впадине, при включенном - в одной из боковых впадин.

Движение ролика через рычаг 16 передается штоку 5 и через зубчатое колесо 7- рейке 6 и вилке 8, ведущей кулачковую муфту.

Пружина 2, регулируемая пробкой 1, постоянно нажимает на шток 5. Пружина 4 обеспечивает возможность включения рукоятки при попадании зуба на зуб кулачковой муфты. Регулирование пружины 4 производится винтом 3 при помощи ключа, который вставляется через отверстие пробки 1. Чрезмерное сжатие пружины 2 ослабляет действие пружины 4. На одной оси с рычагом 16 сидит рычаг 18, который служит для выключения кулачковой муфты кулачком 19, прикрепленным к тяге 20. Тяга соединяет основную рукоятку продольного хода с дублирующей.

Включение и реверсирование электродвигателя подач производится конечными выключателями 17. Отключение двигателя происходит после выключения кулачковой муфты.

На ступице 5 рукоятки продольного хода имеются выступы, на которые воздействуют кулачки ограничения продольного хода или (при автоматических циклах) управления продольным ходом.

При снятой крыше 14 можно проверить работу контактов конечных выключателей и при необходимости очистить их от пригара.

Механизм автоматического цикла обеспечивает возможность управления столом от кулачков. На оси рукоятки продольного хода смонтированы жестко связанные между собой звездочки 6 и 3 включения быстрого хода при работе станка на автоматическом цикле. Звездочка 6 получает вращение от возвратного пружинного кулачка, установленного на лицевой стороне стола в Т-образном пазу. Нижняя звездочка 3 имеет различную глубину впадин, что при повороте ее на 45° дает различный ход штоку 12, который воздействует на конечный выключатель 11 и включает электромагнит быстрого хода. Конечный выключатель имеет две пары контактов, обеспечивающих переключение с быстрого хода на подачу и наоборот.

При быстром ходе шток 12 входит в глубокие впадины, включает быстрый ход и одновременно фиксирует обе звездочки от произвольного поворота.

При повороте кулачком верхней и, соответственно, нижней звездочек шток выходит на участок постоянной кривизны нижней звездочки и замыкает вторую пару контактов. Попадая во впадины этих криволинейных участков, шток фиксирует звездочки в новом положении, когда оба контакта разомкнуты (включается рабочая подача).

Механизм запирания муфты позволяет подготовить станок для работы в автоматическом цикле. При нажатии на валик-шестерню 2 рейка 3 расцепляется с зубчатым колесом 4 и зацепляется с валиком-шестерней 2. Поворотом валика 2 кулачковая муфта 6 перемещается, входит в зацепление с кулачковым зубчатым колесом и с этого момента уже не может быть выключена рукояткой продольного хода.

Запирание муфты можно произвести только при среднем (нейтральном) положении рукоятки. Это обеспечивается Т-образным пазом в зубчатом колесе 4 и штифтом 5, установленным в корпусе салазок.

При нажатии на валик-шестерню 2 конусом 1 и пальцем 13 размыкаются контакты конечного выключателя, блокирующего цепь включения поперечной и вертикальной подач. Этим исключается возможность включения при запертой кулачковой муфте продольного хода одновременно двух движений - стола и салазок или стола и консоли.

Система смазки стола и салазок питается от насоса, расположенного в консоли, при нажиме на кнопку золотникового распределителя.

Рис. 1.2

Похожие работы на - Система управления фрезерного консольного вертикального станка модели 6Р13Ф3-37

 

Не нашли материал для своей работы?
Поможем написать уникальную работу
Без плагиата!
Без нейросетей!