Сдвоенный датчик угла трансформаторного типа с подвижным якорем
МИНИСТЕРСТВО
ОБРАЗОВАНИЯ И НАУКИ РОССИЙСКОЙ ФЕДЕРАЦИИ
Федеральное
государственное бюджетное образовательное учреждение
высшего
профессионального образования
НАЦИОНАЛЬНЫЙ
ИССЛЕДОВАТЕЛЬСКИЙ
ТОМСКИЙ
ПОЛИТЕХНИЧЕСКИЙ УНИВЕРСИТЕТ
Институт-
Неразрушающего контроля
Направление
- Приборостроение
Кафедра
- Точного приборостроения
Сдвоенный
датчик угла трансформаторного типа с подвижным якорем
ФЮРА
408000.055 ПЗ
Курсовая
работа по курсу « Технология приборостроения»
Студент гр. 1Б83
Д.Н. Никонирова
Руководитель
А.Н. Гормаков
Томск
- 2012
Содержание
Введение
.
Техническое описание изделия и его основные технические характеристики
.
Определение сборочного состава изделия
.
Выбор формы сборки
.1.
Организационная форма сборки
.2.
Выбор метода сборки
.
Разработка технологического процесса сборки
.
Расчет по детальной размерной цепи
.
Разработка операционной карты технологического, процесса изготовления листа
статора
.
Анализ технологичности детали
.
Анализ технологичности изделия как сборочной единицы
.
Разработка специального устройства для изготовления детали
.
Разработка принципиальной электрической схемы пульта или рабочего места для
контроля электрических параметров изделия
Заключение
Список
литературы
датчик пульт электрический параметр
Введение
При промышленном освоении каждого изделия
(прибора) подготовка производства включает конструкторский, технологический и
организационно-производственный этапы подготовки. Из них наиболее трудоемким и
длительным является этап технологической подготовки.
Технологическая подготовка производства состоит
из проектирования технологического процесса и технологического оснащения
(приспособлений, инструмента), разработки технологии контроля и конструирования
средств для его осуществления, разработки технических нормативов и
спецификаций, необходимых для планирования производства.
Проектирование технологических процессов
включает в себя:
установление структуры процесса, выбор
оборудования, приспособлений и инструментов;
установление межоперационных размеров,
обоснование заданной точности, определение норм времени, экономичности
различных вариантов технологического процесса;
оформление принятого технологического процесса в
соответствующей документации.
В данной курсовой работе необходимо определить
сборочный состав сдвоенного датчика угла, разработать технологический процесс
сборки, выбрать метод и организационную форму сборки, технологический процесс
изготовления листа статора поз.9, выбрать оборудование, приспособления,
вспомогательные материалы и инструменты, оценить технологичность, исходя из
программы выпуска 150 штук в год.
1. Техническое описание изделия и его основные
технические характеристики
Сдвоенный датчик угла трансформаторного типа с
подвижным якорем выдает напряжения переменного тока, пропорциональные углам поворота
гироскопа вокруг двух ортогональных осей карданова подвеса.
Статор состоит из пакета. Пакет комплектуется из
обоймы и листов изготовленных из сплава 50 H, п.0,2 (пермаллой). Катушки поз. 8
размещаются на зубьях внутри листа статора. Рабочей поверхностью статора
датчика является сферическая поверхность с радиусом 18мм. Пакет ротора поз.4
набирается из листов якоря поз. 15.
При угловом перемещении ротора изменяется
соотношение площадей, перекрываемых ротором полюсов статора, что приводит к
изменению величины магнитных потоков, пересекающих секции измерительной обмотки
и наводимых в них ЭДС. В результате на выходе датчика появляется сигнал
переменного тока, модуль которого пропорционален величине углового перемещения,
а фаза соответствует знаку углового перемещения.
2. Определение сборочного состава изделия
На основании анализа конструкторских документов
устанавливается сборочный состав изделия. Изделие разбивается на сборочные
единицы, определяются источники комплектования элементов, выделяются базовые
детали. На первом этапе проектирования технологического процесса сборки был
определен сборочный состав сдвоенного датчика угла.
Схема сборочного состава приведена в приложении
А. Данная схема имеет большое значение для дальнейшей разработки технологического
процесса, ее можно использовать в качестве документа, по которому удобно
следить за процессом производства изделия и принимать необходимые меры, если
готовность тех или иных элементов не соответствует графику. На схеме показаны
элементы, входящие в состав изделия, номера позиций по чертежу, количество
деталей на одну сборочную единицу и основные этапы сборки.
3. Выбор организационной формы сборки и метода
сборки
3.1 Выбор организационной формы
Организационной формой сборки называется
принятая форма связей между отдельными операциями сборочного технологического
процесса. Она определяет организацию сборочного процесса изделия в определенных
условиях производства.
Выбор организационной формы сборки зависти от
серийности производства и от сложности конструкции.
Формы связей между операциями создают
целостность и непрерывность технологического процесса сборки. Различают две
основные организационные формы сборки: стационарную и подвижную [7].
Стационарная сборка характеризуется тем, что
объект сборки собирается на одном рабочем месте. Она подразделяется на
концентрированную и дифференцированную.
Стационарная концентрированная сборка
характеризуется тем, что изделие собирается на одном рабочем месте от начала до
конца.
Стационарная дифференцированная сборка
характеризуется тем, что сборка изделия осуществляется в два этапа: на одних
рабочих местах собираются основные узлы изделия - это узловая сборка, а затем
на других рабочих местах из ранее собранных узлов и деталей собирают изделие в
целом - это общая сборка.
Подвижная сборка характеризуется перемещением
объекта сборки по рабочим местам в соответствии с последовательностью
выполнения операций.
Перемещение может быть со свободным ритмом, т.
е. от одного рабочего места к другому объект сборки перемещается по мере
выполнения операций.
Стационарная дифференцированная сборка
рекомендуется в мелкосерийном производстве для сложных изделий, когда
допускается расчленение конструкций на отдельные узлы. Время сборки отдельных
узлов может быть разным и нестабильным, но собирать их можно параллельно, что
позволяет сократить сроки сборки изделия.[4]
Основываясь на исходных данных: годовая
программа выпуска 100 штук и на составе изделия выбираем стационарную
дифференцированную форму сборки со свободным ритмом перемещения (рис. 1).
Рис.1 Схема организационной формы сборки датчика
угла
РМ - рабочее место
ПС - промежуточный склад
РМ1- намотка катушек (2 шт.);
РМ2 - сборка пакета (4 шт.) (метод подгонки по
месту (притирка));
РМ3 - пайка выводов;
РМ4 - общая сборка (метод подгонки по месту
(притирка));
РМ5 - контроль.
3.2 Выбор метода сборки
В соответствии методами достижения заданной
точности выходных параметров различают следующие методы сборки:
полной взаимозаменяемости;
неполной взаимозаменяемости;
предварительного подбора (селективный метод);
регулировки;
подгонки по месту;
подбору по месту.
При выборе метода сборки руководствуются
требованиями взаимозаменяемости, учитываются конструктивные особенности,
точность изделия, серийность производства, принятая организационная форма
сборки, экономическая целесообразность.
Установленная точность замыкающего звена при
этом методе сборки достигается за счет уменьшения размеров одного из
составляющих звеньев на величину избыточной погрешности. Величина изменения
соответствует требуемой величине компенсации. Этот метод позволяет изготавливать
составляющие звенья с увеличенными до экономически оправданного значения
допусками при сохранении установленной точности замыкающего звена. В то же
время степень взаимозаменяемости очень низкая, требуется высокая квалификация
рабочих, способных выполнять сложные доводочные работы, нарушается ритмичность
производства, так как время выполнения доводочных операций будет неодинаковым,
за счет доводочных операций значительно увеличивается трудоемкость сборки,
повышается себестоимость изделий.
4. Разработка технологического процесса сборки
Под проектированием технологического процесса
сборки прибора понимают составление технической документации для производства в
конкретных условиях при заданной программе соблюдения технологического и
экономического принципа. Технологический принцип - это надежное обеспечение
требований чертежа за счет рационального построения процесса (маршрута,
оборудования, инструментов, режимов резания и нормы времени); экономический -
обеспечение себестоимости.
Проект технологического процесса начнем с
разработки схемы сборки датчика угла с базовой деталью.
Поскольку ротор датчика угла является деталью,
то сборка датчика угла сводится к сборке статора. В качестве базовой детали
выбран пакет статора с катушками поз.2, так как эта деталь удобна для установки
в приспособлении, все сборочные единицы низших ступеней сборки устанавливаются
в нее. Технологическая схема сборки датчика угла с базовой деталью приведена в
приложении Б.
Перечень операций определяется, исходя из
конструктивных особенностей сборочной единицы, т.е. исходя из видов элементов,
входящих в состав изделия и видов связей, а также с учетом видов соединений,
применяемых в сборочной единице. Количество операций зависит от конструкции
изделия, от типа производства и принятой организационной формы сборки.
Содержание технологического процесса раскрывает
способ установки сборочной единицы на рабочем месте, содержание переходов,
последовательность их выполнения. Все это отражается в технологических
документах: маршрутной и операционной картах (Приложение В).
Маршрутная карта технологического процесса
сборочных, слесарно-сборочных и электромонтажных работ предназначена для
описания технологического процесса по операциям в технологической
последовательности и является основным технологическим документом.
Операционная карта технологического процесса
сборки, слесарно-сборочных работ и электромонтажных работ предназначена для
описания операции по переходам в технологической последовательности с указанием
методов и приемов выполнения и перечня устанавливаемых элементов[4].
Спроектированный технологический процесс
обеспечивает:
высокое качество собираемых изделий;
установленное количество изготовляемых изделий в
соответствии с размерами партии или годовой программой выпуска;
выпуск изделия на минимальных производственных
площадях;
использование современных методов сборки и
монтажа;
минимальные капитальные затраты;
охрану труда;
наименьшую себестоимость выпускаемой продукции.
5. Расчет по детальной размерной цепи (лист
якоря поз.9)
Необходимо произвести расчет размерной цепи,
представленной на рисунке 2.
Рисунок 2
=8,85-0,01;=9+0,01;= L2-L1=9-8,85=0,15;
Найдем значения верхнего и нижнего отклонений:
∆+=0,01-0=0,01;
∆-=0-0,01=-0,01;
Тогда X=0,15-0,01+0,01;
Рассчитаем допуск:
;
6. Разработка операционной карты
технологического процесса изготовления листа статора позиции 9
На данном этапе был разработан технологический
процесс производства пластины поз.9. Данная деталь изготавливается из сплава
марки 50H ГОСТ10160-75.
Пермаллои выпускаются в виде холоднокатаных лент
толщиной 0,02...2,5 мм. Сплав с высокой магнитной проницаемостью, повышенным
удельным электрическим сопротивлением.
Следует иметь в вицу, что эти сплавы являются
чувствительными к механическим напряжениям, приводящим к ухудшению магнитных
свойств. Преимущественное применение сплавы типа 50 НП нашли в магнитопроводах
магнитных усилителей, реакторов мощных механических выпрямителей, трансформаторов
аппаратуры связи.
Основные физические константы
<#"605738.files/image004.gif">,
где
- число точных деталей по 7
квалитету и точнее,
- общее число деталей
=0,91
Чем больше значение этого
коэффициента, тем технологичней конструкция.
Коэффициент прогрессивности
формообразования:
,
где
- число деталей, полученных
прогрессивными формообразованиями (литье, штамповка, прессование пластмасс в
прессформы)
3 Коэффициент сложности обработки:

,
где
- число деталей, требующих
обработки со снятием стружки
Коэффициент повторяемости деталей и
узлов:
,
где
- число типоразмеров деталей;
- число типоразмеров узлов;
- число узлов.
Коэффициент сборности изделия:
Коэффициент сложности сборки:
где 
- число типоразмеров узлов в
изделии, требующих регулировки или совместной обработки с последующей разборкой
и сборкой (пакет статора с катушками поз.2).
Коэффициент использования материала:
,
где
- масса изделия без комплектующих;
- масса заготовок.

,
где Кi - расчетный базовый
показатель соответствующего класса блоков;
φi - коэффициент весовой
значимости показателя;- порядковый номер показателя в ранжированной
последовательности;- число базовых показателей, определяемых на данной стадии
разработки изделия.
Уровень технологичности разрабатываемого
изделия при известном нормативном комплексном показателе согласно ГОСТ
14.202-73, оцениваем отношением достигнутого комплексного показателя к
нормативному Кн [4] Это отношение должно удовлетворять условию
. Для электромеханических
блоков Кн =0,6.
В результате получаем:
что
удовлетворяет условию.
С позиции технологичности сборки
существует возможность расчленения прибора на максимальное количество сборочных
единиц, которые собираются, регулируются и проверяются независимо друг от
друга, такие как ротор и сердечник. С позиции технологичности нельзя из сборки
сдвоенного датчика угла исключить неразъемные соединения сборочных единиц, так
как установка катушек на магнитопровод осуществляется при помощи клеевых
соединений.
9. Разработка специального устройства для
изготовления детали
(лист
статора поз.9)
Так как пластина изготавливается штамповкой,
была разработана конструкция для ее изготовления - одногнездовой вырубной штамп
(рис.5), предназначенный для вырубки детали по контуру.
Рис.5 Одногнездовой вырубной штамп:
-матрица; 2-пуансон; 3-колонка;
4-пуансонодержатель; 5-верхняя плита.
В рассмотренной конструкции штампа крепление
колонок, пуансонов в пуансонодержателе, втулок колонок верхней плиты
осуществлено с помощью самотвердеющих пластмасс. При изготовлении штампов
применяются в основном два вида пластмасс: стиракрил марки ТШ (технический
штамповый), который представляет собой самотвердеющую пластмассу типа
органического цемента, и пластмасса АСТ-Т (акрилат самотвердеющий технический).
Оба вида пластмасс хорошо работают на истирание и поддаются механической
обработке. При температуре 150°С они становятся мягкими и легко удаляются из
отверстий [3]
Определим силу вырубки и пробивки:
где
l - периметр вырубки, мм; - толщина
материала детали, мм;
- сопротивление материала срезу,
МПа
где
- предел прочности, МПа.
Получим
.
Требуемое усилие пресса в
приборостроении принимает на 30% больше расчетного значения:
.
На данном этапе определим
рациональный раскрой материала, т.е. взаимное расположение вырубаемых деталей в
ленте. На основании раскроя и принятой конструкции штампа определим ширину
ленты.
Рис.6 Схема однородного раскроя ленты
При однородном раскрое ширина ленты (рис.6)
определяется как:
В=h+2К1+IT,
где В - ширина ленты, мм; h - длина детали, мм;
К1 - боковая перемычка, мм; IT - допуск на ширину полосы, мм;
шаг вырубки:
=h+К,
где К - перемычка между деталями, мм;
количество деталей:
=[L-(5…10)]/ t,
где L - длина ленты.
Следовательно, при h=35 мм, К=1,5 мм, К1=1,8 мм,
IT = ±0,1 [Т1 Сыровадч.] получим: В=35+2·1,8+0,10=38,7±0,10 мм; t=35+1,5=36,5
мм.
10. Разработка принципиальной электрической
схемы пульта или рабочего места для контроля электрических параметров изделия
Проверка омического сопротивления обмоток
(рисунок 7). В качестве измерительных приборов применяют мосты сопротивлений
постоянного тока различных типов: УМВ (предел измерений от 0,01 Ом до 1 МОм),
МВУ-49 (от 10 Ом до 1 МОм) и др.
Рисунок 7 - Схема проверки омического
сопротивления обмоток с помощью моста сопротивлений
Измерение сопротивления изоляции производится с
помощью мегомметров. Наиболее распространенными в приборостроении являются
магнитоэлектрические мегомметры типа Ml101, в которых испытательное напряжение
создается вращением рукоятки, и универсальный многопредельный электронный
мегомметр, где требуемое испытательное напряжение (100В, 250В, 400В, 500В)
включается галетным переключателем.
Перед испытанием производится настройка
мегомметра: устанавливается предел измерений на шкалу «MΩ»
или
на шкалу «КΩ». Чтобы проверить
исправность прибора, вращают рукоятку (включают испытательное напряжение) при
разомкнутых контактах. При этом стрелка должна занять положение «∞» на
шкале «МΩ»
или
положение «0» на шкале «КΩ», в противном
случае прибор неисправен.[7]
Для проверки сопротивления изоляции
электрических элементов выводные концы обмоток подсоединяют к зажиму «Линия»
(Л), а корпус через металлическую плиту, на которой он устанавливается, - к
зажиму «Земля» (3), а если определяется сопротивление изоляции между двумя
токоведущими частями, к зажиму 3 подсоединяются выводные концы от другой цепи. Затем
подается испытательное напряжение в 500 В постоянного тока. Для этого
необходимо вращать рукоятку генератора мегомметра с частотой около 120 об/мин
(2 об/с) не менее 3 с. По шкале прибора определяют величину сопротивления,
которая должна быть не менее указанного в ТУ. Обычно эта норма для приборов
равна 100 МОм.
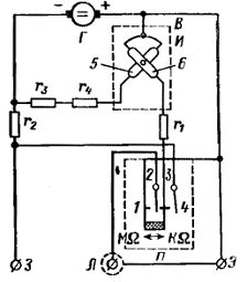
Рисунок 8 - Принципиальная схема мегомметра
М1101
г,+г2 - ограничивающие сопротивлении в цепи
тока; rs+r, - добавочные сопротивления в цепи напряжения; Г - генератор
постоянного тока: И - измеритель, логометр; П - переключатель пределов
измерения; 3, Л, Э - зажимы «земля», «линия», «экран»; 5 - противодействующая
рамка; 6 - рабочая рамка.
Проверка электрической прочности изоляции.
Электрическая прочность изоляции характеризуется напряжением, при котором
наступает пробой - пробивное напряжение. Проверка производится на специальных
установках переменным током 50 Гц при мощности источника питания 0,5 кВА.
Испытуемый прибор устанавливается на металлической плите установки, к которой
подведен один из выводов от автотрансформатора. Другой вывод от источника
питания подсоединяется к токоведущей части проверяемого прибора. Во избежание
поражения электрическим током рабочая камера ограждается защитным устройством;
в случае нарушения ограждения автоматически выключается питание установки.
После загрузки испытуемого прибора в рабочую камеру и принятия необходимых мер
по электробезопасности включают питание кнопкой «Пуск» и плавным поворотом
рукоятки автотрансформатора (не более 100 В/с) доводят испытательное напряжение
до установленной нормы. Испытательное напряжение должно держаться в течение 1
мин. Изделие считается годным, если при испытании не произошло пробоя
изоляции.
Перед испытанием необходимо убедиться в том, что
на изделии отсутствует сконденсированная влага.[7]
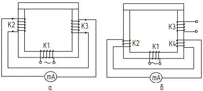
Проверка короткозамкнутых витков (КЗВ).
Определение числа витков обмотки катушек
наиболее часто производится на установках, схемы которых построены на принципе
работы трансформатора (рисунок 9 а). На замкнутом магнитопроводе устанавливают
катушки возбуждения К1 и эталонную К2. Проверяемую катушку К3 соединяют с
эталонной так, чтобы возбуждаемые в них ЭДС имели противоположное направление.
При соответствии проверяемой катушки с эталонной по числу витков стрелка
миллиамперметра показывает нуль.
Из различных схем установок для проверки
отсутствия КЗВ в открытых обмотках наибольшее применение получили установки,
основанные на использовании индуктивного влияния проверяемой обмотки на
измерительную систему (рисунок 9 б). В случае отсутствия в проверяемой обмотке
КЗВ миллиамперметр не изменит своего нулевого показания, так как
электродвижущие силы включенных встречно катушек К2 и К4 будут взаимно
компенсироваться. При наличии КЗВ в проверяемой обмотке К3 возникает ЭДС и в
КЗВ протекает ток, создающий электромагнитное поле, противодействующие полю
катушки К1. ЭДС катушки К3 уменьшается. Кроме того, происходит сдвиг фаз ЭДС
катушек К2 и К4, в результате чего показание прибора не будет равно нулю.
Рисунок 9 - Схемы установок для проверки числа
витков и отсутствия КЗВ
Проверка осуществляется при помощи оптической
делительной головки ОДГ-60. С помощью этого устройства задается угол поворота.
Далее с генератора напряжений подается сигнал на обмотку возбуждения (ОВ).
Датчик поворачивается на заданный угол и с сигнальной обмотки снимается
напряжение, пропорциональное углу поворота. Схема установки приведена на
рисунке 10.
Рисунок 10 Приспособление для контроля
характеристик датчика угла
Заключение
В данной курсовой работе был спроектирован
технологический процесс изготовления сдвоенного датчика угла трансформаторного
типа и листа статора для сборки пакета статора. Разработана операционная карта
технологического процесса изготовления пластины и проведена оценка
технологичности конструкции.
Проделанная работа показала на примере
сдвоенного датчика угла трансформаторного типа все стадии производства изделия.
Можно сделать вывод, что данная конструкция высокотехнологична, так как при
оценке технологичности были учтены все требования, предъявляемые к
электромеханическим блокам.
Список литературы
1.
Материалы в приборостроении и автоматике. Справочник. / Под ред. Ю. М. Пятина.
- М., «Машиностроение», 1969 г.
.
Материалы в приборостроении и автоматике. Справочник. / Под ред. Ю. М. Пятина.
- 2-е изд., перераб. и допол., 1982 г.
.
Ачкасов Н. А., Терган В. С. Технология точного приборостроения- М.: Высш. Шк.,
1973 г., 335с.
.
Гормаков А. Н. Технология приборостроения: Уч. пособ. - Томск, ТПУ,2003 г. -
184с.
.
Гормаков А. Н. Технология приборостроения: Уч. пособ. - Томск, ТПУ,1999 г. -
240с.
.
Справочник технолога-приборостроителя. / Под ред. Е. А. Скороходова, том 2 -
М., Машиностроение, 1980 г., 469с.
.
Шепелев Н.И. Сборка, регулировка и испытание гироскопических приборов М.,
«Машиностроение», 1977 г. - 192с.