Газотурбінний агрегат ДЖ-59Л
Вступ
Роль енергії в підтриманні
подальшого розвитку цивілізації дуже велика. В сучасному суспільстві важко
знайти хоча б одну область людської діяльності, де б не потрібно було б (прямо
або побічно) більше енергії, ніж її можуть дати м’язи людини.
Споживання енергії - важливий
показник життєвого рівня. В ті часи, коли людина добувала їжу виходячи на
охоту, їй потрібно було за добу біля 8 МДж енергії. Після того, як людина
опанувала вогонь ця величина виросла до 16 МДж. Примітивне сільське
господарство потребувало 50 МДж, а більш розвинуте - 100 МДж.
За час існування наша цивілізація
багато разів міняла традиційне джерело енергії на нове, більш досконале. І це
не тому, що старе джерело було вичерпане.
Сонце світило і зігрівало людину
завжди, але все таки люди приручили вогонь, почали спалювати деревину. Потім
деревина поступилась кам’яному вугіллю. Запаси вугілля вважалось невичерпані,
але машини вимагали більш калорійної їжі.
Але це був тільки етап. Невдовзі
вугілля поступається на енергетичному ринку нафті. І знову новий виток: в наші
дні ведучими видами палива залишаються нафта та газ. Але все ж таки головним
видом палива сьогодення залишається природній газ.
Значення природного газу для
економіки України важко переоцінити. Частка газу в структурі споживання
первинних енергоносіїв приблизно в двічі перевищує середньоєвропейський та
середньосвітовий показники. Газова промисловість України сьогодні - провідна
галузь паливно-енергетичного комплексу, а газотранспортна система - її
стрижень, який вирішує два найголовніших завдання: забезпечення природним газом
промислових комунально-побутових споживачів та населення України і транзит
російського газу через свою територію до країн Європи.
Газова промисловість України
зародилась ще початку ХХ століття у Прикарпатті - одному з найстаріших
нафтогазопромислових регіонів Європи.
Перший газопровід для подачі
нафтового газу з м. Борислава до м. Дрогобича
довжиною 12 км.був побудований у 1912 році.
Із відкриттям у 1920 році
Дашавського газового родовища і початком його промислової експлуатації
розпочалося будівництво газопроводів:
довжиною 24 км. діаметром 168мм -до
м. Стрия;
довжиною 55км -від м. Стрия до м.
Дрогобича і м. Борислава;
довжиною 81 км (1929рік ) - “Дашава
-Львів“.
Великий запас природного газу ( 13,2
млрд куб.м ) Дашавського родовища, відкриття Лопарського, Угорського,
Косовського та Більче-Волинського газових родовищ зумовили будівництво
магістрального газопроводу “Дашава -Київ„ діаметром 500 мм довжиною 509 км.
У1948 році цей газопровід був введений в експлуатацію, і міста Київ та
Тернопіль першими одержали високоефективне і зручне паливо - природній газ.
вересня 1948 року було створено
управління “Дашава - Київ”, пізніше перейменоване в Київське управління
магістральних газопроводів. Сьогодні Київтрансгаз став потужним
територіально-виробничим комплексом, в склад якого входять 10 виробничих
підрозділів, в тому числі Лубенське лінійно-виробниче управління магістральних
газопроводів (ЛВУМГ). УМГ “Київтрансгаз” є філією ДК “Укртрансгаз” - дочірня
компанія національної акціонерної компанії “Нафтогаз України”. Вона була
створена на підставі постанови Кабінету Міністрів України від 24 липня 1998 р.
№ 1173 “Про розмежування функцій з видобування, транспортування, зберігання і
реалізації природного газу” на базі газотранспортних підприємств та структурних
підрозділів акціонерного товариства “Укргазпром” з передачею в користування
розподільних газопроводів та споруд на них.
1.
Загальна частина
1.1 Історія
розвитку КС “Гребінківська”
газотурбінний агрегат
технічний обслуговування
На сьогодні в УМГ “Київтрансгаз”
експлуатуються, газопроводи загальна протяжність яких становить 9065 км, 410
газорозподільних станцій, 3 підземних сховища газу,14 компресорних станцій і 21
цех. Загальна потужність ГПА становить 1033МВт.
Одним із підприємств
газопромислового комплексу України є КС-33 „Гребінківська” Лубенського
лінійно-виробничого управління магістральних газопроводів. КС складається з
трьох цехів:
) газопровід „Уренгой -Ужгород„
) газопровід „Єлець -Курськ -Київ”
) газопровід „Прогрес”
Із збільшенням споживання газу в
Україні,обсяги якого,починаючи з 1978 р., стали перевищувати обсяги його
видобування та необхідністю розширення експортних поставок колишнього СРСР у
1978 р. було закінчено будівництво трансконтинентального газопроводу „Союз”
діаметром 1420 мм з робочим тиском 7,4 МПа, довжина якого на території України
становить 1567 км. По цьому газопроводу газ Оренбурзького родовища Росії почав
експортуватися до країн Центральної і Західної Європи,а також використовуватись
споживачами України.
У1985 р. побудовано газопровід
„Уренгой-Ужгород”
діаметром 1420 мм довжиною на території України 1160 км. Якщо на КС газопроводу
„Союз” були встановлені газоперекачувальні агрегати одиничною потужністю 10
МВт, то на газопроводі „Уренгой-Ужгород”
вперше використані агрегати по 25 МВт.
В зв’язку з політичною ситуацією між
СРСР та США Радянському Союзу недопоставили імпортні агрегати, якими мали бути
забезпечені компресорні станції. Науково-дослідницький
конструкторсько-технологічний інститут м. Ленінград розробляє нові двигуни
потужністю 25 МВт. Невський завод ім.Леніна розпочинає їх виробництво.
Промисловість отримала потужні агрегати, здатні перекачувати великі об’єми
газу.
Цех №1 газопроводу Уренгой-Ужгород
був перший, на якому вперше було встановлено ці агрегати. Це було в 1985 р. З
цього часу починається трудовий шлях КС-33.
Цех являє собою комплекс
технологічного обладнання основною частиною якого є газотурбінні установки:
нагнітач, який забезпечує перекачку
та компримування газу по магістральному газопроводі ;
газотурбінний двигун, який служить
силовим приводом.
1.2 Технічна
характеристика ГПА
Номінальна потужність, МВт 25
Масова витрата паливного газу, т
/год 10
Масова витрата пускового газу
-12т/годин
ККД, % 27,8
Частота обертання ротора силової
турбіни, об/хв 5500
Тип нагнітача Н650-2-2
Продуктивність нагнітача,
млн.м3/добу 53
Тиск на вході нагнітача, МПа 5,18
Тиск на виході нагнітача, МПа 7,45
Ступінь стискання нагнітача 1,45
Кількість робочих коліс нагнітача 2
Міжремонтний ресурс, тис.год
− середній ремонт 12
− капітальний ремонт 25
− загальний ресурс 100
Пройшов час і стало питання про
заміну ГТН -25.
Справжня революція в газовій галузі
пов’язана з впровадженням вітчизняних суднових газотурбінних двигунів з ККД
34%. Перші серійні двигуни ДН-80 виробництва ДПНВКГ „Зоря Машпроект” (м.
Миколаїв) впроваджено на КС „Гребінківська” цех № 1 газопроводу „Уренгой
-Помари -Ужгород”. Початок модернізації 1998 рік -закінчення 2003 рік. Це
клопітка та об’ємна робота, так як одночасно із заміною ГПА потрібно виконувати
план -завдання по перекачуванню газу. На цей час цех повністю модернізовано і в
роботі двигуни вітчизняного виробника ДН -80.
Технічна характеристика
Номінальна потужність МВт 25
Витрата паливного газу м/годин 7671
Частота обертання ротора
силової турбіни об/хв. 3700
ККД % 34,5
Міжремонтний ресурс годин 25000
Загальний ресурс годин 60000
За 2004 р. цех перекачав
32140667192,3 м газу.
У 1985р. вводиться в дію газопровід
„Курськ-Київ” діаметром 1220 мм і довжиною 434 км. Збудовано цех № 2, оснащений
Свердловськими агрегатами ГТ -6 з нагнітачем Н-6-56-2, потужність цеху 24 МВт.
Технічна характеристика
Номінальна потужність МВт 6,3
Частота обертання ротора
силової турбіни об/хв. 6150
Продуктивність нагнітача млн.м /добу
20
Тиск на вході нагнітача МПа 3,78
Тиск на виході нагнітача МПа 5,49
Ступінь стискання нагнітача 1,24
Кількість робочих коліс нагнітача 1
Міжремонтний ресурс
середній ремонт тис.год 12
капітальний ремонт тис.год 25
загальний ресурс тис.год 100
Хоча двигуни не тої потужності, що
на цеху № 1, але цех не менш значимий для України, її народного господарства.
Це один із газопроводів, який з іншими утворює кільце системи газопроводів і
дає змогу підключатися до нього споживачів природного газу всієї України.
В 1988 р. вводиться в дію
магістральний газопровід „Прогрес„ діаметром 1400 мм, а в 1995 вводиться в
експлуатацію цех №3 КС „Гребінківська” потужністю 64 МВт із впровадженням
газоперекачувальних установок нового типу ГПУ-16 З ККД більше 30%.
Ввід нового газопроводу значно
збільшив можливості Росії в експорті природного газу. А для України це нові
надходження валюти, та нові робочі місця. ГПУ-16 це двигун ДЖ-59Л виробництва
ДПНВКГ „Зоря Машпроект” (м. Миколаїв) та нагнітач НЦ-16/76-1,44 виробництва ВАТ
„Сумське НВО ім. Фрунзе”
Технічна характеристика
Номінальна потужність МПа 16
Витрата паливного газу м/годин 5925
Частота обертання ротора
силової турбіни об/хв. 5600
ККД % 31,0
Міжремонтний ресурс годин 25000
Загальний ресурс годин 60000
Тип нагнітача НЦ -16/76-1,44
Продуктивність нагнітача млн.м /добу
33,3
Тиск на вході нагнітача МПа 5,17
Тиск на виході нагнітача МПа 7,45
ступінь стискання нагнітача 1,44
кількість робочих коліс 1
нагнітача 2
Якщо двигун серце ГПУ, то система
управління це голова, і в 2004 році стару автоматику А-705 -15-08М, яка
морально та фізично зстаріла міняють на нову САК розроблену фірмою „ІНЕК”
м.Харьків. Це значно покращує надійність роботи ГПУ.
В 2004р. Цех перекачав 25095391214
м3 газу.
Характеристика технологічної схеми
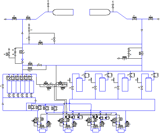
Рисунок 1.1 −
Технологічна схема КЦ №3 КС-33 „Гребінківська”
Приводимо реально існуючу
схему компресорної станції з газотурбінним приводом (ГКС - 33 „Гребінківська”,
газопровід ЕКК).
Режим роботи агрегатів:
одна група, двох, паралельно
підключених агрегатів;
дві групи, двох, паралельно
підключених агрегатів. На цій схемі кран 7 (вхідний - вхідний газопровід КС) та
кран 8 (вихідний - вихідний газопровід КС) служить для підключення
(відключення) станції до магістрального газопроводу.
Кран 7а, 7б - наповнюючий
(обвідний газопровід крану 7), служить для заповнення контуру станції з боку
„низької” сторони.
Кран 8а, 8б - наповнюючий
(обвідний газопровід крану 8), служить для заповнення контуру станції з боку
„високої” сторони.
Кран 17 - випускний (свіча на
вході).
Кран 18 - випускний (свіча на
виході).
Кран 20 (січний - обвідний
газопровід КС), служить для спрямування транспортованого газу в обхід КС при її
зупинці.
Кран 1 - вхідний (вхідний
газопровід ГПА), служить для відключення ГПА від газопроводу з боку „низької”
сторони.
Кран 2 - нагнітальний
(вихідний газопровід ГПА), служить для відключення ГПА від газопроводу з боку
„високої” сторони.
Кран 3біс - трубопровід між
вхідним й вихідним газопроводами ГПА.
Кран 4, 4р - наповнюючий
(обвідний газопровід крана 1), служить для заповнення контуру нагнітача з
заданою швидкістю перед пуском ГПА.
Кран 5 - випускний (свіча)
(випускний газопровід (свіча) ГПА), служить для випуску газу з контуру
нагнітача.
Кран 6 (агрегатний) -
рециркуляційний, служить для розвантаження ГПА при пусках, нормальних та
аварійних зупинках.
Кран 6а, 6ар, 6б, 6бр -
рециркуляційний, служить для розвантаження груп паралельно працюючих ГПА.
Кран 6, 6р - рециркуляційний,
служить для розвантаження станції.
Кран А та Б - вхідний та вихідний
крани лінійної частини до та після вузла підключення.
Крани 71, 72, 73, 74, 75, 76,
77, 78 служать для комбінування ГПА в групи.
Крани 81, 82, 83, 84 служать
для вибору колектора, в який буде розвантажуватися ГПА 3,4 при відкритті
агрегатного крану 6, в залежності від групи, в якій працює даний агрегат.
На слідуючій сторінці
зображено спрощену схему компресорної станції „Боярська” КС - 3. На цій станції
використовуються електроприводні ГПА. Режим роботи - паралельна робота груп
ГПА. Група складається з двох послідовно працюючих агрегатів.
Як видно на цій схемі,
технологічна обв’язка нагнітача ні чим не відрізняється від обв’язки нагнітача
з приводом від газової турбіни.
На зображеній схемі кран 3
(обвідний газопровід ГПА) служить для спрямування газу в обхід непрацюючого ГПА
при компонуванні груп працюючих агрегатів. Крани 60-ті, 70-ті та 80-ті
використовуються при компонуванні схеми роботи станції.
Обидві схеми включають в себе
установки очищення газу й установки охолодження газу.
1.3 Технічна
характеристика агрегату ГПА-16
Газотурбінна установка
складається з двох механічно незв'язаних між собою турбін (турбіни високого
тиску - для привода осьового повітряного компресора і силової турбіни - для
приводу газового нагнітача), повітряного компресора, камери згоряння,
повітряпідігрівача, пускового турбодетандера, а також систем змащення,
регулювання, захисту і керування, що забезпечують нормальну роботу і
обслуговування установки.
Повітря з атмосфери через
фільтри засмоктується і стискається компресором, після чого надходить у повітря
підігрівач, де його температура підвищується за рахунок тепла відпрацьованих у
турбіні продуктів згоряння. Підігріте повітря направляється в камеру згоряння,
куди подається і паливо. Продукти згоряння з камери направляються в турбіну
високого тиску потужність якої використовується для привода осьового
компресору; далі продукти згоряння попадають у силову турбіну яка обертає
нагнітач. Після турбіни продукти згоряння проходять через повітряпідігрівач
віддають частину тепла повітрю і випускаються у атмосферу через димар.
Пуск агрегату здійснюється
пусковим турбодетандером, що працює на газі, що перекачується по магістралі.
Паливом для двигуна є
природний газ, що перекачується.
Обидві турбіни виконані в
загальному литому корпусі, що має внутрішню теплову ізоляцію. Ротор турбіни
високого тиску складається з одновінцевого диска, укріпленого на консолі вала
повітряного компресора, що обертається на двох підшипниках (один з підшипників
опорно - упорний). Одновінцевий диск турбіни низького тиску кріпиться на
консолі силового вала, що обертається на двох підшипниках, розташованих у
загальному корпусі (один з підшипників опорно - упорний).
Повітряний компресор осьового
типу має 10 ступеней. Направляючі лопатки укріплені в литому чавунному корпусі.
Ротор компресора барабанного типу. Робочі лопатки кріпляться до ротора за
допомогою зубчатих хвостовиків
Вся турбогрупа змонтована на
загальнозварній рамі - маслобаку.
Камера згоряння
горизонтальна, прямоточна, складається з корпуса, фронтового пристрою з
пальниками, вогневої частини і змішувального пристрою.
Повітряпідігрівач виконаний
із профільних листів і складається з двох секцій. Рух продуктів згоряння через
підігрівач здійснюється одним ходом по каналах двокутової форми, утвореної
штампованим профілем листів між якими також рухається і повітря, що
підігрівається.
Пусковий турбодетандер
встановлений на блоці переднього підшипника компресора, з'єднується з ротором
турбіни високого тиску зубчастою передачею і оснащений розчіпним пристроєм.
З'єднання роторів нагнітача і
газової турбіни здійснюється за допомогою проміжного вала і зубчатої муфти.
Масляна система агрегату
складається з головного маслонасоса, установленого на валу турбіни високого
тиску, пускового електронасоса, резервного електронасоса, насосів ущільнення
нагнітача, маслобака (рама турбогрупи), акумулятора масли, мастилопроводів з
регулюючою арматурою, підігрівника масли і фільтрів тонкого очищення.
Система керування,
регулювання і захисту агрегату забезпечують:
підтримка заданої швидкості
обертання валу нагнітача;
підтримка заданого перепаду
тиску між маслою ущільнення і газом у порожнині нагнітача;
керування операціями пуску і
зупинки агрегату;
захист агрегату від
неприпустимих режимів і умов роботи.
Пуск, завантаження,
управління і зупинка агрегату здійснюється автоматично з центрального щита або
щита агрегату.
Система контролю агрегату
здійснює дистанційний вимір основних експлуатаційних параметрів.
2.
Технологічна частина
.1 Будова і
принцип роботи агрегату ГПА-16
Агрегат призначений для
стиснення природного газу для подальшого транспортування його по магістральних
газопроводах та входить до складу КС, конструктивно виконана по відкритому
циклі, з регенерацією тепла (з вільною силовою турбіною). Це забезпечує високу
економічність і маневреність установки.
Номінальний режим роботи
газотурбінної установки при новій, чистій проточній частині характеризується
наступними параметрами:
номинальна потужність на
муфті нагнітача 10000 кВт (±5%);
коефіцієнт корисної дії,
віднесений до номінальної потужності на муфті нагнітача 28%;
температура зовнішнього
повітря 15 °С;
тиск зовнішнього повітря
1,032 ата;
температура газу перед
турбіною 993 К;
частота обертання силової
турбіни 5500 об/хв;
опір усмоктувального і
вихідного трактів 50 мм в. ст.
Газотурбінна установка
складається з двох механічно незв'язаних між собою турбін (турбіни високого
тиску - для привода осьового повітряного компресора і силової турбіни - для
приводу газового нагнітача), повітряного компресора, камери згоряння, повітрепідігрівача,
пускового турбодетандера, а також систем змащення, регулювання, захисту і
керування, що забезпечують нормальну роботу і обслуговування установки.
Повітря з атмосфери через
фільтри засмоктується і стискається компресором, після чого надходить у повітрепідігрівач,
де його температура підвищується за рахунок тепла відпрацьованих у турбіні
продуктів згоряння. Підігріте повітря направляється в камеру згоряння, куди
подається і паливо. Продукти згоряння з камери направляються в турбіну високого
тиску потужність якої використовується для привода осьового компресору; далі
продукти згоряння попадають у силову турбіну яка обертає нагнітач. Після
турбіни продукти згоряння проходять через повітрепідігрівач віддають частину
тепла повітрю і випускаються у атмосферу через димар.
Пуск агрегату здійснюється
пусковим турбодетандером, що працює на газі, що перекачується по магістралі.
Паливом для двигуна є
природний газ, що перекачується.
Обидві турбіни виконані в
загальному литому корпусі, що має внутрішню теплову ізоляцію. Ротор турбіни
високого тиску складається з одновінцевого диска, укріпленого на консолі вала
повітряного компресора, що обертається на двох підшипниках (один з підшипників
опорно - упорний). Одновінцевий диск турбіни низького тиску кріпиться на консолі
силового вала, що обертається на двох підшипниках, розташованих у загальному
корпусі (один з підшипників опорно-упорний).
Повітряний компресор осьового
типу має 10 ступеней.
Направляючі лопатки укріплені в литому чавунному корпусі. Ротор компресора барабанного
типу. Робочі лопатки кріпляться до ротора за допомогою зубчатих хвостовиків
Вся турбогрупа змонтована на
загальнозварній рамі − маслобаку.
Камера згорання
горизонтальна, прямоточна, складається з корпуса, фронтового пристрою з
пальниками, вогневої частини і змішувального пристрою.
Повітрепідігрівач виконаний
із профільних листів і складається з двох секцій. Рух продуктів згоряння через
підігрівач здійснюється одним ходом по каналах двокутової форми, утвореної
штампованим профілем листів між якими також рухається і повітря, що
підігрівається.
Пусковий турбодетандер
встановлений на блоці переднього підшипника компресора, з'єднується з ротором
турбіни високого тиску зубчастою передачею і оснащений розчіпним пристроєм.
З'єднання роторів нагнітача і
газової турбіни здійснюється за допомогою проміжного вала і зубчатої муфти.
Масляна система агрегату
складається з головного маслонасоса, установленого на валоу турбіни високого
тиску, пускового електронасоса, резервного електронасоса, насосів ущільнення
нагнітача, маслобака (рама турбогруппи), акумулятора масли, мастилопроводів з
регулюючою арматурою, підігрівника масли і фільтрів тонкого очищення.
Система керування,
регулювання і захисту агрегату забезпечують:
підтримка заданої швидкості
обертання валу нагнітача;
підтримка заданого перепаду
тиску між маслою ущільнення і газом у порожнині нагнітача;
керування операціями пуску і
зупинки агрегату;
захист агрегату від
неприпустимих режимів і умов роботи.
Пуск, завантаження,
управління і зупинка агрегату здійснюється автоматично з центрального щита або
щита агрегату.
Система контролю агрегату
здійснює дистанційний вимір основних експлуатаційних параметрів.
Турбокомпресорна група. Блок
турбогрупи складається з осьового компресора, газових турбін високого і
низького тисків, об'єднаних в одному корпусі і підшипників силового ротора,
змонтованих на загальній фундаментній рамі, що одночасно є маслобаком. Блок
турбогруппи з'єднується з нагнітачем за допомогою проміжного вала. Вся
турбогрупа закривається обшивкою, з - під якої нагріте повітря відсмоктується
вентилятором і викидається в атмосфер.
Корпуси компресорів і турбін.
Корпус компресора виконаний із трьох частин, з'єднаних вертикальними фланцями:
усмоктувальних і нагнітальної камер і середньої частини (обойми); корпус має
загальний горизонтальний роз’єм.
Вертикальний роз’єм між
обоймою і нагнітальною камерою є технологічним і при експлуатації машини не
розбирається. Вертикальний роз’єм між верхньою половиною усмоктувальної камери
і обоймою - монтажний, він служить для зняття кришки усмоктувальної камери при
розбиранні переднього підшипника.
Корпус компресора посилений
ребрами, а задня стінка нагнітальної камери з'єднана з обоймою стяжками для
запобігання деформації корпуса від внутрішнього тиску.
Усмоктувальна камера складається
з вхідного патрубка, що має фланець прямокутної форми, до якого за допомогою
шпильок приєднується усмоктувальний трубопровід, конфузорної частини і корпусу
переднього підшипника, нижня частина якого долита до усмоктувального патрубка.
Усередині патрубка є ребра жорсткості, що служать одночасно лопатками для
організації потоку повітря.
Обойма (середня частина
корпуса компресора) виконана у вигляді конічної труби з двома вертикальними
фланцями. На внутрішній поверхні обойми є 12 канавок для кріплення направляючих
лопаток компресора.
В обоймі між пазами під
лопатки є 6 отворів (по 3 у двох площинах), закритих пробками; ці отвори
служать для виміру спеціальним щупом радіальних зазорів між робочими лопатками
і корпусом у закритому компресорі.
У середній частині обойми
виконаний кільцевий прилив, канал якого з'єднаний з внутрішньою порожниною
компресору щілиною і має вісім отворів для установки скидальних клапанів.
Нагнітальна камера
складається з дифузора, збірної камери і патрубка, що закінчується фланцем
овальної форми для кріплення трубопроводу. На задній стінці є кільцеві приливи
для кріплення корпуса середнього підшипника і двох сегментів, а також приливи з
отворами для підведення повітря на охолодження турбіни.
Корпус компресора має чотири
лапи, якими він установлюється на фундаментну раму, і два приливи на патрубках
для вертикального шпонкового з'єднання з фундаментною рамою.
Для запобігання перетікань
повітря в місцях проходу ротора, у компресорі є два ущільнення лабіринтового
типу, що складаються з закарбованих у вал тонких кілець і ущільнюючої поверхні
у корпусі. Поверхня переднього ущільнення гладка і виконана за одне ціле з
корпусом компресора. Перед ущільненням встановлений щиток, що зменшує
підсмоктування масляних випарів. Щиток встановлений у проточку корпуса і у
верхньої підошві корпусу кріпиться двома гвинтами зі стопорними шайбами. З боку
нагнітання в корпусі компресора встановлена задня ущільнююча обойма, що має
східчасту проточку. Для відбору гарячого повітря, що протікає через ущільнення,
і запобігання попадання його на середній підшипник є кільцевий канал, з якого
повітря через трубу відводиться під обшивку. Центрування обойми ущільнення в
розточці корпуса компресора здійснюється за допомогою шести спеціальних
гвинтів, розташованих у радіальних отворах; ці гвинти після закінчення
центрування контролюються гайками. Від провертання обойма фіксується шайбою,
розташованою в горизонтальному роз'ємі.
До заднього торця обойми
кріпиться кожух, що закриває частину ротора між компресором і підшипником.
Перед нагнітальною камерою
встановлений дифузор, у якому для безвідривного повороту потоку повітря є
кільцева лопатка, з'єднана з дифузором за допомогою ребер. Дифузор встановлений
у розточці корпуса, і верхня половина його кріпиться в роз'ємі двома гвинтами
із шайбами. Зовнішня поверхня корпуса компресора покрита звуко- і
теплоізоляцією.
Між турбіною і компресором
розташований середній підшипкик. Він виконаний у виді двох вертикальних
напівфланців, з'єднаних перемичками, на ребрах яких встановлений картер
підшипника, що має розточення для установки опорного вкладиша і двох
маслозахисних кілець. Маслозахисні кільця мають дві камери - пастки,
розташовані між ущільнючими кільцями. Верхні половини маслозахисних кілець
кріпляться в кришці підшипника гвинтами із шайбами. Опорний вкладиш утримується
від проворота шайбою, встановленою в горизонтальному роз'ємі. На кришці
підшипника є два різьбових отвори під болти, що стискають обидві половини
маслозахисних кілець, для запобігання перетікання масла по їх роз'єму.
На кришці є площадка для
установки вібродатчика і отвір для відводу масляних пар.
Підвід масли до вкладишу
виконаний біля горизонтального роз'єму, а злив масли відбувається через трубку
в нижній половині картера підшипника.
Корпус турбіни складається з чотирьох
частин, з'єднаних вертикальними фланцями: передня частина корпуса, дифузор і
два вихлопних патрубки (правий і лівий). Передня частина корпуса і дифузор
оснащені фланцями горизонтального роз'єму, вихлопні патрубки горизонтальних
роз'ємів не мають. Передня частина корпуса турбіни двоступенева: зовнішній
литий корпус і внутрішня, розвантажена від тиску, вставка з листової
жаростійкої сталі.
Внутрішня вставка утворює
проточну частину турбіни від вхідного патрубка до лопаток; зазор між вставкою і
зовнішнім корпусом заповнений тепловою ізоляцією. Для забезпечення вільного
теплового переміщення вставки щодо зовнішнього корпуса кріплення внутрішнього
корпуса в зовнішньому здійснюється за допомогою лапок на горизонтальному
роз’ємі вставок, що входять у захвати зовнішнього корпуса. Одне з цих з'єднань
виконано як фікспункт; що запобігає осьовому переміщенню внутрішнього корпуса
щодо зовнішнього.
Теплова ізоляція в
горизонтальному роз’ємі і біля фланця впускного патрубка покривається
кремнеземистою тканиною, потім сталевою сіткою і закриваються аркушами з
жаростійкої сталі, що перекривають один одного на стиках. Між листами верхньої
і нижньої половини укладається ущільнюючий валик, який складається з ізоляції
загорненої в тканину і сітку. У конфузорній частині внутрішня вставка кріпиться
до зовнішнього корпусу по меншому діаметрі через компенсатор, а по більшому −
за допомогою закриваючого ізоляцію екрану, що приєднаний до зовнішнього корпуса
болтами і входить у паз на вставці.
У вхідному патрубку є стяжка,
що додає додаткову жорсткість корпусу. Стяжка захищена від нагрівання кожухом
обтічної форми з ізоляцією, а усередині через неї проходить холодне повітря, що
відбирається після п'ятої ступені компресора.
На передньому торці корпуса
виконаний кільцевий прилив, до якого кріпиться корпус середнього підшипника і
два сегмента, що з'єднують корпус компресора і корпус турбіни.
На тому ж торці є отвори для
проходу повітря, що підводиться по трубах для охолодження елементів турбіни.
Впускний патрубок оснащений фланцем для кріплення за допомогою шпильок і гайок
перехідного патрубка від камери згоряння до турбіні.
Дифузор виконаний звареним з
листа і має зовнішню теплову ізоляцію. У внутрішній частині дифузора ізоляція
закрита металевим кожухом.-Для кріплення до переднього корпуса дифузор
оснащений вертикальним фланцем, до якого примикає кільцева камера. До камери з
двох сторін трубами підводиться повітря від компресора. Повітря через отвори у
вертикальному фланці і канали підводиться на охолодження обойми направляючих
лопаток і дисків. У передній частині дифузор має також внутрішню ізоляцію,
закриту екранами, а в горизонтальному роз'ємі − листами.
Вихідна частина дифузора
роздвоєна для установки корпусу заднього підшипника турбіни на фундаментну раму
і закінчується двома фланцями, до яких приєднуються вихлопні патрубки.
Вихлопні патрубки виконані з
листа і мають зовнішню теплову ізоляцію. Для більшої жорсткості вони посилені
ребрами, передні фланці вихлопних патрубків приєднуються болтами до дифузора,
задні, прямокутної форми, з’єднуються з вихлопним трубопроводом. Фланці
горизонтального і вертикального роз'ємів дифузора і вертикального роз'єму
вихлопного патрубка закриті матами, щоб їх можна було розбирати без руйнування
ізоляції. Горизонтальні фланці внутрішньої частини дифузора закриті також
знімними металевими кожухами, заповненими ізоляцією.
Корпус турбіни спирається на
фундаментну раму за допомогою шести лап, розташованих по дві на передньому
корпусі, дифузорі і по однієї на вихлопних патрубках. Лапи, які розташовані на
передньому корпусі турбіни, є фікспунктом для корпусів всього агрегату. Прилив
у нижній частині впускного патрубка служить для шпонкового з'єднання з
фундаментною рамою.
У корпусі турбіни в
спеціальних розточках встановлена обойма направляючих лопаток, діафрагма з
переднім ущільненням, ущільнення крилатки і заднє ущільнення турбіни.
Ротор турбокомпресора
складеного типу і виконаний з барабану, пробки і диска. Пробка запресована в
розточки барабану з боку входу повітря в компресор і зафіксована чотирма радіальними
штифтами, що стопоряться різьбовими пробками. Диск турбіни насаджений на інший
кінець валу. Диск фіксується на валу за допомогою десяти радіальних штифтів,
які оберігаються від випадання кільцем, насадженим поверх штифтів. Кільце
стопориться гвинтами. Для забезпечення надійності з'єднання з валом застосована
втулка, яка встановлена в отвір кінця бочки і має виступ, на який насаджений
диск.
На ободі диску турбіни
розташовані пази. ялинкової форми, в які установлені лопатки. На торцях диска є
кільцеві виступи, для зняття металу при динамічному балансуванню ротора.
На бочці ротору є десять
канавок зубчатого профілю для установки робочих лопаток компресора. Біля кожної
канавки виконана виїмка для установки замка, що кріпить останню лопатку в
ступені. Виїмки розташовані на сусідніх ступенях діаметрально протилежно. У
місцях проходу через корпус в ротор закарбовані ущільнювальні кільця. На торцях
барабана є Т - подібні кільцеві канавки, у які встановлені і закріплені
балансуючі вантажі. Шийки ротора окантовані масловідбійними кільцевими
виступами, які разом з масляним ущільненням корпусів підшипників запобігають
перетіканню масла. Відцентрове колесо (диск з радіальними отворами) виконано на
валу разом з диском і служить для створення надлишкового тиску повітря перед
газовими лабіринтними ущільненнями, а також для охолодження кінця валу.
На пробці виконано два
гребені, один з яким є упорним диском, а інший служить базою для реле осьового
зсуву. Поруч з гребенем знаходяться два отвори перпендикулярні осі валу; в
одному з них установлена гільза автомату безпеки, а в іншому - магніт
тахогенератора. У цьому ж місці на ротор насаджене зубчасте колесо для передачі
обертового моменту від валоповоротного пристрою і пускової турбіни.
Колесо зафіксоване шпонкою і
двома гвинтами. Біля торця ротора на вал запресоване відцентрове колесо
головного масляного насоса, закріплене шпонкою і гайкою.
Ротор силової турбіни
складається з валу з двома опорними шийками і насадженого на його консольну
частину одновінцевого диску Кріплення цього диска аналогічно кріпленню диска
турбіни високого тиску. Поруч з диском розташовані ущільнюючі кільця,
закарбовані в канавки за допомогою дроту, і відцентрове колесо (крилатка).
Поруч з опорною шийкою вала виконані масловідбійні кільцеві виступи, що разом з
маслозахисним кільцем, встановленим у корпусі підшипника, запобігають
перетіканню масли назовні. Між шийками ротор має утовщену частину, яка є
противагою диску. На валові також виконані упорний диск, гребінь для установки
реле осьового зсуву, два отвори для установки гільзи автомата безпеки і магніту
тахогенератора, масловідбійний гребінь і виготовлене заодно ціле з валом
відцентрове колесо імпелера. Біля торця вала насаджена зубчата напівмуфта,
зафіксована штифтом і гвинтом.
Для динамічного балансування
ротора на торцях бочки є Т - подібні кільцеві канавки, у яких встановлені і
закріплені балансуючі грузики. Для цієї ж мети на диску є кільцеві пояси, з
яких при балансуванні знімається необхідна кількість металу.
Охолодження турбіни
здійснюється повітрям яке відбирається від компресора,чим забезпечується
зниження температури статорних деталей корпуса турбіни, дисків і хвостовиків
лопаток обох турбін, а також створення повітряних затворів в ущільненнях.
Повітря з нагнітального
патрубка компресора подається по трубках з компенсаторами до корпуса турбіни,
де чотирма трубками він підводиться до діафрагми і двома трубками - у зазор між
внутрішньою вставкою і діафрагмою. Повітря, що надійшло, у канали - діафрагми,
частково використовується в ущільненні високого тиску, а інша частина по восьми
трубках з компенсаторами підводиться до каналу, розташованому на периферії
діафрагми, і через отвори надходить на охолодження диска компресорної турбіни.
Повітря, що підводиться в
зазор між діафрагмою і вставкою, запобігає проникнення гарячого газу до стінок
корпуса і виходить через канали у вставці над діафрагмою, одночасно
прохолоджуючи її зовнішню поверхню.
На дифузорі є два патрубки,
по яких повітря підводиться від трубопроводу після компресора і надходить через
колектор і отвори у вертикальному фланці до обойми направляючих лопаток. По
одному з отворів через порожнинний штифт повітря попадає в колектор, виконаний
на обоймі; з цього колектора, повітря трьома трубками йде на охолодження диска
компресорної турбіни і по одній трубці на охолодження, диска силової турбіни.
Повітря по цих трубках попадає в кільцеві канали з яких через дрібні отвори
обдуває диски. По інших отворах повітря попадає в радіальний зазор між корпусом
і обоймою, а потім по дванадцятьох свердліннях проходить у кільцеву збірну
камеру обойми, а звідти по численним осьові каналам, прохолоджуючи обойму, іде
в приточну частину турбіни.
З трубопроводу, що йде до
дифузора, частина повітря відводиться по трубці до заднього ущільнення турбіни.
Повітря низького тиску після
четвертої ступені компресора підводиться для охолодження стяжки, розташованої у
вхідному патрубку турбіну.
Турбогрупа установки закрита
декоративним обшиванням, з - під якого за допомогою вентилятора відсмоктується
повітря. За рахунок відсосу гарячого повітря зменшується тепловиділення в
машинний зал, а внутрішнє її покриття, виконане з тепло - звукоізоляційного
матеріалу знижує температуру обшивання і рівень шуму.
Обшивка складається з
чотирьох частин, прикручених одна до одної на місці монтажу, і встановлюваних
на фундамент. Конструктивно обшивання виконане у виді каркасу з куточків і
швелерів і покрите сталевим листом. Внутрішня поверхня обшивання захищена
ізоляційними матами, які кріпляться до листів. Для більшої рівномірності потоку
повітря, відсос здійснюється через короб, розташований над турбіною. У коробі є
отвори, що відбирають повітря від найбільш нагрітих місць; для цієї ж мети в
середній частині обшивання, між турбіною і компресором, установлено два екрани.
На передньому торці обшивання
є двері, що дозволяють здійснювати огляд переднього блоку без зняття обшивки.
На задньому торці виконаний фланець для приєднання трубопроводу відсосу. У
середній частині над скидними клапанами компресора верхня частина виконана з
сітки, закріпленої за допомогою рамки і гвинтів.
У передній частині обшивання
з правої сторони прикріплена фірмова дошка, а поруч з нею передбачено наносити
фарбою станційний номер машини.
Ізоляція передбачає зниження
температури зовнішньої поверхні агрегату і зменшення рівня шуму працюючої
установки.
Значна частина поверхні
корпуса компресора, дифузор і вихлопні патрубки турбіни покриті зовнішньою
ізоляцією. Внутрішня ізоляція виконана в передній частині корпуса турбіни і
заповнює простір між корпусом і вставкою.
Зовнішня ізоляція корпуса
компресора виконана на ділянках між ребрами товщиною рівною висоті ребра і
закріплена на корпусі за допомогою сітки прикріпленої гвинтами із шайбами до
ребер. Сітка зовні оштукатурена і обклеєна тканиною.
Зовнішня ізоляція дифузора і
вихлопних патрубків закріплена на поверхні за допомогою сітки і штирів,
приварених до стінок. Сітка, також як і на компресорі, зовні оштукатурена й
обклеєна тканиною. Крім того, ізоляція внутрішньої частини дифузора,
розташованої навколо заднього підшипника, закрита металевим кожухом, що
запобігає руйнуванню ізоляції від впливу випарів масли, а також при монтажі і
ремонтах агрегату.
Для розбирання і збирання
агрегату місця кріплення дифузора по горизонтальному і вертикальному роз’ємах
закриваються м'якими знімними ізоляційними матами, що кріпляться до корпуса
болтами через окантовані отвори. У тій частині де поверх ізоляції встановлено
металевий кожух, роз’єми закриті коробами, наповненими ізоляцією.
У верхній частині вихлопних
патрубків на передній стінці встановлені навісні ізоляційні мати, які необхідно
знімати при розкритті корпуса турбіни.
Камера згорання призначена
для здійснення безперервного процесу спалювання газоподібного палива в потоці
стиснутого повітря, що надходить у камеру з повітропідігрівача. Продукти
згоряння з необхідною температурою направляються через перехідної патрубок у
газову турбіну.
Камера згоряння виконана
семипальниковою, із змішувачем вихрового типу і складається з наступних
основних вузлів:
пальника основного пристрою;
фронтового пристрою;
вихрового змішувача;
корпуса камери з кришкою.
Пальниковий пристрій
складається з 6 основних пальників, однієї чергової і двох запалювачів. Основні
пальники розташовані по окружності і з'єднані загальним кільцевим колектором,
що підводить газ. Кількість газа, яка подається в основні пальники в залежності
від режиму роботи агрегату, визначається величиною відкриття регулюючого
клапану. Черговий пальник розташований у центрі і конструктивно об'єднаний із
двома запалювачами. Черговий пальник на всіх режимах роботи агрегату має
постійну витрату газу, який підводиться до неї (також як і до запалювачів) крім
регулюючого клапана, через дросельні шайби, діаметр отворів яких визначається
необхідною витратою газу.
Основний пальник складається
з головної частини, паливопідвідної труби і фланця для кріплення пальника до
кришки камери згоряння. Головна частина виконана з конуса, з'єднаного з
паливопідвідною трубою, циліндра, яким пальник вільно вставляється у втулку
малого лопаткового вінця фронтового пристрою, і перфорованої конічної головки.
Паливопідвідна труба пальника приєднується до паливного колектора за допомогою
штуцерного з'єднання. Газоподібне паливо з колектора підводиться до головної
частини пальника і надходить у фронтовий пристрій камери згоряння через кілька
рядів дрібних отворів у конічній голівці.. Черговий пальник складається з
головної частини, паливопідвідної труби, двох однакових запальників і фланця,
що з'єднує всі деталі чергового пальника і робочого для кріплення їх до кришки
камери. Головна частина чергового пальника по конструкції аналогічна головній
частині основного пальника. Запальник складається з привареної до фланця труби,
розділеної діаметральною перегородкою на дві порожнин. В одну з цих порожнин у
фіксованому положенні вставляється газопідвідна трубка, що кропиться гайкою. В
інший порожнині розташовуються електроди свічі запалювання, вкрученої в
фланець. Через штуцерне з'єднання до запальника підводиться газ і, потрапляючи
в газопідвідну трубку, виходить з неї декількома струменями. Газ проходить
через отвори в перегородці і ежектує повітря, що попадає в трубу запальника
через ряд отворів по окружності труби. Газоповітряна суміш попадає до
електродів свічі запалювання і займається при її включенні. Факел, що
утвориться, по трубі направляється вбік голівки чергового пальника. Завдяки
перепадові тиску на малому лопатковому вінці фронтового пристрою, полум'я
запальника втягується між лопатками і запалює газоповітряну суміш чергового
пальника, після чого запальник припиняє свою роботу. Обоє пальників розташовані
симетрично щодо чергового пальника і включаються у роботу паралельно, чим
досягається велика надійність системи запалювання.
Фронтовий пристрій
призначений для подачі первинного повітря в зону горіння, змішання його з
газовим паливом і стабілізації полум'я на всіх режимах роботи. Фронтовий
пристрій складається з семи малих лопаткових вінців (шести по колу і одного в
центрі) і одного великого лопаткового вінця, розташованого навколо малих.
Кожний з малих лопаткових вінців складається з ряду плоских лопаток, уварених
під визначеним кутом між двома оболонками, і додає повітрю обертального рух. У
внутрішні оболонки цих вінців вставляються головні частини пальників. Шість
малих лопаткових вінців вварюються в загальний конус, розташовуючись по його
окружності. Один малий вінець, для чергового пальника, приварюється в
центральній частині конуса, що за допомогою зварювання з'єднаний з великим
лопатковим вінцем. Останній складається з ряду вигнутих лопаток, уварених між
двома оболонками. Закрутки малих вінців протилежні закрутці великого. До
зовнішньої оболонки великого лопаткового вінця приварений конус і циліндрична
оболонка, що телескопічно входить в оболонку вихрового змішувача. Цим
забезпечується свобода теплового розширення фронтового пристрою, кріплення
якого до корпусу камери здійснюється за допомогою двох лап із прорізами,
виконаними для компенсації радіальних розширень. Фронтовий пристрій
виготовляється з листової аустенітної сталі.
Вихровий змішувач призначений
для змішання продуктів згоряння з вторинним повітрям і одержання досить
рівномірного поля температур на виході з камери згоряння. Вихровий змішувач
складається з двох концентрично розташованих оболонок, з яких внутрішня має два
діаметрально протилежних трикутних вирізи, по бічних сторонах яких, у
кільцевому просторі, установлені ряди вигнутих лопаток. Останні розділяють
загальний осьовий потік вторинного повітря, що рухається в кільцевому просторі,
на два потоки і направляють їх під прямим кутом, через вирізи, всередину
вогневої частини. Два парні вихори, що утворюються всередині вогневої частини,
взаємодіють з продуктами згоряння, забезпечуючи їхнє перемішування з вторинним
повітрям.
Лопатки змішувача,
розташовані під кутом до його осі, двома парами рядів що сходяться, з однієї
сторони приварюються до внутрішньої оболонки, з іншого боку - до бандажів, що
мають розрізи через кожні чотири лопатки. Зовнішня оболонка змішувача
надівається на бандажі і у передній частині (по ходу повітря) центрується
радіально розташованими обтічниками і ребрами, привареними до внутрішньої
оболонки. На виході зовнішньої оболонки, за лопатками, до неї по торцю між
зовнішньою і внутрішньою оболонками приварюється заглушне кільце, яке
перекриває прохід повітря в осьовому напрямку. Обтічники і ребра з'єднують за допомогою
чотирьох втулок і пальців зовнішню і внутрішню оболонки, допускаючи вільне їх
відносне переміщення.
Змішувач кріпиться до корпуса
камери за допомогою двох пар пальців, заглушених зовні вкрученими пробками. Два
з цих пальців входять у втулки на змішувачі і фіксують його осьове положення, а
два інших входять у шпонки, розташовані на зовнішній оболонці і допускають
вільне осьове переміщення всього змішувача в цілому.
Корпус камери і кришка
утворюють міцний корпус, що сприймає внутрішній тиск повітря. Корпус утворює
циліндричний барабан із двома врізаними в нього овальними, переходячими в
круглі, патрубками, що закінчуються фланцями. По цих патрубках у камеру
підводиться повітря. На торцях барабана є два фланці для кріплення кришки і
з'єднання камери згоряння з перехідним патрубком, зв'язаним з газовою турбіною.
Крім того, на-корпусі розміщаються ще три невеликих патрубки для кріплення
фотодатчиків контролю факела.
Для установки камери згоряння
на раму і спрямування теплового розширення на корпусі є дві лапи і поздовжня
шпонка.
Кришка є дном корпусу і
складається із штампованої овальної частини і фланця для з'єднання з корпусом
камери. На кришці розташовуються канавки кріплення пальників і кільцевий
колектор основного газу з двома вхідними патрубками.
Регенератор призначений для
підігріву повітря, що надходить у камеру згоряння, продуктами згоряння, що
виходять з турбіни.
У газотурбінній установці
застосований пластинчастий повітрепідігрівач.
З умов компоновки і
транспортування повітрепідігрівач розділений на дві секцій, що включені
паралельно по повітрю і по газі.
Кожна секція
повітрепідігрівника виготовляється із шести пакетів, що збираються з елементів,
складених з 2-х штампованих листів нержавіючій сталі товщиною 1 мм. На поверхні
кожного листа є виштамповки продовгуватої обтічної форми. У листі можна умовно
виділити три ділянки: вхідний; вихідний і протиточний (середній). На вхідній і
вихідній ділянках довжина виступів поступово зменшується; цим створюється
рівномірний розподіл повітря по висоті листа. У середній частині
виштамповуються профілі овальної форми, розташовані в шаховому порядку.
Складені в елемент два листа утворять внутрішні повітряні канали і хвилеподібну
щілину на вхідній і вихідній ділянках. Елемент зварюється по краях контактним
електрозварюванням. З'єднання елементів між собою поводиться по вхідній і
вихідній ділянках аргонодуговим зварюванням.
Зібрані в пакет елементи
утворюють канали двокатової форми для проходу продуктів згоряння. Таким чином,
кожен лист обдувається по обидва боки теплообмінним середовищами, а виштамповки
на листах інтенсифікують теплопередачу.
Спеціальні гребінки,
виготовлені з листової сталі, вварюються в місцях входу і виходу повітря по
конфігурації що утворюють зубчаті лінії.
З бічних і торцевих сторін
пакета встановлюються кутові листи. З'єднання гребінок з елементами і пакетів
між собою здійснюється електрозварюванням.
Пакети в секції розташовані
двома паралельними групами по три у кожній і з'єднані між собою двома
напівкруглими кришками. Між цими групами утворюється колектор, з якого повітря
розподіляється по пакетах.
З бічних і торцевих сторін
секції приварюються напівовальні кришки, що служать збірними повітряними
колекторами, а також для вирівнювання тиску по обидві сторони крайніх листів
пакетів. До кришок приварюються ребра, що додають конструкції більшу твердість,
а також плити з ребрами, призначені під опори і для транспортування і
кантування секцій. У кришках і в колекторі встановлюються направляючі листи,
які служать для кращої організації потоку і зменшення опору по повітряному
тракті.
Для підведення і відведення
повітря до секції приварюються круглі патрубки з фланцями, а для продуктів
згоряння − прямокутні фланці (коміри).
Повітря з компресора
надходить у верхній патрубок секції і рівномірно розподіляється по вхідних
ділянках поверхні нагрівання. Рухаючись по повітряних каналах назустріч
продуктам згоряння, повітря нагрівається, збирається в напівовальних кришках і
потім через нижній патрубок направляються в камеру згоряння. Охолоджені
продукти згоряння по газопроводу направляються в димар.
Секції повітропідігрівника
установлюються вертикально, на чотирьох лапах.
Оскільки секцій знаходяться
під відкритим небом, то для зменшення теплових втрат вони повинні бути
ізольовані тепловою ізоляцією і захищені від атмосферних опадів металевими
листами (обшивкою).
Система масло постачання. У
газоперекачувальному агрегаті застосована циркуляційна примусова система
маслопостачання, що забезпечує змащення підшипників агрегату, ущільнення
нагнітача і роботу системи регулювання.
Під час роботи агрегату масло
подається в систему головним насосом масли, продуктивністю 2390 л/хв при тиску
12 кгс/см2. Насос знаходиться в передньому блоці турбоагрегату. Стійкість
роботи насоса забезпечується інжектором, що створює підпір в усмоктувальному
патрубку насос. Інжектор установлений безпосередньо на рамі.
Масло із системи нагнітання
головного насосу проходить через здвоєний зворотний клапан Ду 125 і
розділяється на три потоки:
до маслоохолоджувача, через
регулятор тиску “після себе” і підрегульований дросель Ду 50 і блок, насосів з
підігрівом масла;
до сопла інжектора насоса і у
систему регулювання (силовоа масло);
в систему регулювання (масло
постійного тиску), через регулятор тиску “після себе”;
Регулятори тиску “після себе”
підтримують приблизно постійний тиск, на рівні 0,6 МПа.
У випадку перевищення тиску
масла перед маслоохолоджувачем частина масла зтравлюється перед запобіжним
клапаном Ду 50 в раму - бак.
Масло після маслоохолоджувача
з температурою не більш +50°С розділяється на три потоки:
до гвинтових насосів для
ущільнення нагнітача;
на змащення опорно - упорного
підшипника нагнітача, через зворотний клапан Ду 50;
на змазку підшипників
турбогрупи через дросельний клапан Ду 100, який знижує тиск масла до 1 кгс/см2
і зворотній клапан.
У блок насосів з підігрівом
масла входять маслоохолоджувач, у якому масло підігрівається гарячою водою при
пуску машини з зимовий період, гвинтові і резервні маслонасоси і арматура:
запобіжний, дросельний і зворотній клапани і засувки.
Масло надходить до вкладишів
підшипників турбогруп через регульовані дроселі, за допомогою яких
встановлюються необхідні витрати масла при тиску ~0,6 кгс/см2.
Під час пуску і зупинки
агрегату працює пусковий насос, що забезпечує подачу масла в систему через
здвоєний зворотній клапан у кількості 2000 л/хв при тиску 5 кгс/см2.
Після пуску турбіни і
часткового завантаження нагнітача пусковій насос автоматично за допомогою
здвоєного зворотного клапану, відключається від системи маслопостачання,
оскільки тиск за головним насосом (на валу турбіни) стає більшим ніж за
пусковим: після чого електродвигун насоса виключається системою автоматичного
керування.
При зупинці агрегату пусковий
насос включається автоматично і живить систему маслопостачання до повної
зупинки агрегату і на час, необхідний для охолодження підшипників.
У випадку аварійного зниження
тиску масла або при відсутності під час зупинки агрегату напруги перемінного
струму, для живлення двигуна пускового насоса, автоматично включається
резервний насос з електродвигуном постійного струму.
Резервний насос
двоступінчастий, перша ступінь має продуктивність 460 л/хв при тиску в
нагнітанні 1 кгс/см2 і підключена до маслопроводу змащення після
маслохолоджувача через зворотний клапан Ду 80.
Друга ступінь насосу,
продуктивністю 55 л/хв подає масло з тиском 5 кгс/см2 через зворотній клапан Ду
25 на ущільнення нагнітача, а частина масла через дросельну шайбу, на змащення
опорно - упорного підшипника нагнітача.
На усмоктуванні резервного
насосу є засувка для відключення насоса при ревізії, без зливу масла з баку.
Гвинтові насоси подають масло
високого тиску через зворотний клапан на торцеве ущільнення і опорний підшипник
нагнітача, частина масла до зворотного клапана зтравлюється в лінію змазки
перед блоком насосів регулятором перепаду, що підтримує задану величину
перевищення тиску масла над газом. Перепад тиску масла над газом контролюється
за допомогою показуючого приладу (дифманометра) і реле перепаду, що з'єднані з
маслопроводом високого тиску і з поплавковою камерою.
Для захисту нагнітача від
помпажа є сигналізатор, до якого підведене очищене масло з постійним тиском 0,5
МПа.
Паливна система ГТУ
призначена для подачі паливного газу до камери згорання. Паливний газ до
турбоагрегату поступає із блоку підготовки паливного газу де проходить
попередню очистку, осушку, та підігрів.
2.2 Порядок
пуску в роботу і зупинка газотурбінного агрегату ДЖ-59Л
Перед першим пуском ГПА
необхідно перевірити якість підготовчих робіт. Для цього необхідно ознайомитися
з актами про проведення наступних робіт: центрування нагнітача з трубопроводами
технологічної обв'язки, іспиту опору ізоляції електроустаткування агрегату,
виміру опору заземлення, гідровипробування імпульсних трубопроводів,
опресування системи пускового, паливного, імпульсного газу, перевірки і
налагодження систем керування агрегатом. Крім того, варто ознайомитися із
сертифікатами на масло, застосовуване в системах двигуна і нагнітача.
Відповідальний за пуск
повинен переконатися, що проведено всі підготовлені роботи і виконані всі
умови, передбачені “Інструкцією з експлуатації ГПА”, інструкціями з
експлуатації АСУ ГПА і привідного двигуна.
При повній готовності до
пуску на пристрої представлення інформації (ППІ) установки включається сигнал
“Готовий до пуску”.
Холодне прокручування (ХП). Перед
кожним пуском агрегату з метою перевірки готовності до пуску двигуна й інших
механізмів пристроїв агрегату проводиться ХП, що здійснюється з операторної
агрегату. Для проведення ХП на пульті необхідно установити режим роботи ГПА
“Холодне прокручування”. При виконанні передпускових умов і включенні індикації
“Готовий до пуску” натиснути кнопку “Пуск”. ХП двигуна здійснюється автоматично
по алгоритму системи автоматичного керування ГПА. Тривалість ХП (тривалість
роботи стартера) 100 с. По закінченні ХП (загоряється табло “Зупинка”)
необхідно визначити час вибігу роторів НТ і ВТ.
Пуск ГПА. Пуск агрегату
здійснюється після перевірки виконання передпускових умов, ХП і повної зупинки
роторів двигуна. Перед пуском необхідно перемикач вибору режиму роботи на пульті
керування установити в положення “кільце” чи “магістраль”, а після включення
індикації “Готовий до пуску” натиснути керування ГПА. Послідовність виконання
операцій контролюється автоматично.
Нормальна зупинка агрегату
виробляється тільки після закінчення пуску при роботі ГПА на режимі “Кільце” чи
“Магістраль” натисканням на кнопку “Нормальної зупинки”. Зупинка виробляється
автоматично відповідно до алгоритму системи автоматичного керування.
Аварійна зупинка агрегату
служить для захисту устаткування агрегату при порушенні технологічних
параметрів, невиконанні команд, невідповідності положення виконавчих
механізмів, а також при погрозі безпеки обслуговуючого персоналу. Аварійна
зупинка ГПА відбувається автоматично відповідно до алгоритму САК при спрацьовуванні
захистів чи натисканні на кнопку “Аварійна зупинка”.
Аварійна зупинка ГПА
здійснюється вручну, у наступних випадках: поява стороннього шуму в одному з
вузлів агрегату, погроза безпеки обслуговуючого персоналу чи поломка агрегату;
відхилення параметрів від припустимих значень і неспрацьовування захисту,
запалення масла чи газу в мастилопроводах агрегату, прориви газу в контейнер
нагнітача.
2.3
Експлуатація газотурбінного агрегату ДЖ-59Л
Обладнання, установки та
системи компресорного цеху (далі КЦ) повинні експлуатуватися відповідно до
виробничих інструкцій, що складені на основі інструкцій з експлуатації
заводів-виготовлювачів обладнання, "Правил технічної експлуатації
електроустановок споживачів", "Правил безпеки при експлуатації магістральних
газопроводів" та інших нормативних документів.
Всі операції, пов'язані з
пуском або зупинкою агрегату, повинні проводитися автоматично. Пуск агрегату
після ремонту проводиться згідно з затвердженими положеннями про порядок здачі
в ремонт і приймання з ремонту ГПА. Пуск ГПА оснащених агрегатною системою
автоматичного управління (САУ), у процесі експлуатації повинен здійснюватися
автоматично.
Під час обслуговування ГПА
оперативний персонал зобов'язаний підтримувати заданий режим роботи,
здійснювати контроль і періодичну реєстрацію параметрів, аналізувати причину
їхньої зміни і відхилення від нормальних величин, приймати міри щодо
попередження небезпечних режимів, зокрема:
− не допускати
підвищення тиску газу після нагнітача вище дозволеної величини шляхом регулювання
частот обертання роторів, зміною працюючих ГПА та їхньої роботи (захист повинен
спрацьовувати при підвищенні тиску на 0,15 МПа вище дозволеного);
− не допускати
температуру газу на виході КЦ гранично допустимої шляхом регулювання режиму
працюючих установок охолоджування, зміною режиму роботи ГПА;
− контролювати об'ємний
розхід газу через відцентрові нагнітачі і не допускати можливість роботи в
зонах із пониженими об'ємними витратами (зона передпомпажних режимів), а також
в зонах із високими об'ємними витратами (зонах небезпечних режимів за умов
динамічної стійкості) шляхом регулювання кількості обертів роторів, зміною
схеми роботи ГПА, перепусканням газу. Не допускати роботу газотурбінних ГПА без
системи протипомпажного захисту та регулювання;
− підтримувати робочу
температуру продуктів згорання газотурбінних установок, не допускаючи під час
зміни навантаження (або зовнішніх умов) перевищення встановлених величин;
− не припускати
перевищення потужності на муфті ГПА вище допустимої для даного типу агрегату;
− не допускати роботу
ГПА при частотах обертання роторів заборонених інструкцією з експлуатації
заводів-виготовлювачів;
− попереджувати
можливість обмеження всмоктувального тракту ГПА своєчасним включенням
регулюванням та контролем роботи системи, що попереджує льодоутворення;
− контролювати протягом
часу роботи ГПА розрідження на вході компресора, вчасно замінювати змінні
фільтруючі елементи, не допускати неекономічну роботу ГПА з підвищеними
втратами тиску осьового компресора. Своєчасно проводити очистку його проточної
частини;
− контролювати
параметри технологічного газу з метю аналізу і попередження умов
гідратоутворення технологічних комунікаціях, з метою недопущення роботи з
гідравлічними опорами, що перевищують допустимі.
контролювати перепади тиску і
їх зміну в часі на установках очищення, охолодження газу, на захисних решітках
та інших елементах технологічних комунікацій для попередження роботи з
гідравлічними опорами, що перевищують допустимі. Допускається знімати захисні
решітки на всмоктувані відцентрового нагнітача з дозволу газотранспортного
підприємства згідно поданям підрозділу (ЛВУ МГ, ВУ ПЗГ тощо), але не раніше,
ніж через 1 рік з початку експлуатації КС (КЦ);
− забезпечувати
ефективну роботу установок очищення газу з метою відвернення ерозійного зносу і
забруднення елементів нагнітача шляхом включення необхідної кількості апаратів,
періодичним їхнім дренажем та очищенням;
− контролювати рівень
масла в маслобаках і виконувати їх вчасну дозаправку, як правило, в денну
зміну;
− контролювати тиск,
температуру в системах змащування, регулювання і ущільнення; забезпечувати
температурний режим масла і підшипників у межах, встановлених інструкцією з
експлуатації заводів- виготовлювачів ГПА; визначити значення і зміну перепадів
тиску в масляних фільтрах і виконувати вчасну їхню очистку; перевіряти
дієздатність системи ущільнення нагнітача;
− контролювати рівень
вібрації та його зміни;
− контролювати
комплектність та дієздатність засобів пожежогасіння;
− контролювати рівень
загазованості;
− контролювати
параметри системи електрозабезпечення КС;
− контролювати
готовність аварійного джерела енергопостачання;
− контролювати роботу
систем теплозабезпечення і вентиляції КС. Компресорний цех повинен бути
оснащений аварійним зупиненим з відключенням від газопроводу і скиданням газу
із технологічних комунікацій у випадках:
− пожежі у приміщенні
цеху, укритті, блочному пункті редукування газу власних потреб, установках
очищення і охолодження газу, кранових вузлів, вузлів підключення та
комунікаціях КС;
− розривах газопроводів
високого тиску або аварійних викидах газу;
− стихійного лиха, що
створює загрозу обладнанню і життю людей (повінь, землетрус тощо).
У цих випадках змінний
інженер самостійно приймає рішення щодо зупинки ГПА або КЦ з наступною
доповіддю керівництву та диспечеру підрозділу (філії).
Автоматична і аварійна
зупинка ГПА оперативним персоналом повинні здійснюватися відповідно з вимогами
технічної документації заводів-виготовлювачів ГПА і виробничих інструкцій.
Не дозволяється в процесі
експлуатації відключати автоматичний захист або змінювати їхні уставки. У
необхідних випадках, пов'язаних з тимчасовим відключенням деяких захистів
(наприклад для обслуговування приладів), повинен бути забезпечений постійний
контроль параметру, по якому відключений захист агрегату в цілому і прийняті
необхідні заходи щодо дублювання даного параметру або шляхом непрямого
вимірювання. Після проведення ремонтних робіт захист повинен бути відновленим і
випробуваним з обов'язковим оформленням в журналі проведення робіт.
Виробничі об'єкти, обладнання
і комунікації КС експлуатуються службами (дільницями):
− газокомпресорною -
основне технологічне обладнання, системи та споруди компресорного цеху;
− енерговодопостачання
- електротехнічне обладнання і прилади КС, системи тепло- і водопостачання,
сантехнічної вентиляції, промислової каналізації;
−
контрольно-вимірювальних приладів і автоматизації - засоби автоматизації
основного та допоміжного обладнання КС.
Виробничі задачі
експлуатаційних служб, права і обов'язки їх керівників визначаються
відповідними положеннями експлуатаційних служб, затвердженими газотранспортним
підприємством (УМГ тощо).
Основними завданнями
персоналу, який здійснює експлуатацію та ремонт обладнання, систем і споруд КС,
є:
− забезпечення
безперебійного технологічного процесу очищення, компримування і охолодження
газу;
− забезпечення
надійності, безпеки, ефективності і економічності обладнання та систем КС;
− забезпечення
справного стану виробничих будівель, споруд, території;
− дотримання заданого
режиму компримування газу;
− захист навколишнього
середовища і людей від небезпечних і шкідливих виробничих факторів.
Експлуатаційні служби у
процесі експлуатації повинні здійснювати заходи щодо забезпечення утримання
охоронних зон КС, всмоктуючих та нагнітальних шлейфів, об'єктів, будинків та
споруд згідно з вимогами нормативних документів у галузі будівництва, що діють
на території України та "Правил охорони магістральних трубопроводів".
Обов’язки персоналу КЦ під
час експлуатації визначаються затвердженими посадовими і робочими інструкціями
та виробничими інструкціями з охорони праці по професіях та видах робіт
Підтримання обладнання КС у
дієздатному стані здійснюється за допомогою системи технічного обслуговування і
ремонту.
В процесі експлуатації
повинні підлягати випробуванню на спрацьовування (включення) і (або)
функціонування наступне обладнання із системи КЦ:
− резервні і аварійні
джерела електрозабезпечення - не рідше 1 раз на місяць;
− резервна котельня,
газові повітронагрівачі та інші засоби індивідуального нагріву - щомісяця в
зимовий період;
− системи водяного,
пінного газового і порошкового пожежогасіння - в терміни, визначені
інструкціями з їх експлуатації але не рідше ніж 1 раз на квартал;
− система аварійного
відключення КС та автоматичний захист цеху - при плановій зупинці;
− автоматичний захист
цеху від пониження тиску паливного газу - 1 раз на місяць;
− сигналізація
загазованості і аварійного включення вентиляції - 1 раз на місяць.
2.4
Класифікація видів технічного обслуговування і ремонту газотурбінного агрегату
ДЖ-59Л
Система технічного
обслуговування та ремонту повинна передбачати:
− періодичне технічне
обслуговування під час роботи під навантаженням;
− технічне
обслуговування після призначеного числа годин роботи під навантаженням;
− технічне обслуговування
та (або) поточний ремонт після призначеного числа годин роботи на зупиненому
обладнанні;
− технічне
обслуговування обладнання і систем, що знаходяться у резерві;
−
планово-попереджувальні (середні капітальні) ремонти;
−
аварійно-відновлювальні ремонти.
Періодичність і обсяги
технічного обслуговування та ремонту визначаються підрозділом, виходячи з
технічного стану обладнання, наявності та функціонування системи діагностування
технічного стану обладнання (комплексні обстеження ГПА до ремонту і після
ремонту та в процесі експлуатації), або вимог експлуатаційної та ремонтної
документації підприємств-виготовлювачів обладнання.
Ремонт допоміжних механізмів
безпосередньо зв'язаних з основними агрегатами, повинен проводитися водночас з
ремонтом останніх.
До виводу обладнання і споруд
у капітальний або середній ремонт повинні бути:
− складені відомості
обсягу робіт та кошторис, що уточнюється після відкриття і огляду обладнання;
− проведені комплексні
(теплотехнічні, вібраційні, екологічні) випробування ГПА (перед капітальним
ремонтом) або експрес-випробування обладнання - для отримання даних, необхідних
для аналізу технічного стану;
− складений
графік ремонту та проект організації ремонтних робіт;
− підготовлена
необхідна ремонтна документація, складена і затверджена документація на роботи
з модернізації і реконструкції обладнання, які намічені до виконання в період
ремонту;
− підготовлені
необхідні матеріали, запасні частини, вузли і відповідно документація;
− укомплектовані,
приведені у справний стан і, при необхідності випробувані інструмент, пристрої
та підйомно-транспортні механізми;
− укомплектований і
проінструктований ремонтний персонал.
Підвищення надійності
транспортування газу і скорочення часу аварійно-відновлювального ремонту
обладнання КС повинні забезпечуватися створенням і підтриманням незнижуваних
запасів матеріалів та запасних частин.
Система ТО і Р ГПА передбачає
наступні види робіт:
ТО-1 - щоденне ТО. Включає
контроль системи вимірювання, сигналізації з використанням штатних індикаторів
та засобів контролю.
ТО-3 - щомісячне ТО, на
працюючому агрегаті (приблизно, через 700 годин напрацювання). Проведення
повного аналізу турбінної масли, перевірка тиску в балонах СО2 та системі
пожежегасіння, крім того роботи які входять в ТО-2.
ТО-4 - щоквартальне ТО, на
працюючому агрегаті (приблизно, через 2000 годин напрацювання). Включає в себе
роботи:
− перевірка перепадів
тиску масли на фільтрах змащувальної масла;
− змащення муфти та
гідравлічної масла;
− перевірка напору
повітря за вентиляторами наддуву;
− роботи які входять в
ТО - 3.
ТО-5 − піврічне ТО, на
непрацюючому агрегаті (приблизно, через 4000 годин напрацювання). Включає в
себе:
− всі попередні ТО;
− перевірка фільтрів
паливного газу;
− перевірка
протипожежної системи;
− продувка керамічного
фільтру, для ущільнень та охолодження ГПА;
− промивання радіаторів
АПО масла.
ТО - 6 − щорічне ТО, на
зупиненому агрегаті (приблизно, через 8000 - 10000 годин напрацювання).
Рахується ремонтом типу “А”. Включає в себе перевірку жарових труб та
перехідних патрубків, та роботи всіх попередніх ТО.
СР - Середній ремонт.
Виконується після напрацювання агрегатом 16000 годин та, крім того, включає в
себе всі роботи передбачені всіма ТО. Він рахується ремонтом типу “В”. Включає
в себе:
− повне відкриття
агрегату (ОК, Т, СТ), крім відцентрового нагнітача;
− калібрування системи
керування;
− ревізія редуктора
турбодетандера;
− повна дефектоскопія
(підшипники, шийки валів, жарові труби, робочі лопатки Т, СТ та ін.);
− перевірка контакту
зубчатих з’єднань в проміжних валах, контроль системи маслопідведення на
змащення напівмуфти;
− перевірка та заміна
фільтрів на змащувальній системі;
− чистка основного баку
масли, та всіх баків дегазації, повна заміна масла;
− перевірка зазорів по
проточній частині, в підшипниках та лабіринтних ущільненнях;
− замір потужності на
валу СТ до ремонту та після ремонту.
КР - Капітальний ремонт.
Виконується після напрацювання агрегатом 30000 годин або за фактичним станом
агрегату, якій відображається в акті комісії яка робила обстеження агрегату.
Він рахується ремонтом типу “С” і включає в себе роботи:
− всі робити попередніх
ТО та середнього ремонту, плюс повне відкриття відцентрового нагнітача.
Порядок виведення ГПА в
ремонт
Основними факторами для
виводу ГПА в КР за фактичним станом слід рахувати різке збільшення відмов
складових частин ГПА та неможливість їх відновлення шляхом ТО.
Планування ремонтів повинно
бути узгоджено с планом транспортування газу.
Річний план - графік ТО і Р є
основним документом, який визначає об’єми робіт і є підставою для визначення
потреби в запасних частинах, матеріалах, робочій силі та грошових коштах.
Роботи, які проводяться при
ТО-3 та ТО-6, реєструються в експлуатаційних формулярах ГПА, а роботи за ТО-1
та ТО-2 виконуються в порядку поточної експлуатації.
Пошкодження та відмови ГПА,
виявлені при всіх видах ТО, а також виявлені змінним персоналом при
експлуатації фіксуються в “Журналі дефектів основного та допоміжного
обладнання”.
Плановий СР та КР проводиться
силами спеціалізованих ремонтних організацій (зокрема силами
“Укргазенергосервіс”). Вивід ГПА в ремонт проводить комісія під керівництвом
начальника цеху.
Перед виводом в ремонт
експлуатуюча організація (замовник) повинна виконати наступне:
− скласти та передати
ремонтній організації попередню ремонтну відомість;
− а три тижні дати
факсограму у відділ КС про відрядження представників “Техдіагаз”, для заміру
потужності на валу СТ;
− за два тижні дати в
факсограму в УМГ з проханням про вивід в ремонт ГПА;
− разом з ремонтною
організацією провести вимірювання параметрів і обстеження ГПА на одному режимі
під навантаженням для отримання даних, необхідних для аналізу роботи та технічного
стану окремих елементів устаткування (з записом в ремонтні формуляри);
− надати ремонтній
організації технічну документацію на ГПА, спеціальні прилади, інструменти та
пристрої, які постачаються разом з ГПА і є необхідними для проведення ремонту;
− призначити
представників відповідних служб, контролюючих хід і якість ремонту.
Після розкриття ГПА та
дефектоскопії, складається остаточна дефектовочна відомість.
Ремонтною організацією
складається та погоджується з замовником перелік устаткування, яке підлягають
відправці на ремонт, або заміні на нове.
Оцінка якості ремонту ГПА
проводиться на підставі ремонтних формулярів, техніко-економічних показників
роботи ГПА під навантаженням до та після ремонту.
Після ремонту агрегат, який
пройшов налагодження і перевірку усіх систем, повинен експлуатуватися із
закритими і опломбованими щитами управління.
Усі планові зупинки і
пов'язані з ними пуски резервних ГПА повинні, як правило, використовуватись
оперативним персоналом в деякий час. Усі планові і режимні зупинки повинні
виконуватись у нормативному режимі.
Вимушені зупинки ГПА повинні
виконуватись оперативним персоналом у нормативному або аварійному режимі
залежно від причин, характеру і передбачуваних наслідків пошкодження або
відмови.
У випадку вимушеної або аварійної
зупинки ГПА, необхідно з'ясувати причину і, до її усунення, не запускати даний
агрегат.
Знаходження ГПА в стані
"резерв" або "гарячий резерв" встановлюється диспетчерською
службою підприємства.
На агрегаті в стані гарячий
резерв" повинні бути виконані усі передпускові умови, що забезпечують його
негайний автоматичний запуск від кнопки "пуск" або за сигналом
автоматизованої системи управління технологічним процесом (САУ ТП).
На агрегаті в стані
"резерв" повинно проводитися технічне обслуговування. Порядок його
проведення повинен забезпечувати при необхідності, пуск ГПА не пізніше ніж
через 2 години після надходження команди.
Компресорний цех у плановому
порядку один раз на рік повинен бути зупинений (у літній час) на термін до 48
годин для виконання ремонтно-профілактичних робіт із підготовки обладнання до
осінньо-зимової експлуатації.
Перед плановою зупинкою
компресорного цеху необхідно скласти і затвердити план робіт із призначенням
керівників і виконавців; укомплектувати планові роботи необхідними матеріалами,
інструментами та механізмами.
2.5
Характерні несправності газотурбінного агрегату ДЖ-59Л і методи їх усунення
Таблиця 2.1 - Характерні
несправності газотурбінного агрегату ДЖ-59Л і методи їх усунення
|
Назва несправності і зовнішні ознаки
|
Причина
|
Дія оператора за пультом керування
|
Метод усунення
|
|
1 При запуску відсутнє займання паливного газу
|
1.1 Порушений контакт у високовольтних
роз’ємах
|
Припинити запуск. Після зниження частоти
обертання КНТ до 5 с-1 (300 об/хв.) виконати холостий пуск
|
Усунути несправність відповідно до керівництва
по експлуатації системи плазмового займання палива. Опір ланцюгу не повинен
перевищувати 2,0 Ом
|
|
1.2 Порушений контакт між контактними
площадками плати осцилятора і виводами блоку конденсаторів
|
|
Зачистити контактні площадки, підтягти гвинти
кріплення плати
|
|
1.3 Засмічений дросель підведення паливного
газу до запальників
|
|
Від’єднати і продути стиснутим повітрям трубки
до і після крана подачі газу. Потім перевірити прохідність трубки разом з
краном подачі, відкриваючи його і подаючи стиснуте повітря на вхід трубки.
|
|
2. Нестабільний розряд між електродами свічки.
|
2.1 Порушена ізоляція високовольтного дроту
|
Припинити запуск. Після зниження частоти
Обертання КНТ до 5 с-1 (300 об/хв.) і нижче виконати холодний пуск
|
Перевірити опір ізоляції. Опір не повинен бути
менше 10МОм.
|
|
|
2.2 Забруднення коксом поверхонь електродів.
|
|
Промити електроди спиртом, видалити залишки
коксу дрантям і просушити стиснутим повітрям.
|
|
|
2.3 Вироблення ресурсу свічок, зазор більше
норми. Пробій або пошкодження ізоляції свічки.
|
|
Перевірити круглим щупом між електродний
зазор. Величина зазору на початку вироблення ресурсу 1,5±0,1 мм і кінці
вироблення ресурсу не більше 1,9+-0,1 мм.
При необхідності замінити свічку. Якщо після
заміни свічки на нову розряд збільшитися, необхідно в працюючій свічці
промити електроди і ізолятор спиртом, просушити сухим
|
|
|
|
|
стиснутим повітрям, якщо розряд не
відновитися, свічку замінити.
|
|
|
3. Помпажні хлопки при збільшенні або
зменшенні потужності.
|
3.1 Забруднені проточні частини компресора
|
Зробити нормальну зупинку ГТД
|
Виконати обов’язкове промивання проточної
частини незалежно івіл параметрів роботи двигуна.
|
|
|
4. Малий тиск масла на вході в ГТД
|
4.1 Засмітився масляний фільтр на лінії
нагнітача
|
Понизити режим ГТД до холостого ходу
|
Перемкнути фільтр на чисту секцію
|
|
|
4.2 Порушене регулювання навісного
маслоагрегата ГТД
|
Понизити режим ГТД до холостого ходу або
виконати нормальну зупинку ГТД
|
Виконати регулювання згідно технологічній
карті.
|
|
|
4.3 Витік масла із маслопроводу
|
Знизити режим ГТД до холостого ходу
|
Усунути витік масла. Провірити кількість масла
|
|
|
5. Коливання тиску масла у масляній системи
ГТД
|
5.1 Падання повітря у маслосистему.
|
Зменшити режим ГТД до холостого ходу
|
Ущільнити з’єднання на всмоктувальній лінії маслоагрегата
|
|
|
6. В процесі запуску перепад тиску паливного
газу на робочих форсунках перевищив 0,03 МПа (0,3кгс/см2) і спрацював захист
з перевищення перепаду.
|
6.1 Обрив або засмічення трубки відведення
повітря від КВТ до дифманометру
|
Припинити запуск. Після зниження частоти
обертання КНД до 5-1 (300 об/хв.) і нище виконати холостий пуск
|
Від’єднати і продути трубку. При обриві трубки
відновити її зварюванням, не допускаючи зменшення площі перерізу
|
|
|
6.2 Засмітилися робочі форсунки
|
|
Демонтувати і оглянути форсунки, при
необхідності прочистити їх
|
|
7. Не відкривається скидальний клапан
|
7.1 Не подається живлення на електромагніт
відкриття скидального клапана
|
Припинити запуск
|
Перевірити ланцюг живлення електромагніту
відкриття скидального клапана
|
|
7.2 Засмітився фільтр падачі газу на
управлінні скидального клапана
|
|
Очистити фільтр згідно технологічної карті
|
|
8. На режимі роботи температура масла на
виході із окремих опор ГТД вище норми
|
8.1 Несправність у ланцюгах виміру
|
Виконати нормальну зупинку ГТД
|
Перевірити ланцюги виміру і КІП. Перевірити
справність термоперетворювачів опору. Перевірити і промити шляхові фільтри у
місцях підведення масла до опор ГТД. Перевірити в’язкість масла, при
відхиленні від норм масло замінити.
|
|
8.2 Мала витрата масла через опори ГТД
|
|
|
|
8.3 Не включені вентилятори охолодження ГТД.
|
|
Перевірити справність вентиляторів.
|
|
|
|
|
|
|
|
|
|
|
|
3.
Розрахункова частина
.1 Розрахунок фізичних властивостей
газу
Склад природного газу у відсотках
об'ємних: − 98,68;H6 − 0,15;H8 − 0,03;H10 − 0,00;H12 −
0,00;− 0,86;− 0,28.
Виходячи з складу газу
молярну масу газу М, газову сталу R, відносну густину за повітрям
і густину
газу за нормальних умов
(3.1)
де
- молярна
маса
-го
компонента природного газу;
- молярна (об'ємна) частка
-го
компонента природного газу.
(3.2)
(3.3)
(3.4)
Знаходимо псевдокритичні
параметри природного газу: тиск Рnк і температуру Тnк
(3.5)
(3.6)
де
,
- критичний
тиск і критична температура -го компоненту газу;- кількість компонентів у
природному газі.
Обчислюємо нижчу теплоту
згорання природного газу
(3.7)
де
- нижча
теплота згорання
-го
компонента газу;- кількість горючих компонентів у природному газі.
3.2 Розрахунок режимів роботи
газотурбінного агрегату ДЖ-59Л
Газотурбінні агрегати ДЖ-59Л даної
компресорної станції застосовуються для приводу нагнітачів Н-16-76-1,37 з
такими параметрами:
− номінальна продуктивність Qн
= 37 млн.м3/д,
− номінальний абсолютний тиск
газу на вході Рвсн = 5,44 МПа.
Передбачаємо паралельну роботу двох
вибраних ГПА.
Окрім того, з паспортної
характеристики нагнітача вибираємо значення зведених параметрів, номінальних
обертів, мінімально допустимої із умови безпомпажної роботи подачі:
н = 6500 об/хв, = 352 м3/хв.
Температура повітря для
району розташування КС становить Та = 293К. Розрахунковий атмосферний тиск Ра =
0,0969 МПа.
Вихідні дані для розрахунку
наявної потужності ГТУ:
номінальна потужність ГТУ
коефіцієнт, який враховує
допуски і технічний стан ГТУ КN =0,95;
коефіцієнт, який враховує
вплив системи проти обмерзання Коб = 1;
коефіцієнт, який враховує
вплив системи утилізації тепла Ку = 0,985;
коефіцієнт, який враховує
вплив температури навколишнього середовища Кt =3,2;
номінальна температура
повітря на вході в ГТУ
Розрахункову температуру повітря на
вході ГТУ обчислюємо за формулою
(3.8)
де
- середня
температура зовнішнього повітря для періоду, що розглядається, за даними СниП
2.01.01.-82 або даними метеостанції;
- поправка на зміну кліматичних
параметрів і місцевий підігрів повітря на вході ГТУ,
.
Тз = 293 + 5 = 298 К.
Наявну потужність
газотурбінної установки (ГТУ) для привода відцентрованих нагнітачів (ВН) КС
визначаємо за методикою, наведеною у чинному на сьогодні міждержавному
галузевому нормативному документі “Нормы технологического проектирования.
Магистральные трубопроводы. Часть 1. - Газопроводы” (ОНТП 51-1-85) [1]
(3.9)
де
-
номінальна потужність ГТУ, кВт;
- коефіцієнт, який враховує допуски
і технічний стан ГТУ;
- коефіцієнт, який враховує вплив
системи, що протидіє обмерзанню;
- коефіцієнт, який враховує вплив
системи утилізації тепла відпрацьованих газів;
- коефіцієнт, який враховує вплив
температури навколишнього повітря;
- номінальна температура повітря на
вході у ГТУ, К;
- розрахункова температура повітря
на вході у ГТУ, К;
- розрахунковий тиск зовнішнього
повітря, МПа, який залежить від геодезичної позначки місця розташування
компресорного.
Обчислюємо зведені параметри
абсолютного тиску і температури газу на вході у нагнітачі за формулами
(3.10)
,
Визначаємо коефіцієнт
стисливості газу за умов входу в ВН
(3.11)
де
(3.12)
При проектній продуктивності
компресорної станції за стандартних умов Q обчислюємо об'ємну продуктивність
всіх ГПА КС за умов входу в нагнітачі
(3.13)
Знаходимо об'ємну подачу газу
одного нагнітача за умов входу
(3.14)
де m - кількість паралельно
працюючих нагнітачів з однотипними роторами.
Приймаємо, що кількість
обертів нагнітача дорівнює номінальному значенню n=6500 об/хв н. Визначаємо зведену
витрату газу за формулою
(3.15)зв = Qвс = 381,75 м3/хв.
Обчислюємо зведені відносні
оберти нагнітача за формулою
(3.16)
де
-
коефіцієнт стисливості газу, температура газу на вході і газова стала, при яких
побудовані зведені газодинамічні характеристики нагнітача.
Використовуючи зведену
характеристику нагнітача Н-16-76-1,37 одержуємо наступні данні:
Визначаємо абсолютний тиск
газу на виході нагнітачів
Тиск газу на нагнітанні не
перевищує допустиме із умов міцності значення, тобто виконується технологічне
обмеження параметрів роботи ГПА.
Зведена витрата газу
перевищує мінімальне значення Qmin, яке забезпечує роботу нагнітача без
помпажа, тобто виконується технологічне обмеження параметрів роботи ГПА.
Обчислюємо густину газу за
умов входу в нагнітач
(3.17)
Знаходимо внутрішню
потужність нагнітача за формулою
(3.18)
Визначаємо потужність,
спожиту нагнітачем
(3.19)
де
-
механічний ККД нагнітача.
Потужність, спожита
нагнітачем, повинна бути не більша за наявну потужність газотурбінної
установки, тобто не виконується технологічне обмеження параметрів роботи ГПА.
Задаємося частотою обертів
нагнітача n = 6100 об/хв. і повторюємо розрахунки, починаючи з формули:
Використовуючи зведену
характеристику нагнітача Н-16-76-1,37 одержуємо наступні данні:
Визначаємо абсолютний тиск
газу на виході нагнітачів
Знаходимо внутрішню
потужність нагнітача:
Обчислюємо потужність,
спожиту нагнітачем:
Розраховані параметри режиму
роботи КС відповідають технологічним обмеженням.
Визначаємо температуру газу
на виході з нагнітачів
Розрахунок витрат газу на власні
потреби компресорної станції виконуємо згідно з ОНТП 51-1-85) [1].
Витрати паливного газу за
стандартних умов для одного робочого ГПА обчислюємо за формулою
(3.20)
де
-
номінальна витрата паливного газу, наведена у таблиці 25[1] і таблиці 5.1 [2],
- нормативне значення теплоти
згорання газу,
= 34500
кДж/м3.
Витрати паливного газу для
компресорного цеху при роботі m ГПА дорівнюють:
QПГ = qПГm. (3.21)
Обчислюємо проектні витрати
паливного газу для компресорного цеху
4.
Економічна частина
.1
Розрахунок трудомісткості робіт з технічного обслуговування газотурбінної
установки газоперекачувального агрегату ГПА- 16 КС «Гребінківська»
Технічне обслуговування -
усунення дрібних несправностей засобів праці, проведення оглядів стану окремих
вузлів та агрегатів, здійснення заміни мастила та регулювання певних
механізмів.
Трудомісткість - показник, що
характеризує затрати часу на одиницю продукції.
Річна трудомісткість робіт з
обслуговування газотурбінної установки ГПА може бути розрахована за формулою:
, (4.1)
де
річна трудомісткість робіт з
технічного обслуговування, люд.- год.;
- норма часу на одну операцію або
роботу у розрахунку на один об`єкт, що підлягає обслуговуванню, люд. - год.;
- кількість обслуговувань протягом
року у розрахунку на один об`єкт;
- кількість об`єктів даного типу,
одиниць.
Річну трудомісткість робіт з
технічного обслуговування газотурбінної установки ГПА можна визначити також
виходячи з ефективного часу роботи робітників за рік. Тобто, для визначення
річної трудомісткості робіт з технічного обслуговування необхідно розрахувати
ефективний час роботи робітників за рік .
Для обслуговування і експлуатації
газотурбінної установки газоперекачувального агрегату ГПА за штатним розкладом
передбачена кількість робітників - 10 чол.
Річний фонд робочого часу:
ФЧрічн = 365 - 10 - 105 - 30
- 9 = 211 дн.,
де 365 - кількість днів за
рік;
- святкові дні;
- вихідні дні;
- кількість днів відпустки;
- лікарняні, прогули.
Ефективний час роботи
робітника за рік:
= 211 ∙ 8 =1688 год.
На технічне обслуговування
передбачається 12% від ефективного часу роботи 1 робітника:
ТО = 1688 ∙ 12 : 100 =
202,56 год.
Річна трудомісткість робіт з
технічного обслуговування газотурбінної установки ГПА:
= 192,96 ∙ 10 = 1929,60
люд.-год.
Отже, річна трудомісткість з
технічного обслуговування становила
= 1929,60 люд.- год.
4.2
Розрахунок витрат з технічного обслуговування і експлуатації газотурбінної
установки газоперекачувального агрегату КС
До складу витрат з технічного
обслуговування і експлуатації газотурбінної установки ГПА належать витрати на
оплату праці персоналу, який зайнятий обслуговуванням, тобто
слюсарів-ремонтників; витрати на проведення заходів соціального захисту
працівників, а також витрати, які пов`язані з придбанням матеріальних ресурсів,
із оплатою за електричну енергію, амортизаційні відрахування, інші грошові
витрати.
4.2.1
Розрахунок заробітної плати
Політика оплати праці
підприємств формується й реалізується у межах чинного законодавства.
Відповідно до статті 1 Закону
України «Про оплату праці» заробітна плата - це винагорода, обчислена, як
правило, у грошовому виразі, яку за трудовим договором власник або
уповноважений ним орган виплачує працівникові за виконану ним роботу.
Заробітна плата -
найважливіша соціально-економічна категорія, один з економічних важелів.
Розмір заробітної плати
залежить від складності та умов роботи, що виконуються, професійно-ділових
якостей працівника та господарської діяльності підприємства.
Фонд заробітної плати -
частина доходу підприємства, призначена для особистих потреб працівників, яка
розподіляється за кількістю і якістю затраченої праці.
Фонд заробітної плати
визначають окремо по категоріях працівників підприємства.
Витрати на оплату праці
складаються з:
Фонду основної заробітної
плати.
Фонду додаткової заробітної
плати.
Інших заохочувальних та
компенсаційних виплат.
Основна заробітна плата - це
винагорода за виконану роботу відповідно до встановлених норм праці (норми
часу, виробітку, обслуговування посадових обов'язків). Вона встановлюється у
вигляді тарифних ставок (окладів) і відрядних розцінок для робітників та
посадових окладів для керівників, спеціалістів і службовців. Основна заробітна
плата розраховується у відповідності зі штатним розкладом працівників, а також
діючими посадовими окладами і тарифними ставками.
Додаткова заробітна плата -
це винагорода за працю понад установлені норми, за трудові успіхи й
винахідливість і за особливі умови праці.
Інші заохочувальні та
компенсаційні виплати - це виплати у формі винагород за підсумками роботи за
рік, премії за спеціальними системами і положеннями, компенсаційні та інші
грошові й матеріальні виплати, які не передбачені чинним законодавством, або
які виплачуються понад встановлені норми.
Роботи з технічного
обслуговування і експлуатації газоперекачувального агрегату ГПА виконує
персонал, склад якого наведений у штатному розкладі в таблиці 4.1.
Таблиця 4.1 - Штатний розклад
персоналу
|
Назви посад і професій
|
Розряд
|
Чисельність, осіб
|
Місячний тарифний фонд заробітної плати, грн
|
Тарифний фонд заробітної плати, грн
|
Премія
|
Місячний фонд заробітної плати, грн
|
|
|
|
|
|
%
|
грн
|
|
|
Майстер
|
-
|
1
|
4500,0
|
4500,0
|
30
|
1350,0
|
5850,0
|
|
Машиніст
|
4
|
3
|
2600,0
|
7800,0
|
20
|
1560,0
|
9360,0
|
|
Машиніст
|
5
|
1
|
2800,0
|
2800,0
|
20
|
560,0
|
3360,0
|
|
Слюсар-ремонтник
|
4
|
1
|
2300,0
|
2300,0
|
20
|
460,0
|
2760,0
|
|
Слюсар-ремонтник
|
5
|
1
|
2400,0
|
2400,0
|
20
|
480,0
|
2880,0
|
|
Слюсар з КВП і А
|
4
|
1
|
2700,0
|
2700,0
|
20
|
540,0
|
3240,0
|
|
Слюсар з КВП і А
|
5
|
1
|
3100,0
|
3100,0
|
20
|
620,0
|
2400,0
|
|
Підсобний робітник
|
2
|
1
|
1400,0
|
15
|
210,0
|
3720,0
|
|
Всього
|
-
|
10
|
-
|
27000,0
|
-
|
5780,0
|
32780,0
|
Річна сума основної заробітної плати
розраховується за формулою:
, (4.2)
де
- місячний
фонд основної заробітної плати, грн;
- кількість місяців на рік.
Річна сума основної
заробітної плати:
грн
Сума додаткової заробітної
плати встановлюється у межах від 10% до 15% відносно рівня основної заробітної
плати і визначається за формулою:
(4.3)
де
- сума
додаткової заробітної плати, грн;
- відсоток відрахувань на додаткову
заробітну плату,
= 15%.
Сума додаткової заробітної
плати встановлена у розмірі 15 % від суми основної заробітної плати.
Сума додаткової заробітної
плати:
Загальна сума заробітної
плати
визначається
за формулою:
. (4.4)
Загальна сума заробітної
плати:
4.2.2
Розрахунок відрахувань на соціальні потреби
У відповідності з чинним
законодавством України підприємства здійснюють відрахування у фонд соціального
призначення у розмірі 37,63%.
Рівень відсотків
встановлюється Кабінетом Міністрів України.
Сума нарахувань на соціальні
потреби (
)
розраховується за формулою:
. (4.5)
де Нн - відсоток нарахувань
на заробітну плату, Нн = 37,63%.
Сума нарахувань на соціальні
потреби :
4.2.3
Розрахунок витрат на електричну енергію
Витрати на електричну енергію
залежать від кількості споживаної електричної енергії та встановленого тарифу
за 1кВт год. електричної енергії.
Кількість електричної енергії
для освітлення робочого місця (
) розраховується за формулою:
, (4.6)
де
-
потужність одного освітлювального приладу, Вт;
= 200 Вт;
К - кількість освітлювальних
приладів, одиниць, К = 10 шт.;
- річний календарний фонд часу,
діб;
= 365 діб;
- час використання освітлювального
приладу на протязі доби, годин,
= 12 год.
- коефіцієнт для переведення
Вт в кВт.
Кількість електричної енергії
для освітлення :

.
Витрати на електричну енергію
(
)
розраховуються за формулою:
, (4.7)
де
- тариф за 1 кВт год. електричної енергії, яка врахована лічильником,
грн., береться на рівні поточних тарифів,
4.2.4
Розрахунок витрат на матеріали
У процесі обслуговування
газоперекачувального агрегату ГПА використовуються різні матеріали і запасні
частини.
Потреба
в матеріалах визначається за діючими нормами витрат матеріалів. Витрати
на матеріали визначаються у відсотках від загальної суми заробітної плати - у
межах від 50% до 80% і розраховуються за формулою:
, (4.8)
де
- відсоток
відрахувань на матеріали,
= 50%.
Відсоток відрахувань на
матеріали прийнятий у розмірі 50% від загальної суми заробітної плати і
складають:
4.2.5
Розрахунок амортизаційних відрахувань
Амортизація основних фондів -
перенесення вартості основних фондів на вартість нової продукції з метою їх
повного відновлення.
Механізм амортизації
передбачає застосування передбачених законодавством України норм амортизаційних
відрахувань.
Амортизацією основних фондів
називається поступове перенесення вартості основних фондів на вироблену
продукцію з метою відшкодування і накопичення грошових коштів для подальшого
повного і часткового їх відтворення.
Відшкодування вартості
основних фондів відбувається за рахунок щомісячно здійснюваних амортизаційних
відрахувань за встановленими нормами.
Норма амортизації - річний
відсоток відшкодування вартості зношеної частини основних фондів.
Для розрахунку суми амортизаційних
відрахувань необхідно використовувати балансову (первісну) вартість основних
фондів і встановлені норми амортизаційних відрахувань.
Розмір амортизаційних
відрахувань залежить в від вартості і терміну служби основних фондів.
Річна сума амортизаційних
відрахувань розраховується за формулою:
, (4.9)
де А річн. - річна сума
амортизаційних відрахувань, тис. грн.
Воф - балансова вартість ОФ,
тис. грн..
На - норма амортизаційних
відрахувань, %.
Розрахунок річної суми
амортизаційних відрахувань наведений у таблиці 4.2.
Таблиця 4.2 - Розрахунок
амортизаційних відрахувань
|
Назва основних фондів
|
Балансова вартість, основних
фондів, тис.
грн
|
Норма амортизаційних відрахувань, %
|
Сума амортизаційних відрахувань,
тис. грн
|
|
1. Споруди
|
380,720
|
8
|
30,458
|
|
2. Газоперекачувальний агрегат
|
1540,920
|
8
|
123,274
|
|
3. Трубопровід
|
360,840
|
24
|
86,602
|
|
|
24
|
|
|
|
24
|
|
|
7. Інші основні фонди
|
140,160
|
24
|
33,638
|
|
Разом
|
2422,640
|
-
|
273,972
|
Річна сума амортизаційних
відрахувань становить 273,972 тис. грн.
4.2.6 Розрахунок відрахувань до
ремонтного фонду
Стаття відрахування до ремонтного
фонду включає витрати на запасні частини, пристрої та інструменти, які
використовуються при виконанні ремонтних робіт.
Сума відрахувань до ремонтного фонду
приймається у відсотках від суми амортизаційних відрахувань у межах від 10 до
50%.
Сума відрахувань до ремонтного фонду
розраховується за формулою:
(4.10)
Де Врем - сума відрахувань до
ремонтного фонду, грн.;
Нрем - відсоток відрахувань
до ремонтного фонду, який прийнятий у розмірі 50%, Нрем= 50%.
Сума відрахувань до
ремонтного фонду:
тис. грн
4.2.7
Розрахунок інших грошових витрат
До інших грошових витрат
віднесені витрати, які пов`язані з охороною праці та технікою безпеки, витрати
на винахідництво, тощо.
Сума інших грошових витрат
приймається у відсотках від основної заробітної плати у межах від 30% до 100% і
розраховується за формулою:
, (4.11)
де
- сума
інших грошових витрат, грн.;
- відсоток відрахувань на інші
грошові витрати,
= 80%.
Відсоток відрахувань
прийнятий до статті інші грошові витрати у розмірі 80% від основної заробітної
плати:
4.2.8
Розрахунок витрат з технічного обслуговування і експлуатації газотурбінної
установки газоперекачувального агрегату КС
Для визначення річної суми
витрат з технічного обслуговування необхідно скласти у табличному вигляді
Кошторис експлуатаційних витрат з технічного обслуговування газотурбінної
установки газоперекачувального агрегату, до якого заносимо результати усіх
попередньо проведених розрахунків.
Таблиця 4.3 - Кошторис
експлуатаційних витрат з технічного обслуговування
|
Найменування статей витрат
|
Сума, тис. грн.
|
Питома вага, %
|
|
1. Заробітна плата
|
377,596
|
27,15
|
|
2. Відрахування на соціальні потреби
|
142,089
|
10,21
|
|
3. Електрична енергія
|
8,935
|
0,64
|
|
4. Матеріали
|
188,798
|
13,57
|
|
5.Амортизаційні відрахування
|
273,972
|
19,70
|
|
6. Відрахування до ремонтного фонду
|
136,986
|
9,85
|
|
7. Інші грошові витрати
|
262,675
|
18,88
|
|
Разом за кошторисом
|
1391,051
|
100
|
Витрати з технічного обслуговування
газотурбінної установки газоперекачувального агрегату КС становлять 1391,051
тис. грн.
5. Охорона праці
.1 Аналіз умов праці на робочому
місці
При виконанні технічного
обслуговування ГПА, що працює по технологічній схемі, можуть виникати наступні
небезпечні і шкідливі виробничі фактори:
паливо-мастильні матеріали (бензин,
гас, мінеральні і синтетичні мастила, змазки), шкідливі продукти згорання
палива, спецрідини, що проникають в організм через органи дихання,
шлунково-кишковий тракт, шкіряні поверхні та слизові оболонки;
підвищений рівень статичної
електроенергії;
підвищений рівень загазованості
приміщень;
підвищений рівень електромагнітних
випромінювань;
підвищений рівень іонізуючого
випромінювання в робочій зоні;
відсутність або недостатність
природного освітлення;
недостатнє освітлення робочої зони;
підвищена чи понижена температури
поверхонь приводу, обладнання і матеріалів;
підвищена чи понижена температура,
вологість та рухомість повітря в зоні технічного обслуговування привода;
підвищена напруга в електромережі,
замикання, яке може пройти через тіло людини;
руйнування та розлітання осколків
елементів деталей ГПА і виробничого обладнання;
розташування робочого місця або
робочої зони біля неогороджених перепадів по висоті 1,3 м та більше;
підвищений рівень інфрачервоної
радіації від нагрітих частин привода ГПА;
підвищений рівень ультрафіолетового
і теплового випромінювання при виконанні зварних робіт на приводі;
повітряні всмоктуючі потоки, що
рухаються з однаковою швидкістю (зона повітрозабірника ГПА);
ударна хвиля (вибух ємностей,
працюючих під тиском, парів горючої рідини);
витікаючі струмені газів і рідин із
ємностей та трубопроводів, що працюють під тиском;
підвищена запиленість і
загазованість повітря в зоні технічного обслуговування привода;
фізичні перевантаження (статичні і
динамічні) та нервово психічні перевантаження (емоційні);
повітряні атмосферні потоки (вітер);
підвищені рівні шуму, вібрації,
ультра і інфразвуку при запуску та випробовуванню привода і при ультразвуковому
контролю деталей привода;
фізичні перевантаження при
технічному обслуговуванні агрегатів привода, розташованих в важкодоступних
місцях;
хімічні речовини (токсичні, подразливі,
впливаючі на репродуктивну функцію), що входять в склад застосовуваних
матеріалів (грунтовок, клеїв, розчинників, спиртів, лаків, фарб);
незахищені рухомі елементи привода
(ротора двигуна та агрегатів), підйомних механізмів і виробничого обладнання;
падаючі інструменти та матеріали при
роботах по технічному обслуговуванню;
струмені відпрацьованих газів, що
витікають з високими швидкостями при запуску і випробовуванню привода, і
предмети, що попали в ці струмені;
транспортні засоби (візки самохідні
і несамохідні) для доставки агрегатів, обладнання;
5.2 Розробка заходів з охорони праці
5.2.1 Заходи з техніки безпеки
При монтажі ГПА варто звернути увагу
на наступне. Підйом турбоблока необхідно робити за допомогою спеціальної
траверси. Підйом інших блоків - усмоктувальної камери блоку маслоохолоджувачів,
вихлопного пристрою, шумоглушника й ін. - повинен здійснюватися у відповідності
зі схемами стропування і рекомендаціями, викладеними в технічній документації
на ГПА. У з'єднаннях блоків ГПА необхідно усунути усі нещільності і щілині,
кришки маслобаків повинні бути встановлені герметично. На непрацюючому агрегаті
жалюзі повітроочисного пристрою (ПОП), повітрозапірного відсіку двигуна повинні
бути закриті, вхідні дифузори вентиляторів блоку масло охолоджувачів зачохлені.
Після монтажу основного і
допоміжного устаткування при проведенні пусконалагоджувальних робіт, коли на КС
зосереджені будівельні, монтажні, експлуатаційні і пусконалагоджувальні
організації і єдине керівництво утруднене варто звернути увагу на дотримання
правил техніки безпеки. Перед подачею газу на КС весь персонал будівельних,
монтажних, пусконалагоджувальних і інших організацій, задіяних на площадці,
повинен пройти інструктаж з техніки безпеки, що повинно бути зафіксоване в
документах. До
експлуатації і ремонту ГПА допускається обслуговуючий персонал, що пройшов
спеціальну підготовку, здав іспити і допущений в установленому порядку до його
обслуговування й експлуатації.
Перед пуском ГПА потрібно
переконатися в спрацьовуванні звукового сигналу при натисканні кнопки “Пуск”.
Пуск
агрегату без огороджень і кожухів на обертових деталях і вузлах, що знаходяться
на висоті не більш 2 м від рівня підлоги ( вентилятори блоку масло
охолоджувачів, муфта пускових насосів), чи зняття їх під час роботи агрегату не
допускається.
При експлуатації ГПА забороняється :
входити у відсік двигуна при запуску
і роботі двигуна;
робити роботи на двигуні, коли
система ГПА знаходиться під струмом;
робити роботи в усмоктувальній
камері і вихлопній шахті агрегату під час запуску при роботі двигуна;
працювати з відкритими дверима
відсіку двигуна, ПОП й усмоктувальної камери.
Повітря в маслобаку повинне щодня
перевірятися на вміст у ньому горючих газів із записом у журналі. При вмісті
горючих газів у маслобаку агрегату більш 1% робота ГПА не допускається.
Не допускається перебування
обслуговуючого персоналу біля працюючого агрегату без засобів індивідуального
захисту від шуму більш 1 години в плині однієї робочої зміни.
Припустимий рівень вібрації ГТУ,
вимірюваний штатною апаратурою, не повинен перевищувати 60 мм/с.
Герметична перегородка між відсіками
двигуна і нагнітача повинна підтримуватися в такому стані, щоб повітря з
відсіку нагнітача не проникало у відсік двигуна.
При подачі гарячого повітря від
двигуна для обігріву відсіків агрегату необхідно оповіщати про це працюючий у
відсіках персонал. При роботі з арматурою гарячого повітря варто користуватися
захисними рукавицями.
При відключенні електроенергії
необхідно користуватися станційними переносними світильниками напругою 12 В у
вибухобезпечному виконанні.
У зимовий час площадки
обслуговування ГПА варто періодично очищати від снігу.
Аварійна зупинка агрегату повинна
бути проведена в наступних випадках:
при погрозі безпеки обслуговуючого
персоналу, при поломці агрегату, появі металевих стукотів і ударів, сильних
витоках масла чи газу, помпажних явищ в агрегаті.
Перед оглядом і ремонтом агрегату з
контуру нагнітача повинен бути стравлений газ і в місцях розміщення арматури і
пускових пристроїв повинні бути вивішені плакати “Не включати! Працюють люди.”.
Усі роботи з регулювання двигуна
можуть здійснюватися тільки при зупиненому агрегаті. Регламентні і ремонтні
роботи на двигуні повинні здійснюватися тільки після охолодження його зовнішніх
поверхонь до температури 450С. У період збирання і розбирання агрегату
необхідно користуватися справними спеціальними інструментами і пристосуваннями,
що гарантують безпечне ведення робіт. Забороняється: користуватися несправними
піднімальними механізмами і пристосуваннями для підйому двигуна, кришки
нагнітача, ротора й інших складальних одиниць агрегату; залишати деталі в
підвішеному стані на вантажопідйомних механізмах, експлуатувати вантажопідйомні
механізми при температурі нижче -200С.
Вантажопідйомні механізми, що
працюють у парі, варто навантажувати рівномірно щоб уникнути їхньої поломки і
травматизму персоналу.
При розконсервації і мийці деталей
варто користуватися пожежобезпечними технічними миючими речовинами.
Забороняється в контейнерах чи
поблизу агрегату зберігати гас, бензин і інші легкозаймисті матеріали.
5.2.2 Заходи з виробничої санітарії
Виробничі приміщення повинні бути
виконані відповідно до Сніп, санітарними нормами проектування промислових
підприємств, Вказівками по будівельному проектуванню будівель і споруд нафтової
промисловості і Протипожежними технічними умовами будівельного проектування.
Виробничі приміщення повинні мати
пристрої для провітрювання (стулки, що відкриваються, у віконних палітурках або
ліхтарях і ін.).
Площа і число стулок, що
відкриваються, визначаються проектом.
Стулки віконних палітурок, а також
стулки ліхтарів повинні бути забезпечені пристроями для легкого і швидкого
відкриття і закривання.
Ліхтарі виробничих приміщень повинні
бути обладнані дистанційним керуванням або майданчиками зі сходами для обслуговування
віконних фрамуг.
Входи у виробничі приміщення в
місцевостях з суворими кліматичними умовами повинні бути забезпечені тамбурами,
захисними стінами і іншими пристроями, що оберігають що працюють в приміщеннях
від різкого пониження температури при відкритті вхідних дверей.
Для змиву нафти, бруду з підлоги і з
лотків повинні бути влаштовані водяні стояки. За відсутності водопроводу
допускається прибирання приміщення сухим способом (ганчірками, дрантям і т.
п.). Для збору покидьків і сміття повинні бути встановлені в зручних місцях
ящики і урни.
Для отруйних відходів повинні бути
окремі ящики з кришками.
У виробничих і підсобних приміщеннях
повинні бути прийняті заходи до максимального використання природного
освітлення. Вікна повинні бути повністю засклені і міститися в чистоті.
На виробничих об'єктах повинні бути
санітарно-побутові приміщення для обслуговуючого персоналу згідно санітарним
нормам.
Пральні для прання і знешкодження
спецодягу повинні бути механізованими і мати приміщення для ремонту цього
одягу.
Виробничі приміщення, в яких
постійно або тривало знаходяться люди, повинні обладнатися опалювальними
пристроями, що відповідають вимогам санітарних і протипожежних норм, а
електричні нагрівальні прилади також Правилам пристрою електроустановок.
Виробничі приміщення з
технологічними тепловиділеннями повинні бути обладнані черговим опалювальним
пристроєм для підтримки в цих приміщеннях температури не нижче +5° під час
зупинки на ремонт апаратури і устаткування.
Рециркуляція повітря при пристрої повітряного
опалювання спільно з вентиляцією приточування не допускається, за винятком
окремих випадків, коли в повітряне середовище цеху по роду його технології не.
виділяються гази і пил.
У виробничих приміщеннях із значним
виділенням пилу повинні встановлюватися нагрівальні прилади з гладкими
поверхнями, що допускають легке очищення їх від пилу.
Обслуговування вентиляційних систем
повинне доручатися виділеним для цієї мети навченим працівникам підприємства.
забороняється працівникам, яким не
доручений догляд за вентиляційними установками і ремонтом їх, закривати
вентиляційні засувки, шибери, отвори приточувань або витяжних, знімати кожухи,
зупиняти і включати вентилятори і проводити інші дії вентиляційному
устаткуванням, за винятком аварійних випадків.
У дефектній відомості на ремонт
устаткування і установок повинні бути передбачені ремонт і перевірка
вентиляційних установок.
Забороняється приймати устаткування
і установки після ремонту, якщо вентиляційні установки не приведені в порядок.
Ефективність вентиляції необхідно періодично інструментальний перевіряти і
виявлені дефекти усувати.
приміщень, в яких можуть виділятися
гази, що містять сірчисті з'єднання, повинні бути обладнані вентиляцією з
механічною спонукою, а в необхідних випадках - і місцевою витяжною механічною
вентиляцією.
У виробничих приміщеннях з тепло
збитки понад 20 ккал/м3 повинні передбачатися аераційні ліхтарі.
надходження шкідливих виділень в
приміщення і їх розповсюдження в робочій зоні повинне запобігати насамперед
проведенням технологічних заходів за рахунок раціональної організації
виробничого процесу (герметизація, теплоізоляція, виведення продувочних ліній
насосів за межі приміщень, видалення пролитих продуктів і ін.).
для зменшення шуму і запобігання
рас; проникнення вібрації на будівельні конструкції вентиляційне устаткування
повинне бути встановлене на шумовібропоглинаючих підставах.
У компресорних станціях, комбінуючи
газ, що містить сірководень, повинна бути, переважно в нижній зоні, влаштована
механічна загально обмінна вентиляція згідно розрахунку, а в необхідних
випадках - також і місцева витяжна вентиляція безпосередньо у вогнищ виділення
шкідливостей.
У газових компресорних станціях з
газомоторними двигунами місце огорожі повітря приточування повинне бути
розташоване з боку повітряних фільтрів на відстані не менше 16 м від вихлопних
труб газомотокомпресорів або на 6 м нижче вихлопних труб газомотокомпресорів
при горизонтальній відстані між ними не менше 16 м.
Газорозподільні будки (пункти)
повинні бути обладнані природною витяжною вентиляцією з видаленням повітря з
нижньої і верхньої зон приміщення за допомогою шахт з дефлекторами.
Для приміщення, де проводяться
роботи з особливо шкідливими і отруйними речовинами (наприклад з ртуттю),
вентиляційна система повинна бути окремою, не пов'язаною з вентиляцією інших
приміщень.
об'єднання декількох
вибухонебезпечних приміщень загальними повітроводами не допускається.
Спецодяг і спецвзуття повинні
відповідати що діє ГОСТ і видаватися для кожної професії працівників в межах
встановлених норм.
Робочі, пов'язані з роботою в
польових умовах, повинні забезпечуватися засобами захисту від гнусу.
спецодяг і спецвзуття, вживані,
можуть видаватися іншим працівникам тільки після її прання, ремонту і
дезінфекції. Видаваний спецодяг і спецвзуття повинні відповідати розміру і
зростанню того, що працює. Спецодяг не повинен утрудняти руху працівника під
час роботи. Під час роботи робочі зобов'язані користуватися виданим ним
спецодягом і спецвзуття.
Персонал, обслуговуючий механізми,
зобов'язаний носити спецодяг в застебнутому вигляді. Жінки повинні прибирати
волосся під берет або косинку.
Забороняється носити кашне і хустки
із звисаючими кінцями. При небезпеці попадання в очі чужорідних тіл ті, що
працюють повинні користуватися захисними окулярами.
при роботі з лугами і кислотами ті,
що працюють повинні бути в захисних окулярах, спецодягу і спецвзутті, рукавички
повинні бути заправлені в рукави, а брюки поверх халяв чобіт.
Обслуговуючий персонал повинен
розташовуватися з навітряного боку. Що працює з радіоактивними речовинами
повинні бути забезпечені індивідуальними засобами захисту від іонізуючих
випромінювань відповідно до санітарних правил при роботі з радіоактивними
речовинами і джерел іонізуючих випромінювань.
При роботі в місцях, де концентрація
газу перевищує допустимі санітарні норми, робочі повинні забезпечуватися
протигазами. При роботі в умовах пилоутворення робочі повинні працювати в
протипилових респіраторах, захисних окулярах і комбінезонах.
Для працівників, за якими
закріплюються індивідуальні фільтруючі протигази, проводиться підгонка лицьових
частин протигазів. Адміністрація зобов'язана вивісити на робочому місці
інструкцію по підгонці лицьової частини протигаза, визначенню несправностей
окремих частин, а також по відходу, зберіганню і дезінфекції протигаза.
Фільтруючі протигази застосовуються в тих випадках, коли їх фільтри гарантують
поглинання пари і газів, концентрація яких в повітрі не перевищує 0,5% про., а
вміст кисню в повітрі не нижче 16% . Для протигазів мазкий "СО" і "М"
зміст вільного кисню в повітрі повинен бути не менше 18% про. При роботі в
колодязях на газопроводах, в нафтових резервуарах і інших місцях, де можливе
скупчення газу, робочі повинні користуватися шланговими протигазами. Тривалість
безперервної роботи в Шланговому протигазі не повинна перевищувати 15 хв з
подальшим відпочинком на чистому повітрі не менше 15 хв. Протигази, закріплені
за робочими, повинні зберігатися в цеху в особливих шафах, по можливості ближче
до місця роботи. Протигази і інші газозахисні засоби слід перевіряти не рідше
за один раз на три місяці. Фільтруючі протигази повинні замінюватися в порядку
і в терміни, вказані в технічних паспортах на ці засоби захисту.
Адміністрація підприємства
зобов'язана забезпечувати всіх працівників поблизу місць роботи питною водою,
що відповідає санітарним нормам.
Для питної води повинні
застосовуватися емальовані або алюмінієві бачки (що легко очищаються і
дизенфікуються), забезпечені кранами фонтанчикового типу з огорожею, що
перешкоджає дотику до крана ротом. Кришки бачків повинні закриватися на замок і
закриватися брезентовим чохлом. Бачки не рідше за один раз на тиждень повинні
промиватися з повним видаленням осаду. До робочих місць свіжа питна вода
повинна подаватися щодня: при доставці вода повинна захищатися від забруднення.
При охолоджуванні питної води льодом повинно унеможливлюватися забруднення її
безпосередньо шматками льоду. Температура питної води повинна бути в межах
+8-\-20° З.Працівники, обслуговуючі питне водопостачання, повинні щомісячно
піддаватися медичному огляду і обстеженню.
5.3 Пожежна безпека
Небезпека виникнення пожеж на
підприємствах газової промисловості визначається перш за все фізико-хімічними
властивостями природного газу, який при недотриманні певних вимог безпеки
запалюється, викликає пожежі і вибухи, що спричиняють за собою аварії. Ступінь
пожежної небезпеки залежить також від особливостей технологічного процесу
виробництва. Для підприємств транспорту газу характерна наявність великої
кількості горючих газів в магістральних газопроводах, високий тиск в
трубопроводах, наявність великої кількості ГСМ (турбінного масла).
Небезпечними чинниками пожежі, що
впливають на людей, є відкритий вогонь і іскри; підвищена температура
предметів, повітря і т.п.; токсичні продукти горіння, дим; знижена концентрація
кисню; обвалення і пошкодження будівель, споруд, установок; вибух.
Вибухонебезпечні концентрації
природного газу утворюються під час відключення трубопроводів, резервуарів і
апаратів, коли не повністю видалений газ змішується з повітрям, що поступає.
Як показує статистика і досвід
експлуатації, пожежі на КС відбуваються в основному через займання мастила в
компресорних цехах при розриві маслопроводів і попадання його на гарячі
поверхні газоперекачуючих агрегатів; руйнування обв'язувальних газопроводів
компресорних цехів, що супроводяться займанням газу і інших горючих речовин і
матеріалів; попадання сторонніх предметів в порожнину нагнітача; проникнення
газу до вогнища пожежі із-за нещільного закриття кранів в технологічному
обв'язуванні; порушень вимог правил, що діють, і інструкцій під час проведення
вогневих і газонебезпечних робіт, а також вимог пожежної безпеки персоналом на
територіях КС.
Пожежі на газотранспортних об'єктах
розвиваються по наступній схемі: аварія, витік газу, утворення хмари
вибухонебезпечної суміші, займання її від джерела запалювання, горіння газу,
нагрівання і руйнування технологічного устаткування під впливом полум'я.
При аваріях в приміщеннях
вибухонебезпечні концентрації газу виникають насамперед поблизу місця витоку газу,
а потім розповсюджуються по всьому приміщенню. На відкритих майданчиках поблизу
місця витоку утворюється зона загазованості, що розповсюджується по території
об'єкту. Величина її при аварійному закінченні газу залежить від багатьох
чинників, головні з яких - витрата газу, форма і напрям його струменя,
метеорологічні умови, рельєф місцевості. Найбільший вплив на величину зони
загазованості надає вітер.
При аваріях, пов'язаних з
руйнуванням газопроводів, в атмосферу викидається велика кількість газу. За наявності
полум'я газова хмара запалала. Можливі джерела займання - відкрите полум'я,
електричні і механічні іскри, займання пірофорних відкладень, працюючі двигуни
внутрішнього згорання, розряди статичної електрики, грозові розряди. Після
згорання газової хмари горіння локалізується в місці витоку газу.
Боротьба з пожежами і заходи щодо їх
попередження можуть бути ефективними тільки у тому випадку, коли протипожежні
правила засвоєні і повсякденно дотримуються всім персоналом підприємства.
Для встановлення і підтримки
належного режиму експлуатації всі будівлі і споруди на КС мають бути
класифіковані по вибухо- і пожежонебезпеки, про що робиться напис на металевих
знаках, що укріплюються на воротях, хвіртках і дверях всіх будівель, приміщень
і об'єктів.
У кожному цеху, на складі і інших
об'єктах, мають бути розроблені протипожежні інструкції з урахуванням специфіки
виробництва, а також оперативний план ліквідації пожежі, і проводитися
систематичні тренування персоналу по гасінню пожежі. У інструкціях по пожежній
безпеці слід передбачати:
вимога пожежної безпеки при
знаходженні персоналу на території КС;
місця і порядок змісту засобів
пожежогасінні, пожежної сигналізації і зв'язку;
порядок виконання вогневих і
газонебезпечних робіт на території КС;
порядок допуску і правила руху
транспорту на території КС;
вимоги до змісту території, дороги,
під'їздів до будівель, споруд і водо джерел;
обов'язки персоналу цехів при
виникненні пожежі, правила виклику пожежної команди, зупинки і відключення
устаткування;
порядок прибирання і очищення місць
від пролитих горючих рідин, збору, зберігання і видалення промаслених
обтиральних матеріалів, зберігання спецодягу;
виконання заходів, пов'язаних із
закінченням робочого дня;
місця, де заборонено (дозволено)
куріння і застосування відкритого вогню.
На КС мають бути схеми пожежного
водопроводу з вказівкою місць установки пожежних гідрантів і кранів.
Система пожежогасіння
Система пожежогасіння (АСП)
забезпечує пожежний захист відсіку двигуна, компресора і масло агрегатів за
рахунок своєчасного виявлення вогнища загоряння і подальшого придушення його
шляхом автоматичної подачі вогнегасної речовини.
Технічна характеристика:
) спосіб гасіння пожежі - об'ємний,
газовий;
) вогнегасна речовина -
вуглекислота;
) кількість балонів, шт:
основних - 14;
резервних - 14;
) маса вогнегасної речовини в одному
балоні, кг - 25;
) робочий тиск, МПа, не більше -
12,5;
) пуск системи - автоматичний,
дистанційний, ручний.
Відповідно до вимог "Правил
пристрою електроустановок" (ППЕ) і "Правил виготовлення вибухозахищеного
і ручного устаткування" (ПВВРО) відсіки блоків агрегату класифікуються:
) відсік компресора -
вибухонебезпечне приміщення класу В-1а при категорії і групі суміші 11А-Т1;
) відсік двигуна і масло агрегатів -
пожежонебезпечне приміщення класу 11-1.
Склад системи пожежогасіння:
) відсік пожежогасіння;
) пристрої лінійні із зрошувачами;
) засоби управління і сигналізації.
До складу відсіку пожежогасіння
входить:
) пристрій розподільний з
електропуском РУ-32А;
) батареї автоматичної газової пожежогасіння.
Лінійні пристрої із зрошувачами
забезпечують підведення вогнегасної речовини до вогнища пожежі.
Засоби управління і сигналізації
забезпечують:
) автоматичне і дистанційне (з
операторної) управління засобами
пожежогасіння;
) світлову аварійну, попереджувальну
і технологічну сигналізацію;
) перевірку і контроль готовності
системи до роботи.
Для виявлення пожежі і видачі команд
в систему управління у відсіках встановлені датчики.
При виникненні пожежі у відсіку
двигуна АСП видає команду на відключення агрегату, а через 20 секунд - на
випуск вуглекислоти.
Затримка випуску встановлюється для
виключення впливу вентиляції відсіків.
При виникненні пожежі у відсіку
компресора і відсіку масло агрегатів команда на викид вуглекислоти подається
негайно.
Для запобігання пожежам в
компресорних цехах необхідно, щоб обслуговуючий персонал систематично стежив за
герметичністю місць з'єднання газопроводу, сальникових ущільнень; справністю
всіх систем масляного господарства, аварійних зливних ліній і переливних ліній з
маслобаків, а також за справністю вентиляційних систем і автоматичного
включення аварійного освітлення.
Необхідно постійно стежити за тим,
щоб нагріті поверхні газових турбін мали справну теплову ізоляцію і кожухи.
Протипожежну стіну, що розділяє
приміщення нагнітачів і машинний зал, необхідно утримувати в справному стані.
Двері, що сполучають ці приміщення, слід забезпечувати пристроями для само
закривання.
Для чіткого і оперативного
використання системи пожежогасінні біля гідрантів, водоймищ і засувок необхідно
встановлювати покажчики.
У компресорних цехах пожежа може
виникнути від іскри в електроустаткуванні і електропроводці, тому їх ремонт, а
також заміну в світильниках електроламп повинен проводити електротехнічний
персонал тільки при знятій напрузі. У вибухонебезпечних приміщеннях ці роботи
здійснюють по письмовому дозволу.
Приміщення компресорних цехів треба
утримувати в чистоті. Підлоги у всіх приміщеннях мають бути рівними, а канали
на відмітці 0 перекриті матеріалом, що не згорає. Дверям у вибухонебезпечні
приміщення слід оббивати з обох боків листовим металом, заземляти і тримати
постійно закритими.
У компресорному цеху забороняється:
прокладати тимчасові електричні
мережі;
використовувати корпуси машин,
трубопроводи і металеві конструкції будівель як заземлення апаратів
електрозварювань і зварюваних виробів;
сушити спецодяг на приладах
центрального опалювання, гарячих поверхнях агрегатів і газових комунікаціях;
захаращувати проходи і виходи з
приміщень, а також підступи до засобів пожежогасінні і зовнішніх стаціонарних
сходів;
працювати у вибухонебезпечних
приміщеннях у взутті із сталевими підковами і на сталевих цвяхах;
застосовувати відкритий вогонь для
відігрівання трубопроводів, замочних пристроїв і іншого устаткування;
проводити роботи електрозварювань з
порушенням правил, що діють, і інструкцій;
здійснювати які-небудь роботи,
пов'язані із заміною і ремонтом арматури на маслопроводах і розбиранням деталей
регулювання (окрім заміни манометрів) при працюючому агрегаті.
При виникненні пожежі виробничий
персонал зобов'язаний:
негайно перекрити доступ газу або
масла до місця пожежі;
викликати пожежну команду;
прийняти заходи до гасіння пожежі
наявними засобами пожежогасіння;
повідомити керівництво компресорного
цеху;
відключити припливно-витяжну вентиляцію.
Для швидкої ліквідації аварійної
ситуації і чіткої взаємодії необхідно, щоб весь персонал знав свої конкретні
обов'язки і дії при виникненні пожежі. Для цього слід регулярно проводити
учбово-тренувальні заняття по ліквідації пожеж, зразковий перелік вогнищ
виникнення яких має бути обумовлений в інструкціях по ліквідації пожеж в цехах,
будівлях і інших приміщеннях станції.
6. Охорона навколишнього середовища
Динаміка росту транспорту газу, що
супроводжується збільшенням кількості компресорних станцій, а відповідно і
кількості газоперекачувальних агрегатів, вимагають серйозного відношення до
питань, зв'язаних з охороною навколишнього середовища.
Хімічні аналізи газів, що відробили,
показали, що застосування як паливо природного газу значно скорочує викид окису
вуглецю і практично виключає викид в атмосферу сажі і сірки в порівнянні з
приводами, що працюють на рідкому паливі.
Застосування як паливо для приводу
ГПА компримуємого газу, крім усього, виключає спорудження додаткових
енергомереж і паливосистем, що також впливають на навколишнє середовище.
Діяльність КС здійснює такий
негативний вплив на навколишнє середовище:
викиди шкідливих речовин в атмосферу
приводом ГПА;
стоки з території КС (площадок ГПА,
площадок ремонту й обслуговування приводів), що містять нафтопродукти, хімічно
шкідливі склади, мінеральні масла.
високий рівень шуму в зоні КС, а
також тривалий вплив шуму;
високочастотні коливання вузлів ГПА;
витоки газу через з'єднання
газопроводів і газоходів;
загоряння газу чи використовуваних нафтопродуктів;
вибух газоповітряної суміші, що
досягла небезпечної концентрації(5-15%) з повітрям.
Розробка заходів, що підвищують
екологічну безпеку проектованого привод ГПА
З метою зменшення негативних впливів
діяльності КС на навколишнє середовище розроблені наступні заходи:
як паливо для приводу ГПА
використовується компримований газ, що зменшує шкідливі викиди продуктів
згоряння;
- на місцях установки ГПА
передбачені резервуари для збору відстою палива (газового конденсату), масел,
технічних рідин, застосовуваних при роботі і піддони для виключення протоку
рідин при заміні вузлів і агрегатів. Це запобігає забрудненню ґрунту при
технічній експлуатації і ремонті приводу ГПА, а також при регламентних роботах
на агрегаті;
- передбачено місця мийки на площадках
періодичного технічного обслуговування і ремонту з необхідними комунікаціями
(стічними канавками зі стоком у резервуар стоку відпрацьовувань);
- технічний персонал строго
дотримується правил технічного обслуговування відповідно до екологічних заходів
для захисту природи від виробничих факторів;
- повітрозабірні і вихлопні пристрої
двигуна постачаються ефективними шумоглушниками пластинчато-щілинного типу, що
знімає рівень видаваного ними шуму;
стіни всіх блоків виконані з
використанням панелей,заповнених звуковбираючим матеріалом;
компресорні станції розміщаються на
відстані не менш 7-8 км від крупнонаселених пунктів.
по периметру території КС
використовуються лісонасадження, що компенсує вплив шуму і запобігає його
подальшому розповсюдженню.
на КС втановленно водоочисні споруди
фірми «ТОПГЛОБАЛ», для очистки технологічної води після КС. Системи водоочистки
очищають воду від мастила, паливного конденату, бруду та ін. домішок. Після
очистки на КС вода потрапляє до відстійника «Міськводоканалу». Встановлені
установки продуктивністю 2 тис. л.\хв.
Висновки
Агрегат ГПА-16 призначений для
стиснення природного газу для подальшого транспортування його магістральними
газопроводами та входить до складу КС, конструктивно виконана по відкритому
циклі, з регенерацією тепла (з вільною силовою турбіною). Це забезпечує високу
економічність і маневреність установки.
Справжня революція в газовій галузі
пов’язана з впровадженням вітчизняних суднових газотурбінних двигунів. Перші
серійні двигуни ДН-80 виробництва ДПНВКГ „Зоря Машпроект” (м. Миколаїв)
впроваджено на КС „Гребінківська” цех № 1 газопроводу „Уренгой -Помари
-Ужгород„.
У 1985р. вводиться в дію газопровід
„Курськ-Київ” діаметром 1220 мм і довжиною 434 км. Збудовано цех № 2, оснащений
Свердловськими агрегатами ГТ-6 з нагнітачем Н-6-56-2, потужність цеху 24 МВт.
В 1988 р. вводиться в дію
магістральний газопровід „Прогрес„ діаметром 1400 мм, а в 1995 вводиться в
експлуатацію цех №3 КС „Гребінківська” потужністю 64 МВт із впровадженням
газоперекачувальних установок нового типу ГПУ-16 З ККД більше 30%.
Ввід нового газопроводу значно
збільшив можливості Росії в експорті природного газу. А для України це нові
надходження валюти, та нові робочі місця. ГПУ-16 це двигун ДЖ-59Л виробництва
ДПНВКГ „Зоря Машпроект” (м. Миколаїв) та нагнітач НЦ-16/76-1,44 виробництва ВАТ
„Сумське НВО ім. Фрунзе”.
В дипломному проекті докладно
розглянуто технологічні режими технічного обслуговування, ремонту і
експлуатації основних систем газотурбінної установки ДЖ-59Л ГПА-16 в умовах КС
"Гребінківська", проведено розрахунки фізичних властивостей газу,
режимів роботи установки, проаналізовано вартість експлуатації та подано
рекомендації для забезпечення безпечних та нешкідливих умов праці.
Перелік використаної літератури
1. Аверьянов
А.А., Лебедев Н.М. Газоперекачивающие агрегаты с приводом авиационного типа. -
Ленинград: 1980.
2. Александров
А.В., Яковлев С.И. Проектирование и эксплуатация систем дальнего транспорта
газа. - М.: Недра, 1974.
. Березин
В.Л. и др. Строительство и монтаж насосных и компрессорных станций. - М.:
Недра, 1974.
. Герасимов
Б.Я., Шавкин Н.К. Перекачивающие агрегаты для магистральных газопроводов. -
Ленинград: Недра, 1969.
. Доброхотов
В.Д. Центробежные нагнетатели природного газа. - М.: Недра, 1972.
. Опанасенко
А.И., Крившин Н.Г., Федоренко Н.Д. Монтаж, испытания и эксплуатация
газоперекачивающих агрегатов в блочно-контейнерном исполнении. - Ленинград:
Недра, 1991г.
. Подобуев
Ю.С. Теория и расчет осевых и центробежных компрессоров. -М.: 1975.
. Ревзик
Б.С. Газотурбинные газоперекачивающие агрегаты. - М.: Недра, 1986.
. Розгонюк
В.В. та ін. Довідник працівника газотранспортного підприємства. - К.: Росток,
2001.
. Седых
З.С. Эксплуатация ГПА с газотурбинным приводом: Справочное пособие. - М.:
Недра, 1990.
. Скворцов
Л.С. Компрессорные и насосные установки. - М.: Машиностроение, 1988.