Ремонт технологического оборудования
Введение
Для успешной реализации мероприятий по обеспечению населения продуктами
питания необходимо дальнейшее обновление материально-технической базы
перерабатывающей отрасли.
Эффективность использования технологического оборудования
перерабатывающей отрасли определяется не только конструктивно -
технологическими решениями как условиями ее эксплуатации, технического
обслуживания и ремонта. В связи с этим важное значение имеет повышение качества
и надежности выпускаемых машин, уровня технического обслуживания и ремонта,
включая организацию и проектирование ремонтно-обслуживающего производства.
Однако с ростом балансовой стоимости сельскохозяйственной техники и
перерабатывающего оборудования существенно растут и затраты на ее ремонт.
Следовательно встает задача снижения этих затрат за счет:
- повышение качества надежности изготовления и капитального ремонта
машин,
- предотвращение износов и отказов машин на основе использования
методов диагностирования и технического обслуживания непосредственно в местах
эксплуатации машин,
увеличение производительности труда и ресурсообеспечение при
техническом обслуживании и ремонте машин.
Ремонт машин как производственный процесс восстановления утраченной ими
работоспособности возник одновременно с появлением машин.
По мере увеличения наработки машин под действием нагрузок и окружающей
среды искажаются формы рабочих поверхностей и изменяются размеры деталей;
увеличиваются зазоры в подвижных и снижающих натяги в неподвижных соединениях;
нарушается взаимное расположение деталей, что приводит к нарушению зацепления
зубчатых передач, возникновению дополнительных нагрузок и вибраций; снижаются
упругие и эластичные свойства, намагниченность; откладываются нагар и накипь;
появляются усталостные и коррозионные разрушения и т.д. В результате
перечисленных процессов отдельные детали и соединения при различных наработках
теряют работоспособность.
Долговечность деталей машин зависит от выполняемых ими функций, широкого
диапазона действующих нагрузок и скоростных нагрузок, разнообразия видов
трения, используемых материалов, наличия отклонений в их свойствах, различия в
допусках на размеры, качества обработки поверхностей, взаимного расположения
деталей, влияния условий эксплуатации. Вот почему за срок службы машины,
определяемый долговечностью базовых деталей, значительное число деталей требует
замены или восстановления.
1. Разработка
план-графика ремонта и осмотра технологического оборудования предприятия на 2012 год
технологический оборудование ремонт мастерская
Система планово-предупредительного ремонта технологического оборудования
представляет собой совокупность организационных и технологических мероприятий
по надзору, уходу и всем видам ремонта, проводимых по заранее разработанному
плану с целью обеспечения безотказной работы машин, аппаратов, транспортных
устройств, трубопроводных коммуникаций и средств измерений.
Система планово-предупредительного ремонта включает следующие виды работы
по техническому уходу и ремонту оборудования: межремонтное обслуживание,
профилактические осмотры, текущий ремонт, средний ремонт, капитальный ремонт.
Внеплановые работы, вызванных аварией или неудовлетворительной
эксплуатацией оборудования, системой не предусматриваются.
Межремонтное обслуживание является повседневной работой профилактического
характера и включает наблюдение за выполнением правил технической эксплуатацией
оборудования, а также своевременное устранение мелких неисправностей и
регулирование механизмов; выполняются во время перерывов в работе без нарушения
режимов производства.
Профилактический осмотр проводится по плану через определенные промежутки
времени, установленные для каждой машины и направлен на проверку технического
состояния быстроизнашивающихся деталей и сборочных единиц при минимальном
объеме разборочно-сборочных работ с целью выявления объема ремонтных
воздействий, подлежащих выполнения при очередном плановом ремонте.
Текущий ремонт представляет собой такой минимальный по объему вид
ремонта, который обеспечивается нормальная эксплуатация оборудования до
очередного планового ремонта и заключается в устранении неисправностей заменой
или восстановлением отдельных составных частей (быстроизнашивающихся деталей) и
выполнение регулировочных работ. Текущий ремонт производится на месте установки
оборудования.
Средний ремонт заключается в восстановлении эксплуатационных
характеристик оборудования ремонтом или заменой только изношенных или
поврежденных составных частей. Кроме того, при средне ремонте обязательно
проверяют техническое состояние остальных частей с устранением обнаруженных неисправностей.
Средний ремонт оборудования также проводят на месте его установки без демонтажа
машин.
Капитальный ремонт включает в себя полную разборку и дефектацию
оборудования, замену или ремонт всех изношенных узлов деталей, в том числе
базовых. При капитальном ремонте размеры допусков и посадок сопряженных деталей
и узлов доводят до соответствия с техническими условиями, обновляют внешний вид
оборудования.
Планирование ремонтов и осмотров осуществляют путем составления годовых и
месячных планов ремонта оборудования на основе типовой структуры и
продолжительности межремонтных циклов, межремонтных и межосмотровых периодов
для отдельных видов оборудования.
Межремонтный цикл - период работ машины (аппарата) между двумя плановыми
ремонтами, а для нового оборудования - период работы от начала ввода машин в
эксплуатацию до первого капитального ремонта. Межремонтный период - время
работы оборудования между двумя очередными плановыми ремонтами. Межосмотровой
период - время работы оборудования между двумя очередными плановыми осмотрами
или очередным плановым ремонтом и осмотром. Продолжительность межремонтных и
межосмотровых периодов определяется путем деления срока службы деталей,
подлежащих замене при том или ином виде ремонта, на величину действительного
фонда рабочего времени по формуле:
,(1.1)
где:
- продолжительность межремонтного цикла (периода),
месяцы, годы;
-
наименьший срок службы детали (группы деталей), заменяемой при том или ином
виде ремонта, часы;
-
действительный месячный (годовой) фонд времени, часы.
Для
перерабатывающих предприятий выполнение ремонтных работ планируют во время
наименьшей их загрузки и во время плановых остановок цехов или участков. В
годовом плане - графике осмотров и ремонтов оборудования указывается: № п/п,
наименование оборудования, время и вид последнего ремонта, сроки выполнения
ремонтов и осмотров по месяцам и декадам. При составлении плана - графика
необходимо обеспечить равномерное распределение ремонтных работ по месяцам, что
будет способствовать равномерной загрузке штатов и оборудования
ремонтно-механических мастерских.
. Расчет трудоемкости ремонтных
работ и осмотров
Для расчета объема ремонтных работ и производственной программы ремонтной
мастерской предприятии требуется следующие исходные данные: число машин и
оборудования по видам и маркам; план - график и осмотров машин и оборудования;
система показателей и нормативов, с помощью которых определяют
продолжительность ремонта каждой единицы оборудования, затраты труда;
потребность в запасных частях и ремонтных материалах.
Число ремонтно-обслуживающих воздействий в планируемом году определяют из
плана-графика ремонтов и осмотров, а объем ремонтных работ по каждой единице
оборудования может быть определен по формуле:
где:
- трудоемкость осмотров и ремонтов единицы
технологического оборудования, чел.-ч.;
-
соответственно количество капитальных, средних, текущих ремонтов и осмотров
оборудования;
-
коэффициенты, учитывающие соответствующие виды ремонтов и осмотров
оборудования, чел.-ч.
-
категория сложности ремонта машины.
Значение
коэффициентов, учитывающих вид ремонта технологического оборудования, чел.-ч.
Таблица
2.1 - Значение коэффициентов, учитывающих вид ремонта
технологического оборудования, чел.-ч.
|
Вид ремонта (коэффициента)
|
Значение коэффициентов для
предприятий переработки молока
|
|
Капитальный 35
|
|
|
Средний 21
|
|
|
Текущий 7
|
|
|
Осмотр 1
|
|
Суммарная годовая трудоемкость осмотра и ремонта технологического
оборудования предприятия (цеха, участка) определяем по формуле:
где:
- количество единиц оборудования предприятия.
Результаты
расчета трудоемкость ремонта технологического оборудования на планируемый
период представлены в виде таблицы.
Состав участков принимают исходя из технологических процессов ремонта
машин и типовых проектов ремонтных предприятий.
Различные виды ремонтных мастерских могут включать в себя следующие
производственные участки: наружной очистки и мойки, диагностирования,
разборочно-моечный, дефектации и комплектации, ремонта электрооборудования,
меднецко-жестяницкий, испытательный, ремонтно-монтажный с отдельным помещением
для регулировки и окраски, кузнечно-сварочный, слесарно-механический,
столярно-обойный и т.д. Кроме того, предусматривают вспомогательные помещения:
инструментально-раздаточную кладовую, контору, санитарно-бытовой узел, комнату
отдыха, в отдельном здании должна находиться газогенераторная.
Таблица 2.2 - Годовая
трудоемкость ремонта технологического оборудования, чел.-ч.
|
Марка, модель оборудования
|
Категория сложности R
|
Трудоемкость по видам
ремонта
|
Трудоемкость ТГ
|
|
|
Осмотр
|
Текущий ремонт
|
Средний ремонт
|
Капитальный ремонт
|
|
|
|
nО
|
ТО
|
nТ
|
ТТ
|
nС
|
ТС
|
nК
|
ТК
|
|
|
1
|
2
|
3
|
4
|
5
|
6
|
7
|
8
|
9
|
10
|
11
|
|
Охладитель ОПЯ
-2.5
|
0,20
|
8
|
1,8
|
3
|
0
|
1
|
0
|
0
|
21
|
10,00
|
|
Стерилизатор
Б6-ОС
|
4,5
|
8
|
6
|
3
|
31,5
|
1
|
0
|
1
|
52,5
|
382,50
|
|
Теплообменник
А1-ОНО
|
1,6
|
8
|
31
|
3
|
21,7
|
0
|
0
|
1
|
108,5
|
102,40
|
|
Емкость
универсальная Г2-ОТ2-А
|
0,4
|
11
|
4,8
|
0
|
8,4
|
0
|
12,6
|
1
|
21
|
18,40
|
|
Аппарат ВСГМ-2000
|
1
|
5
|
6,4
|
1
|
11,2
|
1
|
16,8
|
1
|
28
|
68,00
|
|
Емкость Р3-ОБН
|
0,2
|
11
|
13,6
|
0
|
23,8
|
0
|
35,7
|
1
|
59,5
|
9,20
|
|
Установка
АХУ-1000
|
4,1
|
4
|
1,6
|
4
|
28,7
|
0
|
86,1
|
0
|
143,5
|
131,20
|
|
Ванна Я1-ОСВ-3
|
0,6
|
11
|
8
|
1
|
21
|
0
|
0
|
0
|
35
|
10,80
|
|
Ванна Я1-ОСВ-5
|
6
|
8
|
1,36
|
3
|
2,38
|
1
|
3,57
|
0
|
5,95
|
300,00
|
|
Сепаратор
Г9-ОМА-3М
|
7
|
8
|
4
|
2
|
10,5
|
1
|
0
|
1
|
17,5
|
546,00
|
|
Сепаратор
ОСД-500
|
0,8
|
8
|
1,28
|
2
|
2,24
|
1
|
3,36
|
1
|
5,6
|
62,40
|
|
Сепаратор
Ж5-ОТС
|
1,2
|
8
|
8
|
2
|
42
|
1
|
42
|
1
|
0
|
93,60
|
|
Сепаратор
Г9-ОСП-3М
|
0,7
|
8
|
65,6
|
2
|
172,2
|
1
|
0
|
1
|
287
|
54,60
|
|
Гомогенизатор
К5-ОГА-10
|
2,3
|
10
|
3,2
|
1
|
8,4
|
1
|
0
|
0
|
14
|
87,40
|
|
Гомогенизатор
А1-ОГМ
|
3,1
|
10
|
64
|
2
|
168
|
0
|
0
|
0
|
280
|
74,40
|
|
Гомогенизатор
А1-ОГА-1.2
|
2,3
|
10
|
24
|
1
|
63
|
1
|
63
|
0
|
0
|
87,40
|
|
Конвейер
пластинчатый 200мм, 4м
|
0,35
|
10
|
30,4
|
1
|
79,8
|
1
|
0
|
0
|
133
|
13,30
|
|
Конвейер
пластинчатый 100мм, 12м
|
0,25
|
10
|
96
|
1
|
252
|
0
|
0
|
1
|
420
|
13,00
|
|
Конвейер
ленточный 300мм, 20м
|
0,15
|
10
|
52,8
|
1
|
138,6
|
0
|
0
|
1
|
231
|
7,80
|
|
Конвейер
ленточный 500мм, 8м
|
0,25
|
10
|
4
|
1
|
6
|
1
|
8
|
0
|
10
|
9,50
|
|
Охладитель
молока ООУ-25
|
1,1
|
0
|
32
|
3
|
22,4
|
0
|
67,2
|
1
|
0
|
61,60
|
|
Насос для
молока 50МЦН-25-31
|
0,17
|
8
|
186
|
2
|
130,2
|
1
|
195,3
|
1
|
325,5
|
13,26
|
|
Емкость для
молока В2-ОМВ-6.3
|
0,6
|
3
|
38,4
|
0
|
100,8
|
0
|
0
|
1
|
168
|
22,80
|
|
Трубчатый
стерилизатор для молока
|
1,1
|
8
|
2,4
|
3
|
12,6
|
0
|
0
|
1
|
21
|
70,40
|
|
Автомат розлива
молока АРУ-М
|
4,6
|
10
|
0,8
|
3
|
4,2
|
1
|
4,2
|
0
|
0
|
239,20
|
|
Автомат
этикировочный ВЭМ
|
3,2
|
12
|
3
|
63
|
0
|
63
|
1
|
0
|
179,20
|
|
Автомат
термоусадочный
|
7,2
|
8
|
4,8
|
3
|
25,2
|
0
|
0
|
1
|
42
|
460,80
|
|
Конвейер для
бутылок Б2-ОТЖ
|
4,1
|
8
|
16,4
|
2
|
86,1
|
2
|
86,1
|
0
|
0
|
262,40
|
|
Насос ОНБ-М
|
0,6
|
8
|
3,2
|
3
|
16,8
|
1
|
16,8
|
0
|
0
|
30,00
|
|
Ванна для
йогурта
|
0,6
|
4
|
12,8
|
3
|
89,6
|
1
|
0
|
0
|
0
|
27,60
|
|
Аппарат для
сливок Г2-ОТБ-500
|
2
|
8
|
1,28
|
3
|
2,24
|
0
|
3,36
|
1
|
5,6
|
128,00
|
|
Охладитель
001-У10
|
0,7
|
8
|
4
|
3
|
10,5
|
1
|
0
|
0
|
17,5
|
35,00
|
|
Насос Г2-ОПБ
|
1
|
8
|
3,2
|
2
|
8,4
|
1
|
0
|
1
|
14
|
78,00
|
|
Весы СМИ-500
|
2
|
4
|
12,8
|
3
|
22,4
|
0
|
33,6
|
1
|
56
|
120,00
|
|
Насос Г2-ОПБ
|
0,16
|
8
|
6,4
|
2
|
11,2
|
1
|
16,8
|
1
|
28
|
12,48
|
|
Пастеризатор
ТПУ-2.5
|
0,3
|
8
|
8,8
|
3
|
23,1
|
0
|
0
|
1
|
38,5
|
19,20
|
|
Емкость ВН-300
|
0,8
|
11
|
25
|
0
|
17,5
|
0
|
52,5
|
1
|
0
|
36,80
|
|
Насос П8-ОНА
|
0,3
|
8
|
2
|
3
|
0
|
0
|
0
|
1
|
35
|
19,20
|
|
Насос Г2-ОПБ
|
0,16
|
8
|
3
|
2
|
0
|
2
|
0
|
0
|
0
|
10,24
|
|
Охладитель
001-У10
|
0,7
|
8
|
9
|
3
|
6,3
|
0
|
0
|
1
|
31,5
|
44,80
|
|
Итого
|
68,39
|
|
|
|
|
|
|
|
|
3952,88
|
3.
Распределение трудоемкости работ по участкам ремонтной мастерской
Распределение трудоемкости работ по ремонту и осмотру технологического
оборудования выполняют исходя из состава производственных участков, удельного
веса трудоемкости отдельных работ, сложившихся на предприятии конкретных
условий.
Таблица 3.1 - Распределение трудоемкости работ по участкам
мастерской
|
Годовая трудоемкость работ ТГ,
чел.-ч.
|
Трудоемкость работ по
участкам Т, чел.-ч.
|
|
Слесарный (65%)
|
Станочный (20%)
|
Сварочно-жестяницкий (8%)
|
Регулировки и окраски (3%)
|
Ремонта эл.оборудования
(3%)
|
Столярно-обойный (1%)
|
|
3952,88
|
2568,85
|
790,57
|
326,23
|
118,5
|
118,5
|
39,5
|
. Расчет штатов ремонтной мастерской
(ремонтного участка)
Среднегодовую численность рабочих для выполнения межремонтного
обслуживания определяют раздельно в разрезе цехов или по предприятию в целом по
формуле:
где:
- сумма ремонтных единиц обслуживаемого оборудования;
- норма
межремонтного обслуживания на одного рабочего в смену, усл.рем.ед.
Значение
для различных перерабатывающих предприятий приводится
в таблице.
Таблица
4.1 - Нормы межремонтного обслуживания в условных ремонтных
единицах на 1 рабочего в смену
|
Оборудование
|
Норма обслуживания
|
|
Линии разлива молока,
автоматы фасования и упаковывания молочных, сметаны и кисломолочных
продуктов.
|
100
|
|
Прочее технологическое
оборудования
|
150
|
Сумма
ремонтных единиц линии разлива молока, автоматов фасования и упаковывания
молочных, сметаны и кисломолочных продуктов
. Сумма
ремонтных единиц прочего технологического оборудования
.
Таким
образом получим:
,
Принимаем
человека.
Количество
рабочих, которое требуется для выполнения плановых осмотров и ремонтов,
рассчитывают на основании годового плана ремонтно-обслуживающих воздействий.
Потребную
численность производственных рабочих определяют по трудоемкости работ и фонду
рабочего времени. Различают списочный и явочный составы рабочих. Списочным
составом (
) называется полный состав рабочих, числящихся на
предприятии работников, включающий как фактически являющихся на работу, так и
отсутствующих по уважительным причинам (по болезни, в отпуске, командировке и
т.п.). Явочным (
) называется состав рабочих, фактически являющихся на
работу.
Явочное
и списочное число рабочих определяют соответственно по формулам:

где:
,
-
номинальный и действительный фонды времени рабочего, ч.
В
курсовом проекте принимаем:
ч.,
ч. при односменной работе.

Принимаем
человек,
человек.
Явочное
и списочное число производственных рабочих по участкам определяется по формуле:

Результаты
расчетов заносятся в таблицу.
Таблица
4.2 - Сводные данные по определению численности
производственных рабочих по участкам
|
Наименование участка
|
Трудоемкость работ Туч,
чел.-ч.
|
Число производственных
рабочих, , чел.
|
|
|
расчетное
|
принятое
|
|
Слесарный
|
2568,85
|
1,5
|
1
|
|
Станочный
|
790,57
|
0,4
|
1
|
|
Ремонт электрооборудования
|
326,23
|
0,1
|
-
|
|
Сварочно-жестяницкий
|
118,5
|
0,06
|
-
|
|
Регулировки и окраски
|
118,5
|
0,06
|
-
|
|
Столярно-обойный
|
39,5
|
0,02
|
-
|
|
Итого
|
3952,88
|
2,27
|
3
|
Штат основных производственных и вспомогательных рабочих распределяют по
специальностям и разрядам с учетом сложности выполняемых работ.
Таблица 4.3 - Штат производственных рабочих по специальностям и
разрядам
|
Специальность рабочих
|
Число рабочих
|
Число рабочих по разрядам
|
|
|
I
|
II
|
III
|
IV
|
V
|
VI
|
|
Наладчики
|
|
|
|
|
|
|
|
|
Слесари
|
1
|
|
|
|
|
1
|
|
|
Мойщики
|
|
|
|
|
|
|
|
|
Станочники
|
1
|
|
|
|
1
|
|
|
|
Сварщики
|
|
|
|
|
|
|
|
|
Кузнецы
|
|
|
|
|
|
|
|
|
Маляры
|
|
|
|
|
|
|
|
|
Столяры
|
|
|
|
|
|
|
|
|
Итого
|
|
|
|
|
1
|
1
|
|
Средний разряд рабочих определяют по формуле:
,
где
- число рабочих соответствующего разряда.
Принимаем
средний разряд штата производственных рабочих
.
Число
вспомогательных рабочих принимается в размере до 10% от штата основных
производственных рабочих, от среднегодового штата
.
Принимаем
человек.
Число
инженерно-технических работников (ИТР), служащих и младшего обслуживающего
персонала (МОП) принимают соответственно до 10%, 2…3% и 2…4% суммы
производственных и вспомогательных рабочих.
,
принимаем
человек.
,
принимаем
человек.
,
принимаем
человек.
Весь
штат ремонтной мастерской составит:
Принимаем
весь штат работников
человек.
. Расчет числа и формирование
рабочих мест
Число рабочих мест, их специализацию предусматривают в соответствии с
принятым в мастерской технологическим процессом ремонта.
В зависимости от объема и характера производства определяют число рабочих
мест (М) в целом по участку или по отдельным видам работ, пользуясь формулой:
,
где:
- годовая трудоемкость работ мастерской, участка,
чел.-ч.;
- годовой действительный фонд времени рабочего места,
ч;
- средняя плотность работ (число исполнителей,
работающих одновременно на рабочем месте по ремонту одного объекта).
При
проектировании производственных участков стремятся к получению минимального
числа рабочих мест, что достигается увеличением плотности работ. При этом
необходимо учитывать возможность и удобство выполнения работ несколькими
рабочими. В зависимости от характера работы на одно рабочее место может быть
принят один рабочий (например, на мойке).
Если
для работ по разборке и сборке объекта выделяется менее трех рабочих мест, то
целесообразно планировать узловую форму организации работ.
В
этом случае по каждому рабочему месту необходимо установить трудоемкость работ,
число рабочих и их загрузку.
Число
рабочих определяют по формуле:
,
где:
- трудоемкость работ по рабочему месту, чел.-ч;
- действительный фонд времени рабочего, ч.
Исходя
из принятого числа рабочих
,
определяют загрузку (%) рабочих по каждому рабочему месту:
. Расчет и подбор
ремонтно-технологического оборудования
Исходные данные для определения состава оборудования - это рабочий
технологический процесс и трудоемкость выполнения отдельных видов работ или
операций.
При проектировании необходимо рассчитать число основного оборудования, на
котором выполняют наиболее сложные и трудоемкие операции ремонта оборудования,
агрегатов и восстановления деталей. К основному оборудованию ремонтной мастерской
относятся моечные машины, металлорежущие станки, стенды для обкатки и испытания
агрегатов и аппаратов в целом.
Число стационарных рабочих мест разборки машин или агрегатов на сборные
единицы и детали:
,
где:
- трудоемкость разборки одной машины или агрегата,
чел.-ч.;
- число машин или агрегатов;
- число смен;
- число
рабочих, одновременно работающих на одном рабочем месте.
В
технологическом процессе ремонта очистка оборудования выполняется в несколько
стадий: наружная очистка, очистка сборочных единиц и деталей; очистка отдельных
деталей в специальных машинах.
Число
моечных машин периодического действия определяют следующим образом:
,
где:
- суммарная масса сборочных единиц и деталей,
подлежащих очистке, т;
- часовая производительность моечной машины, т/ч;
- коэффициент, учитывающий степень загрузки и
использования моечной машины по времени (применяют равным 0,65…0,75).
Суммарная
масса сборочных единиц и деталей, подлежащих очистке на различных этапах
технологического процесса ремонта, различна, ее подсчитывают по формуле:
,
где:
и т.д. - массы отдельных объектов, входящих в
программу;
и т.д. - число отдельных объектов, входящих в
программу;
и т.д. - коэффициенты, учитывающие долю массы
сборочных единиц и деталей, подлежащих мойке, от общей массы каждого объекта.
Коэффициент
, учитывающий долю массы сборочных единиц и деталей,
подлежащих очистке, подсчитывают в каждом конкретном случае, т.к. они зависят
от номенклатуры ремонтируемых объектов и от вида удаляемых загрязнений, так для
агрегатов и узлов он находится в пределах 0,75…0,85.
Подъемно-транспортные
средства для транспортирования оборудования и их агрегатов в процессе ремонта
выбирают в зависимости от принятой технологии ремонта. Чаще всего применяют
кран-балки с электротельферами, монорельсы с электротельферами, электрокары и
тележки.
Число
металлорежущих станков подсчитывают по формуле:
,
где:
- годовая трудоемкость станочных работ, чел.-ч.;
- коэффициент неравномерности загрузки предприятия (
; при равномерной загрузке предприятия
);
-
коэффициент использования станочного оборудования.
,
Количество
металлорежущих станков принимаем 6 штук.
В
зависимости от профиля основного производства, производственной программы и
других факторов в каждом конкретном случае в пределах общего числа станочного
оборудования могут быть внесены необходимые изменения. Число заточных станков
принимают без расчета.
Полученное
число станков распределяют по маркам. При этом необходимо предусмотреть
возможность обработки на станках крупногабаритных деталей, которая определяется,
например, высотой и расстоянием между центрами токарных станков, размерами
столов фрезерных станков и т.д.
Как
правило, выбирают универсальное оборудование.
При
ремонте оборудования широко используют для восстановления деталей многие виды
сварки и наплавки: ручные сварки - газопламенную и электродуговую,
механизированные наплавки - под слоем флюса, в защитных газовых средах и др.
Число
единиц сварочного и наплавочного оборудования при укрупненных расчетах
определяют по общей формуле:
,
где:
- суммарная (годовая) трудоемкость
сварочно-наплавочных работ;
-
действительный годовой фонд времени работы сварочно-наплавочного оборудования с
учетом сменности;
- коэффициент, учитывающий использование этого
оборудования по времени (в среднем составляет 0,70…0,80).
,
Принимаем
3 станка.
На
гальванических участках в основном выполняются следующие работы: износостойкое
хромирование и осталивание, защитные покрытия меднением и цинкованием, а также
декоративные покрытия хромированием и никелированием. Кроме того, ведутся
работы по подготовке поверхностей к покрытиям: шлифование, полирование.
Число
гальванических ванн
по отдельным видам покрытий определяют по формуле:
,
где:
- годовой объем работ для отдельных видов покрытий по
площади, дм2;
- часовая производительность ванны по площади, дм2/ч;
- действительный годовой фонд времени работы ванны с
учетом сменности, ч.
Годовой
объем работ по отдельным видам покрытий определяют по нормам на единицу
ремонтируемого объекта, разрабатываемым отраслевыми научно-исследовательскими
институтами, а при их отсутствии - из анализа работы передовых предприятий,
ремонтирующих аналогичные объекты. Допускается расчет общего объема
гальванических покрытий по технологическим процессам восстановления деталей в
соответствии с производственной программой участка.
Часовая
производительность
гальванической ванны выражается формулой:
,
где:
- поверхность покрытия деталей, одновременно
загружаемых в ванну, дм2;
-
электрохимический эквивалент, г(А×ч);
- плотность тока, А/дм2;
- выход по току, %;
-
толщина наносимого покрытия, мм;
-
плотность наносимого металла, г/см3;
-
коэффициент, учитывающий потери времени на загрузку-выгрузку деталей (зависит
от вида покрытия);
- коэффициент, учитывающий потери времени на
подготовительно-заключительные операции (при односменной работе 1,06…1,10).
Поверхность
покрытия деталей
за одновременную загрузку их в ванну подсчитывают по
формуле:
где:
- удельная загрузка катодных штанг, дм2 на
1 м;
- длина рабочего пространства ванны, м.
Размеры
ванн подбирают в зависимости от размеров восстанавливаемых деталей так, чтобы
максимально использовать рабочее пространство ванны.
. Технологическая планировка
ремонтной мастерской (ремонтного участка) и Расчет
производственных площадей
Вся площадь
ремонтного предприятия делится на производственную и вспомогательную.
К производственной
площади предприятия относится площадь, занятая технологическим
оборудованием (станками, верстаками, стеллажами, стендами, моечными машинами и
др.), транспортным оборудованием (конвейерами, рольгангами, склизами и др.),
объектами ремонта (машинами, сборочными единицами, деталями, заготовками и
др.), находящимися на рабочих местах и возле них, а также проходами между
оборудованием и рабочими местами. В
стадии разработки проектного задания целесообразно применять методы
расчета по укрупненным показателям.
Площади отдельных участков, цехов и отделений рассчитывают по площади,
занимаемой оборудованием, с учетом переходного коэффициента при помощи формулы:
где:
- площадь, занимаемая оборудованием, м2;
- переходной коэффициент.
Для
проектирования ремонтного цеха принимаем следующие цеха и участки:
- моечно-разборочный участок;
- слесарно-механический участок;
сварочно-жестяницкий участок;
складское помещение запасных частей и инструментально
раздаточная кладовая;
служебно-бытовое помещение;
газогенераторная;
Общую площадь
рассчитывают следующим образом: производственную
- 100 %, вспомогательную, складскую
и конторско-бытовую - соответственно 12, 8 и 6 % от производственной.
Наибольшее распространение получили здания
прямоугольной формы,
длину L3 которых определяют по
формуле:
где
площадь здания ремонтного предприятия,
;
ширина
здания,
.
Ширину здания принимают стандартной, т.е. равной 12, 18, 24, 36,
54, 72 м и определяют из условия, что
отношение длины здания к его ширине должно быть не более трех. Если L3 /В >3, то необходимо увеличить ширину здания и снова определить ее длину. Полученную длину
здания принимают кратной длине применяемых строительных плит, т.е. 6 м и
увязывают с длиной линии разборочно-сборочных
работ.
Примем
стандартное значение длины
,
т.е.
ширина здания удовлетворяет требованиям.
Площадь здания после уточнения его длины составит:
Высоту производственного корпуса определяют
характером выполняемых работ, габаритами ремонтируемых изделий и принятым видом грузоподъемных устройств.
Примем высоту производственного корпуса
.
Процесс организован по П-образной схеме.
Окончательное решение о выборе площадей
участков принимаем после проверки расчетов графическим способом по плану
размещения оборудования.
Самый оптимальный периметр здания
соответствует длине окружности. На практике необходимо, чтобы коэффициент
целесообразности плана здания был
равен 0,8 и более.
>
,
т.е.
периметр здания является оптимальным,
где
производственная площадь, устанавливаемая
расчетом, м2;
периметр здания по наружным стенам, м; 0,282 -
коэффициент пропорциональности, численно
равный квадратному корню из отношения площади круга к его длине окружности.
Обычно при проектировании ремонтных
предприятий все производственные и вспомогательные подразделения располагают в
одном корпусе прямоугольной формы. В основу разработки компоновочного плана закладывают схему технологического
процесса, что обуславливает рациональное расположение всех подразделений с целью
минимальных затрат времени и средств на транспортирование грузов, рациональную
организацию людских потоков в пределах здания и связей с другими зданиями.
При разработке компоновочного плана решают
следующее: определяют габаритные размеры здания, рациональное размещение
подразделений, выбор основного подъемно-транспортного оборудования, связанного
с конструктивными элементами здания, определяют размеры магистральных проездов и ширину ворот.
На ремонтных предприятиях в зависимости от
пути движения рамы машины или базовой детали принимают следующие варианты
схем технологического процесса: прямоточную, Г-образную и П-образную.
Прямоточная схема технологического процесса
отличается простотой. При прямом потоке удобна организация конвейерных линий и
последовательное расположение производственных и вспомогательных подразделений по
ходу технологического процесса. При такой схеме наиболее тяжкие и громоздкие детали
движутся по прямому пути. Недостаток этой схемы состоит в том, что суммарные
площади основных групп производственных подразделений не увязаны между
собой по выполняемым в них технологическим процессам. В этом случае приходится
отдельные производственные участки переносить из одной группы в другую. Кроме того,
при прямоточной схеме трудно изолировать разборочно-моечные работы от других.
Г-образная и П-образная схемы
технологического процесса позволяют изолировать разборочно-моечные отделения от
других производственных участков, более рационально расположить отдельные
группы производственных участков и сократить пути транспортировки грузов.
Недостатки этих схем: непрямолинейное перемещение тяжелых и громоздких деталей,
а также трудность размещения окрасочного участка в изолированном помещении.
В зависимости от объемов основного
производства допускается применение стационарного способа сборки.
При Г-образной схеме сборочную линию
располагают перпендикулярно к
разборочной, а участки по ремонту сборочных единицы и агрегатов - параллельно разборочному.
При П-образной схеме производственные
отделения охватывают разборочно-моечными и сборочными участками.
Габариты производственного корпуса выбирают
исходя из площади, конфигурации и размеров участка под строительство, применяемых унифицированных габаритов
зданий и длины поточных линий.
Общая компоновка производственного корпуса
проводится на основании расчетов площадей участков, а также общей длины линии
основного производственного потока.
Оборудование используемое в участках и переходные коэффициенты приведены
в таблице 7.
Таблица 7.1 - Сводные данные по расчету площадей отделений
(участков) ремонтной мастерской
|
№
|
Наименование оборудования
по отделениям (участкам)
|
Марка оборудования
|
Габаритные размеры, мм
|
Площадь оборудования, м2
|
Переходной коэффициент, d
|
Принятая площадь
производственного участка, м2
|
Кол.
|
|
1
|
2
|
3
|
4
|
5
|
6
|
7
|
8
|
|
I. Моечно-разборочный участок
|
|
1
|
Моечная машина
|
ОМ-5360
|
1200´800
|
0,96
|
|
4,32
|
1
|
|
2
|
Стол для дефектации деталей
|
ОРГ-1468-01-090А
|
2400´800
|
1,92
|
|
8,64
|
1
|
|
3
|
Электрическая таль
|
ТЭЗ-511
|
815´440
|
|
|
|
1
|
|
4
|
Транспортная тележка
|
ПТ-007
|
1710´700
|
1,2
|
|
5,4
|
1
|
|
5
|
Стеллаж для деталей
запасных частей, узлов и ремонтных материалов
|
ОРГ-1468-05-320А
|
1400´500
|
0,7
|
|
3,15
|
1
|
|
6
|
Шкаф для монтажного
инструмента и приспособлений
|
ОРГ-1603
|
1590´360
|
0,57
|
|
2,56
|
1
|
|
Итого
|
|
|
5,71
|
4,5
|
25,7/30
|
|
|
II. Служебно-бытовое помещение
|
|
1
|
Шкаф для одежды
|
ПМЗ-19-10А
|
1050´500
|
0,52
|
|
|
2
|
|
Итого
|
|
|
|
3,5
|
3,68/6
|
|
|
III. Складское помещение запасных частей и
инструментально раздаточная кладовая
|
|
1
|
Стеллаж для деталей и запасных
частей и ремонтных деталей
|
ОРГ-1468-05-320А
|
1400´500
|
0,7
|
|
2,45
|
1
|
|
2
|
Шкаф для монтажного
инструмента и приспособлений
|
ОРГ-1603
|
1590´360
|
0,57
|
|
1,99
|
1
|
|
3
|
Стол для хранения приборов
|
2245
|
800´600
|
0,48
|
|
1,68
|
1
|
|
4
|
Шкаф для красок и кистей
|
2304-П
|
1240´570
|
0,71
|
|
2,5
|
1
|
|
Итого
|
|
|
2,46
|
3,5
|
8,61/15
|
|
|
IV. Слесарно-механический участок
|
|
1
|
Токарный станок
|
1М63
|
3530´1680
|
5,93
|
|
20,75
|
1
|
|
2
|
Универсальный фрезерный
станок
|
6Д81
|
1000´665
|
0,67
|
|
2,34
|
1
|
|
3
|
Универсальный
вертикально-сверлильный станок
|
2Б125
|
950´650
|
0,61
|
|
2,13
|
1
|
|
4
|
Настольно-сверлильный
станок
|
НС-12А
|
700´360
|
0,25
|
|
0,87
|
1
|
|
5
|
Точильно-шлифовальный
станок
|
3Б631А
|
600´350
|
0,21
|
|
0,73
|
1
|
|
6
|
Верстак на одно рабочее
место
|
ОРГ-1468-01-060А
|
1200´800
|
1,92
|
|
13,44
|
2
|
|
7
|
Шкаф для монтажного
инструмента и приспособлений
|
ОРГ-1603
|
1590´360
|
0,57
|
|
1,99
|
1
|
|
8
|
Тумбочка для инструментов и
средств по уходу за оборудованием
|
|
850´520
|
1,76
|
|
24,64
|
4
|
|
9
|
Стеллаж для деталей
запасных частей, узлов и ремонтных материалов
|
ОРГ-1468-05-320А
|
1400´500
|
0,7
|
|
2,45
|
1
|
|
10
|
Полуавтомат круглошлифовальный
|
3М163В
|
5026´2930
|
14,72
|
|
51,52
|
1
|
|
Итого
|
|
|
27,64
|
3,5
|
120,86/120
|
|
|
V. Сборочный участок
|
|
1
|
Электрическая таль
|
ТЭЗ-511
|
815´440
|
|
|
|
1
|
|
2
|
Компрессор поршневой
|
155-213
|
1785´560
|
1,0
|
|
4,5
|
1
|
|
3
|
Верстак на одно рабочее
место
|
ОРГ-1468-01-060А
|
1200´170
|
0,4
|
|
1,8
|
1
|
|
4
|
Пресс стационарный
|
П6022
|
450´170
|
0,076
|
|
0,34
|
1
|
|
5
|
Шкаф для монтажного
инструмента и приспособлений
|
ОРГ-1603
|
1590´366
|
0,57
|
|
2,56
|
1
|
|
Итого
|
|
|
2,4
|
4,5
|
10,82/15
|
|
|
VI. Сварочно-жестяницкий участок
|
|
1
|
Сварочный однопостовой
передвижной трансформатор
|
ТС-300
|
760´570
|
0,43
|
|
2,36
|
1
|
|
2
|
Полуавтомат для сварки в
среде углекислого газа
|
ПДГ-515 У3
|
530´350
|
0,19
|
|
1,04
|
1
|
|
3
|
Токарный станок
|
1М63
|
3530´1680
|
5,93
|
|
32,61
|
1
|
|
4
|
Стол для электросварочных
работ
|
ОКС-7523
|
1000´600
|
0,6
|
|
3,3
|
1
|
|
5
|
Шкаф для монтажного
инструмента и приспособлений
|
ОРГ-1603
|
1590´360
|
0,57
|
|
3,13
|
1
|
|
6
|
Стеллаж для деталей,
запасных частей, узлов и ремонтных материалов
|
ОРГ-1468-05-320А
|
1400´500
|
0,7
|
|
3,85
|
1
|
|
7
|
Баллон для ацетилена
|
-
|
300´300
|
0,09
|
|
0,5
|
1
|
|
8
|
Баллоны для сжатых газов
|
-
|
219´219
|
0,096
|
|
1,05
|
2
|
|
Итого
|
|
|
|
5,5
|
47,84/48
|
|
|
VII. Газогенераторная
|
|
1
|
Баллоны для сжатых газов
|
-
|
219´219
|
0,048
|
|
1,68
|
10
|
|
2
|
Баллоны для пропан-бутана
|
-
|
300´300
|
0,1
|
|
3,5
|
10
|
|
3
|
Тележка для транспортировки
кислородных и ацетиленовых баллонов
|
ПТ-010
|
840´800
|
0,67
|
|
2,34
|
1
|
|
Итого
|
|
|
0,81
|
3,5
|
7,52/9
|
|
8. Расчет
заработной платы работников
Фонд полной заработной платы производственных рабочих за год:
,
где:
- основная заработная плата производственных рабочих,
руб;
- дополнительная заработная плата производственных
рабочих, руб;
- отчисления на социальное страхование, руб.
,
где:
- часовая ставка рабочих, руб за 1 час ( 50 руб/ч);
- годовой объем работ, выполняемых в мастерской;
- коэффициент, учитывающий доплату за сверхурочные и
другие работы.
Дополнительная
заработная плата производственных рабочих:
,
Отчисления
на социальное страхование:
,
Таким
образом фонд полной заработной платы производственных рабочих за год:
,
Затраты
на приобретение запасных частей на программу ремонта
где:
Кз.ч. - коэффициент, учитывающий отношение затрат на
приобретение запасных частей к заработной плате производственных рабочих,
.
Затраты
на приобретение ремонтных материалов на программу ремонта
,
где:
Км - коэффициент, учитывающий отношения затрат на
приобретение ремонтных материалов к заработной плате производственных рабочих,
.
где:
Кнр - доля производственных накладных расходов к заработной
плате производственных рабочих,
.
Общие
затраты ремонтной мастерской по выполнению установленной программы работ
(валовая продукция или полная себестоимость всей продукциимастерской):
Себестоимость
1 чел.-ч. ремонтных работ, руб/чел.-ч.:
Себестоимость
ремонта любого объекта обслуживаемого предприятия:
,
где
трудоемкость ремонта заданного объекта.
К
примеру, годовая себестоимость ремонта емкости для приемки молока В2-ОМВ-6,3,
для которой годовая трудоемкость ремонтов и осмотров
:
Выпуск
продукции на одного производственного рабочего:
,
где
численность производственных рабочих.
Выпуск
продукции с одного кв. м. производственной площади мастерской:
,
где
производственная площадь ремонтной мастерской.
Основная
и дополнительная заработная плата одного производственного рабочего:
,
.
Годовая
заработная плата одного рабочего 74642 рублей.
Месячная
заработная плата одного производственного рабочего 6220 рублей.
Доля
заработной платы в выпуске продукции одного производственного рабочего:
,
Результаты
расчетов технико-экономических показателей сведем в таблицу 8.
Таблица
8.1 - Технико-экономические показатели ремонтной мастерской
|
№ п/п
|
Наименование показателей
|
Единица измерения
|
Значения показателя
|
|
1
|
Фонд полной заработной
платы производственных рабочих за год
|
руб.
|
|
|
2
|
Общие затраты ремонтной
мастерской
|
руб.
|
|
|
3
|
Себестоимость 1 чел.-ч.
|
руб./чел.-ч.
|
|
|
4
|
Выпуск продукции на 1
рабочего
|
руб./чел.
|
|
|
5
|
Выпуск продукции с 1м производственной площадируб./м
|
|
|
|
6
|
Доля заработной платы в
выпуске продукции
|
-
|
0,07
|
9. Разработка
технологического процесса восстанов- ления изношенной детали
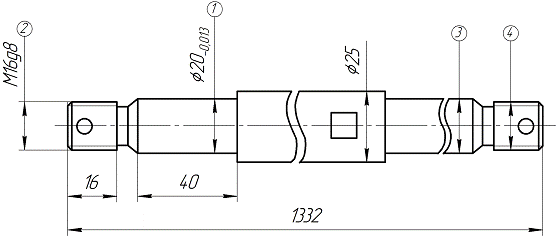
Рис. 9.1 - Деталь, подлежащая восстановлению (вал КПК 10.04.602)
Материал
- круг 
Твердость
- 42-57 HRC, масса -
4,74 кг.
Таблица
9.1 - Требования на восстановление
|
Контролируемый деффект
|
Размеры, мм
|
Способ восстановления
|
|
номер дефекта на рисунке
|
наименование
|
по чертежу
|
допустимый
|
|
|
1,3
|
износ поверхности под
подшипник
|
20-0,013
|
19,9
|
Наплавка в среде СО
|
|
2,4
|
повреждение резьбы
|
М16g8
|
|
|
Последовательность операций при восстановлении детали:
005. Наплавочная
Переход:
. Установить деталь в центрах
. Наплавить поверхности 1
. Наплавить поверхность 3
. Наплавить поверхность 2
. Наплавить поверхность 4
. Снять деталь.
010. Токарная
Переход:
. Установить и закрепить деталь
. Обточить поверхность 1 окончательно
. Обточить поверхность 2 окончательно
. Переустановить деталь
. Обточить поверхность 3 окончательно
. Обточить поверхность 4 окончательно
. Снять деталь.
015. Слесарная
Переход:
. Закрепить деталь
. Установить плашку
. Нарезать резьбу на поверхности 2
. Переустановить деталь
. Нарезать резьбу на поверхности 4
. Снять деталь
020. Шлифовальная
Переход:
. Установить деталь
. Шлифовать
. Снять деталь
025. Контрольная
Переход:
. Проверить диаметры поверхностей 1 и 3
. Проверить длину поверхности под подшипник 1 и 3
. Проверить резьбу поверхностей 2 и 4
Расчет процесса наплавки в среде углекислого газа
Наплавка в среде углекислого
газа постепенно вытесняет вибродуговую наплавку и частично наплавку под слоем
флюса. Этот процесс обладает производительностью на 25...50% выше, чем наплавка
под слоем флюса, легко механизируется и
автоматизируется. Уменьшение зоны термического влияния позволяет
восстанавливать детали малого диаметра (практически начинай с 10 мм).
Качество
наплавленного металла зависит от выбора режима процесса.
05. Наплавочная
Расчет
процесса наплавки вала
Режимы наплавки
подбираем по справочным данным в зависимости от диаметра детали.
Таблица 9.2 - Режимы
наплавки, выполняемой на цилиндрических деталях
|
Диаметр детали , ммТолщина
наплавляемого слоя , ммДиаметр
электрода , ммСила тока , АНапряжение , ВСкорость
наплавки , м/ч
|
|
|
|
|
|
|
10-20
|
0,5…0,8
|
0,8
|
70-90
|
16-18
|
40-45
|
Технологический
процесс наплавки поверхности под подшипник
005. Переходы 1 и 3
Итак, для детали
диаметром 19,9 мм из таблицы выбираем:
;
;
;
Уточним значение скорости наплавки
, м/ч:
,
где kн - коэффициент наплавки, г/(А-ч) (при наплавке постоянным током
обратной полярности kн = 10... 12); h -
толщина наплавленного слоя, мм; S -шаг наплавки, мм/об;
- плотность металла, г/см3 (
=7,85).
Шаг наплавки S, мм/об:
,
примем шаг наплавки
Частота вращения детали n, мин
:
Уточним
частоту вращения детали по паспортным данным станка 1М63 и примем
. Станок 1М63 будем использовать совместно с
полуавтоматом для наплавки в среде углекислого газа ПДГ-515У3, т.к. он отвечает
всем нашим требованиям.
Таким
образом, окончательно скорости
наплавки
, м/ч:
Скорость
подачи электродной проволоки:
,
где dэ - диаметр электродной проволоки, мм.
Вылет электрода
, мм:
= (10...12)dэ=
Смещение электрода l,
мм:
Расход углекислого газа составляет 8…20 л/мин. Наплавка
осуществляется проволокой Нп-40. Применяем
источники питания с жесткой внешней характеристикой. Полярность
обратная.
Необходимая масса проволоки:
,
где
объем наплавляемого материала:
где
Sпр -
площадь сечения детали после наплавки, см2, S
- площадь сечения детали до наплавки, см2 , L
- длина наплавляемой поверхности, см
Толщина
покрытия h, мм, наносимого на наружные цилиндрические
поверхности, определяется по формуле:
,
где
номинальный диаметр детали, мм;
диаметр изношенной детали после ее подготовки к
наращиванию, мм; z - припуск
на механическую обработку после нанесения покрытия, мм.
Минимальный
односторонний припуск на механическую обработку при восстановлении деталей
наплавкой в среде углекислого газа по справочным данным составляет:
мм,
Из
технологических соображений примем
Нормирование процесса наплавки поверхности
под подшипник:
Норма времени на выполнение наплавочной работы Тн
складывается из следующих элементов затрат
времени:
,
где
основное время; Твс -
вспомогательное время; Тдоп - дополнительное время; Тпз
- подготовительно-заключительное время; n - число
наплавляемых деталей в партии.
Основное время Т ос определяется по следующей
формуле:
Для
перехода 1:
где dи - диаметр изношенной детали после ее подготовки к
наращиванию, мм; L - длина наплавляемой поверхности детали, мм.
Вспомогательное время Твс
для наплавки в среде
углекислого газа составляет 2...4 мин.
Дополнительное время определяется по
следующей формуле:
Для
перехода 1:
,
где k - коэффициент, учитывающий долю дополнительного времени от
основного и вспомогательного, %.
Для наплавки в среде углекислого газа k = 10 %.
Подготовительно-заключительное время Тпз= 16...20
мин.
Таким образом, норма времени на выполнение наплавочной работы Тн
будет равна:
Для перехода 2:
Расход углекислого газа:
где
минутный расход углекислого газа (8-20л), л,
основное время, мин.
Норма
времени Тн для другого конца вала будет аналогичной,
т.е.переход 3 будет равен переходу 1.
Технологический процесс наплавки поверхности
под резьбу:
005.
Переходы 2 и 4.
Для детали с номинальным диаметром 16 мм из
таблицы выбираем:
;
;
;
Уточним значение скорости наплавки
, м/ч:
,
где kн - коэффициент наплавки, г/(А-ч) (при наплавке постоянным током
обратной полярности kн = 10... 12); h -
толщина наплавленного слоя, мм; S -шаг наплавки, мм/об;
- плотность металла, г/см3 (
=7,85).
Шаг наплавки S, мм/об:
,
примем шаг наплавки
Частота вращения детали n, мин
:
Уточним
частоту вращения детали по паспортным данным станка 1М63 и примем
Таким
образом, окончательно скорости
наплавки
, м/ч:
Скорость
подачи электродной проволоки:
,
где dэ - диаметр электродной проволоки, мм.
Вылет электрода
, мм:
= (10...12)dэ=
Смещение электрода l,
мм:
Расход углекислого газа составляет 8…20 л/мин. Наплавка
осуществляется проволокой Нп-40. Применяем
источники питания с жесткой внешней характеристикой. Полярность
обратная.
Необходимая масса проволоки:
,
где
объем наплавляемого материала:
где
Sпр -
площадь сечения детали после наплавки, см2, S
- площадь сечения детали до наплавки, см2 , L
- длина наплавляемой поверхности, см
Минимальный
односторонний припуск на механическую обработку при восстановлении деталей
наплавкой в среде углекислого газа по справочным данным составляет:
мм ,
Из
технологических соображений примем
Нормирование процесса наплавки поверхности
под резьбу:
Норма времени на выполнение наплавочной работы Тн
складывается из следующих элементов затрат
времени:
,
где
основное время; Твс -
вспомогательное время; Тдоп - дополнительное время; Тпз
- подготовительно-заключительное время; n - число
наплавляемых деталей в партии.
Основное время Т ос определяется по следующей
формуле:
Для
перехода 2:
где dи - диаметр изношенной детали после ее подготовки к
наращиванию, мм; L - длина наплавляемой поверхности детали, мм.
Вспомогательное время Твс
для наплавки в среде
углекислого газа составляет 2...4 мин.
Дополнительное время определяется по
следующей формуле:
Для
перехода 2:
,
где k - коэффициент, учитывающий долю дополнительного времени от
основного и вспомогательного, %.
Для наплавки в среде углекислого газа k = 10 %.
Подготовительно-заключительное время Тпз= 16...20
мин.
Таким образом, норма времени на выполнение наплавочной работы Тн
будет равна:
Для перехода 2:
Расход углекислого газа:
где
минутный расход углекислого газа (8-20л), л,
основное время, мин.
Норма
времени Тн для другого конца вала будет аналогичной, т.е.
переход 4 равен переходу 2.
10.2. Механическая обработка покрытий
Механическая обработка покрытий, наносимых на
изношенные поверхности, является завершающей операцией в технологическом
процессе восстановления деталей.
Механическая обработка наплавленных слоев при твердости до HRC 40 рекомендуется
выполнять резанием резцами с пластинками из сплава ВК6. При твердости
свыше HRC 40 следует применять шлифование.
Шлифование наплавленных слоев с высокой
твердостью рекомендуется производить
кругами из электрокорунда хромистого при твердости СМ1-СМ2 и скорости 30...35 м/с.
К основным элементам режима резания относится: глубина резания t в мм, подача S в мм/об; скорость резания v в м/мин или частота вращения шпинделя
n в мин
.
Исходными данными для
выбора режима резания являются: данные об обрабатываемой детали
(рабочий чертеж и технические условия); род и характеристика
материала покрытия, форма, размеры и допуски на обработку; допускаемые
отклонения от геометрической формы: некруглость, нецилиндричность,
допускаемые погрешности взаимной координации отдельных поверхностей;
требуемая шероховатость.
010.
Токарная
Технологический
процесс токарной обработки поверхности под подшипник
010. Переход 2.
Принимаем резец токарный проходной прямой
левый. Материал пластины Т15К6. Материал державки - сталь 45, сечение державки
резца Н
В=25
16мм,
ГОСТ 18879-73.
Назначаем режимы резания.
. Установим глубину резания
и снимаем ее за один
проход.
. Назначаем подачу, исходя из
справочных данных
. Принимаем по
паспортным данным станка подачу
.
3. Назначаем период стойкости резца
.
4. Определяем скорость резания,
допускаемую режущими свойствами резца:
где v - скорость резания, м/мин; t -
глубина резания, мм; S - подача, мм/об; Т - стойкость
инструмента, мин (выбирается согласно таблицы).
Значение x при
обработке стали - 0,18.
Значение y при
обработке стали - 0,27.
Значение коэффициента С = 41,7 (для стали и стального литья).
.
Частота вращения шпинделя, соответствующая найденной скорости резания:
Корректируем
частоту вращения шпинделя по паспортным данным станка и устанавливаем
действительную частоту вращения
.
.
Действительная скорость резания:
7.
Мощность, затрачиваемая на резание:
где
справочная величина.
Мощность
двигателя станка 1М63, КПД станка
, тогда
мощность на шпинделе составит:
Таким
образом,
(0,35<9,75кВт), т.е. мощность двигателя станка
достаточна для выполнения данной операции.
Норма времени на обработку данной партии
деталей (Тп) выражается следующей формулой:
где
Тоc - основное
(технологическое время при точении); Твс - вспомогательное
время на установку и снятие деталей со станка, пуск и остановка станка, подвод
и отвод режущего инструмента, измерение размеров и т. п. Твс -
выбирается из таблицы; Тдоп - дополнительное время (при
точении можно принять 3% Топ); Тпз - подготовительно-заключительное
время (при партии деталей n = 7...22
шт. можно принять 13...16 мин.); n - число деталей в партии, шт.
,
где
L - расчетная длина обработки в направлении подачи, мм:
где l - длина обрабатываемой поверхности, мм; l
- длина
врезания инструмента, мм; l
- длина подхода и перебега инструмента, мм (l
= 2... 5);
- длина
проходов при взятии пробных стружек, мм (l3= 5...8); i - число проходов.
l
рассчитывается по формулам в соответствии с геометрией
инструмента и глубиной резания, при точении l
= t = 0,7 мм.
Основное (Тос) и вспомогательное (Твс)
время в сумме составляют оперативное время (Топ):
Топ = Тос +Твс
,
Таким образом, норма
времени на обработку данной партии деталей (Тп):
Для
перехода 5 все расчеты аналогичные.
Технологический процесс токарной обработки
поверхности под резьбу
010. Переход 3.
Принимаем резец токарный проходной прямой
левый. Материал пластины Т15К6. Материал державки - сталь 45, сечение державки
резца Н
В=25
16мм,
ГОСТ 18879-73.
Назначаем режимы резания.
.Установим глубину резания
и снимаем ее за один
проход.
.Назначаем подачу, исходя из справочных
данных
. Принимаем по
паспортным данным станка подачу
.
3.Назначаем период стойкости резца
.
4.Определяем скорость резания, допускаемую
режущими свойствами резца:
где v - скорость резания, м/мин; t -
глубина резания, мм; S - подача, мм/об; Т - стойкость
инструмента, мин (выбирается согласно таблицы).
Значение x при
обработке стали - 0,18.
Значение y при
обработке стали - 0,27.
Значение коэффициента С = 41,7 (для стали и стального литья).
.
Частота вращения шпинделя, соответствующая найденной скорости резания:
Корректируем
частоту вращения шпинделя по паспортным данным станка и устанавливаем действительную
частоту вращения
.
6.
Действительная скорость резания:
7.
Мощность, затрачиваемая на резание:
где
справочная величина.
Мощность
двигателя станка 1М63, КПД станка
, тогда
мощность на шпинделе составит:
Таким
образом,
(0,35<9,75кВт), т.е. мощность двигателя станка
достаточна для выполнения данной операции.
Норма времени на обработку данной партии
деталей (Тп) выражается следующей формулой:
где
Тоc - основное
(технологическое время при точении); Твс - вспомогательное
время на установку и снятие деталей со станка, пуск и остановка станка, подвод
и отвод режущего инструмента, измерение размеров и т. п. Твс -
выбирается из таблицы; Тдоп - дополнительное время (при
точении можно принять 3% Топ); Тпз - подготовительно-заключительное
время (при партии деталей n = 7...22
шт. можно принять 13...16 мин.); n - число деталей в партии, шт.
,
где
L - расчетная длина обработки в направлении подачи, мм:
где l - длина обрабатываемой поверхности, мм; l
- длина
врезания инструмента, мм; l
- длина подхода и перебега инструмента, мм (l
= 2... 5);
- длина
проходов при взятии пробных стружек, мм (l3= 5...8); i - число проходов.
l
рассчитывается по формулам в соответствии с геометрией
инструмента и глубиной резания, при точении l
= t = 0,75 мм.
Основное (Тос) и вспомогательное (Твс)
время в сумме составляют оперативное время (Топ):
Топ = Тос +Твс
,
Таким образом, норма
времени на обработку данной партии деталей (Тп):
Для
перехода 6 все расчеты аналогичные.
015.Слесарная.
015. Переход 3
Принимаем плашку М16 с шагом резьбы равным
1,5 мм ГОСТ 9740-71. Материал плашки 9ХС.
Скорость
резания, м/мин, при нарезании метрической резьбы плашками:
где
Cv - коэффициент, Cv = 2,7; D - номинальный диаметр резьбы, мм; T -
среднее значение периода стойкости, мин; s - подача,
равная шагу резьбы Р = 1,5мм; q, m, и y коэффициенты и показатели степени, q = 1,2, m = 0,5 и y = 1,2; Kv - общий поправочный коэффициент, Kv = Kмг Kиг Kтг = 1·0,7·1 = 0,56, где Kмг - коэффициент зависящий от марки обрабатываемого
материала, Kмг = 1; Kиг - коэффициент учитывающий марку инструментального
инструмента, Kиг = 0,7; Kтг - коэффициент учитывающий класс точности резьбы, Kтг = 1.
Крутящий
момент , Н·м, при нарезании резьбы плашками:
где
Cм -
коэффициент, Cм = 0,045;
D - номинальный диаметр резьбы, D
= 16мм; P -
шаг резьбы, P =
1,5мм; Kp - поправочный коэффициент учитывающий качество
обрабатываемого материала, Kp = Kмp = 1; q и
y показатели
степени, q =
1,1, y =
1,5.
Мощность
при нарезании резьбы, кВт
где
- крутящий момент, Мкр = 17,45Н·м;
Таким
образом,
(1,21<9,75кВт), т.е. мощность двигателя станка
достаточна для выполнения данной операции.
Норма времени на обработку данной партии
деталей (Тп) выражается следующей формулой:
где
Тоc - основное
(технологическое время при резьбонарезании); Твс -
вспомогательное время на установку и снятие деталей со станка, пуск и остановка
станка, подвод и отвод режущего инструмента, измерение размеров и т. п. Твс
- выбирается из таблицы; Тдоп - дополнительное время (при
резьбонарезании можно принять 3% Топ); Тпз -
подготовительно-заключительное время (при партии деталей n
= 7...22 шт. можно принять 13...16
мин.); n - число
деталей в партии, шт.
,
где
L - расчетная длина обработки в направлении подачи, мм:
где l - длина обрабатываемой поверхности, мм; l1 - длина подхода и перебега инструмента, мм (l1 = 2... 5); i -
число проходов.
Основное (То) и вспомогательное (Твс)
время в сумме составляют оперативное время (Топ):
Топ = Тос +Твс
,
Таким образом, норма
времени на обработку данной партии деталей (Тп):
Для
перехода 5 все расчеты аналогичные.
020.Шлифовальная.
020. Переход 2
При шлифовании с продольной подачей глубина
шлифования:
t =(0,005...0,015) мм - проход при круглом чистовом шлифовании;
Число проходов:
где z - припуск на
шлифование (на сторону), мм. Принимаем z = 0,055 мм.
Продольная подача S,
мин/об:
где Sд - продольная
подача в долях ширины круга на один оборот детали; Вк -
ширина шлифовального круга, мм (Вк=20...60 мм).
При круглом шлифовании S зависит от вида
шлифования (при чистовом шлифовании независимо от материала и диаметра детали):
Окружная скорость детали, Vд , м/мин
(Vд = 2…5 м/мин при чистовом шлифовании), принимаем 5 м/мин.
Число оборотов детали (частота вращения) nд , м/мин -1
:
где D - диаметр детали, мм; VД - окружная скорость детали, м/мин.
Скорость продольного перемещения стола v
, м/мин:
Основное время То при
шлифовании:
где L -длина продольного хода стола (при шлифовании на проход L=l+ (0,2...0,4)Вк
и L = l - (0,2...0,4)В
- при шлифовании в упор), мм; l - длина
обрабатываемой поверхности, мм; k - коэффициент точности (коэффициент
выхаживания, равный при черновом шлифовании 1,1 и 1,4 - при чистовом).
Шлифование с поперечной подачей (методом
врезания) является производительным методом обработки. Оно осуществляется с
поперечной подачей до достижения необходимого размера поверхности (продольная подача отсутствует).
Шлифовальный круг перекрывает всю (длину) ширину обрабатываемой поверхности
детали.
Основное время при поперечном шлифовании Т0
определяется по формуле:
где
Sпоп -
поперечная подача на один оборот детали (S =
0,0025…0,02мм/об).
Остальные параметры (t,
vд,
) определяются также как и при продольном шлифовании.
Вспомогательное
время (Твс) при
шлифовании 0,43 мин.
Дополнительное
время (Тдоп)
при шлифовании составляет 7% от оперативного.
Основное (То) и вспомогательное (Твс)
время в сумме составляют оперативное время (Топ):
Топ = Тос
+Твс= 0,392 + 0,43 = 0,822мин
Тдоп
= 0,07 Топ = 0,07·0,822 = 0,06мин
Подготовительно-заключительное время (Tпз) при шлифовании (n = 7…22 дет) для учебных целей
принимается 14…18 мин.
Таким образом, норма
времени на обработку данной партии деталей (Тп):
025. Контрольная.
В ремонтном производстве применяют предельные калибры (пробки, скобы,
кольца, шаблоны), универсальные инструменты (микрометры, штангенциркули, индикаторы,
нутромеры).
Литература
1. Анурьев
В.И. Справочник конструктора-машиностроителя. В 3 томах. - 7-е изд., перераб. и
доп. - М.: Машиностроение., 1992.
2. Батищев
А.Н., Курчаткин В.В. Справочник молодого слесаря по ремонту
сельскохозяйственной техники. М.: Высш. Шк., 1983. - 271 с.
3. Гринев
В.Н. Справочник технолога машиностроителя. В двух томах. Изд. 3,
переработанное. Под ред. Малова А.Н. - М., 1972. - 568 с.
4. Иванщиков
Ю.В., Лебедев В.Г. Курсовое проектирование по монтажу, эксплуатации и ремонту
технологического оборудования. Учебное пособие. Чебоксары, 2002. - 77 с.
5. Косилова
А.Г., Мещеряков Р.К. Справочник технолога-машиностроителя. В двух томах. Изд.
4, перераб. и доп. - М. : Машиностроение.,1985. - 496 с.
6. Курчаткин
В.В., Тельнов Н.Ф., Ачкасов К.А. и др. Надежность и ремонт машин. - М.: Колос,
2000. - 776 с.
. Нефедов
Н.А., Осипов Н.А. Сборник задач и примеров по резанию металлов и режущему
инструменту. 4-е изд., перераб. и доп. - М.: Машиностроение., 1984. - 400 с.
8. Черепанов
С.С., Афанасьев А.А., Мочалов И.И. и др. Оборудование для текущего ремонта
сельскохозяйственной техники. Справочник. - М.: Колос, 1981. - 256 с.