Расчет насосной установки типа 2К80-65-160

  • Вид работы:
    Курсовая работа (т)
  • Предмет:
    Другое
  • Язык:
    Русский
    ,
    Формат файла:
    MS Word
    579,86 Кб
  • Опубликовано:
    2013-01-23
Вы можете узнать стоимость помощи в написании студенческой работы.
Помощь в написании работы, которую точно примут!

Расчет насосной установки типа 2К80-65-160

РЕСПУБЛИКА КАЗАХСТАН

АЛМАТИНСКИЙ ИНСТИТУТ ЭНЕРГЕТИКИ И СВЯЗИ

Кафедра тепловых энергетических установок









Курсовая работа

По дисциплине: Вспомогательное оборудование ТЭС

Вариант № 1


Выполнил: ст. гр. ТЭС-09-3

Абдильбаев А.Б.

Проверил: ст.пр. Ходанова Т.В.






Алматы 2012

Содержание

Введение

. Исходные данные

. Определение параметров рабочей точки насоса

. Определение минимального диаметра всасывающего трубопровода из условия отсутствия кавитации

. Регулирование подачи насосной установки

.Список использованной литературы

Введение

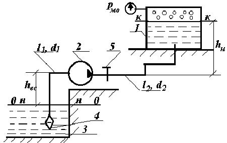
- напорный резервуар, 2 - насос, 3 - открытый водоем, 4 - приемная коробка (фильтр), 5 - регулировочный вентиль (кран)

Рисунок 1.1 - Схема установки насоса

Описание схемы: насос 2 (тип по таблице 1.1) с характеристикой изображенной в Приложении А, подает воду, температура которой t°C в цилиндрический напорный резервуар 1. Жидкость поступает в насос через приемную коробку (фильтр) 4 из открытого приёмного резервуара 3, расположенного ниже оси установки насоса. Для изменения подачи насоса на напорной линии установлен регулировочный вентиль (кран). Разность абсолютного давления на выходе из насоса и атмосферного давления (величину рмо) фиксирует манометр 5.

Консольный моноблочный насосы

Горизонтальные электронасосные агрегаты с центробежным консольным одноступенчатым насосом с односторонним подводом жидкости к рабочему колесу для перекачивания чистой воды (кроме морской) с рН=6-9, и других жидкостей, сходных с водой по плотности, вязкости и химической активности, содержащих твердые включения размером до 0,2 мм, объемная концентрация которых не превышает 0,1%.

Температура перекачиваемой среды от -10 до +120 С.

Подшипники смазываются жидкой смазкой. Камера подшипников имеет принудительное охлаждение.

Материал проточной части - чугун СЧ20.

Уплотнение вала - торцовое или двойное сальниковое.

Климатическое исполнение и категория размещения при эксплуатации - У3.1 или Т2 по ГОСТ 15150.

Патрубки фланцевые прямоугольной формы Ру-16.

В насосном агрегате типа 2K80-65-160 электродвигатели соединены посредством упругой муфты.

Входной патрубок Ду 80мм.

Напорный патрубок Ду 65мм.

Основные технические характеристики для консольного насоса 2K80-65-160

Подача - 50 м3/час

Напор - 35.00 м

Частота вращения - 2900 об/мин

Максимальная потребляемая мощность - 9.10 кВт

Допускаемый кавитационный запас - 4.00 м

Масса насоса - 60 кг

Консольные насосы 2K80-65-160 по желанию заказчика - поставляются как с электродвигателями, так и без них.

Консольные горизонтальные насосы типа 2К выпускаются отечественными насосными заводами по международному стандарту ИСО2858.


1. Исходные данные

Тип насоса

2К80-65-160

Диаметр рабочего колеса, мм

0,172

Температура воды, °C

30

Длина всасывающего трубопровода l1, м

30

Диаметр всасывающего трубопровода d1, м

0,15

Длина нагнетательного трубопровода l2, м

0,45

Диаметр нагнетательного трубопровода d2, м

0,12

Высота всасывания hвс, м

3,5

Высота нагнетания hн, м

20

Манометрическое давление рмо газа на поверхности жидкости в резервуаре 1, МПа

0,03

Степень открытия крана nзадв

1

Тип труб

трубы стальные, бесшовные, новые

консольный насос трубопровод

2. Определение параметров рабочей точки насоса

Определение параметров рабочей точки насосной установки производиться в следующей последовательности:

Составляем уравнение гидравлической сети по приведенной схеме установки насоса (см. рисунок 1.1).

Строим графическое изображение уравнения гидравлической сети в координатах Q - H.

Строим характеристики насоса на графике гидравлической сети в координатах Q - H (характеристики насосов даны в Приложении А).

Определяем координаты точки пересечения напорной характеристики насоса и характеристики сети (координаты рабочей точки).

Составление уравнения гидравлической сети

. Выбираем два сечения: н-н и к-к (см. рисунок 1.1), перпендикулярные направлению движения жидкости и ограничивающие поток жидкости. Сечение н-н проходит по свободной поверхности жидкости в резервуаре 3, а сечение к-к - по поверхности жидкости в закрытом резервуаре 1.

. Применяем в общем виде закон сохранения энергии для сечений н-н и к-к с учетом того, что жидкости добавляется энергия в насосе, равная потребному в данной сети напору Hпотр:


где zн и zк - вертикальные отметки центров тяжести сечений;

Jн , Jк - средние скорости движения жидкости в сечениях;

рн - давление на поверхности открытого резервуара;

рк - давление в закрытом резерве;

aн и aк - коэффициенты Кориолиса;н-к - потери напора.

Для определения величин вертикальных отметок центров тяжести сечений: zн и zк выбираем горизонтальную плоскость сравнения 0-0

(см. рисунок 1.1). Для удобства ее обычно проводят через центр тяжести одного из сечений. В нашем случае плоскость 0-0 совпадает с сечением н-н.

Давление на поверхности открытого резервуара равно атмосферному (рн = рат), а в закрытом резервуаре или в трубе (рк = рмо + рат) - сумме атмосферного давления и показания прибора (манометрическое давление берется со знаком плюс, вакуумметрическое - со знаком минус).

. Согласно закону сохранения количества вещества через любое сечение потока проходит один и тот же расход жидкости:

н = Q1 = Q2 = Qк.

где Q1 и Q2 - расходы в сечениях всасывающего и напорного трубопроводов. Учитывая, что Q = J×* w, вместо (2.2) получим:

Jн×* wн =J1×* w1 = J2×* w2=.......= Jк×* wк,

где wн, w1, w2, wк - площади соответствующих сечений.

Поскольку площади сечений резервуаров значительно больше площадей сечений труб, скорости Jн и Jк очень малы по сравнению со скоростями в трубах J1 и J2, и величинами aнJн2/2g и aкJк2/2g можно пренебречь (aн и aк - коэффициенты Кориолиса: a=2 при ламинарном режиме движения, a=1 при турбулентном режиме). Принимаем: Jн»0; Jк » 0.

. Потери напора hн-к при движении жидкости от сечения н-н к сечению

к-к складываются из потерь во всасывающем и нагнетательном трубопроводах, причем в каждом трубопроводе потери разделяются на потери по длине и местные:

н-к = h1 + h2= hф + hдл.1 + hпов.1 + hдл.2 + hкр. + 3*hпов.+ hвых.

где:

- потери в приемной коробке (фильтре)

xф- коэффициент сопротивления фильтра (см. таблицу 2.1);

 - потери по длине на всасывающем трубопроводе;

 - потери на поворот во всасывающем трубопрово-де, где xпов - коэффициент сопротивления при повороте на угол 90° (см. таблицу 2.1);

 - потери по длине на нагнетательном трубопроводе;

- потери в кране, где xкр - коэффициент сопротивления крана (зависит от степени открытия крана nзадв (см. таблицу 2.1));

 - потери на поворот в нагнетательном трубопрово-де, где xпов - коэффициент сопротивления при повороте на угол 90° (см. таблицу 2.1);

  - потери при выходе из трубы в резервуар, где

xвых - коэффициент сопротивления на выходе из трубы (см. таблица 2.1).

Таблица 2.1 - Значения усредненных коэффициентов местных сопротивлений x (квадратичная зона)

Сопротивление

Конструктивные параметры

x

 

Вход в трубу

с острыми кромками выступающий внутрь резервуара

0,5 1,0

Выход из трубы


1,0

 

Угольник с углом поворота

45°

0,44

 


90°

1,32

 

Приемная коробка трубы с клапаном и сеткой при dтр, мм

40

12

 


70

8,5

 


100

7,0

 


150

6,0

 


200

5,2

 


300

3,7

 

Задвижка при nзадв=a/d 10,15



 


0,8

0,23

 


0,75

0,49

 


0,55

1,02

 


0,5

2,0

 


0,4

4,6

 


0,3

10,0

 


С учетом вышеприведенных зависимостей, уравнение (2.4) примет вид:


С учетом уравнения (2.5) формула (2.1) примет вид:


. Выразив скорости J1 и J2 через расход жидкости (J1=Q/w1=4Q/p×d12;

J2 = Q/w2=4*Q/p*×d22) и упростив уравнение (2.6) запишем уравнение для напора Hпотр:


Остальные данные приведены в таблице 2.4

Формула (2.7) представляет собой уравнение гидравлической сети представленной схемы и показывает, что напор насоса расходуется на подъем жидкости на высоту (hвс+hн), на преодоление противодавления рмо в резервуаре 1 и на преодоление гидравлических сопротивлений.

Построение графического изображения уравнения гидравлической сети в координатах Q - H

Для построения характеристики сети задаемся несколькими значениями расхода жидкости из рабочего диапазона насоса и вычисляем значения соответствующих напоров Hпотр, в следующей последовательности:

Определяем при заданной температуре t плотность r и вязкость h воды (см. таблицу 2.2).

Таблица 2.2 - Зависимость плотности r и кинематического коэффициента вязкости n воды от температуры

t ,° C

10

15

20

25

30

35

40

50

r, кг/м3

999,7

998,95

998,2

996,935

995,67

993,955

992,24

988,07

n*104, м2/с

0,01306

0,01139

0,01003

0,00893

0,00801

0,00724

0,00658

0,00553


2   Определяем коэффициента трения l для этого:

-   вычисляем число Рейнольдса по формуле:

;


Остальные данные приведены в таблице 2.4

исходя, из величины Рейнольдса определяем коэффициент трения l:

-   если Re < 2300 Þ l = 64 / Re,

-   если Re > 2300, Þ l = 0,11×(68/Re + Dэ/d) 0,25

l12 = 0,11×(68/58919,78 + 0,00005/0,15) 0,25 =0,021602

l22 = 0,11×(68/73649,73 + 0,00005/0,12) 0,25 =0,021046

Остальные данные приведены в таблице 2.4

где Dэ - величина абсолютной шероховатости трубопровода

(см. таблицу 2.3).

Таблица 2.3 - Значения эквивалентной шероховатости для различных труб

Вид трубы

Состояние трубы

Dэ, мм

Бесшовная стальная

новая

0,02 ¸ 0,05

Стальная сварная

новая

0,03 ¸ 0,10

Стальная сварная

с незначительной коррозией

0,10 ¸ 0,20


Вычисляем значения напоров Hпотр по формуле (2.7). Заносим все расчетные характеристики в таблицу 2.4.

По расчетным данным таблицы 2.4 строим характеристику сети (см. рисунок 2.1).

Построение характеристики насоса на графике гидравлической сети в координатах Q - H

Для построения характеристики насоса на графике гидравлической сети необходимо:

. По заданным значениям расхода из рабочего диапазона насоса определить соответствующие значения напоров, электрической мощности и КПД насоса (см. Приложение А), которые заносятся в таблицу 2.4.

. По данным значениям таблицы 2.4 стоим характеристику насоса на графическом изображении уравнения гидравлической сети.

Таблица 2.4 - Пример расчетной таблицы для определения рабочей точки насоса

Q, м3/с

Qi1= 0,00556

Qi2= 0,00833

Qi3= 0,01111

Qi4= 0,01389

Qi5= 0,01667

Qi6= 0,01944

Qi7= 0,02222

Характеристики насоса

Напор насоса H, м

Hi1=37,5

Hi2=37,8

Hi3=37

Hi4=35

Hi5=33

Hi6=29

Hi7=25

Мощность двигателя N, кВт

Ni1=4,8

Ni2=5,4

Ni3=6

Ni4=6,7

Ni5=7,5

Ni6=8,2

Ni7=9

КПД насоса h

hi1=0,4

h i 2=0,55

h i 3=0,65

h i 4=0,71

h i 5=0,7

h i 6=0,62

h i 7=0,6

Характеристики сети

Всасывающий трубопровод:

Число Рейнольдса Re1

Re11= 58919,78

Re12 = 88273,7

Re13 = 117733,6

Re14 = 147193,5

Re15 = 176653,4

Re16= 206007,3

Re17 = 235467,2

Коэффициента трения l1

l11= 0,021602

l12 = 0,020049

l13=, 0,01911

l14 = 0,018473

l15= 0,018008

l16= 0,017654

l17= 0,017372

Нагнетательный трубопровод:

Число Рейнольдса Re2

Re21 = 73649,73

Re22 = 110342,1

Re23 = 147167

Re24 = 183991,9

Re25 = 220816,7

Re26= 257509,1

Re27 = 294334

Коэффициента трения l2

l21 = 0,021046

l22 = 0,01972

l23= 0,018939

l24 = 0,01842

l25= 0,018048

l26= 0,017768

l27= 0,017548

Расчет напора:

Необходимый напор гидравлической сети Hпотр, м

Hпотр1= 26,70236

Hпотр2= 26,8578

Hпотр3= 27,07448

Hпотр4= 27,35181

Hпотр5= 27,68971

Hпотр6= 28,08658

Hпотр7= 28,54525


Определение координаты точки рабочей точки насоса

Точка, в которой пересекаются характеристики насоса и системы, является рабочей точкой системы и насоса (см. рисунок 2.1). Это означает, что в этой точке имеет место равновесие между полезной мощностью насоса и мощностью, потребляемой трубопроводной сетью. Напор насоса всегда равен сопротивлению системы. От этого зависит также подача, которая может быть обеспечена насосом.

Рисунок 2.1 - Определение рабочей точки насоса

Выводы: Рабочая точка насоса имеет следующие параметры:к = 0,0195 м3/с, Hк = 29 м , Nэ=8,4 кВт, hk = 0,61.

. Определение минимального диаметра всасывающего трубопровода из условия отсутствия кавитации

Явление кипения жидкости при давлениях меньших атмосферного и нормальных температурах, сопровождающееся схлопыванием пузырьков пара в областях повышенного давления, называется кавитацией.

Кавитация приводит к разрушению материала поверхностей насоса.

Для условий не допуска явления кавитации необходимо, чтобы в сечениях потока, где давление меньше атмосферного, было выдержано условие - давление в жидкости должно быть больше давления насыщенного пара (р > pн.п).


В предложенной схеме насосной установки (см. рисунок 1.1) жидкость поступает в насос из резервуара, расположенного ниже оси установки насоса (см. рисунок 2.2). Из условия отсутствия явления кавитации минимальный диаметр всасывающего трубопровода должен определяется из условия, что давление в сечении 2-2 равно давлению насыщенного пара.

Тогда уравнение Бернулли для сечений 1-1 и 2-2 примет вид:


Преобразовав уравнение (2.9): в левой части группируются слагаемые, не зависящие от диаметра, а в правой части - зависящие от диаметра, получим следующую зависимость:

Определение диаметра по уравнению (2.10) сводится к решению трансцендентного уравнения, поскольку при разных значениях диаметра может быть различный режим движения в трубопроводе (Re=J*×d/n), а значит и различные значения коэффициента гидравлического трения l.

Такие уравнения решаются графическим способом или численными методами с помощью ПК.

Для решения уравнения (2.10) графическим методом разбиваем левую и правую части уравнения:

 (2.11)

 (2.12)


Остальные данные приведены в таблице 2.5

где рат - атмосферное давление, Па;

рм - манометрическое давление на поверхности жидкости во всасывающем резервуаре (рм = 0,01 МПа);

рн.п. - давление насыщенного пара при температуре воды, Па

(см. рисунок 2.3);к - подача насоса, соответствующая параметрам рабочей точки, м3/с;

a1 - коэффициент Кориолиса (a=2 при ламинарном режиме движения, a=1 при турбулентном режиме).

l1 - коэффициент гидравлического трения (l1=64/Re при ламинарном режиме; l1=0,11*×(68/Re+Dэ/d1)0,25 при турбулентном режиме);- длина всасывающего трубопровода, м;

xф - коэффициент сопротивления фильтра;

xпов - коэффициент сопротивления поворота.

Рисунок 2.3 - Зависимость давления насыщенного пара воды от температуры

Определение минимального диаметра всасывающего трубопровода из условия отсутствия кавитации графическим методом производится в следующей последовательности:

Задаемся несколькими значениями диаметра d1.

Вычисляем значение левой части уравнения (2.10) по формуле (2.11).

Вычисляем значение функции f(d1) по формуле (2.12) и заносим их в таблицу 2.5.

Строим график функции f(d1) (см. рисунок 2.4).

Наносим на графике по оси ординат вычисленное значение по формуле (2.11).

Определяем величину минимального диаметра всасывающего трубопровода, которая находится на пересечении двух линий - левой и правой частей уравнения (2.10).

Рисунок 2.4 - К определению минимального диаметра всасывающего трубопровода

Таблица 2.5 - Пример расчетной таблицы для определения минимального диаметра всасывающего трубопровода из условия отсутствия кавитации

d1, м

di1=0,11

di2=0,12

di3=0,13

di4=0,14

di5=0,15

di6=0,16

di7=0,17

Re11 = 281786,1

Re12 = 258303,9

Re13 = 238434,4

Re14 = 221403,35

Re15 = 206643,12

Re16= 193727,93

Re17 = 182332,17

Коэффициента трения l1

l11 = 0,090332

l12 = 0,088391

l13= 0,086642

l14 = 0,085054

l15= 0,083602

l16= 0,082267

l17= 0,081032

Коэффициент Кориолиса, a1

a11 =1

a12 =1

a13 =1

a14 =1

a15 =1

a16 =1

a17 =1

Значение левой части уравнения (2.10)

=

Значения функции f(d1)

f(di1)=  7,294262

f(di2)= 4,7652289

f(di3)= 3,2280522

f(di4)= 2,255167

f(di5)= 1,6177739

f(di6)= 1,1875254

f(di7)= 0,889438

7. Делаем заключение о присутствии явления кавитации во всасывающем трубопроводе предложенной схемы (см. рисунок 1.1.).

Для этого необходимо сравнить заданное значение d1 с dmin: при d1 > dmin явление кавитации отсутствует, если d1 < dmin в насосной установке имеет место кавитация.=0,15мmin=0,115м

. В нашем случае кавитации нет.

. Регулирование подачи насосной установки

Изменение подачи насоса можно осуществить двумя способами: изменяя характеристику сети при неизменной характеристике насоса или изменяя характеристику насоса при неизменной характеристике сети.

В рамках курсовой работы необходимо провести сравнительные расчеты регулирования подачи насосной установки по двум приведенным способам и предоставить выводы о выборе одного из метода с точки зрения эффективности.

Определение минимального диаметра всасывающего регулирование подачи насосной установки изменением характеристики сети

Регулирование подачи насоса при изменении характеристики сети можно осуществить путем установки крана на напорной магистрали.

При этом при открытии крана подача насоса увеличивается, и характеристика сети становится более пологой.

В рамках курсовой работы (исходные данные - расчеты п. 2.1) определим степень открытия крана 5, при которой расход жидкости в системе уменьшается: при nзадв ³ 0,75 на 20 %.

Определение параметров регулирования подачи насоса посредством изменения характеристики сети производится в следующей последовательности: определяется коэффициент сопротивления регулировочного крана, и далее определяется степень открытия крана (см. таблицу 2.6).

Определение коэффициента сопротивления регулировочного крана производиться в следующей последовательности:

1 Определяем необходимый расход жидкости в системе при заданных условиях:при nзадв ³ 0,75: Qк1 = Qк * 0,8=0,0195*0,8=0,0156

2 Отмечаем на характеристике насоса новую рабочую точку К1 (см. рисунок 2.5).

Определяем по графику величину дополнительных потерь напора в кране при его закрытии: Dhкр=6 м.

Определяем дополнительный коэффициент сопротивления крана при его закрытии (формула Вейсбаха):


Рисунок 2.5 - Определение новой рабочей точки К1

5. Так как перед регулированием системы на новый расход по исходным данным кран уже был частично закрыт (nзадв), определяем суммарный коэффициент сопротивления:

xкрå =Dxкр + xкр =0,15+150,4222=150,5722

где xкр - коэффициент сопротивления крана при исходном варианте (см. таблицу 2.1).

. Далее из рисунка 2.6 по xкрå, определяем степень открытия nзадв=0,1 крана, при которой в данной сети будет проходить расход Qк1.

Рисунок 2.6 - График к определению степени открытия крана

Регулирование подачи насосной установки изменением характеристики насоса

Необходимую характеристику насосной установки можно получить, изменяя частоту вращения вала насоса, или используя несколько насосов, соединенных вместе определенным образом.

В курсовой работе рассмотрены вопросы регулирования подачи посредством изменения частоты вращения вала насоса.

Изменение частоты вращения вала насоса вызывает изменение его характеристики и, следовательно, изменение рабочего режима.

Для осуществления регулирования изменением частоты вращения для привода насоса необходимо использовать двигатели с переменным числом оборотов. Такими двигателями являются двигатели внутреннего сгорания, паровые и газовые турбины и электродвигатели постоянного тока.

В рамках курсовой работы (исходные данные - расчеты п. 2.1) определим обороты вала насоса, при которых его подача уменьшится:

при nзадв ³ 0,75 на 20 %.

Определение характеристик насоса при изменении частоты вращения вала производится в следующей последовательности:

. На исходной характеристике насоса при известной частоте вращения вала и расчетной (п.2.1) характеристике гидравлической сети определяем величину требуемой подачи насоса: при nзадв ³ 0,75: Qк1 = Qк * 0,8=0,0156.

. Поскольку характеристика сети не меняется, отмечаем на характеристике сети новую рабочую точку насоса К2, через которую должна пройти новая характеристика насоса.

. Определяем параметры соответствующие рабочей точки насоса К2:= 0,014м3/с, H2 =29 м, h2 =0,71.

. Для построения новой характеристики насоса при изменении расхода посредствам регулирования частоты вращения вала определяем параметры подобных режимов по следующему уравнению:

Hп1 = H2 * Q2 /Q2 2 =29*0,005562/0,0142=4,574 м

Остальные данные приведены в таблице 2.6

где Q - значения расхода жидкости из рабочего диапазона насоса

(исходные значения см. таблицу 2.4).

. Расчетные значения заносим в таблицу 2.6 и строим кривую подобных режимов (см. пример на рисунке 2.7).

. Определяем на графике абсциссу точки пересечения кривой подобных режимов и характеристики насоса: Q1 = 0,0154 м3/с.

. Определяем новое расчётное число оборотов вала насоса, соответствующее измененному значению подачи Q2 по закону подобия:

= n * Q2 / Q1=(2900*0,014)/0,0154=2636 об/мин

где n - частота вращения вала при исходной характеристике насоса.

. При изменении частоты вращения n2 необходимо пересчитать характеристику насоса по следующим формулам:


Остальные данные приведены в таблице 2.6

где Q и Н - значения расхода и напора жидкости из рабочего диапазона насоса (см. таблицу 2.4).

. Строим новую характеристику насоса по расчетным показателям

Q2 и Н2 через точку К2 (см. рисунок 2.7).

Таблица 2.6 - Пример расчетной таблицы для построения характеристики насоса при регулировании расхода изменением частоты вращения вала

Расход насоса Q, м3/с

Qi1= 0,00556

Qi2= 0,00833

Qi3= 0,01111

Qi4= 0,01389

Qi5= 0,01667

Qi6= 0,01944

Qi7= 0,02222

Напор насоса H, м

Hi1=37,5

Hi2=37,8

Hi3=37

Hi4=35

Hi5=33

Hi6=29

Hi7=25

Параметры соответствующие рабочей точки насоса К2

Измененный расход Q2, м3/с

Q2 =0,014

Напор H2 при расходе Q2

H2 =35

Значения для построения кривой подобных режимов

Hп1= 4,574

Hп2= 10,267

Hп3= 18,263

Hп4= 28,546

Hп5= 41,116

Hп6= 55,916

Hп7= 73,052

Расход насоса Q2, м3/с

Q21= 0,005054

Q22= 0,007572

Q23 = 0,010099

Q24= 0,012626

Q25 =0,015152

Q26 = 0,01767

Q27 = 0,020197

Напор насоса H2, м

H21= 30,98319

H22= 31,23105

H23= 30,57008

H24= 28,9176

H25= 27,2652

H26= 23,96033

H27= 20,65546


Рис.9 - Определение новой характеристики насоса при изменении частоты вращения вала

Сравнение приведенных способов регулирования подачи насосной установки

Для определения более эффективного из предложенных способов регулирования подачи насосной установки необходимо:

Определить мощности приводного двигателя для двух вариантов: при изменении степени открытия крана и при изменении частоты вращения вала:

, Вт(2.20)


где Qк , Hк , hк - расход, напор и КПД рабочей точки насоса.

Определить снижение мощности приводного двигателя при более эффективном способе регулирования подачи насосной установки по формуле:

DN = ((Nб - Nм)/Nб)*100, %(2.21)

DN =((-)/)*100=22,375 %

где Nб и Nм - большее и меньшее значение мощности приводного двигателя, определенные для двух способов регулирования по формуле (2.20).

Вывод:

Видно, что регулирование подачи насосной установки изменением характеристики насоса более выгодна, чем изменением характеристик самой сети, так как в первом случае мы добились сокращение потребляемой электрической мощности насоса на 22,375%, что даст в будущем экономию капитальных затрат на оплату покупаемой электроэнергии, какого-либо предприятия.

Список литературы

1.  Черкасский В.М. Насосы, вентиляторы, компрессоры. - М.: Энергия, 1977.- 424 с.

2.      Поляков В.В. Скворцов Л.С. Насосы и вентиляторы. - М.: Стройиздат, 1990.- 336 с.

.        Шлипченко З.С. Насосы, компрессоры и вентиляторы.- Киев: Техника, 1976.-369 с.

.        Генбач А.А., Кибарин А.А. Тепловые двигатели и нагнетатели. Конспект лекций для студентов всех форм обучения специальности 050717 - Теплоэнергетика. А.: АИЭС, 2007. - 53 с.

.        Соколов А.И. Вспомогательное оборудование ТЭС. Насосы и вентиляторы. Конспект лекций: А.: АИЭС, 2005. - 81 с.

6.      Генбач А.А., Жаркой М.С., Ходанова Т.В. Тепловые двигатели и нагнетатели. Часть 1. Методические указания к выполнению лабораторных работ для студентов всех форм обучения специальности 050717 - Теплоэнергетика. А.: АИЭС, 2008. - 75 с.

.        Соколов А.И. Тепловые двигатели и нагнетатели. Часть 2. Методические указания к выполнению лабораторных работ для студентов всех форм обучения специальности 050717 - Теплоэнергетика. А.: АИЭС, 2008. - 38 с.

Похожие работы на - Расчет насосной установки типа 2К80-65-160

 

Не нашли материал для своей работы?
Поможем написать уникальную работу
Без плагиата!
Без нейросетей!