Разработка технического предложения на роботизированный технологический комплекс для сборки болта со втулкой

  • Вид работы:
    Контрольная работа
  • Предмет:
    Другое
  • Язык:
    Русский
    ,
    Формат файла:
    MS Word
    1,37 Мб
  • Опубликовано:
    2013-04-21
Вы можете узнать стоимость помощи в написании студенческой работы.
Помощь в написании работы, которую точно примут!

Разработка технического предложения на роботизированный технологический комплекс для сборки болта со втулкой















Контрольная работа

По дисциплине Автоматизация производственных процессов машиностроения

Разработка технического предложения на роботизированный технологический комплекс для сборки болта со втулкой

РЕФЕРАТ

 

РОБОТИЗИРОВАННЫЙ ТЕХНОЛОГИЧЕСКИЙ КОМПЛЕКС, АВТОМАТИЗАЦИЯ, ПРОМЫШЛЕННЫЙ РОБОТ, ЗАГРУЗОЧНОЕ УСТРОЙСТВО, РЕЗЬБОЗАВЁРТЫВАЮЩАЯ ГОЛОВКА, УСТРОЙСТВО УПРАВЛЕНИЯ, АЛГОРИТМ РАБОТЫ, ЭЛЕКТРОСХЕМА СОЕДИНЕНИЙ.

Целью данного проекта является разработка технического предложения на роботизированный технологический комплекс для сборки болта и втулки. В результате выполнения курсового проекта были решены следующие вопросы: выбрано основное технологическое и спроектировано периферийное оборудование для осуществления процесса сборки, реализована работа РТК на основе предложенного программного обеспечения.

ВВЕДЕНИЕ

роботизированный технологический комплекс алгоритм

В настоящее время важнейшей задачей, стоящей перед отечественной промышленностью, является автоматизация всех уровней производственного процесса. Одним из вариантов служит внедрение роботизированных технологических комплексов в сборочные производства. Это значительно увеличивает производительность труда, уменьшает количество брака и повышает культуру производства.

За последние годы в области автоматизации производства и проектирования промышленной продукции наиболее развитых стран мира получило широкое распространение понятие гибкости.

Для обеспечения технико-экономической эффективности производств такого типа требуются методы, средства и организационные мероприятия, обеспечивающие быструю, оперативную перестройку на новый вид продукции основных технологических, сборочных, транспортных, вспомогательных операций, процессов складирования материалов, комплектующих, полуфабрикатов, конечной продукции и процессов подготовки производства.

Для получения законченного цикла изготовления любого изделия в гибком автоматизированном производстве необходимо автоматизировать процесс сборки изделия. В этом случае гибкость обеспечивают промышленные роботы.

Структура сборочной операции определяется составляющими переходами: подача и ориентация, входной контроль, взаимная ориентация, сопряжение, относительная ориентация, контроль относительного расположения или сборочного процесса, закрепление деталей, контроль закрепления, съем или перемещение сборочной единицы.

Такое разнообразие переходов обуславливает при автоматизации сборки даже самой простой сборочной единицы создание комплекса сложных устройств, которые разрабатываются и применяются в различных отраслях машиностроения.

При использовании промышленных роботов решение этих вопросов упрощается, так как многие функции берут на себя роботы.

1. РАЗРАБОТКА РОБОТИЗИРОВАННОГО ТЕХНОЛОГИЧЕСКОГО ПРОЦЕССА

Сборочная единица, изображенная на рисунке 1.1, представляет резьбовое соединение двух деталей - болт и втулка. Габаритные размеры невелики, а значит и масса изделия мала. Допуски на изготовление даны по 14-му квалитету, кроме диаметра втулки - по 6-му квалитету точности. Фаски предусмотрены конструкцией втулки, что облегчает собираемость изделия. В процессе сборки необходимо предусмотреть контроль длины втулки - размер 15*.

Рисунок 1.1 - Сборочная единица.

Базовой деталью является втулка. Поверхности для базирования:

-    болта - нижний торец шляпки и ось;

-        втулки - нижний торец буртика и ось;

Способ автоматической сборки - упругое базирование. Осуществляется за счёт фаски предусмотренной на втулке. При сопряжении болт является «подвижной» деталью. Погрешности взаимной ориентации деталей могут быть велики. Схема техпроцесса сборки приведена на следующей странице.

Схема технологического процесса сборки


2. ВЫБОР ОСНОВНОГО ТЕХНОЛОГИЧЕСКОГО ОБОРУДОВАНИЯ

.1 Выбор оборудования для сопряжения деталей

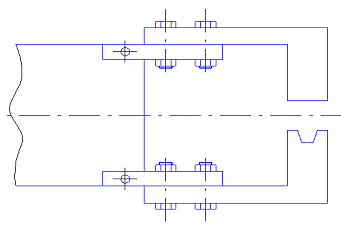
Для осуществления резьбового сопряжения деталей применяются резьбозавёртывающие головки. Для данного варианта используется одношпиндельная головка с наибольшим моментом затяжки 5 Н·м (Рисунок 2.1).

Все исполнительные механизмы одношпиндельной головки смонтированы на корпусе, установленном на колонне. Резьбозавертывающий механизм включает в себя пиноль, шпиндель, в гнезде которого установлен инструмент, и муфту с регулируемым предельным крутящим моментом. Привод подачи состоит из пневмоцилиндра и рычага, шарнирно соединённого со штоком пневмоцилиндра и пинолью. Установочный механизм состоит из винта с гайкой, червячной передачи и маховика. Привод главного движения включает электродвигатель и редуктор.

Головка обеспечивает завертывание деталей до заданного крутящего момента или на определенную глубину. Шпиндель с инструментом, получая вращение от привода главного движения и вместе с пинолью осевое перемещение от привода подачи, осуществляет завертывание детали. При завертывании детали на определенную глубину муфта предельного крутящего момента остается включенной, окончание хода шпинделя и пиноли регулируется регулируемым упором, по достижении которого шпиндель и пиноль автоматически возвращаются в исходное верхнее положение. Пиноль и шпиндель имеют постоянный ход, поэтому при изменении глубины завертывания корпус головки следует выставить на нужный размер по высоте при помощи установочного механизма.

Рисунок 2.1 - Головка типа 1 с наибольшим моментом затяжки 5,0 Н∙м:

- корпус; 2 - механизм резьбозавертывающий; 3 - привод подачи; 4 - механизм установочный; 5 - привод главного движения; 6 - колонна

.2 Выбор промышленного робота

Для подачи деталей на сборочную позицию и снятия готового изделия применяются различные промышленные роботы. Так как масса и габаритные размеры деталей и готового изделия невелики, а большое разнообразие перемещений в пространстве не требуется, то предлагается использовать промышленный робот МП-9С. Он состоит из пневматического манипулятора, устройства управления ЭЦПУ-6030, блока подготовки воздуха и соединительных кабелей. Его габаритные размеры и рабочая зона представлены на рисунке

.3 Техническая характеристика робота

грузоподъемность - 0,2 кг;

число степеней подвижности (без схвата) - 3;

погрешность позиционирования - ±0,05 мм;

система координат - цилиндрическая;

способ задания координат - по упорам; регулируемое выдвижение руки - 0-150 мм;

регулируемый подъём руки - 0-30 мм;

регулируемый поворот руки - 0-120°; тип привода - пневматический; масса - 40 кг.

 

Рисунок 2.2 - Промышленный робот МП-9С

Данный робот обеспечит требуемые параметры точности и грузоподъёмности при выполнении сборочного процесса, а также обеспечит компактность РТК.

3. РАЗРАБОТКА СТРУКТУРНОЙ СХЕМЫ РТК

Структурная схема РТК приведена на рисунке 3.1.

Рисунок 3.1 - Структурная схема РТК

На рисунке 3.2 приведены движения схватов роботов во время выполнения цикла сборки.

Рисунок 2.2 - Движение схватов роботов

Точки на схеме соответствуют следующим позициям:

1ый робот:                                                           2ой робот:

1 - начальная точка;                                          1 - начальная точка;

- точка захвата ориентированного болта;       2 - переходная точка перед захватом втулки;

- переходная точка;     3 - захват ориентированной втулки;

- переходная точка;                                           4 - точка возврата;

- переходная точка;                                           5 - переходная точка;

- установка болта в головку;         6 - контроль размера втулки;

- переходная точка;     7 - переходная точка;

- переходная точка;                                           8 - перходная точка;

- конечная точка;         9 - установка втулки на рабочую позицию;

                                                                  10 - переходная точка;

                                                                  11 - тара готовых изделий;

4. ПРОЕКТИРОВАНИЕ ПЕРИФЕРИЙНОГО ОБОРУДОВАНИЯ

.1 Выбор сборочного инструмента

Выбор инструмента для резьбозавёртывающей головки определяется видом стандартной резьбовой детали. В нашем случае для болта необходим инструмент изображённый на рисунке 4.1.

Рисунок 4.1 - Инструмент для резьбозавёртывающей головки

.2 Выбор автоматических загрузочных устройств


Рисунок 3.3 - Чаша вибробункера типа УСБЗ

Для загрузки болтов и втулок применяется один тип загрузочного устройства, отличаются они только размером паза А (Рисунок 2.3) : для болтов А=6 мм, для втулок А=9 мм. Он служит для ориентации деталей в процессе движения по вибробункеру к схвату (Рисунок 2.4).

Рисунок 2.4 - Ориентация болтов с помощью паза

.3 Выбор конструкции схватов промышленных роботов

На рисунке 4.2 приведена конструкция схвата, используемого в данной работе. Одна губка выполнена в виде призмы, вторая гладкая. Это необходимо и достаточно для закрепления и правильного базирования деталей в схвате.

Рисунок 4.2 - Схват робота

5. ПРОЕКТИРОВАНИЕ ПРИСПОСОБЛЕНИЯ ДЛЯ КОНТРОЛЯ

Для контроля длины втулки используется фотодатчик (рисунок 5.1). С одной стороны приспособления находится излучатель, с другой - приёмник, регистрирующий световой поток от излучателя. Между ними схватом устанавливается втулка, схват разжимается и происходит контроль: если световой поток определённой силы (размер втулки в пределах допуска), то схват зажимается и деталь поступает на сборку, в противном случае - если световой поток больше или меньше (размеры втулки соответственно меньше или больше допуска), то схват зажимается и деталь сбрасывается в тару брака.

Рисунок 5.1 - Фотодатчик

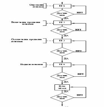
6. РАЗРАБОТКА АЛГОРИТМА РАБОТЫ РТК И ПРОГРАММЫ

.1 На основе последовательности техпроцесса сборки и особенностей работы промышленных роботов составляется алгоритм работы РТК, построенный в виде блок-схемы (Рисунок 5.1)




.2 Программа работы РТК:

Таблица 6.1 Программа работы РТК

№ шага

Устройство управления 1

Устройство управления 2


Верхнее поле

Нижнее поле

Верхнее поле

Нижнее поле

0

1

0

3

0

1

0

5

1

0

2

2

0

0

5

3

3

0

2

0

4

1

0

3

0

5

0

1

1

0

6

0

6

0

6

7

0

2

9

8

8

0

0

5

9

4

0

4

0

10

0

0

1

0

11

0

0

7

0

12

0

0

9

1

13

0

0

9

2

14

0

0

9

3

15

0

0

9

4

16

0

0

2

0

17

0

0

4

0

18

0

0

0

6

19

0

0

0

0

20

0

0

0

5

21

0

0

2

0

22

0

0

6

23

0

0

0

0

24

0

0

0

0

25

0

0

0

0

26

0

0

0

0

27

0

0

0

0

28

0

0

0

0

29

0

0

0

0


.3 Электросхема соединений

 
СПИСОК ИСПОЛЬЗОВАННОЙ ЛИТЕРАТУРЫ

1. Разработка технического предложения на роботизированный технологический комплекс для сборки изделий. Курсовая работа по дисциплине «Автоматизация производственных процессов машиностроения»: Методические указания / Сост.: Л.А. Вахрин, А.В. Оборин, К.А. Украженко, Ю.А. Тяпкин, С.В. Киселёв, А.Н. Волков; Яросл. гос. техн. ун-т. - Ярославль, 2004. - 98 с.

Похожие работы на - Разработка технического предложения на роботизированный технологический комплекс для сборки болта со втулкой

 

Не нашли материал для своей работы?
Поможем написать уникальную работу
Без плагиата!
Без нейросетей!