Проектування гідроприводу автоматизованого обладнання
1.
Завдання L1=0,3м; L2=0,5 м; G =1200H;
Q,хв=0,5;
Qy,хв=10;
. Циклограма роботи гідроприводу
Тривалість одного такту 150 секунд
Тривалість циклу 600 секунд
-ий такт гідроциліндр 1 здійснює прямий хід, гідроциліндр 2 нерухомий.
- ий такт гідроциліндр 1 нерухомий, а гідроциліндр 2 здійснює прямий
хід.
- ий такт гідроциліндр 1 зворотній хід, а гідроциліндр 2 нерухомий.
- ий такт гідроциліндр 1 нерухомий, а гідроциліндр 2 здійснює зворотній
хід.
Тривалість прямого і зворотного ходу для кожного з циліндрів - 75
секунд.
3 Вибір законів руху для вихідної ланки гідродвигунів, згідно з
розробленої
Циклограми.
Гідроциліндр 1:
Довжина переміщення виконавчого пристрою:
L1 = L2 +Ln +Li ,
гідропривід трубопровід
циклограма
L2 - довжина переміщуваної деталі
Ln - довжина перебігу, Ln = 0,03м
Li -довжина інтервалу між деиалями Li = 0,1м
L1 = 0,3+0,03+ 0,1=0,43
Оскільки перший гідроциліндр здійснює переміщення деталей, то
для запобігання значним інерційним зусиллям необхідно обмежити максимальну
швидкість. Тому для нього приймаємо трапецієдальний закон руху. Тривалість
такту 45 сек. Час розгону і гальмування 10 сек, Час руху 25 Швидкість V=0,0084 м/с . Прискорення розгону і
гальмування a=0,00037 м/с2.
Гідроциліндр 2.
Для нього приймаємо трикутний закон руху
L2 = L1 = 0,5 м
Швидкість V=0,0107м/с, прискорення розгону і
гальмування a=0,0003 м/с2
. Розрахунок зусилля для кожного такту циклограми
Зусилля яке повинен передавати гідроциліндр у пристрій при
прямолінійному русі:
=Fкор + Fін + G + Fтр
де F - зусилля, яке повинен розвивати гідроциліндр (F=Fц);кор
- зусилля, яке витрачається на технологічну дію (наприклад, зусилля різання);ін
- сила інерції рухомих мас;- вага рухомих елементів (враховується лише при
вертикальному переміщенні);тр - сумарна сила тертя
Гідроциліндр 1.
Fтр = f
G
G -вага
деталі
f-коефіцієнт
тертя 0,15
Маса деталі m=V
q=120 кг
Вага деталі G=1200 Н.
Сумарна сила тертя для 5 деталей
тр =0,15
Нін

.=
Fтр + Fін 
.
Гідроциліндр 2
Маса пристрою який переміщає гідроциліндр 2 складає приблизно 100 кг.
m = 145 кг, тоді
G=m
g=145
9,81=1422 Нтр =0,15
Н
=
Fтр + Fін 
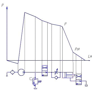
. Розроблення принципової схеми гідроприводу
В циклі роботи гідроприводу виникає необхідність регулювання швидкості
вихідної ланки гідродвигуна, тобто потрібно передбачити встановлення і
регулювання швидкості. Для цього використовують дросельне регулювання, Дроселі
встановлені на вході клапана гідроциліндра, а паралельно до них встановлені
зворотні клапани.
В принципову схему входять елементи:
Гідронасос;
Гідророзподілювачі;
Гідроциліндр;
Дроселі;
запобіжний клапан;
редукційний клапан;
Пневмогідроакамулятор;
Фільр;
Гідробак;
. Вибір номінального тиску гідропривода
Згідно рекомендацій приймаємо PH = 6,3 МПа.
7. Вибір робочої рідини
Вибираємо згідно зазначеного тиску який ми вибрали у попередньому
розділі.
Отже вибираємо Олію індустріальну И 40А з кінематичною в’язкістю
(0,35...0,45)104 м2/с.
. Вибір гідро двигунів
Одноштоковий гідроциліндр.
Через нерівність активної площі поршня з безштокової та штокової
сторони зусилля на штоку циліндра та його швидкість при прямому та зворотному
ходах різна
Зусилля (Fпр ) та швидкість (v пр ) штока циліндра при прямому ході :
К зап - коефіцієнт запасу (К зап =1,15...1,25);
- к.к.д. гідроциліндра;- витрати робочої рідини гідроциліндра (л/хв);
зусилля (Fзв ) та швидкість (vзв )
штока циліндра при зворотному ході :
;
Гідроциліндр 1
=1,3
=19,2 мм
Приймаємо що діаметр поршня D=25мм, а штока d=10 мм.
Q1=V1пр
S1=0.0084
=4,12
л/хв
Гідроциліндр 2
=1,3
=27 мм
Приймаємо що діаметр поршня D=32мм, а штока d=10 мм.
Q1=V1пр
S1=0,
0107
=8,6 л/хв
. Визначення витрат робочої рідини у гідроприводі
Розрахунок витрат робочої рідини під тиском здійснюється за визначеними
раніше значеннями витрат двигунів (Q дв ), з урахуванням об'ємних втрат у
гідроапаратах, які розташовані від насоса до двигуна, для визначення
продуктивності гідронасосу Q н ).за виразом
Q н =(Q дв +
Q вт ) max - у випадку, коли гідродвигуни одночасно не
працюють ін =(Q дв +
Q вт )+(Q дв +
Q
вт ) - коли хоча б в одному такті працюють одночасно;
де (Q дв +
Q вт ) max - найбільше значення об'ємних витрат одного
з гідродвигунів, враховуючи сумарні об’ємні втрати в гідродвигуні та
гідроапаратах (
Q вт ).
Q
вт =Q вт.дв + Q вт.ап ;
де Q вт.дв - об'ємні втрати в гідродвигуні, вказуються у технічній
характеристиці фірмою - виготівником, або визначаються
вт.дв =k вт Р;вт.дв =0,04 
см3/с.
де k вт - коефіцієнт об'ємних втрат, для гідроциліндравт =0,034...0,05
см3/с.вт ап.-обємні витрати в гідроапаратахвт ап.= 0,017
3/л
Q
вт=1,07+0,252=1,323 л/хв.
Обємні витрати на зливі визначаються:
S,V активна площа та швидкість елементу гідро двигуна при переміщенні
якого здійснюється об’єм робочої камери витісняється на злив
Гідроциліндр 1
При прямому ході:
Qпр=
=
При
зворотньому ході:
Qзв=
=
Гідроциліндр 2
При прямому ході:
Qпр=
=
При
зворотньому ході:
Qзв=
=
Побудуємо витратну характеристику, на які зобразимо витрати робочої
рідини на протязі кожного такту у продовж усього циклу.
Такт 1 Qпр=3,46
Такт 2 Qпр=
Такт 3 Qзв=
Такт 4 Qзв=
Витратна характеристика:
. Визначення діаметрів нагнітального та зливного трубопроводів
де Q max - максимальні витрати робочої рідини в циклі роботи
автоматизованого обладнання, визначаються за витратною характеристикою (м 3
/c);
Vр -
рекомендована швидкість переміщення робочої рідини (м/с).
Вибираємо із таблиці значення рекомендовані:
У нагнітальному Vр=3,2
У зливному Vр 1,5-2,5
Qmax=0,0000252
м3/с максимальні витрати робочої
рідини в циклі
=3,8мм
Визначений діаметр трубопроводу округлюють до найближчого з
нормалізованого ряду: 4, 6, 8, 10, 13, 15, 20, 25 мм.
Отже діаметр буде дорівнювати 4 мм.
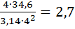
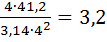
Визначаємо фактичні значення швидкості руху робочої рідини
Такт 1
=
Такт 2
=
Такт 3
=
Такт 4
=
|
Такт
|
1
|
2
|
3
|
4
|
|
Vp
|
2,7
|
6,1
|
3,2
|
11. Вибір гідроапаратів
Приймаємо гідроциліндри з односторонніми штоками по
ОСТ2Г1-1-73
Розподілювачі типу ВС (ГОСТ 24679-81), двопозиційні,
двоканальні, золотникового типу
Зворотні клапани типу Г-51-81(ТХ2-053-1649-83Е).
Діаметр умовного проходу - 8 мм
Розхід масла 16л/хв
Номінальний тиск 6,3 МПа
Мінімальний тиск 0,25 МПа
Втрати масла при номінальному тиску не більше - 0,08 см3/хв.
Маса 1,2 кг
Дроселі типу ПГ77-12(ТХ27-20-2205-72)
Діаметр умовного проходу 10мм
Розхід масла максимальний 20 л/хв., мінімальний 0,06 л/хв.
Номінальний тиск 6,3 МПа
Перепад тиску 0,25 Мпа
Втрати масла через повністю закритий дросель , не менше - 50
см3/хв.
Маса 4 кг
Фільтр зливний типу ФС
Номінальні втрати 25л/хв.
Номінальна точність фільтрації 25
Діаметр умовного проходу 20 мм
Маса 1,9 кг
. Визначення втрат тиску в трубопроводах та гідроапаратах
При переміщенні робочої рідини від гідронасосу до
гідродвигуна в результаті переборення сил тертя відбуваються втрати тиску. Для
забезпечення заданого значення тиску на вході у гідродвигун гідронасос повинен
компенсувати втрати, тобто тиск на виході гідронасоса має перевищувати заданий
тиск на величину втрат. Втрати тиску відбуваються у гідроапаратах та
трубопроводі. Тиск на виході гідронасоса визначається за виразом
Р н
=Р дв +Р вт.тр + S Р вт.ап + S Р місц
де Р дв - тиск робочої рідини, який необхідно подати на
гідродвигуна;
Рвт.тр - втрати тиску робочої рідини при переміщенні її по
трубопорводу;
Р вт.ап - втрати тиску робочої рідини при переміщенні її
через гідроапарат.
Р місц - місцеві втрати тиску робочої рідини на згинах та при
зміні прохідного січення трубопроводів (у даній роботі нехтуємо).
Для визначення втрат тиску в трубопроводах необхідно
визначити режим протікання рідини за числом Рейнольдса ( Re )
де Q max -
максимальні витрати робочої рідини через трубопровід, (л/хв);тр - діаметр
трубопроводу, (мм );
- в’язкість робочої рідини, ( 25 мм2 /с).
Якщо Re <2300 -
режим протікання рідини ламінарний, якщо Re>2300 - турбулентний.
Re=212000
=1823
Отже режим протікання
ламінарний тому рахуємо за формулою
Де L довжина трубопроводу і
дорівнює 3 м
=1,56 МПа
Втрати тиску в
гідроапаратах вказуються у його технічній характеристиці, або визначаються
Р вт.ап =0,03Р=1,56
Мпа
Тоді
P=6,3+1,56+0,046=8,97 МПа
Будуємо витратну
характеристику
13. Визначення ККД
гідроприводу
ККД є показником ефективності роботи гідроприводу,
характеризує степінь його оптимальності, і визначається за виразом який
визначає відношення суми добутку витрат, тиску робочої рідини та тривалості
всіх прямих та зворотних ходів всіх гідро Q н p н t циклу двигунів на протязі
циклу до аналогічного добутку параметрів гідронасоса, який працює на протязі
всієї тривалості циклу (t циклу ).
.
Qдв - витрати гідро двигуна
Pдв- тиск робочої рідини
Tдв -
тривалість усіх тактів
Qн - витрати рідини гідронасосу
Рн - тиск на виходи гідронасосу
Tциклу -тривалість
циклу
η=
.
Вибір гідроакумулятора
Гідроакумулятор встановлюється в гідросистему у випадках коли
необхідно:
- забезпечити швидке переміщення або обертання вихідної ланки
гідродвигуна під час холостих ходів, тобто, створити на певний заданий час
витрати робочої рідини більші ніж продуктивність гідронасоса;
забезпечити компенсацію втрат робочої рідини через ущільнення
при вимкненому або відлученому гідронасосі від гідродвигуна, для збереження у
ньому необхідної величини тиску;
здійснити погашення гідравлічних ударів та коливань тиску,
які виникають при зупинках, переключеннях та змінах навантаження ;
виконати функцію реле часу (у поєднанні з дроселем).
Вибір гідроакумулятора здійснюється за корисним об'ємом який
визначається з витратною характеристики .
Номінальний об'єм гідроакумулятора повинен перевищувати рівні
між собою об'єми зарядки та розрядки у продовж усього циклу.
При зарядці акумулятора Q a =Q н -Q дв
де Q a - витрати гідроакумулятора, Q н - продуктивність
гідронасоса, Qдв - витрати гідродвигуна.
Зарядка акумулятора може відбуватись при умові Qн>Qдв , у
протилежному випадку буде відбуватись його розрядка.
При розрядці акумулятора Q a +Q н =Q дв , при умові Q н <Q
дв .
При встановленому у гідропривод акумуляторі продуктивність
гідронасоса вибирається з витратної характеристики, з умови
V
роз =
V зар
де V роз - об'єм робочої рідини, який подається з гідроакумулятора у
гідросистему при розрядці;
роз=
(Qi ti -Qн ti )
Vзар=
23,2л
Qном=4,12
л/хв
15. Вибір гідронасоса
Вибираємо гідронасос з такими параметрами
Г12-33М
Робочий об’єм, см3 32
Номінальна продуктивність, л/хв. 27,9
Номінальний тиск, МПа 6,3
Потужність, кВт 3,7
К.К.Д. 0,9
Література
. В.К. Свешников “Станочние гидроприводи”
. Методичні вказівки до виконання курсової
роботи
З дисципліни “Гідропневмоавтоматика”