Проектування гідроприводу
Проектування
гідроприводу
Розрахунково-пояснювальна
записка
до
курсового проекту з дисципліни
«ВСТВ»
Виконав
ст.
гр. РТК-31 Маланчак П.П.
Керівник
ассистент
Сліпчук А.М.
Вступ
Виконання курсової роботи спрямоване
на закріплення студентами теоретичних знань, вивчення діючих систем допусків і
посадок, принципи їхньої побудови та методику застосування, що забезпечує
правильне практичне призначення допусків і посадок розмірів, норм точності
параметрів проектованих деталей машин, а також вибір відповідних технічних
засобів вимірювання для реалізації операцій контролю деталей.
Задача 1 Посадки
гладких циліндричних з’єднань
1. Для кожного з’єднання
виписати числові значення граничних відхилень отворів і валів (додатки 1,2).
2. Визначити характер та
систему з’єднання.
. Визначити числові значення
граничних розмірів, їхні допуски, граничні значення зазорів, натягів і допуск
посадки.
. Накреслити в довільному
масштабі схеми розташування полів допусків на вали і отвори для кожної посадки.
Зобразити на схемах значення всіх граничних діаметрів, відхилень, допусків,
зазорів і натягів.
. Для перехідної посадки
визначити ймовірність одержання зазорів і натягів, побудувати в довільному
масштабі криву нормального розподілу зазорів і натягів.
. Для перехідного з’єднання
відповідно до вимог ЄСКД виконати робоче креслення вала.
Розв’язання
1.1
Задано
гладке циліндричне з’єднання Ø75H7/h7.
1.1.1
Граничні
відхилення отвору та вала:
ES=0,
03 мм; EI=0
мм;
es=0
мм; ei=-0,
03 мм.
.1.2.Характер посадки та системи
посадки.
Характер посадки - посадка з
зазором. Система посадки - система
основного вала і отвору.
1.1.3
Граничні
розміри, допуски отвору та вала, посадки у з’єднання.
Граничні розміри деталей:
Допуск на діаметр отвору
Допуск на діаметр вала
Граничні посадки з’єднання:
найбільший зазор
найменший зазор
Допуск посадки
1.1.4
Розроблення
схеми розташування полів допусків деталей з’єднання
Ø75H7/h7
зображено
на рис 1.
Рис 1. Графічне зображення полів
допусків отвору і вала посдки Ø75H7/h7
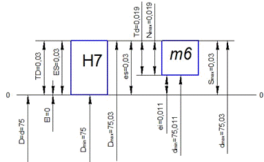
1.2 Задано гладке циліндричне
з’єднання Ø75H7/m6
1.2.1
Граничні
відхилення отвору та вала
ES=0,03
мм; EI=0
мм;
es=0,03
мм; ei=0,011
мм.
1.2.2
Характер
посадки та системи посадки
Характер посадки - посадка перехідна.
Система посадки - система основного отвору.
1.2.3
Граничні
розміри, допуски отвору та вала, посадки у з’єднання
Граничні розміри деталей:
Допуск на діаметр отвору
Допуск на діаметр вала
Граничні посадки з’єднання:
найбільший зазор
найменший натяг
Допуск посадки
1.2.4
Розроблення
схеми розташування полів допусків деталей з’єднання
Ø75H7/m6
зображено
на рис 2
Рис 2. Графічне зображення полів
допусків отвору і вала посадки Ø75H7/m6.
.2.5 Визначення ймовірності
одержання зазорів ш натягів. Побудова кривої нормального розподілу зазорів і
натягів
Найімовірніші зазори і натяги
отримуються за таких передумов - розсіювання відхилень розмірів отвору і вала,
а також зазору і натягу підпорядковуються закону нормального розподілу (закону
Гауса); допуск деталі визначається згідно з залежності T=6σ,
де σ - середнє
квадратичне відхилення.
Середні квадратичні значення
відхилень отвору, вала і посадки
Середні відхилення отвору та вала
отвір:
вал:
При середніх значеннях відхилень
розміру отвору і вала отримують середній натяг
Найбільший ймовірний натяг і зазор
Натяг може бути в межах від 0 до
,
зазор може бути в межах від 0 до
.
Аргумент функції Лапласа
Значення функції Лапласа для
аргументу Z
Ймовірність отримання натягу у
з’єднанні (враховується відповідність значення функції Лапласа ймовірності
отримання натягу в межах від 0 до
:
Ймовірність отримання зазору у з’єднанні
Схема імовірності розподілу зазорів
і натягів зображено на рис. 3.
Рис 3. Схема розподілу зазорів і
натягів посадки Ø75H7/m6.
1.3 Задано гладке циліндричне
з’єднання Ø75R7/h7
1.3.1
Граничні
відхилення отвору та вала:
ES=-0,032
мм; EI=-0,062
мм;
es=0
мм; ei=-0,03
мм.
.3.2
Характер
посадки та системи посадки
Характер посадки - посадка з
натягом. Система посадки - система основного вала.
1.3.3
Граничні
розміри, допуски отвору та вала, посадки у з’єднання.
Граничні розміри деталей
Допуск на діаметр отвору
Допуск на діаметр вала
Граничні посадки з’єднання:
найбільший натяг:
найменший зазор
Допуск посадки
1.3.4
Розроблення
схеми розташування полів допусків деталей з’єднання
Ø75R7/h7
зображено на рис. 4.
Рис 4. Графічне зображення полів
допусків отвору і вала посадки Ø75R7/h7
Задача 2.
Розрахунок
калібрів для контролю гладких циліндричних деталей
1. Вибрати схеми розташування
полів допусків калібрів для контролю деталей
з’єднання
і контр калібрів для контролю робочих калібрів скоб. Виписати необхідні для
розрахунку числові значення: H;
Z;
Y;
H1;
Z1;
Y1;
Hp;
2. Відобразити в довільному
масштабі схеми розташування полів допусків
калібрів для контролю деталей з’єднання
та контр калібрів.
. Підрахувати граничні і
виконавчі розміри всіх калібрів і контр калібрів, а також граничний розмір
зношування прохідних робочих калібрів.
. Виконати креслення робочих
калібрів - пробки і калібрів - скоби відповідно
до вимог ЄСКД. Якщо калібр є збірним - виконати складальне креслення,
специфікацію і креслення основних деталей.
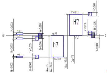
Розв’язання:
2.
З’єднання
Ø75
2.1 Вибір схеми розташування полів
допусків калібрів і контр калібрів, встановлення значень допусків, відхилень:
Робочі калібри-пробки
Робочі калібри-скоби і контр
калібри:
.2 Оформлення схеми розташування
полів допусків калібрів для контролю гладких циліндричних деталей з’єднання Ø75H7/h7
зображено на рис. 5.
Рис.5. Схема розташування полів
допусків калібрів для контролю деталей гладкого циліндричного з’єднання Ø75H7/h7.
.3 Граничні і виконавчі розміри
а). Розміри робочих калібрів-пробки:
Прохідний калібр-пробки
Виконавчий розмір -
Межа зношування прохідного калібру
Непрохідний калібр-пробка
Виконавчий розмір -
б). Розміри калібри-скоби:
Прохідний калібр-скоби:
Виконавчий розмір -
Межа зношування прохідного калібру -
Непрохідний калібр-скоба:
Виконавчий розмір -
в). розміри контрольних
калібрів-пробок:
Виконавчий розмір -
Виконавчий розмір -
Виконавчий розмір -
Задача 3. Посадки підшипників
кочення
1. Для заданого підшипника
визначити граничні відхилення зовнішнього і внутрішнього кілець(додаток 17).
2. Встановити види навантаження
кілець підшипника і розрахувати інтенсивність радіального навантаження.
. Призначити посадки
внутрішнього і зовнішнього кілець підшипника відповідно на вал і корпус
(додатки 18,19).
. Визначити граничні
відхилення розмірів вала і отвору корпусу (додатки 1,2).
. Накреслити в розрізі
підшипник кочення та схеми розташування полів допусків кілець підшипника, вала
і отвору корпусу.
. Визначити найбільший натяг
(для кільця підшипника, яке з’єднується за нерухомої посадки) і перевірити
правильність вибору посадки за величиною очікуваного радіального зазору в
підшипнику після його встановлення за місцем (додаток 20).
. Призначити шорсткість і
допуски відхилень форми і розташування циліндричних поверхонь деталей при
встановлені підшипника кочення на вал і в отвір корпусу(додаток 21).
. Виконати робоче креслення
стакана, в якому монтуються підшипники. Номінальні розміри визначити відповідно
до розмірів з’єднуваних поверхонь кілець підшипника та відповідних деталей. На
креслені вказати посадки, допуски розмірів, форми і розташування поверхонь та
їхню шорсткість.
. На робочому кресленні вала,
виконаного згідно з завданням 1, зобразити циліндричні шийки, які
використовуються для встановлення підшипника, вказати для них шорсткість,
номінальні розміри з допуском, а також допуски форми і розташування.
підшипник
вал циліндричний деталь
Розв’язання
. Вибрати посадки для кілець
радіального однорядного підшипника кочення 6-312 (клас точності - 6: d=60
мм, D=130
мм, В=31 мм, r=3,5
мм), якщо на опору з підшипником діє радіальне навантаження R=8
кН, постійне за напрямком, поштовхи і вібрація перенавантаження до 300%,
обертається вал.
.1 Граничні відхилення розмірів
внутрішнього і зовнішнього кілець підшипника
внутрішній діаметр: d=60
мм: верхнє відхилення - 0; нижнє відхилення - (-0,012) мм;
зовнішній діаметр: D=130
мм: верхнє відхилення - 0 мм; нижнє відхилення - (-0,015) мм.
.2 Вид навантаження кілець
внутрішнього - циркуляційне;
зовнішнього - місцеве.
Інтенсивність радіального
навантаження для внутрішнього кільця
де
-
коефіцієнти, що відповідають характеру навантаження і конструкції
підшипникового вузла
; b
- робоча ширина кільця підшипника
3.3 Вибір допуску циліндричних
поверхонь вала і отвору корпусу для встановлення підшипника
- для внутрішнього кільця при
допустимому значені
для інтервалу
діаметрів d=18-80
мм - допуск вала Ø60k6;
для зовнішнього кільця згідно з
рекомендаціями - допуск отвору Ø130Js7.
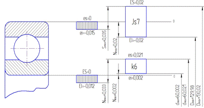
3.4 Uраничні
відхилення вала і отвору в корпусі
3.5. Hозроблення
схеми розташування полів допусків внутрішнього і зовнішнього кілець підшипника,
вала і отвору в корпусі зображено на рис. 6.
Рис 6. Схема розташування полів
допусків підшипника кочення, вала і отвору в корпусі
3.6 Поле допуску вала з полем
допуску отвору внутрішнього кільця підшипника утворюють нерухому посадку з
найбільшим граничним натягом
Граничні значення початкового
радіального зазору між тілами кочення і внутрішніми доріжками кочення кілець
підшипника
Прийняте значення початкового зазору
Ефективний натяг посадки
внутрішнього кільця на вал
Приведений зовнішній діаметр
внутрішнього кільця
Радіальний зазор після запресування
внутрішнього кільця на вал
Параметр g
- додатний, отже, після встановлення підшипника на місце очікується зазор між
тілами кочення та внутрішніми доріжками кочення кілець підшипника.
Допуск шийки вала для встановлення
підшипника вибраний правильно.
3.7 Допуск відхилень форми
- для внутрішнього кільця
- для зовнішнього кільця
Шорсткість відповідних циліндричних
поверхонь вала та отвору корпусу:
для вала -
для отвору в корпусі -
3.8 Розроблення робочого креслення
стакана для встановлення підшипника кочення (див. дод.)
Розміри стакана розраховуємо за
такими наближеними співвідношеннями
де h
- найменша висота упорного буртика для певного типорозміру підшипника
(допускається прийняти h=2r,
де r - радіус
заокруглення кільця підшипника); В - ширина кільця підшипника.
Задача 4. Посадки різьбових
метричних з’єднань
1. Виписати номінальні діаметри:
зовнішній (d = D),
середній (d2
= D2),
внутрішній (d1
= D1),
крок (P),
кут профілю (α = 600).
2. Виписати граничні відхилення
діаметрів болта та гайки.
. Розрахувати граничні
діаметри болта та гайки.
. Накреслити схеми
розташування полів допусків для кожного діаметра різьби, вказати на схемах всі
граничні діаметри, відхилення і допуски.
. Накреслити схеми
розташування полів допусків на різьбових профілях болта та гайки, вказати всі
номінальні діаметри, відхилення і допуски.
. Розрахунки внести до
таблиці.
Розв’язання
4. Задано з’єднання з метричною
різьбою M45
6H/6h
4.1 Номінальний розмір діаметрів
болта і гайки
- номінальний
зовнішній діаметр різьби болта і гайки;
- середні діаметри
різьби болта і гайки;
- внутрішні
діаметри різьби болта і гайки;
- крок різьби;
- кут профілю
різьби.
4.2 Граничні відхилення діаметрів
різьби:
Болт:
верхнє відхилення для
нижнє відхилення для
нижнє відхилення для
Гайка:
верхнє відхилення для
верхнє відхилення для
нижнє відхилення для
4.3 Розрахунок граничних розмірів
різьбових поверхонь
Болт:
западина
зовнішньої різьби не повинна виходити за межу, що визначається лінією
площинного зрізу, проведеного на віддалі
Рис. 7. Профіль та номінальні
розміри метричної різьби M45
6H/6h
Рис. 8. Схеми розташування полів
допусків діаметрів деталей різьбового з’єднання M45
6H/6h
Гайка:
не нормується;
4.4 Схема розташування полів
допусків на боковому профілі різьби болта і гайки
Рис. 9. Поля допусків на профілях
деталей різьбового з’єднань
M45 6H/6h.
.5
Результати
розрахунку граничних розмірів метричної різьби(див табл. 1.).
Табл. 1
Геометричні
параметри різьбових деталей
|
Назва деталі
|
Діаметр
|
Діаметр різьби, мм
|
Допуск, мм
|
|
|
номінальний
|
мінімальний
|
максимальний
|
|
|
Гайка
|
|
45
|
45
|
-
|
-
|
|
|
43,701
|
43,701
|
43,925
|
0,224
|
|
|
42,835
|
42,835
|
43,21
|
0,375
|
|
Болт
|
|
45
|
44,72
|
45
|
0,28
|
|
|
43,701
|
43,531
|
43,701
|
0,17
|
|
|
42,835
|
-
|
42,835
|
-
|
|
Болт і Гайка
|
|
260°
|
Задача 5. Посадки шліцьових з’єднань
1. Визначити номінальні розміри
шліцьового з’єднання, які не вказані в умові задачі (для евольвентного шліцьових
з’єднань розрахувати).
2. Призначити допуски розмірів
деталей евольвентного (див. завдання) шліцьового з’єднання і вибрати числові
значення граничних відхилень (для евольвентного шліцьового з’єднання додатки
28).
. Накреслити схеми
розташування полів допусків шліцьових деталей і вказати на них граничні розміри
та відхилення.
. Конструктивно оформити
шліцьовий переріз деталей з’єднання. Для заданого евольвентного з’єднання
зобразити ескіз нормального перерізу з’єднання з шліцьовими зубцями евольвентної
форми та проставити визначені розміри з граничними відхиленнями.
Розв’язання
5. Задано евольвент не шліцьове
з’єднання з центруванням за бічними сторонами зубців e(s)
посадкою
Параметри
шліцьового з’єднання: модуль m=2
мм, кількість зубців Z=26,
номінальний діаметр D=55
мм форму дна западин - плеската.
Номінальні розміри елементів деталей
евольвентного шліцьового з’єднання:
діаметр ділильного кола - 
зміщення вихідного контуру
діаметр основного кола
зубця вала та ширина западин втулки
діаметр кола западин втулки (при
плескатій формі дна западини)
діаметр кола вершин зубців втулки
діаметр кола западин вала (при
плескатій формі дна западин)
діаметр кола вершин зубців вала при
центруванні за бічними поверхнями зубців
коло граничних точок зубців втулки
коло граничних точок зубців вала
радіальне биття зубчастого вінця
евольвентного шліцьового вала -
.
Відхилення для e(s)
H
-
7h -
Відхилення для
-
Відхилення для
-
Відхилення для
-
Діаметр
обмежується
своїм максимальним значенням -
Взірець виконання схем розташування
полів допусків наведений на рис.10. Форма зубців з’єднання
з
визначеними
розмірами показано на рис.11.
Рис. 10. Схема розташування полів
допусків евольвентного шліцьового з’єднання
55х2х7H/7h
ГОСТ 6033-80
Рис. 11. Форма і розміри зубців
евольвентного шліцьового з’єднання 55х2х7H/7h
ГОСТ 6033-80
Задача 6. Спряження зубчастих коліс
1. Спроектувати шестерню та
виконати її робоче креслення.
2. Вибрати ступінь точності і вид
спряження зубчастих коліс.
. Відповідно до ГОСТ 2.403
призначити параметри для контрою точності зубчастих коліс.
. Визначити номінальні
розміри параметрів для контролю та допуски на встановлені параметри.
Роз’язання
Задано прямозубу зубчасту передачу з
зовнішнім зачепленням, яка застосовується у редукторах загального призначеннях.
Кількість зубців шестернім
, колеса
,
модуль m=6
мм, колова швидкість - 14
м/с.
Вихідний контур - стандартний.
Визначення конструктивних параметрів шестерні:
- діаметр
ділильного кола:
- діаметр
кола виступів:
- діаметр
кола западин:
- довжина
зуба (ширина шестерні) b
де ψ
- коефіцієнт довжини зуба.
Прийнято ψ=15,
одержимо
При цьому дотримуємося
співвідношення:
для
прямозубих передач.
Приймаємо число, найближче більше за
значенням з ряду нормальних чисел -
Діаметр отвору у маточині
визначається з меж
Тобто
приймаємо
З ГОСТ 23360 вибираємо для з’єднання
маточини шестерні з валом призматичну шпонку завширшки b=36
мм, заввишки h=20
мм; довжина шпонки l=100
мм, глибина шпонкового паза
Характер з’єднання
приймається нормальним, ширина паза в маточині шестерні виконується з допуском Js9.
Ступінь точності 6, тому що передача
працює в редукторах загального призначення, коригувати вибраний ступінь
точності за нормами кінематичної точності і плавності не доцільно.
Величину бічного зазору приймають “B”,
тому що при цьому виключають можливість заклинювання сталевої або чавунної
передачі від нагрівання при різниці температур колеса і корпуса, що не
перевищує 25˚С.
У результаті прийнято точність
зубчастих коліс - 6-В.
Контроль здійснюється за товщиною
зуба до постійної хорди
. Нормовані
значення становлять
Найменше відхилення товщини зуба -
допуск
та
допуск на радіальне биття зубчастого вінця
У таблиці робочого креслення
зубчастого колеса в рядку “Дані
для контролю…” записуємо:
постійна хорда зуба
мм. Висота до
постійної хорди
Допуски на інші
розміри встановлені за IT12.
Шорсткість робочої поверхні зубців
шорсткість
бічних сторін шпонкового паза
а дна -
Задача 7. Розрахунок розмірних
ланцюгів
1. Знайти на заданому рисунку
(рис.1 або рис.2) складові ланки, описати розмірний ланцюг та накреслити його
схему.
2. Визначити номінальний розмір
замикаючої ланки та її граничні розміри.
. Визначити можливі допуски
складових ланок способом одного квалітету, методами повної, а також неповної
взаємозамінності (додатки 37,38).
. Призначити стандартний
допуск кожної складової ланки (додаток40).
. Для методу повної
взаємозамінності перевірити умову не перевищення допуску замикаючої ланки
сумарним допуском складових ланок, а також умову забезпечення заданих граничних
розмірів замикаючої ланки при призначених максимальних та мінімальних розмірах
складових ланок.
. Для методу неповної
взаємозамінності перевірити умову не перевищення допуску замикаючої ланки
сумарним допуском складових ланок, та умову перевищення заданого процента
ризику для призначених допусків складових ланок розмірного ланцюга (додаток
36).
. Кінцеві результати занести
до таблиці і зробити відповідні висновки.
Розв’язання
7. Задано розмірний ланцюг із
замикаючою ланкою
, граничні
відхилення якої становлять
Відсотки
ризику:
Закон
розподілу похибок нормальний - λ=1/3.
7.1 Замикаюча ланка
-
це зазор між гайкою і кінцем болта. Зменшення замикаючої ланки
очікується
при збільшенні висоти гайки
висоти шайби
Тому
ланки
-
зменшувальні. Збільшення замикаючої ланки
очікується
при збільшення нарізуваної частини вала
Тому
ланка
-
збільшувальна.
Схему розмірного ланцюга зображено
на рис. 12.
Рис. 12. Схема розмірного ланцюга.
Допуски
розмірів
ланок із заданими граничними відхиленнями.
де
-
верхнє і нижнє граничне відхилення ланки
із
заданими (відомими) граничними відхиленнями;
Номінальний розмір замикаючої ланки
Граничні розміри замикаючої ланки
Допуск замикаючої ланки:
Розмір замикаючої ланки -
7.2
Визначення
квалітетів, допусків, основних і граничних відхилень складових ланок (спосіб
одного квалітету)
а) метод повної взаємозамінності.
Розрахункова кількість одиниць
допуску
де
-
одиниці допуску ланок
(
).
Найближчі квалітети IT9 для
та
IT10 для
.
Призначена точність складових ланок
Перевірка величини очікуваного
(фактичного) допуску замикаючої ланки
Перевірка величини очікуваного
(фактичного) допуску замикаючої ланки
Очікуваний (фактичний) допуск
замикаючої ланки менший від заданого
Квалітети
(допуски) призначені вірно.
Перевірка величини очікуваних
(фактичних) граничних відхилень замикаючої ланки:
верхнє відхилення
нижнє відхилення
Умови виконуються, очікувані
(фактичні) граничні відхилення замикаючої ланки знаходяться в заданих межах між
Основні
відхилення призначені вірно.
б) метод неповної взаємозамінності.
Процент ризику
Розрахункова кількість одиниць
допуску
Найближчі квалітети IT9 для
та
IT10 для
Основні відхилення на складові ланки
призначаємо аналогічними основним відхиленням, встановленим за методом повної
взаємозамінності. Точність складових ланок призначена такою
Перевірка величини очікуваного
(фактичного) допуску замикаючої ланки
Очікуваний (фактичний) допуск
замикаючої ланки менший від заданої
Квалітети
(допуски) призначені правильно.
Визначення дійсного значення
коефіцієнта
Очікуваний відсоток ризику
менший
від заданого відсотка ризику
Призначені допуски
забезпечують можливий вихід замикаючої ланки за встановлені граничні межі для
меншої кількості виробів відносно запланованої (заданої) кількості.
Відсоток ризику
Розрахункова кількість одиниць
допуску
Найближчі квалітети IT10 для
та
IT11 для
Основні відхилення на складові ланки
призначаємо аналогічними основним відхиленням, встановленим за методом повної
взаємозамінності. Точність складових ланок призначена такою
Перевірка величини очікуваного
(фактичного) допуску замикаючої ланки
Очікуваний (фактичний) допуск замикаючої
ланки менший від заданої
Квалітети
(допуски) призначені правильно.
Визначення дійсного значення
коефіцієнта
:
Очікуваний відсоток ризику
менший
від заданого відсотка ризику
Призначені допуски
забезпечують можливий вихід замикаючої ланки за встановлені граничні межі для
меншої кількості виробів відносно запланованої (заданої) кількості.
Табл. 2.
Результати
розрахунків розмірного ланцюга
|
Складова ланок
|
Точність ланок, мм
|
|
Позначення
|
Номінальний розмір, мм
|
Метод повної взаємозамінності
|
Метод неповної взаємозамінності
|
|
|
|
|
|
|
|
12
|
|
|
|
|
|
3
|
|
|
|
|
|
21
|
|
|
|
Список літератури
1.
Гаврилюк
В.І., Кукляк М.Л. Взаємозамінність, стандартизація і технічні вимірювання:
Навч. Посібник. - К.: УМК ВО, 1990. - 216 с.
.
Желязна А.О., Кирилович В.А. Основи взаємозамінності, стандартизації та
технічних вимірювань: Навч. Посібник. - Житомир: ЖІТІ,
2002. - 616 с.
.
Саранча
Г.А. Метрологія і стандартизація. - К.: Либідь, 1997. - 190 с.
.
Анурьев
В.Н. Справочник конструктора-машиностроителя: В 3-х т. - 6-е узд. - М.:
Машиностроение, 1982.
.
Допуски
і посадки: Справочник: В 2-х ч. / Под ред. В.Д.Мягкова. - 6-с узд. Л.:
Машиностроение, 1982.