Проектирование опоры шасси самолёта
Проектирование
опоры шасси самолёта
1. Определение расчетных
нагрузок, действующих на шасси
Для определения расчётных нагрузок,
действующих на шасси, необходимо задаться прототипом самолёта. После
рассмотрения механизмов уборки и выпуска шасси отечественных самолетов за
прототип, для которого можно применить заданный механизм, возьмем самолет
Ил-12.
Во время работы на шасси действуют
следующие силы:
а) сила полезного
сопротивления
,
кН (задаётся согласно варианту);
б) сила тяжести
самолёта, приходящаяся на данную опору
, кН;
в) боковая сила Т, кН.
Распределение общего
веса самолета по опорам шасси показано на рисунке 1.
Рисунок 1
Исходным данным является
максимальная взлетная масса самолета Ил-12
Центр тяжести (ц.т.)
самолёта расположен приблизительно на 25% от средней аэродинамической хорды
(САХ), и находится на расстоянии
от оси носовой опоры
шасси. Тогда расстояние от оси колеса основной опоры до вертикальной оси,
проходящей через ц.т. самолета
Распределение веса
самолета для носовой стойки шасси
, кН вычисляется по
формуле (1):
(1)
Отсюда
Расчётная сила
,
кН полезного сопротивления определится по формуле (2):
(2)
где n - коэффициент перегрузки, который
мы принимаем равным n = 4;
f - коэффициент безопасности, который мы принимаем равным f = 1,75.
Расчетная массовая
нагрузка
,
кН определится по формуле (3):
(3)
Расчётная боковая
нагрузка
,
кН на опору вычисляется по формуле (4):
(4)
Следовательно, подставив в формулы
(2), (3), (4) необходимые значения, в результате проектируемая стойка будет
нагружена системой сил:
2. Определение диаметра
штока и диаметра цилиндра
2.1 Расчёт на изгиб
Расчётная схема для штока
проектируемой стойки представлена на рисунке 2. Для расчёта на изгиб необходимо
определить максимальный изгибающий момент М, кН действующий в сечении балки,
для чего сначала в точках С’, B’ находятся реакции опор RС’, кН и RB’, кН от расчетной силы полезного сопротивления PP, кН.
Для штока рассчитаем реакции опор.
Для этого, относительно точки С’, рассмотрим сумму моментов равную нулю по
формуле (5.1):
(5.1)
Отсюда
Для нахождения реакции в
точке С’ составим сумму сил относительно оси Y
по формуле (5.2):
(5.2)
Отсюда
Построим эпюры
поперечных сил и изгибающих моментов. Построение будем вести методом сечений.
Для этого разобьём балку на два участка.
Эпюра поперечных сил:
I
участок:
II
участок:
Эпюра изгибающих
моментов:
I
участок:
II
участок:
Рисунок 2
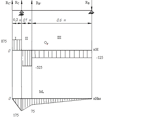
Расчётная схема для цилиндра
проектируемой стойки представлена на рисунке 3. Для расчёта на изгиб необходимо
определить максимальный изгибающий момент М, кН действующий в сечении балки.
Цилиндр стоит на опорах в точках С и B соответственно реакции RC, кН и RB, кН, но также необходимо учесть реакции опор со штока RC’, кН и RB’, кН.
Для цилиндра рассчитаем реакции
опор. Для этого, относительно точки C, рассмотрим сумму моментов равную нулю по формуле (6.1):
. (6.1)
Отсюда RB = - 125 кН.
Для нахождения реакции в
точке C составим сумму
сил относительно оси Y
по формуле (6.2):
(6.2)
Отсюда RC = - 1350 кН.
Построим эпюры
поперечных сил и изгибающих моментов. Построение будем вести методом сечений.
Для этого разобьём балку на три участка. В итоге получим результат,
представленный на рисунке 3.
Рисунок 3
2.2 Определение диаметра
штока
Длина штока равна 0,5 м. По
максимальному изгибающему моменту M, кН определим диаметр штока по формуле (7):
(7)
где
-
предел прочности материала, МПа,
Материал конструкции -
сталь 30ХГСА.
В результате получим
диаметр штока равный d
= 42 мм.
2.3 Определение диаметра
цилиндра амортизатора
Цилиндр амортизатора имеет трубчатое
поперечное сечение. Максимальное значение изгибающего момента в цилиндре M = 175 кНм. Внешний и внутренний
диаметр цилиндра определим по формулам (8) и (9):
, (8)
, (9)
где d - внутренний
диаметр цилиндра, мм;
D
- внешний диаметр цилиндра, мм;
- предел
прочности материала, МПа.
Зададимся
Диаметры цилиндра будут
равны D = 64 мм, d
= 50 мм.
Для новых округленных
параметров цилиндра 
(10)
Тогда получим WX = 205,8
10-6
м3.
По следующей формуле
(11) находим напряжения
. (11)
В результате получим
В данном случае наблюдается
недогруз штока, т.е. размеры штока удовлетворяют условиям устойчивости. Цилиндр
стойки проверять на перегруз не имеет смысла, так как размеры его сечения
выбраны заведомо больше потребных.
2.4 Проверка на
устойчивость
Проверка штока на
устойчивость сводится к определению критической силы
кН,
при которой шток потеряет устойчивость. Критическая сила находится по
формуле (12):
(12)
где Е - модуль упругости
материала, МПа, Е = 2
105
МПа;
- момент инерции
сечения, мм4;
l
- длинна штока, мм;
μ -
коэффициент приведения длинны, зависящий от условий закрепления стержня.
На рисунке 4
представлена схема нагружения стержня.
Рисунок 4
По справочнику [1] для
данных условий закрепления стержня выбираем
Момент инерции сечения Ix, мм4 рассчитывается по
формуле (13):
, (13)
где D - диаметр штока,
мм.
Тогда Ix = 257,2
10-4
мм4. Подставив все значения в формулу (12), получим Pкр = 3709,5 кН.
Так как значение
критической силы значительно превышает вес самолета, то шток с диаметром
расчетного значения не потеряет устойчивость.
3. Определение
поперечного сечения подкоса
Проектируемый подкос является
элементом трубчатого поперечного сечения. В данной схеме подкос работает на
растяжение.
Схема нагружения подкоса
представлена на рисунке 5:
Рисунок 5
Усилие
,
кН которое действует на подкос, можно определить из условия (формула (14)):
(19)
где
-
реакция в точке С, кН.
Тогда получим
Выберем для подкоса
трубчатое поперечное сечение. Вычислим площадь поперечного сечения подкоса F,
мм2 по формуле (15):
, (15)
где
-
предел прочности материала, кг / см2;
- площадь поперечного
сечения подкоса, мм2.
Для стали 30ХГСА примем
кг
/ см2. Исходя из условия (15), определим внешний D, мм и внутренний d,
мм диаметры для подкоса по формуле (16):
(16)
Откуда
мм,
мм.
4. Определение
поперечного сечения раскоса
Стойка шасси имеет два
раскоса трубчатого поперечного сечения. Расчет ведется от действия боковой силы
и веса, приходящегося на проектируемую стойку шасси. При расчете следует задаться
углом
(угол
между раскосом и стойкой шасси). По статике принимается
.
На раскосы передаются
усилия Gp = 92,4 кН, Tp
= 27,72 кН.
Считается, что на
устойчивость и боковой изгиб стойка работает вместе с верхней частью как одно
целое. Максимальное значение изгибающего момента М, кНм от силы Tp, кН высчитывается по формуле (17):
(17)
где ОD - высота всей стойки шасси,
м.
Тогда получим М = 40,194
кНм. При наличии раскосов в них будет возникать реакция R, кН, которая вычисляется по формуле (18):
(18)
где h - ширина крепления раскосов,
м.
В результате R = 33,495 кН.
Находится максимальное
усилие в раскосе
,
кг по формуле (19):
. (19)
Получим SN = 9160 кг. Далее
ведется подбор поперечного сечения. В результате мы определили внешний D = 25 мм и внутренний d = 15 мм диаметры для раскоса.
5. Расчёт оси колеса
Наибольшую составляющую нагрузки на
ось колеса составляет вес самолёта. Всю конструкцию можно рассматривать как
консольную балку. Шасси имеет два колеса. Схема нагружения и эпюра изгибающего
момента представлена на рисунке 6.
Рисунок 6
Ось колеса представляет собой балку
сплошного круглого сечения. Диаметр оси будет определяться из условия на изгиб.
Определяются диаметры на участке А и на участке В. Для участка А Мизг
= 21,26 кНм, а для участка В Мизг = 53,85 кНм. Рассчитываются
диаметры по формуле (20):
(20)
В итоге получим диаметры
для участка А - D = 54 мм, для участка В
- D = 74 мм.
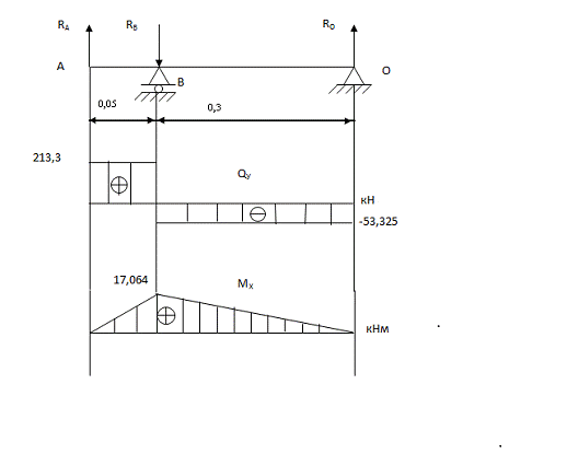
6. Участок АО
На участке АО стойка
шасси представляет собой элемент трубчатого поперечного сечения. На рисунке 7
представлена схема для расчеса участка АО. Стойка нагружена реакцией
,
кНм в точке А.
Рисунок 7
Максимальный изгибающий
момент будет равен М = 17,064 кНм.
Тогда внешний диаметр D
= 150 мм и внутренний d = 110 мм.
7. Расчет проушины
крепления подкоса к стойке шасси
Проушина подкоса -
подвижное соединение. Она нагружена реакцией
кН. Данную проушину
целесообразнее изготовить типа «ухо-вилка». В таком случае число среза
плоскостей m=2, предел прочности материала
кг/см2. Чертеж проушины представлен на рисунке 7.
Рисунок 7
Из условия работы на
срез, потребный диаметр d, мм болта определяется по формуле (21):
где
-
предел прочности материала, кг/см2.
Отсюда принимается ближайший
стандартный диаметр болта d = 42 мм.
Из условия смятия
проушины, её ширина
,
мм вычисляется по формуле (22):
, (27)
где
-
коэффициент учитывающий степень подвижности соединения.
Для данной проушины
принимается
.
Тогда получим а = 31 мм. Зададим отношение
, тогда высота проушины
мм.
Параметр х, мм найдем по
формуле (28):
. (28)
Отсюда получим х = 21
мм. Примем
,
тогда
мм.
8. Проектирование цапфы
С помощью цапф производится
навешивание траверсы со стойкой на конструкцию самолёта. Цапфа представляет
собой элемент конструкции сплошного круглого поперечного сечения. В процессе
эксплуатации шасси, цапфы работают на срез. Исходя из условия работы цапф на
срез, будет определяться диаметр цапф. Срезающей нагрузкой в данном случае
является Gp / 2 и добавка от боковой силы Tp / 2. По данной нагрузке и
производят расчет диаметра цапф.
Из условия (29) определяем диаметр
цапф:
, (29)
где d - диаметр проектируемой цапфы.
Подставив все необходимые значения в
приведенную выше формулу (29), определяется R = 15 мм. Следовательно, принимаем
диаметр цапфы d = 30 мм.
9. Проектирование
траверсы
шасси шток самолет опора
Траверса предназначена для крепления
стоек к узлам подвески на самолете. Конструкция траверсы может иметь различные
схемы. В данном случае принимаем к расчету траверсу следующего вида (рисунок
8):
Рисунок 8
Строим эпюру изгибающих моментов от
заданных нагрузок (рисунок 8). Далее производим расчёт в сечениях I, II, III и подбираем их
геометрические размеры.
Сварной шов А связывает стойку и
траверсу. Длина шва L = 540 мм. Площадь шва определится из условия (30):
(30)
После подсчётов получается F = 7,3 см2. Катет шва с =
9,08 мм.
9.1 Подбор поперечного
сечения I
В данном месте траверса имеет
поперечное сечение следующего вида (см. рисунок 9).
Рисунок 9
Диаметр отверстия под цапфу был
рассчитан ранее (п. 8). Определяем оставшиеся размеры рассматриваемого сечения.
Нормальные напряжения в этом случае минимальны, а преобладают касательные.
Пусть b=50 мм, h=76 мм. Далее проверяем данные размеры.
F = 36,46 см2.
τ =
500 кН/см2.
Следовательно, данное сечение
удовлетворяет приложенным нагрузкам.
9.2 Подбор поперечного
сечения II
В данном месте траверса имеет
поперечное сечение вида двутавр. В рассматриваемом сечении значение Мизг
= 25,8 кНм. Из следующего условия (31) определяют Wx:
, (31)
Тогда Wx = 18,4 см3.
Следовательно, удовлетворяет поперечное сечение в виде двутавра (рисунок 10) из
материала Сталь 30ХГСА со значением Wx = 18,4 см3. В результате подбора размеров поперечного
сечения двутавра принимаем H = 100 мм, В = 90 мм.
Рисунок 10
9.3 Подбор поперечного
сечения III
В данном месте траверса также имеет
поперечное сечение вида двутавр. В рассматриваемом сечении значение Мизг
= 13,2 кНм. Из условия представленного выше (п. 9.2) определяют Wx = 9,4 см3.
Следовательно, удовлетворяет
поперечное сечение в виде двутавра из материала Сталь 30ХГСА со значением Wx = 9,4 см3.
Все геометрические размеры выбираются аналогично. В итоге получаем H = 70 мм, В = 70 мм.
Заключение
В результате курсового проекта по
заданным параметрам была спроектирована стойка шасси. Она состоит из штока и
цилиндра амортизатора, образующих амортизационную стойку, к которой крепятся
раскосы, подкос и траверса с цапфами. Подкос и раскосы крепятся к стойке и
конструкции самолета с помощью проушин. По результатам расчётов были подобраны
сечения штока, цилиндра амортизатора, раскосов, подкоса, оси, а также
спроектированы проушины и поперечные сечения траверсы. Ось колеса крепится
сваркой к штоку. Произведен расчет штока на потерю устойчивости.
Составлен чертёж механизма уборки и
выпуска шасси, узел данного механизма и деталировка данного механизма.
Список литературы
1 Справочник по сопротивлению материалов / Писаренко Г.С., Яковлев
А.П., Матвеев В.В., Отв. ред. Писаренко Г.С. - 2-е изд., перераб. и доп. -
Киев: Наук. думка, 1988. - 736 с.
Проектирование конструкций самолётов / Гребеньков О.А., Гоголин
В.П., Осокин А.И., Снигирев В.Ф., Шатаев В.Г., Под ред. проф. Гребенькова О.А.
Казань: Изд-во Казан. гос. техн. ун-та, 1999. - 320 с.
Марочник сталей и сплавов / Сорокин В.Г., Волосникова А.В., Вяткин
С.А. и др.; Под общ. ред. Сорокина В.Г. - М.: Машиностроение, 1989. - 640 с.
Орлов П.И. Основы конструирования: Справочно-методическое пособие.
В 2-х кн. Кн. 2. Под ред. П.Н. Учаева. - 3-е изд., исправл. - М.:
Машиностроение, 1988. - 544 с.: ил.
Шульженко М.Н. Конструкция самолетов / М.Н. Шульженко - 3-е изд.,
перераб. и доп. - М.: Машиностроение, 1971. - 416 с.