Содержание дорог в зимний период
Введение
Курсовой проект по дисциплине «Эксплуатация дорог» посвящен
решению одного из основных вопросов эксплуатации дорог, а именно содержанию
дорог в зимний период.
Зимнее содержание представляет собой комплекс мероприятий,
которые должны обеспечивать бесперебойное и безопасное движение автомобилей с
высокими скоростями и нагрузками, соответствующими требованиям, установленным в
Технических правилах ремонта и содержания автомобильных дорог.
Для выполнения указанных требований дорожная эксплуатационная
служба должна обеспечить высокий уровень зимнего содержания дорог, основными
показателями которого являются: ширина чистой от снега и льда поверхности
дороги; толщина слоя рыхлого снега на поверхности дороги, накапливающегося с
момента от начала снегопада или метели до начала снегоочистки и в перерывах
между проходами снегоочистительных машин; толщина уплотненного слоя снега
(снежного наката) на проезжей части и обочинах; сроки очистки дороги от снега и
ликвидации гололёда и зимней скользкости.
Зимний период года является самым сложным для эксплуатации
дорог и организации движения. Продолжительность этого периода колеблется от 20
суток в южных районах до 260 суток в северных районах России. Состояние
поверхности дорог и условия движения зимой формируются под влиянием
отрицательной температуры воздуха, ветра, снегопада, метели, гололёда и
ограниченной метеорологической видимости, а также сочетания этих факторов. В
горных районах самым опасным зимой является образование и сход снежных лавин.
В состав работ по зимнему содержанию
входят следующие виды работ:
- уход за постоянными снегозащитными
сооружениями;
- устройство снегомерных постов
необходимых для изучения работы автомобильных дорог и дорожных сооружений в
зимних условиях;
заготовка, установка, перестановка, уборка
и восстановление временных снегозадерживающих устройств (щитов, изгородей,
сеток и др.), сигнальных вех; формирование снежных валов и траншей для
задержания снега на придорожной полосе и их периодическое обновление;
механизированная снегоочистка, расчистка
автомобильных дорог от снежных заносов, борьба с зимней скользкостью, уборка
снежных валов с обочин;
профилирование и уплотнение снежного
покрова на проезжей части автомобильных дорог с переходным или грунтовым
покрытием;
- погрузка и вывоз снега в пределах
населенных пунктов;
распределение противогололедных материалов
при борьбе с зимней скользкостью;
регулярная очистка от снега и льда
элементов обустройства (в том числе автобусных остановок, павильонов, площадок
отдыха, берм дорожных знаков, ограждений и других объектов);
очистка от снега и льда элементов
мостового полотна, а также зоны сопряжения с насыпью, подферменных площадок,
опорных частей, пролетных строений, опор, конусов и регуляционных сооружений,
подходов и лестничных сходов;
- круглосуточное дежурство
механизированных бригад для уборки снега и борьбы с зимней скользкостью,
патрульная снегоочистка;
устройство, поддержание в чистоте и
порядке зимних автомобильных дорог (автозимников);
обслуживание и восстановление баз хранения
противогололёдных материалов и скважин для добычи природных рассолов,
приготовление противогололёдных материалов, поддержание в чистоте и порядке
подъездов к базам хранения противогололёдных материалов и скважинам для добычи
природных рассолов;
поддержание в чистоте и порядке
автоматических систем раннего обнаружения и прогнозирования зимней скользкости,
а также автоматических систем распределения противогололёдных материалов на
развязках в разных уровнях и искусственных сооружениях;
закрытие отверстий водопропускных труб
осенью и открытие их весной, очистка водопропускных труб от снега, льда, мусора
и посторонних предметов;
борьба с наледями на автомобильных
дорогах, в том числе у искусственных сооружений;
проведение противолавинных мероприятий,
уборка лавинных отложений;
- устройство, поддержание в чистоте и порядке ледовых
переправ.
В процессе выполнения курсовой работы необходимо решить
следующие задачи:
проанализировать природно-климатические условия работы
автомобильной дороги в зимний период;
выявить снегозаносимые участки, определить объемы
снегоприноса, определить способы снижения снегозаносимости;
разработать и обосновать выбор мер защиты дороги от снежных
заносов;
назначить технологию патрульной очистки снежных отложений;
определить материал и средства борьбы с зимней скользкостью;
разработать график зимнего содержания участка автомобильной
дороги.
1. Характеристика района проложения трассы
.1 Географическое
положение
Территория Чувашской Республики составляет 18,3 тыс. км2.
Республика расположена в восточной части Восточно-Европейской равнины на правом
берегу р. Волги, между притоками Суры и Свияги. На западе граничит с
Нижегородской областью, на севере - с Республикой Марий Эл, на востоке - с
Республикой Татарстан, на юге - с Ульяновской областью, на юго-западе - с
Республикой Мордовия.
1.2 Климат
Чувашская республика расположена в III дорожно-климатической
зоне. III-я дорожно-климатическая зона благоприятна для строительства
автомобильных дорог и земляного полотна, характеризуется переменными условиями увлажнения
грунтов.
Лето теплое: среднесуточная температура воздуха наиболее
жаркого месяца (июля) составляет + 190С; зимы умеренные со
среднесуточной температурой наиболее холодного месяца (января) - 120С.
Отрицательные температуры воздуха бывают с ноября до марта, а
расчетная длительность периода отрицательных температур (менее 80С)
составляет Т3= 180 суток.
Абсолютный максимум температуры воздуха в году достигает +380С,
а минимум -460С. Следовательно, амплитуда температуры воздуха
составляет 790С. Годовая среднесуточная температура воздуха бывает:
в июле - максимальная +190С, а минимальная в январе -10,80С.
Для Чувашской республике преобладающее направление и скорость
ветра зимой - западное, а летом - юго-западное. Из этого вытекает необходимость
снегозадерживающих мероприятий при направлении трассы с севера на юго-восток. В
летний период устойчиво преобладает ветер северо-западного направления и
западного.
Табл. 1. Повторяемость и скорость ветра по направлениям
|
Чувашская
республика
|
Повторяемость
ветра в%
|
|
Скорость ветра,
м/сек
|
|
С
|
СВ
|
В
|
ЮВ
|
Ю
|
ЮЗ
|
З
|
СЗ
|
|
январь
|
7
|
6
|
6
|
17
|
27
|
12
|
15
|
10
|
|
3,3
|
2,6
|
2,7
|
4,1
|
4,6
|
3,8
|
3,3
|
3,3
|
Табл. 2. Среднемесячная и среднегодовая
температура воздуха
Месяц
|
|
I
|
II
|
III
|
IV
|
V
|
VI
|
VII
|
VIII
|
IХ
|
Х
|
ХI
|
ХII
|
Год
|
|
Температура, Сº
|
-12,4
|
-10,7
|
-5,1
|
4,3
|
12,6
|
16,6
|
18,8
|
16,6
|
10,6
|
3,1
|
-3,4
|
-9,1
|
3,7
|
Табл. 3. Среднемесячное и среднегодовое
количество осадков
|
Пункт
наблюдения Чебоксары
|
Месяц
|
|
I
|
II
|
III
|
IV
|
V
|
VI
|
VII
|
VIII
|
IХ
|
Х
|
ХI
|
ХII
|
Год
|
|
Осадки, мм
|
33
|
28
|
27
|
36
|
40
|
66
|
70
|
64
|
54
|
53
|
44
|
38
|
554
|
Рис. 1. Дорожно-климатический график
1.3 Гидрологические
условия
Реки: Волга; притоки Сура (бассейн Волги) - Б. Цивиль.
Почва главным образом дерново-подзолистые встречаются почвы
болотного типа, по долинам рек - аллювиальные. Дерново-подзолистая почва
пригодна для рекультивации земель и укрепления откосов земляного полотна.
1.4
Инженерно-геологические условия
На территории Чувашской республики имеются разнообразные
полезные ископаемые нерудного происхождения. Наибольшее промышленное значение
имеют известняки, гравий, пески. Для строительства проектируемого участка
дороги предусматривается использование каменного, песчано-гравийного и
песчаного карьеров. Запасы материалов в месторождениях достаточные для
строительства участка дороги. По своим свойствам материалы пригодны для
использования их в слоях дорожной одежды.
1.5 Растительность и
почвы
В Чувашской республике леса занимают более 1/3 территории
области. Большие площади заняты лугами, свыше 30 тыс. Га занимают болота.
Основная лесообразующая порода - сосна. Из
лиственных пород распространены береза, осина, реже дуб, липа, клен. Древесные
и кустарниковые породы пригодны для снегозащитного и декоративного озеленения.
1.6 Экономическая
характеристика района прохождения трассы
Чувашская республика представляет собой
экономический административный район. В настоящее время это крупный
железнодорожный узел, научно-технический центр с развитой промышленностью.
Развита, отрасли промышленности: машиностроение, металлообработка,
деревообработка, текстильная промышленность, производство строительных
материалов.
Имеются предприятия мукомольные, маслосыроваренные и др.
предприятия пищевой промышленности. В Порецком, Алатырском районах ведут
разработку известняков.
2.
Расчёт снегоприноса к дороге
Табл. 4. Климатические параметры требуемые для расчёта
снегоприноса
|
Месяцы
Параметры
|
11
|
12
|
1
|
2
|
3
|
|
Vв, м/с
|
4,2
|
4,1
|
4,1
|
3,9
|
3,6
|
|
hсн, мм
|
29
|
58
|
124
|
121
|
139
|
|
hгл. промерзания, м
|
0,5
|
1,8
|
2,1
|
1,8
|
1,5
|
Найдём среднею скорость ветра за зимний период по формуле
(1):
Общий объём снегоприноса за сезон будет равен по формуле (2-3):
Q=c*V3*t; (2)
= 24*n*tcр = 24*30*10=7200 ч (3)=0,00031*3,98*5760=140,72 м3/мп
Рассчитаем снегопринос по каждому направлению ветра за зимний
период:
qc =140,72 *0,07=11,257 м3/мп;
qcв =140,72 *0,06=8,443 м3/мп;
qв =140,72
*0,06=8,443 м3/мп;
qюв =140,72
*0,17=23,922м3/мп;
qю =140,72
*0,27=37,993 м3/мп;
qюз =140,72
*0,12=16,886 м3/мп;
qз =140,72
*0,15=21,107 м3/мп;
qсз =140,72
*0,10=14,072 м3/мп.
Сводная ведомость снегоприноса по направлениям ветра представлена
(табл. 5).
Табл. 5. Сводная ведомость снегоприноса по направлениям ветра
|
Напр. ветра
Параметры
|
С
|
СВ
|
В
|
ЮВ
|
Ю
|
ЮЗ
|
З
|
СЗ
|
∑
|
|
повторяемость,
%
|
7
|
6
|
6
|
17
|
27
|
12
|
15
|
10
|
100%
|
|
qi, м3/мп
|
11,257
|
8,443
|
8,443
|
23,922
|
37,993
|
16,886
|
21,107
|
140,72
|
Рассчитаем снегопринос к дороге по участкам справой и левой
стороны от дороги по каждому направлению на всех 3-х участках по формуле (4):
Qнапр=qнапр*sin(α) (4)
|
1-ый участок. Правая сторона: Qюв=23,992* sin75°=23,17 м3/мп;
Qв= 8,443* sin30°=4,22 м3/мп Qю= 37,993* sin120°=32,9 м3/мп; Qюз= 16,886* sin165°=4,37 м3/мп ∑Qправ.напр=23,17+4,22+32,9+4,37=
64,66 м3/мп
|
Левая сторона: Qсв= 8,443* sin15°=2,19 м3/мп;
Qс= 11,257* sin60°=9,75 м3/мп
Qсз=14,072* sin105°=13,59м3/мп;
Qз= 21,107* sin150°=10,55 м3/мп ∑Qлев.напр=2,19+9,75+13,59+10,55= 36,08 м3/мп
|
|
2-ой участок. Правая сторона: Qю= 37,993* sin20°=11,99 м3/мп;
Qюв= 23,992* sin115°=21,68 м3/мп Qв= 8,443* sin70°=7,93 м3/мп;
Qсв= 8,443* sin25°=3,57 м3/мп ∑Qправ.напр=11,99+21,68+7,93+3,57= 48,17 м3/мп
|
Левая сторона: Qюз=
16,886* sin25°=7,14 м3/мп; Qз= 21,107* sin110°=19,83 м3/мп Qсз= 14,072* sin65°=12,75м3/мп;
Qс= 11,257* sin20°=3,85 м3/мп ∑Qлев.напр=7,14+19,83+12,75+3,85= 43,57 м3/мп
|
|
3-ий участок. Правая сторона: Qюв= 23,992* sin25°=10,14 м3/мп;
Qв= 8,443* sin70°=7,93 м3/мп
Qсв= 8,443* sin65°=7,65 м3/мп;
Qс= 11,257* sin20°=3,85 м3/мп ∑Qправ.напр=10,14+7,93+7,65+3,85= 29,57 м3/мп
|
Левая
сторона: Qю= 37,993* sin20°=12,99 м3/мп;
Qюз= 8,443* sin65°=7,65м3/мп
Qз= 21,107* sin70°=19,83 м3/мп;
Qсз=14,072* sin25°=5,95 м3/мп ∑Qлев.напр=12,99+7,65+19,83+5,95= 46,42 м3/мп
|
2.1 Подбор защиты дороги от снегоприноса на
каждом участке
Снегонезаносимыми являются насыпи если h < hнас и выемки глубиной от 8,5
м и больше, определяемые по формуле (5):
h = hсн.покр+▲h; (5)
hсн.покр -
по метеорологическим условиям района, где проходит данная автомобильная дорога,
hсн.покр = 38 см, согласно СНиП 2.05.02. - 85 п.
6.33 hсн.покр=38
= 0,40 м.
▲h - превышение над толщиной снежного
покрова, для второй категории дороги согласно ▲h =0,7 м.
Тогда
h=0,7+0,4=1,1 м
Насыпи выше 1,1 м являются снегонезаносимыми.
Так же снегонезаносимыми являются участки дороги, если дорога
проходить через населённые пункты, лесные массивы и многолетние сады.
Дорога требует защиту от снежных заносов:
справа 1-21 км, 37-50 км,
слева 1-20 км, 40-50 км.
Согласно ВСН-24-88 (Технические правила ремонта и содержания
автомобильных дорог) назначаем тот или иной вид защиты (заборы, щиты, траншеи),
таблица 6.4 и рис. 6.5. Щиты высотой 2 м целесообразно применять если
снегопринос Q≥100 м3/мп, а 1,5 менее Q<100 м3/мп. Если решетчатые щиты не
обеспечивают защиту дороги от снежных заносов то нужно устраивать
дополнительные снегозащитные сооружения - траншеи.
Снегосборная способность щитовых линии определяется по формуле:
Q=β (n-1) hзащ×l+8×h3защ (6)
где, l=30*hзащ.
Снегосборная способность траншеи определяется по формуле (7):
Wтр=10*h3сн.покр+Кзап*В*hтр; (7)
где, hсн.покр=hтр

Схема траншеи Тип решетчатого
снегозащитного щита
Участок 1 (1-19 Км) Подберём необходимую
защиту от снежных заносов и определим её снегосборную способность. На первом
участке дорога требует защиту с 1 по 19 км до вершины угла, так как глубина
выемки меньше высоты снегозаносимой насыпи.
Правая сторона: Qправ= 64,66 м3/мп
Примем 1 ряд щитов hзащ= 1,5 м, тогда
Qзащ.щит=0,8× (1-1) ×1,5×30×1,5 + 8×1,53 = 18 м3/мп;
Qнеуч= 64,66 - 18 = 46,66 м3/мп - не учтено
Wтр= 10×0,402 + 0,9×4,5×0,40 = 3,22 м3/мп
; Qзащ.тр= 15×3,22 =
48,3 м3/мп
Qобщ.защ=
48,3 + 18 = 66,3 м3/мп,
но при этом должно выполняться следующее условие:
Левая сторона:
Qлев= 36,08 м3/мп
Примем 1 ряд щитов hзащ= 1,5 м, тогда
Qзащ.щит=0,8× (1-1) ×1,5×30×1,5 + 8×1,53 = 18 м3/мп;
Qнеуч=
36,08 - 18 = 18,08 м3/мп - не учтено
; Qзащ.тр= 6×3,22 =
19,32 м3/мп
Qобщ.защ=
18 + 19,32 = 37,32 м3/мп,
но при этом должно выполняться следующее условие:
На первом участке окончательно принимаем защиту:
справа от дороги 1 ряд щитов hзащ=1,5 м
и 15 траншеи;
слева от дороги 1 ряд щитов hзащ=1,5 м
и 6 траншей.
Участок 2 (19-29 Км) Подберём необходимую защиту от снежных заносов и определим
её снегосборную способность. На втором участке дорога требует защиту с 19 по 29
км.
Правая сторона:
Qправ= 48,17 м3/мп
Примем 1 ряд щитов hзащ= 1,5 м, тогда
Qзащ.щит=0,8× (1-1) ×1,5×30×1,5 + 8×1,53 = 18 м3/мп;
Qнеуч=
48,17 - 18 = 30,17 м3/мп - не учтено
; Qзащ.тр= 10×3,22 =
32,20 м3/мп
Qобщ.защ=
32,20 + 18 = 50,20 м3/мп,
но при этом должно выполняться следующее условие:
Левая сторона:
Qлев= 43,57 м3/мп
Примем 1 ряд щитов hзащ=1,5 м, тогда
Qзащ.щит=
0,8× (1-1) ×1,5×30×1,5 + 8×1,53 = 18 м3/мп;
Qнеуч=
43,57 - 18 = 25,57 м3/мп - не учтено
; Qзащ.тр= 8×3,22 =
25,76 м3/мп
Qобщ.защ=25,76+18=43,76
м3/мп,
но при этом должно выполняться следующее условие:
На втором участке окончательно принимаем защиту:
справа от дороги 1 ряд щитов hзащ=1,5 м
и 10 траншей;
слева от дороги 1 ряд щитов hзащ=1,5 м
и 8 траншей.
Участок 3 (29-50 Км) Подберём необходимую защиту от снежных заносов и определим
её снегосборную способность. На третьем участке дорога требует защиту с 29 по
34 км - левая сторона, а также с 19 по 22 км и с 22 по 34 км - правая сторона.
Примем 1 ряд щитов hзащ= 1,5 м, тогда
Qзащ.щит= 0,8× (1-1) ×1,5×30×1,5 + 8×1,53 = 18 м3/мп;
Qнеуч=
29,57 - 18 = 11,57 м3/мп - не учтено
; Qзащ.тр=4×3,22= 12,88 м3/мп
Qобщ.защ=
12,88 + 18 = 30,88 м3/мп,
но при этом должно выполняться следующее условие:
Левая сторона:
Qлев= 46,42 м3/мп
Примем 1 ряд щитов hзащ= 1,5 м, тогда
Qзащ.щит=0,8× (1-1) ×1,5×30×1,5 + 8×1,53 = 18 м3/мп;
Qнеуч=
46,42 - 18 = 26,42 м3/мп - не учтено
; Qзащ.тр= 9×3,22 =
28,98 м3/мп
Qобщ.защ= 28,98 + 18 = 46,98 м3/мп,
но при этом должно выполняться следующее условие:
На третьем участке окончательно принимаем защиту:
справа от дороги 1 ряд щитов hзащ=1,5 м и 4 траншеи;
слева от дороги 1 ряд щитов hзащ=1,5 м и 9 траншей.
Схемы размещения назначенных снегозащитных сооружений на
дороге для каждого участка дороги.
Рис. 5
Рис. 6
Рис. 7
Существуют и другие виды защиты дороги от снежных заносов,
такие как снегозадерживающие заборы. Высота снегозащитного забора определяется
по формуле (8):
(8)
Снегозащитные заборы целесообразно применять, если преобладающее
направление ветра в зимний период перпендикулярно участку дороги и если Q<100 м3/мп, но к нашей дороге это не относится,
так как подобранная ранее защита нас устраивает.
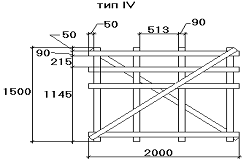
Конструктивная схема снегозащитного забора
3.
Технология очистки дороги от снежных отложений и обработка противогололёдными
реагентами при содержании дороги в зимний период
3.1
Подбор снегоочистительной техники
Для отчистки дороги примем плужно-щёточный очиститель
КДМ-130б.
Подсчитаем количество плужно-щёточных очистителей требуемых
для отчистки дороги:
Хп=(Сп-Взах)/2=(3,0-2,55)/2=0,45/2=0,23
м
Рассчитаем потребное количество комплектов машин для отчистки:
КДМ-
; ℓ =1000×Vп×Кв×tд.и;
;
;
;
ℓ= 1000×40×0,8×1,68 = 53,85 км;
машин
Тогда требуемое количество КДМ = 2×2= 4 шт.
Схема отчистки дороги
Рассчитаем потребное количество снегоочистителей
шнекороторных:
Для отчистки обочин автомобильной дороги от снега принимаем
Снегоочиститель шнекороторный КО-605.
|
ХАРАКТЕРИСТИКИ
|
КО-605М
|
КО-605А
|
КО-605-1М
|
КО-605-1А
|
|
Базовое шасси
|
УРАЛ-43203-1211-10
|
|
Двигатель
|
ЯМЗ-238Б
|
ЯМЗ-238БЕ
|
ЯМЗ-238М2
|
ЯМЗ-236БЕ
|
|
Номинальная
мощность, кВт (л.с.)
|
220 (300)
|
176 (240)
|
185 (250)
|
|
Производительность,
т/ч
|
|
|
при высоте
забоя 0,6-0,8 м и плотности снега 0,5 т/м3
|
1400
|
1200
|
|
при патрульной
очистке при высоте снежного валка до 0,5 м, не менее
|
2000
|
1900
|
|
Дальность
отброса снега плотностью 0,5 т/м3, м не менее
|
30
|
2700
|
2560
|
|
Максимальная
толщ. очищаемого слоя, мм
|
1300
|
|
Скорости, км/ч
|
|
|
рабочие
|
0,51-6,92
|
|
транспортная максимальная
|
45
|
|
Расход топлива
|
|
|
на 100 км
транспортного пробега, л
|
51
|
48
|
|
средний
рабочий, л/ч
|
48
|
43
|
|
Масса
снегоочистителя (экспл.), кг
|
13800
|
13500
|
|
Габаритные
размеры, мм
|
|
|
длина
|
9700
|
|
ширина
|
2780
|
2580
|
|
высота
|
3100
|
Снегоочиститель шнекороторный КО-605 имеет следующие
технические характеристики:
Qоб= 10-6×L×B×iсн×Tср×ρсн = 10-6×50000×15×14,86×230×10 = 25633,5 м3-объём снега
собирающийся на обочине вовремя снегопада и очистки проезжей части от снега
-количество шнекороторных снегоочистителей.
3.2 Расчёт потребности противогололёдных реагентов для борьбы с
зимней скользкостью
Табл. 6. Потребное количество соли по месяцам
|
Месяц
|
Ноябрь
|
Декабрь
|
Январь
|
Февраль
|
Март
|
|
|
Температура, оС
|
-3,7
|
-10,00
|
-13
|
-12,4
|
-6,0
|
|
|
Вид зимней
скользкости
|
Голый лед
|
Накат
|
Накат
|
Накат
|
Голый лед
|
∑
|
|
Количество соли
q, гр/м2
|
48,25
|
36,5
|
44
|
42,5
|
93,25
|
264,5
|
Подсчитаем расход сколько требуется нам песчано-соляной смеси
на зимний период для борьбы с гололёдом на данной дороге.
Среднемесячная толщина наката (льда) который может образоваться в
течении месяца в зимний период.
Рс= ∑q×h×L×Bа/б = 264,5×9,23×50000×9 = 1098600 кг = 1098,6 тон - количество
соли в ПСС.
ПСС= 1098,6 × 5= 5493
тон;
ρпеска= 1,5 т/м3; V= 5,6 м3 - объём кузова КДМ-130б; 5,6×1,5 = 8,4 тн/ м3;
Расход ПСС 200 гр/ м2; 5600000/200=28000 м2/4,5
= 6222 м - длина на которую хватает одного кузова КДМ-130б ПСС.
,5 м - половина ширины а/б покрытия на которую распределяю ПСС
согласно категории дороги.
Заключение
В результате проведения расчетов были определены способы защиты
участка автомобильной дороги от снежных заносов с помощью лесопосадок,
снегозащитных щитов и снегозащитного забора. В качестве метода борьбы с зимней
скользкостью принят фрикционный метод совместно с солью. В качестве
противогололедного материала принята песчано-соленая смесь, а метода уборки
снега с дорожного покрытия - метод патрульной очистки.
В качестве метода организации работ по зимнему содержанию участка
автомобильной дороги принят поточный метод.
Список литературы
1.
Ремонт и содержание автомобильных дорог: Справочник инженера-дорожника/ А.П. Васильев,
В.И. Баловнев и др. П/р А.П. Васильева. - М.: Транспорт, 1989. - 287 с.
.
СНиП 2.05.02-85. Автомобильные дороги / Госстрой СССР. М.: ЦИТП Госстроя СССР,
1986. - 52 с.
.
Зимнее содержание автомобильных дорог / Г.В. Бялобжесский, А.К. Дюнин и др. П/р
А.К. Дюнина. 2-Е изд., перераб. и доп. - М.: Транспорт, - 1983. 197 с.
.
Эксплуатация автомобильных дорог. Методические указания к курсовому
проектированию по дисциплине» Эксплуатация автомобильных дорог» для студентов
специальности 29.10 «Строительство автомобильных дорог и аэродромов». Могилев:
ММИ, 1994. - 30 с.
.
Строительная климатология / НИИ СР. - М.: Стройиздат, 1990. - 86 с.
.
ВСН-24-88 (Технические правила ремонта и содержания автомобильных дорог)
.
Строительная климатология и геофизика СНиП 2.01.01-82.
дорога
зимний снегоочистительный противогололедный