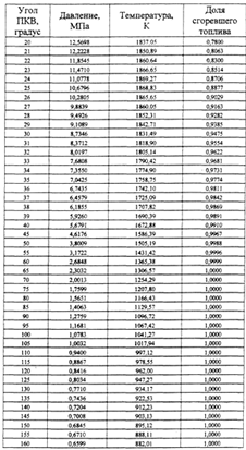
Совершенствование топливоподачи ГД на судне 'Мойра'
Содержание
Введение
. Технико-эксплуатационные
характеристики судна «Мойра», энергетической установки и анализ их работы
.1. Общие сведения о судне
.2. Главная энергетическая установка
.2.1. Главный двигатель
.2.2. Валопровод
.2.3. Судовой движитель
.2.4. Рулевая машина
.2.5. Принципиальная схема системы
дистанционного управления ГЭУ
.2.6. Проверочный расчет и
построение ходовой характеристики судна
.3. Судовая электростанция
.3.1. Дизель-генераторы
.3.2. Загрузка судовой
электростанции
.3.3. Распределение электроэнергии
на судне
.4. Котельная установка
.4.1. Вспомогательные котлы
.4.2. Утилизационные котлы
.4.3. Загрузка котельной установки
.5. Опреснительная установка
.6. Краткая характеристика систем
СЭУ
.6.1. Топливная система
.6.2. Масляная система
.6.3. Система забортной воды
.6.4. Система пресной воды
.6.5. Система сжатого воздуха
.6.6. Система воздухоснабжения и
газовыпуска
.7. Рефрижераторное оборудование
.8. Палубные механизмы и устройства
.8.1. Якорное устройство
.8.2. Швартовное и буксирное устройства
.8.3. Шлюпочное устройство и
спасательные средства
.8.4. Грузовое устройство
.8.5. Грузовое насосное отделение
.8.6. Мачтовое устройство и такелаж
.9. Оборудование по предотвращению
загрязнения окружающей среды
.10. Краткая характеристика систем
общесудового назначения
.11. Расчет энергетического баланса
СЭУ на номинальном режиме
1.12. Анализ эффективности работы
СЭУ
.13. Предварительное обоснование
целесообразности предлагаемого усовершенствования СЭУ
. Техническое задание на проработку
предлагаемого усовершенствования СЭУ
. Индивидуальный раздел на тему
«Совершенствование топливоподачи ГД»
.1. Обоснование разработки
.1.1 Топливный насос дизеля МАН-Бурмейстер
и Вайн S-МС
.1.2 Повышение экономичности дизеля
путем оптимизации регулировочных характеристик топливной аппаратуры
.1.3. Система Common
Rail
.1.4. Техническое обслуживание
форсунок Common
Rail
.1.5. Инструкция по эксплуатации Common
Rail, монтаж и демонтаж
.2. Расчетная проработка
технического усовершенствования (модернизации)
.2.1 Расчет рабочего процесса
штатного двигателя при 100% нагрузки
.2.2 Расчет рабочего процесса
штатного двигателя при 85% нагрузки
.2.3 Экспериментальные данные
.2.4 Расчет рабочего процесса
модернизированного двигателя
.3. Сравнительная итоговая таблица
.4. Расчет энергетического баланса
усовершенствованной СЭУ
Введение
СЭУ современного флота
испытывают постоянно ужесточающиеся требования к различным эксплуатационным
показателям, что объясняется требованиями к охране окружающей среды и высокой
конкуренцией. С другой стороны отечественный и мировой флот имеет большую долю
судов эксплуатирующихся уже значительный период времени. Таким образом, эти
суда требуют особых затрат для поддержания их эксплуатационно- технических
показателей в норме, а тем более, для соответствия современным требованиям. В
связи с этим эксплуатация старого флота дорожает по мере его физического и
морального износа. Помимо этого нет гарантии, что недавно построенные суда
через несколько лет не будут требовать некоторой модернизации для соответствия
новым требованиям. Исходя из сказанного, проблему модернизации флота можно
считать актуальной, и особенно актуальной для отечественного флота, с учётом
современных условий.
Обеспечить решение данной
проблемы может только лишь своевременное внедрение научно-технических новшеств.
Модернизация и усовершенствование работающих механизмов является вполне
приемлемым вариантом обновления СЭУ судов. Зачастую, небольшие изменения
конструкции механизмов, основанные на глубокой научной проработке позволяет, за
счёт сравнительно небольших затрат, достигнуть необходимых технических
показателей. Судостроители, заинтересованные в больших заказах, имея последние
научно-технические разработки, не стремятся к модернизации механизмов уже
эксплуатирующихся судов, так как это не обеспечивает значительной выгоды.
Одна из областей, в которой
имеется потенциал для такого решения проблем есть совершенствование
топливоподачи ГД и тем самым увеличить ресурс механизма и снизить затраты на
обслуживание.
1.
Технико-эксплуатационные характеристики судна “Мойра” , энергетической
установки и анализ их работы
1.1
Общие сведения о судне
Таблица 1 - Основные элементы судна
|
Наименование
элемента
|
Значения
|
|
Производитель
|
QINGSHAN SHIPYARD
|
|
Год
и место постройки
|
2005
,
КНР
|
|
Архитектурно-конструктивный
тип судна
|
Однопалубное,
рубкой и МО в корме, двойными бортами в районе грузовых танков,
бульбообразным носом и транцевой кормой
|
|
Род
перевозимого груза Предусмотрена перевозка одновременно до шести сортов груза
|
Наливные
грузы с температурой вспышки ниже 60°
С, попадающие под 2 категорию химических продуктов
|
|
Корпус
Водонепроницаемые переборки: поперечные продольные Система набора
Непотопляемость
|
8 1 Продольная, в оконечностях - поперечная Обеспечивается при затоплении
одного отсека
|
|
Основные
показатели Размерения судна, м: Lнб L
B
D
Dmax:
зима/лето
|
164,34
155,39 23,00 9,55 9,55/
12,80
|
|
Класс
регистра
|
Germanisher Lloyd,
+100 A5 E3 IW5 NAV-O “ Chemical tanker 2 & Oil tanker “ + MC E3 Aut INERT
|
|
Скорость,
узл макс. средн.
|
16,8
15,5
|
|
Водоизмещение,
т
|
19806,0 MT
|
|
Осадка,
м
|
9,55
|
|
IMO
|
9271999
|
|
Вместимость
помещений и емкостей Грузовые танки, м3: Отстойные танки
( SLOP)
|
№ танка ПБ ЛБ 1 681 671 2 1049
1049 3 1717 1726 4 1279 1278 5 1969 1970 6 1284 1283 71962 1963 8 1249 1249 9
429
421
|
|
Общая
вместимость грузовых и отстойных танков, м3
|
26689,9
|
|
Обогрев
грузовых танков
|
все
|
|
Провизионные
камеры Количество, объем, м3
|
1´16,8; 1´14,3; 1´24,9; 1´15,0.
|
|
Балластные
танки, м3:
|
№
ПБ ЛБ 1 1250 1250 2 1240 1240 3 1230 1230 4 1230 1230 5 1250 1250 6 1255 1255
7
1250
1250 8
1240
1240 Ф/п
1290
А/п
910
|
|
Энергетическая
установка Главные двигатели Тип Марка Год и место постройки Мощность, кВт
(э.л.с.) Частота вращения вала, об/мин Удельный расход топлива, г/кВт-ч
[г/э.л.с.ч.] Тип передачи на гребной вал Управление двигателем
|
Дизель «Митсуи МАН - Бурмейстер и Вайн» 7S50MC-C 2004,
Япония 1´10010 (1´136136)
127 170,6 [125] Прямая Дистанционное из рулевой рубки и ЦПУ в МО
|
|
Валопровод
Гребной вал
|
9,91
532/372/312
|
|
Материал
дейдвудного подшипника
|
Синтетическая
резина, витон
|
|
Тип
дейдвудных уплотнений
|
AX-650"Cobelco
Eagle"
|
|
Движители
Количество,тип Количество лопастей Диаметр и шаг, мм Дисковое отношение
Материал Масса, кг Частота вращения, об/мин
|
Один
ВФШ цельнолитой 4 5900; 4083 0,6920 Бронза KAlBC3(Ni+Al)127 15350
127
|
|
Электростанция
Род тока Напряжение, В: силовой сети освещения
|
Переменный
60
Гц.
440 230
|
|
Вспомогательные
дизель-генераторы Количество, марка Дизель: мощность, кВт частота вращения,
об/мин Генератор: мощность, кВт
|
4
x
MAN B&W 6L23/30H MAN B&W 6L23/30H 4x 910 kW 900 r/min SIEMENS
Type: 1FC6 562-8SA83 910 kW
|
|
Аварийный
дизель-генератор Количество, марка Дизель: мощность, кВт [э.л.с] частота
вращения, об/мин Генератор: мощность, кВт
|
1´ GEN-SET 475kW/594 kWA 1´ MAN D
2842 LE201 1800 1´ SIEMENS 1FC2
355-4 1´475
kW
|
|
Котлы
Вспомогательный: количество, тип термомасляный автоматика Утилизационный:
количество, тип автоматика
|
Один
- огнетрубный Tortoise MVW-1101 1´11 0,75
[7,5] Питания, горения, давления пара Один - водотрубный Tortoise
2.10-4548/30 1 х 1,2 (ГД -100%) 0,8 [8] Питания, давления пара
|
|
Топливо,
масло, вода Топливо, полный запас, т: тяжелое дизельное Масло, полный запас,
т Вода, полный запас, т: пресная питьевая
|
2691 174 159 672 460
|
|
Опреснитель
Тип Количество, производительность, т/сут
|
Sasakura K-KM25
|
|
Холодильные
установки Провизионных камер: количество тип агрегата с компрессорами
хладагент производительность, МДж/ч [ккал/ч] при температуре, °С: t0 tk
Кондиционирования
воздуха: количество тип агрегата с компрессорами хладагент
|
два RHSN5BA
JT160BKNFYE R404A 2 х 15 [2
х 3600] -15 30 Два USDP40GR JT300DA-YE R404A
|
|
Судовые
устройства и средства Грузовое устройство Насосы грузовые: Количество Тип
Подача, м3/ч привод Насосы зачистные: Количество тип Подача, м3/ч
привод Дистанционное управление грузовыми системами Кран для шлангов:
Грузоподъемность, т Вылет стрелы за борт, м
|
18 Центробежные вертикальные SD200 FRAMO
(Норвегия) 14´470
Гидромотор A2FM200 2
центробежные вертикальные SD125 FRAMO
(Норвегия) 2 - 120 Гидромотор A2FM200 Из пульта
управления грузовыми операциями на палубе рубки 1-го яруса 10,0 8,3
|
|
Якорное
и швартовное устройства Якорно-швартовные лебедки: тип скорость подъема
якоря, м/мин тяговое усилие на турачках, кН [тс] тип количество, масса, кг
Цепи: калибр, мм длина, м Швартовые лебедки: тип тяговое усилие на барабане,
кН [тс]
|
Автоматические
с гидроприводом, фирмы «Mitsubishi» (Япония)
9 216 [22] Холла 2x11000 87 2x316 Электрогидравлические 2x220 [2x22,4]
5x125 [5x12,7]
|
|
Рулевое
устройство Рулевая машина: тип крутящий момент, кН·м [тс·м] Привод: основной
руль - тип авторулевой
|
Электрогидравлическая Rolls-Royse
P81454 2 х 732
[2 х 74,5] Электрический Полубалансирный, полуподвесной « JRC- RV900-2»
|
|
Спасательные
средства Шлюпка свободного падения Количество, вместимость, мест Шлюп балки
-тип Шлюпочные лебедки -тип Плоты: Тип Количество, вместимость, мест
|
JY-FF-6.00 1x22
DAVIT-FH55
Электрогидравлические FRN-S-20R
3x 20
|
|
Балластно-осушительные
и Балластные и осушительные Насосы: Количество - тип Подача, м3/ч
привод
|
противопожарные
средства 2 - центробежные RV-200J,
балластно- осушительные; 3 -центробежные RVD-450E,
осушительные; 2 - центробежный HC-HD700E,
балластный; 1 - поршневой VP-PVN-2,
осушительный. 2x150; 1x2:2x700:3x210 Электрический
|
|
Устройства
по предотвращению Установка для обработки сточных вод: тип
производительность цистерна сточных вод, объем, м3 отстойные
танки, объем, м3 цистерна сбора остатков груза, объем сливная
цистерна, объем, м3
|
загрязнения моря
HAMWORTHY ST1A SUPER TRIDENT Из расчета на 50 чел. 13,5 1592
140 12,8
|
|
Противопожарные
Насосы: Количество - тип Подача, м3/ч привод Пенотушение
Углекислотное тушение Система инертных газов “ GENERON” Система
пожарной сигнализации
|
2
- центробежные RV-200J; 1 -
центробежный VDK-450N 1 -
центробежные 11У-1501(аварийный) 2x200; 1x150; 1x450 4- электрические
верхняя палуба в районе грузовых танков, топливные бункеры, расположенные вне
МО, малярная МО и главный двигатель В МКО Грузовые и отстойные танки Световая
и звуковая
|
|
Отопление
Электрообогреватели Воздушное (зимнее кондиционирование)
|
Где
нет кондиционирования В жилых, служебных и общественных помещениях
|
|
Навигационное
оборудование Магнитный компас Гирокурсоуказатель Радиолокатор Эхолот Лаг
|
Tokimec SH165A1 Tokimec
PR-6M2A-E1-HS2 2х
JRC-JMA-9932-SA JRC-JFE-582 Tokimec-TD-310
|
1.2
Главная энергетическая установка
Энергетическая установка
располагается в кормовой части судна.
Расположение механизмов и
прокладка труб в машинно-котельном отделении выполнены с учетом удобства и
безопасности их обслуживания, осмотра и ремонта.
Энергетическая установка
состоит из:
а) главной установки в
составе одного главного двигателя (ГД), работающего на гребной винт с
фиксированным шагом;
б) вспомогательной
установки в составе:
·
4
дизель-генераторов переменного тока (ДГ);
·
1
аварийного дизель-генератора переменного тока (АДГ);
в) вспомогательной
котельной установки в составе:
·
одного
вспомогательного автоматизированнного котлa
·
одного
утилизационного котла
г) вспомогательных
механизмов, теплообменных аппаратов, трубопроводов систем автоматизации,
обслуживающих энергетическую установку.
В качестве топлива для
энергетической установки используется:
- легкое топливо дизельное
с температурой вспышки, определяемой в закрытом тигле, не ниже 333 °К (+60 °С)
- для розжига вспомогательного котла, работы главного двигателя,
вспомогательных ДГ, в режиме настройки, аварийного дизель-генератора;
- тяжелое топливо вязкостью
не более 3500 Редвуда I
при 100 °F с содержанием серы
не более 5% и температурой вспышки, определяемой в закрытом тигле, не ниже 333
°К (+60°С) - для главного двигателя, вспомогательного котла и
дизель-генераторов.
Применяемые масла должны
соответствовать рекомендованным инструкциям по обслуживанию главного двигателя,
дизель-генераторов, вспомогательных механизмов.
1.2.1
Главный двигатель
В качестве главного двигателя
предусмотрен автоматизированный дизель типа 7S50MC
- двухтактный, простого действия, реверсивный, крейцкопфный, с газотурбинным
наддувом, со встроенным упорным подшипником, расположение цилиндров - рядное,
вертикальное, правой модели. судно топливный энергетический
аппаратура
Таблица 2 - Основные
характеристики главного двигателя
|
Наименование
|
Размерность
|
Численное
значение
|
|
Максимальная
длительная мощность (МДМ) Число цилиндров Диаметр цилиндра Ход поршня
Удельный эффективный расход топлива при МДМ спец., приведенный к теплоте
сгорания 39500 кДж/кг
|
кВт
л.с. - мм мм г/кВт ч г/л.с.ч
|
10010
при 127 об/мин 13613 при 2,11 с־1 7
500 1910 170+7% 125+5%
|
Примечание: Указанный расход
топлива гарантируется при мощности 10010 кВт (13613 л.с.) при температуре
окружающего воздуха 300°К (20°С), барометрическом давлении 100 кПа (752
мм.рт.ст.), влажности воздуха 60%, противодавлении выхлопу, измеренном
непосредственно за турбокомпрессорами, не более 30 Ша (300 мм.вод.ст.),
разрежении на впуске турбокомпрессоров не более 10 ГПа (100 мм.вод.ст.) и
температуре охлаждающей забортной воды на входе в холодильники продувочного
воздуха не более 300°К (27°С).
Для проворачивания главного двигателя
и валопровода предусмотрено валоповоротное устройство с электроприводом,
имеющим дистанционное управление.
Пуск двигателя осуществляется
сжатым воздухом давлением 2,9 МПа (30 кг/см2).
Прием воздуха
турбокомпрессорами осуществляется из машинного отделения.
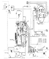
Рисунок 1. Поперечный разрез
главного двигателя
Система масляная главного и
вспомогательных двигателей
Масляная система состоит из
трубопроводов:
·
приема,
перекачки и сепарации масла;
·
циркуляционной
смазки глазного двигателя и турбокомпрессоров;
·
циркуляционной
смазки распредвала;
·
воздушных
и воздушно-переливных труб.
Трубопровод приема, перекачки и
сепарации масла обеспечивает:
·
приемный
трубопровод - заполнение цистерн запаса масла не судовыми средствами через
наливные палубные втулки и приемные патрубки;
·
перекачивающий
трубопровод - подачу масла из цистерн запаса самотеком в сточно-циркуляционную
цистерну ГД, а также в сточно-циркуляционную цистерну ДГ;
- сепарацию масла из
сточно-циркуляционной цистерны главного двигателя, цистерны продувки масляных
фильтров, из цистерны проточек от сальников штоков и подачу отсепарированного
масла обратно в сточно-циркуляционную цистерну;
- сепарацию масла из
сточно-циркуляционной цистерны дизель-генераторов;
- откачку масла из
сточно-циркуляционных цистерн в цистерну отработавшего масла насосом перекачки
масла и выдачу их на берег.
Трубопровод циркуляционной
смазки главного двигателя обеспечивает:
- приём масла одним из
главных циркуляционных насосов из сточно-циркуляционной цистерны и прокачку его
через холодильники масла и фильтры на смазку и охлаждение двигателя и
турбокомпрессоров
Трубопровод цилиндрового масла
обеспечивает подачу цилиндрового масла самотеком из цистерн основного запаса в
расходные и из них к лубрикаторам двигателя.
Трубопровод циркуляционной
смазки распредвала обеспечивает прием масла одним из двух масляных
электронасосов из сточно-циркуляционной цистерны, смазки распредвала и подачу
его через холодильник масла на смазку распредвала.
Вентиляция масляных цистерн
обеспечивается воздушными и воздушно-переливными трубами. Воздушные трубы из
цистерны отработанного масла выведены на ВП.
Система топливная главного и
вспомогательных двигателей
Топливная система состоит из
трубопроводов:
·
приема
и перекачки топлива;
·
расходно-топливного;
·
сепарации
тяжелого и дизельного топлива.
·
воздушных
и воздушно-переливных труб.
Трубопроводы приема и перекачки
тяжелого топлива для главного двигателя, дизель-генераторов и вспомогательных
котлов обеспечивает:
- прием топлива не судовыми
средствами с верхней палубы в цистерны основного запаса с интенсивностью 400 м 3/ч
при одновременном приеме топлива в диптанк и в кормовые цистерны;
- перекачку топлива из диптанка
и цистерны основного запаса в отстойную цистерну главного двигателя и ДГ,
расходную цистерну вспомогательных котлов и откачку топлива с судна.
Трубопровод приема и перекачки
дизельного топлива обеспечивает:
·
прием
топлива не судовыми средствами с верхней палубы в цистерны запаса с
интенсивностью 200 м3/ч;
·
подачу
топлива в расходные цистерны дизельного топлива и откачку топлива с судна;
Расходно-топливный трубопровод
ГД и ДГ:
тяжелого топлива - обеспечивает
подачу топлива из расходных цистерн через трубы возврата топлива к одному из
подкачивающих электронасосов ГД или к одному из подкачивающих насосов
топливного блока ДГ, а затем через подогреватели и фильтры к насосам высокого
давления главного двигателя и дизельного топлива - обеспечивает, при
необходимости, подачу топлива из расходных цистерн к топливным насосам, дизель
генератором, на растопку вспомогательных котлов, к трубе возврата топлива
главного двигателя.
Трубопровод сепарации топлива
обеспечивает прием топлива из отстойной цистерны (тяжелого) и из цистерны
основного запаса (дизельного), очистку его сепараторами и подачу в расходные
цистерны.
Вентиляция топливных цистерн
обеспечивается воздушными и воздушно-переливными трубами. Все воздушные трубы и
воздушная труба диптанка выведены на ВП.
Система охлаждения главного и
вспомогательных двигателей и механизмов
Система охлаждения состоит из
трубопроводов:
- забортной воды;
- пресной воды.
Трубопровод забортной воды
обеспечивает:
·
прием
воды электронасосами охлаждения и опреснительной установки из перемычки, куда
забортная вода подается из днищевого или бортового кингстонных ящиков через
фильтры;
·
прокачку
холодильников пресной воды, и отвод воды автоматически за борт или на
циркуляцию;
- подачу воды на опреснительную
установку;
Трубопровод пресной воды
обеспечивает:
·
прием
воды электронасосами охлаждения главного двигателя, вспомогательных механизмов
и опреснительных установок из холодильников пресной воды
·
прокачку
холодильников циркуляционного масла, воздухоохладителей главного двигателя;
·
подачу
воды на прокачку конденсатора тёплого ящика, электрокомпрессоров, конденсаторов
холодильной установки провизионных камер, кондиционирования воздуха и
компрессоров системы инертных газов;
·
подачу
воды на прокачку холодильников циркуляционного масла, воды, воздухоохладителей
ДГ;
- прием и подачу воды
циркуляционными насосами на прокачку холодильника гидравлического масла главной
грузовой системы;
- подачу воды на главный
двигатель от охлаждающего электронасоса пресной воды ГД;
·
пополнение
утечек в системах охлаждения двигателей и ввод присадок в охлаждающую воду
через расширительную цистерну;
·
прокачку
главного двигателя перед пуском пресной водой, подогретой в паровом
подогревателе;
- прокачку дизель-генераторов,
находящихся в горячем резерве от системы охлаждения ГД;
- обогрев испарителей
опреснительной установки (на ходу).
Система газовыхлопа главного и
вспомогательных двигателей
Система газовыхлопа
обеспечивает отвод выхлопных газов от главного двигателя через утилизационный
котел, вспомогательных дизель-генераторов, аварийного дизель-генератора через
глушители в атмосферу. Утилизационный котел и все глушители оборудованы
искроулавливателями.
Выхлопные трубы изолированы и
обшиты металлическим кожухом.
В системе газовыхлопа
предусмотрен постоянный дренаж гудрона и аварийный слив воды от утилизационного
котла.
Система сжатого воздуха
Система сжатого воздуха
высокого давления обеспечивает:
·
заполнение
сжатым воздухом от электрокомпрессоров баллонов пускового воздуха ГД и ДГ;
·
подачу
сжатого воздуха из баллонов в пусковые устройства двигателей при запуске;
Система сжатого воздуха
среднего и низкого давления обеспечивает:
- судовые нужды,
пневмоинструмент и пневмоцистерны.
- заполнение системы
автоматического контроля: ГД, ПК и паровых подогревателей топливных и масляных
сепараторов.
1.2.2
Валопровод
Валопровод предназначен для
передачи крутящего момента от главного двигателя к гребному винту, передачи
осевого усилия (упора) от гребного винта через упорный подшипник, встроенный в
главный двигатель, корпусу судна и сообщение судну хода.
Тип главной механической
установки - одновальная, дизельная с винтом фиксированного шага (ВФШ).
На судне установлена 1 линия
валопровода
На носовом и кормовом торцах
дейдвудной трубы установлены сальники уплотнения AX-650"Cobelco
Eagle".
В состав линии валопровода
входят гребной винт, гребной вал, промежуточный вал, дейдвудное устройство,
уплотнения AX-650"Cobelco
Eagle" опорные
подшипники, монтажные подшипники.
Валы откованы из углеродистой
стали категорий прочности КМ-25. Вала цельнокованые откованы заодно с фланцами.
Валы между собой и с фланцем
главного двигателя соединяются при помощи фланцев и цилиндрических болтов.
Опорами валов являются:
а) для гребного вала - один
дейдвудный металлический подшипник скольжения с баббитовой заливкой на масляной
смазке, и один промежуточный самоустанавливающийся подшипник скольжения с
индивидуальной смазкой - со стороны машинного отделения;
Для смазки дейдвудного
подшипника и дейдвудного уплотнения фирмы должно применяться масло -
рекомендованное фирмой в "Инструкции по монтажу и обслуживанию дейдвудного
подшипника"
Для смазки опорного подшипника
применяется масло, принятое для смазки главного двигателя.
Для наблюдения за температурой
опорного подшипника на него установлен термометр.
Вал гребной
Гребной вал является
промежуточным звеном между промежуточные валом и двигателем и предназначен для
передачи крутящего момента от двигателя к движителю (гребному винту).
С носовой стороны гребной вал
имеет фланец для присоединения к фланцу промежуточного вала.
Вал промежуточный
На судне установлено один
промежуточный вал. Промежуточный вал является промежуточным звеном между
двигателем и гребным валом, предназначен для передачи крутящего момента от
двигателя к движителю (гребному винту). Вал сплошной, откован заодно с
фланцами, при помощи которых вал соединяется между фланцем гребного вала и
главного двигателя. Нерабочие поверхности промежуточного вала покрыты лаком.
Устройство дейдвудное
Дейдвудное устройство
предназначено для выхода гребного вала из корпуса судна. Подшипник дейдвуда
воспринимает радиальную нагрузку от веса гребного вала с навешенными деталями.
Дейдвудное устройство состоит из:
а) дейдвудной трубы;
б) шаровой опоры;
в) коркового подшипника,
залитого баббитом;
г) носового и кормового
сальников уплотнения AX-650"Cobelco
Eagle".
Кормовой конец дейдвудной трубы
фланцем крепится к блоку ахтерштевня. В дейдвудную трубу с кормовой стороны
запрессован подшипник, залитый баббитом.
От проворачивания дейдвудный
подшипник застопорен винтами.
Для подвода сказки к валу
дейдвудный подшипник имеет в горизонтальной плоскости продольные пазы на
наружном поверхности и радиальные сверления в них (к поверхности вала).
Носовой конец дейдвудной трубы,
приваренный к переборочному вварыпгу имеет шаровую опору, которая служит для
обеспечения соосности носового уплотнения относительно оси гребного вала в
период монтажа.
После окончания монтажа
положение кормовой опоры фиксируется штифтами.
Для предотвращения попаданий
забортной воды в дейдвудное устройство, а также для предотвращения вытекания
масла из дейдвуда; с носового и кормового торцов дейдвудной трубы установлены
сальники радиального уплотнения AX-650"Cobelco
Eagle".
Смазка кормового уплотнения
производится через специальную трубу и сверление в яблоке ахтерштевня, смазка
носового уплотнения - через масляную систему.
Соединение валов
Соединение гребного вала с
промежуточным валом, промежуточного вала с упорным валом главного двигателя
осуществляется при помощи фланцев и цилиндрических болтов и корончатых гаек,
застопоренных шплинтами.
Контрольно-измерительные
приборы
Замер числа, оборотов.
Замер числа оборотов гребного
вала осуществляется при помощи дистанционного электротахометра, получающего
импульсы от датчика, соединенного с валопроводом.
1.2.3
Судовой движитель
В качестве судового движителя
на судне «MОЙРА». установлен
гребной винт четырех лопастный, цельнолитой. Материал - бронза.
Гребной винт насажен на конус
гребного вала и закреплен бесшпоночным гидропрессовым способом. На хвостовик
конуса установлена гайка, застопоренная болтами.
Гайка гребного винта закрыта
обтекателем, прикрепленным к ступице гребного винта болтами, застопоренными
шайбами.
Внутренняя полость обтекателя
залита смазкой.
Насадка гребного винта на конус
гребного вала производится с помощью гидродомкрата с одновременной подачей
масла на коническое соединение винта и вала.
Гидродомкрат устанавливается на
резьбовой хвостовик гребного вала и плотно прижимается к торцу ступицы гребного
винта затягиванием упора гидродомкрата.
Подавая в гидродомкрат под
давлением масло при одновременной подаче масла и на коническое соединение винта
и гребного вала, плунжер выдвигается и перемещает гребной винт по конусу вала.
Таблица 3 - Основные характеристики движителя
|
Наименование
элемента
|
Значения
|
|
Количество,
тип
|
Один
ВФШ цельнолитой
|
|
Количество
лопастей
|
4
|
|
Диаметр
и шаг, мм
|
5900;
4083
|
|
Дисковое
отношение
|
0,692
|
|
Материал
|
Бронза
А9Ж4Н4
|
|
Масса,
кг
|
15350
|
|
Частота
вращения, об/мин
|
127
|
|
|
Рисунок 2. Общий вид (а) и
основные конструктивные элементы (б) гребного винта: 1 - лопасть; 2 -
засасывающая поверхность; 3 - ступица; 4 - нагнетательная поверхность; 5 -
колпак-обтекатель; 6 - выходящая кромка; 7 - входящая кромка; 8 - край лопасти;
9 - корень лопасти
Съем гребного винта
осуществляется гидропрессовым способом с помощью того же гидродомкрата.
При съеме гребного винта
гидродомкрат устанавливается на хвостовик гребного вала в следующем порядке:
а) заворачиваются в гнезда
ступицы гребного винта тяги;
б) гидродомкрат
устанавливается на тяги так, чтобы укор располагался резьбовой частью в корму,
а плунжер был направлен в нос;
в) накручиваются гайки на
тяги до упора.
Масло под давлением подается
одновременно в гидродомкрат и на коническое соединение винта и вала до
страгивания гребного винта.
1.2.4
Рулевая машина
На судне установлен один
профилированный, полубалансирный руль площадью ≈ 52,5м2.
Баллер руля прямой, кованый
имеет один опорный подшипник и один упорно-опорный подшипник.
Соединение баллера с пером руля
конусное на шпонке.
Для перекладки руля в
румпельном отделении установлена электрогидравлическая рулевая машина Rolls-Royse
P81454
на крутящий момент 109 тем с двумя силовыми агрегатами, каждый из которых
обеспечивает перекладку руля с 35° одного борта на 35° другого борта в течение
28с. на полном переднем ходу. Управление электрогидравлической рулевой машиной
электрическое с поста управления в рулевой рубке. Кроме того, в румпельном
отделении предусмотрено ручное управление насосами.
Пост в рулевой рубке оборудован
аппаратурой авторулевого. Предусмотрены электрические указатели положения руля,
расположенные в рулевой рубке румпельном отделении, ЦПУ и на крыльях рулевой
рубки.
Ограничители поворота руля
предусмотрены на отливке пера руля.
Рисунок 3. Общий вид рулевой
электрогидравлической машины типа Rolls-Royse
P81454
Таблица 4 - Основные характеристики рулевой
машины
|
Наименование
элемента
|
Значения
|
|
Тип
|
RV 900
|
|
Число
рулей
|
1
|
|
Номинальный
крутящий момент, кH м
|
674
|
|
Число
циллиндров
|
4
|
|
Давление
в цилиндрах, МПа
|
10
|
|
Тип
насоса
|
L3MF45
|
|
Число
насосов
|
2
|
|
Электропривод
переменного тока напряжением В Мощность, кВт Частота вращения, об/мин
Напряжение В
|
35,6
3500 440
|
|
Объем
масла, л
|
905
|
На рисунке 3 показан общий вид
плунжерной рулевой электрогидравлической машины типов Rolls-Royse
P81454. Ее основные
элементы - привод к баллеру, два винтовых насоса, электроприводы насосов,
система управления электроприводами, трубопровод с цистерной, баками и
клапанной коробкой. Привод к баллеру представляет собой блок из четырех
цилиндров, в центре которого находится румпель.
1.2.5
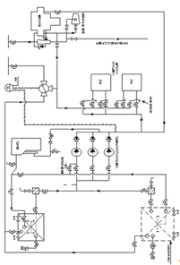
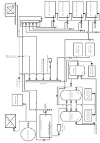
Принципиальная схема системы дистанционного управления ГЭУ
Digital Governor System
DGS 8800 & DGS 8800e
for MAN B&W MC engines
1.2.6
Проверочный расчет и построение ходовой характеристики судна
Расчет на прочность наименее надежного узла
двигателя
Расчёт шатуна
Расчёт поршневой головки шатуна
Так как d2/dl<l,5,
то расчет ведем для тонкостенной головки. В этом случае поршневая головка
рассматривается как брус малой кривизны, защемленный в местах перехода головки
в стержень (сечение В-В). Принимается, что растягивающая нагрузка от силы
инерции Pun поршневого
комплекта равномерно распределена по внутренней поверхности головки. Как
показывают исследования, наибольшие напряжения в тонкостенных головках
возникают в сечении заделки В-В, которое принимается за расчетное. Для этого
сечения изгибающий момент и нормальная сила равны:
где: γ
- угол
заделки, (γ =100…130).
р - радиус кривизны линии
центров тяжести сечений.
Изгибающий момент Ма и
нормальная сила Na
в сечении А-А равны:
При расчете тонкостенной
головки необходимо учитывать совместную деформацию головки и втулки. При этом
величина силы Nγr,
действующей на головку, несколько уменьшается:
Ев, Ег - модули упругости
материала втулки и головки;
Максимальное напряжение при
прямоугольной форме сечения возникает на внешних волокнах и равно:
где: а - длина головки.
При определении запаса
усталостной прочности необходимо учитывать напряжения в поршневой головке от
запрессовки втулки и нагрева. Для этого нужно учесть величину конструктивного
натяга ∆ втулки в головке и натяга ∆t,
определяемого различием в расширении материалов втулки и головки:
где: αв,
αг
- коэффициенты линейного расширения материалов втулки и головки. Температура
нагрева головки принимают ∆t=100...
150°С
Удельная сила между втулкой и
головкой:
где: d
- диаметр пальца.
Напряжение от запрессовки
втулки для внешних волокон головки:
С учетом натяга втулки
напряжения в расчетном сечении головки изменяются в пределах от σд
до (σи
+
σд). Тогда
амплитудное и среднее значение цикла напряжений:
Коэффициент запаса усталостной прочности:
σ-1
= 250 МПа - предел выносливости материала при симметричном цикле нагружения
(сталь 40Х)
Рисунок 6. Расчётная схема
тонкостенной головки
Расчёт стержня шатуна
При неизменном или мало
изменяющемся по длине стержня сечении, расчетное выбирают по середине длины
шатуна. При резко изменяющемся сечении за расчетное принимается наименьшее - у
поршневой головки. Суммарное напряжение от сжатия и продольного изгиба в
плоскости качения шатуна определяется по формуле:
F
- площадь расчетного сечения;
σу
- предел упругости материала;
Jx
- момент инерции расчетного сечения относительно оси х-х;
k - коэффициент, значение
которого для обычно применяемых в шатунах марок сталей находится в пределах k
=0,0002...0,0005.
При продольном изгибе в
плоскости, перпендикулярной к плоскости качения, суммарное напряжение сжатия
определяется по формуле:
где: Jy
- момент инерции сечения относительно оси у-у.
В формулах величины и
представляют собой деформируемые длины шатуна при разных направлениях изгиба.
Входящая в эти же уравнения сжимающая нагрузка Рсж является суммарной силой от
действия газовых и инерционных сил:
где: mп, mшр - массы поршневого
комплекта и шатуна над расчетным сечением.
Величина сжимающего напряжения σсж,
наибольшего из σсжх σсжу,
не должна превышать допускаемых значений: для шатунов из углеродистых сталей [σсж
]=100..140 МПа, из легированных сталей - [σсж
]=140. .200 МПа.
Напряжение растяжения в шатуне
имеет максимальное значение при положении поршня в DVN
в период газообмена:
Шатун подвергается действию знакопеременной
нагрузки. При этом напряжения в расчетном сечении изменяются в пределах от σсж
до σр.
Амплитуда и среднее значение
цикла напряжений:
Коэффициент запаса усталостной
прочности nσ:
Рисунок 7. Расчётная схема
стержня шатуна
Расчет кривошипной головки
шатуна
Для кривошипной головки шатуна
характерны сложная геометрическая форма, наличие разъёма, вкладышей и шатунных
болтов. По этой причине в ориентировочных расчетах анализу подвергается лишь
крышка. При этом она рассматривается как брус малой кривизны, защемленный в
сечениях А-А и нагруженный растягивающей инерционной силой Ри, распределенной
по косинусоидальному закону.
Величина силы Ри определяется
по формуле:
где: mкр - масса крышки
кривошипной головки. Опасным сечением является среднее сечение крышки Б-Б. Угол
в сечении определяется по формуле:
где: F,
FB- площади сечения
крышки и вкладыша;
Wu-момент
сопротивления изгибу собственно крышки;
J,
JB - моменты инерции
сечения крышки и вкладыша;
С - расстояние между шатунными
болтами.
Допускаемые напряжения в крышке
[σ∑]
= 60..80 МПа.
При формировании расчетной
схемы необходимо упрощение конструкции крышки путем приведения её к некоторому
осредненному сечению без существенного изменения конфигурации.
Рисунок 8. Расчётная схема
кривошипной головки шатуна
Расчёт шатунных болтов
Предварительная затяжка болтов
(в неработающем двигателе) выбирается равной:
тогда напряжение в стержне
предварительно затянутого болта:
где: iб
- количество шатунных болтов
Fmin
- площадь минимального сечения болта.
При работе двигателя часть
внешней нагрузки воспринимается стержнем болта.
Максимальное в цикле напряжение
в болте:
где: χ
- коэффициент внешней нагрузки, χ
=0,15... 0,30.
Амплитудное и среднее
напряжения цикла:
Определение запаса усталостной
прочности осуществляется при выборе следующих коэффициентов Кσ=4,
εσ=0,9, ψσ=0,2 по формуле:
Коэффициент запаса усталостной
прочности nσ должен находиться в
пределах nσ =3,0.. .5,0.
Сталь 40ХН
Рисунок 9. К расчёту шатунного болта
Построение ходовой характеристики судна
Для расчета определяем скорость
судна в балласте, мощность, расходуемую ГД при этой скорости и частоту вращения
гребного винта:
Таблица 5 - Исходные данные
|
№
п/п
|
Величина
|
Численное
значение
|
Размерность
|
|
1
|
Ne0
|
10010
|
кВт
|
|
2
|
Ne1
|
4210
|
кВт
|
|
3
|
V0
|
16,5
|
8,47
|
уз
|
м/с
|
|
4
|
V1
|
|
|
|
|
|
5
|
no
|
127
|
2,11
|
об/мин
|
сˉ1
|
|
6
|
n1
|
94,8
|
1,575
|
об/мин
|
сˉ1
|
Таблица 6 - Расчетные
коэффициенты
|
№
п/п
|
Величина
|
Численное
значение
|
|
1
|
µ1
|
1065,58
|
|
2
|
δ1
|
4,014
|
|
3
|
µ2
|
1066,55
|
|
4
|
δ2
|
5,37
|
|
5
|
a
|
0,71
|
|
6
|
b
|
1062,7
|
Формулы, необходимые для
расчета коэффициентов:
После произведенных вычислений получили
следующие значения, которые приведены в таблице 7.
Таблица 7 - Данные для
построения диаграммы ходовой характеристики судна с ВФШ
|
№
п/п
|
V, уз
|
Ne0,
кВт
|
no, об/мин
|
Ne1,
кВт
|
n1, об/мин
|
|
1
|
22
|
-
|
-
|
10010
|
127
|
|
2
|
20
|
-
|
-
|
8977,323
|
97,598
|
|
3
|
18
|
-
|
-
|
6544,469
|
87,838
|
|
4
|
16
|
-
|
-
|
4596,389
|
78,078
|
|
5
|
18,5
|
10010
|
127
|
4443
|
81,2
|
|
6
|
15
|
9148,262
|
105,245
|
3787,308
|
75,198
|
|
7
|
14
|
8562.25
|
98,230
|
3079,222
|
68,319
|
|
8
|
12
|
5761,005
|
84,197
|
1939,102
|
58,559
|
|
9
|
10
|
3333,915
|
70,164
|
1122,165
|
48,799
|
|
10
|
8
|
1706,964
|
56,131
|
574,549
|
39,039
|
Рисунок 10. Ходовая
характеристика судна с ВФШ
1.3
Судовая электростанция
Основные параметры
Основным родом тока на судне
является переменный ток частотой 60 Герц.
Электроэнергия распределяется
при следующих величинах напряжения:
·
440
вольт трехфазного тока для силовых потребителей;
·
230
вольт трехфазного и однофазного тока для основного и аварийного освещения,
сигнально-отличительных огней, камбузного и бытового оборудования,
нагревательных и отопительных электроприборов, средств радиосвязи и навигации;
- для питания потребителей
электроэнергией отличной от основной по напряжению, частоте и роду тока,
установлены соответствующие трансформаторы, преобразователи и аккумуляторные
батареи.
- 24 вольт постоянного тока
для систем управления и сигнализации через выпрямительное устройство и от
аккумуляторных батарей.
Источники электроэнергии
1) в качестве источников
электроэнергии в составе судовой электростанции установлены:
- 4 генератора трехфазного тока синхронные, SIEMENS
Type: 1FC6
562-8SA83
номинальной мощностью 910 кВт
при напряжении 440 В, 60 Гц, коэффициенте мощности 0,8 с автоматическим
регулированием напряжения и системой самовозбуждения, с приводом от дизеля;
·
1
аварийный генератор трехфазного тока SIEMENS
1FC2 355-4, синхронный
, номинальной мощностью 475 кВт при напряжении 440В, 1800 об/мин, 60 Гц,
коэффициенте мощности 0,8 с автоматическим регулированием напряжения и системой
самовозбуждения, с приводом от дизеля.
2) на судне установлены
следующие аккумуляторные батареи для потребителей на напряжение 24 В:
- 1 кислотная батарея емкостью
130 А-ч, напряжением 24 В - для стартерного запуска АДГ, расположенных в
помещении АДГ;
·
2
кислотные батареи емкостью 200 А-ч, напряжением 24 В каждая для питания средств
радиосвязи, расположенных на компасной палубе мостика;
·
1
кислотные батарей емкостью 130 А-ч, напряжением 24 В , предназначенных для
питания систем сигнализации предупреждения о пуске системы объемного
пожаротушения и сигнализации обнаружения пожара, систем автоматики
электроэнергетической установки, авральной сигнализации - в течение не менее 30
минут.
Кислотные батареи расположены в
специальных контейнерах непосредственно у потребителей.
Зарядка аккумуляторных батарей
осуществляется стационарными зарядными агрегатами, имеющими автоматическую
регулировку тока зарядки .
Напряжение под нагрузкой - в
пределах 26 В.
Для зарядки аккумуляторных
батарей для средств радиосвязи используется отдельное автоматическое зарядное
устройство.
Для подключения к береговой
сети предусмотрены четыре кабеля, сечением 3x70 мм2, длиной по 125 м
каждый и два одножильных кабеля сечением 70 мм2,длиной 125м для
подсоединения береговой нейтрали к корпусу судна.
1.3.1
Дизель-генераторы
Каждый дизель-генератор состоит
из дизеля и генератора, соединенных между собой муфтой и смонтированных на
общей фундаментной раме.
Для привода генераторов
применены двигатели марки MAN
B&W
6L23/30H
со следующими характеристиками:
· число
цилиндров 6
· диаметр
цилиндров 230 мм
· ход
поршня 300 мм
· частота
вращения 900об/мин
· мощность 910
кВт
- удельный эффективный расход
топлива на номинальной мощности при атмосферных условиях, приведенный к
теплотворной способности топлива 42,7 МДж/кг (10200 ккал/кг) 205 г/кВт ч.
Пуск дизель-генераторов -
воздушный.
Аварийный дизель-генератор
(АДГ)
Аварийный дизель-генератор
расположен в отдельном помещении в корме судна.
Для привода аварийного
генератора применен 12 цилиндровый четырехтактный дизель марки MAN
D 2842 LE201
, смонтированный на общей фундаментной раме с генератором, установленной на
амортизаторах.
Все обслуживающие двигатель
насосы и теплообменные аппараты навешены на двигатель.
Номинальные характеристики
двигателя:
· число
цилиндров 12
· мощность
475 кВт
· частота
вращения 30 сˉ1 (1800 об/мин)
· удельный
расход топлива 245+5% г/кВтч (179+5% л.с.ч.)
Двигатель охлаждается пресной
водой по замкнутому циклу с помощью навешенных на двигатель радиатора и
вентилятора.
Аварийный дизель-генератор
оборудован системой автоматического стартерного запуска, срабатывающей при
исчезновении напряжения в судовой электросети.
Предусмотрена возможность
ручного электростартерного пуска со щита двигателя, а также местного ручного
пуска дизель-генератора от устройства гидравлического пуска давлением 28 МПа
(280 кг/см)
В помещении аварийного
дизель-генератора установлена расходно-топливная цистерна емкостью 1,5 м3,
конторка, ящик для ветоши и огнетушитель.
Для аварийного
дизель-генератора предусмотрены топливный и выхлопной трубопроводы.
1.3.2
Загрузка судовой электростанции
Таблица 8 - Загрузка судовой электростанции
(СЭС) на различных режимах
|
Режим
работы
|
Номер
колонки на гистограмме
|
Загрузка
судовой электростанции
|
Примечание
|
|
Стоянка
без грузовых операций
|
1
|
418
|
кВт
|
Без
учета работы швартовых лебедок мощностью 155 кВт
|
|
2
|
223
|
кВа
|
|
|
Стоянка
с грузовыми операциями
|
3
|
1237
|
кВт
|
-
|
|
4
|
811
|
кВа
|
-
|
|
Съемка
с якоря
|
5
|
1270
|
кВт
|
-
|
|
6
|
764
|
кВа
|
-
|
|
Ходовой
режим (летом)
|
7
|
919
|
кВт
|
С
учетом работы системы кондиционирования мощностью 70 кВт
|
|
8
|
552
|
кВа
|
|
|
Ходовой
режим (летом) с мойкой танков
|
9
|
1246
|
кВт
|
-
|
|
10
|
792
|
кВа
|
-
|
|
Аварийный
режим при работе основной электростанции
|
11
|
882
|
кВт
|
-
|
|
12
|
633
|
кВа
|
-
|
|
Аварийный
режим при работе водоотливных средств
|
13
|
97
|
кВт
|
При
работе в специальном режиме
|
|
14
|
42
|
кВа
|
|
|
Режим
оживления главной энергетической установки
|
15
|
104
|
кВт
|
-
|
|
16
|
53
|
кВа
|
-
|
Рисунок 11. Гистограмма
загрузки судовой электростанции на различных режимах
Таблица 9 - Загрузка судовой электростанции
(СЭС) на различных режимах
|
Режим
работы
|
Номер
колонки на гистограмме
|
Загрузка
судовой электростанции
|
Примечание
|
|
Стоянка
без грузовых операций
|
1
|
573
|
кВт
|
С
учетом работы швартовых лебедок мощностью 155 кВт
|
|
2
|
445
|
кВа
|
|
|
Стоянка
с грузовыми операциями
|
3
|
1237
|
кВт
|
-
|
|
4
|
811
|
-
|
|
Съемка
с якоря
|
5
|
1270
|
кВт
|
-
|
|
6
|
764
|
кВа
|
-
|
|
Ходовой
режим (летом)
|
7
|
844
|
кВт
|
Без
учета работы системы кондиционирования мощностью 70 кВт
|
|
8
|
521
|
кВа
|
|
|
Ходовой
режим (летом) с мойкой танков
|
9
|
1246
|
кВт
|
-
|
|
10
|
792
|
кВа
|
-
|
|
Аварийный
режим при работе основной электростанции
|
11
|
882
|
кВт
|
-
|
|
12
|
633
|
кВа
|
-
|
|
Аварийный
режим при работе водоотливных средств
|
13
|
88
|
кВт
|
При
работе в обычном режиме
|
|
14
|
36
|
кВа
|
|
|
Режим
оживления главной энергетической установки
|
15
|
104
|
кВт
|
-
|
|
16
|
53
|
кВа
|
-
|
Рисунок 12. Гистограмма
загрузки судовой электростанции на различных режимах
Таблица 10 - Итоговая таблица
расчета мощностей судовой электростанции (СЭС) в зависимости от режимов работы
судна в рейсе
|
Наименование
режима
|
Расчетная
мощность, кВт
|
Генераторы
|
|
|
Работающие
|
Неработающие
|
|
Стоянка
без грузовых операций без работы автоматических швартовых лебедок
|
418
|
ДГ
1 - 720
|
ДГ
3 - 720
|
|
Стоянка
без грузовых операций с работой автоматических швартовых лебедок
|
573
|
ДГ
2 - 720
|
ДГ
2 - 720
|
|
Стоянка
с грузовыми операциями
|
1237
|
ДГ
4 - 720
|
-
|
|
Съемка
с якоря
|
1270
|
ДГ
2 - 720
|
ДГ
2 - 720
|
|
Ходовой
режим с учетом работы системы кондиционирования
|
919
|
ДГ
1 - 720
|
ДГ
3 - 720
|
|
Ходовой
режим без учета работы системы кондиционирования
|
849
|
ДГ
1 - 720
|
ДГ
3 - 720
|
|
Ходовой
режим с мойкой танков
|
1246
|
ДГ
2 - 720
|
ДГ
2 - 720
|
|
Аварийный
режим при работе основной электростанции
|
882
|
ДГ
1 - 720
|
ДГ
3 - 720
|
|
Аварийный
режим при работе АДГ с работой водоотливных средств
|
97
|
ДГ
1 - 720
|
-
|
|
Режим
оживления главной энергетической установки при работе АДГ
|
106
|
ДГ
1 - 720
|
-
|
1.3.3
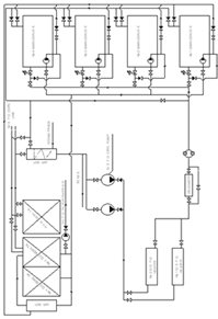
Распределение электроэнергии на судне
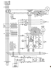
1) схемой главного
распределительного щита (ГРЩ) предусмотрены (рис. 13):
· длительная
одиночная работа одного любого генератора;
· длительная
параллельная работа 4 дизель-генераторов;Harbour
Mode.
- кратковременная параллельная
работа любого из генераторов с береговым источником электроэнергии на период
перевода нагрузки;
- прием электроэнергии
от берегового источника;
- передача
электроэнергии с ГРЩ на шины аварийного распределительного щита (АРЩ) при
неработающем состоянии АДГ; работа АДГ в режиме стояночного генератора.
- распределение
электроэнергии напряжением 440 и 230 вольт;
·
секционирование
шин ГРЩ в целях повышения надежности установки;
·
автоматическая
и ручная синхронизация генераторов при помощи синхроноскопа.
Примечание:
Предусмотрена параллельная работа генераторов с аварийным генератором.
2) схемой щита аварийного
дизель-генератора предусмотрено:
·
распределение
электроэнергии напряжением 440 В и 230 В потребителям;
·
питание
механизмов оживления главной установки (компрессора пускового воздуха, насоса
забортной воды охлаждения вспомогательных механизмов главной установки),
рулевой машины, системы дистанционного управления дизель-генераторов;
·
питание
навигационных приборов, аварийной и авральной сигнализации,
сигнально-отличительных огней, шлюпочных лебедок;
·
прием
электроэнергии с ГРЩ по кабельной перемычке, рассчитанной на передачу мощности
450 кВт;
·
автоматический
запуск АДГ и прием нагрузки при исчезновении напряжения на стороне питания шин
АРЩ от ГРЩ;
3) непосредственно от сборных
шин ГРЩ получают питание потребители значительной мощности и наиболее
ответственные потребители, обеспечивающие ход судна и безопасность его
плавания; остальные потребители получают питание через распределительные щиты
или отсечные щиты от шин распределительных секции ГРЩ
4)
электроприводы
рулевого устройства получают питание по двум фидерам (каждый по своему фидеру)
от разных секций ГРЩ, аварийный электропривод получает питание от шин АРЩ;
5)
рефрижераторная
установка провизионных камер получает питание от распределительной секции ГРЩ и
от распределительного щита;
6) в электромастерской
установлен контрольно-испытательный щуп с необходимой контрольно-измерительной
и коммутационно-защитной аппаратурой,
Коммутация и система защиты:
1) подключение
генераторов к шинам ГРЩ и защита их от токов короткого замыкания и минимального
напряжения осуществляется селективными автоматическими выключателями,
снабженными приводом с местным и дистанционным управлением. Защита генераторов
от активного обратного тока осуществляет реле обратного тока.
2) сборные шины ГРЩ соединены
между собой селективными автоматическими выключателями;
3)
на
главном распределительном щите установлены необходимые контрольно-измерительные
приборы;
4)
подключение
потребителей, отсечных и распределительных щитов к шинам распределительных
секций ГРЩ осуществляется автоматическими выключателями;
5)
на
подключаемых к сборным шинам и шинам распределительных секций ГРЩ фидерах
потребителей, имеющих пусковую аппаратуру с тепловой защитой, а также рулевого
устройства и пожарных насосов применены автоматы с электромагнитными
расцепителями, обеспечивающими защиту от т.к.з., а на фидерах, питающих
распределительные щиты - автоматы с комбинированными (полупроводниковыми и
тепловыми расцепителями обеспечивающими защиту от т.к.з. и перегрузки фидера):
6)
подключение
потребителей к АРЩ, отсечным распределительным и распределительным щитам,
осуществляется автоматическими выключателями с комбинированными
полупроводниковыми и тепловыми или электромагнитными расцепителями и
автоматическими выключателями с электромагнитными расцепителями и замедлителем
срабатывания;
7)
при
нормальном режиме работы шины распределительной секции аварийного
распределительного щита (АРЩ) получают питание с ГРЩ;
Обеспечена возможность пробных
запусков аварийного дизель-генератора без подключения генератора на свои
распределительные шины;
8) подключение потребителей к
районным и групповым щитам освещения производится автоматическими
выключателями.
Конструкция распределительных
устройств:
1)
главный
распре делительный щит состоит из 2 генераторных секций, секции управления,
распределительных секций 440 вольт и распределительных секций 230 вольт;
2)
аварийный
распределительный щит состоит из двух секций: генераторной, секции
распределения и автоматики;
3)
главный
распределительный щит и аварийный распределительный щит состоят из сварных
стальных каркасов, со смонтированной на панелях коммутационной и защитной
аппаратурой:
Все токоведущие части
расположены с задней стороны щитов, а на лицевую сторону выведены рукоятки
управления оперативными аппаратами и шкалы измерительных приборов.
Рисунок 13. Схема судовой
электростанции
Канализация тока и кабель:
) для питания потребителей
электроэнергией предусмотрены морские кабеля импортного производства
аналогичные по конструкции и техническим характеристикам маркам КНР, КНРЭК,
КРШМ; для беструбной прокладки во взрывоопасных средах и пространствах
предусмотрены морские кабеля импортного производства аналогичные по конструкции
и техническим характеристикам кабелям марок КВРВВ, КШРВБ и КВГРВВ;
2) прокладка кабелей на
верхней палубе в районе грузовых танков предусмотрена в специальных
конструкциях, защищающих их от механических повреждений, кабели проложены по
переходному мостику.
Электрооборудование палубных,
вспомогательных, бытовых и прочих механизмов аппаратов, устройств и
систем
Электроприводы судовых и
бытовых устройств:
) в качестве электроприводов
палубных механизмов и бытовых устройств применены короткозамкнутые асинхронные
электродвигатели с прямым пуском посредством магнитных пускателей или
контроллеров или частотных конвекторов. Рулевой электропривод управляется из
румпельного отделения (местное управление) и из рулевой рубки и снабжен
звуковой и световой сигнализацией (в ЦПУ и рулевой), срабатывающей при
перегрузке насосов переменной производительности и потере питания на рулевом
приводе. Кроме того, в рулевой рубке и ЦПУ предусмотрена световая сигнализация
о работе насосов.
) в качестве электроприводов
лебедок и других устройств, требующих регулирования скорости применены
асинхронные электродвигатели с частотными конвекторами.
3) для аварийного отключения
электроприводов гидравлики шлюпочных лебедок вблизи постов управления
установлены выключатели цепи питания; у крана выключатель питания установлен на
кране.
Электроприводы судовых систем и
вентиляции:
) для электропривода
холодильных установок кондиционирования воздуха и провизионных камер,
общесудовых вентиляторов и других механизмов систем предусмотрены
короткозамкнутые асинхронные электродвигатели;
) для электропривода систем
вентиляции предусмотрены короткозамкнутые асинхронные электродвигатели с
регулируемой частотой;
.4
Котельные установки
.4.1 Вспомогательные котлы
В качестве вспомогательного
котла на судне применен:
огнетрубный
автоматизированный котел Tortoise
MVW-110
с естественной циркуляцией, установленных в кормовой части 2 платформы.
Комплектация и трубопроводы
вспомогательных котлов обеспечивают совместную их работу на единую паровую
магистраль с автономными системами, а также их раздельную работу (рис. 14).
Основные спецификационные
характеристики вспомогательного котла
номинальная производительность
11 т/ч
рабочее давление 0,75 МПа
(7,5кг/см2)
расход топлива при номинальной
около 1,1 т/ч производительности
Утилизационный
котел Tortoise
2.10-4548/30, работающий на выхлопных газах главного двигателя, вертикальный,
водотрубный с принудительной циркуляцией, установленный на 1 ярусе дымовой
трубы.
Основные спецификационные
характеристики утилизационного котла при спецификационной максимальной
длительной мощности главного двигателя:
производительность около 1,2
т/ч
давление перегретого пара 0,8
МПа (8 кг/см2) Утилизационный котел обеспечивает сухое
искроулавливание, а также глушение шума выхлопа главного двигателя.
Водоуказательные колонки,
предохранительные и стопорные клапаны вспомогательных котлов имеют ручные
приводы.
Аварийное ручное управление
предохранительными и стопорными клапанами вспомогательных котлов выведено на
открытую часть верхней палубы (рис. 14).
Описание работы утилизационного
котла Tortoise
2.10-4548/30
Выпускные газы от главного
двигателя 7S50MC
последовательно омывают пароперегревательный, парообразующий и экономайзерный
пучки, выполненные из труб 20 х 2,5 мм и имеющие шахматное строение. Каждый
пучок состоит из двух параллельно работающих секций. Для обеспечения более
равномерного распределения воды по змеевикам экономайзера во входных
коллекторах установлены питательные трубы, каждая из которых имеет три ряда
отверстий для выхода воды. Затем по перепускным трубам вода поступает в нижние
входные коллекторы, змеевики и выходные коллекторы парообразующего пучка. Образовавшаяся
в нем пароводяная смесь направляется в сепаратор, где происходит отделение пара
от воды.
В случае эксплуатации
энергетической установки судна при неработающем турбогенераторе, Т.е. когда
перегретый пар не нужен, экономайзер работает как парообразующая поверхность
нагрева; остальные поверхности нагрева при этом отключены.
Искроуловитель состоит из
закручивающих лопаток, сетки-диафрагмы и конуса, заключенных в кожух. Лопатки,
установленные по касательной к окружности, обеспечивают потоку вращательное
движение, способствующее лучшему выпадению раскаленных частиц золы и сажи.
Удаление их производится через окна со съемными щитами, расположенные в боковых
стенках кожуха искроуловителя. Паровой котел и сепаратор приспособлены как для
автоматического, так и для ручного управления.
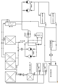
Рисунок 14. Схема вспомогательного и
утилизационного котлов
К схеме вспомогательного и
утилизационного котлов:
. Вспомогательный котёл
. Предохранительный
клапан
. Главный паровой
стопорный клапан
. Главный клапан для
закрытия питательной воды
. Главный клапан для
открытия питательной воды
. Клапан для верхней
продувки
. Клапан для нижнего
спуска пара
. Клапан спуска пара от
нижнего барабана
. Клапан водяным уровнем
для воды
. Клапан с водяным
уровнем для циркуляционной водой
. Спускной клапан для
воды в уровнях
. Водяные уровни
. Трубы для водных
уровней
. Клапана системы
управления уровнем в барабане
. Клапан с манометром
. Клапан для выключения
давления
. Воздушный
вентиляционный клапан
. Водный струйный клапан
. Клапан выходной
циркуляционной воды
. Клапан входной
циркуляционной воды
. Саже обдувка
. Стопорный клапан саже
обдувки
. Манометр
. Уровни конденсата
. Трёхходовой
магистральный клапан
. Трёхходовой клапан с
манометром
. Выключатели давления
. Контроль уровня
. Двухходовой клапан
управления
. Проба
. Прибор содержания соли
. Утилизационный котёл
. Предохранительный
клапан
. Клапан спускной
. Клапан вентиляции
воздухом
. Манометр хвостового
клапана
. Манометр
. Саже обдувка
. Стопорный клапан саже
обдувки
. Промывка водой
. Стопорный клапан
водной промывки
. Термометр
. У-образный манометр
. Управление контролем
горения
. Электрический
индикатор уровня с передачей давления
Системы вспомогательного и
утилизационного котлов
Системы вспомогательного и
утилизационного котлов состоят из:
питательной и циркуляционной;
свежего пара;
отработавшего пара;
топливной;
- ввода присадок в питательную воду;
Питательная и циркуляционная
системы обеспечивают:
заполнение цистерны запаса
котельной воды не судовыми средствами;
перекачку котельной воды из
запасной цистерны, электронасосом в теплый ящик;
подачу воды питательными
насосами из теплого ящика в паровые коллекторы вспомогательных котлов и в
сепаратор пара утилизационного котла;
циркуляцию воды в системе
утилизационного котла.
Система свежего пара
обеспечивает подачу пара от вспомогательных и утилизационного котлов: на
турбоприводы грузовых и зачистных насосов, турбогенератор, подогреватели
топлива и масла, на станцию парового отопления, на хозяйственные нужды, на
подогрев топлива, масла и воды в цистернах, обогрев груза, на подогреватели
забортной воды для мойки танков, обогрев донной и бортовой арматуры, а также на
дроссельно-увлажнительное устройство (ДУУ) конденсационной установки при использовании
вспомогательного котла как генератора инертных газов.
Система отработавшего пара
обеспечивает отвод пара и конденсата:
от турбоприводов грузовых и
зачистных насосов на вакуумную и конденсационную установку, а затем
конденсатным электронасосом в теплый ящик;
от обогрева груза,
подогревателей топлива и масла, змеевиков подогрева топлива и масла в цистернах
через конденсатоотводчики, охладитель грязного конденсата и контрольную
цистерну в теплый ящик;
от регуляторов травления пара
вспомогательных котлов и подогревателей забортной воды на конденсатор чистого
конденсата и в теплый
- от всех остальных потребителей пара через
конденсатоотводчики на теплый ящик через конденсатор котлов, конденсаторов и
трубопровода отработавшего пара в атмосферу.
Топливная система обеспечивает:
прием топлива форсуночными
электронасосами из расходной цистерны через фильтры и подачу через
подогреватели топлива и фильтры
Система обогревания
обеспечивает подвод пара на обогрев:
цистерн запаса топлива,
отстойных и расходных цистерн тяжелого топлива;
- сточно-циркуляционной цистерны масла главного
двигателя.
1.4.3
Загрузка котельной установки
Рисунок 15. Загрузка котельной установки
1 - работа утилизационного котла на переходе;
- работа вспомогательного котла при стоянке без
выгрузки груза;
- работа вспомогательного котла при выгрузке
груза.
1.5
Опреснительная установка
Таблица 11 - Основные параметры опреснительной
установки
|
Параметр
|
Sasakura K-KM25
|
|
Производительность
ВОУ, т/сут
|
100
|
|
Общее
солесодержание дистиллята по МаС1, мг/л (не более)
|
5
|
|
Расход
греющей воды, м3/ч
|
120
|
|
Подача
забортной воды к конденсатору, м3/ч
|
100
|
|
Подача
забортной воды на питание испарителя, м3 /ч
|
3,95
|
|
Расход
электроэнергии, кВт -ч
|
2
|
|
Масса
сухой установки, кг
|
370
|
Примечание. Для ВОУ давление
кипения в испарителе 7,5 - 9,8 кПа, коэффициент продувания 2-3, температура
греющей воды 80°С.
Рисунок 16. Принципиальная
схема водоопреснительной установки Sasakura
K-KM25
1.6
Краткая характеристика систем СЭУ
.6.1
Топливная система
Система приема и перекачки
топлива предназначена для:
- приема в цистерны запаса
дизельного и тяжелого топлива в диптанках;
- перекачки тяжелого топлива из
цистерн запаса в отстойную цистерну и расходные цистерны котельного топлива;
перекачки тяжелого топлива из
приемно-переливной цистерны диптанка в цистерны МКО;
выдачи с судна топлива из
цистерн запаса и диптанка;
откачки из цистерн
нефтеостатков, отстоев топлива и отсепарированной воды.
Система расходно-топливная
главного двигателя и сепарации тяжелого топлива предназначена для:
· подачи тяжелого топлива к главному
двигателю и дизель-генераторам;
· отвода избытка тяжелого топлива, от
топливных насосов главного двигателя;
· сепарации тяжелого топлива и
заполнения расходно-топливных цистерн;
· сбора отходов сепарации и шлама;
· слива и сбора отстоя и протечек
топлива;
· замера расхода тяжелого топлива ГД
и ДГ.
Система расходно-топливная
дизелей и сепарации дизельного топлива предназначена для:
· подачи дизельного топлива к ГД и ДГ
от расходных цистерн дизельного топлива;
· приема дизельного топлива к
сепаратору дизельного топлива;
· подачи топлива сепаратором
дизельного топлива в расходные цистерны дизельного топлива;
· заполнения сепаратором дизельного
топлива растопочной цистерны котла;
· сбора отходов и сепарации
дизельного топлива;
· слива отстоя и протечек топлива.
Система расходно-топливного
трубопровода вспомогательного котла предназначена для подвода топлива к
форсункам котлов и состоит из:
· трубопровода тяжелого топлива;
· трубопровода дизельного топлива;
· трубопровода слива протечек и
дренажных труб;
· импульсных трубопроводов.
Рисунок 17. Топливная система
главного двигателя
Рисунок 18. Топливная система
дизель-генераторов
Система слива отстоя из цистерн
и поддонов предназначена для слива отстоя из топливных и масляных цистерн,
сбора нефтепродуктов с поддонов, с рамы ГД, со столов мойки и т.д. в цистерны
нефтеостатков, отстоев топлива и отсепарированной воды.
Система откачки моечной воды
предназначена для откачки воды из топливных цистерн после мойки. Система
обслуживает цистерны тяжелого топлива в МО, расходно-топливные цистерны
вспомогательных котлов в МКО и переливную цистерну тяжелого топлива в ННО.
.6.2
Масляная система
Масляная система предназначена
для:
1) приема масла на судно;
2) подачи масла из цистерн
запаса в сточно-циркуляционную цистерну главного двигатели, в
сточно-циркуляционную цистерну смазки распредвала;
3)
подачи
цилиндрового масла из цистерн запаса в напорные цистерны;
4)
подачи
масла в масляные цистерны трубопроводов грузовых и зачистных насосов;
5) подачи масла из цистерн
запаса в картер дизель-генератора и сточно-переливную цистерну ДГ;
6) подачи масла на смазку узлов
трения главного двигателя;
7) сепарации масла;
) подачи масла на смазку
приводов топливных насосов и выхлопных клапанов главного двигателя;
10) подачи масла к лубрикаторам
для смазки цилиндров главного двигателя;
11) подачи масла на смазку
дизель-генераторов;
) слива и перекачки
отработанного масла;
) откачки масла с судна;
) отвода воздуха из масляных
цистерн;
) отвода газов из картеров ДГ.
Основные технические данные
Схема трубопроводов приема и
перекачки масла, переливных и воздушных труб, масляных трубопроводов
дизель-генераторов и труб отвода газов из картеров ДГ.
Подача масла в цистерны
осуществляется по раздельным трубопроводам для масла различного назначения.
Все цистерны, за исключением
цистерн расположенных в междудонном пространстве, оборудованы указательными
колонками.
Перелив из цистерн:
1)
турбинного
масла;
2)
дизельного
масла;
3)
моторного
масла;
4)
цилиндрового
масла производится в цистерну перелива масел.
Слив масла из сточно-циркуляционной
цистерны масла распредвала, от поддонов блока смазки распредвала ГД
производится в цистерну нефтеостатков самотеком.
Налив компрессорного масла в
цистерну запаса компрессорного масла производится через наливную втулку,
расположенную в районе 110 шп.
Воздушные трубы из цистерн
отработанного масла выведены на верхнюю палубу и заканчиваются воздушными
головками с поплавковыми клапанами и предохранительными сетками. У цистерн,
имеющих переливные трубы, воздух отводится по этим трубам. У цистерн ручного
разбора для отвода, воздуха предусмотрены гуськи.
Перед заполнением маслом
цистерн запаса необходимо открыть соответствующие клапаны для спуска
скопившейся в трубопроводе воды, после чего их закрыть.
Масло из цистерны используется
для технологических целей.
Масло из цистерны используется
для смазки компрессоров.
Заполнение картеров ДГ маслом
производится самотеком из цистерны запаса масла ДГ и затем через переливные
патрубки ДГ в сточно-переливную цистерну.
При понижении уровня масла в
картерах ДГ ниже допустимого, сепаратором масла ДГ масло забирается из
сточно-циркуляционной цистерны ДГ и после сепарации насосом сепаратора подается
в картера ДГ.
Пополнение
сточно-циркуляционной цистерны ДГ производится периодически по мере
расходования масла в ДГ.
Масляные насосы, холодильники и
фильтры дизель-генераторов расположены на двигателях.
Все подвижные части двигателя
смазываются маслом, циркулирующим в закрытой системе. Кроме того, смазочное
масло используется для охлаждения поршней.
Насос смазочного масла нагнетает
масло через охладитель и фильтр в главный смазочный трубопровод, из которого
масло распределяется к отдельным точкам смазки. Дизель-генераторы также
оборудованы ручным и электрическими насосами для прокачивания смазочной системы
перед пуском двигателя.
Воздушные трубы из картеров
дизель-генераторов выведены на шельф дымовой трубы и заканчиваются воздушными
головками с предохранительной сеткой.
Схема трубопроводов
циркуляционного масла ГД, отвода газов из ГД и из сточно-циркуляционной
цистерны масла
Подача масла к главному
двигателю осуществляется двумя электронасосами. Масляные электронасосы
принимают масло из сточно-циркуляционной цистерны 10 и через грязевые коробки и
подают его через холодильники масла, трехсекционный фильтр с автоматическим
управлением, магнитный фильтр в главный двигатель.
Температура масла, поступающего
в двигатель поддерживается регулятором температуры непрямого действия,
установленном на трубопроводе забортной воды и перепускающем часть воды мимо
холодильника масла.
Датчик температуры масла
установлен на трубе подвода масла к двигателю.
Из двигателя масло сливается
самотеком в сточно-циркуляционную цистерну, из которой производится прием масла
к насосу.
Для защиты от избыточного
давления приемных клапанов в случае протечек масла через клапаны предусмотрены
перемычки с постоянно открытыми невозвратными клапанами.
Слив масла после смазки ТК
главного двигателя производится в сточно-циркуляционную цистерну ГД самотеком.
Очистка сетчатого трех
секционного фильтра производится сжатым воздухом без выключения и разборки
фильтра при помощи блока управления очисткой маслофильтра, обеспечивающего
автоматическое управление клапаном продувки, а также управление
электродвигателем масляного фильтра. Блок управления масляным фильтром
оборудован сигнализацией о работе и наличии питания. Включение очистки фильтра
производятся дистанционно из ЦПУ или с МПУ. Слив из фильтра осуществляется в
цистерну продувки фильтра, из которой производится откачка масла сепаратором в
сточно-циркуляционную цистерну ГД.
Для удаления воздуха из масла,
поступающего к главному двигателю, на трубопроводе подвода масла к двигателю
установлен деаэрационный колпачок, от которого отведена труба со смотровым
фонарем в сточно-циркуляционную цистерну.
Воздушные трубы из сточно-циркуляционной
цистерна ГД и из картера ГД выведены на шельф дымовой трубы и заканчиваются
воздушными головками с предохранительной сеткой.
Схема трубопроводов
цилиндрового масла, слива протечек масла от сальников штоков поршней ГД и
воздушных труб
Цилиндровое масло подается
самотеком из цистерн запаса цилиндрового масла в напорные цистерны цилиндрового
масла, а оттуда к лубрикаторам ГД.
Воздушные трубы из напорных
цистерн цилиндрового масла отведены на шельф дымовой трубы и заканчиваются
воздушными головками с предохранительной сеткой.
Схема трубопроводов сепарации
масла
Сепарация циркуляционного масла
ГД осуществляется центробежным сепаратором масла, сепарация циркуляционного
масла ДГ сепаратором масла, скомпонованными с трубопроводами, арматурой и
подогревателями масла в блоке сепарации, куда входят также сепараторы топлива,
подогреватели топлива с трубопроводами и арматурой также цистерна шлама и
другое оборудование.
Сепаратор ГД может принимать
масло:
а) из сточно-циркуляционной
цистерны масла ГД;
б) из цистерны сбора
протечек масла от штоков поршней ГД;
г) из цистерны продувки
масляного фильтра;
д) из цистерны отработанного
масла ГД;
е) из маслобаков
турбоприводов.
Сепаратор ДГ принимает масло из
сточно-переливной цистерны ДГ.
Отсепарированное масло
подается:
а) в сточно-циркуляционную
цистерну ГД;
в) к блоку главных
циркуляционных насосов для первоначального заполнения приемных магистралей
насосов;
г) в цистерну отработанного
масла ГД;
д) в цистерну
отсепарированного масла от сальников штоков поршней;
е) в маслобаки
турбоприводов;
ж) в картер ДГ.
Отработанное цилиндровое масло
сбрасывается через клапан в цистерну шлама и затем шламовым насосом выдается в
цистерну инсинератора или трубопровод выдачи системы льяльных вод.
При выходе из строя одного из
сепараторов, предусмотрена возможность работы любым из сепараторов на ДГ и ГД,
при этом клапан и глухой фланец должны быть открыты.
Трубопроводы масляной системы
окрашены под цвет помещения. На трубопроводах нанесены следующие отличительные
знаки: на приемных трубопроводах и трубопроводах заполнения цистерн - одно
узкое кольцо желтого цвета. На напорных трубопроводах - два узких кольца
желтого цвета. На сливных трубопроводах - два узких кольца (одно желтого,
другое - черного цвета).
Контрольно-измерительные
приборы
Для контроля за работой системы
предусмотрены манометры, местные и дистанционные термометры и сигнализаторы
уровня давления в цистернах.
Рисунок 19. Схема масляной
системы
.6.3
Система забортной воды
Трубопровод забортной воды
обеспечивает:
· прием
воды электронасосами охлаждения и опреснительной установки из перемычки, куда
забортная вода подается из днищевого или бортового кингстонных ящиков через
фильтры;
· прокачку
холодильников пресной воды, и отвод воды автоматически за борт или на
циркуляцию;
· подачу
воды на опреснительную установку.
Основные технические данные
Система охлаждения забортной
водой ГД
Для приема забортной воды в
систему охлаждения в МКО предусмотрены днищевой и бортовой кингстонные ящики,
из которых вода через фильтры поступает в приемный ящик забортной воды. Система
обслуживается двумя охлаждающими насосами RVD-450E,
один из которых является резервным. Резервный насос включается автоматически
при падении давления воды в системе. Насос принимает забортную воду из
приемного ящика забортной воды и подает через регулятор температуры к
холодильникам пресной воды.
Этот регулятор, в зависимости
от температуры забортной воды на выходе из насосов, направляет воду из
холодильников за борт через невозвратно-запорный клапан и на прием к охлаждающим
насосам через задвижку и невозвратно-запорный клапан в кингстонный ящик или в
приемную магистраль охлаждающих насосов.
К одному из главных охлаждающих
насосов подведена магистраль аварийного осушения МО через клапан.
Воздушные трубы из кингстонных
ящиков объединены и выведены на открытую часть ВП и заканчивается гуськом.
Для выпуска воздуха из
холодильников предусмотрены трубы, которые присоединены к воздушной трубе из
кингстонных ящиков.
Рисунок 20. Принципиальная схема
охлаждения забортной водой СЭУ
.6.4 Система пресной воды
В систему охлаждения пресной
водой входят:
1)
система
пресной воды охлаждения главного двигателя;
2)
система
пресной воды охлаждения дизель-генераторов.
Система охлаждения пресной
водой предназначена для:
1)
охлаждения
главного двигателя и дизель-генераторов;
2)
прогрева
неработающего главного двигателя подогревателем пресной воды;
3)
подачи
греющей воды на водоопреснительные установки;
Общее описание и основные
технические данные
системы охлаждения главного
двигателя пресной водой
Заполнение водой системы
производится электронасосом перекачки пресной воды из цистерны запаса котельной
воды через клапаны и в расширительную цистерну. Вода подается также в цистерну
присадок через клапан, а из нее через клапан и кран - в расширительную
цистерну.
Из расширительной цистерны
через клапан производится заполнение системы водой, а также пополнение утечек
во время работы системы.
Система охлаждения главного
двигателя обслуживается двумя охлаждающий электронасосами пресной воды, один из
которых является резервным. Резервный насос включается автоматически при
падении давления воды в системе.
К главному двигателю вода
поступает через регулятор температуры воды, подаваемой насосом, регулирует
количество воды, проходящей через холодильники, обеспечивая необходимый
температурный режим охлаждения двигателя.
Пресная вода из главного
двигателя поступает в деаэрационный бак, в котором происходит отделение воздуха
и паровоздушной смеси. На магистрали пресной воды после охлаждающих насосов ГД
производится отбор греющей воды для опреснительных установок.
Для подогрева неработающего
главного двигателя в системе предусмотрен подогреватель пресной воды, к
которому подается пар из системы обогревания.
Система охлаждения дизель-генераторов
пресной водой.
Заполнение водой системы
производится электронасосом перекачки пресной воды из цистерны запаса котельной
воды через клапаны.
Вода подается в расширительную
цистерну дизель-генераторов оттуда через клапана производится заполнение
системы, а также пополнение утечек во время работы системы.
Система пресной воды каждого
дизель-генератора обслуживается своим центробежным насосом, навешанным на
двигатель.
Подача воды в рубашки
дизель-генераторов производится через холодильники пресной воды, задвижки.
Для поддержания постоянной
температуры пресной воды, у выпуска охлаждающей воды из двигателей установлен
термостатический клапан.
Для постановки неработающего
дизель-генератора в "горячий" резерв в системе пресной воды двигателя
предусмотрен электрический подогреватель.
Рисунок 21. Принципиальная
схема охлаждения СЭУ пресной водой
В случае повреждения системы
охлаждения пресной водой дизель-генераторы могут охлаждаться забортной водой
при снятии глухих фланцев, разделяющих системы пресной и забортной воды.
Отвод паровоздушной смеси от
дизель-генераторов осуществляется в расширительную цистерну дизель-генераторов.
Трубопроводы системы окрашены
под цвет помещения. На трубопроводах пресной воды нанесены отличительные знаки
два широких кольца зеленого цвета.
Контрольно-измерительные
приборы.
Для контроля за работой системы
предусмотрены манометры, местные и дистанционные термометры, сигнализаторы
нижнего уровня, сигнализаторы давления и температуры.
1.6.5
Система сжатого воздуха
Система сжатого воздуха
среднего и низкого давления обеспечивает:
- заполнение сжатым
воздухом от электрокомпрессоров баллонов пускового воздуха ГД и ДГ, низкого
давления заполнение баллонов аппаратов СО;
·
подачу
сжатого воздуха из баллонов в пусковые устройства двигателей при запуске;
·
продувание
масляных фильтров главного двигателя;
·
судовые
нужды, пневмоинструмент и пневмоцистерны.
Система сжатого воздуха
высокого давления обеспечивает:
- заполнение от
электрокомпрессора баллонов от пусковых баллонов аварийного дизель-генератора и
дизеля мотопомпы баллонов пневмопитания системы и баллонов спасательных шлюпок.
1.6.6
Системы воздухоснабжения и газовыпуска
Все грузовые и отстойные танки
оборудованы газоотводной системой, автономной для каждого, танка и
предназначенной для обеспечения газообмена между грузовым танком и атмосферой.
Каждый грузовой и отстойный
танк оборудован высокоскоростным газовыпускным устройством и вакуумным клапаном
с пламяпрерываюшей сеткой. Выпуск газа из танков через высокоскоростное
газовыпускное устройство осуществляется со скоростью не менее 30 м/с.
Рисунок 22. Принципиальная схема системы сжатого
воздуха СЭУ
Площадь сечения труб автономной
газоотводной системы обеспечивает удаление газов из одного танка при грузовых
операциях с производительностью не более 1100м3/ч.
Система газовыхлопа главного и
вспомогательных двигателей
Система газовыхлопа
обеспечивает отвод выхлопных газов от главного двигателя через утилизационный
котел, вспомогательных дизель-генераторов, аварийного дизель-генератора и
дизеля мотопомпы через глушители в атмосферу. Утилизационный котел и все
глушители оборудованы искроулавливателями.
Рисунок 23. Принципиальная схема газовыпускной
системы СЭУ
Выхлопные трубы изолированы и
обшиты металлическим кожухом.
В системе газовыхлопа
предусмотрен постоянный дренаж гудрона и аварийный слив воды от утилизационного
котла.
.7 Рефрижераторное оборудование
Назначение и состав
Холодильная установка
провизионных кладовых, предназначенная для сохранения судового запаса
продовольствия, укомплектована тремя компрессорно-конденсаторными агрегатами,
работающими на R404.
Холодильные агрегаты и щит с управляющей арматурой установки расположены в
машинном отделении.
Провизионные кладовые
охлаждаются с помощью воздухоохладителей с электрооттайкой или без нее, в
зависимости от поддерживаемой в кладовой температуры.
Работа холодильной установки
автоматизирована. Конденсаторы холодильных агрегатов охлаждаются забортной
водой, подаваемой насосом забортной воды вспомогательных механизмов.
Холодильная установка включает
в себя систему R404 и
систему трубопроводов охлаждающей забортной воды.
Система трубопроводов хладон-22
укомплектована:
Компрессорно-конденсаторным
агрегатом 21АК 7-2-3 ОМ- 4 3 шт.
Воздухоохладителем
В0-20-2-0 2 шт.
Воздухоохладителем
ВО-20Н-2-2 2 шт.
Воздухоохладителем
ВО-10Н-2-2 2 шт.
Щит арматурный
21АК 7-2-3-15.000 3 шт.
Теплообменником
Т-0,3-2-ОМ4 2 шт.
Приборами контроля и
автоматики.
Соединительными трубопроводами
и запорной арматурой.
Система трубопроводов
охлаждающей забортной воды укомплектована: соединительными трубопроводами и
запорной арматурой; приборами контроля и автоматики
Основные технические данные
Холодильный агент хладон-11404
Холодопроизводительность
агрегата 21АК 7-2-3-ОМ4 7000 ст.ккал/ч (Общая холодопроизводительность
установки, включая резервный агрегат составляет 21000 ст.ккал/ч. -Смазочное
масло Х22С-16 по Расход забортной воды - 7 м3/ч (3,5 м3/ч
на агрегат)
Необходимая зарядка: хладоном -
100 кг; маслом - 10 кг.
Расчетная температура кипения
хладона в воздухоохладителях низкотемпературных кладовых - 22°С.
Холодильная установка
обеспечивает в провизионных кладовых следующие температуры:
кладовая мяса 261°К
(-18°С)
кладовая рыбы 263°К
(-20°С)
кладовая жиров 267°К
(-6°С)
кладовая фруктов 275°К
(+2°С)
кладовая овощей 275°К
(+2°С)
кладовая сухой провизии 283°К(+10°С)
1.8 Палубные механизмы и устройства
.8.1 Якорное устройство
Якорное оборудование
Судно снабжено двумя становыми
и одним запасным якорями Холла массой 11000 кг каждый.
Становые якоря убираются в
клюзы с наделкой и палубными крышками. Запасной якорь закреплен непосредственно
у борта в носовой части верхней палубы.
Якорные цепи для становых якорей
особой прочности, калибром 81 мм, длиной 350 м и 325 м хранятся в цепных
ящиках, обеспечивающих самоукладку цепей.
Проводка якорных цепей из
клюзов на якорно-швартовные лебедки осуществляется через палубные роульсы.
Крепление становых, якорей
по-походному осуществляется стопорами, обеспечивающими также и стоянку судна на
якорях.
Для подъема и отдачи становых
якорей на палубе бака установлены две якорно-швартовные лебедки с
гидравлическим приводом и устройством для дистанционного управления тормозом цепной
звездочки, включающим в себя счетчик длины вытравленной цепи.
Для крепления и экстренной
отдачи коренных концов якорных цепей в цепных ящиках установлены специальные
устройства дистанционными приводами, выведенными на палубу бака в районе
управления якорно-швартовными лебедками.
Предусмотрена стационарная
система для обмыва в якорных клюзах якорей и якорных цепей.
Цепные ящики оборудованы
системой осушения.
1.8.2 Швартовное и буксирное
устройства
Швартовные и буксирные канаты.
Швартовное и буксирное устройства снабжены следующими канатами (таблица 12):
Таблица 12 - Канаты швартовных и буксирных
устройств
|
Наименование
|
Кол-во,
шт
|
Диаметр
или окружность
|
Материал
|
Длина,
м
|
Разрывное
усилие, кг
|
|
Буксирный
канат
|
1
|
65
|
сталь
|
300
|
150000
|
|
Швартовные
канаты
|
10
|
окружн.
250
|
синтетика
|
20
|
55000
|
|
Пожарные
буксирные канаты
|
6
|
37,5
|
сталь
|
200
|
53800
|
|
Портовые
буксирные канаты
|
4
|
37,5
|
сталь
|
65
|
53800
|
Восемь швартовных канатов
хранятся на барабанах автоматических швартовных лебедок. Два швартовных каната
хранятся на вьюшках в носовой и кормовой тросовой кладовых.
Шесть пожарных буксирных
канатов хранятся на вьюшках с ручным приводом и тормозом.
Хранение буксирного каната
предусмотрено на вьюшке с ручным приводом и тормозом в носовой тросовой
кладовой.
Для швартовки и буксировки
предусмотрено необходимое количество клюзов, кнехтов, отдельно стоящих роульсов
и др., требуемых размеров.
Для швартовного устройства
предусмотрены гидравлические механизмы: 6 швартовных лебедок с тяговым усилием
до 16 тс и две снабжены якорными приставками, которые входят в состав якорного
устройства и имеют тяговое усилие по 20 тс.
Для швартовки к одиночному бую
в носовой оконечности установлен палубный стопор язычкового типа.
1.8.3 Шлюпочное устройство и
спасательные средства
На судне установлены:
1 моторная спасательная
танкерная шлюпка свободного падения JY-FF-6.0
вместимостью 22 человека , с корпусом - корпусом из стеклопластика;
·
1
рабочий катер GJ4,5 с
корпусом из стеклопластика;
Спуск и подъем свободного
падения шлюпки производится шлюпбалкой с помощью электрогидравлической лебедки
с тяговым усилием 10,0 тс.
Спуск и подъем рабочего
спасательного катера производится с помощью штатного электрогидравлического
крана.
Расположение постов управления
лебедками обеспечивает визуальное наблюдение за спасательными средствами в
течение всего периода их спуска на воду.
Шлюпочные лебедки снабжены
приводами дистанционной отдачи тормозов лебедок из спасательных шлюпок.
На судне предусмотрена система
орошения спасательной шлюпоки и подходов к ней для предохранения людей от
воздействия высоких температур.
На судне установлены
спасательные плоты вместимостью 20 человек каждый в количестве 3 штук.
По-походному плоты хранятся в
контейнерах и закреплены найтовами с гидростатическими разобщающими устройствами,
обеспечивающими самовсплытие плотов.
1.8.4 Грузовое устройство
Грузовое устройство
На судне предусмотрены грузовое
устройство для проведения шланговых операций и вспомогательное грузовое
устройство.
Грузовое устройство для
проведения шланговых операций состоит из 1 грузового электрогидравлического
крана, установленного на грузовой палубе номинальная грузоподъемность - 10 т;
·
вылет
за борт у дальнего от шпора стрелы патрубка грузового коллектора - ок. 0,6 м;
·
максимальный
вылет за борт с грузом - ок. 13,5 м;
·
скорость
подъема-спуска груза - ок. 0,39 м/с:
·
скорость
посадочная - ок. 0,09 м/с.
Вспомогательное грузовое
устройство для погрузки провизии, ЗИПа, обслуживания люка МКО состоит из 1
грузового электрогидравлического крана, установленного на палубе надстройки II
яруса.
Грузовые краны имеют следующие
характеристики:
грузоподъемность -
3,2 т;
скорость подъема груза -
1,08 м/с;
высота подъема груза -
20 м;
вылет за борт
- ок.7 м.
Прием лоцмана осуществляется с
помощью забортного трапа в сочетании со штормтрапами 5,7 и 9 метров.
1.8.5 Грузовое насосное отделение
На судне предусмотрено одно
грузовое насосное отделение (ГНО), расположенное в кормовой части перед
машинным отделением. Вход в ГНО с верхней палубы и с падубы 1 яруса. В ГНО два
моечных винтовых насоса, два балластных центробежных насоса, осушительный
электропоршневой насос, два водоподогревателя системы мойки танков, четыре
эжектора для балластной системы, один эжектор для системы мойки танков.
ГНО оборудовано искусственной
вытяжной и естественной приточной вентиляцией из расчета 20 обменов воздуха в
час, взрывобезопасным освещением, полами, площадками и трапами.
Электровентиляторы,
обслуживающие ГНО установлены в специальном помещении на верхней палубе над
ГНО.
На каналах приточной вентиляции
установлены запорные устройства: концевые отверстия труб приточной и вытяжной
вентиляции ГНО защищены пламяпрерывающими сетками.
Крылатки электровентиляторов
исключают искрообразование.
Воздух из ГНО забирается в
нижней зоне и удаляется через вытяжные отверстия, расположенные на верхней
палубе. Прием воздуха в ГНО осуществляется через 2 колонны высотой около 8 м.
1.8.6 Мачтовое устройство и такелаж
На судне установлены две
свободно стоящие мачты (фок и грот), предназначенные для несения
сигнально-отличительных огней и радионавигационного оборудования.
На мачтах, где это необходимо,
установлены площадки, кронштейны, реи и предусмотрено необходимое количество
фалов и блоков для подъема сигналов и крепления антенн.
Для установки носового и
кормового якорных огней в носовой и кормовой частях судна установлены штоки.
Для подъема государственных флагов на корме установлен флагшток, а на
грот-мачте - гафели.
Сигнально-отличительные огни
"Не могу управляться", "Ограничен в возможности
маневрировать", "Стеснен своей осадкой" расположены на
специальной стойке, установленной на грот - мачте.
1.9 Оборудование по предотвращению
загрязнения окружающей среды
В процессе эксплуатации судна в
результате утечек из трубопроводов и механизмов в льяла МКО происходит
непрерывное поступление воды, топлива и смазочных масел. Основные причины
утечек - свищи в трубопроводах, нарушение плотности соединений и течи
сальниковых уплотнений. Кроме того, в льяла попадают нефтепродукты,
используемые для промывки механизмов и аппаратов при ремонте, случайно
переливаемые при перекачках, смазке, заполнении картеров и т. д.
Общее количество загрязненных
вод и их нефтесодержание зависят от возраста и технического состояния судна,
его назначения, мощности и типа энергетической установки.
Конструкция и характеристики
сепарационных установок определяются следующими особенностями льяльных вод:
-сравнительно четким
расслоением на нижний слой, содержащий 300-100 мг нефтепродуктов на 1 л смеси,
и верхний, включающий основную массу нефтепродуктов;
- значительной обводненностью
нефтепродуктов (70-90%) в результате перемешивания их с водой при качке.
Нефть, содержащаяся в льяльных
водах, представляет собой обводненную смесь всех видов нефтепродуктов,
применяемых на судне; объемная масса нефти может колебаться в Достаточно
широких пределах в зависимости от содержания тяжелых и легких сортов.
Практика работы флота
показывает, что в настоящее время в большинстве портов сброс льяльных вод даже
с содержанием нефти в воде менее 100 мг/л запрещен. Поэтому особое значение
приобретают специальные системы слива льяльных вод в береговые емкости и
плавучие средства либо перекачка воды из МКО в отстойные танки. На палубе, в
удобном для приема плавучих средств месте, должен быть предусмотрен вывод
патрубков с фланцами для присоединения шлангов при сливе балласта в береговые
очистные сооружения или плавучие средства.
На судах используются три
основных типа судовых сепарационных установок: 1) отстойные, 2) флотационные (с
предварительным отстоем): 3) коалесцирующие (с предварительным и конечным
отстоем).
Отстойные сепараторы применяют
в мировом судостроении уже более 50 лет. Они основаны на принципе отделения
нефти от воды за счет разности их удельных масс и возникновения 1 некоторой
подъемной силы, действующей на частицы нефти. Е Опыт эксплуатации сепараторов
данного типа показал, что качественная, стабильная очистка может быть
достигнута при удельной массе смеси нефтепродуктов до 0,9 г/см3,
применении специального типа насоса (мало диспергирующего нефть при перекачке
нефтеводяной смеси) или при больших размерах отстойной емкости.
Для отстойных сепараторов,
кроме отстойной цистерны большой емкости, характерно обеспечение подогрева смеси
до 40-50° С для свободного ее слива, наличие поплавкового клапана для
автоматического стравливания накапливающегося в нефтесборнике воздуха.
На основании многолетнего опыта
эксплуатации сепараторов отстойного типа можно сделать вывод о нецелесообразности
их дальнейшего самостоятельного применения на морских судах, так как даже в тех
случаях, когда они могут дать требуемое качество очистки вод, их размеры
значительно превышают размеры сепараторов других типов. Вместе с тем элементы
сепараторов отстойного типа являются неизбежной частью более совершенных
сепарационных установок флотационного и коалесцирующего типа, причем к этим
элементам применяют в основном те же требования, что и к отстойным сепараторам.
Сепарационные установки
флотационного типа основаны на принципе флотации - извлечении пузырьками
воздуха диспергированных в воде частиц нефти. Положительное качество такой
установки - возможность очистки вод, содержащих поверхностно-активные вещества
и наиболее тяжелые сорта нефтепродуктов (с удельной массой до 0,98 г/см3).
Недостаток - относительная сложность установки (два электромотора и движущиеся
части).
Из разных флотационных
установок на морском флоте применяют импеллерные, в которых засасывание воздуха
и его диспергирование производятся вращающимся импеллером с механическим
приводом. Преимуществами такой установки является незасоряемость рабочих
органов, устойчивая работа при качке судна и стабильность процесса.
Сепараторы коалесцирующего типа
работают на принципе коалесценции, т. е. улавливания и накопления специальными
материалами или наполнителями частиц нефти. Накопление и укрупнение
продолжаются до тех пор, пока силы, стремящиеся оторвать укрупненную частицу от
коалесцирующей поверхности, не превысят силы, удерживающие эту частицу, после
чего последняя всплывает. Сепараторы коалесцирующего типа обычно состоят из
полости предварительного отстоя, доочистных коалесцирующих фильтров и полости
окончательного отстоя. В качестве коалесцирующего материала применяют песок,
материалы на основе целлюлозы и синтетического волокна.
Одним из главных недостатков
таких сепараторов является быстрое засорение фильтр-патронов, поэтому многие
фирмы, в частности английская фирма «Фрам», поставляют готовые стандартные
патроны, которые можно сменить в судовых условиях.
Сепараторы типа «Турбуло»
.Сепаратор состоит из двух камер грубой и тонкой очистки. Загрязненная вода
через приемный патрубок проходит через камеру грубой, а затем тонкой очистки.
Загрязненная вода частично очищается в первой камере. В камере тонкой очистки,
расположенной ниже, достигается более высокая степень очистки, благодаря
специально предусмотренному устройству, состоящему из набора конических
тарелок. Отделяющиеся частицы нефтепродуктов собираются на нижней поверхности
тарелок. Образовавшиеся большие капли нефтепродукта отрываются с наружных,
краев тарелок и поднимаются вверх. Эти капли задерживаются изолирующей
диафрагмой, расположенной между двумя камерами, и направляются через
вертикальные трубки в сборник от сепарированных нефтепродуктов.
Затем отсепарированные
нефтепродукты через выпускной кран сливаются в цистерну. Воздух, попавший в
систему, выпускается через воздухоотделительную трубку с автоматическим
клапаном, которая устанавливается в верхней точке сепаратора. За уровнем нефтепродуктов
можно следить через смотровые стекла. Для осушения сепаратора в нижней части
его имеется спускная пробка.
Верхняя и нижняя части
сепаратора имеют разъем, благодаря чему можно вынуть из корпуса набор тарелок
камеры тонкой очистки сепаратора. Таким образом, все части сепаратора могут
быть легко осмотрены и очищены.
Работа сепараторов
непосредственно связана с работой общесудовых систем, и в частности с
балластно-осушитедьной системой МКО и ГНО. Классическая схема очистки
следующая: сбор льяльных вод в сточных колодцах двойного дна, перекачка их в
накопительные цистерны, предварительный отстой и сепарация через сепаратор, а
затем сброс очищенных вод в море.
Рисунок 24. Сепаратор типа
«Турбуло»
1 - патрубок выхода воздуха; 2
- нефтесливной кран; 3 - смотровое стекло: 4 - нефтеотводяшие трубки; 5
-решетка; 6 - дисковые перегородки; 7 - водоотводная труба
Другой вариант - перекачка
льяльных вод непосредственно из МКО и ГНО по специальной системе, оборудованной
невозвратно-запорным клапаном, в отстойные танки. Последняя схема
предпочтительнее, так как она полностью исключает загрязнение моря, потому что
льяльные воды вместе с грязным балластом или отстоем непосредственно сдаются в
береговые очистные сооружения.
Сепарационная установка,
включающая в себя сепаратор, насосы, трубопроводы, фильтры, автоматику и т. п.,
должна постоянно находиться в рабочем состоянии и иметь необходимое для
нормальной эксплуатации количество запасных частей и материалов.
Сепаратор, установленный на
судне, должен обеспечивать требуемую очистку нефтесодержащих вод. Наличие
системы фильтрации нефти или другой системы, предназначенной для доочистки
выходящей из сепаратора воды до нефтесодержания на сливе не более 15 частей/млн.,
не дает основания администрации судна производить сброс нефтесодержащих вод в
портах и территориальных водах, где действуют национальные законодательные
положения.
Судовое сепарационное
оборудование имеет сертификат, в котором указываются степень очистки и срок
действия сертификата. Сепарационное оборудование необходимо своевременно
предъявлять Регистру для освидетельствования с целью продления действия
сертификата.
-Наличие сертификата не снимает
ответственности с администрации судна, если при выкачке загрязненных вод через
сепаратор или фильтр произойдет фактическое загрязнение моря нефтью. Поэтому во
время выкачки загрязненных вод необходимо вести постоянное наблюдение за
состоянием поверхности моря в районе слива. В случае появления пятен нефти слив
должен быть немедленно прекращен.
Сепарационное оборудование
должно эксплуатироваться в строгом соответствии с инструкциями, которые должны
быть на судне. Все отказы должны фиксироваться в Журнале нефтяных операций, а
также в формуляре на сепарационное оборудование при его наличии на судне.
1.10
Краткая характеристика систем общесудового назначения
Системы бытового водоснабжения
На судне предусмотрена система
бытовой пресной воды.
Прием бытовой пресной воды в
цистерны запаса производится через палубные наливные втулки. Цистерны запаса
бытовой пресной воды расположены в кормовой части судна. Измерение уровня в
цистернах производится по указательным колонкам. Пресная вода к потребителям
камбузного блока, буфетной, медблока и водоразборным колонкам подается от
пневмоцистерны по одному трубопроводу, а к каютным умывальникам, в
банно-прачечный блок, к смывным клапанам и ко всем душевым сеткам - от
пневмоцистерны по другому трубопроводу.
Пуск резервного насоса
производится вручную.
Горячая вода к потребителям
камбузного блока, буфетной и медблока подается от подогревателя воды емкостью
0,2 м3. Производительность подогревателя около 3,0 м3 /ч
при паровом нагреве и около 0,5 м3/ч при электрическом нагреве воды
до температуры 358°К (85°С).
Из цистерн запаса бытовая
пресная вода в пневмоцистерну подается электронасосом. Пуск и остановка
основного электронасоса производится по сигналу от реле давления на
пневмоцистерне.
Пуск резервного насоса
производится вручную.
Предусмотрена возможность
пополнения запасов бытовой пресней воды от судовой опреснительной установки
через минерализатор.
Горячая вода к умывальникам
кают, в банно-прачечный блок, ко всем душевым сеткам подается от подогревателя
воды емкостью 0,2 м3. Производительность подогревателя около 3,0 м3/ч
при паровом нагреве и 0,5 м3/ч при электрическом нагреве воды до
температуры 358К (85°С).
Циркуляция горячей бытовой
пресной воды в кольцевых магистралях осуществляется электронасосами.
Пуск и остановка электронасосов
производится автоматически по сигналу от термореле на магистрали возврата
горячей воды.
Забортная вода на заполнение
бассейна и на постоянный обмен воды в бассейне подается от охлаждающего
трубопровода вспомогательных механизмов.
Слив из бассейна производится
за борт самотеком.
Забортная вода на охлаждение
сатураторных колонок и кипятильника подается от охлаждающего трубопровода
вспомогательных механизмов.
Сточные системы и шпигаты
открытых палуб
Трубы системы сточных вод и
системы хозяйственно-бытовых вод объединены в отдельные магистрали с отводом в
сточную цистерну, за борт или в установку обработки сточных вод.
Удаление сточных вод из цистерн
производится основным или резервным электронасосами за борт ниже ватерлинии
либо в плавучую или береговую емкость на оба борта через патрубки с фланцами
Международного образца, расположенными на ВП по ЛБ в районе 96-97 шп. по ПрБ в
районе 95-96 шп.
Емкость сточной цистерны 24,1 м3.
Цистерна оборудована
иллюминаторами для визуального наблюдения за наполнением цистерны,
сигнализатором верхнего уровня, датчиком нижнего уровня.
Промывка сточной цистерны
производится забортной водой от противопожарной системы.
Пропаривание цистерны
производится от системы хозяйственного пароснабжения.
Обеззараживание сточной цистерны
предусмотрено через хлоратор.
Для очистки сточных вод
предусмотрена установка для обработки сточных вод производительностью очистки
вод 15m3 в сутки.
В установку отводятся сточные
воды от потребителей, кроме хозяйственно-бытовых вод из провизионных камер и
камбузного блока.
На сливном трубопроводе из
камбуза установлен жироотделитель.
Система шпигатов открытых палуб
обеспечивает удаление воды с открытых палуб, надстроек, мостиков на нижележащие
палубы, слив воды с диафрагмы дымовой трубы осуществляется за борт выше
ватерлинии в цистерну сбора моечной воды котлов.
Системы общесудовой
вентиляции и вентиляции машинно-котельного отделения
Во всех помещениях
предусмотрена искусственная или естественная вентиляция.
Искусственной вытяжной и приточной
вентиляцией с подогревом оборудованы помещения камбузного блока,
банно-прачечного блока, румпельное помещение и сварочная. В качестве
нагревателей воздуха применены электро подогреватели воздуха. Подача пара к
подогревателям танков производится от системы теплообменника- парогенератора и
паропровода.
Искусственной вытяжной и
естественной приточной вентиляцией оборудованы: ГНО, ННО, тросовая, плотницкая,
боцманская, малярная, носовое помещение гидронасосов, помещение прожектора
Суэцкого канала, помещение проб груза, кладовые донкермана, станции
пожаротушения, помещение инсинератора, помещение инертных газов, помещение АДГ,
провизионные кладовые, санузлы, умывальные, душевые, вентиляторные, помещение
рабочего платья, сушильная, шкотовые, агрегатные, хозяйственные кладовые.
Искусственной вытяжной
вентиляцией оборудованы столовая и салон отдыха команды, кают-компания,
курительные, помещение медблока, гирокомпасная, любительская мастерская,
гладильная. Приток воздуха в эти помещения осуществляется от системы
кондиционирования воздуха. Вентиляция помещения медблока выполнена автономной.
Естественной вентиляцией
оборудованы: такелажная, помещение шлангов, аварийный пост № I,
помещения хладоновых и кислородных баллонов, зарядная кладовая кислот.
На вентиляционных отверстиях
ГНО, помещения малярной, помещения проб груза, кладовых донкермана установлены
пламяпрерывающие сетки
Вентиляция грузовых танков и
трубопроводов осуществляется через систему инертных газов (при работе
нагнетателей в режиме вентиляции).
Электровентиляторы в системе
общесудовой вентиляции установлены на амортизаторах. Соединение воздуховодов с
электровентиляторами выполнено с помощью резиновых и парусиновых патрубков.
Электровентиляторы, обслуживающие ГНО, помещение проб груза, кладовые
донкермана, малярную предусмотрены в исполнении, исключающем возможность
искрообразования.
Выходные отверстия системы
общесудовой вентиляции на палубах и надстройках снабжены соответствующей
газонепроницаемой арматурой.
Вентиляция МКО осуществляется двумя
осевыми реверсивными электровентиляторами 400/10 ОСО-123 производительностью на
номинальном режиме 40000 м3/ч при давлении 1 кПа (100 кгс/см2)
каждый и двумя центробежными электровентиляторами, работающими в режиме 50000 м3
/ч при давлении 1 кПа (100 кгс/см2) каждый.
Вытяжка воздуха из МКО
осуществляется путем забора главным и вспомогательными двигателями и котельными
вентиляторами. Искусственная вытяжка воздуха производится из района установки
холодильных машин, из-под настила МКО в р-не установки сепараторов, из р-на
установки циркуляционных масляных насосов и охлаждающих насосов пресной воды и
из помещения опрессовки форсунок.
Остальной воздух из МКО
удаляется естественным путем через шахту ШО и кожух дымовой трубы.
В холодное время года воздух,
подаваемый на основные рабочие площадки, подогревается в подогревателях
воздуха. Предусмотрена возможность работы электровентиляторов с частичной
рециркуляцией воздуха в МКО.
В выгородку ЦПУ и в помещение
автоматики предусмотрена подача воздуха от двух автономных кондиционеров.
Автономные кондиционеры расположены в самостоятельной выгородке в МКО.
В механической и
электротехнической мастерских предусмотрена приточная вентиляция от основных
электровентиляторов МКО. В зимнее время наружный воздух подогревается в
воздухоподогревателях.
Кроме того, предусмотрено
датирование рабочих мест от центрального кондиционера.
Из помещения оборудования
сточных вод предусмотрена искусственная вытяжная вентиляция.
Система кондиционирования
воздуха жилых, общественных и служебных помещений
Все жилые помещения оборудованы
двухпроводной среднескоростной системой круглогодичного кондиционирования
воздуха.
Столовая команды,
кают-компания, спорткаюта, курительные, буфетные, техкабинет, ПУГО,
трансляционная, мастерские, гладильная оборудованы однопроводной
среднескоростной системой круглогодичного кондиционирования воздуха, для
предотвращения перераспределения воздуха при регулировании система оборудована
регуляторами статического давления воздуха.
Появления медблока оборудованы
автономной однопроводной низконапорной системой круглогодичного
кондиционирования воздуха.
Во всех помещениях,
обслуживаемых системой кондиционирования воздуха, обеспечивается температура
зимой не ниже 293К (20°С) при расчетной температуре наружного воздуха 248К
(-25°С). Летом при расчетных параметрах наружного воздуха (температура 307К
(34°С), относительная влажность 70% температура в кондиционируемых помещениях
поддерживается около 298К (25° С). Относительная влажность воздушной среды в кондиционируемых
помещениях летом и зимой поддерживается в пределах 40-50%
Каютные воздухораспределители
обеспечивают возможность индивидуального регулирования температуры в диапазоне
около 4° С.
В помещениях камбузного блока и
в рулевой рубке предусмотрено дублирование основных рабочих мест воздухом от
системы кондиционирования воздуха.
Система кондиционирования
воздуха обслуживается 2-мя агрегатированными центральными кондиционерами,
установленными в специальном помещении на Кондиционеры резервированы попарно.
Система кондиционирования
воздуха в медблоке обслуживается автономным кондиционером с подогревом воздуха
в зимнее время в дополнительном паровом подогревателе воздуха, устанавливаемом
на всасывании.
Работа системы
кондиционирования воздуха в летний период времени обеспечивается двумя
холодильными компрессорно-конденсаторными агрегатами, работающими на хладоне
22.
Холодильные агрегаты
расположены в машинном отделении, на первой платформе по правому борту .
Каждый холодильный агрегат
обслуживает два кондиционера. Работа холодильной установки полностью
автоматизирована.
Охлаждение конденсаторов
агрегатов осуществлено забортной водой, подаваемой от насоса забортной воды
вспомогательных механизмов.
В каютах воздух распределяется
через воздухораспределители смесительные, в общественных и служебных помещениях
- через воздухораспределители панельной раздачи и поворотные - типа пункалувр.
Душирование основных рабочих мест осуществляется через пункалувры.
Предусмотрена 50% рециркуляция воздуха.
Нагрев и увлажнение воздуха в
центральных кондиционерах ив подогревателе воздуха осуществляется паром,
подаваемым от системы хозяйственного паропровода.
Противопожарные системы
Противопожарная водяная система
Для подачи воды к пожарным
рожкам предусмотрена противопожарная водяная система, обслуживаемая одним
насосом НЦВ 100/100А и двумя насосами НЦВ 220/100А.
Производительность всех насосов
обеспечивает одновременною работу противопожарной водяной системы, системы
пенотушения и системы орошения шлюпки.
Система постоянно находится под
давлением, для чего в МО установлена пневмоцистерна.
При падении давления в
пневмоцистерне до 0,8 МПа (в кг/см2) автоматически включается насос
НЦВ 100/100А, при достижении в пневмоцистерне давления I
МПа (10 кг/см2) насос автоматически выключается.
При работе насоса НЦВ 100/100А
и падении давления в трубопроводе до 0,6 МПа (6 кг/см2)
автоматически включается один из насосов НЦВ 220/100А.
Для аварийных целей в носовом
насосном отделении установлен пожарный дизель-насос ДПНС 220/100.
Система водотушения выполнена
по кольцевой схеме в районе кормовой надстройки и по линейной схеме в остальной
части судна.
Предусмотрена возможность
отключения магистрали МКО от остальной магистрали с обеспечением подачи воды
дизель - насосом ДПНС 220/100А ко всем пожарным рожкам, расположенным за
пределами МКО.
От магистралей даны отростки
для подачи воды на систему пенотушения, обмыв якорей и якорных цепей, эжекторы
осушения, орошение шлюпок, дверей столовой команды, кают-компании и
курительных.
Трубы, проходящие через
отапливаемые помещения, в которых отпотевание не допустимо, изолированы.
Пожарные рожки расположены из
расчета подачи не менее двух струй воды к любому возможному очагу пожара.
Диаметр пожарных рожков и рукавов Ду 65.
Рукава предусмотрены
прорезиненные из синтетических волокон, длиной 10 и 25 метров с бронзовыми
комбинированными стволами со спрыском 16 и 19 мм и соединениями на гайках типа
«Богданова».
Для приема воды с берега
предусмотрены патрубки с фланцем международного образца.
Система пенотушения
Основным средством тушения
пожара в танках, на верхней палубе в районе танков, в топливных бункерах,
расположенных вне машинного отделения, ННО является система пенотушения.
Пуск системы в действие ручной
из станции пенотушения.
Вода на работу системы
пенотушения подается насосами пожарной водяной системы.
Система выполнена без
стационарной разводки трубопроводов по танкам с применением для подачи пены в
танки и на верхнюю палубу в районе танков переносных пеногенераторов ГСП-600
(кратность пены 70... 100:1) и стационарных пеноводяных лафетных стволов
(кратность пены 6:1) Подача пены в топливные бункеры, ННО и ГНО производится
только при помощи переносных пеногенераторов. Для возможности тушения пожаров
пеной в жилых и служебных помещениях предусмотрена перемычка между
трубопроводами системы пенотушения и противопожарной водяной системы.
Для тушения местных очагов
пожара пеной в МКО проведен трубопровод с пожарными рожками на ВП у входа в МКО
и предусмотрены стационарные воздушно-пенные аппараты СО-П.
Система объемного химического
тушения
Основным средством
пожаротушения в МКО и ГНО является система объемного химического тушения (ОХТ),
состоящая из станций и разводящих трубопроводов с распылителями в МКО и ГНО.
Система работает на хладоне 114В2.
Станция для МКО расположена на
палубе рубки 1 яруса в р-не 90...94 шп. ПрБ. Станция для ГНО (станция
пенотушения и ОХТ) расположена на верхней палубе в р-не 71 ...73 шп ПрБ.
Пуск системы ручной из помещения
станций.
Для предупреждения людей,
находящихся в МКО и ГНО, о пуске системы в действие предусмотрена звуковая и
световая сигнализация.
Система
углекислотного тушения
Для тушения пожара в главном
двигателе и помещении аварийного дизель-генератора в машинном отделении,
помещении ООП установлено по одной двухбаллонной углекислотной батарее.
Для тушения пожара в глушителе
пожарного дизель-насоса ДГШС 220/100 стационарно установлен огнетушитель ОУ-5.
Пуск системы в действие ручной
с места установки батареи и огнетушителя ОУ-5.
Система инертных
газов GENERON
Системы осушительная и
балластная
Осушительная система
Для осушения МКО предусмотрены
два балластно-осупштельных самовсасывающих центробежных электронасоса НЦВС
160/ЗОА-П и один осушительный ЭНП 10/2,5.
Осушение МКО производится
автоматически насосом ЭНП 10/2,5 от датчиков верхнего и нижнего уровня,
установленных в кормовой части МКО.
Для предотвращения загрязнения
моря нефтепродуктами откачка льяльных вод из цистерн льяльных вод за борт
производится осушительным винтовым электронасосом 2ВВ-1,6/16-2,5/4В,
установленным в МКО через укф-2,5.
Предусмотрена система
автоматического контроля нефтесодержания, сливаемых за борт льяльных вод.
Слив нефтепродуктов из
установки укф-2,5 производится в цистерну сбора нефтеостатков, расположенную в
МКО. Осушение носового насосного отделения производится самостоятельным
осушительным электронасосом ЭНП 10/2,5, установленным в ННО, в цистерну сбора
лъяльных вод ННО, расположенную там же с возможностью перекачки в цистерну
льяльных вод МКО.
Осушение грузового насосного
отделения и трубопроводов грузовой системы производится электропоршневым
насосом ЭНП 25/2,5 установленным в ГНО (электродвигатель в МКО), в цистерну,
расположенную там же в р-не 72...73 шп. ПрБ.
Откачка из цистерн сбора
льяльных вод МКО и ННО предусмотрена в плавучие или береговые емкости через
патрубки с фланцами международного образца, расположенные на ВП в средней части
судна с которой предусмотрена остановка балластно-осушительных и осушительных
насосов.
Осушение цепных яликов и
помещений под палубой бака производится осушительным эжектором ВЭЖ 6,3.
Рабочая вода к эжектору
подводится от противопожарной водяной системы.
Во всех осушаемых помещениях
судна установлены осушительные приемники с трубами, присоединяемые через
клапаны или клапанные коробки к соответствующим насосам и эжектору.
Открытые концы приемников
снабжены сетками или опущены в приемные колодцы, закрываемые решетками.
У осушительных насосов
установлены грязевые коробки, все приемные клапаны и клапанные коробки
невозвратно-запорного типа.
Балластная система
Для приема и удаления балласта
из форпика и ахтерпика предусмотрена балластная система, которая обслуживается
двумя самовсасывающими балластно-осушительными электронасосами НЦВС 160/30А-П,
установленными в МКО и одним самовсасывающим балластный насосом НЦВС 250/З0А-П,
установленным в ННО. Арматура, необходимая для балластировки форпика и
ахтерпика, насос НЦВС 250/З0А и один из насосов НЦВС 160/З0А дистанционно
управляются из ПУГО.
Воздушные и измерительные трубы
Из всех водяных цистерн, из
коффердама и помещения лага и эхолота, выведены воздушные трубы,
заканчивающиеся воздушными головками с поплавком.
Для измерения уровня в водяных,
топливных и масляных цистернах, в коффердаме и помещении лага и эхолота,
проведены измерительные трубы со складными футштоками.
В районе машинного и носового
насосного отделений измерительные трубы выведены выше паела и заканчиваются
самозапорными клапанами.
Остальные измерительные трубы
выведены на открытую палубу и заканчиваются палубными втулками.
Системы грузовая, балластная и
зачистная
Грузовая система обеспечивает
закрытый прием груза не судовыми средствами с интенсивностью около 10000 м3/ч.
Грузовая система обслуживается
четырьмя центробежными насосами, которые расположены в грузовом насосном
отделении.
1.11
Расчет энергетического баланса СЭУ на номинальном режиме
Энергетический баланс СЭУ
состоит из трех составных частей, в соответствии с составом СЭУ.
В этом случае рассматриваются:
·баланс пропульсивной установки, в
которой основным источником энергии является главный двигатель, потребителем -
корпус судна, движущийся с определенной скоростью;
·баланс судовой электростанции, в
которой основным источником энергии является генератор, получающий привод от
вспомогательного двигателя. Промежуточным потребителем является главный
распределительный щит (ГРЩ):
·баланс вспомогательной
энергетической установки, которая вырабатывает несколько видов энергии, имеет
соответствующее количество источников энергии. Это: котлы, компрессоры,
водоопреснительные установки, и т.п.
Расчет энергетического баланса
СЭУ проводится в три этапа.
Этап 1. Предварительный расчет.
На этом этапе производится
разбивка потоков энергии на полезную работу и потери тепла в целом, без
дифференциации потерь на спецификационных режимах работы судна.
Этап 2. Определение расчетного
режима.
На этом этапе определяется
усредненный годовой режим работы судна, для которого рассчитывается тепловой
баланс СЭУ. Определяется загрузка по каждой группе оборудования на принятом
расчетном режиме.
Этап 3. Уточненный расчет.
Проводится уточненный
энергетический расчет баланса на принятом режиме работы судна. В пояснительной
записке приводятся диаграммы энергетического баланса для главных двигателей,
вспомогательных двигателей и вспомогательных котлов, в графической части
дипломного проекта приводится энергетический баланс СЭУ, в т.ч. для
пропульсивной установки, судовой электростанции и вспомогательной
энергетической установки.
Предварительный расчет
Согласно оборудованию,
установленному на судне-прототипе, заполняются таблица 13 «Параметры главного
двигателя», таблица 14 «Параметры вспомогательного двигателя» и таблица 15
«Параметры вспомогательного котла» в части исходных данных.
Таблица 13 - Параметры главного
двигателя
Таблица 14 - Параметры
вспомогательного двигателя
Таблица 15 - Параметры
вспомогательного котла (ВК)
Определение расчетного режима
Определяется расчетный
(усредненный) коэффициент загрузки Креж для каждой группы оборудования исходя
из усредненного КПД, по характеристикам оборудования. Заполняется графа ИТОГО
столбца 4 нижней части таблицы 16. Если нижняя часть таблицы 16 не заполняется,
то используется графа «ИТОГО» верхней части таблицы.
Таблица 16 - Данные для
определения годового теплового баланса ГД
Таблица 17 - Данные для
определения годового теплового баланса ВД
Таблица 18 - Данные для определения годового
теплового баланса ПК
Уточненный расчет
Проводится расчет энергетических
балансов оборудования на расчетном режиме в форме таблицы 19. Проводится расчет
энергетического баланса главных двигателей в порядке, изложенном в таблице 19,
и заполняется таблицы 1 (2,3) в части расчетные данные.
Проводится расчет энергетического
баланса СЭУ в целом по группам оборудования на расчетном режиме (таблица 20).
Проводится построение диаграмм рассчитанных энергетических балансов
оборудования в пояснительной записке и энергетического баланса СЭУ в целом на
выбранном режиме в графической части проекта.
Таблица 19 - Расчет тепловых и
энергетических балансов
Таблица 20
1.12
Анализ эффективности работы СЭУ
Расчет ведем для условного топлива (
= 39400
кДж/кг).
Удельный расход топлива:
,
где
- часовые расходы топлива на ГД, ВД
и ВПК соответственно.
Ne - мощность
главного двигателя, кВт
кг/кВт×ч,
Частный КПД СЭУ:
Полный КПД СЭУ:
= 0,88- КПД котла
кг/ч - часовой расход топлива.
Энергетический КПД СЭУ:
где Ре - полезная тяга винта, 2333
кН
VS - скорость
судна, 15,2 узлов
кН
К1 = 0,58
nВ = 2 с-1
- частота вращения винта;
t = 0,19 -
коэффициент засасывания;
i1 = 1 -
коэффициент влияния на упор неравномерности потока;
r
= 1025 кг/м3 - плотность морской воды.
Расход топлива на милю плавания
На большинстве современных судов применяются ДУ
и наблюдается тенденция все более широкого их распространения. В настоящее
время ДУ занимают монопольное положение на флоте (специального назначения,
технического флота, служебно-вспомогательные, массовые). Для этих судов ДУ
более эффективны, чем другие типы СЭУ.
ДУ имеют перед другими типами
СЭУ следующие преимущества:
более высокую (на 30-50%)
топливную экономичность;
простоту обслуживания и
ремонта;
высокую надежность.
Для танкеров большого и
среднего водоизмещения (до 150 тысяч тонн) эти преимущества сохраняются и
поэтому здесь также доминируют ДУ. На мало- и среднетоннажных танкерах
применяются в большинстве случаев ДУ с МОД. На крупнотоннажных танкерах
(водоизмещением свыше 150000 тонн) наряду с ДУ применяются ПТУ. С ростом
водоизмещения танкеров преимущества ДУ перед ПТУ уменьшаются, что связано с
увеличением абсолютной массы ДУ, повышением эффективности ПТУ при возрастании
их мощности и главным образом со снижением влияния расходов на топливо в
себестоимости морских перевозок нефти и нефтепродуктов.
Тем не менее, как показывают
результаты технико-экономического анализа, даже на крупнотоннажных танкерах ДУ
эффективнее ПТУ. Об этом свидетельствуют также участившиеся за последние годы
случаи переоборудовании крупнотоннажных танкеров с ПТУ на ДУ.
Современные СДУ обладают повышенной против
других СЭУ эффективностью топливоиспользования. Однако возможности дальнейшего
повышения их экономичности и снижения затрат на топливо ограничены. Так, если
за последние 20 лет мощностные и масса габаритные характеристики СДУ улучшились
в 2-3 раза, то удельный расход топлива снизился лишь на 5-7 %. Примерно такое
же повышение экономичности может быть достигнуто за счет утилизации тепла ГД.
Танкеры - относятся к числу
наиболее распространенных судов морского транспортного флота. На них
применяются в основном дизельные установки, хотя еще встречаются и
паротурбинные ЭУ. ДЭУ устанавливаются на танкерах любого водоизмещения,
паротурбинные - на танкерах водоизмещением более 50000 тонн.
Особенности танкеров является
наличие крупных потребителей электрической, или механической энергии - грузовых
насосов большой мощности, время работы которых в течение рейса (во время
разгрузки) ограничено. На судах перевозящих сырую нефть и мазут, расходуется
большое количество тепловой энергии для подогрева груза перед его выгрузкой и
поэтому их оборудуют крупными вспомогательными котельными установками для
производства преимущественно насыщенного пара.
Все современные танкеры для
повышения безопасности перевозки нефтепродуктов оборудуют системами инертных
газов, которые также оказывают влияние на СЭУ. Это проявляется в использовании
в качестве инертных выпускных газов вспомогательных котлов, но в данном случае
это невозможно, т.к. данный проект судна не просто танкер, а
химовоз-продуктовоз, для которого необходим очень чистый выход Инертного Газа
(в зависимости от перевозимого груза). Поэтому на данном типе судна установлена
отдельная установка инертизации, что вносит свой вклад в увеличении
энергопотребления судна.
Энергетические установки танкеров располагают в
кормовой части. Газо-выпускные системы и дымоходы оборудованы искрогасителями.
1.13
Предварительное обоснование целесообразности предлагаемого усовершенствования
СЭУ
Эффективность эксплуатации
транспортных судов в значительной степени зависит от эксплуатационных затрат.
Снижение последних может быть достигнуто путём применения более совершенных
агрегатов, имеющих меньшие расходы топлива, масел, электрической энергии,
обеспечением оптимальных режимов работы, применением рациональных сортов
топлива и масел, совершенствования технологий топливо- и водоподготовки,
обеспечения прогрессивных методов регулировки и контроля над работой отдельных
агрегатов и установки в целом. Большое влияние на эффективность конечного
результата работы транспортных судов (перевезённая продукция) оказывает степень
использования судна и его энергетической установки.
Среди установок, используемых
на транспортном флоте, преобладающее распространение получили дизельные
энергетические установки (ДЭУ) благодаря присущим им достоинствам (высокая
термодинамическая эффективность, хорошая приспособляемость к автоматизации,
сравнительная простота технической эксплуатации (ТЭ), высокая живучесть). Современные
тенденции их развития связаны с улучшением массогабаритных характеристик,
ростом агрегатных и цилиндровых мощностей, повышением надежности, снижением
трудозатрат на техническое обслуживание (ТО), а также утилизацией тепла в целях
дальнейшего повышения экономичности. Одним из эффективных путей повышения
цилиндровой мощности главного элемента ДЭУ судового двигателя (СД) и снижения
удельного расхода топлива считается увеличение среднего эффективного давления
за счет совершенствования газотурбинного наддува. Однако повышение наддува, при
прочих равных условиях, влечет за собой рост максимальною давления цикла и, как
следствие, увеличение габаритных размеров и массы основных деталей. Более
перспективным направлением снижения удельного расхода топлива в ДЭ является
повышение экономичности дизеля путем оптимизации регулировочных характеристик
топливной аппаратуры
Как известно, в теоретическом
цикле при условии тепло-подвода только по изохоре динамические показатели
растут, но растет и КПД, т. е. экономичность цикла, и, наоборот: при условии
подвода теплоты только по изобаре динамические и экономические показатели цикла
снижаются.
Опыт ТЭ таких установок на
отечественных и зарубежных судовых транспортных средствах (СТС) показывает, что
экономия топлива может достигать 2.. .3 %.
2.
Техническое задание на проработку предлагаемого усовершенствования СЭУ
2.1 Наименование и область
применения
На основе штатного двигателя 7S50MC,
установленного на танкере , разработать систему оптимизации топливоподачи,
произвести проверочные расчеты параметров работы:
1.
Дизеля
на режиме 100% мощности;
2.
Дизеля
на режиме 85% мощности;
3.
Дизеля
на режиме 70% мощности;
4.
Рассчитать
работу дизеля на режиме 85% мощности при оптимальной топливоподаче и определить
прирост эффективного КПД дизеля на данном режиме.
5.
Рассчитать
работу дизеля на режиме 70% мощности при оптимальной топливоподаче и определить
прирост эффективного КПД дизеля на данном режиме.
2.2 Цели и назначение разработки
Целью данной разработки
является повышение эксплуатационной эффективности главной энергетической
установки и расчет экономической эффективности предлагаемого технического
мероприятия.
Данная разработка может быть
внедрена на транспортных судах, обладающих большими затратами на топливо для
экономии топлива на долевых нагрузках.
2.3 Стадии и этапы разработки
Инженерно-технический проект
модернизации топливоподачи выполняется согласно календарного графика работы
студента над дипломным проектом
2.4 Источники разработки
Источниками разработки служат
техническое задание, техническая документация танкера «MOYRA»,
техническая документация топливного насос дизеля МАН-Бурмейстер и Вайн S-МС,
а также использованная литература, представленная в конце пояснительной
записки.
2.5 Технические требования
Для внедрения данной
модернизации необходимы предварительные расчёты по конструкции топливного
насоса. Далее необходимы испытания на различных режимах нагрузки, некоторые
устранения замечаний в работе и конструкции топливного насоса и окончательный
вывод о совершенстве новой установки.
2.6 Экономические показатели
Совершенствование топливоподачи
ГД требует капитальных разовых затрат. Срок окупаемости будет невелик, так как
значительная экономия топлива позволит быстро вернуть капитальные затраты.
2.7 Стадии и этапы разработки
Таблица 21 - Стадии и этапы
разработки
|
Наименование
этапов
|
Срок
готовности этапов
|
|
Разработка
плана дипломного проектирования
|
|
|
Технико-экономическое
обоснование разработки
|
|
|
Разработка
технического задания
|
|
|
Разработка
разделов, предусмотренных техническим заданием
|
|
|
Согласование
выполненной работы с руководителем
|
|
|
Оформление
дипломного проекта и предоставление на кафедру
|
|
|
Рассмотрение
проекта на кафедре
|
|
|
Рецензирование
проекта и подготовка ответов на замечания рецензентов
|
|
|
Защита
дипломного проекта в ГЭК
|
|
2.8 Порядок контроля и приёмки
Текущий контроль выполнения
инженерно-технического проекта модернизации топливоподачи осуществляется
поэтапно согласно утвержденному календарному графику работы дипломника над
дипломным проектом. Текущий контроль осуществляется руководителем дипломного
проекта, назначенными консультантами, а также ведущими специалистами в области
судовой энергетики.
Итоговый контроль
осуществляется кафедрой СЭУ ВГАВТ в лице заведующего кафедрой и ведущих
преподавателей на этапе представления дипломником законченного дипломного
проекта на кафедру не позднее, чем за одну неделю до начала защит дипломных
проектов. Допускается итоговый контроль проводить в форме предварительной
защиты. Кроме того, итоговый контроль выполняет независимый рецензент.
Приемка выполненной разработки осуществляется
Государственной экзаменационной комиссией в форме публичной защиты дипломного
проекта.
3.
Индивидуальный раздел на тему «Совершенствование топливоподачи»
.1
Обоснование разработки
Среди установок, используемых
на транспортном флоте, преобладающее распространение получили дизельные
энергетические установки (ДЭУ) благодаря присущим им достоинствам (высокая
термодинамическая эффективность, хорошая приспособляемость к автоматизации,
сравнительная простота технической эксплуатации (ТЭ), высокая живучесть).
Современные тенденции их развития связаны с улучшением массогабаритных
характеристик, ростом агрегатных и цилиндровых мощностей, повышением
надежности, снижением трудозатрат на техническое обслуживание (ТО), а также
утилизацией тепла в целях дальнейшего повышения экономичности. Одним из
эффективных путей повышения цилиндровой мощности главного элемента ДЭУ судового
двигателя (СД) и снижения удельного расхода топлива считается увеличение
среднего эффективного давления за счет совершенствования газотурбинного
наддува. Однако повышение наддува, при прочих равных условиях, влечет за собой
рост максимальною давления цикла и, как следствие, увеличение габаритных
размеров и массы основных деталей. Более перспективным направлением снижения
удельного расхода топлива в ДЭ является повышение экономичности дизеля путем
оптимизации регулировочных характеристик топливной аппаратуры
Как известно, в теоретическом
цикле при условии тепло-подвода только по изохоре динамические показатели
растут, но растет и КПД, т. е. экономичность цикла, и, наоборот: при условии
подвода теплоты только по изобаре динамические и экономические показатели цикла
снижаются.
Опыт ТЭ таких установок на
отечественных и зарубежных судовых транспортных средствах (СТС) показывает, что
экономия топлива может достигать 2.. .3 %.
3.1.1 Топливный насос дизеля МАН -
Бурмейстер и Вайн S-MC
Основные элементы насоса
показаны на рисунке 25. Плунжерная пара 3-5, отличающаяся тем, что
головка 3 имеет простейшую конструкцию: ровный торец плунжера и две
винтовые регулирующие кромки 4. Изготовление и замена прецизионной пары
с таким плунжером значительно дешевле, чем с плунжером, имеющим фигурные
кромки; рабочая втулка 5 (рис. 25) - составная, подвижная вдоль оси,
имеет дополнительную центровку по верхнему наружному поясу в корпусе 14
насоса.
Впускной клапан 15
стаканчикового типа помещен в уплотняемый корпус 16, ввернутый в крышку 17
насоса. Механизм регулирования цикловой подачи gn
состоит из зубчатой рейки 7, поворотной втулки 9, крестовины 8
плунжера. Отличие в данном случае состоит в том, что рейка 7 каждого
насоса связана не только с регулятором частоты вращения, но и с системой
управления.
Механизм регулирования
опережения подачи, реализующий задачу, в системе пневмомеханического
позиционера состоит из рейки 6, сцепленной с зубчатым венцом поворотной
втулки 10, и втулки 5 плунжера. Величина изменяется осевым
сдвигом втулки 5 вверх или вниз, отчего меняется момент перекрытия
плунжером рабочих окон 13. Осевое смещение втулки происходит по принципу
болт - гайка. «Гайкой» является поворотная втулка 10, на внутренней
стенке которой проточена винтовая канавка. В канавку входит виток резьбы,
нарезанной на нижнем конце втулки 5 плунжера. При смещении рейки 6
втулка 10, зафиксированная своим нижним фланцем в корпусе 14
насоса, поворачивается на определенный угол и через резьбовое соединение
вызывает сдвиг втулки 5 относительно плунжера. Рейки б и 7
связаны единой системой управления с целью оптимизации характеристик
топливоподачи.
Рассмотрим действие и
регулирование насоса. Поскольку начало подачи насосом определяется моментом
перекрытия рабочих окон втулки, то полный ход плунжера будет состоять из
перепуска до НПН активного хода ha
и перепуска после КПН. При перекрытии окон втулки впускной клапан 15
практически тотчас же садится на место (начало подачи). Впускной клапан
управляется действием гидравлических усилий, возникающих между полостями
наполнения и нагнетания ТНВД при опускании и подъеме плунжера (давление
подкачивания в полости 2 составляет 1 МПа). Конец подачи насосом
определяется совпадением регулирующих кромок 4 плунжера с нижними
кромками рабочих окон 13.
Для гашения кинетической
энергии потока перепуска, обусловленной высоким давлением топлива в момент КПН,
и предохранения головки 3 плунжера от кавитационной эрозии предусматриваются не
только малый диаметр цилиндрической части окон 13, но и уменьшение
объема полости 2. Кроме того, постановкой штуцеров с малым проходным
сечением задросселированы впускной и перепускной каналы. Вследствие этого после
КПН в период перепуска топлива резко повышается давление в полости 2,
что уменьшает перепад давлений на рабочих кромках плунжера и, как показывает
опыт, способствует снижению его кавитационной эрозии.
Цикловая подача по всем
цилиндрам в процессе изменения нагрузки дизеля регулируется от общего вала,
связанного с регулятором частоты вращения. Рейка 7 каждого ТНВД
соединена с указанным валом рычажной передачей. Индивидуальное регулирование £цн
производится
обычным способом-талрепом в тяге к рейке 7.
Рисунок 25. Золотниковый ТНВД
двигателя МАН - Бурмейстер и Вайн МС с оптимизированным смешанным
регулированием по заданной программе
Нулевая подача достигается
таким положением рейки 7 каждого ТНВД, когда прорези на головке 3
плунжера встают против рабочих окон 13.
.1.2 Повышение экономичности дизеля
путем оптимизации регулировочных характеристик топливной аппаратуры
Параметры, определяющие начало,
конец и продолжительность подачи топлива насосом и форсункой, являются параметрами
качественного регулирования топливной аппаратуры, так как именно они при прочих
равных условиях влияют на характер развития процесса сгорания, качественной
оценкой которого является уровень динамических и экономических показателей
рабочего цикла. Остановимся на этом несколько подробнее, чтобы уяснить сущность
задачи оптимизации регулировочных характеристик. На рис. 26 показаны два случая
распределения фазы подачи топлива относительно ВМТ.
В первом случае основная доля
фазы располагается до ВМТ, во втором - за ВМТ. Иначе говоря, в первом случае
топливо поступает в цилиндр с большим опережением, во втором - с малым. Большое
опережение подачи топлива приводит к развитию процесса сгорания до ВМТ, на ходе
сжатия, когда объем цилиндра уменьшается; малое опережение, наоборот, переносит
процесс за ВМТ, на ход расширения, когда объем цилиндра увеличивается.
Рисунок 26. Пример
качественного регулирования топливоподачи
Такое отличие в условиях
сгорания одного и того же количества топлива при разных углах опережения резко
меняет вид осциллограмм (рис. 26, б) и индикаторных диаграмм (рис. 26, в) на
участке сгорания CZ:
при большом опережении происходит резкий скачок давления, цикл становится более
динамичным.
Можно дать качественную оценку
и экономическим показателям цикла в том и другом случае, если допустить видимую
аналогию изменения давления на участках сгорания CZV
и CZP в рабочих
циклах и тепло-подвода в теоретическом цикле.
Как известно, в теоретическом
цикле при условии тепло-подвода только по изохоре динамические показатели
растут, но растет и КПД, т. е. экономичность цикла, и, наоборот: при условии
подвода теплоты только по изобаре динамические и экономические показатели цикла
снижаются.
Рисунок 27. Параметры при
работе двигателя по регулировочной характеристике
Применительно к нашему случаю
перераспределения топливоподачи относительно ВМТ (рис. 26, а) аналогичный вывод
может быть сформулирован так: с ростом угла опережения рабочий цикл должен быть
более экономичным и динамичным, т. е. расход топлива (g1
и gе)
должен уменьшаться, а показатели механической напряженности двигателя
возрастать.
Практика эксплуатации и опыт
доводки судовых дизелей на заводских стендах подтвердили достоверность такого
вывода, однако естественно задать вопрос: до каких пор следует увеличивать угол
опережения с целью достижения большей экономичности?
Ответ на такой вопрос в каждом
конкретном случае дает только эксперимент. Поэтому дизелестроительные заводы в
процессе доводки головного образца дизеля на стенде снимают так называемые
регулировочные характеристики, показывающие, как зависят параметры рабочего
цикла от угла опережения. Продолжительность фазы подачи топлива и частота
вращения вала n при этом постоянны.
С увеличением угла опережения
(рис. 27):
максимальное давление сгорания
рг все время растет, так как все большая доля цикловой подачи
топлива gе
поступает в цилиндр в процессе сжатия;
температура выпускных газов tBГ
падает, поскольку снижаются параметры конца расширения (из теории рабочего
цикла известно, что эти параметры уменьшаются, если процесс сгорания
заканчивается в районе ВМТ поршня - участок CZV
на рис. 26, в);
удельный расход топлива gе
снижается только до определенного предела, отмеченного на рис. 27 точкой Н,
после которого начинает снова расти. Объясняется это тем, что при слишком
больших углах опережения подачи плотность и температура воздуха в цилиндре еще
недостаточны для обеспечения требуемых условий протекания начальных стадий процесса
самовоспламенения топлива, отдельные капли топлива могут попасть на стенки
цилиндра, отчего сгорание их будет неполноценным (коксование).
Итак, для каждого дизеля
существует свой оптимальный регулировочный режим, в общем случае определяющий
уровень номинальных параметров. Эти параметры записываются в технические данные
формуляра и в эксплуатации поддерживаются настройкой номинального угла
опережения и активного хода плунжера соответствующих номинальной нагрузке
дизеля.
Однако индикаторные параметры
работы двигателя рг , ge,
tBГ,
а также показатели механической и тепловой напряженности могут значительно
ухудшиться вследствие отрицательного действия многих эксплуатационных факторов,
среди которых главными являются ухудшение атмосферных условий, увеличение сопротивления
движению судна, применение низкосортных топлив. В таких случаях заводское
регулирование топливной аппаратуры уже не будет оптимальным, а изменить его
соответственно конкретным эксплуатационным условиям при обычной конструкции
топливной аппаратуры практически нельзя.
3.2 Расчётная проработка
технического усовершенствования (модернизации)
.2.1 Расчёт рабочего процесса
штатного двигателя при 100% нагрузке
Основные характеристики
двигателя 7S50MC:
1) Диаметр цилиндра Dц,
мм............................................ 500
2) Ход поршня Sy,
мм........................................................ 1910
3) Число цилиндров Z,
шт.................................................. 7
4) Номинальная мощность Ne,
кВт................................... 10010
5) Номинальная частота вращения
пном, об/мин............... 130.4
В качестве штатного режима для
двигателя 7S50MG
выбираем режим 100%, когда двигатель работает с максимальными нагрузками и
тепловым КПД перегрузкой по мощности. Данный расчет должен определить
предельные возможности работы двигателя. Результаты расчёта приведены в таблице
22.
Таблица 22 - Исходные данные
|
№
п/п
|
Марка
ДВС: 7S50MC
|
Обозначение
|
Величина
|
|
1
|
Эффективная
мощность ДВС
|
Ne (кВт)
|
10010
|
|
2
|
Диаметр
поршня
|
D (m)
|
0,5
|
|
3
|
Ход
поршня
|
S (m)
|
1,91
|
|
4
|
Число
цилиндров
|
I
|
7
|
|
5
|
Частота
вращения KB
|
n (об/мин)
|
130,4
|
|
6
|
Тактность
|
z
|
1
|
|
7
|
Давление
наддува (нач.прибл.)
|
Pk (МПа)
|
0,27
|
|
8
|
Цикловая
подача топлива
|
qc (кг/цикл)
|
0,03198
|
|
9
|
Действительная
степень сжатия
|
eps
|
13
|
|
10
|
Доля
хода, потерянного на продувку
|
PSI
|
0,14
|
|
11
|
Коэффициент
продувки
|
Fia
|
1,1
|
|
12
|
Постоянная
КШМ
|
Ish
|
0,4266
|
|
13
|
Угол
начала сжатия
|
ficq (оПКВ)
|
-130
|
|
14
|
Угол
конца расширения
|
fiotk (оПКВ)
|
160
|
|
15
|
Угол
опережения
|
fiop (оПКВ)
|
-1
|
|
16
|
Длительность
сгорания топлива
|
fiz
|
50
|
|
17
|
Показатель
характера сгорания
|
m
|
0,6
|
|
18
|
Давление
окружающей среды
|
Р0 (МПа)
|
0,1
|
|
19
|
Температура
окружающей среды
|
ТО (К)
|
293
|
|
20
|
Температура
охлаждающей воды в ОНВ
|
Tw(K)
|
323
|
|
21
|
Адиабатный
КПД компрессора 1
|
ETak1
|
0,9
|
|
22
|
Механический
КПД компрессора 1
|
ETmk1
|
0,965
|
|
23
|
Адиабатный
КПД компрессора 2
|
ETak2
|
1
|
|
24
|
Механический
КПД компрессора 2
|
ETmk2
|
1
|
|
25
|
Степень
повышения давления в мех. компрессоре 2
|
PIk2
|
1
|
|
26
|
Потеря
давления на впуске
|
DPO (МПа)
|
0,00076
|
|
27
|
Потеря
давления в ОНВ1
|
DPohl (МПа)
|
0,0027
|
|
28
|
Коэффициент
охлаждения в ОНВ1
|
Kohl
|
0,9
|
|
29
|
Потеря
давления в ОНВ2
|
DPoh2 (МПа)
|
0
|
|
30
|
Коэффициент
охлаждения в ОНВ2
|
Koh2
|
1
|
|
31
|
Подогрев
заряда в цилиндре
|
Dta (K)
|
5
|
|
32
|
Температура
остаточных газов
|
Tr(K)
|
700
|
|
33
|
Коэффициент
остаточных газов (нач.прибл.)
|
gammar
|
0,02761
|
|
34
|
Средняя
температура стенок цилиндра
|
Tst(K)
|
680
|
|
35
|
Отношение
давлений Ра/Рк
|
Kpa
|
0,98
|
|
36
|
Отношение
давлений Pt/Pk=Pg/Pk
(нач.прибл.)
|
Kpt
|
0,9
|
|
37
|
Теоретически
необходимое кол-во воздуха
|
L0(кмоль/кг)
|
0,48041
|
|
38
|
Низшая
теплота сгорания топлива
|
Qn (кДж/кг)
|
42700
|
|
39
|
Механический
КПД двигателя
|
Etm
|
0,95
|
|
40
|
Потеря
давления на выпуске
|
DPg (МПа)
|
0,0019
|
|
41
|
Показатель
политропы расширения при выпуске из цилиндра
|
ng
|
1,25
|
|
42
|
Показатель
политропы расширения в турбине
|
kg
|
1,4
|
|
43
|
КПД
турбины
|
Ettr
|
0,95
|
|
44
|
Коэффициен
импульсности ГТН
|
Ki
|
1,2
|
|
1
|
Давление
воздуха после компрессора 1 (ГТН)
|
Pkl
|
0,273
|
|
2
|
Температура
воздуха после компрессора 1 (ГТН)
|
Tkl
|
402,13
|
К
|
|
3
|
Давление
воздуха перед механическим компрессором 2
|
Pkll
|
0,270
|
МПа
|
|
4
|
Температура
воздуха перед механическим компрессором 2
|
Tkll
|
330,91
|
К
|
|
5
|
Давление
воздуха после механического компрессора 2
|
Pk2
|
0,270
|
МПа
|
|
6
|
Температура
воздуха после механического компрессора 2
|
Tk2
|
330,91
|
К
|
|
7
|
Температура
воздуха перед цилиндром
|
Tk
|
323,00
|
К
|
|
8
|
Общая
степень повышения давления
|
PIk
|
2,748
|
|
|
9
|
Степень
повышения давления в компрессоре 1 (ГТН)
|
PIk1
|
2,748
|
|
|
Наполнение
|
|
10
|
Давление
раб. тела в конце наполнения (начале сжатия)
|
Ра
|
0,265
|
МПа
|
|
11
|
Температура
раб. тела в конце наполнения (начале сжатия)
|
Та
|
329,81
|
К
|
|
12
|
Коэффициент
наполнения
|
ЕТn
|
0,890
|
|
|
13
|
Коэффициент
избытка воздуха для сгорания
|
Α
|
2,240
|
|
|
14
|
Общий
коэффициент избытка воздуха
|
αs
|
2,464
|
|
|
Сжатие
|
|
15
|
Давление
раб. тела в конце сжатия без сгорания топлива
|
Рс
|
10,446
|
МПа
|
|
16
|
Температура
раб. тела в конце сжатия без сгорания топлива
|
Тс
|
1000,71
|
К
|
|
17
|
Давление
рабочего тела в момент начала подачи топлива
|
Pсl
|
10,474
|
МПа
|
|
18
|
Температура
рабочего тела в момент начала подачи топлива
|
Tсl
|
980,72
|
К
|
|
Сгорание
|
|
19
|
Время
задержки воспламенения топлива
|
τi
|
0,813
|
м/сек
|
|
20
|
Угол
поворота, соответствующий времени задержки самовоспламенения топлива
|
φi
|
0,64
|
град
|
|
21
|
Угол
ПКВ начала горения топлива
|
Φn
|
-0,36
|
град
|
|
22
|
Максимальное
давление рабочего тела
|
Pz
|
14,123
|
МПа
|
|
23
|
Угол
ПКВ, соответствующий Pz
|
fpz
|
12,00
|
град
|
|
24
|
Максимальная
температура рабочего тела
|
Tz
|
1869,27
|
К
|
|
25
|
Угор
ПКВ, соответствующий Tz
|
ftz
|
24,00
|
град
|
|
26
|
Степень
повышения давления при сгорании (Pz/Pc)
|
Lz
|
1,352
|
|
|
27
|
Степень
повышения давления при сгорании (Pz/Pcl)
|
Lzl
|
1,348
|
|
|
28
|
Коэффициент
молекулярного изменения
|
Β
|
1,028
|
|
|
Расширение
|
|
29
|
Давление
рабочего тела в конце расширения
|
Pb
|
0,660
|
МПа
|
|
30
|
Температура
рабочего тела в конце расширения
|
Tb
|
882,01
|
К
|
|
Выпуск
|
|
31
|
Давление
за цилиндром и в выпускном коллекторе (Pg=Pt)
|
Pt
|
0,17891
|
МПа
|
|
32
|
Температура
рабочего тела после расширения при выходе в выпускной коллектор
|
Tg
|
679,36
|
К
|
|
33
|
Температура
выпускных газов за цилиндром ( с учетом перемешивания с продувочным
воздухом)
|
Ttt
|
649,51
|
К
|
|
34
|
|
Ttt-273°C
|
376,51
|
°С
|
|
Индикаторные
и эффективные показатели
|
|
35
|
Среднее
индикаторное давление цикла
|
Pi
|
1,846
|
МПа
|
|
36
|
Среднее
индикаторное давление цикла
|
Pe
|
1,754
|
МПа
|
|
Индикаторные
и эффективные показатели
|
|
37
|
Среднее
по времени давление цикла
|
Pit
|
3,203
|
МПа
|
|
38
|
Средний
индикаторный расход топлива
|
Gi
|
0,1663
|
кг/кВт.ч
|
|
39
|
Средний
эффективный удельный расход топлива
|
Ge
|
0,1750
|
кг/кВт.ч
|
|
40
|
Индикаторный
КПД двигателя
|
ηi
|
0,4833
|
|
|
41
|
Эффективный
КПД двигателя
|
ηe
|
0,4591
|
|
|
42
|
Полный
механический КПД двигателя (с учетом привода механического компрессора)
|
Ηms
|
0,9500
|
|
|
43
|
Расчетная
индикаторная мощность двигателя
|
Nil
|
10534,43
|
кВт
|
|
44
|
Расчетная
эффективная мощность двигателя
|
Nel
|
10007,69
|
кВт
|
|
45
|
Погрешность
совпадения заданной и расчетной мощности двигателя
|
∆Ne
|
-0,02309
|
%
|
|
Параметры
ГТН
|
|
46
|
Относительная
мощность компрессора 1
|
δk1
|
0,185
|
|
|
47
|
Относительная
мощность компрессора 2
|
δk2
|
0,000
|
|
|
48
|
Относительная
мощность турбины
|
δt
|
0,185
|
|
|
49
|
Температура
выпускных газов после турбины
|
Tttl
|
553,02
|
К
|
|
50
|
Погрешность
совпадения мощностей компрессора 1 и турбины ГТН
|
∆NNkt1
|
-0,011
|
%
|
|
51
|
Расход
воздуха двигателя
|
Gb
|
16,265
|
кг/с
|
|
52
|
Расход
выпускных газов двигателя
|
Gg
|
16,740
|
кг/с
|
|
Механическая
напряженность
|
|
53
|
Максимальное
давление рабочего тела
|
Pz
|
14,123
|
МПа
|
|
54
|
Угор
ПКВ, соответствующий Pz
|
Fpz
|
12,00
|
град
|
|
55
|
Среднее
по времени давление цикла
|
Pit
|
3,203
|
МПа
|
|
56
|
Максимальная
скорость нарастания давления
|
Dpdf
|
0,476
|
МПа
|
|
57
|
Угол
ПКВ, соответствующий максимальной скорости нарастания давления
|
Fdp
|
5,00
|
град
|
|
58
|
Степень
повышения давления при сгорании (Pz/Pc)
|
Lz
|
1,352
|
|
|
59
|
Степень
повышения давления при сгорании (Pz/Pc1)
|
Lzl
|
1,348
|
|
|
Тепловая
напряженность
|
|
60
|
Температура
выпускных газов за цилиндром (с учетом перемешивания с продувочным воздухом)
|
Ttt
|
649,51
|
К
|
|
61
|
Коэффициент
избытка воздуха для сгорания
|
Α
|
2,240
|
|
|
62
|
Средняя
по времени температура цикла
|
Tcp
|
935,77
|
К
|
|
63
|
Теплонапряженность
поршня (Костин)
|
Qnk
|
6598,97
|
|
|
64
|
Средний
тепловой поток через цилиндр
|
Qloh
|
193537,82
|
кВт/м2
|
|
65
|
Теплонапряженность
цилиндра (Камкин)
|
Kс
|
323686.8
|
|
|
66
|
Относительная
потеря теплоты
|
Xw
|
0,1087
|
|
Таблица 24 - Индикаторный процесс
Рисунок 28. Индикаторный
процесс
Полученные в результате
теплового расчёта теплофизические показатели свидетельствуют о тепловой и
механической напряжённости штатного двигателя при 100% нагрузки.
3.2.2 Расчёт рабочего процесса
штатного двигателя при 85% нагрузки
Основные характеристики
двигателя 7S50MC:
1) Диаметр цилиндра Dц,
мм.............................................. 500
2) Ход поршня Sy,
мм.......................................................... 1910
3) Число цилиндров Z,
шт.................................................... 7
4) Номинальная мощность Ne,
кВт..................................... 8508
5) Номинальная частота вращения
пном, об/мин................. 124.1
В качестве расчетного режима
для двигателя 7S50MC
выбираем нагрузку 85%. Результаты расчёта приведены в таблице 25.
Таблица 25 - Исходные данные
|
№
п/п
|
Марка
ДВС: 7S50MC
|
Обозначение
|
Величина
|
|
1
|
Эффективная
мощность ДВС
|
Ne (кВт)
|
8508
|
|
2
|
Диаметр
поршня
|
D (m)
|
0,5
|
|
3
|
Ход
поршня
|
S (m)
|
1,91
|
|
4
|
Число
цилиндров
|
I
|
7
|
|
5
|
Частота
вращения KB
|
124,1
|
|
6
|
Тактность
|
z
|
1
|
|
7
|
Давление
наддува (нач.прибл.)
|
Pk (МПа)
|
0,22
|
|
8
|
Цикловая
подача топлива
|
qc (кг/цикл)
|
0,027586
|
|
9
|
Действительная
степень сжатия
|
eps
|
13
|
|
10
|
Доля
хода, потерянного на продувку
|
PSI
|
0,14
|
|
11
|
Коэффициент
продувки
|
Fia
|
1,1
|
|
12
|
Постоянная
КШМ
|
Ish
|
0,4266
|
|
13
|
Угол
начала сжатия
|
ficq (оПКВ)
|
-130
|
|
14
|
Угол
конца расширения
|
fiotk (оПКВ)
|
160
|
|
15
|
Угол
опережения
|
fiop (оПКВ)
|
-1
|
|
16
|
Длительность
сгорания топлива
|
fiz
|
50
|
|
17
|
Показатель
характера сгорания
|
m
|
0,6
|
|
18
|
Давление
окружающей среды
|
Р0
(МПа)
|
0,1
|
|
19
|
Температура
окружающей среды
|
ТО
(К)
|
293
|
|
20
|
Температура
охлаждающей воды в ОНВ
|
Tw(K)
|
323
|
|
21
|
Адиабатный
КПД компрессора 1
|
ETak1
|
0,9
|
|
22
|
Механический
КПД компрессора 1
|
ETmk1
|
0,965
|
|
23
|
Адиабатный
КПД компрессора 2
|
ETak2
|
1
|
|
24
|
Механический
КПД компрессора 2
|
ETmk2
|
1
|
|
25
|
Степень
повышения давления в мех. компрессоре 2
|
PIk2
|
1
|
|
26
|
Потеря
давления на впуске
|
DPO (МПа)
|
0,00076
|
|
27
|
Потеря
давления в ОНВ1
|
DPohl (МПа)
|
0,0027
|
|
28
|
Коэффициент
охлаждения в ОНВ1
|
Kohl
|
0,9
|
|
29
|
Потеря
давления в ОНВ2
|
DPoh2 (МПа)
|
0
|
|
30
|
Коэффициент
охлаждения в ОНВ2
|
Koh2
|
1
|
|
31
|
Подогрев
заряда в цилиндре
|
Dta (K)
|
5
|
|
32
|
Температура
остаточных газов
|
Tr(K)
|
700
|
|
33
|
Коэффициент
остаточных газов (нач.прибл.)
|
gammar
|
0,02761
|
|
34
|
Средняя
температура стенок цилиндра
|
Tst(K)
|
680
|
|
35
|
Отношение
давлений Ра/Рк
|
Kpa
|
0,98
|
|
36
|
Отношение
давлений Pt/Pk=Pg/Pk
(нач.прибл.)
|
Kpt
|
0,9
|
|
37
|
Теоретически
необходимое кол-во воздуха
|
L0 (кмоль/кг)
|
0,48041
|
|
38
|
Низшая
теплота сгорания топлива
|
Qn (кДж/кг)
|
42700
|
|
39
|
Механический
КПД двигателя
|
Etm
|
0,94
|
|
40
|
Потеря
давления на выпуске
|
DPg (МПа)
|
0,0019
|
|
41
|
Показатель
политропы расширения при выпуске из цилиндра
|
ng
|
1,25
|
|
42
|
Показатель
политропы расширения в турбине
|
kg
|
1,4
|
|
43
|
КПД
турбины
|
Ettr
|
0,95
|
|
44
|
Коэффициент
импульсности ГТН
|
Ki
|
1,2
|
Таблица 26 - Параметры рабочего
тела
|
Наполнение
|
|
1
|
Давление
воздуха после компрессора 1 (ГТН)
|
Pkl
|
0,223
|
МПа
|
|
2
|
Температура
воздуха после компрессора 1 (ГТН)
|
Tkl
|
377,67
|
К
|
|
3
|
Давление
воздуха перед механическим компрессором 2
|
Pkll
|
0,220
|
МПа
|
|
4
|
Температура
воздуха перед механическим компрессором 2
|
Tkll
|
328,47
|
К
|
|
5
|
Давление
воздуха после механического компрессора 2
|
Pk2
|
0,220
|
МПа
|
|
6
|
Температура
воздуха после механического компрессора 2
|
Tk2
|
328,47
|
К
|
|
7
|
Температура
воздуха перед цилиндром
|
Tk
|
323,00
|
К
|
|
8
|
Общая
степень повышения давления
|
PIk
|
2,244
|
|
|
9
|
Степень
повышения давления в компрессоре 1 (ГТН)
|
PIk1
|
2,244
|
|
|
Наполнение
|
|
10
|
Давление
раб. тела в конце наполнения (начале сжатия)
|
Ра
|
0,216
|
МПа
|
|
11
|
Температура
раб. тела в конце наполнения (начале сжатия)
|
Та
|
329,89
|
К
|
|
12
|
Коэффициент
наполнения
|
ЕТn
|
0,889
|
|
|
13
|
Коэффициент
избытка воздуха для сгорания
|
Α
|
2,115
|
|
|
14
|
Общий
коэффициент избытка воздуха
|
αs
|
2,326
|
|
|
Сжатие
|
|
15
|
Давление
раб. тела в конце сжатия без сгорания топлива
|
Рс
|
8,575
|
МПа
|
|
16
|
Температура
раб. тела в конце сжатия без сгорания топлива
|
Тс
|
1
008,17
|
К
|
|
17
|
Давление
рабочего тела в момент начала подачи топлива
|
Pсl
|
8,602
|
МПа
|
|
18
|
Температура
рабочего тела в момент начала подачи топлива
|
Tсl
|
988,70
|
К
|
|
Сгорание
|
|
19
|
Время
задержки воспламенения топлива
|
τi
|
0,949
|
м/сек
|
|
20
|
Угол
поворота, соответствующий времени задержки самовоспламенения топлива
|
φi
|
0,71
|
град
|
|
21
|
Угол
ПКВ начала горения топлива
|
Φn
|
-0,29
|
град
|
|
22
|
Максимальное
давление рабочего тела
|
Pz
|
11,768
|
МПа
|
|
23
|
Угол
ПКВ, соответствующий Pz
|
fpz
|
12,00
|
град
|
|
24
|
Максимальная
температура рабочего тела
|
Tz
|
1922,05
|
К
|
|
25
|
Угор
ПКВ, соответствующий Tz
|
ftz
|
24,00
|
град
|
|
26
|
Степень
повышения давления при сгорании (Pz/Pc)
|
Lz
|
1,372
|
|
|
27
|
Степень
повышения давления при сгорании (Pz/Pcl)
|
Lzl
|
1,368
|
|
|
28
|
Коэффициент
молекулярного изменения
|
Β
|
1,030
|
|
|
Расширение
|
|
29
|
Давление
рабочего тела в конце расширения
|
Pb
|
0,541
|
МПа
|
|
30
|
Температура
рабочего тела в конце расширения
|
Tb
|
886,80
|
К
|
|
Выпуск
|
|
31
|
Давление
за цилиндром и в выпускном коллекторе (Pg=Pt)
|
Pt
|
0,15502
|
МПа
|
|
32
|
Температура
рабочего тела после расширения при выходе в выпускной коллектор
|
Tg
|
690,56
|
К
|
|
33
|
Температура
выпускных газов за цилиндром ( с учетом перемешивания с продувочным
воздухом)
|
Ttt
|
659,90
|
К
|
|
34
|
|
Ttt-273°C
|
386,90
|
°С
|
|
Индикаторные
и эффективные показатели
|
|
35
|
Среднее
индикаторное давление цикла
|
Pi
|
1,559
|
МПа
|
|
36
|
Среднее
индикаторное давление цикла
|
Pe
|
1,465
|
МПа
|
|
Индикаторные
и эффективные показатели
|
|
37
|
Среднее
по времени давление цикла
|
Pit
|
2,657
|
МПа
|
|
38
|
Средний
индикаторный расход топлива
|
Gi
|
0,1590
|
кг/кВт.ч
|
|
39
|
Средний
эффективный удельный расход топлива
|
Ge
|
кг/кВт.ч
|
|
40
|
Индикаторный
КПД двигателя
|
ηi
|
0,4730
|
|
|
41
|
Эффективный
КПД двигателя
|
ηe
|
0,4446
|
|
|
42
|
Полный
механический КПД двигателя (с учетом привода механического компрессора)
|
Ηms
|
0,9400
|
|
|
43
|
Расчетная
индикаторная мощность двигателя
|
Nil
|
6997,18
|
кВт
|
|
44
|
Расчетная
эффективная мощность двигателя
|
Nel
|
8457,35
|
кВт
|
|
45
|
Погрешность
совпадения заданной и расчетной мощности двигателя
|
∆Ne
|
-0,059532
|
%
|
|
Параметры
ГТН
|
|
46
|
Относительная
мощность компрессора 1
|
δk1
|
0,139
|
|
|
47
|
Относительная
мощность компрессора 2
|
δk2
|
0,000
|
|
|
48
|
Относительная
мощность турбины
|
δt
|
0,139
|
|
|
49
|
Температура
выпускных газов после турбины
|
Tttl
|
585,35
|
К
|
|
50
|
Погрешность
совпадения мощностей компрессора 1 и турбины ГТН
|
∆NNkt1
|
-0,003
|
%
|
|
51
|
Расход
воздуха двигателя
|
Gb
|
12,607
|
кг/с
|
|
52
|
Расход
выпускных газов двигателя
|
Gg
|
12,996
|
кг/с
|
|
Механическая
напряженность
|
|
53
|
Максимальное
давление рабочего тела
|
Pz
|
11,768
|
МПа
|
|
54
|
Угор
ПКВ, соответствующий Pz
|
Fpz
|
12,00
|
град
|
|
55
|
Среднее
по времени давление цикла
|
Pit
|
2,657
|
МПа
|
|
56
|
Максимальная
скорость нарастания давления
|
Dpdf
|
0,412
|
МПа
|
|
57
|
Угол
ПКВ, соответствующий максимальной скорости нарастания давления
|
Fdp
|
5,00
|
град
|
|
58
|
Степень
повышения давления при сгорании (Pz/Pc)
|
Lz
|
1,372
|
|
|
59
|
Степернь
повышения давления при сгорании (Pz/Pc1)
|
Lzl
|
1,368
|
|
|
Тепловая
напряженность
|
|
60
|
Температура
выпускных газов за цилиндром (с учетом перемешивания с продувочным воздухом)
|
Ttt
|
659,90
|
К
|
|
61
|
Коэффициент
избытка воздуха для сгорания
|
Α
|
2,115
|
|
|
62
|
Средняя
по времени температура цикла
|
Tcp
|
951,05
|
К
|
|
63
|
Теплонапряженность
поршня (Костин)
|
Qnk
|
6111,03
|
|
|
64
|
Средний
тепловой поток через цилиндр
|
Qloh
|
177458,26
|
кВт/м2
|
|
65
|
Теплонапряженность
цилиндра (Камкин)
|
Kс
|
319328,1
|
|
|
66
|
Относительная
потеря теплоты
|
Xw
|
0,1298
|
|
Таблица 27 - Индикаторный
процесс
Рисунок 29. Индикаторный
процесс
Полученные в результате
теплового расчёта теплофизические показатели свидетельствуют о тепловой и
механической напряжённости штатного двигателя при 85% нагрузки.
3.2.3 Экспериментальные данные
В результате замеров
проведенных на двигателе 7S50MC
получены следующие данные:
1) Индикаторная диаграмма
(рис. 30);
) Развернутая
индикаторная диаграмма (рис. 31);
) Диаграмма сил (рис.
32).
Рисунок 30. Индикаторная
диаграмма
Рисунок 31. Развернутая
индикаторная диаграмма
Рисунок 32. Диаграмма сил
.2.4 Расчёт рабочего процесса
модернизированного двигателя
Основные характеристики
двигателя 7S50MC:
1) Диаметр цилиндра Dц,
мм........................................... 500
2) Ход поршня Sy,
мм........................................................ 1910
3) Число цилиндров Z,
шт................................................. 7
4) Номинальная мощность Ne,
кВт................................... 8508
5) Номинальная частота вращения
пном, об/мин.............. 124.1
В качестве расчетного режима
для двигателя 7S50MC
выбираем нагрузку 85%, при оптимальном угле опережения подачи. Результаты
расчёта приведены в таблице 28.
Таблица 28 - Исходные данные
|
№
п/п
|
Марка
ДВС: 7S50MC
|
Обозначение
|
Величина
|
|
1
|
Эффективная
мощность ДВС
|
Ne (кВт)
|
8508
|
|
2
|
Диаметр
поршня
|
D (m)
|
0,5
|
|
3
|
Ход
поршня
|
S (m)
|
1,91
|
|
4
|
Число
цилиндров
|
I
|
7
|
|
5
|
Частота
вращения KB
|
n (об/мин)
|
124,1
|
|
6
|
Тактность
|
z
|
1
|
|
7
|
Давление
наддува (нач.прибл.)
|
Pk (МПа)
|
0,22
|
|
8
|
Цикловая
подача топлива
|
qc (кг/цикл)
|
0,027586
|
|
9
|
Действительная
степень сжатия
|
eps
|
13
|
|
10
|
Доля
хода, потерянного на продувку
|
PSI
|
0,14
|
|
11
|
Коэффициент
продувки
|
Fia
|
1,1
|
|
12
|
Постоянная
КШМ
|
Ish
|
0,4266
|
|
13
|
Угол
начала сжатия
|
ficq (оПКВ)
|
-130
|
|
14
|
Угол
конца расширения
|
fiotk (оПКВ)
|
160
|
|
15
|
Угол
опережения
|
fiop (оПКВ)
|
-8,2
|
|
16
|
Длительность
сгорания топлива
|
fiz
|
50
|
|
17
|
Показатель
характера сгорания
|
m
|
0,6
|
|
18
|
Давление
окружающей среды
|
Р0 (МПа)
|
0,1
|
|
19
|
Температура
окружающей среды
|
ТО (К)
|
293
|
|
20
|
Температура
охлаждающей воды в ОНВ
|
Tw(K)
|
323
|
|
21
|
Адиабатный
КПД компрессора 1
|
ETak1
|
0,9
|
|
22
|
Механический
КПД компрессора 1
|
ETmk1
|
0,965
|
|
23
|
Адиабатный
КПД компрессора 2
|
ETak2
|
1
|
|
24
|
Механический
КПД компрессора 2
|
ETmk2
|
1
|
|
25
|
Степень
повышения давления в мех. компрессоре 2
|
PIk2
|
1
|
|
26
|
Потеря
давления на впуске
|
DPO (МПа)
|
0,00076
|
|
27
|
Потеря
давления в ОНВ1
|
DPohl (МПа)
|
0,0027
|
|
28
|
Коэффициент
охлаждения в ОНВ1
|
Kohl
|
0,9
|
|
29
|
Потеря
давления в ОНВ2
|
DPoh2 (МПа)
|
0
|
|
30
|
Коэффициент
охлаждения в ОНВ2
|
Koh2
|
1
|
|
31
|
Подогрев
заряда в цилиндре
|
Dta (K)
|
5
|
|
32
|
Температура
остаточных газов
|
Tr(K)
|
700
|
|
33
|
Коэффициент
остаточных газов (нач.прибл.)
|
gammar
|
0,02761
|
|
34
|
Средняя
температура стенок цилиндра
|
Tst(K)
|
680
|
|
35
|
Отношение
давлений Ра/Рк
|
Kpa
|
0,98
|
|
36
|
Отношение
давлений Pt/Pk=Pg/Pk
(нач.прибл.)
|
Kpt
|
0,9
|
|
37
|
Теоретически
необходимое кол-во воздуха
|
L0 (кмоль/кг)
|
0,48041
|
|
38
|
Низшая
теплота сгорания топлива
|
Qn (кДж/кг)
|
42700
|
|
39
|
Механический
КПД двигателя
|
Etm
|
0,94
|
|
40
|
Потеря
давления на выпуске
|
DPg (МПа)
|
0,0019
|
|
41
|
Показатель
политропы расширения при выпуске из цилиндра
|
ng
|
1,25
|
|
42
|
Показатель
политропы расширения в турбине
|
kg
|
1,4
|
|
43
|
КПД
турбины
|
Ettr
|
0,95
|
|
44
|
Коэффициен
импульсности ГТН
|
Ki
|
1,2
|
Таблица 29 - Параметры рабочего
тела
|
Наполнение
|
|
1
|
Давление
воздуха после компрессора 1 (ГТН)
|
Pkl
|
0,223
|
МПа
|
|
2
|
Температура
воздуха после компрессора 1 (ГТН)
|
Tkl
|
377,67
|
К
|
|
3
|
Давление
воздуха перед механическим компрессором 2
|
Pkll
|
0,220
|
МПа
|
|
4
|
Tkll
|
328,47
|
К
|
|
5
|
Давление
воздуха после механического компрессора 2
|
Pk2
|
0,220
|
МПа
|
|
6
|
Температура
воздуха после механического компрессора 2
|
Tk2
|
328,47
|
К
|
|
7
|
Температура
воздуха перед цилиндром
|
Tk
|
323,00
|
К
|
|
8
|
Общая
степень повышения давления
|
PIk
|
2,244
|
|
|
9
|
Степень
повышения давления в компрессоре 1 (ГТН)
|
PIk1
|
2,244
|
|
|
Наполнение
|
|
10
|
Давление
раб. тела в конце наполнения (начале сжатия)
|
Ра
|
0,216
|
МПа
|
|
11
|
Температура
раб. тела в конце наполнения (начале сжатия)
|
Та
|
329,98
|
К
|
|
12
|
Коэффициент
наполнения
|
ЕТn
|
0,889
|
|
|
13
|
Коэффициент
избытка воздуха для сгорания
|
Α
|
2,114
|
|
|
14
|
Общий
коэффициент избытка воздуха
|
αs
|
2,325
|
|
|
Сжатие
|
|
15
|
Давление
раб. тела в конце сжатия без сгорания топлива
|
Рс
|
8,575
|
МПа
|
|
16
|
Температура
раб. тела в конце сжатия без сгорания топлива
|
Тс
|
1
008,17
|
К
|
|
17
|
Давление
рабочего тела в момент начала подачи топлива
|
Pсl
|
7,596
|
МПа
|
|
18
|
Температура
рабочего тела в момент начала подачи топлива
|
Tсl
|
957,15
|
К
|
|
Сгорание
|
|
19
|
Время
задержки воспламенения топлива
|
τi
|
1,036
|
м/сек
|
|
20
|
Угол
поворота, соответствующий времени задержки самовоспламенения топлива
|
φi
|
0,77
|
град
|
|
21
|
Угол
ПКВ начала горения топлива
|
Φn
|
-7,23
|
град
|
|
22
|
Максимальное
давление рабочего тела
|
Pz
|
14,699
|
МПа
|
|
23
|
Угол
ПКВ, соответствующий Pz
|
fpz
|
8,00
|
град
|
|
24
|
Максимальная
температура рабочего тела
|
Tz
|
2007,58
|
К
|
|
25
|
Угор
ПКВ, соответствующий Tz
|
ftz
|
17,00
|
град
|
|
26
|
Степень
повышения давления при сгорании (Pz/Pc)
|
Lz
|
1,714
|
|
|
27
|
Степень
повышения давления при сгорании (Pz/Pcl)
|
Lzl
|
1,935
|
|
|
28
|
Коэффициент
молекулярного изменения
|
Β
|
1,030
|
|
|
Расширение
|
|
29
|
Давление
рабочего тела в конце расширения
|
Pb
|
0,520
|
МПа
|
|
30
|
Температура
рабочего тела в конце расширения
|
Tb
|
851,49
|
К
|
|
Выпуск
|
|
31
|
Давление
за цилиндром и в выпускном коллекторе (Pg=Pt)
|
Pt
|
0,15717
|
МПа
|
|
32
|
Температура
рабочего тела после расширения при выходе в выпускной коллектор
|
Tg
|
670,35
|
К
|
|
33
|
Температура
выпускных газов за цилиндром ( с учетом перемешивания с продувочным
воздухом)
|
Ttt
|
641,32
|
К
|
|
34
|
|
Ttt-273°C
|
368,32
|
°С
|
|
Индикаторные
и эффективные показатели
|
|
35
|
Среднее
индикаторное давление цикла
|
Pi
|
1,578
|
МПа
|
|
36
|
Среднее
индикаторное давление цикла
|
Pe
|
1,484
|
МПа
|
|
37
|
Среднее
по времени давление цикла
|
Pit
|
2,850
|
МПа
|
|
38
|
Средний
индикаторный расход топлива
|
Gi
|
0,1569
|
кг/кВт.ч
|
|
39
|
Средний
эффективный удельный расход топлива
|
Ge
|
0,1669
|
кг/кВт.ч
|
|
40
|
Индикаторный
КПД двигателя
|
ηi
|
0,4789
|
|
|
41
|
Эффективный
КПД двигателя
|
ηe
|
0,4502
|
|
|
42
|
Полный
механический КПД двигателя (с учетом привода механического компрессора)
|
Ηms
|
0,9400
|
|
|
43
|
Расчетная
индикаторная мощность двигателя
|
Nil
|
8899,20
|
кВт
|
|
44
|
Расчетная
эффективная мощность двигателя
|
Nel
|
8365,25
|
кВт
|
|
45
|
Погрешность
совпадения заданной и расчетной мощности двигателя
|
∆Ne
|
-1,67783
|
%
|
|
Параметры
ГТН
|
|
46
|
Относительная
мощность компрессора 1
|
δk1
|
0,137
|
|
|
47
|
Относительная
мощность компрессора 2
|
δk2
|
0,000
|
|
|
48
|
Относительная
мощность турбины
|
δt
|
0,137
|
|
|
49
|
Температура
выпускных газов после турбины
|
Tttl
|
566,64
|
К
|
|
50
|
Погрешность
совпадения мощностей компрессора 1 и турбины ГТН
|
∆NNkt1
|
-0,003
|
%
|
|
51
|
Расход
воздуха двигателя
|
Gb
|
12,601
|
кг/с
|
|
52
|
Расход
выпускных газов двигателя
|
Gg
|
12,990
|
кг/с
|
|
Механическая
напряженность
|
|
53
|
Максимальное
давление рабочего тела
|
Pz
|
14,699
|
МПа
|
|
54
|
Угор
ПКВ, соответствующий Pz
|
Fpz
|
8,00
|
град
|
|
55
|
Среднее
по времени давление цикла
|
Pit
|
2,850
|
МПа
|
|
56
|
Максимальная
скорость нарастания давления
|
Dpdf
|
0,701
|
МПа
|
|
57
|
Угол
ПКВ, соответствующий максимальной скорости нарастания давления
|
Fdp
|
-1,00
|
град
|
|
58
|
Степень
повышения давления при сгорании (Pz/Pc)
|
Lz
|
1,714
|
|
|
59
|
Степень
повышения давления при сгорании (Pz/Pc1)
|
Lzl
|
1,935
|
|
|
Тепловая
напряженность
|
|
60
|
Температура
выпускных газов за цилиндром (с учетом перемешивания с продувочным воздухом)
|
Ttt
|
641,32
|
К
|
|
61
|
Коэффициент
избытка воздуха для сгорания
|
Α
|
2,114
|
|
|
62
|
Средняя
по времени температура цикла
|
Tcp
|
954,20
|
К
|
|
63
|
Теплонапряженность
поршня (Костин)
|
Qnk
|
6112,15
|
|
|
64
|
Средний
тепловой поток через цилиндр
|
Qloh
|
177495,34
|
кВт/м2
|
|
65
|
Теплонапряженность
цилиндра (Камкин)
|
Kс
|
323480.2
|
|
|
66
|
Относительная
потеря теплоты
|
Xw
|
0,1242
|
|
Таблица 30 - Индикаторный
процесс
Рисунок 33. Индикаторный
процесс
Полученные в результате
теплового расчёта теплофизические показатели свидетельствуют о тепловой и
механической напряжённости модернизированного двигателя при 85% нагрузки.
3.3 Сравнительная итоговая таблица
технической эффективности предлагаемого усовершенствования

3.4
Расчет энергетического баланса усовершенствованной СЭУ
Энергетический баланс СЭУ
состоит из трех составных частей, в соответствии с составом СЭУ.
В этом случае рассматриваются:
·баланс пропульсивной установки, в
которой основным источником энергии является главный двигатель, потребителем -
корпус судна, движущийся с определенной скоростью;
·баланс судовой электростанции, в
которой основным источником энергии является генератор, получающий привод от
вспомогательного двигателя. Промежуточным потребителем является
главный
распределительный щит (ГРЩ);
·баланс вспомогательной
энергетической установки, которая вырабатывает несколько видов энергии, имеет
соответствующее количество источников энергии. Это: котлы, компрессоры,
водоопреснительные установки, и т.п.
Расчет энергетического баланса
СЭУ проводится в три этапа.
Этап 1. Предварительный расчет.
На этом этапе производится
разбивка потоков энергии на полезную работу и потери тепла в целом, без
дифференциации потерь на спецификационных режимах работы судна.
Этап 2. Определение расчетного
режима.
На этом этапе определяется
усредненный годовой режим работы судна, для которого рассчитывается тепловой баланс
СЭУ. Определяется загрузка по каждой группе оборудования на принятом расчетном
режиме.
Этап 3. Уточненный расчет.
Проводится уточненный
энергетический расчет баланса на принятом режиме работы судна. В пояснительной
записке приводятся диаграммы энергетического баланса для главных двигателей,
вспомогательных двигателей и вспомогательных котлов, в графической части
дипломного проекта приводится энергетический баланс СЭУ, в т.ч. для
пропульсивной установки, судовой электростанции и вспомогательной энергетической
установки.
Предварительный расчет
Согласно оборудованию,
установленному на судне-прототипе, заполняются табл.32 «Параметры главного
двигателя», табл.33 «Параметры вспомогательного двигателя» и табл.34 «Параметры
вспомогательного котла» в части исходных данных.
Таблица 32 - Параметры главного
двигателя
Таблица 33 - Параметры
вспомогательного двигателя
Таблица 34 - Параметры
вспомогательного котла (ВК)
Определение расчетного режима
Определяется расчетный
(усредненный) коэффициент загрузки Креж для каждой группы оборудования исходя из
усредненного КПД, по характеристикам оборудования. Заполняется графа ИТОГО
столбца 4 нижней части таблицы 35. Если нижняя часть таблицы 35 не заполняется,
то используется графа «ИТОГО» верхней части таблицы.
Таблица 35 - Данные для
определения годового теплового баланса ГД
Таблица 36 - Данные для определения годового
теплового баланса ВД
Таблица 37 - Данные для
определения годового теплового баланса ПК
Уточненный расчет
Проводится расчет
энергетических балансов оборудования на расчетном режиме в форме таблицы 38.
Проводится расчет
энергетического баланса главных двигателей в порядке, изложенном в таблице 38,
и заполняется таблицы 1 (2,3) в части расчетные данные.
Проводится расчет
энергетического баланса СЭУ в целом по группам оборудования на расчетном режиме
(таблица 39).
Проводится построение диаграмм
рассчитанных энергетических балансов оборудования в пояснительной записке и
энергетического баланса СЭУ в целом на выбранном режиме в графической части
проекта.
Таблица 38 - Расчет тепловых и
энергетических балансов


Рисунок 34. Диаграмма
энергетического баланса вспомогательного двигателя
Рисунок 35. Диаграмма
энергетического баланса главного двигателя
Рисунок 36. Диаграмма
энергетического баланса вспомогательного котла