Оброблення опори
Вcтуп
Машинобудування як галузь
промисловості виникла в XVIII столітті. Винахід прядильної машини, ткацького
верстата, парової машини, як універсального двигуна й інших машин спричинило
створення машин для виробництва машин. Це було пов'язане з винаходом супорта,
удосконалюванням металорізальних верстатів і появою інших металообробних машин.
Перехід від мануфактури до машинного виробництва відкрило епоху великої
машинної індустрії, промислового капіталізму ознаменував повний технічний
переворот і загальне ламання суспільних відносин виробництва.
Машинобудування України виникло ще в
середині XIX сторіччя. Наявність металу, вигідне транспортно-географічне
розташування, висока концентрація сільськогосподарського виробництва сприяли
розвитку важкого, транспортного і сільськогосподарського машинобудування.
Серед галузей промисловості провідне
місце займає машинобудування. Це визначається тим, що всі процеси в
матеріальному виробництві, транспорті, будівництві та сільському господарстві
пов’язані з використанням машин різного призначення. Конструкції машин
безперервно вдосконалюються згідно з вимогами виробництва та експлуатації, а
також на основі впровадження ефективних результатів науково-технічних
досліджень, появи нових матеріалів і способів надання їм потрібних форм і
властивостей.
Створення нових машин, які
відповідали б сучасним вимогам, пов’язане з потребою підготовки
висококваліфікованих інженерних кадрів машинобудівного профілю, здатних
розв’язувати питання розрахунків, конструювання, виробництва та експлуатації
виробів високого технічного рівня. Підготовка молодих фахівців у цьому напрямку
здійснюється на базі вивчення фундаментальних загальноосвітніх, загально
інженерних і спеціальних дисциплін, серед яких окреме місце займає курс
технології машинобудування.
Основним завданням цієї наукової
дисципліни є розвиток знань, що забезпечують безперервне удосконалення
технологічних методів виробництва та підвищення продуктивності праці в
машинобудуванні. Напрямок технології машинобудування визначається завданням отримання
машин високої якості, які виготовляються при найменшій собівартості,
мінімальній витраті матеріалів, організації праці безпечної та полегшеної в
максимально можливій мірі. Розробка таких технологічних процесів пов’язана з
доцільним вибором і створенням більш досконального технологічного обладнання,
засобів механізації та автоматизації виробництва, приведенням
техніко-економічних обґрунтувань та виконанням проектно-конструкторських
розробок. Разом з цим ставиться завдання максимального скорочення термінів
побудови та впровадження технологічних процесів, у результаті чого
прискорюється застосування нової техніки на стадії виготовлення виробів.
Технологія виготовлення виробів є
комплексним курсом, в якому викладається теорія побудови та методи розрахунку
технологічних процесів машинобудівного виробництва, що включають отримання
заготовок, механічну обробку різанням і складання машин і їх елементів, а також
вимоги до конструктивного оформлення. Крім того, цей курс розширює кругозір
студентів в області технології, розвиває здатність до проведення критичної
оцінки діючих процесів, а також прищеплює навички творчого вирішення технічних
завдань.
У технології машинобудування
синтезуються положення теоретичних і прикладних наук щодо вирішення
технологічних завдань різного характеру.. Поряд з цим шляхом систематизації та
узагальнення виробничого досвіду, а також на основі аналізу результатів
виконаних досліджень створюються та розвиваються основні теоретичні положення
технології виробництва виробів, що підводять наукову базу під розробку процесів
їх виготовлення і дають можливість обґрунтованого вибору технологічних методів
для конкретних умов.
Однією з головних наукових проблем
даної дисципліни є вивчення закономірностей протікання технологічних процесів і
виявлення тих параметрів, вплив на які є найбільш ефективним для інтенсифікації
виробництв та підвищення його точності. У дослідженнях технологічних процесів
треба повністю перейти від наближеного опису явищ, що відбуваються, до
математично строгих виразів і методів сучасної науки. Точні технологічні
розрахунки особливо важливі для автоматизованого виробництва, де потрібна
висока надійність забезпечення заданої продуктивності та стабільної якості
виробів.
1.
Загально-технічна частина
1.1
Службове призначення деталі, аналіз технічних умов та норм точності
Деталь «Опора
ТМБ 02 - 13» відноситься до класу корпусних деталей. Матеріал - сталь
20 ГОСТ 1050
- 74.
Деталь «Опора
ТМБ 02 - 13» використовується для розташування у
ньому співвісних валів, разом з шестернями, які служать для підтримки вільного
кінця заготовок, які обробляються на даному пристрою.
Хімічний склад сталі 20 (ГОСТ 1050
- 74),%:
|
C
|
Si
|
Mn
|
Ni
|
P
|
Cr
|
Сu
|
As
|
|
0,17-0,24
|
0,17 -
0,37
|
0,35-0,65
|
до 0,3
|
до 0,035
|
до 0,25
|
до 0,3
|
до 0,08
|
Механічні властивості при Т=20Сº
сталі
20:
|
Сортамент
|
Розмір
|
Напр.
|
в
|
T
|
5
|
|
KCU
|
Термообр.
|
|
-
|
мм
|
-
|
МПа
|
МПа
|
%
|
%
|
кДж / м2
|
-
|
|
|
|
412
|
245
|
21
|
|
|
|
|
Твердість матеріалу
|
HB 10^-1
= 163
МПа
|
|
|
|
|
|
|
|
|
|
|
Фізичні
властивості
матеріалу сталі 20 :
|
T
|
E 10^- 5
|
a 10 ^6
|
l
|
r
|
C
|
R 10^ 9
|
|
Град
|
МПа
|
1/Град
|
Вт/(м·град)
|
кг/м3
|
Дж/(кг·град)
|
Ом·м
|
|
20
|
2.13
|
|
52
|
7859
|
|
|
|
100
|
2.03
|
11.6
|
50.6
|
7834
|
486
|
219
|
До найточніших розмірів
відносяться діаметри отворів 6,7,9 і торцевої поверхні 8 (допуск визначається
ІТ7, тобо7 квалітетом) та діаметр отвору 22 (допуск визначається ІТ9, тобто 9
квалітетом). Найвищу шорсткість мають отвори 6,7,9 (Ra 1.25 , мкм), поверхні
2,5,8,10 (Ra 2.5 , мкм), вимоги до точності інших поверхонь, які обробляються
(Ra 6.3 , мкм).
1.2
Встановлення типу і організаційної формі виробництва
Тип виробництва - це класифікаційна
категорія, яка розрізняється за ознаками широти номенклатури, регулярності,
стабільності та обсягу випуску продукції. Виділяють три типи виробництва:
одиничне, серійне та масове (ГОСТ 14.004 - 83). Крім того, залежно від
кількості виробів у партії або в серії розрізняють дрібно -, середньо - та
великосерійне виробництва (ГОСТ 3.1121 - 84).
1.2.1
Розроблення технологічного маршруту обробки деталі
Технологічний маршрут обробки деталі
«Опора
ТМБ 02 - 13».
Фрезерна
Установ А
1. Фрезерувати поверхню 1 начорно.
2. Фрезерувати поверхню 1
напівчисто.
Установ Б
1. Фрезерувати поверхню 6 начорно.
010 Токарна
Установ А
. Точити поверхню 5 начорно.
Свердлильна
Установ А
. Свердлити отвір 15.
. Зенкерувати отвір 19.
. Свердлити отвір 16.
. Зенкерувати отвір 20.
. Свердлити отвір 17.
. Зенкерувати отвір 21.
. Свердлити отвір 18.
. Зенкерувати отвір 22.
Розточувальна
Установ А
1. Підрізати торець 10 начорно.
2. Підрізати торець 10 начисто.
. Розточити отвір 7 начорно.
. Підрізати торець 9 начорно.
. Розточити отвір 7 начисто.
. Підрізати торець 9 начисто.
. Розточити отвір 8 начорно.
. Розточити отвір 8 начисто.
Установ Б
1. Розточити отвір 4 начорно.
2. Розточити отвір 4 начисто.
Розточувальна
Установ А
1. Розточити отвір 3 начорно.
2. Розточити отвір 3 начисто.
Установ Б
3. Розточити отвір 2 начорно.
4. Розточити отвір 2 начисто.
030
Cвердлильна
Установ А
1. Свердлити отвір 23.
2. Зенкувати отвір 23.
. Нарізати різь в отворі 23.
. Свердлити отвір 24.
. Зенкувати отвір 24.
. Нарізати різь в отворі 24.
. Свердлити отвір 25.
. Зенкувати отвір 25.
. Нарізати різь в отворі 25.
. Свердлити отвір 11.
. Зенкувати отвір 11.
. Нарізати різь в отворі 11.
. Свердлити отвір 12.
. Зенкувати отвір 12.
. Нарізати різь в отворі 12.
. Свердлити отвір 13.
. Зенкувати отвір 13.
. Нарізати різь в отворі 13.
. Свердлити отвір 14.
. Зенкувати отвір 14.
. Нарізати різь в отворі 14.
035
Cвердлильна
Установ Б
1. Свердлити отвір 26.
. Зенкувати отвір 26.
3. Нарізати різь в отворі 26.
4. Свердлити отвір 27.
. Зенкувати отвір 27.
. Нарізати різь в отворі 27.
. Свердлити отвір 28.
. Зенкувати отвір 28.
. Нарізати різь в отворі 28.
Установ А
1. Свердлити отвір 29.
2. Зенкувати отвір 29.
. Нарізати різь в отворі 29.
. Свердлити отвір 30.
. Зенкувати отвір 30.
. Нарізати різь в отворі 30.
. Свердлити отвір 31.
. Зенкувати отвір 31.
. Нарізати різь в отворі 31.
. Свердлити отвір 32.
. Зенкувати отвір 32.
. Нарізати різь в отворі 32.
1.2.2
Визначення необхідної кількості робочих місць і їх завантаження
Такт випуску деталей.
Прийнятий дійсний річний фонд
часу роботи обладнання
[2]
(кількість робочих змін -2).
Такт випуску деталей:
Наближене нормування
технологічного процесу обробки деталі.
Результати нормування
технологічного маршруту обробки деталі за наближеними формулами зведені в
таблиці №1 [1(див. додаток Г. табл. Г.1,Г2)].
Таблиця №1.
|
Номер, назва, зміст, операції
|
Розрахункове значення  
|
|
|
|
1
|
2
|
3
|
4
|
005 Фрезерна Установ А
1.Фрезерувати поверхню 1 начорно. 2.Фрезерувати поверхню 1 напівначисто.
Установ Б 1.Фрезерувати поверхню 6 начорно.
.84
010 Токарна Установ А 1.
Точити поверхню 5 начорно.
.14
015 Свердлильна Установ А 1.
Свердлити отвір 15. 2. Зенкерувати отвір 19. 3. Свердлити отвір 16. 4.
Зенкерувати отвір 20. 5. Свердлити отвір 17. 6. Зенкерувати отвір 21. 7.
Свердлити отвір 18. 8. Зенкерувати отвір 22.
.72
020 Розточувальна Установ А
1.Підрізати торець 10 начорно. 2.Підрізати торець 10 начисто. 3.Розточити отвір
7 начорно. 4.Підрізати торець 9 начорно. 5.Розточити отвір 7 начисто.
6.Підрізати торець 9 начисто. 7.Розточити отвір 8 начорно. 8.Розточити отвір 8
начисто. Установ Б 1.Розточити отвір 4 начорно. 2.Розточити отвір 4 начисто.
.25
025 Розточувальна Установ А
1.Розточити отвір 3 начорно. 2.Розточити отвір 3 начисто. Установ Б 3.Розточити
отвір 2 начорно. 4.Розточити отвір 2 начисто.
.25
030 Cвердлильна
Установ А 1.Свердлити отвір 23. 2.Зенкувати отвір 23. 3.Нарізати різь в
отворі 23. 4.Свердлити отвір 24. 5.Зенкувати отвір 24. 6.Нарізати різь в отворі
24. 7.Свердлити отвір 25. 8.Зенкувати отвір 25. 9.Нарізати різь в отворі 25.
10.Свердлити отвір 11. 11.Зенкувати отвір 11. 12.Нарізати різь в отворі 11.
13.Свердлити отвір 12. 14.Зенкувати отвір 12. 15.Нарізати різь в отворі 12.
16.Свердлити отвір 13. 17.Зенкувати отвір 13. 18.Нарізати різь в отворі 13.
19.Свердлити отвір 14. 20.Зенкувати отвір 14. 21.Нарізати різь в отворі 14.
.72
035 Cвердлильна
Установ Б 1. Свердлити отвір 26. 2. Зенкувати отвір 26. 3. Нарізати різь
в отворі 26. 4. Свердлити отвір 27. 5. Зенкувати отвір 27. 6. Нарізати різь в
отворі 27. 7. Свердлити отвір 28. 8. Зенкувати отвір 28. 9. Нарізати різь в
отворі 28. Установ А 1. Свердлити отвір 29. 2. Зенкувати отвір 29. 3. Нарізати
різь в отворі 29. 4. Свердлити отвір 30. 5. Зенкувати отвір 30. 6. Нарізати
різь в отворі 30. 7. Свердлити отвір 31. 8. Зенкувати отвір 31. 9. Нарізати
різь в отворі 31. 10. Свердлити отвір 32. 11. Зенкувати отвір 32. 12. Нарізати
різь в отворі 32.
.72
Кількість робочих
місць (верстатів) і їх коефіцієнт завантаження.
Розрахункова кількість
робочих міcць
005
«Фрезерна »:
Прийнята кількість робочих
місць (верстатів) -
.
Фактичний коефіцієнт
завантаження робочого місця (верстата)
:
Загальна кількість можливих
(для інших деталей) токарних операцій:
Результати для решти операцій
технологічного процесу обробки наведені в таблиці №2:
Таблиця №2
№ з/п № Опр.
операції
|
  О
|
|
|
|
|
|
|
|
|
|
|
поперед.
|
кінцеве
|
поперед.
|
кінцеве
|
|
|
1
|
005
|
Фрезерна
|
9.23
|
0.68
|
1
|
1
|
0.68
|
0.68
|
2
|
|
2
|
010
|
Токарна
|
1.88
|
0.14
|
1
|
1
|
0.14
|
0.14
|
6
|
|
3
|
015
|
Свердлильна
|
4.47
|
0.33
|
1
|
1
|
0.33
|
0.33
|
3
|
|
4
|
020
|
Розточувальна
|
35.0
|
2.59
|
3
|
3
|
0.86
|
0.86
|
1
|
|
5
|
025
|
Розточувальна
|
89.3
|
6.61
|
7
|
7
|
0.94
|
0.94
|
1
|
|
6
|
030
|
Свердлильна
|
3.25
|
0.24
|
1
|
1
|
0.24
|
0.48
|
|
7
|
035
|
Свердлильна
|
3.25
|
0.24
|
1
|
|
0.24
|
|
|
|
Разом
|
146.38
|
|
14
|
|
15
|
1.2.3
Розрахункове встановлення типу виробництва
Загальна кількість робочих
місць, необхідних для виконання маршруту обробки деталі -
.
Загальна кількість всіх
операцій , які можуть бути виконані на встановлених верстатах, -
.Коефіцієнт
закріплення операцій:
Тип - великосерійний (
).
1.2.4
Розрахункове визначення організаційної форми виробництва
Середня норма штучного часу
:
Де r -
загальна кількість операцій розробленого маршруту обробки деталі.
Середня кількість робочих
місць
, які
припадають на одну операцію:
У цьому випадку доцільно
використовувати потокову форму виробництва
.
Ритмічність і безперервність
роботи потокової лінії визначають тактом випуску деталей. Величина такту
залежить від типу лінії:
Fд =4055 год. - дійсний
річний фонд часу роботи одиниці обладнання й автоматичної лінії; hл
= 0,75...0,95 - плановий нормативний коефіцієнт завантаження обладнання; N=
18000 - кількість виробів (деталей), що підлягають випуску за рік.
2.
Технологічна частина
2.1
Аналіз і відпрацювання конструкції деталі на технологічність
Аналіз здійснюється на
підставі вихідних даних з таблиці №3. Згідно з технічними вимогами , заданим
кресленням деталі, необхідно забезпечити допуск співвісності осі отвору 9 і осі
« Корпусу» 21 ( становить 0.03 мм) , а також необхідно забезпечити допуск
взаємного розташування поверхонь - допуск перпендикулярності осі отвору 6
відносно поверхні 5 (становить 0.05 мм), допуск перпендикулярності осі 21
отвору 2 відносно поверхні отвору 7 (становить 0.02 мм).
До найточніших розмірів
відносяться діаметри отворів 6,7,9 і торцевої поверхні 8 (допуск визначається
ІТ7, тобо7 квалітетом) та діаметр отвору 22 (допуск визначається ІТ9, тобто 9
квалітетом). Найвищу шорсткість мають отвори 6,7,9 (Ra 1.25 , мкм), поверхні
2,5,8,10 (Ra 2.5 , мкм), вимоги до точності інших поверхонь, які обробляються
(Ra 6.3 , мкм).
В цілому конструкція
деталі складається із стандартних та уніфікованих конструкційних елементів.
Фізико - механічні властивості матеріалу деталі, її форма та розміри, параметри
точності та шорсткості відповідають вимогам технології виготовлення.
Вимоги стандартів до призначення
розмірів є витримані, усі розміри є проставлені технологічно: в кожному
координатному напрямку утворені окремі розмірні ланцюги, розміри яких
пов’язують між собою відповідно оброблювані і необроблювані поверхні.
Деталь є не технологічною в тому, що
маса деталі є досить великою, що ускладнює умови транспортування деталі при
обробленні. Також не технологічним є отвір 7, тому що для його розточування на
задану точність потрібно мати різець довгої довжини і який мав би високу
жорсткість.
Таблиця №3
Вихідні дані для
технологічного аналізу конструкції деталі «Корпус бабки ТМБ-31»
|
Позначення поверхні
|
Назва та характеристика
поверхні (елемента деталі)
|
Шорсткість і уніфікованість
|
Розміри деталі
|
|
|
Кількість поверхонь
|
Параметр шорсткості Ra, мкм
|
Уніфікованість поверхні деталі
(кількість)
|
Позначення поверхонь
|
Розмір за кресленням
|
Кількість розмірів
|
Квалітет допуску
|
|
1
|
Площина, зовнішня, основна
|
1
|
6.3
|
0
|
1-10
|
125h14
|
1
|
14
|
|
2
|
Циліндрична, внутрішня, основна
|
1
|
2.5
|
1
|
2
|
Ø 300H14
|
1
|
14
|
|
3
|
Площина циліндрична, зовнішня
|
1
|
6.3
|
0
|
3
|
Ø360 H14
|
1
|
14
|
|
4
|
Різьбова поверхня
|
4
|
6.3
|
4
|
4
|
М12-7Н
|
4
|
14
|
|
5
|
Площина, зовнішня
|
1
|
2.5
|
0
|
5
|
420
h14
|
1
|
14
|
|
6
|
Отвір
|
1
|
1.25
|
1
|
6
|
Ø210 H7
|
1
|
7
|
|
7
|
Отвір
|
1
|
1.25
|
1
|
7
|
Ø85 H7
|
1
|
7
|
|
8
|
Торцева, внутрішня, основна
|
1
|
2.5
|
0
|
8
|
Ø140 H14
|
1
|
7
|
|
9
|
Отвір
|
1
|
1.25
|
1
|
9
|
Ø140 H7
|
1
|
7
|
|
10
|
Циліндрична, зовнішня
|
1
|
2.5
|
1
|
10
|
Ø210Н14
|
1
|
14
|
|
11
|
Різьбова поверхня
|
3
|
6.3
|
3
|
11
|
М12-7Н
|
3
|
14
|
|
12
|
Різьбова поверхня
|
3
|
6.3
|
3
|
12
|
М12-7Н
|
3
|
14
|
|
13
|
Отвір
|
4
|
6.3
|
4
|
13
|
Ø42Н14
|
4
|
14
|
|
14
|
Торцева, внутрішня
|
4
|
6.3
|
4
|
14
|
Ø42Н14
|
4
|
14
|
|
15
|
Отвір
|
4
|
6.3
|
4
|
15
|
Ø28Н14
|
4
|
14
|
|
16
|
Різьбова поверхня
|
4
|
6.3
|
4
|
16
|
М12-7Н
|
4
|
14
|
|
17
|
Фаска
|
3
|
6.3
|
3
|
17
|
Ø 12Н14
|
3
|
14
|
|
18
|
Фаска
|
4
|
6.3
|
4
|
18
|
Ø 12Н14
|
4
|
14
|
|
19
|
Фаска
|
3
|
6.3
|
3
|
19
|
Ø 12Н14
|
3
|
14
|
|
20
|
Вісь отвору
|
0
|
0
|
0
|
-
|
Ø 300Н14
|
1
|
14
|
|
21
|
Вісь отвору
|
0
|
0
|
0
|
-
|
Ø 140Н14
|
1
|
14
|
|
22
|
Отвір
|
1
|
2.5
|
1
|
22
|
Ø 140Н9
|
1
|
9
|
|
Разом поверхонь
|
46
|
-
|
42
|
Разом розмірів
|
48
|
-
|
Кількісні показники
технологічності.
Кількісна оцінка технологічності
конструкції деталі виражається показниками, які мають конкретні числові
значення. При проведенні цієї частини аналізу студент повинен, як мінімум,
визначити такі показники: працемісткість виготовлення виробу, коефіцієнти
уніфікації, точності, шорсткості і комплексні показники технологічності.
Абсолютні значення
показників, отримані в наслідок відпрацювання конструкції на технологічність,
розраховуємо за формулами:
1) Коефіцієнт
точності
:
- середній квалітет точності деталі:
Де ІТ - квалітет допуску
і-тої поверхні , m - кількість поверхонь даного квалітету.
) Коефіцієнт
шорсткості
:
Де
- середня
шорсткість оброблення поверхонь:
де
- шорсткість
і - тої поверхні;
- кількість
поверхонь з шорсткістю -
.
3) Коефіцієнт
уніфікації:
Де
- загальна
кількість оброблюваних конструктивних елементів деталі, з яких до уніфікованих
відноситься
.
) Коефіцієнт
використання матеріалу
:
,
де m - маса деталі, а M -
відповідно маса заготовки.
Після проведення відповідних
розрахунків значення отриманих коефіцієнтів порівнюємо із значеннями
нормативних коефіцієнтів:
,
,
,
.
Деталь вважається
технологічною, якщо її коефіцієнт технологічності за цим показником має таке
співвідношення з нормативним коефіцієнтом:
,
,
,
.
Перевіримо чи виконуються усі
співвідношення:
Отже, усі
співвідношення виконуються, тому деталь можна вважати технологічною за усіма
кількісними технологічними нормативами.
Якісні показники
технологічності.
1. Аналіз
геометричної форми деталі.
Форма заготовки має наближену
конфігурацію до деталі, має мінімальні припуски на механічне оброблення, деталь
має малу шорсткість поверхонь.
2. Аналіз
фізико-хімічних і механічних властивостей матеріалу деталі щодо її
оброблюваності, тощо.
Деталь виготовляється з чавуну СЧ -
35. Даний матеріал добре обробляється, що не ускладнює процес обробки.
3. Обґрунтування
показників базових поверхонь (точність, шорсткість) деталі.
До найточніших розмірів
відносяться діаметри отворів 6,7,9 і торцевої поверхні 8 (допуск визначається
ІТ7, тобо7 квалітетом) та діаметр отвору 22 (допуск визначається ІТ9, тобто 9
квалітетом). Найвищу шорсткість мають отвори 6,7,9 (Ra 1.25 , мкм), поверхні
2,5,8,10 (Ra 2.5 , мкм), вимоги до точності інших поверхонь, які обробляються
(Ra 6.3 , мкм).
4. Можливість
застосування високопродуктивного устаткування.
Конструкція деталі допускає
оброблення площин на прохід. Конструкція деталі дозволяє одночасного оброблення
отворів на багато шпиндельних верстатах.
5. Наявність
комплекту чорнових та чистових баз.
6. Можливість
застосовування граничних калібрів.
2.2
Вибір способу отримання заготовки
Вихідні дані: тип виробництва -
середньо серійний;
маса деталі -
;
матеріал деталі - чавун марки
СЧ 35 ГОСТ 1412 - 85.
Матеріал СЧ 35
використовується для отримання заготовок методом литтям.
Вибір методу отримання
заготовки здійснюється з переліку таких способів лиття: лиття в піщані форми та
лиття в кокіль. Шляхом порівняння цих варіантів отримання заготовки , потрібно
вибрати найкращий з них. При цьому вироби повинні виготовлятись з мінімальними
затратами праці, для чого потрібно задовольнити наступні вимоги :
1. Заготовки
за формою та розмірами повинні наближатися до готової деталі. При чому ступінь
наближення повинен бути тим вищим, чим більша програма випуску.
2. Метод
отримання заготовки повинен забезпечувати якісне заповнення ливарної форми
металом та відсутність на поверхні заготовки раковин.
Маса заготовки визначається за
коефіцієнтом використання матеріалу:
. При методі отримання заготовки
шляхом лиття в піщані форми:
Де -
коефіцієнт
використання матеріалу для отримання заготовки шляхом лиття в піщані форми.
. При методі отримання
заготовки шляхом лиття в кокільні форми:
Де -
коефіцієнт
використання матеріалу для отримання заготовки шляхом лиття в кокільні форми.
Вартість заготовки
визначається за формулою:
де -
вартість 1т.
виливків;
- маса заготовки;
- маса деталі;
- вартість 1т. відходів металу у
вигляді стружки;
К1 =1,32; К2=1,0;
К3=1; К4=1,4; К5= 1,45 - коефіцієнти, що
залежать відповідно від точності, програми випуску, маси, складності та
матеріалу виливка.
1. Вартість заготовки
,отримуваної литтям в піщані форми:
2. Вартість заготовки
,отримуваної литтям в кокільні форми:
З можливих варіантів обираємо
заготовку виготовлену методом лиття в піщані форми, що найбільше відповідає
прийнятому критерію оптимізації, яким може служити собівартість виробу,
продуктивність праці або якість виробу. Економічна ефективність:
2.3
Вибір методів оброблення поверхонь
В основу методики вибору
методу оброблення поверхонь покладено гіпотезу послідовного уточнення розміру
поверхні заготовки економічно-доцільними методами до точності розміру поверхні
деталі. Заготовці необхідно надати уточнення
у заг:
,
де Тзаг., Тдет.
- допуски на розміри заготовки і деталі, мкм відповідно.
Поверхня обробляється
послідовно чорновими, чистовими та викінчувальними методами, тобто оброблення
поверхні в загальному випадку проходить в кілька етапів, на кожному з яких
поверхня уточнюється на величину
,
де Ті-1, Ті
- допуски відповідно на попереднє і поточне оброблення, мкм.
Розрахункове уточнення може
бути забезпечене різними методами оброблення, кожний з яких має свою величину
уточнення. Заготовка, яка підлягала всім методам обробки, має загальне
уточнення, яке дорівнює добутку
уі уточнень,
отриманих на кожному переході.
Ознакою того, що кількість
методів обробки поверхні деталі вибрано вірно, є нерівність:
Коефіцієнт уточнення визначає
кількість методів оброблення n:
Аналітично вибираємо метод
оброблення на найбільш точну поверхню деталі. Найбільш точними поверхнями на
кресленні деталі є: ø85H7,
ø140H7, ø210H7,
ø140H9.
Для розрахунку обираємо
поверхню з розміром ø85H7:
Заготовка 16 ІТ,
розточування чорнове 13
ІТ, розточування напівчистове 10 ІТ, розточування чистове 8 ІТ, розточування
тонке 7 ІТ.
Заготовці надаємо необхідного
уточнення
у заг:
Коефіцієнт уточнення визначає
кількість методів оброблення n:
Приймаємо 4 методи обробки
для отримання заданої точності.
Оскільки умова
виконується,
то значить що кількість методів обробки поверхні деталі вибрано вірно.
Результати вибору методів
оброблення решти поверхонь зводимо в таблицю.
|
Поверхня
|
Технологія оброблення
|
eуі
|
Peі
|
|
Æ85Н7
|
Розточування чорнове
|
4,07
|
62,49
|
62,85
|
|
Розточування напівчистове
|
3,85
|
|
|
|
Розточування чистове
|
2,59
|
|
|
|
Розточування тонке
|
1,54
|
|
|
|
ø140H7
|
Розточування чорнове
|
3,96
|
61,81
|
62,5
|
|
Розточування напівчистове
|
3,93
|
|
|
|
Розточування чистове
|
2,53
|
|
|
|
Розточування тонке
|
1,57
|
|
|
|
Ø210H7
|
Розточування чорнове
|
4,02
|
62,45
|
63,04
|
|
Розточування напівчистове
|
3,89
|
|
|
|
Розточування чистове
|
2,56
|
|
|
|
Розточування тонке
|
1,56
|
|
|
|
ø140H9
|
Розточування чорнове
|
3,96
|
24,90
|
25
|
|
Розточування напівчистове
|
3,93
|
|
|
|
Розточування чистове
|
1,6
|
|
|
2.4
Вибір та обґрунтування технологічних баз
Вибір технологічних баз є дуже
важливим етапом в розробці технологічного процесу виготовлення деталі, тому що
це обумовлює і точність і економічність виготовлення.
Вибір технологічних баз починають з
аналізу функцій окремих поверхонь деталі і встановлення поверхні, відносно якої
задано і найбільш суворо лімітовано положення більшості інших її поверхонь. З
метою досягнення заданої точності обробки, ці поверхні використовують як
технологічні бази для більшості операцій технологічного процесу, це так звані
“чистові бази”. При виборі цих баз намагаються дотримуватись правил єдності і
постійності баз [3, 7].
Вирішивши питання з вибором чистових
баз, розв’язують задачу вибору чорнових баз. Чорнові бази використовуються на
першій, або перших операціях, на яких обробляються поверхні, що були намічені
як чистові бази. При виборі баз слід користуватись теоретичними схемами
базування, на яких вказується положення шести опорних точок. На картах ескізів,
що входять в документацію, наносяться опори, затискні і установчі елементи, які
реалізують одну або декілька опорних точок. Графічне позначення опор і інших
елементів пристроїв для встановлення деталі регламентовано ГОСТ 3.1107-81.
деталь заготовка виробництво поверхня
Результати зведені в таблицю
|
Операція
|
Схема базування
|
Класифікація баз
|
005 Вертикально - фрезерна
1,2,3 -
установча база.
,6 - напрямна база;
010 Вертикально - фрезерна
1,2,3 -
установча база.
,6 - напрямна база;
015Горизонтальо-розточувальна
(аналогічна схема базування для операції: 035Горизонтальо-розточувальна)
1,2,3 -
установча база;
,6 - напрямна.
- опорна.
020Вертикально- сердлильна
(аналогічна схема базування для операції: 040 Вертикально- сердлильна)
1,2,3
установча база;
,6 напрямна база;
- опорна,
|
|
|
|
025Горизонтальо-розточувальна (аналогічна
схема базування для операції: 030Горизонтальо-розточувальна)
|
1,2,3 установча база; 5,6 напрямна
база; 4 - опорна,
|
|
|
045Вертикально- сердлильна
|
1,2,3
установча база; 5,6 напрямна база; 4 - опорна,
|
|
|
050Вертикально- сердлильна
|
1,2,3
установча база; 5,6 напрямна база; 4 - опорна,
|
|
2.5
Встановлення припусків та між операційних розмірів, проектування заготовки
Мінімальний, номінальний і максимальний
припуски на оброблення при методі автоматичного отримання розмірів визначають
за такими математичними залежностями: Мінімальний припуск
на оброблення:
·
при послідовному обробленні
протилежних поверхонь (односторонній припуск):
·
при паралельному обробленні
протилежних поверхонь (двосторонній припуск):
·
при обробленні зовнішніх і
внутрішніх протилежних поверхонь:
,
У формулах Rzi-1 -
висота нерівностей профілю на попередньому переході; hi-1 - глибина
дефектного поверхневого шару на попередньому переході (зневуглецьований або від
білений шар); ri-1 -
сумарні відхилення розташування поверхні (відхилення від паралельності,
перпендикулярності, співвісності, симетричності, перетину осей, позиційне і в
деяких випадках відхилення форми поверхні (відхилення від площинності,
прямолінійності на попередньому переході); eі -
похибка встановлення заготовки на виконуваному переході. Номінальний
припуск на оброблення:
·
зовнішніх поверхонь (односторонній):
·
зовнішніх поверхонь (двосторонній):
·
внутрішніх поверхонь
(односторонній):
;
·
внутрішніх поверхонь (двосторонній):
,
де eii-1, eiDi-1,
eii, eiDi - нижні відхилення розмірів на попередньому і
виконуваному переходах; ESi-1, ESDi-1, ESi, ESDi
- верхні відхилення розмірів відповідно на попередньому і виконуваному
переходах; eiDi-1, eiDi, ESDi-1, ESDi
- відхилення розмірів, що відносяться до діаметральних.
Максимальний припуск на оброблення:
·
зовнішніх поверхонь (односторонній):
·
зовнішніх поверхонь (двосторонній):
·
внутрішніх поверхонь
(односторонній):
;
·
внутрішніх поверхонь (двосторонній):
,
де Tdi-1, TDi-1
- допуски розмірів на попередньому переході; Tdi, TDi -
допуски розмірів на виконуваному переході.
Значення мінімального припуску під
час оброблення замкнутих зовнішніх та внутрішніх поверхонь тіл обертання:
,
Проводимо розрахунок на
обробку внутрішньої поверхні ø85H7:
Проводимо розрахунок на
обробку внутрішньої поверхні ø85H7 чорнового розточування:
Результати остальних переходів
запишемо в таблицю №2.5
Таблиця №2.5
|
Переходи
|
Rz, мкм
|
h, мкм
|
ρ, мкм
|
ε, мкм
|
2Z min,мкм
|
TD, мм
|
D min,
мм
|
D max,
мм
|
2Z min,
мм
|
2Z max,
мм
|
|
Заготовка
|
160
|
250
|
180
|
-
|
-
|
2,2
|
80,955
|
83,155
|
-
|
-
|
|
Розточування чорнове
|
40
|
-
|
100
|
150
|
1280
|
0,54
|
83,895
|
84,435
|
1,28
|
2,94
|
|
Розточування напівчистове
|
20
|
-
|
60
|
80
|
330
|
0,14
|
84,625
|
84,765
|
0,33
|
0,73
|
|
Розточування чистове
|
10
|
-
|
30
|
40
|
180
|
0,054
|
84,891
|
84,945
|
0,18
|
0,266
|
|
Розточування тонке
|
5
|
-
|
10
|
20
|
90
|
0,035
|
85,0
|
85,035
|
0,09
|
0,109
|
|
Разом:
|
|
1,88
|
4,045
|
2.6
Розмірний аналіз технологічного процесу
Рівняння для розрахунку
технологічних ланцюгів зводять у таблицю №2.1.6
Вихідні дані для виконання
розмірного аналізу:
;
;
;
.
,
,
,
,
,
,
,
.
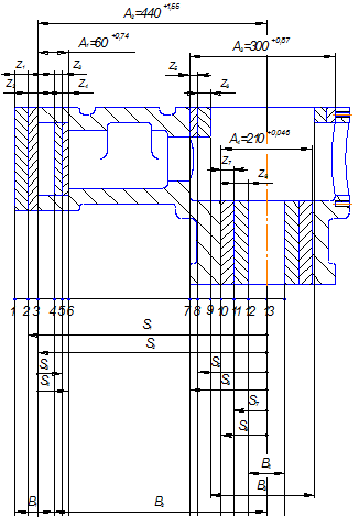
Рисунок 2.6.1
Таблиця №2.6.1
|
№ з/п
|
Розрахункове рівняння
|
Вихідне рівняння
|
Шукана ланка
|
Розмір який визначається, мм
|
|
|
|
|
|
граничний
|
допуск
|
Технологічний
|
Граничне значення припуску
|
|
1
|
   1. 55 -
|
|
|
|
|
|
|
|
2
|
   0. 74 -
|
|
|
|
|
|
|
|
3
|
   0. 87 -
|
|
|
|
|
|
|
|
4
|
   0.046 -
|
|
|
|
|
|
|
5 
6 
8 
11 



|
1.4
|
|
|
|
|
|
|
12 
2.7
Визначення режимів різання та вибір технологічного устаткування
Режими різання розраховуємо за
емпіричними формулами [3, 4]для всіх технологічних переходів однієї операції з
розробленого технологічного процесу.
При цьому вказуємо:
- Назва операції:
005 Фрезена
. Фрезерувати поверхню 1 начорно.
- Характер оброблення: чорновий.
- Інструмент:
Фреза торцева насадна, із вставними
ножами, оснащена пластинами з твердого сплаву ВК6 ГОСТ 9473-80, код 391801.
- Максимальний розмір обробленої
поверхні: 300 мм.
- Максимальна глибина
різання: 4 мм.
- Подача на оберт
шпинделя або на хвилину: 0.030
мм/зуб.
- Середнє значення
стійкості інструменту: 240
хв.
- Швидкість різання:
Де показники:
,
,
,
,
,
,
,
,
,
,
,
, ,
.
Значення коефіцієнта Сv
і показників ступеня наведені в табл. 39 [3].
- Частота обертання шпинделя.
- Сила різання:
,
Де
,
,
, ,
,
,
,
,
.,
де z -
кількість зубців фрези; n - частота обертання фрези, хв-1.
Значення коефіцієнта Cp і
показників ступенів наведені в табл. 41 [3].
- Ефективна потужність різання:
- Дійсна потужність різання:
Практична потужність має бути
більшою за 12.55кВт.
- Обґрунтування вибору верстату.
Вибираємо верстат мод. 6560
- Уточнені режими різання, згідно
з паспортними характеристиками вибраного верстату.
швидкість різання:
частота обертання:
сила різання:
Потужність різання:
- Назва операції:
005 Фрезена
. Фрезерувати поверхню 1 напівчисто.
- Характер оброблення:
напівчистовий.
- Інструмент:
Фреза торцева насадна, із вставними
ножами, оснащена пластинами з твердого сплаву ВК6 ГОСТ 9473-80, код 391801.
- Максимальний розмір обробленої
поверхні: 300 мм.
- Максимальна глибина
різання: 2 мм.
- Подача на оберт
шпинделя або на хвилину: 0.025
мм/зуб.
- Середнє значення
стійкості інструменту: 240
хв.
- Швидкість різання:
Де показники:
,
,
,
,
,
,
,
,
,
,
,
, ,
.
Значення коефіцієнта Сv
і показників ступеня наведені в табл. 39 [3].
- Частота обертання шпинделя.
- Сила різання:
,
Де
,
,
, ,
,
,
,
,
.,
де z -
кількість зубців фрези; n - частота обертання фрези, хв-1.
Значення коефіцієнта Cp і
показників ступенів наведені в табл. 41 [3].
- Ефективна потужність різання:
- Дійсна потужність різання:
Практична потужність має бути
більшою за 6,77кВт.
- Обґрунтування вибору верстату.
Вибираємо
верстат
мод. 6560
- Уточнені режими різання, згідно
з паспортними характеристиками вибраного верстату.
швидкість різання:
частота обертання:
сила різання:
Потужність різання:
Для всіх інших операцій вибір
режимів різання здійснюється на підставі нормативних даних (таблиць) [3, 4] з
обов’язковим вказанням номера таблиці, сторінки та літературного джерела і зводяться
в таблицю 2.7.1.
Таблиця №2.7.1
|
Назва операції та зміст переходів
|
Різальний рінструмент
|
Глибина різання, мм
|
Розрахункові
|
Потуж-ність
|
Модель верстату
|
прийняті
|
|
|
|
Подача, мм/об
|
Оберти, об/хв
|
Швидк. м/хв
|
|
|
Подача, мм/об
|
Оберти, об/хв
|
Швидк. м/хв
|
|
005 Вертикаль-но-фрезерна Установ
А 1.Фрезерува-ти поверхню 1 начорно. 2.Фрезерува-ти поверхню 1напівчисто.
|
Фреза торцева насадна Ø400 ВК6
391801 ГОСТ 9473-80
|
4 2
|
1,08 0,9
|
144 213
|
180,9 267,4
|
12,55 6,77
|
6560
|
0,98 0,8
|
186 223
|
234,63 279,69
|
|
010 Вертикаль-но-фрезерна Установ
А 1.Фрезеру-вати поверх-ню 6 начор-но.
|
Фреза Торцева Насадна Ø160 ВК6
391801 ГОСТ 9473-80
|
4
|
1,08
|
160
|
88,4
|
2,3
|
6560
|
0,8
|
160
|
88.0
|
|
015 Горизонта -льно-розто-
чувальна Установ
А 1. Точити поверхню 5 начорно.
|
Підрізний різець ВК4 392104 ГОСТ 18879-73
|
0,4
|
76.0
|
85,6
|
0.4
|
ИР600-60
|
0.4
|
80
|
70,7
|
|
020 Вертикаль-но -свердли-льна Установ
А 1.Свердлити отвори 15,16 17,18 почер-гово.
|
Свердло Ø28 Р6М5
391210 ГОСТ 10902-77
|
14
|
0.32
|
304
|
26.7
|
2,5
|
2Р135Ф2
|
0,3
|
300
|
26.1
|
|
2.Зенкерува-ти
отвори 15 16 17,18 по-чергово.
|
Зенкер Ø42 ВК4
391620 ГОСТ 21540-76
|
7
|
0.3
|
167
|
22,03
|
2,4
|
|
0,3
|
180
|
23,7
|
|
025 Горизонта -льно-розто- чувальна Установ А
1. Підрізати торець 10 на-чорно. 2. Підрізати торець 10 на-чисто. 3.
Розточити отвір 7 на-чорно. 4. Підрізати торець 9 на-чорно. 5.
Розточити отвір 7 на-чисто. 6. Підрізати торець 9 на-чисто.
|
Розточний різець ВК6 392101 ГОСТ 18882-73
Розточний різець ВК6 392101 ГОСТ 18063-73 Розточний різець ВК6 392101 ГОСТ
18882-73 Розточний різець ВК6 392101 ГОСТ 18063-73 Розточний різець ВК6
392101 ГОСТ 18882-73
|
3 1 3 2 1 1
|
0,4 0,1 0,3 0,3 0,1 0,1
|
135 146 211 139 220 256
|
88,5 96.6 92,5 48,2 96,6
96,6
|
0,46 0,2 0,42 0,2 0,18
0,17
|
|
0,4 0,1 0,3 0,3 0,1 0,1
|
140 160 220 140 240 260
|
92,3 105,5 96,7 48,4 105,5
97,9
|
|
030 Горизонта -льно-розто- чувальна Установ
А 1. Розточити отвори 8,4 одночасно начорно. 2. Розточити отвори 8,4
одночасно начисто.
|
Розточний різець ВК6 392101 ГОСТ 18882-73
Розточний різець ВК6 392101 ГОСТ 18882-73 Розточний різець ВК6 392101 ГОСТ
18882-73 Розточний різець ВК6 392101 ГОСТ 18882-73
|
3 3 1 1
|
0,4 0,4 0,1 0,1
|
332 211 362 220
|
88,5 92,5 96,6 96,6
|
0,91 0,38
|
|
0,4 0,4 0,1
|
340 220 380 240
|
90,7 96,7 101,4 105,5
|
|
035 Горизонта -льно-розто- чувальна Установ Б
1. Розточити отвори 3,2 одночасно начорно.
|
Розточний різець ВК6 392101 ГОСТ 18882-73
Розточний різець ВК6 392101 ГОСТ 18882-73
|
3 3
|
0,3 0,3
|
92 131
|
86,2 86,2
|
0,66
|
|
0,3 0,3
|
100 140
|
94,2 92,3
|
|
2. Розточити отвори 3,2 одночасно начисто.
|
Розточний різець ВК6 392101 ГОСТ 18882-73
Розточний різець ВК6 392101 ГОСТ 18882-73
|
1 1
|
0,1 0,1
|
108 153
|
100,1 100,1
|
0,22
|
|
0,1 0,1
|
110 160
|
103,6 105,5
|
|
040 Вертикаль-но -свердли-льна Установ
А 1.Свердлити отвори 23,24 25,11,12,14, 13 почерго-во. 2. Зенкувати отвори
23,24,25,11, 12,14,13 почергово. 3. Нарізати різь в отво-рах 23,24,25,
11,12,14,13 почергово.
|
Свердло Ø10,2 Р6М5
391290 ОСТ 2 И20-1 - 80 Зенківка Р6М5 391690 ОСТ 2 И20-1 - 80 Мітчик Ø12
Р6М5
391390 ОСТ 2 И20-1 - 80
|
5,1 2 0,75
|
0,25 0,3 1,5
|
547 903 80
|
17,5 34,1 12
|
0,10 0,09 0,10
|
|
0,25 0,3 1,5
|
560 920 80
|
17,9 34,6 12
|
|
045 Вертикаль-но -свердли-льна Установ
Б 1.Свердлити отвіри 26,27, 28 почерго-во. 2. Зенкувати отвори 26, 27, 28
почер-гово. 3. Нарізати різь в отво-рах 26,27,28 почергово.
|
Свердло Ø10,2 Р6М5
391290 ОСТ 2 И20-1 - 80 Зенківка Р6М5 391690 ОСТ 2 И20-1 - 80 Мітчик Ø12
Р6М5
391390 ОСТ 2 И20-1 - 80
|
5,1 2 0,75
|
0,25 0,3 1,5
|
547 903 80
|
17,5 34,1 12
|
0,10 0,09 0,10
|
|
0,25 0,3 1,5
|
560 920 80
|
17,9 34,6 12
|
|
050 Вертикаль-но -свердли-льна Установ
А 1.Свердли-ти отвори 29 30,31,32 по-чергово. 2. Зенкува-ти отвори 29
30,31,32 по-чергово. 3. Нарізати різь в отво-рах 29,30,31, 32.
|
Свердло Ø10,2 Р6М5
391290 ОСТ 2 И20-1 - 80 Зенківка Р6М5 391690 ОСТ 2 И20-1 - 80 Мітчик Ø12
Р6М5
391390 ОСТ 2 И20-1 - 80
|
5,1 2 0,75
|
0,25 0,3 1,5
|
547 903 80
|
17,5 34,1 12
|
0,10 0,09 0,10
|
2Р135Ф2
|
0,25 0,3 1,5
|
560 920 80
|
17,9 34,6 12
|
2.8
Нормування технологічного процесу
У машинобудівному виробництві
визначається штучна норма часу :
Тшт. = Тосн. +
Тдоп. + Тоб. + Тв.,
де Тосн. - основний час;
Тдоп. - допоміжний час;
Тоб. -час на
обслуговування робочого місця;
Тв.- час на відпочинок і
природні потреби.
Тдоп. = Тв.з.
+ Тз.в. + Тк. + Твим.
де Тв.з. - час на
встановлення заготовки і знімання обробленої деталі;
Тз.в. - час на
закріплення заготовки та відкріплення обробленої деталі;
Тк. - час на прийоми
керування верстатом;
Твим. - час на
вимірювання.
Сумарний час на обслуговування
робочого місця та час на відпочинок природні потреби, згідно з [11] приймається
рівним 9 % від Топ.
Тоб. + Тв. =
0,09 Топ.
де Топ. = Тосн.
+ Тдоп.
Проводимо розрахунок для 005
Вертикально - фрезерної операції:
Тшт. = Тосн. +
Тдоп. + Тоб. + Тв=13,21+2+4,5+2=21,71 хв.
де Тосн. - основний час;
Тдоп. - допоміжний час;
Тоб.=4,5 хв -час на
обслуговування робочого місця;
Тв.=2,0 хв - час на
відпочинок і природні потреби.
Тдоп. = Тв.з.
+ Тз.в. + Тк. + Твим=1+0,4+0,12+0,48=2,0 хв.
де Тв.з.=1,0 хв. - час на
встановлення заготовки і знімання обробленої деталі;
Тз.в.=0,4 хв. - час на
закріплення заготовки та відкріплення обробленої деталі;
Тк.=0,12 хв. - час на
прийоми керування верстатом;
Твим.=0,48 хв- час на
вимірювання.
Результати розрахунків остальних
операцій зводимо в таблицю №2.8.1.
Таблиця №2.8.1
|
Назва операції
|
То, хв
|
Тдопоміжне, хв
|
Тобсл, хв
|
Твідп, хв
|
Тшт, хв
|
|
|
Твст
|
Тзакр
|
Тупр
|
Твим
|
|
|
|
|
005.Вертикально - фрезерна 1.Фрезерувати
поверх-ню 1 начорно. 2. Фрезерувати поверх-ню 1 напівчисто.
|
6,01 7,20
|
1,0 -
|
0,4 -
|
0,08 0,04
|
0,25 0,23
|
4,5
|
2,0
|
|
|
Всього по операції 005
|
13,21
|
1,0
|
0,4
|
0,12
|
0,48
|
4,5
|
2,0
|
21,71
|
|
010.Вертикально - фрезерна 1.Фрезерувати
поверх-ню 6 начорно.
|
2,59
|
1,0
|
0,4
|
0,08
|
0,21
|
4,5
|
2,0
|
|
|
Всього по операції 010
|
2,59
|
1,0
|
0,4
|
0,08
|
0,21
|
4,5
|
2,0
|
10,78
|
|
015 Горизонтально - розточувальна 1. Точити
поверхню 5 начорно.
|
1,97
|
0,20
|
0,13
|
0,01
|
0,25
|
2,3
|
1,18
|
|
|
Всього по операції 015
|
1,97
|
0,20
|
0,13
|
0,01
|
0,25
|
2,3
|
1,18
|
6,04
|
|
020 Вертикально - свердлильна 1.Свердлити
отвори 15, 16 17,18 почергово. 2.Зенкерувати отвори 15 16 17,18 почергово.
|
2,22 0,31
|
1,0 -
|
0,4 -
|
0,42 0,06
|
0,08 0,09
|
0,05
|
0,04
|
|
|
Всього по операції 020
|
2,53
|
1,0
|
0,4
|
0,48
|
0,17
|
0,05
|
0,04
|
4,67
|
|
025 Горизонтально - розточувальна 1. Підрізати
торець 10 начорно. 2. Підрізати торець 10 начисто. 3. Розточити отвір 7
начорно. 4. Підрізати торець 9 начорно. 5. Розточити отвір 7 начисто. 6.
Підрізати торець 9 начисто.
|
0,64 2,18 0,98 0,42 2,70 0,69
|
1,0
|
0,4
|
0,03 0,03 0,03 0,05 0,03 0,05
|
- 0,16 - - 0,17 0,19
|
2,3
|
0,7
|
|
|
Всього по операції 025
|
7,61
|
1,0
|
0,4
|
0,22
|
0,52
|
2,3
|
0,7
|
12,75
|
|
030 Горизонтально - розточувальна 1. Розточити
отвори 8, 4 одночасно начорно. 2. Розточити отвори 8, 4 одночасно начисто.
|
0,36 1,31
|
1,0
|
0,4
|
0,03 0,03
|
0,16 0,16
|
2,3
|
0,7
|
|
|
Всього по операції 030
|
1,37
|
1,0
|
0,4
|
0,06
|
0,32
|
2,3
|
0,7
|
6,15
|
|
035 Гогизонтально - розточувальна 1. Розточити
отвори 3, 2 одночасно начорно. 2. Розточити отвори 3, 2 одночасно начисто.
|
4,28 11,25
|
1,0
|
0,4
|
0,03 0,03
|
0,17 0,18
|
2,3
|
0,7
|
|
|
Всього по операції 035
|
15,53
|
1,0
|
0,4
|
0,06
|
0,35
|
2,3
|
0,7
|
20,34
|
|
040 Вертикально - свердлильна 1.Свердлити
отвори 23, 24,25,11,12,14,13 почергово. 2.Зенкувати отвори 23,
24,25,11,12,14,13 почергово. 3.Нарізати різь в отво-рах 23,24,25,11,12, 14,
13, почергово.
|
1,75 0,14 2,04
|
1,0
|
0,4
|
0,07 0,07 0,07
|
- - 2,73
|
0,03 0,03 0,03
|
0,04
|
|
|
Всього по операції 040
|
3,93
|
1,0
|
0,4
|
0,21
|
2,73
|
0,09
|
0,04
|
8,4
|
|
045 Вертикально - свердлильна 1.Свердлити
отвори 26, 27,28 почергово. 2.Зенкувати отвори 26, 27,28 почергово.
3.Нарізати різь в отворах 26,27,28 по-чергово.
|
0,75 0,06 0,87
|
1,0
|
0,4
|
0,03 0,03 0,03
|
- - 1,17
|
0,03 0,03 0,03
|
0,04
|
|
|
Всього по операції 045
|
1,68
|
1,0
|
0,4
|
0,09
|
1,17
|
0,09
|
0,04
|
4,47
|
|
050 Вертикально - свердлильна 1.Свердлити
отвори 29, 30,31,32 почерго-во. 2.Зенкувати отвори 26, 27,28 почергово.
3.Нарізати різь в отворах 26,27,28 по-чергово.
|
1,0 0,08 1,16
|
1,0
|
0,4
|
0,04 0,04 0,04
|
- - 1,56
|
0,03 0,03 0,03
|
0,04
|
|
|
Всього по операції 050
|
2,24
|
1,0
|
0,4
|
0,12
|
1,56
|
0,09
|
0,04
|
5,45
|
|
Всього по ТП
|
52,66
|
9,2
|
3,73
|
1,45
|
7,76
|
18,52
|
7,44
|
100,76
|
Висновок
В процесі виконання курсової роботи
я отримав навики у розробленні технологічного процесу механічного оброблення
деталі, освоїв основи розрахунку вартості деталі, правильного вибору заготовки,
матеріального обґрунтування вибору технологічного процесу і його оптимізації в
процесі виконання курсової роботи, освоїв основи проектування схеми
технологічного налагодження верстатів на виконання операцій даного
технологічного процесу.
Список
використаної літератури
1. Технологія
машинобудування. Посібник-довідник для виконання видавництво НУ “Львівська
політехніка”, 2009, 528 с.
2. Справочник
технолога-машиностроителя. В 2-х т., 74 с. (под ред. А.Г.Косиловой и
Р.К.Мещерякова) - 4-е изд. перераб. и доп. - М.: Машиностроение, 1985.
3. Медвідь
М.В., Шабайкович В.А. Теоретичні основи технології машинобудування: Вища школа,
1976, 299 с.
4. Балакшин
Б.С Основы технологии машиностроения. М.: "Машиностроение", 1969, 358
с.
5. Маталин
А.А. Технология машиностроения. Л.; Машиностроение, Ленинградское отд-ние,
1985, 496 с.
6. Технология
машиностроения (специальная часть): А.А.Гусев, Е.Р.Ковальчук, И.М. Колесов и
др. 1986, 440 с.
7. Руденко
П.О. Проектування технологічних процесів у машинобудуванні: Навч. посібник -
К.: Вища школа, 1993, 414 с.
8. Новиков
М.П. Основы оборки машин и механизмов. - М.: Машиностроение, 1980. - 380 с.
9. Размерный
анализ технологических процессов механической обработки деталей. Методические
указания к практическим занятиям, курсовому и дипломному проектированию. -
Львов: ЛоЛПИ, 1984.
10.Оптимизация
технологических процессов в машиностроении: Учебное пособие А.В.Якимов,
В.П.Ларшин, А.А. Якимов, Б.О.Ткаченко, Н.И.Решетнев. Одесса: ОГПУ,1995,105 с.
11.Общестроительные
нормативы времени вспомогательного на обслуживание рабочего места и
подготовительно-заключительного для технологического нормирования. Серийное
производство. - М.: Машиностроение, 1974. - 421 с.
12.Горохов
В.А. Проектирование и расчет приспособлений. - Минск: Вышэйшая школа, 1986. -
238 с.
13.Терликова
Т.Ф. и др. Основы конструирования приспособлений. - М.: Машиностроение, 1980.
-128 с.
14.Корсаков
В.С. Основы конструирования приспособлений. М.: Машиностроение, 1983,277 с.
15.Станочные
приспособления. Справочник. В 2-х томах. В.Н.Вардашкин и др. М.:
Машиностроение, 1984.
16.Горошкин
А.Н. Приспособления для металлорежущих станков: Справочник. - М.:
Машиностроение, 1969. - 303 с.
17.Кузнецов
О.И. и др. Оснастка для станков с ЧПУ: Справочник. - М.: Машиностроение, 1983.
- 273 с.
18.Мамаев
В.С., Осипов В.Г. Основы проектирования машиностроительных заводов. М.:
Машиностроение, 1974, 290 с.
19.Економіка
виробничого підприємства: Навчальний посібник (під ред. Й.М. Петровича. -
Львів: Оксарт, 1996, 416 с.