Монтаж ГПА-25 на КС 'Ямбургская'
ПОЯСНИТЕЛЬНАЯ
ЗАПИСКА
к
курсовому проекту
Монтаж
ГПА-25 на КС «Ямбургская»
Введение
Рост добычи газа и необходимость его
транспортировки по магистральным трубопроводам большой протяженности требует
специальных компрессорных станций, обеспечивающих движение газового потока с
определенными расходными характеристиками.
Компрессорные станции на
магистральных газопроводах сооружают с целью достижения проектной или плановой
производительности повышением давления транспортируемого газа, при этом осуществляют
следующие основные технологические процессы: очистку газа от жидких и твердых
примесей, компримирование газа, охлаждение газа.
По технологическому принципу КС
делят на головные (ГКС), размещаемые обычно в непосредственной близости от
месторождений газа, и на промежуточные, располагаемые по трассе газопровода.
Наличие гидравлического
сопротивления в трубопроводах приводит к снижению давления и скорости,
определяющих величину расхода газа из-за потерь энергии на трение. Возмещение
потерь энергии производится путем использования ГПА на компрессорных станциях.
Газоперекачивающий агрегат
предназначен для повышения давления и перемещения газа поступающего из входного
коллектора компрессорной станции магистрального газопровода. ГПА находят
применение в головных (ГКС), линейных (ЛКС) и дожимных (ДКС) компрессорных
станциях магистральных газопроводов, а также в подземных хранилищах газа (ПХГ)
и в специальных технологических установках.
1. Общая характеристика
объекта
.1 Климатология
компрессорный газоперекачивающий агрегат монтаж
Компрессорная станция расположена в
заполярной части Западно-Сибирской равнины Ямало-Ненецкого автономного округа.
Характерной особенностью территории является большая заозерность и
заболоченность, особенно в центральной его части. Большинство озер имеют
термокарстовое происхождение.
Климат определяется наличием
многолетней мерзлоты, близостью холодного Карского моря, обилием заливов, рек,
болот и озёр. Климат континентальный, характеризуется продолжительной и
холодной зимой с сильными ветрами и метелями, коротким и прохладным летом с
длинным световым днем. Широко распространена многолетняя мерзлота. Средняя
температура января от - 29,5°С. Средняя температура июля от +3,6°С до +10,2°С.
В южной части округа климат более континентальный; средняя температура января
от -22°С до -25,6°С. Лето теплее, чем на севере; средняя температура июля
+14,4°С…+15,3°С. В течение всего года велики облачность и относительная
влажность воздуха. Осадки выпадают частые, но не интенсивные. Годовое количество
осадков от 300 до 400 мм. Среднегодовая скорость ветра 5-7 м/с.
1.2 Описание объекта
Соединенные в определенной
последовательности и по определенным правилам газоперекачивающие агрегаты
(ГПА), трубопроводы, пылеуловители, аппараты воздушного охлаждения (АВО) и
технологические краны различных диаметров образуют технологическую схему
компрессорного цеха (КЦ).
КЦ №6 обслуживает магистральный
газопровод Ямбург - Западная граница («ПРОГРЕСС»).
Технические показатели газопровода:
диаметр газопровода на данном
участке Ду, 1400 мм
рабочее давление Р 7,5 МПа
В КЦ осуществляются следующие
технологические процессы:
очистка газа от механических
примесей;жатие газа;
охлаждение газа;
измерение и контроль технологических
параметров;
управление режимом газопровода;
изменение числа и режимов работы
газоперекачивающего агрегата.
Газотурбинная установка ГТН-25,
входящая в состав ГПА, предназначена для сжатия и транспортирования газа по
магистральным газопроводам и служит приводом центробежного нагнетателя
природного газа.
ГТН-25 является блочным
автоматизированным агрегатом промышленного типа для бесподвальной установки на
компрессорной станции. ГТУ выполнена по простому циклу, трехвальной, с
прямоточным движением рабочего тела и осевым входом в компрессор. Выхлоп продуктов
сгорания в зависимости от конкретных условий компоновки КС может осуществляться
вверх или в сторону. Агрегат размещается в легкосборном индивидуальном здании с
разделительной стенкой между помещениями ГТУ и нагнетателя.
Технические данные:
Номинальная мощность 25 Мвт
Коммерческая производительность 33,3
млн. мЗ/сут
Давление на выходе компрессора 7,5
Мпа
Степень сжатия 1,44
Политропный к.п.д. компрессора 0,86
Удельный расход топливного газа ГТУ
40 кг/кВтч
Давление топливного газа (max) 4,5
Мпа
Тип масла двигателя «Петрим»
Тип масла компрессора ТП-22С
Температурный диапазон эксплуатации
-60…+45оС
Общий ресурс 100 тыс. часов
Межремонтный ресурс 20 тыс. часов
В КЦ с тремя ГПА-25 газ подается с
узла подключения магистрального газопровода по подводящему трубопроводу
диаметром 1400 мм в коллектор,
диаметром 1000 мм. В пылеуловителях
установки газ очищается от пыли и конденсата и поступает во внутриплощадочные
коллекторы. Пыль и конденсат из пылеуловителей собирают в дренажную емкость. Из
двух коллекторов КЦ газ поступает в нагнетатели ГПА, где производится его
компримирование до расчетного давления. Далее газ по трубопроводам поступает на
установку охлаждения газа через коллектор, и, пройдя через воздушные
холодильники, возвращается в магистральный газопровод.
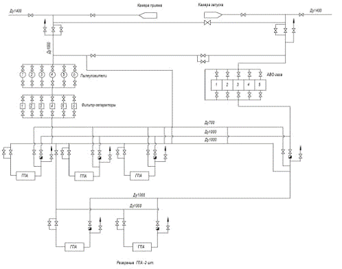
.3 Технологическая схема
КЦ-6
Газ из магистрального газопровода
Ду=1400 мм через кран поступает на узел подключения компрессорного цеха и
попадает на всасывающий коллектор Ду=1000 мм блока очистки газа от механических
примесей, который состоит из шести циклонных пылеуловителей (ПУ). ПУ обвязаны
системой трубопроводов Ду=200 мм. После очистки от механических примесей и
жидкости, газ поступает в нагнетательный коллектор ПУ Ду=1000 мм, где поток
газа разделяется на две части. Часть газа идет на установку подготовки
топливного и пускового газа (УПТПГ), где производится подготовка топливного,
пускового и импульсного газа. Другая часть газа, пройдя через
фильтры-сепараторы, поступает во всасывающий коллектор газоперекачивающих
агрегатов Ду=1000 мм (технологический газ).
Из всасывающего коллектора
технологический газ попадает во всасывающую линию ГПА, где производится
компримирование газа до расчетного давления. После компримирования газ
поступает в нагнетательный коллектор ГПА Ду=1000 мм, откуда поступает на всасывающий
коллектор аппаратов воздушного охлаждения (АВО).
Из всасывающего коллектора АВО, газ
подается на секции АВО, где подвергается охлаждению до заданной температуры.
Далее через нагнетательный коллектор АВО выводится на коллектор узла
подключения, откуда выходит в магистральный газопровод Ду=1400 мм. (Рис. 1.1)
2. Технологическая часть
.1 Подготовка ГПА к
монтажу
Подготовка ГПА к монтажу включает
несколько этапов, среди которых одним из первых является этап изучения
документации. Документация, поступающая на площадку, делится условно на 3
группы.
В первую группу входит документация,
выполняемая проектными институтами, генпроектировщиком и его
субпроектировщиками. Она включает в себя генплан с нанесением на него всех
основных объектов строительства. Технологическая часть проекта КС включает в
себя: узел подключения, газопроводы от узла подключения до КС, межцеховые
технологические коммуникации, обвязку ГПА и всего технологического оборудования
станции, включая пылеуловители, фильтр-сепараторы, аппараты воздушного
охлаждения газа и узел подготовки топливного, пускового и импульсного газа.
Кроме того, в состав проекта отдельными частями обычно входят следующие
разделы:
строительный;
управления и автоматизации КС;
энергоснабжения, тепловодоснабжения
и канализации КС;
связи и охраны окружающей среды.
По каждому разделу, кроме чертежей,
выполняется пояснительная записка, в которой даются описания основных проектных
решений и ссылки на технические условия (ТУ) или СНиП, по которым эти решения
принимались.
Основное описание проектного решения
выполняется в общей пояснительной записке, которая увязывает все части проекта
в единую технологическую цепочку.
В проектной документации имеются
технологические схемы систем, деталировочные чертежи на узлы и детали, а также
представляются установочные чертежи, в которых даются высотные отметки,
расстояние от устанавливаемого оборудования. Кроме этого, с проектной
документацией поставляется и заказная спецификация, по которой осуществляется
поставка оборудования.
Во вторую группу техдокументации
входят описание, чертежи и паспорта, поставляемые с оборудованием от
заводов-изготовителей. В комплект заводской документации входят также
отгрузочные спецификации и упаковочные листы, определяющие число отгруженных
мест, их массу и место нахождения отдельных узлов и деталей. Кроме того, в
состав документации входят паспорта и монтажные формуляры, необходимые для
сопоставления и проверки фактических данных с данными, установленными при
сборке и обкатке оборудования в условиях заводов-изготовителей. Паспорт
поставляется заводом-изготовителем и является основным документом, по которому
определяются все параметры работы оборудования, необходимость регистрации в
органах Госгоргехнадзора, а также специфические условия монтажа, эксплуатации и
ремонта.
Примерный перечень документации,
необходимой при подготовке к монтажу ГПА:
паспорта оборудования (машин,
аппаратов, арматуры, КИП), входящего в комплект поставки, с результатами
контрольной сборки и заводских испытаний;
ведомости комплектации;
технические условия или инструкции
по монтажу и пуску оборудования;
формуляры с указанием фактических
сборочных зазоров, полученных на заводе-изготовителе;
чертежи фундаментов под основное и
вспомогательное оборудование;
установочные чертежи фундаментных
рам газотурбинной установки и нагнетателя;
чертежи монтажных узлов агрегата;
тепловая схема ГТУ;
установочные чертежи рекуператора,
КВОУ, дымовых труб, АВО масла;
установочные чертежи трубопроводов
(технологических, топливного, пускового, импульсного газа, воздуховодов,
газоходов, смазки, регулирования, уплотнения ГПА, цеховой системы регенерации
масла, дренажа);
чертежи деталей и узлов
трубопроводов, спецификации на оборудование, детали и узлы трубопроводов,
чертежи опор и подвесок трубопроводов;
чертежи металлоконструкций, площадок
и лестниц;
комплект информационных писем.
Третий раздел технической
документации, который поставляет монтажная организация, носит наименование -
проект производства работ (ППР). В состав ППР входят технологические карты,
схемы, описания, определяющие порядок и способы производства монтажных работ.
Этот проект производства работ включает в себя планировку монтажных площадок,
размещение на них необходимого инвентаря, подводку к ним электроэнергии,
сжатого воздуха, воды. В нем также даются расчет по численности монтажников, а
также потребность в материалах и инструментах.
Следующим этапом к подготовке и
монтажу ГПА является оборудование самих монтажных площадок. Учитывая специфику
газоперекачивающего оборудования, предмонтажную ревизию на нем, как правило,
выполняют, когда агрегат уже установлен на фундамент, в связи с чем эти
площадки находятся около или вокруг ГПА. Монтажные площадки оборудуют местами
для приема мелкого оборудования или оборудования, которое требует ревизии перед
установкой в ГПА. На этих площадках устанавливают стеллажи для мелких деталей,
ставят один или два стола верстака, подставки для роторов, а также устилают ряд
щитов для размещения крупногабаритных узлов и деталей. Кроме того, эти площадки
обязательно включают в себя места для установки электросварочного оборудования
и баллонов для газовой сварки и резки, которые снабжаются соответствующим
сварочным кабелем, газосварочной аппаратурой, а также шлангами для подачи
кислорода и пропана.
На полученном с завода-изготовителя
оборудовании, сосудах и аппаратах указываются схемы строповки, места крепления
строп, положение центра масс. Для установки в проектное положение на
монтируемых узлах имеются грузозахватные устройства (рым-болты). В комплекте с
оборудованием поставляются специальные траверсы и опорные устройства для
монтажа, а также перевода оборудования из горизонтального положения в вертикальное.
Для приема и хранения оборудования
на стройплощадке строятся складские помещения, наличие которых является третьим
этапом подготовки ГПА к монтажу. Складские помещения оснащаются стеллажами,
погрузочными механизмами и транспортными средствами. Порядок, условия приемки и
хранения оборудования на складах должны удовлетворять требованиям
заводов-изготовителей, обеспечивать сохранность оборудования и возможность
передачи его в монтаж без дефектов, дополнительных работ по чистке, ревизии и
ремонту.
Оборудование, предназначенное для
монтажа, обычно поставляется комплектно: габаритное оборудование - в полностью
собранном виде с защитным покрытием (в упаковке), негабаритное - максимально
укрупненными блоками. Оборудование, поставляемое на монтажную площадку, на
заводе-изготовителе подвергается контрольной обкатке, стендовым испытаниям в
соответствии с техническими условиями на его изготовление и поставку.
Результаты испытаний заносят в паспорта и формуляры оборудования.
Оборудование ГПА должно отгружаться
с заводов-изготовителей окрашенным, законсервированным и упакованным в ящики.
Для удобства транспортировки крупное оборудование упаковывается по частям.
Местоположение узлов и деталей оборудования указывается в упаковочных листах.
По прибытии оборудования на строительную площадку необходимо произвести
наружный осмотр для проверки количества мест и состояния упаковки, а при
необходимости - частично вскрыть упаковку для проверки узлов по упаковочным
листам.
К производству монтажных работ
разрешается приступать только при наличии правильно оформленной документации,
проекта производства работ (ППР), строительной готовности объекта, комплектного
оборудования, находящегося на складе, грузоподъемных устройств и механизмов.
.2 Приемка фундамента
под монтаж
Фундамент под агрегат представляет
собой ответственное сооружение, от качества которого зависит нормальная,
безаварийная работа газоперекачивающего агрегата. Функционально фундамент
предназначен для того, чтобы принять на себя все статические и динамические нагрузки
и силы реакции от газоперекачивающего агрегата во время его монтажа и работы.
Размеры и конструкция фундаментов зависят не только от действующих на него сил,
но и от допустимого давления на грунт, глубины промерзания грунта,
конструктивных форм и особенностей рам оборудования, особенностей крепления к
агрегату технологических трубопроводов и других вспомогательных систем. Подошву
фундамента необходимо всегда располагать ниже линии промерзания грунта.
Фундамент газоперекачивающего агрегата должен быть общим как для нагнетателя,
так и для привода, и не должен жестко соединяться со стенами и фундаментами
цеха (укрытия). Перед заливкой фундамента производят предварительную заливку
контрольных образцов - кубиков размерами 200х200 мм. Цель этой заливки - проверить
правильность подбора строительных материалов: песка, щебня, цемента, а также
качественного их соотношения для обеспечения необходимой прочности. Эта
предварительная заливка делается до начала размещения заказов на песок, щебень,
цемент. Фундаменты сооружаются из железобетона, т.е. сочетания бетона и
стальной арматуры, монолитно соединенных и работающих в конструкции как единое
целое.
Используют основные виды
фундаментов, наиболее часто встречающиеся на практике: монолитные и
сборно-монолитные фундаменты.
Монолитные железобетонные фундаменты
полностью выполняются на месте. Если фундамент заливается на месте и в его
конструкции присутствуют унифицированные заводские узлы, то такой фундамент
называется сборно-монолитный. При наличии слабых грунтов основание фундамента
усиливают посредством свай.
Фундаменты бетонируют без перерыва,
горизонтальными слоями толщиной 300-350 мм с тщательным уплотнением глубинными
вибраторами. Фиксируются данные о марке цемента, качестве заполнителей (песка,
щебня, гравия), качестве и температуре бетонной массы при ее укладке, дате
начала и окончания укладки бетона, температуре его во время отвердения,
результатах испытания образцов. Зимой фундаменты необходимо бетонировать при
положительной температуре, создаваемой искусственным обогревом, сохраняя тепло
в бетоне во время его отвердения. В процессе заливки фундамента также
производят заливку нескольких кубиков, которые после заливки хранятся при такой
же температуре, как и основной фундамент. Эти контрольные кубики необходимы для
определения времени набора прочности бетоном, не менее 70% от допустимого.
Заключение о достижении этой прочности после испытаний кубиков дает специальная
лаборатория.
Приемку фундаментов выполняют
специалисты монтажной организации совместно с представителями заказчика и
строительной организации, а также завода - поставщика оборудования.
Производится проверка качества бетона фундамента в отношении его монолитности и
на отсутствие трещин, раковин, сколотых мест. Строительная организация при
сдаче фундаментов приемочной комиссии представляет исполнительную схему
фундамента с нанесенными на ней:
проектными и фактическими размерами
фундаментов;
расположением закладных частей;
расположением колодцев под анкерные
или фундаментные болты;
высотными отметками.
Перед приемкой фундамента в первую
очередь устанавливают репер в виде шаброванной площадки размером 120х120 мм,
которую располагают в непосредственной близости от периметра или закрепляют в
бетоне фундамента. Репером может являться опора колонны цеха или другое
металлическое тело, заделанное в фундамент. Репер является контрольной точкой
для вычисления высоты применяемого фундамента, вычисления размеров осей
фундамента, а также размеров до анкерных болтов и расположенных закладных.
При приемке фундаментов проверяется
соответствие фундамента проекту. Оси и реперы должны быть расположены таким
образом, чтобы они не были закрыты монтируемым оборудованием. Затем проверяют
габаритные размеры фундамента относительно основных осей. Далее устанавливают
правильность выполнения колодцев для фундаментных болтов, отвесность и привязку
их к основным осям фундамента с помощью струн, отвесов и рулетки, а также
чистоту и перпендикулярность мест установки анкерных плит. Проверяют
соответствие высотных отметок опорных поверхностей.
Рис. 2.1 Проверка фундаментов.
. Струны
. Колодцы для фундаментных болтов
Для установки оборудования на
поверхности фундамента используют подкладные металлические площадки. По способу
их установки различают три конструкции. Наиболее распространенный способ
предусматривает ее установку прямо на фундамент. Для этого на фундаментах
размечают площадки для установки подкладок под опорные поверхности
оборудования. Для основного оборудования (турбоблок, нагнетатель и др.) размеченные
площадки 200х200 мм обрабатывают с помощью зубила и молотка таким образом,
чтобы подкладки укладывалась плотно на бетон (пятно контакта не менее 70% от
всей площадки), без качания, с уклоном не более 0,5 мм на 1000 мм длины во всех
направлениях. Установочные подкладки должны быть чисто строганными или
шлифованными, а с верхней поверхности (стороны установки клиновых прокладок или
рамы) иметь обработку, соответствующую классу чистоты
= 2,5 мкм. Толщина установочных подкладок должна быть не менее
20-30 мм.
Высоту отметок установочных
подкладок или верхних плит-оголовков колонн фундаментов замеряют с помощью
нивелира или гидростатического уровня. Результаты проверки высотных отметок
учитывают при выборе толщины постоянных прокладок под фундаментные рамы
оборудования.
Перед монтажом оборудования на
поверхности фундамента следует сделать насечки для разрушения поверхностной
бетонной пленки. Эта насечка позволит улучшить схватывание бетона фундамента и
бетонной смеси подливки. После нанесения просечки поверхность фундамента
необходимо продуть и промыть водой.
Приемка фундамента оформляется
актом, акт подписывается строительной организацией, заказчиком, представителем
завода-изготовителя ГПА.
.3 Монтаж блока
нагнетателя и турбины на фундамент
Монтажные работы блока нагнетателя и
турбины выполняются специализированными монтажными организациями по специально
разработанным проектам производства работ и инструкциям заводов-изготовителей
или фирм поставщиков оборудования. Организация монтажных работ должна
базироваться на принципах комплектно-блочного и крупноблочного монтажа на
основе полной заводской готовности оборудования, изготовляемого в заводских
условиях, поставке оборудования укрупненными узлами и блоками с заводов и производственных
баз монтажных организаций.
Для монтажа основного тяжелого и
крупногабаритного оборудования используют краны достаточной грузоподъемности.
Перед началом производства монтажных
работ фундаментные стяжки (анкерные болты) и гайки необходимо очистить от
масла, грязи, ржавчины; промыть в керосине, вытереть хлопчатобумажной чистой
ветошью. Небольшие забоины, заусенцы заправить надфилем. Болты с глубокими
поперечными рисками или подрезами, вырывами и смятиями резьбы бракуются.
Проверить отсутствие заедания при наворачивании на резьбу гайки. Перед
установкой рам нагнетателя, турбогруппы и другого оборудования на фундамент
необходимо очистить все нижние их опорные поверхности от краски, консервации,
ржавчины, удалить имеющиеся забоины пришабровкой.
При монтаже газоперекачивающего
агрегата, как правило, сначала на фундаменте устанавливают нагнетатель, а затем
монтируют турбогруппу и вспомогательное оборудование. Монтируемое оборудование
сначала устанавливают на деревянные бруски, а затем при помощи домкратов
помещают на постоянные площадки: клиновые или плоские.
В последнее время всё большее
применение находят сферические площадки. Их применение резко снижает объем
подготовительных работ, связанных с подготовкой площадок как клиновых, так и
плоских.
Монтаж нагнетателя выполняют кранами
соответствующей грузоподъемности. Корпус нагнетателя устанавливают по оси
фундамента на клиновые прокладки, расположенные на закладных деталях
фундамента.
Рис. 2.2 Нагнетатель на фундаменте
. нагнетатель 2. фундамент 3.
анкерная стяжка 4. Закладная плита
. клиновые подкладки
Клиновые прокладки устанавливают по
обе стороны каждого фундаментного болта согласно чертежу. Прокладки должны быть
попарно и чисто обработаны, не иметь забоин и плотно прилегать одна к другой. К
опорной поверхности закладной плиты (установочной подкладки) и опорной
поверхности рамы нагнетателя прокладки должны прилегать не менее чем на 80%
своей площади. Пригонку клиньев во время установки под агрегат проверяют щупом толщиной
0,03 мм, а плотность их посадки - ударом молотка по звуку.
Рис. 2.3. Прокладки установочные
(опорные):
- фундамент; 2 - болт анкерный; 3 -
рама ГПА; 4 - прокладки плоские; 5 - прокладки плоские сферические; 6 - клиновые
прокладки; 7 - подливка бетонная
Далее, в отверстия рамы
устанавливают фундаментные стяжки (анкерные болты). Анкерные болты должны
занимать отвесное положение и не касаться стенок анкерных колодцев.
При установке нагнетателя проверяют
горизонтальность установки корпуса в двух взаимно перпендикулярных направлениях
по уровню, укладываемому на разъем корпуса подшипника. Отклонение от
горизонтальности допускается не более 0,1 мм на 1 м. При предварительной
установке нагнетателя проверяют нивелиром расстояние от разъема корпуса
подшипника до высотной отметки, нанесенной на фундаменте; отклонение положения
разъема от проектной высотной отметки не должно превышать ± 3 мм. Выверку
нагнетателя проводят при помощи специальных отжимных болтов. Регулировка положения
нагнетателя относительно проектной высотной отметки осуществляется подбивкой
клиньев. Далее проверяют положение осей всасывающего и нагнетательного
патрубков относительно осей фундамента и относительно осей фундаментов
разгрузочных опор.
После выполнения указанных проверок,
производится подготовка к заливке анкерных болтов, при этом обращают внимание
на чистоту колодцев, а при отрицательных температурах наружного воздуха - и на
обеспечение температурного режима подливки.
После предварительной установки
нагнетателя приступают к монтажу турбогруппы. Монтаж турбоблока выполняется
аналогично монтажу нагнетателя. Турбоблок в конечном итоге устанавливают на
клинья по продольной и поперечной осям фундамента, ориентируясь на метки,
нанесенные на фундаменте, после чего в колодцы закладываются анкерные болты.
После установки рамы турбоблока на
клинья необходимо: проверить предварительную центровку между нагнетателем и
турбиной (1-й этап); удостовериться, что расстояние от нагнетателя до
турбогруппы соответствует чертежам, что обеспечит необходимый разбег промвала;
убедиться, что при монтаже турбины не произошло перемещения нагнетателя и
сохранены расстояния от патрубков нагнетателя до опор, а также не произошло
смещения и разворота нагнетателя вокруг его оси; проверить уклоны нагнетателя и
турбины.
Убедившись, что нагнетатель сохранил
свое положение, необходимые подрегулировки производят корпусом турбины.
После обеспечения необходимых
требований по центровке, высотным отметкам, расстоянию между оборудованием,
производят заливку анкерных болтов. При наборе необходимой прочности производят
предварительную затяжку анкерных болтов. В процессе затяжки анкерных болтов в
обязательном порядке необходимо убедиться, что обеспечена необходимая прочность
заливки, для чего необходимо установить индикатор и проверить вытяжку анкерного
болта.
Выверку рамы с турбоблоком по
высотным отметкам проводят при помощи домкратов и клиньев. Окончательно
пространственное положение рамы в горизонтальной плоскости выверяют
гидростатическим уровнем. (Замеры производят до присоединения трубопроводов к
ГТУ при необтянутых фундаментных болтах). Замеры высотных отметок выполняют при
помощи двух головок гидроуровня: одну устанавливают на репер, а другую -
поочередно на замеряемые реперные площадки рамы. Результаты измерения
сравнивают с данными заводского паспорта или формуляра. При выверке положения
рамы в горизонтальной плоскости используют требование обеспечения повторяемости
результатов сборки в заводских условиях и на монтаже. При этом обеспечивается в
допускаемых пределах необходимое положение корпусов и уклона роторов и
обеспечение зазоров в проточных частях турбогруппы в пределах, указанных в
заводских формулярах. При помощи клиньев и обтяжки фундаментных болтов
необходимо добиться, чтобы результаты замеров не отличались от заводских более
чем на ± 0,03 мм. После проведения предварительной затяжки проводят вторично
проверку центровки турбины и нагнетателя и, если они остались без изменений,
проводят ещё раз выверку рамы и приступают к окончательному затягиванию
фундаментных болтов, обеспечивая при этом плотность посадки в узлах - рама,
клинья, закладные пластины. После окончательной затяжки фундаментных болтов и
стабильности показателей гидроуровня и центровки производят прихватку клиньев
между собой электросваркой с обеих сторон сварным швом длиной не менее 25 мм.
При окончательной затяжке анкерных болтов положение цилиндров турбогруппы и
показания гидроуровня и центровки не должны изменяться. Момент затяжки
обеспечивается специальными динамометрическими ключами. Последовательность и
значение момента затяжки указываются в заводских инструкциях и рабочих чертежах
фундамента.
Окончательно центровку проверяют
после присоединения технологических трубопроводов. Приспособление для центровки
снимают только после завершения сварки замыкающих стыков.
Результаты центровки заносят в
ремонтный формуляр ГПА. По окончании центровки устанавливают зубчатую муфту
(промвал) между силовой турбиной и нагнетателем.
После окончания монтажа нагнетателя
и турбоблока приступают к монтажу вспомогательного оборудования ГПА.
2.4 Обвязка ГПА
технологическими трубопроводами
Трубопроводы, предназначенные для
подачи компримированного газа на компрессорной станции, а также для обеспечения
ГПА топливным и пусковым газом. Остальные трубопроводы для масла, воздуха и
воды. Технологическая обвязка выполняется по рабочим чертежам.
Межцеховые трубопроводы
технологической обвязки компрессорной станции следует прокладывать подземно.
Положение уложенного в грунт трубопровода в техническом отношении является
оптимальным, так как окружающий грунт воспринимает все нагрузки и фиксирует
положение самого газопровода. Наземная прокладка используется только
непосредственно в газовой обвязке нагнетателей ГПА. При наземной прокладке
трубопроводов с целью уменьшения продольных перемещений трубопровода
предусматривают наличие компенсаторов П-образной, Z-образной и другой формы.
Перед монтажом трубопроводов
необходимо осуществить приемку и контроль качества труб и соединительных
деталей (тройников, отводов, переходников, заглушек). Все трубы и узлы должны
удовлетворять требованиям стандартов и иметь сертификаты качества или паспорта
заводов-изготовителей. Газовая обвязка нагнетателей «гитара» также поставляется
на строительную площадку компрессорной станции в виде труб, соединительных
деталей и монтажных заготовок (элементов трубопроводов, блоков кранов, опор),
изготовленных в заводских условиях или на специальных базах и монтажных
площадках в соответствии с рабочей документацией компрессорной станции.
Узлы трубопроводов должны быть
максимально комплектными и готовыми к монтажу. Внутренние полости элементов
трубопровода и арматуры должны быть тщательно очищены от грязи, следов
коррозии, посторонних предметов. В объем подготовительных работ входят разметка
и резка труб, подготовка кромок под сварку.
До начала монтажа обвязки
нагнетателей, подземные цеховые контуры (всасывающий, нагнетающий, цеховой и
импульсный) должны быть сварены, заизолированы и уложены на проектные отметки.
Подземные коллекторы на всем протяжении должны опираться на нетронутый или
плотно утрамбованный грунт. К тройникам всасывающего, нагнетательного и
пускового подземных коллекторов должны быть приварены вертикальные участки
трубопроводов подключения нагнетателей ГПА. После выполнения 100%-го
радиографического и дублирующего ультразвукового контроля сварных швов
подземных цеховых коллекторов в соответствии с ВСН 167-84 и ВСН 2-120-80 и
проверки качества изоляции этих коллекторов выполняются засыпка, в том числе
подбивка пазух под коллекторами, частичная засыпка с полной трамбовкой
и окончательная засыпка траншеи.
Надземная часть трубопроводов
обвязки нагнетателей монтируется на опорах. Опоры технологических трубопроводов
на компрессорной станции служат для восприятия нагрузок от массы обвязки,
внутреннего давления, температурных деформаций газопровода. Опоры под наземными
газопроводами рассчитывают на передаваемые трубопроводом вертикальные и
горизонтальные усилия и изгибающие моменты. Нагрузки на опоры от воздействия
ветра, изменения длины трубопроводов под влиянием внутреннего давления и
изменения температуры стенок труб, определяют в зависимости от принятой системы
прокладки и компенсации деформаций газопроводов. Установку, центровку и сварку
трубопроводов обвязки нагнетателя до замыкающих стыков производят после монтажа
упорных и скользящих опор. Расстановка и конструкция опор, а также конфигурация
газовой обвязки нагнетателей - «гитары» - исключают чрезмерные нагрузки на
патрубки нагнетателей ГПА. Монтируются рамы на фундаменты. На эти рамы
устанавливаются опоры и блоки кранов. Все трущиеся поверхности разгрузочных
опор зачищаются от ржавчины, забоин и покрываются смазкой ЦИАТИМ-221.
После монтажа цеховое оборудование
подготавливают к гидроиспытаниям. Заполняют водой подземные межцеховые коллекторы,
а также трубопроводы обвязки нагнетателей до замыкающих стыков. Заполнение
водой трубопроводов обвязки нагнетателей производится после достижения бетоном
фундамента опор прочности не менее 90% от проектной. При заливке водой
трубопроводов обвязки нагнетателя контролируется величина осадки фундаментов
опор. После выдержки обвязки с водой обычно 2-3 дня выполняют центровку
трубопроводов при помощи разгрузочных опор, при этом проверяется наличие
касания трубопроводов на все скользящие и разгрузочные опоры.
Сварку замыкающих стыков выполняют
одновременно на всасывающем и нагнетательном трубопроводах при соблюдении
непрерывного контроля положения корпуса нагнетателя и центровки роторов
нагнетателя и силовой турбины по торцу и окружности.
Приспособление для контроля
положения корпуса нагнетателя и центровки нагнетатель-турбина устанавливается в
начале работ при подсоединении трубопроводов к нагнетателю и снимается только
после проведения гидравлических испытаний.
В целях уменьшения тепловых
деформаций трубопроводов при сварке, предотвращения появления дополнительных
усилий на патрубки нагнетателя и нарушения центровки, сварку замыкающих стыков
ведут обратно-ступенчатым швом в несколько слоев.
При отклонении положения корпуса
нагнетателя или его центровки с турбиной более чем на ± 0,02 мм, сварку
продолжают с противоположной точки окружности стыка.
Все трубопроводы независимо от
способа прокладки (подземной, наземной или надземной на опорах) в процессе
эксплуатации подвержены коррозионному износу от воздействия окружающей среды.
Средства защиты стальных газопроводов от подземной и атмосферной коррозии
предусматриваются в соответствии с требованиями ГОСТ 9.015-74 и ГОСТ 25812-83.
Подземную часть трубопроводов защищают от коррозии применением разного рода защитных
покрытий и средств электрохимической защиты (ЭХЗ). Трубопроводы при надземной
прокладке защищают от атмосферной коррозии металлическими или неметаллическими
защитными покрытиями. В качестве защитных покрытий трубопроводов применяют:
мастики (битумные, камнеугольно-пеньковые), полимерные (из полиэтиленовых,
полихлорвиниловых, полиамидных лент), покрытия на основе эпоксидных смол или
лаков, силикатные, эмалевые и другие. Из битумных покрытий чаще всего
используют битумно-резиновые мастики заводского изготовления. Для лучшего
сцепления битумных мастик с изолируемой поверхностью трубы применяют
специальную грунтовку (праймер). В последние годы разработана и внедрена также
технология безпраймерной изоляции газопроводов с использованием нагрева
изолируемой поверхности. Из полимерных изолирующих покрытий чаще применяют
полиэтиленовые или поливинилхлоридные изоляционные ленты.
Рис. 2.4. Противошумная изоляция
газовой обвязки нагнетателя:
- трубопровод; 2 - мастика; 3 -
стекловолокно; 4 - звукоизолирующий мат; 5 - сетка металлическая; 6 - лист
облицовочнцовочный; 7 - саморез
К первой группе относятся материалы
пористо-волокнистой структуры на основе минеральной или стеклянной ваты,
асбестового и другого вида волокон, пористо-зубчатой на основе пластмасс и
различного вида резины.
Для гашения вибрации служат
вибропоглощающие материалы, поливинилхлоридные, полиэтиленовые и
резиновые материалы, битумные и полимерные пластики (каучуковые, эпоксидные и
другие).
Ко второй группе (звукопоглощающих)
материалов относятся минераловатные и акустические материалы на синтетическом
связующем, базальтовые материалы и прочие - на беззащитной оболочке, а также с
защитными оболочками минераловатные маты прошивные на металлической сетке,
рулоны из штапельного стекловолокна на синтетическом связующем, а также холсты
и маты из перепутанных супертонких базальтовых волокон. В качестве акустических
материалов для звукоизоляции наземного газопровода обвязки ЦБН используются (в
последовательности изоляции): мастика АПМ (слой 10 мм); стекловолокно Т13,
затем слой мастики АПМ и снова стекловолокно Т13; базальтовые маты МБПА (60
мм); сетка рабица, стекловолокно Т13; алюминевая (0,8 мм) окожушка или окожушка
из оцинкованной стали толщиной 0,5 мм. Надземные трубопроводы защищают от
атмосферной коррозии лакокрасочными покрытиями.
Для уменьшения потерь теплоты и
снижения уровня шума на воздуховодах и газоходах выполняется тепловая и
звуковая изоляция. Изоляцию покрывают алюминиевым листом.
Рис. 2.5. Теплоизоляция трубопровода:
- трубопровод; 2 - материал
теплоизоляционный; 3 - сетка металлическая; 4 - проволока; 5 - лист
облицовочный; 6 - саморезы
2.5 Монтаж
вспомогательного оборудования ГПА
После завершения сборки ГТУ и
нагнетателей газоперекачивающих агрегатов приступают к монтажу вспомогательного
технологического оборудования: воздухоподогревателей, дымовых труб,
воздухозаборной камеры, АВО масла, маслобаков, других систем и обвязке их
трубопроводами. Следует заметить, что наиболее оптимальным вариантом монтажа
газоперекачивающих агрегатов на компрессорных станциях является тот, при
котором полностью собранное в заводских условиях оборудование поставляется к
месту монтажа единым блоком, не требующим после установки на фундамент
дальнейшей разборки и предмонтажной ревизии.
Все крупные сборочные узлы
(рекуператоры, дымовые трубы, ВЗК, АВО и пр.) монтируют для каждой ГТУ на
отдельных фундаментных площадках или постаментах - решетчатых металлических
рамах, опирающихся на фундаментные опоры. Рамы - постаменты собирают на монтажной
площадке и устанавливают краном на опоры. Рамы выверяют по осям, высоте и
вертикали и закрепляют на опорах болтами.
Монтаж вспомогательного оборудования
ведут в соответствии с проектом производства работ автомобильными или
гусеничными кранами соответствующей грузоподъемности. Внутри цеха используют
мостовой кран. Монтаж выполняют в определенной последовательности, при
нарушении которой работы усложняются. Сначала монтируют всасывающий тракт с
воздухозаборной камерой (ВЗК), затем воздухоподогреватели (с обвязкой по
воздуху, выхлопным газам), утилизаторы и выхлопные трубы. Монтаж остального
оборудования выполняют в любой последовательности.
Перед монтажом ВЗК производят
поузловую сборку и установку на опорах и подвесках всасывающего воздуховода.
Воздуховод соединяют с входным патрубком компрессора упругим компенсатором.
Монтируют систему подогрева циклового воздуха. Монтаж воздухоочистительного
устройства производится из маркированных узлов и деталей. Сборка ВЗК, монтаж
конфузора, фильтров, устройств отсоса пыли, шумоглушителей, осуществляются
на монтажной площадке. ВЗК в собранном виде монтируют на фундамент с помощью
крана. На всасе перед осевым компрессором устанавливают защитную решетку.
Далее, до установки дымовых труб, на
опоры устанавливают секции воздухоподогревателей (рекуператоров) трубчатого или
пластинчатого типа. Монтаж выполняют при помощи передвижных кранов
соответствующей грузоподъемности. Транспортировку, такелаж и установку
воздухоподогревателей следует производить с особой осторожностью, чтобы не
нарушать их герметичность. После установки рекуператоров на фундамент
производят испытания их воздухом на плотность. После осмотра и очистки
монтируют участки воздуховодов от рекуператоров к камере сгорания и
воздуховодов - от компрессора к рекуператорам. Монтаж воздуховодов производят
по частям - узлами, которые собирают на монтажной площадке. Узлы монтируют с
помощью автокранов или мостовых кранов. После установки заглушек производят
опрессовку трубопроводов воздухом с избыточным давлением 1,25
. Перед окончательным подсоединением фланцев воздуховодов
проверяют натяг, регулируют зазоры в стяжных устройствах линзовых
компенсаторов, контролируют, чтобы присоединение фланцев не вызывало перекоса
корпуса компрессора турбоагрегата, через специальные отверстия на корпусе
осевого компрессора проверяют зазоры в проточной части. Для компенсации
линейных расширений на трубопроводах ГТУ предусмотрены пружинные компенсаторы и
скользящие опоры.
Монтаж газоходов между рекуператорами
и выхлопными патрубками агрегата также производится узлами, собираемыми на
монтажной площадке. При монтаже газовоздуховодов ГТУ регулируют натяги пружин в
опорах и подвесках. Окончательную сварку стыков газоходов производят после
проверки холодных натягов.
По окончании монтажа и обвязки
воздухоподогревателей за ними по ходу выхлопных газов устанавливают блок секции
утилизаторов для использования теплоты отходящих газов ГТУ.
Систему выхлопа продуктов сгорания
замыкают дымовые трубы. Дымовые трубы поступают на монтаж в виде секций. Перед
монтажом секции соединяют болтами, а изнутри места соединений дополнительно
приваривают электросваркой. Подъем трубы и вывод ее в вертикальное положение
осуществляют одним или двумя кранами за верхние монтажные петли. После подъема
дымовую трубу выверяют по вертикали и закрепляют на фундаменте анкерными
болтами.
Агрегаты маслосистемы обычно
поставляются в виде отдельных блоков, собранных на заводе-изготовителе. В
состав блока маслоагрегатов входят: фильтры, винтовые масляные насосы
уплотнения, резервный масляный насос, регуляторы давления, запорная арматура и
трубопроводы обвязки. Все агрегаты собраны на общей раме. Маслобак
устанавливают мостовым краном на фундаменте с нулевой отметкой. Рядом на
отдельном фундаменте устанавливают блок фильтров тонкой очистки. В
непосредственной близости от нагнетателя монтируют блок системы уплотнения, в
состав которого входят поплавковая камера, регулятор перепада давления и
газоотделитель.
После монтажа основных узлов
маслосистемы ГПА приступают к монтажу обвязки и сборке маслопроводов. При
монтаже узлов маслоснабжения, а также системы регулирования и уплотнения
нагнетателя особое внимание уделяют правильности сборки узлов, чистоте деталей
и маслопроводов, плотности всех соединений. Трубопроводы, изготовленные заводом
- поставщиком ГПА, поступают на площадку заглушенными, испытанными и
очищенными. При блочной поставке ГТУ трубопроводы в пределах агрегата поступают
собранными на раме и подготовленными к работе. Маслопроводы, которые устанавливают
и собирают на монтажной площадке из стальных труб, предварительно очищают путем
травления 25%-м раствором ортофосфорной кислоты с последующей продувкой и
сушкой.
При сварке трубопроводов необходимо
контролировать отсутствие перекосов и натягов у фланцев. Для исключения
попадания сварного грата сварку трубопроводов лучше вести с подкладными
кольцами. После сборки трубопроводы опрессовывают воздухом и маслом.
Пневматические испытания преследуют цель обнаружить дефекты монтажа
(недоваренные стыки, отсутствие или разрыв прокладок) и тем самым избежать
разлива масла. В процессе опрессовки маслом обнаруживают мелкие дефекты (поры,
трещины и пр.) Гидравлические испытания проводят нагретым до 50°С маслом при
рабочем давлении.
3. Расчётная часть
.1 Выбор стрелового
крана
Цель работы: Выбрать стреловой кран и определить продолжительность его работы
на монтаже ГПА-25
he - высота монтируемого элемента, 3 м
hт - высота монтажных средств, 1,7 м
hо - высота от пяты стрелы крана до опоры монтируемого элемента
f - половина толщины
стены, 0 м
B - длина агрегата, 9,7 м
О2 - расстояние по
горизонтали от грани ранее установленного элемента до опасной точки «О», 1 м
О1 - превышение опасной точки «О» над шарниром, 1 м
lo - расстояние от центра тяжести устанавливаемого элемента или
центра сооружения до опасной точки «О»
hш - превышение шарнира
пяты стрелы над уровнем стоянки крана, 1 м.
Рис. 3.1. Схема монтажа
турбоагрегата
1. Определяем рабочие параметры
крана для монтажа.
Длина стрелы крана при монтаже (рис.
3.1):
, (3.1)
где ho - высота от пяты
стрелы крана до опоры монтируемого элемента, находится так:
; (3.2)
.
lo - расстояние от центра тяжести устанавливаемого элемента или
центра сооружения до опасной точки «О», находится так:
; (3.3)
.
Находим тангенс угла наклона стрелы
крана:
; (3.4)
Исходя из найденных значений,
находится необходимая длина стрелы Lск:
,
Вылет стрелы определяется из
выражения:
; (3.5)
Требуемая высота подъема крюка крана
при установки агрегата в проектное положение:
; (3.6)
По длине стрелы Lск и необходимой грузоподъемности крана Q на заданном вылете стрелы Lвс устанавливаем, какие краны удовлетворяют данным условиям.
Определяем продолжительность
монтажных работ:
смен, (3.7)
где
- общий объем монтажных работ, 11 т;
-
эксплуатационная производительность крана в смену, т/смен;
-
продолжительность монтажа, опробование и демонтажа, где продолжительность
монтажа 2 смены. При этом продолжительность опробования крана принимаем
равной 10% от продолжительности монтажа крана.
Сменная эксплуатационная производительность
крана:
(3.8)
де
- грузоподъемность крана при данном вылете стрелы;
-
коэффициент использования крана по грузоподъемности.

где G - вес монтируемого элемента;
-
коэффициент использования крана по времени, для стреловых кранов - 0,85.
-
время одного цикла, мин:
(3.9)
где
- машинное время цикла, мин;
-
время, затрачиваемое на выполнение ручных операций (строповка, расстроповка,
установка), мин. Продолжительность ручных операций определяется по
справочникам. В среднем брать 30 минут.
Машинное время цикла
можно определить по формуле:
; (3.10)
где
и
-
необходимые высоты подъема и опускания крюка, м;
и
- скорости подъема и опускания груза, м/мин;
- угол
поворота стрелы крана для данных условий, град. Наибольший угол поворота
стрелы в плане, определяющей размеры рабочей зоны, изменяется от 149 до 250°,
увеличиваясь с увеличением базы и вылета стрелы.
-
скорость поворота стрелы, 1,5 об/мин;
-
коэффициент учитывающий совмещение рабочих движений крана (
=0,75);
S - длина пути перемещение крана за 1 цикл, м;
-
скорость перемещения крана, м/мин (Табл. П. 2.4.).
.
Для турбоагрегата используем кран
КС-8362 грузоподъёмностью 100 т.
.2 Расчет траверсы
сплошного сечения, работающей на сжатие
Цель
работы: Выполнить расчет траверсы
сплошного сечения, работающей на сжатие, выбрать номер двутавра и провести
проверку траверсы на устойчивость.
Дано:
m - 38,5 т
α
- угол, 450
φ0 - коэффициент
устойчивости стержня при продольном изгибе, 0,4
R - расчетное сопротивление материала траверсы, 210 МПа
-
коэффициент приведения расчетной длины, 1
g - ускорение свободного падения, 9,81 м/с2
1. Находим
натяжение в каждой канатной подвеске, соединяющей траверсу с крюком
грузоподъемного механизма, задавшись углом α = 45°:
(3.11)
где m - масса поднимаемого
груза, т;
-
угол, 0.
2. Подсчитываем
разрывное усилие, взяв канатную подвеску в две нити и определив по ГОСТ коэффициент
запаса прочности, как для грузового каната с легким режимом работы, кз
= 5:
(3.12)
Рис. 3.2. Схема траверсы
. По найденному
разрывному усилию, пользуясь таблиц ГОСТ 7668-80, подбираем стальной канат типа
ЛК-РО конструкции 6 X 36 (1 + 7 + 7/7 + 14) + 1 о. с. для подвесок с характеристиками:
δ - временное сопротивление разрыву, МПа 1370
G - разрывное усилие, кН 638,5
d - диаметр каната, мм 36,5
m - масса 1000 м каната, кг 4965
. Выбираем профиль
сечения траверсы двутавра.
5. Определяем сжимающее усилие в
траверсе:
(3.13)
где kП - коэффициент перегрузки
(kП =1,1);
kД - коэффициент
динамичности (kД = 1,1).
6. Находим
требуемую площадь поперечного сечения траверсы для траверсы, задаваясь
коэффициентом продольного изгиба φ0 = 0,4:
(3.14)
где
-
коэффициент устойчивости стержня при продольном изгибе; k -
коэффициент условий работы траверсы, равный 0,85;
R - расчетное сопротивление материала траверсы, МПа.
7. По принятому
профилю и Fтр выбираем номер двутавра
[5] (табл. П. 2.3) и выбираем двутавр №12 По ГОСТ 8239-89 с призвольным
поперечным сечением Fтр=14,7 см2.
Определяем также
радиус инерции сечения rх: rх=4,88 см.
. Находим расчетную
длину траверсы считая, что концы траверсы закреплены шарнирно:
(3.15)
где µ -
коэффициент приведения расчетной длины;
l - фактическая длина стержня траверсы, l = 7 м.
9. Определяем
гибкость траверсы:
(3.16)
Причем необходимо,
чтобы
. Здесь
максимально допустимая гибкость стержня траверсы для траверс из
проката
=150.
Условие
выполняется.
10. по найденному (
) находим в таблице коэффициент продольного изгиба φ. При изменении (
) от 0 до 2000 (φ) изменяется от 0,19 до 1.
11. Полученное
сечение траверсы проверяем на устойчивость:
; (3.17)
186,64/0,212·14,7 ≤
0,85·210;
,6 ≤ 178,5.
Условие
устойчивости выполняется, следовательно, получено правильное сечение траверсы.
Вывод: Определили, что при работе двутавровой балки на сжатие
устойчивость не нарушается.
.3
Расчет траверсы на изгиб
Цель
работы: Выполнить расчет траверсы,
работающей на изгиб, выбрать профиль сечения балки и проверить на условие
Дано:
т - масса груза, 40 т;
g - ускорение свободного падения, 9,81 м/с2;
R - расчетное сопротивление
материала траверсы, 550 Мпа;
k - коэффициент условий
работы, 0,85.
. Определяем
нагрузку (Р), действующую на траверсу, по формуле:
, (3.18)
где G - вес поднимаемого груза;
т - масса самого тяжелого поднимаемого груза, т;
g - ускорение свободного
падения, м/с2;
п - коэффициент перегрузки (п =1,1);
- коэффициент динамичности (
= 1,1).
2. Рассчитываем
максимальный изгибающий момент Мтах, возникающий в
центральном сечении траверсы, по формуле:
, (3.19)
где а - расстояние
между точками подвеса груза, м.
3. Вычисляем
требуемый момент сопротивления сечения траверсы по формуле:
.
(3.20)
где k - коэффициент условий работы;
R - расчетное сопротивление
материала траверсы, Мпа.
5. Выбираем
профиль сечения балки - двутавр.
. По
полученному значению требуемого момента сопротивления
выбираем профиль сечения
с моментом сопротивления, Wx соблюдая при этом
условие:
Выбираем по [5] по (табл. П. 2.3)
двутавр №70Б1 с моментом сопротивления
3645 см3.
Вывод: Определили, что при работе двутавровой балки на изгиб устойчивость
не нарушается.
.4 Расчет режима работы
КС с центробежными нагнетателями
Цель работы: Рассчитать режим работы компрессорного цеха.
Дано: температура Т=298К, давление
на входе Рвх=5,2 МПа, номинальная частота вращения ротора nн=4200 об/мин, фактическая частота
вращения ротора n=3700 об/мин, относительная плотность газа ∆в=0,6, агрегат
ГПА-25
Газовая постоянная R'=R/∆в = 286,8/0,6=478 Дж/(кг∙К);
R=268,8
- газовая постоянная воздуха; ∆в-относительная плотность газа по воздуху.
. Коэффициент сжимаемости
природного газа от приведенных давления и температуры z = 0,92.
. Плотность газа при
температуре 20° С и давлении 0,1013 МПа:
ρн=
∆в∙1,205=0,6∙1,205=0,723 (3.21)
3. Плотность газа при
всасывании:
ρ= Pвх/(ZRT)=5,2 ∙106/(0,92∙478∙298)=39,6
кг/м3 (3.22)
Pвх - абсолютное давление на входе;
Т - температура на входе в К.
. Коммерческая подача группы
нагнетателей:
.
33,3
млн м3/сут (3.23)
Qk kc - коммерческая подача КС;
m - число параллельно работающих групп.
. Объемная подача нагнетателя
первой ступени:
(3.24)
7. Приведенная объемная подача
нагнетателя:
(3.25)
nн - номинальная частота
вращения ротора.
. Приведенная частота
вращения:
(3.26)
9. Находим по графикам степень
сжатия ɛ, приведенную относительную
. мощность и КПД
политропический ηпол:
ɛ=1,44;
ηпол=0,86;
=695
КВт/кг∙м3
. Внутренняя мощность
потребляемая нагнетателем:
.
(3.27)
N=Ni+Nмех=15261,7+250=15511,7 КВт
(3.28)
Nмех - механические потери
для газотурбинного привода 250 КВт.
. Давление на выходе из
нагнетателя:
Рвых=Рвх
=5,2
=7,5
МПа. (3.29)
. Температура на выходе из
нагнетателя:
= 56,4°С (3.30)
Вывод: Допустимая температура меньше 60°С, а допустимое давление (7,5МПа)
не больше допустимого рабочего давления в газопроводе.
4. Техническое
обслуживание и ремонт газоперекачивающего агрегата ГПА-25
.1 Обслуживание агрегата
и систем КС в процессе работы
Обслуживание ГПА в процессе пуска,
остановки и работы осуществляет оперативный дежурный персонал, которым
руководит сменный инженер (диспетчер). Процесс эксплуатации ГПА не существует
самостоятельно. Эксплуатация компрессорного цеха осуществляется как единый
технологический комплекс, взаимосвязанный с линейной частью газопровода и
работой соседних КС. Поэтому количество работающих ГПА и режим их работы
определяется центральной диспетчерской службой (ЦДС) предприятия. В
соответствии с ее заданием оперативный персонал обязан обеспечивать оптимальный
режим перекачки газа через компрессорную станцию.
Контроль за состоянием основного и
вспомогательного оборудования сводится к периодической регистрации
эксплуатационных параметров, анализу причин их изменения и отклонения от
нормальных величин и предупреждению аварийных режимов работы. Любые отклонения
параметров работы от установленных инструкциями по эксплуатации ГПА должны
немедленно выясняться и устраняться. При невозможности определить причину
нарушения агрегат должен быть остановлен, а вместо него пущен другой,
находящийся в резерве.
Регистрация эксплуатационных
параметров ГПА осуществляется регулярно с периодичностью 1-2 ч с записью этих
параметров в суточных ведомостях компьютера. Эти показатели фиксируются при
обходе и осмотре оборудования с главных и местных щитов управления, а также с
отдельных приборов или мест, обозначенных инструкциями заводов-изготовителей.
Условно, контроль за состоянием ГПА
в процессе работы можно ьразделить на 3 составляющих:
обеспечение технологического режима
КС;
обслуживание ГПА;
контроль за состоянием вспомогательного
оборудования и систем.
Технологический режим КС в
соответствии с плановым заданием ЦДС необходимо обеспечивать минимальным
количеством работающих ГПА при их максимальной загрузке. Для поддержания
требуемого давления и расхода компримируемого газа центробежные нагнетатели на
КС включают по различным схемам соединения: последовательная или параллельная в
зависимости от типа нагнетателя (полнонапорный или неполнонапорный).
Последовательная работа двух, трех
центробежных нагнетателей используется для поддержания требуемого давления газа
на участке газопровода КС. Параллельная работа ГПА обеспечивает повышение
производительности КС при сохранении требуемого давления газа в газопроводе.
При работе ГПА, а также при пуске дополнительных ГПА или изменении схемы их
работы необходимо следить за тем, чтобы давление газа после нагнетателя не
превышало проектно-разрешенного, что достигается путем регулирования частоты
вращения роторов. В процессе эксплуатации необходимо контролировать объемные
расходы газа через центробежные нагнетатели и предупреждать возможность работы
их в зонах с пониженным объемным расходом и повышенной степенью сжатия, т.е. в
зоне помпажа.
Для обеспечения технологического
режима очень важно контролировать параметры технологического газа в процессе
его движения как по газопроводу, так и при прохождении его в трубных обвязках и
оборудовании КС. К этим параметрам относятся давление или перепад давлений и
температура технологического газа. Контроль этот необходимо вести с целью
предупреждения условий возникновения дополнительных гидравлических потерь и
гидратообразования. Контроль сводится к замеру перепада давления и его
изменению во времени на участках газопроводов, установках очистки и охлаждения
газа и на защитных решетках ГПА. Для уменьшения перепада давлений необходимо
производить периодическую продувку установок очистки газа, очистку поршнем
газопровода, своевременную заливку метанола, поддерживать температуру газа
путем включения необходимого числа аппаратов охлаждения и не допускать ее
чрезмерного превышения или снижения при изменениях температуры окружающей
среды.
Наибольший объем работ при
эксплуатации КС приходится на обслуживание ГПА. Обслуживание ГПА в основном
сводится к контролю за соблюдением параметров в соответствии с инструкциями
заводов-изготовителей. Среди основных контрольных параметров необходимо
выделить следующие:
поддержание рабочих температур
продуктов сгорания по тракту ГТУ, не допуская превышения установленных величин.
Замер производится термопарами, установленными перед турбиной высокого давления
(ТВД) или за силовой турбиной (СТ);
не допускать превышения мощности ГПА
выше допустимой и особенно при отрицательных температурах наружного воздуха;
обеспечивать работу ГПА только в
зонах разрешенных частот вращения роторов;
контроль за давлением, температурой
и качеством масла в смазочных системах, регулирования и уплотнения. Обеспечение
температурного режима работы подшипников, перепада давления в масляных
фильтрах, контроль за состоянием осевых сдвигов роторов;
определение величины и изменения
удельного расхода масла в маслосистеме, контроль за уровнем масла в маслобаках
и своевременная их дозаправка. Контроль за перепадом масло-газ и отсутствием
загазованности в маслобаке;
контроль величины уровня вибрации
ГПА и трубных обвязок в пределах агрегата, который производится штатной
системой виброзащиты и переносными приборами.
4.2 Техническое
обслуживание газоперекачивающего агрегата ГПА-25
ТО газоперекачивающего агрегата
ГПА-25 с авиационным газотурбинным приводом включает следующие виды работ:
осмотр маслоблоков и пусковых
насосов, воздухоочистительного устройства и камеры всасывания;
промывку масляных фильтров;
проверку герметичности
маслоохладителя, креплений болтовых соединений;
осмотр контрольно-измерительных
приборов, замену поврежденных;
осмотр диафрагмы двигателя и ее
крепления, арматуры маслосистем и газовых коммуникаций;
проверку исправности систем
пожаротушения;
регламентированную вибродиагностику
технического состояния.
ТР газоперекачивающего агрегата
ГПА-25 с авиационным газотурбинным приводом включает следующие виды работ:
работы, предусмотренные ТО;
осмотр выхлопной шахты, смесительной
камеры, диффузора, улитки:
проверку состояния шестерен
подшипников главного насоса смазки,
ревизию упорного подшипника, опорных
подшипников, лабиринтных и торцовых уплотнений, торсионного вала;
проверку плотности прилегания
байпасного клапана к уплотнительной прокладке;
осмотр ручного механизма привода
поворота лопаток жалюзи;
проверку и корректировку центровки
двигателя с нагнетателем;
осмотр крыльчатки вентиляторов
аппаратов воздушного охлаждения масла;
осмотр первой ступени проточной
части нагнетателя с помощью оптических приборов через отверстия,
предусмотренные в крышке;
съем диагностической информации
перед остановкой и после пуска агрегата.
СР газоперекачивающего агрегата
ГПА-25 с авиационным газотурбинным приводом включает следующие виды работ:
выполнение работы, предусмотренные
ТР;
ремонт изношенных элементов опорных
и упорных подшипников;
ревизию системы подогрева циклового
воздуха, перепускного клапана, регулятора перепада РПД-2М, маслоотводчика,
дросселя маслоохладителя, регулятора температуры РТП, клапанов постоянного
давления;
осмотр рукавов РВД и металлорукавов;
проверку биения зубчатых обойм
торсионного вала, съем диагностической информации перед остановкой и после
пуска агрегата.
КР газоперекачивающего агрегата
ГПА-25 с авиационным газотурбинным приводом включает следующие виды работ:
работы, предусмотренные СР;
ревизию и ремонт пусковых насосов и
основного насоса смазки;
вскрытие нагнетателя и проверку
корпусных элементов при снятом роторе;
замену лабиринтных уплотнений;
ревизию и ремонт ротора диффузоров и
обратного направляющего аппарата;
замену опорных и упорных
подшипников;
промывку оребренных поверхностей
корпусов;
проверку зазоров в зубчатом
соединении торсионного вала;
чистку маслобаков, трубных пучков
маслоохладителей;
ревизию и регулировку пружинных опор
маслопроводов;
ремонт обшивки блоков, замену
уплотнителей на панелях и дверях контейнера;
ревизию шумоглушителя забора воздуха
силовой турбины;
съем диагностической информации
перед остановкой и после пуска агрегата.
.3 Очистка осевого
компрессора в процессе эксплуатации
Как отмечалось выше, воздухозаборная
камера ГТУ не может обеспечить полностью очистку циклового воздуха, и это
приводит к тому, что на лопатках осевого компрессора образуются отложения. Эти
отложения ухудшают характеристики компрессора: уменьшается давление за осевом
компрессором, увеличивается потребляемая мощность, падает КПД, граница помпажа
компрессора смещается в сторону его рабочей зоны.
Процесс загрязнения не
характеризуется линейной зависимостью от времени и при определенной наработке,
в интервале 2-3 тыс. ч, наблюдается стабилизация характеристик осевого
компрессора. Отложения на лопатках осевого компрессора вдоль его оси постепенно
уменьшаются, то есть последние ступени компрессора загрязняются меньше.
Отложения загрязнений больше наблюдаются на выпуклой стороне лопатки. Повышение
влажности воздуха на всосе также способствует увеличению образования отложений
на лопатках.
Загрязнение проточной части осевого
компрессора может привести к уменьшению расхода воздуха до 6% и КПД осевого
компрессора на 2-3%, что вызывает снижение полезной мощности ГТУ до 10% и КПД
до 2-5%.
Для поддержания параметров ГПА в
соответствие с ТУ необходимо периодически проводить очистку проточной части
осевого компрессора.
Периодичность очистки зависит от
многих факторов, основными среди них являются:
степень загрязнения и запыленности
окружающей среды, где эксплуатируется агрегат;
эффективность очистки воздуха в ВЗК;
индивидуальные особенности ГПА
(диаметр осевого компрессора, углы атаки осевого компрессора, частота
вращения);
качество работы масляных уплотнений
переднего подшипника;
наличие неплотностей в
воздухозаборной камере и в том числе работа ГТУ с открытым байпасным клапаном.
Наилучшие результаты очистки
достигаются при разборке проточной части ГПА и промывке каждой лопатки. Однако
такой способ очистки является дорогостоящим и применяется только при проведение
ППР ГТУ. На практике применяется очистка осевого компрессора на режиме
«прокрутки» от пусковой турбины. Эффективная очистка - это регулярная очистка
осевого компрессора через каждые 300-400 ч в летнее время и около 1000 ч - в зимнее.
В эксплуатации применяют в основном
два способа очистки компрессоров:
очистка с помощью твердых
очистителей;
промывка с помощью жидких моющих
средств.
В качестве твердых очистителей
применяются органические материалы: молотая скорлупа орехов с диаметром частиц
0,8-1,7 мм или обычный рис.
В качестве моющих средств
используются специальные растворы «Синвал», «M1», «M2», «Прогресс».
Очистка осевого компрессора твердыми
частицами осуществляется на работающих агрегатах, как правило стационарного
типа, вводом очищающего средства на вход осевого компрессора через специальный
бункер, который обеспечивает скорость его подачи примерно 0,8-1,0 кг/мин.
Недостатком способа является то, что возможно засорение каналов и отверстий
системы охлаждения лопаток газовой турбины.
5. Энергосберегающая
технология охлаждения компримированного газа
Охлаждение газа является
неотъемлемой частью технологического процесса при его транспортировке по
магистральным газопроводам (МГ). Снижение температуры газа происходит в
установках охлаждения газа (УОГ), которые состоят из определенного количества
секций аппаратов воздушного охлаждения (АВО).
В состав УОГ может входить 12 и
более секций АВО с двумя электроприводными вентиляторами в каждой секции. После
компримирования газ под рабочим давлением около 7,5 МПа проходит по трубчатым
теплообменным секциям АВО. Через межтрубное пространство теплообменной секции с
помощью электроприводных вентиляторов прокачивается воздух. За счет теплообмена
с принудительно перемещаемым потоком воздуха происходит охлаждение газа.
Снижение температуры газа после
компрессорной станции на входе в МГ производится для увеличения пропускной
способности МГ и экономии топливного газа на работу газоперекачивающих
агрегатов. Кроме того, снижение температуры в УОГ предохраняет изоляцию труб от
разрушения при высоких температурах транспортируемого газа (более 45°С) после
его сжатия на КС. Нарушение изоляции приводит к ускорению по времени и усилению
по интенсивности протекания процессов, обусловленных электрохимической коррозией
металла трубы, и соответственно, к сокращению срока службы МГ.
Охлаждение технологического
(транспортируемого) газа в АВО является энергоемким процессом. Мощность,
потребляемая электродвигателями АВО одного компрессорного цеха (КЦ), составляет
сотни киловатт, что оказывает существенное влияние на структуру
электропотребления КС МГ, особенно с газотурбинным приводом нагнетателей. Расход
электроэнергии на охлаждение компримированного газа может составлять 60-70% и
более от общего электропотребления на транспорт газа. Таким образом, повышение
эффективности работы установок, осуществляющих охлаждение компримированного
газа, является важным фактором экономии топливно-энергетических ресурсов и
снижения себестоимости транспорта газа. Тепловая производительность АВО зависит
от многих возмущающих факторов, главными из которых являются расход и
температура технологического газа после компримирования, степень загрязнения
поверхности теплообменников, температура наружного воздуха. Если принять, что
первые три вышеперечисленных фактора являются постоянными для заданного режима
транспорта газа, то тогда колебания температуры наружного воздуха (суточные и
сезонные) являются основным возмущающим фактором, непосредственно влияющим на
процесс охлаждения газа. Для поддержания температуры технологического газа в
заданных пределах возникает необходимость регулирования охлаждающего эффекта
АВО. Это достигается за счет изменения расхода через АВО охлаждающего воздуха,
на который влияет количество одновременно работающих вентиляторов, частота
вращения рабочего колеса вентилятора, угол «атаки» лопастей.
Применяемая в настоящее время на КС
МГ технология охлаждения компримированного газа основана на дискретном
изменении расхода воздуха за счет включения (отключения) вентиляторов в
сочетании с сезонной регулировкой угла «атаки» лопастей. Эта технология имеет
ряд существенных недостатков.
Распределение потоков газа,
поступающего от ГПА к АВО газа, зависит от взаимного расположения работающих
ГПА и трубопроводов (шлейфов), соединяющих выход ГПА и вход АВО газа. Указанное
обстоятельство вызывает неравномерное распределение потоков (расходов) газа по
секциям АВО. В существующих системах управления КС контроль температуры газа
после АВО предусмотрен после его смешения в выходном коллекторе. Включение
вентиляторов по секциям производится без учета
фактического распределения газовых
потоков.
Из-за конструктивных особенностей
АВО при работе вентилятора, часть нагнетаемого им воздуха возвращается через
соседний неработающий вентилятор, при достаточной интенсивности потока
обеспечивая его вращение в обратную сторону. Такая рециркуляция воздуха
оказывает большое влияние на энергоэффективность процесса охлаждения газа,
увеличивая потери электрической энергии и снижение КПД установки в целом. К тому
же последующий прямой пуск двигателя вентилятора, вращающегося в противофазе,
вызывает электрические и механические пусковые ударные нагрузки, многократно
превышающие номинально допустимые для системы двигатель - вентилятор. Серьезной
нагрузкой на узлы вентилятора является кратковременное отключение
электроэнергии, в результате которого вентилятор выключается и после
восстановления электропитания повторно запускается.
В годовом цикле АВО всех типов,
используемые в ОАО «Газпром», эксплуатируются в широком диапазоне температур
наружного воздуха. Для всей зоны деятельности ООО «Газпром трансгаз Югорск»
этот диапазон составляет +30… - 45°С. При таких значительных сезонных
изменениях температуры наружного воздуха меняется и плотность воздуха, что
вызывает соответствующие колебания потребляемой электродвигателем мощности (до
30%). Согласование потребляемой вентилятором и располагаемой электродвигателем
мощности достигается перестройкой дважды в год (весной и осенью) углов
установки лопастей вентиляторов. Эта технологическая операция трудоемка и
травмоопасна, требует выполнения серьезных организационных и технических
мероприятий для обеспечения безопасного выполнения работ. Однако сезонное
регулирование углов «атаки» лишь частично компенсирует дополнительные затраты
электроэнергии: мехатронная система электродвигатель-вентилятор оказывается
настроенной на некий оптимум для некоторого усредненного значения температуры,
при которой производится эта регулировка. Отклонение температуры наружного
воздуха от этого значения приводит к работе электродвигателей и вентиляторов с
ухудшенными энергетическими показателями. Оптимизация режима работы АВО газа,
эксплуатируемых в условиях резко континентального климата, может быть
достигнута за счет частотного регулирования производительности вентиляторов.
Идея применения преобразователей частоты (ПЧ) не нова, однако внедрение
управляемого привода на АВО газа сдерживалось высокой ценой преобразователей и
относительно низкими тарифами на электрическую энергию. Современный ПЧ оснащен
системой управления на базе промышленного микропроцессорного контроллера,
благодаря чему способен реализовывать неограниченные по сложности алгоритмы
управления. Производительность вентилятора пропорциональна частоте его
вращения. Мощность, потребляемая мехатронной системой электродвигатель -
вентилятор, зависит от частоты вращения вентилятора примерно в третьей степени.
Поэтому затраты электроэнергии на поддержание заданной температуры газа за счет
частотного регулирования производительности вентиляторов оказываются меньше,
чем при дискретном управлении.
Использование интеллектуального
регулируемого привода позволяет поддерживать максимальную мощность путем
изменения частоты и напряжения питания электродвигателя, не допуская при этом
перегрузки двигателя по току. Отпадает также потребность в сезонном изменении
углов установки лопастей вентилятора: лопасти настраиваются на угол, при
котором электродвигатель нагружается номинальным током. Настройки производятся
один раз в летний период, когда плотность воздуха минимальна. При изменении
(понижении) температуры воздуха плотность воздуха увеличивается, а номинальный
ток электродвигателя поддерживается за счет регулирования частоты питающего
напряжения.
При использовании интеллектуального
регулируемого привода каждая секция АВО газа является замкнутым контуром
регулирования с измерением температуры на выходном шлейфе, пропорциональным
регулированию мощности привода. Такой подход позволяет получать дополнительную
экономию электроэнергии. Алгоритмы управления газа с частотно-регулируемым
приводом позволяют избегать рециркуляции, так как работают все вентиляторы с
требуемой частотой вращения, в зависимости от расхода газа через секции АВО,
его температуры после компримирования и температуры наружного воздуха. Кроме того,
применение современной технологии векторного управления позволяет реализовать
безударный «подхват» выбегающего ротора, что способствует стабилизации
технологического режима и снижению нагрузки на узлы электрических машин,
возникающей при пуске. Опытный образец системы, реализующей энергосберегающую
технологию компримированного газа, внедрен на КС «Новокомсомольская»
Комсомольского ЛПУ МГ ООО «Газпром трансгаз Югорск». Регулирование
производительности вентиляторов АВО газа осуществляется преобразователями ATV
58 фирмы Schneider Electric. Если температура газа на выходе теплообменников
становится больше или меньше заданной величины, частота вращения лопастей
вентиляторов снижается или увеличивается ровно настолько, чтобы восстановить
требуемый режим. Внедрение системы позволило существенно уменьшить расход
электроэнергии на охлаждение газа (более 50%), отказаться от трудоемких и
травмоопасных работ по сезонному регулированию угла «атаки» лопастей
вентиляторов, увеличить ресурс электродвигателей, трансмиссии и всей УОГ в
целом, обеспечить полную автоматизацию процесса и его оптимизацию.
Список литературы
1. Пономарёва Т.Г., Редутинский М.Н. Расчет оборудования насосных
и компрессорных станций, Тюмень: ТюмГНГУ, 2012.
. Пономарёва Т.Г., Давыдов А.Н., Сооружение насосных и
компрессорных станций, Тюмень: ТюмГНГУ, 2012.
. Аберков А.С., Ильин Л.В. Монтаж оборудования компрессорных
станций магистральных газопроводов. М.; Недра 1989.
. Артемова Т.Г. Эксплуатация компрессорных станций магистральных
газопроводов: Учебное пособие. - Екатеринбург: УГТУ-УПИ, 2000.-176 с.
. Березин В.Л., Бобрицкий Н.В. Сооружение насосных и компрессорных
станций: Учебник для вузов. - М.: Недра, 1985. - 288 с.
. Вологдин Я.И., Карташев Г.И. Техника безопасности при
строительстве объектов нефтяной и газовой промышленности. М., Недра, 1977 - 155
c.
. Еремин Н.В., Степанов Е.И. Компрессорные станции магистральных
газопроводов. М.; Недра, 1995.
. Козаченко А.Н. Эксплуатация компрессорных станций магистральных
газопроводов. М.: Нефть и газ, 1999. - 463 c.
. Крамской В.Ф., Телегин Л.Г., Новоселов В.В. и др. Современные
методы строительства компрессорных станций магистральных газопроводов, - М.:
ООО «Недра-Бизнесцентр», 1999, 263 с.
. Промтов А.И. Оборудование компрессорных станций магистральных
газопроводов. М., Гостоптехиздат, 1962 - 237 c.
. Соколовский С.М. Компрессоры и компрессорные станции. М., Недра,
1968. - 263 c.
12. СНиП 3.01.01-85 Организация строительного производства.
. СНиП 3.05.05-8 Технологическое оборудование и технологические
трубопроводы.
. СНиП 12-03-2001 Безопасность труда в строительстве.