Модернизация системы управления станка ГФ2171С3

  • Вид работы:
    Дипломная (ВКР)
  • Предмет:
    Другое
  • Язык:
    Русский
    ,
    Формат файла:
    MS Word
    358,7 Кб
  • Опубликовано:
    2013-03-20
Вы можете узнать стоимость помощи в написании студенческой работы.
Помощь в написании работы, которую точно примут!

Модернизация системы управления станка ГФ2171С3

Содержание

 

Введение

1. Модернизация системы управления станка ГФ2171С3

1.1 Краткое описание станка

1.2 Общие сведения

1.2.1 Питание станка

1.2.2 Система координат и нулевые точки

1.2.4 Устройство числового программного управления 2С42

1.2.5 Электропривод "КЕМРОН"

2. Обзор рынка устройств числового программного управления

2.1 ЧПУ фирмы Ижпрэст "Маяк-600"

2.2 ЧПУ фирмы Балт-Систем "NC-201М"

2.3 ЧПУ FAGOR "CNC 8035М"

2.4 ЧПУ фирмы МОДМАШ-СОФТ "FMS-3000"

2.4.1 Общие сведения

2.4.2 Конструктивные характеристики

2.5 Результаты поиска УЧПУ

3. УЧПУ "FMS-3000"

3.1 Конструктивные и эксплуатационные характеристики УЧПУ на базе WS-612

3.2 Технические характеристики базового программного обеспечения

3.3. Необходимый набор плат

3.3.1 Плата процессора JUKI-745

3.3.2 Плата дискретного ввода/вывода ISO-730

3.3.3 Плата дискретного ввода PCL-733

3.3.4 Плата дискретного вывода PCL-734

3.3.5 Плата цифро-аналогового преобразователя А-626

3.3.6 Плата интерфейса ЛИР-930

3.4 Описание языка электроавтоматики

3.4.1 Назначение

3.4.2 Структура программы

3.4.3 Элементы языка

4. Основная часть

4.1 Управление работой смазкой

4.2 Ограничение перемещений

4.3 Перемещения в ручном режиме

4.4 Зажима и отжим инструмента

4.5 Управление ответом по S и М-функциям

4.6 Управление работой шпинделя

4.7 Управление функциями включения и выключения СОЖ М8

4.8 Параметры

4.9 Расчет надежности

5. Экономическая часть

5.1 Расчёт единовременных затрат

5.2 Расчёт плановой себестоимости выполнения работы

5.3 Определение затрат по статье спецоборудование для научных работ

5.4 Определение затрат по статье заработная плата

5.5 Определение затрат по статье дополнительная заработная плата

5.6 Определение затрат по статье отчисление на социальные нужды

5.7 Расчёт текущих затрат

6. Безопасность жизнедеятельности

6.1 ные и вредные производственные факторы действующие на рабочем месте

Заключение

Список использованных источников

Приложения

Введение

Высокие темпы роста выпуска продукции машиностроительной и других отраслей производства требуют разработки и внедрения новейшего высокопроизводительного оборудования, различных типов станков-автоматов и автоматических линий.

При реализации поставленных задач важное место занимает проблема улучшения использования действующего металлорежущего оборудования за счет его усовершенствования.

Совершенствование элементной базы систем управления автоматики производства в значительной мере расширит возможности создания и функционирования производственного оборудования. Применение микропроцессорных систем даст автоматике производства большую точность, надежность и гибкость сконструированных микропроцессорных модулей. Серийное освоение относительно дешевых, малогабаритных, высокопроизводительных микро-ЭВМ и микропроцессоров позволяет широко использовать в промышленных системах современные принципы и методы управления.

В данном проекте рассматривается модернизация фрезерного станка модели ГФ2171С3, целью которой является новому способу управления.

Старый способ управления станком, при котором данные загружаются в систему ЧПУ с помощью субблоков, давно уже не удовлетворяет современным требованиям надежности и скорости. Переход к новой системе позволит технологу писать программу в CAM-системе, а затем передавать ее на станок с помощью современных носителей информации. Становится возможным так же передача данных по локальной вычислительной сети, что поможет решить проблему "отработки бесконечно длинных программ”.

Результатом модернизации является: резкое увеличение производительности труда в процессе изготовления единичной и мелкосерийной продукции благодаря более высокой загрузке оборудования; быстрое реагирование на изменение требований заказчиков; существенное повышение качества продукции за счет устранения ошибок и нарушений технологических режимов; сокращение времени производственного цикла в несколько раз; уменьшение капитальных вложений, площадей и численности обслуживающего персонала; снижение объема незавершенного производства; повышение эффективности управления за счет исключения человека из производственного процесса; улучшение условий труда, устранение сложных, трудоемких и тяжелых операций, освобождение человека от малоквалифицированного и монотонного труда.

1. Модернизация системы управления станка ГФ2171С3


1.1 Краткое описание станка


Станок фрезерный консольный вертикальный с числовым программным управлением ГФ2171С3 предназначен для обработки плоских форм, кулачков из легированных сталей, чугуна и цветных металлов в серийном и мелкосерийном производствах.

Пространственная обработка достигается сочетанием движения стола станка с обрабатываемой деталью в горизонтальной плоскости по двум координатам (X,Y) и вертикального перемещения шпиндельной головки с режущим инструментом (координата Z). Обработка производится концевыми, торцовыми, сферическими и фасонными фрезами.

Станок оснащен числовым программным контурным устройством управления (2С42), с вводом информации в память с перфорированной ленты или преднабора.

Класс точности станка - "Н" по ГОСТ 8-82.

Таблица 1.1 - Характеристики станка

Размер рабочей поверхности стола, мм: длина ширина

 1600 400

Количество частот вращения шпинделя

18

Количество Т-образных пазов

3

Ширина Т-образных пазов, мм Центральных Крайних

 18Н8 18Н12

Расстояние между Т-образными пазами, мм

100

Наибольшее перемещении стола, мм: продольное поперечное вертикальное

 1010 400 250

Наибольшее перемещение ползуна, мм

260

Пределы подач, мм/мин: продольная поперечная вертикальная

 3.6000 3.6000 3.6000

Скорость быстрого перемещения узлов "X,Y", мм/мин

6000

Скорость быстрого перемещения узла "Z", мм/мин

6000

Минимальное задание перемещения, мм

0.01

Пределы частот вращения шпинделя, об/мин

50.2500


Таблица 1.2 - Механика станка

Частота вращения шпинделя, об/мин

Наибольший крутящий момент на шпинделе, кг/м

Мощность на шпинделе, кВт

КПД



По приводу

По наиболее слабому звену


40

 (62.8) 628

6.45

2.58

0.859

50

 (62.8) 628

6.45

3.26

0.857

63

 (62.8) 628

6.37

4.05

0.849

80

 (62.8) 628

6.37

5.1

0.852

100

 (62.8) 628

6.32

6.35

0.843

125

 (48.5) 485

6.25

7.9

0.832

160

 (38) 380

6.24

10

0.831

200

 (29.7) 297

6.1

12.4

0.813

250

 (23.2) 232

5.95

15.4

0.794

315

 (18.9) 189

6.11

6.57

0.815

400

 (14.5) 145

5.95

8.35

0.794

500

 (11.3) 113

5.77

10.4

0.769

630

 (8.75) 87.5

5.66

11.3

0.755

800

 (6.55) 65.5

5.38

14.3

0.717

1000

 (4.9) 49

5.05

17.9

0.673

1250

 (3.7) 37

4.76

9.85

0.635

1600

 (2.6) 26

4.23

16.45

0.563

2000

 (1.75) 17.5

3.58

19.1

0477



1.2 Общие сведения


На станке установлены следующие электродвигатели:

Электродвигатель главного движения (шпинделя);

Электродвигатель наладочного перемещения консоли;

Электродвигатель насоса гидростанции;

Электродвигатель насоса охлаждения;

Электродвигатель насоса смазки;

Электродвигатель продольной подачи оси X;

Электродвигатель поперечной подачи оси Y;

Электродвигатель подачи ползуна оси Z.

Схемы подключения электродвигателей находятся в Приложении Б.

1.2.1 Питание станка

Питание силового электрооборудования станка выполнено от четырехпроводной сети трехфазного переменного тока напряжением 380 ±10% частотой 50Гц. При большем пределе колебания напряжения сети необходимо применить отдельный стабилизатор напряжения. Допускается питание группы станков от общего стабилизатора.

Питание цепей управления и сигнализации осуществляется напряжением 110В переменного тока и 24В постоянного тока, бесконтактные конечные выключатели напряжением 12В постоянного тока.

1.2.2 Система координат и нулевые точки

В станке применена следующая система координат:

Перемещение стола влево "+X";

Перемещение стола вправо "-X";

Перемещение стола от станины "+Y";

Перемещение стола к станине "-Y";

Перемещение ползуна вверх "+Z";

Перемещение ползуна вниз "-Z";

Для обозначения положительного направления координат станка, связанных с перемещением заготовки ("X" и "Y"), используется буква со штрихом.

Начало отсчета "ноль станка" представляет собой постоянно фиксированные точки с нулевыми значениями на направлениях перемещения рабочих органов. Перемещение рабочих органов по трем взаимно-перпендикулярным направлениям с началом в нулевой точке станка представляет координатную систему станка.

Нулевые точки системы координат станка определены следующим образом:

ось шпинделя совпадает с осью центрального отверстия стола; возможны движения стола из нулевой точки вправо на 505 мм, вперед и назад на 200 мм;

ползун в крайнем верхнем положении; возможно движение вниз на 260 мм.

Особенности программирования

В устройстве предусмотрено три адреса технологических команд "M", "S" и "T". Количество строк в адресе - 2. Команды выдаются в двоично-десятичном коде. Каждая из команд действует все время до поступления новой команды соответствующего адреса.

В станке ГФ2171С3 использованы следующие технологические команды:

Таблица 1.3 - Адрес S

Команды

Скорости шпинделя об/мин

S32

40

S34

50

S36

63

S38

80

S40

100

S42

125

S44

160

S46

200

S48

250

S50

315

S52

400

S54

500

S56

630

S58

800

S60

1000

S62

1250

S64

1600

S66

2000


Примечание: смену направления вращения и чисел оборотов шпинделя производить только после останова шпинделя.

Таблица 1.4 - Адрес Т

Команды

№ инструмента

Т01

1 - инструмент

Т02

2 - инструмент

Т03

3 - инструмент

Т04

4 - инструмент

Т05

5 - инструмент

Т06

6 - инструмент

Т07

7 - инструмент

Т08

8 - инструмент

Т09

9 - инструмент

Т10

10 - инструмент

Т11

11 - инструмент

Т12

12 - инструмент


Примечание: Для предотвращения поломки инструмента и узлов станка необходимо подготовить рабочую зону для смены инструмента: координату "Z" вывести в нулевое положение, "Y" - на плюс 195 мм от нулевого положения салазки.

Таблица 1.5 - Адрес М

Команды

Функция

М00

Безусловный останов программы

М01

Технологический останов

М02

Конец программы без автоматического возврата в ее начало

М03

Пуск шпинделя по часовой стрелке

М04

Пуск шпинделя против часовой стрелке

М05

Останов шпинделя и выключение охлаждения

М06

Смена инструмента

М08

Включение охлаждения

М09

Выключение охлаждения

М13

Пуск шпинделя по часовой стрелки с включением охлаждения

М14

Пуск шпинделя против часовой стрелки с включением охлаждения

М25

Конец фрагмента программы для повторения с помощью функции G25

М30

Конец программы с автоматическим возвратом в начало программы

М98

Конец программы


Ориентировочные времена отработки технологических команд:

Пуск шпинделя (на макс. обороты) - 3 сек.

Останов шпинделя (с макс. оборотов) - 5 сек.

Время выбора инструмента максимальное (на один шаг) - 3-5 сек.

Пуск шпинделя с охлаждением - 4-5 сек.

1.2.4 Устройство числового программного управления 2С42

Назначение

Устройство числового программного управления 2С42 предназначено для управления металлообрабатывающими станками. По защищенности от воздействия окружающей среды устройство предназначено для работы в механических цехах машиностроительных заводов в стационарных условиях.

Технические данные

По виду обработки геометрической информации устройство является контурно-позиционной с жестким заданным алгоритмом управления на микро-ЭВМ.

фрезерный станок управление модернизация

Устройство обеспечивает одновременное управление с круговой и линейной интерполяцией по двум координатам.

Устройство обеспечивает одновременное управление по трем координатам (тип формообразования определяется программным обеспечением).

Устройство обеспечивает нарезание резьб на цилиндрической и конической поверхностях.

Устройство обеспечивает задания следующих режимов работы с клавиатуры пульта управления: автоматический, покадровый, ввод, ввод констант, ввод с внешних носителей информации, поиск кадра, ручное управление, фиксированное положение, выход в исходное положение, вывод на внешние носители информации, тестовый контроль.

Устройство обеспечивает ввод информации:

с пульта управления устройства;

с фотосчитывающего устройства ФСУ;

с электрифицируемой пишущей машины (ЭПМ "Крнсул-260");

с кассетного накопителя на магнитной ленте Искра 005-33 (КНМЛ);

с ЭВМ высшего ранга, в зависимости от ПО.

Устройство обеспечивает вывод информации:

на блок отображения символьной информации (БОСИ);

на ЭПМ "Контур-260" в зависимости от ПО;

на перфоратор ПЛ-150М;

на КНМЛ "Искра-33";

на ЭВМ высшего ранга в зависимости от ПО.

Устройство обеспечивает работу с датчиками перемещений типа:

вращающийся трансформатор ВТМ-1Г;

преобразователь измерительных перемещений ПИЛП1-А2;

бесконтактный синусно-косинусный трансформатор БСКТ-ФБ-2065;

преобразователь многополюсный бесконтактный ПМБ-1;

преобразователь измерительный фотоимпульсный ВЕ-178А5;

резольвер ЕЕ4КД71, ЕЕ4 Д72 производства СССР;

резольвер Т - 3-С2 производства ПНР;

резольвер РК-10 производства НРБ.

Устройство обеспечивает выдачу сигналов аналоговых напряжений ±10 постоянного тока для управления приводами подач. Параметры цифро-аналоговых преобразований;

Погрешность преобразования в диапазоне от 1 до 5м не более ±10%;

Погрешность преобразования в диапазоне от 5 до 10м не более ±3%;

Диапазон преобразования - 10000.

Устройство в зависимости от ПО обеспечивает прием аналоговых сигналов напряжением ±10 постоянного тока для цепей адаптивного управления. Параметры аналого-цифровых преобразователей:

диапазон преобразований 1024;

погрешность преобразований в диапазоне от 0м до 78м не более ±2%;

погрешность преобразований в диапазоне от 78м до 10 не более ±4%.

Устройство обеспечивает хранение программного обеспечения в постоянном запоминающем устройстве. ПРИМЕЧАНИЕ: допускается замена ПЗУ на оперативное запоминающее устройство (ОЗУ) или на программируемое постоянное запоминающее устройство (ППЗУ) по договору на поставку. Для записи и стирания ППЗУ поставляется программатор.

Связь устройства со станком кабельная. Длина кабеля не более 30 м. Электрическое питание устройства осуществляется переменным трехфазным током с напряжением 380в при отклонениях от минус 15% до плюс 10% и частотой 50Н при отклонении от минус 2 до плюс 2%.

Потребляемая мощность устройства 0.9кв. А.

Время готовности устройства к работе не более 10 мин.

Количество управляемых координат и цифро-аналоговых преобразователей - 4.

Количество обменных дискретных сигналов - 160.

Параметры входных дискретных сигналов:

уровень логического нуля от 0 до 2 в;

уровень логической единицы от 18 до 24 в;

входной ток не более 30мА.

Параметры выходных дискретных сигналов:

коммутируемый ток не более 0.2А;

коммутируемое напряжение 24в.

Емкость памяти ОЗУ без сохранения информации при отключении питания не менее 8 Кбайт. Емкость память ОЗУ с сохранением информации 2 Кбайт. Время сохранения информации 120 ч.

Программоносителями являются:

восьмидорожковая перфорированная лента;

магнитная кассета типа МК-60 или кассета аналогичного типа.

Устройство обеспечивает индикацию на БОСИ с информационной емкостью 8 или 16 строк по 32 символа следующей информации:

технологической программы;

размера инструмента;

смещение нуля отсчета;

текущей координаты;

режимов работы;

причин останова и сбоя.

Максимальное перемещение по координатам 9999.999 мм.

Максимальное смещение нуля отсчета по каждой координате 9999.999 мм.

Коррекция инструмента 9999.999 мм.

Максимальный шаг резьбы - 40 мм.

Число постоянных установок - 32.

Программное обеспечение устройства обеспечивает выполнение дополнительных функций:

возврат на траекторию;

Цикл разгона и торможения;

Коррекцию рабочих подач;

Коррекцию скорости главного движения;

Отработку УП с повторением любой её части;

Ввод параметров станка в память;

Редактирование управляющей программы;

Режим автоматической компенсации люфта при реверсе;

Диагностику функциональных узлов;

Задание величины перемещения в абсолютных и относительных координатах с программированием десятичной точки;

Задание величины подачи в миллиметрах в минуту или в миллиметрах на оборот, частоту вращения шпинделя в оборотах в минуту;

Дискретность задания перемещения 0.001 мм или 0.01 мм;

Переменную структуру слова, нули в старших разрядах можно опускать;

Время выдержки непосредственно в десятых долях секунды;

Отработку постоянных циклов, записанных в ПЗУ;

Реализацию функции электроавтоматики станка.

ПРИМЕЧАНИЕ:

Состав дополнительных функций, реализуемых программным обеспечением, определяется при совместных испытаниях устройства со станком.

Состав и конструкция устройства

В состав устройства входит следующие блоки:

Блок приборный.

Пульт управления.

Блок БОСИ.

КНЛМ "Искра 005-33".

Конструкция устройства:

Устройство выполнено в виде отдельных блоков функционально законченных: приборного блока, блока БОСИ, пульта управления, КНМЛ, электрической части (кабели).

Приборный блок выполнен в виде стационарного шкафа. Для крепления блока предусмотрены отверстия в основании и в верхней части приборного блока. Электрическая связь приборного блока со станком и выносными блоками устройства осуществляется кабелями через панель выходных разъемов с разъемами типа 2РМ, ШР, установленную сверху шкафа.

На лицевой панели пульта управления имеется клавиатура и световая сигнализация. Связь с приборным блоком осуществляется кабелем 6.644.327.

Связь блока БОСИ с приборным блоком осуществляется кабелем 6.644.326.

КНМЛ устанавливается на станке месте, защищенном от пыли и брызг. Связь с приборным блоком осуществляется кабелем 6.644.321.

Электрическая часть устройства представлена кабелями и разделяется на информационную и силовые цепи. Для обеспечения помехозащищенности силовые цепи выполнены экранированными проводами. Информационные цепи выполнены экранированными проводами или витыми парами. Все жгуты выполнены в экранирующих пленках.

Устройство и работа изделия

По схемно-структурной организации устройство 2С42 - комбинированное (контурно-позиционное) устройство ЧПУ.

Основным функциональным и конструктивным узлом является приборный блок. Он имеет функционально-модульный принцип построения, т.е. все функциональные узлы приборного блока выполнены в виде законченных устройств (модулей). Основные модули входящие в состав приборного блока:

Микро-ЭВМ "Электроника МС 1201.02"

ЗУ.

ПЗУ.

Блоки связи с устройствами ввода-вывода.

Блоки связи со станком.

Микро-ЭВМ в совокупности с необходимым программным обеспечением реализует заданный состав алгоритмов управления, включая обслуживание внешних устройств ввода-вывода, вычисление траекторий и скоростей перемещения подвижных органов станка, выдачу управляющих последовательностей команд выполнения стандартных и типовых технологических циклов, решение задач редактирования управляющих программ и т.д. /4/

ЗУ предназначено для хранения и неразрушающего считывания информации при работе основных источников питания и сохранения информации при отключении основных источников питания.

ПЗУ предназначено для хранения программного обеспечения.

Блоки связи с устройствами ввода-вывода обеспечивают управление внешними устройствами: пультом управления, блоком БОСИ, КНМЛ, ФСУ, перфоратором, ЭПМ "Консул-260", ЭВМ высшего ранга.

Блоки связи со станком принимают сигналы от станки, вырабатывают выходные сигналы на станок, обеспечивают связь с датчиками перемещений, управление приводами, связь с датчиками для адаптивного управления.

Пульт управления позволяет вести редактирование программы, задавать режимы работы устройства, производить ручной ввод данных, вести диалог с устройством и т.д. Пульт состоит из универсальной клавиатуры (латинский алфавит), а также ряда клавиш, с помощью которых осуществляется пуск программ, продолжение цикла позиционирования и т.д. Всего на пульте 58 клавиш. Кроме того, пульт принимает 12 входных сигналов для включения 12 светодиодов.

Блок БОСИ предназначен для отображения на электроннолучевой трубке буквенно-цифровой информации (цифр, русского, латинского алфавитов). Объем высвечиваемой информации зависит от масштаба и составляет либо 512 символов (16 строк по 32 знака), либо 256 символов (8 строк по 32 знака). Блок БОСИ используется при воде программы, ее редактирование и т.д.

Блок КНМЛ принимает дискретную информацию от приборного блока на магнитную ленту, хранит и в случае надобности вновь выдает ее в приборный блок.

1.2.5 Электропривод "КЕМРОН"

Комплектные электроприводы серии "КЕМРОН" с высокомоментными электродвигателями 7, 13, 21, 23, 30 и 47 Нм предназначены для осуществления движения подач металлорежущих станков с ЧПУ. В комплект входят следующие составные части:

однокоординатный шестипульсный тиристорный преобразователь;

двигательный агрегат;

силовой трансформатор;

уравнительные дроссели;

панель предохранителей;

блок динамического торможения.

Электроприводы могут быть исполнены в однокоординатном или двухкоординатном варианте. Двухкоординатный вариант может быть исполнен во всех модификациях получаемых при комбинировании двигателей из ряда 7/7; 13/13; 13/21; 21/21; 23/23; 30/30; 47/47; 23/47 Нм. Типовое обозначение приводов получается сочетанием обозначений двигателя и тиристорного преобразователя.

Электроприводы предназначены для работы в закрытых отапливаемых помещениях при следующих условиях:

температура окружающего воздуха (без двигательного агрегата) от 5 до 45єС;

высота над уровнем моря до 1000м;

температура окружающего воздуха для двигательного аппарата от 5 до 40єС;

относительная влажность окружающего воздуха при температуре 30єС, до 80%.

Окружающая среда должна быть взрывобезопасной. В ней не должно быть токопроводящей пыли и агрессивных газов и паров с концентрациями разрушающими металлы и изоляцию.

Технические данные

номинальное питающее напряжение ~380В;

допустимое отклонение питающего напряжения - 15ч+10%;

частота питающего напряжения 50 Гц;

допустимое отклонение частоты ±2%;

диапазон изменения частоты вращения 1: 10000;

номинальный режим работы длительный S1.

Конструкция

Электропривод представляет комплектное устройство. Все комплектующие изделия, за исключением двигательного агрегата, в открытом исполнении IP-00 и предназначены для встраивания в станции. Двигательные агрегаты в исполнении IP-44.

Тиристорные преобразователи представляют собой однокоординатные модули имеющие блочную конструкцию, обеспечивающую оперативную замену блоков и свободный доступ по всем контрольным точкам и элементам.

2. Обзор рынка устройств числового программного управления


С нашей точки зрения, типовым устройством для автоматики должен представлять собой легко конфигурируемый для конкретного объекта, проектно - компонуемый набор модулей с типовым программным обеспечением. Такая ЧПУ должна быть надежной, недорогой, простой в обращении.

Проведенный анализ отечественного рынка показал большое разнообразие ЧПУ как зарубежного, так и отечественного производства. Несомненно, ЧПУ зарубежного производства лучше отечественного, как по элементной базе, так и по программному обеспечению. Однако ценовая категория на порядок выше, и не любое отечественное предприятие сможет приобрести его. Рассмотрим краткое описание некоторых из них.

2.1 ЧПУ фирмы Ижпрэст "Маяк-600"


Устройство ЧПУ "Маяк-600" предназначено для комплектования новых и модернизации старых станков.

Концепция размещения системы - отдельно блок ЧПУ и отдельно пульт оператора, соединенные последовательным интерфейсом. Блок ЧПУ встраивается в электрошкаф станка, а пульт оператора устанавливается в пульт станка или в электрошкаф. Маяк-600 позволяет управлять восемью координатными осями и шпинделем. Приводы подач и шпиндель управляются аналоговым сигналом (+/-10В). К измерительным контурам можно подключать фотоэлектрические и индуктивные датчики обратной связи. Существует исполнение для управления шаговыми двигателями.

Управление оборудованием

Типы оборудования:

Фрезерное;

Токарное;

Расточное;

Шлифовальное;

Лазерное.

Основные режимы работы

Режимы:

Автомат;

Преднабор;

Ручной;

Выход в точку;

Выход в "0".

Ввод и вывод управляющих программ, параметров:

На дискету (встроенный НГМД 3,5”)

На персональный компьютер (Ethernet 10BASE-T)

Встроенный Flash-дискFlash-диск, USB-FDD (дисковод), USB-CDROM.

Программирование

Основные возможности:

Программирование в абсолютной и относительной системе координат;

Программирование в полярных координатах;

Зеркальная отработка;

Поворот осей;

Масштабирование.

Постоянные циклы:

Сверление;

Расточка;

Нарезание резьбы;

Профильные.

Индикация

Устройство:

Электронно-лучевая трубка 9" (монохромная) 10.4 TFT (активная жидкокристаллическая панель).

Таблица 2.1 - Управление осями

Количество управляемых координат

4-10 + шпиндель

Такт управления приводами

2мс

Дискретность задания размеров, мм (град)

0,001

Максимальное значение перемещения, мм

9999,999

Диапазон рабочих подач, мм/мин

1-24000

Управление скоростью шпинделя

Автоматический выбор диапазона; Коррекция вращения 0-200%; Ориентированный останов шпинделя; Перевод шпинделя в управляемую координату


Типы приводов:

Постоянного тока (в т. ч. частотно-регулируемые);

Цифровые приводы, управление по шине CAN.

Количество связей с электрооборудованием станка:

Таблица 2.2 - Связи с электрооборудованием станка

Входы +24В

48 (1Бвв) - 144 (3Бвв) + выносные блоки по RS485 и CAN

Выходы +24В (до 0,2А или 2,0А, общий нагрузки 0В или +24В)

32 (1Бвв) - 96 (3Бвв) + выносные блоки по RS485 и CAN

Встроенный язык программирования алгоритма ЯФП

Неограниченный размер программы; Быстрая автоматика; Пошаговая отладка ЯФП


Условия эксплуатации:

Напряжение питания - 220В, 50гц;

Потребляемая мощность - 100ВА;

Температура окружающей среды - +5. +50

Габаритные размеры, мм:

Блок управления - 210х315х336;

Пульт оператора - 510х320х160 с TFT

2.2 ЧПУ фирмы Балт-Систем "NC-201М"

M - высокотехнологичное устройство ЧПУ с использованием современных компьютерных технологий для комплексных и высокопроизводительных решений управления станками токарной и фрезерной групп.

Основные характеристики:

Дисплей - 10,4”

Корректоры - F%, S%, JOG

Герметизированная кнопочная клавиатура

Кнопки - "ПУСК", "СТОП"

Функциональная клавиатура для реализации станочного пульта

Стандартное фрезерно-токарное программное обеспечение

ЦАП - 4 канала

Датчиков (ФИД) - 3 канала

Вх/Вых - 48/32

Канал FDD, RS-232, Ethernet, USB

Сетевая поддержка LAN (Ethernet)

Накопитель USB - 128мб

Кабели FDD, USB-FLASH

Эмулятор УЧПУ для PC

Габариты - 438х328х142.

Дополнительные модули:

Модуль выходов с релейной коммутацией и индикацией:

Устанавливается на DIN рейку.

Количество выходов - 24 DC 24В/3А, АС 110В/3А

Светодиоды - 24

Габариты - 270х83х30.

Модуль входов с индикацией:

Устанавливается на DIN рейку.

Количество входов - 40;

Светодиоды - 40;

Габариты - 127х83х40.

Выносной пульт

Галетный переключатель на 5 поз.

Галетный переключатель на 5 поз.

Кнопки - 3 шт.

Дополнительная боковая кнопка - 2 шт.

Кнопка аварийного выключения (грибок)

Габариты - 153х75,6х80.

Штурвал

Количество имп. /об. - 100.

Питание - +5В.

Диаметр - 80 мм.

2.3 ЧПУ FAGOR "CNC 8035М"


Новая разработка компании Fagor Automation, предназначена специально для простых станков.

Система выполнена в двух модификациях Fagor 8035M и Fagor 8035T. Первая предназначена для фрезерных станков с количеством управляемых осей 3 (+ 1 шпиндель), вторая для токарных станков с количеством управляемых осей 2 (+1 шпиндель).

ЧПУ Fagor CNC 8035 в виде компактного моноблока размерами 352х273х154 мм, включает в себя:

Центральный процессор со встроенным контроллером PCL;

.5" ЖК-дисплей, монохромный или цветной (опция);

Полную алфавитно-цифровую клавиатуру с программируемыми функциональными клавишами и панель оператора;

свободно назначаемых пользователем клавиш;

Система русифицирована.

Технические характеристики систем ЧПУ FAGOR 8035М CNC

Источник питания постоянного тока 24 В для центрально процессора и цифровых входов и выходов

Память пользователя 256 Кб

Встроенный контроллер PLC c быстродействием 3 мс/1000 операций с системой программирования уравнений и логическим анализатором

Канал связи RS-232 (скорость до 115 200 Бод) и опциональная программа DNC (Direct numerical control)

Ускоренная подача / Адаптивное управление для настройки осей

входа обратной связи (TTL/Vpp) для осей и шпинделя

входа TTL для ручных электронных маховичков

аналоговых выхода (+/-10 В) для осей и шпинделя

входа датчиков касания, 5 В (0,25 мА) или 24 В (0,30 мА)

Цифровые входы/выходы: 40 входов и 24 выхода (150 мА)

Аналоговые сервоприводы

2.4 ЧПУ фирмы МОДМАШ-СОФТ "FMS-3000"


2.4.1 Общие сведения

Устройство числового программного управления FMS-3000 собрано на базе промышленной рабочей станции WS-612 и комплекта плат управления, специально предназначенных для применения в заводский цехах и других промышленных условиях для непрерывного слежения и управления работой станков и механизмов.

УЧПУ представляет собой компактное моноблочное устройство, объединяющее в своем составе панель оператора и блок управления станком.

2.4.2 Конструктивные характеристики

УЧПУ "FMS-3000" имеет следующие конструктивные характеристики:

прочная алюминиевая конструкция каркаса;

степень защиты передней панели управления IP65;

встроенная система охлаждения (два вентилятора на задней стенке для охлаждения блоков питания и монитора);

пленочные герметизированные клавиатуры:

-х клавишная для ввода данных

-ти клавишная функциональная (F1. F10);

-ти клавишная макрокоманд (SF1. SF10);

возможность подключения внешней клавиатуры;

-ти дюймовый цветной монитор с плоским экраном, низким уровнем излучения, с цифровой регулировкой параметров изображения;

внутренний источник питания мощностью 250 Вт, Uвых +5В; +12В; - 5В; - 12В;

,5 дюймовый дисковод (НГМД); 1,44Мбайт;

Объединительная плата типа BP-8S для установки плат сбора данных и управления;

Напряжение питания 220В, 50Гц;

Потребляемая мощность 300Вт.

На объединительную плату УЧПУ могут быть установлены:

плата процессора;

плата цифро-аналоговых преобразователей (ЦАП);

платы интерфейса датчиков обратной связи;

платы дискретного ввода;

платы дискретного ввода/вывода;

Показатели надежности УЧПУ серии "FMS".

Устройство ЧПУ серии "FMS" относятся к обслуживаемым и восстанавливаемым изделием.

Средний срок службы - не менее 7 лет.

Время наработки на отказ - 25000 часов.

2.5 Результаты поиска УЧПУ


Проведенный анализ отечественного рынка устройств числового программного управления показал, что на сегодняшний день имеются либо дорогие ЧПУ западного производства, либо отечественные, собранные по западным технологиям с сопроводительным западным программным продуктом (в стоимость изделия вкладывается так же сервисное обслуживание западных фирм). Такие изделия Российским предприятиям не по карману.

В качестве новой системы управления была выбрана система FMS3000. Устройство числового программного управления "FMS-3000" (далее УЧПУ FMS-3000) собрано на базе промышленной рабочей станции AWS-825P (далее AWS) и комплекта плат управления производства фирмы "Advantech", специально предназначенных для применения в заводских цехах и других суровых промышленных условиях для непрерывного слежения и управления работой промышленных механизмов, в т. ч. металлообрабатывающих станков. Устройство представляет собой алюминиевый каркас, который совмещает в себе все необходимые блоки управления станком.

Основные причины выбора УЧПУ серии "FMS":

невысокая стоимость системы - 113798,25 рублей;

удобство для оператора, простота интерфейса;

надежность;

не зависимость от производителя системы, т.е. любую запасную часть можно купить у других поставщиков;

К тому же данная система уже успешно используется на комбайновом заводе, и зарекомендовала себя как надежная, многофункциональная система.

3. УЧПУ "FMS-3000"


3.1 Конструктивные и эксплуатационные характеристики УЧПУ на базе WS-612


УЧПУ, собранное на базе промышленной станции управления WS-612, имеет следующие конструктивные и эксплуатационные характеристики:

прочная алюминиевая конструкция каркаса;

степень защиты передней панели управления IP65;

пленочная герметизированная клавиатура;

возможность подключения внешней клавиатуры;

-дюймовый цветной монитор с плоским экраном, низким уровнем излучения, с цифровой регулировкой параметров изображения;

внутренний источник питания мощностью 250 Вт,

вых +5В; +12В; - 5В; - 12В;

,5 дюймовый дисковод (НГМД);

встроенная система охлаждения (три вентилятора для охлаждения блока питания, монитора, задней стенки);

объединительная плата типа JUKI-745 для установки плат управления и сбора данных;

выдвижной отсек для установки плат;

напряжение питания 220В.50Гц;

потребляемая мощность не более 300 Вт;

наработка на отказ 25000 часов;

габаритные размеры 483x266x250 мм;

масса 29 кг;

Условия эксплуатации:

диапазон рабочих температур 0. +50°С;

относительная влажность 5.85% при 50°С (без конденсации);

нормы безопасности в соответствии с UL/CSA/TUV;

3.2 Технические характеристики базового программного обеспечения


Базовое программное обеспечение УЧПУ "FMS-3000" разработано в ООО "Модмаш-Софт" и имеет следующие основные характеристики:

количество управляемых координат, поддерживаемых программным обеспечением: 255;

минимальное задание и перемещение, мм (град): 0.001;

максимальное задание и перемещение, мм (град): 1016;

диапазон подач, мм/мин (град/мин): 2.9*10-39.1.7*1038;

оперативная коррекция в пределах, (%%): 2.9*10-37.1.7 * 1040;

максимальный радиус дуги окружности, мм: 1016;

минимальное время выполнения кадра управляющей программы (для Р200), сек: 0.001;

размер отрабатываемых управляющих программ: без ограничений по объему;

линейная интерполяция: по всем осям одновременно;

круговая, линейно-круговая интерполяция: в любой плоскости;

кодирование управляющих программ: стандарт ISO;

коррекция на радиус инструмента: в любой плоскости;

коррекция на длину инструмента: по любой оси;

поворот системы координат детали: в любой плоскости на любой угол;

программирование в полярных координатах;

возможность программирования циклов пользователя (добавление дополнительных G-функций);

возможность программирования и отработки процесса нарезания резьбы;

наличие системы отработки подпрограмм;

возможность отработки программы с любого кадра с автоматическим определением начальных условий (исходной точки и G-функций);

возможность отработки программы до заданного кадра;

выход в заданное положение (позиционированием или обратным ходом) с автоматическим запуском продолжения отработки программы;

зеркальная отработка программы;

отработка программы с отключением любых осей;

отработка программы с блокировкой технологии и геометрии (режим проверки);

автоматическая коррекция люфтов, погрешностей ходовых винтов, дрейфа нуля приводов, позволяющая повысить точность позиционирования и отработки;

наличие скоростной компенсации, обеспечивающее точное согласование движения координат, что повышает точность объемной обработки;

возможность подключения электронных маховиков для перемещений по заданным координатам;

многозадачная работа - возможность параллельно отрабатывать программу на станке, прорисовывать и редактировать другие, считывать или записывать файлы на дискеты;

оперативная коррекция подачи и скорости вращения шпинделя;

возможность работы в локальной вычислительной сети.

формат файловой системы УЧПУ совместим с форматом MS-DOS и WINDOWS;

графический цветной интерфейс пользователя по стандарту CUA с поддержкой манипуляторов типа "Мышь", "Трекбол";

русскоязычный интерфейс;

возможность графической 3D прорисовки управляющей программы с масштабированием и разворотом в нужной проекции;

наличие встроенного редактора для управляющих программ неограниченного размера;

встроенный язык макропрограммирования (подмножество языка BASIC) с большим количеством операторов, вычислительных, графических функций и функций ввода-вывода (*, +, - , /, sin, cos, tan, arctan, print, input, window, line, и др.);

наличие развитой системы параметров УЧПУ, параметров станка и параметров пользователя для учета любых особенностей станка, предпочтений технолога и оператора;

наличие программного осциллографа, позволяющего отследить изменения любых переменных и сигналов, имеющихся в ЧПУ в режиме реального времени;

ведение журнала работы с сохранением времени появления сообщений и ошибок;

наличие развитой встроенной справочной системы.

3.3. Необходимый набор плат


Перечень необходимых плат:

Плата процессора JUKI-745;

Плата дискретного ввода/вывода ISO-730;

Плата дискретного ввода PCL-733 (2шт.);

Плата дискретного вывода PCL-734;

Плата цифро-аналогового преобразователя А-626;

Плата интерфейса ЛИР-930;

Электрическая схема подключения УЧПУ "FMS-3000", представлена в Приложении Д.

3.3.1 Плата процессора JUKI-745

Общие сведения

Плата JUKI-745 разработана специально для применения в промышленных условиях и представляет собой плату половинного размера - процессорную плату поддерживающую процессоры PENTIUM и AMD, оснащенную VGA-портом и другими высокопроизводительными интерфейсами ввода-вывода.

Основные технические характеристики

Тип поддерживаемых процессоров: Pentium MMX до 233MHz; AMD K6 до 300MHz;

Чипсет: ALI M1531/M1543;

Шина: ISA Bus;

Интерфейс: LCD/CRT: C&T 69000 Chipset;: 1280x1024,256 цветов;

x768, 64K цветов;

x600, 16M цветов;

-Bit LCD: 1280x1024,256 цветов;

x768, 64K цветов;

Подключение Ethernet: RTL 8100B Chipset, IEEE 802.3u 100BASE-TX standard;

авточувствительный интерфейс 10Mbps или 100Mbps;

полный дуплекс;

часы/календарь реального времени: в ALI 4+ чипсете, питание от индустриальной литиевой батареи,3V/850mA;

память: поддержка до 128MB EDO RAM;

вторичный кэш: 512KB Pipelined Burst SRAM на плате;DMA/33 IDE интерфейс: поддержка до 4 PCI Enhance IDE устройств;DMA/33 IDE может обрабатывать данные со скоростью 33MB/s.disk drive интерфейс: два 2.88 MB, 1.44MB, 1.2MB, 720KB или 360KB floppy дисковода;

два высокоскоростных последовательных порта: NS16C550 совместимых UARTs;

двунаправленный параллельный порт;

возможность установки Flash Disk - DiskOnChip™;

разъем клавиатура/мышь PS/2;

потребляемая мощность:

+5V @ 5A (MMX-233,32MB EDO RAM);

+12V @ 170mA, - 12V@20mA;

диапазон рабочих температур: 0° ~ 55° C (процессор требует установки вентилятора).

Установка частоты шины и процессора

Определение частоты производится по нижеприведенному примеру в соответствии с таблицами джамперов JP1 и FREQ RATIO:

Частота CPU = CPU Clock x Multiplier

Пример: Pentium 200MHz = 66MHz CPU Clock x 3

Таблица 3.1 - таблицами джамперов JP1

Установка CPU Clock:



S2

S1

S0

CPU/SDRQAM CLK

PCI BUS CLK

11-12

9-10

1-2

 (MHZ)

 (MHZ)

OFF

OFF

OFF

66.8

33.4

OFF

OFF

ON

60

30

OFF

ON

OFF

75

27.5

OFF

ON

ON

55

27.5

ON

OFF

OFF

68.5

34.25

ON

OFF

ON

83.3

33.3

ON

ON

OFF

75

30

ON

ON

ON

83.3

41.65



Таблица 3.2 - таблицами джамперов FREQ RATIO

BF2

BF1

BF0

Multiplier

7-8

5-6

3-4


OFF

OFF

OFF

1.5x

OFF

OFF

ON

2.0x

OFF

ON

ON

2.5x

OFF

ON

OFF

3.0x

OFF

OFF

OFF

3.5x

ON

OFF

ON

4.0x

ON

ON

ON

4.5x

ON

ON

OFF

5.0x

ON

OFF

OFF

5.5x


3.3.2 Плата дискретного ввода/вывода ISO-730

Общие сведения

Плата ISO-730 имеет 32 оптоизолированных канала дискретного ввода/вывода. Входы и выходы УЧПУ приведены в приложениях Г и Д. Каждые восемь каналов содержат восемь транзисторов с общим эмиттером и встроенные диоды для защиты выходного каскада при работе на индуктивную нагрузку.

Плата легко программируется, благодаря простому соответствию между каналами и битами в портах ввода-вывода компьютера.

Плата ISO-730 устанавливается на любое плато-место в объединительной плате.

Основные технические характеристики:

оптоизолированных выходных канала;

входное напряжение от 5 до 24В;

выходная нагрузочная способность до 200 мА;

напряжение изоляции 2500 В=;

внутренние защитные диоды для индуктивной нагрузки;

скорость передачи данных до 10 кГц.

формат регистров:+0 выходы DOO - DO7+1 выходы DOS - DO15+2 выходы DO16-DO23+3 выходы DO24 - DO31 размер платы: 185x100 мм; тип выходного (внешнего) разъема: DB-37; потребляемые напряжение и ток: +5В. от 330 мА до 500 мА (макс.).

Переключатели и джемперы (перемычки)

На плате ISO-730 установлены: один функциональный переключатель базового адреса SW1 и два разъема назначение которых приведен в таблице 3.3.

Таблица 3.3 - Назначение переключателей и разъемов платы ISO-730

Обозначение

Назначение

CN1

выходной (внешний) разъем

CN2

Зажим "E. GND" (внешний общий)

SW1

Переключатель базового адреса


Состояние выходных сигналов платы ISO-730 контролируется путем записи данных в порте ввода-вывода компьютера. Плата ISO-730 занимает четыре последовательных адреса.

Переключателем SW1 устанавливается начальный базовый адрес платы. Значения базового адреса - от 20016 до 3FO16, приведено в таблице 3.4.

Таблица 3.4 - Установка базового адреса платы ISO-730

Базовый адрес (hex)

Положение движков SW1


1

2

3

4

5

6

7

8

200-203

-

+

+

+

+

+

+

+

204-207

-

+

+

+

+

+

+

-

……………









300-303 *

-

-

+

+

+

+

+

+

……………









3FO-3F7

-

-

-

-

-

-

+

+


Примечания:

"+" - включен

"-" - отключен

"*" - стандартная установка на заводе-изготовителе платы.

Подключение внешней нагрузки

Плата ISO-730 имеет 32 гальванически изолированных канала дискретного вывода, максимальная нагрузочная способность - 200 мА.

Каждые восемь изолированных выходов имеют общее соединение эмиттеров и один защитный диод для индуктивных нагрузок на каждый выход.

Соединение с внешней нагрузкой (реле) производится посредством разъема "CN1" типа DB-37, приведено на рисунке 3.1.

Рисунок 3.1 - Разъем типа DB-37 платы ISO-730

На рисунке:- изолированный дискретный выход;. GND - внешний "общий".

РСОМ - общий защитных диодов;

Если внешний источник напряжения (от 5 до 40В=) подключается к каждому выходу (IDO), и происходит бросок тока свыше 200 мА на один выход, то ток платы будет "сливаться" от внешнего напряжения.

Ток через каждый контакт "E. GND" не должен превышать 50 мА.

Если суммарный ток всех выходов одновременно превышает 150 mА, то для защиты платы необходимо подключать внешний "общий" E. GND также к зажимам CN2.

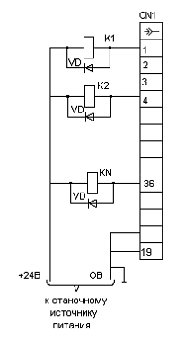
На рисунке 3.2 приведен пример схемы подключения выходной нагрузки (реле), с внешними защитными диодами VD. При использовании внутренних защитных диодов платы ISO-730 необходимо подключить "+24В" на контакты "РСОМ": CN1/5,14,28,37.

Рисунок 3.2 - Схема подключения выходной нагрузки к плате ISO-730

Формат регистров

Плата ISO-730 программируется очень просто: каждый выход соответствует определенному биту регистра платы. Для включения выхода необходимо записать "1" в соответствующий бит.

Плата имеет четыре регистра для адресации выходов. Адрес каждого регистра определяется как смещение от базового адреса платы. Например,+0 - это базовый адрес платы+2 - это базовый адрес плюс два байта. Если базовый адрес платы 30016, то адрес регистра - 30216.

Таблица 3.5 - Регистры для адресации выходов

Адреса

Запись

Чтение

BASE+0

IDO биты 0-7

Не определено

BASE+1

IDO биты 8-15

Не определено

BASE+2

IDO биты 16-23

Не определено

BASE+3

IDO биты 24-31

Не определено


3.3.3 Плата дискретного ввода PCL-733

Общие сведения

Плата PCL-733 имеет 32 оптоизолированных канала дискретного ввода. Входы УЧПУ приведены в приложении Г.

Плата легко программируется, благодаря простому соответствию между каналами

и битами в портах ввода-вывода компьютера.

Плата PCL-733 устанавливается на любое плато-место в объединительной плате.

Основные технические характеристики:

оптоизолированных входных канала;

входное напряжение от 5 до 24В=;

входное сопротивление 1000 Ом (мощность 1 Вт);

напряжение изоляции 2500 В;

скорость передачи данных до 10 кГц;

уровень прерывания: IRQ 2,3,5,7,10,11,12,15

источник прерывания: 0 и 16 каналы;

формат регистров:+0 входы DIO - DI7+1 входы DI8-DI15+2 входы0116-0123+3 входы DI24 - DI31

размер платы: 185x100 мм;

тип входного (внешнего) разъема: DB-37;

потребляемые напряжение и ток: +5В, от 320 мА до 500 мА (макс.).

Переключатели и джемперы

На плате PCL-733 установлены: один функциональный переключатель базового адреса SW1 и три джампера JP1, JP2, JP3, назначение которых - приведено в таблице 3.6.

Таблица 3.6 - Назначение переключателей платы PCL-733

Обозначение

Назначение

CN1

Входной разъем

JP1

Джампер вектора прерывания

JP2

Джампер выбора фронта прерывания для DIO

JP3

Джампер выбора фронта прерывания для DI16

SW1

Переключатель базового адреса


Переключение базового адреса

Состояние входных сигналов платы PCL-733 контролируется путем считывания данных в порте ввода-вывода компьютера. Плата PCL-733 занимает четыре последовательных адреса.

Переключателем SW1 устанавливается начальный базовый адрес платы. Значение адресов - от 200,6 до 3FO16, приведено в таблице 3.7.

Таблица 3.7 - Установка базового адреса платы PCL-733

Базовый адрес (hex)

Положение движков SW1


1

2

3

4

5

6

7

8

200-203

-

+

+

+

+

+

+

+

204-207

-

+

+

+

+

+

+

-

……………









300-303 *

-

-

+

+

+

+

+

+

……………









3FO-3F7

-

-

-

-

-

-

+

+


Примечания:

"+" - включен

"-" - отключен

"*" - стандартная установка на заводе-изготовителе платы.

Выбор вектора прерывания

Вектор прерывания для каналов "О" и "16" выбирается джампером JP1.

Рисунок 3.3 - Джамперы вектора прерываний для каналов "0" и "16”

Для того чтобы, отключить одно или оба прерывания, необходимо просто удалить одну или обе перемычки JP1.

Рисунок 3.4 - Джамперы вектора прерываний для запрета прерываний

Выбор фронта прерывания

Выбор фронта прерывания (переднего или заднего), по которому входы DIO или DI16 будут генерировать прерывания, производится перемычками в джамперах JP2 и JP3 соответственно, приведено на рисунке 3.5.

Рисунок 3.5 - Установка джамперов для выбора фронта прерывания

Подключение внешних сигналов

Плата PCL-733 имеет 32 гальванически изолированных канала дискретного ввода. Каждые 8 входов подсоединяются к внешнему "общему" проводу (EI. GND).

Соединение с внешними сигналами производится посредством разъема "CN1" типа DB-37, пример соединения приведено на рисунке 3.6.

Рисунок 3.6 - Разъем типа DB-37 платы PCL-733

На рисунке:- изолированный дискретный вход;. GND - внешний "общий";- не используется.

Рисунок 3.7 - Схема подключения внешних сигналов к плате PCL-733

Формат регистров

Плата PCL-733 программируется очень просто: каждый вход соответствует определенному биту регистров платы.

Плата имеет четыре регистра для адресации входов. Каждому регистру соответствует восемь бит (восемь входных сигналов), начиная с младшего (DIO - младший).

Адрес каждого регистра определяется как смещение от базового адреса.

Например,+0 - это базовый адрес платы+2 - это базовый адрес плюс два байта.

Если базовый адрес платы 30016, то адрес регистра - 30216.

Запись любого значения в BASE+0 или BASE+2 очищает флаг прерывания DIO или DI16, тем самым разрешая следующую генерацию прерывания.

Таблица 3.8 - Регистров для адресации

Адреса

Запись

Чтение

BASE+0

Очистка DIO INT

IDI биты 0-7

BASE+1

не определено

IDIбиты8-15

Очистка DI16 INT

IDI биты 16-23

BASE+3

не определено

IDI биты 24-31


3.3.4 Плата дискретного вывода PCL-734

Общие сведения

Плата PCL-734 имеет 32 оптоизолированных канала дискретного вывода. Выходы УЧПУ приведены в приложении Д. Каждые восемь каналов содержат восемь транзисторов с общим эмиттером и встроенные диоды для защиты выходного каскада при работе на индуктивную нагрузку.

Плата легко программируется, благодаря простому соответствию между каналами и битами в портах ввода-вывода компьютера.

Плата PCL-734 устанавливается на любое плато-место в объединительной плате.

Основные технические характеристики:

оптоизолированных выходных канала;

входное напряжение от 5 до 40В (открытый коллектор) постоянного тока;

выходная нагрузочная способность до 200 мА;

напряжение изоляции 2500 В=;

внутренние защитные диоды для индуктивной нагрузки;

скорость передачи данных до 10 кГц.

формат регистров:+0 выходы DOO - DO7+1 выходы DOS - DO15+2 выходы DO16-DO23+3 выходы DO24 - DO31

размер платы: 185x100 мм;

тип выходного (внешнего) разъема: DB-37;

потребляемые напряжение и ток: +5В. от 330 мА до 500 мА (макс.).

Переключатели и джамперы

На плате PCL-734 установлены: один функциональный переключатель базового адреса SW1 и два разъема, а назначение приведено в таблице 3.9.

Таблица 3.9 - Назначение переключателей и разъемов платы PCL-734

Обозначение

Назначение

CN1

Входной (внешний) разъем

CN2

Зажим "E. GND" (внешний общий)

SW1

Переключатель базового адреса


Переключение базового адреса:

Состояние входных сигналов платы PCL-734 контролируется путем записи данных в порте ввода-вывода компьютера. Плата PCL-734 занимает четыре последовательных адреса.

Переключателем SW1 устанавливается начальный базовый адрес платы. Значение базового адресов - от 20016 до 3FO16, см. таблицу "Установка базового адреса платы PCL-734"

Таблица 3.10 - Установка базового адреса платы PCL-734

Базовый адрес (hex)

Положение движков SW1


1

2

3

4

5

6

7

8

200-203

-

+

+

+

+

+

+

+

204-207

-

+

+

+

+

+

+

-

……………









300-303 *

-

-

+

+

+

+

+

+

……………









3FO-3F7

-

-

-

-

-

-

+

+


Примечания:

"+" - включен

"-" - отключен

"*" - стандартная установка на заводе-изготовителе платы.

Положение переключателя SW1 и джамперов платы PCL-734, установленные заводом-изготовителем (или организацией, выполнявшей установку УЧПУ "FMS-3000") на каждый конкретный станок приведены в "Инструкции по установке параметров". Категорически запрещено изменять данную установку при эксплуатации станка!

Подключение внешних сигналов

Плата ISO-730 имеет 32 гальванически изолированных канала дискретного вывода, максимальная нагрузочная способность - 200 мА.

Каждые восемь изолированных выходов имеют общее соединение эмиттеров и один защитный диод для индуктивных нагрузок на каждый выход.

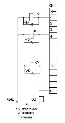
Соединение с внешней нагрузкой (реле) производится посредством разъема "CN1" типа DB-37, пример соединения приведен на рисунке 3.8.

Рисунок 3.8 - Разъем типа DB-37 платы ISO-730

На рисунке:- изолированный дискретный выход;. GND - внешний "общий".

РСОМ - общий защитных диодов;

Если внешний источник напряжения (от 5 до 40В=) подключается к каждому выходу (IDO), и происходит бросок тока свыше 200 мА на один выход, то ток платы будет "сливаться" от внешнего напряжения.

Ток через каждый контакт "E. GND" не должен превышать 50 мА.

Если суммарный ток всех выходов одновременно превышает 150 mА, то для защиты платы необходимо подключать внешний "общий" E. GND также к зажимам CN2.

На рисунке 3.9 приведен пример схемы подключения выходной нагрузки (реле), с внешними защитными диодами VD. При использовании внутренних защитных диодов платы ISO-730 необходимо подключить "+24В" на контакты "РСОМ": CN1/5,14,28,37.

Рисунок 3.9 - Схема подключения выходной нагрузки к плате ISO-730

Формат регистров:

Плата ISO-730 программируется очень просто: каждый выход соответствует определенному биту регистра платы. Для включения выхода необходимо записать "1" в соответствующий бит.

Плата имеет четыре регистра для адресации выходов. Адрес каждого регистра определяется как смещение от базового адреса платы. Например,+0 - это базовый адрес платы+2 - это базовый адрес плюс два байта. Если базовый адрес платы 30016, то адрес регистра - 30216.

Таблица 3.11 - Регистры для адресации выходов

Адреса

Запись

Чтение

BASE+0

IDO биты 0-7

Не определено

BASE+1

IDO биты 8-15

Не определено

BASE+2

IDO биты 16-23

Не определено

BASE+3

IDO биты 24-31

Не определено


3.3.5 Плата цифро-аналогового преобразователя А-626

Общие сведения

Плата А-626 имеет 6 каналов аналогового вывода с 12 разрядным разрешением и цифро-аналоговым преобразователем двойной буферизации. Выходное напряжение: 0-5V,0-10V,±5V, ±10V. Ток 4-20 mA. Кроме этого, плата имеет 16 TTL совместимых дискретных входов и 16 TTL совместимых дискретных выходов.

Расположение элементов представлено в Приложении А.

Переключатели и внешние сигналы

Адрес платы устанавливается движковым переключателем S1 в соответствии с таблицей 3.12.

Таблица 3.12 - Адреса платы

Адрес

А8

А7

А6

А5

А4

200-20F

ON

ON

ON

ON

ON

210-21F

ON

ON

ON

ON

OFF

220-22F

ON

ON

ON

OFF

ON

:






2C0-2CF

ON

OFF

OFF

ON

ON

2D0-2DF

ON

OFF

OFF

ON

OFF

:






3F0-3FF

OFF

OFF

OFF

OFF

OFF


Для каждого цифро-аналогового канала может быть отдельно выбран источник опорного напряжения (внешний, внутренний - 10V или внутренний - 5V) и вид аналогового сигнала (одно - или двух полярный). Назначение перемычек приведены в таблице 3.13.

Таблица 3.13 - Назначение перемычек

Номер канала

Перемычки для выбора сигнала

Перемычки для выбора опорного напряжения

0

JP1 и JP8

JP7

1

JP2 и JP10

JP9

2

JP3 и JP12

JP11

3

JP4 и JP13

JP18

4

JP5 и JP14

JP17

5

JP6 и JP15

JP16


Назначение сигналов 37-ми контактного разъема приведено на рисунке 3.10.

Рисунок 3.10 - Назначения сигналов 37-ми контактного разъема CN

3.3.6 Плата интерфейса ЛИР-930

Общие сведения

Плата интерфейса ЛИР-930 предназначены для эксплуатации в компьютерных системах, и являются стандартными платами расширения локальной шины ISA 8/16. Назначение плат - обработка сигналов инкрементных преобразователей перемещения, результатом которой является информация о положении контролируемого объекта, и передача результата обработки в память компьютера. Последующее хранение информации, ее анализ и сервисное обслуживание может быть осуществлено прикладной программой. Платы интерфейса могут применяться в измерительных системах и системах управления, построенных на базе персонального компьютера.

Функциональные возможности:

обработка сигналов от 1 до 3 инкрементных преобразователей перемещений;

выдача информации о текущем положении контролируемого объекта по запросу компьютера;

работа каждого канала интерфейса осуществляется в различных режимах:

Режим 1 - режим без обработки сигнала референтной метки инкрементного преобразователя перемещений и без обработки внешнего сигнала;

Режим 2 - режим с запоминанием положения контролируемого объекта в момент прихода сигнала референтной метки и без обработки внешнего сигнала;

Режим 3 - режим с запоминанием положения контролируемого объекта в момент прихода внешнего сигнала и без обработки сигнала референтной метки.

Переключение режимов происходит программно.

Технические характеристики и принцип действия

Таблица 3.14 - Технические характеристики ЛИР-930

Наименование

Значение

1

Число подключаемых растровых преобразователей перемещения

3

2

Требуемое количество адресов в адресном пространстве ввода/вывода компьютера

10

3

Разрядность аппаратного счетчика приращений

24

4

Уровни сигналов инкрементного датчика (А, А, В, В,RI,RI)

ТТЛ

5

Уровень внешнего сигнала записи

ТТЛ

6

Входная частота сигналов инкрементного датчика (А, А, В, В,RI,RI)

0ч25 МГц

7

Минимальная длительность внешнего сигнала записи

20 Нс.

8

Максимальный интервал времени между поступлением внешнего сигнала записи и фиксацией значения счетчика в регистрах данных

Не более 30 Нс.

9

Изменение диапазона адресов ввода/вывода в пределах

200 (h) ч300 (h)


Принцип действия:

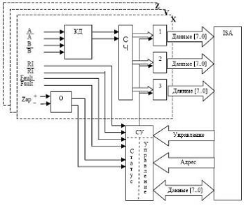
Плата интерфейса поддерживает от 1 до 3 независимых каналов X,Y,Z (рисунок 3.9 - Структурная схема платы интерфейса ЛИР-930). Каждый канал может обрабатывать сигналы одного инкрементного преобразователя перемещения (А, В,RI,Fault) и дополнительный внешний сигнал (Zap). Канал состоит из квадратурного декодера (КД), реверсивного 24 разрядного счетчика приращений (СЧ), трех 8 разрядных регистров данных (1.3) и приемника внешних сигналов, в качестве которого, для обеспечения гальванической развязки, применяется оптрон (О). На плате так же расположена схема управления (СУ), с помощью которой осуществляется контроль и управление интерфейсом. Схема управления обеспечивает переключение режимов работы каналов, обработку сигналов референтных меток (RI,RI), сигналов ошибки датчика (Fault) и внешних сигналов (Zap), содержит дешифратор сигналов адреса шины, программируемый регистр управления и регистр статуса.

Поступая с инкрементного преобразователя перемещения, сигналы A,A,B,B декодируются квадратурным детектором (КД) и поступают на входы счетчика (СЧ). Таким образом, счетчик содержит информацию о положении контролируемого объекта. Эта информация фиксируется в регистрах данных 1.3 и через порты ввода/вывода может быть загружена в память компьютера. Загрузку данных инициирует прикладная программа, которая обращается к соответствующим портам ввода/вывода по заранее определенным адресам.

Каждый канал интерфейса может иметь несколько режимов работы. Режим №1 - без обработки сигнала референтной метки инкрементного преобразователя перемещения и без обработки внешнего сигнала. В этом режиме происходит выдача информации о текущем положении контролируемого объекта по запросу компьютера. При этом содержимое счетчиков каждого канала фиксируется в регистрах данных одновременно, на протяжении первых 30 нс. операции обращения к порту №1 платы. Поэтому цикл чтения данных должен начинаться с этого порта. Периодически повторяя цикл, можно иметь массив данных о положении контролируемого объекта для каждого канала. Этот режим устанавливается после включения питания.

Режим №2 - с запоминанием положения контролируемого объекта в момент прихода сигнала референтной метки и без обработки внешнего сигнала. Канал в этом режиме работает также как в режиме №1 до прихода сигнала референтной метки. Появление сигнала референтной метки производит перезапись текущего значения счетчика в регистры данных соответствующего канала и блокирует их дальнейшую перезапись. При этом в регистре статуса выставляется флаг. Блокировка действует пока флаг не будет программно сброшен, посредством выдачи в порт №10 соответствующего кода. После сброса флага схема вновь готова к захвату сигнала референтной метки, а канал, до момента захвата, вновь работает как в режиме №1.

Режим № 3 - режим с запоминанием положения контролируемого объекта в момент прихода внешнего сигнала и без обработки сигнала референтной метки - отличается от режима № 2 только тем, что вместо сигнала референтной метки, схема канала обрабатывает внешний сигнал. При этом перезапись регистров данных происходит по переднему фронту сигнала. Входная цепь внешнего сигнала рассчитана на работу с уровнями ТТЛ, поэтому для подключения сигналов с другими уровнями необходимо наличие дополнительных ограничивающих резисторов. Важно помнить о том, что внешний сигнал гальванически развязан от источника питания платы. Для достижения этой цели применяется оптрон.

При использовании режимов №2 и №3 следует учитывать, что сигнал референтной метки (или внешний сигнал соответственно) может вызвать перезапись данных во время цикла приема. Это обстоятельство приведет к чтению ложных данных. Следовательно, после каждого чтения необходимо проверять наличие блокировки, вызванной сигналом референтной метки (или внешним сигналом). Если блокировка канала произошла, необходимо повторить прием данных. При этом полученное значение будет являться координатой референтной метки (внешнего сигнала). После этого необходимо снять блокировку.

Рисунок 3.11 - Структурная схема платы интерфейса ЛИР-930

3.4 Описание языка электроавтоматики


3.4.1 Назначение

Язык электроавтоматики (ЭА) системы ЧПУ FMS-3000 предназначен для разработки программного модуля привязки электрооборудования станка к системе.

Программа электроавтоматики выполняется параллельно с программным модулем системы. Целью работы программы электроавтоматики является управление оборудованием станка и согласование его работы с работой программного обеспечения системы ЧПУ. (Программа электроавтоматики представлена в Приложении И).

3.4.2 Структура программы

В общем случае программа ЭА состоит из трех частей, которые объединены в одном файле.

Первая часть называется заголовком (TITLE) и является общей для двух других, которые называются быстрой (HIFREQ) и медленной (LOFREQ) секциями программы и содержат исполняемую часть программы.

В заголовке указываются значения переменных (таймеров, входов, выходов, промежуточных и обменных ячеек, текстовых сообщений и др.), которые будут использоваться в исполняемой части программы, а также псевдонимы (символические имена) переменных.

Быстрая и медленная секции предназначены для описания исполняемого кода и отличаются только частотой запуска. Частота запуска секции задается параметрами и определяется разработчиком программы ЭА исходя из требований к работе электрооборудования.

Необходимо помнить, что неоправданное увеличение быстрой секции приводит к замедлению работы системы, поэтому в нее следует помещать только те уравнения, которые нуждаются в быстрой обработке.

Принцип работы секции состоит в следующем - при прохождении заданного интервала времени полностью выполняется заданный код по порядку записи с начала и до конца, причем время выполнения одного цикла обсчета всегда меньше этого интервала. Порядок записи секций произвольный. Секция состоит из уравнений и комментариев. Уравнения отделяются друг от друга символом ":". Уравнения могут располагаться на нескольких строках, а также в одной строке несколько уравнений. Допускается также в строки с уравнениями для наглядности включать произвольное количество пробелов и табуляций. При этом нужно иметь в виду, что не допускается установка пробелов и табуляций в середине имен переменных (например, между символом переменной и ее номером, или между номером байта и номером бита, и т.д.).

3.4.3 Элементы языка

Элементами языка являются:

директивы;

переменные ("I" - вход, "U" - выход, "M" - промежуточная ячейка памяти, "V" - обменная ячейка, "T" - таймер, "C" - счетчик, "S" - сообщение, "D" - статическая память, "P" - системные параметры пользователя);

функциональные инструкции;

числовые константы;

логические операторы;

арифметические операторы;

команды;

метки;

комментарии.

Директивы

Директивы - это указания для транслятора программы электроавтоматики, и они не являются частью исполняемого кода. Появление директивы в тексте программы отменяет действие предыдущей. Существуют следующие директивы: TITLE, HIFREQ, LOFREQ и END.

Директива заголовка "TITLE" сообщает транслятору о начале заголовка. Информация, записанная в заголовке, не включается в исполняемый код. В заголовке программы должны быть указаны:

все таймеры, которые используются в программе, и их начальные значения;

все счетчики, которые используются в программе и их предельные значения;

начальные значения выходных, промежуточных и обменных сигналов;

номера и текстовые значения сообщений, которые используются в программе;

произвольно назначаемые псевдонимы переменных, которые могут затем использоваться для замены этих переменных в уравнениях.

Под начальными значениями сигналов понимается их состояние при включении устройства ЧПУ. Если начальное значение переменной не указано, то оно принимается равным нулю.

До тех пор, пока не встретится директива "TITLE”, никакой текст транслятором не воспринимается.

Директива быстрой секции "HIFREQ” сообщает транслятору о том, что код программы, приведенный ниже, следует разместить в быстрой (высокочастотной секции).

Директива медленной секции "LOFREQ” сообщает транслятору о том, что код программы, приведенный ниже, следует разместить в медленной (низкочастотной секции).

Директива конца программы "END" сообщает транслятору о конце программы. Весь текст, который записан ниже, игнорируется транслятором.

Уравнения

Исполняемая часть программы (быстрая и медленная секции) состоит из уравнений. Уравнение состоит из правой и левой части и заканчивается символом ":". В левой части указывается переменная (битовая, байтовая или словная), значение которой вычисляется в правой части. Левая и правая часть уравнения разделяются символом "=”.

Переменные

Переменные программы ЭА могут быть 4 типов - бит, байт, слово и двойное слово.

Переменные делятся на несколько групп:

входные сигналы (обозначаются символом "I”);

выходные сигналы (обозначаются символом "U”);

промежуточные ячейки динамической памяти (обозначаются символом "M”);

промежуточные ячейки статической памяти (обозначаются символом "D”);

обменные ячейки памяти (обозначаются символом "V”);

таймеры (обозначаются символом "Т”, "TR”, "TS”);

счетчики (обозначаются символом "C”);

системные параметры пользователя (обозначаются символом "P”);

сообщения (обозначаются символом "S”).

Каждая группа переменных располагается в памяти ЧПУ в виде последовательности байт. Объем памяти, выделяемый под каждую группу, определяется автоматически в процессе трансляции программы. Фиксированный объем памяти занимают только обменные ячейки.

Порядковый номер переменной, которым является номер байта относительно начала указанной области памяти, определяется числом, следующим за символом переменной. Нумерация начинается с 1. Тип переменной указывается после символа".", который должен быть записан после номера переменной. Числам от 1 до 8 соответствует номер бита в байте, номер которого указан до точки. Таким образом определяется битовая переменная. Символ "B" определяет переменную типа байт, символ "W" - слово (2 байта), символ "D" - двойное слово (4 байта).

В переменной "S" после точки указывается цвет выводимого сообщения.

После переменной "Т" указывается тип таймера: "TS” - таймер с задержкой на установку, "TR” - таймер с задержкой на сброс. После переменной "С" может указываться только символ "I" - прибавляющий вход счетчика или символ "D" - вычитающий вход.

Константы

В правой части уравнения допускается использовать числовые константы. Константы могут задаваться в десятичной (по умолчанию), шестнадцатеричной (с использованием символа "$”) и восьмеричной (с использованием символа "O”) системах исчисления.

Операторы

В правой части уравнения для вычисления результата используются операторы. К операторам относятся следующие символы:

"+" - логическое (операция ИЛИ) или арифметическое сложение;

"-" - логическое отрицание (операция НЕ) или арифметическое вычитание;

"*" - логическое (операция И) или арифметическое умножение;

"/" - арифметическое деление;

">" - больше;

"<" - меньше;

"=" - равно;

" (",”) ” - круглые скобки, изменение приоритета логических операций;

" [",”] ” - квадратные скобки, признак арифметических операций и изменение приоритета операций.

Логические операции

Логические операции выполняются над переменными и числовыми константами, которые указаны в правой части уравнения.

Приоритеты операций (в порядке понижения) следующие:

логическое отрицание (операция НЕ)"-";

логическое умножение (операция И)"*”;

логическое сложение (операции ИЛИ)"+”.

Последовательность вычислений определяется в порядке приоритета операций, то есть первой будет выполняться операция с высшим приоритетом.

Арифметические операции

Арифметические операции выполняются над переменными и числовыми константами, которые указаны в правой части уравнения. Признаком арифметических операций являются квадратные скобки.

Приоритеты операций (в порядке понижения) следующие:

унарный минус;

умножение и деление "*”, "/”;

сложение и вычитание "+”, "-”.

Последовательность вычислений определяется в порядке приоритета операций, то есть первой будет выполняться операция с высшим приоритетом.

Команды

В программе допускается использование команд условного и безусловного переходов. Для этого используется понятие меток. Метки обозначаются символом "L" с номером. Если метка стоит в левой части уравнения, то это уравнение описывает условный переход, который происходит, если правая часть уравнения не равна нулю. Строка, на которую может быть выполнен переход, начинается с соответствующей метки, после которой идет точка. Если задается безусловный переход, то уравнение будет состоять только из левой части с меткой, после чего идет конец уравнения ":". При использовании команд условных и безусловных переходов нужно учитывать следующие правила:

нумерация меток производится независимо для каждой секции, поэтому одинаковые номера в разных секциях не пересекаются;

условный и безусловный переходы могут быть выполнены только вниз по тексту программы;

переход допускается только внутри секции, переход в другую секцию запрещен.

Промежуточные ячейки динамической памяти

Промежуточные ячейки динамической памяти предназначены для хранения в них промежуточных результатов работы программы электроавтоматики. Обращение к ним осуществляется через символ "M”. Адресация аналогична переменным входных и выходных сигналов. Динамическая память доступна как для чтения, так и для записи. Распределение этих ячеек по назначению произвольное и определяется разработчиком программы электроавтоматики.

При выключении устройства ЧПУ информация в них теряется, при включении эти ячейки обнуляются.

Промежуточные ячейки статической памяти

Свойства промежуточных ячеек статической памяти аналогичны динамической памяти за исключением того, что информация в них сохраняется при выключении устройства ЧПУ и восстанавливается при его включении. Обращение к ним осуществляется через символ "D”. Кроме того, статическая память доступна для редактирования в соответствующих режимах устройства ЧПУ. Поэтому она может использоваться для сохранения текущего состояния станка перед его выключением и для установки этого состояния в режиме редактирования. К текущему состоянию станка можно отнести номер инструмента в шпинделе, соответствие номеров инструмента и номеров гнезд в магазине инструментов и т.д. Описание назначения статической памяти должно быть указано в документации на конкретный станок.

Системные параметры пользователя

Системные параметры пользователя обозначаются символом "P”. Использование параметров допускается только в правой части уравнения (только для чтения). Данные параметры устанавливаются в системе параметров и им соответствуют параметры N8501-N8516. Назначение этих параметров произвольное и определяется разработчиком электроавтоматики. Описание назначения должно быть указано в документации на конкретный станок.

Обменные ячейки

Обменные ячейки (сигналы) служат для согласования работы CNC-модуля, интерфейса оператора и программы электроавтоматики. Взаимодействие модулей можно представлено на рисунке 3.12.

Рисунок 3.12 - Взаимодействие модулей

Таймеры

В программе могут использоваться таймеры. Таймер может использоваться как в левой, так и в правой части уравнения. Символ "T" с номером используется для задания установки времени последующего срабатывания этого таймера в программе электроавтоматики. Поэтому символ "T" с номером может использоваться только в правой части уравнения. Время задается в единицах системного параметра "N”. Существуют два варианта использования такого таймера в программе электроавтоматики.

Первый вид таймера задается символами "TS” с номером и может использоваться как в левой, так и в правой частях уравнения. При этом таймер, стоящий в левой части уравнения, указывает на формирование "входного сигнала" этого таймера, а таймер, стоящий в правой части уравнения, указывает на использование "выходного сигнала" таймера.

Принцип работы такого таймера заключается в следующем:

до тех пор пока на входе есть не нулевой сигнал, таймер производит подсчет времени. При достижении заданного значения (указанного в заголовке программы через символ "T" с номером) включается выходной сигнал таймера. Если в процессе счета на входе таймера сигнал станет равным нулю, то выходной сигнал таймера сбрасывается и счет начинается сначала.

Второй вид таймера задается символами "TR” с номером и может использоваться как в левой, так и в правой частях уравнения. При этом таймер, стоящий в левой части уравнения, указывает на формирование входного сигнала этого таймера, а таймер, стоящий в правой части уравнения, указывает на использование выходного сигнала таймера.

Принцип работы такого таймера заключается в следующем:

выходной сигнал таймера устанавливается сразу же, как только появляется входной сигнал.

при сбросе входного сигнала таймер производит подсчет времени и сохраняет установленное состояние выходного сигнала. При достижении заданного значения (указанного в заголовке программы через символ "T" с номером) выключается выходной сигнал таймера.

Счетчики

Счетчик производит подсчет импульсов (по переднему фронту). При превышении заданного значения (указанного в заголовке программы) счетчик обнуляется. При вычитании, при достижении - 1, счетчик устанавливается в заданное значение (указанное в заголовке программы).

Допускается изменять значение счетчика в процессе выполнения программы прямым присвоением.

Функции

Для упрощения программирования некоторых часто встречающихся задач служат функции. Они представляют собой макрокоманды, заменяющие последовательность нескольких действий на одно уравнение или выражение.

Преобразование "код - код" F1.

Для приведения в соответствие значений двух таблиц предназначена функция F1. Общий вид задания функции следующий:

=F1 (B; C1: C2: C3:.: Cn; D1: D2: D3:.: Dn: D (n+1)):

Здесь B - переменная или константа, значение которой нужно найти в первой таблице C1. Cn;. Cn - первая таблица переменных или констант, со значениями которой сравнивается значение B;. Dn - вторая таблица переменных или констант, из которой выбирается соответствующее значение по принципу:

если значение B равно C1, выбирается значение D1;

если значение B равно C2, выбирается значение D2 и т.д.;(n+1) - значение, которое выбирается, если в таблице C1. Cn нет значений, равных значению B;- адрес переменной, в которую пересылается выбранное из таблицы D1. D (n+1) значение.

Преобразование "бит - код" F2.

Для приведения в соответствие таблицы состояния битовых сигналов и таблицы значений переменных или констант предназначена функция F2. Общий вид задания функции следующий:

=F2 (C1: C2: C3:.: Cn; D1: D2: D3:.: Dn: D (n+1)):

Здесь C1. Cn - таблица адресов битовых сигналов, единичное состояние которых проверяется;. Dn - таблица переменных или констант, из которой выбирается соответствующее значение по принципу:

если значение битовой переменной C1 равно единице, выбирается значение D1;

если значение битовой переменной C2 равно единице, выбирается значение D2 и т.д.;(n+1) - значение, которое выбирается, если в таблице C1. Cn нет значений, равных единице;- адрес переменной, в которую пересылается выбранное из таблицы D1. D (n+1) значение.

Преобразование "код - бит" F3.

Для установки в единичное состояние битовых сигналов в соответствии со значениями таблицы предназначена функция F3. Общий вид задания функции следующий:(B; C1: C2: C3:.: Cn; D1: D2: D3:.: Dn: D (n+1)):

Здесь B - переменная или константа, значение которой нужно найти в первой таблице C1. Cn;. Cn - первая таблица переменных или констант, со значениями которой сравнивается значение B;. Dn - вторая таблица битовых переменных, в которых нужно установить единичное состояние по принципу:

если значение B равно C1, переменная D1 устанавливается в единичное состояние;

если значение B равно C2, переменная D2 устанавливается в единичное состояние и т.д.;(n+1) - переменная, которая устанавливается в единичное состояние, если в таблице C1. Cn нет значений, равных значению B.

Преобразование "двоично-десятичный код-двоичный код”F4.

Для преобразования значений переменных или констант из двоично-десятичного кода в двоичный предназначена функция F4. Общий вид задания функции следующий:=F4 (B):

Здесь B - переменная или константа, двоично-десятичное значение которой нужно преобразовать в двоичное;- адрес переменной, в которую пересылается преобразованное значение.

Преобразование "двоичный код-двоично-десятичный код F5.

Для преобразования значений переменных или констант из двоичного кода в двоично-десятичный предназначена функция F5. Общий вид задания функции следующий:=F5 (B):

Здесь B - переменная или константа, двоичное значение которой нужно преобразовать в двоично-десятичное;- адрес переменной, в которую пересылается преобразованное значение.

4. Основная часть


4.1 Управление работой смазкой


Описание

Чтобы избежать повреждения направляющих координат станок необходимо в первую очередь обеспечить правильной смазкой до включения движения узлов. К входам УЧПУ подключены кнопка принудительного включения смазки и контроль движения штока питателя смазки, а выход УЧПУ управляет включением электромагнита золотника смазки. Золотник смазки должен включаться при включении УЧПУ, после нажатия кнопки принудительной смазки и периодически через заданное время.

Для обеспечения работы смазки, необходимо использовать входные и выходные сигналы и таймеры.

Схема подключения входных сигналов приведено в Приложении В.

Схема подключения выходных сигналов приведено в Приложении Г.

Таблица 4.1 - Сводная таблица входных, выходных сигналов и таймеров для обеспечения работы смазки.

Входы

Выходы

Таймеры

SMAZ I22.4

DVSMAZ U2.6

TS31

YSMAZ I3.4

CNUP U2.7

TS30


CNDN U2.8

TS32



TS40


Программа управления работой смазки

, СМАЗКА НАПРАВЛЯЮЩИХ= (TS30+DVSMAZ*-PAMKON+-BLOKL*gidr) *-TS31+ (CNUP+CNDN) *TS32+SMAZ:=DVSMAZ:=-DVSMAZ:=-DVSMAZ:= (CNUP+CNDN) *TS32+SMAZ:=DVSMAZ: L6130=-TS40+YSMAZ: S71.15=1: NSMAZ=1:.

4.2 Ограничение перемещений


Описание

Для ограничения перемещений трех осей служат конечные выключатели. При наезде на конечный выключатель происходит остановка движения.

Для обеспечения ограничения перемещения, необходимы входные сигналы.

Схема подключения входных сигналов приведено в Приложении В.

Таблица 4.2 - Таблица входных сигналов для обеспечения работы ограничения перемещений.

Входы

KONPLX I 4.1

KONMNX I 4.2

KONPLY I 4.3

KONMNY I 4.4

KONPLZ I 4.5

KONMNZ I 4.6


Программа управления ограничением перемещений

ОГРАНИЧЕНИЕ ПЕРЕМЕЩЕНИЙ=KONPLX: OGRPLY=KONPLY: OGRPLZ=KONPLZ:=KONMNX+-KONPLX: OGRMNY=KONMNY+-KONPLY:=KONMNZ+-KONPLZ:

4.3 Перемещения в ручном режиме


Описание

Для перемещения трех осей в ручном режиме есть два способа управления - подрежим импульсных перемещений, подрежим работы от маховика и подрежим.

Для обеспечения импульсного перемещения следует установить подрежим "импульсных перемещений". Выбор оси происходит переключателем осей для ручных перемещений. Выбор величины импульса осуществляется переключателем величины импульса.

Для обеспечения перемещения от маховика следует установить подрежим работы от маховика. Выбор оси происходит переключателем осей для ручных перемещений. Выбор дискретности осуществляется переключателем величины импульса.

Для обеспечения перемещений в ручном режиме, необходимы входные выходные сигналы.

Схема подключения входных сигналов приведено в Приложении В.

Схема подключения выходных сигналов приведено в Приложении Г.

Таблица 4.3 - Таблица входных и выходных сигналов для обеспечения перемещения в ручном режиме.

Входы

Выходы

IMP1 I21.7

LIMP1 U21.7

IMP2 I22.7

LIMP2 U22.7

IMP3 I23.7

LIMP3 U23.7

KIMP I24.8

LIMP U24.8

FEED1 I21.8

LFEED1 U21.8

FEED2 I22.8

LFEED2 U22.8

FEED3 I23.8

LFEED3 U23.8

KMAH I24.7

LMAH U24.7

XPLUS I25.1

LXPL U25.1

XMINUS I25.3

LXMN U25.3

YPLUS I26.1

LYPL U26.1

YMINUS I24.3

LYMN U24.3

ZPLUS I24.2

LZPL U24.2

ZMINUS I26.2

LZMN U26.2


Программа перемещений в ручном режиме

,.... РУЧНОЙ РЕЖИМ

, ПОДАЧИ И ИМПУЛЬСНЫЕ ПЕРЕМЕЩЕНИЯ

, ВЕЛИЧИНА ИМПУЛЬСА=0:= (IMP1+LIMP1) *-IMP2*-IMP3:= (IMP2+LIMP2) *-IMP1*-IMP3:= (IMP3+LIMP3) *-IMP2*-IMP1:=F2 (LIMP1: LIMP2: LIMP3; 1: 10: 100:

):=F2 (LIMP1: LIMP2: LIMP3; 0: 1: 2: 0):= (FEED1+LFEED1) *-FEED2*-FEED3:= (FEED2+LFEED2) *-FEED1*-FEED3:= (FEED3+LFEED3) *-FEED1*-FEED2:= (KMAH*-PMAH+LMAH) * (-KMAH+PMAH+-LMAH):=LMAH:=F2 (LFEED1: LFEED2: LFEED3; P2. W: P3. W: P4. W: P2. W):=-BX: PROMW=P8. W:. PROMW= [PROMW*F%/100]: L899=-NONULX+ (PROMW<4000): FX=4000: L887:. FX=PROMW:. L886=-NONULY+ (PROMW<4000): FY=4000: L885:. FY=PROMW:. L884=-NONULZ+ (PROMW<4000): FZ=4000: L883:. FZ=PROMW:. LIMP= (KIMP*-PMIMP+LIMP) * (-KIMP+PMIMP+-LIMP): PMIMP=KIMP:=LIMP*-inzero*-MAH:=-MAH: L255=-KMAH: LXPL=0:=0: LZPL=0:. LXPL= (XPLUS+XMINUS+LXPL) *-YPLUS*-YMINUS*-ZPLUS*-ZMINUS:=LXPL:= (YPLUS+YMINUS+LYPL) *-XPLUS*-XMINUS*-ZPLUS*-ZMINUS:=LYPL:= (ZPLUS+ZMINUS+LZPL) *-YPLUS*-YMINUS*-XPLUS*-XMINUS:=LZPL:=LXPL: MAH2=LYPL: MAH3=LZPL: L256:. prom2=-stopout*-upstop:=-INZERO*PMZR+INZERO*-PMZR+-prom2+IMP:=PROM1+XPLUS*PAMMNX+XMINUS*PAMPLX:=PAMDVX:. PAMDVX=0: PAMPLX=XPLUS*prom2: PAMMNX=XMINUS*prom2:= (PAMPLX+PAMMNX) * (PUSKout+uppusk+INZERO) +PAMDVX:. MOVPLX=PAMPLX: MOVMNX=PAMMNX: LXPL=MOVPLX: LXMN=MOVMNX:=PROM1+YPLUS*PAMMNY+YMINUS*PAMPLY:=PAMDVY:. PAMDVY=0: PAMPLY=YPLUS*prom2: PAMMNY=YMINUS*prom2:= (PAMPLY+PAMMNY) * (puskout+uppusk+INZERO) +:. MOVPLY=PAMPLY: MOVMNY=PAMMNY: LYPL=MOVPLY: LYMN=MOVMNY:=PROM1+ZPLUS*PAMMNZ+ZMINUS*PAMPLZ:=PAMDVZ:. PAMDVZ=0: PAMPLZ=ZPLUS*prom2: PAMMNZ=ZMINUS*prom2:= (PAMPLZ+PAMMNZ) * (PUSKout+uppusk+INZERO) +:. MOVPLZ=PAMPLZ: MOVMNZ=PAMMNZ: LZPL=MOVPLZ: LZMN=MOVMNZ:. PMZR=INZERO: PMAH=KMAH:=STOPSP+-CW*-CCW:=CCW:

4.4 Зажима и отжим инструмента


Описание

Зажим инструмента происходит после включения Электромагнитного золотника зажима. Отжим инструмента происходит после включения электромагнита золотника отжима. Отжим и зажим запрещен при включенном приводе шпинделя или если программа отрабатывается.

Для обеспечения работы зажима и разжима инструмента, необходимы входные и выходные сигналы и таймеры.

Схема подключения входных сигналов приведено в Приложении В.

Схема подключения выходных сигналов приведено в Приложении Г.

Таблица 4.7 - Сводная таблица входных, выходных сигналов и таймеров для обеспечения зажима и разжима инструмента.

Входы

Выходы

Таймеры

RAZT I6.1

COTGIM U4.5

TS21

YRAZGT I6.3

LSTOPSP U23.2

TS33

YZAGT I6.2



STANOK I1.1




Программа управления зажима и разжима инструмента

ОТЖИМ-ЗАЖИМ ИНСТРУМЕНТА=HAND*RAZT*-PAMRAZ+COTGIM:=-PROM1: PROM1=LSTOPSP: L751=PROM1: S31.15=1:. COTGIM=PROM1* (-HAND+RAZT+-PAMRAZ):=RAZT:=COTGIM* (-YRAZGT+YZAGT): L717=-TS21: L718=SS7: SS7=1:.15=1: L718:. SS7=0: TS33=-COTGIM*-YZAGT*stanok: L719=-TS33: L718=SS8:=1: S44.15=1: L718:. SS8=0:.

4.5 Управление ответом по S и М-функциям


Описание

Как правило, по появлению S - функции в исполняемом кадре или при коррекции нужно только принять к сведению факт изменения кода S, а реальное переключение скорости шпинделя происходит только когда он включен. Для того, чтобы не происходило задержек при выполнении программы, ответ по S следует давать немедленно по появлению сигнала "можно читать код S". Ответ S выдается при каждом появлении сигнала "можно читать код S" и удерживается до тех пор, пока CNC-модуль не зафиксирует и не сбросит этот сигнал.

Для обеспечения работы управления ответом по S и М-функциям, необходимы входные и выходные сигналы.

Схема подключения входных сигналов приведено в Приложении В.

Схема подключения выходных сигналов приведено в Приложении Г.

Таблица 4.9 - Таблица выходных сигналов для обеспечения управление ответом по S и М-функциям.

Входы

Выходы

YSOG I3.5

LSTOPSP U23.2

GIDR I1.2



Программа управления ответом мо S и М-функциям

ВЫДАЧА ОТВЕТОВ ПО М-ФУНКЦИЯМ=LSTOPSP*-YSOG:=OTVM+ (M3+M4) *PROM2+

(M13+M14) *PROM2*YSOG+*PROM1+M8*YSOG+M9*-YSOG+*PROM1+M2* (PREDN+PROM1) +*-MM*-STOP2:

, СБРОС М-ФУНКЦИЙ=-OTVM*GIDR* (STOPEA=0) * (STOPEA2=0):=M3*PROM1: M4=M4*PROM1: M5=M5*PROM1:=M13*PROM1: M14=M14*PROM1:=M8*PROM1: M9=M9*PROM1: M0=M0*PROM1: M2=M2*PROM1:=M6*PROM1: M50=M50*PROM1:

ВЫДАЧА ОТВЕТА ПО S=OTVS+DSTROBS* (LSTOPSP+PROM2):=DSTROBS*-OTVS*GIDR* (STOPEA=0) * (STOPEA2=0):=0: STROBM=0: BLOKL=BLOKL+GIDR: STROBT=0:

4.6 Управление работой шпинделя


Описание

Частота и направление вращения двигателя управляются аналоговым выходом, между двигателем и шпинделем имеется коробка скоростей на два положения, управляемая выходными сигналами и контролируемая входными сигналами.

Выдача кода в ЦАП шпинделя происходит в трех случаях по трем формулам:

медленное вращение шпинделя при переключении коробки скоростей (ползучая скорость), нормальная работа шпинделя, ориентация шпинделя.

Для изменения направления вращения шпинделя достаточно изменить знак числа, выдаваемого в ЦАП.

"Ползучая" скорость для переключения коробки скоростей должна включаться при включении шпинделя или при начале расцепления кинематики. "Ползучая" скорость должна выключаться при завершении смены диапазона шпинделя или при стопе шпинделя по любой причине.

Выдача в ЦАП кода, соответствующего заданной скорости шпинделя, должна начинаться после окончания переключения коробки скоростей при пуске шпинделя и должна заканчиваться при стопе шпинделя, при сбоях шпинделя, при останове с ориентацией или при останове с расцеплением кинематики.

При останове шпинделя без ориентации привод двигателя шпинделя должен быть выключен или заблокирован, чтобы избежать вращения от неизбежного несоответствия нуля ЦАП нулевой скорости двигателя. Привод шпинделя должен быть включен при пуске шпинделя по функциям или от кнопки в ручном режиме. Выключение привода должно происходить через паузу после остановки шпинделя.

Программа управления работой шпинделя

ПРОВЕРКА ДИАПАЗОНОВ. L121= (CCDIAP<>CDIAP):=CODSP+ (TEKDIA=CDIAP): CCDIAP=0: L121:. L127= (TEKDIA=CDIAP): S17.15=1: STOP4=1: L123:. CODSP=1: L120:

, ПЕРЕКЛЮЧЕНИЕ ДИАПАЗОНОВ. CODSP=0: L118=CODTEK: L617= (HOD=10): L620= (HOD=100):=CMAGN*O300+CDIAP: L612= (TEKDIA=CDIAP) * (HOD<>0) *ts52:=1: L6160=-TS44+YSTEP: S76.15=1: STOP4=1: L123:. ts52= (tekdia=cdiap): L616=STEPL: STEPR=1: TS8=1:=-TS8: STEPR=0: STEPL=1: L118:. TS9=1: L118=-TS9: STEPL=0: TS8=0: TS9=0:= [HOD+1]: L617= (HOD=10): L618= (HOD=21): L118:. CMAGN=CMAGN*O300: TS10=1: L118=-TS10: HOD=11: L118:. STOP4=1: S16.15=1: L123:. L619=-STEP:=0: STEPR=0: STEPL=0: HOD=100: TS8=0: TS35=0: L118:. TS35=1: L118=-TS35:. TS35=0: TS8=0: TS9=0: TS10=0: HOD=0: ts52=0: CCDIAP=CDIAP:

4.7 Управление функциями включения и выключения СОЖ М8


Описание

Предположим, что охлаждение инструмента при отработке программы включается функциями М8, М13 и М14 и выключается функцией М9, а при остановленной программе включается и выключается тумблером.

Программа управления включения и выключения СОЖ М8

, УПРАВЛЕНИЕ СОЖ M8= (SOG*-PAMSOG+M8+M13+M14+CSOG) **-M9*-M0* (-M2+PREDN) * (PAMSOG+-SOG+-CSOG) *-STOP9:=SOG:=CSOG:=YSOG+-TS29: S49.15=1: STOP9=1:. PROM2=CODSP*CODTEK* (CDIAP=CCDIAP) *KV1:

4.8 Параметры

1 (TAU) = 1.00000000000010 (BaseC1) = 2C011 (PlaceC1) = 012 (typeC1) = 140 (BaseC2) = 041 (PlaceC2) = 042 (typeC2) = 150 (arg) = 100070 (BaseOC1) = 39071 (PlaceOC1) = 072 (Irq1) = 073 (typeOC1) = 474 (razr1) = 2480 (BaseOC2) = 081 (PlaceOC2) = 082 (Irq2) = 083 (typeOC2) = 284 (razr2) = 1290 (BaseOff) = 091 (NumBit) = 092 (PlcBsOff) = 093 (OffNegativ) = 0100 (Accurite) = 0.000100000000101 (MaxCadrBox) = 10102 (DirProgram) = C: \LIB\PROGRAM\103 (Correctors) = C: \LIB\CORRECT\104 (DirNulls) = C: \LIB\NULL\105 (DirTMP) = d: \106 (DirGraph) = d: \107 (NameEA) = GFmod108 (ModeEA) = 1109 (FstEACount) = 10110 (LowEACount) = 100111 (DirConfig) = c: \start\112 (AutoSave) = 0113 (Plt1_COM) = 12114 (Plt1_Speed) = 2115 (Plt1_Input) = 19116 (Plt1_Out) = 21119 (Plt1_Fltr) = 0120 (UseEms) = 0123 (Plt2_COM) = 0124 (Plt2_Speed) = 2125 (Plt2_Input) = 0126 (Plt2_Out) = 0129 (Plt2_Fltr) = 0130 (hidden) = 0131 (config) = 0133 (SizeMag) = 10200 (In1) = 1201 (In1Count) = 2202 (BaseIn1) = 300203 (BasePlace1) = 0204 (Negativ1) = 1205 (In2) = 3206 (In2Count) = 4207 (BaseIn2) = 304208 (BasePlace2) = 0209 (Negativ2) = 0210 (In3) = 7211 (In3Count) = 4212 (BaseIn3) = 308213 (BasePlace3) = 0214 (Negativ3) = 0215 (In4) = 0216 (In4Count) = 0217 (BaseIn4) = 0218 (BasePlace4) = 0219 (Negativ4) = 0220 (In5) = 0221 (In5Count) = 0222 (BaseIn5) = 0223 (BasePlace5) = 0224 (Negativ5) = 0225 (In6) = 0226 (In6Count) = 0227 (BaseIn6) = 0228 (BasePlace6) = 0229 (Negativ6) = 0230 (In7) = 0231 (In7Count) = 0232 (BaseIn7) = 0233 (BasePlace7) = 0234 (Negativ7) = 0235 (In8) = 0236 (In8Count) = 0237 (BaseIn8) = 0238 (BasePlace8) = 0239 (Negativ8) = 0240 (In9) = 0241 (In9Count) = 0242 (BaseIn9) = 0243 (BasePlace9) = 0244 (Negativ9) = 0245 (In10) = 0246 (In10Count) = 0247 (BaseIn10) = 0248 (asePlace10) = 0249 (Negativ10) = 0300 (Out1) = 1301 (Out1Count) = 2302 (BaseOut1) = 300303 (BasePlace1) = 0304 (Negativ1) = 0305 (Out2) = 3306 (Out2Count) = 4307 (BaseOut2) = 30C308 (BasePlace2) = 0309 (Negativ2) = 0310 (Out3) = 7311 (Out3Count) = 1312 (BaseOut3) = 2CD313 (BasePlace3) = 0314 (Negativ3) = 0315 (Out4) = 0316 (Out4Count) = 0317 (BaseOut4) = 0318 (BasePlace4) = 0319 (Negativ4) = 0320 (Out5) = 0321 (Out5Count) = 0322 (BaseOut5) = 0323 (BasePlace5) = 0324 (Negativ5) = 0325 (Out6) = 0326 (Out6Count) = 0327 (BaseOut6) = 0328 (BasePlace6) = 0329 (Negativ6) = 0330 (Out7) = 0331 (Out7Count) = 0332 (BaseOut7) = 0333 (BasePlace7) = 0334 (Negativ7) = 0335 (Out8) = 0336 (Out8Count) = 0337 (BaseOut8) = 0338 (BasePlace8) = 0339 (Negativ8) = 0340 (Out9) = 0341 (Out9Count) = 0342 (BaseOut9) = 0343 (BasePlace9) = 0344 (Negativ9) = 0345 (Out10) = 0346 (Out10Count) = 0347 (BaseOut10) = 0348 (asePlace10) = 0349 (Negativ10) = 0400 (aft) = 3401 (bef) = 5402 (TimIndic) = 200403 (TimMsg) = 5001000 (Rcalc) = 31001 (Sys1) = 01002 (Sys2) = 01003 (RCalcMah) = 11005 (Name1) =1006 (Name2) =1007 (typ1) = 01008 (typ2) = 01009 (Null) = 11010 (Impl) = 11011 (DopCap1) = 01012 (DopCap2) = 01013 (DopCap3) = 01014 (DopDos1) = 01015 (DopDos2) = 01016 (DopDos3) = 01020 (numrez) = 01021 (del) = 01022 (umn) = 01023 (hardkoe) = 11024 (sbpol) = 11025 (ContrErr) = 01026 (tipgeber) = 11030 (NumG96) = 01035 (M_Mov) =1036 (SMov) = 01037 (TMov) = 01038 (Look) = 01039 (Sym1) = MG1040 (Sym2) =2000 (nrkontizm) = 10000.0000000000002001 (avkontizm) = 10000.0000000000002002 (fsnikont) = 100.0000000000002003 (fstup) = 5.0000000000002004 (vzeit) = 0.0500000000002005 (VectCorr) = 03000 (pspeed) = 5.0000000000003001 (G0_G3) = 13002 (G14_G15) = 143003 (G17_G19) = 173004 (G21_G22) = 213005 (G23_G24) = 233006 (G43_G49) = 433007 (G45_G46) = 463008 (G53_G59) = 533009 (G61_G63) = 623010 (G65_G66) = 663011 (G90_G91) = 903012 (G94_G95) = 943013 (G96_G97) = 973020 (DlRMax) = 0.0050000000003021 (IJK) = 03022 (ReaG0) = 13023 (GCircle) = 81: 82: 83: 84: 85: 86: 873024 (GovrLr) =3025 (FLim) = 1000.0000000000003026 (Graph) = 03027 (Angle) = 03028 (TInst) = 03029 (TCommand) = 03030 (DiamIJK) = 03031 (TypeG92) = 03032 (Info) = 03033 (Grad) = 13034 (AccG50) = 0.0100000000003035 (CorOut) = 03100 (M_Beg) = 3: 4: 8: 13: 143101 (M_End) = 0: 1: 2: 5: 6: 9: 30: 983102 (M_Par) = 20: 21: 503103 (SType) = 23104 (TType) = 24000 (fuskor) = 2000.0000000000004001 (MinFCorr) = 04002 (MaxFCorr) = 1204003 (MinSCorr) = 404004 (MaxSCorr) = 1404005 (ffix) = 1000.0000000000004006 (fuskob) = 2.0000000000004007 (tuskor) = 05000 (name) = X5001 (nummah) = 05002 (mrazr) = 05003 (nprg) = 15004 (tipgeber) = 15005 (numdat) = 15006 (numcap) = 15007 (nvix) = 05008 (trnul) = 15009 (revers) = 05010 (prgkonpl) = 505.5000000000005011 (prgkonmn) = - 505.5000000000005012 (fpoz) = 6000.0000000000005013 (del) = 45014 (umn) = - 55015 (sdvig) = 05016 (hardkoe) = 15017 (ufoindik) = 05018 (Group) = 05019 (ContrErr) = 05020 (AxsTurn) = 0.0000000000005021 (DiamDP) = 05022 (NumAxs) = 15100 (name) = Y5101 (nummah) = 05102 (mrazr) = 05103 (nprg) = 15104 (tipgeber) = 15105 (numdat) = 25106 (numcap) = 25107 (nvix) = 05108 (trnul) = 15109 (revers) = 05110 (prgkonpl) = 200.5000000000005111 (prgkonmn) = - 135.0000000000005112 (fpoz) = 6000.0000000000005113 (del) = 45114 (umn) = - 55115 (sdvig) = 05116 (hardkoe) = 15117 (ufoindik) = 05118 (Group) = 05119 (ContrErr) = 05120 (AxsTurn) = 0.0000000000005121 (DiamDP) = 05122 (NumAxs) = 25200 (name) = Z5201 (nummah) = 05202 (mrazr) = 05203 (nprg) = 15204 (tipgeber) = 15205 (numdat) = 35206 (numcap) = 35207 (nvix) = 05208 (trnul) = 15209 (revers) = 05210 (prgkonpl) = 5.0000000000005211 (prgkonmn) = - 260.5000000000005212 (fpoz) = 6000.0000000000005213 (del) = 45214 (umn) = 55215 (sdvig) = 05216 (hardkoe) = 15217 (ufoindik) = 05218 (Group) = 05219 (ContrErr) = 05220 (AxsTurn) = 0.0000000000005221 (DiamDP) = 05222 (NumAxs) = 35300 (name) =5301 (nummah) = 05302 (mrazr) = 05303 (nprg) = 15304 (tipgeber) = 15305 (numdat) = 45306 (numcap) = 45307 (nvix) = 05308 (trnul) = 15309 (revers) = 05310 (prgkonpl) = 1000.0000000000005311 (prgkonmn) = - 1000.0000000000005312 (fpoz) = 6000.0000000000005313 (del) = 15314 (umn) = 15315 (sdvig) = 05316 (hardkoe) = 15317 (ufoindik) = 05318 (Group) = 05319 (ContrErr) = 15320 (AxsTurn) = 0.0000000000005321 (DiamDP) = 05322 (NumAxs) = 45400 (name) =5401 (nummah) = 05402 (mrazr) = 05403 (nprg) = 15404 (tipgeber) = 15405 (numdat) = 55406 (numcap) = 55407 (nvix) = 05408 (trnul) = 15409 (revers) = 05410 (prgkonpl) = 1000.0000000000005411 (prgkonmn) = - 1000.0000000000005412 (fpoz) = 6000.0000000000005413 (del) = 15414 (umn) = 15415 (sdvig) = 05416 (hardkoe) = 15417 (ufoindik) = 05418 (Group) = 05419 (ContrErr) = 15420 (AxsTurn) = 0.0000000000005421 (DiamDP) = 05422 (NumAxs) = 56000 (norizm) = 15000.0000000000006001 (avizm) = 15000.0000000000006002 (fsni) = 100.0000000000006003 (fstup) = 5.0000000000006004 (vtik) = 0.0500000000006005 (fzersni) = 100.0000000000006006 (fzer) = 2000.0000000000006007 (maxras) = 10.0000000000006008 (dobrr) = 1.5000000000006009 (skor) = 0.0000000000006019 (uskor) = 0.0000000000006010 (zncontr) = 0.0060000000006011 (drf) = 16012 (ModeCap) = 26013 (fzertch) = 100.0000000000006014 (typdin) = 06015 (fmax) = 0.0000000000006016 (timconst) = 0.0000000000006017 (Mertv) = 06018 (TimeOut) = 15.0000000000006020 (sbpol) = 16021 (Vprop) = 0.0000000000006022 (Vint) = 0.0000000000006023 (Vdiff) = 0.0000000000006024 (VFiltr) = 06100 (norizm) = 15000.0000000000006101 (avizm) = 15000.0000000000006102 (fsni) = 100.0000000000006103 (fstup) = 5.0000000000006104 (vtik) = 0.0500000000006105 (fzersni) = 100.0000000000006106 (fzer) = 2000.0000000000006107 (maxras) = 10.0000000000006108 (dobrr) = - 0.5000000000006109 (skor) = 0.0000000000006119 (uskor) = 0.0000000000006110 (zncontr) = 0.0060000000006111 (drf) = 16112 (ModeCap) = 26113 (fzertch) = 100.0000000000006114 (typdin) = 06115 (fmax) = 0.0000000000006116 (timconst) = 0.0000000000006117 (Mertv) = 06118 (TimeOut) = 15.0000000000006120 (sbpol) = 16121 (Vprop) = 0.0000000000006122 (Vint) = 0.0000000000006123 (Vdiff) = 0.0000000000006124 (VFiltr) = 06200 (norizm) = 15000.0000000000006201 (avizm) = 15000.0000000000006202 (fsni) = 100.0000000000006203 (fstup) = 5.0000000000006204 (vtik) = 0.0500000000006205 (fzersni) = 100.0000000000006206 (fzer) = 500.0000000000006207 (maxras) = 10.0000000000006208 (dobrr) = 0.5000000000006209 (skor) = 0.0000000000006219 (uskor) = 0.0000000000006210 (zncontr) = 0.0060000000006211 (drf) = 16212 (ModeCap) = 26213 (fzertch) = 100.0000000000006214 (typdin) = 06215 (fmax) = 0.0000000000006216 (timconst) = 0.0000000000006217 (Mertv) = 06218 (TimeOut) = 15.0000000000006220 (sbpol) = 16221 (Vprop) = 0.0000000000006222 (Vint) = 0.0000000000006223 (Vdiff) = 0.0000000000006224 (VFiltr) = 06300 (norizm) = 10000.0000000000006301 (avizm) = 10000.0000000000006302 (fsni) = 100.0000000000006303 (fstup) = 5.0000000000006304 (vtik) = 0.0500000000006305 (fzersni) = 100.0000000000006306 (fzer) = 500.0000000000006307 (maxras) = 6.0000000000006308 (dobrr) = 0.1000000000006309 (skor) = 0.0000000000006319 (uskor) = 0.0000000000006310 (zncontr) = 0.0060000000006311 (drf) = 06312 (ModeCap) = 26313 (fzertch) = 100.0000000000006314 (typdin) = 06315 (fmax) = 0.0000000000006316 (timconst) = 0.0000000000006317 (Mertv) = 06318 (TimeOut) = 15.0000000000006320 (sbpol) = 16321 (Vprop) = 0.0000000000006322 (Vint) = 0.0000000000006323 (Vdiff) = 0.0000000000006324 (VFiltr) = 06400 (norizm) = 10000.0000000000006401 (avizm) = 10000.0000000000006402 (fsni) = 100.0000000000006403 (fstup) = 5.0000000000006404 (vtik) = 0.0500000000006405 (fzersni) = 100.0000000000006406 (fzer) = 500.0000000000006407 (maxras) = 6.0000000000006408 (dobrr) = 0.1000000000006409 (skor) = 0.0000000000006419 (uskor) = 0.0000000000006410 (zncontr) = 0.0060000000006411 (drf) = 06412 (ModeCap) = 26413 (fzertch) = 100.0000000000006414 (typdin) = 06415 (fmax) = 0.0000000000006416 (timconst) = 0.0000000000006417 (Mertv) = 06418 (TimeOut) = 15.0000000000006420 (sbpol) = 16421 (Vprop) = 0.0000000000006422 (Vint) = 0.0000000000006423 (Vdiff) = 0.0000000000006424 (VFiltr) = 07000 (ffix) = 1000.0000000000007001 (specG30) = 0.0000000000007002 (specG31) = 0.0000000000007003 (smnul) = 0.0000000000007004 (smG60) = 0.0000000000007005 (zon) = 67006 (DiamInd) = 07100 (ffix) = 1000.0000000000007101 (specG30) = 195.0000000000007102 (specG31) = 0.0000000000007103 (smnul) = 0.0000000000007104 (smG60) = 0.0000000000007105 (zon) = 67106 (DiamInd) = 07200 (ffix) = 1000.0000000000007201 (specG30) = 2.0000000000007202 (specG31) = 0.0000000000007203 (smnul) = 0.0000000000007204 (smG60) = 0.0000000000007205 (zon) = 07206 (DiamInd) = 07300 (ffix) = 1000.0000000000007301 (specG30) = 0.0000000000007302 (specG31) = 0.0000000000007303 (smnul) = 0.0000000000007304 (smG60) = 0.0000000000007305 (zon) = 07306 (DiamInd) = 07400 (ffix) = 1000.0000000000007401 (specG30) = 0.0000000000007402 (specG31) = 0.0000000000007403 (smnul) = 0.0000000000007404 (smG60) = 0.0000000000007405 (zon) = 07406 (DiamInd) = 08001 (U1) = 0.0000000000008002 (U2) = 0.0000000000008003 (U3) = 0.0000000000008004 (U4) = 0.0000000000008005 (U5) = 0.0000000000008006 (U6) = 0.0000000000008007 (U7) = 0.0000000000008008 (U8) = 0.0000000000008009 (U9) = 0.0000000000008501 (P1) = 08502 (P2) = 48503 (P3) = 4008504 (P4) = 40008505 (P5) = 36008506 (P6) = 78507 (P7) = 18008508 (P8) = 60009000 (nummahdat) = 179001 (mahdel) = 19002 (mahumn) = 19003 (hardkoe) = 19004 (sbpol) = 19005 (ContrErr) = 19100 (nummahdat) = 09101 (mahdel) = 09102 (mahumn) = 09103 (hardkoe) = 19104 (sbpol) = 19105 (ContrErr) = 09200 (nummahdat) = 09201 (mahdel) = 09202 (mahumn) = 09203 (hardkoe) = 19204 (sbpol) = 19205 (ContrErr) = 0

4.9 Расчет надежности


Общие сведения

При анализе и оценке надежности, в том числе и в электроэнергетике, конкретные технические устройства именуются обобщенным понятием "объект". Объект - это предмет определенного целевого назначения, рассматриваемый в периоды проектирования, производства, эксплуатации, изучения, исследования и испытаний на надежность. Объектами могут быть системы и их элементы, в частности технические изделия, устройства, аппараты, приборы, их составные части, отдельные детали и т.д.

В соответствии с ГОСТ 27.002-89 "Надежность в технике. Основные понятия. Термины и определения" надежность трактуется как свойство объекта сохранять во времени в установленных пределах значения всех параметров, характеризующих способность выполнять требуемые функции в заданных режимах и условиях применения, технического обслуживания, ремонта, хранения и транспортирования.

Как видно из определения, надежность является комплексным свойством, которое в зависимости от назначения объекта и условий его пребывания может включать безотказность, долговечность, ремонтопригодность и сохраняемость или определенное сочетание этих свойств.

Надежность - это свойство объекта сохранять во времени в установленных пределах все параметры, обеспечивающие выполнение требуемых функций в заданных условиях эксплуатации.

Уровень надежности в значительной степени определяет развитие техники по основным направлениям: автоматизации производства, интенсификации рабочих процессов и транспорта, экономии материалов и энергии.

Современные технические средства очень разнообразны и состоят из большого количества взаимодействующих механизмов, аппаратов и приборов.

Низкий уровень надежности оборудования вполне может приводить к серьезным затратам на ремонт, длительному простою оборудования, к авариям и т.п.

В настоящее время наблюдается быстрое и многократное усложнение машин, объединение их в крупные комплексы, уменьшение их металлоемкости и повышением их силовой и электрической напряженности. Поэтому наука о надежности быстро развивается.

Отказы деталей и узлов в разных машинах и разных условиях могут иметь сильно отличающиеся последствия. Последствия выхода из строя машины, имеющейся на заводе в большом количестве, могут быть легко и без последствий устранены силами предприятия.

А отказ специального станка, встроенного в автоматическую линию, вызовет значительные материальные убытки, связанные с простоем многих других станков и невыполнением заводом плана.

Расчет. Вероятность безотказной работы - это вероятность того, что в пределах заданий наработки отказ объекта не возникает. На практике этот показатель определяется статистической оценкой

Р(t), (4.1)

где No - число однотипных объектов (элементов), поставленных на испытания (находящихся под контролем); (t) - число отказавших объектов за время t.

Расчет надежности старой системы:

Автоматы

Р(t)

Тепловое реле

Р(t)

Датчик угла поворота

Р(t)

Реле

Р(t)

Контакторы

Р(t)

Средняя вероятность безотказной работы:

Рср(t)

Расчет надежности новой системы:

Автоматы

Р(t)

Тепловое реле

Р(t)

Датчик угла поворота

Р(t)

Реле

Р(t)

Контакторы

Р(t)

Средняя вероятность безотказной работы:

Рср(t)

Таблица 4.10 - Сравнение старой и новой системы

Средняя вероятность безотказной работы

Старая система

Новая система

0.424

0.718


Вывод:

Был проведен расчет надежности старой и новой систем. Расчет показал, что средняя вероятность безотказной работы старой системы составляет 0.424, а безотказной работы новой системы 0.718. Из этого расчета видно, что новая система управления, полученная после проведения модернизации, более надежна, чем старая.

5. Экономическая часть


Данная работа заключается в модернизации системы управления фрезерного станка модели ГФ2171С3, предназначенного обработки плоских форм, кулачков из легированных сталей, чугуна и цветных металлов в серийном и мелкосерийном производствах. Фрезерный станок модели ГФ2171С3 является довольно старой установкой и на данный момент времени требует некоторых технических усовершенствований, чтобы своей работоспособностью соответствовать промышленному производству. Модернизироваться будет система числового программного управления.

На данный момент времени имеются следующие проблемы при работе станка:

Невысокая надёжность (частые поломки);

Большое количество реле времени, подстройка которых занимает у наладчика станка много времени;

Отсутствие деталей при ремонте, т.к. фрезерный станок ГФ2171С3 является довольно старой установкой и многие детали к ней давно уже не выпускаются в промышленности;

Долгое простаивание станка в нерабочем состоянии (в случае поломки) может повлечь нежелательные последствия в данном производстве, поэтому исправление данных недостатков повысит надёжность работы станка и сделает её ремонт более быстрым, с точки зрения замены деталей. Ниже приводится расчёт единовременных затрат на проведение работы.

5.1 Расчёт единовременных затрат


Для выполнения и внедрения "Модернизация системы управления фрезерного станка ГФ2171С3" требуются определённые расходы, которые выступают в виде единовременных затрат. Данная работа выполняется на Красноярском заводе комбайнов.

Затраты на выполняемую работу, финансируются за счёт собственных средств предприятия и предназначаются для собственных нужд. Единовременные затраты определяются в виде плановой себестоимости по формуле:

С=Пс, (5.1)

где С - себестоимость технической продукции, руб.

5.2 Расчёт плановой себестоимости выполнения работы


Себестоимость - это качественный показатель, который показывает, во что обходится предприятию производство и реализация выраженная в денежной форме. /11/.

Целью планирования себестоимости проведения данной работы является экономически обоснованное определение величины затрат на её выполнение. В плановую себестоимость работы включаются все затраты, связанные с её выполнением. Определение затрат на работу производится путём составления калькуляции плановой себестоимости.

Калькуляция плановой себестоимости проведения работы составляется по следующим статьям затрат:

Материалы и комплектующие.

Основная заработная плата.

Дополнительная заработная плата.

Отчисления на социальные нужды.

Накладные расходы.

Ниже приводится расчёт статей затрат:

На статью "Материалы и комплектующие" относятся затраты на сырьё и основные материалы (за вычетом стоимости возвратных отходов), покупные изделия и полуфабрикаты, вспомогательные материалы, комплектующие изделия, пакеты прикладных программ, топливо, электроэнергия, необходимые для выполнения конкретных работ.

Затраты по этой статье определяют по действующим ценам с учётом транспортно - складских расходов, величина которых составляет 3% от стоимости материалов, покупных полуфабрикатов и комплектующих изделий. Расчёт затрат производится по форме, приведённой в таблице 5.1

Таблица 5.1 - Расчёт статьи "Материалы и комплектующие"

Наименование материалов и комплектующих: тип

Единица измерения

Потребное количество

Цена за единицу, руб.

Сумма, руб.

ЭКФ ВА47-63

шт

8

50.43

403.44

ИЭК 47-29

шт

4

115.10

460.4

ИЭК ВА47-100

шт

1

258.50

258.50

ИЭК ВА 88-66

шт

1

1871.24

1871.24

Наименование материалов и комплектующих: тип

Единица измерения

Потребное количество

Цена за единицу, руб.

Сумма, руб.

Контактор малогабаритный КМИ 10910

шт

5

182.25

911.25

Контактор малогабаритный КМИ 22510

шт

2

279.45

558.9

Контактор малогабаритный КМИ 46512

шт

2

713.75

1427.5

Приставка ПКИ 22

шт

4

86.16

344.64

Тепловое реле РТИ-13

шт

4

184.60

738.4

Датчик угла поворота ЛИР 158Б

шт

3

4818

14454

Бесконтактный выключатель ВБИ-Щ06-600У

шт

14

708

9912

Реле OMRON MY2IN

шт

40

200.11

8004.4

Хомут для кабеля 4х200

шт

2

48

96

Клемники VAG

шт

40

23.94

957.6

Клемники ИЭК

шт

50

6.48

324

Изолента ПВХ

шт

5

6.50

32.50

Итого:




40754.77

Транспортно-складские расходы - 3%




1222.643

Всего затрат:




41977.41


Затраты по статье "материалы и комплектующие" состоят из следующих элементов: из стоимости приобретенных материалов и комплектующих выделяется НДС:

НДС руб.

Стоимость материалов и комплектующих без НДС составит:

 руб.

Транспортно-складские расходы определяются в следующем порядке: Прошлый (овеществленный) труд составит: руб., в том числе НДС - , а без НДС стоимость прошлого труда равняется: 733.5858 - 111.902 = 621.6838 руб.

Добавленная стоимость составит: 1222.643 · 0.4 = 489.0572 руб.

Общая сумма НДС составит: 6216.83 + 111.902 = 6328.732 руб.

Для договорной цены без налоговых льгот, затраты по статье "Материалы и комплектующие" состоят из следующих элементов:

.94 + 621.6838 + 489.0572 = 35648.681 руб.

5.3 Определение затрат по статье спецоборудование для научных работ


На статью "Спецоборудование для научных работ" относятся затраты на приобретение или изготовление специальных приборов, стендов, аппаратов и другого специального оборудования, необходимого для выполнения конкретной НИР. Расчет затрат производится по форме, приведенной в таблице 5.2

Таблица 5.2 - Расчёт статьи "Спецоборудование для научных работ"

Наименование материалов и комплектующих: тип

Единица измерения

Потребное количество

Цена за единицу, руб.

Сумма, руб.

УЧПУ FMS-3000

шт

1

113798.25

113798.25

Итого:




113798.25

Наименование материалов и комплектующих: тип

Единица измерения

Потребное количество

Цена за единицу, руб.

Сумма, руб.

Транспортно-складские расходы - 3%

Установка и монтаж - 10%




11379.83

Всего затрат:




128592.0225


Затраты по статье "спецоборудование" состоят из следующих элементов:

Из стоимости приобретенного спецоборудования выделяется НДС:

НДС руб.

Стоимость спецоборудования без НДС составит:

 руб.

Транспортно-складские расходы определяются в следующем порядке:

Прошлый (овеществленный) труд составит: 3413.948 · 0.6=2048.3688 руб., в том числе НДС - , а без НДС стоимость прошлого труда равняется: 3413.948 - 312.463 = 3101.485 руб.

Добавленная стоимость составит: 3413.948 · 0.4 = 1365.5792 руб.

Установку и монтажные работы определяют следующим образом:

Прошлый (овеществленный) труд составит: 11379.83 · 0.4=4551.9 руб., в том числе НДС - , а без НДС стоимость прошлого труда равняется: 4551.9 - 694.357 = 3857.543 руб.

Добавленная стоимость составит: 11379.83 · 0.6 = 6827.898 руб.

Общая сумма НДС составит: 17359.06 + 312.463 + 694.357 = 18365.88

Для договорной цены без налоговых льгот, затраты по статье "спецоборудование", состоят исследующих элементов:

 руб.

5.4 Определение затрат по статье заработная плата


На статью "Основная заработная плата" относятся выплаты по заработной плате, исчисленные из должностных окладов и тарифных ставок научных сотрудников, специалистов, служащих, рабочих непосредственно занятых выполнением конкретной работы, а также заработная плата работников нештатного (несписочного) состава, привлекаемых к ее выполнению, премии за основные результаты хозяйственной деятельности, выплаты, обусловленные районным регулированием оплаты труда; по районным коэффициентам и надбавки к заработной плате за непрерывный стаж работы в районах Крайнего Севера и приравненных к ним местностям. Размер основной заработной платы устанавливается исходя из численности различных категорий исполнителей и трудоемкости выполнения работы.

Работу выполняют следующие работники:

Инженер 1 категории, имеющий должностной оклад - 4500 руб.

Инженер 2 категории, имеющий должностной оклад - 4200 руб.

При планировании трудоёмкости в данной работе используется затратный метод (в основе которого лежит время выполнения работы).

На основании решения технического совета выполнения данной работы 3 месяца.

Поскольку организация, выполняющая рассматриваемую работу является ОАО, то должностные оклады сотрудников данной организации устанавливаются на основании штатного расписания.

Так как организация находится в г. Красноярске, её районный коэффициент составляет 30% от должностного оклада. Данные работники являются штатными, возраст до 30 лет, стаж работы которых составляет более двух лет, следовательно, северная надбавка за непрерывный стаж работы 30%, от суммы должностного оклада.

Расчёт основной заработной платы производится на основании исходных данных и приведённых выше расчётов в таблице 5.3

Таблица 5.3 - Расчёт основной заработной платы

Должность

Установленный должностной оклад, руб.

Время вып. Работы, мес.

Итого, сумма долж. окл. за отраб. время, руб.

Районный коэффициент. (30%), руб.

Северная надбавка за непр. стаж раб. (30%), руб.

Месячный должностной оклад с учётом надбавок, руб.

Инженер 1 Категории

4500

6

27000

8100

8100

43200

Инженер 2 Категории

4200


25200

7560

7560

40320

Итого

8700

-

52200

15660

15660

83520


5.5 Определение затрат по статье дополнительная заработная плата


На статью "Дополнительная заработная плата" относятся выплаты, предусмотренные законодательством за не проработанное (неявочное) время: оплата очередных и дополнительных отпусков; компенсация на неиспользованный отпуск; оплата льготных часов подростков; оплата перерывов в работе кормящих матерей; оплата времени, связанного с прохождением медицинских осмотров; выполнение общественных и государственных обязанностей; выплата вознаграждения за выслугу лет. Дополнительная заработная определяется по формуле:

Рдз=Роз∙Ндз/100, (5.2)

где ЗПдп - дополнительная заработная плата, руб.

Удп - размер дополнительной зарплаты в процентах от основной заработной платы работников.

На основании данных планового отдела норматив дополнительной заработной платы на 2008 год установлен в размере 11.2% от основной заработной платы. Данный норматив предусматривает только очередной отпуск.

Дополнительная заработная плата составит:

Рдз  руб.

5.6 Определение затрат по статье отчисление на социальные нужды


В статью "Отчисления на социальные нужды" относится единый социальный налог (взнос), в состав которого входят обязательные отчисления:

социальное страхование - 2.9%

пенсионный фонд - 20%

обязательное медицинское страхование - 3.1%.

а также страховые взносы на обязательное социальное страхование от несчастных случаев на производстве и профессиональных заболеваний, размер которых на 2008 г. составляет 4.2%.

Размер отчислений на социальные нужды определяется по формуле:

Зосн=10-2Косн х З от x(1-эта),руб.,(19)

где Косн - отчисления на социальные нужды, руб.;

З от- размер отчислений на социальные нужды в процентах от суммы основной и дополнительной заработной платы работников, непосредственно выполняющих работу.

Отчисления на социальные нужды составят при Зот :

Зосн руб.

Определение затрат по статье накладные расходы

В статью "Накладные расходы" включаются расходы на управление и хозяйственное обслуживание, которые в равной степени относятся ко всем выполняемым работам. По этой статье учитываются заработная плата с начислениями во внебюджетные фонды аппарата управления и общехозяйственных служб, затраты на содержание, текущий и капитальный ремонты зданий, сооружений, оборудования и инвентаря, амортизационные отчисления на их полное восстановление, расходы по охране труда, научно-технической информации, изобретательству и рационализации и т.д.

Величина накладных расходов исчисляется по формуле:

, (5.4)

где Нн - норматив накладных расходов;

Зх- величина накладных расходов;

Норматив накладных расходов в размере 30% от основной заработной платы. Величина накладных расходов составляет:

Н руб.

Накладные расходы состоят из следующих элементов:

Стоимость прошлого (овеществленного) труда 12528 руб., в том числе

НДС - ;

Добавленная стоимость - 12528 руб.

На основании полученных данных по отдельным статьям затрат составляется калькуляция плановой себестоимости в целом по работе, которая представлена в таблице 5.4:

Таблица 5.4 - Калькуляция плановой себестоимости проведения работы

Статья затрат

Без налоговых льгот сумма, руб.

1. Специальное оборудование для научных (экспериментальных) работ

103398.218

2. Материалы и комплектующие

35648.681

3. Основная заработная плата

83520

4. Дополнительная заработная плата

9354.24

5. Отчисление на социальные нужды

28048.02

6. Накладные расходы

23144.95

Итого плановая себестоимость работы

283114.109


Таблица 5.5 - Укрупнённый расчёт затрат на проведение данной работы

Показатели

Обозначение

Источник информации и расчеты показателей сумма, руб.

Работа без налоговых льгот сумма, руб.

1. Специальное оборудование для научных (экспериментальных) работ

Зосн

Таблица 5.2

103398.218

2. Материалы и комплектующие

Зосн

Таблица 5.1

35648.681

3. Основная заработная плата


Таблица 5.3

83520

4. Дополнительная заработная плата

Рдз

Рдз=Роз∙Ндз/100

9354.24

5. Отчисления на социальные нужды

Зосн

Зосн=10-2Косн х З от x(1-эта)

28048.02

6. Накладные расходы

Н

,23144.95


Итого затрат

С

С=Н

283114.109


5.7 Расчёт текущих затрат


Фрезерный станок модели ГФ2171С3 располагается в цеху Красноярского завода комбайнов. Предназначается для фрезерных работ.

По данным планового отдела и бухгалтерии фактически выпуск законченных деталей в 2006 году в натуральном выражении составил 11000 штук.

Себестоимость единицы завершённой продукции за прошедший год составила 303 руб., в том числе условно - постоянные - 43.28 руб. условно - переменные - 259.72 руб.

Таким образом, себестоимость выпускаемой продукции за 2007 год - 3333000 руб.

При разработке данного проекта был проведён анализ времени простоя станка за пять прошлых лет:

год 430 часов;

год 420 часов;

год 380 часов;

год 435 часов;

год 410 часов;

Из анализа данных выявлено, что в среднем было 415 часов простоя, причём около 30 % поломок приходится на релейную систему станка. На устранение этих простоев по данным бухгалтерии в 2007 году было затрачено 45303 руб.

После модернизации данного станка будет сэкономлено примерно 88 часов рабочего времени. Таким образом, время её простоя уменьшится, в результате чего увеличится объём выпускаемой продукции.

Учитывая объём выпущенной продукции за 2007 год и количество часов работы станка за год можно провести расчёт объёма выпускаемой продукции в час.

За 2007 год объём выпускаемой завершённой продукции составил 11000 шт. при 2116 часах работы станка.

 шт.

Планируемый объём выпускаемой продукции увеличится на  изделия за год (за счёт сокращения времени простоев станка).

После модернизации время простоев уменьшится на , следовательно затраты на текущий ремонт после модернизации станка составят:

 руб.

Условно - переменные затраты на единицу продукции остаются неизменными.

Общая сумма условно-постоянных затрат изменится на сумму снижения затрат, связанных с простоем:

.109 - (45303 - 35698.764) = 273509.873 руб.

Амортизационные отчисления составят:

 руб.

После модернизации количество выработанных деталей составит  шт.

Условно-постоянные расходы на единицу продукции после модернизации составят:


Себестоимость единицы продукции после модернизации:  руб.

Расчёт основных показателей сравнительной экономической эффективности

Годовая экономия от снижения себестоимости единицы продукции определяется по формуле:

, (5.5)

где С1 и С2 - себестоимость единицы выпускаемой продукции до и после модернизации соответственно, руб. Q2 - объём выпускаемой продукции в предлагаемом варианте, шт.

руб.

Коэффициент сравнительной экономической эффективности определяется по формуле:

, (5.6)

где  - дополнительные капитальные затраты. Коэффициент сравнительной экономической эффективности составит:


Срок окупаемости определяется по формуле:

, (5.7)

Срок окупаемости составит:

Т

Таблица 5.6 - Показатели сравнительной экономической эффективности

Показатели

Варианты

Изменения ("+" или "-"), %


Базовый

Предлагаемый


1. Дополнительные капитальные вложения, руб.

-

283114.109

-

2. Простои, час/год.

415

328.1

-20.9

3. Объём выпускаемой продукции, шт. /год.

11000

11415

+3.8

4. Себестоимость единицы продукции, руб.

303

286.22

-5.5

5. Экономия от снижения себестоимости выпускаемой продукции, руб. /год

-

191543.7

-

6. Коэффициент сравнительной экономической эффективности.

-

0.7

-

7. Срок окупаемости, лет


1.5



Вывод: Таким образом, после модернизации системы управления фрезерного станка, предприятие получает экономию средств 191543.7 рубля в год. Затраты на модернизацию окупятся через 1.5 года.

6. Безопасность жизнедеятельности


Выполнение данного дипломного проекта связанно с модернизацией вертикально-фрезерного станка модели ГФ2171С3, предназначенного для обработки чугуна, стали и цветных металлов торцовыми, концевыми и дисковыми фрезами. Модернизации подлежит система ЧПУ.

Результаты данного проекта будут использоваться для собственных нужд Красноярского завода комбайнов.

На данный момент данное устройство имеет ряд недостатков:

невысокая надёжность;

низкая ремонтопригодность;

большое время наладки станка.

Невысокая надежность, с точки зрения безопасности, приводит к уменьшению безопасность труда работников при работе станка. Так например невысокая надежность электрооборудования станка может привести к поражению обслуживающего персонала электрическим током. Модернизированный станок будет иметь ряд преимуществ с точки зрения безопасности, т.к. будут уменьшаться имеющиеся недостатки.

За счёт создания на новой элементной базе автоматики количество элементов сократится, что в свою очередь уменьшит число поломок, сбоев потребляемой электроэнергии. Кроме этого на станке предусмотрено автоматическое отключение при сбоях, имеются индикаторы поломок.

6.1 ные и вредные производственные факторы действующие на рабочем месте


При работе на станке оператор сталкивается с воздействием следующих производственных факторов, опасных и вредных для здоровья человека:

электрический ток

повышенный уровень звукового давления (шум)

загрязнение воздуха

вибрация

неудовлетворительный микроклимат

недостаточная освещённость рабочего места

Электробезопасностъ

При проведении наладочных и профилактических работ, а также в процессе эксплуатации станка возникает вероятность поражения обслуживающего персонала электрическим током.

Станок запитывается от сети напряжением 380 В., с изолированной нейтралью. Основным потребителем электроэнергии является двигатель. На пульт управления подаётся постоянное напряжение равное 5 В.

Помещение (цех) в котором находится станок относится к помещениям с повышенной опасностью. Температура не превышает +35°С. В помещении присутствует токопроводящая пыль в малом количестве.

Основные причины поражения электрическим током:

появление напряжения на металлических не токоведущих частях и корпусах оборудования;

появление напряжения на отключенных токоведущих частях.

Для обеспечения электробезопасности при работе станка предусмотрены следующие защитные технические способы и средства:

заземление электроустановки;

закрытая проводка питающих кабелей;

применение плавких предохранителей и автоматических выключателей;

цветовая сигнализация опасных для жизни человека мест (предупреждающие таблички, знаки; кнопки переключателя).

Работа оператора за пультом управления является электрически безопасной.

Мероприятия по снижению шума

Для данного рабочего места характерный шум - механический (от двигателя станка, обработки детали), а также шум от других станков находящихся в цехе.

Допустимые уровни звукового давления на рабочем месте оператора для помещения согласно ГОСТ 12.1.003 - приведены в таблице 6.1

Таблица 6.1 - Допустимые уровни звукового давления на рабочем месте оператора

Вид деятельности

Уровни звукового давления, дБ, в октавных полосах со среднегеометрическим частотам, Гц

Эквива-лентный уровень звука, дБ (А).


31.5

63

125

250

500

1000

2000

4000

8000

 

Работа с повышенными требованиями к процессам наблюдения, рабочие места в помещениях для размещения шумных агрегатов вычислительных машин

 103

 91

 81

 77

 73

 70

 68

 66

 64

 75


Наибольшее шумовое воздействие оказывает: шум от двигателя. Защитными мерами при этом является:

проектирование защитных шумоизолирующих кожухов, если позволяет конструкция станка;

регламентные работы, т.е. производить своевременно очистку, смазку деталей двигателя, если необходимо, то замену.

Защита от шума, создаваемого на рабочем месте внутренними источниками, а также шума, проникающего извне, осуществляется следующими методами:

допускается использование наушников;

регламентированные перерывы.

Загрязнения воздуха

В цехе, где располагается большое количество различных станков по обработке металла присутствует обыкновенная и металлическая (в небольшом количестве, приносимая с металлом) пыль, которая опасна не только для человека, но и систем автоматики. Кроме этого в цехе осуществляется сварка металлических деталей. Для поддержания нормального состояния воздушной среды соответствующего ГОСТ 12.1.005 "Воздух рабочей зоны. Общие требования безопасности", применяются следующие меры:

общеобменная и местная вентиляция;

уборка помещения от пыли.

Фрезерный станок является источником загрязнения воздушной среды в помещении. При автоматизации и модернизации был учтен данный минус. При помощи современного контроллера удалось сократить в разы загрязнение воздуха. Контроллер обеспечивает:

отключение вращения шпинделя на холостом ходу, при отсутствии обрабатываемой детали.

Также имеются специальные отсеки для отработанного масла и металлической стружки.

Мероприятия по снижению вибрации

Данная вибрация относится к вибрации категории 3-технологической типа "а" (на постоянных рабочих местах производственных помещений). Источником вибрации является обработка детали и работа других рядом стоящих станков. Допустимые значения вибрации на рабочем месте оператора для помещения согласно ГОСТ 12.1.012 приведены в таблице 6.2.

Таблица 6.2 - Предельно допустимые значения вибрации рабочего места

Среднегео - метрическая частота октавных полос, Гц

Виброускорение

Виброскорость


м/с2

дБ

10-2 м/с

дБ


в 1/3 окт.

в 1/1 окт.

в 1/3 окт.

в 1/1 окт.

в 1/3 окт.

в 1/1 окт.

в 1/3 окт.

в 1/1 окт.

1

2

3

4

5

6

7

8

9

1.6

0.089


99


0.89


105

108

2.0

0.079

0.14

98

103

0.63

1.30

102


2.5

0.070


97


0.45


99


3.15

0.063


96


0.32


96


4.0

0.056

0.10

95

100

0.22

0.45

93

99

5.0

0.056


95


0.18


91


6.3

0.056


95


0.14


89


8.0

0.056

0.10

95

0.11

0.22

87

93

10.0

0.070


97


0.11


87


12.5

0.089


99


0.11


87


16.0

0.110

0.20

101

106

0.11

0.20

87

92

20.0

0.140


103


0.11


87


25.0

0.180


105


0.11


87


31.5

0.220

0.40

107

112

0.11

0.20

87

92

40.0

0.280


109


0.11


87


50.0

0.350


111


0.11


87


63.0

0.450

0.79

113

118

0.11

0.20

87

92


Уменьшение вибрации осуществляется путём введения:

виброизоляции оборудования (введение в колебательную систему дополнительной упругой связи с целью ослабления передачи вибраций смежному элементу, конструкции или рабочему месту).

виброгашения (для динамического гашения колебаний используются динамические виброгасители: пружинные, маятниковые, эксцентриковые гидравлические, действующие при определенной частоте, которая отвечает его резонансному режиму колебаний).

Средства индивидуальной защиты оператора не применяются.

Шпиндель на холостом ходу отключается от контролера при отсутствии детали, а так же жестко закреплен в стойке, что не вызывает вибрации, и настройке во время эксплуатации не подлежит.

Микроклимат в помещении

Работа оператора станка относится к 1 категории работ. В соответствии с СанПиН 2.2.4.548 "Гигиенические требования к микроклимату производственных помещений", на рабочем месте существуют нормы температуры, относительной влажности и скорости движения воздуха, указанные в таблице 1.6:

Таблица 6.3 - Оптимальные и допустимые нормы микроклимата (СанПиН 2.2.4.548) для легкой 1 категории работ

Сезон года

Категория работ

Параметры воздушной среды в рабочей зоне



Температура,°С

Относительная влажность,%

Скорость воздуха, м/с



Оптим.

Допуст.

Оптим.

Допуст.

Оптим.

Доп уст.

Холодный период

21-23

20-24

40 - 60

Неболее 5

0.1

Неболее 0.1

Теплый период

22-24

21-28

40 - 60

Неболее 55

0.1

0.1 - 0.3


Примечания: к категории 1б относятся работы, производимые сидя, стоя или связанные с ходьбой и сопровождающиеся некоторым физическим напряжением, при котором расход энергии составляет до 121 - 150 ккал/ч.

Для обеспечения достаточно постоянного и равномерного нагревания воздуха помещения в холодный период года предусматривается центральная отопительная система.

Для поддержания параметров воздушной среды в допустимых пределах, обеспечивающих надежную работу оборудования и людей, осуществляется комбинированное вентилирование воздуха. Для этого используются приточно-вытяжные (механические) вентиляторы. Воздух подается по воздуховодам поверху, для удаления мелких и тяжелых частиц на полу установлены вытяжки. Для естественного вентилирования используются форточки в оконных рамах.

Освещенность помещения

Освещенность помещения (цеха) нормируется в соответствии со СНиП 23-05-95 в зависимости от характера зрительных работ. /1/.

Для освещения помещения (цеха) используется естественное и искусственное освещение. В качестве естественного используется свет проникающий через оконные проёмы, но этого недостаточно даже днём, поэтому применяется искусственное освещение. В качестве искусственного источника света выступают лампы накаливания (универсальные светильники прямого света). Работа на рабочем месте относится к разряду VII-й зрительной работы, что соответствует общему наблюдению за ходом производственного процесса (более 0,5 мм).

Рабочее место оператора и сам станок освещаются общим равномерным освещением цеха. Имеется местное освещение рабочего места оператора и станка. Модернизация станка никаких изменений в освещении не требует.

Расчёт освещения выполняется методом коэффициента использования светового потока.

Исходные данные:

Напряжение сети 220 В.

Площадь помещения: S = 200 м2.

Геометрические размеры помещения: А = 20 м, В = 10 м, Н = 8 м.

Высота рабочей поверхности от пола до нижней станины на которой расположен стол: hр = 0.75 м.

Коэффициент запаса, учитывающий запыление светильников и износ источников света в процессе эксплуатации (согласно СанПиН 2.2.2 /2.4.1340 и таблице коэффициентов запаса): Кз =1.5.

Нормируемая освещенность: Ен = 200 лк.

Коэффициент неравномерности освещения: Z = 1.

В цехе расположены лампы накаливания (НГ-300) со световым потоком 4500 лм и светильниками типа ОД.

Необходимо рассчитать общее фактическое освещение.

Расчет:

Расстояние от потолка до рабочей поверхности:

п = H - hр (6.1)п = 8 - 0.75 = 7.25 м

Расстояние от потолка до светильника:

с =0.35 м (6.2)

Высота подвеса светильника над рабочей поверхностью:

= hп - hс (6.3)= 7.25 - 0.35 = 6.9 м

Индекс помещения определяется по формуле:

 (6.4)


Коэффициент использования светового потока при индексе помещения i=0,97 и коэффициентов отражения потолка и стен соответственно rп = 70%, rс = 50% составляет η = 65% (приведено в таблице 6.4).

Таблица 6.4 - Коэффициент использования светового потока

Индекс помещения, i

Коэффициент отражения потолка rп, %


70

50

30

70

50

30


Коэффициент отражения стен rс, %


50

30

10

50

30

10


Коэффициент использования η, %

0.5

49

45

42

22

18

12

0.6

54

49

46

30

22

18

0.7

57

53

50

32

27

21

0.8

60

56

53

38

30

25

0.9

63

58

56

39

33

29

1.0

65

61

59

40

37

31

1.5

71

68

65

54

46

41

2

74

72

69

60

54

48


Определим световой поток по формуле:

, (6.5)

где N=30 - количество ламп в помещении;

η =0.65 - коэффициент использования светового потока.

 лм

В цехе расположены лампы накаливания (НГ-300) со световым потоком 4600 лм.

Фактическая освещенность рассчитывается по формуле:

, (6.6), А лк

Фактическая освещенность составляет 299.1 лк, что соответствует норме. Исходя из выше описанных расчетов, получим, что применяемые лампы типа (НГ-300) удовлетворяют требованиям.

Схема предпочтительного размещения светильников в цехе приведена на рисунке 6.1 /2/.

Рисунок 6.1 - Рекомендуемая схема расположения светильников

Пожарная безопасность

Пожары представляют особую опасность, так как сопряжены с большими материальными потерями. Источниками пожарной опасности в цехе являются:

электрические кабели;

электрораспределительные щиты;

схема управления;

двери, подоконники, рамы, стенды;

рабочая жидкость (масло).

Причинами возникновения возгорания могут быть искры при включении рубильника силовой установки, при сварочных работах и других производственных процессах, появления искры от статического электричества, нарушением работниками мер пожаробезопасности.

Перечисленные выше источники и причины возгорания особо не влияют на пожароопасность помещения, т.к. в цехе не ведётся работа с легко воспламеняющимися материалами (деревом, пластмассой, бумагой и др.), находящиеся оборудование также не имеет в своих конструкциях легко воспламеняющихся деталей, сам цех не имеет пожароопасных покрытий стен, пола, потолка.

В конструкции станка также не используются легко воспламеняющиеся материалы - дерево, пластмасса, бумага и др. (класс пожара по ППБ-01, А, В и Е). Станок находится на удаленном расстоянии от оконных рам, дверных проёмов. Поэтому не создает помех оператору при необходимости покинуть рабочее место при пожаре. Помещение по пожарной опасности по НПБ 105-03 относится частично к категории Г и В.

Для защиты помещения предусмотрены следующие меры безопасности в соответствии с ГОСТ 12.1.004:

Технические:

для защиты от короткого замыкания применяются автоматические предохранители и автоматы тепловой защиты;

помещение оборудовано средствами тушения пожара (порошковые, углекислотные огнетушители).

прокладки соединительных кабелей и проводов в трубах для защиты их от механических повреждений,

защитные средства (щиты, кожухи) от механических и электрических искр при производственном процессе.

Организационные:

инструктаж работающего персонала. Работники станка должны знать правила работы, проходить проверку знаний техники безопасности при работе с оборудованием.

Заключение


Актуальностью модернизации системы управления фрезерного станка является повышение эффективности его работы, что будет способствовать увеличению производительности, а так же снижению экономических затрат.

Проанализировав состояние работы станка ГФ2171С3 было, выявлено, что система управления не соответствует современным требованиям работы предприятия. Следовательно для более продуктивного управления нами была применена система ЧПУ "FMS-3000", которая позволит уменьшить экономические затраты, время простоя станка, а так же увеличить надежность работы оборудования.

Проведя анализ полученных данных, можно отметить, что разработанная система управления является наиболее эффективной в данном случае.

Список использованных источников


1.      СНиП 23-05-95. Строительные нормы и правила. Естественное и искусственное освещение.

2.      Кнорринг, Г.М. Справочник для проектирования электрического освещения. / Г.М. Кнорринг - М.: Энергия, 1968. - 391 с.

.        Жирнов, Н.И. Методическое пособие для расчетов курсовых работ по теме: Организация, планирование и управление промышленным производством. / Н.И. Жирнов. - Красноярск, 2009. - 40 с.

.        Расчет искусственного освещения. Методические указания к дипломному проектированию. - Красноярск, 2007.

.        Прошин, В.И. Методическое указание по лабораторной работе для студентов машиностроительных специальностей. / В.И. Прошин. - Красноярск, 1990.

.        Дмитриева, Е.А. Современные универсальные станки и автоматы / Е.А. Дмитриева. - 1991. - 120 с.

.        Коваленко, А.В. Станочные приспособления / А.В. Коваленко, Р.Н. Подщивалов. - М.: Машиностроение, 1986. - 152 с.

.        Корытный, Д.М. Механизация и автоматизация работ на фрезерных станках / Д.М. Корытный. - М.: Профтехиздат, 1962. - 152 с.

.        Дмитриев, Н.Н. Проектирование гибких станочных комплексов: Учебное пособие / Н.Н. Дмитриев, В.Н. Кравченко, В.Н. Жарков. - Владимир, 1991. - 87 с.

.        Кузнецов, Ю.И. Станочные приспособления для металлорежущих станков с ЧПУ / Ю.И. Кузнецов, Р.Э. Сафраган, Б.А. Гончаренко. - Киев, 1984. - 158 с.

.        Байкова, С.Д. Экономика и организация производства. Методические указания по дипломному проектированию. / С. Д Байкова, А.К. Кулаков, В.С. Яновский. - Красноярск, 1985. - 50 с.

Похожие работы на - Модернизация системы управления станка ГФ2171С3

 

Не нашли материал для своей работы?
Поможем написать уникальную работу
Без плагиата!
Без нейросетей!