Методическая нагревательная печь под прокатку
1. Описание теплотехнологии нагрева
Современные промышленные технологии основываются
на применении органического и ядерного топлива. Широкое внедрение в
теплотехнологии высокотемпературных процессов в настоящее время ставит ряд
энергетических и экологических задач. Поэтому такое большое внимание уделяется
высокотемпературным теплотехнологическим процессам и установкам.
Высокотемпературные процессы часто являются
основой промышленных технологий получения целого продукта из исходного
сырьевого материала (известь, нефть, сланцы, угли, газ и др.) в процессе
тепловой обработки. К ним относятся физические, химические и массообменные
процессы, обеспечивающие заданное превращение исходного сырья.
Одним из способов получения целевого конечного
продукта или полупродукта для смежных технологий являются физические
теплотехнологические процессы (подогрев, испарение, термообработка, тепловая
активация, рафинирование др.), протекающие в высокотемпературных установках и
обеспечивающие изменение только физических свойств исходного сырьевого
материала.
При выборе температурного режима следует
стремиться не только к высокой интенсивности нагрева, но и к минимальному
окислению и обезуглероживанию металла при нагреве. Эти явления тем сильнее, чем
выше температура поверхности заготовки и чем больше время пребывания
поверхности при этой температуре.
Интенсификация нагрева приводит к быстрому
повышению температуры поверхности заготовок, однако, общее время нагрева
сокращается. Следовательно, существует оптимальная интенсивность нагрева,
обеспечивающая минимальное окисление и обезуглероживание металла.
Число зон методической печи выбирается в
соответствии с температурными и тепловыми графиками нагрева.
В каждой зоне продукты сгорания имеют
определённую температуру, значение которой отличается от температуры соседней
зоны.
В тех случаях, когда нагреваются массивные
заготовки, методическая печь имеет три зоны.
Третья зона называется зоной выдержки или
томильной.
Зоны профилируются с учётом температуры и
количества образовавшихся продуктов сгорания и условий теплообмена между газами
и поверхностью металла.
По способу загрузки и выгрузки методические печи
встречаются с боковой и торцевой загрузкой и выгрузкой.
Методические печи машиностроительных и
автотракторных заводов могут иметь как боковую, так и торцевую выгрузку. Как
правило, они используются для нагрева металла под штамповку.
С точки зрения оптимальной конструкцией является
печь с боковым или сводовым отоплением, однако наибольшее распространение,
благодаря своей простоте, получили печи с традиционным торцевым отоплением.
В первой (методической) зоне нагрев выполняется
с минимальными скоростями, что вызвано опасением появления в металле больших
температурных напряжений.
Второй этап нагрева (нагрев в сварочной зоне)
допускает форсирования ведения процесса. И если температура на поверхности на
выходе из методической зоны ограничивается, то уже в сварочной она принимается
равной температуре операции.
В томильной зоне температура продуктов сгорания
несколько снижается по сравнению с её значением в сварочной зоне.
Это делается для того, чтобы исключить
возможность явлений перегрева (пережога), а также обезуглероживания и
чрезмерного образования окалины. В томильной зоне происходит догрев середины
заготовки до температуры операции с тем, чтобы неравномерность прогрева
контрольного сечения находилась в допустимых пределах.
2. Разработка температурного графика
График является базой для выполнения расчёта: с
его помощью выбирают необходимую температуру продуктов сгорания и нагреваемой
садки. Для построения графика (вначале приближенного) используют
ориентировочные значения теплофизических характеристик, коэффициентов
теплоотдачи и др.
Устанавливаем число температурных зон. Полагая
для всех зон рабочего пространства коэффициент теплоотдачи к металлу равным
,
находим критерий
:
где
- характерный размер;
- эффективный коэффициент
теплоотдачи;
- коэффициент теплопроводности
садки.
Нагрев считаем односторонним во всех
зонах:
Принимаем
.
Находим
:
для симметричного нагрева:
для несимметричного нагрева:
Как видим
,
.
Таким образом в первом приближении
температурный график должен иметь зону выдержки (рис. 2.1). Для построения
графика использована температура операции
, которая для
и прокатки
равняется
[1, табл.
2.2]. Температуру
задаём в
первом приближении:
, а
температуру
определяем
расчетным путём:
Вычисляем время возникновения максимальных
температурных напряжений (для пластины):
Для приближенного температурного
графика
не
оцениваем, полагая, что основной нагрев осуществляется в зонах 1 и 2.
Приняв температурный график (рис.
2.1), можно записать значения температуры металла и продуктов сгорания
доменного газа, что позволит выполнить расчёт теплообмена во всех температурных
зонах рабочего пространства.
Принимаем температуру садки:
;
;
;
.
Определяем температуру газов:
;
;
;
.
На основании полученных результатов строим
температурный график:
Рисунок 2.1 - Температурный график
процесса нагрева под прокатку
3. Расчет топлива и определение
действительной температуры в печи
Вид топлива: коксодоменный газ c
.
Коэффициент избытка воздуха
принимаем
в
соответствии с [1, табл. 3.1, табл. 9.9].
Используя [1, табл.3.1] для
коксодоменного газа запишем состав (в %):
Состав продуктов сгорания (в %):
Количество воздуха:
;
Суммарный объем продуктов сгорания:
;
Удельный вес топлива:
;
Удельный вес продуктов сгорания:
;
Объем продуктов сгорания:
;
;
.
Действительная температура дымовых газов
Температура дымовых газов в зонах рабочего
пространства нагревательных и термических печей должна быть несколько выше
конечно температуры поверхности нагреваемого металла, которая диктуется
технологией тепловой обработки. Так, температура газов в i-й зоне
нагревательной печи запишется:
где
- температура поверхности металла
при выходе из i-й зоны;
- перепад между действительной
температурой дымовых газов и температурой поверхности.
В соответствии с температурным
графиком принимаем
.
Подогрев воздуха осуществляется до
температуры
.
Принимаем температуру подачи топлива
.
Для нахождения температуры в рабочем
пространстве печи в начале необходимо определить калориметрическую температуру
по формуле:
где
- количество тепла, вносимого в
рабочее пространство печи с холодным воздухом;
- физическое тепло холодного
топлива;
- содержание составляющих дымовых
газов;
- удельная объемная изобарная
теплоёмкость продуктов сгорания.
где
- удельная изобарная теплоемкость
воздуха при температуре
.
Физическое тепло холодного топлива:
где
- содержание i-го компонента в
топливе;
- средняя удельная объемная
изобарная теплоемкость.
Исходя из [1, табл. 4.3] принимаем
пирометрический коэффициент:
Действительная температура в печи:
Таким образом условие:
удовлетворяется.
В дальнейшем принимаем значение температуры дыма по рис. 2.1 (коррекция
температурного графика не нужна).
4. Определение времени нагрева
Расчет интенсивности внешнего
теплообмена в зонах рабочего пространства печи.
Определяем средний температурный
напор между продуктами сгорания топлива и поверхностью садки:
Зона 1:
Зона 2:
Зона 3:
Теплообмен к нагреваемой садке
осуществляется одновременно тепловым излучением и конвекцией. Лучистый
теплообмен преобладает над конвективным. Конвекция составляет 5-15% лучистого
теплообмена.
Теплообмен происходит в системе
серых тел «садка- футеровка- кладка». При этом наблюдается два результирующих
тепловых потока в каждой зоне:
- лучистый поток от продуктов
сгорания к садке;
- лучистый поток от футеровки к
садке.
Садку можно рассматривать как
пластину с характерным размером
Выполняем расчет лучистого
теплообмена по формуле:
Зона 1:
Определяем степень развития кладки
:
где
,
- площадь поверхностей
соответственно излучающей кладки и лучевоспринимающей поверхности металла первой
зоны:
Зона 2:
Определяем степень развития кладки
:
где
,
- площадь поверхностей
соответственно излучающей кладки и лучевоспринимающей поверхности металла
первой зоны:
Зона 3: Определяем степень развития
кладки
:
где
,
- площадь поверхностей
соответственно излучающей кладки и лучевоспринимающей поверхности металла
первой зоны:
Определяем излучающий объем 3х зон
пространства:
Рассчитываем площадь, ограничивающую
излучающий объем:
Определяем эффективную длину луча в зонах
рабочего пространства:
Определяем парциальное давление
и
:
После подстановки получаем:
Определяем значения:
Зона 1:
Зона 2:
Зона 3:
Рассчитываем средние значения
температур продуктов сгорания в зонах:
При этих значениях температур,
используя [приложение 1, рис. 1-3] определяем значение
,
,
:
Для зон 1-3 запишем:
Находим значение степени черноты по
формуле:
Степень черноты металла выбираем по
[приложение 1, рис. 4]
Определяем значение приведенного
коэффициента лучеиспускания:
;
;
.
Рассчитываем коэффициент теплоотдачи
излучением в зонах 1-3 рабочего пространства:
Выполняем расчет конвективного
теплообмена. Определяем значение конвективной составляющей теплоотдачи
:
Суммарный коэффициент теплоотдачи в
зонах 1-3 рабочего пространства:
4.2 Расчет времени пребывания садки
в рабочем пространстве
Садка высотой 115 мм, шириной 115 мм
и длиной 12000 мм нагревается в рабочем пространстве зон 1-3. Расчет выполняем
для каждой зоны отдельно.
В соответствии с [1, с86] принимаем
в качестве характерного размера:
Принимаем нагрев в 1-ой и 2-ой зонах
симметричным, а в 3-ей - односторонним. Нагрев во всех зонах происходит при
граничных условиях третьего рода:
Расчет зоны 1:
;
.
Определяем безразмерные температуры:
и
:
Подставляем числовые значения
температур:
Определяем число Bi1:
где
- характерный размер в первой зоне;
- эффективный коэффициент
теплоотдачи;
- коэффициент теплопроводности
садки в первой зоне [1, табл. 6.6].
Находим значение числа Bi для
одностороннего нагрева
:
В соответствии с [1, рис. 6.1],
используя значения
и
, находим
значение критерия Фурье для поверхности:
.
Выбираем значение коэффициента
температуропроводности из [1, табл. 6.7]
. Имеем:
;
Для
и
по [1, рис. 6.3] находим:
,27=(1110 -
)/(1110 -
15), тогда
.
Расчет зоны 2:
;
.
Определяем безразмерные температуры:
и
:
Подставляем числовые значения
температур:
Определяем число Bi2:
где
- характерный размер во второй
зоне;
- эффективный коэффициент
теплоотдачи;
- коэффициент теплопроводности
садки во второй зоне [1, табл. 6.6].
Находим значение числа Bi для
одностороннего нагрева
:
В соответствии с [1, рис. 6.1],
используя значения
и
, находим
значение критерия Фурье для поверхности:
.
Выбираем значение коэффициента
температуропроводности из [1, табл. 6.7]
. Имеем:
;
Для
и
по [1, рис. 6.3] находим:
,6=(1350 -
)/(1350 -
814), тогда
.
Расчет зоны 3:
;
.
Определяем безразмерные температуры:
и
:
Подставляем числовые значения
температур:
Определяем число Bi3:
где
- характерный размер в третьей
зоне;
- эффективный коэффициент
теплоотдачи;
- коэффициент теплопроводности садки
в третьей зоне [1, табл. 6.6].
Находим значение числа Bi для
одностороннего нагрева
:
В соответствии с [1, рис. 6.1],
используя значения
и
,
находим значение критерия Фурье для
поверхности:
.
Выбираем значение коэффициента
температуропроводности из [1, табл. 6.7]
. Имеем:
;
Определяем время основного нагрева:
.
Общее время пребывания садки в
рабочем пространстве печи:
.
5. Определение размеров рабочего
пространства печи
В качестве исходных данных
используем: производительность печи
, размеры садки (длина 12000 мм,
ширина 115 мм, высота 115 мм), время пребывания металла в технологических зонах
(в ч):
,
,
, посад
двухрядный, плотный.
Ширина рабочего пространства печи
одинакова для всех зон. Ее выбирают в соответствии с чертежем печи:
.
Определяем длину зоны. Записываем
уравнение материального баланса:
Находим значение длин зон:
Полная длинна печи:
;
Площадь пода:
;
Площадь активного пода:
;
Напряженность активного пода:
.
Как видим
находится в
пределах допустимых значений для нагревательной печи.
6. Тепловой баланс печи
Тепловой баланс служит для
определения расхода топлива в каждой зоне и разработки способов снижения
расходных статей. Тепловой баланс составляют для каждой зоны рабочего
пространства.
Уравнение теплового баланса печи в
общем виде:
, где
расход топлива на печь,
;
коэффициент использования топлива;
теплота, вносимая в печь в
результате окисления металла,
тепло необходимое на нагрев металла,
всевозможные потери тепла печью,
коэффициент неучтенных потерь;
6.1 Тепловой баланс печи первой зоны
Для первой зоны
, т.к. в
этой зоне нет угара и образования окалины. Т.о. уравнение теплового баланса для
первой зоны принимает вид:
, где
потеря тепла через ограждающую
конструкцию печи (стенки, свод, под);
теплопотери в результате излучения
печных газов в окружающую среду;
потеря теплоты с газами,
выбивающимися через окно загрузки, а также неплотности в кладке печи;
Расчет приходных статей баланса:
Коэффициент использования топлива
[2, стр. 158]:
,
где
энтальпия греющих дымовых газов;
энтальпия подогретого воздуха
окислителя;
средняя объемная изобарная
теплоемкость воздуха [1, стр. 40, таблица 4.2];
температура подогрева воздуха;
энтальпия дымовых газов покидающих
методическую зону;
средняя объемная изобарная
теплоемкость дымовых газов [1, стр. 40, таблица 4.2];
температура дымовых газов покидающих
методическую зону;
Расчет расходных статей баланса:
Потери через ограждающие конструкции
состоят из потерь через стенки, свод и под:
, где
- теплопотери через боковые стенки;
- через
свод зоны 1;
- через торец загрузки печи.
Расчет потерь через боковые
ограждающие конструкции (стенки) [1, с147]:
, где:
Площадь поверхности стенок:
;
Температура на внутренней
поверхности кладки [1, с56]:
средняя температура металла по
сечению в методической зоне;
температура окружающей среды;
термическое сопротивление i-го слоя
кладки;
коэффициент теплоотдачи от наружной
поверхности кладки;
В первом приближении принимаем
значения теплопроводностей
и
при температурах
и
соответственно
(первое приближение). Запишем формулы для слоев
и
(см. рисунок 6.1):
После подстановки числовых значений
имеем:
;
;
Средние температуры слоев кладки во
втором приближении:
;
;
Коэффициенты теплопроводности [3,
стр. 249, рис. 5.4]:
Шамотный кирпич (ШБ):
;
;
Тепловой поток через стенки во
втором приближении:
;
Рассчитываем относительную разность
тепловых потоков в первом и втором приближениях:
,
следовательно, выполняем дальнейшее
приближение.
;
;
Средние температуры слоев кладки во
втором приближении:
;
;
Коэффициенты теплопроводности [3, стр. 249, рис.
5.4]:
Шамотный кирпич (ШБ):
;
Шамотный легковесный кирпич
(ШБЛ-1,3):
;
Тепловой поток через стенки во
втором приближении:
;
Рассчитываем относительную разность
тепловых потоков в первом и втором приближениях:
,
Т.о. пересчет не требуется.
Рассчитываем потери через боковые
ограждающие конструкции:
Для расчета теплового потока через свод печи в
первой зоне используем ранее найденные значения:
;
;
;
;
Тепловой поток через свод печи:
;
Площадь поверхности свода:
;
Рассчитываем потери через свод печи:
;
Для расчета теплового потока через
торец загрузки в первой зоне используем ранее найденные значения:
;
;
;
;
Тепловой поток через торец загрузки:
;
Площадь поверхности торца загрузки:
;
Рассчитываем потери через торец
загрузки:
;
Рассчитываем суммарные потери через
ограждающие конструкции в первой зоне:
;
Рассчитываем теплопотери в
результате излучения печных газов в окружающую среду:
, где
температура дымовых газов покидающих
методическую зону;
температура окружающей среды;
коэффициент, учитывающий время
открытия окна;
коэффициент диафрагмирования окна
загрузки [4, стр. 73, рис. 4.2];
коэффициент излучения;
площадь окна загрузки;
Рассчитываем потери теплоты с
газами, выбивающимися через окно загрузки, а так же неплотности в кладке печи:
, где:
энтальпия дымовых газов покидающих
методическую зону;
Количество продуктов сгорания
топлива, выбившихся из печи:
плотность воздуха;
плотность дымовых газов;
расстояние от уровня пода печи до
оси окна загрузки;
Определяем количество теплоты с
охлаждающей водой:
Определяем количество теплоты,
израсходованное на нагрев садки в зоне 1:
, где:
относительный угар стали в первой
зоне;
средняя температура металла по
сечению в первой зоне;
средняя весовая изобарная
теплоемкость металла в методической зоне;
Выполняем подстановку приходных и
расходных статей в уравнение баланса теплоты для первой зоны:
6.2 Тепловой баланс печи второй зоны
Для второй зоны уравнение теплового
баланса принимает вид:
,
где
потеря тепла через ограждающую
конструкцию печи (стенки, свод, под);
теплопотери в результате угара и образования
окалины;
Расчет приходных статей баланса:
Коэффициент использования топлива
[2, стр. 158]:
, где
энтальпия греющих дымовых газов;
энтальпия подогретого воздуха
окислителя;
средняя объемная изобарная
теплоемкость воздуха [1, стр. 40, таблица 4.2];
температура подогрева воздуха;
энтальпия дымовых газов покидающих
методическую зону;
средняя объемная изобарная
теплоемкость дымовых газов [1, стр. 40, таблица 4.2];
температура дымовых газов покидающих
методическую зону;
Расчет расходных статей баланса:
Потери через ограждающие конструкции
состоят из потерь через стенки, свод и под:
, где
- теплопотери через боковые стенки;
- через свод зоны 2;
Расчет потерь через боковые
ограждающие конструкции (стенки) [1, с147]:
, где:
Площадь поверхности стенок:
;
Температура на внутренней
поверхности кладки:
средняя температура металла по
сечению во второй зоне;
температура окружающей среды;
термическое сопротивление i-го слоя
кладки;
коэффициент теплоотдачи от наружной
поверхности кладки;
В первом приближении принимаем
значения теплопроводностей
и
при температурах
и
соответственно
(первое приближение). Запишем формулы для слоев
и
(см. рисунок 6.1):
После подстановки числовых значений
имеем:
;
;
Средние температуры слоев кладки во
втором приближении:
;
;
Коэффициенты теплопроводности [3, стр. 249, рис.
5.4]:
Шамотный кирпич (ШБ):
;
Шамотный легковесный кирпич
(ШБЛ-1,3):
;
Тепловой поток через стенки во
втором приближении:
;
Рассчитываем относительную разность
тепловых потоков в первом и втором приближениях:
,
следовательно, выполняем дальнейшее
приближение.
;
;
Средние температуры слоев кладки во втором
приближении:
;
;
Коэффициенты теплопроводности [3,
стр. 249, рис. 5.4]:
Шамотный кирпич (ШБ):
;
Шамотный легковесный кирпич
(ШБЛ-1,3):
;
Тепловой поток через стенки во
втором приближении:
;
Рассчитываем относительную разность
тепловых потоков в первом и втором приближениях:
,
Т.о. пересчет не требуется.
Рассчитываем потери через боковые ограждающие
конструкции:
Тепловой поток через свод печи:
;
Площадь поверхности свода:
;
Рассчитываем потери через свод печи:
;
Рассчитываем суммарные потери через
ограждающие конструкции во второй зоне:
;
Рассчитываем теплопотери в
результате угара и образования окалины:
Определяем количество теплоты с
охлаждающей водой:
Определяем количество теплоты,
израсходованное на нагрев садки в зоне 1:
где
относительный угар стали во второй
зоне;
средняя температура металла по
сечению в первой зоне;
средняя весовая изобарная теплоемкость металла
во второй зоне;
Выполняем подстановку приходных и расходных
статей в уравнение баланса теплоты для первой зоны:
6.3 Тепловой баланс печи третьей
зоны
Для второй зоны уравнение теплового
баланса принимает вид:
Расчет приходных статей баланса:
Коэффициент использования топлива:
, где
энтальпия греющих дымовых газов;
энтальпия подогретого воздуха окислителя;
средняя объемная изобарная
теплоемкость воздуха [1, стр. 40, таблица 4.2];
температура подогрева воздуха;
энтальпия дымовых газов покидающих
методическую зону;
средняя объемная изобарная
теплоемкость дымовых газов [1, стр. 40, таблица 4.2];
температура дымовых газов покидающих
методическую зону;
Расчет расходных статей баланса:
Потери через ограждающие конструкции
состоят из потерь через стенки, свод и под:
, где
- теплопотери через боковые стенки;
- через свод зоны 3;
- через под зоны 3.
Расчет потерь через боковые
ограждающие конструкции (стенки) [1, с147]:
, где:
Площадь поверхности стенок:
Температура на внутренней
поверхности кладки:
средняя температура металла по
сечению во второй зоне;
температура окружающей среды;
термическое сопротивление i-го слоя
кладки;
коэффициент теплоотдачи от наружной
поверхности кладки;
В первом приближении принимаем
значения теплопроводностей
и
при температурах
и
соответственно
(первое приближение). Запишем формулы для слоев
и
(см. рисунок 6.1):
После подстановки числовых значений
имеем:
;
;
Средние температуры слоев кладки во
втором приближении:
;
;
Коэффициенты теплопроводности [3, стр. 249, рис.
5.4]:
Шамотный кирпич (ШБ):
;
Шамотный легковесный кирпич
(ШБЛ-1,3):
;
Тепловой поток через стенки во
втором приближении:
;
Рассчитываем относительную разность
тепловых потоков в первом и втором приближениях:
,
следовательно, выполняем дальнейшее
приближение.
;
;
Средние температуры слоев кладки во втором
приближении:
;
;
Коэффициенты теплопроводности [3,
стр. 249, рис. 5.4]:
Шамотный кирпич (ШБ):
;
Шамотный легковесный кирпич
(ШБЛ-1,3):
;
Тепловой поток через стенки во
втором приближении:
;
Рассчитываем относительную разность
тепловых потоков в первом и втором приближениях:
,
Т.о. пересчет не требуется.
Рассчитываем потери через боковые ограждающие
конструкции:
Тепловой поток через свод печи:
;
Площадь поверхности свода:
;
Рассчитываем потери через свод печи:
;
Тепловой поток через под печи:
;
Площадь поверхности пода:
;
Рассчитываем потери через свод печи:
;
Рассчитываем суммарные потери через
ограждающие конструкции во второй зоне:
;
Рассчитываем теплопотери в
результате угара и образования окалины:
Определяем количество теплоты,
израсходованное на нагрев садки в зоне 1:
где
относительный угар стали во второй
зоне;
средняя температура металла по
сечению во второй зоне;
средняя весовая изобарная теплоемкость металла в
третьей зоне;
Рассчитываем теплопотери в результате излучения
печных газов в окружающую среду:
, где
температура дымовых газов покидающих
методическую зону;
температура окружающей среды;
коэффициент, учитывающий время
открытия окна;
коэффициент дифрагмирования окна
загрузки [4, стр. 73, рис. 4.2];
коэффициент излучения;
площадь окна загрузки;
Выполняем подстановку приходных и
расходных статей в уравнение баланса теплоты для первой зоны:
7. Расчет рекуператора
Исходные данные к расчету рекуператора:
тип рекуперативного теплообменника - петлевой
вид топлива - коксодоменный газ с
и
= 1,02
номинальный расход топлива
- 3177 м3/ч
температура продуктов сгорания перед
рекуператором
- 840 ºС
температура воздуха перед
рекуператором
- 20 ºС
температура подогрева воздуха
- 340 ºС
Подогреватель воздуха предполагается
установить в борове размером 1x3 м.
Принимаем диаметр труб подогревателя
равным
57 мм
49 мм с
продольным и поперечным шагом в коридорном пучке (s1 = s2 = 100 мм).
Принимаем
= 9 м/с,
= 16 м/с.
Определяем теплоёмкость воздуха по
[1, стр. 40, табл. 4.2]:
= 1,393 кДж/( м³ · К)
Теплоемкость продуктов сгорания:
= 1,528 кДж/( м³ · К)
Рассчитываем водяные эквиваленты:
= 3,23·1,528 =4,962 кДж/(К·с)
= 2,58·1,393 = 3,6 кДж/(К·с)
Определяем температуру продуктов
сгорания на выходе из трубчатого подогревателя:
= 840-(340-20)/(0.9·4,96/3,6) =
563,5 ºС
Средние скорости теплоносителей в
рекуператоре:
= 9 м/с
= 16 м/с
Рассчитываем коэффициент теплоотдачи
от дымовых газов к наружной поверхности трубки рекуператора. Эффективная длина
луча в коридорном пучке:
= 3,5·0,057 = 0,1995 м
Поправка на коэффициент расхода
воздуха (
=1,02) по
[2, стр. 407, рис. 9,25],
= 0,95.
Действительная эффективная длина
луча:
= 0,1995·0,95 = 0,19 м
Определяем парциальные давления
и
:
где
,
- объемы углекислоты и водяных
паров
= 0,379/3,68·
= 10299 Па
= 0,795/3,68·
= 21603 Па
Произведения
и
:
= 0,19·10299 = 1957 Па·м
= 0,19·21603 =4104 Па·м
Определяем среднюю температуру
дымовых газов:
= (840+563,5)/2 =716,7 ºС
Для средней температуры дымовых
газов по [2, стр. 138] определяем:
0,068
0,075
1
Степень черноты продуктов сгорания в
области рекуператора:
0,068+0,075·1 = 0,143
Определяем среднюю температуру воздуха:
(340+20)/2 = 210 ºС
Определяем среднюю температуру
стенки трубки рекуператора:
= (210+716)/2 = 463 ºС
Имеем температуры:
= (273+463) = 736 К
= (273+716,5) = 989,5 К
Определяем коэффициент
лучеиспускания:
= 16,7·0,143 = 2,38 Вт/(м²·К)
Лучистая составляющая равна:
62,75 Вт/(м²·К)
Оцениваем режим движения продуктов сгорания в
рекуператоре. Для скорости продуктов сгорания 9 м/с режим вынужденного движения
- турбулентный.
Коэффициент
определяем
в соответствии с [2, стр. 402, рис. 9.19]:
где
- параметры, определяемые по
(рисунку П5).
= 57 Вт/(м²·К)
= 1
= 1,05
= 57·1·1,05 = 59,85 Вт/(м²·К)
Коэффициент теплоотдачи
:
=
+
= 62,75+59,85 = 122,6 Вт/(м²·К)
Рассчитываем количество теплоты,
передаваемое к подогреваемому воздуху. Полагаем, что при скорости воздуха в
трубке рекуператора, равной 16 м/с, режим будет турбулентным.
Используя значения
и
, в
соответствии с [2, стр. 399, рис. 9.16], для турбулентного режима определяем
коэффициент
Вт/(м²·К) :
где
,
,
,
= 46Вт/(м²·К)
= 1,25
= 0,87
= 1
46·1,25·0,87·1 = 50 Вт/(м²·К)
Коэффициент теплоотдачи между
теплоносителями:
= (122,6·50)/(122,6+50) = 35, 5
Вт/(м²·К)
Безразмерная температура:
= (340-20)/(840-20) = 0,45
Подсчитываем величину
:
,9·4,96/3,6 = 1,24
В соответствии с [2, стр. 395, рис.
9.12] значение X, для выражения
равно:
= 0,8
Площадь поверхности теплообмена:
= 0,8·3,6·3600/3,6·35, 5 = 81 м²
Площадь сечения борова (3x1 м²) позволяет
разместить петлевой рекуператор с длиной трубки
= 3,5 м
Площадь поверхности теплообмена
одной трубки:

= 3,14 ·0,057·3,5 = 0,63 м²
Общее число трубок, составляющих
поверхность теплообмена рекуператора:
= 81/0,63 = 129,5
Принимаем
= 130
По ширине борова можно разместить
трубок:
= 3/0,1 =30
Число рядов по ходу газов:
= 130/30 = 4,33
Принимаем
= 5
Получаем общее число трубок Nд:
= 30·5 = 150
Площадь живого сечения для прохода
дыма:
1·3-30·0,057·1 = 1,29 м²
Площадь живого сечения рекуператора
для прохода воздуха:
150·3,14·0,049²/4 = 0,28 м²
Находим средние секундные расходы
теплоносителей при температурах
и
:
3,24·(273+716)/273 = 11,76 м³/с
2,58·(273+210)/273 = 4,5 м³/с
Определяем фактические значения
скоростей теплоносителей при компоновке в коридорный пучок:
= 11,76/1,29 = 9,11 м/с
= 4, 5/0,28 = 16,1 м/с
Сравнивая фактические скорости
теплоносителей, полученные в результате расчета, с принятыми ранее, можно
сделать вывод об отклонении значений скоростей в допустимых пределах (± 5 %).
8. Автоматическое регулирование
тепловой нагрузки печи
печь тепловой баланс
нагрузка
Промышленная печь представляет собой
объект, который трудно поддается авторегулированию. Это объясняется спецификой
технологии нагрева и термической обработки металла. Поэтому разработанные и
используемые в настоящее время схемы могут быть отнесены к схемам частичного
автоматического регулирования тепловых процессов, сопутствующих нагреву. В них
фактически отсутствуют элементы автоматического регулирования тепловой
мощностью, автоматическое регулирование качества нагреваемого металла.
Работа современных пламенных
проходных термических и нагревательных печей не представляется без эффективно
действующих схем автоматического регулирования, т.к. изменение
производительности печи, номенклатуры изделия или заготовки, подвергающихся
тепловой обработке, вызывает одновременное изменение многих параметров,
характеризующих температурный и тепловой графики и экономичность ее работы.
К регулируемым величинам,
определяющим режим работы печи и качество нагреваемого металла, следует отнести
температуру рабочего пространства печи, соотношение "топливо-воздух",
давление в печи, скорость и температуру нагрева заготовки или изделия.
Регулирование температуры газов в
зоне в той или иной степени обуславливает косвенное регулирование температуры
поверхности металла.
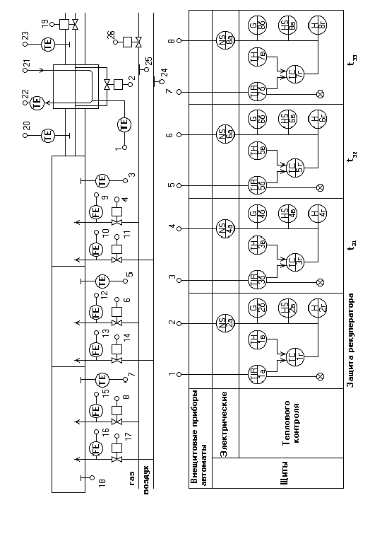
На рисунке приведена схема
автоматического регулирования и контроля параметров теплового режима камерной
печи.
Схемой предусмотрена защита
рекуператора от пережога, регулирование температуры и давления газа,
сигнализация падения давления и контроль параметров теплового режима печи.
Принципиальные схемы автоматического
регулирования и управления тепловой нагрузкой представлены ниже на рисунках 9.1
и 9.2:
Рисунок 8.1 - Схема автоматического
регулирования
Рисунок 8.2 - Схема автоматического
регулирования
Блок регулирования температуры (рис. 8.1).
Импульс отбирается с помощью термопары (рис. 8.1
поз. 1а) и по кабелю передается к автоматическому потенциалу (поз. 1б), затем -
к регулятору температуры (поз. 1г). Сюда же поступает сигнал от задатчика
предела регулирования (поз. 1в). На тепловом щите установлены: двухштифтовая
кнопка управления исполнительным механизмом при ручном регулировании, указатель
положения регулирующего органа (дроссельная заслонка на топливопроводе) и
переключатель схемы с автоматического на ручное регулирование температуры
продуктов сгорания топлива. На тепловом щите установлена сигнальная лампа HL1,
позволяющая судить о наличии на щите регулирования температуры напряжения.
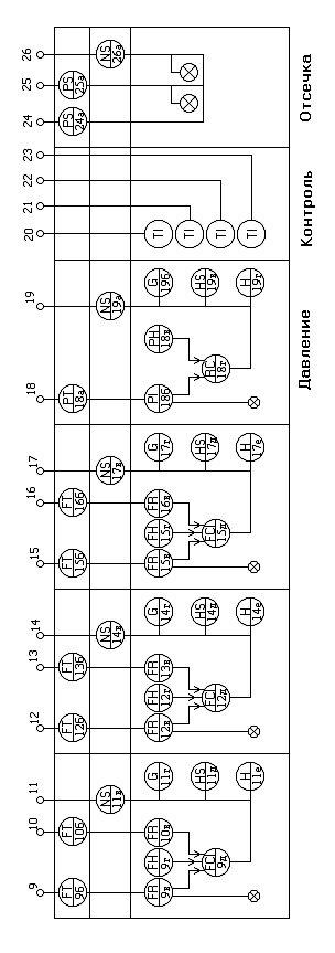
Блок регулирования давления атмосферы рабочего
пространства зоны (рис. 8.2).
Вне щита предусмотрен «слепой» преобразующий
механический импульс в электрический прибор. Для этой цели использован
дифференциальный манометр (обозначение на схеме - PT). За дифманометром импульс
передается по электрическому кабелю. Связь между элементами схемы
осуществляется электрическим кабелем.
Блок регулирования соотношения топливо-воздух
(рис. 8.2).
Изменение количества топлива, поступающего в
зону, дает возможность изменять (регулировать) температуру продуктов сгорания,
однако это всегда приводит к диспропорции между компонентами рабочей смеси, что
в свою очередь нарушает процесс горения топлива. Пропорционирование топлива и
воздуха окислителя в рамках принятого коэффициента избытка воздуха достигается
прикрытием-открытием дроссельного клапана на трубопроводе дутьевого воздуха.
Это делается с помощью блок-схемы регулирования соотношения топливо-воздух. Для
отбора механических (пневматических) импульсов используются измерительные
диафрагмы (рис. 8.2 поз. 5а и 6а), установленные соответственно на
трубопроводах топлива и воздуха окислителя. Механический импульс с помощью
трубок поступает к бесшкальным дифманометрам 5б и 6б (эти приборы установлены
вне щита). С помощью этих элементов схемы механический импульс преобразуется в
электрический и по электрическому кабелю передается к вторичным приборам поз.
5в и 6в (самопишущие расходомеры), а затем к регулятору соотношения 5д. К
последнему поступает сигнал от задатчика 5г. От регулятора электрический сигнал
передается к исполнительному механизму 7б, и на открытие-закрытие регулирующего
органа 7а. Для контроля за положением регулирующего органа, дистанционным
управлением исполнительным механизмом 7б и переключение схемы с ручного на
автоматическое регулирование предусмотрены элементы 7г (указатель положения
регулирующего органа), 7ж (двухштифтовая кнопка управления) и 7д (ключ
управления).
9. Технико-экономические показатели
Производительность по металлу: Р = 135 т/ч;
Марка стали: Ст45;
Расходы топлива:
;
;
;
Удельный расход натурального топлива
на 1 кг садки:
;
;
;
Полный расход натурального топлива
на 1 кг садки:
;
Удельный расход теплоты на 1 кг
садки:
;
;
Полный расход теплоты на 1 кг садки:
;
Расход условного топлива:
;
;
;
, где
Экономия теплоты топлива в результате
регенерации продуктов сгорания:
;
Снижение видимого расхода топлива:
,где
топливный эквивалент подогрева;
Технологический КПД установки:
;
;
;
Литература
1. Несенчук
А., Жмакин Н. Тепловые расчеты пламенных печей для нагрева и термообработки
металл, Мн., «Вышэйшая школа», 1974г.
2. Промышленные
теплотехнологии (машиностроительное и металлургическое производство). Несенчук
А. П., Тимошпольский В. И., Мн. «Высшая Школа» 1998г. ч3.
. Несенчук
А. П., Лисиенко В. Г., Тимошпольский В. И. и др. Высокотемпературные
теплотехнологические процессы и установки, Мн., «Вышэйшая школа», 1978 г.-320
с.:ил.
. Промышленные
технологии: Машиностроительное и металлургическое производство: В 2 ч. Ч. 2/ А.
П. Несенчук, В. И. Тимошпольский, Н. П. Подберезный и др.; Под общ. Ред. А. П.
Несенчука, В. И. Тимошпольского. - Мн.: Выш. Шк., 1997.
Приложение
Номограмма для определения
. Степень
черноты двуокиси углерода
Номограмма для определения
. Степень
черноты водяного пара
Поправочный коэффициент B на парциальное
давление водяного пара