Маятниковий поплавковий акселерометр
Вступ
Акселерометри -
датчики лінійних прискорень, призначені для вимірювання прискорення рухомого
об'єкту і перетворення в електричний сигнал. Сигнали, пропорційні прискоренню,
використовують для стабілізації й автоматичного управління рухомими об'єктами
на траєкторії. Термін акселерометр походить від латинського accelero - прискорити й грецькою 
- вимірювати, тобто
акселерометр - прилад, який вимірює розмір прискорення. Акселерометри вимірюють
уявне прискорення, що є різницею між абсолютним лінійним прискоренням об'єкта й
прискоренням сили тяжіння Землі.
На сучасних літаках,
ракетах, супутниках, машинах і космічних кораблях акселерометри застосовуються
в автопілотах для поліпшення характеристик стійкості і керованості об'єкту, а в
системах інерціальної навігації - як основні датчики, призначені для
вимірювання прискорення, з яким переміщається центр мас об'єкту. Акселерометри
також використовуються як індикатори площини горизонтування гіростабілізованих
платформ і інших пристроїв.
1. Огляд й аналіз
сучасних методів вимірювання низькочастотних прискорень
Акселерометр
уявляє собою прилад, який має інерційний елемент, переміщення котрого відносно
корпусу приладу обмежено пружнім зв’язком. По типу інерційного елемента
акселерометри бувають двох класів: осьові, маятникові.
Усі датчики прискорення,
незважаючи на типи застосованих перетворювачів переміщення маси чутливого
елемента (ЧЕ) в електричний сигнал й підвісу, розділяються на акселерометри
прямої дії, тобто без застосування зворотного зв’язку, й компенсаційні, в яких
здійснюється автоматичне зрівноваження інерційної сили ЧЕ з застосуванням
зворотного зв’язку.
Розділяють
низькочастотні акселерометри й віброакселерометри. Низькочастотні акселерометри
використовуються для систем орієнтації й автоматичного керування об'єктом, що
рухається. Віброакселерометри - для оцінки міцносних характеристик конструкцій.
Акселерометри
відрізняються один від одного за принципом дії, габаритами, вагою, конструкцією,
діапазоном вимірювання величин, чутливістю. Однак при всьому їхньому
різноманітті можна вказати основні ознаки, за якими акселерометри відрізняються
один від одного.
1. По характеру залежності між вимірюваним прискоренням і вихідним
сигналом, акселерометри можна розділити: на прості, однократно інтегруючі,
дворазово інтегруючі.
2. По виду переміщення інерційної маси акселерометри розділяються на
датчики з лінійним - осьовим переміщенням рухливої системи - осьові
акселерометри, і на датчики з кутовим переміщенням рухливої системи -
маятникові акселерометри
3. По способу підвісу інерційної маси акселерометри підрозділяються
на чотири групи:
· з пружинним підвісом рухомої системи;
· з механічним підвісом рухомої системи у твердих опорах;
· з гідравлічним: гідростатичним або гідродинамічним підвісом;
· з комбінованим підвісом рухомої системи.
4. По виду перетворення вимірюваної величини акселерометри
розділяються на датчики із прямим перетворенням і на акселерометри з
перетворенням, що врівноважується силою або моментом, які одержали назву
компенсаційних.
Найбільш
поширені в техніці одержали низькочастотні акселерометри, які використовуються
для рішення завдань керування на літаках, кораблях і ракетах.
1.1
Акселерометр прямого перетворення
Вимірювальні
схеми цих акселерометрів можна розділити на два класи. У першому випадку
чутлива маса рухається поступально уздовж осі, в іншому випадку вона має форму
маятника й робить кутові коливання під дією прискорення.
Кінематична схема
акселерометра з лінійним підвісом представлена на рис. 1.
Рис. 1
Чутливий елемент 1 масою
т підвішений у корпусі 4 на двох пружинах 2. Заспокоєння коливань чутливого
елемента здійснюється за допомогою демпфера 3, що може бути магнітоіндукційним,
рідинним або повітряним. Переміщення чутливого елемента, щодо корпуса
акселерометра можна виміряти за допомогою потенціометра 5.
До основних переваг цих
датчиків варто віднести їхню простоту й зручність в експлуатації. До недоліків:
1. Порівняно більшу основну похибку до 3% і нелінійність
характеристики
2. Низьку частоту власних коливань, що має значення одиниць -
десятків герц і як наслідок, можливість виміряти з малою динамічною похибкою
тільки сталі і інфранизкочастотні прискорення.
3. Значні переміщення чутливого елемента, що позначається на ресурсі
датчиків.
4. У випадку застосування повітряних демпферів, виникаюча сила через
стискальність повітря запізнюється відносно швидкості руху рухомої системи,
крім того, при більших швидкостях повітря, стискуючись, працює як пружина,
з'єднана паралельно основний, і на АЧХ з'являється другий резонанс.
У цей час не виявлено
шляхів корінного поліпшення характеристик подібних акселерометрів. У значній
мірі це визначається неможливістю одночасно домогтися малої статичної й
динамічної похибок. Так, для зменшення динамічної похибки необхідно збільшити
частоту власних коливань акселерометра, однак це пов'язане зі збільшенням
жорсткості пружини, а, отже, зі зменшенням чутливості та збільшенням статичної
похибки.
До
переваг маятникових акселерометрів варто віднести менший, у порівнянні з
осьовими, момент тертя і, у зв'язку із цим, більшу чутливість. Однак, у
порівнянні з осьовими вони мають додаткову похибку від вібрації та піддається
впливу перехресного прискорення, для компенсації якого вводяться додаткові
елементи, що ускладнюють конструкцію.
Слід зазначити, що
обидва розглянутих акселерометра мають лінійну характеристику в невеликому
діапазоні відхилень чутливого елемента. Збільшення діапазону відхилень тягне
використання нелінійних датчиків сигналу, виготовлення яких дорожче звичайних
лінійних.
.2
Компенсаційні акселерометри
Розглянуті
вище недоліки акселерометрів прямого перетворення привели до необхідності
розробки датчиків принципово іншого типу - компенсаційних акселерометрів.
У цих
датчиках виробляється автоматичне зрівноважування сили інерції чутливого
елемента силою, значення якої можна виміряти досить точно.
Розглянемо осьовий
компенсаційний акселерометр на рис. 2. У цьому датчику переміщення інерційного
тіла 3 з масою т відбувається уздовж прямолінійної напрямної, а інерційна сила
врівноважується силою «електричної пружини», що складає з датчика лінійних
переміщень ДП (наприклад, потенціометра); підсилювача В, і соленоїда зворотного
зв'язку С.
Рис. 2
Переваги осьового
компенсаційного акселерометра, у порівнянні з акселерометром розімкнутого типу,
очевидні. Це і лінійність градирувальної характеристики, і більше висока
частота власних коливань. До недоліків варто віднести складність конструкції
датчика і, як наслідок труднощі його виготовлення в малих габаритах.
У зв'язку зі складністю конструкції зменшується й надійність датчика.
Рис. 3
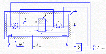
Розглянемо компенсаційний акселерометр маятникового типу рис. 3, відхилення
маятника 1 під дією прискорення перетвориться індуктивним датчиком сигналу 2 в
електричний сигнал. Цей сигнал після посилення й випрямлення подається на
обмотки моментного магнітоелектричного перетворювача 3, що створює момент, що компенсує
електричний струм
на
виході підсилювача 4, а, отже, і спадання напруги
,
створюване цим струмом на додатковому опорі, пропорційні вимірюваному
прискоренню а.
Для
демпфування коливань маятника, підсилювач містить коригуючу ланку.
З
розглянутого матеріалу стають очевидними переваги маятникових компенсаційних
акселерометрів, у порівнянні з датчиками без зворотного зв'язку та осьових
акселерометрів. Це:
Ø Найменший момент тертя в осях, що дозволяє досягти найбільшої
чутливості.
Ø Малі габарити.
Ø Порівняно проста конструкція.
Ø Досить висока лінійність характеристики за рахунок малого кута
відхилення маятника.
Однак основним недоліком
цих датчиків є їхня чутливість до перехресного прискорення.
1.3 Схеми побудови
акселерометрів
Найбільш поширені схеми
побудови акселерометрів такі:
1. Акселерометри з механічною пружиною. Вони застосовуються, коли
треба здійснювати вимірювання великого прискорення.
2. Акселерометри з електричною пружиною. Акселерометри з електричною
пружиною застосовуються, коли задана добротність перевищує (1-2)*102
й коли надаються жорсткі умови по забезпеченню стабільності нуля й лінійності
вихідної характеристики акселерометра
< 0,5%.
В залежності від
конструкції, акселерометри з електричною пружиною бувають: сухі та поплавкові.
1. «Сухі» акселерометри. Перевага таких акселерометрів - дуже просто
забезпечити стабільності коефіцієнта передачі й малий час готовності. А
недоліки - важкість забезпечення високої лінійності вихідної характеристики й
малого порога чутливості.
2. Поплавкові акселерометри. Перевага таких акселерометрів - висока
точність й малий поріг чутливості, які визначені суттєво меншим моментом
(силою) тертя в опорах; висока вібростійкість.
Рис. 4 Схеми побудови
чутливих елементів поплавкових акселерометрів:
- датчик кута; 2 -
опори; 3 - датчик моменту; 4 - ватажок; 5 - розпірка; 6 - опорні пружинки.
При використанні
акселерометра в системі інерції навігації виникає необхідність точного
інтегрування його показників.
В таких випадках
застосовують інтегровані акселерометри. А вони, в свою чергу, бувають наступні:
1. Інтегровані акселерометри з гідродинамічним підвісом.
Рис. 5. Схема
інтегрованого акселерометра з гідродинамічним підвісом:
- двигун; 2,3,6 -
торцеві та центральні електроди електролітичного датчика переміщення; 4 -
поплавець; 5 - корпус
2.
Маятникові інтегруючий акселерометри з обертовим магнітом.
Рис. 6. Схема
інтегруючого маятникового акселерометра з обертовим магнітом: 1 -
струмопровідний ковпачок; 2 - магніт; 3 - двигун; 4 - підсилювач; 5 - датчик
кута; 6 - маятник.
3. Акселерометри подвійного інтегрування.
Рис. 7. Схема
акселерометра подвійного інтегрування:
Всі ці схеми - є
поширені в конструюванні акселерометрів.
Дивлячись на конструкцію
приладу (акселерометра), можна помітити, що в акселерометрах є спільні
пристрої, а саме: датчик кута й датчик моменту. Отже розглянемо можливі
варіанти цих приладів для акселерометра, який розглядається в цій роботі.
Можливі варіанти
спільних пристроїв в поплавкових акселерометрах з електричною пружиною такі:) Індукційні
датчик кута застосовуються в приладах середньої й високої точності.
б) Автогенераторні
індукційні датчики застосовуються тільки в приладах середньої точності при
необхідності забезпечення малих габаритів, з-за можливого впливу на
характеристики приладу.
в) Оптичні датчики кута
(фотодатчики) застосовуються в приладах високої точності завдяки повній
відсутності в них моменту уходу.
Також є датчики моменту:
магнітоелектричні й феродинамічні.
На сучасних літаках,
ракетах, супутниках, машинах і космічних кораблях акселерометри застосовуються
в автопілотах для поліпшення характеристик стійкості і керованості об'єкту, а в
системах інерційної навігації - як основні датчики, призначені для вимірювання
прискорення, з яким переміщається центр мас об'єкту. Акселерометри також
використовуються як індикатори площини горизонтування гіростабілізуючих
платформ і інших пристроїв.
У основі конструкції
акселерометра - інерційна маса, яка переміщується в корпусі на пружині (або
іншому пружному елементі), реагуючи на сили інерції, що виникають при
прискоренні або уповільненні машини. Чим більше прискорення, тим більше
відхиляється інерційна маса. Коли сила інерції інерційної маси врівноважується
силою пружини, величина його зсуву від нейтрального положення, що свідчить про
величину прискорення (уповільнення), реєструється яким-небудь датчиком
переміщення і перетвориться в електричний сигнал на виході приладу. Цей сигнал
потім подається в електронний блок або бортовий комп'ютер для обробки.
Конструкція
акселерометра така, що він реагує тільки на ту складову прискорення, яка
співпадає з напрямом переміщення грузила, так званою віссю чутливості приладу.
Прості акселерометри мають
одну таку вісь, але є варіанти з двома або трьома осями чутливості. Особливість
акселерометра полягає також в тому, що через його принцип роботи він реагує не
тільки на силу інерції, а і на силу тяжіння.
При експлуатації
на рухомих об'єктах акселерометри піддаються кліматичним і механічним діям.
Земна атмосфера залежно від місця, часу року і висоти над рівнем моря має
широкий діапазон зміни стану по температурі, тиску, вологості, іонізації і
іншим параметрам. Для більшості приладів (зокрема, акселерометров) діапазон температур, в якому прилади повинні забезпечувати
нормальну роботу, лежить в межах від - 60 до 50
С. В окремих випадках температура повітря, що оточує прилад в
процесі експлуатації, може значно перевищувати +500С і досягати
величини +80 - 1000С. Сучасні прилади повинні забезпечувати
нормальну роботу при відносній вологості до 98% і запиленості повітря,
відповідності загальним технічним умовам. [1]
2. Вибір схеми
акселерометра
Конструктивну схему
приладу складають, виходячи з досвіду попередніх конструктивних розробок і
вимог технічного завдання з урахуванням технологічних можливостей підприємства
виготівника.
Для вибору схеми
акселерометра розрахуємо добротність приладу:
(1)
Найбільшу точність,
серед акселерометрів, мають компенсаційні акселерометри. Кінематична схема
такого акселерометра представлена на рис. №11.
На рисунку 11 зображено:
датчик кута 1, підсилювач 2 й датчик моменту 3 створюють
«електричну» пружину. Вихідним сигналом акселерометра є звичайно струм і,
який подається на датчик моменту
Компенсаційні
акселерометри мають дуже високу точність вимірювань за рахунок великої
жорсткості «електричної» пружини. Вона забезпечує малий кут
й
похибки, які виникають внаслідок нього, а також високу частоту власних коливань
й розширювання за рахунок цього динамічного діапазону вимірювань.
Маятникові
акселерометрів, у порівнянні з датчиками без зворотного зв'язку та осьових
акселерометрів. Це:
- найменший момент тертя
в осях, що дозволяє досягти найбільшої чутливості;
малі габарити;
порівняно проста
конструкція;
досить висока лінійність
характеристики за рахунок малого кута відхилення маятника.
В роботі ми вибираємо
маятниковий компенсаційний акселерометр. Виходячи з того, що задана добротність
в умові складає 0,8*105, а також лінійність вихідної характеристики
акселерометра
<
1%, що відповідає добротності електричної пружини і лінійності вихідної
характеристики. [1]
Електромеханічні вузли
компенсаційних акселерометрів бувають «сухі» і поплавкового типу з гідравлічним
розвантаженням опор.
Основні переваги
поплавкових акселерометрів - це висока точність і малий поріг чутливості, які
визначаються значно меншим моментом (силою) тертя в опорах.
В даній роботі ми
використовуємо акселерометр поплавкового типу. Ми керуємося тими параметрами,
що відповідає акселерометрам поплавкового типу, тобто забезпечення добротності
0,8*105 і порогу чутливості 0,75*10-4 g.
3. Рівняння руху
маятникового акселерометра
Кінематична схема маятникового акселерометра представлена на Рис. 12.
Рис. 12 Кінематична схема маятникового акселерометра:
- датчик кута; 2 - опора; 3 - рухомий вузол; 4 - датчик моментів
Навігаційний
акселерометр призначений для вимірювань лінійних прискорень центра мас.
Чутливий елемент акселерометра є інерційною масою m. Принцип дії
акселерометра полягає у вимірюванні переміщень інерційної маси, яка підвішена
на пружині, відносно корпуса приладу, тобто на вимірюванні інерційної сили, яка
діє на цю масу.
Навігаційні
акселерометри вимірюють тільки уявне, а не дійсне прискорення того місця
літака, де він знаходиться, тобто вони вимірюють різницю між прискоренням точки
установки акселерометра відносно нерухомої системи координат й прискоренням
сили тяжіння.
Рівняння
руху маси акселерометра показує, що по лінійному або кутовому переміщенню
вздовж осі чутливості інерційної маси можна судити про уявне прискорення точки
установки акселерометра на ЛА.
Маятниковий
акселерометр являється вимірювачем прискорень з кутовим переміщенням ЧЕ в
системі координат, жорстко зв'язаної з корпусом приладу. Чутливим елементом
являється плоский маятник, утворений масою т. Центр мас маятнику видалений від
осі обертання на відстані l. Два датчика: кутів і моментів встановленні на осі ξ. Рівняння руху
рухомого вузла акселерометра відносно корпуса має вид:

(2)
де 
- момент інерції
рухомого вузла, 
- коефіцієнт кутового
демпфірування, 
- кутова жорсткість
пружини, 
- маятниковість
рухомого вузла, 
- сума неврахованих
шкідливих моментів, які діють на вісь 
.
4. Визначення габаритів
акселерометрів і його маятниковості
.1 Визначення габаритів
акселерометра
Визначивши основну
конструктивну схему приладу, необхідно провести вибір величини маятниковості
його рухливого вузла.
Виходячи з
заданої ваги приладу Ga, визначимо об`єм приладу й площу поверхні. При цьому враховуємо,
що питома вага сучасних акселерометрів
(Н/м3)
.
Отже
(3)
При визначенні
площі поверхні акселерометра враховують, що раціонально спроектирований акселерометр має вид циліндру, довжина якого L приблизно в два
рази перевищує його діаметр D. Отже
(4)
(5)
Визначимо площу поверхні:
(6)
По площі S, максимальній температурі навколишнього середовища
(як
правило 60
),
максимально доступній робочій температурі приладу
(як
правило не більше 80-100
),
визначимо допустиму потужність, що виділяється елементами акселерометра[1]:
(7)
де
=1,2
1,5,
-
коефіцієнт теплопередачі (для
повітря при нормальному тиску, температурі навколишнього середовища 20-60
і природній конвекції
= 7
9 Вт/(м2*град).
Підставляючи параметри приладу,
маємо:
Прилад не повинен
перегріватися при експлуатації як на об'єкті, так і при лабораторних
випробуваннях.
Розрахункове
значення
вибираємо
як 0,8 - 0,9 від отриманого по формулі.
Тобто
(8)
.2
Визначення характеристик датчика моменту
Визначимо
потужність, що споживає датчик моменту приладу
, враховуючи, що
потужність, що виділяється рештою елементів акселерометра (датчик кута, опори),
для раціонально спроектованих приладів не перевищює 10% від загальної
потужності.
(9)
За отриманою
потужністю датчика моменту оцінюємо максимальний момент, який може розвивати
датчик. При цьому враховується, що у раціонально спроектованих акселерометрах
вага датчика момента складає 40% від загальної маси «сухих» акселерометрів і
30-40% від загальної маси поплавкових акселерометрів[2]:
(10)
Визначимо також
об'єм датчика моменту, враховуючи, що питома вага датчика моменту
(11)
Зовнішній диаметр
датчика:
Довжина
датчика:
(12)
Далі визначимо максимальний
момент, який розвиває датчик моменту:
при
;
(13)
. Датчик моменту
з обвитками у вигляді ковпачка.
2. Датчик моменту з обвитками у вигляді ковпачка з кількістю рамок,
яка дорівнює кількості полюсів магніту.
. Датчик моменту з
плоскою рамкою.
Виходячи із проведених
розрахунків, в даній роботі ми будемо використовувати датчик моменту з
обвитками у вигляді ковпачка. Схема такого датчика моменту зображена на рис. 13.

Рис. 13 Датчик моменту з
обвитками у вигляді ковпачка
.3 Визначення
маятниковості акселерометра
Маятниковість рухомого вузла акселерометра визначаємо за формулою:
(14)
(15)
Із формул:
(16)
(17)
Нехтуючи
,
запишемо:
;
(18)
Враховуючи, що
для
поплавкових приладів з діапазоном вимірюваних прискорень
,
отримаємо масу рухомого вузла
Тоді
;
(19)
4.4
Розрахунок опор
;
Кінцевий вираз
отримаємо:
(20)
;
(21)
Із умови
визначимо
доступний коефіціент тертя в опорах приладу
. Такий же порядок
повинен мати
.
Оцінимо
можливість застосування в приладі камяного підшипника. Згідно
,
де
-
коефіціент тертя кочення. Для пари карбид вольфрама (цапфа) - сапфір(втулка)
.
Тоді діаметр цапфи дорівнює:
Реалізувати підшипник з такою цапфою неможливо, тому у приладі
можуть використовуватись лише віброопори або розтяжки.
4.5 Визначення
максимального кута відхилення чутливого елемента
Максимальный кут відхилення рухомого вузла акселерометра ввизначається за формулою:
(22)
де k - крутизна тракту.
Отже, підставляючи в рівняння дані, отримаємо:
Отже,
максимальний кут відхилення маятника буде менше градуса - 0,10, що є
для акселерометрів нормою.
Оскільки при
використанні розтяжок рекомендовано застосовувати індукційний датчик кута. [4]
Найчастіше у
приладобудуванні використовуються два типи індукційних датчиків кута: кільцеві
та рамочні. Оскільки вибраний датчик повинен підходити нам не лише за
діапазоном вимірювань, а й за габаритами, тому вибираємо кільцевий датчик.
Індукційні кільцеві
датчики кута являють собою поворотні трансформатори плоского типу зі змінним
коефіцієнтом трансформації, який міняється в залежності від відносного
положення ротора і статора датчика. [4]
За принципом зміни
коефіцієнта взаємоіндукції між первинною та вторинною обмотками кільцеві
датчики поділяють на три типи:
1. Датчики із зосередженими чи розподіленими обмотками на статорі та
роторі.
2. Датчики з короткозамкненою обмоткою на роторі.
. Датчики без обмотки на
роторі.
Згідно конструкторських
міркувань та задля синхронності передачі кута вибираємо датчик з обмотками на
роторі і статорі. В наш час такий датчик є найбільш поширеним в гіроскопічних
приладах. Магнітопровід датчика складається з двох кілець (рис. 14), в пази
яких укладено по дві електрично ваємоперпендикулярні обмотки. З метою
виключення впливу ексцентриситета на роботу датчика кута обмотки роблять
багатополюсними. Для зменшення реактивних моментів виконують скіс пазів
внутрішнього та зовнішнього магнітопроводів на одну зубцеву поділку.
Рис. 14 Схема кільцевого
датчика кута
4.6 Визначення постійної
часу
Розглядаючи рівняння
руху системи в операторній формі, тобто:
(23)
Можно записати, що постійна часу ЧЕ (Т), буде визначатися за наступною формулою, (яка
була взята з виведення рівняння в операторній формі):
(24)
де J - момент інерції (
), С - коефіцієнт
кутової жорсткості пружини.
Отже,
підставляючи всі дані в рівняння (24), маємо:
.
Як бачимо, постійна часу дуже мала, що забезпечує швидку роботу
приладу.
4.7 Визначення коефіцієнта згасання коливань
Коефіцієнт
згасання коливань, це визначення такого коефіцієнта, при якому період власних
згасаючих коливань був якомога малий.
Отже, з рівняння
(34) ми можемо записати заміну
, де
,
значить:
(25)
- коефіцієнт
демпфірування (0,77)
Отже,
підставляючи всі дані в рівняння (25), маємо:
.8 Розрахунок сильфону
Сильфони по ГОСТ
17211-71 з полу томпаку (Латуні Л80) використовують для роботи при температурі
від мінус 60 до плюс 1000С.
Стандартом передбачення
використування сильфонів, котрі зображенні на риc.15. [1]
Основні розміри: D = 2RH
= 11-160 мм, d = 2RB
= 8,5-125 мм, S = 0,08-0,25 мм, t
= 1,2-6,5 мм, L = 12-180 мм, число гофри n = 4-25
Виходячи з
розрахунків, ми можемо прийняти параметри - D
= 25 мм,
d
= 10 мм, площа S
= 120мм2. Число гофри - 5. Початковий
об’єм рідини в сильфоні - 100 мл.
Рідина, яка заповнює
сильфон - спирт етиловий. Для визначення максимального об’єму розширення
сильфону скористаємося формулою:
де V0
- початковий коефіцієнт розширення рідини приладу,
-
коефіцієнт об`ємного розширення спирту (
),
-
різниця перепаду роботи температур
(|600|+0=600=343,15K).
рис. 15 Сильфон
Отже,
використовуючи параметри, визначимо максимальний об`єм
розширення
сильфону:
Тобто, об’єм, на
котрий розшириться сильфон, буде приблизно 5 мл, що є задовільним об’ємом
збільшення сильфону в маятникових акселерометрах.
5. Визначення похибок від
дії шкідливих моментів
Статистична похибка
акселерометра визначається наявністю «шкідливих» моментів, діючих на рухомий
вузол акселерометра і перешкоджаючих його руху сил, які визвані наявністю
інерційних моментів.
По виду
утворюючої похибки шкідливі сили, які діють на рухомий вузол акселерометра,
можуть бути розділені на три групи: моменти сил тертя, моменти сил тяжіння,
впливу моменту М(
),
який діє вздовж вимірюваної осі, впливу моменту від вихідної величини тракту, впливу
від перехресного прискорення.
5.1
Вплив сили тертя
Похибка від момента тертя визначається через мінімальне прискорення,
яке вимірюється приладом
(поріг чутливості приладу):
Момент шкідливих сил:
(27)
(28)
Підставляючи (27)
в (28) отримаємо розрахункове прискорення
(29)
. (30)
Крім того, похибка від момента тертя може бути визначена, як нелінійність вихідної характеристики приладу:
; (31)
. (32)
.2
Вплив сил тяжіння
Моментом тяжіння називається
постійна складова «шкідливого» моменту (без тертя), що діє на рухомий вузол при
узгодженому положенні датчика кута приладу. Причинами появи моменту тяжіння можуть бути
конвекційні потоки демфіруючої рідини, деформації токоподводів, неякісна збірка приладу, в
результаті якої не забезпечено збіг положення електричного нуля датчика кута
приладу з нульовим положенням його по моменту тяжіння і так далі.
Момент тяжіння визначає рівень нульового сигнала акселерометра й похибку від нього:
(33)
Припустимо,
що рівень нульового
сигнала акселерометра
відповідає
мінімальному прискоренню
Значить
виходячи з формули (33), маємо
(Н*м) (34)
В акселерометрах з
електричною пружиною Мтяж взагалі
визначається неточністю проведення токопроводів й датчика кута, а також
магнітними тяжіннями датчика кута й моменту.
5.3 Вплив моменту від
вихідної величини тракту
Момент М(
) впливає на крутизну вихідної характеристики приладу.
Нестабільність коефіцієнта k1 - й нелінійність залежності момента
M(
)
викликають появу нестабільності й нелінійності масштабного коефіцієнта й
нелінійності вихідної характеристики акселерометра. Похибка від нестабільності
коефіцієнта k1
й нелінійності моменту M(
)
можна записати як:
(35)
де
,
- максимальне й мінімальне значення k1 в диапазоні
відхилень рухомого вузла, С - кутова жорсткість пружини.
Крутизну тракту розвантаження
k визначають, виходячи з умов допустимої нелінійності і
нестабільності вихідної характеристики акселерометра з урахуванням нелінійності
і нестабільності підсилювально-перетворюючих пристроїв. Дифферинцюючи рівняння
поточної чутливості приладу:
, (36)
де
-
кутова жорсткість підвісу,
- жорсткість
електричної пружини,
- передатний коефіцієнт датчика сигналу
акселерометра й підсилювально-перетворюючого пристрою (при його наявності), ml - маятниковість ЧЕ.
По
зазначимо
,
отримаємо:
(37)
Переходячи до приростам й враховуючи, що 

>
, запишемо
(38)
звідки:
(39)
Зазвичай датчик
кута акселерометра і підсилювач-перетворювач забезпечує
=
10%.
Виходячи з умов
завдання і конструкторських міркувань, допустимо, що
=
Отже:
(40)
Кутова жорсткість
пружини складається з двох складників: механічної складової (СМ) й
електричної складової (СЕ).
Механічною
складовою кутової жорсткості пружини є звичайна жорсткість пружини. Тобто,
(41)
Наступна складова
кутової жорсткості пружини - це електрична складова (СЕ).
Ця складова (СЕ),
входить в рівняння моменту, який діє по осі
.
Тобто,
(42)
де
-
максимальний кут відхилення ЧЕ, ml
- маятниковість ЧЕ,
- прискорення, яке діє
по цій осі
Отже, виходячи з
рівняння (42), запишемо рівняння для знаходження СЕ:
(43)
Запишемо рівняння
для знаходження кутової пружності пружини, з рівнянь (41) і (42):
(44)
Отже, знайшовши
всі складники рівняння (35), запишемо:
(33)
Ця похибка
задовільна для компенсаційного акселерометра.
Постійна часу ЧЄ
- дуже мала, що забезпечує швидку роботу приладу.
Висновки
В даній курсовій роботі
було розглянуто різні види та схеми побудови акселерометрів. Було вибрано та
спроектувано найбільш оптимальний згідно технічного завдання прилад - маятниковий акселерометр
компенсаційного типу.
Згідно проведених
розрахунків, було підібрано основні складові елементи акселерометра, а саме:
опори, датчик моменту та датчик кута.
В роботі було визначено:
максимальний кут відхилення ЧЕ й інші характеристики акселерометра (розрахунок
сильфону, визначення постійної часу, коефіцієнта згасань коливань).
Також було розглянуто
вплив деяких похибок, а саме: від моменту тертя, від моменту тяжіння, від
коефіцієнта крутизни тракту.
Список використаної
літератури
акселерометр маятниковий
рух похибка
1. С.Ф. Коновалов,
Е.А. Никитин, Л.М. Селиванова Гироскопические системы|Проектирование гироскопических систем (3 том). МОСКВА «Высшая
школа», 1980 г.
2. Никитин Е.А. Балашов
А.А. Проектриование дифференцирующих и интегрирующих гироскопов и
акселерометров - Москва 1969 г.
4. Первицкий Ю.Д. Расчёт и конструирование точных механизмов. -
Ленинград: «Машиностроение» Ленинградское отделение, 1976 г.
. Мєлєшко В.В. Методичні вказівки до виконання лабораторних
робіт «Акселерометри» по курсу «Навігаційні прибори та системи» для студентів
спеціальності «Гироскопические приборы и устройства» / - Киев, 1987. - 28 с.
. Б.Б. Самоткин, В.В.
Мелешко, Ю.В. Степанковский «Навигационные приборы и системы» / - Киев, 1986.
. В.І. Дубінец, К.А. Спаравало Завдання на контрольні
розрахунково-графічні роботи з використанням ЕВМ по курсу «Розробка
інтелектуальних приладів та систем» для студентів спеціальності
«Приладобудування», Київ НТУУ «КПІ» 2004.