Исследование петлевого устройства стана 1700 ПХЛ ОАО 'Северсталь' и разработка метода, позволяющего с высокой степенью точности определять положение сварного шва в петлевом устройстве

  • Вид работы:
    Дипломная (ВКР)
  • Предмет:
    Другое
  • Язык:
    Русский
    ,
    Формат файла:
    MS Word
    1,35 Мб
  • Опубликовано:
    2013-02-13
Вы можете узнать стоимость помощи в написании студенческой работы.
Помощь в написании работы, которую точно примут!

Исследование петлевого устройства стана 1700 ПХЛ ОАО 'Северсталь' и разработка метода, позволяющего с высокой степенью точности определять положение сварного шва в петлевом устройстве

Введение

Для обеспечения непрерывной обработки листового металла на станах бесконечной холодной прокатки используются петлевые устройства. В этом случае необходимым элементом оборудования стана является стыкосварочная машина, которая используется для сварки концов предыдущего и начала следующего рулонов металла. Сварное соединение вносит возмущение в технологический процесс, поэтому важной задачей является точное определение координаты местоположения сварного шва.

Целью дипломного проекта является исследование петлевого устройства стана 1700 ПХЛ ОАО «Северсталь», и разработка метода позволяющего с высокой степенью точности определять положение сварного шва в петлевом устройстве.

Задачи, решаемые в ходе дипломного проектирования:

1)       Провести анализ существующей системы слежения за координатой сварного шва;

2)      Разработка математического описания работы петлевого устройства;

)        Разработка функциональной схемы системы слежения за координатой сварного шва в петлевом устройстве;

)        Произвести выбор оборудования и технических средств автоматизации;

)        Разработать имитационную модель работы петлевого устройства и реализовать ее с помощью пакета Matlab.

1.      Технологическая часть


Пятиклетевой стан 1700 ПХЛ ОАО «Северсталь» предназначен для придания полосе металла необходимой толщины путем ее обжатия при прокатке в клетях. Прокатка в клетях стана происходит непрерывно, для чего стан 1700 оборудован двумя разматывателями, стыкосварочной машиной, петлевым устройствем и двумя моталками. По окончанию размотки очередного рулона его задний конец сваривается с передним концом следующего рулона. Полоса набирается в петлевое устройство, а из него выбирается в клети стана. Такой способ прокатки увеличивает производительность стана - полоса, выбираемая из петлевого устройства, прокатывается независимо от работы разматывателей и стыкосварочной машины. Однако имеется одно условие - сварной шов, образующийся при сварке концов полос, необходимо прокатывать на низкой скорости во избежание обрыва полосы и, как следствие, повреждения валков. Задачу отслеживания положения шва в петлевом устройстве и выдача сигнала в систему управления замедлением стана при прокатке участка полосы, содержащего сварной шов или дефект (выдача управляющего воздействия в систему управления) реализует система слежения за координатой сварного шва в петлевом устройстве. Система отслеживает и выдает управляющее воздействие в систему управления замедлением стана при подходе шва к первой клети. За счет этого шов прокатывается в клетях на безопасной для целостности полосы скорости. Помимо слежения за швами данная система выполняет и другие важные функции:

-        отслеживание положения дефектов полосы в петлевом устройстве;

-        определяет запас полосы в петлевом устройстве;

         определяет расстояние от сварных швов и дефектов полосы до первой клети стана.

1.1    
Краткая характеристика технологического процесса

Структурная схема технологического процесса пятиклетьевого стана холодной прокатки 1700 представлена в Приложении А.

слежение сварной шов автоматизация

Таблица 1.1. Технические данные стана «1700»

Толщина подката, мм

1,5…6,0

Толщина полосы на выходе стана, мм

0,35…3,0

Ширина подката, мм

700…1550

Внутренний диаметр рулона, мм

600

Наружный диаметр рулона, мм

1200…2200

Масса рулона, т

до 30

Диаметр рабочих валков, мм

600…570

Диаметр опорных валков, мм

1500…1420

Длина бочки валков, мм

1700

Максимальная окружная скорость рабочего валка, /с:


1 клеть

12,5

2 клеть

16

3 клеть

20

4 клеть

24

5 клеть

30

Максимальная скорость прокатки, м/с

30

Заправочная скорость, м/с

1…1,5

Запас полосы в устройстве, м

» 800


Технологический процесс прокатки металла на стане 1700 проходит следующим образом:

Рулоны, поступившие из ЛПЦ мостовым краном или другим транспортным средством, подаются поочередно на шаговые конвейеры разматывателей N1 и N2. Каждый разматыватель обслуживается приемным столом. Столы транспортируют рулоны в позицию задачи на разматыватель. Подготовленные к прокатке рулоны приемным столом автоматически устанавливаются на барабан одного из разматывателей. После установки рулона на барабан разматывателя отгибается передний конец полосы и задается в правильно тянущие ролики у разматывателя N1 или в тянущие ролики у разматывателя N2. Подготовленный передний конец полосы транспортируется в позицию ожидания перед обводным роликом.

После размотки предыдущего рулона, с какой-либо позиции разматывателя, подготовленный передний конец полосы последующего рулона центруется и правится в правильно-тянущей машине и подается к ножницам, где задний и передний дефектные концы полосы режутся на листы мерной длины, которые направляются в короб для обрезков.

Обрезанный передний конец полосы или задний транспортируется к ножницам для выравнивания конца полосы по ширине, где обрезанный задний конец полосы, предыдущего рулона или передний конец последующего рулона, имеющий большую ширину, чем стыкуемый обрезается до ширины меньшей полосы. Подрезанные концы полос подаются в стыкосварочную машину (далее ССМ). Концы полос одинаковой ширины подаются сразу в ССМ, где производится сварка.

После сварки и зачистки грата полоса разгоняется до рабочей скорости и транспортируется в петлевое устройство.

Для обеспечения непрерывности процесса прокатки во время сварки концов полос в головной части стана установлены: тянущая станция, петлевое устройство с системой натяжных механизмов, центрирующих и поддерживающих роликов, для накопления около 850 метров полосы.

Перед первой клетью стана установлены: центрирующий ролик, устройство для закрепления полосы при перевалках опорных валков, гильотинные ножницы.

Прокатка полосы в стане осуществляется непрерывно. Для контроля технологического процесса прокатки: перед 1-ой клетью, в межклетьевых промежутках и за 5 клетью расположены измерители толщины полосы; в межклетьевых промежутках установлены измерители натяжения полосы, за 5 клетью установлен измеритель зонных натяжений полосы, в каждой клети установлены преобразователи усилий прокатки.

По окончании намотки полосы на одну из моталок, скорость стана снижается, увеличивается усилие прижатия подающими роликами полосы, создавая определенные натяжения полосы на разных участках, и производится рез полосы.

Передний конец полосы подающими роликами через магнитный транспортер, обводной ролик передаются на моталку №2, где при помощи ременного захлёстывателя полоса подматывается на барабан моталки. После 3…5-ти витков, захлёстыватель отводится в исходное положение, и стан разгоняется до рабочей скорости.

При заправке полосы на моталку №1, передний конец полосы отклоняющим роликом направляется к барабану моталки и дальнейшие операции повторяются как на моталке №2.

Прокатанные рулоны снимателями транспортируются от моталок к шаговому конвейеру. На шаговом конвейере рулоны перемещаются вначале в позицию для автоматической обвязки рулона по окружности и далее в позицию взвешивания.

С шагового конвейера с последней позиции рулоны могут быть сняты мостовым краном и с помощью кантователя переданы на следующий шаговый конвейер, где рулоны транспортируются в вертикальном положении и снимаются мостовым краном для дальнейшего прохождения металла по технологическому потоку.

Условно стан можно разделить на 3 части: головную, серединную и хвостовую.

Хвостовая часть стана состоит из летучих ножниц, участка намотки с двумя моталками, участка выгрузки рулонов.

Серединная часть стана состоит из пяти рабочих клетей, которые оснащены гидравлическими нажимными устройствами, механизмами установки валков на уровень прокатки, механизмами перевалки опорных и рабочих валков, устройствами противоизгиба и дополнительного изгиба рабочих валков. В каждой клети установлено по 4 валка: два опорных и между ними два рабочих валка.

В дипломной работе наибольший интерес для нас представляет головная часть стана. Остановимся на ее устройстве более подробно.

Головная часть стана оборудована участком загрузки рулонов, участком размотки с двумя разматывателями, правильно-тянущей машиной, высечными ножницами, ССМ, тянущей станцией, многоярусным петлевым устройством горизонтального типа для накопления около 850 м полосы.

Процесс прохождения полосы стали по головной части стана протекает следующим образом.

В разматывателе происходит отгибание и подача переднего конца полосы в правильно-тянущую машину для выравнивания полосы по оси стана.

Далее конец полосы подается к высечным ножницам. Если конец полосы содержит дефекты, они вырезаются. В случае, если предыдущая полоса имеет меньшую ширину, чем данная, то передний конец данной полосы режется по ширине до ширины предыдущей полосы. После этого оба конца транспортируются в ССМ, где происходит их сварка. Рядом со швом в середине полосы пробивается контрольное отверстие, которое нужно для отслеживания передвижения сварного шва.

После сварки головная часть стана разгоняется до рабочей скорости, происходит заполнение петлевого устройства. Одновременно с этим полоса предыдущего рулона выбирается из петлевого устройства для прокатки в клетях стана и намотки на моталку. Тянущие тележки петлевого устройства, поддерживая натяжение полосы, перемещаются в сторону стана. Перед первой клетью требуемое натяжение создается натяжной станцией.

Прокатка полосы в рабочих клетях осуществляется непрерывно на постоянной рабочей скорости (средняя скорость около 12 м/с).

1.2 Виды сварных соединений

Существуют следующие характерные отметки на полосе, при прокатке которых происходит автоматическое снижение скорости прокатки (до 2,5 м/с).

1. «травильные» швы. В данных швах полосы металла свариваются на агрегатах травления и сопровождаются контрольным отверстием в месте сварки полос;

2. швы стана. К этому типу относятся сварные швы, которые формируются на самом стане и также имеют контрольное отверстие. В зависимости от назначения швы стана делятся на:

·   межрулонный - шов для сварки рулонов одной плавки

(см. рис. 1. А, Б, Ж);

·   межзаказной (переходной) - шов для сварки рулонов разных плавок (см. рис. 1. В, Г, Д, Е, З);

·   «свой» - шов, который возникает в результате вырезания сильных дефектов полосы или некачественных травильных швов;

3. дефекты полосы. К местным дефектам полосы относят брак агрегатов травления, механические повреждения при транспортировке или обработке металла на предыдущих агрегатах (завальцовка, надрывы краев и пр.). В процессе заправки полосы, данные дефекты визуально определяются оператором на посту управления стыкосварочной машиной (ПУС);

Существуют следующие возможные конфигурации участка сварного соединения полос, с которыми вы можете ознакомиться на рисунке:

Рис. 1. Возможные конфигурации участка сварного соединения полос

1.3 Описание конструкции петлевого устройства

Петлевое устройство предназначено для создания запаса полосы, обеспечивающего непрерывную работу стана при остановке машин головной части в период сварки. [14]

Таблица 1.2 Основные технические характеристики петлевого накопителя и регулятора натяжения перед первой клетью (танцующий ролик)

Петлевое устройство


Запас полосы в петлевом устройстве, м.

»850

Ход тележки канатного барабана, м.

»100

Скорость перемещения тележки, м/с

до1,5

Диаметр канатного барабана, мм.

1600

Регулятор натяжения (танцролик)


Максимальный угол поворота рычага с роликом, град

21,5

Гидроцилиндр уравновешивания ролика, шт.

2

Диаметр поршня, мм

100

Ход штока гидроцилиндра, мм

400

Давление в гидросистеме, Мпа

6,3

Скорость перемещения штока, м/с

0,05



Петлевое устройство расположено под оборудованием головной части стана в бетонном тоннеле глубиной до 15 метров и длиной около 140 метров.

На входе полосы в петлевое устройство на уровне пола цеха установлено натяжное устройство №1 (далее НУ №1), обеспечивающее расчетное натяжение полосы в петлевом устройстве. От натяжного устройства полоса поступает вниз к петлеобразующим тележкам, расположенным одна под другой. Поочередно огибая барабаны тележек и барабаны центрирующих устройств, полоса образует четыре горизонтальных петли, длина которых изменяется при перемещении тележек по рельсам, закрепленным на металлоконструкциях. Перемещение тележек в одну сторону осуществляется канатным приводом, включающим в себя электропривод, канатные барабаны, и блоки, в другую сторону - за счет выбора из петлевого устройства находящейся под натяжением полосы.

На выходе из петлевого устройства полоса проходит двухроликовое центрирующее устройство и натяжное устройство №2 (далее №2) обеспечивающие вместе с регулятором натяжения заданное натяжение перед станом.

Далее полоса огибает ролик регулятора натяжения, направляется вверх и на уровне пола цеха через ролик центрирующего устройства направляется к клети №1.

1.4 Принцип работы петлевого устройства

Непрерывная работа стана в период сварки полосы обеспечивается запасом полосы в петлевом устройстве, поэтому петлевое устройство нормально заполнено. Заполнение петлевого устройства полосой осуществляется за счет превышения скорости движения полосы в головной части над скоростью движения полосы на входе в стан [14].

При заполнении петлевого устройства полосой, тележки, проходя между парой поддерживающих роликов, поворачивают их в рабочее положение, при этом ролики подводятся под полосу. При опорожнении петлевого устройства, тележки, проходя между парой поддерживающих роликов поворачивают их в исходное положение, освобождая себе проход.

Положения роликов контролируются конечными выключателями КВП-16. Положения тележек относительно поддерживающих роликов контролируется датчиком ВПФ-11 установленным на приводе канатных барабанов. При выходе тележки из зоны роликов (3 м от оси роликов в обе стороны) ролики должны занимать крайние, фиксированные конечными выключателями, положения. При недовороте роликов подается команда на остановку головной и входной части стана.

При заполнении петлевого устройства тележки входят в зону синхронизации скоростей входной и головной части стана. Датчики ДПУ1-40, установленные вдоль пути движения тележек, последовательно дают команду: на начало торможения головной части стана; на остановку транспортных механизмов головной части стана при полном заполнении петлевого устройства (при выходе тележек из зоны синхронизации - аварийная остановка). При незначительных отклонениях величины скорости движения полосы в головной и входной части стана тележки перемещаются в зоне синхронизации. В результате перемещения тележек, в схему управления транспортными механизмами головной части от сельсин-датчика БД-1501, установленного на приводе канатных барабанов, подается сигнал на увеличение или уменьшение скорости движения полосы.

При опорожнении петлевого устройства в период сварки, тележки в конце хода воздействуют на установленные вдоль рельсового пути датчики ДПУ1-40, которые последовательно дают команду: на работу стана на пониженной скорости; на фиксированную остановку стана при полностью выбранной полосе (одновременно подается звуковой и световой сигналы).

При остановленной головной части стана и самого стана полоса в петлевом устройстве находится под натяжением. В этом случае предусматривается режим «покачивания якоря» привода канатных барабанов в обе стороны на 300º. Натяжение в этом режиме частично сбрасывается. На пост управления подается звуковой и световой сигнал о включении «режима покачивания».

Центрирование полосы в петлях осуществляют три однороликовых и одно двухроликовое центрирующие устройства. При смещении полосы относительно оси стана фотодатчики следящей системы фиксируют это смещение и дают команду на перемещение рамы с роликом гидроцилиндром в сторону, противоположную смещению полосы, создавая тем самым возможность для обратного смещения полосы. Фотодатчики следящей системы стационарные и не требуют перенастройки на всем диапазоне ширин прокатываемых полос.

Принцип работы центрирующего устройства перед клетью №1 тот же, что и у вышеописанных, устройств, но более высокие требования к точности центрирования определили иную конструкцию и порядок работы фотодатчиков: при изменении ширины полосы необходима перенастройка фотодатчиков на кромку полосы. Команда на перенастройку фотодатчиков подается оператором или от АСУ ТП.

Заданное натяжение полосы перед клетью №1 поддерживает регулятор натяжения. При натяжении полосы равным нулю гидроцилиндры регулятора уравновешивают рычаг с роликом и создают усилие предварительного сжатия в пружинах. В этом положении кодовый датчик КД-4МК настраивается на ноль. Оператором или АСУ ТП определяется необходимое входное натяжение для клети №1. АСУ ТП вычисляет соответствующее этому натяжению положение рычага с роликом (заданное положение), контролирует с помощью кодового датчика его отклонение от заданного положения, и в зависимости от этого отклонения, выдает сигнал, корректирующий скорость НУ №2 через систему управления скоростными режимами стана. За счет изменения скорости натяжного устройства меняется положение рычага с роликом, что обеспечивает соответствующее изменение натяжения полосы перед клетью №1. При этом гидроцилиндры гасят мелкие колебания рычага с роликом. При достижении рычага с роликом крайних положений в АСУ ТП от конечных выключателей КВП-16 выдается сигнал о ненормальной работе регулятора.

При работе нажимных устройств на рабочей скорости прижимные ролики отведены. Прижимные ролики НУ №1 прижимаются в режимах заправки, сварки, резки полосы и остановки головной части стана. Управление - ручное и автоматическое. Прижимные ролики прижимаются к полосе автоматически при работе головной части стана на заправочной скорости и при остановке головной части; отводятся автоматически при переводе головной части стана на рабочую скорость. Прижимные ролики натяжного устройства №2 прижаты в режимах заправки и остановки входной части стана. Управление - ручное. При прижатии роликов в режимах сварки, и остановки головной и входной частей стана на привода НУ №1 и №2 накладываются тормоза.

Во всех режимах кроме удержания полосы перед клетью №1 во время остановки входной части стана и последующей ее задачи, приводной ролик отведен. Отведенное положение ролика фиксируется конечным выключателем КВП-16.

В петлевом устройстве предусмотрена система слежения за прохождением сварного шва. Импульсные датчики ПДФ-5 установленные на обоих натяжных устройствах, а также индикатор контрольных отверстий ИКО-5, установленный перед стыкосварочной машиной (далее ИКО-1) и за НУ №2 на расстоянии 23,4 м., от первой клети (далее ИКО-2), контролируют положение сварного шва и выдают информацию на АСУ ТП.

Установленные в петлевом устройстве датчики крайнего положения полосы БКС-2 (два комплекта в районе центрирующих устройств с одним роликом, два комплекта на центрирующем устройстве с двумя роликами, два комплекта на центрирующем устройстве перед клетью №1) фиксируют выход кромки полосы за зону действия системы автоматического центрирования полосы и дают команду на останов стана.

1.5 Виды петлевых устройств

Существует несколько видов петлевых устройств, которые отличаются друг от друга, в основном, способом заправки полосы (горизонтальные (рис. 2) или вертикальные (рис. 3)), количеством петель для накопления полосы металла и возможным запасом полосы.

Рис. 2. Петлевое устройство горизонтального типа, с четырьмя петлями

Рис. 3. Петлевое устройство вертикального типа

Непрерывность процесса прокатки достигается именно за счет запаса полосы в петлевом устройстве. Так при отсутствии запаса полосы в петлевом устройстве средняя часть стана будет вынужденно простаивать. В связи с этим, информация о длине полосы металла в петлевом устройстве является необходимым компонентом для эффективной работы технологов стана непрерывной прокатки.

Неправильные показания и расчет запаса полосы в петлевом устройстве могут привести как к появлению дефектов у обрабатываемой полосы, так и к аварийным ситуациям. Негативные последствия может вызвать также и неточное определение положения сварного соединения, так при подходе шва к первой клети стана необходимо своевременное снижение скорости прокатки. Следовательно, нужно точно рассчитать скорость движения шва на различных участках головной части стана, а также определить координату местоположения шва от стыкосварочной машины до первой клети стана.

1.6 Методы определения положения сварного шва

Основным методом определения положения сварного соединения является нанесение различных меток на полосу и дальнейшее считывание их в процессе прокатки. Считывание может быть как контактным, так и бесконтактным. Метки в районе шва можно наносить с помощью флуоресцирующего или фосфоресцирующего вещества, лакокрасочного изоляционного покрытия и магнитного порошка. Кроме того, индикация может осуществляться радиоактивным методом и фотоследящим устройством. Индикация с помощью фотоследящего устройства (иначе называемая оптическим методом) предполагает предварительное пробивание отверстия в районе шва. Именно этот метод используется в существующей системе слежения за сварным швом, на базе датчиков ИКО-1 и ИКО-2.

Для вычисления запаса полосы в петлевом устройстве используется кодовый датчик КД-4МК (установленный на валу привода тележек петлевого устройства).

2. Специальная часть

2.1    Назначение и описание работы существующей системы слежения за координатой сварного шва

Система слежения за координатой сварного шва входит в состав АСУТП стана 1700 и предназначена для автоматического выполнения следующих задач:

­         определение запаса полосы металла в петлевом устройстве;

­         отслеживание положения сварных швов и дефектов полосы в петлевом устройстве;

­         выдача сигнала в систему управления замедлением стана при прокатке участка полосы, содержащего сварной шов или дефект; (выдача управляющего воздействия в систему управления)

Входная информация системы слежения за координатой сварного шва

Информация от датчиков, расположенных в головной части стана:

·        Информация от кодового датчика КД-4МК, установленного на валу привода тележек петлевого накопителя, которая необходима для расчета запаса полосы в петлевом устройстве.

Кодовый датчик КД-4МК реализует функции преобразования угла поворота вала привода тележек петлевого накопителя в двоичный код и контроля достоверности считываемого кода [20].

Выходной сигнал датчика КД-4МК - параллельный двоичный нормальный код.

Для осуществления контроля достоверности информации на выходе датчика формируется два контрольных разряда в виде дополнения до четности или нечетности выходного цифрового кода.

Разрешающая способность датчика составляет 13 разрядов при номинальной цене единицы наименьшего разряда кода - 2048'45''.

Датчик КД-4МК состоит из входного вала, на котором закреплен кодовый диск младших разрядов (с 1 по 7) и через редуктор кодовый диск старших разрядов (с 8 по 13). Кодовые диски для младших и старших разрядов одинаковы и выполнены из оптического стекла с нанесенной на него специальной шкалой (рис. 4).

Рис. 4. Кодовый диск датчика КД-4МК

Рис. 5. Датчик КД-4МК

С одной стороны каждого диска установлено два блока фотодиодов, с другой - два блока светодиодов (рис. 5). При вращении входного вала датчика, вращаются кодирующие диски. Диск младших разрядов вращается с входным валом со скоростью 1:1. Диск старших разрядов вращается с входным валом со скоростью 1:64. Поток инфракрасного света, излучаемый светодиодами, проходит сквозь не закрашенные участки кодирующего диска, попадает на светочувствительные площадки фотодиодов, образуя фототоки. Фототоки с фотодиодов поступают в электрическую схему датчика, которая формирует выходной двоичный код и контрольные разряды.

·        Информация от индикатора контрольных отверстий ИКО-1, которая необходима для определения прохождения сварного шва, полученного на агрегатах непрерывного травления металла, и информация от ИКО-2, которая необходима для определения прохождения всех сварных швов,

Индикатор контрольных отверстий ИКО-5 предназначен для выявления сквозных контрольных отверстий в полосе металла и выдачи об этом сигнала в систему слежения за металлом [18].

Выходной сигнал ИКО-5 - сигнал в виде замыкания нормально открытых контактов встроенного реле. Длительность сигнала равна 0,2с ± 0,1 с.

ИКО-5 состоит из осветителя, фотоприемника и блока управления (см. рис. 6). Осветитель состоит из десяти светодиодов, излучающих в инфракрасной области, и шести линз.

Рис. 6. Датчик ИКО-5

Светодиоды расположены в фокальной плоскости линз и смещены относительно их центра на расстояние, равное четверти диаметра. Благодаря такому расположению светодиодов каждая линза, за исключением крайних, формирует два наклонных световых пучка, а вся контролируемая плоскость полосы освещена одновременно двумя световыми потоками. Поэтому при выходе из строя любого из светодиодов световой поток через контрольное отверстие не исчезает, а уменьшается лишь в 2 раза и будет зарегистрирован фотоприемником. Фотоприемник состоит из десяти фотодиодов и пяти линз. Фотодиоды расположены относительно линз так же, как светодиоды в осветителе, благодаря чему световой поток через контрольное отверстие регистрируется сразу двумя фотодиодами. При показанном на рис. 6 положении контрольного отверстия световой поток через него проходит от двух светодиодов (4-го и 7-го) и регистрируется двумя фотодиодами

(3-м и 8-м).

Световой поток, зарегистрированный фотодиодами, преобразуется в электрические импульсы частотой 5 кГц. После усиления и формирования импульсы попадают на накопительный счетчик и далее на компаратор. При поступлении импульсов на вход накопительного счетчика напряжение на его выходе начинает увеличиваться пропорционально количеству поступивших импульсов. При достижении величины напряжения на выходе накопительного счетчика, равного напряжению уставки компаратора, последний срабатывает и запускает одновибратор. Напряжение уставки выбрано из расчета срабатывания компаратора при поступлении на вход накопительного счетчика не менее восьми импульсов. Сигнал с выхода одновибратора длительностью 0,2 с. поступает в блок управления на базу выходного транзистора. Транзистор открывается, и реле срабатывает. Нормально открытые контакты реле замыкаются, тем самым регистрируя прохождение контрольного отверстия.

·        Информация от импульсных датчиков ПДФ-5, установленных на валу натяжного устройства и на валу ролика натяжения. Данная информация необходима для расчета длины полосы, выбранной из петлевого накопителя.

Импульсный датчик ПДФ-5 предназначен для преобразования угла поворота вала натяжного устройства или ролика натяжения в число импульсов и угловой скорости вала в частоту следования импульсов [21].

Выходные сигналы датчика - две серии импульсов по двум раздельным каналам (рис. 7). Также предусмотрен нулевой импульс в прямом и инверсном виде. Число импульсов на оборот в каждой серии равно 1000. Скважность импульсов 2±0,2. Импульсы двух серий Б1 и Б2 сдвинуты друг относительно друга на 90±20 электрических градусов. (При вращении вала по часовой стрелке импульсы Б2 отстают от импульсов Б1). Каждая серия импульсов выходных сигналов представлена в прямом и инверсном виде. Длительность фронтов импульсов не более 1 мкрс. Максимальная частота импульсов 100 кГц.

Действие датчика ПДФ-5 основано на появлении фототока в приемнике излучения под влиянием падающих на него лучей. Основные детали считывающего узла датчика: подвижный растровый диск, укрепленный на валу датчика; неподвижный индикаторный диск, закрепленный в корпусе; светодиоды и фотодиоды (рис. 8).

Вращаясь, растровый диск в паре с индикаторным диском создает обтюрационное растровое сопряжение. Ширина штрихов на дисках одинакова и равна , где t - шаг растра. Штрихи индикаторного диска перед фотодиодом первого канала сдвинуты на  (180 электрических градусов) относительно штрихов перед вторым фотодиодом этого же канала. Точно такой же сдвиг осуществлен на индикаторном диске и для второго канала. Штрихи для первого и второго каналов на индикаторном диске разнесены таким образом, что обеспечивают сдвиг разных каналов на 90 электрических градусов. Для формирования выходного сигнала в одном канале датчика используются два фотодиода, освещаемые одним светодиодом. В нулевом канале используется один фотодиод.

Рис. 7. Выходные сигналы импульсного датчика ПДФ-5

Рис. 8. Конструкция считывающего узла датчика ПДФ-5: С0, С1, С2 - светодиоды; Ф0, Ф1, Ф1, Ф2, Ф2 - фотодиоды

·       
Информация от системы измерения массы на единицу площади «ROBOTRON 24 024» служит для бесконтактного определения массы на единицу площади или толщины ленточных или листовых материалов при непрерывном изготовлении по радиометрическому методу просвечивания. Используется для непрерывного технологического контроля, а также в качестве датчика регулирующих сигналов в рамках автоматизации процесса.

Основное исполнение системы измерения массы на единицу площади «ROBOTRON 24 024» состоит из шкафа «75 187» с блоком обработки измеряемых величин «23 186» и блока электропитания «23 187», прибора управления «23 188» и зонда «М 7200». [19]

Рис. 9. Конструкция системы измерения массы на единицу площади

При измерении просвечиванием излучатель и измерительная головка находятся соответственно на противоположных сторонах измеряемого материала. В качестве эффекта измерения используется абсорбция излучения радионуклида, происходящая в результате взаимодействия с атомами измеряемого материала. Масса на единицу площади mA представляет собой произведение толщины d и плотности r:

 



Электрический сигнал, получаемый детектором излучения, однако не является линейным, но более или менее точно подчиняется экспоненциальной функции:

 


где m - коэффициент ослабления массы, характерный для измеряемого материала (зависит от сортамента металла).

Предоставляемые измерительной головкой сигналы после аналого-цифрового преобразования обрабатываются встроенной микроЭВМ. В зависимости от установки измеряемое значение рассчитывается либо в виде действительного значения, либо после сравнения заданного и действительного значений в виде абсолютного или относительного отклонения от заданного значения.

Система измерения имеет три независимых друг от друга аналоговых выхода с диапазонами от 0 до +10В или от -10 до +10В, в зависимости от настройки.

·        Информация о наличии на полосе дефекта, которая необходима для регистрации дефекта полосы. Оператор на пульте управления разматывателями или пульте управления стыкосварочной машиной визуально определяет проходящий участок полосы, содержащий дефект, и сигнализирует об этом, нажимая на кнопку «Дефект полосы».

Выходная информация системы слежения за координатой сварного шва

1)  Команды «Нормальный останов» и «Так держать» в систему управления режимами стана при управлении замедлением стана. По команде «Нормальный останов» скорость стана снижается, по команде «Так держать» - скорость не изменяется.

2)      Информация для системы визуализации технологических параметров: значение текущего запаса полосы в петлевом устройстве, значение текущего положения сварных швов и дефектов и др.

Функциональная схема существующей системы слежения за координатой сварного шва представлена в Приложении Б.

Описание работы системы слежения за координатой сварного шва

Алгоритм работы системы слежения за координатой сварного шва представлен на следующем рисунке. Данный алгоритм выполняется циклически и непрерывно.

Рис. 10. Алгоритм работы системы слежения за координатой сварного шва

Расчет текущего запаса полосы в петлевом устройстве (блок 3)

В начале каждого нового цикла алгоритма рассчитывается текущий запас полосы в петлевом устройстве.

Запас полосы в петлевом устройстве - длина полосы между стыкосварочной машиной и первой клетью стана. Расчет производится на основании выходного кода датчика КД-4МК.

Известно, что одному обороту вала привода тележек петлевого накопителя соответствует:

-        изменение запаса полосы в петлевом устройстве на 126,7 метров;

-        изменение выходного кода датчика на 128 единиц.

Следовательно, вес младшего разряда датчика равен м.

Текущий запас полосы в петлевом устройстве вычисляется по формуле

, (2.1)

где - текущий запас полосы в петлевом устройстве, м.;

= 0,99 м. - масштабный коэффициент перевода значения из кода в метры;

 - текущий код на выходе датчика;

- код на выходе датчика при минимальном запасе полосы в петлевом устройстве;

- минимальный запас полосы в петлевом устройстве, м.

Регистрация травильного шва (блоки 4 и 5)

Травильный шов - это сварной шов, получаемый при сварке рулонов на агрегатах непрерывного травления металла, после которых рулоны поступают на стан 1700.

Условия для регистрации травильного шва:

1)      Наличие сигнала от датчика ИКО-1. При прохождении контрольного отверстия в полосе металла через датчик, последний формирует сигнал и передает его в систему слежения за металлом. После сигнала от ИКО-1 в переменную S1 записывается значение запаса полосы в петлевом устройстве

, (2.2)

где - запас полосы в петлевом устройстве в момент срабатывания датчика ИКО 1, м.;

- текущий запас полосы в петлевом устройстве, рассчитанный по формуле (2.1), м.

2)      Отсутствие сигнала «Сварка рулонов». Датчик ИКО-1 срабатывает не только при прохождении контрольного отверстия, но и в промежутке между задним и передним концами полос. Это происходит при заправке концов полос в стыкосварочную машину на заправочной скорости. Когда происходит сварка, выдается битовый сигнал «Сварка рулонов» из контроллера стыкосварочной машины. Так как травильный шов обычно расположен ближе к середине рулона, то в этот момент скорость механизмов головной части стана равна рабочей скорости, что означает отсутствие сигнала «Сварка рулонов». Поэтому, если будет получен сигнал «Сварка рулонов», то срабатывание ИКО-1 игнорируется и регистрации травильного шва не происходит, а в дальнейшем будет зарегистрирован сварной шов стана 1700 (в блоке 9).

3)      После сигнала от ИКО-1 и отсутствия сигнала «Сварка рулонов» участок полосы с травильным швом должен пройти стыкосварочную машину и попасть в петлевое устройство (т.е. пройти не менее 25 м.). При каждом новом цикле алгоритма проверяется условие

, (2.3)

где - текущий запас полосы в петлевом устройстве, рассчитанный по формуле (2.1), м.;

- запас полосы в петлевом устройстве в момент срабатывания датчика ИКО-1, рассчитанный по формуле (2.2), м.;

 - длина выбранной полосы из петлевого устройства, м.

 рассчитывается следующим образом. Используя выходные импульсы датчика ПДФ-5, определяется угол поворота барабана натяжного устройства или ролика натяжения: 1000 выходных импульсов датчика на один оборот барабана. Диаметр барабана равен 1,2 м., поэтому, подсчитывая число импульсов датчика, пришедших за время t (время выполнения одного цикла алгоритма), определяем длину полосы, выбранной из петлевого устройства за это время

, (2.4)

где - длина полосы, выбранной из петлевого устройства, м.;

D = 1,2 м. - диаметр барабана натяжного устройства или ролика натяжения;

- коэффициент передачи между оборотами датчика и барабана (подбирается вручную);

- приращение числа импульсов датчика за время t.

Следующая регистрация травильного шва возможна только через 25 метров полосы. Если все условия выполнены, будет зарегистрирован травильный шов. Регистрация травильного шва происходит следующим образом: в оперативной памяти контроллера имеется массив из 9 элементов (массив швов). В элемент массива записывается структура, содержащая три поля:

-    число, соответствующее типу шва (травильному шву присваивается тип 3);

     значение расстояния от шва до первой клети целого типа;

     значение расстояния от шва до первой клети типа с плавающей точкой.

Начальное расстояние от травильного шва до первой клети рассчитывается по формуле

, (2.5)

где - расстояние от травильного шва до первой клети, м.;

- текущий запас полосы в петлевом устройстве, рассчитанный по формуле (2.1), м.;

 - длина выбранной полосы из петлевого устройства, рассчитанная по формуле (2.4), м.;

= 30 м. - расстояние от датчика ИКО-1 до стыкосварочной машины.

Регистрация дефекта полосы (блоки 6 и 7)

Дефект полосы - дефект травления полосы (перетрав, недотрав), полученный на агрегатах непрерывного травления, или механический дефект (загиб, надрыв и др.).

Условием для регистрации дефекта полосы является наличие сигнала при нажатии оператором кнопки «Дефект полосы». Регистрация дефекта аналогична регистрации травильного шва: в следующий свободный элемент массива (или в свободный первый элемент) записывается структура, содержащая три поля: тип шва (дефекту полосы присваивается тип 4), значение расстояния от дефекта до первой клети целого типа и типа с плавающей точкой. Начальное расстояние от дефекта полосы до первой клети приравнивается значению запаса полосы в момент получения сигнала «Дефект полосы», т.е.

, (2.6)

где - расстояние от дефекта полосы до первой клети, м.;

- текущий запас полосы в петлевом устройстве, рассчитанный по формуле (2.1), м.

После сигнала «Дефект полосы» в петлевое устройство должно быть набрано не менее 20 метров полосы. Это необходимо, чтобы не допустить многократную регистрацию одного и того же дефекта при долго нажатой кнопке или дребезге контактов. Следующая регистрация дефекта возможна только через 20 метров пройденной полосы. При каждом новом цикле алгоритма проверяется условие

, (2.7)

где - текущий запас полосы в петлевом устройстве, рассчитанный по формуле (2.1), м.;

- расстояние от дефекта полосы до первой клети, рассчитанное по формуле (2.6), м.;

 - длина выбранной полосы из петлевого устройства, рассчитанная по формуле (2.4), м.

Регистрация сварного шва (блоки 8 и 9)

Сварной шов - шов, полученный при сварке концов полос на стане 1700.

Условия для регистрации сварного шва:

1) Наличие сигнала «Сварка рулонов» из контроллера стыкосварочной машины, после которого в переменную S2 записывается значение запаса полосы в петлевом устройстве

, (2.8)

где - запас полосы в петлевом устройстве после сигнала «Сварка рулонов», м.;

- текущий запас полосы в петлевом устройстве, рассчитанный по формуле (2.1), м.

2) После сигнала «Сварка рулонов» необходимо, чтобы место сварки концов полос было заправлено в петлевое устройство не меньше, чем на 20 метров. При «тяжелом» сортаменте металла (например, при большой разнице толщин свариваемых полос) или при неполадках в работе стыкосварочной машины оператор вынужден вырезать некачественный шов и сваривать концы полос заново. Поэтому после заправки в петлевое устройство 20-ти метров полосы можно считать, что сварной шов не будет выбран обратно и переварен.

, (2.9)

где - текущий запас полосы в петлевом устройстве, рассчитанный по формуле (2.1), м.;

- запас полосы в петлевом устройстве, рассчитанный по формуле (2.8), м.;

 - длина выбранной полосы из петлевого устройства, рассчитанная по формуле (2.4), м.

Если все условия выполнены, будет зарегистрирован сварной шов. Регистрация сварного шва аналогична регистрации травильного шва и дефекта: в элемент массива записывается структура, содержащая три поля: тип шва (сварному шву присваивается тип 2), значение расстояния от сварного шва до первой клети целого типа и типа с плавающей точкой.

Начальное расстояние от сварного шва до первой клети рассчитывается по формуле

, (2.10)

где - расстояние от сварного шва до первой клети, м.;

- текущий запас полосы в петлевом устройстве, рассчитанный по формуле (2.1), м.;

 - длина выбранной полосы из петлевого устройства, рассчитанная по формуле (2.4), м.

Стоит отметить еще одну особенность, связанную с работой ССМ на стане: при подготовке рулонов к сварке с обеих сторон ССМ делаются петли полос для обеспечения плотного и точного совмещения концов. По окончании сварки, в зависимости от различных причин, эти петли могут либо сбрасываться вперед в петлевое устройство, либо вытягиваться назад на разматыватель. Поэтому точность определения начального положения сварного шва невелика (порядка ± 2…5 метров в обе стороны). Точное положение сварного шва определяется по сигналу с датчика ИКО-2.

Расчет текущего положения шва и дефекта в петлевом устройстве (слежение за швами и дефектами) (блок 10)

Слежение за швами и дефектами в петлевом устройстве начинается после их регистрации и заканчивается после сигнала от датчика ИКО-2 (для травильных и сварных швов). Слежение за дефектами в петлевом устройстве заканчивается, когда расстояние от дефекта до первой клети уменьшится до 13,4 м. После этого начинается слежение за швами и дефектами в клетях стана.

Слежение заключается в следующем: при регистрации шва (дефекта) рассчитывалось его начальное положение в петлевом устройстве (расстояние от шва (дефекта) до первой клети). После этого при каждом новом цикле алгоритма рассчитывается текущее положение швов (дефектов) по формуле

, (2.11)

где  - расстояние от шва (дефекта) до первой клети, рассчитанное по формуле (2.5) (для травильного шва) или (2.6) (для дефекта полосы) или (2.10) (для сварного шва) м.;

 - длина выбранной полосы из петлевого устройства, рассчитанная по формуле (2.4), м.

Таким образом, уменьшая на  расстояние между швом (дефектом) и первой клетью стана, получаем текущее положение шва (дефекта).

Вся информация от датчиков установленных в головной части стана поступает в ПЛК SIEMENS SIMATIC S7-400, где происходит ее обработка и выдача управляющего воздействия в систему управления скоростью.

2.2    Реализация системы слежения за координатой сварного шва с помощью ПЛК

Конфигурация ПЛК SIMATIC S7-400 для реализации системы слежения за координатой сварного представлена в таблице 2.1.

Таблица 2.1. Конфигурация ПЛК SIMATIC S7-400.

Наименование модуля

Назначение

Количество

PS 407 20A

Блок питания процессорной корзины и корзин расширения

2

CPU 417-4

Модуль центрального процессора

1

CP 441-2

Коммуникационный процессор

2

CP 443-1 IT

Коммуникационный процессор Industrial Ethernet

1

CP 443-5

Коммуникационный процессор Profibus

1

FM 450-1

Функциональный модуль

1

IM 460-0

Ведущий модуль расширения

1

IM 461-0

Ведомый модуль расширения

1

SM 421 DI 16´1

Модуль ввода дискретных сигналов

4

SM 422 DO 16´8

Модуль вывода дискретных сигналов

2


1)      Модуль блока питания корзины PS 407 20A

Модуль предназначен для питания контроллера SIMATIC S7-400 напряжениями 5 В и 24 В. Питание к модулям подается по шине контроллера. В зависимости от типа входное напряжение модулей питания может составлять ~120/230 В или 24 В. В каждую монтажную стойку должен быть установлен свой модуль блока питания (рис. 11). Модуль блоков питания устанавливаются в крайние левые разъемы монтажной стойки (начиная с разъема 1). В зависимости от типа модуль питания может занимать от 1 до 3 разъемов монтажной стойки. Все модули блоков питания работают с естественным охлаждением.

Рис. 11. Установка модулей в монтажную стойку

) Модуль центрального процессора CPU 417-4

Центральный процессор для больших установок, требующих расширенного программирования и скоростного выполнения инструкций. Имеет четыре встроенных интерфейса PROFIBUS-DP. С программатором центральный процессор связывается с помощью интерфейса MPI.

Технические характеристики центрального процессора CPU 417-4 представлены в таблице 2.2

Таблица 2.2 Технические характеристики центрального процессора CPU 417-4

1) Объем встроенного ОЗУ:

4 Мбайт с расширением до 20 Мбайт.

2) Объем загружаемой памяти:

встроенной 256 Кбайт RAM, расширение 64 Мбайт (карта).

3) Количество блоков (FB/FC/DB):

6144/6144/8192.

4) Организационные блоки: - свободного цикла - прерываний времени и даты - прерываний задержки - прерываний сторожевого таймера - прерываний процесса - мультикомпьютерных прерываний - прерываний фоновых процессов - запуска - асинхронных ошибок - синхронных ошибок

 OB1 OB10…17 OB20…23 OB30…38 OB40…47 OB60 OB90 OB100…102 OB80…87 OB121,122

5) Время выполнения: - операций над битами - операций над словами - операций с фиксированной точкой - операций с плавающей точкой

 0,1 мкс 0,1 мкс 0,1 мкс 0,48 мкс

6) Общее количество битов памяти Количество счетчиков Количество таймеров

16384 512 512

7) MPI интерфейс: - количество станций   - объем глобальных данных - активные соединения (MPI и K-bus) - скорость передачи

32 (программаторы, ПЭВМ, панели операторов, S7-300, S7-400, процессоры с 64 активными соединениями). 64 байта на сообщение, до 16 передаваемых и до 32 принимаемых сообщений. 64 до 12 Мбит/с (не более 100 м).

8) Потребляемый ток (5В/24В) Потребляемая мощность Габариты Масса:

1.8А/0.3А 10Вт 50х290х210 мм 1.15 кг

9) Количество модулей: - Функциональных (FM) - СР, PPI - СР, LAN

 94 94 есть

10) Программно управляемых циклов

1024.


.1) Описание сети PROFIBUS(PROcess FIeld BUS) - это промышленная сеть, которая используется для организации связи между программируемыми контроллерами с одной стороны, и станциями распределенного ввода-вывода ET 200, устройствами человеко-машинного интерфейса и другими приборами с другой (рис. 12). Кроме того, PROFIBUS позволяет выполнять дистанционное программирование и конфигурирование систем автоматизации, их отладку и диагностирование.

Рис. 12. Сеть PROFIBUS

является открытой системой и позволяет использовать как электрические, так и оптические каналы связи. В последнем случае существенно возрастает стойкость сети к воздействию электромагнитных помех. Существенному снижению затрат на построение оптоволоконных каналов связи способствует наличие широкой гаммы интерфейсных модулей, коммуникационных процессоров и других сетевых компонентов, оснащенных встроенным оптическим интерфейсом.

Конструктивные особенности:позволяет использовать следующие протоколы передачи данных:FMS (Fieldbus Message Specification (спецификация сообщений полевого уровня) - используется для решения универсальных коммуникационных задач;PA (Process Automation (автоматизация процессов) - используется для организации обмена данными с оборудованием, расположенным в зонах повышенной опасности. С его помощью производится передача данных по сети, отвечающей требованиям международного стандарта IEC 1158-2, а также согласование работы сетей PROFIBUS-DP и PROFIBUS-PA;DP (Distributed I/O stations (скоростной протокол обмена данными с периферийным оборудованием) - ориентирован на организацию связи с устройствами распределенного ввода-вывода. Он обеспечивает высокоскоростной циклический обмен небольшими объемами данных.

Время цикла шины пренебрежительно мало благодаря наличию множества сервисных функций, обеспечивающих передачу сообщений по сети PROFIBUS и повышенной скорости передачи данных.

Характеристика PROFIBUS-DP:

-        до 125 узлов на сеть; до 32 узлов на сегмент;

-        метод эстафетной передачи данных между ведущими сетевыми узлами с использованием механизма ведущий-ведомый на нижнем уровне;

         скорость передачи данных 9,6/19,2/93,75/187,5/500 Кбит/с, а также 1,5/3/6/12 Мбит/с;

         передача данных по витой паре или оптоволоконному кабелю;

         широкий спектр сетевых компонентов полевого уровня;

         широкий спектр применений сети;

         дистанционное программирование по сети;

         простота расширения по мере развития производства;

         автоматическое определение скорости передачи данных в сети;

         открытая система, позволяющая использовать в своем составе оборудование других фирм-производителей;

         простая и ясная архитектура;

         межузловая передача данных от ведомых устройств;

         неизменная продолжительность цикла.

Принцип действия:

Все сетевые узлы используют общую среду передачи. Доступ активных устройств к шине разделен во времени. Для этой цели в PROFIBUS используются комбинированные процедуры доступа (метод эстафетной передачи на верхнем уровне и механизм ведущий-ведомый на нижнем уровне).

Процедуры доступа разделяются между:

активными сетевыми узлами (ведущими устройствами);

пассивными сетевыми узлами (ведомыми устройствами).

В любой момент времени операциями передачи данных в сети управляет активный узел, получивший эстафетную передачу. После истечения времени, отведенного на работу данного активного узла, эстафета передается следующему активному узлу и т.д. Если очередное активное устройство не готово к выполнению коммуникационных задач, то эстафета незамедлительно передается следующему активному узлу.

Пассивные узлы, такие как станции распределенного ввода-вывода ET 200, не способны управлять процессом передачи данных. Они способны лишь принимать и передавать данные своему ведущему устройству.

Конфигурирование:

Для конфигурирования, установки параметров, запуска и диагностирования сети PROFIBUS-DP разработаны удобные и простые в использовании инструментальные средства. Для программируемых контроллеров SIMATIC S7-400 все необходимые для этой цели инструментальные средства интегрированы в пакет STEP 7.

.2) Описание интерфейса MPIинтерфейс встроен во все модули центральных процессоров. Он используется для решения широкого круга задач:

-        программирования и установки значений параметров;

-        обслуживания устройств человеко-машинного интерфейса;

         построения простых сетевых структур;

         подключения до 32 сетевых станций, в качестве которых могут выступать программаторы или компьютеры, оснащенные пакетом STEP 7, устройства человеко-машинного интерфейса (панели операторов), системы автоматизации S7-300, M7-300, S7-400, M7-400 и C7.

         поддержки до 64 активных соединений. Активные соединения могут быть установлены с MPI станциями; со станциями К-шины (например, с коммуникационными процессорами); со станциями, подключенными через коммуникационные процессоры (например, со станциями Industrial Ethernet; коммуникационный процессор при этом должен быть станцией К-шины).

         обслуживания внутренней связи по К-шине. Коммуникационные процессоры и функциональные модули, подключенные к К-шине, могут связываться через MPI или DP интерфейсы с центральным процессором. Это обеспечивает прямой доступ с программатора к модулям К-шины. С помощью интерфейсных модулей через К-шину может быть обеспечен доступ к 6 стойкам расширения.

         обеспечения настройки параметров. Один программатор, подключенный к сети MPI, получает доступ ко всем партнерам по связи.

         передачи информации со скоростью до 12 Мбит/с. Расстояние между двумя смежными станциями или узлами MPI сети может составлять 50 м без повторителей, 1100 м с двумя повторителями, 9100 м с 10 повторителями. При использовании волоконно-оптической линии связи передача информации может производиться на расстояние до 23.8 км.

         обеспечения гибкого расширения системы. В MPI конфигурациях могут быть использованы шинные соединители и повторители RS 485, с помощью которых к сети могут быть подключены устройства распределенного ввода-вывода, а также увеличено расстояние между двумя любыми узлами сети.

Рис. 13. Сеть MPI

) Коммуникационный процессор CP 441-2

Коммуникационный процессор СР 441-2 предназначен для организации скоростного обмена данными в последовательном формате по PPI интерфейсу. PPI соединение позволяет организовать связь:

-        между программируемыми контроллерами SIMATIC S7 и SIMATIC S5, а также контроллерами других производителей;

-        с персональными компьютерами и программаторами;

         с принтерами;

         с системами управления роботами;

         со сканнерами, считывателями штрих кодов и т.д.

СР 441-2 содержит два скоростных PPI интерфейса.

Конструкция:

Модули выпускаются в пластиковых корпусах. На их лицевых панелях расположены светодиоды «Send» (передача), «Receive» (прием) и «Error» (ошибка). В корпусе модуля CP 441-2 установлены два интерфейсных субмодуля. Интерфейсные субмодули выпускаются в нескольких вариантах и обеспечивают передачу данных по интерфейсам RS 232C (V.24), RS 422/485 (Х.27) или 20мА токовой петле (TTY).

Функции:

Модуль CP 441-2 способен поддерживать несколько протоколов передачи данных:

-        3964 (R): для связи с приборами и устройствами производства фирмы SIEMENS.

-        RK 512: для связи с компьютерами

         Драйвер принтера: для управления работой принтера

         ASCII: для простой связи с аппаратурой других фирм

         Определяемый пользователем протокол

Параметрирование:

-        Конфигурирование с помощью утилит, встроенных в STEP 7: выбор протокола передачи и установка необходимых настроек драйверов.

-        Конфигурирование через центральный процессор контроллера: К центральному процессору подключается программатор, который связывается с коммуникационным процессором по К-шине. Параметры конфигурирования записываются в блок данных и сохраняются в карте памяти центрального процессора. При замене коммуникационного процессора новый модуль использует эти данные для настройки и немедленно вступает в работу.

         Экранные формы параметрирования: позволяют выполнять все необходимые операции по настройке параметров связи, используя экранные формы и описание.

В системе слежения за координатой сварного шва данный коммуникационный процессор предназначен для связи с толщиномерами.

) Коммуникационный процессор 443-1 IT

Назначение:

Коммуникационный процессор CP 443-1 IT предназначен для подключения контроллеров SIMATIC S7-400 к сети Industrial Ethernet. Скорость передачи данных может составлять 10/100 Мбит/с. Он способен работать в комбинированном режиме, обеспечивая выполнение S7, PG/OP и IT функций связи, а также S5-совместимой связи через ISO и TCP/IP. Переключение интерфейсов AUI (Attachment Unit Interface - интерфейс подключаемого устройства) и ITP (Industrial Twisted Pair - промышленная витая пара) выполняется автоматически. Модуль обеспечивает поддержку Web функций и доступ к данным через стандартный броузер, а также передачу сообщений по электронной почте. Модуль обеспечивает возможность обмена данными:

c программаторами и устройствами человеко-машинного интерфейса;

c другими системами автоматизации SIMATIC S7;

c системами автоматизации SIMATIC S5.

Конструкция:

Модуль выпускается в пластиковом корпусе и оснащен встроенным микропроцессором. На лицевой панели модуля расположено 15-полюсное гнездо соединителя D-типа для подключения к сети (AUI/ITP), а также гнездо RJ 45 для подключения к 10BaseT или 100BaseTX. Он устанавливается в любой свободный разъем монтажной стойки и подключается к контроллеру через его внутреннюю шину. Модуль работает с естественным охлаждением и не требует использования буферных защитных батарей.

Функции:

-        Связь с программирующими устройствами;

-        Связь с устройствами человеко-машинного интерфейса;

         Связь с другими системами SIMATIC S7;

         Интернет-сервер: HTML-страницы могут загружаться и просматриваться стандартными браузерами.

         Интернет-страницы по умолчанию: для наблюдения за контроллером S7-400. Эти страницы можно создать любыми средствами HTML.

         E-mail: Сообщения отправляются из пользовательской программы через вызовы функции FC.

Конфигурирование:

Для конфигурирования CP 441-1 IT необходим пакет STEP 7 с NCM S7 для Industrial Ethernet V5.0 или более поздних версий. Параметры настройки коммуникационных процессоров могут быть сохранены в памяти центрального процессора контроллера. Это позволяет сохранять параметры настройки при сбоях в питании контроллера, а также производить замену коммуникационных процессоров без их повторного конфигурирования. При запуске контроллера центральный процессор передает в коммуникационный процессор все необходимые параметры настройки. Программирование и конфигурирование всех сетевых станций SIMATIC S7 может выполняться дистанционно через сеть. WWW страницы создаются стандартными редакторами и загружаются в модуль стандартными инструментальными средствами (FTP).

) Коммуникационный процессор 443-5

Коммуникационный процессор CP 443-5 требуется SIMATIC S7-400 для присоединения к PROFIBUS-DP и выполнения функций ведущего сетевого устройства. Он уменьшает загрузку центрального процессора задачами коммуникации и также поддерживает широкий ранг коммуникационных задач. При использовании коммуникационных модулей коммуникационные возможности S7-400 позволяют:

-   интерфейс master для PROFIBUS-DP в соответствии EN 50 170.

-        коммуникации с программаторами и системами человеко-машинного интерфейса.

         коммуникации с другими системами SIMATIC S7.

         коммуникации с SIMATIC S5 PLC.

         количество коммуникационных процессоров, которое должно использоваться в системе определяется функциональным объемом ЦПУ и используемыми сервисами.

Конструкция:

Коммуникационный процессор CP 443-5 выполнен в дизайне семейства SIMATIC S7-400:

-        конструкция компактна: 9-pin sub-D гнездо для подключения к PROFIBUS;

-        модуль одинарной ширины;

         простая установка: CP 443-5 устанавливается в в любые свободные разъемы монтажной стойки S7-400 и соединяется по задней шине корзины с другими модулями S7-400;

         удобный для использования монтаж: Sub-D гнезда и клемники очень доступны и просты в сборке и обслуживании;

-        CP 443-5 может работать естественным охлаждением без вентилятора. Нет необходимости, как в применении резервных батарей, так и модулей памяти.

Конфигурирование:

Конфигурирование коммуникационного процессора CP 443-5 производится с помощью пакетов программ STEP 7 и NCM S7 для PROFIBUS. Для выполнения операций конфигурирования пакет NCM S7 для PROFIBUS должен быть интегрирован в среду STEP 7. Конфигурирование с самостоятельным использованием NCM S7 для PROFIBUS невозможно. NCM S7 для PROFIBUS входит в комплект поставки STEP 7 от версии 5.0 и выше. Для более ранних версий STEP 7 пакет NCM S7 для PROFIBUS необходимо заказывать отдельно. STEP 7/NCM S7 от версии 5.0 и выше позволяют сохранять параметры настройки коммуникационных процессоров в памяти центрального процессора контроллера. Это позволяет сохранять параметры настройки при сбоях в питании контроллера, а также производить замену коммуникационных процессоров без их повторного конфигурирования. При запуске контроллера центральный процессор передает в коммуникационный процессор все необходимые параметры настройки. Программирование и конфигурирование всех сетевых станций SIMATIC S7 может выполняться дистанционно через сеть. Конфигурирование S7 функций связи выполняется с помощью пакета STEP 7. Необходимые функции (FC) для обеспечения работы интерфейса SEND/RECEIVE, а также примеры его конфигурирования входят в комплект поставки пакета NCM S7 для PROFIBUS. Функции системной диагностики поддерживаются пакетом STEP 7. Поддержку функций связи PROFIBUS-DP может обеспечивать только коммуникационный процессор CP 443-5 Extended.

) Функциональный модуль FM 450-1

Назначение:450-1 - это интеллектуальный модуль 2-канального счетчика. Он может быть использован в составе систем SIMATIC S7-400 и SIMATIC M7-400.

Модуль позволяет разгрузить центральный процессор от выполнения следующих задач:

-        непосредственного подключения к счетному входу и обработки сигналов инкрементального декодера позиционирования;

-        непосредственного подключения к встроенным дискретным входам датчиков импульсных сигналов (фотоэлектронных барьеров и т.д.) и обработки этих сигналов;

         выполнения функций сравнения и формирования выходных дискретных сигналов через встроенные дискретные выходы.

Принцип действия:

Модуль FM 450-1 способен обрабатывать сигналы инкрементальных декодеров позиционирования, следующих с частотой до 500 кГц. Управление направлением счета производится с помощью внешних импульсных сигналов

Воздействие на процесс может осуществляться двумя способами:

-    с помощью дискретных выходов;

-        передачей сигналов по шине контроллера: FM 450-1 способен

формировать запросы на прерывание центрального процессора.

Запросы передаются по шине контроллера.

Функции:

-        Два 32-разрядных канала для суммирующего или вычитающего счета;

-        частота тактовых импульсов до 500 кГц (для датчиков с RS422);

         диапазон счета от 0 до 32 бит или ±31 бит;

         однократный или периодический счет;

         Простое, двойное или квадратурное преобразование;

         Возможность подключения инкрементальных декодеров;

         Импульсное управление по уровню;

         Установка с помощью дискретных входов;

         Возможность предварительной установки счетчика;

         Функции сравнения с двумя заданными пользователем значениями;

         Формирование прерываний при достижении заданных значений, прохождении нулевой точки, переполнении (выбирается);

         24 В выходные сигналы, формируемые по результатам выполнения операций сравнения.

Настройка параметров:

Настройка параметров модуля выполняется с помощью экранных форм параметрирования, встроенных в STEP 7.

) Интерфейсные модули IM 460-0 и IM 461-0

Назначение:

Интерфейсный модуль IM 460-0 используется для построения централизованных конфигураций ввода-вывода с удалением стоек расширения на расстояние до 3 м. Модуль может устанавливаться в центральный контроллер на базе монтажных стоек UR1, UR2, CR2. К модулю может подключаться до 8 стоек расширения (до 4 стоек на интерфейс). В центральном контроллере может устанавливаться до 6 модулей IM 460-0. Интерфейсный модуль используется для передачи информации K-шины контроллера. Для организации связи в стойках расширения должны использоваться интерфейсные модули IM 461-0.

Конструкция:

Модуль характеризуется следующими показателями:

-    3 светодиода индикации отказов;

     2 интерфейса для подключения линий расширения с помощью соединительного кабеля 468-1.

Модуль IM 461-0 используется в качестве приемника, устанавливаемого в стойки расширения централизованной конфигурации. Расстояние между центральным контроллером и стойкой расширения может достигать 3 м. Модуль может устанавливаться в монтажные стойки следующих типов UR1, UR2, ER1 и ER2. Передача осуществляется по P- и K-шинам. IM 461-0 способен поддерживать связь с интерфейсным модулем IM 460-0, устанавливаемым в стойку центрального контроллера.

Конструкция:

Модуль включает в свой состав:

-        2 светодиода индикации отказов;

-        приемный интерфейс: для подключения линии связи, выполненной соединительным кабелем 468-1;

         один передающий интерфейс: для подключения линии связи, выполненной соединительным кабелем 468-1. В последнем интерфейсе на линии должен быть подключен терминальный резистор;

         кодовый переключатель: для кодирования номера стойки;

         отсек для установки буферной батареи: для подключения внешней буферной батареи на время замены блока питания стойки.

) Модуль ввода дискретных сигналов SM 421

Назначение:

Модули ввода дискретных сигналов выполняют преобразование входных дискретных сигналов контроллера в его внутренние логические сигналы.

Конструкция:

Модули характеризуются следующими показателями:

-        Компактное исполнение.

-        Пластиковый корпус снабжен: зелеными светодиодами индикации состояний входных цепей; одним красным светодиодом индикации внешних и внутренних отказов и ошибок в модулях с диагностикой; маркировочной полосой.

         Удобное подключение внешних цепей: все внешние цепи подключаются к фронтальному соединителю модуля.

) Модуль вывода дискретных сигналов SM 422

Назначение:

Модули вывода дискретных сигналов выполняют преобразование внутренних логических сигналов контроллера в его выходные дискретные сигналы.

Конструкция:

Модули вывода дискретных сигналов характеризуются:

-        Компактное исполнение;

-        В пластиковый корпус встроены: зеленые светодиоды индикации состояний выходных цепей; один красный светодиод для индикации внутренних и внешних отказов и ошибок, а также целостности предохранителей в цепи нагрузки и исчезновения напряжения питания нагрузки в модуле;

Удобство подключения внешних цепей: Внешние цепи подключаются к фронтальному соединителю модуля.

2.3 Анализ недостатков существующей системы слежения за координатой сварного шва

Для начала слежения за координатой шва относительно первой клети необходимо знать запас полосы в петлевом устройстве, регистрируемый кодовым датчиком, показания которого пропорциональны положению тележки петлевого устройства, от соответствия показания датчика фактическому запасу полосы зависит точность регистрации координаты шва в начальный момент и. следовательно, точность слежения за швом относительно первой клети.

Однако положение тележки не всегда соответствует фактическому запасу полосы от стыкосварочной машины до первой клети.

Источниками погрешности определения запаса могут быть следующие конструкционные особенности петлевого устройства:

·   В процессе совместной работы головной части со станом, полоса, расположенная в петлевом устройстве, находится в разматывателе, натяжных устройствах и лебедке тележки петлевого устройства. Перемещение полосы в направлении стана создается за счет разности натяжений на упомянутых устройствах. Перед началом сварки полоса уходит с разматывателя и для того, чтобы она не ушла в петлевое устройство, снижают натяжение на тележке петлевого устройства, в результате чего увеличивается разность натяжений по полосе, тележка перемещается в сторону уменьшения запаса полосы, а между натяжным устройством на входе петлевого устройства и тележкой образуется провисание полосы. Установку натяжения для тележки увеличивают только после окончания сварки полос, причем в связи с инерционностью тележка перемещается в сторону увеличения запаса полосы медленнее, чем полоса поступает в петлевое устройство, в связи с чем показания датчика запаса полосы в момент окончания сварки, пропорциональные положению тележки петлевого устройства, оказываются заниженными по сравнению с фактическим запасом полосы, что приводит к ошибке слежения за координатой шва. [3]

·        Трос, связывающий тележки петлевого устройства и лебедку в процессе эксплуатации вытягивается до 5% от первоначальной длины. Учитывая, что петлевое устройство имеет восемь ветвей, погрешность от вытягивания троса может достигать 1,2 м. Т.к. датчик КД-4МК установлен на валу двигателя лебедки, погрешность от вытягивания троса сказывается на достоверности показаний датчика.

·        Датчики ИКО-1 и ИКО-2 имеют невысокую степень точности обнаружения шва из-за агрессивных условий среды, в которой они расположены (пыль, загрязнение, вибрация и т.п.). Следовательно, они часто выходят из строя. Так же контрольное отверстие рядом со швом может отсутствовать (при толщине металла больше 3,5 мм на стане отверстия не пробиваются), что негативно сказывается на точности определения местоположения сварного шва.

Таким образом, в настоящее время не существует достаточно точных физических методов обнаружения положения шва.

Нашей задачей является разработка системы автоматического слежения за координатой сварного шва при помощи математического метода, которая позволит с наименьшей погрешностью устанавливать положение сварного шва в промежутке от ССМ до первой клети. Точное определение положения сварного шва поможет сократить число обрывов полос на стане, а, следовательно, уменьшить повреждения валков, которые приводят к необходимости их шлифовки. Также это будет способствовать повышению производительности стана и сокращению простоев.

2.4    
Описание разрабатываемой системы слежения за координатой сварного шва

Часть приборов и датчиков уже установленных в головной части стана можно использовать в разработанной системе слежения за координатой сварного шва в петлевом устройстве:

­         импульсные датчики скорости ПДФ-5, установленные на валу НУ №1 и на валу НУ №2 могут быть использованы для вычисления запаса полосы в петлевом устройстве.

­         индикатор контрольных отверстий ИКО-1 будет использоваться для регистрации травильных швов.

В существующей системе слежения запас полосы в ПУ измеряется исходя из показаний датчика КД-4МК. Данный датчик установлен на валу привода тележек петлевого устройства, но так как он вносит дополнительную погрешность, в разработанной системе данный датчик не используется. Для измерения запаса будем использовать датчики скорости ПДФ-5.

ИКО-1 и ИКО-2 имеют невысокую степень точности определения шва из-за агрессивных условий среды, в которой они расположены (пыль, загрязнение, вибрация и т.п.). Следовательно, они могут часто выходить из строя. Так же контрольное отверстие рядом со швом может отсутствовать (при толщине металла больше 3,5 мм на стане отверстия не пробиваются). Поэтому ИКО-2 решено заменить толщиномером «ROBOTRON 24 024», а в дополнении к ИКО-1 установить аналогичный толщиномер после ССМ, который позволит регистрировать как швы стана, так и травильные швы.

Выбор толщиномера «ROBOTRON 24 024» обусловлен следующим:

-       Анализ изменения толщины полосы металла производился с помощью применяемой на производстве программы Ibaanalyzer. При анализе осциллограмм сигнала, полученных от измерителя толщины, расположенного пред первой клетью был сформулирован следующий вывод: данный датчик может с высокой степенью достоверности регистрировать прохождение сварных швов (см. рис 14). Цифрами обозначены сварные швы.

Рис. 14. Осциллограмма сигнала измерителя толщины

- Дополнительные денежные затраты на обучение и переквалификацию персонала не требуются т.к. толщиномеры этого типа широко используются в производстве холоднокатаного листа. На стане 1700 они применяются для измерения толщины полосы металла в промежутках между клетями.

2.5    Разработка математического описания процесса петлеобразования

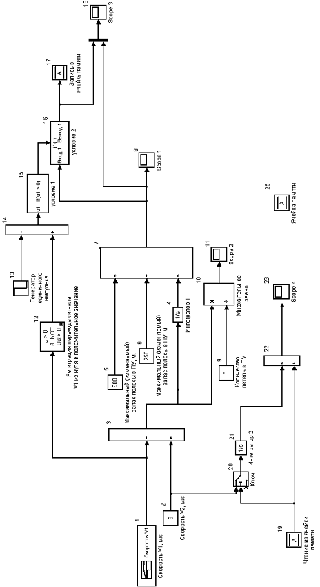
В разработанной нами системе, запас полосы в любой момент времени, скорость движения шва на различных участках головной части стана, а также координата местоположения шва от стыкосварочной машины до первой клети стана определяется на основе математического описания процесса накопления и расхода запаса полосы в петлевом устройстве головной части стана.

Рассмотрим упрощенную схему заправки петлевого устройства для стана бесконечной прокатки, представленную на рис. 15, где показаны:

- рулон металла, подготовленный для обработки;

- рулон обрабатываемого металла;

- стыкосварочная машина;

- входная приводная станция;

, 7, 9, 10 - направляющие ролики, обеспечивающие нужную геометрию движения металла;

- тележка петлевого устройства;

- выходная приводная станция;

- первая клеть стана

- тележка петлевого устройства;

- трос;

- барабан для намотки троса;

- электродвигатель

Т1 - Т8 - натяжения полосы металла на соответствующих участках;

Ттрос - натяжение троса;

V1 - линейная скорость металла на выходе входной приводной станции;

R - радиус барабана 14;

V2 - линейная скорость металла на выходе выходной приводной станции;

Gр - вес петлевого ролика с тележкой;

Fтр - сила трения;

L1 - L15 - длины соответствующих участков;

X - линейное перемещение ролика петлевого устройства.

Рис. 15. Упрощенная схема заправки петлевого устройства для стана бесконечной прокатки

Выберем начало отсчета в точке 0, соответствующее крайнему левому положению тележки, что соответствует максимальному запасу полосы металла.

В процессе сварки шва линейная скорость металла в зоне стыкосварочной машины должна быть равна нулю и для обеспечения непрерывности процесса обработки металла осуществляется уменьшение запаса петли в петлевом устройстве. При этом тележка петлевого устройства движется вправо за счет сил натяжения Т в ветвях петлевого устройства. При накоплении запаса полосы, движение тележки происходит за счет силы натяжения троса Ттрос, создаваемой лебедкой с приводным электродвигателем. При движении тележки возникает сила трения Fтрен, направленная против движущей силы.

Процесс образования и расхода запаса полосы носит циклический характер и определяется следующими временными интервалами, представленными на рис. 16.

V1 - линейная скорость металла на выходе входной приводной станции;

V2 - линейная скорость металла на выходе выходной приводной станции;

Lзап - запас полосы в петлевом устройстве;

- вектор скорости движения тележки петлевого устройства;

t0 - t1 - временной интервал, соответствующий рабочему режиму V1=V2;

t1 - t2 - временной интервал равнозамедленного движения входной приводной станции от V1=V2 до V1=0;

t2 - t3 - временной интервал сварки шва, запас полосы уменьшается, тележка петлевого устройства движется вправо V1=0;

t3 - t4 - временной интервал равноускоренного движения входной приводной станции от V1=0 до V1=V2;

t4 - t5 - временной интервал равноускоренного движения входной приводной станции до V1>V2, начало движения тележки петлевого устройства влево;

t5 - t6 - временной интервал формирования петли, движение тележки влево, V1=const; V1>V2;

t6 - t7 - временной интервал равнозамедленного движения входной приводной станции до V1=V2.

Рис. 16. Скоростные режимы головной части стана при расходе и образовании запаса полосы в петлевом устройстве

В общем случае длина полосы металла от стыкосварочной машины до первой клети может быть определена по выражению:

, (2.12)

где  - неизменяемая длина полосы головной части стана, м.;

 - максимальный запас полосы при нахождении тележки петлевого устройства слева, м.;

 - изменяемая длина, м.

Выразим изменяемую длину через скорость приводных станций:

, (2.13)

В тоже время изменяемая длина может быть выражена через линейную скорость тележки петлевого устройства:

, (2.14)

где n - число ветвей петлевого устройства;

Vx - линейная скорость перемещения тележки петлевого устройства.

Приравнивая (2.13) и (2.14) получим

. (2.15)

откуда

. (2.16)

В интервал времени t0¸t1 линейные скорости полосы металла на выходе входной приводной станции и на выходе выходной приводной станции равны. Тележка петлевого устройства неподвижна:

, (2.17)

где с0 - изменяемая длина запаса полосы в петлевом устройстве на момент времени t0.

, (2.18)

L1 - запас полосы в петлевом устройстве на момент времени t1;

В интервал времени t1¸t2 линейная скорость полосы металла V1 равнозамедленно снижается, тележка петлевого устройства движется вправо равноускоренно за счет натяжения в ветвях.

, (2.19)

где с1=0 - изменяемая длина запаса полосы в петлевом устройстве на момент времени t1;

V1нач - линейная скорость металла на выходе выходной приводной станции в момент времени t1, V1нач=V2.

, (2.20)

где L2 - запас полосы в петлевом устройстве на момент времени t2;

а1 - отрицательное ускорение на участке времени t1¸t2.

В интервал времени t2¸t3 происходит образование сварного шва. Линейная скорость полосы металла на выходе входной приводной станции равна нулю. Тележка петлевого устройства движется вправо с постоянной скоростью.

, (2.21)

где с2 - изменяемая длина запаса полосы в петлевом устройстве на момент времени t2.

, (2.22)

где L3 - запас полосы в петлевом устройстве на момент времени t3.

В интервал времени t3¸t4 линейная скорость полосы металла на выходе входной приводной станции возрастает от нуля до скорости, равной линейной скорости полосы металла на выходе выходной приводной станции, запас полосы продолжает расходоваться, тележка петлевого устройства движется вправо равнозамедленно.

, (2.23)

где с3 - изменяемая длина запаса полосы в петлевом устройстве на момент времени t3,

V1нач - линейная скорость металла на выходе выходной приводной станции в момент времени t3, V1нач=0.

, (2.24)

где L4 - запас полосы в петлевом устройстве на момент времени t4;

а2 - ускорение на участке времени t3¸t4.

В интервал времени t4¸t5 линейная скорость полосы металла на выходе входной приводной станции продолжает возрастать и превышает линейную скорость полосы метала на выходе выходной приводной станции. Начинается формирование запаса полосы в петлевом устройстве. Тележка петлевого устройства начинает двигаться влево равноускоренно.

, (2.25)

где с4 - изменяемая длина запаса полосы в петлевом устройстве на момент времени t4;

V1нач - линейная скорость металла на выходе выходной приводной станции в момент времени t4, V1нач=V2.

, (2.26)

где L5 - запас полосы в петлевом устройстве на момент времени t5.

В интервал времени t5¸t6 линейная скорость полосы металла на выходе входной приводной станции устанавливается на максимальном значении. Запас полосы металла в петлевом устройстве продолжает расти. Тележка петлевого устройства движется влево.

, (2.27)

где с5 - изменяемая длина запаса полосы в петлевом устройстве на момент времени t5.

 

, (2.28)

где L6 - запас полосы в петлевом устройстве на момент времени t6.

В интервал времени t6¸t7 линейная скорость полосы металла на выходе входной приводной станции снижается до уровня линейной скорости полосы металла на выходе выходной приводной станции. Запас полосы в петлевом устройстве продолжает расти, тележка петлевого устройства движется влево.

, (2.29)

где с6 - изменяемая длина запаса полосы в петлевом устройстве на момент времени t6,

а3 - ускорение на участке времени t6 - t7.

, (2.30)

где L7 - запас полосы в петлевом устройстве на момент времени t7.

В общем случае координата местоположения шва относительно первой клети определяется по выражению:

, (2.31)

где  - текущий запас полосы на момент окончания сварки.

. (2.32)

В установившемся режиме

 

 (2.33)

где t - время от момента окончания сварки до момента определения координаты шва.

3. Исследовательская часть

.1 Разработка структурной схемы

Для моделирования системы слежения за координатой сварного шва мы используем пакет математического моделирования Matlab. Система Matlab была создана специалистами фирмы MATHWORKS, как язык программирования высокого уровня для технических вычислений. Современные версии системы поставляются вместе с пакетом SIMULINK, предназначенным для моделирования динамических систем, модели которых составляются из отдельных блоков. В данном пакете реализованы принципы визуально-ориентированного программирования, что позволяет легко набирать нужные блоки и соединять их с целью составления модели анализируемой системы или устройства. При этом сложнейшие уравнения состояния, описывающие работу моделей, формируются автоматически. По удобству графического пользовательского интерфейса, обилию моделей компонентов в множестве библиотек, разнообразию виртуальных средств регистрации и визуализации результатов моделирования и, главное, по их надежности и достоверности Simulink выгодно отличается от множества других программ подобного назначения. Особенно это относится к открытости пакета и возможности пополнения библиотек. [8]

Система слежения за координатой сварного шва, может быть реализована в системе SIMULINK в соответствии с математическим описанием процесса петлеобразования полученного в пункте 2.5.

На рис. 17. представлена имитационная модель системы автоматического слежения за координатой сварного шва в среде Simulink.



Описание работы структурной схемы

­         Звено 1 отвечает за формирование сигнала скорости движения полосы на входе в петлевое устройство (см. рис. 18).

Рис. 18. График сигнала скорости движения полосы на входе в петлевое устройство

Интервал времени от нуля до 10с соответствует равенству скоростей на входе в ПН и на выходе из ПН, от 10 до 20с торможение, от 20 до 70с соответствует сварке нового шва, от 70 до 80с разгон до скорости нагона, от 80 до 90с скорость нагона, от 90 до 100с торможение.

­         Звено 2 формирует сигнал скорости движения полосы на выходе из петлевого устройства.

Изменяемая длина полосы головной части стана выражается через скорость приводных станций согласно формуле (2.13)

Данная формула реализуется двумя звеньями: звеном 3 - сумматором и звеном 4 - интегратором.

Сигнал изменения запаса полосы головной части стана, полученный от сумматора (звено 3) и интегратора (звено 4), складывается в сумматоре (звено 7) с сигналами с двух звеньев:

­         Звено 5 формирует максимальный (изменяемый) запас полосы в ПУ

­         Звено 6 формирует минимальный (неизменяемый) запас полосы в ПУ

В результате на выходе сумматора формируется сигнал изменения запаса полосы в петлевом устройстве в реальном времени (см. рис. 19).

Рис. 19. График сигнала изменения запаса полосы в петлевом устройстве

Изменяемая длина полосы может быть выражена через линейную скорость тележки петлевого устройства согласно формуле (2.16)

Формула (2.16) реализуется звеном 10. В это звено поступает информация о разности скоростей (с сумматора 3), и информация о количестве ветвей (n) в петлевом устройстве (задается звеном 9). В данном случае n = 8

График линейной скорости перемещения тележки петлевого устройства представлен на рис. 20.

Рис. 20. График сигнала линейной скорости перемещения тележки петлевого устройства

-       Звено 12 регистрирует переход сигнала скорости V1 (см. рис. 18) из нуля в положительное значение (это свидетельствует об окончании сварки и начале движения шва в петлевое устройство), т.е. в момент времени, равный 70с данное звено генерирует единичный импульс.

-       Звено 15 проверяет следующее условие: если сигнал с сумматора (звено 14) больше нуля, то на выходе данного звена формируется единица, если сигнал с сумматора равен нулю, то на выходе данного звена формируется ноль.

-       Звено 16. На Вход 1 данного звена поступает сигнал изменения запаса полосы со звена 7. На вход If поступает сигнал со звена 15, который является условием формирования выходного сигнала. Звено 16 проверяет следующее условие: если в любой момент времени (в нашем случае этот момент равен 70 с.) поступил единичный импульс, то высота выходного импульса будет соответствовать запасу полосы в петлевом устройстве в момент времени 70 с. (см. рис. 21).

Рис. 21. График сигнала запаса полосы в петлевом устройстве

-       Звено 17, 19, 25 являются вспомогательными и реализуют виртуальную переменную, в которую записывают и считывают значение запаса полосы (520,2 м.) в момент времени, равный 70 с.

-       Звено 20 представляет собой ключ, на вход которого поступает сигнал скорости V2 (6 м/с), условием для открытия входа является наступление момента времени, указанного в виртуальной переменной.

-       Звено 21 интегрирует поступающий на него сигнал скорости V2.

-       Звено 22 суммирует два сигнала: сигнал со звена 21 (интеграл от скорости V2) и сигнал из виртуальной переменной. На выходе сумматора (звено 22) мы получаем расстояние от сварного шва до первой клети стана (см. рис. 22).

Рис. 22. График расстояния от сварного шва до первой клети стана

4. Технико-экономическая часть

Важнейшие принципы технико-экономического анализа - создание единой системы учёта, контроля, анализа; использование в качестве источника анализа всей совокупности информации, полученной в системе учёта; познание на основе количественных характеристик качественной природы изучаемых процессов и явлений; конкретность, практическая полезность и оперативность анализа.

Технико-экономический анализ на предприятии носит многосторонний характер и охватывает различные стороны деятельности, в связи с чем возникают определённые его виды, различающиеся по объектам, субъектам, назначению, периодичности.

Назначение технико-экономического анализа производственно-хозяйственной деятельности весьма широкоÓ его результаты используются для разработки научно обоснованных текущих и перспективных планов и контроля за их выполнением; управления хозяйственной деятельностью и выбора оптимальных управленческих решений; оценки эффективности производственных процессов и выявления внутрипроизводственных резервов и т.д. При этом по степени охвата объекта анализ может быть сплошным или выборочным, что определяется его задачами и содержанием.

В технико-экономическом анализе в качестве исходных используются данные, полученные по оперативному, статистическому и бухгалтерскому учёту и отчётности, нормативная, плановая и директивная информация.

Расчёт капитальных затрат

К капитальным вложениям в основные фонды относятся затраты:

·   на приобретение оборудования;

·   транспортировку;

·   монтаж оборудования.

Затраты на оборудование приведены в таблице 4.1.

Таблица 4.1. Затраты на оборудование

Наименование оборудования

Количество, шт.

Цена, руб.

Сумма, руб.

Толщиномер «ROBOTRON 24 024»

2

1170000

2340000

Итого (Собщ)

2340000


Транспортные расходыÓ

Ртр=7% от общей стоимости (Собщ)                                               (4.1)

Ртр=7∙2340000/100=163800 руб.

Затраты на монтаж и наладку оборудования.

Рм=20% от (Ртр+ Собщ)                                                                    (4.2)

Рм=20∙(163800+2340000)/100=500760 руб.

Накладные расходы.

Рн=23% от Рм                                                                                                                                       (4.3)

Рн=23∙500760/100=115174,8 руб.

Плановые накопления.

Нпл=8% от (Рнм)                                                                         (4.5)

Нпл=8∙(115174,8+500760)/100=49274,8 руб.

Капитальные затраты.

К=2340000+163800+500760+115174,8+49274,8=3169009,6 руб.

Расчёт эксплуатационных затрат

Эксплуатационные затраты связаны с функционированием системы управления. Текущие затраты, связанные с эксплуатацией подсистемы, включают в себя:

·   зарплата персонала, обеспечивающего функционирование технического средства, руб.;

·   годовые амортизационные отчисления на оборудование и помещения, руб.;

·   расходы на электроэнергию, руб.;

·   расходы на обслуживание и ремонт оборудования, руб.;

·   затраты на расходные материалы, руб.;

Амортизационные отчисления.

А=Н∙К/100,                                                                                             (4.7)

где Н-норма амортизации (Н в чёрной металлургии составляет 14,3%).

А=14,3∙3169009,6/100=453168,37 руб.

Затраты на обслуживание и ремонт оборудования.

Зтртр∙К/100,                                                                                (4.8)

где Нтр-норма на текущий ремонт, Нтр=6%.

Зтр=0,06∙453168,37=27190,1 руб.

Расходы на электроэнергию.

Зэн=Nу∙Ки∙Км∙Цэн,                                                                            (4.9)

где Nу - установленная мощность оборудования,

Ки - коэффициент использования по времени (Ки=0,75),

Км-коэффициент использования по мощности (Км=0,85),

Цэн - цена 1 квт/час энергии.

Зэн=0,97∙0,75∙0,85∙3,1∙325∙24=14952,3 руб.

Расчёт годового фонда оплаты труда.

Расчёт основной заработной платы.

Оплата по тарифу: Зт = Тср ∙ В,                                                   (4.10)

где Зт - заработная плата одного рабочего в год по тарифу, руб.;

Тср - среднечасовая тарифная ставка, руб./ч;

В-количество часов работы в год одного рабочего, ч.

Среднечасовую тарифную ставку определяем следующим образом:

Тср = Т1Р12Р2+ … +ТпРп12+ … +Рп,                                              (4.11)

где Т1, Т2, Т3,… Тп - часовые тарифные ставки рабочих данного разряда, руб./ч;

Р1, Р2, Р3,… Рп - количество рабочих имеющих данный разряд.

Тср = 14,5 руб.

Зт = 14,5∙2001 =29014,5 руб.

Расчёт доплаты за вредность.

Звред = Кв∙Зт,                                                                                    (4.12)

где Звред - доплата за особые условия труда, руб.;

Зт - заработная плата за год по тарифу, руб.

Кв - коэффициент доплаты за особые условия труда.

Звред=0,3∙29014,5 = 8704,4 руб.

Расчет размера премии.

Зпрем = Зт∙С,                                                                                    (4.13)

где Зпрем - размер премии, руб.;

Зт - заработная плата по тарифу за год, руб.;

С - процент премии, С = 0,35.

Зпрем=29014,5∙0,35 = 10155 руб.

Таким образом, основная заработная плата, Зосн, рассчитывается:

Зосн = Зтвреднпрем                                                                        (4.14)

Зосн =29014,5+8704,4+10155=47874 руб.

Расчёт дополнительной заработной платы.

Оплата времени выполнения государственных и общественных обязанностей.

Такая оплата, Згос, предусмотрена в размере 0,5% от основной заработной платы,

Згос = 0,005 ∙ Зосн = 2393,7 руб.

Вознаграждение за выслугу лет.

Звысл = Зт ∙ Р                                                                                   (4.15)

где Звысл - вознаграждение за выслугу лет, руб.;

Зт - заработная плата по тарифу, руб.;

Р - процент вознаграждения за выслугу лет Р = 0,3

Звысл= 29014,5∙ 0,3 = 8704,4 руб.

Таким образом, дополнительную заработную плату, Здоп, рассчитываем:

Здопвысл+ Згос                                                                                (4.16)

Здоп=8704,4 +2393,7 =11098,1 руб.

Общий фонд заработной платы одного рабочего в год равен сумме основной и дополнительной платы без учёта выплат из фонда материального поощрения:

Зобщосндоп                                                                                  (4.17)

Зобщ=47874+11098,1=58972,1 руб.

Фонд заработной платы с учетом районного коэффициента составит:

Зобщ.р=1,25∙Зобщ                                                                               (4.18)

Зобщ.р =1,25∙58972,1 =73715,1 руб.

Размер премии из фонда материального поощрения, Зфмп составляет 12% от общего фонда заработной платы

Зфмп=0,12∙73715,1 =8845,8 руб.

Заработная плата одного рабочего в год, Зср, руб., составит:

Зср = Зобщ.р + Зфмп                                                                                      (4.19)

Зср=73715,1+8845,8=82560,9 руб.

Суммарная величина эксплуатационных затрат.

Зэкспл=А+Зтрэнср                                                                                        (4.20)

Зэкспл=453168,37+27190,1+14952,3+82560,9=577871,67 руб.

Общие приведенные затраты.

ПЗ= Зэксплн∙К,                                                                             (4.21)

где ПЗ - приведенные затраты,

Ен - отраслевой коэффициент (Ен =0,15)

ПЗ=577871,67+0,15∙3169009,6=1053223,11

Расчёт экономической эффективности

Показатели экономической эффективности, связанные с эксплуатацией разработки, включают в себя:

·   годовая экономия от внедрения системы;

·   показатель эффективности капитальных вложений;

·   срок окупаемости капитальных вложений;

·   годовой экономический эффект.

Проанализируем производительность стана холодной прокатки с учетом скрытых простоев. В этом случае прокатка характеризуется пятью скоростными режимами [13], представленными на рис. 23, где:

- рабочий режим, при котором прокатка ведется на рабочей скорости;

- режим снижения скорости перед входом шва в первую клеть стана;

- режим прокатки сварного межрулонного шва на сниженной скорости;

- режим разгона до рабочей скорости;

- режим работы при прохождении травильного шва.

На осциллограммах также показан импульс реза полосы ножницами при прохождении межрулонных швов, причем при прохождении травильных швов рез не осуществляется.

Получим выражение, позволяющее рассчитать производительность прокатного стана в различных режимах прохождения сварных соединений.

Длина годного металла в стане холодной прокатки

, (4.22)

где Lобщ - общая длина металла, прошедшего через стан, (м);

Lбрак - длина металла, попадающая в брак, (м).

, (4.23)

где Lнеобр - длина необработанного участка металла около шва, (м); n - количество швов.

Общая длина прокатанного металла на стане:

, (4.24)

где Lраб - длина металла, прокатанного на рабочей скорости, соответствующая временному интервалу tраб, м (рис. 24);

Lсниж - длина металла, прокатанного в режиме снижения скорости, соответствующая временному интервалу tсниж, м (рис. 24);

Lшва -длина металла, прокатанного при прохождении сварного шва, соответствующая временному интервалу tшва, м (рис. 24);

Lразг - длина металла, прокатанного в режиме разгона до рабочей скорости, соответствующая временному интервалу tразг, м (рис. 23).

Длина металла, обработанного на рабочей скорости, будет равна:

, (4.25)

где Vраб - рабочая скорость стана, м/с; tраб - время работы стана в рабочем режиме, с;

Из осциллограммы, представленной на рис. 2 видно, что

, (4.26)

где tсниж, tшва и tразг - длительности режима снижения скорости, режима прохождения сварного шва и режима разгона до рабочей скорости соответственно, с;

tобщ - общее время работы стана; n - количество швов.

С учетом (4.26) формулу (4.25) запишем в виде:

, (4.27)

Анализ осциллограмм скоростных режимов при прохождении сварных швов за 24 часа показал, что интервалы времени, соответствующие режимам снижения скорости, прохождения шва и разгона до рабочей скорости приблизительно равны между собой, поэтому введем обозначение:

tсниж= tшва= tразг=t2, обозначим также tобщ=t1 и перепишем (4.27) в виде:

, (4.28)

Длина металла, прокатанного в режиме снижения скорости:

, (4.29)

где асниж - ускорение на участке снижения скорости, м/с2.

Длина металла, получаемого в режиме прокатки сварного шва:

, (4.30)

где Vшва - скорость прокатки при прохождении сварного шва, м/с.

Приняв Lсниж=Lразг, запишем формулу (4.24) с учетом (4.28), (4.29) и (4.30):

. (4.31)

Раскроем скобки и выполним преобразования:

, (4.32)

Выразим ускорения на участках снижения скорости и разгона до рабочей скорости через Vраб и Vшва:

, (4.33)

Подставив (4.32) в (4.33) и выполнив преобразования, получим:

      (4.35)

Таким образом, общая длина прокатанного металла:

.                                (4.37)

Окончательно длину годного металла, прокатанного за определенный промежуток времени, можно определить по выражению:

.                          (4.38)

Рассчитаем производительность за один час стана 1700 до, и после внедрения проекта согласно [13].

Vраб=16 м/с - скорость прокатки;

Vшва =2,5 м/с - скорость пропуска шва;

t1= 1 ч = 3600 с

t2= 20 c - интервал времени, соответствующий режимам снижения скорости, прохождения шва и разгона до рабочей скорости;

n = 3 - количество швов за час;

Lнеобр= 27 м. - длина необработанного металла;

Производительность стана за час:

Qобщ= 16∙3600-2,5∙20∙3∙(16-2,5)=55575 (м/ч)

Qбрак= 29∙3=87 (м)

Qгодн=55575-87=55488 (м/ч)

Qза сутки=55488∙24=1331712 (м/сутки)

Количество рабочих часов в году (за вычетом отведенных на проведение плановых профилактических ремонтов стана) равное 8064.

Qза год=55488∙8064=447455232 (м/год)

При внедрении разработанной системы, на базе толщиномера «Robotron 24 024» и нового расчетного метода, интервал времени, t2 может сократиться до 19,7 с.

Произведем расчет с новыми параметрами

Vраб=16 м/с - скорость прокатки;

Vшва =2,5 м/с - скорость пропуска шва;

t1= 1 ч = 3600 с

t2= 19,7 c

n = 3 - количество швов за час;

Lнеобр= 27 м. - длина необработанного металла;

Qобщ= 16∙3600-2,5∙19,7∙3∙(16-2,5)=55605,3 (м/ч)

Qбрак= 29∙3=87 (м)

Qгодн=55605,3-87=55518,3 (м/ч)

Qза сутки=55518,3∙24=1332439,2 (м/сутки)

Qза год=55518,3∙8064=447699571,2 (м/год)

Увеличение производительности после внедрения системы составляет:

P=Qза год (после) - Qза год (до)= 447699571,2-447455232=244339,2 (м)=1319,4 (т)

Средняя цена одной тонны качественного проката составляет 10000 руб.

С учетом стоимости, годовой экономический эффект составляет

Эгод=1319,4∙10000=1319400 руб.

С учетом эксплуатационных расходов на содержание системы годовой экономический эффект составит:

Ээк = Эгод - Зэкспл                                                                                                                                  (4.39)

Ээк = 1319400 - 577871,67= 12616128,33 руб.

Показатель экономической эффективности определяется по формуле:

Эф = Ээк / К                                                                                              (4.40)

Эф=12616128,33/3169009,6=3,98

Окупаемость системы составит:

Кок = К /Ээк                                                                                     (4.41)

Кок= 3169009,6/12616128,33=0,25 года

Основные экономические показатели представлены в таблице 4.2.

Таблица 4.2. Основные экономические показатели

Показатель

Значение, руб.

Капитальные затраты, руб.

3169009,6

Эксплуатационные расходы, руб.

577871,67

Экономический эффект, руб./год

12616128,33

Показатель экономической эффективности

3,98

Срок окупаемости капитальных вложений, лет

0,25


В результате выполнения экономических расчетов, анализа разработки данной системы можно сделать вывод о том, что разработка и внедрение данной системы являются экономически эффективными, т.к. прогнозируемый показатель экономической эффективности составляет Эф =3,98, срок окупаемости 0,25 года или 3 месяца.


Заключение

В данной дипломной работе была разработана система автоматического слежения за координатой сварного шва в петлевом устройстве стана 1700 ПХЛ ОАО «Северсталь».

Была проанализирована работа действующей системы слежения за швом на пятиклетевом стане 1700 ПХЛ, и выявлены недостатки в ее работе, приводящие к обрывам полосы на стане, повреждениям валков, а следовательно к технологическим простоям и материальным потерям.

В ходе выполнения дипломной работы был проведен патентный поиск существующих систем слежения за координатой сварного шва, результаты которого, легли в основу для разработки новой системы слежения.

Принцип работы новой системы слежения основывается на математическом описании работы петлевого устройства стана 1700 ПХЛ ОАО «Северсталь».

На основе математического описания была разработана функциональная схема новой системы слежения за координатой сварного шва петлевом устройстве, произведен выбор соответствующего оборудования и технических средств автоматизации. Новая система позволяет более точно, чем существующая система слежения, определять запас полосы и положение шва в петлевом устройстве. Экономически это ведет к уменьшению расходов на производство, т.к. снижается количество брака и время технологических простоев.

Так же на основе математического описания, при помощи пакета Matlab, была разработана имитационная модель системы слежения за координатой сварного шва.

Произведён технико-экономический расчет, где дана экономическая оценка и обоснование материальных затрат возникающих при разработке и возможном внедрении системы слежения за координатой сварного шва.

Литература

1)    Великанов К.М. и др. Экономика и организация производства в дипломных проектах. Учебное пособие для вузов. Л.: Машиностроение, 1990 г. - 320 с.

2)      Герловин Ю.Н. Климов Г.В. и др. Автоматические средства обнаружения и тушения пожаров. - М.: Стройиздат 1986 г. - 240 с.: ил.

)        Гуревич В.Л., Иванов О.Н., Белоусов К.В. Описание изобретения к авторскому свидетельству. «Устройство слежения за координатой сварного шва на стане бесконечной прокатки». - (19)SU(11)1736652A1; (51)5 B 21 B 37/00

)        Джонс М.Х. Электроника - практический курс. Москва: Постмаркет, 1999 г. - 528 с.

)        Иванов Е.Н. Автоматическая пожарная защита. - М.: Стройиздат 1978 г. - 200 с.:ил.

)        Иванов Е.Н. Пожарная безопасность вычислительных центров. - 3 изд., перераб. и доп. - М.: Стройиздат 1990 г. -112 с.: ил.

)        Кукин, В.Л. Лапин, Е.А. Подгорных и др. Безопасность жизнедеятельности. Безопасность технологических процессов и производств (Охрана труда): учебное пособие для вузов. П.П. - М.: Высш. шк., 1999. - 318 с.:ил

)        Лазарев Ю. Моделирование процессов и систем в Matlab. Учебный курс. - СПБ.: Питер, 2005 г. - 511 с

)        Макарова Н.Л., Булатов Ю.И., Куралева Т.В. Методические указания по курсовому и дипломному проектированию. ЧГУ, 2001 г.

)        Мекел Дж., Геропп В., Аш А. Применение компьютеризированных систем наблюдения и диагностики на прокатных станах.; журнал «Черные металлы», декабрь, 1999 г. с. 53-60.

)        Нефедов В.И. Основы радиоэлектроники и связи: Учебник для вузов/В.И. Нефедов - 2-е изд., перераб. и доп. - М.: Высш. шк., 2002 г. - 510 с.: ил.

)        Прудков М.Л., Канторович Л.З., и др. Описание изобретения к авторскому свидетельству. «Система управления агрегатом с петлевым устройством». - (19)SU(11) 1122387 A; 8(51) B 21 B 37/00

)        Смыслова А.Л., Харахнин К.А. Анализ производительности стана холодной прокатки при различных режимах пропуска сварных соединений. С. «Вестник ЧГУ»

)        Инструкция петлевого устройства стана 1700 ПХЛ ОАО «Северсталь»

)        Инструкция по эксплуатации программируемых логических контролеров SIEMENS SIMATIC S7-400

)        Официальный сайт представительства SIEMENS AG в России www.siemens.ru

)        Строительные нормы и правила: СНиП 23-05-95. Естественное и искусственное освещение / Госстрой СССР. - Введен 01.01.95. - М.: Стройиздат, 1996. - 35 с.

)        Техническое описание и инструкция по эксплуатации датчиков ИКО-5, 1983 г.

)        Техническое описание и инструкция по эксплуатации датчиков «Robotron 24 024».

)        Техническое описание и инструкция по эксплуатации датчиков КД-4МК, 1986 г.

)        Техническое описание и инструкция по эксплуатации датчиков ПДФ-5, 1991 г.

)        Технологическая инструкция ТИ 105-ПХЛ-16-96 Прокатка полос на пятиклетевом стане 1700 ПХЛ, 1996 г.

Похожие работы на - Исследование петлевого устройства стана 1700 ПХЛ ОАО 'Северсталь' и разработка метода, позволяющего с высокой степенью точности определять положение сварного шва в петлевом устройстве

 

Не нашли материал для своей работы?
Поможем написать уникальную работу
Без плагиата!
Без нейросетей!