Расчет четырехосного полувагона с глухим кузовом
Аннотация
В данном курсовом проекте рассматривается
четырехосный полувагон с глухим кузовом, габарит 1-ВМ, тара - 245.25кН,
грузоподъемность - 676.89кН, который проверяется на следующие факторы:
технические требования к вагону;
выбор технико-экономических параметров;
вписывание вагона в габарит;
расчет оси колесной пары;
расчет на прочность подшипников и рессорного
подвешивания;
проверка кинематических параметров автосцепки;
проверка устойчивости вагона от опрокидывания;
расчет рамы тележки и кузова проектируемого
вагона;
расчет пружин от действия горизонтальных и
вертикальных нагрузок.
Введение
Вагоном называется единица железнодорожного
подвижного состава, предназначенная для перевозки пассажиров и грузов. При всем
разнообразии типов и конструкций вагонов они имеют общие основные элементы:
кузов, ходовые части, ударно-тяговые приборы и тормоза.
В данное время современный парк вагонов
представляет собой многообразие типов и конструкций. Это необходимо для
выполнения требований таких как: обеспечение комфорта пассажирам, сохранение
скоропортящихся грузов, исключение повреждений хрупких грузов, защиты некоторых
грузов от атмосферных осадков.
Железнодорожный транспорт является основным
видом перевозок в экономической сети России. На его долю приходится более 70%
грузооборота и 40% пассажирооборота, выполняемого транспортом общего
пользования страны. А это говорит о том, что в России железнодорожный транспорт
имеет исключительно важное стратегическое и экономическое значение.
Постоянное совершенствование вагонного парка
позволяет выполнять поставленные перед транспортом задачи: полное
удовлетворение народного хозяйства и населения в перевозках, значительное
повышение скоростей движения поездов, увеличение пропускной и провозной
способности железных дорог, повышение производительности труда, снижения
себестоимости перевозок и уменьшение капитальных вложений.
Так как заказчик предъявляет постоянно новые
требования к перевозкам, то и вагонный парк постоянно совершенствуется, т. е
происходит повышение грузоподъемности, осевой нагрузки, приспособление
конструкций вагонов к перевозкам различных видов грузов (универсальность),
улучшение условий для погрузочно-разгрузочных работ и т.д.
Все нововведения помогли железнодорожному
транспорту поднять свои показатели по обеспечению перевозок грузов и
пассажиров:
В 2004 году отправление грузов на
железнодорожном транспорте по сравнению с 1999 годом возросло на 17%,
грузооборот увеличился на 20%.
1.
Технические требования к вагонам
Универсальные крытые вагоны, полувагоны и платформы
магистральных железных дорог, а также вагоны промышленного транспорта должны
соответствовать техническим требованиям ГОСТ 10935 - 69, 10936 - 75, 7488 - 74
и 5973 - 78, а также утвержденным чертежам и техническим условиям.
Приняты следующие наиболее важные параметры
универсальных грузовых вагонов магистральных железных дорог: допускаемая
нагрузка от оси на рельсы для всех вновь создаваемых вагонов 245 кН (25 тс);
расчетная скорость 33 м/с (120 км/ч); грузоподъемность (не менее) крытых
вагонов 68 т, четырехосных полувагонов 69 т, восьмиосных полувагонов 125 т,
платформ 70 т; масса тары (не более) крытых вагонов с металлической обшивкой
стен 24,7 т и с деревянной 23 т, восьмиосных полувагонов 43 т, платформ 21 т;
объем кузова (не менее) крытых вагонов 120 м3, четырехрсных и
восьмиосных полувагонов соответственно 73 и 138 м3; площадь пола
платформ не менее 37 м2.
Универсальные вагоны проектируют по габаритам
подвижного состава (ГОСТ 9238 - 73): крытые вагоны - 0 - Т или 1-Т,
четырехосные полувагоны и платформы - 01-Т, восьмиосные полувагоны - 1-Т.
Параметры и конструктивные решения специальных
вагонов для магистральных и промышленных железных дорог колеи 1520 (1524) мм
выбирают соответственно исходным требованиям по ГОСТ 15.001- 73.
Конструкции грузовых вагонов
выполняют из высокопрочных коррозионностойких низколегированных сталей с учетом
существующих и прогнозируемых условий технологии производства и эксплуатации, а
также с учетом требований, предъявляемых к обеспечению безопасности, надежности
и долговечности работы отдельных узлов и вагона в целом, удобства его
обслуживания, ремонта и модернизации.
Несущие конструкции кузовов
необходимо проектировать так, чтобы они позволяли комплексно использовать
механизмы при выполнении погрузочно-разгрузочных работ. Для обеспечения
безопасной работы вагоны оснащают соответствующим оборудованием: поручнями,
"подножками, наружными лестницами, увязочными устройствами,
предупреждающими падение деталей на путь, и др.
Во всех грузовых магистральных
вагонах, за небольшим исключением, используют типовые двухосные тележки
ЦНИИ-ХЗ, а также автосцепные устройства (на вагонах колеи 1520 мм - автосцепка
СА-3 и СА-3М и стандартное тормозное оборудование: воздухораспределитель,
тормозной цилиндр, автоматический регулятор рычажной передачи, авторежим и др.
Вагоны, с буксами на роликовых подшипниках, оборудуются типовым стояночным
тормозом.
Помимо указанных общих
требований, к грузовым вагонам предъявляются некоторые специальные требования
соответственно их назначению. В частности, для универсальных крытых вагонов
обязательно наличие боковых дверей, настенного несъемного внутреннего
оборудования, люков с вентиляционными решетками в боковых стенах, для
универсальных полувагонов - разгрузочных люков в полу, для платформ -
продольных и поперечных бортов и т. д.
Вагоны-самосвалы (думпкары)
должны обладать устойчивостью при разгрузке. Разгрузочные механизмы и системы
управления выполняются так, чтобы при необходимости можно было разгрузить в
составе каждый вагон отдельно. С согласия заказчика и завода-изготовителя
вагоны-самосвалы могут быть снабжены дистанционной системой управления
разгрузкой из кабины машиниста. Конструкция таких вагонов обеспечивает при
повороте кузова наклон пола не менее чем на 45°. Вагоны-самосвалы могут
беспрепятственно передвигаться по карьерным и подъездным путям в кривых с
наименьшим радиусом 80 м.
Стандартами определены
гарантийные и общие сроки службы грузовых вагонов при условии соблюдения правил
их эксплуатации. Поэтому важной задачей является обеспечение сохранности
вагонов в процессе их эксплуатации, при выполнении погрузочно-разгрузочных и
маневровых работ.
Общие требования по обеспечению
сохранности вагонов установлены соответствующим стандартом, где
регламентированы: температура нагрева узлов и вагона в целом при производстве
грузовых операций; пределы влажности насыпных грузов при перевозках зимой с
целью предотвращения их смерзания; условия погрузки и выгрузки грузов для
основных типов вагонов (платформ, крытых полувагонов, цистерн, рефрижераторных
и специальных); требования к устройствам, взаимодействующим с вагонами,
грузоподъемным машинам, вагоноопрокидывателям, вибрационным (штыревые
рыхлители, виброрыхлители-разгрузчики, бурорыхлители и др.) и самоходным
устройствам, предназначенным для работы внутри кузова крытых вагонов,
устройствам сортировочных горок и др.
В частности, общая нагрузка от
упоров вагоноопрокидывателя, передаваемая на верхнюю обвязку полувагона, не
должна превышать его наибольшую расчетную массу брутто и равномерно
распределяться на обе боковые стенки кузова, а от отдельных упоров - 98 кН (10
тс) для четырехосного полувагона и 196 кН (20 тс) для восьмиосного.
Различные системы вибрационных
устройств, применяющихся на ваго-ноопрокидывателях, или накладных,
устанавливаемых на верхнюю обвязку полувагонов, ограничиваются величиной
возмущающей силы по амплитуде до 88 кН (9 тс) при частоте 24 -25 Гц.
Для отдельных вибрационных
рыхлителей штыревого типа, воздействующих непосредственно на массив
разрыхляемого груза, предельная величина указанной силы при той же частоте
принята 196 кН (20 тс)
Полувагоны предназначены для
перевозки каменного угля, руды, леса, проката, металлов, а также других сыпучих
и штучных грузов, не требующих защиты от атмосферных осадков. Кузов полувагона
не имеет крыши, что обеспечивает удобства погрузки и выгрузки.
Применяются два основных типа
полувагонов: универсальные с торцовыми открывающимися внутрь вагона дверями и
разгрузочными люками в полу и специальные - с кузовом без дверей и люков
(глухой кузов) для перевозки только сыпучих грузов в замкнутых маршрутах с
разгрузкой на вагоноопрокидывателях.
Полувагоны бывают четырех-,
шести- и восьмиосные.
Четырехосный
цельнометаллический полувагон имеет кузов, две торцевые стены, пол с люками,
две боковые стены.
Боковая стена состоит из
верхней и нижней обвязок, угловых и боковых стоек и металлической обшивки из
листов гнутого профиля с продольно расположенными обращенными наружу вагона
гофрами; толщина нижних листов 5 мм, верхних - 4мм. Усиленные стойки и верхняя
обвязка боковых стен выполнены из гнутых профилей, нижняя обвязка - из
горячекатаного уголка 160x100x10 мм. Несущие элементы кузова изготовлены из
стали марки 09Г2Д.
Рама кузова имеет хребтовую
балку, сваренную из двух зетов и двутавра, две шкворневые балки 2 коробчатого
замкнутого сечения, сваренные из двух вертикальных и двух горизонтальных
листов, концевые балки 3 из гнутого углового профиля и нижнего листа и
промежуточные балки 4 двутаврового профиля, сваренного из вертикального листа и
двух горизонтальных поясов.
Крышки 14 разгрузочных люков
выполнены штампосварными, имеют индивидуальные запоры - закидки с секторами.
Крышки оборудованы торсионными устройствами для облегчения подъема.
В открытом положении крышки
люков устанавливаются под углом: над тележками и над тормозным цилиндром - 23°,
в средней части - 31°.
Аналогичные полувагоны
постройки Уральского вагоностроительного завода отличаются обшивкой боковых
стен, выполненной из штампованных панелей толщиной 5 мм с корытообразными
углублениями. На этом заводе широко применяется контактная точечная сварка
вместо дуговой, как принято на полувагонах постройки Крюковского завода.
Четырехосные
цельнометаллические полувагоны с глухим кузовом строятся объединением
«Ждановтяжмаш».
Четырехосный полувагон с
боковыми стенами раскосно-стоечной конструкции и деревянной обшивкой имеет
кузов объемом 70,5 м3. Строительство таких вагонов прекращено в
связи с освоением производства полувагонов цельнометаллической конструкции.
Каркас боковой стены состоит из
верхней 2 и нижней 8 обвязок, угловых 7, шкворневых 5, промежуточных 3 и
средней стоек, крайних 6 промежуточных 4 и средних 9 раскосов. Стойки, раскосы
и верхний пояс боковых стен изготовлены из гнутых профилей, а нижняя обвязка из
прокатного уголка.
Рама кузова и металлические
крышки разгрузочных люков по конструкции такие же, как в описанном выше
цельнометаллическом полувагоне.
До 1963 г. полувагоны
аналогичной конструкции строились с объемом кузова 65 м3. Такой
объем был недостаточен для полного использования грузоподъемности вагона.
Кроме того, деревянная обшивка
ненадежна в эксплуатации, часто повреждается при погрузочно-разгрузочных
операциях, а иногда загорается при перевозке не полностью остывшего груза.
Поэтому при модернизации вагона она заменяется металлической.
В период 1958 - 1967 гг.
строились шестиосные цельнометаллические универсальные полувагоны
грузоподъемностью 94 т с кузовом объемом 106 м3, длиной по осям
автосцепок 16 400 мм, спроектированные по габариту 1-Т. Они оборудованы 16
разгрузочными люками в полу и торцовыми двустворчатыми дверями, открывающимися
внутрь кузова. Крышки и их запоры взаимозаменяемы с аналогичными узлами
полувагонов других типов. Кузов установлен на двух-, трехосных тележках.
Производство таких вагонов
прекращено, поскольку более перспективными оказались восьмиосные полувагоны.
Проводились исследовательские и
опытно-конструкторские работы по применению в узлах полувагонов алюминиевых
сплавов. Так, Уральским вагоностроительным заводом были созданы опытные
универсальные четырех- и шестиосные полувагоны с кузовами из высокопрочных
алюминиевых сплавов. Четырехосный полувагон имеет стены и раму кузова,
изготовленные из прессованных алюминиевых профилей. Крышки люков изготовлены из
стали. Тара такого вагона на 3 т меньше, чем у типового серийного вагона при тех
же линейных размерах. Для шестиосного полувагона был использован
алюминиево-магниевый сплав марки АМг6. Это позволило снизить его тару на 3,4 т
и повысить грузоподъемность на 3 т.
Общие требования
Выбор основной конструкционной схемы кузова
вагона
Четырехосный универсальный полувагон
грузоподъемностью 69 т (модель 12-132) предназначен для перевозки сыпучих,
крупнокусковых, длинномерных и других грузов, не требующих защиты от
атмосферных осадков.
По климатическим условиям вагон изготавливается
в исполнении «У» по ГОСТ 15150-69. Вагон строится на базе четырехосного
полувагона грузоподъемностью 75 тонн, в котором имеются 14 разгрузочных люков в
полу и открывающимися внутрь торцевыми дверьми.
Полувагон цельнометаллический имеет сварную раму
и кузов с обшивкой стен из листа с периодическими гофрами.
Несущие элементы полувагона и обшивка
изготавливаются из низколегированной стали марок 09Г2Д, 09Г2СД и 10ХНДП ГОСТ
19281-73 и ГОСТ 19282-73.
Стойки и верхний пояс боковых стен кузова
выполнены из гнутых профилей, нижняя обвязка - из прокатного уголка 160х100х9
мм.
Рама полувагона включает в себя хребтовую балку
из двух типов зетов №31, две шкворневые балки коробчатого сечения, две
концевые, четыре поперечные промежуточные балки двутаврового типа и две
продольные поддерживающие балки.
Предусмотрены увязочные кольца для крепления
штучных грузов и наружные лестницы. Погрузка сыпучих и кусковых грузов
производится сверху из бункеров, грейферными кранами, экскаваторами и т.д.
Выбор конструкционных материалов
Детали и узлы вагона должны быть такими, чтобы
обеспечивалась их безотказная работа в эксплуатации. Прочностные свойства и
надежность вагона в эксплуатационных условиях при различных видах воздействий
обеспечиваются применением соответствующих материалов с использованием
технологических процессов изготовления, упрочнения и ремонта. Для изготовления
деталей полувагона, тележки и автосцепки из проката должны применяться
низколегированная сталь по ГОСТ 19281-89, а также углеродистые и легированные
стали ГОСТ 14959-79. Прокат из низколегированной стали должен быть
мартеновского способа производства марки 09Г2Д. Допускается применение стали
марок 09Г2 по согласованным заказчиком чертежом. Стальные литые детали должны
изготавливаться из низколегированных сталей по ГОСТ 977-88, ГОСТ 21357-87,
содержащие марганец и ванадий, что способствует повышению динамической
прочности и возрастанию долговечности деталей. Согласно нормам и ТУ
24.050.406-82 при изготовлении литых деталей рекомендуется использовать стали
20ФЛ, 20ГЛ, 20ГТЛ, 20ГФЛ, 20Г1ФЛ.
КОРРОЗИОННАЯ ЗАЩИТА
Коррозия металлов - это процесс разрушения
(разъедания) металла вследствие его химического или электрохимического
взаимодействия с окружающей средой.
Для предотвращения коррозии применяются защитные
покрытия. Это тонкие слои неметаллических веществ или некоррозируемых
материалов, искусственно создаваемые на поверхности металлических и деревянных
предметов, предохраняющие их от коррозии и гниения путём изоляции поверхности
от окружающей среды. Обычно защитные покрытия выполняют и декоративные функции.
Полувагон, изготовленный из сталей 10ХНДП и
09Г2Д, подвержен коррозии. Скорость распространения коррозии 0.05-0.2мм в год.
Окраска является наиболее эффективным средством
защиты металла от коррозии. Выполняется по ГОСТ 7409-73.
Кузов вагона, рама, колесные пары, тележки,
тормозное оборудование и рессорные комплекты подлежат окрашиванию.
При заводском ремонте вагоны окрашивают масляной
краской снаружи два раза, а внутри один раз. Рамы вагонов окрашивают два раза
масляной краской или двумя слоями перхлорвиниловой эмали по грунту.
Тележки окрашивают по грунту один раз в черный
цвет. Боковые и торцевые кровельные листы грунтуют с обеих сторон, и после
укладки окрашивают с наружной стороны два раза.
Перед нанесением очередного слоя краски
поверхности сушат. На кузов вагона наносят надписи и знаки в соответствии с
альбомом МПС «Знаки и надписи грузовых вагонов колеи 1520 мм».
При деповском ремонте окраске подлежат только те
места, которые подлежат ремонту или места, поврежденные коррозией.
Требования к унифицированным частям вагона
Унифицированными частями полувагона будут
следующие:
кузов вагона;
рама вагона
ударно-тяговые приборы;
тормозное оборудование;
ходовые части.
Требования к кузову и раме вагона.
Кузова полувагонов, предназначенных для
перевозки сыпучих, навальных и штучных грузов (каменного угля, руды, леса,
проката металлов и др.), не требующих укрытия и защиты от атмосферных осадков,
не имеют крыши. Это обеспечивает удобство производства трудоёмких операций по
погрузке и выгрузке с помощью эффективных средств механизации (мостовых кранов,
вагоноопрокидывателей и др.).
На направлениях с большим объёмом перевозок руды
и угля обращаются замкнутые маршруты, формируемые из специализированных
полувагонов с глухим кузовом (без разгрузочных люков и без торцовых дверей).
Такие полувагоны рассчитаны на разгрузку с помощью вагоноопрокидывателей.
Специализированные полувагоны с кузовом, имеющим
глухой пол и глухие торцовые стены, обладают повышенной надежностью и
эффективностью при эксплуатации на замкнутых полигонах железных дорог,
оснащенных вагоноопрокидывателями для их разгрузки.
Кузов специализированного четырехосного
полувагона с глухим полом, сварной конструкции. Его рама включает в себя
хребтовую балку из двух типовых зетов №31, две шкворневые балки коробчатого
сечения, две концевые, четыре поперечные промежуточные балки двутаврового типа
и две продольные поддерживающие балки. Боковая стена состоит из каркаса,
включающего в себя верхнюю обвязку из гнутого профиля, нижнюю обвязку из горячекатаного
уголка, шесть вертикальных стоек специального омегообразного профиля и две
угловые стойки сварной конструкции. Каркас перекрыт обшивкой из гнутого листа с
периодическими гофрами. Торцовая стена кузова имеет верхнюю обвязку из гнутого
профиля, два боковых швеллера №14, два горизонтальных пояса жесткости из
омегообразного профиля и обшивку из гладкой листовой стали. Нижний пояс
жесткости связан с концевой балкой рамы тремя короткими стойками.
Несущие конструкции вагона выполнятся с
использованием низколегированных сталей марки 09Г2Д или стали высокой
прочности, стойкими против коррозии 10ХНДП.
Запрещается включать в поезда и допускать к
следованию с ними вагоны при отсутствии трафаретов о производстве установленных
видов ремонта и единой ревизии, за исключением случаев, когда вагоны
направляются с заводов по особым документам.
Полувагоны повреждаются, главным образом, на
вагоноопрокидывателях при неправильной их эксплуатации, а также при небрежной
выгрузке грузов грейферными кранами и при неправильной погрузке тяжелых штучных
грузов.
Требования к ударно-тяговым приборам.
Выбираем автосцепку СА -3.
Вновь проектируемое автосцепное устройство
вагонов должно иметь контур зацепления по ГОСТ 21447-75 и обеспечивать:
взаимодействие с вагонами, оборудованные
автосцепками СА - 3, СА - 3М, ОСЖД-МСЖД;
автоматическое сцепление подвижного состава на
прямых и кривых участках пути (заданного в техническом задании радиуса) при
разнице высот продольных осей автосцепок до 140 мм и при скоростях сближения от
0.2 до 4 м/с;
сохранение сцепленного состояния подвижного
состава при движении в предусмотренных проектом условиях, в том числе по
расчётным и S- образным кривым,
сортировочным горкам и аппарелям паромов;
расцепление единиц подвижного состава
регламентированным воздействием извне;
автоматическое восстановление готовности к
сцеплению после разведения расцепленных автосцепок;
восстановление сцепление воздействием извне
ошибочно расцепленных автосцепок без их разведения;
установку механизма автосцепки регламентированным
воздействием извне в положении «на буфер», не допускающие сцепление при
совмещении контуров зацепления смежных автосцепок.
Конструкции деталей автосцепного устройства
должны исключать произвольные нарушения взаимодействия их друг с другом и
выпадение деталей при движении в поездах, маневровых соударениях со скоростями
до 4 м/с.
Автосцепка СА - 3 обеспечивает автоматическое
сцепление подвижного состава без участия человека. Расцепление осуществляется
без захода человека в межвагонное пространство, что создаёт безопасные условия
работы обслуживающему персоналу. Процесс сцепления осуществляется
автоматически.
Предусмотрено также положение деталей механизма
« на буфер», при котором автосцепки не сцепляются.
В качестве автосцепного устройства для
проектируемого универсального четырёхосного полувагона применима типовая
автосцепка СА-3.
Корпус автосцепки, узла механизма, тяговый хомут
и детали, передающие нагрузку на раму вагона изготовлены из углеродистой и
низколегированной стали. Механические свойства корпуса автосцепки и тягового
хомута имеют предел прочности не менее 52-55 тс/мм при пределе текучести не
менее 18% и ударной вязкости при бО0С не менее 0,25МДж/м2.
Металл для деталей механизма сцепления и деталей, передающих нагрузку на раму
вагона, должен иметь предел прочности не менее 25 тс/мм, ударную вязкость при
200С не менее 0,49МДж/м.2
Содержание углерода в стали для деталей
ограничено и не более 0.27%. Для деталей поглощающего аппарата применяют сталь
с повышенным содержанием углерода или легированную сталь 32Х06Л, которая
подвергается закалке и отпуску до НВ 207-277. Валики и корпус изготавливают из
стали 30 и подвергают нитроцементации или цементации с последующей закалкой и
отпуском до НКС 50-64.
Вновь проектируемые поглощающие аппараты
автосцепки должны удовлетворять следующим условиям:
·
продольная
сила при маневровых соударениях одиночных 4-хосных грузовых вагонов со
скоростями до 3 м/с и 8-осных вагонов со скоростями до 2,5 м/с, а также при
осаживании и трогании поезда массой до 10000 т из таких вагонов не должна
превышать 2,5 МН с вероятностью не превышения этой силы, равной 0,95.
Продольная сила закрытия аппарата должна быть в пределах 2,0 - 3,0 МН.
Коэффициент необратимого поглощения энергии должен быть не менее 0,7, сила
начального сжатия (предварительная затяжка) - в пределах 200 - 500 кН, рабочий
конструктивный ход - не менее 110 мм;
·
при
квазистатическом нагружении сила сжатия при полном ходе поглощающего аппарата
грузового вагона должна быть не менее 1,8 МН, а пассажирского вагона - не менее
1,0 МН;
·
стабильность
работы поглощающих аппаратов рекомендуется оценивать по результатам испытаний
на соударение партии приработанных аппаратов.
Выбираем поглощающий аппарат Ш4-Т с
энергоёмкостью 90 кДж, силой сопротивления при сжатии 2 МН и ходом 120 мм.
Требования к тормозному оборудованию вагона.
Каждый вагон должен быть оборудован
автоматическими тормозами, воздухораспределителями, регулятором тормозной
рычажной передачи, автоматическим регулятором грузовых режимов торможения,
тормозным цилиндром по ГОСТ 3036-69, запасным резервуаром, соединительными
рукавами, стояночным тормозом, рычажной передачей, обеспечивающей постановку
композиционных колодок.
Автотормозное оборудование вагонов должно
соответствовать установленным нормам безопасности движения и управляемости
тормозов в эксплуатации, устойчиво работать при температурах от +55 до -550
С и сохранять работоспособность при кратковременных (до 5% общего времени
работы равномерно по проектному сроку службы) повышенных температурах до +800
С и понижениях до -600 С.
В тормозной системе вагона должен использоваться
колодочный вид фрикционных тормозов. Фрикционные тормоза, кроме автоматического
привода, должны иметь ручной привод для затормаживания стоящего вагона.
В тележках грузовых и изотермических вагонов при
конструкционной скорости до 33 м/с (120 км/ч) допускается применение
одностороннего нажатия колодок. В необходимых случаях могут применяться
секционные тормозные колодки.
Тормозные системы грузовых вагонов в общем
случае должны проектироваться с автоматическим регулятором изменения величины
давления сжатого воздуха в тормозном цилиндре в зависимости от загрузки вагона
(авторежимом).
Для грузовых вагонов, эксплуатирующихся в
порожнем состоянии и с загрузкой, превышающей 80% от полной расчетной, допускается
применение автоматического переключателя "порожний/груженный" по
давлению воздуха в тормозном цилиндре.
По согласованию с заказчиком допускается
ограничиваться воздухораспределителем, имеющим не менее трех грузовых режимов
торможения с ручным переключателем. В этом случае должны быть предусмотрены
доступные с любой боковой стороны вагона устройства для переключения
воздухораспределителя на соответствующий режим действия.
Требования к ходовым частям вагона.
Тележки должны обеспечивать безопасное движение
вагона по рельсовому пути с необходимой плавностью хода и наименьшим
сопротивлением.
Для обеспечения международных перевозок ходовые
части вагонов должны допускать эксплуатацию как на колее 1520 мм, так и на
колее 1435 мм, с переводом с одной колеи на другую на специальном
перестановочном пункте путем замены тележек в сборе или колесных пар.
Для обеспечения свободного перемещения деталей
тележки относительно кузова при проходе одиночного вагона по круговой кривой
малого радиуса необходимо, чтобы при угле Ψ
поворота тележки вокруг ее центра имелись зазоры между деталями тележки и
кузова, достаточные для компенсации других возможных относительных смещений (за
счет забегания боковин тележек с нежесткой рамой, смещений кузова в центральном
подвешивании и в зазорах пятника).
Проектируемый универсальный полувагон оборудован
тележками по ГОСТ 9246-79, модели 18-100, со статическим прогибом рессорного
подвешивания, равным 50мм и гибкостью125мм/мН.
Основными узлами являются: колесные пары с
буксами, две боковины, надрессорная балка, рессорный комплект из семи
двухрядных пружин и клиновыми гасителями колебаний на каждой боковине тележки,
тормозное устройство.
Тележка двухосная модель 18-100, техническая
характеристика:
|
Масса тележки, кг
|
4880
|
|
База, м
|
1.85
|
|
Допускаемая скорость, км/ч
|
120
|
|
Гибкость рессорного подвешивания, м/МН
|
0.125
|
|
Статический прогиб, м
|
0.049
|
|
Расстояние между осями рессорных комплектов, м
|
2.036
|
|
Расстояние между осями скользунов, м
|
1.524
|
Тележка обеспечивает движение вагона со
скоростью 120 км/ч. Пружинные комплекты с клиновыми гасителями колебаний служат
амортизаторами, как в вертикальном, так и в горизонтальном перемещении
посредством связи с надрессорной балкой.
Боковые рамы и надрессорная балка отлиты в
соответствии с ГОСТ 977-95 и ТУЗ 779-73. Вагоны должны иметь систему рессорного
подвешивания, обеспечивающую заданную техническим заданием плавность хода и
достаточную динамическую устойчивость вагона при его движении со скоростью
вплоть до конструкционной.
Основными параметрами рессорного подвешивания
являются статический прогиб подвешивания (гибкость), конструкционный запас
прогиба и коэффициенты относительного сопротивления (относительного трения)
демпферов.
При проектировании вагонов общего назначения,
как правило, должны применяться оси и колеса, предусмотренные соответствующими
стандартами и техническими условиями, согласованными с МПС.
Черновые оси должны быть изготовлены ковкой,
штамповкой или прокаткой из стали по ГОСТ 4278-89 в соответствии с требованиями
ГОСТ 4008-89. Чистовая обработка и упрочняющая накатка осей выполняется с
учетом ГОСТ 4008-89 и другой нормативно-технической документации.
Колёса вагонов должны быть
стальными цельнокатаными (без съёмных бандажей и спиц) и изготовляться по
требованиям ГОСТ 10721-89. Диски колёс должны иметь осесимметричную изогнутую
форму. Переход от диска к ступице и ободу должен быть, возможно, более плавным.
Конструкция и размеры колёс выполняются в соответствии с ГОСТ 9036-88 или
другой технической документации, согласованной с МПС.
Для проектируемого вагона применяем колесную
пару РУ 1-950, используемую с подшипниками, имеющими наружный диаметр 250 мм,
которые устанавливаются в буксовых узлах.
В колёсных парах грузовых и пассажирских вагонов
рекомендуется применять типовой буксовый узел с установкой в нём двух
цилиндрических роликовых подшипников при консистентной смазке, если техническим
заданием не предусмотрена другая конструкция.
Букса роликовая состоит из двух цилиндрических
подшипников, заднего 30-42726лн и переднего 30-23276л1м, с размером 130х250х80
мм, изготавливаемых в соответствии с ГОСТ 18572-73, корпуса буксы и деталей,
уплотняющих корпус, как с переднего торца, так и со стороны колеса.
Требования к материалам
Детали и узлы вагона должны быть такими, чтобы
обеспечивалась их безотказная работа в эксплуатации. Прочностные свойства и
надежность вагона в эксплуатационных условиях при различных видах воздействий
обеспечиваются применением соответствующих материалов с использованием
технологических процессов изготовления, упрочнения и ремонта.
Для изготовления деталей полувагона, тележки и
автосцепки из проката должны применяться низколегированная сталь по ГОСТ
19281-89, а также углеродистые и легированные стали ГОСТ 14959-79. Прокат из
низколегированной стали должен быть мартеновского способа производства марки
09Г2Д. Допускается применение стали марок 09Г2 по согласованным заказчиком
чертежом.
Стальные литые детали должны изготавливаться из
низколегированных сталей по ГОСТ 977-88, ГОСТ 21357-87, содержащие марганец и
ванадий, что способствует повышению динамической прочности и возрастанию
долговечности деталей. Согласно нормам и ТУ 24.050.406-82 при изготовлении
литых деталей рекомендуется использовать стали 20ФЛ, 20ГЛ, 20ГТЛ, 20ГФЛ,
20Г1ФЛ.
ВЫБОР ОСНОВНЫХ УНИФИЦИРОВАННЫХ УЗЛОВ ВАГОНА
Ходовой частью вагона служат две двухосные
грузовые тележки модели 18-755.
Тормозное оборудование:
В состав тормозного оборудования входит
воздухораспределитель 270-005-1 или 483.000 с авторежимом № 250-А-000; запасный
резервуар объемом 78 л; тормозная магистраль; главная магистраль;
разобщительный кран; два концевых крана. Вагон оборудуется рычажной тормозной
передачей с авторегулятором выхода штока поршня тормозного цилиндра.
Ударно-тяговые приборы:
В ударно-тяговых приборах используется типовая
автосцепка СА-3 и поглощающий аппарат Ш-2-В.
Колесные пары:
Для проектируемого вагона используем колесную
пару типа РУ1-950 с увеличенным диаметром ступицы. Оси изготовляют из
углеродистой стали марки Осв, которая согласно ГОСТ 4728-79 имеет следующий
химический состав, %: углерода-0,40-0,48; марганца-0,55-0,85; кремния -
0,15-0,35; фосфора - не более 0,04; серы - не более 0,45; хрома - не более 0,3;
никеля - не более 0,3; меди - не более 0,25.
Колеса изготовляются из стали марки 2, которая
имеет следующий химический состав: углерода - 0.55-0.65; кремния-0.2-0.42;
марганца-0.5-0.9.
Буксы:
Используется модернизированная букса грузового
вагона с увеличенными внутренними и наружними кольцами с цилиндрическими
роликовыми подшипниками на горячей посадке.
Сталь, применяемая для изготовления подшипников,
ШХ15СГ.
. Выбор основных параметров крытого
вагона
Основными параметрами являются:
грузоподъёмность Р, тара Т, осность
, площадь пола
. линейные
размеры, статическая и погонные нагрузки. Для сравнения параметров между собой
пользуются параметрами, представляющими отношения этих величин: удельная
площадь пола fy,
коэффициент тары kТ, осевая и
погонная нагрузки.
Правильный выбор параметров
обеспечивает наименьшие затраты на перевозки грузов и пассажиров. Так как
вагоны имеют длительный срок службы, то вновь проектируемые конструкции должны
удовлетворять не только современным, но и перспективным условиям эксплуатации.
Определение параметров грузовых вагонов следует
вести в следующем порядке:
. установить оптимальный удельный объем пола;
2. установить коэффициент тары;
3. определить грузоподъёмность вагона;
. установить геометрический объём кузова;
. определить линейные размеры вагона.
Выбор оптимального удельного объёма
В связи с тем, что в универсальных вагонах при
перевозке различных грузов не всегда удаётся полностью использовать
геометрический объём кузова или грузоподъёмность, для них устанавливают
оптимальные значения удельных объёмов. При установлении оптимальных удельных
объёмов основным критерием является минимальная себестоимость перевозок.
График зависимостей технического
коэффициента тары
,
погрузочного коэффициента тары
и себестоимости перевозки грузов от
величины удельной площади
приведены
на рис. 1. Принимая минимальные значения себестоимости перевозок
, можно
определить оптимальное значение коэффициентов.
Рисунок 2 - График зависимости параметров
4-осных полувагонов.
- технический коэффициент тары
вагона:
Одним из основных факторов, влияющих на величину
грузоподъёмности вагона, является допускаемая осевая нагрузка p0.
Возможные осевые нагрузки вагонов определяются на основе прочности пути,
которая, в свою очередь зависит от грузонапряжённости железных дорог.
Исходные данные:
m0
= 4 - осность вагона
Р = 69 т. = 676.89 кН - грузоподъемность
Т = 25 т = 245.25 кН - тара
g = 9.81 м/с2
- ускорение свободного падения
- ВМ габарит
На основании исходной величины грузоподъемности и
осности вагона, осевая нагрузка определяется по формуле, кН
=
(2.1)
Осевая нагрузка не должна превышать
245 кН, 230.54<245, что удовлетворяет условию.
Определяем вес брутто кузова:
(2.2)
где
=4,880 - масса тележки, т.
Определим массу брутто:
(2.3)
Определяем вес кузова
(2.4)
где
=1,2 - масса автосцепного
устройства, т;
=0,50 - масса тормозного
оборудования, т.
Определение линейных размеров.
Определяем внутреннюю длину вагона:
Определение внутренней длины вагона
, (2.5)
где
- площадь поперечного сечения, м2.
Исходя из габарита 1-ВМ
(2.6)
Определение наружной длины полувагона
, (2.7)
где
- толщина торцевой стенки вагона,
.
Определение наружной ширины вагона
, (2.8)
где:
- толщина боковой стены, м.
Определение общей длины полувагона
, (2.9)
где
- вылет автосцепки (расстояние от
концевой балки рамы до оси сцепления автосцепок).
.
Определяем
базу вагона
, (2.10)
где
- коэффициент, определяющий
соотношение между длиной рамы и базой вагона.
Определение длины консольной части
вагона из условия равенства выносов концевой и внутренней частей вагона в
кривых участках пути при вписывании двухосного вагона в габарит подвижного
состава.
Определяем длину консольной части
, (2.11)
Из условия размещения автосцепного оборудования
на раме вагона длина консоли не должна быть менее 1500 мм. В данном варианте
условие выполняется.
где
база двухосной тележки, мм;
диаметр колеса, мм;
высота гребня колеса, мм.
1,428
расчетная длина консольной части
вагона
больше
допускаемой длины консольной части вагона
, т.е. выполняется условие, отсюда
следует, что под данный полувагон можно подкатывать типовую тележку, а также
устанавливать универсальный поглощающий аппарат.
Определение статической и погонной
нагрузок
Статическая нагрузка на вагон
(2.12)
где
средний коэффициент использования
грузоподъемности:
.
Погонная нагрузка:
[
]=10,5 т/м - допустимая погонная
нагрузка.
Нетто-
(2.13)
[
] >
Брутто-
(2.14)
Произведён расчёт основных технико-экономических
параметров вагона, таких как статическая и погонная нагрузка (не превышает
допустимой нагрузки), грузоподъёмность, тара, объём кузова, линейные размеры
четырехосного полувагона с нагрузкой на ось 230.54 кН. Все полученные данные
удовлетворяют техническим требованиям
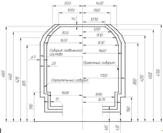
3. Вписывание вагона в габарит 1-ВМ
Определим горизонтальные поперечные размеры
строительного очертания вагона
Максимально допускаемые строительные
размеры подвижного состава получают путем уменьшения поперечных размеров
соответствующего габарита подвижного состава с каждой стороны на величины
необходимых ограничений
(поперечных
смещений подвижного состава при вписывании в кривую расчетного радиуса с учетом
наибольших допускаемых разбегов и износов деталей его ходовых частей), мм,
определяемых по формулам:
ограничение
направляющих
поперечных сечений вагона
(3.1)
внутреннее ограничение
поперечных
сечений вагона, расположенных между направляющими сечениями по середине базы,
при n=l
(3.2)
наружное ограничение
поперечных
сечений вагона, расположенных снаружи его направляющих сечений, при
(3.3)
где
s- максимальная ширина колеи в кривой расчетного радиуса, s=1543 мм;
-
максимальная ширина колеи в прямой, s
=1528 мм;минимальное расстояние
между наружными гранями предельно изношенных гребней колес, d=1489 мм;
,5(s-d)
- максимальный разбег изношенной колесной пары между рельсами (смещение из
центрального положения в одну сторону), мм;наибольшее возможное поперечное
перемещение из центрального положения в одну сторону рамы тележки относительно
колесной пары(вследствие зазоров в буксовом узле и узле соединения рамы тележки
с буксой ), q=3 мм;наибольшее возможное поперечное перемещение из центрального
положения в одну сторону кузова относительно рамы тележки (вследствие зазоров и
упругих колебаний в узле сочленения кузова и рамы тележки), w=28 мм;
l
- расстояние между шкворневыми (основными) сечениями вагоны (база вагона),
2l=10.2мрасстояние от рассматриваемого поперечного сечения вагона до ближайшего
основного сечения, м;
k- величина, на которую допускается выход
подвижного состава, проектируемого по габаритам 0-ВМ, 02-ВМ, 03-ВМ и 1-ВМ (в
нижней части), за очертание этих габаритов в кривой радиуса R=250 м, k=0 мм;
- величина дополнительного
поперечного смещения в кривой расчетного радиуса R( R=200 м- для габаритов Т,
1-Т и верхней части 1-ВМ, R=250 м - для габаритов 0-ВМ, 02-ВМ, 03-ВМ и нижней
части 1-ВМ) тележечного подвижного состава.
, (3.4)
где
- расчетный радиус кривой для
габарита 1-ВМ.
- полу-база тележки,
- коэффициент, зависящий от величины
расчетного радиуса кривой (R=200 м- для габаритов Т, 1-Т и верхней части 1-ВМ,
R=250 м - для габаритов 0-ВМ, 02-ВМ, 03-ВМ и нижней части 1-ВМ),

(3.5)
=2,5мм/м
;
- половина принятой на железных
дорогах РФ величины увеличения расстояния между осями путей на перегонах в
расчетной кривой R=200 м при вписывании вагонов в габариты Т, 1-Т, верхней
части 1-ВМ или величина геометрического смещения середины (внутрь кривой) и
концов (наружу кривой) расчетного вагона (2L=24м, 2l=17 м) в кривой R=200 м при
вписывании вагонов в габариты 0-ВМ, 02-ВМ, 03-ВМ и нижней части 1-ВМ,
=180 мм;
, (3.6)
Для расчета ограничений полуширины
для кузова вагона по формулам (1.1)-(1.3) проверим величины, стоящие в
квадратных скобках формул:
(3.7)
Поскольку ни одно из неравенств не
выполняется, что свидетельствует о недоиспользовании имеющегося в кривой
уширения габарита приближения строений, то в этом случае расчет ограничений
полуширины производится из условия вписывания в габарит на прямом участке пути
по формулам:
(3.8)
, (3.9)
где
- ограничения полуширины соответственно
для направляющего, внутреннего и наружного сечений, мм;
Определение горизонтальных размеров
проектного очертания верхней части вагона. На некоторой высоте Н над уровнем верха
головки рельса максимально допускаемая ширина вагона определяется по формуле:
, (3.8)
где
- полуширина габарита подвижного
состава на рассматриваемой высоте H,
=1700 мм;
Е - ограничение полуширины для
одного из рассматриваемых сечений: направляющего, наружного и внутреннего, мм.
Ширина проектного очертания вагона в верхней
части на некоторой высоте H над уровнем верха головки рельсов определяется по
формуле:
, (3.9)
где E
- конструктивно-технологические
отклонения, допускаемые при постройке вагона в горизонтальной плоскости,
=23 мм;
Максимально допускаемое значение
сравниваем с
рассчитанной ранее наружной шириной вагона
:


(3.10)
.3 м
3.3 м
Определение вертикальных размеров строительного
очертания верхней части вагона
Вертикальные размеры габарита подвижного состава
поверху являются одновременно и максимальными размерами строительного очертания
проектируемого вагона по высоте, которые он может иметь в ненагруженном
состоянии, то есть:
, (3.11)
где
- вертикальный размер строительного
очертания вагона для i-той точки габарита подвижного состава, мм;
- высота i-той точки габарита
подвижного состава над уровнем верха головки рельсов, мм.
Определение вертикальных размеров проектного
очертания верхней части вагона
Вертикальные размеры проектного очертания вагона
поверху находятся из выражения:
, (3.12)
где
- конструктивно-технологические
отклонения, допускаемые при постройке вагона в вертикальной плоскости,
=30мм;
Вписывание нижней части вагона в габарит
Определение горизонтальных поперечных размеров
строительного очертания нижней части вагона
Ограничения полуширины для нижней части вагона:
где
s-максимальная ширина колеи в кривой расчетного радиуса, s=1465 мм;минимальное
расстояние между наружными гранями предельно изношенных гребней колес, d=1410
мм;
,5(s-d)
- максимальный разбег изношенной колесной пары между рельсами (смещение из
центрального положения в одну сторону), мм;наибольшее возможное поперечное
перемещение из центрального положения в одну сторону рамы тележки относительно
колесной пары(вследствие зазоров в буксовом узле и узле соединения рамы тележки
с буксой ), q=3 мм;наибольшее возможное поперечное перемещение из центрального
положения в одну сторону кузова относительно рамы тележки(вследствие зазоров и
упругих колебаний в узле сочленения кузова и рамы тележки), w=28 мм;
l
- расстояние между шкворневыми (основными) сечениями вагоны (база вагона),
2l=10.2 м;
n- расстояние от рассматриваемого поперечного
сечения вагона до ближайшего основного сечения, м;
k- величина, на которую допускается выход
подвижного состава, проектируемого по габаритам 0-ВМ, 02-ВМ, 03-ВМ и 1-ВМ (в
нижней части), за очертание этих габаритов в кривой радиуса R=250 м, k=75 мм;
- величина дополнительного
поперечного смещения в кривой расчетного радиуса R( R=200 м- для габаритов Т,
1-Т и верхней части 1-ВМ, R=250 м - для габаритов 0-ВМ, 02-ВМ, 03-ВМ и нижней
части 1-ВМ) тележечного подвижного состава,
=0.5
мм;
- коэффициент, зависящий от величины
расчетного радиуса кривой (R=200 м- для габаритов Т, 1-Т и верхней части 1-ВМ,
R=250 м - для габаритов 0-ВМ, 02-ВМ, 03-ВМ и нижней части 1-ВМ),
=2 мм/м
;
- половина принятой на железных
дорогах РФ величины увеличения расстояния между осями путей на перегонах в
расчетной кривой R=200 м при вписывании вагонов в габариты Т, 1-Т, верхней
части 1-ВМ или величина геометрического смещения середины (внутрь кривой) и
концов (наружу кривой) расчетного вагона (2L=24м, 2l=17 м) в кривой R=200 м при
вписывании вагонов в габариты 0-ВМ, 02-ВМ, 03-ВМ и нижней части 1-ВМ,
=0 мм;
Если при проектировании вагона сумма
величин окажется отрицательной, то соответствующее ограничение принимается
равным нулю, то есть для данного вагона ограничение направляющих поперечных
сечений вагона принимаем равным нулю (
).
Определение горизонтальных размеров
проектного очертания нижней части вагона
На некоторой высоте Н над уровнем
верха головки рельса максимально допускаемая ширина вагона определяется по
формуле:
, (3.13)
где
- полуширина габарита подвижного
состава на рассматриваемой высоте H,
=1675 мм;
Е - ограничение полуширины для
одного из рассматриваемых сечений: направляющего, наружного и внутреннего, мм.
Ширина проектного очертания вагона в нижней
части на некоторой высоте H над уровнем верха головки рельсов определяется по
формуле:
, (3.14)
где E
- конструктивно-технологические
отклонения, допускаемые при постройке вагона в горизонтальной плоскости,
=13 мм;
Определение вертикальных размеров
строительного очертания нижней части вагона.
Наименьшие допускаемые вертикальные
размеры строительного очертания вагона понизу, которые он может иметь в
загруженном состоянии при наличии нормируемых максимальных износов ходовых
частей, измеряемых в вертикальном направлении, получают путем увеличения
вертикальных размеров габарита подвижного состава понизу на величину возможного
в эксплуатации статического параллельного понижения вагона, т.е.
(3.15)
где
- суммарное статическое параллельное
понижение для соответствующего элемента вагона, мм.
, (3.16)
где P - грузоподъемность вагона,
P=676.89 кН;
- общая гибкость рессорного
подвешивания тележки ЦНИИ-Х3,
=125мм/МН.
Считаем по формуле:
Находим вертикальные размеры
строительного очертания понизу с учетом вычисленного суммарного статического
параллельного понижения:
Определение вертикальных размеров
проектного очертания нижней части вагона:
Наименьшие допускаемые вертикальные
размеры проектного очертания вагона понизу находим из выражения:
где
- конструктивно-технологические
отклонения, допускаемые при постройке вагона в вертикальной плоскости,
=15 мм;
Построение горизонтальной габаритной
рамки проектного очертания для верхней и нижней частей вагона.
Горизонтальная габаритная рамка
определяет наибольшую допускаемую ширину проектного очертания вагона для любого
поперечного сечения по длине вагона и на определенной высоте от уровня верха
головки рельса.
Горизонтальные поперечные очертания
вагона верхней части (рис.1)
Горизонтальные поперечные очертания
вагона нижней части (рис. 2)
Построение вертикальной габаритной рамки
проектного очертания вагона в верхней и нижней зонах.
Вертикально поперечное очертание вагона (рис.3)
Вертикальную габаритную рамку проектного
очертания вагона для упрощения целесообразно строить только для наименьшего
поперечного сечения для верхнего и нижнего очертаний. Габаритная вертикальная
рамка определяет наибольшие размеры рассматриваемого поперечного сечения
проектного очертания вагона.
Для построения габаритной вертикальной рамки
проектного очертания вагона в верхней зоне необходимо посчитать ширины:
Для построения габаритной
вертикальной рамки проектного очертания кузова вагона в нижней зоне посчитаем
величины следующих ширин (рис 4):
Вывод: Рассмотрев результаты проведенных
расчетов, мы видим, что наш вагон вписывается в габарит 1-ВМ по ширине, т. к.
его расчетная наружная ширина меньше наименьшей ширины проектного очертания.
. Расчет оси колесной пары
вероятностным методом
В данном пункте курсового проекта исследуем
зависимость напряженного состояния и значений коэффициента запасов усталостной
прочности оси от осевой нагрузки (массы вагона брутто).
Расчёт новой оси колёсной пары при ее
проектировании или оценке прочности стандартной (типовой) оси при намечаемом
изменении условий нагружения в эксплуатации производим вероятностным методом на
сопротивление усталости с учётом вероятностного рассеивания прочностных
характеристик оси и действующих на неё нагрузок. В качестве критерия оценки прочности
оси по этому методу расчёта принимается величина коэффициента запаса
сопротивления усталости
Рисунок 4.1.- Схема сил, загружающих колесную
пару
Исходные данные:
- средний коэффициент использования
грузоподъемности
ускорение свободного падения
масса вагона брутто, т
масса колесных пар без букс, (кг)
масса консольной части оси до круга
катания колеса, (кг)
Определим вертикальную статическую
нагрузку, приложенную к шейке, Н
, (4.1)
Изгибающий момент от действия
вертикальной статической нагрузки в сечении 1-1,2-2,3-3,4-4,5-5 (
,
), кНм
-расстояние от линии приложения
вертикальной силы к шейки оси до сечений1-1,2-2,3-3,м
,
,
, (4.2)
Определим коэффициент вертикальной
динамики
-для грузовых,
-статический
прогиб рессорного комплекта
,
-Величины, зависящие соответственно
от гибкости рессорного подвешивания и типа вагона
-высота центра тяжести полностью
загруженного вагона за вычетом веса колесных пар от уровня осей колесных пар, м
- расчетная скорость вагона, м/с
, (4.3)
Вертикальная динамическая сила от
колебаний кузова на рессорах, кН
, (4.4)
Вертикальная динамическая сила от
центробежной силы в кривых, кН
- допустимое непогашенное
центробежное ускорение.
, (4.5)
Расчетная суммарная вертикальная
сила на левую шейку оси, кН
, (4.6)
Расчетная суммарная вертикальная
сила на правую шейку оси, кН
, (4.7)
.1 Ускорение левого буксового узла
Масса необрессоренных частей,
приходящихся от колеса на рельс
, кг.
-масса половины боковой рамы и
комплекта рессорного подвешивания тележки грузового вагона, кг
- масса буксы, кг
,
, (4.8)
, (4.9)
Ускорение правого буксового узла
-расстояние между кругами катания
колес, м
, (4.10)
Ускорение левого колеса, ускорение
правого колеса равно 0(
)
, (4.11)
Масса необрессоренных частей,
опирающихся на шейку оси (
), кг
, (4.12)
Вертикальная инерционная нагрузка на
левую шейку оси, на правую шейку (
), Н
Вертикальная инерционная нагрузка от
левого колеса на рельс (
), Н
масса колеса, кг
, (4.13)
Вертикальная инерционная нагрузка на
среднюю часть оси (
), Н
масса средней части оси между
кругами катания колес, кг
, (4.14)
Коэффициент горизонтальной динамики
(
)
величины, зависящие соответственно
от осности тележки и гибкости рессорного подвешивания
, (4.15)
Рамная сила (H), Н
, (4.16)
Вертикальная реакция рельса на левое
колесо от суммарной расчетной нагрузки, на правое колесо (
), Н
l5 =0.010,
расстояние
от линии приложения вертикальной инерционной силы Pн1, Pн2 до середины, м
радиус колеса, м
радиус шейки, м
,(4.17)
, (4.18)
Вертикальная реакция на левой опоре
оси от суммарной расчетной нагрузки, на правой опоре (
), H
коэффициент передачи инерционных
нагрузок на внутренние сечение оси
, (4.19)
, (4.20)
Поперечная составляющая силы трения
правого колеса о рельс (
), Н
расчетный коэффициент трения колеса
о рельс
, (4.21)
Боковая сила (
), Н
, (4.22)
Изгибающий момент в сечении оси на левой опоре,
на правой опоре (
,
),
, (4.23)
, (4.24)
Изгибающий момент сечений l-l, 2-2,
3-3, 4-4, 5-5 от действия суммарной расчетной силы(
),
расстояние от расчетного сечения
V-V
расстояние между линиями приложения
вертикальной силы к шейкам оси
от расчетного сечения Vl-Vl
(4.25)
-1 сечение по внутренней кромке
кольца заднего подшипника
-2 сечение по шейке на расстоянии, а
от торца предподступичной части
-3 сечение по подступичной части в
плоскости круга катания колеса
-4 сечение по середине оси
5-5 сечение по средней части на расстоянии 2/3
длины участка от конца подступичной части до линии сопряжения галтели со
средней частью
Рисунок 4.2.- Схема сил, загружающих ось
Момент сопротивления оси в расчетном сечении (
.i),
, (4.26)
где
- диаметр оси в расчетных сечениях,
,
,
,
,
.
Напряжение в расчетном сечении от
максимальной суммарной нагрузки,
, (4.27)
Напряжения в расчетных сечениях от
вертикальной статической нагрузки брутто,
, (4.28)
Среднее значение предела
выносливости.
базовое число циклов
суммарное число циклов за срок
службы оси для среднесетевых условий эксплуатации
показатель кривой Веллера для осей,
упрочненных накаткой
Среднее значение предела
выносливости.
, (4.29)
Так как в расчетных сечениях 4-4,5-5
<
,
следовательно, значение n принимается n >2.5, дальнейшие вычисления
производим для сечений 1-1 ,2-2, 3-3.
Определение коэффициентов перегрузки
оси (минимальное, максимальное).
, (4.30)
, (4.31)
Определение среднеквадратичных
отклонений логарифмов амплитуд напряжений.
число, определяющее границы
доверительного интервала нормального распределения
, (4.32)
, (4.33)
, (4.34)
Определение интеграла вероятности
,
,
- нормированные интегральные функции нормального распределения (Функции
Лапласа).
, (4.35)
, (4.36)
Расчетная формула для определения запаса
прочности оси
, (4.37)
В результате расчета во всех рассматриваемых
сечениях отсюда следует, что образование трещин оси будет наблюдаться не чаще,
чем у надежно эксплуатируемых колесных пар.
. Поверочный расчет подшипников
качения буксового узла
Рисунок 1 - Расчетная схема нагружения
роликового подшипника буксы вагона.
- заданная осевая нагрузка, кН
- осность
- количество роликов в подшипнике
- диаметр ролика, мм
- диаметр окружности центров
роликов, мм
- длина ролика, мм
- коэффициент, зависящий от точности
обработки поверхности ролика, Н/мм
- ускорение свободного падения,
Вертикальная статическая нагрузка, действующая
на один подшипник, Н
(5.1)
где
Н - сила тяжести вагона брутто
- число подшипников в одном
буксовом узле
- масса колесной пары, кг
Н - сила тяжести колесной пары
Эквивалентная сила, Н
(5.2)
где
- коэффициент, учитывающий
динамичность приложения нагрузок.
Определение динамической радиальной
грузоподъёмности подшипника, Н
(5.3)
где
- число рядов тел качения в одном
ряду
- угол между линией действия
результирующей нагрузки на тело качения и плоскостью
- фактическая длина контакта ролика
с кольцом
Определение долговечности
подшипника, мл. км
(5.4)
где
- диаметр круга катания
среднеизношеного колеса
Расчетная радиальная нагрузка на
наиболее нагруженный ролик для цилиндрических подшипников, Н
(5.5)
Определяем контактные напряжения
Радиус дорожки качения внутреннего
кольца, м
Радиус дорожки качения наружного
кольца, м
(5.7)
Определение контактных напряжений в
подшипнике, МПа
(5.8)
(5.9)
Вывод: расчет подшипников на долговечность
показал, что долговечность подшипника при данной осевой нагрузке обеспечена,
так как рассчитанная долговечность 3536 млн. км оказалась больше допустимой 15
млн.км. Расчет на контактные напряжения показал, что напряжения возникаемые
между максимально нагруженным подшипником и цилиндрическими кольцами не превышают
допустимого для стали подшипника ШХ4 оно равно 3500 МПа. Таким образом,
работоспособность подшипников обеспечена.
. Расчет рессорного подвешивания и
определение его вертикальной жесткости
Определение статической нагрузки, действующей на
одну двухрядную пружину рессорного подвешивания, Н
Рисунок 6.1.-Схема двухрядной пружины.
(6.1)
где
- масса вагона брутто, кг.
- масса рамы тележки, кг
- число тележек в вагоне
- масса колёсной пары, кг
- масса буксы вагона, кг
- число пружин в центральном
рессорном подвешивание
Определение максимальной нагрузки,
действующей на эквивалентную пружину, Н
(6.2)
где
- коэффициент запаса прогиба
Определение диаметра прутка, м
(6.3)
где
- индекс пружины
- коэффициент Чернышева, учитывающий
кривизну витков
- напряжение в рабочей пружине
Определение числа рабочих витков
пружины
(6.4)
где
- максимальный статический прогиб, м
- общий статический прогиб грузовой
тележки, м
- диаметр пружины, м
кПа
Высота пружины в сжатом состоянии, м
(6.5)
Высота пружины в свободном
состоянии, м
(6.6)
Соотношение между размерами и
нагрузками эквивалентных однорядной и двухрядной пружины:
(6.7)
- радиальный зазор между внутренними
и наружным витками двухрядной пружины, м
(6.8)
(6.9)
(6.10)
Определение расчётной нагрузки на
наружную пружину, Н
(6.11)
Определение расчётной нагрузки на
внутреннюю пружину, Н
(6.12)
Диаметр прутка наружной пружины, м
(6.13)
Диаметр прутка внутренней пружины, м
(6.14)
Диаметр наружной пружины, м
(6.15)
Диаметр внутренней пружины, м
(6.16)
Проверка условия сборки
(6.17)
Число рабочих витков внутренней
пружины
(6.18)
Число рабочих витков наружной
пружины
(6.19)
Определим жесткости наружной и
внутренней пружины, Н/м
(6.20)
(6.21)
Определим допускаемые касательные
напряжения, Па
(6.22)
(6.23)
Определим вертикальную жесткость
одной двухрядной пружины, Н/м
(6.24)
Вертикальная жесткость рессорного
комплекта тележки, Н/м
(6.25)
При расчете рессорного подвешивания
нашли касательные напряжения внутренних и наружних пружин
(9.31<9.4),
которые не
превышают допускаемых. Рессорный комплект, рассчитанный в этом пункте курсовой
работы, удовлетворяет необходимым условиям, значит, пригоден к эксплуатации.
7. Проверка кинематических
параметров автосцепного оборудования
Вновь проектируемое автосцепное
устройство должно иметь контур зацепления соответствующий ГОСТ 21447-75 и
должно обеспечивать:
взаимодействие с вагонами
оборудованными автосцепками типов СА-3 , СА-3М, ОСЖД-МСЖД;
автоматическое сцепление на кривых и
прямых участках пути при разности высот автосцепок до 140 мм при скоростях
сближения V=0.2-4 м/с;
сохранять сцепленное состояние
подвижного состава при движении в предусмотренных проектом движении, в том
числе по расчетным круговым S-образным кривым, сортировочным горкам и аппарелям
паромов;
расцепление единиц
подвижного состава регламентированным воздействием извне;
автоматическое
восстановление готовности к сцеплению после разведения расцепленных автосцепок;
восстановление сцепления
воздействием извне ошибочно расцепленных автосцепок без их разведения;
установку механизма
автосцепки регламентированным воздействием извне в положении “на буфер”, не
допускающее сцепление при совмещении контуров зацепления смежных автосцепок.
Проверка автосцепляемости вагонов на
участке сопряжения кривой и прямой
Определение эффективной ширины
захвата автосцепки
(7.1)
где
- расчётный радиус кривой,
м;
-полная ширина захвата автосцепки
СА-3,
м
-расстояние от шкворня до оси
сцепления автосцепок, м:
(7.2)
где
- вылет автосцепки,
м;
- длина консоли,
м.
Определение условия автоматической
сцепляемости вагона на участке сопряжения кривой и прямой
(7.3)
крытый вагон нагрузка
колесный
где
- полубаза двухосной тележки
проектного вагона,
м
- дополнительное поперечное
смещение центров автосцепок,
м.
(7.4)
Условие автоматической сцепляемости
вагона на участке сопряжения кривой и прямой выполняется.
Прохождение сцепленных вагонов по
криволинейным участкам пути
Проверка прохождения проектируемого
вагона в сцепе с "эталонным" вагоном по S-образной кривой
За "эталонный" вагон
принят 4х-осный полувагон с базой вагона
м, с базой тележки
м, и длиной
от шкворня до оси зацепления
м. За расчетные критерии принимаются
углы поперечного отклонения продольной оси автосцепки от оси вагона (Рисунок
7.1), которые определяются для каждого вагона сцепа по формулам:
(7.5)
(7.6)
где
- углы между осью кузова и
горизонтальной осью, рад:
Рисунок 7.1.- Схема не
благоприятного положения оси вагона, оси тележки, оси автосцепки в кривой.
(7.7)
(7.8)
где
- расстояние от центра шарнира
хвостовика автосцепки до оси зацепления,
м,
;
-расчётные радиусы S-образной
кривой,
м;
;
- расстояние от шкворня до центра
шарнира хвостовика автосцепки:
(7.9)
м
(7.10)
м
рад
рад
Определение угла между осью
автосцепки и горизонтальной осью
(7.11)
где
- поперечное отклонение шарниров
автосцепки вследствие устранения зазоров, при проходе сцепа вагона в кривых
участках пути,
м;
- расстояние от центров шарнира
хвостовика автосцепки до горизонтальной оси, м:
(7.12)
м
(7.13)
Рисунок 7.2.- Положение точки
A(a',a) в ограничительном контуре.
Точка с координатами (a',a) находится
внутри основного контура, следовательно, условие прохождения S-образной кривой
в сцепе с "эталонным" вагоном выполняется.
Проверка прохождения S-образных
кривых двумя проектируемыми вагонами
Определение углов между осью кузова
и горизонтальной осью
(7.14)
рад
Определение угла между осью автосцепки и
горизонтальной осью
(7.15)
где
- поперечное отклонение шарниров
автосцепки вследствие устранения зазоров, при проходе сцепа вагона в кривых
участках пути,
м.
рад
Рисунок 7.3.- Положение точки A(a',a) в
ограничительном контуре.
Точка пересечения линий находится внутри
основного контура, следовательно, условие прохождения S-образной кривой в сцепе
с проектируемым вагоном выполняется.
Проверка прохождения проектируемого вагона в
сцепе с эталонным участка сопряжения прямой и кривой.
На прямом участке пути располагаем
эталонный вагон. Расчет производится по тем же формулам, что и для s-образной,
но для "эталонного" вагона, расположенного на прямой, расчётный
радиус кривой принимается
, расчётный
радиус кривой проектируемого вагона
м, поперечное отклонение шарниров
автосцепки вследствие устранения зазоров, при проходе сцепа вагона в кривых
участках пути,
м
Определение углов между осью кузова
и горизонтальной осью
(7.16)
рад
(7.17)
рад
Определение расстояния от центров
шарнира хвостовика автосцепки до горизонтальной оси
(7.18)
м
(7.19)
м
Определение угла между осью
автосцепки и горизонтальной осью
(7.20)
рад
Определение угла между продольной
осью вагона и осью автосцепки
Рисунок 7.4.- Положение точки
A(a',a) в ограничительном контуре.
Точка пересечения линий и находится
внутри основного контура, следовательно, условие прохождения сопряжения прямой
с кривой в сцепе с "эталонным" вагоном выполняется. Саморасцепа не
произойдет.
Проверка прохождения вагонов без
саморасцепа горбов сортировочных горок
Определение обеспечения прохода без
саморасцепа по сортировочной горке и аппараллельному съезду парома
(7.21)
где
- величина относительного
вертикального смещения автосцепок при проходе перелома горки:
(7.22)
где
- коэффициенты, зависящие от
линейного параметра
, в нашем
случае 
,
,
,
,
,
;
мм
- допускаемая по условиям сцепления
разность уровней автосцепок: для автосцепки типа СА-3 М,
мм;
- допускаемая по ПТЭ начальная
разность уровней осей автосцепок
мм
мм
Т.к. выполняется условие (7.21), то
саморасцепа, при прохождении вагона горбов сортировочных горок, не произойдет.
. Устойчивость вагона
Оценка устойчивости колесной пары от
вползания на головку рельса.
Устойчивость колеса против схода с рельса
оценивают в зависимости от скорости движения и от угла наклона рабочей грани
гребня
Рисунок 8.1.1.-Расчетная схема нагрузок,
действующих на колесную пару
Рисунок 8.1.2.-Положение колесной пары при
набегании колеса на рельс с учетом действующих сил
-радиус колеса в плоскости круга
катания, м
-расстояние между серединами шеек
колесных пар, м
-расстояние между точками контакта
колес с рельсами, м
-расстояние от точек контакта до
середин шеек, м


Рисунок 8.1.3.-Схема сил, действующих
в точке контакта рабочих граней колеса и рельса
-количество осей вагона
-вес груза, помещенного в вагон, Н
-вес тары вагона, Н
-вес тары двухосной тележки, Н
-масса тары надрессорной балки, Н
-вертикальная жесткость рессорного
подвешивания одного комплекта, Н/м
-вес колесной пары, Н
Для гружёного вагона
Статический прогиб рессорного
подвешивания, м
(8.1)
Статическая нагрузка на шейку оси
колесной пары, Н
(8.2)
Реальная осевая нагрузка, Н
(8.3)
Количество осей тележки (под одним
концом вагона)
Для вычисления коэффициента
вертикальной динамики необходимо задаться значением коэффициента
для
необрессоренных частей тележки.
Коэффициент b, зависящий от осности
тележки
(8.4)
Скорость движения вагона, м/с
м/с (8.5)
м/с (8.6)
(8.7)
Распределение коэффициента
вертикальной динамики между вертикальными колебаниями и боковой качкой
(8.8)
Коэффициент динамики боковой качки
(8.9)
Для вычисления коэффициента
горизонтальной динамики необходимо задаться значением коэффициента
для
грузовых вагонов на безлюлечных тележках.
Коэффициент горизонтальной динамики
(8.10)
Рамная сила, Н
(8.11)
Коэффициент устойчивости колеса
против схода с рельса
(8.12)
Угол наклона рабочей грани гребня
колеса к горизонту ГОСТ 9036-88
Коэффициент трения между колесом и
рельсом
Коэффициент пропорциональности
(8.13)
Вертикальная составляющая силы
реакции между набегающим колесом и рельсом, Н
(8.14)
Вертикальная составляющая силы
реакции между ненабегающим колесом и рельсом, Н
(8.15)
Горизонтальная составляющая силы
реакции между набегающим колесом и рельсом, Н
(8.16)
(8.17)
Допускаемый коэффициент устойчивости
по условию вкатывания для грузовых вагонов -1.4.
Радиус точки контакта гребня с
рельсом, м
(8.18)
Угол набегания колеса на рельс
- угол набегания в градусах
Скорость вертикального перемещения
колеса, м/с
(8.19)
(8.20)
Длина прямолинейной образующей
рабочей грани гребня, м
Время схода, с
(8.21)
Длина пути схода, м
(8.22)
Для порожнего вагона.
Статический прогиб рессорного подвешивания,
м
(8.23)
Статическая нагрузка на шейку оси
колесной пары, Н
(8.24)
Реальная осевая нагрузка, Н
(8.25)
Скорость движения вагона, м/с
м/с (8.26)
м/с (8.27)
(8.28)
Распределение коэффициента
вертикальной динамики между вертикальными колебаниями и боковой качкой
(8.29)
Коэффициент динамики боковой качки
(8.30)
Коэффициент горизонтальной динамики
(8.31)
Рамная сила, Н
(8.32)
Коэффициент устойчивости колеса
против схода с рельса
(8.33)
Угол наклона рабочей грани гребня
колеса к горизонту ГОСТ 9036-88
Коэффициент трения между колесом и
рельсом
Коэффициент пропорциональности
(8.34)
Вертикальная составляющая силы
реакции между набегающим колесом и рельсом, Н
(8.35)
Вертикальная составляющая силы
реакции между ненабегающим колесом и рельсом, Н
(8.36)
Горизонтальная составляющая силы
реакции между набегающим колесом и рельсом, Н
(8.37)
(8.38)
Допускаемый коэффициент устойчивости
по условию вкатывания для грузовых вагонов -1.4.
Радиус точки контакта гребня с
рельсом, м
Угол набегания колеса на рельс
- угол набегания в градусах
Скорость вертикального перемещения
колеса, м/с
(8.39)
(8.40)
Длина прямолинейной образующей
рабочей грани гребня, м
Время схода, с
(8.41)
Длина пути схода, м
(8.42)
Зависимость коэффициента
устойчивости колеса от скорости для порожнего вагона
Зависимость коэффициента
устойчивости колеса от скорости для груженого режима
Вывод: результаты исследования
зависимости коэффициента устойчивости колеса против схода для порожнего и
груженого вагонов от скорости движения показали, что у порожнего вагона
вкатывания колесной пары на головку рельса более вероятно, так как коэффициент
устойчивости при скоростях от 26-33 м/с меньше допускаемого 1.4. Для груженого
вагона коэффициент устойчивости больше допускаемого на всем спектре скоростей
движения. Таким образом, при движении вплоть до эксплуатационной вагон устойчив
против схода с рельса.
Оценка устойчивости вагона от
опрокидывания.
Расчет коэффициента устойчивости
вагона от опрокидывания при движении в кривых
Рисунок 8.2.1.-Схема нагружения
вагона при опрокидывании
-вес груза, помещенного в вагон, Н
-вес тары вагона, Н
-вес тележки, Н
-вес надрессорной балки, Н
-вертикальная жесткость рессорного
подвешивания тележки Н/м
Опрокидывание наружу кривой
Груженый вагон
Статический прогиб рессорного
подвешивания, м
(8.2.1)
Возвышение наружного рельса в
кривой, м
Половина расстояния между кругами
катания, м
Половина расстояния между серединами
шеек оси колесной пары, м
-радиус колеса колесной пары, м
-расчетный радиус кривой, м
Вес кузова с грузом, Н
(8.2.2)
Вес тары кузова, Н
(8.2.3)
-максимальная скорость движения, м/c
Центробежная сила, приложенная к кузову вагона,
Н
(8.2.4)
-площадь боковой проекции кузова,
-удельное ветровое давление, Па
Ветровая нагрузка, приложенная к кузову, Н
-высота центра масс над уровнем оси
колесной пары для порожнего вагона, м
-высота точки приложения ветровой
нагрузки над уровнем головки рельса, м
Высота точки приложения
равнодействующей ветровой и центробежной нагрузок над уровнем головки рельса, м
(8.2.5)
Отношение веса тележек к весу кузова
(8.2.6)
Отношение боковых сил к весу кузова
(8.2.7)
-не симметрия центра масс вагона, м
Поперечное смещение центра масс
вагона по действием боковых сил, м
(8.2.8)
-коэффициент устойчивости вагона от
опрокидывания при движении в кривых
(8.2.9)
Допускаемое значение коэффициента
устойчивости 1.5
Рисунок 8.2.2.-Устойчивость от опрокидывания
груженого вагона
Порожний вагон
Статический прогиб рессорного подвешивания, м
(8.2.10)
Возвышение наружного рельса в
кривой, м
Половина расстояния между кругами
катания, м
Половина расстояния между серединами
шеек оси колесной пары, м
-радиус колеса колесной пары, м
-расчетный радиус кривой, м
Вес кузова с грузом, Н
(8.2.11)
-максимальная скорость движения, м/c
Центробежная сила, приложенная к кузову вагона,
Н
(8.2.12)
-площадь боковой проекции кузова,
-удельное ветровое давление, Па
Ветровая нагрузка, приложенная к кузову, Н
-высота центра масс над уровнем оси
колесной пары для порожнего вагона, м
-высота точки приложения ветровой
нагрузки над уровнем головки рельса, м
Высота точки приложения
равнодействующей ветровой и центробежной нагрузок над уровнем головки рельса, м
(8.2.13)
Отношение веса тележек к весу кузова
Отношение боковых сил к весу кузова
(8.2.14)
-не симметрия центра масс вагона, м
Поперечное смещение центра масс
вагона по действием боковых сил, м
(8.2.15)
-коэффициент устойчивости вагона от
опрокидывания при движении в кривых
(8.2.16)
Допускаемое значение коэффициента устойчивости
-1.5.
Рисунок 8.2.3.-Устойчивость от опрокидывания
порожнего вагона
Опрокидывание внутрь кривой
Оценивается устойчивость вагона в кривой с
учетом действия продольной силы тяги
-скорость движения, м/c
-расчетный радиус кривой, м
Центробежная сила, приложенная к
кузову вагона, Н
(8.2.17)
Высота точки приложения равнодействующей
ветровой и центробежной нагрузок над уровнем головки рельса, м
Равнодействующая боковых нагрузок, Н
(8.2.19)
-половина длины вагона по осям
сцепления, м
-длина корпуса автосцепки от оси
сцепления до центра клинового отверстия, м
-высота продольной оси автосцепки
над уровнем головки рельса, м
-разность высот продольных осей
смежных автосцепок, м
-расчетная продольная сила (растяжение)
для груженых 4-х осных грузовых вагонов 800000 Н
Угол поворота автосцепки в вертикальной
плоскости, рад
(8.2.20)
Угол поворота автосцепки в
горизонтальной плоскости, рад
(8.2.21)
-поперечное смещение центра масс
кузова вагона под действием боковых сил с учетом конструктивных зазоров,
параметров рессорного подвешивания и возвышения рельса, м
Коэффициент устойчивости вагона
(8.2.22)
Допускаемое значение коэффициента
устойчивости вагонов при проверке опрокидывания внутрь кривой- 1.2 .
Рисунок 8.2.4.-Устойчивость груженого вагона при
опрокидывании внутрь кривой
При расчете коэффициента устойчивости от
опрокидывания внутрь кривой исследовали его зависимость от возвышения наружнего
рельса и получили значения больше допусаемого, т.е. устойчивость от
опрокидывания внутрь кривой вагона обеспечена при порожнем режиме.
Оценка от выжимания в составе поезда
Выжимание вагона в составе поезда продольными
силами, возникают при торможении в зависимости от величины продольного
сжимающего усилия при порожнем и груженом режимах.
Рисунок 8.3.1-Формы потери устойчивости сжатым
составом в горизонтальной плоскости
Рисунок 8.3.2 Форма потери устойчивости сжатым
составом в вертикальной плоскости
Расчет коэффициента устойчивости вагона от
выжимания продольными силами
-количество вагонов
-вес груза, помещенного в вагон, Н
-вес тары вагона, Н
-вес тары двухосной тележки, Н
-вес надрессорной балки, Н
-вертикальная жесткость рессорного
подвешивания тележки Н/м
Выжимание груженого грузового вагона
из состава поезда
Горизонтальная жесткость рессорного
подвешивания одной двухосной тележки для груженого грузового вагона
Н/м
Статический прогиб рессорного
подвешивания, м
(8.3.1)
-половина длины вагона по осям
сцепления, м
-половина расстояния между упорными
плитами автосцепок вагона, м
-половина базы вагона, м
-половина расстояния между кругами
катания, м
-высота опорной поверхности пятника
над уровнем головки рельса, м
-высота продольной оси автосцепки
над уровнем головки рельса, м
-статическая нагрузка на рельсы, Н
-расчетный радиус кривой, м
-половина полного поперечного
разбега рамы вагона относительно оси пути в сечении по пятнику для колесных пар
грузовых вагонов на подшипниках качения со среднеизношенными гребнями колес в
кривой расчетного радиуса, м
-длина корпуса автосцепки от оси
сцепления до конца хвостовика, м
-разность высот продольных осей
смежных автосцепок, м
-угол наклона рабочей грани гребня
колеса к горизонту
-коэффициент трения между колесом и
рельсом
-расчетная продольная сила для
груженых четырехосных вагонов (соответствует усилиям в поезде весом 10000 тс)
-1000000Н
Критическая сила для случая потери
устойчивости по схеме а, Н
(8.3.2)
Критическая сила для случая потери
устойчивости, приводящая к перекосу вагонов и осей автосцепок в плане по схеме б,
Н
(8.3.3)
Вспомогательные величины
(8.3.4)
Вертикальная нагрузка от тележки на
путь с учетом обезгруживания под действием продольной силы, вызванной разностью
высот осей автосцепок исследуемого вагона и соседнего, Н
(8.3.5)
-коэффициент устойчивости колеса
против схода с рельса
Коэффициент пропорциональности
(8.3.6)
Коэффициент устойчивости вагона от
выжимания продольными силами для первой по ходу движения тележки
(8.3.7)
Коэффициент устойчивости вагона от
выжимания продольными силами для второй по ходу движения тележки
(8.3.8)

Рисунок 8.3.3-Коэффициент
устойчивости вагона от выжимания продольными силами
Выжимание порожнего вагона из
состава поезда
Горизонтальная жесткость рессорного
подвешивания одной двухосной тележки для порожнего грузового вагона
Н/м
Статический прогиб рессорного
подвешивания, м
(8.3.9)
-высота опорной поверхности пятника
над уровнем головки рельса, м
-высота продольной оси автосцепки
над уровнем головки рельса, м
-статическая нагрузка на рельсы, Н
-расчетный радиус кривой, м
-половина полного поперечного
разбега рамы вагона относительно оси пути в сечении по пятнику для колесных пар
грузовых вагонов на подшипниках качения со среднеизношенными гребнями колес в
прямой, м:
-расчетная продольная сила для
порожних четырехосных вагонов (соответствует усилиям в поезде весом 4000 тс)
-500000Н
Критическая сила для случая потери
устойчивости по схеме а, Н
(8.3.10)
Критическая сила для случая потери
устойчивости, приводящая к перекосу вагонов и осей автосцепок в плане по схеме
б, Н
(8.3.11)
Вспомогательные величины
Вертикальная нагрузка от тележки на
путь с учетом обезгруживания под действием продольной силы, вызванной разностью
высот осей автосцепок исследуемого вагона и соседнего, Н
(8.3.12)
-коэффициент устойчивости колеса
против схода с рельса
Коэффициент пропорциональности
(8.3.13)
Коэффициент устойчивости вагона от
выжимания продольными силами для первой по ходу движения тележки
(8.3.14)
Коэффициент устойчивости вагона от
выжимания продольными силами для второй по ходу движения тележки
(8.3.15)

Рисунок 8.3.4-Коэффициент устойчивости порожнего
вагона от выжимания продольными силами
Исследовав выжимание вагона в составе поезда
продольными силами для груженого и порожнего состояния графически определил,
что зависимости коэффициентов устойчивости вагона для первой и второй по ходу
движения тележки от расчетной продольной силы не пересекаются с допускаемым
коэффициентом устойчивости, что говорит о надежной работе вагона против
выжимания его из состава.
. Расчет энергоемкости
пружинно-фрикционного поглощающего аппарата
Рисунок 9.1-Расчетная схема поглощающего
аппарата
Рисунок 9.2.-Схема действия сил на элементы
пружинно-фрикционного аппарата
Тип аппарата Ш-6-ТО-4
-ход поглощающего аппарата, м
-величина начальной затяжки, м
-угол наклона граней клина, рад
- угол наклона граней клина, рад
- угол наклона граней клина, рад
-соответствующие углам трения
коэффициенты трения
- соответствующие углам трения
коэффициенты трения
- соответствующие углам трения коэффициенты
трения
-углы трения на поверхностях клина,
рад
- углы трения на поверхностях клина,
рад
- углы трения на поверхностях клина,
рад
-диаметр прутка наружной пружины, м
- диаметр прутка внутренней пружины,
м
- диаметр наружной пружины, м
- диаметр внутренней пружины, м
- количество рабочих витков наружной
пружины
- количество рабочих витков
внутренней пружины
-модуль упругости, Па
-ускорение свободного падения,
-осевая нагрузка, кН
-осность
-скорость соударения, км/ч
Коэффициент передачи аппарата при
сжатии
(9.3)
Коэффициент передачи аппарата при
отдаче
(9.4)
Коэффициент, учитывающий разницу
между величинами сжатия аппарата пружин, вызванную сближением клиньев в
процессе сжатия аппарата
(9.5)
Жесткость наружной пружины, кН/м
(9.6)
Жесткость внутренней пружины, кН/м
(9.7)
Жесткость комплекта пружин, кН/м
(9.8)
Сила начального сопротивления в
процессе сжатия, кН/м
(9.9)
Наибольшая сила сопротивления в
процессе сжатия, кН/м
(9.10)
Силы характеризующие обратный ход
(отдачу) аппарата, кН
(9.11)
(9.12)
Энергоемкость аппарата, кДж
(9.13)
Коэффициент необратимо-поглощенной
энергии
(9.14)
График силовой характеристики
поглощающего аппарата
Рассчитаем потребную энергоемкость
поглощающего аппарата, кДж
масса брутто соударяемого вагона, т;
Вывод: выбранный
нами поглащающий аппарат удовлетворяет условию E>Eп следовательно на
проектируемый вагон устанавливаем данный поглащающий аппарат
. Расчет боковой рамы тележки
грузового вагона на вертикальные нагрузки
число тележек в вагоне
число боковых рам в одной
тележке
кг - масса буксового узла
кг - масса колесной пары
- ускорение свободного падения
кН осевая нагрузка
осность вагона
вес вагона брутто
кH
Определение вертикальной статической
силы
(10.1)
кH
Определение вертикальной
динамической силы
(10.2)
где
- коэффициент вертикальной динамики
- среднее вероятное значение
коэффициента вертикальной динамики. Определим среднее значение
при
(10.3)
где
- коэффициент, для необрессоренных
частей тележки
- коэффициент, учитывающий влияние
числа осей в тележке
- скорость движения вагона в
соответствии с расчетным режимом (для третьего режима грузовых вагонов)
- статический прогиб рессорного
подвешивания
- число осей в тележке
- параметр функции распределения,
для грузовых вагонов
(10.4)
(10.5)
кH
Определение боковой центробежной
силы, H
(10.6)
где
коэффициент, равный 0,075 для
грузовых вагонов
кН
Определение продольной силы инерции
массы кузова
(10.7)
где
- продольная сила удара приложенная
к автосцепке;
кН - общая масса вагона (брутто);
(10.8)
кН
(10.9)
кН
кН
Определение вертикальной добавки на
тележку от продольной силы инерции кузова
(10.10)
где
м - расстояние от центра тяжести
кузова до боковой рамы.
м - база вагона
кН
Определение вертикальной
составляющей от действия боковых сил
(10.11)
где
- число одноименных параллельно
нагруженных деталей, расположенных с одной стороны вагона
- расстояние между точками
приложения сил
дополнительного
нагружения и разгружения боковин, H
м - расстояние от центра тяжести до
точки приложения силы
кН
Определение суммарной нагрузки по 1
расчетному режиму
Примем суммарную нагрузку сосредоточенной
в центрах элементов рессорного подвешивания.
кН
кН
кН
кН
Рисунок 10.1.- Суммарные нагрузки по
1 расчетному режиму
Максимальное напряжение в боковой
раме составляет примерно:
σmax := 111,7 МПа
Вывод по I-му расчетному режиму:
Максимальное напряжение на эпюре
возникает в наклонном нижнем поясе и имеет величину меньшую, чем допускаемое
напряжение по I-му расчетному режиму. Это свидетельствует об обеспечении
прочности этого элемента боковой рамы тележки под действием соответствующих
нагрузок.
Определение суммарной нагрузки по 3
расчетному режиму
Нагрузка принимается сосредоточенной
в центрах элементов рессорного подвешивания.
кН
кН
кН
кН
Рисунок 10.2.- Суммарные нагрузки по 3
расчетному режиму
Максимальное напряжение в боковой раме
составляет примерно:
σmax := 73,73 МПа
Вывод по III-му расчетному режиму:
Максимальное напряжение на эпюре возникает в
наклонном нижнем поясе и имеет величину меньшую, чем допускаемое напряжение по
III-му расчетному
режиму. Это свидетельствует об обеспечении прочности этого элемента боковой
рамы тележки под действием соответствующих нагрузок.
Вывод по проведенным расчетам.
Анализ напряженно-деформированного состояния
боковой рамы тележки 18-100 под действием нагрузок, возникающих при
эксплуатации ее под платформой с осевой нагрузкой 230.54 кН/ось, показывает
обеспечение достаточной прочности конструкции от соответствующего нагружения.
Следовательно, данная тележка может использоваться под заданным вагоном
Заключение
В курсовом проекте был разработан 4-х осный
полувагон. В результате проведенных практических расчетов было определено:
В третьем разделе были определены
технико-экономические параметры вагона: грузоподъемность вагона Р=69 Т, тара вагона
Т=25 Т, масса брутто вагона mбр=94
Т, объем кузова V=88 м 2
,внутренняя длина вагона Lвн=11,3
м, наружная ширина вагона Вн=3.3, общая длина вагона Lр=15.62,
база вагона l=5.1 .
В четвертом разделе проверялось вписывание
вагона в габарит 1-ВМ. Вагон был вписан в габаритные рамки, по которым
определи, что вагон с полученными габаритными размерами вписывается в данный
габарит 1- ВМ.
В пятом разделе произведен расчет оси колесной
пары вероятностным методом. В результате расчета в всех рассматриваемых сечениях
оси получено n>[n],[n]=2 то образование трещин в таких осях будет
наблюдаться не чаще, чем у надежно эксплуатируемых колесных пар.
В шестом разделе проведенный расчет подшипников
буксового узла показал, что рассчитанная долговечность подшипников Ln=3,536
млн. км. пробега превышает допускаемую (Ln)=1,5
млн. км. пробега. Подшипник удовлетворяет требованиям долговечности.
В седьмом разделе произведен проверочный расчет
на прочность рессорного подвешивания с расчетом двухрядной пружины.
Максимальные напряжения внутренней пружины не превышают допускаемые 9,301 МПа
<(τ)=9,4
МПа,
данная пружина выдерживает касательные напряжения и пригодна к эксплуатации.
В восьмом разделе проведён расчет фрикционного
гасителя колебаний. Из расчета следует, что необходимое значение коэффициента
относительного трения можно получить за счет изменения углов α1
и
α2,
а
так же путем подбора трущихся пар с соответствующими коэффициентами трения μ1
и
μ2.
В девятом разделе проверены кинематические
параметры автосцепки. Выяснилось, что вагон может проходить по криволинейному
участку пути (в сцепе с эталонным вагоном, S-образной
кривой двумя проектируемыми вагонами, проектируемый вагон в сцепе с эталонным
на участке сопряжения кривой-прямой)
В десятом разделе произведена оценка устойчивости
колесной пары против схода с рельса. Получено, что при скорости движения V=33
м/с груженый вагон устойчив в колее, порожний не устойчив, следовательно,
порожний вагон нужно эксплуатировать со V
до 26,5 м/с.
В одиннадцатом и двенадцатом разделах произведена
оценка устойчивости вагона от выжимания продольными силами и от опрокидывания.
Получено, что вагон устойчив от выжимания продольными силами, устойчив от
опрокидывания внутрь кривой и устойчив от опрокидывания наружу кривой.
В четырнадцатом разделе проведен расчет боковой
рамы тележки грузового вагона на вертикальные нагрузки. При помощи программы
"NASTRAN" построены эпюры от нагрузок по I-у
и III-у расчетным режимам. В результате расчета полученные значения
удовлетворяют условию прочности.
В пятнадцатом разделе произведен расчет кузова
полувагона и выяснено, что внутренние напряжения меньше допускаемых, что
позволяет судить о надежности конструкции кузова.
В результате проведенных расчетов, можно сделать
вывод, что данный вагон отвечает нормам проектирования.
Литературы
1.
Вагоны
(конструкция, теория, расчет) /Под ред. Л.А. Шадура.-М.: Транспорт, 1980.-440
с.
2.
Вагоны/
И.Ф. Пастухов, В.В. Лукин, Н.И. Жуков.- М.: Транспорт, 1988.- 278 с.
3.
Габариты
приближения строений и подвижного состава железных дорог колеи 1520 (1524) мм.
ГОСТ 9238-83.- М.: Изд.- во стандартов, 1983.- 27 с.
4.
Конструирование
и расчет вагонов / Под ред. В.В. Лукина.- М.: Изд.-во УМК МПС России, 2000.- 71
с.
5.
Глазкова
И.В. Методические указания к лабораторным работам по дисциплине «Вагоны».-
Иркутск: ИрИИТ, 2002.- 33 с.
6.
Нормы
расчета и проектирования вагонов железных дорог МПС колеи 1520 мм
(несамоходных)/ ГосНИИВ - ВНИИЖТ. М., 1996.- 319 с.
7.
Расчет
вагонов на прочность / Под ред. Л.А. Шадура.-М.: Машиностроение, 1971.- 431 с.