Идентификация многоступенчатой насосной станции как объекта управления, синтез и анализ системы автоматического управления

  • Вид работы:
    Курсовая работа (т)
  • Предмет:
    Другое
  • Язык:
    Русский
    ,
    Формат файла:
    MS Word
    1,05 Мб
  • Опубликовано:
    2013-04-08
Вы можете узнать стоимость помощи в написании студенческой работы.
Помощь в написании работы, которую точно примут!

Идентификация многоступенчатой насосной станции как объекта управления, синтез и анализ системы автоматического управления




КУРСОВОЙ ПРОЕКТ

«Идентификация многоступенчатой насосной станции как объекта управления, синтез и анализ системы автоматического управления»


 

Введение

В данной курсовой работе мы будем разрабатывать систему автоматического регулирования простейшей структуры и САР повышенной динамической точности.

Целью разработки САР является получение переходных характеристик, которые соответствовали бы предельно-допустимым требованиям показателей качества системы, а для этого необходимо сформировать такое управляющее воздействие, которое обеспечивало бы инвариантность контуров регулирования объекта.

В нашем случае, объект управления - многоступенчатая насосная станция. Насосные станции очень широко распространены в пищевой промышленности. Вручную управлять такой системой невозможно т.к. в процессе управления непрерывно должны происходить сложные математические расчеты. Поэтому актуальность разработки такой системы очень велика и, на сегодняшний день, необходима.

1. Выделение объекта управления из среды

.1 Общий анализ технологического процесса, реализуемого агрегатом, целей и условий его ведения

Составление схемы и описание сущности технологического процесса, реализуемого технологическим агрегатом, как целенаправленного преобразования материальных и энергетических потоков.

Технологический процесс насосной станции заключается управление 3 насосов которые в многоэтажном доме должный поддерживать одинаковое давление.

Частая практика, когда в коммуникационных трубах жилищного объекта давление довольно низкое или же полностью отсутствует. Причина тому - давление воды в водопроводе не достаточное для высотных зданий.

Насосная станция призвана обеспечивать подачу воды из источников водоснабжения и поддерживать бесперебойность работы системы водоснабжения. Функционально насосная станция используется для повышения давления в процессе перекачки воды из различных емкостей, служащих для ее накопления, и в целом из водопроводной сети.

Благодаря оборудованию многоступенчатой насосной станции он легко справляется с обеспечиванием передачи воды на большие расстояния, размер которых зависит только от модели оборудования.

В целом система оборудования насосной станции включает: реле, напорный бак и автоматическое устройство поддержания системного давления. Устройство, поддерживающее давление, позволяет с точностью регулировать работу насосной станции и автоматически отключать его при достижении предельного уровня давления.

В процессе регулирования параметров давления для автоматического отключения-включения, важно правильно выбрать диапазон. При слишком большом диапазоне станция становится слишком восприимчивой к перепадам давления, маленький же диапазон увеличивает частоту включений, что отрицательно влияет на работу оборудования и способствует его износу.

Упрощенная схема технологического процесса водоснабжения показана на рисунке 1.

Рисунок 1. Общая схема водоснабжения

Основная задача автоматизации технологического процесса в поддержании постоянного давления в системе водоснабжения. Поддержание давления обеспечивается многоступенчатой насосной станции фирмы Grundfos на рисунке 2.


Рисунок 2. Многоступенчатая насосная станция Grundfos Hydro 2000

Grundfos Hydro 2000 обладают более чем достаточными характеристиками и широким спектром регулирования. Характеристика показана на рисунке 3.


Основная задача автоматизации многоступенчатой насосной станции заключается в что бы поддерживать одинаковое давление. Регулирование давления будет производится при помощи электропривода с частотным преобразователем, который позволяет не только удерживать постоянное давление но и существенно экономить электроэнергию.

.2 Конкретизация регламентов и условий ведения процесса, его формализованное представление

канал преобразование динамический координатный

Выявление нормативов ведения технологического процесса и работы технологического агрегата.

Основу нормативов составляют три основных регламента:

Технологический регламент - определяет условия, при которых в результате технологического процесса получается продукт с заданными свойствами. В нашем случае продуктом является вода, а параметры, описывающие свойства данного продукта это:

 - давление Бар;

Эксплуатационный регламент - определяет условия нормальной безаварийной работы технологического оборудования. В нашем случае - это параметры:

- Ін ток потребляемый двигателем, А;

Технико-экономический регламент - определяет условия эффективности ведения процесса. В нашем случае экономическая эффективность ведения технологического процесса может быть оценена сравнением удельных затрат финансовых средств на поддержание давления за единицу времени при работе новой и старой систем:

Z - удельная затрата финансовых средств за сутки работы комплекта оборудования, грн/сут.

Анализ последствий выхода технологических и эксплуатационных параметров за регламентные допуски.

Даже при достаточно эффективном управлении процессом, могут возникать отклонения параметров технологического процесса от регламентных значений, вызываемые изменением параметров, характеризующих условия ведения процесса. В случае управления насосной станции, выход регулируемых параметров за регламентные допуски не приводит к тяжелым последствиям, не прекращает технологический процесс, ликвидируется с течением времени за счет управления процессом.

Наименование параметров

Обозначение

Единица измерения

Номинальное значение параметра

Допустимые отклонения от номинала





Длительные

Кратковременные

Время сек

Давление

Р

бар

5 бар

±0,1 бар

±0,3 бар

90 с


Выявление параметров, характеризующих условия ведения технологического процесса и эксплуатации технологического агрегата.

Условия, в которых ведется технологический процесс, характеризуются определенными параметрами, которые могут изменяться с течением времени и влиять на изменение выходных нормативных параметров, выводя их за пределы допусков. Для удобства сгруппируем такие параметры по некоторым признакам:  

Сырьевые параметры - характеризуют свойства продукта, идущего на переработку: в нашем случае продукт, идущий на переработку - это вода, забираемый из бака, его параметры:

Рб - давление воды в баке, бар;

Рт - давление воды в трубопроводе, бар;

Энергетические параметры - характеризуют энергию, которая подводится к технологическому оборудованию извне и расходуется на изменение свойств продукта:

Uном - напряжение потребляемое из сети;

Q - производительность насоса, м3/ч.

Механические (либо другие специфические) параметры - это параметры, характеризующие технологическое оборудование:

лм - параметр, характеризующий механические потери в агрегате (например трение в подшипниках), %;

tос - температура окружающей среды.

Формализация параметризованной схемы технологического процесса и получение его параметрической схемы.

Формализация описания взаимосвязей между параметрами ТП достигается за счет перехода к формализованной параметрической схеме ТП. Осуществим такой переход, при этом параметры, которые отражают цели функционирования объекта и дополнительные требования к нему, т.е. параметры, которые регламентированы, будут являться выходными, а параметры, отражающие условия функционирования объекта - входными. Связь между входными и выходными параметрами - причинно-следственная.

Параметрическая схема технологического процесса

.3 Разработка структурной (координатной) схемы объекта управления

Конкретизация целей и задач управления объектом, выявление регулируемых и оптимизируемых переменных.

Целью ведения технологического процесса является обеспечение оптимальных параметров работы электродвигателя.

давление в трубопроводе Р, бар.

будут являться регулируемыми переменными.

Выбор управляющих переменных (координат) объекта управления.

В качестве управляющих переменных (координат), т.е. переменных, изменяя которые целенаправленно, мы сможем влиять на изменение регулируемых переменных, изменяя расходы материальных энергетических потоков, учитывая конструктивные особенности агрегата, выбираем:

u1 (f) - управляющее воздействие частотного преобразователя, %.

Выделение и классификация возмущающих переменных (координат) объекта управления.

После выделения управляющих воздействий, все остальные входные переменные отнесем к разряду возмущений. При этом все возмущения формально объединим в группы неконтролируемых возмущений (по числу управляющих воздействий), они имеют общие (контролируемые) последствия - заставляют изменяться управляемые переменные, и будем считать их действующими аддитивно управляемым переменным.

Выделять контролируемые возмущения в нашем случае не целесообразно т.к. они усложняют математическую модель, а также изменяются медленно их изменение не существенно, а также не сильно влияет на технологический процесс.

Составление структурной (координатной) схемы объекта регулирования.

Структурная (координатная) схема объекта управления является очередным и последним этапом формализации представления ТП как ОУ. При переходе к такой схеме, осуществляется переход к использованию другого понятийного аппарата, общего с ТАУ. Понятие «параметр» заменяется на понятие «переменная (координата)».

Структурная (координатная) схема ОР


2. Идентификация моделей каналов преобразования координатных воздействий объекта управления

.1 Априорный анализ статических и динамических свойств объекта управления

Априорный анализ и выбор структуры моделей динамических свойств каналов управления и контролируемых возмущений на основе знания физических закономерностей технологического процесса.

Перед началом экспериментов, исходя из физической сущности объекта, предварительно оценим свойства каналов, модели которых подлежат идентификации т.е. проведем предварительную структурную идентификацию.

В нашем случае, в технологическом объекте (насосная станция) между «притоками» и «оттоками» воды устанавливаются динамические равновесия, которые восстанавливаются после всякого их нарушения без управляющих воздействий. Следовательно, свойства объекта управления по каналу u1 (f) - Р - статические.

Априорный анализ и принятие решения о допустимости линеаризации статических свойств каналов управления.

Исходя из того, что диапазоны изменения переменных функций, в статических характеристиках каналов объекта управления, ограничены, а также то что эти функции являются гладкими (без разрывов) и монотонными (возрастающими или убывающими), можно сделать вывод о допустимости линеаризации статических свойств каналов управления.

2.2 Идентификация линеаризованных моделей динамики каналов управления объекта регулирования в окрестности его рабочих режимов

Краткий сравнительный анализ и выбор целесообразных входных воздействий для экспериментального исследования с целью получения необходимой информации о свойствах каналов объекта для случая, когда входные переменные каналов доступны для целенаправленного изменения.

В нашем случае, управляющее воздействие u1 (f), доступно для целенаправленного изменения, поэтому именно его целесообразно выбрать в качестве входного воздействия для экспериментального исследования с целью получения необходимой информации о свойствах каналов объекта.

Планирование активного эксперимента на объекте для выбранных входных воздействий и получение реакций на них в ходе натурного и (или) мысленного эксперимента.

План проведения активного эксперимента на объекте:

Изменением управляющего воздействия u1 (f), выведем объект в зону рабочего режима (добьемся таких значений управляемых переменных, которые находились бы в окрестности их номинальных значений): Pт = 5 бар, и дождемся наступления установившихся режимов.

Осуществим ступенчатые воздействия на объект путем приращения u1 (t), на 10 единиц (при этом Pт будет находиться в допустимом диапазоне)

Зарегистрируем изменения выходных переменных до наступления новых установившихся режимов.

Ниже приведем экспериментальные переходные и статические характеристики всех каналов объекта управления.

Канал «u1 - Pт»


Статическая характеристика


Переходная характеристика


Изменение давления в трубопроводе


Анализ полученной в ходе эксперимента информации, обоснование и выбор структуры моделей каналов (структурная идентификация моделей).

Практика разработки САУ сама выявила наиболее конструктивный путь - использование малопараметрических моделей невысокого порядка с запаздыванием. Он согласуется и с подходами к отражению неопределенностей в моделях т.к. введение запаздывания учитывает структурную неопределенность моделей. Наличие запаздывания в моделях предопределяет, в результате синтеза, получение грубых САУ.

Так, в данной курсовой работе целесообразно описывать свойства каналов управления при помощи моделей первого и второго порядков с запаздыванием. При этом структура таких моделей будет следующей:

Для статического канала (u1 (f) - Pт):

-й порядок:


-й порядок:


Выбор методик и проведение параметрической идентификации моделей первого и второго порядков. Для параметрической идентификации моделей каналов объекта управления первого и второго порядков будем использовать методику «2-х общих точек» (Мининой). Расчет параметров для каналов ОУ со статическими свойствами будем производить по следующим формулам:



В результате графических построений получаем:

.19h = 3,38 бар            t0.19 = 7.56 c

.33h =3,66 бар            t0.33 = 9.47 c

0.7h = 4,4 бар              t0.7 = 14.73 c

y1 = 3                           u1 = 50

y0 = 5                           u0 = 90

Рассчитываем параметры объекта:

Модель первого порядка

c

c

Модель второго порядка

c

c

Результаты параметрической идентификации заносим в таблицу:

Канал

Порядок

Параметры объекта

Передаточная функция канала



Ko

To


u1 (f) - Рт

I

0,05

6,57

6,84


II

0,05

4,48

3,97




3. Реализация моделей на ЦВМ и подтверждение их адекватности

3.1 Реализация на ЦВМ моделей каналов преобразования воздействий и подтверждение их адекватности

Разработка структурных схем и программ моделирования динамики каналов преобразования воздействий, получение переходных характеристик моделей и их сравнение с экспериментальными переходными характеристиками либо их оценками.

Моделирование моделей каналов объекта управления будем производить совместно с моделированием экспериментальных переходных характеристик, с целью их сравнения, будем проводить по следующей схеме:


Канал «u1ft) - Pт»

Переходная характеристика

Задание - давление в трубопроводе


По полученным характеристикам можно сделать вывод, что реализованная на ЦВМ модель насосной станции являются адекватной, т.к. совпадают с характеристикой полученной экспериментально.


4. Формулирование задач управления, требований к их решению и выбор основных принципов построения автоматических систем

.1 Формулирование задач управления технологическим агрегатом

Декомпозиция общей задачи управления агрегатом и формулирование частных задач.

Общая задача управления заключается в обеспечении желаемых характеристик объекта функционирования, в нашем случае насоса. Из общей задачи управления можно выделить частные задачи:

а) поддержание выходного переменного объекта управления Рт, на его заданном значении, а именно Рт=5 бар - это задача регулирования;

б) приспособление в процессе управления системой к её изменяющимся свойствам - это задача адаптации;

в) обеспечение наилучших в определённом смысле режимов работы системы - это задача оптимизации;

г) изменение общего состояния оборудования при пусках, остановах, в частности, при возникновении аварийных ситуаций - логическое управление.

Обоснование необходимости и целесообразности (для рассматриваемой ситуации) автоматизации каждой из частных задач управления.

Целью ведения технологического процесса создания микроклимата в помещении является обеспечение оптимальных параметров среды в данном помещении.

Параметры, значения которых регламентированы строительными нормами и правилами (СНиП), а именно:

Давление в трубопроводе Рт. будет являться регулируемым переменным.

Целесообразность решения задачи адаптации обусловлена изменяющимися параметрами объекта регулирования, а именно вследствие вытекания воды, параметры изменяются.

Задача оптимизации позволяет оптимально управлять насосной станцией. Поддержание параметров на уровне заданных значений происходит всегда. Но в ночное время, с целью экономии энергоресурсов, необходимо поддерживать в пределах таких значений, чтобы решить задачу компромисса между энергосбережением с одной стороны и возможностью обеспечить оптимальные параметры и при этом затратить как можно меньше энергии.

Логическое управление включением / отключением определенного насоса является неотъемлемой частью задачи оптимального управления.

.2 Формализация требований к решению задачи регулирования и выбор принципа построения системы автоматического регулирования

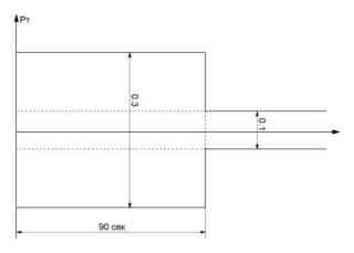
Формализация требований к предельно-допустимым статическим и динамическим отклонениям регулируемых переменных от соответствующих заданных значений в переходных и динамически установившихся процессах и представление их в форме регламентных зон регулируемых переменных.

Исходя из требований технологии процесса и эксплуатации технологических машин, могут быть заданы определенные требования к отклонениям(ошибкам) регулируемых переменных:

.        К предельно-допустимым динамическим отклонениям

.        К отклонениям, которыми можно пренебречь, т.е. к

.        К времени существования допустимых динамических отклонений за пределами ЗНО.

Отразив эти предельные условия графически, можно задать регламентную зону переходного процесса.

Для рассматриваемого нами ТП вышеописанные требования можем представить в таблице регламентов, полученной в предыдущих разделах:

Таблица регламентов

Наименование параметров

Обозначение

Единица измерения

Номинальное значение параметра

Допустимые отклонения от номинала





Длительные (Р→∞)

Кратковременные (0<Р<<∞)





величина бар

величина бар

время, сек.

Давление в трубопроводе

Рт

бар

F1 (П)

±0.1

±0.3

90


Регламентная зона переходного процесса:

Давление в трубопроводе


Формализация интегральных требований к переходным и динамически установившимся процессам регулирования в форме интегрального критерия оптимальности САР

На этапах разработки САУ, в качестве одного из главных критериев, характеризующих целесообразность её создания и эффективность её применения, является оценка качества выполнения поставленной перед САУ задачи, в частности, для задач регулирования, поддержание параметров технологического процесса на заданных значениях (в заданных диапазонах изменения). На практике, в качестве показателя качества САР, наиболее часто используют интегральный критерии; при чем, чем меньше будет отклонение текущего значения регулируемой переменной от заданного (предусмотренного регламента), тем показатель качества будет лучше.

Существует несколько интегральных критериев.

Существует три вида переходных процессов, которые соответствуют следующим критериям:

.        Колебательный ПП с  = 20% соответствует модульному критерию оптимальности.

.        Колебательный ПП с  = 40% соответствует квадратичному критерию оптимальности.


C целью обеспечения малого времени переходного процесса и воизбежание излишней колебательности выбираем интегральный модульный критерий:




Выбор, обоснование и представление в виде обобщённой структурной схемы принципа построения системы автоматического регулирования.

Классификацию САУ по принципам их построения можно произвести в зависимости от вида информации, используемой управляющим устройством (УУ). В общем случае УУ использует 2 вида информации:  и tк. В частных случаях используются не все виды информации, а только некоторые из приведенных. Рассмотрим эти частные случаи, а, следовательно, и принципы построения САУ:

) Принцип жесткого (программного) управления - используется информация только о .

Данный принцип применяется в тех случаях, когда свойства объекта достаточно хорошо известны. Достоинством является максимальная простота системы. Недостатком является низкая и неконтролируемая степень соответствия между у и .

) Принцип управления по возмущениям - УУ использует информацию об  и , применим в тех случаях, когда влиянием fн на ОУ можно пренебречь, когда размерность  относительно небольшая, свойства ОУ по каналам  - y и u - y достаточно хорошо известны.

Достоинство данного принципа: такая система даёт возможность полностью скомпенсировать влияние  на у, т.е. сделать у инвариантным относительно .

Недостатки данного принципа: аналогичны первому. Для повышения точности соответствия у для  требуется увеличение размерности , уточнять свойства по каналам управления и контролируемых возмущений, что приведёт к усложнению и удорожанию, как самой системы, так этапа её разработки.

Оба из рассмотренных принципов построения систем, относятся к принципам разомкнутого управления, т.к. они не используют информацию о текущем состоянии объекта.

) принцип замкнутого управления (управление с обратной связью) - применим в том случае, когда допустимы достаточно большие динамические изменения (колебания) y от .

Достоинства данного принципа: можно обеспечить высокую точность у и .

Свойства объекта необходимо знать только по каналу у - u, и также не требуется высокой точности.

Недостатки данного принципа: введение обратной связи приводит в собственной составляющей к движению в замкнутом контуре. Наличие обратной связи провоцирует появление неустойчивости САУ, т.е. её неработоспособности.

) комбинированный принцип управления - целесообразно использовать, когда необходимо получать высокие статистические и мало динамические отклонения САУ.

Достоинства данного принципа: сочетание разомкнутого и замкнутого принципов управления.

Недостатки данного принципа: высокая стоимость и сложность разработки.

Исходя из рассмотренных выше принципов построения САУ выберем принцип замкнутого управления, т.к. он содержит информацию о текущем состоянии объекта.

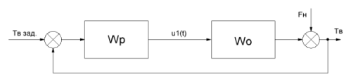
Составим обобщенную структурную схему построения САР:

Обобщённая структурная схема принципа построения САР

5. Синтез и анализ системы автоматического регулирования простейшей структуры

5.1 Конкретизация структуры САР и алгоритмов регулирования

Разработка на основе выбранного в п. 4.2.3. общего принципа построения САР, ее простейшей конкретной структуры

В п. 4.2.3 из нескольких альтернатив общего принципа построения САР нами был выбран принцип замкнутого управления. Исходя из полученной в результате исследований в предыдущих разделах полной модели объекта управления, и добавив для каждого канала управления регулятор, получим систему автоматического регулирования.


Выбор нескольких альтернативных вариантов типовых алгоритмов регулирования, запись их уравнений и передаточных функций

Существует 5 вариантов типовых алгоритмов регулирвоания:

.        Пропорциональный алгоритм регулирования (П-регулятор);

.        Интегрирующий (интегральный) алгоритм регулирования (И-регулятор);

.        Пропорционально-интегральный алгоритм регулирования (ПИ-регулято);

.        Пропорционально-дифференцирующий алгоритм регулирования (ПД-регулятор);

.        Пропорционально-интегральный-дифференцирующий алгоритм регулирвоания (ПИД-регулятор).

Наиболее целесообразным является рассмотрение и сравнительный анализ ПИ и ПИД - алгоритмов регулирования, так как из предыдущих исследований, синтеза САР известно, что наиболее эффективными являются именно эти алгоритмы регулирования.

Запишем уравнения и передаточные функции ПИ и ПИД - законов регулирования:

)        ПИ-регулятор:

Уравнение

Передаточная функция

)        ПИД-регулятор:

Уравнение

Передаточная функция (с реальным дифференциатором)

Передаточная функция

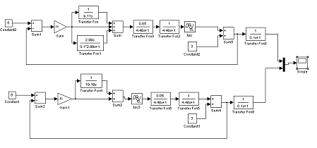
Разработка структурной схемы и программы цифрового имитационного моделирования САР при детерминированных и стохастических входных воздействиях.

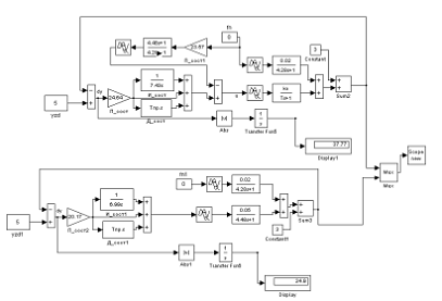
Разработаем в программе Matlab схему моделирования нашей САР простейшей структуры для ПИД и ПИ закона регулирования.



5.2 Параметрический синтез САР с различными вариантами типовых алгоритмов регулирования и их сравнительный анализ для детерминированных входных воздействий

Выбор начальных приближений настроечных параметров алгоритмов регулирования на основе инженерных методик параметрического (неоптимального) синтеза.

Под инженерными методиками параметрического синтеза САР понимают методики расчета настроечных параметров регуляторов по заданным свойствам объекта регулирования и по сформулированным требованиям к качеству переходных процессов, точнее к переходным характеристикам. Инженерные методики несут в себе компромисс между простотой и удобством их использования с одной стороны и качеством настройки регулятора с другой.

Расчет параметров регулятора по инженерным методикам предполагает, что при расчете будут использоваться параметры объекта первого порядка с запаздыванием, возмущение при этом считается приведенным к каналу регулирования и является ступенчатым.

Для этого приведем значения параметров объекта из раздела 2.2.4., полученные при идентификации модели нашего объекта, как объекта первого порядка с запаздыванием:

Канал управления

Параметры канала


Ко

Т о

ф о

u1 (f) - Рт

0.05

6.57

6.84


Воспользуемся методикой расчёта настроечных параметров регулятора Копеловича А.П. Выбираем колебательный переходный процесс с Rп = 20%, настроечные параметры ПИД-регуляторов будем находить по следующим формулам:

Коэффициент передачи 19.2

Время изодрома          Тиз=13.6

Время предварения    =3.42

Формулы расчёта ПИ-регулятора:

 = 15.3

Тиз=17.1

 

 

ПИ-регулятор


Оптимизация настроечных параметров ПИ-регуляторов каналам u1-Тв

Результат оптимизации настроечных параметров ПИ-регулятора

 

ПИД-регулятор (оптимизируем по аналогичной схеме)

Оптимизация настроечных параметров ПИД-регулятора



Сравнительный анализ переходных процессов в параметрически оптимальных системах по значению критерия оптимальности и показателям, для которых установлены предельно-допустимые значения

Результаты моделирования САР с оптимальными настройками


ПИ- и ПИД-регуляторов по каналу u1 - Тв

Сведём интегральные и прямые показатели качества в таблицы:

Канал u1 - Тв

Регулятор

Dymax, бар

Rп, %

I

tрег, сек.

ПИ

1.6

40

21.5

42.5

ПИД

1

30

15.4

25.4



Проанализировав полученные результаты, можем сделать вывод, что САР с ПИД - регуляторами более работоспособна, чем САР с ПИ-регуляторами, так как она обладает более лучшими показателями качества.

.3 Анализ грубости САР к вариации параметров объекта управления

Выбор параметров объекта управления, по которым целесообразно оценить грубость САР, значения их вариаций и планирование активного эксперимента по оценке грубости.

Система называется грубой в том случае, если при малых вариациях её параметров свойства системы, в частности, показатели качества, также изменяются мало. Для практики промышленных систем управления грубость системы фактически означает её работоспособность.

Зная физические свойства объекта, можем предположить, что свойства ОУ не изменяются в больших диапазонах, поэтому целесообразно проверять грубость системы при вариации параметров объекта ±20%. Варьируемыми параметрами будут коэффициент передачи и время запаздывания ОУ. Активный эксперимент по оценке грубости будем проводить на ЭВМ при помощи блока оптимального параметрического синтеза САР и анализа её грубости.

Сравнительный анализ переходных процессов по критерию оптимальности и показателям, для которых установлены предельно - допустимые значения.

Представим результаты машинного эксперимента проверки на грубость САР с ПИ - алгоритмом управления:



Аналогичную проверку проводим для САР с ПИД-регулятором


Исходя из результатов проверки системы на грубость, можно сделать вывод о работоспособности рассматриваемой системы автоматического регулирования.

6. Синтез и анализ системы автоматического регулирования повышенной динамической точности

.1      Структурный синтез САР повышенной динамической точности

Анализ особенностей объекта регулирования, снижающих динамическую точность и выбор способов ее повышения за счет введения в структуру САР дополнительных связей.

На динамическую точность системы может влиять множество факторов, например:

.        контролируемые возмущения;

.        неконтролируемые возмущения;

.        большое запаздывание в объекте;

.        сильное взаимовоздействие между каналами посредством перекрёстных связей.

Для устранения вышеприведенных неблагоприятных факторов создаются системы повышенной динамической точности, соответственно:

.        САР, инвариантная к контролируемым возмущениям;

.        САР с косвенным измерением возмущений;

.        САР с компенсацией запаздывания в контуре регулирования;

4.      САР, обеспечивающая автономность относительно собственных движений;

.        Каскадные САР.

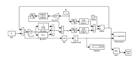
6.2 Разработка на основе выбранных способов повышения динамической точности САР, её структурной схемы и формулирование (в аналитической форме) условий, обеспечивающих необходимые свойства САР

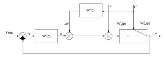
Для повышения динамической точности системы я буду использовать САР инвариантную к контролируемым возмущениям.

Структурная схема САР


Выбор начальных приближений параметров упрощённых корректирующих связей из условия близости переходных характеристик корректирующих связей до и после их упрощения (возможно применение любых методик - как оптимизизационных, так и обычных).

Параметры ОУ по каналу fк (контролируемого возмущения) для данного объекта выбираем из учебной литературы:

К1= 0.02;

Т1= 4.28 с;

= 4.3 с.

Определяем параметры объекта по методике двух общих точек:

К2= 0.05;

Т2= 4.48 с;



Определяем настройки главного ПИД-регулятора:

23.57;

Тиз=7.94 с;

=1.98 с.

Рассчитываем параметры корректирующей связи:


Разработка структурной схемы и программы цифрового имитационного моделирования и оптимальный параметрический синтез САР повышенной динамической точности.

Рассмотрим САР с контролируемым возмущением без воздействия на неё возмущений случайного характера.

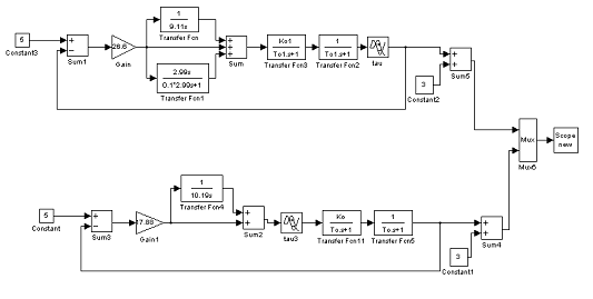
Схема моделирования САР повышенной динамической точности




Оптимизация параметра

.3 Анализ грубости САР повышенной динамической точности к вариации параметров объекта регулирования

Выбор параметров объекта управления, по которым целесообразно оценить грубость САР, значения их вариаций и планирование активного эксперимента по оценке грубости.

Система является грубой, если при малых вариациях параметров ОУ показатели качества САР также изменяются мало.

На практике грубая система автоматического регулирования - это работоспособная система.

Зная физические свойства ОУ, можно сделать вывод о том, что в реальных условиях вариация его параметров будет не большой, поэтому оценку грубости САР будем проводить с вариацией параметров ±20%.

Активный эксперимент по оценке грубости будет осуществлён с помощью ЭВМ, а конкретно с помощью специальных программных средств, предназначенных для имитационного моделирования САР с вариацией параметров объекта управления.

Результаты проверки САР повышенной динамической точности на грубость.


Исходя из результатов проверки системы на грубость, можно сделать вывод о робастности рассматриваемой системы автоматического регулирования повышенной динамической точности.

6.4 Сравнительный анализ САР простейшей структуры (ПС) и повышенной динамической точности (ПДТ)

Сравнительный анализ переходных процессов в параметрически оптимальных САР по величинам критериев и показателей, на которые установлены предельно-допустимые значения.

Схема моделирования САР простейшей структуры и повышенной динамической точности по каналу u1 - Tв

 

 


Результаты моделирования САР простейшей структуры и повышенной динамической точности


Результаты сравнения занесены в таблицу

Параметры Каналы

САР повышенной динамической точности

САР простейшей структуры


u1 - Tв

u1 - Tв

Ду0,51,5



Трег

20

26

I

14.5

16




Список литературы

канал преобразование динамический координатный

1. Конспект курса лекций по дисциплине «Теория автоматического управления» (часть I) - Хобин В.А. ОГАПТ. Одесса - 2008 г.

. Конспект курса лекций по дисциплине «Теория автоматического управления» (часть II) - Хобин В.А. ОГАПТ. Одесса - 2008 г.

. Методические указания к выполнению и оформлению курсовой работы по дисциплине «Теория автоматического управления» для студентов специальностей 7.092501 дневной и заочной форм обучения / Сост. В.А. Хобин, - Одесса: ОГАПТ, 2000 г.

Похожие работы на - Идентификация многоступенчатой насосной станции как объекта управления, синтез и анализ системы автоматического управления

 

Не нашли материал для своей работы?
Поможем написать уникальную работу
Без плагиата!
Без нейросетей!