Горизонтально-фрезерный станок модели 6П80Г
СОДЕРЖАНИЕ
Введение
.
Назначение станка и область его применения
.
Техническая характеристика
.
Назначение основных узлов, механизмов и органов управления станка
.
Движение в станке и принципы работы
.
Кинематическая структура станка
.
Кинематика станка и кинематическая настройка
.
Построение и описание кинематической схемы станка по заданной структурной
формуле
.
Построение всех кинематических вариантов включения и выбор оптимального
варианта
.
Построение графика чисел оборотов шпинделя и определение параметров
кинематических передач привода
.
Оценка точности кинематического расчета привода
Заключение
Список
источников информации
ВВЕДЕНИЕ
Фрезерные станки предназначены для различных
операций, связанных с обработкой металлов резание: обработки плоскостей,
фасонных поверхностей, винтовых поверхностей, нарезания зубчатых колес, а также
фрезерования винтовых канавок. Детали на этих станках обрабатываются
цилиндрическими, фасонными, угловыми, дисковыми и торцевыми фрезами.
В зависимости от назначения фрезерные станки
подразделяются на следующие основные группы простые фрезерные станки,
предназначенные для выполнения ограниченного круга операций и изготовляемые в
виде одношпиндельных вертикальных и горизонтальных станков универсальные
фрезерные станки, которые могут осуществлять многие виды обработок, включая
фрезерование винтовых канавок и винтовых зубчатых колес. Эти станки оформляются
чаще в горизонтальном исполнении с одним шпинделем. Специализированные
фрезерные станки предназначены для выполнения узкого круга операций ,но могут
переналаживаться на другую аналогичную деталь. Специальные фрезерные станки
предназначены для выполнения только определенных операций и не могут
переналаживаться.
1. НАЗНАЧЕНИЕ СТАНКА И ОБЛАСТЬ ЕГО ПРИМЕНЕНИЯ
Горизонтально-фрезерный станок модели 6П80Г
предназначен для фрезерования различных деталей из стали, чугуна и цветных
металлов сравнительно небольших размеров. Обработка деталей осуществляется
цилиндрическими, дисковыми, фасонными, угловыми, модульными и торцовыми фрезами,
как встречным, так и попутным фрезерованием. Станок используется в условиях
индивидуального и серийного производства. При наличии делительной головки можно
фрезеровать прямозубые шестерни, рейки, канавки и т. п.
Достаточная мощность приводов и широкий диапазон
скоростей и подач позволяют успешно работать на станке, как быстрорежущими
фрезами, так и фрезами, оснащенными пластинками твердого сплава.
. ТЕХНИЧЕСКАЯ ХАРАКТЕРИСТИКА
Техническая характеристика
горизонтально-фрезерного станка модели 6П80Г представлена в таблице 2.1.
Таблица 2.1 - Техническая характеристика
горизонтально-фрезерного станка модели 6П80Г
|
Наименование
|
Значение
|
|
Рабочая
поверхность стола, мм
|
200х800
|
|
Число
скоростей вращения шпинделя
|
12
|
|
Пределы
чисел оборотов шпинделя в минуту
|
50-2240
|
|
Число
скоростей подач стола
|
16
|
|
Пределы
скоростей подач стола, мм/мин.
|
|
|
продольных(Sпр)
|
22,4-1000
|
|
поперечных
(Sп)
|
16
- 710
|
|
вертикальных
(Sв)
|
8-
355
|
|
Скорость
быстрого перемещения стола, мм/мин
|
|
|
продольного
|
2400
|
|
поперечного
|
1710
|
|
вертикального
|
855
|
|
Мощность
главного электродвигателя, кВт
|
2,8
|
. НАЗНАЧЕНИЕ ОСНОВНЫХ УЗЛОВ, МЕХАНИЗМОВ И
ОРГАНОВ УПРАВЛЕНИЯ СТАНКА
Основные узлы горизонтально-фрезерного станка
модели 6П80Г (рис. 3.1). А - станина с коробкой скоростей и шпиндельным узлом;
Б - хобот с подвеской; В - стол; Г - дополнительная связь консоли с хоботом; Д
- поперечные салазки; Е - консоль с коробкой подач; Ж - основание станка.
Станина А служит для крепления всех узлов и
механизмов станка. Хобот Б перемещается по верхним направляющим станины и служит
для поддержания при помощи серьги конца фрезерной оправки с фрезой. Для
повышения жесткости системы хобот Б может быть соединен с консолью Е
дополнительной связью Г. Стол В монтируется на направляющих салазок и
перемещается в продольном направлении. На столе укрепляются заготовки, зажимные
и другие приспособления, для чего рабочая поверхность стола имеет продольные
Т-образные пазы. Салазки Д являются промежуточным звеном между консолью и
столом станка. По верхним направляющим салазок стол перемещается в продольном
направлении, а нижняя часть салазок вместе со столом перемещается в поперечном
направлении по верхним направляющим консоли. Консоль Е перемещается по
вертикальным направляющим станины и несет горизонтальные направляющие для
салазок. В основании Ж имеется корыто для охлаждающей жидкости, которая стекает
по трубкам со стола. На основании смонтирован электронасос для подачи
охлаждающей жидкости из корыта к инструменту.
Органы управления. 1 - рукоятка для переключения
коробки скоростей; 2 - рукоятка для переключения перебора шпинделя; 3 -
маховичок ручного продольного перемещения стола; 4 - рукоятка включения
продольной подачи стола; 5 - маховичок ручного поперечного перемещения стола; 6
- рукоятка ручного вертикального перемещения консоли; 7 - маховичок для
переключения коробки подач; 8 - рукоятка переключения перебора коробки подач;9
- рукоятка для включения и реверсирования поперечной и вертикальной подач
стола.
Рисунок 3.1 - Общий вид горизонтально-фрезерного
станка модели 6П80Г
4. ДВИЖЕНИЯ В СТАНКЕ И ПРИНЦИП РАБОТЫ
Движение резания - вращение шпинделя с фрезой.
Движение подачи - перемещение стола с заготовкой
в продольном, поперечном и вертикальном направлениях. Вспомогательные движения
- быстрые перемещения стола в тех же направлениях.
Принцип работы. Обрабатываемые детали
устанавливают непосредственно на столе, в тисках или специальных
приспособлениях. Для обработки деталей в нескольких позициях широко
используется универсальная делительная головка, которая позволяет производить
делительные повороты детали на требуемое количество равных частей. Насадные
фрезы, цилиндрические, дисковые и др., устанавливают на шпиндельных оправках,
хвостовые - непосредственно в шпинделе или в цанговом патроне.
При установке фрез на оправках последние одним
концом вставляют в конус шпинделя, а другим - в отверстие подвески.
Торцовые фрезерные головки закрепляют на торце
шпинделя. Настройка станка в соответствии с конфигурацией и размерами
обрабатываемой детали производится перемещением стола В, поперечных салазок Д и
консоли Е.
. КИНЕМАТИЧЕСКАЯ СТРУКТУРА СТАНКА
Кинематическая структура
горизонтально-фрезерного станка класса Э22 представлена на рис.5.1.
Рисунок 5.1 - Кинематическая структура
горизонтально-фрезерного станка модели 6П80Г
Образование поверхностей деталей, образованных
на фрезерных станках совершается методом копирования и касания.
Для совершения процесса резания необходимо
создать два простых исполнительных движений формообразования: вращательное
В1(главное движение резания) и прямолинейное П2 (движение подачи).
Кинематическая структура станка состоит из
кинематических групп для двух движений: движения скорости резания ФV(В1) и
движение подачи - продольной ФS1(П2), поперечной ФS2(П3)и вертикальной ФS3(П4).
Кинематическая группа движения резания (КГД)
ФV(В1):
М1→ 1→ Р1→ iv→ 2→В1
М1→ 1→ Р1→ iv→ 2
Движение скорости резания ФV (В1) простое с
замкнутой траекторией. Оно настраивается по двум параметрам:
скорость - органом настройки - iv;
направление - механизмом реверсирования - Р1
(чаще реверсивным электродвигателем).
КГД продольной подачи ФS1(П2) имеет
исполнительный орган - стол 10, на котором устанавливается обрабатываемая
деталь:
М2→ 5→ Р2→ is→ 6→8
→t1→П2
КГД продольной подачи ФS1(П2) также простая с
внутренней кинематической связью в виде одной поступательной кинематической
пары между столом 10 и направляющими 11.
Внешняя кинематическая связь расположения между
электродвигателем М2 и столом 10:
М2→ 5→ Р2→ is→ 6→8→t1
Движение подачи ФS1(П2) - простое, с незамкнутой
траекторией настраиваемое по четырем параметрам:
скорость - органом настройки - is;
направление - механизмом реверсирования - Р2;
путь и исходное положение при помощи упоров 12,
установленных на столе.
Структура КГД поперечной подачи ФS2(П3) и
вертикальной ФS3(П4) однотипно со структурой КГД продольной подачи ФS1(П2).
КГД поперечной подачи ФS2 (П3):
М2→ 5→ Р2→ is→ 6→7→t2→П3
КГД продольной подачи ФS2 (П3) -простая, с
внутренней кинематической связью в виде одной поступательной кинематической
пары между столом и направляющими:
М2→ 5→ Р2→ is→ 6→7→t2
Движение подачи ФS2 (П3) - простое, с
незамкнутой траекторией, настраиваемое по четырем параметрам:
скорость - органом настройки - is;
направление - механизмом реверсирования - Р2;
путь и исходное положение при помощи упоров.
КГД вертикальной подачи ФS3(П4):
М2→ 5→ Р2→ is→ 6→9→t3→П4
КГД продольной подачи ФS3(П4) - простая с
внутренней кинематической связью в виде одной поступательной кинематической
пары между столом и направляющими:
М2→ 5→ Р2→ is→ 6→9→t3
Движение подачи ФS3(П4) - простое, с незамкнутой
траекторией, настраиваемое по четырем параметрам:
скорость - органом настройки - is;
направление - механизмом реверсирования - Р2;
путь и исходное положение при помощи упоров.
. КИНЕМАТИКА СТАНКА И ЕГО КИНЕМАТИЧЕСКАЯ
НАСТРОЙКА
Движение резания. Привод
движения резания состоит из коробки скоростей, клиноременной передачи с
натяжным устройством и перебора.
Фланец электродвигатель
мощностью 2.8 квт (рис. 6.1) связан с валом 1 коробки скоростей упругой муфтой.
В коробке скоростей тройной Б1 и двойной Б2 передвижные блоки шестерен,
обеспечивающие валу 3 шесть различных скоростей вращения, которые через 26-22
натяжного устройства и клиноременную передачу 210-210 сообщаются полому валу 5,
находящемуся на шпинделе.
От этого валика вращение
передается шпинделю 7 через перебор, когда муфта М1 выключена, а блок шестерен
Б3 введён в зацепление с шестернями 31 и 71 (как показано на схеме), или
вращение передается непосредственно, когда муфта М1, включена, а шестерни блока
Б3 выведены из зацепления. Переключения муфты М1 и блока Б3 сблокированы и
осуществляются одной рукояткой. Всего шпинделю сообщается 12 различных
скоростей (рис. 6.2.).
Минимальное число оборотов
шпинделя nmin с учетом упругого скольжения ремня определяется из выражения:
.
Движения подач.Привод имеет отдельную
электродвигатель и состоит из двухступенчатого редуктора, шестискоростной
коробки подач, переборного устройства коробки реверсов и механизмов продольной,
поперечной и вертикальной подач.
Вращение от фланцевого
электродвигателя мощностью 0,6 квт (рис. 6.1) передается через шестерни
редуктора 21-27 и 32-64 валу Х коробки подач и через тройной подвижной блок
шестерен Б4 и двойной подвижной блок шестерен Б5 валу ХII.
От вала XII вращение может быть передано широкой
шестерне 60, установленной на валу XIII, через шестерни перебора 18-72 и
30-60-60, когда муфта М2 отключена (как показано на схеме), либо
непосредственно через шестерни 60-60 при включенной муфте М2. В последнем случае
шестерня 60, установленная на валу XII, выводиться из зацепления с шестернёй 30
для сцепления с кулачками шестерни 45. Структура коробки подач показана на рис.
6.3.
Широкая шестерня 60 установлена на полом валу и
связана с ним предохранительной муфтой М . Для осуществления рабочих подач
должна быть включена кулачковая муфта М3, тогда вращение от широкой шестерни 60
через предохранительную и кулачковую муфты передается валу XIII и через
шестерни 34-40 и 48-52 валу XV. связанному с механизмами реверсов продольной,
поперечной и вертикальной подач.
От вала XV через коническую передачу 18-18 и вал
XV/ приводится во вращение конический реверс 28-28-28. При включении кулачковой
муфты М7 в ту или иную сторону ходовой винт XVII и стол получают движение в
соответствующих направлениях. Максимальная скорость продольной подачи стола 5
max определяется из выражения:
.
На цилиндрической части поперечного ходового
винта XVIII свободно установлены шестерни 54 и 50, которые вращаются в различные
стороны, так как шестерня 54 получает вращение от вала XV непосредственно через
шестерню 38, а шестерня 50 - через шестерню 35 и паразитное колесо 39.
Кулачковой муфтой М6 включается, выключается и
реверсируется поперечная подача, наименьшая скорость которой
определяется из выражения
.
По аналогичному принципу происходит
реверсирование вертикальных подач. При включении кулачковой муфты М5вту или
иную сторону вращение получает вал XIX, который через шестерни 25-50 и
коническую передачу 24-36 приводит во вращение вертикальный ходовой винт XXI.
Наименьшая скорость вертикальной подачи $вт,п определяется из выражения
.
Вспомогательные движения. Быстрые перемещения
стола и консоли осуществляются включением дисковой фрикционной муфты М4. При
этом вал XIII получает вращение от электродвигателя через шестерни 21-72 и
32-64-26, минуя коробку подач. От шестерни 34. закрепленной на валу XIII,
движение передается, как при рабочих подачах. Скорость быстрого перемещения
стола в продольном направлении S6 определяется из выражения
.
Ручные установочные перемещения стола в
продольном и поперечном направлениях осуществляются маховичками,
непосредственно установленными на концах ходовых винтов XVII и XVIII.
Вертикальное установочное перемещение стола производится рукояткой, находящейся
на конце вала ХIХ.
Рисунок 6.1 - Кинематическая
схема горизонтально-фрезерного станка модели 6П80Г
Рисунок 6.2 - График скоростей
горизонтально-фрезерного станка модели 6П80Г
Рисунок 6.3 - График подач
горизонтально-фрезерного станка модели 6П80Г
Кинематическая настройка станка. Кинематическая
настройка для кинематической структуры данного станка (см. п.5, рис.5.1)
производится органами настройки iv и is:
Настройка кинематической цепи главного движения:
1. Конечные звенья (КЗ): вал электродвигателя
М1 - шпиндель с инструментом;
2. Расчетные перемещения конечных звеньев
цепи (РП):
→
;
3.Уравнение кинематического баланса (УКБ):
=
;
.Формула настройки
(ФН):
=
;
где
Настройка кинематической цепи
продольной подачи:
1. КЗ: вал электродвигателя М2 - стол;
2. РП: nэ об/мин →
мм/мин;
. УКБ:
. ФН

Настройка кинематической цепи
поперечной подачи:
1. КЗ: вал электродвигателя М2 - стол;
2. РП: nэоб/мин →
мм/мин;
. УКБ
4. ФН
где
Настройка кинематической цепи
вертикальной подачи:
1. КЗ: вал электродвигателя М2 - стол;
2. РП: nэоб/мин →
мм/мин;
. УКБ
4. ФН
где
. ПОСТРОЕНИЕ И ОПИСАНИЕ
КИНЕМАТИЧЕСКОЙ СХЕМЫ СТАНКА ПО ЗАДАННОЙ СТРУКТУРНОЙ ФОРМУЛЕ
Проведем определение основных
кинематических параметров привода для построения кинематической схемы. Для
начала определим расчётные значенич ряда чисел оборотов:=nmin= 31,5об/мин;=n1∙φ=31,5∙1,41=
44,42об/мин;= n2∙φ
=n1∙φ2=31,5∙1,412=
62,69 об/мин;= n3∙φ
=n1∙φ3=31,5∙1,413=
88,2 об/мин;= n4∙φ
=n1∙φ4=31,5∙1,414=
124,43 об/мин;= n5∙φ
=n1∙φ5=31,5∙1,415=
175,55 об/мин;= n6∙φ
=n1∙φ6=31,5∙1,416=
247,53 об/мин;= n7∙φ
=n1∙φ7=31,5∙1,417=
349,02 об/мин;= n8∙φ
=n1∙φ8=31,5∙1,418=
492,11 об/мин;= n9∙φ
=n1∙φ9=31,5∙1,419=
693,88 об/мин;= n10∙φ =n1∙φ10=31,5∙1,4110=
978,37 об/мин;= n11∙φ =n1∙φ11=31,5∙1,4111=
1379,49 об/мин.
В соответствии с нормалью cтанкостроения
2Н11-1 и зная из задания минимальное число оборотов шпинделя станка и
знаменатель геометрической прогрессии записываем стандартный ряд значений чисел
оборотов:=31,5об/мин; n2=45об/мин;=63об/мин; n4=90об/мин;=125об/мин;
n6=180об/мин;= 250об/мин; n8=355об/мин;=500об/мин; n10=710об/ми;.=1000об/мин;
n12=1400об/мин.
Таким образом, имеем ряд чисел
оборотов шпинделя.
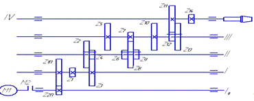
Следующим этапом в проектировании
коробки скоростей будет построение кинематической схемы по заданной структурной
формуле:
= 2×3×2
Рисунок 7.1 - Кинематическая схема
коробки скоростей горизонтально-фрезерного станка
Привод главного движения включает односкоростной
асинхронный электродвигатель М1 связан с валом
12-ти
скоростную коробку скоростей. Также в приводе используется муфта упругая
втулочно-пальцевая (МУВП).
Между
и
I валами установлена постоянная (одиночная) передача z1п -z2п. Между валами I и
II установлен двухвенцовый множительный механизм
,
.
На валу II находится подвижный двойной блок z2-z4,который может передать
вращение валу III. Между II и III установлен трёхвенцовый множительный механизм
z5 - z6, z7 - z8 , z9 - z10.
Между III и IV валами установлен двухвенцовый
множительный механизм. В приводе используется односторонняя фрикционная муфта
М2,которая является предохранительной.
. ПОСТРОЕНИЕ ВСЕХ КИНЕМАТИЧЕСКИХ ВАРИАНТОВ
ВКЛЮЧЕНИЯ И ВЫБОР ОПТИМАЛЬНЫХ ВАРИАНТОВ.
Далее строим структурные сетки вариантов
переключения. Для этого записываем варианты включения:
а) z = 20×31×22;
Рисунок 8.1 - Структурная сетка варианта а
б) z = 20×32×21
Рисунок 8.2 - Структурная сетка варианта б
в) z = 21×30×22;
Рисунок 8.3 - Структурная сетка варианта в
г) z = 22×30×21;
Рисунок 8.4 - Структурная сетка варианта г
д) z = 21×32×20;
Рисунок 8.5 - Структурная сетка варианта д
е) z = 22×31×20.
Рисунок 8.6 - Структурная сетка варианта е
Исходя из рис.(8.1-8.6) определяем диапазон
регулирования групповой передачи и суммарный диапазон на валах привода для:
а)
=φ0;
=φ1;
=φ5;
=φ11;
;
б)
=φ0;
=φ1;
=φ9;
=φ11;
;
в)
=φ0;
=φ3;
=φ5;
=φ11;
;
г)
=φ0;
=φ6;
=φ8;
=φ11;
;
д)
=φ0;
=φ2;
=φ11;
;
е)
=φ0;
=φ6;
=φ10;
=φ11;
.
Выбирая оптимальный вариант включения, делаем
проверку по двум принципам: по максимальному диапазону регулирования
≤
[Rгр] и по суммарному диапазону регулирования на валах привода.
Рассмотрим первый принцип:
) z = 20×31×22грp0’=φ1=1,411=1,41
≤ [Rгр]=8;грp1’=φ4=1,414=3,95
≤ [Rгр]=8;грp2’=φ6=1,416=7,86
≤ [Rгр]=8;
б) z = 20×32×21грp0’=φ1=1,411=1,41
≤
[Rгр]=8;грp2’=φ8=1,418=15,62≥
[Rгр]=8;грp1’=φ2=1,412=1,99 ≤
[Rгр]=8;
в) z = 21×30×22грp1’=φ3=1,413=2,8
≤ [Rгр]=8;грp0’=φ2=1,412=1,99
≤ [Rгр]=8;грp2’=φ6=1,416=7,86
≤ [Rгр]=8;
г) z = 22×30×21грp2’=φ6=1,416=7,86
≤ [Rгр]=8;грp0’=φ2=1,412=1,99≤
[Rгр]=8;грp1’=φ3=1,413=2,8 ≤
[Rгр]=8;
д) z = 21×32×20грp1’=φ2=1,412=1,99
≤ [Rгр]=8;грp2’=φ8=1,418=15,6≥
[Rгр]=8;грp0’=φ1=1,411 =1,41 ≤
[Rгр]=8
е) z = 21×31×20грp2’=φ6=1,416=7,86
≤
[Rгр]=8;грp1’=φ4=1,414=3,95 ≤
[Rгр]=8;грp0’=φ1=1,411=1,41 ≤
[Rгр]=8;
Следовательно, варианты б и д не удовлетворяют
первому принципу. Поэтому они исключаются из дальнейшего рассмотрения.
Оптимальным кинематическим вариантом включения будет тот который имеет
наименьший суммарный диапазон регулирования на валах привода - а) z = 20×31×22,
где
φ17.По
выбранному варианту будем производить весь дальнейший кинематический расчет.
. ПОСТРОЕНИЕ ГРАФИКОВ ЧИСЕЛ ОБОРОТОВ ШПИНДЕЛЯ И
ОПРЕДЕЛЕНИЕ ПАРАМЕТРОВ КИНЕМАТИЧЕСКИХ ПЕРЕДАЧ ПРИВОДА
Картина чисел оборотов коробки скоростей
построена на рис. 9.1.
В отличие от структурных сеток коробки скоростей
картина чисел оборотов графически изображает действительные значения
передаточных отношений всех передач.
При построении картины чисел оборотов коробки
скоростей мы связаны числами оборотов двух замыкающих валов (I и IV): I - вал
электродвигателя и согласно заданию он имеет 1500 об/мин; IV -шпиндель
фрезерного станка, который должен осуществлять требуемый ряд чисел оборотов.
Рисунок 9.1 - График чисел оборотов шпинделя
Руководствуясь картиной чисел оборотов и
принципиальной схемой коробки скоростей, составляем уравнения для расчета чисел
зубьев шестерен.
-я группа уравнений записывается исходя из
фактических значений передаточных отношений.
Основной двойной блок своими шестернями дает
возможность получить два уравнения для передаточных отношений
)
φ-2,
φ-1.
Второй тройной блок позволяет получить три
уравнения для трёх передаточных отношений
φ-4
φ-2
φ0=1.
Передаточные отношения двойного блока:
φ-4
φ0=1
Для постоянной передачи
φ-0,24.
Таким образом, исчерпаны все уравнения, которые
можно составить, руководствуясь картиной чисел оборотов.
Далее, составим недостающие уравнения, используя
для этого условие параллельности осей валов коробки скоростей.
при
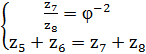
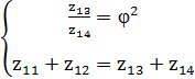
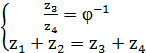
Таким образом получим 2-ю группу уравнений:
). z1+z2= z3+z4;
). z5+z6= z7+z8;
). z5+z6= z9+z10;
). z11+z12= z13+z14.
-я группа уравнений записывается исходя из
конструкторських соображений. Из кинематической схемы видно, что рассчитываемая
коробка скоростей содержит 16 неизвестных чисел зубьев шестерен, входящих в
нее. Исходя из анализа картины чисел оборотов и условия параллельности валов
коробки, записано 12 уравнений. Необходимо задатьсязначениями чисел зубьев
шестерен в групповых передачах. Задаёмся значеним чисел зубьев наименьших
шестерен от каждой групповой передачи.
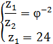
Исходя из конструктивных соображений зададимся:
z1п=18.
) z1=24.
) z5=19.
) z11=19.
Также задаем z9=z10=48.
Таким образом, число уравнений сведено к числу
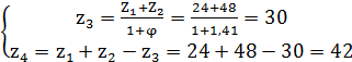
неизвестных величин. Находим число зубьев для постоянной передачи:
∙
1000;
∙
1000;
Следовательноz2п=18.
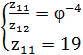
Из уравнений (1) и (12) получаем
=
∙φ2=24∙1,412=48.
Используя уравнения (2) и (8) находим:
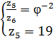
Из уравнений (3) и (13) имеем
=
∙φ2=19∙1,412=77.
Из уравнений (4) и (9) число зубьев будет
Из уравнений (5) и (10) имеем
Решая уравнений (6) и (14)
=
∙φ4=19∙1,414=77.
Пользуясь уравнениями (7) и (11)
Таким образом, числа зубьев всех шестерен,
входящих в коробку определены и представлены в табл. 9.1.
Таблица 9.1 - Числа зубьев шестерен, входящих в
коробку скоростей станка
|
Обозн.
|
|
|
|
|
|
|
|
|
|
|
|
|
|
|
|
|
|
Число
зубьев
|
18
|
27
|
24
|
48
|
30
|
42
|
19
|
77
|
32
|
64
|
48
|
48
|
19
|
77
|
64
|
32
|
10. ОЦЕНКА ТОЧНОСТИ КИНЕМАТИЧЕСКОГО РАСЧЕТА ПРИВОДА
горизонтальный фрезерный станок привод
Определив числа зубьев шестерен, входящих в
коробку скоростей, можно посчитать действительный ряд чисел оборотов шпинделя
определить ошибку расчетов (величину отклонения расчетных чисел оборотов от
нормализованных значений принятого ряда). Используя график чисел оборотов
определяем расчетные значения
;
;
;
;
;
;
;
.
;
;
;
Определим максимально допустимое отклонение
чисел оборотов шпинделя
[r] = ±10(φ - 1)%= ±10(1,41 - 1)%= ± 4,1%.
Затем определяем отклонение каждого
рассчитанного числа оборотов шпинделя от принятого и сравниваем с допустимым
отклонением.
где
и
-
стандартное и расчетное значение чисел оборотов шпинделя;
Из рассмотрения данного расчета видно, что
кинематическая коробка скоростей данного горизонтально-фрезерного станка
рассчитана верно.
ЗАКЛЮЧЕНИЕ
При выполнении контрольной работы мы
ознакомились с устройством горизонтально-фрезерного станка модели
6П80Г.Тщательно разобрали назначение и область применения данного станка.
Внимательно рассмотрели и изучили технические характеристики, назначение
основных узлов, механизмов и органов управления . Приобрели важные знания о
движениях в станке и принципах его работы. Также мы ознакомились с кинематикой
горизонтально-фрезерного станка. Была изучена его кинематическая структура и
кинематическая настройка. Провели построение и сделали описание кинематической
схемы станка по заданной структурной формуле, построили кинематические варианты
включения и выбрали оптимальный вариант. Далее построили график чисел оборотов
шпинделя и определили параметры кинематических передач привода. Вследствие
проведённой работы рассчитали оценку точности кинематического расчёта привода
горизонтально-фрезерного станка.
СПИСОК ИСТОЧНИКОВ ИНФОРМАЦИИ
1. Металлорежущие
станки (Альбом общих видов, кинематических схем и узлов)./ Кучер А.М.,
Киватинский М.М., Покровский А.А - М.: Машиностроение, 1981.
2. Примерный
расчет фрезерного станка. Руководство к курсовому проектированию для студентов
ХПИ им. В.И. Ленина. Королев Ф.К., Тимофеев Ю.В. - Х. 1964.
. Расчет
и конструирование металлорежущих станков/ Под ред. А.С. Проникова - М.: Высшая
школа,1967.
. Кропальов
О.О «Кінематичні основи металорізальніх верстатів»:навчальний посібник - К.:
IСДО,1995.