|
h, мм
|
Число полюсів 2 р
|
Рекомендовані
значення магнітної індукції, Тл
|
|
|
|
Зубці ВZ2max
|
Спинка ВС2
|
|
160
|
4
|
1,55…1,80
|
1,20…1,35
|
2 - зубцовий поділ по
зовнішньому діаметру ротора D2, мм.

мм
Висота спинки магнітопровода ротора, мм

мм
де ВС2 визначають за даними табл. 4.
Висота зубця ротора, мм

мм
де D2 - зовнішній діаметр ротора, мм
2 =D1 -2δ=185-2*0.5=184
мм
2вн - внутрішній діаметр ротора, мм
2вн=(0,3…0,35) D2=0.3*184=55
мм
Найменша ширина паза знаходиться за формулою

мм,
де - 
мм
Найбільша ширина паза буде, мм
де - 
мм
Відстань між центрами кіл 
і 

,
де - 
= (0,5…0,7) мм - висота шлица паза ротора.
Площа перерізу стрижня ротора, мм2
6. Розрахунок магнітного кола
Величина індукції в повітряному зазорі, Тл
- коефіцієнт полюсного
перекриття.
Магнітна напруга повітряного зазору, А

A
де
коефіцієнт
повітряного зазору, що враховує вплив зубцевості статора
i ротора
=1.3
=1.26
При висоті oci обертання H0
< 160 мм використовується електротехнічна сталь 2013.
Магніторушійна сила в зубцях статора, А/м
Магнітна індукція в зубцях ротора

.
Магніторушійна сила в зубцях ротора, А/м
Магнітна індукція в спинці статора

Вб
де hC1 - висота спинки статора.
За одержаною індукцією, користуючись таблицею дод. 2
визначаємо напруженість магнітного поля в спинці статора HС1.
Магніторушійна сила в спинці статора, А/м.
де LC1 - розрахункова довжина спинки
статора.

Магнітна індукція в спинці ротора

де LC2 - розрахункова довжина спинки
ротора
Магніторушійна сила в спинці ротора.
де Нр - напруженість магнітного
поля в спинці ротора знаходять за табл. дод. 2 по величині індукції Вр.
Сумарна магніторушійна сили магнітного кола
двигуна
∑F=Fδ+FZ1+ FZ2+
FC+ FP=1145+43,5+80+136+7.3=1411.8 А/м
Струм холостого хoду двигуна
де w1 - число витків в фазі
обмотки статора.
7. Параметри обмотки статора
Переріз провідника обмотки статора
За одержаною величиною перерізу S1,
знаходять стандартне значення перерізу (Додаток 3, табл. 3.1 методичної
вказівки) Sст. З даної таблиці маємо Sст=2.22 мм2;
dіз=1.765 мм; d=1.68 мм. Площа паза з урахуванням ізоляції
Товщину ізоляції приймають по висоті hіз=0,15…0,4
мм, а по ширині bіз=0,5…0,8 мм.

hіз
+ bіз
мм2
Площу прокладки приймають 
Коефіцієнт заповнення паза обмоткою
Розміри обмотки статора
середній зубцовий поділ

;
середня ширина
середня довжина лобової частини
cередня довжина витка обмотки статора
Активний опір фази обмотки статора

Ом
ρ=0.0212 Ом/ - питомий опір
матеріалу обмотки при розрахунковій температурі,
Коефіцієнт магнітної провідності пазового розсіяння обмотки
статора
Коефіцієнти kβ і kβ’, що враховують скорочення двошарових
обмоток, визначається так:

; 
Коефіцієнт магнітної провідності диференціального розсіяння
обмотки статора
рт1 - коефіцієнт, що враховує демпфіруючи дію
струмів, наведених в обмотці ротора вищими гармоніками поля статора.
Визначається за даними табл. 3.6 в залежності від
співвідношення Z2/p.
kш1 - коефіцієнт, що враховує вплив
відкриття пазів статора на провідність диференціального розсіювання
kд1 - коефіцієнт диференціального розсіяння
обмотки статора (визначаємо за табл. 3.7).
Коефіцієнт магнітної провідності лобових частин
обмотки статора
Індуктивний опір фази обмотки статора
. Параметри обмотки ротора
Активний опір стрижня обмотки ротора, Ом.
де 
=0,044 Ом.мм2/м - питомий опір алюмінію при температурі
750С.
Активний опір ділянки коротко замкнутого кільця між двома
стрижнями, Ом.
де Dk - середній діаметр
короткозамкненого кільця, мм;
Dk=D2-ак=184-35=149
мм
D2 - зовнішній діаметр ротора, мм;
D2=D1-2δ=185-2*0.5=184 мм
ak - висота кільця, мм;
k=(1,1…1,25) hZ2=1.2*29.5=35
мм
к - перетин кільця, мм2

мм2
к -
ширина кільця, мм.

Активний опір обмотки ротора
2=Rc+Rk=0.0000059+0.000238=0.000244.
Активний опір обмотки ротора, приведений до обмотки статора

kпр1R2=1899*0.000244=0.46 Ом
де - kпр - коефіцієнт приведення;
ck= 0,97…0,99 - коефіцієнт скоса пазів.
Коефіцієнт магнітної провідності пазового
розсіяння обмотки ротора
Де
Коефіцієнт магнітної провідності диференціального
розсіяння обмотки ротора
де kд2 - коефіцієнт диференціального розсіяння
обмотки ротора залежно від 
.
Коефіцієнт магнітної провідності розсіяння коротко
замикаючих кілець литої клітки ротора
Індуктивний опір обмотки ротора, Ом.
Х2=7,9f∙l1(λп2+ λд2+
λл2)∙10-9=7.9 ∙
50 ∙ 184 ∙ (1.66+1.3+0.468) ∙ 10-8=0.0025 Ом
Індуктивний опір обмотки ротора, приведений до обмотки
статора

Х2=1899 ∙ 0.0025=4.7 Ом
Індуктивний опір намагнічування, Ом

.
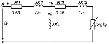
9. Схема заміщення двигуна
Рис. 1.2 - Схема заміщення
10. Електронна модель двигуна
Узагальнена модель віртуальної установки для
дослідження асинхронного двигуна.
Рис. 1.3. Схема моделі для дослідження
асинхронного двигуна
Параметри асинхронної машини для вікна
налаштування частково беруться з паспортних даних двигуна, а також із
розрахунків параметрів схеми заміщення. Слід відразу звернути увагу на те, що
позначення в вікні налаштування дещо відрізняються від вказаних на схемі
заміщення:
Рис. 1.4. Вікно налаштування параметрів двигуна
Рис. 1.5 - Струм в ланцюзі ротора (а) та струм
статора (б)
В результаті моделювання розрахованого двигуна
одержимо такі робочі характеристики.
Рис. 1.6 - Робоча характеристика моменту
Рис. 1.7 - Робоча характеристика швидкості
Список літератури
магнітопровід статор двигун ротор
1. Кацман М.М. Электрические машины: Учеб. для учащихся
электротехнических спец. техникумов. - М.: Высш. шк., 1990. - 463 с.
. Кацман М.М. Расчет и конструирование електрических машин. Учеб.
пособие для техникумов. - М.: Энергоатомиздат, 1984 - 360 с.
3. Герман - Галкин С.Г., Кардонов Г.А. Электрические машины:
Лаборатрные работы на ПК. - СПб: КОРОНА принт, 2003. - 256 с.
. Черных И.В. Моделирование электротехнических устройств в MATLAB,
SimPowerSystems и Simulink. - М.: ДМК Пресс; СПб.: Питер, 2008. - 288 с.
. Штепа Є.П. Методичні вказівки що до курсового проекта 2011 р. -
27 с.