Автоматическая сварка неповоротных стыков труб с принудительным формированием сварного шва
ВВЕДЕНИЕ
Современный технический прогресс в
промышленности неразрывно связанно с совершенствованием сварочного
производства. Сварка как высокопроизводительный процесс изготовления
неразъемных соединений находит широкое применение при изготовлении металлургического,
химического и энергетического оборудования, различных трубопроводов, в
машиностроени,в производстве строительных и других конструкций.
Одно из наиболее развивающихся направлений в
сварочном производстве-широкое использование механизированной и автоматической
сварки. Речь идет как о механизации и автоматизации самых сварочных
процессов(т.е.переходе от ручного труда сварщика к механизированному),так и о
комплексной механизации и автоматизации, охватывающей все виды работ, связанное
с изготовлением сварных конструкций(заготовительные, сборочные и др.)и
созданием поточных и автоматических производственных линий.
С развитием техники возникает необходимость
сварки деталей разных толщин, в связи с ним постоянно расширяется набор
применяемых видов и способов сварки. В настоящее время сваривают детали
толщиной от нескольких микрометров (в микроэлектронике) до десятков сантиметров
и даже метров (в тяжелом машиностроении). Тема моей ВКР ….
В начале 1950-х гг. в Институте электросварки
им. Е.О. Патона создают электрошла - ковую сварку (ЭШС) для изготовления
крупногабаритных деталей из литых и кованых заготовок, что снизило затраты при
изготовлении оборудования тяжелого машиностроения.
Электрошлаковая сварка относится термическому
классу то - есть один из видов сварки, осуществляемый с использованием тепловой
энергии.
Процесс сварки является бездуговым. В отличие от
дуговой сварки для расплавления основного и присадочного металлов используют
теплоту, выделяющуюся при прохождении сварочного тока через расплавленный
электропроводный шлак (флюс). В начале процесса дугой расплавляют небольшое
количество флюса. Затем электрод погружают в шлаковую ванну, горение дуги
прекращается и ток начинает проходить через расплавленный шлак. Сварку
выполняют снизу вверх чаще всею при вертикальном положении свариваемых деталей
с зазором между ними. Для формирования шва по обе стороны зазора устанавливают
медные ползуны-кристаллизаторы, охлаждаемые водой. По мере формирования шва
ползуны перемещаются в направлении сварки.
Разработано несколько способов ЭШС. Наиболее
распространена ЭШС проволочным электродом (одним или несколькими) с колебаниями
или без колебаний, пластинчатым электродом большого сечения, плавящимся
мундштуком.
ЭШС характеризуется высокой устойчивостью
процесса, мало зависящей от рода тока, кратковременных изменений силы тока и
даже его прерывания. Электрошлаковый процесс устойчив при плотностях тока
0,2...300 А/мм2 и возможен при использовании проволочных электродов диаметром
1,6 мм и менее и пластинчатых электродов. Эта устойчивость и саморегулирование
обеспечены значительной тепловой инерцией ванны.
Наличие в электроцепи такого нелинейного
активного сопротивления, как шлаковая ванна, позволяет использовать для сварки
источники с жесткой внешней характеристикой, в том числе трехфазные
трансформаторы.
Для принудительного охлаждения и формирования
боковой поверхности шва обычно применяют медные водоохлаждаемые устройства.
При ЭШС почти вся электрическая мощность
передается шлаковой ванне, а от нее - электроду и свариваемым кромкам. Рабочая
температура шлаковой ванны достигает под электродом 1900...2000°С. Устойчивый
процесс возможен только при постоянной температуре шлаковой ванны.
Большая часть теплоты, выделяющейся в шлаковой
ванне, переносится в металлическую ванну, а от нее - к кромкам.
Скорость плавления присадочного металла при
электрошлаковой сварке больше, а расход электроэнергии на плавление равных
количеств электродного металла на 15...20% меньше, чем при дуговой сварке.
Расход флюса в 10... 20 раз меньше, чем при дуговой сварке, и составляет около
5 % расхода электродной проволоки.
При ЭШС обеспечивается высокое качество защиты
сварочной ванны от воздуха и возможность получения за один проход сварных
соединений теоретически любой толщины.
Электрошлаковую сварку применяют при выполнении
прямолинейных, криволинейных и кольцевых швов. Минимальная толщина деталей,
соединение которых возможно ЭШС, находится в пределах 25...30 мм. Экономически
наиболее целесообразно использовать ЭШС при изготовлении толстостенных конструкций
из низко- и среднеуглеродистых, низко-, средне- и высоколегированных сталей,
чугуна и цветных металлов (алюминий, медь). Кроме того, ЭШС применяют для
наплавки различных сплавов на низкоуглеродистые и низколегированные стали.
К выполнению работ, связанных с техникой и
технологией ЭШС, допускаются сварщики, получившие на специальных курсах
необходимую теоретическую и практическую подготовку и аттестованные не ниже
четвертого квалификационного разряда по действующему нормативному документу.
1. Краткая характеристика
объекта
Электрошлаковую сварку применяют главным образом
для получения соединений из металла (стали, алюминия, титана и их сплавов и
др.) большого сечения (свыше 40-50 мм).
Преимущества процесса: высокая
производительность, высокое качество сварных соединений, сравнительная простота
и возможность автоматизации.
В зависимости от типа применяемого электрода
различают несколько способов процесса электрошлаковой сварки: электродной
проволокой, электродной пластиной, плавящимся мундштуком.
Выбор способа электрошлаковой сварки
определяется сечением соединяемых элементов и их протяженностью.
Основной вид соединения при электрошлаковой
сварке ¾
стыковое. Этим методом могут быть выполнены и другие соединения. Величину
зазора между свариваемыми элементами выбирают в зависимости от толщины
соединяемых кромок, способа электрошлаковой сварки и т.п.
На практике зазор между свариваемыми элементами
выбирают достаточным для размещения электрода (электродов) и предупреждения его
замыкания на кромки.
При сборке свариваемых кромок необходимо
учитывать возможность их смещения.
Это затрудняет удержание ванны формирующими
устройствами. При электрошлаковой сварке применяют различные способы
закрепления соединяемых элементов. Для сборки стыков большой протяженности к кромкам
приваривают скобы. Небольшие по высоте свариваемые элементы фиксируют при
сборке устройствами, формирующими шов.
При электрошлаковой сварке формирование ванны и
шва невозможно без точной подгонки формирующих устройств к поверхности кромок.
При использовании жидкотекучих флюсов зазор
между формирующим устройством и изделием свыше 0,5 мм практически недопустим.
Если зазор превышает допустимую величину,
расплавленный шлак заполняет его, кристаллизуется и постепенно расширяет щель.
Создаются условия для вытекания шлаковой и
металлической ванны. Подгонка формирующих устройств облегчается после
механической обработки поверхности свариваемых кромок, особенно при
изготовлении сварно-литых и сварно-кованых конструкций.
1.1 Оборудование и
технология
Электрошлаковые аппараты в отличие от автоматов
для дуговой сварки снабжаются устройствами для удержания шлаковой и
металлической ванн, принудительного формирования шва, автоматического
регулирования уровня металлической ванны и механизмами вертикального перемещения
аппарата. В зависимости от способа удержания ванны и характера передвижения
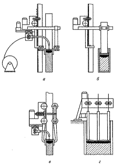
аппаратов они могут быть рельсового, безрельсового и подвесного типов (рис.1).
Рис.1. Аппараты для электрошлаковой сварки: а и
б - рельсовые (для сварки проволочным и пластинчатым электродами); в -
безрельсовый; г - подвесной (для сварки плавящимся мундштуком)
Аппараты рельсового типа перемешаются вдоль шва
но вертикально установленному рельсу или направляющим, укрепленным на
свариваемом изделии параллельно шву. Рельсы или специальные направляющие
снабжаются зубчатой рейкой, по которой движется зубчатое колесо ходового
механизма. Рельсовый путь может быть жестким (дли сварки прямолинейных швов)
или гибким (для сварки криволинейных швов). Максимальная длина сварных швов
сравнительно невелика. Она определяется длиной рельса и зубчатой рейки. К
аппаратам такого типа относятся А-372Р, А-433Р, А-535идр. (рис. 2).
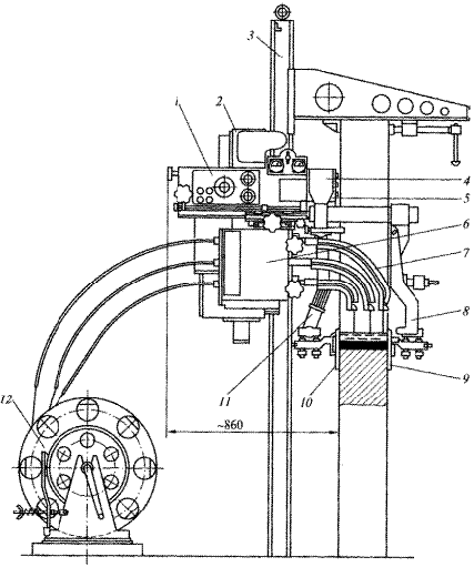
Рис. 2. Схема аппарата А-535 рельсового типа для
электрошлаковой сварки прямолинейных стыков: 1 - пульт управления; 2 - ходовая
тележка; 3 колонна с рейкой; 4 - бункер для флюса; 5 - механизм поперечных
колебаний мундштуков; 6 - механизм подачи электродных проволок: 7 - мундштук; 8
- подвеска обратного ползуна; 9 - формирующее устройство обратной стороны шва
(обратный ползун); 10 - формирующее устройство передней стороны шва (передний
ползун); 11 - подвеска переднего ползуна; 12 - катушка с электродной проволокой
В процессе сварки скорость перемещения аппарата
регулируется автоматически в зависимости от уровня металлической ванны
относительно медных ползунов.
С этой целью в один из них вмонтирован щуп для
контроля уровня ванны, электрически связанный с устройством для автоматического
регулирования скорости сварки. При автоматической работе система обеспечивает
поддержание уровня металлической ванны с точностью в пределах ± 2 мм
относительно заданной величины.
Аппараты безрельсового типа применяют при сварке
деталей сравнительно небольшой толщины (до 100 мм). В этой группе различают
сварочные аппараты двух видов: с механическим и электромагнитным прижимом.
К аппаратам с механическим прижимом относятся
А-306М, А-612 и 340М. Они перемещаются непосредственно по изделию и копируют
поверхность при сварке. Движение аппарата осуществляется за счет сил трения
между ходовым механизмом и кромками детали с помощью двух тележек,
расположенных по обе стороны свариваемого стыка и связанных друг с другом
тягами, которые пропущены через зазор в собранных деталях и стянуты пружинами
(рис. 3).
Рис. 3. Схема безрельсового аппарата А-612 для
электрошлаковой сварки
Аппараты с магнитным прижимом удерживаются и
перемещаются по вертикальной плоскости с помощью нескольких электромагнитов.
Основным недостатком этих аппаратов является малое тяговое усилие,
чувствительность к препятствиям и недостаточная безопасность в работе. Сварка
может производиться одним или двумя электродами. Электродная проволока подается
по гибкому шлангу с помощью отдельного механизма подачи.
Аппараты безрельсового типа применяют при
большой длине шва, когда затруднено крепление рельса на изделии с необходимой
точностью.
Аппараты подвесного типа не имеют ходового
механизма, что делает их достаточно простыми и портативными. В их состав входят
механизм подачи электродов и устройство для подвода сварочного тока к
мундштуку. Сварочные аппараты подвесного типа можно разделить на три основные
группы. В аппаратах для сварки пластинчатыми и стержневыми электродами вместо
проволочных электродов используют пластины размером 20 х 250 мм или стержни
диаметром 30 мм и более, а также стержни квадратного сечения. Одним из
недостатков таких аппаратов является то, что максимальная высота сварного шва
зависит от предельно возможной длины электродов. К этой группе относятся
аппараты А-550 и А-1517 (рис. 4).
Рис. 4. Схема аппарата А-1517 подвесного типа
для электрошлаковой сварки пластинчатым электродом: 1 - токоподводящее
устройство; 2 - переносная колонна аппарата; 3 - приводная тележка
вертикального перемещения электрода; 4 - механизм поперечной корректировки
электрода: 5 - пульт управления; 6 - узел крепления колонны к изделию
В аппаратах для сварки плавящимся мундштуком
сварочный ток подводится к шлаковой ванне с помощью мундштука, по внутренней
части которого дополнительно полают присадочную проволоку.
В процессе сварки плавятся как мундштук, так и
проволока, которые и образуют наплавленный металл. Такие аппараты применяют для
сварки изделий сложного профиля и при ремонтных работах. В эту группу входят
аппараты А-645 и А-741.
В аппаратах для выполнения кольцевых швов
проволочными электродами механизм подачи проволоки установлен неподвижно, а
свариваемое изделие вращается с помощью обычных роликовых стендов. К таким
аппаратам относятся А-356 и А-401 (рис.5).
Рис. 5. Сборочно - сварочная установка для
выполнения кольцевых швов, снабженная сдвоенным аппаратом: 1 сварочный аппарат;
2 роликовый стенд
В аппаратах для сварки пластинчатыми или ленточными
электродами механизмы подачи пластин содержат зажимные приспособления для
одного или нескольких электродов и суппорт, передвигающийся по рельсу под
действием реечного, винтового или иного привода. К суппорту прикреплены
зажимные приспособления.
Аппараты для электрошлаковой сварки имеют
постоянную скорость подачи, не зависящую от напряжения дуги, что обусловлено
процессом саморегулирования скорости плавления электрода. Источником питания
служат сварочные трансформаторы с жесткой вольт-амперной характеристикой и
пониженным напряжением холостого хода.
Рекомендуют применять трансформаторы однофазные
(ТШС-1000-1, ТШС-3000-1) и трехфазные (ТШС-600-3, ТШС-1000-3, ТШС-3000-3) с
нормальным магнитным рассеянием. Их особенностью является широкий диапазон
регулирования вторичного напряжения, чаше ступенчатого тина.
1.2 Область применения
данной технологии
Важнейшей проблемой современного машиностроения
является экономное использование металлов, снижение металлоёмкости конструкций,
повышение их надёжности и долговечности. Известно, что в сварных
машиностроительных конструкциях затраты на материалы превышают 50%. Поэтому
наибольший народнохозяйственный эффект от внедрения мероприятий, способствующих
экономии металла, реализуется в таких отраслях машиностроения, производящих
крупногабаритное толстостенное оборудование, как газо-нефтехимическая и
энергетическая.
Первоначальным назначением электрошлакового
процесса была сварка вертикальных монтажных швов изделий, швы которых нельзя
поставить в удобное для дуговой сварки нижнее положение.
Однако высокая эффективность электрошлакового
процесса вывела его за пределы монтажной сварки, сделав его основным способом
сварки металла большой толщины, а затем и за пределы собственно сварочного
производства. Сейчас электрошлаковый процесс применяется не только при сварке и
наплавке, но также для получения отливок и слитков специального назначения и
для уплотнения обычных слитков и отливок.
Электрошлаковая сварка применяется в
производстве барабанов паровых котлов и других сосудов высокого давления, где
уже полностью вытеснила применявшуюся ранее многослойную автоматическую сварку,
при изготовлении станин крупных механических прессов, траверс, архитравов и
цилиндров гидравлических прессов, валов крупных гидротурбин и гидрогенераторов,
станин прокатных станов, судовых корпусов, ахтерштевней, форштевней и других
судовых деталей, корпусов крупных электромашин, паровозных и тепловозных рам,
стоек мартеновских печей, коленчатых валов, крупных фланцев и многих других
деталей.
Широкое распространение получила электрошлаковая
сварка стыков арматуры. Несмотря на сравнительно небольшое сечение сварных
соединений, этот способ оказался эффективнее других.
В ряде случаев применение сварных конструкций
позволяет сэкономить большое количество металла. Так, для сварных валов
Варваринской ГЭС, развес слитков составил 59 т вместо100 т для цельнокованых;
сварная станина механического ковочно-штамповочного пресса давлением 4000 т
весит на 24 т меньше чем в литом варианте. С применением сварки при изготовлении
стоек мартеновских печей на Днепропетровском заводе металлоконструкций получена
большая экономия толстого проката за счёт ликвидации отходов.
Значение электрошлаковой сварки не исчерпывается
её экономическим эффектом. Широкое её применение коренным образом изменяет
характер развития тяжёлого машиностроения. Вклинить раздел из книги «Сварка
трубопроводов»
Рост размеров и веса элементов может происходить
только на основе пропорционального роста перечисленных выше производственных
мощностей. Однако с применением электрошлаковой сварки такая пропорциональность
может сохраняться не во всех случаях.
В первую очередь отпадает необходимость роста
мощностей, связанных с ростом развеса слитка, поскольку электрошлаковая сварка
позволяет сваривать между собой отливки в блоки любых размеров и почти любой
формы. Электрошлаковая сварка, в большинстве случаев, даёт возможность
соединять поковки так, чтобы в случае надобности обойтись сравнительно лёгкими
прессами.
В настоящее время электрошлаковая сварка
позволяет изготовить на заводах со сравнительно маломощным станочным и
кузнечнопрессовым оборудованием заготовки любых размеров. Дальнейший рост
размеров отдельных деталей ограничен возможностью транспортировки.
Большие возможности открываются для применения
электрошлакового процесса при наплавочных работах. Электрошлаковая наплавка
может успешно выполняться электродами большого сечения, например, при
изготовлении биметаллических изделий, при облицовке рабочих поверхностей
толстостенных сосудов и т.д. Чаще всего наплавляемые поверхности располагают
вертикально или наклонно: в этом случае электрошлаковый процесс ведётся так же,
как и при сварке.
Электрошлаковым способом успешно свариваются
стали различных классов и марок. Наряду с мало- и среднеуглеродистыми сталями
удаётся сваривать ферритные нержавеющие стали, хромоникелевые аустенитные
стали, жаропрочные сплавы на никелевой основе, сваривают титан и его сплавы.
Помимо прямолинейных и кольцевых швов большой протяжённости, можно сваривать
короткие швы толстого металла.
При сварке вертикальных монтажных швов
электрошлаковая сварка может оказаться выгоднее ручной сварки уже при толщине
металла 16-20 мм.
1.3 Преимущества и
недостатки данной технологии
Электрошлаковую сварку широко используют в
промышленности для соединения металлов повышенной толщины: стали и чугуна
различного состава, меди, алюминия, титана и их сплавов. К преимуществам
способа относится возможность сварки за один проход металла практически любой
толщины, что не требует удаления шлака и соответствующей настройки сварочной
установки перед сваркой последующего прохода, как при других способах сварки.
При этом сварку выполняют без снятия фасок на кромках. Для сварки можно
использовать один или несколько проволочных электродов или электродов другого
увеличенного сечения. В результате этого достигается высокая производительность
и экономичность процесса, повышающиеся с ростом толщины свариваемого металла.
К недостаткам электрошлаковой сварки относят:
o выполнение сварки только в
вертикальном или в близком к вертикальному положении (отклонение от вертикали
не более 30°) свариваемых плоскостей;
o недопустимость остановки
электрошлакового процесса до окончания сварки. В случае вынужденной остановки в
сварном шве появляются дефекты. В таком случае сварной шов подвергают ремонту
или полностью удаляют и вновь сваривают;
o крупнозернистая структура в металле
шва и зоне термического влияния и обусловленная этим низкая ударная вязкость
металла сварного соединения при отрицательных температурах;
o необходимость изготовления и
установки перед сваркой технологических деталей (планки, «стартовые карманы»,
формирующие устройства и др.).
Наиболее распространенные дефекты при ЭШС - это
горячие трещины в металле шва, а в околошовной зоне - отколы. Встречаются также
шлаковые включения и непровары. Для обеспечения высокой стойкости металла шва к
образованию горячих трещин корректируют состав электродного металла или
скорость подачи электродной проволоки. Для предупреждения отколов применяют
предварительный подогрев начального участка или всего шва до температуры 150...
200 °С, уменьшают скорость сварки или используют высокий отпуск сразу же после
сварки.
Образование пор при ЭШС может быть вызвано
окалиной на кромках Изделия, большой влажностью и загрязненностью флюса,
снижением в металле шва содержания марганца и кремния при использовании несоответствующих
электродных проволок и флюсов. Шлаковые включения и непровары при ЭШС обычно
связаны с нарушениями режима сварки. Непровары обычно являются следствием
низкого напряжения сварки.
сварка шов электрошлаковый металл
2. Основная часть
Электрошлаковая сварка с порошкообразным
присадочным металлом (ППМ). Введение в шлаковую ванну холодной порошкообразной
присадки забирает значительную часть теплоты на ее плавление. Дополнительная
присадка повышает почти вдвое скорость сварки.
Отношение массы крупки к массе электродной
проволоки, расплавляемых в единицу времени, может достигать единицы. Сварку
ведут на стандартном сварочном оборудовании, укомплектованном приставками л ля
дозирования и подачи ППМ. ППМ подается из бункера по трубке непосредственно в
шлаковую ванну, или в зону вхождения в нее электрода, или на электрод за
пределами сварочного зазора (рис. 12.9).
Отличительной особенностью способа сварки с ППМ
по сравнению с обычной ЭШС является улучшение термического цикла в результате
уменьшения тепловложения, что проявляется в уменьшении длительности перегрева
металла сварного соединения и снижении температуры перегрева металлической
ванны. Это приводит к улучшению структуры и механических свойств соединения.
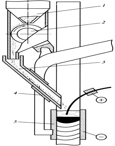
Рис. 6. Принципиальная схема ЭШС с подачей ППМ в
зону вхождения электрода в шлаковую ванну: 1 - бункер для ППМ; 2 - приводное
колесо для подачи ППМ; 3- направляющая трубка; 4 -изолирующая втулка; 5-
формирующие ползуны
Техника выполнения сварки проволокой диаметром 5
мм аналогична технике сварки проволокой диаметром 3 мм. Проволоку большою
диаметра подают в зазор между свариваемыми кромками без ввода мундштука в зазор
под углом 90 ± 5 ° к поверхности шлаковой ванны. Данный процесс характеризуется
высокой надежностью, простотой, уменьшением стоимости сварки и повышением
скорости в 1,3... 1,5 раза.
Ориентировочные режимы сварки на обратной
полярности низколегированных сталей приведены в табл. 12.3. Режимы
соответствуют глубине шлаковой ванны 45...50 мм, скорости поперечных колебаний
электродов (70...80) м/ч, длительности задержки у ползунов 6...7 с.
Сварка с дозированной подачей мощности в зону
сварки. Дозированную подачу мощности можно применять при ЭШС проволочным
электродом, плавящимся мундштуком, электродами большого сечения. В процессе
сварки при непрерывной подаче электрода периодически отключают источник
сварочного тока. Изменение теплового баланса позволяет уменьшить провар кромок,
получить благоприятные условия кристаллизации металла шва, регулировать структуру
металла сварного соединения.
При сварке с дозированной подачей мощности
напряжение сварки выше на 3...5 В по сравнению с обычной. Глубина шлаковой
ванны 50...60 мм. При ЭШС проволочными электродами дозировку мощности
осуществляют по циклу: импульс 0,8... 1,2 с, пауза 0,2...0,3 с; при сварке
плавящимся мундштуком импульс 0,8... 1,5 с, пауза 0,3...0,6 с.
Применение дозированной мощности позволяет
увеличить скорость сварки в 1,5...2 раза и получить сварные соединения сталей
некоторых марок, не требующие высокотемпературной обработки.
Сварка с сопутствующим принудительным
охлаждением. При ЭШС термоупрочняемых сталей применяют во время сварки
сопутствующее охлаждение поверхности шва и околошовной зоны водяным душем.
Спрейер укрепляют под ползуном с одной или двух сторон свариваемого шва. Ширина
зоны, охлаждаемой водой, 130... 140 мм.
При сопутствующем охлаждении Vсв
можно увеличить в 1,5... 2,0 раза по сравнению с обычной ЭШС. Наиболее
эффективен этот способ при сварке металла толщиной до 120 мм.
Сварка при увеличенном вылете электродной
проволоки. При ЭШС с обычным вылетом проволока диаметром 3 мм нагревается у
поверхности шлаковой ванны до температуры 400...500°С, что предопределяет ее
глубокое погружение (на 30...40 мм) в ванну до полного расплавления.
Увеличивая сухой вылет до 180...220 мм, можно
повысить нагрев проволоки сварочным током при подходе к шлаковой ванне до
температуры 1200°С и выше. Нагретая до высоких температур сварочная проволока
плавится при погружении в ванну на 16... 18 мм. При этом сварочный ток
уменьшается на 20...30%, напряжение сварки повышается на 4...5 В по сравнению с
обычной сваркой.
Предварительный подогрев электродной проволоки
позволяет повысить скорость сварки в два-три раза. Процесс весьма устойчив даже
при глубине ванны 20...25 мм.
Способ может применяться для сварки металла
толщиной до 300 мм. Однако улучшение свойств сварного соединения наблюдается
при сварке низколегированных сталей толщиной < 80 мм.
Техника сварки электродами с повышенным вылетом
не отличается от обычной.
Особенности сварных соединений, выполненных ЭШС.
При электрошлаковой сварке равно прочность металла шва и сварного соединения
обеспечивается только после термической обработки.
При комнатной температуре ударная вязкость
металла шва и участка перегрева околошовной зоны сталей находится на нижнем
уровне требований, предъявляемых к основному металлу, а при отрицательных
температурах обычно не удовлетворяет этим требованиям. Это связано с
образованием крупнозернистой структуры сварного соединения, имеющей пониженную
пластичность. Только после нормализации сварной конструкции ударная вязкость
достигает значений основного металла. Для повышения ударной вязкости сварного
соединения применяют ЭШС с пониженной погонной энергией, ЭШС с сопутствующим
газовым или индукционным нагревом, а также последующую термическую обработку в
интервале температур 750...950°С.
Собранное под сварку изделие укладывают на
роликовые опоры и соединяют через карман с торцевым вращателем или закрепляют
одним концом в планшайбе вращателя. Карман устанавливают в рабочее положение,
вращая изделие в направлении сварки для гарантированного устранения
всевозможных люфтов. Дно кармана в начале сварки должно быть горизонтальным.
Весь цикл сварки кольцевого шва делится на три
этапа: первый -разведение процесса и сварка начального участка шва (заварка
кармана), второй - сварка погонной части, третий - сварка замыкающего участка
кольцевого шва.
Техника сварки кольцевых швов. Основная
трудность сварки кольцевых швов - необходимость замыкания шва, что требует применения
специальных приемов и прежде всего выбора схемы начала и замыкания шва. Форма
линии замыкания кольцевого шва зависит от числа электродов и толщины
свариваемого металла.
Кольцевые стыки толщиной до 150 мм сваривают
одним электродом, толщиной 100...250 - двумя электродами и толщиной 150...450
мм - тремя электродами. Для формирования обратного валика применяют медное
кольцо, охлаждаемое проточной водой, остающиеся стальные подкладки (кольцо
шириной 80... 100 и толщиной 25...30 мм) и ползуны.
Кольцевой стык под сварку готовят со сборочным
зазором в точках 1…3 (рис. 7). Размеры зазоров при ЭШС кольцевых стыков
углеродистых и низколегированных сталей приведены в табл. 1
Таблица 1 Сборочные зазоры кольцевого стыка
|
Толщина
свариваемого металла, мм
|
Сборочный
зазор, мм, в точках
|
|
1
|
2
|
3
|
|
50-100
|
28
|
32
|
30
|
|
150-200
|
32
|
35
|
34
|
|
250-300
|
34
|
38
|
36
|
Предварительно в кольцевой стык вставляют
входной кармана из металла толщиной 35...40 мм, который прихватывают ручной
дуговой сваркой к торцевой поверхности одной из частей по разметке.
Рис. 7. Схема расположения кармана (К) и
дистанционных прокладок в кольцевом стыке:
Форма плавящеюся мундштука определяется
конфигурацией свариваемого стыка, а материал должен быть подобен основному.
Широкое распространение имеют мундштуки толщиной
5 и 10 мм. Плавящийся мундштук необходимо изолировать от кромок свариваемого
металла во избежание возникновения короткого замыкания. Изоляция облегчается
тем, что мундштук неподвижен в зазоре. Химический состав изоляторов не должен
оказывать вредного влияния на состав ванны, поэтому используют изоляторы в виде
таблеток из измельченного в порошок флюса, замешанного на жидком стекле,
прокаленных при температуре 600...700"С. Изоляторы устанавливают по горизонтали
через 100... 150 мм, по высоте на расстоянии 200...250 мм между рядами.
Возможна постановка изоляторов в шахматном порядке. Каналы мундштука соединяют
трубками с механизмом подачи электродной проволоки. Плавящийся мундштук широко
применяют не только для сварки, но и при ремонте и в наплавочных работах.
Минимальная толщина наплавленного слоя 20 мм, максимальная - 100 мм.
Конструкции плавящимс мундштуком снаправляющими
из трубок (а),скоб (б),и с комбинированными (в) направляющими
2.1 Подготовка
конструкции к сварке
Рекомендуемые формы разделки кромок под ЭШС
Рис. 9 Стыковое соединение - длина стыка 2000 мм
и более, зазор под сварку переменный
Рис. 10 Стыковые соединения: А - автоматическая
сварка снаружи; Б - электрошлаковая сварка снаружи.
Диаметр обечайки 450 мм и более. Ориентировочная
высота шва, выполненного электрошлаковой сваркой, равна ≈ 30 мм.
Рис. 11 Стыковое соединение: А - ЭШС снаружи,
диаметр обечайки - 300 мм и более

2.2 Выбор сварочных
материалов
Следует различать две группы сварочных
материалов:
) материалы, непосредственно участвующие в
образовании металла шва: стержневые электроды с покрытием - при ручной сварке,
электродные проволоки и флюсы - при автоматической и полуавтоматической сварке
под флюсом и при электрошлаковой сварке, электродные проволоки - при сварке в
среде защитных газов;
) материалы, непосредственно не участвующие в
образовании металла шва: защитные газы (аргон, гелий) и неплавящиеся электроды
(угольные, вольфрамовые).
Применительно к углеродистым сталям качественный
шов можно получить при следующем сочетании флюсов и сварочной проволоки:
) плавленый марганцевый, высококремнистый флюс и
низкоуглеродистая или марганцовистая сварочная проволока;
) плавленый без марганцевый, высококремнистый
флюс и низкоуглеродистая марганцовистая сварочная проволока;
) керамический флюс и низкоуглеродистая
сварочная проволока.
Для сварки углеродистых и низколегированных
конструкционных сталей чаще всего используют углеродистую проволоку марок Св-08
и Св-08А в сочетании с высококремнистым марганцевым флюсом марок ОСЦ-45,
АН-348А, ОСЦ-45М, АН-348АМ (мелкий). Требования к этим флюсам регламентируются
ГОСТ 9087-81.
Флюсы ОСЦ-45 и АН-348А с зерном 0, 35-3, 0 мм
применяют для автоматической сварки сварочной проволокой диаметром 3 мм и
более. Флюсы ОСЦ-45М и АН-348АМ с зерном 0, 25-1, 6 мм применяют для
автоматической и механизированной сварки сварочной проволокой диаметром менее
3,0 мм.
Флюс ОСЦ-45 малочувствителен к ржавчине, дает
весьма плотные швы стойкие против образования горячих трещин. Существенным
недостатком флюса является большое выделение вредных фтористых газов. Флюс
АН-348А более чувствителен к коррозии, чем ОСЦ-45, но выделяет значительно
меньше вредных фтористых газов.
Для сварки низкоуглеродистых сталей проволокой
Св-08 и Св-08А применяют и керамические флюсы КВС-19 и К-11. В тех случаях,
когда в металле шва необходимо сохранить элементы, имеющие большое сродство к
кислороду, следует применять бескислородные флюсы, химически инертные к металлу
сварочной ванны.
2.3 Выбор сварочного
оборудования
При электрошлаковой сварке применяют
полуавтоматы и автоматы для электрошлаковой сварки. Первые мало распространены,
так как перемещать по вертикали тяжелую аппаратуру для сварщика утомительно.
Оборудование для электрошлаковой сварки состоят из следующих узлов:
· самоходного сварочного аппарата, с
которым связаны медные водоохлаждаемые башмаки, формирующие шов;
· источника питания;
· бункера с флюсом;
· кассет с электродной проволокой;
· аппаратуры управления;
Автоматы разделяют на подвесные и самоходные
рельсового или безрельсового типа. При электрошлаковой сварке в нижнем
положении веса самого автомата оказывается достаточно для сцепления ходовых
роликов с рельсом или поверхностью изделия. При вертикальном перемещении
автоматы снабжают специальными механизмами, удерживающими их на вертикальной
плоскости за счет сил трения с пружинным пли магнитным прижимом и перемещающими
вдоль шва со скоростью, равной скорости образования шва. Конструкция ходового
механизма часто определяет конструкцию автомата для электрошлаковой сварки.
Трансформаторы можно разделить на три группы:
с секционированными обмотками
с дополнительными регулировочными
трансформаторами малой мощности
с плавным регулированием напряжения магнитными
шунтами.
Переключение секционированных обмоток или
вольтодобавочных трансформаторов может выполняться контакторами, контроллерами
или другими приспособлениями, одновременно во всех фазах или в каждой фазе
раздельно.
Для электрошлаковой сварки применяют источники
постоянного тока; преобразователи или выпрямители с жесткими характеристиками,
в том числе и многопостовые преобразователи или выпрямители.
2.4 Определение режимов
сварки
Под режимом электрошлаковой сварки также принято
понимать совокупность ряда составляющих, которые определяют устойчивость
процесса, а также размер, форму и качество шва.
1) ширина зазора между
свариваемыми кромками (bэ);
) размеры электрода в сечении
(диаметр dэ при сварке электродными проволоками или толщина δэ
и ширина bэ при сварке пластинами);
) величина сварочного тока Iсв,
либо скорость подачи электрода Uпэ, или плотность тока i;
) напряжение сварки Uсв;
) глубина шлаковой ванны hш.в;
) количество и расположение
электродов;
) приближение электродов к
формирующим приспособлениям α, а
в случае сварки с поперечным перемещением электродов и время т выдержки их в
неподвижном положении у формирующих приспособлений;
) дозировка подачи флюса в зону
сварки;
) интенсивность охлаждения
формирующих приспособлений.
Нормальное течение сварочного
процесса и образование качественного сварного соединения обеспечиваются
оптимальным режимом электрошлаковой сварки. Такой режим может быть получен
только при оптимальных значениях его составляющих. Поэтому для правильного
выбора значения составляющих необходимо знать, как они влияют на качество
сварного соединения и электрошлаковый процесс.
Режим, как правило, колеблется
в некоторых пределах, величина которых зависит от условий выполнения сварки.
Колебание режима сварки вызывает колебание глубины проплавления свариваемых
кромок. При чрезмерном колебании режима сварки в сварном соединении могут
появляться непровары кромок.
При сварке среднеуглеродистых и
легированных сталей глубина проплавления свариваемых кромок влияет на качество
сварных соединений еще и потому, что она сказывается на механических свойствах
металла шва. В этих случаях химический состав электродного металла заметно
отличается от химического состава свариваемого металла. Поэтому изменение
глубины проплавления кромок свариваемого металла влияет на долю основного
металла в металле шва, что изменяет его химический состав и тем самым
механические свойства.
Из сказанного следует, что
оптимальный режим электрошлаковой сварки должен обеспечивать проплавление
кромок свариваемого металла на такую глубину, которая исключает появление
непроваров в сварном соединении, и необходимую долю основного металла в металле
шва.
2.5 Разработка технологии
ЭШС вначале рассматривалась только как способ
сварки вертикальных швов, обеспечивающий более высокую производительность по
сравнению с ручной и многослойной автоматической сваркой в нижнем положении.
Однако уже первые производственные результаты показали,
что электрошлаковая сварка открывает большие возможности в производстве
тяжелого металлургического, кузнечно-прессового и другого оборудования. Впервые
электрошлаковую сварку осуществил в 1949 г. Г.З. Волошкевич, которому в 1956 г.
было выдано авторское свидетельство на данный способ соединения металлов.
Наилучшие условия для шлаковой ванны получаются при вертикальном расположении
оси шва. Поэтому электрошлаковый процесс применяется обычно в сочетании с
принудительным формированием шва. Основные схемы процесса приведены на рис. 12.
На первом этапе развития ЭШС выполнялась одним проволочным электродом.
Применение двух, трех и более электродов
позволило в несколько раз увеличить толщину свариваемых листов. Колебание
электродов в направлении толщины металла, то есть поперек шва, позволило резко
увеличить толщину свариваемых листов при том же количестве электродов. Способ
сварки плавящимся мундштуком был разработан в середине 50-х годов ХХ века. Он
значительно расширил область применения ЭШС.
Появилась возможность сваривать прямолинейные
стыки большой толщины, стыки с неровной или необработанной поверхностью, стыки,
расположенные в труднодоступных местах, швы сложного профиля. Форма плавящегося
мундштука определяется конфигурацией свариваемого стыка. Материал мундштука
должен быть подобен основному. Толщина пластин мундштука обычно находится в
пределах 4-20 мм.
Разработано несколько видов ЭШС электродами
большого сечения:
сварка пластинчатыми электродами;
контактно-шлаковая сварка;
сварка (наплавка) ленточными электродами.
Наибольшее применение этот способ ЭШС получил
при изготовлении изделий из аустенитных, жаропрочных и других сплавов, титана,
алюминиевых сплавов, меди при высоте свариваемого стыка до 1 м.
В сварочном производстве различают дефекты
подготовки изделий под сварку и дефекты, возникающие в процессе сварки.
Сварочные дефекты могут быть наружными и внутренними. Неразрушающие методы
контроля применяют, как правило, для определения внутренних макроскопических
дефектов. Наружные дефекты сварки обычно выявляют внешним осмотром.
2.6 Методы контроля
качества
Затраты на контроль при изготовлении ряда
конструкций превосходят затраты на их сварку, а стоимость контрольных операций
может достигать 25 35% общей стоимости конструкции. Это объясняется, прежде
всего, тем, что уровень механизации и автоматизации сварочных работ достаточно
высок (~ 35-40%), в то время как доля автоматизированного неразрушающего
контроля незначительна (1-2%). Поэтому в настоящее время особое внимание
обращают на ускоренное внедрение автоматизированных методов контроля качества
сварных соединений.
Разработана и осуществляется специальная
программа по внедрению в сварочное производство современных средств и методов
неразрушающего контроля (акустической эмиссии, голографии, томографии и др.).
Дальнейшее развитие получат и традиционные методы неразрушающего контроля. К
таким методам относят радиационную, ультразвуковую, магнитную и капиллярную
дефектоскопию, а также испытания изделий на герметичность.
Следует отметить, что среди перечисленных
методов контроля нет такого, который гарантировал бы выявление всех дефектов
сварки. Каждый из этих методов обладает своими преимуществами и недостатками.
Например, при использовании радиационных методов контроля достаточно уверенно
обнаруживают объемные дефекты небольшого размера (0,1 мм и более) и значительно
хуже - не сплавления, трещины и стянутые непровары (~ 35-40%). Ультразвуковой
метод, наоборот, более чувствителен к плоскостным дефектам и малоэффективен при
контроле конструкций с дефектами в виде пор размером 1 мм и менее.
Для выявления поверхностных дефектов применяют
или капиллярный, или магнитные методы контроля.
Практика показывает, что правильная организация
процессов контроля, а также умелое применение того или иного метода или сочетания
методов при контроле позволяют с большой надежностью оценить качество сварных
соединений.
3. Расчетная часть
Электрошлаковая сварка проволочными электродами.
Электродная проволока диаметром до 3 мкм - наиболее распространенный тип
электродов для ЭШС. Ее применяют при ЭШС стыковых соединений толщиной до 500
мм. Соединения толщиной до 50 мм выполняют одним неподвижным электродом,
соединения толщиной 50... 150 мм - одним электродом с колебательным движением,
толщиной 100...300 мм - двумя электродами и толщиной 150...450 мм - тремя
электродами.
Расстояние между электродами, мм, определяют из
соотношения:
d = (S+
D1
- 2D2)/n,
где S
- толщина свариваемого металла, мм; D1, = 17... 18 мм; D
2 = 4...5 мм при глубине канавки в ползунах 2,5 мм и Д2 = 0 при глубине канавки
8... 10 мм; n - число
электродов. Обычно d не
превышает 160 мм.
Скорость подачи электродной проволоки, м/ч:
Vэ=Vс+Fн/Fэ
где Vс
- скорость сварки, м/ч; FH
- площадь сечения наплавленного металла, мм2;
Fэ - суммарная
площадь электродных проволок, мм2.
Силу сварочного тока. А, на одном электроде при
заданной скорости подачи проволоки определяют из выражения:
I » 2,2 Vэ
+ 90.
По силе сварочного тока выбирают источник
питания.
Длина электрода, мм:
H=Lb/dп
+ lк
где L
- длина шва с учетом входного кармана и выходных планок, мм; b - сварочный
зазор, мм; dп - толщина
пластинчатого электрода, мм; lк
- величина, учитывающая конструкцию зажима электрода (lк
= 500...600 мм).
Для сварки стыка длиной 1000 мм требуется
электрод длиной 3600 мм.
Силу сварочного тока рассчитывают по формуле:
I = 120(Vс+
0,5V п)dпbп
где Vс
- скорость сварки, м/ч; V п - скорость подачи пластины, м/ч; dп
и bп - толщина и
ширина пластинчатого электрода, см.
Оптимальная скорость подачи пластинчатого
электрода (1,2...3,5) м/ч.
Число электродов
n = (S-
40)/d+ 1
где S
- толщина свариваемого металла, мм; d-
расстояние между электродами, мм.
Сварочный ток
I = (2,2Vэ
+ 90)n + 120, Vсbмdм
где Vэ
и Vc - соответственно
скорости подачи электрода и сварки, м/ч; n - число электродов; dм,
bм - толщина и
ширина мундштука, см.
Скорость сварки и напряжение можно определить из
графической зависимости
Vэ = Vс(Fн-Fм)/SFэ
Рис. Зависимость скорости сварки (1) и
напряжения (2, 3)
от толщины метала; 5 мм (2) и 10 мм (3)
4. Охрана труда и
техника безопасности при выполнении сварочных работ
ü Общие требования безопасности
Электросварщик, приступая к работе, должен
проверить наличие и исправность оборудования, заземляющих устройств, защитных
ограждений и приспособлений.
Электросварщик обязан содержать в чистоте и
порядке рабочее место. Электросварщик должен знать правила и приемы оказания
первой медицинской помощи пострадавшему.
Электросварщику запрещается:
· касаться электропроводки и корпусов работающих
электродвигателей, установленных на оборудовании;
· самостоятельно подключать
электросварочное оборудование к электрической сети;
· производить работы на участках, где
применяют и хранят легковоспламеняющиеся материалы и газы.
ü Требования безопасности перед
началом работы
Перед началом работы электросварщик должен
надеть спецодежду, специальную обувь, головной убор, рукавицы. Для
предохранения глаз и лица от вредного воздействия лучистой энергии дуги следует
применять шлем или щиток со специальными светофильтрами в соответствии с силой
сварочного тока. При обнаружении неисправностей в электрооборудовании следует
вызвать электромонтера. Самостоятельно устранять их запрещается.
Электросварщик обязан:
· проверить надежность контактов заземляющих
проводников с корпусами сварочных агрегатов, трансформаторов и автоматов
· присоединить заземляющие провода
каждого аппарата непосредственно к системе заземления.
· Проверить изоляцию токоведущих
проводов. Требования безопасности во время работы
Необходимо работать с исправным
электро-держателем. При перерыве в работе электросварочную установку
обесточивают, а электро-держатель подвешивают на специальный штатив. При
сварочных работах внутри резервуара применяются электро-держатели с
механической и электрической блокировками, позволяющие менять электроды только
при выключенном электро-держателе. При перемене рабочего места запрещается
волочение электропроводов по полу и земле. Следует сворачивать их в бухту.
Электросварщику запрещается:
· работать без шлема, защитного щитка или очков с
соответствующими светофильтрами;
· ремонтировать сварочное
оборудование;
· производить сварку и резку на
расстоянии менее 5метров от легковоспламеняющихся или огнеопасных материалов и
предметов.
ü Требования к вентиляции
Включить и проверить работу вентиляции. Все
работы со стеклопластиками производить только при действующей вентиляции.
Вентиляцию включать не менее чем за 5 минут до начала работы.
ü Меры пожарной безопасности
Электросварщик должен знать расположение средств
пожаротушения и уметь ими пользоваться. Для огарков необходимо иметь
несгораемый ящик. В помещениях, где производят сварочные работы, запрещается
хранить сгораемые и огнеопасные материалы.
ü Требования охраны труда при
аварийных ситуациях
При неисправности сварочного аппарата и
сварочных проводов, а также повреждения защитного заземления корпуса сварочного
аппарата следует прекратить работу и выключить его. Работу можно продолжать
после устранения неисправности. При коротком замыкании и загорании сварочного
аппарата необходимо немедленно отключить электропитание и приступить к тушению
очага возгорания углекислотным либо порошковым огнетушителем или песком. При
поражении электрическим током нужно немедленно отключить сварочный аппарат,
оказать пострадавшему первую помощь, при отсутствии дыхания и пульса сделать
ему искусственное дыхание или непрямой массаж сердца до восстановления дыхания
и пульса и отправить в ближайшее лечебное учреждение.
ü Требования безопасности по окончании
работы
Электросварщик обязан:
· отключить сварочную аппаратуру от сети;
· отсоединить провод с
электро-держателем от сварочного оборудования ;
· в случае возникновения пожара
немедленно вызвать пожарную команду и принять меры по ликвидации очага
возгорания имеющимися средствами;
5. Экология и охрана
окружающей среды
Экологические загрязнения нефтепродуктами, на
мой взгляд, очень актуальная, и важная, которая с каждым днём напоминает о себе
всё больше и чаще. Каждую минуту в мире добываются тысячи тонн нефти, и при
этом люди даже не задумываются о ближайшем будущем нашей планеты, ведь только
за 20 век было истощено большее количество нефтяных запасов нашей планеты. При
этом ущерб, который был нанесён за этот сравнительно короткий отрезок времени,
не сравнится ни с одной катастрофой произошедшей за всю историю человечества.
Нефть и нефтепродукты являются наиболее
распространёнными загрязняющими веществами в окружающей среде. Основными
источниками загрязнения нефтью являются: регламентные работы при обычных транспортных
перевозках нефти, аварии при транспортировке и добычи нефти, промышленные и
бытовые стоки. Загрязнение влияет не только на окружающую нас среду, но и на
наше здоровье.
В соответствии с Федеральным Законом «Об охране
окружающей природной среды» в организациях, эксплуатирующих магистральные
нефтепроводы, должен быть организован производственный экологический контроль
за состоянием окружающей природной среды.
В связи с этим компания «Транснефть» разработала
свою экологическую политику, которая так и называется: “Экологическая политика
ОАО «АК Транснефть»”.
В своей деятельности АК «Транснефть»
руководствуется принципами:
· безусловное выполнение требований
законодательства, международных договоров Российской Федерации, стандартов и
правил в области природопользования, охраны окружающей среды и экологической
безопасности;
· постоянное улучшение природоохранной
деятельности и системы экологического менеджмента;
· снижение негативного воздействия на
окружающую среду за счёт повышения экологической безопасности объектов
трубопроводного транспорта, сокращение выбросов, сбросов загрязняющих веществ в
окружающую среду и отходов производства;
· рациональное использование природных
ресурсов не всех этапах производственной деятельности Компании;
· учёт отдалённых экологических
последствий при проектировании, строительстве и эксплуатации объектов
трубопроводного транспорта нефти и нефтепродуктов;
Заключение о
выполненной выпускной квалификационной работе
Электрошлаковая сварка применяется для сварки
больших толщин, различных сплавов, и типов швов. Является экономичным и
качественным способом сварки, по сравнению со сваркой открытой дугой. Данный
процесс нашёл широкое применение в тяжёлом машиностроении и в ряде других
отраслей промышленности.
Это огромное преимущество ЭШС трудно
переоценить, если представить себе те капиталовложения, которые необходимо было
бы затратить для производства крупных, массой до 300-1000 т отливок или поковок
и рентабельность таких предприятий, когда выпуск изделий максимальной массы
исчисляется единицами в год. Как известно, только благодаря ЭШС наша
промышленность в послевоенный восстановительный период в исключительно короткий
срок смогла успешно решить ряд таких сложных задач в области тяжелого
машиностроения, как создание сверхмощных гидропрессов, мощного
металлургического оборудования, изготовление комплекса оборудования для
крупнейших гидростанций и других энергетических комплексов.
Начавшееся в конце 50х и начале 60х годов резкое
увеличение темпов развития всех отраслей народного хозяйства потребовало
значительного расширения объема применения ЭШС, повышения качества сварного
соединения для обеспечения высоких служебных характеристик сварных
металлоконструкций, освоения новых легированных сталей повышенной прочности.
В результате проведенных поисков были найдены
новые технологические решения, из которых некоторые сыграли немаловажную, а
иногда и решающую роль в деле выполнения поставленных промышленностью задач.
Так, одной из особенностей ЭШС, которую зачастую
относят к ее недостаткам, является требование непрерывности осуществления
процесса, т. е. проведения сварки без вынужденных остановок.
Это особенно важно при сварке толстостенных,
крупногабаритных изделий, части которых соединяются швами большой
протяженности. К таким изделиям относятся различные цилиндрические детали,
процесс сварки которых может длиться до 20-30 ч. В этом случае вероятность
выхода из строя отдельных узлов и механизмов весьма возрастает. Чтобы повысить
надежность ЭШС кольцевых швов были созданы сварочные установки с дублированием
всех рабочих органов аппаратуры и электрической части. При сварке на такой
установке вероятность вынужденной остановки (возникновение дефекта) практически
сводится к нулю. В настоящее время метод дублирования стал одним из главных
приемов техники сварки не только протяженных швов, но и металла большой толщины
при использовании плавящегося мундштука, что значительно способствует повышению
качества сварного соединения.
Литература
1. Чернышев
Г.Г. «Справочник электро-газосварщика и газорезчика», г. Москва.
Издательский
центр «Академия», 2007г.
. Куликов
О. Н., Ролин Е. И. «Охрана труда при производстве сварочных работ», г. Москва.
Издательский центр «Академия», 2005г.
. Чернышев
Г.Г. «Справочник электро-газосварщика и газорезчика», г. Москва. Издательский
центр «Академия», 2007г.
. Куликов
О. Н., Ролин Е. И. «Охрана труда при производстве сварочных работ», г. Москва.
Издательский центр «Академия», 2005г.