Проектирование подвески в программах компас SIMNON

  • Вид работы:
    Курсовая работа (т)
  • Предмет:
    Транспорт, грузоперевозки
  • Язык:
    Русский
    ,
    Формат файла:
    MS Word
    727,62 Кб
  • Опубликовано:
    2013-01-29
Вы можете узнать стоимость помощи в написании студенческой работы.
Помощь в написании работы, которую точно примут!

Проектирование подвески в программах компас SIMNON

ФБОУ ВПО НГАВТ

Кафедра ТММ и ДМ









Курсовой проект

Проектирование подвески в программах компас SIMNON





 

 

 

 

 




Новосибирск 2013г.

1. ТИПЫ ВИБРОИЗОЛЯТОРОВ

Виброизолятор является ответственной частью подвески, поскольку его разрушение приводит к расцентровке валопровода и может вызвать аварию. Наиболее часто применяются стандартные виброизоляторы, допущенные Российским Речным Регистром к использованию на судах.

Для характеристики виброизолятора используется три признака: допустимая нагрузка, жесткость в трех направлениях и марка, подразумевающая область применения. Ниже приведены некоторые типы виброизоляторов часто применяемые для крепления главных двигателей на речных судах и дана их общая характеристика. Все представленные стандартные виброизоляторы допущены Российским Речным регистром для нового судостроения и модернизации существующих судов.

Амортизатор И.И. Клюкина сварной со страховкой применяется для установки главных двигателей и дизель генераторов, не требует установки отбойников в случае ударов и сотрясений корпуса судна. Эффективен для частот выше 30 Гц. Цифра в обозначении соответствует допустимой массе оборудования.

Жёсткость виброизоляторов АКСС динамическая статическая, Н/м:

Тип

Нагрузка, Н

Жёсткость



Вертикальная

Продольная

Поперечная

АКСС-25

250

500000 / 250000

700000 / 550000

300000 / 200000

АКСС-40

400

650000 / 400000

900000 / 700000

400000 / 300000

АКСС-60

600

1000000 / 650000

1200000 / 1000000

500000 / 350000

АКСС-85

850

1360000 / 800000

1700000 / 1200000

550000 / 350000

АКСС-120

1200

1200000 / 750000

1500000 / 1000000

500000 / 300000

АКСС-160

1600

2600000 / 1500000

1550000 / 950000

600000 / 350000

АКСС-220

2200

4000000 / 2300000

2700000 / 1800000

950000 / 550000

АКСС-300

3000

3950000 / 2800000

2700000 / 1900000

1100000 / 800000

АКСС-400

4000

5300000 / 2900000

3700000 / 2700000

1300000 / 850000


Размерный ряд виброизоляторов АКСС

Виброизоляторы двухпластинчатые наклонные типа ДПН имеют резкое различие жесткости по осям и применяются в «методе наклонных опор». К достоинству относится удобный монтаж и эксплуатация. Недостаток - резина стареет и жесткость увеличивается. Виброизолятор не имеет внутренней страховки от перегрузок и подвеска должна иметь ограничители. Допустимая нагрузка 2 кН и 6,5 кН.

Жёсткость динамическая / статическая виброизоляторов ДПН, Н/м:

Марка

Поперечная

Вертикальная

Продольная

ДПН-2

500000 / 290000

3300000 / 1900000

ДПН-6,5

1070000 / 720000

1010000 / 680000

10300000 / 6900000


Виброизоляторы ДПН

Высокоэффективный виброизолятор АПрС (амортизатор пружинный со страховкой) имеет металлический упругий элемент и умеренное демпфирование. Применяется для легких главных двигателей и дизель генераторов. Имеет страховку от перегрузок. Недостаток - большие габариты. Рабочие частоты выше 10 Гц.

Жёсткость виброизоляторов АПрС, Н/м:

Марка

Вертикальная

Поперечная

Допустимая нагрузка, Н

АПрС-2

141000

216000

2000

АПрС-4

267000

490000

4000


Виброизоляторы АПрС

Высокоэффективный виброизолятор АМН-100 изготовлен из мягкой резины. За счет большой высоты резинового массива жесткости по осям резко отличаются, что позволяет применять «метод наклонных опор». Требует страховочных элементов и точного монтажа на фундаменте.

Жёсткость динамическая / статическая, Н/м

Вертикальная

Продольная

Поперечная

363000 / 245000

54000 / 32000

54000 / 32000


Виброизолятор АМН-100 под нагрузку 1 кН

Виброизолятор типа АКМ-1200 собирается из двенадцати модулей АМН-100 и может применяться для тяжелых двигателей. За счет массивных пластин имеет хорошую звукоизоляцию. Удлиненная конструкция удобна для монтажа в судовых условиях. Рабочая частота выше 15 Гц.

Жёсткость виброизолятора динамическая / статическая, Н/м

Вертикальная

Продольная

Поперечная

4356000 / 2940000

648000 / 348000

648000 / 348000


Виброизолятор АКМ-1200 (12 элементов АМН-100)

Винтовая пружина может использоваться в качестве нестандартного виброизолятора. Требует согласования с Российским Речным Регистром. Применяется при специальном проектировании высокоэффективной виброизоляции. Область рабочих частот от 5 Гц и при проверке на устойчивость может быть снижена до 2 Гц.

 Направление силы

Жёсткость пружины

Вертикальная F1

 ()


Поперечная F2

 ()



2. ТИПЫ ДВИГАТЕЛЕЙ


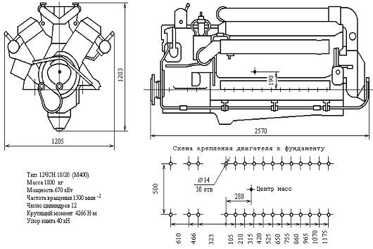
Двигатель 6ЧНСП 15/18

Двигатель 6ЧСП 18/22


Двигатель 8ЧНСП 18/22


Двигатель 6NVD26Аu (6ЧНСП 18/26)


3. ПРОЕКТИРОВАНИЕ ПОДВЕСКИ

3.1 Техническое задание

Спроектировать виброизолирующую подвеску судового двигателя марки 6ЧСП 15/18. Применить виброизоляторы АКСС-400.

Исходные данные для проектирования:

1. Масса двигателя 1760 кг

2. Мощность 160 кВт

4. Число цилиндров 6

5. Диаметр цилиндра D = 0,15 м

6. Радиус кривошипа r = 0,09 м

7. Давление сжатия pc = 3000000 Па

8. Передаточное число редуктора i = 2,08

9. Средний крутящий момент винта 2400 Нм

10.Упор винта 24000 Н

11.Допускаемые статические смещения двигателя не более 5 мм.

Виброизолятор АКСС-400 имеет грузоподъёмность 4000 Н и следующие жёсткости по осям

Жёсткость, Н/м

Вертикальная, Су

Продольная, Сz

Поперечная, Сх

Динамическая

5300000

3700000

1300000

Статическая

2900000

2700000

850000


3.2 Количество виброизоляторов в подвеске

Необходимое количество виброизоляторов определим из условия равномерного распределения веса агрегата между всеми опорами. Из практики проектирования известно, что масса агрегата равна 1,3 от массы двигателя


Принимаем 6 опор, расположенных равномерно по сторонам двигателя двумя рядами.

3.3 Эскиз расположения виброизоляторов

Создаём в программе КОМПАС трёхмерную модель виброизолирующей подвески.

Подвеска судового двигателя 6ЧСП15/18

4 ПОДГОТОВКА ДАННЫХ ДЛЯ КОМПЬЮТЕРНОГО МОДЕЛИРОВАНИЯ

Перед моделированием необходимо приготовить массу и моменты инерции дизеля. Главные центральные моменты инерции вычисляются по формулам

 кг м2

Где  - масса дизеля, кг;

 - длина дизеля, м.

 кг м2

Подготавливаем статические жёсткости для программы st6, в следующем виде:

par cx: 850000cy: 2900000cz: 2700000

Подготавливаем динамические жёсткости для программ din6, в следующем виде:

par cx: 1300000cy: 5300000cz: 3700000

Положение каждого из шести виброизоляторов будем определять по его средней точке. Центр масс агрегата принимаем в середине подвески. Составляем таблицу координат опорных точек по эскизу фундамента.

Таблица 2 - Координаты опорных точек двигателя

1

2

3

4

5

6

i, м0.40.40.4-0.4-0.4-0.4







i, м-0.39-0.39-0.39-0.39-0.39-0.39







i, м1.0120-1.012-1.01201.012








Координаты виброизоляторов для программы расчёта имеют вид:

par x1:0.4x2:0.4x3:0.4x4:-0.4x5:-0.4x6:-0.4y1:-0.39y2:-0.39y3:-0.39y4:-0.39y5:-0.39y6:-0.39z1:1.012z2:0z3:-1.012z4:-1.012z5:0z6:1.012

5. РАБОТА НА КОМПЬЮТЕРЕ

5.1 Расчёт статических смещений


Расчет статических смещений производится для проверки отклонений двигателя от нейтрального положения под действием постоянного опрокидывающего момента, крутящего момента и упора винта. Смещения не должны превышать допускаемых в техническом задании значений (5 мм). Если это условие не выполняется, возникают недопустимые нагрузки в судовых системах связанных с дизелем.

Эти нагрузки разрушают трубопроводы, муфты и другие соединения. По условиям монтажа на резиновые виброизоляторы двигатель после установки выдерживается не менее суток. Это делается для выравнивания нагрузок на виброизоляторы и просадки обусловленной ползучестью резины в начальный период нагрузки. Положение дизеля после выдержки считается нулевым, и в этом положении монтируются все трубопроводы, муфты, валы и система ДАУ.

Расчёт проводим по программе St6 в приложении simnon©. Приложение имеет 16-разрядный код и не работает в системах моложе Windows ХР. Цель расчёта определить смещения контрольных точек и сравнить их с допускаемыми значениями.

Работа начинается с открытия программы SIMNON.ЕХЕ. Экран имеет вид:

S i m n o n TM - Simulation Language for Non-linear systems

(c) Copyright Department of Automatic Control, Lund Institute of Technology, Lund, Sweden 1986, 1988. All Rights Reserved.2.11. Regular.

Вводим имя файла

>syst st6

Вводим в программу упор и момент в ньютонах, и ньютон метрах:

>par a3:24000

>par a6:2400

Вводим массу и главные центральные моменты инерции дизеля

>par m1:1760

>par m2: 1760

>par m3: 1760

>par m4: 1760

>par m6: 176

Вводим указанные ранее координаты виброизоляторов:

>par x1:0.4

>par x2:0.4

>par x3:0.4

>par x4:0.4

>par x5:-0.4

>par x6:-0.4

Сохраняем введённые числа

>save name -par

Здесь слово «name» означает пароль из четырёх символов. После этого можно сделать перерыв, выйти из программы или выключить машину.

Для продолжения работы после выхода из программы набираем

>syst st6

>get name

>par y1: -0.39

>par y2: -0.39

>par y3: -0.39

>par y4: -0.39

>par y5: -0.39

>par y6: -0.39

Сохраняем введённые числа

>save name -par

Продолжаем работу

>par z1: 1.012

>par z2: 0

>par z3: -1.012

>par z4: -1.012

>par z5: 0

>par z6: 1.012

Сохраняем введённые числа

>save name -par

Вводим статические жёсткости опор

>par cx: 850000

>par cy: 2900000

>par cz: 2700000

Наибольшие смещения могут быть у крайних точек крепления №1, №3, №4, №6. Для смещений приняты обозначения из сдвоенной буквы и одной цифры совпадающей с номером опоры. Задаем сохранение смещений указанных точек:

>store xx1 xx3 xx4 xx6 yy1 yy3 yy4 yy6 zz1 zz3 zz4 zz6

В программе происходит внезапное приложение нагрузки, которое вызывает колебания, быстро затухающие вблизи равновесного положения. Это равновесное положение и является предметом исследования в данной программе. Колебания затухают в течение двух - трех секунд. Проводим моделирование этого периода.

>simu 0 3

>disp xx1 xx3 xx4 xx6 yy1 yy3 yy4 yy6 zz1 zz3 zz4 zz6


Наибольшие смещения 1,48 мм возникающие на крайних опорах в продольном направлении z. не превышают допускаемых значений 5 мм.

5.2 Расчёт динамических характеристик


Расчёт динамических характеристик проводим по программе din6. В наименовании программы заложено количество опорных точек. Цель расчета определить резонансные частоты колебаний виброизолированного двигателя относительно неподвижного фундамента.

Работа начинается с открытия программы SIMNON.ЕХЕ. Экран имеет вид:

S i m n o n TM - Simulation Language for Non-linear systems

(c) Copyright Department of Automatic Control, Lund Institute of Technology, Lund, Sweden 1986, 1988. All Rights Reserved.2.11. Regular.


Вводим имя файла

>syst din6

Вводим указанные ранее координаты виброизоляторов:

>par x1:0.4

>par x2:0.4

>par x3:0.4

>par x4:-0.4

>par x5:-0.4

>par x6:-0.4

>par y1: -0.39

>par y2: -0.39

>par y3: -0.39

>par y4: -0.39

>par y5: -0.39

>par y6: -0.39

>par z1: 1.012

>par z2: 0

>par z3: -1.012

>par z4: -1.012

>par z5: 0

>par z6: 1.012

Вводим динамические жёсткости опор

>par cx: 1300000

>par cz: 3700000

Вводим массу и главные центральные моменты инерции дизеля

>par m1: 1760

>par m2: 1760

>par m3: 1760

>par m4: 1760

>par m5: 1760

>par m6: 176

Сохраняем введённые числа

>save name -par

Частоты определяются по графикам амплитудно-частотных характеристик (АЧХ) построенных в диапазоне рабочих частот.

Неравномерный момент на валу двигателя является главным фактором, определяющим вибрацию. Амплитуда момента в дизельном двигателе 6ЧСП15/18 равна

 Нм

После редуктора значение момента равно

Вводим это значение в программу:

>par а6:9919

Момент шестицилиндрового двигателя изменяется с частотой третьего порядка, т. е. эта частота втрое больше частоты вращения мин-1. После редуктора частота момента снижается в передаточное число раз

 мин-1

Угловая скорость колебаний на номинальном режиме вычисляется по формуле

 с-1

Минимально устойчивым оборотам соответствует частота

 с-1

Резервируем память для сохранения АЧХ по шести осям

>store am1 am2 am3 am4 am5 am6

В программе din6 частота меняется по линейной зависимости от времени. Коэффициент пропорциональности для удобства принят равным единице. Например, через 50 с от начала моделирования частота вынуждающей силы равна 50 с-1, поэтому диапазон моделирования совпадает с найденными частотами.

Проведем моделирование в диапазоне нерабочих частот 0 - 75,5 с-1.

>simu 0 75.5

Проведем моделирование в диапазоне рабочих частот 75,5 - 226 с-1 с достигнутыми значениями амплитудных характеристик

>simu 75.5 226-cont

Разбиваем экран на три строки

>split 3 1

Строим АЧХ поступательных координат

>ashow am1

>ashow am2

>ashow am3

виброизолятор двигатель судовой подвеска

Рисунок 4 - АЧХ поступательных координат центра масс дизеля

Строим АЧХ вращательных координат

>ashow am4

>ashow am5

>ashow am6

Рисунок 5 - АЧХ вращательных координат вокруг неподвижных осей в диапазоне рабочих частот

Амплитудно-частотные характеристики показывают зависимость амплитуды колебаний (ордината) в зависимости от частоты вынуждающей силы (абсцисса).

Построенные графики АЧХ обнаруживают две резонансные частоты: 130 и 80 с-1. Обе частоты не являются опасными поскольку колебания невелики.

Список литературы

1. Беляковский Н.Г. Конструктивная амортизация механизмов, приборов и аппаратуры на судах. - Л.: Судостроение, 1965. - 524 с.

2. Бидерман В.Л. Теория механических колебаний: Учебник для вузов. - М.: Высш. школа, 1980. - 408 с., ил.

3. Гаврилов М.Н. Захаров В.К. Защита от шума и вибрации на судах. - М.: Транспорт, 1979.-120 с.

4. Гомзиков Э.А., Изак Г.Д. Проектирование противошумового комплекса судов. -Л.: Судостроение,1981. - 184 с.

5. Лебедев О.Н., Калашников С.А. Судовые энергетические установки и их эксплуатация. - М.: Транспорт, 1987. - 336 с.

6. Вибрации в технике: Справочник. В 6-ти т. /под ред. В.Н. Челомея - М.: Машиностроение, 1984. - т. 1 - 6.

Похожие работы на - Проектирование подвески в программах компас SIMNON

 

Не нашли материал для своей работы?
Поможем написать уникальную работу
Без плагиата!
Без нейросетей!