Организация и подготовка управленческих решений

  • Вид работы:
    Курсовая работа (т)
  • Предмет:
    Менеджмент
  • Язык:
    Русский
    ,
    Формат файла:
    MS Word
    228,5 Кб
  • Опубликовано:
    2013-01-15
Вы можете узнать стоимость помощи в написании студенческой работы.
Помощь в написании работы, которую точно примут!

Организация и подготовка управленческих решений

Федеральное агентство по образованию

Хакасский технический институт - филиал

Красноярского государственного технического университета

Кафедра "Экономика и менеджмент"

Курсовая работа

По дисциплине "Менеджмент"

Тема: "Организация подготовки и реализации управленческих решений"










Абакан, 2011

Содержание

 

Введение

1. Теоретические аспекты процесса принятия и реализации управленческих решений

1.1 Понятие решения. Роль в деятельности менеджера

1.2 Стадии процесса принятия и реализации управленческих решений

1.3 Механизм принятия управленческих решений

2. Анализ подготовки и реализации управленческих решений на предприятии

2.1 Краткая характеристика ООО "ВСК-Меркурий"

2.2 Анализ подготовки и реализации управленческих решений на предприятии

3. Рекомендации по совершенствованию подготовки и реализации управленческих решений на предприятии

Заключение

Список литературы

Приложения

Аннотация

 

В данной курсовой работе приведены результаты деятельности предприятия торговли, в области принятия и реализации управленческих решений. Данный анализ был проведен с целью выявления принципов реализации управленческий решений на современном предприятии.

Время проведения анализа ноябрь - декабрь 2012 г.

Место проведения - предприятие торговли продовольственными товарами.

Курсовая работа состоит из трех частей.

Первая часть курсовой работы является теоретической. В ней рассмотрены аспекты процесса принятия и реализации

управленческих решений, а именно: стадии процесса принятия и реализации управленческих решений, механизм принятия управленческих решений.

Во второй части представлен анализ подготовки и реализации управленческих решений на предприятии торговли. Дана характеристика ООО "ВСК-Меркурий" как субъекта экономической деятельности, проанализированы процессы подготовки и реализации управленческих решений на предприятии.

Третья часть содержит в себе выводы и необходимые рекомендации по совершенствованию подготовки и реализации управленческих решений в ООО "ВСК-Меркурий".

В заключение курсовой работы сделаны основные выводы по результатам проведенного анализа в области менеджмента предприятия, приведены краткие рекомендации, разработанные автором курсовой работы, по оптимизации подготовки и реализации управленческих решений на предприятии.

Введение


Каждый объект управления имеет свою специфику, которая требует адекватной системы управления. Как объект товарно-денежных отношений современная организация обладает экономической самостоятельностью и полностью отвечает за результаты своей хозяйственной деятельности. При этом она должна сформировать такую систему менеджмента, которая была бы эффективной в ее конкурентной борьбе на рынке.

В современных экономических условиях особенно важно принятие правильных управленческих решений, тех, которые могут привести к экономической высоте любое предприятие!

Слишком часто при принятии управленческих решений делаются фатальные ошибки. Именно грамотные управленческие решения помогают любому предприятию адаптироваться во внешней среде .

Таким образом, становится очевидной актуальность выбранной темы курсовой работы "Организация подготовки и реализации управленческих решений".

Данная курсовая работа посвящена анализу реализации и подготовки решений в современном торговом предприятии г. Абакана.

Целью исследования является получение и анализ материалов, полученных в ходе исследования принципов подготовки и реализации управленческих решений а также разработка предложений для их оптимизации.

Для достижения поставленной цели в курсовой работе решались следующие задачи:

.        рассмотреть теоретические аспекты процесса принятия и реализации управленческих решений;

управленческое решение менеджер

2.      описать понятие, стадии процесса принятия и реализации управленческих решений;

3.      рассмотреть механизм принятия управленческих решений;

.        проанализировать этапы подготовки и реализации управленческих решений на предприятии;

.        представить рекомендации по оптимизации процессов, связанных с подготовкой и реализацией управленческих решений.

Объектом курсовой работы является крупное торговое предприятие "ВСК-Меркурий".

Предмет курсовой работы - анализ управленческих решений предприятия. Методологической и теоретической основой анализа являлись переводные труды западных ученых, а также труды ведущих российских ученых в области менеджмента, а также результаты проведенного анализа.

1. Теоретические аспекты процесса принятия и реализации управленческих решений


1.1 Понятие решения. Роль в деятельности менеджера


Развитие любой разумной цивилизации основано на разработке и реализации различного рода решений. Все решения обычно связываются с человеком или организацией. Решения разрабатываются и реализуются людьми с разной степенью профессионализма, поэтому диапазон решений велик - от недостаточно обдуманных до детально рассчитанных.

Решение - это результат мыслительной деятельности человека, приводящий к какому-либо выводу и необходимым действиям. Так, решениями являются какой-либо вывод, сделанный человеком без дальнейших действий, разработка какого-либо действия или выбор действия из набора альтернатив и его реализация. Решение может быть направлено на достижение разовых (единичных) результатов, создание постоянно идущих процессов, поддержание или развитие идущих процессов, на прекращение или недопущение какой-либо деятельности .

Решения бывают разными. И действия при этом - тоже разные. Действия при принятии решений представлены в таблице 1.1.

Таблица 1.1

Действия при принятии решений


Простые решения могут разрабатываться и реализовываться одним и тем же человеком. Более сложные - требуют привлечения группы людей с неизбежным разделением труда. Лица, разрабатывающие решения, называются специалистами. Лица, которые эти решения оценивают, называются экспертами. При разработке сложных решений специалистам помогают консультанты, которые обладают более глубокими знаниями по отдельным вопросам данного решения.

Лица, наделенные правом принимать решения или организовывать их реализацию, называются субъектами решения. Ими могут быть физические лица (отдельные граждане), либо юридические. Исполнители решений иногда называются объектами решения. Данное можно представить следующей схемой - рисунок 1.1.

Рисунок 1.1 Схема элементов, участвующих в принятии решения

На разработку и реализацию решений оказывают влияние множество факторов. В том числе личностные качества человека, отношения в его семье, религия, деньги, собственность, общественное мнение и др.

Каждое профессиональное решение должно включать шесть составляющих: субъекта (инициатора) решения: руководителя, специалиста, отдел, компанию; объекта (исполнителя) решения: подчиненного, специалиста, отдел, компанию; предмет решения; цель разработки решения; причины разработки или реализации решения; персонал или население, для которых разрабатываются или реализуются УР.

Принятие управленческого решения предполагает предварительное осознание средств, моделирование действий и представляет собой процесс, состоящий из отдельных процедур. Некоторые авторы определяют управленческие решения как творческий акт субъекта управления, определяющий программу действий коллектива по эффективному разрешению объективно назревшей проблемы на основе четкого представления законов функционирования управляемой системы и анализа информации по ее состоянию. Под управленческим решением также можно понимать одно из следующих направлений:

.        Продукт управленческого труда в виде реакции организации на некоторую объективную или перспективную проблему.

2.      Выбор какого-либо набора действий из нескольких вариантов.

.        Выбор предварительно осмысленной цели или целевого направления, средств и методов достижения целей организации.

.        Выбор способа действий, обеспечивающего заранее определенный положительный исход той или иной операции.

Помимо субъекта управления у любого решения есть среда, в которой оно принимается. Для принятия любого решения необходима информация. Но субъекты предпринимательства имеют различную предельную способность к получению информации, которая часто определяется высокой стоимостью получения каких-либо данных. Если информация является объективной, и ее можно получить в принципе, то информация о последствиях принимаемых решений по природе субъективна, и получить ее гораздо сложнее.

Поэтому управленческим решениям присущи неопределенность - отсутствие необходимой для принятия максимально эффективного управленческого решения информации, и риск - вероятностная угроза потери части своих ресурсов, недополучения доходов или появления дополнительных расходов в результате принятия управленческих решений .

Любое управленческое решение характеризуется следующими признаками.

возможность выбора из нескольких вариантов, чаще всего альтернативных. В противном случае, при безысходности, когда невыполнение какого-либо действия невозможно, или когда субъект управления никоим образом не может повлиять на ситуацию, отпадает необходимость принимать решение;

наличие предварительно поставленной цели. Только полностью случайные события не имеют целевых предпосылок. По всех остальных случаях ЛПР заведомо представляет себе ожидаемый конечный результат, которого, при этом, не всегда удается достичь.

необходимость воли ЛПР при выборе данного решения. То есть ЛПР должен быть желать данного управленческого решения, даже если оно продиктовано объективной необходимостью, идущей в разрез с его собственным мнением. Иначе, ЛПР просто не примет подобного решения.

Резюмируя, следует заключить, что любое решение, в том числе и управленческое, является неотъемлемой частью действия по достижению заранее поставленных задач и целей. Решение можно рассматривать как способ достижения целей, выбранных волевым действием. Вполне закономерным является понимание решения как некоего процесса, так как оно обычно осуществляется в несколько этапов.

Таким образом, управленческое решение - результат мыслительного волевого действия, предполагающего предварительное осознание целей и средств действия, всех "за" и "против", предшествующий фактическому физическому действию. Поскольку каждое управленческое решение есть результат конкретной управленческой деятельности менеджера, то его смело можно назвать основой всех систем управления.

 

.2 Стадии процесса принятия и реализации управленческих решений


Методология принятия решений

Процессы принятия решений, реализуемые в самых различных областях деятельности, имеют много общего. Общую схему процессов нужно рассматривать не как жесткий алгоритм выработки и принятия управленческого решения, а как логическую и наиболее приемлемую схему действий менеджера в часто встречающихся проблемных ситуациях.

Типовой процесс принятия решений включает: предварительное формулирование проблемы; определение целей решения и выбор соответствующих критериев оптимальности; выявление и установление ограничений; составление списка альтернатив и их предварительный анализ с целью исключения явно неэффективных; сбор управленческой информации и прогнозирование изменений параметров решения в будущем; точное формулирование поставленной задачи; анализ и выбор метода решения задачи и разработку алгоритма решения; разработку модели решения, позволяющую оценивать эффективность каждой альтернативы; оценку альтернатив и выбор наиболее эффективных; принятие решения; доведение решения до исполнителей; выполнение решения и оценку результата.

Рассмотрим основные стадии процесса принятия и реализации УР.

Понятие проблемы.

Наличие проблемы можно представить как критическое рассогласование между желаемым положением и реальным. Существуют два подхода к определению проблемы.

Согласно первому проблемой считается ситуация, когда поставленные цели не достигнуты.

Во втором случае в качестве проблемы рассматривают существующую потенциальную возможность. Осознание проблемы возникает при определенном критическом значении рассогласования между существующим и желаемым значениями эффекта. Это критическое значение определяют для каждой конкретной ситуации, используя типовые представления.

Индикатор проблемы - достижение одним или несколькими параметрами эффекта критического значения. При этом выделяют: осознание проблемы - установление факта ее существования в результате контроля деятельности или исследования рыночных возможностей. Проблема, достигшая определенной остроты, трансформируется в мотив для деятельности организации и ее менеджеров; определение проблемы - ответ на вопросы: что действительно происходит в организации, каковы причины происходящего и что за всем этим стоит. Определение и последующее формулирование проблемы позволяет менеджеру ранжировать ее в ряду других проблем. Кроме того, весьма важно, чтобы все лица, связанные с разработкой управленческого решения, одинаково (однозначно) понимали суть проблемы.

В основу определения приоритета проблемы могут быть положены следующие факторы: последствия возникновения проблемы; воздействие проблемы на организацию; срочность разрешения проблемы и ограничения во времени; мотивированность и наличие соответствующих способностей у участников; возможность решения проблемы без участия менеджмента или в ходе решения других проблем.

Диагностика проблемы. Включает в себя несколько этапов (рисунок 1.2)

Рисунок 1.2 Диагностика проблемы

Выявление и осознание симптомов затруднений или имеющихся возможностей. Симптомы: низкие прибыль, сбыт, производительность и качество, чрезмерные издержки, многочисленные конфликты и большая текучесть кадров.

Установление причин возникновения проблемы. С этой целью необходимо собрать и проанализировать внутреннюю и внешнюю (относительно организации) информацию, для чего могут быть использованы как формальные методы (вне организации - анализ рынка, внутри нее - компьютерный анализ финансовых отчетов, интервьюирование, приглашение консультантов по управлению или опросы работников), так и неформальные (беседы о сложившейся ситуации, личные наблюдения. В результате диагноз проблемы сам по себе часто становится процедурой в несколько шагов с принятием промежуточных решений.

Определение характера проблемы. Это один из важнейших этапов диагностики проблемы, поскольку от этого зависит выбор основных подходов к ее решению.

Проблема носит функциональный характер, если она проявляется и, соответственно, может быть решена на уровне функций организационно-производственной системы, т.е. если ее решение возможно: при переходе на выпуск нового товара или услуги; при изменении рыночного сектора; при изменении положения и характера взаимоотношений с поставщиками, конкурентами, системой распределения; при изменении форм собственности; при изменении отраслевой принадлежности и других изменений, затрагивающих основы производственной системы.

Проблема имеет структурный характер и, соответственно, может быть решена при изменении структуры организационно-производственной системы, если ее решение еще не требует изменения функций, но уже не может быть достигнуто путем изменения числовых значений отдельных параметров. Необходимость в структурных изменениях может возникать: при изменении маркетинговой стратегии; разработке нового товара, схожего с выпускаемым; перехода на новый тип договорных отношений с существующими партнерами (оферта, лизинг, факторинг и т.п.).

Судить о том, носит проблема внешний или внутренний характер, можно по тому, какая комбинация критических рассогласований параметров наблюдается. Если критическое рассогласование наблюдается только для выходных параметров, а входные находятся в норме, то проблема имеет внутренний характер. Если одновременно наблюдается критическое рассогласование как входных, так и выходных параметров, то проблема безусловно имеет внешние причины и возможно наличие внутренних причин.

Необходимо помнить, что, как правило, изменение функций потребует больших ресурсов, чем изменение структуры, а изменение структуры - больших ресурсов, чем изменение параметров.

Весьма важное условие правильного формирования альтернатив решений и выбора наиболее предпочтительной - определение ограничений и формулировка критериев принятия решения .

Ограничения варьируются и зависят от ситуации и конкретных руководителей. Можно выделить следующие общие ограничения: ограничения несоответствия (неадекватность ресурсов); кадровые ограничения (недостаточное число работников, имеющих требуемую квалификацию и опыт); финансовые ограничения (неспособность закупить ресурсы по приемлемым ценам); ограничения научно-технического прогресса (потребность в еще не разработанной технологии); рыночные ограничения (жесткая конкуренция); правовые и морально-этические ограничения (законы и нормы поведения); ограничения полномочий.

Определение альтернатив.

В идеале желательно выявить все возможные варианты решения проблемы, т.е. сформировать "поле альтернатив". С этой целью нередко используют метод морфологического анализа (построение морфологических карт). Углубленный анализ трудных проблем необходим для разработки нескольких действительно различающихся альтернатив.

Оценка альтернатив.

После составления перечня вариантов решения следует переходить к оценке каждой альтернативы. Оценка альтернатив включает определение достоинств и недостатков каждой из них и возможных последствий ее выбора. В силу неизбежности негативных последствий, связанных с любой альтернативой, почти все важные управленческие решения разрабатываются с учетом компромисса.

Для сравнения решений используют критерии принятия решений, установленные на этапе формулировки ограничений и критериев. Некоторые из критериев выбора имеют количественное выражение, другие - качественную характеристику.

Все решения необходимо представлять в сопоставимой форме. Для успешной реализации управленческого решения необходимо также выполнить следующие условия: обеспечить достаточную мотивацию исполнителей; предотвратить возможность возникновения искажений в понимании исполнителями принятого решения и, как следствие, риска ущерба.

Важный момент в оценке решений - определение вероятности осуществления каждого из них в соответствии с намерениями.

Выбор альтернативы.

Если предыдущие этапы разработки управленческих решений выполнены тщательно, альтернативные решения взвешены и оценены, то руководитель выбирает альтернативу с наиболее благоприятными оценками и последствиями. Нередко в случае решения сложных проблем приходится идти на компромиссы.

Реализация решений.

Ценность решения становится очевидной только после его осуществления. Для успешного разрешения проблемы с помощью выбранной альтернативы необходимо в процессе реализации решения эффективно организовать и мотивировать исполнителей.

Обратная связь (контроль выполнения решения).

После того как решение начало действовать, необходимо установить обратную связь для контроля и обеспечения соответствия фактических результатов тем, что планировались в период принятия решения. На этой фазе происходит измерение и оценка последствий решения или сопоставление фактических результатов с теми, которые руководитель надеялся получить. Обратная связь - это поступление информации о том, что происходило до, в процессе и после реализации решения. Она позволяет руководителю скорректировать действия, не допустив значительного ущерба.

В каждой организации практика разработки и принятия управленческих решений имеет свои особенности, обусловленные характером и спецификой деятельности, ее структурой, действующей системой коммуникаций, внутренней культурой. Однако общее, характерное для любого процесса принятия решений, заложено в основу технологии разработки и принятия решений, используемой в любой организации.

Методология разработки и принятия управленческих решений.

Методы, применяемые на этапе диагностики проблемы и формулировки критериев и ограничений.

На этапе диагностики проблемы и формулировки критериев и ограничений применяются: метод ситуационного анализа; метод моделирования.

Метод ситуационного анализа оказывает помощь в проведении анализа ситуации, установлении факторов, оказывающих влияние на развитие ситуации.

Ситуационный анализ-это комплексные технологии подготовки, принятия и реализации управленческого решения, в основе которых лежит анализ отдельно взятой управленческой ситуации.

Ситуация-это сочетание внутренних и внешних факторов, обстоятельств, условий, действующих сил, требующее принятия соответствующих стратегических и тактических решений, определяющих деятельность организации, а также обеспечивающих предупреждение кризисных явлений.

Подготовку к ситуационному анализу начинают с чёткого определения ситуации принятия решения.

Правильно поставленная задача - это половина успеха, поэтому все специалисты, приглашённые к участию в проведении ситуационного анализа, должны понимать цели анализа и стоящие перед ними задачи.

Чтобы обеспечить проведение ситуационного анализа в соответствии с современными технологиями, создаётся специальная аналитическая группа.

Одна из основных задач аналитической группы - определение и постановка задачи ситуационного анализа для специалистов, приглашённых к участию в его проведении. При этом должны быть чётко сформулированы цели анализа ситуации, цели подготовки альтернативных вариантов и выработки рекомендаций для принятия стратегических и тактических управленческих решений.

Определение целей и постановка задачи ситуационного анализа осуществляются аналитической группой совместно с лицом, принимающим решение (ЛПР).

Далее, производится подбор экспертов первого и второго уровней, формирование экспертных комиссий.

Осуществляется подготовка информации о ситуации, внутренних и внешних факторах, смежных проблемах, влияющих на развитие ситуации. Производится содержательное описание ситуации в виде аналитической справки.

Анализ информации. Анализ поступившей информации о ситуации принятия решения начинается с поиска возможных аналогов. Информация об аналогах представлена в виде некоторого числа эталонных ситуаций.

Эталонная ситуация характерна тем, что о ней достаточно много известно, в частности то, какие решения принимались, каковы были результаты и какие решения привели к поставленной цели.

Если ситуация попадает в разряд эталонных, то уже известно как надо действовать. Если ситуация такова, что близких эталонных ситуаций нет, то вся информация вместе с информацией об имевших ранее аналогичных не эталонных ситуациях передаётся аналитиками экспертной группе.

В результате работы подготавливается аналитический обзор для участников коллективной экспертизы по выработке стратегических и тактических решений. Разделы обзора: стратегические и тактические решения, принимаемые раньше в анализируемой ситуации и аналогичные ей; механизмы выполнения соответствующих решений; контроль за исполнением решений; сопровождение хода их реализации; эффективность принятых ранее решений; эффективность их выполнения.

Анализ ситуации. Одна из основных задач этого этапа - проведение анализа ключевых профильных проблем ситуации, включая оценку: слабых и сильных сторон, опасностей и рисков, перспектив развития ситуации в рамках рассматриваемых проблем.

Результат такого анализа - чёткое представление проблем, возникающих в связи со сложившейся ситуацией.

Задача анализа ситуации считается выполненной, если в результате его, ЛПР получает чёткое, достаточно полное представление о ситуации, необходимое для принятия важных управленческих решений.

Завершает этап анализа ситуации оценка устойчивости ситуации к возможным изменениям внешней и внутренней среды, к наиболее вероятным изменениям показателей, характеризующих динамику развития ситуации.

Разработка сценариев возможного развития ситуации. Разработка сценариев начинается с содержательного описания и определения перечня наиболее вероятных сценариев развития ситуации.

Мозговой штурм. Определение перечня наиболее вероятных сценариев развития ситуации формирует основную направленность аналитической работы. Наиболее распространённые формы сценариев предполагают формирование перечня основных факторов, влияющих на развитие ситуации. По полученным результатам проводится экспертиза с целью выявления основных опасностей и рисков, сильных сторон и перспектив развития ситуации. Данный этап завершается оценкой ожидаемой устойчивости ситуации для разработанных альтернативных сценариев её развития.

Оценка ситуации.

После того, как определены наиболее вероятные сценарии возможного развития ситуации, выявлены основные опасности и риски, сильные стороны и перспективы, экспертами даётся оценка с точки зрения возможностей достижения целей. Параллельно с оценкой наиболее вероятных сценариев развития ситуации на этом этапе предполагается генерирование предложений для выработки альтернативных вариантов стратегических и тактических решений в анализируемой ситуации.

Обработка данных и оценка результатов экспертизы. Наиболее важные случаи, когда необходима обработка данных для определения результатов коллективных экспертных оценок: структуризация информации; отбраковка и систематизация информации; формирование оценочной системы; разработка экспертных прогнозов ситуации; разработка альтернативных сценариев развития ситуации; генерирование альтернативных вариантов стратегических и тактических решений; оценка альтернативных вариантов решений.

Подготовка аналитических материалов по результатам ситуационного анализа. Это заключительный этап. В нём подводится итог всей проделанной работы. Основная задача этого этапа заключается в подготовке аналитических материалов, содержащих рекомендации по различным направлениям, а именно: принятию стратегических и тактических решений в анализируемой ситуации; механизмов их выполнения; контролю за исполнением решений; сопровождению хода реализации принимаемых решений; анализу результатов, включающему оценку эффективности принятых решений и их выполнения.

Рассмотрим методы, применяемые на этапе определения альтернатив.

На этом этапе необходимо выявить все возможные варианты решения проблемы, сформировать так называемое "поле альтернатив".

Однако, руководители не располагают достаточными знаниями или временем, чтобы сформулировать и оценить каждую альтернативу, поэтому они, как правило, ограничивают число вариантов сравнения несколькими альтернативами, которые представляются наиболее подходящими. С этой целью применяются генерации альтернатив, рассмотренных ниже.

Метод мозговой атаки при генерации альтернатив.

В основе метода мозговой атаки лежит психологический эффект интеллектуального взрыва. Группе в 5-8 человек предлагается каждому высказать идеи и предложения по решению поставленной задачи. В результате получается N идей. Если группа будет высказываться по поставленной задаче коллективно, то получится N * K идей. Во время сеанса мозговой атаки происходит цепная реакция, при которой одна идея порождает несколько других идей, что приводит к интеллектуальному взрыву.

Метод мозговой атаки.

Предназначен для активизации поиска различных вариантов решений и выбора из них наилучшего. Он широко применяется в управленческой практике с целью получения максимального количества оригинальных идей за короткий промежуток времени - 30-40 минут. При мозговой атаке группа делится на генераторов и критиков. Генераторы высказывают как можно больше идей, а критики эти идеи оценивают. Все высказанные идеи записываются на бумагу или на аудионоситель. Правила проведения мозговой атаки: краткость изложения идеи (менее 1 минуты), отсутствие на 1 этапе критики высказывания предложений, возможность развития идеи, высказанной ранее; возможность записи идей на аудионоситель.

Морфологический анализ.

Данный метод, разработанный в 1942 г. американским астрофизиком Цвики, используется в целях расширения области поиска вариантов решения проблемы. Он предполагает углубленную классификацию объектов и позволяет на основе построения модели (двух - или трехмерной матрицы) получать новые решения, составляя комбинации элементов морфологической модели (матрицы). Основные этапы: определение характеристик объекта или задач:

.        определение разновидностей реализации задач;

2.      формирование морфологической модели в виде матрицы, где по вертикали отражается совокупность всех задач, которые необходимо решить для достижения поставленной цели. По горизонтали для каждой задачи дается вариант (один или несколько) решения;

.        получение комбинаций элементов матрицы, причем каждое новое решение представляет собой сочетание элементов, взятых по одному из каждой строки матрицы;

.        анализ на предмет выявления совместимости элементов друг с другом в полученной комбинации. В случае несовместимости комбинация исключается из рассмотрения

.        Оставшиеся варианты оцениваются, сравниваются по установленным критериям. Выбирается наилучший вариант.

Методы ассоциаций и аналогий.

Эти методы предполагают активизацию ассоциативного мышления человека. К этим методам относится метод фокальных объектов и метод генерирования случайных ассоциаций. Метод фокальных объектов состоит в перенесении признаков случайно выбранных объектов на совершенствуемый объект, который лежит в фокусе переноса. В результате возникает ряд неожиданных вариантов решения.

Метод генерирования случайных ассоциаций.

Метод предполагает наличие двух списков. Список объектов и список признаков. На основании этих списков формируется третий список - список связей объектов и признаков. Используются случайные комбинации объектов и признаков, в результате чего формируются случайные ассоциации.

Метод контрольных вопросов.

Данный метод применяется для психологической активизации творческого процесса. Суть состоит в том, чтобы с помощью наводящих вопросов подвести к решению задачи. Метод может применяться как в индивидуальной работе, так и при коллективном обсуждении проблемы, например при мозговой атаке.

Метод коллективного блокнота.

Метод позволяет сочетать независимое выдвижение идей каждым членом рабочей группы с коллективной их оценкой и процессом выработки решения. Каждый участок получает блокнот, в котором записывает в общих чертах существо проблемы, а также данные, позволяющие ориентироваться в ней. В течении месяца каждый участник записывает в блокнот возникающие идеи, касающиеся рассматриваемой проблемы, оценивает их и определяет, какие из них могут обеспечить наилучшее решение проблемы. Одновременно формулируются наиболее целесообразные направления исследования. Кроме того, фиксируются идеи, не касающиеся данной проблемы, но развитие которых, может оказаться полезным для нахождения окончательного решения.

Метод матриц открытия.

Этот метод получил широкое распространение во Франции. Как и в морфологическом методе синтеза, здесь преследуется цель систематически исследовать все мыслимые варианты, вытекающие из закономерностей строения (морфологии) совершенствуемой системы, выбрать и изучить поле возможных решений. Метод матриц открытия, как правило, не даёт законченных решений и служит для систематизации имеющегося материала и определения отправных пунктов дальнейшего исследования. Получаемые с помощью этого метода комбинации характеристик дают возможность для плодотворных ассоциаций, постановки проблем, которые ранее оставались незамеченными.

Синектика.

Это комплексный метод стимулирования творческой деятельности, использующий приёмы и принципы, как Мозговой атаки, так и метода аналогий и ассоциаций. Слово "Синектика" - неологизм, означающий объединение разнородных элементов. В основе метода лежит поиск нужного решения с помощью преодоления психологической инерции, состоящей в стремлении решить проблему традиционным путём. Синектика позволяет выйти за рамки какого-то конкретного образа мыслей и значительно расширяет диапазон поиска новых идей за счет представления непривычного привычным. Синектика успешно применяется при решении особо сложных проблем, а также для проверки осуществимости различных идей .

Методы, применяемые на этапе оценки альтернатив.

После составления перечня вариантов решения следует переходить к оценке каждой альтернативы. Оценка решений включает определение достоинств, недостатков и возможных последствий каждого из них. Для сравнения решений используют методы: многокритериальной оценки; экспертной оценки.

Эти методы позволяют провести сравнение альтернатив решений по установленным ранее (на этапе формулировки критериев и ограничений) критериям. Для определения возможных последствий принятия каждой из альтернатив широко используются методы: поискового прогнозирования; нормативного прогнозирования.

Организация, лицо, принимающее решение, при принятии решений руководствуются целями, которые они стремятся достигнуть. Каждой цели должен соответствовать критерий, с помощью которого может быть оценена степень достижения цели.

Методы экспертной оценки.

Метод экспертной оценки основывается на экспертом рациональной процедуры интуитивно-логического анализа в сочетании с количественной оценкой и обработкой результатов. Область применения методов экспертных оценок весьма широка. Типовые задачи: составление перечня свершения возможных событий в различных областях деятельности организации за определенный промежуток времени; определение целей и задач управления с упорядочением их по степени важности (ранжирование в дереве целей); определение альтернативных вариантов решения задачи с оценкой их предпочтения; альтернативное распределение ресурсов для решения задачи с оценкой их предпочтительности, и т.д.

Таким образом, следует заключить, что этапы принятия решений, вернее их использование руководителем, являются необходимыми при разработке дальнейших планов развития бизнеса. А методы, которые могут использоваться на различных этапах разработки и принятия управленческих решений, имеют универсальный характер и могут применяться на нескольких этапах процесса принятия решений в зависимости от особенностей каждой конкретной ситуации.

1.3 Механизм принятия управленческих решений


Непосредственно технология менеджмента имеет следующие составляющие:

-       Общее руководство принятием решений.

-       Правила принятия решений.

-       Планы в принятии решений.

-       Принятие двусторонних решений руководителями одного уровня на основе индивидуального взаимодействия.

-       Целевые группы и их роль в принятия решений (групповое взаимодействие на равных уровнях).

-       Матричный тип взаимодействия.

Первые три составляющие обеспечивают вертикальную взаимосвязь между уровнями управления, последние три горизонтальную связь в координации принимаемых решений.

Фирма может использовать как простой, так и сложный механизм взаимодействия в менеджменте, что зависят от сложности принимаемых решений и возможностей их реализации.

Независимо от того, какие используются технологии в принятии решения, элементы самого механизма управления остаются неизменными (рисунок 1.3)

Рисунок 1.3 Элементы механизма управления

Общее руководство принятием решений предполагает, что процесс принятия решений находится в руках одного линейного (общего) руководителя, который подчинен в свою очередь вышестоящему руководителю. Здесь создается иерархия в принятии решений по линейным должностям . Каждый руководитель решает свои проблемы со своим непосредственным руководителем, а не с вышестоящим руководителями, минуя своего непосредственного руководителя. Правила принятия решения, или нормативы, обычно разрабатываются и издаются самими фирмами. В них формулируются действия, необходимые для реализации принятых решений в определенных условиях.

Эти правила имеют целью осуществление координации между различными подразделениями и делятся на оперативные, стратегические, организационные. Общий план управления можно представить рисунком 1.4.

Рисунок 1.4 Общий план функционирования предприятия

Планирование вбирает в себя правила, которые обычно формулируются в среднем управленческом звене в виде различных инструкций.

Стратегические правила, или деловая политика, включают такие виды решений, как определение типа выпускаемых изделий и услуг, вида заказчиков, организации сбытовой сети способов установления цен; условий и гарантий при продаже изделий фирмы и др. Стратегические правила обычно формулируются на высшем уровне управления при участии среднего звена управления и не имеют временных ограничений.

Организационные правила основываются на местном или государственном законодательстве. Они касаются таких вопросов, как определение цели и характера деятельности фирмы, ее отношений с государственными учреждениями, правовой формы и устава фирмы: Эти правила устанавливают владельцев фирмы, их права и ответственность, а также размер дивидендов, оплату высших управляющих и премиальные выплаты, схемы должностных окладов, лимиты капиталовложений, в пределах которых руководители могут распоряжаться финансовыми средствами фирмы.

Планы являются средством координации деятельности различных подразделений при принятии управленческих решений. В планах определяются имеющиеся ресурсы, "необходимые для достижения намеченных целей в рамках конкретного периода.

Планы охватывают деятельность производственных отделений, поэтому принятие управленческих решений осуществляется в рамках своих планов, Преимущество планов перед правилами состоит в том, что они являются более гибкими и их легче приспособить к изменившимся условиям. В американских компаниях планы являются важнейшим инструментом координации деятельности на крупных предприятиях в целях увязки стратегического и оперативного управления.

Обычный годовой плановый цикл в крупных фирмах США начинается с определения высшим руководством ориентиров плана для производственного отделения или стратегического центра хозяйствования, являющегося центром прибыли.

Производственное отделение или СЦХ - это низовой уровень ответственности в фирме за законченный цикл хозяйственной деятельности, т.е. за разработку, производство, сбыт соответствующей продукции и услуг. Плановыми показателями для них являются объем продажи, прибыль, капиталовложения. Каждое производственное отделение или СЦХ после этого готовит детальный годовой план, который содержит прогноз по таким показателям, как объем реализации каждого вида изделия, доходы от новых изделий, издержки производства, прибыль, уровень занятости, капиталовложения.

Вариант плана обсуждается руководителем производственного отделения с вышестоящим руководителем (вице-президентом), после чего по окончательному варианту принимается решение, которое становится обязательным к исполнению. Результаты выполнения плана периодически оцениваются руководителем производственного отделения. По итогам оценки принимаются решения о необходимости внесения корректив в плановые показатели или применения конкретных мер. О любых существенных отклонениях от плана руководство производственного отделения обязано информировать, высшее руководство фирмы, которое может принять собственные решения, обязательные для выполнения.

Очевидно, что при планировании очень важно соблюдать принципы эффективного планирования - таблица 1.2.

Таблица 1.2

Принципы эффективного планирования

№ п/п

Принцип эффективного планирования

Характеристика принципа эффективного планирования

1.

Полнота планирования

при планировании должно учитываться все события и ситуации, которые могут иметь значение развития предприятия

2.

Точность планирования

при составлении планов используются современные методы, средства, тактики и процедуры, обеспечивающие точность прогнозов.

3.

Ясность планирования

цель и меры планирования должны иметь простые и легкие при производстве формулировки, доступные всем членам предприятия.

4.

Непрерывность планирования

планирование не одноразовый акт, а непрерывный процесс

5.

Экономичность планирования

расходы на планирование должны находиться в соразмерном отношении с получаемым от планирования выигрыше


Принятие двусторонних решений руководителями одного уровня на основе индивидуального взаимодействия осуществляется без согласования со своими общими руководителями. Здесь реализуется горизонтальный способ координации в принятии решений в рамках утвержденных правил и планов.

Для целей координации довольно часто выделяются специальные лица в находящихся на одном уровне управленческой структуры производственных отделениях.

Уровни управления схематически можно представить рисунком 1.5

Рисунок 1.5 Уровни управления предприятием

В некоторых фирмах функции координатора выполняет руководитель проекта, отвечающий за осуществление конкретного комплекса работ и получающий полномочия принятия соответствующих решений. Довольно часто в производственных отделениях в качестве координаторов для принятия решений назначаются руководители, отвечающие за выпуск конкретного изделия. Чаще всего это относится к разработке новых изделий или разработке и выпуску изделий, части и компоненты которых изготавливаются в разных производственных отделениях. В таких случаях координатор выполняет функции руководителя, отвечающего за выпуск и имеет право принимать решения по всем основным вопросам .

Координатор-руководитель имеет право обсуждать проекты принимаемых решений с руководителями других производственных отделений и функциональных подразделений, но он не имеет административной власти, какую получают линейные руководители.

Целевые группы действуют на основе группового взаимодействия и принимают решения, касающиеся конкретных вопросов совместной деятельности для достижения установленных целей. Во главе группы, создаваемой иногда в форме комитета или комиссии, назначается руководитель (председатель), который наделяется правом принимать решения без согласования с высшим руководством фирмы или общим руководителем.

В матричных структурах в отличие от двух предыдущих горизонтальных механизмов, руководителю проекта предоставляются линейные права, аналогичные тем, которые даются руководителям функциональных подразделений. Возникает сетевая структура, позволяющая принимать решения во все более усложняющихся условиях, касающихся все более сложных проблем.

Итак, механизм принятия решений - довольно сложный процесс, который подчиняется правила принятия решения, или нормативам, которые обычно разрабатываются и издаются самими фирмами. В них формулируются действия, необходимые для реализации принятых решений в определенных экономических условиях.

2. Анализ подготовки и реализации управленческих решений на предприятии


2.1 Краткая характеристика ООО "ВСК-Меркурий"


ООО "ВСК-Меркурий" является филиалом ООО "Восточно-Сибирская Компания" и осуществляет торгово-закупочную деятельность промышленных товаров и продуктов питания, в частности алкогольную продукцию.

Для выполнения основных видов деятельности предприятие осуществляет следующие функции: реализация товаров оптом и в розницу; выполнение договоров, ведение расчетов с покупателями за отпущенные товары, с поставщиками за полученные материально-технические ресурсы и услуги, необходимые для осуществления производственно-хозяйственной деятельности; обеспечение перевозок товаров собственным транспортом: грузовыми машинами и специально оборудованным автомобильным транспортом для доставки скоропортящихся товаров.

ООО "ВСК-Меркурий" специализируется по продаже алкогольной продукции из магазина-склада. Общая площадь магазина 280 м², торговая площадь - 125,4 м². Данные площади находятся в хозяйственном ведении на основе бессрочного договора. Юридический адрес: Республика Хакасия, Абакан. Адрес: г. Абакан, ул. Торговая, 5.

Ниже приведена структура формирования ресурсов алкогольной продукции для реализации в торговую сеть ВСК с вино - водочного склада предприятия ООО "ВСК-Меркурий" таблице 2.1.

Таблица 2.1

Структура формирования ресурсов алкогольной продукции

 Статьи Баланса

2008 год

2009 год

2010 год

2011 год


Всего алког. прод.

В том числе водка

Всего алког. прод.

В том числе водка

Всего алког. прод.

В том числе водка

Всего алког. прод.

В т. ч. водка

Запасы на нач. периода

11,6

8,0

14,8

14,2

8,0

9,9

5,5

5,2

Поступление

9,1

1,4

30,7

7,1

18,5

5,1

18,4

9,2

Запасы на кон. периода

14,8

14,2

10,3

9,9

5,5

5,2

9,8

7,1

Всего ресурсов для продажи

240

221,2

275,4

250,2

297,8

253

313,8

303,5

Продано, всего

225,2

207

265,1

240,3

292,3

247,8

304,

296,4

Потреблено, всего

618,6

559

777,7

732,4

862

815,8

730,2

687,4


Данные свидетельствуют о том, что наибольшим спросом у населения пользуются водка и ЛВИ, объем продажи, которых в натуральном выражении вырос по сравнению с 2008 годом на 65,9 %, уровень продажи коньячных напитков не изменился, шампанского увеличился на 69,1 %. Реализация вина и коньяка уменьшилась на 80 %.

Организационная структура - один из элементов управления организацией. По сути, структура управления - это организационная форма разделения труда по принятию и реализации управленческих решений. Высшим органом управления предприятия является его директор. Управление ООО "ВСК-Меркурий" имеет следующую организационную структуру - Приложение 1.

К аппарату управления относится директор предприятия и менеджеры по товародвижению. К персоналу торгового зала относятся администраторы, старший кассир и кассиры, менеджеры торгового зала. Администратор магазина осуществляет текущее руководство. К текущему управлению относятся организация завоза и реализация товаров, контроль за работой, оперативное устранение причин, мешающих нормальному ходу торгово-технологического процесса. Экономические показатели за 2010-2011 гг. - таблица 2.2.

Таблица 2.2

Основные экономические показатели за 2010 - 2011 гг.


2010 год

2011 год

Товарооборот (тыс. руб.)

10084,7

11799,1

Валовый доход (т. р.) В % т/об

1874,3 18,59

2273,9 19,27

Издержки обращения (т. р.) В % к т/об

1613,4 16,0

2009,7 17,0

Прибыль (тыс. руб.) В % к т/об

260,9 2,59

267,2 2,26

Прочие доходы (т. р.)

30,2

34,2

Прочие расходы, (т. р.)

20,2

24,8

Балансовая прибыль, (т. р.) В % к т/обороту

270,9 2,69

276,6 2,34


В 2011 г., по сравнению с прошлым годом, товарооборот вырос на 17%, но если учесть, что цены выросли на 14%, то темп роста товарооборота в сопоставимых ценах составил всего 2%. Уровень валового дохода составил 19,27% по отношению к товарообороту, что на 0,68% выше, чем в 2010 г. Это обусловлено, прежде всего, ростом товарооборота. Рентабельность по балансовой прибыли уменьшилась с 2,69 % до 2,34%. На это повлиял как рост уровня издержек обращения, так и увеличение расходов (предприятие в 2009 году уплатило штраф в размере 4 т. р. за нарушение правил торговли).

Финансовые результаты деятельности предприятия характеризуются суммой полученной прибыли и уровнем рентабельности. Прибыль предприятия за предыдущие годы составила 270,9 и 276,6 тыс. руб. соответственно, что характеризует его рентабельность.

Итак, показатели экономической эффективности деятельности торгового предприятия показывают эффективность использования трудовых ресурсов и основных фондов, это следует из того, что на предприятии достаточно низкий уровень внереализационных расходов, тем не менее, поддерживается достаточный уровень выполнения работы, планов и задач. Достижение миссии и целей торгового предприятия ООО "ВСК-Меркурий" обеспечивается адекватной системой менеджмента, которая включает следующие компоненты: механизм управления; процесс управления; структуру управления.

2.2 Анализ подготовки и реализации управленческих решений на предприятии


Проведем анализ подготовки решения на предприятии ООО "ВСК-Меркурий".

Процесс подготовки решений на предприятии состоит из классических пяти основных этапов: постановка проблемы, выявление альтернатив, выбор лучшей альтернативы или альтернатив, внедрение решения в практику, проверка результата.

Постановка проблемы.

Многие плохие решения были вызваны тем, что принявший их человек не понимал существа проблемы. Часто управляющие видят проблемы там, где их, по сути, нет. Есть только их внешние признаки или симптомы.

На предприятии ООО "ВСК-Меркурий" уровень работ всех сотрудников определен должностными инструкциями, внутренними нормативными документами, а также действующим законодательством.

Устные отчеты по результатам деятельности отдельного подразделения предоставляются директору еженедельно на планерке, письменные - один раз в месяц.

Форма отчетности в разрезе подразделений представлена Приложением 2. На данном этапе задача менеджеров в том, что менеджеры среднего звена анализируют и оценивают свой труд и труд менеджеров низшего звена, планируя и систематизируя действия. На основании полученных итоговых результатов, отраженных в отчетах за месяц, формируется общая картина успехов/неудач предприятия, и далее - формирование проблемы. Кроме того, на ежедневных планерках торгового персонала намечаются тенденции трудового дня, рассматриваются и анализируются проблемы, решаемые незамедлительно.

На предприятии существует система взаимодействий основных подразделений, которая выражается потоками (информационными, документальными, финансовыми) - Приложение 3.

Положительные стороны взаимодействия налицо - анализируются действия, в результате которых должны быть достигнуты определенные результаты. Определяется тот уровень выполнения работ, который директор предприятия с достаточным основанием ожидает от своих сотрудников. Устанавливается степень решения каждого аспекта поставленной проблемы.

Однако, существует отрицательная сторона - на предприятии нет глубокого анализа результатов управленческой деятельности руководителя в коллективе, что является следствием применения авторитарного стиля руководства, а ведь только на их основе анализа деятельности можно сделать широкие обобщения, что явится исходным пунктом действий по совершенствованию стиля и методов работы.

Анализ показал, что стиль руководства на предприятии - авторитарный. Поэтому во взаимодействии подразделений отсутствуют оригинальные творческие решения применительно к конкретной ситуации на всех уровнях и ступенях управления.

Выявление альтернатив.

Следующий этап на предприятии состоит в том, чтобы найти возможные альтернативные решения проблемы.

Директором предприятия проводятся еженедельные планерки, на которые он созывает главного бухгалтера, товароведа, дежурного администратора, специалиста по кадрам и раздает им указания.

Иерархия на предприятии очень строгая, каналы сбора информации работают четко и оперативно. Жесткий диктат применяется директором для гарантии оперативности выполнения решений и их надежного контроля.

Крайне редко на предприятии применяется "мозговая атака", в основном, предпринятая самим руководителям, после рассмотрения записок и отчетов. Однако, не смотря на самостоятельность руководителя, зачастую, это рассматривается на ежемесячной планерке, с участием других менеджеров.

При "мозговой атаке" у менеджеров среднего звена возникают предложения, которые рассматриваются коллегиально. Предложения фиксируются в протокол планерки, секретарем которой приглашается секретарь руководителя. Секретарь фиксирует идеи, т.е. те, которые могут рассматриваться до следующей планерки.

Выбор лучшей альтернативы.

В основном, альтернативы выбираются самим руководителем предприятия. Он сам оценивает и выбирает лучшую.

Оценка альтернатив происходит на уровне интуиции руководителя. Однако она (крайне редко) оказывается плохой. Причина - отсутствие других альтернативных решений.

Однако, руководитель "ООО ВСК-Меркурий" считается хорошим руководителем, а хорошие управляющие обладают обычно развитой интуицией и предлагают, как правило, довольно удачные решения.

Вместе с тем, по причине применения авторитарного стиля образуется большая дистанция между руководителем и подчиненным, а также минимальная материальная мотивация сотрудников. Интересы дела ставятся значительно выше интересов людей, в общении преобладают резкость и грубость, критика в адрес руководителя не приемлема, ведь только он знает фактическое состояние дел в коллективе и перспективы дальнейшего развития. Итог далее - все решения принимаются единолично, мнение подчиненных при этом не учитывается. Руководитель соблюдает дистанцию в отношениях с подчиненными и информирует их только о тех фактах, которые они обязательно должны знать для выполнения своих задач.

Внедрение решений.

Эффективность жизнедеятельности торгового предприятия "ВСК-Меркурий" проявляется быстро и позволяет в короткие сроки выполнять достаточно трудные задачи. Как раз это достигается путем жесткого контроля одного лидера - директора предприятия.

Все внедряемые решения описываются в протоколе планерки, там же указываются конкретные сроки исполнения.

Директор ООО "ВСК-Меркурий" считает, что давление с его стороны необходимо для достижения целей организации, а строгость в управлении и частный контроль над сотрудниками неизбежны. Руководитель стремится упростить цели, разбить их на более мелкие, каждому подчиненному поставить отдельную задачу, что позволяет легко контролировать ее исполнение.

Однако, зачастую, на планерках, руководитель предприятия показывает свое нервозное состояние, не сдерживаясь в отношении сотрудников, если это касается плохих результатов деятельности.

По этой причине он портит настроение коллегам, обвиняя того или иного в плохой постановке работы. Сотрудникам кажется, что он ругается по совершенным пустякам, однако, это объясняется его деловыми качествами, и серьезному отношению к работе.

Ведя еженедельную планерку, менеджер высшего звена позволяет себе грубость с сотрудниками, независимо от их возрастных и половых характеристик.

Так, достаточно часто, директор критикует профессионализм заведующего-товароведа в достаточно грубой форме. По причине такого морального состояния задачи решаются практически всегда только на основании волевого решения руководителя.

Подготовка аналитических материалов по результатам ситуационного анализа. Это заключительный этап. В нём подводится итог всей проделанной работы.

Основная задача этого этапа заключается в подготовке аналитических материалов, содержащих рекомендации по основным направлениям; стратегических и тактических решений в анализируемой ситуации; механизмов их выполнения; контролю за исполнением решений; сопровождению хода реализации принимаемых решений; анализу результатов, включающему оценку эффективности принятых решений и их выполнения.

Однако, важным на этапе внедрения руководство считает процедуры, которые обеспечат точность прогнозов. В ходе проектирования работ на предприятии директор нередко предпринимают изменения в отношении характеристик технологии.

В ООО "ВСК-Меркурий" используется в процессе контрольно-кассовая техника, персональные компьютеры (недокомплект), копировально-множительная техника. Однако, отрицателен тот факт, что на предприятии не вменена единая сетевая компьютеризация, что ослабляет текущую работу. Обеспечены техникой только директор, главный бухгалтер и товаровед.

Отрицательным минусом является и то, что нет единой локальной сети, и зачастую, сотрудники используют флэш-памяти для переноса информации. Данные параметры ослабевают последовательность в рабочих операциях, применяемых на предприятии.

Контроль результата.

Авторитаризм руководителя не позволяет снижать расходы на планирование, требуя соразмерности отношений расходов и результатов.

Директор ООО "ВСК-Меркурий" считает, что давление с его стороны необходимо для достижения целей организации, а строгость в управлении и частный контроль над сотрудниками неизбежны.

Руководитель стремится упростить цели, разбить их на более мелкие, каждому подчиненному поставить отдельную задачу, что позволяет легко контролировать ее исполнение.

После внедрения решения в практику результат обязательно проверяется. Если принятое решение неудачно, то после его внедрения к проверке его последствий приступает не только бухгалтер, но и среднее звено менеджеров. Делается это для исправления ситуации. Однако, запасных планов при этом нет.

Итак, очевидно, что решения, принимаемые на предприятии ООО "ВСК-Меркурий" - залог существования коммерческого предприятия. Они являются существенными элементами каждой из пяти функций управления. Руководитель предприятия, так как и его сотрудники, понимают важность принимаемых решений и осознают их значение для развития предприятия.

2.3 Выводы по результатам анализа

Итак, анализ принятия и внедрения решений на предприятии ООО "ВСК-Меркурий" позволил сделать следующие выводы.

Процесс подготовки решений на предприятии состоит из классических пяти основных этапов: постановка проблемы, выявление альтернатив, выбор лучшей альтернативы или альтернатив, внедрение решения в практику, проверка результата.

На предприятии ООО "ВСК-Меркурий" уровень работ всех сотрудников определен должностными инструкциями, внутренними нормативными документами, а также действующим законодательством.

Устные отчеты по результатам деятельности отдельного подразделения предоставляются директору еженедельно на планерке, письменные - один раз в месяц. На предприятии существует система взаимодействий основных подразделений, которая выражается потоками. Положительные стороны взаимодействия налицо - анализируются действия, в результате которых должны быть достигнуты определенные результаты. Определяется тот уровень выполнения работ, который директор предприятия с достаточным основанием ожидает от своих сотрудников. Существует и отрицательная сторона - на предприятии нет глубокого анализа результатов управленческой деятельности руководителя в коллективе, что является следствием применения авторитарного стиля руководства, а ведь только на их основе анализа деятельности можно сделать широкие обобщения, что явится исходным пунктом действий по совершенствованию стиля и методов работы.

Анализ показал, что стиль руководства на предприятии - авторитарный. Поэтому во взаимодействии подразделений отсутствуют оригинальные творческие решения применительно к конкретной ситуации на всех уровнях и ступенях управления.

Директором предприятия проводятся еженедельные планерки, на которые он созывает главного бухгалтера, товароведа, дежурного администратора, специалиста по кадрам и раздает им указания.

Иерархия на предприятии очень строгая, каналы сбора информации работают четко и оперативно. Жесткий диктат применяется директором для гарантии оперативности выполнения решений и их надежного контроля.

Оценка альтернатив происходит на уровне интуиции руководителя. Однако она (крайне редко) оказывается плохой. Причина - отсутствие других альтернативных решений.

Тем не менее, руководитель ООО ВСК-Меркурий" считается хорошим руководителем, а хорошие управляющие обладают обычно развитой интуицией и предлагают, как правило, довольно удачные решения.

Оценка альтернатив происходит на уровне интуиции руководителя. Однако она редко оказывается плохой. Причина - отсутствие других альтернативных решений. Однако, руководитель ООО "ВСК-Меркурий" считается хорошим руководителем, а хорошие управляющие обладают обычно развитой интуицией и предлагают, как правило, довольно удачные решения. Эффективность жизнедеятельности торгового предприятия "ВСК-Меркурий" проявляется быстро и позволяет в короткие сроки выполнять достаточно трудные задачи. Как раз это достигается путем жесткого контроля одного лидера - директора предприятия.

Внедряемые решения описываются в протоколе планерки, там же указываются конкретные сроки исполнения.

Руководитель стремится упростить цели, разбить их на более мелкие, каждому подчиненному поставить отдельную задачу, что позволяет легко контролировать ее исполнение.

Зачастую, на планерках, руководитель предприятия показывает свое нервозное состояние, не сдерживаясь в отношении сотрудников, если это касается плохих результатов деятельности.

Аналитика. Здесь основная задача заключается в подготовке аналитических материалов, содержащих рекомендации по основным направлениям; стратегических и тактических решений в анализируемой ситуации; механизмов их выполнения; контролю за исполнением решений; сопровождению хода реализации принимаемых решений; анализу результатов, включающему оценку эффективности принятых решений и их выполнения.

Отрицательным минусом является и то, что нет единой локальной сети, и зачастую, сотрудники используют флэш-памяти для переноса информации. Данные параметры ослабевают последовательность в рабочих операциях, применяемых на предприятии.

Авторитаризм руководителя не позволяет снижать расходы на планирование, требуя соразмерности отношений расходов и результатов.

Директор ООО "ВСК-Меркурий" считает, что давление с его стороны необходимо для достижения целей организации, а строгость в управлении и частный контроль над сотрудниками неизбежны.

Таким образом, очевидно, что решения принимаются на предприятии ООО "ВСК-Меркурий" практически только одним руководителем. В ООО "ВСК-Меркурий" существует постоянный контроль за сотрудниками всех звеньев, и строгость в управлении по причине авторитарного стиля управления руководителя предприятия, что имеет как положительные, так и отрицательные последствия.

3. Рекомендации по совершенствованию подготовки и реализации управленческих решений на предприятии


Опираясь на результаты анализа совершенствования и реализации управленческих решений на предприятии ООО "ВСК-Меркурий", можно сформулировать следующие предложения по совершенствованию управленческих задач в рамках менеджмента.

В современной экономической среде очень важно обращать внимание на то, КТО принимает решение. Авторитаризм имеет свои ограничения в этой области. И все же необходимо постоянно обращать особое внимание на профессиональную подготовку кадров и деловым качествам специалистов, что будет залогом успешных экономических результатов. Необходимо уже внутри предприятия обучать как продавцов, так и менеджеров среднего звена навыкам ведения деловых переговоров с покупателем и управлению конфликтными ситуациями не только в торговых залах, но и внутри предприятия.

Кроме того, необходимо проводить работу по повышению квалификации персонала, формированию и обучению резерва руководящих кадров и осуществления контроля за профессионально-психологической адаптацией вновь принятых работников. Для этого также необходимо внедрить систему тестирования руководящих должностей по тесту, приведенному в Приложении 4 курсовой работы.

В связи с тем, что на предприятии не вменена единая сетевая компьютеризация, необходимо объединить локальные сети, сделав их доступными для деятельности менеджеров среднего звена. Кладовщик и бухгалтер получат доступ к необходимым данным, что облегчит их деятельность и сэкономит время.

Благодаря этому, специалисты получат доступ к информации о сбыте и количестве продукции, финансовых результатах, что поможет оценить правильность принятых решений.

Особенно важно применить групповой подход, который используется при высокой неопределенности в работе и требует от участников большой степени сотрудничества и взаимодействия при принятии решений и их контролю.

Необходимо разрабатывать мероприятия в области в рамках анализа эффективности деятельности предприятия.

Так, предлагается внедрить процессный подход в этом. Возможно использование диаграмм Исикавы и Парето, для дальнейшего экономического анализа предприятия ООО "ВСК-Меркурий", для выявления причины снижения эффективности работы с помощью методов статистического контроля.

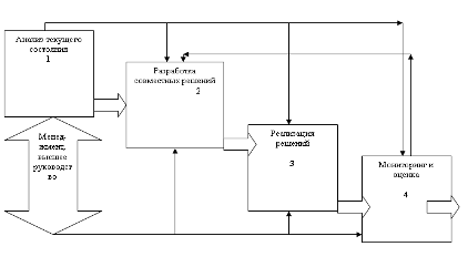
С целью повышения эффективности управления на предприятии, необходимо внедрить процессный подход. В этой связи автором разработана модель процесса управления с сбалансированной системой управления, что позволит осуществлять переход от хаотичного управления к сбалансированной системе групповым поведением, способствовать созданию благоприятного климата в коллективе, формированию сработанности и эффективности принятия решений менеджерами как высшего, так и среднего звена, в том числе за счет наличия обратной связи - рисунок 3.1.

Рисунок 3.1 Модель управления групповым поведением

Целью использования модели будет являться совместное управление на предприятии. Ответственным подразделением за процесс следует назначить кадровую службу предприятия. В модели применяются 4 блока: анализ текущего состояния, разработка программы совершенного управления, реализация программы; мониторинг и оценка, выполнение которых осуществляется именно в этой последовательности, не нарушая признаков доминирования.

В случае, если результаты принятых решений на выходе последнего блока не достигнут поставленных целей, то с помощью обратной связи по входу, существующей в данной модели, информация передается на второй блок, с учетом всех достижений и просчетов. Далее - намечается разработка новой программы по совместному принятию решений на предприятии. Таким образом, в основе разработанной модели лежит один из ключевых признаков - постоянное улучшение в области принятия и реализации управленческих решений.

Анализ аспектов принятия и реализации управленческих решений на предприятии ООО "ВСК-Меркурий", позволили сформулировать основные рекомендательные выводы.

Между правильно принятым решением и его внедрением в деятельность предприятия, с одной стороны, и экономическим результатом предприяти, с другой, существуют причинные отношения. Реализация правильно принятого решения влияет как на качество работы предприятия, его экономические результаты, так и на сотрудников, их моральное состояние. А удовлетворение сотрудников, их мотивация, привлечение к активной деятельности внутри предприятия, напрямую влияют на качество работы. В данном случае, демократический стиль, при его правильном применении, повысит степень удовлетворенности персонала, а большая удовлетворенность будет всегда вести к повышению производительности труда. Ведь демократичный руководитель предпочитает такие механизмы влияния, которые апеллируют к потребностям более высокого уровня: потребности в принадлежности, большей цели, автономии, самовыражении. Следовательно, необходимо внедрить на исследуемом предприятии демократичный стиль управления, который позволит привлекать подчиненных к активному участию в принятии решений и пользоваться широкой свободой в выполнении поставленных задач.

Это будет способствовать принятию правильных управленческих решений, позволит выявить инструментарий повышения эффективности управления на предприятии.

Заключение


Итак, резюмируя анализ принятия решений на предприятии ООО "ВСК-Меркурий", следует заключить, что развитие любой разумной цивилизации основано на разработке и реализации различного рода решений. Все решения обычно связываются с человеком или организацией. Решения разрабатываются и реализуются людьми с разной степенью профессионализма, поэтому диапазон решений велик - от просто обдуманных до детально рассчитанных.

Каждое профессиональное решение должно включать шесть составляющих: субъекта (инициатора) решения: руководителя, специалиста, отдел, компанию; объекта (исполнителя) решения: подчиненного, специалиста, отдел, компанию; предмет решения; цель разработки решения; причины разработки или реализации решения; персонал или население, для которых разрабатываются или реализуются УР.

Процессы принятия решений, реализуемые в самых различных областях деятельности, имеют много общего. Общую схему процессов нужно рассматривать не как жесткий алгоритм выработки и принятия управленческого решения, а как логическую и наиболее приемлемую схему действий менеджера в часто встречающихся проблемных ситуациях.

Фирма может использовать как простой, так и сложный механизм взаимодействия в менеджменте, что зависят от сложности принимаемых решений и возможностей их реализации.

Правила принятия решения, или нормативы, обычно разрабатываются и издаются самими фирмами. В них формулируются действия, необходимые для реализации принятых решений в определенных условиях.

Итак, показатели экономической эффективности деятельности торгового предприятия показывают эффективность использования трудовых ресурсов и основных фондов, это следует из того, что на предприятии достаточно низкий уровень внереализационных расходов, тем не менее, поддерживается достаточный уровень выполнения работы, планов и задач. Достижение миссии и целей торгового предприятия ООО "ВСК-Меркурий" обеспечивается адекватной системой менеджмента, которая включает следующие компоненты: механизм управления; процесс управления; структуру управления.

Итак, очевидно, что решения, принимаемые на предприятии ООО "ВСК-Меркурий" - залог существования коммерческого предприятия. Они являются существенными элементами каждой из пяти функций управления. Руководитель предприятия, так как и его сотрудники, понимают важность принимаемых решений и осознают их значение для развития предприятия. Комплексный анализ деятельности предприятия ООО "ВСК-Меркурий", а также характеристика стиля управления, позволили сделать выводы:

В ходе исследования стиля руководства на предприятии ООО "ВСК-Меркурий" получены следующие основные результаты:

рассмотрены аспекты процесса принятия и реализации управленческих решений;

рассмотрены теоретические аспекты процесса принятия и реализации управленческих решений;

описаны понятие, стадии процесса принятия и реализации управленческих решений;

рассмотрен механизм принятия управленческих решений;

проанализировать этапы подготовки и реализации управленческих решений на предприятии;

сделаны выводы по результатам исследования;

представлены рекомендации по оптимизации процессов, связанных с подготовкой и реализацией управленческих.

На основании анализа аспектов деятельности предприятия в разрезе финансово-экономической и организационной политики, а также стиля управления торгового розничного предприятия ООО "ВСК-Меркурий" можно заключить, что перспективы развития его деятельности обширны.

Однако, данное предприятие может и должно являться лидером среди подобных в регионе, при условии соблюдения принципов разумного управления предприятием и принятия правильных решений в области менеджмента, увеличивая тем самым получение прибыли, выполняя задачи удержания рыночной доли на рынке республики Хакасия.

Список литературы


1. Веснин В.Р. Практический менеджмент персонала: Пособие по кадровой работе. - М.: Наука, 2007. - 532 с.

. Виханский О.С. Стратегическое управление: Учебник. - 2-е изд., перераб. и доп. - М.: Гардарика, 2008. - 296 с.

. Виханский О.С. Менеджмент. - М.: Гардарики, 2004. - 411с.

. Грачев М.В. Суперкадры. - М.: Инфра-М, 2005. - 83с.

. Гришина Н.В. Психология конфликта. - СПб.: Питер, 2003. - 250с.

. Генов Ф. Психология управления. Основные проблемы. - М.: Прогресс, 2007. - 22 с.

7. Гуджоян О.Л. и др. Методы принятия управленческих решений. Учебное пособие. - М.: 2007. - с.102.

8. Емельянов С.М. Практикум по конфликтологии. - СПб.: Питер, 2009. - 384с.

. Кабушкин Н.И. Основы менеджмента: Учебное пособие. - 3-е изд. - Минск: Новое знание, 2003. - 336с.

. Красовский Ю.Д. Организационное поведении. - М.: ЮНИТИ-ДАНА, 2004. - 511 с.

. Коротков Э.М. Исследование систем управления. - М.: ДеКА, 2007. - 90с.

. Кричевский Р.Л. Если Вы - руководитель. Элементы психологии менеджмента в повседневной работе. - 2-е изд., доп. и пререраб. - М.: Дело, 2006. - 384с.

. Максимцов М.М., Игнатьева А.В. и др. Менеджмент, М.: ЮНИТИ, 2008. - 398с.

. Моргунов Е.Б. Управление персоналом: исследование, оценка, обучение. - М.: Управление персоналом, 2005. - 550 с.

. Марков М. Технология и эффективность социального управления. - М.: Юнити, 2006. - 145с.

. Осеев А.А. Социально-психологический портрет руководителя. - РнД.: Михайлова, 2005. - 56с.

17. Тейлор Ф. Принципы научного менеджмента. - М.: Знание. - 2010. - 350 с.

. Файоль.А. Общее и промышленное управление. - М.: Высшая школа. - 2011. - 46 с.

19. Хингуреева И.П., Шабыкова Н.Э., Экономика предприятия: Учебное пособие. - Улан-Удэ, Изд-во ВСГТУ, 2004. - 240 с.

. Черкесов В.В. Основы менеджмента. - Киев: Ваклер, 2008. - 267с.

. Шувалов В.И. Социальная психология управления. - М.: Коммерция, 2009. - 463 с.

. Шипунов В.Г., Кишель Е.Н. Основы управленческой деятельности. - М.: Высшая школа, 2006. - 250с.

. Шекшня С.В. Управление персоналом современной организации. - М.: Интел-Синтез, 2004. - 368 с.

Приложения


Приложение 1

 

Организационная структура предприятия ООО "ВСК-Меркурий"

Приложение 2

 

План/отчет работы подразделений по текущей работе

№ п/п

Структурное подразделение

План работы на (период времени)

Отчет о проделанной работе за (период времени)

1

Главный бухгалтер

-

-

2

Администратор

-

-

3

Менеджер по товародвижения

-

-

4

Заведующий-товаровед

-

-

5

Специалист по кадрам

-

-



Приложение 3

 


Приложение 4

 

Тест " Экспертная оценка эффективности деятельности руководителя"

 
Опросник содержит 30 факторов, оцениваемых по 7-балльной шкале.

Факторы

7 6 5 4 3 2 1

Факторы

1. Наличие стратегического мышления


1. Отсутствие стратегического мышления

2. Наличие управленческих способностей


2. Недостаток управленческих способностей

3. Четкое понимание и принятие организационных целей


3. Недостаточное понимание целей организации

4. Высокий уровень социальной ответственности за решаемые задачи


4. Низкий уровень осознания социальной ответственности за решаемые задачи

5. Умение принимать управленческие решения


5. Неумение принимать управленческие решения

6. Наличие креативности как творческого импульса


б. Отсутствие креативности как творческого импульса

7. Наличие самоконтроля


7. Отсутствие самоконтроля

8. Умение правильно организовать деятельность подчиненных


8. Неумение организовать деятельность подчиненных

9. Стремление к инновациям


9. Отсутствие стремления к инновациям

10. Высокий уровень профессионализма


10. Недостаточно высокий уровень профессионализма

11. Стремление к получению новой информации


11. Отсутствие стремления к получению новой информации

12. Применение эффективных стратегий в решении управленческих задач


12. Применение недостаточно эффективных стратегий в решении управленческих задач

13. Способность идти на риск


13. Неспособность идти на риск

14. Проявление внимания к исполнителям


14. Отсутствие внимания к исполнителям

15. Умение положительно мотивировать работников


15. Неумение положительно мотивировать работников

16. Наличие навыков делового общения


16. Отсутствие навыков делового общения

17. Умение создать нормальный психологический климат в малых группах


17. Неумение создавать нормальный психологический климат в группах

18. Учет мнений исполнителей


18. Невнимание к мнениям исполнителей

19. Умение культурно вести себя


19. Неумение культурно вести себя

20. Умение правильно осуществлять контроль за действиями персонала


20. Неумение правильно осуществлять контроль за действиями персонала

21. Умение влиять на других людей


21. Неумение влиять на других людей

22. Наличие положительных социальных установок


22. Отсутствие достаточного количества положительных социальных установок

23. Правильное отношение к критике в свой адрес


23. Неправильное отношение к критике в свой адрес

24. Стремление к личностному росту


24. Отсутствие стремления заниматься своим личностным ростом

25. Применение эффективных стилей руководства людьми


25. Применение неэффективных стилей руководства людьми

26. Последовательность в достижении целей


26. Непоследовательность в достижении целей

27. Гуманное отношение к работникам


27. Безразличное отношение к работникам

28. Наличие эмпатии


28. Отсутствие эмпатии

29. Умение управлять группой


29. Неумение управлять группой

30. Умение пользоваться авторитетом и властью


30. Отсутствие авторитета и неумение пользоваться властью


Уровни эффективности управленческой деятельности:

-       30-48 баллов - руководитель не соответствует требованиям управленческой деятельности;

-       49-б0 баллов - руководитель имеет мало оснований быть полезным данной организации;

-       61-90 баллов - эффективность работы руководителя слишком мала;

-       91-120 баллов - руководитель недостаточно эффективен:

-       121-150 баллов - эффективность руководителя еще недостаточна:

-       151-179 баллов - есть все возможности повысить свою эффективность;

-       180-210 баллов - эффективный руководитель.

Похожие работы на - Организация и подготовка управленческих решений

 

Не нашли материал для своей работы?
Поможем написать уникальную работу
Без плагиата!
Без нейросетей!