Методы, способы, приемы решения физических задач
МИНИСТЕРСТВО ОБРАЗОВАНИЯ И НАУКИ
РОССИЙСКОЙ ФЕДЕРАЦИИ
Калужский государственный университет
им. К.Э. Циолковского
Курсовая работа.
"Методы, способы, приемы решения
физических задач"
Выполнил: студент-магистрант 1-го года обучения
По направлению: педагогическое образование (физика)
Ильина Е.Е.
Калуга, 2013
Оглавление
Введение
1. Понятие физической задачи и классификация задач
2. Приемы решения физических задач
3. Способы решения физических задач
4. Методы решения физических задач
Координатный метод
Метод решения задач переходом в систему отсчёта, связанную с одним
из движущихся тел
Метод составления системы уравнений
Метод отрицательных масс
Метод индукции
Методы расчёта резисторных схем постоянного тока
Векторный метод решения задач
Метод решения обратной задачи
Метод усложнения - упрощения
Метод дифференцирования и интегрирования
Вариационные принципы механики, метод виртуальных перемещений
Метод зеркальных изображений
Метод экстремума потенциальной энергии
Метод экспоненты
Метод минимума и максимума
Метод софизмов и парадоксов
Заключение
Список литературы
Введение
Решение задач в курсе физике - необходимый элемент учебной
работы. Довольно часто задачи решаются лишь для тренинга, используются для
иллюстрации формулы, правила, закона. Некоторые учителя практически не
используют задачи в своей преподавательской деятельности, а если и используют,
то это в основном задачи для "троечников", с чем я и встретилась на
практике. Поэтому теряется такая важная цель обучения, как развитие творческих
способностей. Все решаемые задачи однообразные в своих решениях, практически
все сводятся к элементарной подстановке данных в ранее выученную формулу. На
практике школьников не знакомят с методами и способами решения физических
задач, даже не всегда показывают алгоритм решения задач. В физике существует
достаточно много оригинальных нестандартных методов решения задач, которые
будут рассмотрены далее. Для развития творческих способностей, физического
мышления важно уметь решать одну и туже задачу несколькими методами, а также
уметь анализировать полученное решение.
Умение решать задачи поможет запомнить, вникнуть в суть
физических законов. Кроме того, при решении нескольких задач одной темы
учащиеся самопроизвольно запоминают формулы, законы, какие-либо определения и
т.п.
Решение задач - одно из важных средств повторения,
закрепления и проверки знаний учащихся.
1. Понятие
физической задачи и классификация задач
Задачей считают проблему и определяют её как некую систему,
связанную с другой системой - человеком (в широком смысле).
Физическая задача - это проблема, решаемая с помощью
логических умозаключений, математических действий на основе законов и методов
физики.
2. Приемы
решения физических задач
Условно структуру деятельности по решению задачи можно
представить следующим образом:
Решение любой задачи, и не только физической, начинается с
анализа условия. Учащийся должен осознать условие, увидеть физическое явление,
о котором идет речь в задаче.
На этапе поиска решения ученик вспоминает физические законы,
определения, описывающие рассматриваемое в задаче физическое явление, строит
его математическую модель.
На этапе решения производятся преобразования записанных
формул, осуществляется намеченный план решения.
Проверка результата - это определение достоверности числового
значения искомой величины или её размерности при отсутствии числовых данных.
Исследование решения - позволяет глубже проанализировать
физическое явление. Никакую задачу нельзя исчерпать до конца, поскольку всегда
остаётся что-то, над чем можно поразмышлять, найти другое решение задачи.
Известно два приема, применяемые при поиске решения задачи -
это аналитический и синтетический приемы.
При использовании аналитического приема, начинают работу с
анализа вопроса задачи и записи формулы, куда входит искомая величина.
"Затем для величин, содержащихся в этой формуле, записывают уравнения,
устанавливающие их связь с величинами, заданными в условии".
физическая задача решение классификация
Если используется синтетический прием, то решение начинается
с установки связей величин, данных в условии, с другими, до тех пор, пока в
уравнение в качестве неизвестной не войдет искомая величина.
Далее рассмотрим решение задач аналитическим и синтетическим
приемом.
Задача: Тело движется равномерно вверх по наклонной
плоскости. Найдите КПД наклонной плоскости, если её длина 1м, высота 0,6м и
коэффициент трения равен 0,1. (рис.1)
Аналитический прием решения задачи:
Записывают формулу КПД: 
=
*100%, где 
- полезная работа по подъему груза, 
- вся совершенная работа.

, где m - масса тела, g - ускорение свободного падения, h - высота
наклонной плоскости.

, где FT - сила тяги, l-длина наклонной плоскости.
Для нахождения силы тяги запишем уравнение движения:
m
+
+=0; 
=mgSin+
Проецируем уравнение на ось Ох
mgSin+
=0; 
mgSin+
Уравнение в проекции на ось Оу
mgCos+N=0; N= mgCos, 
= mgSin+ 
mgCos=mg (Sin+
Cos)

=
=
Выразим Sin и Cos через длину и высоту наклонной
плоскости:
Sin=h/l; Cos=
Подставляя значения величин, получим: 
=88%. Синтетический прием решения задачи: решение
начинается с записи уравнения движения, из которого находится сила тяги:
m
+
+=0
Записав уравнение в проекциях на координатные оси, получим:

= =mg (Sin+
Cos)
Записываем уравнение для совершенной работы:

= mg (Sin+
Cos)
l
Выразим Sin и Cos через длину и высоту наклонной
плоскости:
Sin=h/l; Cos=
Записываем формулу для полезной работы:

,
Выражение для КПД:

=
*100%,

=
=
=
В результате получим тот же ответ.
Представленные выше приемы являются условными. Анализ и синтез
тесно связаны друг с другом, поэтому можно говорить об аналитико-синтетическом
приеме решения задач.
Рис. 1
3. Способы
решения физических задач
При решении физических задач могут быть использованы
арифметический, алгебраический, графический, геометрический способы.
Далее рассмотрим подробнее каждый из способов.
Задача: Какой максимальной массы груз может выдержать в
пресной воде плот, связанный из 25 сосновых бревен? Объем каждого бревна в
среднем 0,8 м3. (рис. 2)
рис.2
Решение начинается с анализа условия, выполнения чертежа к задаче,
записи условия. Изображают силы, действующие на плот, говорят о том, что
грузоподъемность плота равна разности сил, действующих на плот.
Арифметический способ предполагает следующее решение данной
задачи:
1. Каков объем всех бревен плота?
пл=nV; Vпл=0,8м3*25=20м3
2. Чему равна масса плота?
пл=дV; mпл=500кг/м3*20м3=10
000кг
3. Какова сила тяжести, действующая на плот?
Т=mплg; FТ=9,8Н/кг*10000
кг=98 000Н
4. Какова Архимедова сила, действующая на плот?
A=вgV; FA=1000 кг/м3*9,8Н/кг*20м3=196
000Н
5. Каков вес груза, который может выдержать плот?
= FТ - FA; P=196 000Н-98
000Н=98 000Н
6. Какова масса груза?
гр=P/g; m гр=98
000Н/9,8Н/кг=1000кг.
Посмотрим, как это задача решается алгебраическим способом.
Анализируя задачу, записываем:
P= FТ - FA.
Знаем, что
FA=вgV, V=nV1 или FA=вg
nV1;Т=mплg; mпл=дV=д nV1,
то есть FТ=д nV1,g
Окончательно получим:
P=в nV1,g-дg nV1=
g nV1 (в-д)гр=P/g; m гр=
nV1 (д-в) m гр=25*0,8м3*
(1000кг/м3-500кг/м3)
Проиллюстрируем решение задачи геометрическим способом.
Задача: Посередине троса длиной 10 м подвесили фонарь
массой 10 кг. Определить силу натяжения троса, если стрела прогиба троса 0,5м.
(рис.3)
рис.3
Записываем условие задачи, делаем чертеж.
На фонарь действуют сила тяжести 
т=m
и силы натяжения троса 
1, 
2,
равные по модулю Т1=Т2=Т.
Фонарь находится в равновесии, значит, 
т+ 
1+ 
2 =0.
Связываем с фонарём систему координат, обозначаем направления
осей. Запишем условие равновесия фонаря в проекциях на оси:
Т1xCos+Т2xCos=0; 2ТСos=0Tу+Т 1уSin+Т2уSin=0;
- mg+2ТSin=0
Из треугольника ВОС находим: Sin=ОВ/ОС=2h/l (ОСВС)
С учетом этого получают: - mg+2Т=0, откуда Т=
.
Задачу можно решить, пользуясь подобием треугольников ВОС и
MON. Треугольник MON образован половиной силы тяжести,
действующей на фонарь, и силой Р, действующей на трос (равной по модулю Т).
Учитывая, что ON =Fт/2 (половина диагонали
ромба), получают: 2h/l= Fт/2Т. Откуда: Т=
.
Решим следующую задачу графическим способом.
Задача: По
графику (рис.4) опишите движение тела, определите время, проекцию перемещения и
проекцию ускорения на отдельных участках движения тела.
рис.4
При анализе условия, устанавливают, что на графике приведена зависимость
проекции скорости тела от времени. Начальная скорость
=0 (при t=0). Вначале тело движется с ускорением, так как
проекция его скорости возрастает от нуля до 
. Если график - прямая линия, значит движение равноускоренное и
проекция его ускорения 
/t1, а проекция перемещения численно равна площади треугольника OAD.
Проекция перемещения 
. Это формула проекции перемещения для данного вида движения. В
промежуток времени 
проекция скорости 
не менялась, тело двигалось равномерно. Проекция перемещения за
это время численно равно площади прямоугольника ABCD, а проекция перемещения за
время 
- площади трапеции OABC.
Арифметический способ, предполагает решение задачи по действиям,
по вопросам. Сначала записываем формулу, сразу же вычисляют содержащуюся в ней
неизвестную величину. По сравнению с этим способом алгебраический более
экономный, но он требует определенных знаний по математике. При решении
геометрическим способом, школьники должны обладать знаниями в области
геометрии. Объектом исследования в задачах решаемых графическим способом
является график. В одних задачах нужно проанализировать график и условие в
задаче задано графиком. В других задачах график необходимо построить по данным
приведенным в задаче.
4. Методы
решения физических задач
Метод - это способ познания, исследования явлений.
В широком смысле "метод - это способ действия,
осуществление определенно деятельности, достижения какого-либо результата,
решения задачи.
Существует много различных методов решения задач по физики, в
данном параграфе будут рассмотрены некоторые из методов и примеры решения задач
различными способами.
Координатный
метод
С помощью этого метода решаются задачи по механики во
всех её разделах: кинематике, динамике, статике.
Решение задач кинематики координатным методом.
Основной задачей кинематики является составление уравнений
координат тела как функции времени.
В школьном курсе физики это уравнение вида:
Х=Х0+V0хt+ахt2/
2.
где Х0 - начальная координата материальной
точки, V0x - проекция вектора начальной скорости на ось ОХ, аx
- проекция вектора ускорения на ось ОХ.
Проекцией вектора на ось - скалярная величина, равная
произведению модуля вектора на косинус угла, который этот вектор образует с
положительным направлением оси.
В зависимости от угла α проекция вектора может
быть положительной при 0о ≤ α < 90о,
равной нулю при α = 90о,
отрицательной при 90о < α ≤ 180о.
На рис.5 показано определение проекции вектора начальной
скорости Voх на ось ОХ, на рис.6 - проекции вектора ускорения ах.
рис.5
рис.6
V0x = V0 cos α; ax = а cos (180o - α) = - a cos α.
Проекция вектора скорости положительна, а проекция вектора
ускорения - отрицательна. Знак проекции вектора определяется знаком косинуса
угла α. Из
уравнения координат тела как функции времени можно получить уравнение для
проекции на ось Х вектора скорости как функции времени путём его
дифференцирования по времени. Vх=dx/dt=V0х+ ахt.
Наиболее общей задачей на движение тела в поле силы тяжести (гравитационном
поле) является задача о движении тела, брошенного под углом к горизонту.
Задача: Девочка
бросает мяч с балкона, находящегося на высоте h от поверхности земли, под углом
α к
горизонту со скоростью V0. Определить время полета мяча до земли,
дальность полёта (координату Xmax точки падения), наибольшую высоту
полёта мяча над землёй (максимальное значение координаты Уmax мяча)
и скорость мяча в момент его падения на землю. (рис 7)
рис.7
Решение задачи начинается с выбора начала отсчёта, с которым
совмещают начало системы координат ХОУ. Удобно начало отсчета и связанное с ним
начало координат выбрать на поверхности земли под балконом, направив оси Х и У
соответственно горизонтально и вертикально. Отмечаем на оси У начальную
координату мяча У0 = h, направляем вектор начальной скорости V0
под углом α к
горизонту и изображаем траекторию полёта мяча, которая, представляет собой
параболу. Точка пересечения параболы с осью Х определит координату Xmax,
значение которой даст дальность полёта мяча. Наибольшая высота полёта мяча
определится значением координаты Уmax вершины параболы. Для
составления уравнений движения Х=Х (t) и У=У (t) имеет смысл записать
составляющие этих уравнений:
Через время tп (время полёта мяча) координаты мяча примут
значения: Х =Хmax, у = 0. Тогда уравнения примут вид:
Хmax=V0 (cosα) tп; 0=h+ (V0sinα) tп-gtп2/2.
Решая последнее квадратное уравнение, находим время полёта мяча tп.
tп=
[V0sinα+ (V02sin2α+ 2gh) 1/2] /g,
которое имеет только одно значение. Второе - отрицательное
значение tп, которое следует из решения квадратного уравнения, не возможно.
Здесь и далее корень квадратный из числа записывается как это число в степени ½.
Подставив значение tп в уравнение определим дальность
полёта мяча Хmax.
Хmax=V0 (cosα) =V0 (cosα) [V0 sin α + (V02 sin2α + 2gh) 1/2] /g.
В верхней точке траектории мяча высота его полёта максимальна, а
проекция скорости на ось ОУ равна нулю. Для продолжения решения необходимо
перейти к уравнениям проекций скорости V на оси Х и У как функциям времени.
Взяв производные по времени от уравнений движения, получаем:
Vx=V0cosα; Vy=V0sinα-gt.
Первое уравнение показывает, что вдоль оси ОХ мяч летит равномерно
с постоянной скоростью, не зависящей от времени. Движение мяча вдоль оси ОУ
является равнопеременным (при движении до верхней точки полёта -
равнозамедленным, а затем становится равноускоренным). В момент времени tв
(время полёта мяча до верхней точки) проекция скорости Vy становится
равной нулю, а координата У принимает максимальное значение уmax.
=V0sinα-gtв;
уmax=h+ (V0sinα) tв - gtв2/
2.
Определив время tв, tв= (V0sinα) /g, подставляем его значение в уравнение и определяем уmax
- максимальную высоту полёта мяча. уmax=h+ (V02sin2α) /2g.
Для определения скорости мяча в момент падения (время tп)
необходимо определить значения проекций этой скорости Vx и Vy в
этот момент.
Vy =V0sinα-gtп =V0 sinα - g [V0 sin α + (V02 sin2α + 2gh) 1/2] /g
Скорость мяча в момент падения V определится по теореме Пифагора:
= (Vx2+Vy2) 1/2.
Проекция Vy будет отрицательной, но будучи возведённой
в квадрат даст положительное значение. Следует помнить, что вектор скорости в
любой точке направлен по касательной к траектории движения.
Решение задач на движение тела, брошенного вертикально вверх или
вниз, или свободно падающее (здесь угол α = 90о) сводится к составлению
только одного уравнения: У=h+V0t - gt2/2.
Уравнение записано для случая бросания тела вертикально вверх с
высоты h. Ось У направлена вверх, начало координат
совпадает с уровнем земли.
Если тело брошено горизонтально (α = 0о), то уравнения движения
записанные в начале решения принимают вид:
Х=V0t;
У=h-gt2/2.
Если в задаче описывается движение двух тел, то нужно составлять
уравнения движения для каждого тела. Если в какой-то момент времени одно тело
догоняет другое или они встречаются (сталкиваются), то это означает, что в этот
момент времени они приобретают одинаковые координаты Х и У.
Решение задач по динамике.
При решении используются понятия проекций вектора силы и ускорения
на координатную ось. Основное уравнение динамики или второй закон Ньютона,
записанный в форме проекций сил и ускорения на координатную ось ОХ, выглядит
так: ΣFix=max. Умение составлять такие уравнения является основой для решения
динамических задач, в которых, требуется определить ускорение в движении тела
или системы тел и пассивные силы (силы трения, натяжения связывающих тела
нитей, реакций опор).
Задача: Cистема
из двух грузов массами m1 и m2 (рис.8) находится в лифте.
движущемся вверх с ускорением а. Найти силу натяжения Т нити, если коэффициент
трения между грузом m1 и опорой равен μ.
рис.8
Грузы связаны нерастяжимой нитью, поэтому ускорения грузов
относительно стола одинаковы по величине и равны а'. В неподвижной системе
отсчёта ускорение груза m2 направлено по вертикали и равно а2
= а' - а. Ускорение груза m1 имеет две составляющие: вертикальную а1в
= а и горизонтальную а1г = а'.
Запишем второй закон Ньютона для движения каждого из грузов в виде
проекций сил и ускорений на координатные оси:
для первого груза массой m1 ОХ: Т-Fтр=m1a1г;
ОУ:
N-m1g= m1a1в; Fтр=μN
или Т - μN = m1а';
N-m1g=m1a;
для второго груза массой m2 ОУ: m2g - T = m2a2 или
2g-T=m2
(а'-а).
Решая систему, состоящую из двух уравнений, получаем выражение для
силы натяжения нити
Т=m1m2 (g+a) (1+μ) / (m1+m2).
Применение координатного метода к статическим задачам.
Координатный метод широко используется при решении статических
задач. Если тело находится в равновесии под действием сходящейся системы сил,
линии действия которых пересекаются в одной точке, то условие равновесия
записывается в виде следующих соотношений: ΣFix=0 и ΣFiy=0 для плоской системы сходящихся сил,
вектора которых лежат в одной плоскости. Если система сходящихся сил является
пространственной, то к выше приведённым уравнениям добавляется уравнение ΣFiz=0.
Задача: Заряженный
алюминиевый шарик радиуса r, подвешенный
на тонкой нерастяжимой нити, находится между двумя параллельными вертикальными
пластинами, расстояние между которыми d.
Пространство между пластинами заполнено керосином. Каков заряд шарика, если при
подаче на пластины напряжения U угол
отклонения нити равен α? (рис.9)
рис.9
Изобразим шарик в положении равновесия, в котором нить образует
угол α с
вертикалью. Электрическое поле, возникающее между пластинами при подаче на них
напряжения U, считаем однородным. Силовые линии такого
поля параллельны друг другу и направлены перпендикулярно поверхностям пластин
от пластины с большим потенциалом (+) к пластине с меньшим потенциалом (-).
Вектор напряжённости Е параллелен силовым линиям, а его величина определяется
соотношением: Е = U/εd,
где ε -
диэлектрическая проницаемость керосина.
На шарик действуют силы: mg - сила
тяжести, FA-архимедова сила, T-сила натяжения нити и FE - сила, действующая на заряд шарика со стороны электрического
поля (рис.9).
Запишем условия равновесия шарика в виде проекций сил на
координатные оси ОХ: Тsinα-FE =
0;
OY: Tcosα+FA - mg = 0.
Представим эти уравнения в виде:
Т sin
α
= FE;α = mg - FA.
Поделив левые и правые части этих уравнений, получим соотношение
tgα=FE/ (mg-FA).
Из этого уравнения выразим силу FE, FE= (mg-FA) tgα.
По законам электростатики эта сила определяется по формуле:
FE=Eq=Uq/εd,
где q - заряд шарика.
Приравняв правые части последних двух уравнений получим уравнение,
из которого можно найти заряд шарика: Uq/εd= (mg-FA) tgα. Подставим в уравнение выражения для силы
тяжести и силы Архимеда, связав их с плотностями алюминия и керосина,
соответственно:
mg=ρaVg= (4/3) πr3ρag,
FA=ρkVg= (4/3) πr3ρkg.
Получим уравнение:
Uq/εd= (4/3) π r3g (ρa - ρk) tg α,
из которого найдём заряд шарика
q=4πr3gεd (ρa - ρk) tg α / 3U.
Метод решения
задач переходом в систему отсчёта, связанную с одним из движущихся тел
Переход в систему отсчета, связанную с одним из движущихся
тел, заключается в том, что это тело в его системе отсчёта становится
неподвижным, а его скорость и ускорение, направленные противоположно,
передаются второму телу. Пусть в неподвижной системе отсчёта два тела А и В имеют
скорости VA и VB, векторы которых направлены как показано
на рис.10, а.
рис.10
Скорость VBA тела В в системе отсчёта, связанной с
телом А, определится как векторная сумма векторов VB и (-VA),
а скорость тела А в этой системе становится нулевой (рис.10, б).
Задача: Спортсмены бегут колонной длины L со скоростью v. Навстречу бежит тренер
со скоростью u,
причём u
<v (рис.11, а). Каждый спортсмен, поравнявшись с тренером, разворачивается и
начинает бежать назад с той же по модулю скоростью v. Какова будет длина
колонны, когда все спортсмены развернуться.
рис.11
Задачу решаем в системе отсчёта, связанной с тренером. В этой
системе отсчёта тренер неподвижен, а спортсмены при беге навстречу тренеру
имеют скорость равную сумме скоростей (v + u) (рис.11, б), а при беге
от тренера (v-u) (рис.11, в). Время, за
которое все спортсмены, поравнявшись с тренером, повернут назад равно: t = L/ (v + u).
Расстояние, на которое удалится первый, поравнявшийся с
тренером спортсмен, за это время и будет определять новую длину колонны.
Спортсмены бегут от тренера со скоростью (v - u), поэтому первый
спортсмен за время t убежит на расстояние L1, которое определится по формуле:
L1 = (v - u) t = L (v - u) / (v + u).
Это и будет новой длиной колонны, она станет короче.
Задача: Два автомобиля выезжают одновременно из пунктов А
и В, расположенных на расстоянии L друг от друга. Первый автомобиль А едет по
прямой дороге, направленной под углом α к прямой АВ со скоростью
VA, а второй В - по прямой дороге, составляющей с прямой АВ угол β, со скоростью VB (рис.12, а). Определить, каким будет
минимальное расстояние между автомобилями при их движении?
рис.12
Изобразим движение автомобиля В в системе отсчёта, связанной
с автомобилем А (рис.12, б).
В этой системе отсчёта автомобиль А неподвижен, а автомобиль
В движется со скоростью VBA вдоль прямой ВС. Кратчайшее расстояние
от неподвижного в этой системе отсчёта автомобиля А до прямой ВС определится
длиной перпендикуляра АD, которая и даст значение минимального расстояния d
между автомобилями. Это расстояние определится из прямоугольного треугольника
ADB по формуле: d = L sin γ.
Угол γ определяется из
векторного треугольника скоростей использованием теоремы синусов:
VA / sin (β - γ) = VB / sin (α +γ)
VA (sinα cosγ + sinγ cosα) = VB (sinβ cosγ - sinγ cosβ)
Разделив обе части равенства на cosγ, получим
VA (sinα+tgγ cosα) =VB (sinβ - tgγ cosβ).
Отсюда tgγ = (VBsinβ - VAsinα) / (VAcosα+VB cosβ),
γ = arc tg (VB sinβ-VA sinα) / (VA cosα + VB cosβ),
Подставив в выражение для d значение угла γ, получаем значение минимального расстояния между автомобилями
d = L sin arc tg (VB sinβ - VA sinα) / (VA cosα + VB cosβ).
При решении таким методом задач на столкновение тел вектор
скорости VBA должен быть направлен точно на тело А, а угол γ должен быть равен нулю.
Метод
составления системы уравнений
Система
идентичных уравнений.
Метод используется при решении тех задач, в которых
рассматривается одно и то же физическое явление, происходящее при разных
условиях, отражённых в данных задачи. При составлении уравнений необходимо
проанализировать, какие физические величины, описывающие это явление, остаются
одинаковыми.
Задача: Эскалатор (движущаяся лестница) спускает идущего
по нему пассажира за время t1, а движущегося по нему в два раза
быстрее за время t2. За какое время эскалатор спускает стоящего на
нём пассажира?
В этой задаче одинаковыми являются длина эскалатора S и
скорость его движения u. Скорость первого пассажира в неподвижной системе
отсчёта по закону сложения скоростей складывается из скорости пассажира
относительно эскалатора v и скорости самого эскалатора u: v1=v+u, её
также можно определить по определению скорости v1=S/t1.
Тогда для скорости движения первого пассажира получим соотношение: S/t1=v+u.
Аналогично для скорости движения второго пассажира, который
движется относительно эскалатора со скоростью 2v: S/t2=2v+u.
Для третьего пассажира уравнение скорости движения будет
иметь вид: S/t3=u.
В системе трёх уравнений четыре неизвестных: S, v, u и
искомое t3, поэтому необходимо понизить число неизвестных. Для
исключения неизвестной скорости v, вычтем второе уравнение из первого
уравнения, умноженного на 2. В результате чего получим уравнение: S (2/t1-1/t2)
=u.
Далее решаем систему из третьего и последнего уравнений.
Приравняв левые части этих равенств, и сократив на S, получим выражение: 2/t1-1/t2=1/
t3.
Откуда t3= t1t2/ (2t2-t1).
Задача: Посередине откачанной и запаянной с обоих концов
трубки длиной L, расположенной горизонтально, находится столбик ртути длиной h.
Если трубку поставить вертикально, то столбик ртути сместится на расстояние
равное d. До какого давления была откачана трубка? Плотность ртути ρ.
Процесс перевода трубки из горизонтального положения в
вертикальное (рис.13) можно считать изотермическим, и, следовательно, к
состояниям газа в обеих частях трубки применить закон Бойля-Мариотта.
рис.13
Поскольку площадь поперечного сечения трубки остаётся
постоянной, то объёмы частей трубки, занятые газом, пропорциональны их длинам.
Тогда для газа в верхней части трубки закон Бойля-Мариотта запишется так:
Р (L - h) /2 = P1 [ (L - h) /2 + d];
а для газа в нижней части трубки - Р (L - h) /2 = P2
[ (L - h) /2 - d]. Здесь Р1 и Р2 - давления газа в
верхней и нижней частях трубки соответственно, которые связаны между собой
соотношением: Р2-Р1=ρgh.
Решая полученную систему из трех уравнений относительно
давления газа Р в обеих частях трубки при её горизонтальном положении, получаем
Р = ρgh [ (L - h) 2
- 4d2] (L - h) d.
Система уравнений законов сохранения.
При столкновении тел (ударе) всегда выполняется закон
сохранения импульса, вне зависимости от вида удара упругого или неупругого.
Закон сохранения механической энергии выполняется при абсолютно упругом ударе,
при неупругом - часть механической энергии переходит во внутреннюю энергию.
При движении тел по замкнутым криволинейным траекториям
(окружность, эллипс) в отсутствии силы сопротивления выполняются законы
сохранения момента импульса и энергии.
Задача: Два шарика массами m и 3m висят, соприкасаясь, на
длинных нерастяжимых нитях. Шарик меньшей массы вместе с нитью, на которой он
подвешен, отклоняют на угол 90о и шарик отпускают. Определить отношение
импульсов (р1/р2) шариков после столкновения. Удар
считать абсолютно упругим.
Пусть первый шарик массой m в самый последний момент
до удара со вторым шариком массой 3m имеет импульс р.
После удара импульс первого шарика р1 направлен противоположно, потому
что его масса меньше массы второго. Второй шарик имеет импульс р2
(рис.14).
рис.14
Запишем выражение закона сохранения импульсов шариков в
проекциях импульсов на координатную ось 0Х: р=р2-р1.
Это уравнение содержит два неизвестных р1 и р2.
Запишем второе уравнение, в которое входили бы эти же неизвестные. Это
уравнение закона сохранения энергии (в данном случае кинетической энергии),
которая сохраняется, вследствие абсолютно упругого удара: р2/2mр12/
2m+ р22/
6m.
Здесь используется формула, связывающая кинетическую энергию
с импульсом. Приведём систему из двух уравнений к следующему виду:
р + р1 =р2
р2-р12=р22/
3.
После деления второго уравнения системы на первое получим
выражение: р - р1 = р2/3, которое решаем совместно с
уравнением р=р2-р1. Получаем соотношение: р2-р1=р2/3+р1.
Разделив обе части равенства на р2, получим
искомое соотношение импульсов 1 - (р1/р2) = 1/3 + (р1/р2).
Откуда р1/р2 = 1/3.
Задача: Космический корабль обращается вокруг Луны по
круговой орбите, радиус которой равен трём радиусам Луны (R = 3Rл). Какую минимальную
скорость нужно сообщить спускаемому аппарату, чтобы он прилунился на
противоположной стороне Луны? (рис.15)
рис.15
Сначала определим скорость V0 космического корабля при
его движении вокруг Луны по круговой орбите радиуса R, используя второй закон
Ньютона: G Mm/R2 = mV02,где М - масса Луны, m - масса космического корабля, G - гравитационная
постоянная.
Отсюда V0= (GM/R) 1/2= (GM/3Rл) 1/2.
Подставив в формулу значения гравитационной постоянной, массы
и радиуса Луны, взятые из справочника (G = 6,672 10-11 Hм2/кг2,
М = 7,35 1022кг, Rл = 1737 км) получаем значение этой скорости: V0 = 970 м/с.
Чтобы прилуниться в точке В, космический аппарат должен
двигаться по эллиптической орбите (рис.15), а для этого его скорость должна
измениться и стать равной V1. При движении по этой траектории выполняются
законы сохранения момента импульса и энергии:
mV1R=mV2Rл;12/2-GMm/R=mV22/2-GMm/Rл.
Спускаемый аппарат обладает как кинетической энергией,
вследствие движения, так и потенциальной энергией, вследствие гравитационного
взаимодействия с Луной.
Видоизменим полученную систему уравнений, учитывая, что R = 3Rл.
3V1 = V2;12-2GM/3Rл=V22-2GM/Rл.
Решая полученную систему уравнений относительно V1, получаем выражение для
скорости, которая обеспечит начало движения спускаемого аппарата по
эллиптической орбите V1= (GM/6Rл) 1/2.
Подставив в формулу значения гравитационной постоянной, массы
и радиуса Луны получаем значение этой скорости: V1 = 686 м/с.
Сравнение скоростей V0 и V1 показывает, что V1 < V0, следовательно, чтобы
изменить скорость спускаемого аппарата от V0 до V1, ему нужно
сообщить скорость V в направлении, противоположном вектору скорости V0, равную
V = V0 - V1 = 970 - 686 = 284 м/с
Для сообщения этой скорости спускаемому аппарату, его нужно
развернуть двигательной установкой по движению корабля и включить её.
Метод
отрицательных масс
Этот метод используется при решении задач на определение
положения центра масс фигуры, имеющей удалённые из неё участки. В этом случае
массу удалённого участка считают отрицательной, а силу тяжести этого участка (-mg)
направляют вверх. В дальнейшем используют условие равновесия тела, находящегося
под действием системы параллельных сил. Здесь используется понятие момента
силы.
Задача: Определить координату ХС центра масс
однородного цилиндра радиуса R, в котором высверлено сквозное цилиндрическое
отверстие радиуса r, ось которого параллельна оси цилиндра и находится
от неё на расстоянии d.
рис.16
Изобразим поперечное сечение цилиндра с высверленным в нём
цилиндрическим отверстием. Сечение проводим через середину длины цилинра. Центр
масс (точка С) (рис.16) находится на оси Х, проходящей через точки О и О1.
После удаления цилиндрической части радиуса r он смещается вправо от оси
основного цилиндра. На рисунке указываем силы тяжестей сплошного цилиндра Mg и
удалённого цилиндра (-mg). Под действием этих сил цилиндр остаётся в
равновесии, если ось вращения проходит через центр масс. Условие равновесия
тела, имеющего ось вращения заключается в равенстве нулю суммы моментов сил,
приложенных к телу, относительно этой оси.
Условие равновесия будет иметь вид: Mg XC - mg (d
+ XC) = 0.
Массы М и m определим по формулам:
М=ρV=ρπR2L; m=ρ π r2L,
где ρ - плотность материала
цилиндра, L - длина цилиндра.
После подстановки масс в условие равновесия и преобразований
получаем выражение: R2XC-r2 (d-XC)
=0,Откуда получаем значение координаты центра масс ХС: ХС=d
[r2/ (R2+r2)].
Задача: Определить координату центра масс алюминиевого
цилиндра радиуса R, в котором сквозное высверленное цилиндрическое отверстие
радиуса r залито свинцом.
Расстояние между осями алюминиевого цилиндра и заполненного
отверстия d.
рис.17
Поскольку плотность свинца больше плотности алюминия, то
центр масс (точка С) такого цилиндра сместится влево от оси основного цилиндра.
Масса высверленного алюминиевого цилиндра m1 считается
отрицательной, поэтому сила тяжести (-m1g) направлена вверх, а сила
тяжести заполняющего это отверстие свинца m2g направлена, как
обычно, вниз (рис.17).
Массы М, m1 и m2 определим по формулам:
М = ρAlπR2L; m1 = ρAlπr2L; m2=ρPbπr2L.
Уравнение равновесия цилиндра относительно оси, проходящей
через центр масс, будет иметь вид:
m2g (d-XC) - m1g (d-XC) - MgXC =0.
После подстановки значений М, m1 и m2 в
уравнение равновесия и преобразований получим выражение, определяющее
координату центра масс данного цилиндра:
C=dr2 (ρPb-ρAl) / [ρAl (R2-r2)
+ ρPbr 2].
Метод
индукции
Этот метод подобен методу математической индукции, с помощью
которого устанавливается общая зависимость некоторых величин по их частным
зависимостям.
Задача: Гоночный автомобиль ("болид") движется
равноускоренно из состояния покоя. На первых десяти метрах его скорость
возрастает на 10 м/с. Определить возрастание его скорости на тех же десяти
метрах при прохождении от 990-го метра до 1000-го метра пути и сравнить с
возрастанием на первых десяти метрах. Дать объяснение их значительному
расхождению.
При решении задачи используем соотношение между изменением
скорости и пройденным путём: V2-V02=2aS.
Скорость автомобиля после прохождения первого десятиметрового
отрезка (S = 10 м) определится соотношением: V12=V02
+ 2aS =0 +2aS =2aS;
после прохождения второго: V22= V12 + 2aS=2aS+2aS=4aS=2V12;
после прохождения третьего: V32=V22 +2aS=4aS+2aS = 6aS = 3V12;
Следовательно, между обеими частями трех последних равенств
просматривается зависимость вида: Vn2= nV12,откуда
связь между скоростью при прохождении n-го десятиметрового отрезка и первого
выразится соотношением: Vn= (n) 1/2V1.
Используя это соотношение определим скорость после прохождения 99 - го и 100 -
го десятиметровых отрезков, соответственно, V99= (99) 1/2V1,
V100= (100) 1/2V1; тогда возрастание скорости
на десятиметровом отрезке между 990 м и 1000 м пути составит: Δ V (99 - 100) = [ (100) 1/2- (99) 1/2]
V1≈0,5 (м/с).
На первых десяти метрах скорость возросла на 10 м/с, а на
сотом таком отрезке пути всего на 0,5 м/с. Это потому, что при прохождении
сотого отрезка длиной в 10 м скорость автомобиля составляет около 100 м/с (360
км/ч), и "болид" проскакивает эти десять метров за очень малый
промежуток времени, в течение которого и скорость увеличивается незначительно.
Так как при равноускоренном движении ΔV = a Δt, то время проскакивания "болидом" этих десяти метров
составит Δt = ΔV (99 - 100) /a. Ускорение можно
определить как: а = V12/ 2S = 102/ (2.10) = 5
м/с2,тогда Δt = 0,5 м/с / 5 м/с2
= 0,1 с.
Задача: Поршневым вакуумным насосом (рис.22) с рабочей
камерой объёмом ΔV откачивают воздух из
сосуда объёмом V от давления P0 до давления Рn (Pn<
P0). Определить число n ходов поршня, которое должно быть совершено
при этом. Процесс откачки считать изотермическим.
рис.18
Вакуумный насос - это устройство, которое при работе создаёт
в объёме своей рабочей камеры ΔV пониженное давление
(порядка 10 - 3 - 10-4 мм рт. ст.)
Поэтому при подключении насоса к откачиваемому объёму общий
объём становится равным V + ΔV, газ расширяется,
заполняя оба объёма, и понижает своё давление.
Тот газ, который заполняет рабочую камеру насоса, отсекается
насосом и выталкивается в атмосферу. "Пустой" объём рабочей камеры
вновь подключается к откачиваемому объёму.
Происходит очередное расширение газа, приводящее к очередному
понижению давления, и т.д.
Так как процесс считается изотермическим, то, используя закон
Бойля - Мариотта, можно для начального состояния газа в откачиваемом объёме и
состояния газа после первого подключения рабочей камеры насоса записать
уравнение:
Р0V=P1 (V+ΔV),
Р1=Р0V/ (V+ΔV).
Тогда после второго подключения можно записать уравнение: Р1V=P2
(V+ΔV), откуда определим давление в сосуде после второго хода поршня
насоса:
Р2 = Р1V / (V+ΔV) =Р0 [V/ (V+ΔV)] 2.
Аналогично для третьего хода поршня вакуумного насоса: Р2
V = P3 (V + ΔV),
3 = Р2 V / (V+ΔV) =Р0 [V/ (V+ΔV)] 3.
Из анализа уравнений просматривается зависимость, связывающая
давление в сосуде после n-го хода поршня Pn c первоначальным
давлением Р0:
n=Р0 [V/ (V+ΔV)] n.
Для нахождения числа ходов поршня n логарифмируем уравнение:
lg Pn = lg P0+nlg [V/ (V+ΔV)], откуда n = lg (Pn/P0) /lg [V/ (V+ΔV)].
При достижении в откачиваемом объёме давления равного
давлению в рабочей камере насоса (10 - 3 - 10 - 4 мм рт.
ст.) процесс откачки прекращается и насос лишь поддерживает достигнутый вакуум.
Методы
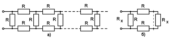
расчёта резисторных схем постоянного тока
Расчёт
эквивалентных сопротивлений линейных бесконечных цепей.
Линейные бесконечные цепи, как правило, симметричны и во
многих случаях содержат одинаковые повторяющиеся элементы, состоящие из
резисторов. Расчёт сводится к определению эквивалентного сопротивления, равного
сопротивлению всей цепи.
Задача: Найдите эквивалентное сопротивление бесконечной
цепи (рис. 19), которая состоит из одинаковых резисторов сопротивлением R каждый.
рис. 19
рис. 20
Для определения эквивалентного сопротивления цепи выделим
общий элемент, который бесконечно повторяется. Очевидно, что если отделить его
от цепи, то общее сопротивление цепи не изменится, т.к. число таких элементов
бесконечно. Выделив повторяющийся элемент цепи и заменив сопротивление
остальной цепи искомым сопротивлением RX, получим эквивалентную
схему (рис. 20), сопротивление которой определим по формуле
RX = 2R + RRX/ (R + RX), или RX2 - 2RRX - 2R2 = 0.
Решив это квадратное уравнение, получаем значение эквивалентного
сопротивления
RX = R (1 + 31/2).
Задача: Найдите эквивалентное сопротивление бесконечной
цепи (рис.21, а), которая состоит из одинаковых резисторов сопротивлением R каждый.
рис.21
Применим такой же приём, но с другим повторяющимся элементом
цепи (рис.21, б).
RX = (2R+RX) R/ [ (2R+RX) +R] = (2R+RX) R/ (3R + RX)
или RX2+2RRX-2R2=0.
Решив это квадратное уравнение, получим значение эквивалентного
сопротивления данной бесконечной цепи: RX=R (31/2-1).
Шаговый
(рекуррентный) метод расчёта эквивалентного сопротивления электрической цепи.
Данный метод удобен в том случае, когда схема представляет
собой некоторое число повторяющихся структурных элементов. Этот метод основан
на том, что результат первого действия (шага) используется во втором, второй -
в третьем и т.д. Число шагов зависит от числа повторяющихся структурных
элементов.
Задача: Найти сопротивление цепи, изображённой на рис.22.
рис.22
Для решения задачи изобразим схему цепи в более удобном для
расчётов и наглядном виде (рис.23а). Теперь видно, что цепь представляет собой
три вложенных друг в друга групп резисторов, соединённых параллельно. Начинают пошаговое
определение эквивалентных сопротивлений с самых внутренних элементов. Заменим
резисторы R4, R5, R6 резистором R’, величину которого определим по формуле: R’=R4+R5R6 / (R5 + R6)
рис.23
В результате замены получим новую схему цепи (рис.23, б).
Аналогично рассчитываем эквивалентное сопротивление резисторов R2, R3 и R’:
R’’=R2+R’R3/ (R’+R3).
В итоге получаем простую схему (рис.23, в), позволяющую
определить сопротивление всей цепи Rобщ=R’’R1/ (R’’+ R1).
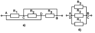
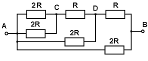
Задача: Найти сопротивление цепи АВ, изображённой на
рис.24
рис.24
Расчёт эквивалентного сопротивления цепи АВ начинаем слева.
Эквивалентное сопротивление участка цепи АС равно R, т.к. здесь включены
параллельно два одинаковых сопротивления 2R. Участок АС соединён
последовательно с сопротивлением R. Сопротивление верхней ветви участка АD равно 2R. Т.к. эта ветвь
параллельна сопротивлению 2R, то общее сопротивление участка цепи АD равно R. Участок цепи AD соединён последовательно
с участком DB, сопротивление которого равно R, поэтому эквивалентное
сопротивление верхней ветви цепи АВ равно 2R. Поскольку это
сопротивление параллельно сопротивлению 2R нижней ветви цепи АВ, то
общее сопротивление цепи АВ равно R.
Метод
объединения равнопотенциальных узлов.
Этот метод позволяет упрощать схемы электрических цепей путём
объединения узлов, имеющих равные потенциалы в один узел.
Задача: Найти сопротивление цепи АВ, изображённой на
рис.25, а.
рис.25
Так как сопротивление подводящих проводов считается равным
нулю, то точки А и D, соединённые проводником имеют одинаковый потенциал, то же можно
сказать и о потенциалах точек В и С. Объединив точки А и D в один узел и, сделав то
же самое с точками В и С, получим простую схему из трёх параллельно соединённых
резисторов (рис.25, б). общее сопротивление цепи определим по формуле: 1/Rобщ=1/R1+1/R2+1/R3,откуда Rобщ=R1R2R3/ (R1R2+R2R3+ R1R3).
Задача: Найти сопротивление цепи, изображённой на рис.26,
а, если сопротивления всех резисторов одинаковы и равны R.
рис.26
Потенциалы точек 1 и 3 одинаковы, поэтому их можно объединить
в одну, то же самое можно сделать с точками 2 и 5, 4 и 6. В результате
получится видоизменённая упрощённая схема (рис.26, б).
Резисторы R12 и R23 соединены параллельно, следовательно, их общее
сопротивление равно R/2. Точно также общее сопротивление резисторов R45 и R56 равно R/2. Общее сопротивление
части цепи параллельной R34 равно R/2 + R/2 = R, поэтому сопротивление всей цепи будет равно R/2.
4.6.4
Метод разделения узлов.
Метод разделения узлов схемы основан на том, что, если
возможно объединение двух узлов, имеющих равные потенциалы, то возможен и
обратный переход: узел схемы можно разделить на две или несколько точек, если
получившиеся при этом точки имеют прежние одинаковые потенциалы.
Задача: Найти сопротивление цепи, которая представляет
собой каркас из одинаковых отрезков проволоки (рис.27) сопротивлением R каждый.
рис.27
Разделим узел О на две точки, получив два варианта
электрической цепи (рис.28, а) и (рис.28, б). В первом случае потенциалы точек
О’ и О’’ не равны., Если потенциал точки А больше
потенциала точки В, то потенциал точки О’ больше потенциала точки О’’
и наоборот. Потенциалы же точек О1 и О2 равны, так как
находятся в одинаковых условиях (полностью симметричны). Отсюда следует, что
верным является разделение узла О, показанное на рис.28, б. Эквивалентная схема
цепи, полученная после разделения узла О, изображена на рис.28, в. Отсюда общее
сопротивление цепи между точками А и В равно 3R/2.
рис.28
Задача: Найти сопротивление цепи, которая представляет
собой каркас из одинаковых отрезков проволоки (рис.29, а) сопротивлением R каждый.
Единственно верным способом разделения узла О на отдельные
точки О1, О2 и О3 является способ,
изображённый на рис.29, б. Эквивалентное сопротивление участков (cd) и (ef) будет равноRcd=Ref=2RR/ (2R+ R) =2R/3.
рис.29
Эквивалентное сопротивление участка АО1В равно 2R. Эквивалентная схема
цепи, полученная после разделения узла О, изображена на рис.29, в. Общее
сопротивление цепи определим по формуле:
/Rобщ=3/8R+3/8R+1/2R=5/4R, откуда Rобщ = 4R/5.
Метод
преобразования и расчёта цепей с помощью перехода "звезда" -
"треугольник".
Этот метод основан на том, что схему, имеющую три узла, можно
заменить другой, с тем же числом узлов. При этом сопротивление участка между
двумя любыми узлами новой схемы должно быть равно сопротивлению заменяемого
участка. В результате получается схема, сопротивление которой эквивалентно
сопротивлению данной по условию. Поскольку в результате такого преобразования
изменяются токи внутри цепи, то такую замену проводят в тех случаях, когда не
нужно находить распределение токов.
рис.30
Рассмотрим преобразование схем, имеющих три вывода
(трёхполюсников).
Это преобразование называется преобразованием
"звезды" (рис.30, а) в "треугольник" (рис.30, б), и
наоборот.
В "звезде" сопротивление между точками 1 и 2 равно r1 + r2, в
"треугольнике" R12 (R13 + R23) / (R12 + R13 + R23). Следовательно, для того чтобы сопротивления
между точками 1 и 2 были одинаковы для обеих схем, необходимо выполнение
равенства:
r1+r2=R12 (R13+R23) / (R12+ R13 + R23).
Аналогично для точек 1 и 3 и для точек 2 и 3:
r1+r3=R13 (R12+R23) / (R12+ R13 + R23).
r2+r3=R23 (R12+R13) / (R12+ R13 + R23).
Сложив левые и правые части этих уравнений и разделив
полученные суммы на 2, получим:
r1+r2+r3= (R12R13 +R12 R23 + R13 R23) /) / (R12 + R13 + R23).
После преобразований получим:
r1=R12R13/ (R12+R13+R23);
r2=R12R23/ (R12+R13+R23);
r3=R13R23/ (R12+R13+R23).
Аналогично получаются формулы для обратного преобразования:
R12= (r1r2+r1r3+r2r3) / r3;
R13= (r1r2+r1r3+r2r3) / r2;
R23= (r1r2+r1r3+r2r3) / r1.
Задача: Определите сопротивление цепи АВ (рис.31. а),
если R1=R5= 1 Oм; R2=R6=2Oм; R3=R7=3 Oм; R4=R8 =4 Oм.
рис.31
Преобразуем "треугольники" R1 R2 R8 R4 R5 R6 в эквивалентные
"звёзды", тогда схема примет вид, изображённый на рис.35, б.
Сопротивления r1, r2, r3, … r6 рассчитаем по формулам: r1 = R1 R8/ (R1 + R2 + R8) = 4/7 Ом;
r2 = R1 R2/ (R1 + R2 + R8) = 2/7 Ом; r3 = R2 R8/ (R1 + R2 + R8) = 8/7 Ом;
r4=R4R6/ (R4+R5+R6) =8/7Ом; r5 = R5 R6/ (R4 + R5 + R6) = 2/7 Ом;
r6 = R4 R5/ (R4 + R5 + R6) = 4/7 Ом;
Схема, изображённая на рис.31, в является эквивалентной схеме
на рис.31, б. Здесь R’3 = r2 + R3 + r4 = 31/7 Ом; R’7 = r3 + R7 + r5 = 31/7 Ом, R’3 = R’7. Общее
сопротивление цепи
Rобщ = r1 + R’3/2 + r6 = 47/14 Ом.
Задача: Определить общее сопротивление неуравновешенного
моста (рис.32, а), если R1 = 1,0 Oм; R2 = 1,6 Oм; R3 = 2,0 Oм; R4 = 1,2 Oм; R5 = 2,0 Oм.
рис.32
Если преобразовать "треугольник" из резисторов R1, R3, R5 в эквивалентную
"звезду", то получится простая схема (рис.32, б). Рассчитаем
сопротивления r1, r2 и r3 по формулам:
r1 = R1R3/ (R1 + R3 + R5) = 0,4 Ом; r2 = R1R5/ (R1 + R3 + R5) = 0,4 Ом; r3 = R3R5/ (R1 + R3 + R5) = 0,8 Ом;
Общее сопротивление цепи
Rобщ = r1 + (r2 + R2) (r3 +R4) / (r2 + R2 + r3 + R4) = 1,4 Ом.
Векторный
метод решения задач
Этот метод используется в случае, если при сложении векторов
получается замкнутый треугольник. Это может быть треугольник скоростей, сил,
импульсов, напряжённостей электрических и индукций магнитных полей.
Задача: Мальчик и девочка решили попасть из пункта А в
пункт В, расположенные на противоположных берегах реки, скорость течения
которой u.
Мальчик плывёт так, чтобы сразу оказаться в пункте В. Девочка направляет
скорость своего плавания поперёк скорости течения реки и, чтобы попасть в пункт
В, должна пройти по противоположному берегу то расстояние, на которое её снесёт
течением. С какой скоростью должна перемещаться девочка по берегу, чтобы
оказаться в пункте В одновременно с мальчиком? Скорости и мальчика, и девочки
относительно воды одинаковы и равны V.
При решении используем закон сложения скоростей, согласно
которому скорость тела относительно неподвижной системы отсчёта равна сумме
скорости относительно подвижной системы и скорости самой подвижной системы. На
рис.33, а показана скорость мальчика V1 относительно берегов, которая получается путём
сложения скорости мальчика относительно воды V и скорости течения реки u. Модуль скорости V1 определим по теореме
Пифагора: V1= (V2 - u2) 1/2.
Время, за которое мальчик сумеет переплыть реку по прямой АВ,
определим по формуле: t1 = L/V1, L - ширина реки.
На рис.33, б показана скорость девочки V2 относительно берегов
реки, которая также равна сумме векторов скоростей девочки относительно воды V и течения реки u. Однако по модулю она
равна V2= (V2+u2) 1/2.
рис.33
Время, которое потребуется девочке, чтобы переплыть реку по
прямой АС равно:
t2=L/V,
т.к. вдоль прямой АВ она плывёт со скоростью V. Поскольку V > V1, то t2 < t1 на величину
Δt = t1 - t2 = L (1/V1 - 1/V).
Девочка приплывает в пункт С и, чтобы попасть в пункт В
вместе с мальчиком ей требуется перемещаться по прямой ВС со скоростью V ‘ = S/ Δt, где S - длина прямой ВС, представляющая собой расстояние, на которое
сносит девочку течение реки. Из подобия векторного треугольника и треугольника
АВС (рис.33, б) составим пропорцию S/L = u/V, откуда найдём S:
S = Lu/V.
Скорость перемещения девочки по прямой ВС будет равна: V ‘= S/Δt= Lu/VΔt или после подстановки
значения Δt и V1:
V ‘=u/V (1/V1-1/V) =u/V [1/
(V2 - u2) 1/2 - 1/V].
Задача: (стр.17) можно решить не только координатным
методом, но и векторным.
На шарик действуют силы: mg - сила тяжести, FA - архимедова сила, T - сила натяжения нити и FE - сила, действующая на
заряд шарика со стороны электрического поля (рис.9).
рис.34
Произведя сложение векторов этих сил, получим векторный
треугольник со сторонами (mg - FA), FE и Т.
По условию равновесия сумма векторов сил должна быть равна
нулю, поэтому конец вектора Т должен совпасть с началом вектора mg (рис.34). Так как сила
натяжения направлена вдоль нити, а сила тяжести вертикально вниз, то между ними
будет угол α. Угол между векторами mg и FE прямой. Отношение
противолежащего катета к прилежащему для угла α равно тангенсу этого
угла: tgα=FE/ (mg-FA).
Метод решения
обратной задачи
Многие физические явления, изучаемые в школьном курсе физики,
рассматриваются в идеальных условиях.
При рассмотрении механических явлений часто пренебрегают
сопротивлением среды, трением, рассеянием энергии, поэтому такие явления носят обратимый
характер. Для таких случаев направление прямого процесса можно заменить
обратным процессом.
Задача:
С какого расстояния S от центра полусферы радиуса R =1,35 м, с какой
скоростью и под каким углом β нужно бросить маленькую
шайбу (из положения 1), чтобы она, попав на полусферу, остановилась на её
вершине (положение 2) (рис.35, а)? Трением шайбы о полусферу и сопротивлением
воздуха пренебречь. Ускорение свободного падения считать равным 10 м/с2.
рис.35
Сформулируем обратную задачу: на каком расстоянии S от центра полусферы, с
какой скоростью V и под каким углом β упадёт шайба,
скатывающаяся с вершины полусферы радиуса R (рис.35, б)? Трением
шайбы о поверхность полусферы и сопротивлением воздуха пренебречь.
Определим, с какой скоростью V0, под каким углом α к горизонту и с какой высоты от уровня основания полусферы (R cosα) отрывается шайба от поверхности полусферы. Точка отрыва лежит
ниже вершины на расстоянии равном h, поэтому скорость шайбы в момент отрыва
определится по формуле: V0 = (2gh) 1/2.
В момент отрыва шайбы от поверхности сферы сила реакции опоры
становится равной нулю, сила трения равна нулю по условию, поэтому единственной
силой, действующей на шайбу в этот момент, является сила тяжести. Точка отрыва
шайбы является точкой перехода её траектории с дуги окружности радиуса R на параболическую
кривую. Составляющая силы тяжести, действующая вдоль радиуса, является силой,
сообщающей шайбе центростремительное ускорение, поэтому скорость шайбы в момент
отрыва можно определить по второму закону Ньютона: mg cos α = m V02/R,
откуда
V0 = (gR cosα) 1/2.
Так как h=R (1-cosα) (рис.35, б), то: V0= [2gR (1 - cosα)] 1/2.
Приравняв правые части равенств определим косинус угла α, под которым направлен вектор V0: cosα=2/3.
Подставив значение cos α в одно из уравнений или, получаем значение скорости в момент
отрыва шайбы: V0= (2gR/3) 1/2= (2.10.1,35: 3) 1/2
= 3 м/с.
Запишем уравнения движения шайбы после её отрыва в координатной
форме, направив оси координат Х и У так, как показано на рис.35, б:
Х=Voxt= (Vocosα) t; Y=Voyt+gt2/2= (Vosinα) t+gt2/2
При t = tп - времени полёта шайбы до точки падения, X = Xmax, a
Y = R cos α = 1,35.2/3 = 0,9 м.
Определим sin α= (1-cos2α) 1/2 = (1-4/9) 1/2 = 51/2/3.
После подстановки tп в уравнение оно примет вид:
,9=51/2tп+5tп2,откуда tп = (51/2 + 231/2) /10 = 0,7
с.
Подставив значение tп в определим Xmax = (Vo cosα) tп =3.2/3.0,7 = 1,4 м.
Точка падения шайбы лежит от центра полусферы на расстоянии
S = Xmax + R sin α = 1,4 + 1,35.51/2/3 = 2,41 м.
Точка падения шайбы будет той точкой, откуда нужно бросить
шайбу, чтобы она остановилась на вершине полусферы. Теперь определим скорость,
с которой нужно бросить шайбу. Она будет равна скорости V, с которой шайба падает
на горизонтальную поверхность: V= (Vox2+Vy2) 1/2.
Vox = Vo cosα = 3.2/3 = 2 м; Vy = Vo sin α + gtп = 3.51/2/3 + 10.0,7 =
9,24 м/с,
подставив эти значения, получим значение скорости
V= (22+9,242) 1/2=9,45 м/с.
Определим угол, под которым нужно направить вектор скорости V при бросании шайбы. Он
будет равен углу β, под которым шайба падает
на горизонтальную поверхность. tg β = Vy / Vox = 9,24/ 2 = 4,62; β = 77,8o.
Таким образом, чтобы шайба, будучи брошенной, остановилась на
вершине полусферы радиуса 1,35 м. её нужно бросить с расстояния 2,41 м от
центра полусферы, со скоростью 9,45 м/с под углом 77,8о к
горизонтальной поверхности, на которой расположена полусфера.
Метод
усложнения - упрощения
Метод усложнения - упрощения - это своеобразное использование
анализа и синтеза. Метод связан с введением новых элементов, которые на первый
взгляд усложняют задачу, но в результате дают эффективное решение. В некоторых
задачах удобно разбить систему на составные части, или же наоборот достроить
её, упрощая тем самым ход решения.
Задача: доска массой m и
длиной l лежит на горизонтальном полу. Коэффициент
трения доски о пол равен k. Какую работу
надо совершить, что бы повернуть доску в горизонтальной плоскости на малый угол

вокруг одного из концов? (рис.36)
рис.36
-й способ. Рассмотрим элемент доски dx массой dm=
, который при повороте на 
проходит расстояние x
. При этом
совершается работа dA=kg
x
или A=l
=
, 2-й способ. A=
=
Результат получен после поворота и второго конца на угол 
. Искомая работа равна половине работы по перемещению доски на L
.
Задача: В
полусферический колокол, плотно лежащий на столе, наливает через отверстие
вверху воду. Когда вода доходит до отверстия, она приподнимает колокол и
начинает вытекать снизу. Радиус колокола R, плотность воды 
. Найти массу колокола М. (рис.37)
-й способ. Прямое динамическое решение задачи (рис.41, а) F=Mg+
. F=
, M=
2-й способ. Поместим систему в цилиндрический сосуд высотой и
радиусом R. (рис.37, б)
Пусть колокол тонок и его масса мала. Давление на колокол снаружи
и изнутри равно во всех точках. Если колокол убрать, то
M= (
) 
, M= (
) 
=
рис.37
Задача: Найти
кинетическую энергию стержня, вращающегося в горизонтальной плоскости вокруг
вертикальной оси, проходящей через его середину. Известны: 
(рис.38, а)
Для половины стержня (рис.38, б) 
. Но К=2
, следовательно К=
.
рис.38
Для того чтобы в полной мере овладеть использованием
вышеизложенного метода необходимо решить не одну задачу с применением данного
метода.
Метод
дифференцирования и интегрирования
В основе метода лежат два принципа:
) принцип возможности представления закона в дифференциальной
форме;
) принцип суперпозиции.
При использовании метода дифференцирования и интегрирования,
разделяют тело на материальные точки или траекторию и время на такие
промежутки, на которых процесс можно считать равномерным. Далее по принципу
суперпозиций производят суммирование (интегрирование).
Задача: Найти силу гравитационного взаимодействия между
расположенными на одной прямой материальной точкой массой m и однородным
стержнем длиной L и массой M. Расстояние от точки до ближайшего конца стержня
равно С. (рис.39)
рис.39
Выделяем на расстоянии х от точки элемент стержня длиной dx
и массой 
dx.
Сила его взаимодействия с точкой dF=
.
Поэтому F=
.
Задача:
Найти кинетическую энергию однородного диска радиусом R и массы M, вращающегося
с постоянной угловой скоростью 
вокруг оси, проходящей через центр диска перпендикулярно его
плоскости.
Разобьем диск на кольца шириной dx, каждое из которых
отстоит от оси вращения на x
[0: R]. Масса каждого кольца, вращающегося с
линейной скоростью

: dm=
Величиной (dx) 2 в сравнении с 2xdx можно пренебречь.
=
Откуда К=
Метод дифференцирования и интегрирования применяется также для
вывода формул.
Вариационные
принципы механики, метод виртуальных перемещений
Невариационные принципы устанавливают закономерности
движения, совершаемого системой под действием приложенных сил.
Вариационные принципы разделяются на дифференциальные и
интегральные. Дифференциальный - это метод виртуальных перемещений,
интегральный - следствие из принципа наименьшего действия.
Принцип: Для равновесия любой механической системы с
идеальными связями необходимо и достаточно, чтобы сумма элементарных работ,
действующих на систему сил при любом виртуальном перемещении, равнялась нулю.
Задача: В системе (рис.40) к нижнему блоку подвешен груз
массой m. Какую минимальную силу надо приложить к свободному концу нити, чтобы
удерживать систему в равновесии? Нити нерастяжимы, блоки невесомы. Нити между
блоками считать параллельными.
Пусть точка приложения силы перемещается вертикально вниз на
расстояние 
(
-обозначение приращения по Лагранжу). При этом груз m переместится
вверх на расстояние 
h=
H

A1
A2=0,

H-mg
h=0,
F=
рис.40
Традиционное решение:
Груз пребывает в равновесии, значит силы натяжения, приложенные к
любому участку нити, взаимно компенсируют друг друга:
Т0=Т1, Т1=Т2, Т2=Т3,
Т3=Т4.
Кроме того, F= Т0; mg= Т1 +Т2
+Т3 +Т4=4F F=
.
Задача: В
коробке К (рис.41) заключен передающий механизм неизвестной конструкции.
При повороте ручки Р вертикальный винт В плавно поднимается. При одном полном
обороте (радиус оборота r) винт перемещается на расстояние h. На винт кладут груз массой m. Какое усилие надо приложить к ручке,
чтобы удержать систему с грузом в равновесии?
рис.41
Пусти искомая сила F при
бесконечно малом повороте на угол 
совершает работу 

. При этом груз m поднимается на высоту 
и работа силы тяжести 

. Тогда из 
имеем
F=mg
.
Традиционными методами задача не решается так как ничего не
известно о механизме передачи скрытом в коробке.
Метод
зеркальных изображений
Метод основан на построении изображений предметов в плоских зеркалах.
С помощью этого метода можно решать задачи кинематики, оптики, электростатики.
Перед тем как отрабатывать навыки решения задач данным
методом со школьниками, либо со студентами необходимо вспомнить как построить
изображение в плоском зеркале. На рис.42 показано изображение А1В1
предмета АВ в плоском зеркале ОО1.
Угол падения 
1 равен
углу отражения 
1, 
; АО=А1О; ВО1=В1О1.
Плоское зеркало меняет "лево" на "право", это свойство
имеет значение в оптике и электростатике.
рис.42
Задача: Автомобиль,
находящийся на расстоянии l от длинной
бетонной стены и движущийся от нее со скоростью v так, как показано на рис.47, посылает короткий звуковой сигнал.
Какое расстояние пройдет автомобиль до встречи с отраженным сигналом. Скорость
звука u.
рис.43
Сложность задачи связанна с тем, что бы найти точку О1,
отразившись от которой звуковой сигнал "нагнала" автомобиль. Построим
изображение А1 автомобиля А в бетонной стене. При этом АО=А1О.
Пусть АА2 =х - искомое расстояние. Соединив полученные точки А1
и А2, найдем О1. Равные углы обозначим 
. Путь звукового сигнала АО1А2 равен А1О1А2.
По теореме косинусов из 
AA1A2 найдем
Учитывая, что A1A=2l; AA2=x;
Cos (
) =-Sin

=ut=u
=
Задача: Найти
силу взаимодействия точечного заряда q,
расположенного на расстоянии r от проводящей
бесконечной заземленной плоскости (рис.44) с этой плоскостью.
рис.44
На плоскости в силу явления электростатической индукции находится
заряд - q, распределенный по ней. Сила
взаимодействия заряда q и
индуцированного на плоскости заряда - q
эквивалентна силе взаимодействия заряда q и его "зеркального" изображения - q. Так в электростатике появляется "лево" -
"право".
F=
Метод
экстремума потенциальной энергии
Применяя этот метод можно решать задачи статики, гидростатики,
динамики вращательного движения, молекулярной физики и электростатики.
Для решения задач на нахождение условия равновесия системы
неободимо найти выражение для потенциальной энергии, продифференцировать его и,
приравняв к нулю, решить относительно неизвестного.
Задача: однородная тонкая палочка шарнирно укреплена за
верхний конец. Нижняя часть её погружена в воду, причем равновесие достигается
тогда. когда она расположена наклонно к поверхности воды и в воде находится её
половина. Какова плотность материала палочки.
рис.45
За нулевой уровень U выберем горизонталь через О (рис.45).
Потенциальная энергия надводной части палочки U1= - 
, а подводной U2= (
) 
. Условие равновесия палочки 
, откуда 
Задача: На
гладкое проволочное кольцо радиуса R надет
маленький шарик массой m (рис.46)
Кольцо вместе с шариком вращается вокруг вертикальной оси, проходящей через
диаметр кольца с угловой скоростью 
. Где находится шарик?
рис.46
За нулевой уровень u примем нижнюю
точку кольца. Тогда потенциальная энергия шарика в поле тяжести u1=mgR (1-Cos
), а
потенциальная энергия в поле центробежных сил инерции u2=-
. Но в положении равновесия шарика 
Поэтому при 
при

.
Метод
экспоненты
Метод экспоненты в некотором роде является комбинацией
методов дифференцирования и интегрирования и операции аналогии.
Экспонента обладает следующим свойством: её производная повторяет
саму функцию (
Задача: Найти
зависимость давления атмосферы от высоты.
Пусть давление столба воздуха единичной площади на высоте h=0 равно Ро (начальные условия).
При увеличении высоты на dh
давление уменьшается на dP: dP=
. Плотность воздуха выразим из уравнения Менделеева - Клапейрона.

откуда dP=-P
Далее, разделив переменные с учетом начальных условий получим:
=Po
Полученная формула называется барометрической (или формулой
Больцмана).
Задача: В
схеме, изображенной на рис.47 в момент t=0, когда заряд конденсатора равен q0,
замыкают ключ. Найти зависимость q=q (t)
рис.47
За время dt заряд конденсатора уменьшиться на dq=-Idt. Но I=
, а 
. Поэтому dq=-
или q=q0
Метод
минимума и максимума
Довольно часто встречаются задачи, в которых требуется
определить наибольшее или наименьшее значение величины из всех возможных.
Основы такого метода следуют из принципа Ферми, экстремума энергии.
В некоторых задачах удается воспользоваться известными
алгебраическими неравенствами (Нер-во Коши).
Задача: Нагруженные сани массой m движутся равномерно по
горизонтальной поверхности под действием силы F. Коэффициент трения k. Найти значение
минимальной силы и угол между силой и горизонталью.
Из второго закона Ньютона следует: F=
Минимальное значение силы Fmin возможно при максимальном значении
знаменателя. Обозначим tg
=k.
Заметим, что Sin
=
; Cos
=
Поэтому F=
Максимальное значение 
=1, откуда 
Fmin=
Задача: К
висящей очень тонкой пружине жесткостью k подвешен шарик. Вначале пружина не растянута. Затем шарик
отпускают. Какой наибольшей скорости достигнет шарик при своем движении? Масса
шарика m.
Из закона сохранения энергии
На рис.48 представлен график зависимости 
. Подставив x=
, найдем 
.
рис.48
Метод
софизмов и парадоксов
Метод парадоксов - это создание противоречащих здравому
смыслу ситуаций, доказательств, неожиданно и непривычно приводящих к
противоречию с традиционными утверждениями и выводами, истинность которых, как
кажется не вызывает сомнений. С помощью этого метода понять суть процесса, его
тонкости, он стимулирует интерес к учебе.
Софизмы - уловки, выдумки наподобие головоломки, в которых
мнимое доказательство выдается за правдоподобное.
Задача: Половину
окружности велосипедист на треке проехал с постоянной скоростью 
. Средняя скорость на всем треке была 10 м/с. Определить скорость
на второй половине пути.
Обычно, решение данной задачи получается с помощью известной
формулу 
. Так как 
, а 
,
, 
. В результате получим 
, подставляя значения получим 
=-40м/с.
Время движения со средней скоростью должно быть равно сумме
времени, затраченного на прохождение каждого участка

или 
.
Но 2/10=1/5<1/4 …. без прибавления второй дроби.
Значит, что время, затрачиваемое на прохождение первой половины
пути, больше, чем время, отпущенное на прохождение с данной средней скоростью
всего пути. При таких данных задача лишена смысла.
Задача: В
романе "Гектор Сервадак" Жюль Верн описал комету "Галия".
Период её обращения вокруг Солнца составил 2 года, а расстояние от Солнца в
афелии равнялось 820 млн. км. Могла ли сушествовать такая комета?
Согласно третьему закону Кеплера квадраты периодов небесных тел
относятся как кубы больших полуосей их орбит. Зная расстояние от Земли до
Солнца (150 млн. км.) и период обращения Земли вокруг него (1 год),

или 
Получим х=-343млн. км. Понятно, что этого быть не может и
описанные параметры комет - это фантазия писателя.
Заключение
Вспоминая свои школьные годы, практику начинаешь понимать,
что большинство учителей не обучает школьников решению физических. Кто-то
утверждает, что главное знать определения, кто-то решает задачи только на
факультативных занятиях и с учащимися которым необходимо сдать ЕГЭ. Про методы,
способы, приемы решения физических задач на уроках вообще не упоминается ни
слова. Мне кажется, что на уроках физики необходимо решать задачи. Решение
задач способствует запоминанию определений, законов, правил, развитию
логического мышления и таких мыслительных операций как анализ и синтез. Надо не
просто решать задачи по теме, но и комментировать каким способом, методом, с
помощью какого приема она была решена, какие ещё задачи мы сможем решить
подобным образом, чтобы учащийся, увидев аналогичную задачу, смог сразу
вспомнить алгоритм её решения. К сожалению на уроках не разберешь всех методов
из-за нехватки времени, но уделить внимание основным стоит попробовать.
Список
литературы
1. Беликов
Б.С. Решение задач по физике. Общие методы: Учебное пособие для студентов
вузов. - М.: Высш. шк., 1986. - 256 с.: ил.
2. Каменецкий
С.Е., Пурышева Н.С. Важеевская Н.Е. и др. Теория и методика обучения физике в
школе: Общие вопросы: Учебное пособие для студентов высш. пед. учеб. заведений.
- М.: Издательский центр "Академия", 2000. - 368с.
. Кудрявцев
Ю.Н. "Методы решения физических задач". Ульяновск:
. Новая
российская энциклопедия. в 18 томах, М.: ООО "Издательство
"Энциклопедия" 2012 - 480 с. ил. том 10 (2) с-327
УИПКПРО,
2010 - 43 с.
. Шапиро
А.И., Бодик В.А. Оригинальные метод в решения физических задач: Пособие для
учителя. - К.: "Освiта", 1992.