Устройство для дефектоскопирования обоймы подшипника качения

  • Вид работы:
    Дипломная (ВКР)
  • Предмет:
    Информационное обеспечение, программирование
  • Язык:
    Русский
    ,
    Формат файла:
    MS Word
    1,68 Мб
  • Опубликовано:
    2013-03-10
Вы можете узнать стоимость помощи в написании студенческой работы.
Помощь в написании работы, которую точно примут!

Устройство для дефектоскопирования обоймы подшипника качения

МИНИСТЕРСТВО ПУТЕЙ СООБЩЕНИЯ

ОМСКИЙ ГОСУДАРСТВЕННЫЙ УНИВЕРСИТЕТ ПУТЕЙ СООБЩЕНИЯ

ДИПЛОМНЫЙ ПРОЕКТ

РАСЧЕТНО-ПОЯСНИТЕЛЬНАЯ ЗАПИСКА

Устройство для дефектоскопирования обоймы подшипника качения

 

 

 

 

Консультанты: Руководитель проекта:

. Г.И. Акользина

. М.А. Ершов Кандидат технических наук

. А.Б. Кильдибеков профессор Шахов В.Г.

. Б.В. Мусаткина

Разработал студент гр. 27з

А.В. Шушарин


ОМСК 2002

ЗАДАНИЕ

на дипломный проект

студента Шушарина Алексея Владимировича

1. Тема проекта: Устройство для дефектоскопирования обоймы подшипника качения утверждена приказом по университету от «19» апреля 2002г. № 04/СТ-02

2. Срок сдачи студентом законченного проекта « » 2002г

3. Исходные данные к проекту

3.1 Устройство предназначено для поиска дефектов наружной обоймы роликового подшипника вихретоковым методом

3.2 Параметры обнаруживаемых дефектов по ГОСТ 21104-75

.3 Достоверность обнаружения дефектов не хуже 80%

.4 Условия эксплуатации прибора - закрытые, вентилируемые и обогреваемые помещения депо и ремонтных заводов МПС

4. Содержание расчетно-пояснительной записки (перечень подлежащих разработке вопросов)

4.1 Анализ возможностей применения принципов поиска дефектов для колец роликового подшипника

.2 Выбор и обоснование алгоритма дефектоскопирования

.3 Разработка способа дефектоскопии

.4 Разработка структурной схемы устройства

.5 Разработка принципиальной схемы устройства

.6 Выбор интерфейса и разработка протокола связи персонального компьютера и устройства

4.7 Выбор языка программирования микроконтроллера

.8 Разработка программного обеспечения микроконтроллера

.9 Выбор среды разработки программного обеспечения персонального компьютера

.10 Разработка программного обеспечения персонального компьютера

4.11 Определение затрат на разработку устройства дефектоскопирования

.12 Разработка способов защиты от электромагнитных полей при работе с устройством

.13 Разработка мероприятий по организации и проведении защиты объекта (депо) от проникновения РВ и АХОВ

. Перечень графического материала

.1 Классификация методов неразрушающего контроля

.2 Алгоритм дефектоскопирования

.3 Структурная схема устройства

.4 Алгоритм измерения частоты

.5 Главное окно программы персонального компьютера

.6 Формат фреймов сообщений

6. Консультанты по проекту (с указанием относящихся к ним разделов проекта)

Раздел

Консультант

Подпись, дата



задание выдал

задание принял

Определение затрат на разработку устройства

Акользина Г. И.

17.04.02.

17.05.02.

Защита от электромагнитных полей при работе с устройством

Мусаткина Б. В.

25.03.02.

17.05.02.

Мероприятия по организации и проведении защиты объекта от проникновения РВ и АХОВ

Ершов М. А.

25.03.02.

25.05.02.


Руководитель проекта

КАЛЕНДАРНЫЙ ПЛАН

№ п-п

Наименование разделов дипломного проекта

Срок выполнения

Примечание

1.

Анализ методов и выбор




способа дефектоскопии

25.03.2002

25% выполнено





2.

Разработка структурной и




принципиальной схем

15.04.2002

50% выполнено





3.

Разработка программного




обеспечения

20.05.2002

75% выполнено





4.

Оформление пояснительной




записки, вопросы экономики,




гражданской обороны,




безопасности




жизнедеятельности

10.06.2002

100% выполнено










Дата выдачи задания

Руководитель проекта

Задание принял к исполнению

 

РЕФЕРАТ

Дипломный проект содержит: 113 страниц, 17 рисунков, 15 таблиц, 17 использованных источников и 6 приложений.

ДЕФЕКТОСКОПИЯ, РОЛИКОВЫЙ ПОДШИПНИК, ВИХРЕТОКОВЫЙ ПРЕОБРАЗОВАТЕЛЬ, МИКРОКОНТРОЛЛЕР, ПЕРСОНАЛЬНЫЙ КОМПЬЮТЕР, БАЗА ДАННЫХ, КОМАНДНО-ИНФОРМАЦИОННЫЕ СЕТИ

В дипломном проекте разрабатывается устройство для дефектоскопирования наружного кольца роликового подшипника. Разработка устройства подразумевает разработку структурной и принципиальной схем, разработку программного обеспечения, сопряжение устройства с персональным компьютером.

После основных работ по разработке устройства производится расчет затрат на разработку устройства, рассматриваются способы защиты от электромагнитных полей при работе с прибором и мероприятия по организации и проведении защиты депо от проникновения РВ и АХОВ.

СОДЕРЖАНИЕ

ВВЕДЕНИЕ        9

1. Выбор метода дефектоскопии.  11

1.1 Описание задачи дефектоскопии наружного кольца роликового подшипника.       11

1.2 Обзор методов неразрушающего контроля.      13

1.2.1 Общая характеристика.        13

1.2.2 Акустический контроль.       13

1.2.3 Радиационный контроль.      15

1.2.4 Магнитный контроль.  17

1.2.5 Вихретоковый контроль.      20

1.3 Выбор метода неразрушающего контроля.       22

2. Разработка устройства.    24

2.1 Разработка способа дефектоскопии. 24

2.2 Разработка структурной схемы.       26

2.3 Разработка принципиальной схемы.         29

2.4 Описание работы устройства. 31

3. Разработка программного обеспечения микроконтроллера. 32

3.1 Обзор ресурсов микроконтроллера AT90S2313.       32

3.1.1 Общая характеристика.        32

3.1.2 Описание выводов.      33

3.1.3 Обзор архитектуры AT90S2313.  34

3.2 Разработка алгоритма работы.        36

3.3 Выбор языка программирования.    38

3.4 Описание программы.    39

4. Разработка программного обеспечения персонального компьютера.     41

4.1 Выбор системы разработки программного обеспечения.    41

4.2 Обзор возможностей системы C++Builder.         42

4.3 Составляющие программы персонального компьютера.     43

4.4 Описание основной части программы.      45

4.5 Описание системы управления базой данных.   46

4.6 Порядок работы с программой дефектоскопа.  48

5. Сопряжение устройства с персональным компьютером.        52

5.1 Выбор способа сопряжения устройства с персональным компьютером.        52

5.2 Основные понятия о командно-информационных сетях.      52

5.2.1 Принципы построения командно-информационных сетей.        52

5.2.2 Функционирование командно-информационных сетей.    55

5.3 Применение командно-информационных сетей для сопряжения дефектоскопа с персональным компьютером.        56

5.4 Электрическая часть командно-информационной сети.       57

5.4.1 Диспетчер персонального компьютера. 57

5.4.2 Диспетчер периферийной станции.         59

5.5 Программная часть командно-информационной сети.         60

5.5.1 Формат фреймов.         60

5.5.2 Алгоритм работы командно-информационной сети.         61

5.5.3 Программа микроконтроллера.    62

5.5.4 Программа персонального компьютера.         63

6. Определение затрат на разработку устройства.   66

6.1 Общие принципы определения себестоимости.  66

6.2 Расчет затрат на сырье, материалы, комплектующие изделия.     67

6.3 Затраты на оплату труда, отчисления на социальное страхование.       69

6.4 Расходы по содержанию и эксплуатации оборудования.     72

6.5 Общехозяйственные расходы. 74

6.6 Определение цены проектируемого устройства.         74

7. Способы защиты от электромагнитных полей при работе с устройством.       76

7.1 Задачи охраны труда.    76

7.2 Влияние электромагнитных полей на человека. 77

7.2.1 Источники электромагнитных полей.     77

7.2.2 Параметры ЭМП.        78

7.2.3 Нормирование.   78

7.2.4 Биологическое действие.       79

7.3 Защита от электромагнитных полей.         79

7.3.1 Способы защиты.         79

7.3.2 Контроль ЭМП.  80

7.3.3 Техника безопасности. 84

7.4 Защита от ЭМП при работе с дефектоскопом.   86

8. Мероприятия по организации и проведении защиты объекта от проникновения РВ и АХОВ.       88

8.1 Роль ГО при чрезвычайных ситуациях.    88

8.2 Аварийно-химические опасные вещества. 90

8.2.1 Общая характеристика АХОВ.      90

8.2.2 Поражающее действие АХОВ.      92

8.3 Радиоактивные вещества.        93

8.3.1 Общая характеристика радиоактивных веществ.     93

8.3.2 Поражающее действие РВ.   95

8.4 Мероприятия по защите объекта.     96

8.4.1 Планирование защиты от РВ и АХОВ.  96

8.4.2 Мероприятия по повышению устойчивости объекта.        98

8.5 Выводы по разделу ГО. 99

ЗАКЛЮЧЕНИЕ 100

Список используемых источников       101

ПРИЛОЖЕНИЕ 1        103

ПРИЛОЖЕНИЕ 2        104

ПРИЛОЖЕНИЕ 3        105

ПРИЛОЖЕНИЕ 4        110

ПРИЛОЖЕНИЕ 5        117

ПРИЛОЖЕНИЕ 6        124

ВВЕДЕНИЕ


На сети железных дорог России эксплуатируются десятки тысяч вагонов, оборудованных буксами с роликовыми подшипниками. Опытом эксплуатации установлено, что буксовые подшипники являются одним из наиболее критических узлов подвижного состава /1/. Поэтому особое внимание во время проведения планового ремонта колесных пар должно уделяться дефектоскопии деталей подшипников.

Качество дефектоскопии в основном определяется двумя факторами: квалификацией работников и уровнем механизации и автоматизации производства. Следовательно, повышать качество неразрушающего контроля подшипника можно двумя путями, причем наиболее перспективным считается внедрение устройств автоматизации процесса дефектоскопии /2/.

На сегодняшний день уровень автоматизации неразрушающего контроля все еще остается на низком уровне. Поэтому широко применяется дефектоскопия «вручную», без применения современной измерительной техники. Это приводит к большим затратам времени, что соответственно увеличивает сроки и стоимость ремонта колесных пар.

Существующие приборы дефектоскопии деталей подшипников в большинстве случаев не могут заменить квалифицированного специалиста из-за низкой надежности их показаний, которая обусловлена несколькими причинами:

-   использование несовершенных методов неразрушающего контроля уменьшает принципиальную возможность обнаружения дефекта;

-       использование аналоговых методов обработки данных, чувствительных к внешним помехам, существенно снижает достоверность показаний;

-       ориентирование при разработке только на эталонные образцы дефектов не позволяет обнаруживать дефекты на реальных деталях.

Поэтому на сегодняшний день разработка устройств дефектоскопии деталей подшипников является наиболее эффективным средством повышения качества ремонта колесных пар.

В данном дипломном проекте проводится разработка устройства для дефектоскопирования наружного кольца роликового подшипника. Разработка устройства состоит из нескольких этапов:

-   выбор метода дефектоскопии;

-       разработка структурной и принципиальной схем устройства;

-       разработка программы микроконтроллера;

-       разработка программы персонального компьютера;

-       разработка способа сопряжения устройства с персональным компьютером.

В результате должно быть разработано устройство, которое обеспечивает:

-   обнаружение не менее 80% поверхностных трещин колец;

-       минимальный размер обнаруживаемых трещин по ГОСТ 21104-75 (длина х глубина х ширина) не менее 15х0,7х0,1мм;

-       небольшое время дефектоскопии;

-       отсутствие остаточных явлений (например, намагниченности);

-       поиск дефектов на всей поверхности детали;

-       индикацию наличия дефекта;

-       изменение параметров дефектоскопии в зависимости от требований пользователя;

-       создание архивных записей об операциях дефектоскопии.

1. Выбор метода дефектоскопии

 

.1 Описание задачи дефектоскопии наружного кольца роликового подшипника


Буксовый роликовый подшипник состоит из четырёх типов деталей (Рис. 1.1): внутреннего 3 и наружного 1 колец, роликов 2 и разделяющего ролики сепаратора 4. Количество роликов - 14 или 15 в зависимости от типа подшипника.

Составляющие роликового подшипника

Рис. 1.1

Роликовые подшипники и их детали в процессе эксплуатации получают различные неисправности, которые зависят в основном от конструкции и качества изготовления подшипников, технологии сборки и ремонта подшипников и букс, а также от степени ухода за ними в эксплуатации. В таблице 1.1 приведены наиболее распространенные причины выхода из строя цилиндрических роликовых подшипников /3/.

Таблица 1.1

Наиболее распространенные неисправности подшипников

Виды брака

Количество забракованных подшипников, %

1

2

Раковины и шелушение на дорожках качения наружных колец

25,0

То же внутренних колец

13,5

Истирание наружных колец

4,51

Продолжение табл. 1.1

То же внутренних колец

3,96

Трещины и отколы наружных колец

7,17

То же внутренних колец

2,39

Потеря натяга внутренних колец

3,39

Трещины роликов

10,35

Отколы торцов роликов

4,81

Износ сепаратора по центрирующей поверхности

7,86

Трещины сепаратора

1,60

Разрушение сепаратора

2,24

Электроожоги и электроэрозия

5,49


Из таблицы 1.1 видно, что одной из самых важных операций во время планового ремонта колесных пар является дефектоскопия наружного кольца обоймы подшипника.

На сегодняшний день наибольшее распространение получила установка магнитной дефектоскопии колец подшипников (УМДП-01) разработанная ПКБ ВНИИЖТ и использующая магнитопорошковую технологию обнаружения трещин. Такая технология является морально устаревшей, время измерения очень большое (до 5 мин), потребление мощности 3 кВт, вес 270 Кг, а надежность выявления трещин низкая. Кроме того, после проверки кольца необходимо промывать и сушить, что еще больше снижает производительность.

Очевидна необходимость в разработке нового, более совершенного устройства для дефектоскопии наружных колец подшипника.

1.2 Обзор методов неразрушающего контроля

 

.2.1 Общая характеристика

Характерная особенность большинства методов неразрушающего контроля (МНК) заключается в том, что при их использовании дефекты выявляют косвенным путем в результате исследования определенных физических свойств сплава, которые не влияют на эксплуатационные свойства изделий /4/.

Наряду с выявлением дефекта необходимо также оценить степень его влияния на надежность и долговечность изделия. Такую информацию получают прямыми испытаниями, которые обычно являются разрушающими. По этой причине методы неразрушающего контроля эффективны лишь в том случае, если проведением специально поставленных предварительных исследований была установлена статистически значимая связь между эксплуатационными свойствами изделий и результатами неразрушающего контроля.

 

1.2.2 Акустический контроль

Акустические МНК основаны на способности упругих волн распространяться в однородном твердом теле и на его поверхностях и отражаться от границ тела или нарушений сплошности, обладающих другими акустическими свойствами.

Акустический контроль используют для решения следующих задач: обнаружения дефектов типа нарушения сплошности или локальной структурной неоднородности сплава; контроля размеров объекта; оценки параметров структуры и физических свойств сплавов.

К основным преимуществам акустического контроля относят большую проникающую способность, позволяющую обнаруживать дефекты, залегающие в толще крупногабаритных объектов; достаточно высокую чувствительность к выявлению мелких дефектов; возможность определения координат и размеров дефектов; мгновенную индикацию дефектов; практически полную безопасность проведения работ по контролю. Сложность разработки технологии контроля является основной причиной, ограничивающей применение акустических методов для контроля изделий.

Акустическими волнами называются механические возмущения, распространяющиеся в упругих средах. При распространении упругих волн частицы среды не переносятся, а лишь колеблются относительно точек равновесия. Распространение упругой волны сопровождается образованием зон, в которых частицы находятся в одинаковом по фазе колебательном состоянии. Минимальное расстояние между двумя частицами, колеблющимися в одинаковой фазе, называется длиной акустической волны. Длина волны λ связана со скоростью распространения с и частотой колебаний f зависимостью: λ = с/f.

В зависимости от частоты акустические колебания подразделяют на инфразвуковые (частотой до 20 Гц), звуковые (от 20 Гц до 2·104 Гц), ультразвуковые (от 2·104 до 1·109 Гц), гиперзвуковые (более 1·109 Гц), при неразрушающем контроле обычно используют акустические волны в звуковом и ультразвуковом диапазонах.

В зависимости от направления колебаний частиц упругой среды по отношению к направлению распространения волны акустические волны делят на продольные, сдвиговые, поверхностные и др. Если направление колебания частиц совпадает с направлением распространения волны, то акустическая волна называется продольной. Если направление колебания частиц перпендикулярно направлению распространения волны, то акустическая волна называется сдвиговой.

Важной характеристикой акустической волны является ее интенсивность. По мере удаления от источника возбуждения интенсивность акустической волны уменьшается по экспоненциальному закону.

Для твердых тел коэффициент затухания складывается из коэффициентов поглощения и рассеяния, т. е. а = ап + ар. При поглощении звуковая энергия волны переходит в тепловую, а при рассеянии отклоняется от направления распространения в результате отражения от неоднородностей среды.

Распространение акустических волн нередко сопровождается ярко выраженными интерференционными и дифракционными явлениями. Интерференция - результат взаимодействия двух или более акустических волн. Дифракция - огибание акустическими волнами препятствий, размер которых соизмерим с длиной волны. Эти явления используют при акустическом контроле, однако в ряде случаев они способны существенно осложнить проведение его.

При падении акустической волны на поверхность раздела двух сред часть энергии переходит во вторую среду, а часть отражается в первую. Доля отраженной энергии определяется значением коэффициента отражения. Чем больше разность акустических сопротивлений сред, тем больше коэффициент отражения. Явление отражения позволяет обнаруживать дефекты типа нарушения сплошности, залегающие в толще объекта. Вероятность выявления дефекта возрастает с увеличением значения коэффициента отражения. Если же акустические сопротивления сплава и дефекта равны, то выявление дефекта акустическими методами становится в принципе невозможным. Независимо от значения коэффициента отражения выявление дефекта невозможно, если протяженность дефекта в направлении распространения акустической волны существенно меньше длины волны.

 

1.2.3 Радиационный контроль

В настоящее время радиационный контроль наиболее широко распространен в машиностроении. В некоторых случаях его применяют для контроля размеров объектов, если обычные методы оказываются неэффективными.

Основным недостатком радиационного контроля является вредное воздействие ионизирующего излучения на организм человека и как следствие - необходимость осуществления биологической защиты.

Ионизирующим принято называть электромагнитное излучение, способное вызвать ионизацию атомов вещества. В зависимости от длины волны электромагнитное излучение разделяют на ультрафиолетовое ( м), рентгеновское ( м), и гамма-излучение ( м). Видимый свет также является электромагнитным излучением в диапазоне длин волн  м. При радиационном контроле наиболее широко используют рентгеновские и гамма-излучения. Наряду с фотонным электромагнитным излучением иногда используют потоки заряженных частиц или нейтронов, обладающих выраженными корпускулярными свойствами.

Длина волны относится к числу наиболее важных параметров ионизирующего излучения. С уменьшением длины волны увеличивается энергия излучения и его проникающая способность.

Проходя через материал контролируемого изделия, рентгеновское и гамма-излучения взаимодействуют с ядрами атомов и их электронными оболочками. В результате взаимодействия с веществом интенсивность ионизирующего излучения уменьшается по экспоненциальному закону.

Если за контролируемым объектом установить устройство, регистрирующее интенсивность прошедшего излучения, то с его помощью можно получить информацию о внутреннем строении изделия. На этом принципе основаны все известные методы радиационного контроля.

При радиационном контроле необходимо считаться не только с излучением, прошедшим через отливку в направлении просвечивания, но и с рассеянным излучением, ухудшающим четкость и контрастность изображения. С увеличением толщины стенки контролируемого объекта интенсивность рассеянного излучения возрастает, а чувствительность метода уменьшается. Например, при контроле стальных изделий с толщиной стенки более 100 мм, чувствительность снижается настолько, что радиационный контроль становится малоэффективным. Рассеянное излучение исходит не только от контролируемой отливки, но и от окружающих ее предметов.

Чувствительность радиационного контроля, определяется минимальным размером выявляемого дефекта, зависит также от энергии первичного рентгеновского или гамма-излучения.

 

1.2.4 Магнитный контроль

Магнитные методы контроля основаны на регистрации магнитных полей рассеяния, возникающих над дефектами предварительно намагниченных объектов. Магнитный контроль используют для обнаружения поверхностных и подповерхностных дефектов.

К преимуществам магнитного контроля относят высокую чувствительность и достаточную надежность выявления поверхностных и подповерхностных дефектов, простоту выполнения технологических операций и высокую производительность контроля. Основные недостатки - применимость метода только к отливкам из ферромагнитных сплавов, невозможность обнаружения дефектов, залегающих на глубине более 1,5-2,0 мм, существенное влияние внешних факторов на результаты контроля.

В зависимости от характера взаимодействия с магнитными полями все материалы, используемые в машиностроении, делят на диамагнитные, парамагнитные и ферромагнитные. Диамагнитные и парамагнитные материалы не взаимодействуют с магнитными полями и их контроль магнитными методами невозможен.

Ферромагнитными свойствами обладают три технических металла: железо, никель и кобальт, а также ряд сплавов на их основе. Специфические свойства ферромагнетиков объясняются наличием в них областей, самопроизвольно намагниченных до насыщения даже в отсутствие внешнего магнитного поля. Эти области называют доменами. В отсутствие внешнего магнитного поля домены ориентированы хаотически и общая намагниченность изделия равна нулю. Если изделие из ферромагнитного сплава поместить в слабое магнитное поле, то границы доменов сместятся, а в сильном магнитном поле векторы намагниченности доменов развернутся в направлении внешнего поля и изделие намагнитится. Магнитные свойства ферромагнетиков проявляются только до определенной температуры, которая называется точкой Кюри.

На рис. 1.2, а приведены кривые, характеризующие влияние напряженности внешнего магнитного поля Н на величину магнитной индукции B и абсолютной магнитной проницаемости μ0 ферромагнитных сплавов. Диаграмма показывает, что при некотором значении Н величина μ0 достигает максимума. Это явление имеет особое значение для проведения магнитного контроля, поскольку обеспечивает максимально возможное различие между значениями магнитной проницаемости контролируемого сплава и окружающей среды.

Образование магнитного поля рассеяния над дефектом

Рис. 1.2

При магнитном контроле дефекты отливок выявляют по наличию над ними магнитных полей рассеяния, которые могут образоваться только при определенных условиях. На рис. 1.2, б показан образец с дефектом типа нарушения сплошности сплава. В результате намагничивания в образце возникнет магнитный поток Ф.

В дефектном участке образца величина магнитной индукции возрастет, поскольку наличие дефекта эквивалентно уменьшению площади поперечного сечения образца. Если увеличение магнитной индукции приведет к уменьшению магнитной проницаемости, то часть магнитного потока выйдет в окружающую среду и над дефектом образуется магнитное поле рассеяния.

В зависимости от способа обнаружения магнитных полей рассеяния над дефектами современные методы делят на магнитопорошковый, магнитоферрозондовый, магнитографический, магнитополупроводниковый и другие.

В настоящее время магнитопорошковый метод контроля является основным методом магнитной дефектоскопии. Он позволяет надежно обнаруживать поверхностные дефекты типа нарушения сплошности сплава с шириной раскрытия 1 мкм и более.

Подготовка объекта к контролю заключается в очистке его поверхности от загрязнений, а также зачистке мест контакта с намагничивающим устройством.

Для обнаружения магнитных полей рассеяния над дефектами используют сухие магнитные порошки или их суспензии в воде, минеральных маслах и керосине.

Сухой магнитный порошок наносят на поверхность намагниченного изделия обсыпкой. Магнитную суспензию наносят методом погружения или обливания. В зависимости от выбранной технологии контроля магнитный порошок или суспензия наносится в приложенном магнитном поле или в условиях остаточной намагниченности.

Расшифровку результатов контроля проводят сразу после нанесения магнитного порошка. В результате визуального осмотра поверхности объекта выявляют участки скопления магнитного порошка и оценивают их конфигурацию и размеры. Над поверхностными дефектами магнитный порошок концентрируется в виде резко очерченных скоплений, хорошо сцепленных с поверхностью. Неметаллические включения выявляются в виде цепочек или точечных скоплений порошка. Чем глубже под поверхностью залегает дефект, тем более размыт индикаторный след. При расшифровке результатов контроля необходимо учитывать возможность появления ложных индикаторных следов над царапинами, участками с местным наклепом и резко изменяющейся кривизной поверхности.

Контролируемые изделия, признанные годными по результатам осмотра, размагничивают, если только в дальнейшем при термообработке они не будут нагреваться до температур выше точки Кюри. Остаточная намагниченность затрудняет механическую обработку деталей и отрицательно сказывается на их эксплуатационных свойствах.

 

1.2.5 Вихретоковый контроль

Вихретоковый (электромагнитный) контроль отливок основан на анализе параметров полей вихревых токов, возбуждаемых в контролируемом изделии. Вихретоковый контроль применяют для выявления поверхностных и подповерхностных дефектов.

К основным особенностям метода относят возможность одновременного контроля нескольких параметров изделия, сравнительно высокую производительность контроля при небольшой трудоемкости, возможность механизации и автоматизации процессов контроля /5/.

При вихретоковом контроле изделие помещают в электромагнитное поле катушки индуктивности, питающейся переменным током. В результате этого в поверхностных слоях контролируемого изделия возбуждаются вихревые токи, протекающие по замкнутым круговым траекториям.

Возбужденные в контролируемом изделии вихревые токи создают вторичное переменное поле, вектор напряженности которого направлен противоположно вектору напряженности возбуждающего поля катушки. При неизменной ЭДС в возбуждающей катушке электромагнитное поле вихревых токов вызовет увеличение полного сопротивления катушки и уменьшения силы тока в ней /6/.

Вихревые токи, распространяющиеся в поверхностных слоях изделия, создают своеобразный экран полю возбуждения и не проникают в глубь изделия.

Данные о глубине проникновения вихревых токов имеют большое практическое значение, поскольку вихретоковый метод контроля позволяет получить информацию о свойствах поверхностного слоя, толщина которого не превышает глубины проникновения вихревых токов.

Вихревые токи, проникшие вглубь объекта, не только ослабевают, но и отстают по фазе от токов, циркулирующих ближе к поверхности. Анализ электрического сигнала возбуждающей катушки, предусматривающий определение фазы между напряжением и током, позволяет расширить возможности электромагнитного контроля. По изменению фазы можно, например, определить глубину залегания дефекта, оценить изменение размеров изделия, а также замерить значения электропроводности и магнитной проницаемости сплава.

В современных приборах вихретокового контроля в качестве датчиков вихревых токов используют катушки индуктивности, питающиеся переменным током. Их называют вихретоковыми преобразователями (ВТП). В зависимости от рабочего положения объекта контроля их делят на проходные, накладные и экранные.

Накладные ВТП представляют собой одну или несколько катушек, торец которых подводиться к поверхности контролируемого изделия. Проходные ВТП в процессе контроля либо проходят внутри контролируемого объекта, либо охватывают его снаружи. Экранные ВТП отличаются тем, что их обмотки располагаются по обе стороны контролируемого изделия.

По электрическим свойствам полезного сигнала различают параметрические и трансформаторные ВТП. У параметрических ВТП полезным сигналом служит приращение комплексного сопротивления, а у трансформаторных - приращение комплексного напряжения. Параметрические ВТП имеют одну обмотку, которая одновременно играет роль возбуждающей и измерительной. В трансформаторных ВТП эти обмотки выполняются раздельно. Преимущество параметрических ВТП заключается в простоте их конструкции, а недостаток - в зависимости от температуры.

В зависимости от способа включения обмоток различают абсолютные и дифференциальные ВТП. Абсолютные ВТП дают сигнал, зависящий от абсолютных значений параметров изделия. Дифференциальные ВТП имеют разнесенные обмотки и дают сигнал, пропорциональный разности значений соответствующих параметров соседних участков контролируемого изделия.

 

1.3 Выбор метода неразрушающего контроля


Важным моментом, определяющим эффективность дефектоскопии, является выбор метода неразрушающего контроля. Для выбора метода неразрушающего контроля составим краткую характеристику некоторых МНК (табл. 1.2).

Таблица 1.2

Краткая характеристика методов неразрушающего контроля

Характеристика

Акустичес-кий

Радиацион-ный

Магнит-ный

Вихрето-ковый

Глубина залегания обнаруживаемых дефектов

высокая

высокая

низкая

низкая

Выявление мелких дефектов

высокое

высокое

среднее

среднее

Остаточные явления

нет

нет

есть

нет

Безопасность работ

высокая

низкая

высокая

высокая

Стоимость работы

средняя

высокая

средняя

низкая

Сложность работы

средняя

высокая

средняя

низкая

Производительность

средняя

низкая

средняя

высокая

Возможность механизации

нет

нет

нет

есть

Сложность разработки

средняя

средняя

низкая

Стоимость разработки

средняя

высокая

средняя

низкая


Из таблицы 1.2 видно, что в контексте применения к дефектоскопии наружного кольца роликового подшипника наиболее подходящим методом является вихретоковый МНК. Такой выбор объясняется несколькими причинами:

-   низкая стоимость и низкая сложность разработки;

-       простота работы с устройством;

-       высокая производительность;

-       безопасность работ;

-       отсутствие остаточных явлений;

-       возможность механизации процесса дефектоскопии.

Недостатками вихретокового метода являются:

-   низкая глубина залегания обнаруживаемых дефектов;

-       низкий процент выявления мелких дефектов.

Однако при дефектоскопии колец подшипника, где наиболее распространенны поверхностные трещины и раковины, этими недостатками можно пренебречь.

2. Разработка устройства

 

.1 Разработка способа дефектоскопии


В зависимости от вида дефектоскопируемой детали используют различные вихретоковые преобразователи:

-   накладные ВТП;

-       проходные ВТП;

-       экранные ВТП.

При дефектоскопии наружного кольца подшипника наиболее эффективны накладные ВТП. Это объясняется следующими причинами:

-   эффективность накладных ВТП при работе с плоскими поверхностями;

-       простота изготовления накладных ВТП;

-       простота работы с накладными ВТП.

Накладной ВТП представляет собой катушку индуктивности, торец которой подводится к поверхности контролируемого изделия. Любое существенное изменение структуры металла под датчиком ведет к изменению комплексного сопротивления катушки индуктивности. Установив пороговое значение приращения комплексного сопротивления, можно говорить о наличии или отсутствии дефекта /7/.

Наиболее эффективный метод оценки изменения комплексного сопротивления катушки - измерение частоты колебательного контура, индуктивность которого определяется индуктивностью ВТП. Таким образом, сравнивая значение частоты колебательного контура с эталонным значением можно судить о наличии дефекта.

Эталонное значение частоты определяется при настройке на деталь, которая проводится перед началом дефектоскопии. За эталон берется любая точка детали. Если в дальнейшем выясняется, что какая-то часть детали существенно отличается от эталона, то принимается вывод о наличии дефекта.

ВТП формируются в два блока датчиков для дефектоскопирования наружной и внутренней поверхностей детали. Каждый блок датчиков содержит четыре накладных ВТП, которые располагаются по периметру сечения кольца (рис. 2.1). Дефектоскопирование всей поверхности кольца осуществляется при перемещении детали относительно датчиков.

Сечение наружного кольца подшипника

Рис. 2.1

Механическое перемещение детали относительно неподвижных датчиков осуществляется сканером (рис. 2.2).

На рисунке обозначено:

1-  приводной ролик;

2-      основание сканера;

-        паразитный ролик;

-        упорные рейки;

-        опорный рельс;

6-  блок датчиков 1;

-    блок датчиков 2;

8-      клемма «Земля»;

-        наружное кольцо подшипника.

Сканер

Рис. 2.2

Для работы со сканером необходимо вставить по направляющему рельсу 5 до упоров 4 проверяемую деталь подшипника и поворотом по часовой стрелке положить деталь на ролики 1, 3. При этом кольцо войдет в соприкосновение с датчиками 6 и 7, которые дефектоскопируют наружную и внутреннюю поверхности детали соответственно. Перемещение детали относительно датчиков 6 и 7 происходит за счет вращения приводного ролика1.

 

2.2 Разработка структурной схемы


Структурная схема устройства представлена на рисунке 2.3. На схеме обозначено:

-   МК - микроконтроллер;

-       ПК - персональный компьютер;

-       И - интерфейс между МК и ПК.

Персональный компьютер является основным управляющим элементом и полностью определяет порядок работы устройства. Используя интерфейс, он обменивается сообщениями с микроконтроллером, который в свою очередь непосредственно взаимодействует со всеми блоками устройства.

Структурная схема дефектоскопа

Рис. 2.3

Микроконтроллер выполняет следующие задачи:

-   съем информации с восьми датчиков;

-       управление запуском и остановкой электропривода;

-       получение информации о количестве оборотов детали;

-       обработка сообщений-команд персонального компьютера

-       передача сообщений-ответов персональному компьютеру.

Блок управления электроприводом предназначен для управления вращением детали в процессе контроля. Начало и окончание вращения наружного кольца подшипника задаются командой микроконтроллера. Для определения угла поворота контролируемой детали от блока управления электроприводом к микроконтроллеру поступает сигнал с частотой пропорциональной частоте вращения детали.

Информация от датчиков поступает к микроконтроллеру по восьми каналам. Структурная схема одного канала изображена на рисунке 2.4.

На схеме обозначено:

-   У - усилитель сигнала;

-       К - компаратор;

-       Сч - двоичный счетчик.

Структурная схема одного канала дефектоскопа

Рис. 2.4

Вихретоковый преобразователь (катушка индуктивности) и конденсатор образуют колебательный контур, частота генерации которого является полезным сигналом. Этот сигнал, проходя через усилитель (У) и компаратор (К) приобретает форму меандра, который может быть прочитан микроконтроллером. Счетчик (Сч) предназначен для пропорционального уменьшения частоты сигнала, что позволяет микроконтроллеру работать с высокими частотами.

2.3 Разработка принципиальной схемы


Микроконтроллер является центральным элементом устройства, объединяющим между собой все остальные блоки. Рассмотрим схему его включения (рис. 2.5).

В устройстве применен микроконтроллер фирмы Atmel - AT90S2313. Этот выбор обусловлен несколькими причинами:

-   опыт работы автора с микроконтроллерами этой серии;

-       невысокая цена микросхемы;

-       большой набор встроенных периферийных устройств;

-       подходящее количество линий ввода/вывода.

Схема включения микроконтроллера

Рис. 2.5

Линии питания +5В и 0В микроконтроллера расположены на 20 и 10 выводах соответственно. Сброс микроконтроллера осуществляется установкой на выводе 1 (RESET) низкого уровня напряжения. Поэтому вывод 1 всегда соединен с шиной питания +5В через резистор R2. Генератор тактовых импульсов собран с использованием встроенного инвертирующего усилителя (выводы 4 и 5 являются его входом и выходом) и кварцевого резонатора. Частота кварца Z1 9,8304 МГц выбрана таким образом, чтобы минимизировать погрешности при передаче данных по интерфейсу RS-485. Передача и прием осуществляется встроенным интерфейсом ввода/вывода UART (выводы 2, 3 и 6), логически совместимым с RS-485.

К выводам микроконтроллера 7, 8 подключается устройство управления электроприводом. На вывод 7 поступает сигнал о скорости вращения детали, а вывод 8 обеспечивает включение и выключение электропривода.

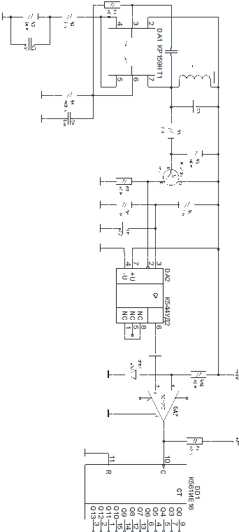
Для ввода сигналов с датчиков используется восьмиразрядный порт ввода/вывода PORT B (выводы 12-19). Принципиальная схема одного канала дефектоскопа представлена в приложении 1.

Схема состоит из генератора частоты, преобразователя уровня сигнала и счетчика /8/.

Генератор реализован на дифференциальном каскаде, организованном с помощью транзисторной сборки DA1. Нагрузкой дифференциального каскада является колебательный контур L1C3. Частота генерации зависит от резонансной частоты колебательного контура и, в некоторой степени, от режимного тока дифференциального каскада. Этот ток задается резистором R4.

Для преобразования низковольтного выходного сигнала дифференциального каскада к стандартным логическим уровням служат каскад по схеме с общим эмиттером на транзисторе VT2, операционный усилитель DA2 и компаратор DA3.

Дополнительный счетчик DD1 необходим для формирования сигнала со скважностью в точности раной 2 и пропорционального уменьшения частоты сигнала. Любой из выводов счетчика Q3-Q13 подключается непосредственно к микроконтроллеру. Номер вывода определяется исходя из необходимого коэффициента деления частоты сигнала.

 

2.4 Описание работы устройства


Устройство работает следующим образом.

Начало дефектоскопии инициируется программой компьютера, когда пользователь, установив наружное кольцо подшипника на ролики сканера, нажимает кнопку старта процесса дефектоскопии. Компьютер посылает сообщение-команду о начале контроля и переходит в режим приема данных от микроконтроллера.

Микроконтроллер, получив такую команду, сигнализирует блоку прокрутки о начале вращения детали и в фоновом режиме вычисляет угол поворота детали для определения момента останова вращения. По умолчанию, для повышения надежности результатов контроля, обойма должна совершить три оборота, но это значение может быть изменено из программы персонального компьютера.

Одновременно с этим микроконтроллер инициирует процесс опроса датчиков, т.е. измерение частоты генерации каждого датчика. Эти значения передаются в виде сообщения персональному компьютеру, который их сохраняет в памяти и проводит анализ.

Остановка процесса контроля происходит либо при достижении положенного числа оборотов, либо по команде пользователя. В последнем случае процесс дефектоскопии считается незавершенным.

3. Разработка программного обеспечения микроконтроллера

 

.1 Обзор ресурсов микроконтроллера AT90S2313

 

.1.1 Общая характеристика

Микроконтроллер AT90S2313 фирмы Atmel - экономичный 8 битовый КМОП микроконтроллер, построенный с использованием расширенной RISC архитектуры AVR. Исполняя по одной команде за период тактовой частоты, AT90S2313 имеет производительность около 1MIPS на МГц, что позволяет разработчикам создавать системы оптимальные по скорости и потребляемой мощности /9/.

В основе ядра AVR лежит расширенная RISC архитектура, объединяющая развитый набор команд и 32 регистра общего назначения. Все 32 регистра непосредственно подключены к арифметико-логическому устройству (АЛУ), что дает доступ к любым двум регистрам за один машинный цикл. Подобная архитектура обеспечивает десятикратный выигрыш в эффективности кода по сравнению с традиционными CISC микроконтроллерами.S2313 предлагает следующие возможности: 2кБ загружаемой флэш памяти; 128 байт EEPROM; 15 линий ввода/вывода общего назначения; 32 рабочих регистра; настраиваемые таймеры/счетчики с режимом совпадения; внешние и внутренние прерывания; программируемый универсальный последовательный порт; программируемый сторожевой таймер со встроенным генератором; SPI последовательный порт для загрузки программ; два выбираемых программно режима низкого энергопотребления. Холостой режим (Idle Mode) отключает ЦПУ, оставляя в рабочем состоянии регистры, таймеры/счетчики, SPI порт и систему прерываний. Экономичный режим (Power Down Mode) сохраняет содержимое регистров, но отключает генератор, запрещая функционирование всех встроенных устройств до внешнего прерывания или аппаратного сброса.

Микросхемы производятся с использованием технологии энергонезависимой памяти высокой плотности фирмы Atmel. Загружаемая флэш-память на кристалле может быть перепрограммирована прямо в системе через последовательный интерфейс SPI или доступным программатором энергонезависимой памяти. Объединяя на одном кристалле усовершенствованный 8-бито-вый RISC процессор с загружаемой флэш-памятью, AT90S2313 является мощным микроконтроллером, который позволяет создавать достаточно гибкие и эффективные по стоимости устройства.S2313 поддерживается полной системой разработки включающей в себя макроассемблер, программный отладчик/симулятор, внутрисхемный эмулятор и отладочный комплект.

 

3.1.2 Описание выводов

Расположение выводов микроконтроллера представлено на рис. 3.1.- вывод источника питания- земляB (PB7..PB0) - Порт B является 8-битовым двунаправленным портом ввода/вывода. Для выводов порта предусмотренны внутренние подтягивающие резисторы (выбираются для каждого бита). Выводы PB0 и PB1 также являются положительным (AIN0) и отрицательным (AIN1) входами встроенного аналогового компаратора. Выходные буферы порта B могут поглощать ток до 20мА и непосредственно управлять светодиодными индикаторами. Если выводы PB0..PB7 используются как входы и извне устанавливаются в низкое состояние, они являются источниками тока, если включены внутренние подтягивающие резисторы. Кроме того, Порт B обслуживает некоторые специальные функции.D (PD6..PD0) - является 7-битовым двунаправленным портом с внутренними подтягивающими резисторами. Выходные буферы порта D могут поглощать ток до 20мА. Как входы установленные в низкое состояние, выводы порта D являются источниками тока, если задействованы подтягивающие резисторы. Кроме того, Порт D обслуживает некоторые специальные функции.

Расположение выводов AT90S2313.

Рис. 3.1.

- Вход сброса. Удержание на входе низкого уровня в течение двух машинных циклов (если работает тактовый генератор), сбрасывает устройство.- Вход инвертирующего усилителя генератора и вход внешнего тактового сигнала.- Выход инвертирующего усилителя генератора.

 

3.1.3 Обзор архитектуры AT90S2313

Регистровый файл быстрого доступа содержит 32 8-разрядных регистра общего назначения, доступ к которым осуществляется за один машинный цикл. Поэтому за один машинный цикл исполняется одна операция АЛУ. Два операнда выбираются из регистрового файла, выполняется операция, результат ее записывается в регистровый файл - все за один машинный цикл.

Шесть из 32 регистров можно использовать как три 16-разрядных указателя в адресном пространстве данных, что дает возможность использовать высокоэффективную адресную арифметику (16-разрядные регистры X, Y и Z). Один из трех адресных указателей (регистр Z) можно использовать для адресации таблиц в памяти программ. Это X-, Y- и Z-регистры.

АЛУ поддерживает арифметические и логические операции с регистрами, с константами и регистрами. Операции над отдельными регистрами также выполняются в АЛУ.

Кроме регистровых операций, для работы с регистровым файлом могут использоваться доступные режимы адресации, поскольку регистровый файл занимает адреса $00-$1F в области данных, обращаться к ним можно как к ячейкам памяти.

Пространство ввода состоит из 64 адресов для периферийных функций процессора, таких как управляющие регистры, таймеры/счетчики и другие. Доступ к пространству ввода/вывода может осуществляться непосредственно, как к ячейкам памяти расположенным после регистрового файла ($20-$5F).

Процессоры AVR построены по гарвардской архитектуре с раздельными областями памяти программ и данных. Доступ к памяти программ осуществляется при помощи одноуровнего буфера. Во время выполнения команды, следующая выбирается из памяти программ. Подобная концепция дает возможность выполнять по одной команде за каждый машинный цикл. Память программ - это внутрисистемная загружаемая флэш-память.

При помощи команд относительных переходов и вызова подпрограмм осуществляется доступ ко всему адресному пространству. Большая часть команд AVR имеет размер 16-разрядов, одно слово. Каждый адрес в памяти программ содержит одну 16- или 32-разрядную команду.

При обработке прерываний и вызове подпрограмм адрес возврата запоминается в стеке. Стек размещается в памяти данных общего назначения, соответственно размер стека ограничен только размером доступной памяти данных и ее использованием в программе. Все программы пользователя должны инициализировать указатель стека (SP) в программе выполняемой после сброса (до того как вызываются подпрограммы и разрешаются прерывания). 8-разрядный указатель стека доступен для чтения/записи в области ввода/вывода.

Доступ к 128 байтам статического ОЗУ, регистровому файлу и регистрам ввода/вывода осуществляется при помощи пяти доступных режимов адресации поддерживаемых архитектурой AVR. Все пространство памяти AVR является линейным и непрерывным.

Гибкий модуль прерываний имеет собственный управляющий регистр в пространстве ввода/вывода, и флаг глобального разрешения прерываний в регистре состояния. Каждому прерыванию назначен свой вектор в начальной области памяти программ. Различные прерывания имеют приоритет в соответствии с расположением их векторов. По младшим адресам расположены векторы с большим приоритетом.

 

3.2 Разработка алгоритма работы


В дефектоскопе для определения наличия дефекта используется накладной вихретоковый преобразователь, который представляет собой катушку индуктивности. ВТП является одним из составляющих колебательного контура, частота генерации которого зависит от наличия или отсутствия дефекта. Таким образом, зная частоту генерации колебательного контура можно говорить о наличии или отсутствии дефекта.

Дефектоскопия всей детали подшипника организуется с помощью восьми вихретоковых преобразователей. Поэтому измерение частоты сигнала производится по восьми каналам одновременно.

Измерение частоты восьми сигналов задействует следующие ресурсы микроконтроллера AT90S2313:

-   восьмиразрядный порт ввода/вывода (PORT B);

-       шестнадцатиразрядный таймер (Timer 1);

-       регистры для временного хранения данных;

-       ОЗУ для хранения результатов измерения.

Блок-схема алгоритма измерения частоты приведена в приложении 2. На схеме обозначено:

-   PIN B - состояние входов порта B;

-       i - номер опрашиваемого датчика;

-       S - текущее значение таймера;

-       Si - значение таймера при предыдущем изменении i-го входа;

-       DSi - половина периода сигнала i-го датчика.

Процесс измерения частоты входных сигналов запускается после сброса и инициализации микроконтроллера. Алгоритм измерения основан на вычислении периода между фронтом и спадом сигнала, который измеряется с помощью шестнадцатиразрядного таймера. Значение периода для каждого датчика сохраняется в ОЗУ и может быть считано по запросу персонального компьютера. Результаты первых циклов работы алгоритма следует опускать, так как для установления процесса измерения требуется некоторое время.

Для перемещения детали относительно неподвижных датчиков используется электропривод. Управление электроприводом осуществляется с помощью двух линий семиразрядного порта ввода/вывода PORT D.

Включение и выключение электропривода определяется битом PD4 порта ввода/вывода PORT D. Состояние этого бита устанавливается персональным компьютером. Начало вращения задается установкой бита PD4 в единицу, а останов - в ноль.

Для регистрации вращения детали сканер формирует сигнал с частотой пропорциональной скорости вращения. В конечном счете, этот сигнал определяет угол поворота детали, который требуется персональному компьютеру для определения момента останова процесса дефектоскопии.

Текущий угол поворота детали определяется переменной в ОЗУ микроконтроллера. В начале вращения это значение обнуляется и затем при поступлении каждого импульса на линию PD3 порта PORT D инкрементируется. В любой момент это значение может быть прочитано персональным компьютером, для определения текущего угла поворота.

 

3.3 Выбор языка программирования


Важным этапом разработки программы микроконтроллера является выбор языка программирования. От правильного выбора языка зависят такие параметры как скорость разработки, эффективность написанного кода и эффективность использования ресурсов микроконтроллера.

На сегодняшний день существует два распространенных языка программирования C и Assembler. В таблице 3.1 приведена краткая характеристика каждого из этих языков.

Таблица 3.1

Краткая характеристика языков программирования микроконтроллера

Свойство

Язык C

Язык Assembler

Удобство работы

высокое

зависит от опыта

Скорость разработки программы

высокая

средняя

Переносимость программы на другие процессоры

хорошая

низкая

Читаемость кода программы

хорошая

низкая

Эффективность кода программы

низкая

высокая

Эффективность использования ресурсов микроконтроллера

низкая

высокая

Объем исполняемого кода

большой

небольшой

Возможность оптимизации программы

низкая

высокая


На основании таблицы 3.1 можно сделать выбор в пользу языка программирования Assembler, так как этот язык позволяет эффективно использовать ресурсы микроконтроллера и существенно уменьшить объем исполняемого кода. Следует также учитывать большой опыт работы автора с этим языком программирования.

 

3.4 Описание программы


Программа микроконтроллера состоит из трех блоков:

-   блок инициализации после сброса (инициализация портов ввода/вывода, таймера, регистров, ОЗУ и UART);

-       основной блок программы (измерение частоты сигналов, управление электроприводом);

-       блок связи с ПК (обработка сообщений-команд, посылка сообщений-ответов).

Реализация блока инициализации тривиальна, поэтому наибольший интерес представляет анализ основного блока программы и блока связи с ПК. В этом подразделе будет рассмотрен основной блок программы микроконтроллера. Листинг этого блока приведен в приложении 3.

Процесс измерения частоты инициализируется после перехода управления на метку P_BEGIN. В дальнейшем измерение частоты происходит постоянно вне зависимости от состояния процесса дефектоскопии.

На первом этапе работы основного блока программы производится чтение значений таймера и входов порта PORT B. Затем сравнивается значения входов порта с предыдущим значением. Сравнение осуществляется с помощью команды EOR (исключающее ИЛИ). Если значение бита не изменилось, то результатом операции будет нулевое значение этого бита, если изменилось - ненулевое.

Опрос состояния каждого бита результата происходит в теле цикла P_MAIN_LOOP2. Количество выполнений цикла равно количеству каналов дефектоскопа и задается переменной r_NUMDATCH. При каждом выполнении тела цикла эта переменная уменьшается на единицу. Цикл работает до тех пор, пока переменная цикла не станет равной нулю.

Во время опроса бита определяется его состояние и если опрашиваемый бит, равен единице, то вычисляется разность между текущим и прошлым значением счетчика таймера. Полученная разность является временем между фронтом и спадом сигнала, т.е. половиной периода сигнала. Это значение сохраняется в массиве ОЗУ и может быть прочитано по запросу персонального компьютера.

Управление электроприводом организовано в виде процедур, которые вызываются при обработке сообщений-команд персонального компьютера. Эти процедуры изменяют бит PD4 порта ввода/вывода PORT D в соответствии с их алгоритмом работы. Процедура P_START устанавливает бит PD4 в единицу, запуская электропривод, а процедура P_STOP - в нуль, т.е. останавливает вращение.

Для подсчета угла поворота детали используется прерывание по фронту импульса. Обработчик этого прерывания, процедура P_CORNER_CNT, при каждом вызове увеличивает счетчик угла поворота на единицу и сохраняет это значение в ОЗУ. При каждом вызове процедуры P_START значение счетчика угла поворота обнуляется, и отсчет начинается заново.

4. Разработка программного обеспечения персонального компьютера

 

.1 Выбор системы разработки программного обеспечения


На сегодняшний день наиболее распространенной операционной системой для IBM-совместимых ПК является Windows. Поэтому программное обеспечение дефектоскопа должно работать под управлением этой ОС.

Среда разработки программы дефектоскопа для ПК должна удовлетворять следующим требованиям:

-   поддержка распространенного языка программирования;

-       возможность создания исполняемых программных файлов EXE;

-       полный доступ к функциям Windows API;

-       поддержка разработки баз данных.

Существует несколько распространенных систем разработки программного обеспечения для Windows, удовлетворяющих этим требованиям:

-   Borland C++Builder;

-       Delphi;

-       Borland C++;

-       MS Visual C++;

-       MS Visual Basic.

Учитывая опыт работы автора с языком программирования C++ и эффективность программ на C++, а также удобство работы с библиотекой VCL, для разработки программы персонального компьютера использован пакет Borland C++Builder.

 

4.2 Обзор возможностей системы C++Builder


C++Builder предназначен для быстрой разработки приложений RAD (Rapid Application Development), построенных на современном фундаменте объектно-ориентированного программирования (ООП) /10/.

Основой C++Builder является библиотека визуальных компонент VCL. VCL приобрела статус нового промышленного стандарта и в настоящее время применяется более чем полумиллионом пользователей, существенно ускоряя разработку надежных приложений любой степени сложности. VCL содержит около 100 повторно используемых компонент, которые реализуют все элементы пользовательского интерфейса операционной системы Windows. Кроме того, VCL предоставляют в распоряжение программистов такие оригинальные объекты, как записные книжки с закладками, табличные сетки для отображения содержимого баз данных и даже органы управления устройствами мультимедиа. Находясь в среде объектно-ориентированного программирования C++Builder, компоненты можно использовать непосредственно, менять их свойства, облик и поведение или порождать производные элементы, обладающие нужными отличительными характеристиками.

Профессиональные средства языка C++ интегрированы в визуальную среду разработки. C++Builder предоставляет быстродействующий компилятор с языка Borland C++, эффективный инкрементальный загрузчик и гибкие средства отладки как на уровне исходных инструкций, так и на уровне ассемблерных команд.

Оптимизирующий 32-разрядный компилятор, который построен по проверенной ведущей компиляторной технологии корпорации Borland, обеспечивающей исключительно падежную и быструю оптимизацию, как длины выходного исполняемого кода, так и расходуемой памяти.

Инкрементальный линкер осуществляет быструю и надежную сборку приложения в формате ЕХЕ файлов сравнительно меньшего размера. Автоматически устраняя повторную сборку не изменившихся исходных объектных файлов и подключение неиспользуемых функций, инкрементальный линкер строит эффективную выполняемую программу с минимальными потерями времени.

Разработка по способу "drag-and-drop" многократно упрощает и ускоряет обычно трудоемкий процесс программирования систем управления базами данных (СУБД) в архитектуре клиент/сервер. Широкий выбор компонент управления визуализацией и редактированием позволяет легко изменять вид отображаемой информации и поведение программы.

Механизм BDE (Borland Database Engine) поддерживает высокопроизводительный 32-разрядный доступ к базам данных dBASE, Paradox, Sybase, Oracle, DB2, Microsoft SQL Server, Informix, InterBase и Local InterBase. C++Builder использует контроллер ODBC (Open Database Connectivity) производства Microsoft для связи с серверами баз данных Excel, Access, FoxPro и Btrieve.

 

4.3 Составляющие программы персонального компьютера


Программа персонального компьютера представляет собой приложение Windows обеспечивающее:

-   связь с устройством дефектоскопирования;

-       обработку данных поступивших от микроконтроллера;

-       управление процессом дефектоскопирования;

-       визуализацию результатов контроля;

-       обработку команд пользователя;

-       управление базой данных.

Решение этих задач организуется с помощью трех потоков, выполняемых параллельно: потока связи, потока дефектоскопии и потока VCL.

Поток представляет собой конкретную последовательность команд, выполняемую в рамках процесса (программы выполняемой в Windows). Каждый процесс имеет, по крайней мере, один поток, называемый главным потоком. Кроме того, процесс может запускать любое количество вторичных потоков, которые выполняются параллельно и решают свои задачи /11/.

В Windows-приложениях различают два вида потоков: потоки пользовательского интерфейса обрабатывают сообщения Windows, и поэтому могут создавать элементы пользовательского интерфейса и выполнять с ними различные действия. Рабочие потоки не обрабатывают сообщений Windows и используются для выполнения фоновых задач.

Главным потоком программы дефектоскопа является поток VCL, который также является потоком пользовательского интерфейса. Он обрабатывает команды пользователя и отображает информацию о процессе дефектоскопии в окне программы.

Поток дефектоскопии обеспечивает проведение контроля детали, т.е. обработку данных и управление электроприводом. Данные для обработки поток дефектоскопии получает от потока связи, который предназначен для передачи сообщений-команд по запросу других потоков и приема сообщений-ответов от устройства.

Работа с базой данных реализуется через механизм BDE, который является посредником между программой дефектоскопа и непосредственно данными. Результаты контроля заносятся в базу данных потоком дефектоскопии, а отображение данных и навигация по базе осуществляется потоком VCL.

Схема обмена данными между потоками изображена на рисунке 4.1.

Схема обмена данными в программе персонального компьютера

Рис. 4.1

4.4 Описание основной части программы


При рассмотрении алгоритмов работы потоков программы наибольший интерес представляет алгоритм работы потока дефектоскопии. Листинг этого блока программы приведен в приложении 4.

Поток дефектоскопии начинает свою работу по команде пользователя «Начало дефектоскопии» и останавливается либо при завершении процесса контроля, либо по команде «Остановка дефектоскопии». В последнем случае процесс контроля считается незавершенным.

Работа потока начинается с установки параметров дефектоскопии. Поскольку эти параметры устанавливаются пользователем, то возможностью их чтения обладает только поток VCL. Поэтому для чтения параметров используется функция синхронизации потоков Synchronize(ReadMainForm).

Следующим этапом работы потока дефектоскопии является настройка на деталь. Производится пять попыток чтения периода сигнала от датчиков, а затем вычисляется среднее значение периода. Таким образом, определяется эталонное значение, необходимое для поиска дефектов.

Включение вращения электропривода осуществляется посылкой соответствующего сообщения-команды микроконтроллеру устройства. После включения электропривода запускается цикл поиска дефектов, который выполняется до тех пор, пока не будет достигнут заданный угол поворота детали или процесс не будет прерван пользователем.

В теле цикла производится вычисление разности эталонного значения и значения полученного от устройства. Если модуль этой разности больше порогового значения, то делается вывод о наличии дефекта и запоминается его расположение.

При достижении требуемого угла поворота вызывается функция записи результатов контроля. Для этого используется функция Synchronize(SetResult). Запись результатов контроля подразумевает вывод результатов на главную форму и запись результатов в базу данных дефектоскопии.

 

4.5 Описание системы управления базой данных


Все приложения систем управления базами данных (СУБД), создаваемые в среде C++Builder, являются клиентами в архитектуре программного взаимодействия клиент/сервер. Клиент выдает запросы к серверу базы данных на получение или передачу информации. Сервер обрабатывает запросы от множества клиентов одновременно, координируя доступ к данным и их обновление.

Работа с базой данных основана на низкоуровневом ядре - процессоре баз данных Borland Database Engine (BDE). Ключевой механизм BDE (Borland Database Engine), обеспечивающий работу визуальных компонент баз данных, действует как интерфейс между приложением и самой базой данных. BDE реализован в виде набора системных DLL файлов. Взаимодействие компонентных объектов с BDE никак не специфицирует конкретную базу данных и не зависит от реализации обмена информацией на нижнем уровне иерархии. Именно BDE обращается в свою очередь к драйверам, специфическим для базы данных указанного типа, возвращая приложению запрошенные фактические данные.

База данных дефектоскопа представляет собой базу данных, хранимую в любом формате, поддерживаемом BDE. Она может храниться как на удаленном компьютере, так и на компьютере пользователя. Для работы программы с базой необходимо зарегистрировать базу данных в системе Windows под псевдонимом Defectoscope.

Записи базы данных дефектоскопа создаются автоматически при завершении процесса контроля. Каждая запись содержит следующую информацию:

-   номер акта дефектоскопирования;

-       имя пользователя, проводившего дефектоскопирование;

-       номер дефектоскопируемой обоймы;

-       дата и время дефектоскопирования;

-       продолжительность дефектоскопирования;

-       угол поворота детали;

-       количество обнаруженных дефектов;

-       расположение обнаруженных дефектов;

-       порог срабатывания для каждого из датчиков.

Все поля записи заполняются программой автоматически, без участия пользователя. Для добавления и удаления записей, а также перемещения по ним программа использует стандартные функции C++Builder, предоставляемые механизмом BDE.

Все записи базы данных доступны для просмотра, но недоступны для редактирования. Единственная возможность пользователя исправить допущенную им ошибку - это удалить всю запись целиком и провести дефектоскопирование снова. Запрет на редактирование записей базы введен для исключения возможности фальсификации результатов дефектоскопирования.

4.6 Порядок работы с программой дефектоскопа


При каждом запуске программа дефектоскопа выводит на экран окно идентификации пользователя (рис. 4.2), в текстовые поля которого требуется ввести имя пользователя системой дефектоскопирования и пароль пользователя. В дальнейшем имя пользователя используется программой для сохранения результатов контроля в базе данных.

Окно идентификации пользователя

Рис. 4.2

После входа в систему пользователь может начать работу с дефектоскопом. Для начала дефектоскопирования необходимо вызвать команду главного меню «Начало дефектоскопии» или нажать соответствующую кнопку на панели инструментов. После этого программа запросит номер дефектоскопируемой обоймы (рис. 4.3). Пользователь может либо ввести требуемый номер, либо отменить дефектоскопирование.

Окно ввода номера обоймы

Рис. 4.3

Текущее состояние процесса дефектоскопии отображается на вкладке «Процесс дефектоскопии» главного окна (рис. 4.4).

Вкладка «Процесс дефектоскопии»

Рис. 4.4

На вкладке «Процесс дефектоскопии» отображаются: текущий сканируемый сектор детали, расположение датчиков в сечении кольца, наличие дефектов в каждом из секторов детали, номер дефектоскопируемой обоймы, количество дефектов, продолжительность дефектоскопии.

При появлении дефектов соответствующие датчики начинают мигать, сигнализируя пользователю о наличии дефектов.

Остановка процесса дефектоскопии осуществляется выбором команды меню «Остановка дефектоскопии» или нажатием кнопки панели инструментов.

Для настройки параметров дефектоскопирования необходимо переключиться на вкладку «Параметры дефектоскопии» (рис. 4.5).

Вкладка «Параметры дефектоскопии»

Рис. 4.5

устройство дефектоскопирование алгоритм компьютер

С помощью этой вкладки можно настраивать порог срабатывания для каждого из восьми датчиков. Порог задается в процентах от эталонного значения, вычисляемого при настройке на деталь. Максимальное значение порога 30%, минимальное 5%.

Пользователь может изменить количество полных оборотов детали, наличие звуковой индикации дефекта и наличие сообщения о дефекте в виде окна диалога. С помощью вкладки «Параметры дефектоскопии» можно также определить необходимость сохранения результатов контроля в базе данных дефектоскопа.

Просмотр записей базы данных осуществляется при переключении на вкладку «База данных дефектоскопии» (рис. 4.6).

Вкладка «База данных дефектоскопии»

Рис. 4.6

Навигация по записям базы возможна либо с помощью команд главного меню, либо при помощи кнопок навигации, расположенных в нижней части окна. Редактирование записей невозможно, однако возможно удаление записи целиком с помощью кнопки «Удалить».

5. Сопряжение устройства с персональным компьютером

 

.1 Выбор способа сопряжения устройства с персональным компьютером


При выборе способа сопряжения периферийного устройства с персональным компьютером необходимо учитывать следующее:

-   надежность и эффективность работы организуемой сети;

-       возможность использования имеющихся портов ПК (COM, LPT, USB);

-       соответствие наиболее распространенным промышленным стандартам;

-       возможность быстрого расширения организуемой сети, без реорганизации ее структуры.

Существует большое количество типов локальных сетей удовлетворяющих этим требованиям. Однако в последнее время негласным промышленным стандартом стали командно-информационные сети - сети, основанные на использовании интерфейсов RS-232С и RS-485.

 

5.2 Основные понятия о командно-информационных сетях

 

.2.1 Принципы построения командно-информационных сетей

Командно-информационные сети (Command-Informational LAN - CI LAN) - локальные сети, состоящие только из одного персонального компьютера (PC) и одного или нескольких микроконтроллеров, которые принято называть периферийными станциями (Peripheral Stations - PS).

Основным принципом работы CI LAN является то обстоятельство, что единственный в сети PC играет роль генератора команд для всех микроконтроллеров и получателя всей информации от них, отсюда и название - «командно-информационные сети». Другими словами, инициатором любых процессов в CI LAN может быть только PC. Станции (микроконтроллеры) лишь получают и распознают команды, исполняют их, производят первичную обработку и, если необходимо, передают данные в PC. В некоторых CI LAN делается одно исключение для аварийных ситуаций, когда одна или несколько PS могут генерировать сигнал аварии.

На PC, как на наиболее мощный и оснащенный периферией элемент сети, возлагаются задачи по вторичной обработке и сохранению данных, их интерпретации и визуализации. Микроконтроллеры PS измеряют различную аналоговую информацию или получают дискретную информацию от других приборов, производят первичную обработку данных, управляют различными исполнительными устройствами, производят автотестирование, а также передают необходимые данные в PC.

Рассмотрим основные требования, предъявляемые к CI LAN:

-   с целью снижения стоимости системы и обеспечения взаимозаменяемости в составе CI LAN используются PC в стандартной конфигурации (т. е. имеющие два порта RS-232С, один из которых, как правило, занят), а связь осуществляется через свободный порт RS-232C;

-       желательно использовать либо стандартные компьютерные кабели с разъемами типа DB9, либо "витую пару", либо четырехжильные телефонные экранированные кабели, т. к. наиболее дорогостоящим и трудоемким элементом современных LAN является кабель передачи данных - сетевая среда (Transmission Medium - ТМ);

-       желательно ограничивать длину LAN до минимума из-за того, что общая длина сетевой среды влияет на скорость передачи данных;

-       важнейшим требованием к CI LAN, работающим в условиях сильных электромагнитных и электростатических полей или в лабораторных условиях, является наличие гальванической развязки периферийных станций от сетевой среды;

-       с целью снижения стоимости и объема аппаратных затрат в CI LAN, в основном, используются два типа интерфейсов: RS-232C и RS-485.

Структурная схема (топология) CI LAN приведена на рис. 5.1.

Топология CI LAN

Рис. 5.1

Типичная CI LAN содержит:

-   PC - персональный компьютер;

-       DPC (Dispatcher PC) - диспетчер PC;

-       TM (Transmission Medium) - сетевую среду;

-       S1...SN - станции;

-       DS (Station Dispatcher) - диспетчеры станций.

Диспетчер PC - узел, согласующий порт RS-232C персонального компьютера с сетевой средой. Если CI LAN строится на базе протокола RS-485, то DPC оптически изолирует порт RS-232С персонального компьютера и преобразует интерфейс RS-232С в интерфейс RS-485. В случае построения CI LAN на базе протокола RS-232C, узел не является обязательным и, по сути, оптически изолирует некоторые сигналы интерфейса RS-232C.

Диспетчер станции DS преобразует сигналы RS-232C или RS-485 во внутренние сигналы станции. Как правило, каждый DS имеет два одинаковых разъема DB9F (Xi.1 и Xi.2), соединенных параллельно. Сетевая среда в CI LAN выполняется в виде кабелей с однотипными разъемами DB9V одинаковой либо разной длины, соединяемых последовательно. Это позволяет легко и оперативно модифицировать сеть.

Различают малые (до 16 станций), средние (до 32 станций) и большие (до 128 станций) CI LAN. Малые CI LAN можно реализовать на базе интерфейсов RS-232C и RS-485, остальные - только на базе RS-485.

 

5.2.2 Функционирование командно-информационных сетей

Общая программа работы всей CI LAN находится на персональном компьютере. Он в заданные моменты времени выдает в сеть определенную последовательность байтов, называемую фреймом команды (Command Frame); все станции одновременно принимают фрейм команды; одна из них определяет, что фрейм адресован ей, и выполняет предписанные действия, после чего передает в PC фрейм ответа. Остальные станции, определившие, что принятый командный фрейм адресован не им, игнорируют его и ждут поступления следующего командного фрейма.

Отметим также некоторые особенности работы сетей на базе интерфейсов RS-232C и RS-485. Напомним, что интерфейс RS-232C имеет отдельные линии передачи TxD и приема RxD данных. Поскольку команды в CI LAN передает только PC, он монопольно использует линию TxD, и, следовательно, на этой линии конфликты от одновременного включения нескольких передатчиков невозможны. При этом PC не имеет возможности контролировать передачу. Линия RxD используется всеми контроллерами, которые подключены к ней своими выходами. В случае нормальной работы аппаратуры и программного обеспечения станций, конфликтов на линии быть не должно, но при сбоях возможны конфликты вследствие одновременного подключения к линии нескольких передатчиков. Таким образом, линия RxD является линией со случайным (со стороны контроллеров) доступом и программным (со стороны PC) анализом конфликтов.

При использовании интерфейса RS-485 данные передаются по двум проводам, как в прямом, так и в обратном направлении, т. е. конфликты возможны как при передаче команд, так и "приеме данных. За всеми конфликтами в сети следит PC. В этом случае вся сеть является сетью со случайным доступом и программным анализом конфликтов. Кроме того, все участники такой сети (и PC, и PS) должны обеспечивать отключение своих передатчиков в перерывах между передачами и анализировать незанятость сети перед попыткой передачи.

Таким образом, информационно-командный принцип построения LAN предполагает следующие основные режимы обмена данными:

-   получение любой из периферийных станций PS заданий от PC;

-       передача в PC результатов измерений от любой станции PS (по запросу от PC);

-       выполнение любой станцией PS самотестирования по команде PC с передачей результатов тестирования обратно в PC;

-       передача в PC информации об аварийных ситуациях по инициативе любой станции PS.

 

5.3 Применение командно-информационных сетей для сопряжения дефектоскопа с персональным компьютером


Задача сопряжения дефектоскопа и персонального компьютера представляет собой задачу построения командно-информационной сети с одной периферийной станцией. Структура дефектоскопа предполагает, что устройство обеспечивает измерение и оцифровку информации, а ПК обработку и визуализацию этой информации. Такая схема взаимодействия хорошо укладывается в рамки командно-информационной сети.

Кроме того, большое значение имеет возможность увеличения числа периферийных станций. Такая возможность понадобиться для подключения нескольких устройств, поддерживающих интерфейс CI LAN, к одному персональному компьютеру. В этом случае, персональный компьютер будет выступать в роли устройства централизованного управления производственным процессом.

Учитывая вышесказанное можно говорить о целесообразности применения командно-информационных сетей для сопряжения разрабатываемого устройства с персональным компьютером.

 

5.4 Электрическая часть командно-информационной сети


В качестве базового интерфейса CI LAN будем использовать интерфейс RS-485, как более надежный и помехоустойчивый чем RS-232C.

 

5.4.1 Диспетчер персонального компьютера

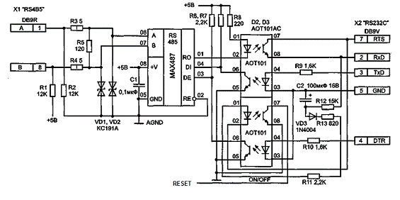
На диспетчеров персонального компьютера (DPC) возлагаются две основные функции: сформировать сигналы среды передачи данных (ТМ) и обеспечить гальваническую развязку PC.

На рис. 5.2 представлена схема DPC для сети на базе протокола RS-485.

Диспетчер персонального компьютера

Рис. 5.2

Входная часть DPC изображена справа и подключается к PC с помощью разъема Х2. В связи с особенностями построения CI LAN на базе интерфейса RS-485, в этом DPC реализованы дополнительные функции программно-аппаратного сброса всех контроллеров сети и отключения выхода диспетчера.

Питание и управление входной части осуществляется от выходных линий порта RS-232C персонального компьютера. При этом предполагается, что в рабочем режиме (приема и передачи данных) на линии RTS должно быть установлено положительное напряжение, а на линии DTR - отрицательное напряжение. Величины этих напряжений определяются исполнением материнской платы персонального компьютера и могут составлять от 9 до 12В соответствующей полярности.

Учитывая то, что, в соответствии с алгоритмом работы CI LAN, передатчик PC закрывается на достаточно короткие промежутки времени, отключение выхода передатчика осуществляется при переводе сигнала DTR в состояние H. При этом положительное напряжение с линии DTR через резистор R10 включает светодиод нижней оптопары D3, а коллектор транзистора этой оптопары переводит вход управления драйвера DE в состояние L, что, соответственно, переводит выходы передатчика в высокоимпедансное состояние.

Состояние RTS=L и DTR=H приводит к включению светодиода верхней оптопары D3. Коллектор ее транзистора переводит при этом в состояние L вывод RESET, который осуществляет аппаратный сброс микроконтроллеров.

Выходная часть DPC реализована на микросхеме МАХ487. Резистор R5 должен иметь сопротивление 120 Ом. Он устанавливается в RS-485 сетях на двух концах ТМ.

Так как согласно топологии CI LAN диспетчер PC всегда устанавливается на одном из концов ТМ, резистор R5 должен быть установлен всегда. Резисторы R1, R2 служат для "привязки" уровней линий "А" (к земле) и "В" (к питанию), для уменьшения времени переходных процессов в случае, когда все передатчики сети закрыты. Резисторы R3, R4 и стабилитроны VD1, VD2 являются простейшей защитой от импульсных помех, возникающих в достаточно протяженных сетях или в сетях, работающих в условиях мощных электромагнитных помех.

 

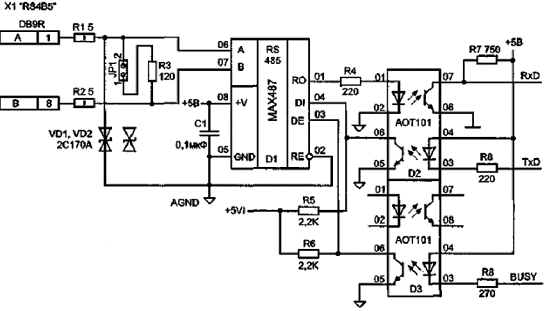
5.4.2 Диспетчер периферийной станции

На рис. 5.3 показана схема диспетчера станции CI LAN на базе интерфейса RS-485. Эта схема аналогична выходной части схемы, приведенной на рис. 5.2. Она используется во многих сетях на базе интерфейса RS485. Приведенная схема имеет защиту входных цепей, аналогичную показанной на рис. 5.2. Во входные цепи введена перемычка JP1, которая устанавливается на самом последнем контроллере для согласования сети. Отключение выходов передатчиков сети осуществляется переводом вывода BUSY микроконтроллера в состояние L. При этом включается нижняя оптопара D3 и вывод DE приемопередатчика D1 переводится в состояние L, что, соответственно, переводит выходы передатчика в высокоимпедансное состояние.

Диспетчер периферийной станции

Рис. 5.3

5.5 Программная часть командно-информационной сети

 

.5.1 Формат фреймов

Информация в CI LAN передается в виде фреймов (Frame) -определенной последовательности байтов команды (от PC) и ответа (от PS). Существует стандартный формат фреймов, описанный во многих документах для локальных сетей /12/, позволяющий работать с фреймами произвольной длины. Однако этот формат в CI LAN используется достаточно редко из-за громоздкости его обработки, избыточности и снижения производительности CI LAN при его применении. Для связи устройства и персонального компьютера используется наиболее часто применяемый вариант форматов фреймов.

Формат фрейма команды приведен в таблице 5.1.

Таблица 5.1

Формат фрейма команды

№ байта

Наименование

Значение

В0

Преамбула

10101010

В1

Адрес станции

Address

В2

Код команды

Command

ВЗ

Младший байт данных

Low Data Byte

В4

Старший байт данных

High Data Byte

В5

Контрольная сумма

S(B0...B4)


Первый байт (В0) - преамбула - байт синхронизации. Второй байт (В1) содержит адрес станции, которой персональный компьютер направляет команду.

Код команды - код операции, которую должен выполнить адресуемый контроллер (станция). Далее следуют два байта данных. Если во фрейме конкретной команды данные не нужны, - соответствующие байты заменяются нулями.

Формат фрейма ответа (таблица 5.2) очень похож на формат фрейма команды, за исключением поля В2, в котором содержится код ответа на полученную команду.

Таблица 5.2

Формат фрейма ответа

№ байта

Наименование

Значение

В0

Преамбула

10101010

В1

Address

В2

Код ответа

Answer

ВЗ

Младший байт данных

Low Data Byte

В4

Старший байт данных

High Data Byte

В5

Контрольная сумма

S(B0...B4)


Коды используемых команд и ответов приведены в таблице 5.3.

Таблица 5.3

Коды команд и ответов

Код

Назначение

Мл. байт данных

Ст. байт данных

Команда 1

Чтение значения периода сигнала

номер канала (датчика)

0

Ответ 1

Передача значения периода сигнала

мл. байт значения

ст. байт значения

Команда 4

Чтение значения угла поворота

0

0

Ответ 4

Передача значения угла поворота

мл. байт значения

ст. байт значения

Команда 6

Включение электропривода

0

0

Ответ 6

Электропривод включен

0

0

Команда 9

Выключение электропривода

0

0

Ответ 9

Электропривод выключен

0

0

 

5.5.2 Алгоритм работы командно-информационной сети

Контроллер станции все время готов принять фрейм команды. Как только фрейм принят, станция сравнивает адрес фрейма (В1) со своим уникальным адресом, который "зашит" в ROM микроконтроллера. Если адрес принятого фрейма не соответствует индивидуальному адресу станции, фрейм игнорируется, никакие действия не производятся, и станция ожидает приема следующего фрейма.

Если же адрес фрейма совпал с индивидуальным адресом станции, станция рассчитывает контрольную сумму первых пяти байт и сравнивает с принятым байтом В5. Контрольная сумма обычно считается упрощенно, все байты суммируются побитно по модулю 2. Если контрольная сумма не совпала, фрейм игнорируется и ожидается прием нового фрейма, в противном случае анализируется код команды, выполняются предписанные ей действия, формируется фрейм ответа в соответствии с таблицей 5.2, и производится передача фрейма ответа.

В случае неполучения фрейма ответа, персональный компьютер повторяет команду пять раз. Если после нескольких попыток никакого ответа не получено, то PC выдает сообщение оператору сообщение об аварии сети.

 

5.5.3 Программа микроконтроллера

Листинг блока программы, обеспечивающего связь с персональным компьютером, приведен в приложении 5. Этот блок состоит из трех подпрограмм:

-   обработка прерывания «Байт данных принят»;

-       обработка прерывания «Регистр данных пуст»;

-       подпрограмма обработки фрейма команды и формирования фрейма ответа.

Прием фрейма команды организован с помощью прерывания UART «Байт данных принят». Обработчик прерывания запускается каждый раз, когда на вход приемника поступает байт данных. Этот байт считывается из порта ввода/вывода UDR и сохраняется в ОЗУ микроконтроллера. Микроконтроллер увеличивает счетчик принятых байтов, который указывает на номер байта в принятом фрейме и когда счетчик достигает значения 5, то он обнуляется и фрейм считается принятым полностью. В этом случае вызывается процедура обработки фрейма команды и формирования фрейма ответа.

Первым шагом подпрограммы обработки фрейма команды является проверка соответствия поля Address индивидуальному адресу устройства. Если эти значения не совпадают, то выполняется команда возврата из подпрограммы RET. На следующем этапе выполняется проверка контрольной суммы, которая организуется с помощью команды побитового сложения EOR (исключающее ИЛИ). Результатом побитового сложения всех полей фрейма должно быть нулевое значение, иначе обработка фрейма команды прекращается.

Для идентификации команды используется оператор сравнения CPI. Если поле Command фрейма и проверяемый код равны, то происходит вызов процедуры отвечающей за обработку соответствующей команды. Иначе происходит переход к оператору идентификации следующего кода команды.

При формировании ответа заполняются поля преамбула, номер устройства, код ответа и контрольная сумма. Байты данных, если это необходимо, заполняются при выполнении процедуры обработки команды.

После заполнения полей фрейма ответа микроконтроллер переводит вывод BUSY в состояние H, устанавливает единичное значение счетчика переданных байтов и инициализирует передачу первого байта фрейма.

Завершение передачи байта сопровождается выполнением подпрограммы обработки прерывания «Регистр данных пуст». Подпрограмма отправляет следующие байты до тех пор, пока не будет достигнут конец фрейма ответа. После этого вывод BUSY переводится в состояние L и процесс передачи заканчивается.

 

5.5.4 Программа персонального компьютера

Передача данных в программе персонального компьютера организуется специально создаваемым потоком TCOMThread. Листинг этого блока программы приведен в приложении 6.

Задачей потока TCOMThread является отправка сообщений-команд по запросу других потоков программы и получение сообщений-ответов от периферийных станций. Поток создается в обработчике события OnCreate главной формы. При этом начинается выполнение функции Execute() и продолжается до тех пор, пока переменная Terminated не станет равной значению true.

Выполнение функции Execute() начинается с установки параметров порта RS-232C. Устанавливаются такие параметры как скорость передачи, назначение некоторых линий, количество стоповых бит, наличие проверки на четность, максимально возможные задержки при передаче.

Дальнейшее выполнение процедуры продолжается в цикле, организуемом с помощью оператора while. Этот цикл выполняется до тех пор, пока переменная Terminated не станет равной значению true. В теле цикла содержатся операторы, обеспечивающие передачу и прием фреймов.

Передача и прием данных осуществляется функциями WriteFile и ReadFile, которым вместо дескриптора файла передается дескриптор используемого COM-порта. Этот дескриптор создается при обработке события OnCreate главной формы.

Для синхронизации потоков программы используются объекты «Событие» (putincom и outfromcom) и «Критический раздел» (busycom).

В этом случае последовательность действий потока, которому необходимо передать фрейм периферийной станции, следующая:

-   захват критического раздела busycom;

-       установка переменных для передачи;

-       установка события putincom, сигнализирующего потоку TCOMThread о появлении данных для передачи;

-       ожидание установки события outfromcom, которое сигнализирует о приеме фрейма ответа;

-       освобождение критического раздела busycom.

Последовательность действий потока TCOMThread:

-   ожидание установки события putincom;

-       передача фрейма команды;

-       ожидание ответа от периферийной станции;

-       установка переменных ответа;

-       установка события outfromcom.

Если поток TCOMThread не получил ответа от периферийной станции или контрольная сумма фрейма ответа не совпала, то в переменную error записывается код соответствующей ошибки, иначе переменная error обнуляется.

Такой алгоритм взаимодействия потоков программы наиболее эффективен и незначительно загружает вычислительные ресурсы процессора. Кроме того, он позволяет нескольким потокам работать с COM-портом одновременно, не уменьшая эффективность работы.

6. Определение затрат на разработку устройства

 

.1 Общие принципы определения себестоимости


Под себестоимостью изделия понимаются расходы предприятия по его изготовлению и реализации. При проектировании нового или модернизации существующего устройства в себестоимость включаются затраты на проведение научных исследований, проектных и конструкторских работ. Структура затрат и их величина определяются условиями изготовления проектируемого устройства /13/.

При изготовлении проектируемого изделия на приборостроительном заводе затраты на проектирование и макетирование устройства планируются не индивидуально по каждому виду изделия, а принимаются в определённом проценте в составе внепроизводственных или прочих расходов.

При расчете затрат учитываются условия (лабораторные или заводские) и этапы проектирования, а также наличие предварительных работ по этой теме.

В затраты на научно-исследовательские работы включаются прямые и косвенные расходы. Прямые затраты связаны с выполнением отдельных тем и заказов. Это затраты на материалы и специальное оборудование для научных и экспериментальных работ; основная и дополнительная заработная плата производственных рабочих, научных и инженерно-технических работников, непосредственно занятых выполнением научно-исследовательских работ; на приобретение и подготовку материалов специальной научно-технической информации; на выплату премий работникам, заработная плата которых относится на прямые расходы и т.д.

Косвенные расходы не относятся к конкретным темам, их величина принимается в определенной доле к прямым расходам или их части.

6.2 Расчет затрат на сырье, материалы, комплектующие изделия


Расчеты по статьям затрат для всех условий изготовления производим методом непосредственного расчета.

Затраты на комплектующие изделия определяем в оптовых ценах предприятия. Количество покупных изделий и полуфабрикатов определяем по данным конструкторских расчетов важнейших узлов разрабатываемого устройства и по спецификации к принципиальной схеме устройства.

Расчет затрат на покупные изделия и полуфабрикаты приведен в таблице 6.1.

Таблица 6.1

Покупные изделия и полуфабрикаты

Наименование комплектующих

Марка, тип изделия

Цена за ед., руб.

Кол.

Сумма затрат, руб.

Микроконтроллер

AT90S2313

125,00

 1

125,00

Микросхема

ADM232LTN

51,00

 1

51,00

Микросхема

78LR05

18,00

 1

18,00

Микросхема

К544УД2

140,00

 8

1120

Микросхема

К561ИЕ16

8,00

 8

64,00

Микросхема

К561КТ3

7,00

 2

14,00

Микросхема

К159НТ1

40,00

 8

320,00

Транзистор

КТ209

1,50

16

24,00

Кварцевый резонатор


60,00

 1

60,00

Резистор


0,40

88

35,20

Конденсатор


0,20

48

9,60

Светодиод


8,90

1

8,90

Трансформатор


75,00

1

75,00




Итого:

1730,70


При расчете затрат на вспомогательные материалы учитываем только те, расход которых можно определить прямым путем. Так, расход припоя на монтажно-сборочные работы рассчитываем из норм расхода на 100 паек. Расход канифоли принимаем в размере 10 % от веса припоя, расход растворителя флюса канифольного - в размере одной трети от веса флюса. Расчёт затрат на вспомогательные материалы приведён в таблице 6.2.

Таблица 6.2

Затраты на вспомогательные материалы

Наименование вида мате- риала, сырья

Марка (шифр)

Единица измерения

Кол- во

Цена за ед., руб.

Сумма, руб.

Стеклотекстолит фольгированный двухсторонний

 ГФ2-35

 дм2

 7

 24,00

 168,00

Припой оловянно-свинцовый

ПОС-40

 кг

0,4

300,00

120,00

Канифоль


 кг

0,04

120,00

4,80





Итого:

292,80


Из таблицы 6.1 видно, что общая сумма затрат на покупные изделия составляет 1730,70 руб.

В результате расчета затрат на вспомогательные материалы, приведенного в таблице 6.2, видно, что эти затраты составляют 292,80 руб.

Таким образом, затраты на покупные и комплектующие изделия и вспомогательные материалы в сумме составляют 2023,50 руб.

В затраты на материалы, сырье, комплектующие изделия включаются транспортно-заготовительные расходы. Для приборостроительных предприятий наценка снабженческих организаций, включая транспортные расходы, принята на уровне 6%. Транспортно-заготовительные расходы составляют 121,41 руб.

Итого общие затраты на покупные, комплектующие изделия, основные и вспомогательные материалы и транспортно-заготовительные расходы составляют 2144,91 руб.

 

6.3 Затраты на оплату труда, отчисления на социальное страхование


Для определения затрат на основную заработную плату рассчитывается трудоемкость всех видов работ: исследовательских, проектных, конструкторских, связанных с изготовлением и наладкой устройства. В зависимости от масштабов работ, трудоемкость измеряется в человеко-месяцах, человеко-днях или человеко-часах (нормо-ч). Определение вышеперечисленных расходов производится методом прямого расчёта.

Расчет трудоемкости произведём отдельно для каждого вида работ и по исполнителям с учетом условий производства. Результаты расчета приведены в таблице 6.3.

Таблица 6.3

Трудоемкость работ

Наименование работ

Категория работников

Общая трудоемкость, человеко-дни


Начальник лаборатории

Инженер

Инженер-программист

Техник


Разработка и получение технического задания

3

3

3

1,5

10,5

Разработка структурной схемы прибора

4

6

1

0

11

Разработка принципиальной схемы прибора

2

14

0

0

16

Разработка программного обеспечения

1

0

11

0

12

Разработка технической документации

1,5

12

10

0

23,5

Разводка и изготовление печатной платы

0

3

0

9

12

Монтаж прибора

0

2

0

7

9

Отладка прибора и программного обеспечения

0

8

6

10

24

Итого:

11,5

48

31

27,5

118


Чтобы перевести трудоемкость из человеко-дней в человеко-месяцы, необходимо разделить эту величину на число рабочих дней в месяце:

р мес = Fp/tсм,    (6.1)

где Fp - фонд рабочего времени в месяце; tсм - продолжительность смены.

р мес = 167/8 = 21.

Исходя из этого, трудоемкость работ в человеко-месяцах будет определятся как отношение трудоемкости работ выраженной в человеко-днях к месячному значению.

р Начальник = 11,5/21 = 0,55 чел-мес.р Инженер = 48/21 = 2,23 чел-мес.р Инженер-программист = 31/21 = 1,48 чел-мес.р Техник = 27,5/ 21 = 1,3 чел-мес.

Кроме оплаты по тарифу, в фонд основной заработной платы включаются премии производственным категориям работников и доплаты по районному коэффициенту, составляющие соответственно 3% и 15% к тарифной ставке. Расчет фонда основной заработной платы приведен в таблице 6.4.

Таблица 6.4

Фонд основной заработной платы

Наименование категории работников

Dp, чел-мес.

Должност-ной оклад, руб.

Премии, руб.

Доплаты по районному коэффициенту, руб.

Месячный ФЗП одного работника, руб.

ФЗП на весь объем работ, руб.

Начальник

0,55

3490,00

104,70

523,50

4118,20

2265,01

Инженер

2,23

2670,00

80,10

400,50

3150,60

7025,84

Инженер-программист

1,48

2520,00

75,60

378,00

2973,60

4400,93

Техник

1,3

1210,00

36,30

181,50

1427,80

1856,14






Итого:

15547,92


Дополнительная заработная плата устанавливается в процентах к основной. Она зависит от удельного веса отпускного времени и времени выполнения государственных обязанностей в рабочем:

Кдоп = (tотп / (305-tотп))*100 %,                     (6.2)

где 305 - количество рабочих дней в году при шестидневной рабочей неделе;отп - средняя продолжительность очередного отпуска и времени выполнения государственных обязанностей для рассматриваемой группы работников.

Здесь tотп=24+1, т.е. продолжительность очередного отпуска равна 24 дням.

Кдоп=25/(305-25)*100%=8,93 %.

Величина дополнительной заработной платы равна:

Сз доп=Сз ос*Кдоп,                                          (6.3)

Сз доп=15547,92*0,0893= 1388,43 руб.

Общий фонд заработной платы составляет:

Сз=Сз ос+Сз доп,                                                       (6.4)

Сз=15547,92+1388,43 = 16936,35 руб.

Тесно связаны с общим фондом заработной платы затраты отчислений на социальное страхование, которые принимаются в размере 35,8 % от общего фонда заработной платы.

Сосс=0,358*16936,35 = 6063,21 руб.

6.4 Расходы по содержанию и эксплуатации оборудования


Эти расходы складываются из затрат, связанных с текущим содержанием и амортизацией оборудования, износом малоценных предметов.

Так как оборудование находится в эксплуатации более 5 лет, то в связи с постановлением правительства РФ от 1 января 2002г. №1 «О классификации основных средств, включаемых в амортизационные группы» общая сумма расходов на амортизацию составляет 20% от стоимости оборудования.

Сам = å Ki*qi/100,                                   (6.5)

где i=1,2,...,n - вид используемого оборудования;- первоначальная стоимость используемого оборудования, руб.;- норма амортизационных отчислений i-го вида оборудования, %.

Таблица 6.5

Расходы по содержанию и эксплуатации электрооборудования

Наименование

Ki, руб.

qi, %

Вычислительная техника

14850,00

20,0

Осциллограф

8610,00

20,0

Ручная дрель

890,00

20,0

Электропаяльник

57,00

20,0


Сам= (14850,00 + 8610,00 + 890,00 + 57,00)*20/100 = 4881,40руб.

Для расчета расходов на электроэнергию необходимо знать установленную мощность оборудования по видам Руст; и рассчитать активную мощность электроприемников на шинах низкого напряжения:

Ра=Кс*Руст,        (6.6)

где Кс - коэффициент спроса, учитывающий недогруз или неодновременность работы (0,5 - 0,8).

Таблица 6.6

Мощность электроприёмников

Наименование

Руст, Вт.

Ра, Вт

250

0,8

200

Осциллограф

50

0,8

40

Ручная дрель

40

0,5

20

Электропаяльник

80

0,5

40


Общий расход электроэнергии:

Сэ=åРai*Fgi*hi*Цi,     (6.7)

где Fg - действительный фонд времени работы оборудования, ч;

h = 0,7 - коэффициент загрузки оборудования во времени;

Ц - цена за единицу энергии.

Фонд времени работы оборудования берется из данных практики: учитывается продолжительность экспериментальных работ, монтажных и наладочных работ при изготовлении макета и образца проектируемого устройства.

Цена 1 кВт*ч электроэнергии = 0,72 руб.

Cэ=0,72*0,7*(0,2*248+0,04*30+0,02*20+0,04*30)= =26,41руб.

Расходы по содержанию и эксплуатации оборудования:

Собор = Сэ+Сам,                                                           (6.8)

Собор = 26,41 + 4881,40 = 4907,81 руб.

 

6.5 Общехозяйственные расходы


Это затраты на содержание аппарата управления, обслуживание работников и организацию работ.

В практике планирования широкое применение находит приближенный метод расчета, когда расходы берутся в определенном проценте к основным затратам.

Для лабораторных условий в ОКБ приборостроения эта величина принята как 126% от прямых затрат.

Прямые затраты это сумма затрат на сырье, общего фонда заработной платы, отчислений на социальное страхование и расходы на содержание и эксплуатацию оборудования.

Н=1,26*(2144,91+16936,35+6063,21+4907,81) = 37865,99 руб.

 

6.6 Определение цены проектируемого устройства


Уровень цены зависит от издержек производства нормально работающего предприятия (себестоимости) и нормативной прибыли.

Ц=С*(1+Кпр),                                          (6.9)

где Кпр -величина плановых накоплений в долях единицы.

В лаборатории ОКБ приборостроения Кпр=15 %.

Результаты расчета по статьям затрат приведены в таблице 6.7.

Таблица 6.7

Себестоимость устройства дефектоскопии

 №

Наименование статьи затрат

Сумма затрат, руб.

1

Сырье, комплектующие изделия

2144,91

2

Общий фонд заработной платы

16936,35

3

Отчисления на социальные страхования

6063,21

4

Расходы на содержание и эксплуатацию оборудования

4907,81

5

Общехозяйственные расходы

37865,99


Итого полная себестоимость:

67918,27


Ц= 67918,27*(1+0,15)= 78106,00 руб.

Затраты на разработку устройства дефектоскопии составляют: 78106 рублей.

7. Способы защиты от электромагнитных полей при работе с устройством

 

.1 Задачи охраны труда


Охрана труда - это система законодательных актов, социально-экономических, организационно-технических, гигиенических и лечебно профилактических мероприятий и средств, обеспечивающих безопасность, сохранение здоровья и работоспособность человека в процессе труда.

Задачи охраны труда: свести к минимуму вероятность заболевания или поражения работающего с одновременным обеспечением комфорта при максимальной производительности труда. Реальные производственные условия характеризуются наличием вредных и опасных производственных факторов.

Опасный производственный фактор (ОПФ) - это фактор, воздействие которого при определенных условиях приводит к травме или другому внезапному ухудшению здоровья. Например: открытые токоведущие части, системы под давлением, движущиеся части систем и механизмов и т.д.

Вредный производственный фактор (ВПФ) - это фактор, воздействие которого при определенных условиях приводит к профзаболеванию или потере трудоспособности. Примеры: излучение, шум, вибрация, вредные вещества и т.д.

Зачастую между ВПФ и ОПФ трудно провести грань.

Дисциплина охраны труда комплексная и включает в себя четыре раздела:

-   законодательство по охране труда;

-       производственная санитария;

-       техника безопасности;

-       пожарная и взрывная безопасность.

По природе действия на организм человека опасные и вредные производственные факторы (ОПФ и ВПФ) подразделяются на четыре группы:

1. Физические;

.   Химические;

.   Биологические;

.   Психофизиологические.

К физическим ВПФ относятся движущиеся части машин; острые кромки; повышенный уровень вибрации, шума; аномальное значение микроклимата; повышенная запылённость и загазованность, излучение и т.д.

Химические факторы делятся на токсические, раздражающие, сенсибилизирующие (аллергены), канцерогенные, мутагенные.

Биологические ОПФ: патогенные микроорганизмы и продукты их жизнедеятельности; растения; животные; человек.

Психофизиологические ОПФ: нервно-эмоциональные перегрузки; монотонность; статическая, динамическая нагрузка; работа в ночную смену и т.д.

 

7.2 Влияние электромагнитных полей на человека

 

.2.1 Источники электромагнитных полей

Источниками электромагнитных полей (ЭМП) являются: мощные радиостанции; промышленное электрическое оборудование; исследовательские установки; контрольно-измерительные устройства; линии электромагнитных передач; атмосферное электричество; радиоизлучение солнца и галактик.

Электромагнитные поля применяются для очистки полупроводниковых материалов, выращивания полупроводниковых кристаллов и пленок, локализации газов, прессовании синтетических материалов.

7.2.2 Параметры ЭМП

К параметрам ЭМП относятся:

. частота f, Гц;

. электрическая составляющая E, В/м;

. магнитная составляющая Н, А/м;

. плотность потока энергии I (ППЭ), Вт/м2;

Пространство вокруг источника ЭМП делится условно на три зоны:

. ближняя (зона индукции)

. промежуточная (интерференции)

. дальняя (излучения).

 

7.2.3 Нормирование

Допустимые значения параметров ЭМП приведены в таблице 7.1.

Таблица 7.1

Предельно допустимые значения характеристик ЭМП по ГОСТ 27954-88

Наименование параметра

Допустимое значение

Напряженность электромагнитного поля по электрической составляющей на расстоянии 50 см от поверхности объекта

10 В/м

Напряженность электромагнитного поля по магнитной составляющей на расстоянии 50 см

0,3 А/м

Напряженность электростатического поля не должно превышать:

20 кВ/м

Напряженность электромагнитного поля на расстоянии 50 см по электрической составляющей не должна быть не более:


- в диапазоне частот 5 Гц - 2 кГц;

25 В/м

- в диапазоне частот 2 - 400 кГц

2,5 В/м

Плотность магнитного потока должна быть не более:


- в диапазоне частот 5 Гц - 2 кГц;

250нТл

- в диапазоне частот 2 - 400 кГц

25 нТл

 

7.2.4 Биологическое действие

Основная опасность - воздействие ЭМП не обнаруживается органами чувств. Под действием ЭМП происходит поглощение энергии тканями тела человека. В результате чего в теле образуются стоячие волны, в которых концентрируется тепловая энергия. При этом повышается температура тела человека, происходит локальный нагрев тканей и отдельных клеток.

Особенно опасен нагрев для органов со слабой термоизоляцией (мозг, глаза, хрусталик, органы кишечного тракта).

ЭМП меняет ориентацию клеток, ослабляет активность молекул, вызывает помутнение хрусталика, заболевание кожи "жемчужная нить".

ЭМП вызывает функционально-паталогические изменения нервной и сердечно-сосудистой систем: увеличенная утомляемость, нарушается сон, гипертония, нервно-психические расстройства.

 

7.3 Защита от электромагнитных полей

 

.3.1 Способы защиты

1. Защита количеством - уменьшение излучения в самом источнике.

. Защита временем - уменьшение времени работы персонала до допустимых значений.

. Защита расстоянием - увеличение расстояния м/у источниками и рабочими местами.

. Экранирование рабочих мест или источников.

Защита осуществляется за счет дистанционного управления, автоматизации процесса, сигнализацией, ограждением зон.

Различают защиту: от внешнего облучения, возникающего при работе с закрытыми источниками; от внутреннего облучения, возникающего при работе с открытыми источниками.

Закрытые источники - устройства, которые исключают попадание электромагнитного излучения в среду.

При расчёте защитного экрана определяют характеристики источника и предельно допустимые уровни излучения. Проектирование защиты выполнятся с учётом назначения помещения, категории облучаемых лиц, длительности облучения. При этом определяется кратность ослабления облучения. Ро - замеренная на рабочем месте мощность дозы; Рх - предельно допустимая мощность дозы.

Толщина экрана рассчитывается в зависимости от энергии излучения и кратности ослабления с учётом плотности материала. В зависимости от материала и конструкции защита бывает: водяной; сухой; смешанной.

Установки с закрытыми источниками помещаются в отдельных помещениях. При этом входная дверь блокируется с механизмом включения установок. Пульт управления в смежном помещении. Помещение оборудуется сигнализацией о превышении мощности излучения.

При работе с открытыми источниками используется зонирование и шлюзование. В первой зоне размещаются боксы с источниками излучения, где возможны выходы во внешнюю среду. Вторая зона: периодически находятся люди. Третья зона: операторные пульты, где постоянно находятся люди.

Переходы из зоны в зону снабжены шлюзами, в которых осуществляется дозиметрический контроль, переодевание и дезактивация персонала. При работе с открытыми источниками используются роботы, дистанционное управление, координатные манипуляторы, системы телеметрии и телевидения.

Применяются средства индивидуальной защиты: халаты и др. спецодежда в радиозащитном исполнении; очки с металлизированными стеклами, которые поглощают ЭМП.

 

7.3.2 Контроль ЭМП

Принцип действия всех измерительных приборов заключается в измерении эффектов возникающих в процессе взаимодействия излучения с веществом. Измерение производится в зоне нахождения персонала на высоте 2м в 3 уровнях: 0.5, 1, 1.5м. Все помещение разбивается на координатную сетку с шагом 1м и измерение происходит в точках пересечения при максимальной мощности излучения.

Применяются следующие приборы.

. Измеритель ближнего электромагнитного поля ЭЛОН.

Предназначен для измерений э/м полей на рабочих местах промышленных высокочастотных установок и радиопередающих средств связи с целью контроля ПДУ в соответствии с международными стандартами.

По электрическому полю:

Диапазоны частот: 60 кГц - 300 МГц; 50 Гц

Диапазоны измерения напряженности поля:

кГц - -300 МГц: 2 - 1500 В/м

Гц: 2 - 40000 В/м

По магнитному полю:

Диапазоны частот: 60 кГц - 10 МГц

Диапазоны измерения напряженности поля: 1 - 10 А/м

Погрешность: 20%

Масса: 2 кг

. Измеритель электрического и магнитного полей В&Е-метр.

Предназначен для измерений электрической и магнитной составляющих электромагнитного поля в жилых и рабочих помещениях с электрооборудованием (персональными компьютерами, факсами, ксероксами, игровыми автоматами и т.п.), а также для работы в полевых условиях, если они соответствуют эксплутационным характеристикам. Встроенный микропроцессор позволяет автоматизировать процесс измерений в двух режимах: либо непрерывные измерения одного из компонент, либо одноточечные измерения абсолютной величины вектора поля.

По электрическому полю:

Диапазоны частот: 0,005 - 2 кГц; 2 - 400 кГц

Диапазоны измерения:

,005 - 2 кГц: 5 - 500 В/м

- 400 кГц: 0,5 - 50 В/м

По магнитному полю:

Диапазоны частот: 0,005 - 2 кГц; 2 - 400 кГц

Диапазоны измерения:

,005 - 2 кГц: 0,5-50 мкТл

- 400 кГц: 5-500 нТл

Основная погрешность: 10%

Размеры: 210х100х60 мм

. Широкополосные измерители плотности потока энергии электромагнитного поля П3-18А, П3-19А, П3-23 (П3-24).

Предназначены для измерений плотности потока энергии электромагнитного поля в широком диапазоне частот. Используются для оценки степени биологической опасности СВЧ-излучений в режимах непрерывной генерации и импульсной модуляции в свободном пространстве и ограниченных объемах вблизи мощных источников излучения.

Диапазон частот:

ПЗ-18А, 19А: 0,3 - 40 ГГц

ПЗ-24: 39,65 - 118 ГГц

Пределы измерения:

ПЗ-18А: (0,9 - 10) - (3,2 - 10)х103 мВт/см2

ПЗ-19А: (6,0 - 66,6) - (20 - 100)х103 мВт/см2

ПЗ-24: 0,5-500 мВт/см2; 2,0-2000 мВт/см2

Погрешность:

ПЗ-18А, 19А: 2,0 дБ

ПЗ-24: 3,0 дБ

Масса:

ПЗ-18А, 19А: 3,9 кг

ПЗ-24: 4,5 кг

. Измерители напряженности поля ПЗ-25, ПЗ-26.

Предназначены для измерения среднеквадратических значений напряженности электрического поля.

Диапазон частот:

ПЗ-25: 20 - 20000 Гц

ПЗ-26: 20 - 20000 Гц

Пределы измерения

ПЗ-25: 50 - 12000 В/м

ПЗ-26: 100-12000 В/м

Погрешность: 2,5 дБ

Масса:

П3-25: 2 кг

П3-26: 6 кг

. Измеритель напряженности и плотности потока электромагнитного поля "ПОЛЕ-3".

Диапазон частот:

для напряженности электрического поля: 0,01 - 300 МГц

для напряженности магнитного поля: 0,01 - 30 МГц

для плотности потока энергии: 0,3 - 178,7 ГГц

Пределы измерения:

для напряженности электрического поля: 1 - 1000 В/м

для напряженности магнитного поля: 0,5 - 16 А/м

для плотности потока энергии: 10 - 10000 мкВт/см2

Погрешность калибровки:

по Е-Н напряженности: 1,0 дБ

по ППЭ: 0,5 - 1,0 дБ

Масса (индикатор, антенна, аккумулятор): 3,6 кг

7.3.3 Техника безопасности

Опасная зона - это пространство, в котором возможно действие на работающего опасного или ВПФ.

Опасность локализуется вокруг движущихся элементов машин, режущего инструмента, зубчатых и других передач, конвейеров, подъемно-транспортных механизмов и машин.

Наличие опасной зоны обуславливается возможностью поражения электрическим током, действием тепловых, электромагнитных, ионизирующих излучений.

Размеры опасной зоны могут быть постоянными (между ремнем и шкивом) и переменными. При проектировании оборудования предусматривается либо отсутствие контакта человека с ОЗ, либо наличие средств защиты.

Средства защиты:

коллективные:

сигнализирующие;

системы дистанционного управления;

индивидуальные;

по принципу действия;

оградительные;

блокирующие;

Блокирующие (блокировочные) - исключают возможность проникновения человека в опасную зону, либо устраняют ОФ на время пребывания человека в этой зоне. Этот вид защиты применяется там, где работу можно выполнять при снятом или открытом ограждении. По принципу действия блокировочные устройства делятся на механические, электрические, фотоэлектрические, радиационные, гидравлические, пневматические.

Механическая блокировка - система, обеспечивающая связь между ограждениями и тормозными (пусковыми) устройствами. При снятом ограждении невозможно запустить оборудование в работу. Так блокируются входы в опасные помещения, где пребывание людей запрещено.

Электрическая блокировка - применяется в электрооборудовании с напряжением от 500 Вольт и выше. Обеспечивает включение оборудования только при наличии ограждения по принципу концевых выключателей.

Фотоэлектрическая блокировка - основана на принципе ограждения опасной зоны световыми лучами.

Радиационная блокировка - на основе радиационных датчиков и приемников.

Оградительные устройства препятствуют появлению человека в опасной зоне. Применяются для изоляции систем привода машин, зон обработки, ограждения токоведущих систем и зон облучения, ограждение рабочей зоны на высоте. Конструктивные решения ограждений зависят от вида оборудования. Бывают:

стационарными (несъемными);

подвижные (сблокированы с рабочими органами механизма, закрывающие доступ в опасную зону при наступлении опасного момента;

переносные (временные).

Выполняются в виде щитов, решеток, сеток на жестком каркасе, из металла, оргстекла. Основные требования - прочность, выдерживание ударных нагрузок; простота.

Для автоматического отключения агрегатов и машин при выходе какого-либо параметра оборудования за пределы допустимого значения, что исключает аварийные режимы работы. На установках под давлением - это предохранительные клапаны и мембранные узлы; тепловые реле, водяные запоры - для предотвращения взрывов компрессоров; ограничители хода, веса; тормозные системы; слабые звенья (срезные шпонки; муфты, которые не передают движение при большом моменте).

Дают информацию о работе технологического оборудования, а также об опасности и вредных факторах, которые при этом возникают. По назначению делятся на три группы:

оперативная сигнализация

предупредительная

опознавательная

По способу передачи:

звуковая (сирены, звонки)

комбинированная

визуальная

одоризационная (по запаху)

Для визуальной используются источники искусственного света: табло, цветовая окраска, флажки (ручная).

Оперативная применяется при испытаниях на стендах, автоматически включается.

Предупредительная - указатели, плакаты, система знаков.

Характеризуются тем, что контроль и управление работой оборудования осуществляется с участков, удаленных от опасной зоны.

Наблюдение производится либо визуально, либо с помощью телеметрии.

Параметры работы оборудования поступают от датчиков на центральный пульт. ДУ применяется в цехах, где присутствуют взрывоопасные и легко воспламеняемые материалы, токсичные вещества.

 

7.4 Защита от ЭМП при работе с дефектоскопом


Рассмотрим возможность применения методов защиты от ЭМП при работе с дефектоскопом.

Наиболее эффективным методом защиты от ЭМП является экранирование источника излучения. Поэтому дефектоскоп должен быть выполнен в металлическом корпусе, который существенно снижает мощность электромагнитного излучения.

Меньший эффект в случае работы с дефектоскопом дает метод «Защита расстоянием». Прибор предусматривает непосредственное взаимодействие с пользователем, поэтому расстояние от источника до рабочего места не может быть очень большим.

Для уменьшения действия излучения прибора и излучения монитора персонального компьютера можно использовать метод «Защита временем», т.е. уменьшать время работы персонала с прибором до допустимых значений.

8. Мероприятия по организации и проведении защиты объекта от проникновения РВ и АХОВ

 

.1 Роль ГО при чрезвычайных ситуациях


Чрезвычайная ситуация (ЧС) - обстановка на объекте или на определенной территории, сложившаяся в результате аварий, катастроф, стихийных и экологических бедствий, эпидемий, эпизоотий и эпифитотий, которая может привести или уже привела к значительному ущербу, человеческим жертвам и нарушению условий жизнедеятельности.

Основными поражающими факторами ЧС являются:

механические (динамические): взрывная волна, метательное действие, вторичные снаряды, придавливание разрушенными конструкциями зданий, обвалы, оползни, ураганы, смерчи, наводнения;

химические (ядовитые вещества): аммиак, хлор, пропан, кислоты, щелочи и другие АХОВ, попадающие в атмосферу, воду, продукты питания и воздействующие на человека через органы дыхания, кожные покровы, желудочно-кишечный тракт);

радиационные (излучения на объектах, использующих ядерное горючее, радиоактивные изотопы и др.);

термические (высокие и низкие температуры);

биологические (бактериальные средства, токсины и др.).

Гражданская оборона (ГО) - постоянно действующий орган управления МЧС. Она предназначена для предупреждения возникновения и развития чрезвычайных ситуаций в мирное и в военное время, а также для ликвидации чрезвычайных ситуаций при их возникновении.

Гражданская оборона объединяет:

городские, окружные и районные органы исполнительной власти и управления экономикой, коммунальным хозяйством; общественные организации, в компетенцию которых входят функции, связанные с безопасностью и защитой населения, предупреждением, реагированием и действиями ЧС;

организации (объекты), независимо от формы собственности и ведомственной принадлежности;

силы и средства указанных органов управления, организаций (объектов), используемые в целях координации их деятельности по предупреждению ЧС, защите населения, материальных и культурных ценностей, окружающей среды, ликвидации ЧС.

Основные задачи ГО:

создание и поддержание в готовности систем управления, сил и средств, чрезвычайных резервов финансовых и материальных ресурсов;

организация наблюдения и контроля за состоянием окружающей среды и потенциально опасных объектов, прогнозирование чрезвычайных ситуаций;

разработка и осуществление мер направленных на защиту населения, повышение устойчивости функционирования отраслей экономики и городского хозяйства в чрезвычайных ситуациях;

совершенствование и обеспечение функционирования системы подготовки органов управления, специалистов МЧС, обучение населения действиям в чрезвычайных ситуациях;

оповещения населения о возникновении чрезвычайной ситуации и порядке действий в сложившейся обстановке;

проведение работ по ликвидации чрезвычайных ситуаций, первоочередному жизнеобеспечению населения, в первую очередь пострадавшего.

 

8.2 Аварийно-химические опасные вещества

 

.2.1 Общая характеристика АХОВ

Аварийно-химические опасные вещества (АХОВ) - это химические вещества, которые предназначаются для применения в народнохозяйственных целях и обладают токсичностью, способной вызывать массовые поражения людей, животных и растений /14/.

На ряде объектов народного хозяйства осуществляется производство, использование, хранение и перевозка АХОВ. Нарушение правил технологии их производства, хранения и перевозок, недисциплинированность обслуживающего персонала являются причиной создания аварийных ситуаций, катастроф, приводящих к трагическим последствиям. Аварии с загрязнением окружающей среды могут происходить и в результате разрушения объектов народного хозяйства при ведении военных действий или диверсий к тем же результатам могут привести землетрясения, наводнения, оползни, пожары и т.п. стихийные бедствия.

При выбросах АХОВ образуются очаги поражения. Очагом поражения АХОВ называется территория, в пределах которой произошли массовые поражения АХОВ людей, сельскохозяйственных животных и растений. Зоной заражения называется территория, зараженная аварийно-химическими опасными веществами.

Причем во время военных действий или стихийных бедствий, происходящих в районах нахождения предприятий, изготовляющих, использующих или транспортирующих АХОВ, вероятность возникновения таких очагов поражения сильно возрастает. Они обычно делятся на участки непосредственного выброса АХОВ, и зоны распространения их паров.

Важной характеристикой очагов поражения, образуемых АХОВ, является продолжительность существования участков непосредственного выброса веществ, т.е. стойкость заражения. Большинство АХОВ, имеющих температуру кипения ниже 20C° (хлор, сероводород, аммиак), быстро испаряются, поэтому стойкость заражения на участках их выброса небольшая. Однако пары таких веществ, в том числе в опасных концентрациях, могут обнаруживаться на больших расстояниях (до нескольких километров) от места их выброса.

Поражающее действие АХОВ проявляется в результате попадания их в капельножидком состоянии на кожу человека, а также при вдыхании их паров.

На испарение паров АХОВ большое влияние оказывает ветер, по этому, в населенных пунктах, лесах, на пересеченной местности стойкость заражения ими будет выше, чем на открытой. Кроме того, в таких местах, а так же в подвалах, туннелях возможный застой воздуха и образование относительно высоких концентраций паров.

К чрезвычайно токсичным и высокотоксичным химическим веществам относят:

некоторые соединения тяжелых металлов: ртути, свинца, кадмия, селена, никеля, цинка и др.;

соединения, содержащие цианистую группу: синильная кислота и ее соли;

соединения фосфора и фосфор-органические соединения;

галогены: хлор, бор;

фосген;

К сильно токсичным химическим веществам относят:

минеральные и органические кислоты;

щелочи (аммиак, едкое калли и др.);

соединения серы;

хлористый и бромистый метил;

некоторые спирты и альдегиды кислот;

хлористый и бормистый метил;

органические и неорганические аминосоединения: анилин, тробензол, нитротоуол, фенолы и их производные.

8.2.2 Поражающее действие АХОВ

Целый ряд химических соединений при попадании в организм человека вызывает в нём патологические изменения, которые приводят к временной потере работоспособности, заболеванию или гибели человека.

Отравляющими веществами могут быть различные ядовитые химические соединения.

Отравляющие вещества кроме поражения людей отравляют воздух, местность, воду, а также боевую технику, обмундирование, продовольствие и др. Все эти объекты, степень зараженности которых определяется концентрацией или плотностью заражения, в свою очередь могут быть причиной поражения людей /14/.

Токсичность химических соединений характеризуется пороговой концентрацией, пределом переносимости и токсической дозой (токсодозой).

Пороговая концентрация - это наименьшее количество вещества, которое при попадании в организм человека может вызвать ощутимый физиологический эффект. В этом случае поражённые ощущают лишь первичные признаки поражения и сохраняют работоспособность.

Предел переносимости - это максимальная концентрация, которую человек может выдержать определённое время без устойчивого поражения. На практике в качестве предела переносимости используется предельно допустимая концентрация (ПДК). Это такая концентрация, которая при постоянном воздействии на человека в течении рабочего дня не может вызвать через длительный промежуток времени патологических изменений или заболеваний. Она, как правило, относится к восьмичасовому рабочему дню.

Токсодоза является количественной оценкой токсичности вредных веществ. Различают смертельные и пороговые токсодозы.

Смертельная токсодоза (LD) - это такое количество вещества, которое при попадании в организм вызывает смертельный исход с определенной вероятностью. Токсодоза, вызывающая гибель 100% пораженных, называется абсолютной смертельной токсодозой (LD100), а токсодоза, вызывающая гибель 50% пораженных, называется средней смертельной токсодозой (LD50).

Пороговая токсодоза (PD) - это такое количество вещества, которое при попадании в организм вызывает начальные признаки поражения с определенной вероятностью. В практике более широкое применение находит средняя пороговая токсодоза (PD50), которая вызывает начальные признаки поражения у 50% людей, пораженных токсичным веществом.

 

8.3 Радиоактивные вещества

 

.3.1 Общая характеристика радиоактивных веществ

Радиоактивность - способность некоторых атомных ядер самопроизвольно (спонтанно) превращаться в другие ядра с испусканием различных видов радиоактивных излучений и элементарных частиц.

Радиоактивность подразделяют на естественную (наблюдается у неустойчивых изотопов, существующих в природе) и искусственную (наблюдается у изотопов, полученных посредством ядерных реакций).

Радиоактивное излучение разделяют на три типа:

a-излучение - отклоняется электрическим и магнитными полями, обладает высокой ионизирующей способностью и малой проникающей способностью; представляет собой поток ядер гелия; заряд a-частицы равен +2е, а масса совпадает с массой ядра изотопа гелия 42Не.

b-излучение - отклоняется электрическим и магнитным полями; его ионизирующая способность значительно меньше (приблизительно на два порядка), а проникающая способность гораздо больше, чем у a-частиц; представляет собой поток быстрых электронов.

g-излучение - не отклоняется электрическим и магнитными полями, обладает относительно слабой ионизирующей способностью и очень большой проникающей способностью; представляет собой коротковолновое электромагнитное излучение с чрезвычайно малой длиной волны l < 10-10 м и вследствие этого - ярко выраженными корпускулярными свойствами, то есть является поток частиц - g-квантов (фотонов).

Период полураспада Т1/2 - время, за которое исходное число радиоактивных ядер в среднем уменьшается вдвое.

Радиоактивное заражение местности возникает в результате выпадения радиоактивных веществ из облака ядерного взрыва. Это фактор поражения, обладающий наиболее продолжительным действием (десятки лет), действующий на огромной площади.

При ядерном взрыве образуется облако, которое может переноситься ветром. Выпадение радиоактивных веществ (РВ) происходит в первые 10-20 ч после взрыва.

Масштабы и степень заражения зависят от характеристик взрыва, поверхности, метеорологических условий.

Как правило, зона радиоактивного следа имеет форму эллипса, и масштабы заражения уменьшаются по мере удаления от конца эллипса, в котором произошел взрыв. В зависимости от степени заражения и возможных последствий внешнего облучения выделяют зоны умеренного, сильного, опасного и чрезвычайно опасного заражения.

Поражающим действием обладают в основном бета-частицы и гамма-облучение. Особенно опасным является попадание радиоактивных веществ внутрь организма.

Основной способ защиты населения - изоляция от внешнего воздействия излучений и исключение попадания радиоактивных веществ внутрь организма. Целесообразно укрытие людей в убежищах и противорадиационных укрытиях, а также в зданиях, чья конструкция ослабляет действие гамма-излучения. Применяются также средства индивидуальной защиты.

8.3.2 Поражающее действие РВ

В основе повреждающего действия ионизирующих излучений лежит комплекс взаимосвязанных процессов. Ионизация и возбуждение атомов и молекул дают начало образованию высокоактивных радикалов, вступающих в последующем в реакции с различными биологическими структурами клеток. В повреждающем действии радиации важное значение имеют возможный разрыв связей в молекулах за счет непосредственного действия радиации и внутри- и межмолекулярной передачи энергии возбуждения. Физико-химические процессы, протекающие на начальных этапах, принято считать первичными - пусковыми. В последующем развитие лучевого поражения проявляется в нарушении обмена веществ с изменением соответствующих функций органов. Малодифференцированные, молодые и растущие клетки наиболее радиочувствительны.

Изменения, развивающиеся в органах и тканях облучённого организма, называют соматическими. Различают ранние соматические эффекты, для которых характерна чёткая дозовая зависимость, и поздние - к которым относят повышение риска развития опухолей (лейкозов), укорочение продолжительности жизни и разного рода нарушения функции органов. Специфических новообразований, присущих только ионизирующей радиации, нет. Существует тесная связь между дозой, выходом опухолей и длительностью латентного периода. С уменьшением дозы частота опухолей падает, а латентный период увеличивается.

В отдалённые сроки могут наблюдаться и генетические (врождённые уродства, нарушения, передающиеся по наследству), повреждения, которые наряду с опухолевыми эффектами являются стохастическими. В основе генетических эффектов облучения лежит повреждение клеточных структур, ведающих наследственностью - половых яичников и семенников.

Промежуточное место между соматическими и генетическими повреждениями занимают эмбриотоксические эффекты - пороки развития - последствия облучения плода. Плод весьма чувствителен облучению, особенно в период органогенеза (на 4-12 неделях беременности у человека). Особенно чувствительным является мозг плода (в этот период происходит формирование коры).

Эффект облучения, как было сказано, зависит от величины поглощённой дозы и пространственно-временного распределения её в организме. Облучение может вызвать повреждения от незначительных, не дающих клинической картины, до смертельных. Однократное острое, пролонгированное, дробное, хроническое облучение в дозе, отличной от нуля, по современным представлениям, может увеличить риск отдалённых стохастических эффектов - рака и генетических нарушений. Риск и ожидаемое число смертей от опухолей и наследственных дефектов в результате облучения приведены в таблице 8.1.

Таблица 8.1

Вероятность заболеваний в результате облучения

Критический орган

Заболевание

Риск, 10-2

Число случаев, 104

Всё тело, красный костный мозг

Лейкемия

0,2

20

Щитовидная железа

Рак щитовидной железы

0,05

5

Молочная железа

Рак молочной железы

0,25

25

Скелет

Опухоли костной ткани

0,05

5

Лёгкие

Опухоли лёгких

0,2

20

Все остальные органы и ткани

Опухоли других органов

0,5

50

Все органы и ткани

Все злокачественные опухоли

1,25

125

Половые железы

Наследственные деффекты

0,4

40

Всего


1,65

165

 

8.4 Мероприятия по защите объекта

 

.4.1 Планирование защиты от РВ и АХОВ

Повышение устойчивости (защита от проникновения РВ и АХОВ) будет, по существу, достигаться путем усиления наиболее слабых (уязвимых) элементов и участков объекта. Для этого на каждом объекте заблаговременно на основе исследования планируется и проводится большой объем работ, включающих выполнение организационных и инженерно технических мероприятий.

К выработке мероприятий по повышению устойчивости надо подходить весьма обдуманно, всесторонне оценивая их техническую, хозяйственную и экономическую целесообразность. Мероприятия будут экономически обоснованы в том случае, если они максимально увязаны с задачами решаемыми в мирное время с целью обеспечения безаварийной работы объекта, улучшения условий труда, совершенствования производственного процесса.

Особенно большое значение имеет разработка инженерно-технических мероприятий при новом строительстве, так как в процессе проектирования во многих случаях можно добиться логического сочетания общих инженерных решений с защитными мероприятиями ГО, что снизит затраты на их реализацию. На существующих объектах мероприятия по повышению устойчивости их работы целесообразно проводить в процессе реконструкции или выполнения других ремонтно-строительных работ.

Оценивают возможность повышения устойчивости объекта к воздействию РВ и АХОВ в следующей последовательности.

. На план объекта наносят внутренние и внешние источники, зоны радиационного и химического заражения и выявляют структурные подразделения объекта, которые могут оказаться в очаге поражения при различных направлениях ветра.

. Определяют время подхода облака зараженного воздуха, образовавшегося при разрушении внешних источников, к объекту.

. Рассчитывают время поражающего действия РВ и АХОВ и их влияние на производственный процесс.

. Определяют вероятные потери людей с учетом обеспеченности личного состава средствами индивидуальной защиты.

. Намечают мероприятия по усилению устойчивости объекта к воздействию РВ и АХОВ.

 

8.4.2 Мероприятия по повышению устойчивости объекта

При решении задач повышения устойчивости работы объекта особое внимание обращается на обеспечение укрытия всех работающих людей в защитных сооружениях. В целях выполнения этой задачи разрабатывается план накопления и строительства необходимого количества защитных сооружений, которым предусматривается укрытие рабочих и служащих в быстровозводимых убежищах в случае недостатка убежищ, отвечающих современным требованиям.

Важное и сложное мероприятие - защита систем водоснабжения объекта от заражения РВ и АХОВ. В городах и на объектах народного хозяйства вода, предназначенная для питья, очищается и обеззараживается в очистных устройствах, находящихся на водопроводных станциях. На очистных сооружениях предусматриваются дополнительные мероприятия по очистке воды, поступающей из зараженных водоемов, от радиоактивных и отравляющих веществ. Водоснабжение объекта будет более устойчивым и надежным в том случае, если объект питается от нескольких систем или от двух-трех независимых водоисточников, удаленных друг от друга на безопасное расстояние.

На объектах, технологический процесс которых связан с применением аварийно-химических опасных веществ, устанавливается необходимый минимум их запасов. Хранение таких веществ на территории предприятия организуется в защищенных хранилищах; лишние запасы вывозят в загородную зону. Определяют возможность сокращения или отказа от применения в производстве АХОВ и перехода на их заменители. Если перейти на заменители невозможно, разрабатываются способы нейтрализации особо опасных веществ.

В помещениях, где возможно заражение воздуха АХОВ, устанавливаются автоматические устройства нейтрализации, которые при определенной концентрации ядовитых веществ начинают разбрызгивать жидкости, нейтрализующие эти вещества.

При расположении вблизи объекта промышленных предприятий, связанных с производством или хранением РВ или АХОВ, планируют мероприятия по защите от радиоактивных веществ и паров ядовитых веществ.

Для защиты объекта или отдельных его цехов в зоне возможного подтопления могут строиться дамбы. Такое строительство обычно планируется в общегородском масштабе. Таким образом, в каждом конкретном случае проектирования проводят анализ возможного ущерба от воздействия РВ и АХОВ и стремятся до минимума снизить ущерб, который оно может причинить объекту.

 

8.5 Выводы по разделу ГО


РВ и АХОВ являются веществами опасными для здоровья и жизни человека, поэтому защите помещений депо от их проникновения должно уделяться большое внимание. Для повышения уровня защиты помещений депо от проникновения РВ и АХОВ, прежде всего, необходимо выявить возможные источники радиационной и химической опасности. Затем провести оценку устойчивости депо к проникновению РВ и АХОВ и выявить слабые элементы объекта. На основании этой оценки требуется наметить мероприятия по усилению защиты депо от проникновения РВ и АХОВ.

ЗАКЛЮЧЕНИЕ


В дипломном проекте проведена разработка устройства для дефектоскопирования наружной обоймы подшипника. В результате работы произведены:

1.  выбор вихретокового метода неразрушающего контроля, как наиболее эффективного при дефектоскопии обоймы подшипника;

2.      разработка способа дефектоскопирования поверхности обоймы с использованием накладных вихретоковых преобразователей;

.        разработка структурной и принципиальной схем устройства;

.        выбор языка программирования и разработка программного обеспечения микроконтроллера;

.        выбор операционной системы и среды разработки программного обеспечения персонального компьютера;

.        разработка основной части программы персонального компьютера и системы управления базой данных дефектоскопа;

.        разработка способа сопряжения устройства с персональным компьютером.

Разработанное устройство удовлетворяет всем требованиям технического задания и в данный момент готовится к внедрению в поточной линии по ремонту буксовых подшипников.

Список используемых источников


1. Петров В.А., Цюренко В.Н. Надежность роликовых подшипников в буксах вагонов, М., Транспорт, 1982. - 96 с.

. Головаш А.Н., Щапин Ю.С. Совершенствование технологии ремонта подшипников в вагонных и локомотивных депо: Сб. научн. трудов / ОмГУПС. Омск, 2000.

. Амелина А.А. Устройство и ремонт вагонных букс с роликовыми подшипниками, М., Транспорт, 1975. - 286 с.

. Макарин В.С. Средства неразрушающего контроля отливок. М.: Высшая школа, 1988. - 72 с.

. Герасимов В.Г., Останин Ю.А., Покровский А.Д. Неразрушающий контроль качества изделий электромагнитными методами. М.: Энергия, 1978. - 215 с.

. Головаш А.Н., Шахов В.Г. Анализ сигналов накладного вихретокового преобразователя. Омский научн. вестник, вып.11. Омск, 2000, с. 87 - 89.

.        Головаш А.Н., Катин М.В., Шахов В.Г. К настройке порога чувствительности вихретокового датчика проводящего материала. Омский научн. вестник, вып.11. Омск, 2000, с. 86 - 87.

. Щедрин А.И., Осипов И.Н. Металлоискатели. М.: Радио и связь, 1999.

. www.atmel.ru

10. Шамис В.А. Borland C++Builder. М.: «Нолидж», 1997 - 266 с.

. Велнум К. Секреты программирования в Windows 98.: Пер. с англ. - М.: Диалектика, 1999. - 855 с.

. Интерфейсы сетей обработки данных: Справочник/Под ред. А.А. Мячева. - М.: Радио и связь, 1989.

. Определение цены проектируемых технических средств: Метод. указания/ Л.П. Грязнова, Г.И. Акользина. Омский ин-т инж. ж.-д. трансп. - 1979. - 28 с.

. Гражданская оборона на железнодорожном транспорте: Учебник для вузов ж.-д. трансп./ И.И. Юрпольский, Г.Т. Ильин, Н.Н.Янченков и др.; Под редакцией Юрпольского. - М., 1987. - 272 с.

. СТП ОмИИТ - 11 - 91. Курсовой и дипломный проекты. Правила оформления пояснительной записки. Омский ин-т инж. ж.-д. трансп. - 1993. - 21 с.

. СТП ОмИИТ - 12 - 91. Курсовой и дипломный проекты. Правила оформления чертежей. Омский ин-т инж. ж.-д. трансп. - 1993. - 44 с.

17. СТП ОмИИТ - 13 - 91. Курсовой и дипломный проекты. Правила оформления схем. Омский ин-т инж. ж.-д. трансп. - 1993. - 59 с.

ПРИЛОЖЕНИЕ 1


Принципиальная схема одного канала дефектоскопа


ПРИЛОЖЕНИЕ 2


Блок-схема алгоритма измерения частоты


ПРИЛОЖЕНИЕ 3


Листинг основного блока программы микроконтроллера

;********ДЕФЕКТОСКОПИЯ КОЛЬЦА ПОДШИПНИКА С ПОМОЩЬЮ МИКРОКОНТРОЛЛЕРА AT90S2313********

;

;                                              ДИПЛОМНЫЙ ПРОЕКТ

;

;*************************************************************

;                                     ОСНОВНОЙ БЛОК ПРОГРАММЫ

;*************************************************************

;Регистры:

;        r_l_CNT              - младший байт содержимого таймера

;        r_h_CNT             - старший байт содержимого таймера

;

;        r_PORTB            - содержит предыдущее значение PIN B

;        r_NUMDATCH  - счетчик номера датчика

;        r_l_ZREG  - адресный регистр

;

;        r_TEMP1..4        - регистры для временного хранения переменных

;

;Адреса ОЗУ:

;        TIMER_base       - базовый адрес массива предыдущих

;                                     значений таймера для каждого датчика

;

;        PERIOD_base     - базовый адрес массива значений

;                                     периода сигнала для каждого датчика

;       

;*************************************************************_BEGIN:

;измерение частоты_MAIN_LOOP:

;считываем информацию из таймера/счетчика

in      r_l_CNT, TCNT1L       r_h_CNT, TCNT1H

;считываем информацию с датчиков

mov  r_TEMP4, r_PORTB

in      r_PORTB, PINB

;определяем изменились ли состояния входов         r_TEMP4, r_PORTB

;количество датчиков = 8     r_NUMDATCH, 7_MAIN_LOOP2:

;изменился ли i разряд порта В

;сдвигаем регистр через флаг переноса (i разряд во флаг переноса)  r_TEMP4

;переход, если не изменился (CF = 0)     P_MAIN_LOOP2_NEXT

;iй датчик изменил свое состояние

;считываем запомненное значение таймера/счетчика

;копируем номер датчика     r_TEMP1, r_NUMDATCH

;умножаем копию на 2 r_TEMP1

;складываем полученное смещение с базовым адресом

ldi     r_l_ZREG, low(TIMER_base)         r_l_ZREG, r_TEMP1

;считать значение из ОЗУ     r_TEMP2, Z        r_TEMP3, Z+1

;записать новое значение таймера

st       Z, r_l_CNT Z+1, r_h_CNT

;вычислить разность    r_TEMP2, r_l_CNT

sbc    r_TEMP3, r_h_CNT

;запоминаем результат в ОЗУ       r_l_ZREG, low(PERIOD_base)

add    r_l_ZREG, r_TEMP1   Z, r_TEMP2        Z+1, r_TEMP3

P_MAIN_LOOP2_NEXT:

;переход к след. датчику

subi   r_NUMDATCH, 1с      P_MAIN_LOOP2

;переход к началу основного цикла измерения        P_MAIN_LOOP

;*************************************************************

;ПРОЦЕДУРЫ УПРАВЛЕНИЯ ЭЛЕКТРОПРИВОДОМ

;*************************************************************

;Регистры:

;   r_corner_l        - младший байт значения угла поворота

;   r_corner_h       - старший байт значения угла поворота

;

;        r_PTEMP1..2      - регистр для временного хранения переменных в прерываниях

;

;Адреса ОЗУ:

;   CORNER_CNT        - адрес счетчика угла поворота

;  

;*************************************************************_START:

;**********************************************

;процедура запуска вращения электропривода

;обнуляем счетчик угла поворота

clr     r_PTEMP1 CORNER_CNT, r_PTEMP1 CORNER_CNT + 1, r_PTEMP1

;устанавливаем бит PD4 в единицу, т.е. включаем привод

in      r_PTEMP1, PORTD     r_PTEMP1, 0b00010000       PORTD, r_PTEMP1_STOP:

;**********************************************

;процедура останова вращения электропривода

;устанавливаем бит PD4 в ноль, т.е. выключаем привод

in      r_PTEMP1, PORTD     r_PTEMP1, 0b11101111       PORTD, r_PTEMP1_CORNER_CNT:

;**********************************************

;процедура подсчета угла поворота детали

in      r_SAVESTATUS, SREG

;загружаем значение угла поворота

lds     r_corner_l, CORNER_CNT   r_corner_h, CORNER_CNT + 1

;увеличиваем значение на 1  r_PTEMP1, 1

ldi     r_PTEMP2, 0      r_corner_l, r_PTEMP1 r_corner_h, r_PTEMP2

;запоминаем значение в ОЗУ         CORNER_CNT, r_corner_l

sts     CORNER_CNT + 1, r_corner_h     SREG, r_SAVESTATUS

;**********************************************

ПРИЛОЖЕНИЕ 4


Листинг основного блока программы персонального компьютера

//---------------------------------------------------------------------------

#include <vcl.h>

#pragma hdrstop

#include "Unit4.h"

#include "Unit3.h"

#include "Unit1.h"

#include "Unit6.h"

#pragma package(smart_init)

//---------------------------------------------------------------------------

__fastcall TDefectos::TDefectos(bool CreateSuspended)

: TThread(CreateSuspended)

{

//удалять при завершении выполнения

FreeOnTerminate = true;

}

//---------------------------------------------------------------------------__fastcall TDefectos::Execute()

{= new int[8];= new float[8];

pDefects = new bool[18*8];

//считать установленные параметры(ReadMainForm);

//очищаем массив эталонных значений

for(int j=0; j<8; j++) pEtalon[j] = 0;

//очищаем массив дефектов(int j=0; j<18*8; j++) pDefects[j] = false;

//-----------настройка на деталь-----------

for(int i=0; i<5; i++)      //пять попыток чтения периода

for(int j=0; j<8; j++){    //восемь датчиков

//блокируем доступ к COM-порту

MainForm->busycom->Enter();

//задаем выходной фрейм

MainForm->out1 = MainForm->numofchip;

MainForm->out2 = 1; MainForm->out3 = 0; MainForm->out4 = 0;

//устанавливаем событие для отправки данных>putincom->SetEvent();

//ждем поступления данных>outfromcom->WaitFor(1000);

//Данные приняты

//добавляем результат к эталонному значению

pEtalon[j] += MAKEWORD(MainForm->in3, MainForm->in4);

//освобождаем доступ к COM-порту

MainForm->busycom->Leave();

}

//вычисляем среднее значение эталона

for(int j=0; j<8; j++) pEtalon[j] = pEtalon[j]/5;

//-------вкючаем электропривод------

MainForm->busycom->Enter();>out1 = MainForm->numofchip;>out2 = 6; MainForm->out3 = 0; MainForm->out4 = 0;>putincom->SetEvent();>outfromcom->WaitFor(1000);>busycom->Leave();

//----------поиск дефектов---------- = 0;

while(!Terminated){

//считываем угол поворота детали

MainForm->busycom->Enter();>out1 = MainForm->numofchip;>out2 = 4; MainForm->out3 = 0; MainForm->out4 = 0;>putincom->SetEvent();>outfromcom->WaitFor(1000);= MAKEWORD(MainForm->in3, MainForm->in4);= fmod(corner/20, 18) + 1;>busycom->Leave();(int j=0; j<8; j++){

//считываем значение периода сигнала

MainForm->busycom->Enter();

MainForm->out1 = MainForm->numofchip;>out2 = 1; MainForm->out3 = j; MainForm->out4 = 0;>putincom->SetEvent();>outfromcom->WaitFor(1000);= MAKEWORD(MainForm->in3, MainForm->in4);>busycom->Leave();(abs(Period - pEtalon[j]) > pEtalon[j]*pPorog[j])

//обнаружен дефект[(sector-1)*8 + j] = true;

}(UpdateMainForm);

//проверяем на достижение заданного угла поворота(corner >= AimCorner){

//процесс дефектоскопии завершен

Terminate();(SetResult);

}(100);++;

}

//-------выкючаем электропривод------>busycom->Enter();>out1 = MainForm->numofchip;>out2 = 9; MainForm->out3 = 0; MainForm->out4 = 0;>putincom->SetEvent();>outfromcom->WaitFor(1000);>busycom->Leave();[]pDefects;[]pPorog;[]pEtalon;

}

//---------------------------------------------------------------------------__fastcall TDefectos::UpdateMainForm()

{

//изменяем свойства главной формы

MainForm->povorot = corner - 90;

MainForm->StaticText1->Caption = IntToStr(corner);>StaticText5->Caption = IntToStr(sector);>PaintBox1Paint(MainForm->PaintBox1);defects = "";(int j=0; j<8; j++)(pDefects[(sector-1)*8 + j]){+= IntToStr(j+1) + ", ";>pFlash[j] = true;>Timer1->Enabled = true;

}>ResultGrid->Cells[0][sector] = "Сектор №" + IntToStr(sector);(defects == "")>ResultGrid->Cells[1][sector] = "Нет дефектов";>ResultGrid->Cells[1][sector] = "Датчик " + defects;

//определяем общее количество дефектовnumdef = 0;

for(int j=0; j<18*8; j++) if(pDefects[j]) numdef++;>StaticText2->Caption = IntToStr(numdef);

//время дефектоскопии>StaticText3->Caption = IntToStr(time/10);

//номер обоймы>StaticText4->Caption = MainForm->oboima;

}

//---------------------------------------------------------------------------__fastcall TDefectos::SetResult()

{>Start->Enabled = true;>Stop->Enabled = false;

//определяем общее количество дефектов и составляем список дефектов

int numdef = 0;DefectsList;(int i=0; i<18; i++)(int j=0; j<8; j++)(pDefects[i*8 + j]){+= IntToStr(i+1) + "-" + IntToStr(j+1) + "; ";++;

}

if(numdef == 0)

DefectsList = "Дефектов не обнаружено";(MainForm->CheckBox3->Checked){>Table1->Append();>Table1->FieldValues["UserCode"] = PasswordDlg->UserName->Text;>Table1->FieldValues["ObjectCode"] = MainForm->oboima;>Table1->FieldValues["DateTime"] = TDateTime::CurrentDateTime();>Table1->FieldValues["TimeOfScan"] = time/10;>Table1->FieldValues["Corner"] = corner;>Table1->FieldValues["NumOfDefects"] = numdef;>Table1->FieldValues["Defects"] = DefectsList;>Table1->FieldValues["Porog1"] = pPorog[0]*100;>Table1->FieldValues["Porog2"] = pPorog[1]*100;>Table1->FieldValues["Porog3"] = pPorog[2]*100;>Table1->FieldValues["Porog4"] = pPorog[3]*100;>Table1->FieldValues["Porog5"] = pPorog[4]*100;>Table1->FieldValues["Porog6"] = pPorog[5]*100;>Table1->FieldValues["Porog7"] = pPorog[6]*100;>Table1->FieldValues["Porog8"] = pPorog[7]*100;>Table1->Post();>Table1->Refresh();>Table1->Last();>PageControl1->ActivePage = MainForm->TabSheet3;

}

}

//---------------------------------------------------------------------------__fastcall TDefectos::ReadMainForm()

{[0] = ((float)MainForm->PorogBar1->Position)*0.01;[1] = ((float)MainForm->PorogBar2->Position)*0.01;[2] = ((float)MainForm->PorogBar3->Position)*0.01;[3] = ((float)MainForm->PorogBar4->Position)*0.01;[4] = ((float)MainForm->PorogBar5->Position)*0.01;[5] = ((float)MainForm->PorogBar6->Position)*0.01;[6] = ((float)MainForm->PorogBar7->Position)*0.01;[7] = ((float)MainForm->PorogBar8->Position)*0.01;= (MainForm->ComboBox1->ItemIndex + 1) * 360;

}

//---------------------------------------------------------------------------

ПРИЛОЖЕНИЕ 5


Листинг блока связи программы микроконтроллера

;*************************************************************

;БЛОК СВЯЗИ С ПК

;*************************************************************

;Регистры:

;   r_SAVESTATUS     - используется для сохранения регистра статуса

;   r_h_YREG      - адресный регистр

;   r_l_YREG       - адресный регистр

;   r_PTEMP1..4  - регистры для временного хранения переменных в прерываниях

;

;Адреса ОЗУ:

;     UARTcntI      - счетчик принятых байт фрейма команды

;     UARTcntO    - счетчик отправленых байт фрейма ответа

;     UARTIn                  - базовый адрес фрейма команды

;     UARTOut               - базовый адрес фрейма ответа

;

;*************************************************************

;Прерывание: Байт данных принят

;*************************************************************_RXCOMP:

in      r_SAVESTATUS, SREG

;принимаем байт r_PTEMP1, UDR

;считываем номер байта в посылке         r_PTEMP2, UARTcntI

;записываем байт в память

ldi     r_l_YREG, low(UARTIn)

ldi     r_h_YREG, high(UARTIn)    r_l_YREG, r_PTEMP2 Y, r_PTEMP1     r_PTEMP2         UARTcntI, r_PTEMP2 r_PTEMP2, 5      P_RX_END

;это был последний байт во фрейме

clr     r_PTEMP2 UARTcntI, r_PTEMP2

;обрабатываем запрос и формируем ответ      P_RX_SET_ANSWER

P_RX_END:        SREG, r_SAVESTATUS

reti

;*************************************************************

;Прерывание: Регистр данных пуст

;*************************************************************

P_TREMPTY:     r_SAVESTATUS, SREG

;если передача не начиналась        r_PTEMP1, UARTcntO

tst     r_PTEMP1 P_TX_END         r_l_YREG, low(UARTOut)   r_h_YREG, high(UARTOut)  r_PTEMP2, UARTcntO         r_l_YREG, r_PTEMP2

;отправляем очередной байт в линию связи

ld      r_PTEMP1, Y

out    UDR, r_PTEMP1

inc     r_PTEMP2

cpi     r_PTEMP2, 6      P_TX_NOEND

;это был последний байт во фрейме       r_PTEMP2

;переводим вывод BUSY в состояние L

in      r_PTEMP1, PORTD     r_PTEMP1, 0b11111011       PORTD, r_PTEMP1_TX_NOEND:     UARTcntO, r_PTEMP2_TX_END:         SREG, r_SAVESTATUS

;*************************************************************

;Подпрограмма: Обработка запроса и формирование ответа

;*************************************************************_RX_SET_ANSWER:

;************************

;обрабатываем запрос

;проверяем номер устройства которому послан этот фрейм      r_PTEMP1, UARTIn + 1

;если не совпадает с нашим, то не обрабатываем запрос

;и не формируем ответ

cpi     r_PTEMP1, NumOfChip       P_RX_SET_SUM_RX_SET_SUM:

;проверяем контрольную сумму

ldi     r_l_YREG, low(UARTIn)      r_h_YREG, high(UARTIn)

;загружаем преамбулу         r_PTEMP1, Y+

;загружаем адрес получателя и производим побитовое сложение

ld      r_PTEMP2, Y+   r_PTEMP1, r_PTEMP2

;загружаем код команды и производим побитовое сложение

ld      r_PTEMP2, Y+   r_PTEMP1, r_PTEMP2

;загружаем мл. байт данных и производим побитовое сложение

ld      r_PTEMP2, Y+   r_PTEMP1, r_PTEMP2

;загружаем ст. байт данных и производим побитовое сложение

ld      r_PTEMP2, Y+   r_PTEMP1, r_PTEMP2

;загружаем байт контр. суммы и производим побитовое сложение

ld      r_PTEMP2, Y     r_PTEMP1, r_PTEMP2

;если итог равен 0, то контрольная сумма совпала

tst     r_PTEMP1 P_RX_SET_FORM_RX_SET_FORM:

;************************

;обрабатываем команду

lds     r_PTEMP1, UARTIn+2         r_PTEMP1, 1

brne  P_RX_COMNO1

;************************************

;Чтение значения периода сигнала

rcall   P_READ_PERIOD       P_RX_ENDCOMAND

P_RX_COMNO1:         r_PTEMP1, 4      P_RX_COMNO4

;************************************

;Чтение значения угла поворота

rcall   P_READ_CORNER     P_RX_ENDCOMAND

P_RX_COMNO4:         r_PTEMP1, 6      P_RX_COMNO6

;************************************

;Включение электропривода

rcall   P_START  P_RX_ENDCOMAND

P_RX_COMNO6:         r_PTEMP1, 9

brne  P_RX_COMNO9

;************************************

;Выключение электропривода

rcall   P_STOP     P_RX_ENDCOMAND

;************************************_RX_COMNO9:

;неизвестная команда  P_RX_SET_END_RX_ENDCOMAND:

;************************

;формируем ответ        r_l_YREG, low(UARTOut)   r_h_YREG, high(UARTOut)

;формируем преамбулу        r_PTEMP1, 0b10101010       Y+, r_PTEMP1

;создаем байт для хранения контрольной суммы     r_PTEMP2, r_PTEMP1

;формируем адрес отправителя

ldi     r_PTEMP1, NumOfChip       Y+, r_PTEMP1

eor    r_PTEMP2, r_PTEMP1

;формируем код ответа

lds     r_PTEMP1, UARTIn+1         Y+, r_PTEMP1

eor    r_PTEMP2, r_PTEMP1

;формируем младший байт данных

ld      r_PTEMP1, Y+   r_PTEMP2, r_PTEMP1

;формируем старший байт данных

ld      r_PTEMP1, Y+

eor    r_PTEMP2, r_PTEMP1

;формируем контрольную сумму  Y, r_PTEMP2

;переводим вывод BUSY в состояние H

in      r_PTEMP1, PORTD     r_PTEMP1, 0b00000100

out    PORTD, r_PTEMP1

;передаем первый байт фрема ответа

ldi     r_PTEMP1, 1      UARTcntO, r_PTEMP1         r_PTEMP1, UARTOut UDR, r_PTEMP1_RX_SET_END:

;*************************************************************

ПРИЛОЖЕНИЕ 6


Листинг блока связи программы персонального компьютера

//---------------------------------------------------------------------------

// Поток передачи данных

//---------------------------------------------------------------------------

#include <vcl.h>

#pragma hdrstop

#include "Unit3.h"

#include "Unit2.h"

#include "Unit1.h"

#pragma package(smart_init)

//---------------------------------------------------------------------------

__fastcall TCOMThread::TCOMThread(bool CreateSuspended)

: TThread(CreateSuspended)

{

//удалять при завершении выполнения

FreeOnTerminate = true;

}

//---------------------------------------------------------------------------__fastcall TCOMThread::Execute()

{

//------устанавливаем параметры COM-порта-----

DCB dcb;(MainForm->comport, &dcb);.BaudRate = 9600;.fParity = FALSE;.fOutxCtsFlow = FALSE;.fOutxDsrFlow = FALSE;.fDtrControl = DTR_CONTROL_ENABLE;.fDsrSensitivity = FALSE;.fOutX = FALSE;.fInX = FALSE;.fRtsControl = RTS_CONTROL_ENABLE;.ByteSize = 8;.Parity = NOPARITY;.StopBits = ONESTOPBIT;.fNull = FALSE;(MainForm->comport, &dcb);ctos;(MainForm->comport, &ctos);

//------время между приемом двух символов, мс----

ctos.ReadIntervalTimeout = 100;

//------время приема одого байта, мс----

ctos.ReadTotalTimeoutMultiplier = 200;

//------время инициализации приема, мс----

//------время передачи одного байта, мс----

ctos.WriteTotalTimeoutMultiplier = 200;

//------время инициализации передачи, мс----

ctos.WriteTotalTimeoutConstant = 100;(MainForm->comport, &ctos);

//--------------------------------------------char bytes_out[6];char bytes_in[6];byteswrite;bytesread;

//очистить буфер COM-порта(MainForm->comport);

//устанавливаем размер буфера 6 байт

SetupComm(MainForm->comport, 6 ,0);

//Рабочая часть потока

while(!Terminated){

//ожидаем требования передачи>putincom->WaitFor(100000);

//----формируем фрейм команды----

//преамбула

bytes_out[0] = 170;

//адрес получателя_out[1] = MainForm->out1;

//код команды_out[2] = MainForm->out2;

//мл. байт данных_out[3] = MainForm->out3;

//ст. байт данных_out[4] = MainForm->out4;

//контрольная сумма_out[5] = bytes_out[0]^bytes_out[1]^bytes_out[2]^_out[3]^bytes_out[4];

//посылаем запрос(MainForm->comport, bytes_out, 6, &byteswrite, NULL);

//очистить буфер COM-порта(MainForm->comport);

//принимаем ответ(MainForm->comport, bytes_in, 6, &bytesread, NULL);(bytesread != 6){

//Фрейм принят не полностью

MainForm->error = 3;

}{

//проверяем контрольную сумму(bytes_in[4] == bytes_in[0]^bytes_in[1]^bytes_in[2]^bytes_in[3]){>error = 0;>in1 = bytes_in[0];>in2 = bytes_in[1];>in3 = bytes_in[2];>in4 = bytes_in[3];

}{

//контрольная сумма не совпала->error = 15;

}

}

//устанавливаем событие о получении данных

MainForm->outfromcom->SetEvent();

}

}

//---------------------------------------------------------------------------

Похожие работы на - Устройство для дефектоскопирования обоймы подшипника качения

 

Не нашли материал для своей работы?
Поможем написать уникальную работу
Без плагиата!
Без нейросетей!