Создание тестового стенда на основе системной платы чипсета VIA KT266

  • Вид работы:
    Курсовая работа (т)
  • Предмет:
    Информационное обеспечение, программирование
  • Язык:
    Русский
    ,
    Формат файла:
    MS Word
    2,62 Мб
  • Опубликовано:
    2013-03-26
Вы можете узнать стоимость помощи в написании студенческой работы.
Помощь в написании работы, которую точно примут!

Создание тестового стенда на основе системной платы чипсета VIA KT266

Введение


Разъём центрального процессора (сокет) - гнездовой или щелевой разъём (гнездо), предназначенный для установки в него центрального процессора. Использование разъёма вместо непосредственного припаивания процессора на материнской плате упрощает замену процессора для модернизации или ремонта компьютера, а также значительно снижает стоимость материнской платы.

Разъём может быть предназначен для установки собственно процессора или CPU-карты (например, в Pegasos). Каждый разъём допускает установку только определённого типа процессора или CPU-карты.

Сокет А (также известный как Сокет 462) - разъём для процессоров от Athlon Thunderbird до Athlon XP/MP 3200+ и для бюджетных процессоров AMD Duron и Sempron, также может использоваться с Geode NX. Конструктивно выполнен в виде ZIF-разъёма с 453 рабочими контактами (9 из 462 контактов заблокированы, но тем не менее в названии фигурирует число 462). Частота системной шины для AMD Athlon XP и Sempron составляет 133, 166 и 200 МГц.

Рекомендуемая AMD масса охладителя для Socket A не должна превышать 300 гр. Более тяжёлые кулеры могут привести к механическим повреждениям и вызвать выход системы из строя.

Поддерживаются процессоры с частотой от 600 МГц (Duron) до 2333 MHz (Athlon XP 3200+).

Удвоение частоты рабочей шины (данные передаются по обоим фронтам тактовых импульсов) 100, 133, 166 и 200 МГц для процессоров Duron, Athlon XP и Sempron, используется шина DEC Alpha EV6.

1.     Процессоры AMD Duron под сокет 462

 

1.1     Общая информация


AMD Duron - линейка x86-совместимых микропроцессоров, выпускавшаяся компанией AMD в 2000-2004 годах и ориентированная на потребительский рынок.

Процессор Duron основан на архитектуре K7. Был анонсирован 19 июня 2000 года и нацелен на рынок недорогих компьютеров, где составлял конкуренцию процессорам Intel Celeron. Единственным отличием ядра процессоров Duron от более дорогих AMD Athlon и Athlon XP был уменьшенный до 64 кБ размер кэша второго уровня. Изначально процессоры Athlon и Duron имели одинаковую частоту системной шины, а в более поздних моделях Athlon шина работала на большей частоте, чем у Duron.

Процессоры Duron выполнены в корпусе типа FCPGA и предназначены для установки в системные платы с 462-контактным гнездовым разъёмом Socket A.

Корпус процессоров Duron представляет собой подложку из керамического (ядра Spitfire и Morgan) или органического (зелёного или коричневого цвета) материала (ядро Applebred) с установленным на ней открытым кристаллом на лицевой стороне и контактами на обратной (453 контакта). На стороне кристалла расположены SMD-элементы, а также контакты, задающие напряжение питания, частоту и размер включённой кэш-памяти второго уровня (обычно называемые мостиками). Контакты располагаются группами, которые имеют обозначения L1 - L7 в процессорах на ядре Spitfire, L1 - L11 в процессорах на ядре Morgan и L1 - L12 в процессорах на ядре Applebred. В поздних процессорах на ядре Applebred использовалась также «безмостиковая» упаковка, в которой конфигурационные контакты скрыты под слоем лака.

Маркировка процессоров на ядрах Spitfire и Morgan нанесена на кристалл процессора, а процессоров на ядре Applebred - на наклейку, расположенную возле кристалла.

Изначально кристалл не был защищён от сколов, которые могли происходить в результате перекоса радиатора при его неправильной установке неквалифицированными пользователями, однако вскоре появилась защита от перекосов в виде четырёх круглых прокладок, расположенных в углах подложки. Несмотря на наличие прокладок, при неаккуратной установке радиатора неопытными пользователями кристалл всё же мог получать трещины и сколы (процессоры с такими повреждениями обычно назывались «ко́лотыми»).

В ряде случаев процессор, получивший существенные повреждения кристалла (сколы до 2-3 мм с угла), продолжал работать без сбоев или с редкими сбоями, в то же время, процессор с незначительными сколами мог полностью выйти из строя.

Простейшим способом проверки на «колотость» процессора (без использования лупы и микроскопа) была «проверка ногтем» - по граням кристалла проводили ногтем. В случае наличия сколов палец явно ощущал шероховатость. Сколы углов кристалла определялись визуально. Однако соблюдение мер предосторожности при сборке или установка опытным сборщиком, вместо самостоятельной установки, исключали механические повреждения процессоров с открытым ядром, таких, как процессоры семейства AMD K7 или Intel Pentium III и Celeron с ядром Coppermine.

1.2     Процессоры Duron на ядре Spitfire (Model 3)


Первое ядро, использованное в процессорах Duron, представляет собой ядро процессора AMD Athlon с уменьшенным до 64 кБ объёмом кэш-памяти второго уровня. В отличие от кристалла процессоров Celeron, представлявших собой Pentium III с частично отключённым кэшем, кристалл процессора Duron содержит лишь необходимые 64 кБ. Это позволило сократить количество транзисторов и уменьшить площадь кристалла, тем самым увеличив выход годных кристаллов и удешевив производство.

Как и процессор Athlon, Duron имеет кэш-память первого уровня объёмом 128 кБ (64 кБ - кэш инструкций и 64 кБ - кэш данных), что вдвое превышает объём кэш-памяти второго уровня.

Такое уменьшение объёма кэш-памяти второго уровня в процессорах Duron возможно за счёт использования эксклюзивной архитектуры кэш-памяти, когда данные, хранящиеся в кэше первого уровня, не дублируются в кэше второго уровня. Таким образом, эффективный объём кэш-памяти в процессорах Duron составляет 192 кБ, в то время как эффективный объём кэш-памяти процессоров Celeron, имеющей инклюзивную архитектуру, равен объёму кэша второго уровня - 128 кБ. Благодаря более эффективной архитектуре кэш-памяти, влияние объёма кэш-памяти на производительность в процессорах архитектуры K7 менее заметно. Это позволяет использовать память с более высокими задержками и с меньшей пропускной способностью без потери производительности.

Процессоры Duron, как и Athlon Thunderbird, имеют 16-канальный ассоциативный кэш второго уровня, в то время как степень ассоциативности кэш-памяти второго уровня процессоров Celeron (4 канала) вдвое уменьшена по сравнению с процессорами Pentium III. Таким образом, эффективность кэширования у процессоров Duron снижается только за счёт уменьшения объёма кэш-памяти второго уровня.

Недостатками процессоров Duron являются более высокая латентность кэш-памяти по сравнению с процессорами Celeron, а также небольшая ширина шины кэш-памяти второго уровня - 64 бит (Celeron имеет 256-битную шину), что несколько снижает производительность подсистемы памяти.

Как и AMD Athlon, процессоры Duron работают с системной шиной Alpha EV6, лицензированной компанией AMD у DEC. Отличительной особенностью этой шины является передача данных по обоим фронтам тактового импульса. Таким образом, эффективная частота шины в два раза превышает базовую.

Процессоры Duron на ядре Spitfire выпускались по 180-нм технологии, содержали 25 млн транзисторов, площадь кристалла составляла 100 мм². Системная шина работала на частоте 100 МГц (эффективная частота - 200 МГц). Напряжение питания составляло 1,6 В. Максимальное тепловыделение составляло 41,5 Вт.

Процессоры Duron, как и Athlon, не имели встроенных средств измерения температуры ядра. Измерение осуществлялось с помощью датчика, расположенного под процессором («подсокетный датчик») и отличалось низкой точностью. Зачастую датчик не контактировал с корпусом процессора, а измерял температуру воздуха возле процессора. Эффективность термозащиты в процессорах Duron на ядре Spitfire была недостаточной в ситуации включения без радиатора или в маловероятной ситуации разрушения его крепления, что при установке процессора неопытными пользователями могло привести к выходу его из строя в результате перегрева (Рисунок 1-2).

Рисунок 1 - AMD Duron (Spitfire)

Рисунок 2 - Разъём Socket A с термодатчиком

1.3     Процессоры Duron на ядре Morgan (Model 7)


августа 2001 года компания AMD анонсировала процессор Duron, построенный на новом ядре - Morgan. Это ядро представляет собой ядро процессора AMD Athlon XP (Palomino) с уменьшенным до 64 кБ объёмом кэш-памяти второго уровня.

Процессор AMD Duron на ядре Morgan вышел раньше, чем Athlon XP на ядре Palomino. До этого момента процессоры, нацеленные на рынок высокопроизводительных систем выходили раньше, чем процессоры для недорогих компьютеров, созданные на их основе. В случае с ядром Palomino первыми процессорами на этом ядре были мобильные Athlon 4, анонсированные 14 мая 2001 года. 5 июня вышли серверные процессорыAthlon MP, а 20 августа - Duron на ядре Morgan. Процессоры Athlon XP были анонсированы 9 октября 2001 года.

Основными нововведениями, представленными в ядре Morgan, являются наличие блока инструкций SSE, а также наличие механизма аппаратной предвыборки данных (hardware prefetch). Благодаря этим нововведениям производительность процессоров Duron на ядре Morgan на 2-5 процентов превышает производительность процессоров на ядре Spitfire при одинаковой тактовой частоте.

Кроме того, процессоры Duron на ядре Morgan имеют встроенный датчик температуры (термодиод), что позволяет при использовании системной платы, поддерживающей работу с этим датчиком, организовать более эффективную защиту от перегрева, чем при использовании внешнего термодатчика. Однако в связи с тем, что некоторые производители системных плат, особенно в первое время после начала выпуска процессоров Athlon XP и Duron со встроенным датчиком температуры, нарушали рекомендации AMD по термозащите, защита могла быть неэффективной при включении без радиатора или разрушении его крепления. Тем не менее эффективность термозащиты в процессорах Duron была достаточной для защиты процессора в обычных условиях эксплуатации, защищая от таких ситуаций, как остановка кулера.

Процессоры Duron на ядре Morgan по-прежнему выпускались по 180-нм технологии, содержали 25,2 млн. транзисторов, площадь кристалла составляла 105,68 мм². Системная шина, как и в процессорах на ядре Spitfire, работала на частоте 100 МГц (эффективная частота - 200 МГц). Напряжение питания для обеспечения стабильной работы на более высоких частотах (до 1,3 ГГц) было повышено до 1,75 В. В связи с этим возросло и тепловыделение процессоров (до 60 Вт), несмотря на проведённый редизайн ядра, направленный на его снижение.

Предполагалось, что дальнейшим развитием линейки Duron станет 130-нм ядро Appaloosa, однако в начале 2002 года это ядро исчезло из официальных планов компании AMD. Была выпущена лишь небольшая партия инженерных образцов (Рисунок 3).

Рисунок 3 - AMD Duron (Morgan)

1.4    
Процессоры Duron на ядре Applebred (Model 8)


21 августа 2003 года были анонсированы последние представители линейки бюджетных процессоров AMD Duron. Они представляли собой процессоры Athlon XP на ядре Thoroughbred с частично отключённым кэшем второго уровня и отличались от предшественников повышенной до 266 МГц частотой системной шины, несколько меньшими напряжением питания (1,5 В) и тепловыделением (57 Вт).

Процессоры Duron на ядре Applebred, как и Athlon XP на ядре Thoroughbred, выпускались по 130-нм технологии, содержали 37,2 млн транзисторов (часть из которых приходилась на отключённый кэш), площадь кристалла составляла 80,89 мм² у ядра ревизии A0 и 84,66 мм² у ядра ревизии B0. В связи с тем, что процессоры на ядре Applebred физически имели 256 кБ кэш-памяти второго уровня, которая с большой вероятностью могла быть работоспособной, был найден способ включения всех 256 кБ путём замыкания определённых контактов, расположенных на подложке процессора. При успешном включении кэш-памяти второго уровня, процессор Duron превращался в Athlon XP на ядре Thoroughbred.

июля 2004 года были анонсированы первые процессоры нового семейства бюджетных процессоров компании AMD - Sempron (часть из которых выпускалась на основе ядра Thoroughbred B0), пришедшего на смену семейству Duron (Рисунок 4).

Рисунок 4 - AMD Duron (Applebred)

1.5     Процессоры Mobile Duron на ядре Camaro


Процессоры Mobile Duron выпускались на базе ядер Spitfire и Morgan (мобильный вариант ядра Morgan носит название Camaro) и отличались от десктопных Duron пониженными напряжением питания (1,4-1,5 В) и тепловыделением (до 35 Вт), а также наличием поддержки технологии PowerNow!, позволявшей в процессе работы управлять тактовой частотой и напряжением питания. В моменты простоя процессоров напряжение снижалось до 1,2 В, а частота - до 300 МГц. Это позволяло на треть снизить энергопотребление процессора, тем самым продлевая время автономной работы ноутбука.Duron, как и десктопные процессоры, выпускались в корпусе FCPGA c 453 контактами и устанавливались в 462-контактный разъём Socket A (Рисунок 5).

Рисунок 5 - Mobile Duron

2.     Материнская плата EP-8KHAL+. Спецификация

 

2.1     Схема материнской платы


Плата разработана с форм-фактором ATX - новый стандарт в индустрии шасси. ATX форм-фактор, по существу Baby-AT плата, повернута на 90 градусов внутри корпуса шасси и новый монтаж конфигурации для источника питания. С этими изменениями процессор перемещен далеко от мест расширения, позволяя слотам держать полные расширительные платы. ATX определяет двойную апертуру высоты к задней части шасси, которое может использоваться, чтобы принять широкий диапазон бортового ввода / вывода. Только размер и положение этой апертуры определены, позволяя производителям PC добавить новые опции ввода / вывода (например; телевизионный вход, телевизионная продукция, джойстик, модем, LAN, и т.д.) к системам. Это поможет системным интеграторам дифференцировать свои продукты на рынке, и лучше соответствовать Вашим потребностям. Высокая степень интеграции на материнской плате снижает стоимость системы.

Рисунок 6 - Схема материнской платы

Рисунок 7 - Схема расширяемого ввода / вывода

2.2   Power-On/Off (Remote)


На плате имеется один 20-контактный разъем ATX для поставок энергии. Для ATX блоков питания, которые поддерживают удаленное включение / выключение функции, это должно быть подключено к передней панели системы для системы Power On / Off кнопки. Кнопка On/Off в системе должна быть мгновенной кнопкой, которая обычно открыта. Вы можете отключить систему от одного из двух источников: во-первых, передняя панель питания Кнопка включения / выключения, а другой «Soft Off» функция, которая может управляться операционной системы, таких asWindows ® 95/98/SE / ME или Windows ® 2000.

Рисунок 8 - ATX Power ON/OFF контроллер

Рисунок 9 - Системная блок-схема

2.3   Особенности платы


Процессор:

· AMD Athlon TM, Duron TM процессоры, Socket A, работает на 600MHz ~ 1.1GHz

Чипсет:

· VIA KT266 AGPset (VT8366 + VT8233)

DRAM MODULE:

· 184pin DDR DIMM х 3 для PC1600/2100 памяти - DRAM Размер: 64 Мб до 1,5 Гб

Слоты расширения:

· PCI х 6, AGP 4X х 1

Разъемы ввода / вывода:

· Winbond 83697HF LPC I/O с интегрированным - FDD, параллельный и последовательный, быстрый IR

Разъёмы PCI / IDE:

· шина PCI IDE порт с PIO / Ultra DMA-100 х 2 (до 4 устройств) I/O.

Соединитель Ввода / Вывода:

· PS/2 мыши и PS/2 клавиатуру - COM1, COM2, принтер, входов и выходов звука, микрофон и Game Port разъемов

USB:

· USB разъем х 6 (4 для Opt.)

BIOS:

· Award Plug & Play BIOS

· Двойной Direct Sound

· H / W Sound Blaster Pro для DOS обеспечения совместимости

· FM-синтеза для обеспечения совместимости

· Поддержка игр и MIDI-порт

Расширенные функции:

· Поддержка функции аппаратного мониторинга

· Поддержка эксклюзивной KBPO (клавиатура Power On)?

· Поддержка CPU Vcore / VIO (2,5 В) настройка через BIOS

· Поддержка CPU Clock настройки с помощью BIOS

· Поддержка STR (Suspend To RAM) Функция энергосбережения

· Поддержка Wake-On-LAN Функция

· Поддержка Wake-On-функции модема

· P80P Debug (POST) карты бортовой дизайн с 7-сегментным дисплеем

Форм-фактор:

· 305 мм х 245 мм ATX Размеры

На рисунке 10, представлена подробная схема платы.

Рисунок 10 - Подробная схема платы

: Turbo светодиодный индикатор - светодиод включен, когда выбрана высокая скорость.

IDE светодиодный индикатор - светодиод включен, когда Бортовой PCI IDE жестких дисков активирован.

IR Коннекторы:

1 VCC

2 GND

3 NC

4 IRTX

5 IRRX

Рисунок 11 - Порт контактов

: CPU Fan Плагин для питания вентилятора процессора.: Chassis Fan Плагин для питания вентилятора шасси.: мощность вентиляторов. Плагин для питания вентилятора питания.

WOL1: WOL (Wake On LAN) Разъем.: WOM (Wake On Modem) Разъем.: Ultra ATA-100 Primary IDE разъем.: Ultra ATA-100 Secondary IDE разъем.

Рисунок 12 - Разъёмы IDE1 и IDE2

FDD1: Контроллер флоппи-разъем (черный цвет).

Рисунок 13 - Контроллер флоппи-разъем

: ATX разъем питания. 20-контактный разъем питания.

CD1: CD Audio_IN разъем. Pin1 (CD_IN_Left), Pin2/Pin3 (CD_Reference), Pin4 (CD_IN_Right).1: Вспомогательный Line_IN разъем. Pin1 (Левый Line_IN), Pin2/Pin3 (GND), Pin4 (правый Line-IN).1: Телефонный разъем для модема, аудиовыход. Pin1 (Audio_in), Pin2/Pin3 (GND), Pin4 (Mic-out to Modem).

2.4   Микросхема «Северный мост»


Северный мост (NorthBridge) - условное обозначение, относящееся к части набора логики материнской платы, которая делится на Южный и Северный мост. Назван так по причине своего расположения (северный вверху, южный внизу). В прошлом, данный контроллёр выполнял функции посредника и контроллёра между устройствами с высокими требованиями к пропускной способности (контроллёр памяти, контроллёр PCI-Express шины) и процессором. Он отвечал за тип поддерживаемой памяти (максимальный объём, частота функционирования & etc), количество линий и пропускную способность PCI-Express шины (версию стандарта, количество поддерживаемых слотов). Часто в северный мост встраивали (и встраивают до сих пор) графическое видео ядро, которое сообщается с процессором по высокоскоростной шине.

Мост использует дополнительное охлаждение, обычно пассивное. Тепловыделение составляет не больше 25 Ватт, что в большинстве случаев «выливается» в средних размеров пассивный радиатор. Если же мост выделяет больше тепла, на него ставится небольшой активный кулер (что неблагоприятно влияет на тишину работы).

В современных материнских платах «северный чипсет» упразднён, либо сильно урезан по функционалу (имеет только контроллёр высокоскоростной шины PCI-e; при большой нужде к пропускной способности, не увеличивая стоимость производства и площадь чипа ЦП) в пользу встроенных в процессор контроллёров оперативной памяти и контроллёров шины PCI-e x16. Это позволило сократить задержки памяти и увеличить частоту функционирования шины, благодаря очень коротким шинам в самом процессоре. Теперь нет нужды вести сложные линии шины на материнских платах.

Производители иногда оснащают материнские платы «псевдо радиатором» северного моста (для симметрии и лучшего внешнего вида), который находится на предполагаемом месте северного моста, но чипа там нет. Хотя он и участвует в теплообмене, если через него проходят тепловые трубки, но основное применение он теперь находит в охлаждении дополнительных контролеров шины PCI-Express (NF200 к примеру), которые предусмотрительно располагают специально на этом месте.

В данной плате установлен чипсет VIA KT266A.

Рисунок 14 - Чипсет VIA KT266A

В последние полтора года на рынке чипсетов для системных плат наблюдается странная тенденция в названии продуктов. Большинство из Вас согласятся с тем, что когда выходит новый чипсет, мы ожидаем увидеть в его названии символ A, или СЛЕДУЮЩИЙ релиз. KT133 - ясный пример этого. Тоже теперь можно сказать и о чипсетах KT266 и P4X266. Intel так же присваивает своим новым чипсетам некоторые символьные приставки. К чему мы все это говорим. Дело в том, что мы с Вами стали невольными бета тестерами нового железа, и за свои деньги пытаемся выяснить как, что работает. Не смешно.KT266A является самым последним чипсетом для процессоров AMD. Чипсет состоит из двух отдельных чипов: 552-pin северного моста VT8366A DDR, и 376-pin южного моста VT8233 (или VT8233C). Оба чипа используют стандартный PGA корпус, что позволяет уменьшить себестоимость и сохранить возможность использовать стандартные охлаждающие решения. Чип VT8366A совместим с предыдущим VT8366, что так же позволяет значительно сэкономить на разработке новых печатных плат. По словам разработчиков, будущие решения будут так же совместимы по контактам, что позволит очень просто проектировать новые системные платы с интегрированным видео и другими особенностями.Apollo KT266A (это полное название чипсета) оснащен расширенным контроллером памяти и технологией управляемой производительностью. Поддерживая DDR200/266 память, VIA Apollo KT266A обеспечивает самый быстрый доступ к системной памяти. Улучшение временных характеристик позволило увеличить скорость передачи данных между синхронизированными системной шиной и шиной памяти. Кроме того, новый контроллер памяти позволяет передавать до восьми учетверенных слов за такт, вместо четырех в прошлой версии чипсета. Очереди данных так же были углублены, что позволило сделать доступ к буферизированным данным более эффективным. Другими словами новый чипсет имеет самый быстрый DDR контроллер памяти.

Южный мост (англ. Southbridge), ICH (I/O controller hub), периферийный контроллер - содержит контроллеры периферийных устройств (жёсткого диска, Ethernet, аудио), контроллеры шин для подключения периферийных устройств (шины PCI, PCI Express и USB), а также контроллеры шин, к которым подключаются устройства, не требующие высокой пропускной способности (LPC - используется для подключения загрузочного ПЗУ; также шина LPC используется для подключения мультиконтроллера (англ. Super I/O) - микросхемы, обеспечивающей поддержку исторических низкопроизводительных интерфейсов передачи данных: последовательного и параллельного интерфейсов, контроллера клавиатуры и мыши).

Южный мост (VT8233A V-Link Client South). Краткие функциональные характеристики южного моста таковы:

· 2-канальный контроллер IDE с поддержкой UltraATA33/66/100/133 (FastDrive) и BigDrive;

· 2-канальный контроллер USB с поддержкой до 4 портов;

· соответствующий спецификации PCI 2.2 контроллер с поддержкой до 6 PCI-устройств;

· контроллеры клавиатуры и мыши PS/2;

· соответствующий спецификации AC'97 2.2 аудиоконтроллер с поддержкой 6 каналов для 5.1 Dolby Digital;

· соответствующий спецификации MC'97 контроллер software-модема.

Мосты чипсета связаны специальной высокоскоростной шиной V-Link, работающей на частоте 66 МГц quad-pumped. Общая пропускная способность шины составляет 266 МБ/с.

Рисунок 15 - Чипсет VT8233A

Блок-схема чипсета VIA KT266A показана на рисунке 16.

Рисунок 16 - Блок-схема чипсета VIA KT266A

2.5   Перемычки


Плата была разработана с малым количеством перемычек, чтобы сделать вашу установку быстрее и проще.

Рисунок 17 - JBAT1

Рисунок 18 - JCK1

Рисунок 19 - Debug карты

2.6   Звуковой чип ALC201A


В данной плате установлен звуковой чип ALC201A (Рисунок 20). Отвечает данный звуковой чип за воспроизведение звука в режиме стерео.

Рисунок 20 − Звуковой чип ALC201A

Распиновка изображена на рисунке 21.

Рисунок 21 − Pinout/Connection Diagram ALC201A

Функциональная схема AC'97 изображена на рисунке 22.

Рисунок 22 − Функциональная схема AC'97

2.7   PLL103-02XC - DDR SDRAM буфер


Распиновка PLL103-02XC буфера на рисунке 23.

Рисунок 23 - PLL103-02XC буфер

2.8   Конфигурация системной памяти


Плата поддерживает (3) PC1600/2100 184-контактных DIMM (Dual In-модуля памяти). Модули DIMM только для DDR SDRAM (Double-Data-Rate Synchronous DRAM). Ниже показано несколько конфигураций памяти.

Рисунок 24 - Конфигурация памяти

Рисунок 25 - Конфигурация памяти

· DDR SDRAM поддерживает 64, 128, 256, 512 модулей DIMM;

· рекомендуется использовать PC1600 Модуль памяти только на передней стороне 100 МГц шиной;

· не смешивать небуферизованные и зарегистрированные DDR SDRAM на DIMM1, DIMM2 и DIMM3 розетки;

· поддержка модулей PC1600 с 2-2-2 времени;

· поддержка модулей PC2100 с 2-2-2 сроки.

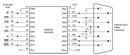
2.9   GD75232 Мультиканальный приёмник / передатчик RS-232


Блок-схема GD75232 представлена на рисунке 26.

Рисунок 26 - Блок-схема GD75232

2.10 Регулятор заглушки шины RT9173

/ регулятор предназначен для преобразования напряжение питания от 1,8 В до 6 В в требуемое выходное напряжение которого регулируется двумя внешними резисторами, делителя напряжения.

Распиновка изображена на рисунке 27.

Рисунок 27 - Распиновка RT9173

Описание пинов рисунок 28.

Рисунок 28 - Пины RT9173

Функциональная блок-диаграмма рисунок 29.

Рисунок 29 - Блок-диаграмма RT9173

2.11 BIOS


Основан на Award BIOS v6.00 PG. Очень удачно реализована возможность обновления BIOS с помощью Magic Bios - фирменной технологии от EPoX! Утилита Award Flash записана прямо в ПЗУ BIOSa. Обновление происходит путем нажатия клавиш Alt+F2 во время прохождения POST проверки. Файл с новой прошивкой BIOS считывается с дискеты (на которую его следует записать) и если совпадает ID, то перепрошивается. Все!

Все пункты BIOS детально описаны в инструкции, там же описаны все POST коды и их толкование.

На плате используются возможности системного мониторинга микросхемы W83697HF от Winbond. Контролируются температура процессора и системной платы, напряжение на процессоре VCore, VAGP, +5 и +12 В, VIO, VDIMM, VBAT, 5USB, частота вращения 2 вентиляторов. На плате имеются 2 разъема для регулируемого подключения вентиляторов и 1 для нерегулируемого.

Замечено, что плата некорректно отражает температуру процессоров AMD Athlon, это может объясняться тем, что термодатчик, установленный на плате, не достает до нижней стороны процессора и никаких поправок к значениям термодатчика BIOS не делает. При использовании процессоров семейства AMD Athlon XP температура отображается корректно, что может означать одно из двух: либо берутся показания встроенного в процессоры этого семейства термодатчика, либо в BIOSе осуществляется поправка. Хотелось бы верить, что первое - проверять методом снятия кулера я не стал.

Все манипуляции с частотой и вольтажом процессора, и вольтажом и таймингами памяти осуществляются из BIOS. Стоит отметить ооочень широкий диапазон изменения Vcore от 1.1 до 1.85V с шагом в 0.025V и от 1.85 до 2.2V с шагом в 0.05V! Диапазон изменения питания на модули DIMM - от 2.5 до 3.2V с шагом в 0.1V.

Делитель CPU/AGP /PCI шин выставляется автоматически, при шинах от 133 до 166 выставляется делитель 1/2/4, при шинах более 166 включается делитель 1/2.5/5. плохо, что делитель нельзя выставлять вручную.

Заключение


Плата поддерживает любые процессоры AMD, имеющие форм-фактор SocketA - от 500 - 600 МГц Athlon или Duron до самых современных Athlon XP 2000+; интерфейс UATA100; AGP 4x. На материнской плате имеются POST-индикаторы, которые помогут установить причину неполадки. На плате есть 6 разъемов PCI. Epox убрала со своей платы давно устаревший разъем ISA.

В курсовом проекте представлен сервисный мануал материнской платы, изучены южный и северный мост, описаны все составляющие платы ep-8khal+.всегда славилась платами, обладающими большими возможностями по разгону. Эта плата тоже не стала исключением. Для большей надежности, чипсет охлаждается небольшим кулером.

Список источников

duron процессор плата шина

1 Колисниченко, Д. Большой самоучитель по ремонту, сборке и модернизации.: АСТ, 2008. - 320 с.

2 Валентин Соломенчук, Павел Соломенчук. Железо ПК 2009.: BHV, 2009. - 448 с.

3 К.Д. Виченсио, Д.Н. Криси // Как самому собрать компьютер своей мечты.: HT Пресс, 2006. - 224 с.

4 Стивен Бигелоу. Устройство и ремонт персонального компьютера. Аппаратная платформа и основные компоненты.: Бином-Пресс, 2008. - 976 с.

5 Д.В. Капитун, А.В. Легейда, В.В. Мельниченко // Оптимальный ПК. Устройство, сборка, настройка. 2-е изд.: Корона-Век, Век+(Киев), 2011 - 544 с.

Похожие работы на - Создание тестового стенда на основе системной платы чипсета VIA KT266

 

Не нашли материал для своей работы?
Поможем написать уникальную работу
Без плагиата!
Без нейросетей!